|
Наименование ЛЭП 10 кВ
|
Pрасч, кВт
|
Qрасч, квар
|
Sрасч, кВА
|
|
ПТФ - 1
|
352,8
|
264,6
|
441
|
|
ПТФ - 2
|
537,6
|
403,2
|
672
|
|
ПТФ - 3
|
806,4
|
604,8
|
1008
|
|
ПТФ - 4
|
352,8
|
264,6
|
441
|
|
ПТФ - 5
|
89,6
|
67,2
|
112
|
|
ПТФ - 6
|
576,8
|
432,6
|
721
|
|
Парк - 1
|
1190
|
737,5
|
1400
|
|
Парк - 2
|
1190
|
737,5
|
1400
|
|
Добрец
|
302,4
|
146,5
|
336
|
|
Тырканово
|
756
|
366,1
|
840
|
|
Итого
|
6154,4
|
4025,6
|
7354
|
.2 Выбор и расчет компенсирующих устройств
Расчет на основе [3], по данным из таблицы 1.1 определим cosφ по формуле:
, (1.4)
.
Определим
мощность КУ по формуле:
, квар,
(1.5)
где
tgφ - естественный коэффициент мощности, для cosφ = 0,84 соответствует tgφ = 0,65;
tgφк -
коэффициент мощности после компенсации, cosφ = 0,94 соответствует tgφ = 0,36;
а - коэффициент учитывающий повышение коэффициента мощности
мерами не требующими установки ККУ, а = 1.
(квар).
Компенсирующее устройство выбирается из условия:
QКУ ≤ QФ.КУ, квар,
(1.6)
где QФ - фактическая мощность принятого
компенсирующего устройства.
Выбираем ККУ типа УКЛ(П)57-10,5-900У1, в количестве 2 штук. Тогда
фактическая мощность ККУ равна:
QФ.КУ=2∙900 = 1800 (квар),
,4 квар < 1800 квар.
Полная мощность, с учетом компенсации реактивной мощности, равна:
,кВ∙А,
(1.7)
(кВ∙А).
1.3 Определим среднюю нагрузки подстанции за год и коэффициента
заполнения графика
На рис. 1.1 и 1.2 приведены суточный и годовой графики активной мощности.
На рис. 1.3 суточный график реактивной мощности в зимний период.
Расчет средней нагрузки, коэффициента заполнения графика.
Потребляемая электроэнергия за год определяется из [4] по формуле:
Рис. 1.1 - Суточный график активной мощности 1 - зимний период; 2 -
летний период.
Рис. 1.2 - Годовой график активной мощности.
Wп = åPi ×Ti, кВт∙ч, (1.8.)
где Pi - мощность i-ой
ступени графика, кВт;
Ti - продолжительность ступени, ч.
Рис. 1.3 - Суточный график реактивной мощности 1 - без компенсации, 2 -
реактивная мощность КУ.
Wп=6154,4×366+5785,1×183+4985,1×183+4800,4×183+4615,8×732+4431,2×1464+4246,5×183+4061,9×1098+3815,7×182+3692,6∙364+3446,5∙546+3261,8∙364+3077,2∙728+2892,6∙364+2707,9∙728+2461,8∙182+2338,7∙182+1907,9∙364=32145322
(кВт∙ч)
Средняя нагрузка подстанции за год:
кВт, (1.9)
(кВт).
Продолжительность
использования максимальной нагрузки:
, ч,
(1.10)

(ч)
Время
потерь:
, ч,
(1.11)
Коэффициент
заполнения графика:
(1.12)

2.
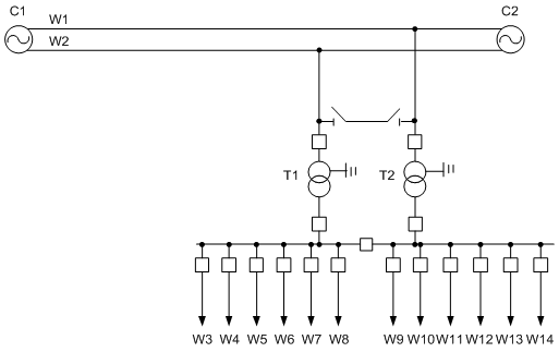
Выбор типа КТП, типов и мощности трансформаторов
Для
обеспечения питания населенных пунктов выбираем КТПН тупикового типа с воздушным
вводом.
Выбор
типа и мощности трансформаторов КТП приведем на примере КТП «Деревня» по ВЛ -
10 кВ Добрец.
В
деревне имеются следующие электропотребители:
жилые
дома в количество Nд = 80 штук;
светильники
уличного освещения Nсв = 10 штук;
водокачка,
мощность Р = 4 кВт.
Рассчитаем
расчетные активную и реактивную мощности по жилым домам [5]:
активная
, кВт,
(2.1)
где
Руст.д - установленная
мощность одного дома, Руст.д =
2,2 кВт [5];
kо - коэффициент
одновременности, kо = 0,28 [5].
(кВт),
реактивная
, квар,
(2.2)
(квар).
Находим
расчетные мощности для уличного освещения:
активная
, кВт,
(2.3)
где
Руст.св - установленная
мощность одного светильника, Руст.св =
0,25 кВт [5];
(кВт),
реактивная,
находится по формуле (2.2)
(квар).
Активная
мощность водокачки Рв = 4 кВт,
реактивную находим согласно формулы (2.2):
(квар).
Находим
суммарные активные и реактивные мощности:
, кВт,
(2.4)
, квар,
(2.5)
(кВт),
(квар).
Тогда
полная расчетная мощность КТП будет равна:
, кВ∙А,
(2.6)
(кВ∙А).
Трансформаторы
для КТП выбираем исходя из условия:
, кВ∙А.
(2.7)
Рассмотрим
два варианта:
.
ТМГ - 63/10/0,4
,4
кВ∙А < 63 кВ∙А;
.
ТМГ - 100/10/0,4
,4
кВ∙А < 100 кВ∙А.
Произведем
технико-экономическое сравнение вариантов [3].
Полные
затраты на обслуживание трансформатора определяются по выражению:
, тыс.
руб. /г., (2.8)
где
E - норма дисконта,
/г.;
- полные
капитальные затраты с учётом стоимости КТП;
-
стоимость потерь в трансформаторе;
- затраты
на обслуживание, ремонт и амортизацию.
, тыс.
руб. /г.,(2.9)
где Цтр - цена
трансформатора, Цтр1 =85,79тыс.
руб, Цтр2 = 89 тыс. руб;
- индекс
цен оборудования (I=1);
-
коэффициент, учитывающий транспортно-заготовительные расходы, связанные с
приобретением оборудования,
;
-
коэффициент учитывающий затраты на строительные работы,
;
-
коэффициент учитывающий затраты на монтаж и отладку оборудования,
.
Кн.тр1 =
(тыс. руб. /г.),
Кн.тр2 =
(тыс. руб. /г.).
, тыс.
руб. /г., (2.10)
где
- стоимость 1кВт/ч электроэнергии,
;
-
годовое число часов работы трансформатора,
;
- потери
холостого хода,
кВт,
кВт;
- потери
короткого замыкания,
кВт,
кВт;
τп -
время максимальных потерь, τп = 3659 ч.
(тыс.руб.
/г.),
(тыс.руб.
/г.).
, тыс.
руб. /г.,(2.11)
где
- норма амортизационных отчислений,
;
- норма
обслуживания оборудования,
= 2,9% ;
- норма
ремонта оборудования,
= 1,0%.
(тыс.
руб. /г.),
(тыс.
руб. /г.).
(тыс.
руб. /г.),
(тыс.
руб.).
Выбираем КТП с трансформатором ТМГ - 100, так как затраты практически
равны, а при данном варианте возможно дополнительное подключение потребителей.
Реальный коэффициент загрузки трансформатора равен:
(2.12)
.
Аналогично
производим выбор и остальных трансформаторов для КТП по ВЛ - 10 кВ Добрец,
результаты расчета приведены приложении 1 в таблице 1.1, а для ВЛ - 10 кВ
Тырканово в таблице 1.2.
3.
Проектирование и расчет линии 10 кВ
Проект
ВЛ-10 кВ - это комплекс расчетных работ, оформленных документально; каждый
элемент линий рассчитывается, исходя из условий эксплуатации и в строгом
соответствии с требованиями нормативной документации. В частности, опоры и
фундаменты под ними рассчитываются по методу предельных состояний, а выбор
тросов определяется по методу допустимых напряжений. Все элементы воздушной
линии постоянно пребывают под нагрузкой, поэтому проект ВЛ-10кВ должен
выполняться так, чтобы элементы линий выдерживали усилие на разрыв, были стойки
к электромеханическому и механическому воздействиям, имели достаточный запас
прочности, препятствующий разрушению.
Воздушные
линии 10 кВ широко распространенны в России, поскольку они имеют ряд
преимуществ:
минимальный
объем земляных работ при постройке;
простота
в эксплуатации;
в
ВЛ 10 кВ возможно использовать опоры для крепления линии 0,38 кВ, проводов
радиосети, местной телефонной связи, наружного освещения, сигнализации и
телеуправления;
более
низкая стоимость ВЛ 10 кВ, чем у кабельной линии, примерно на 30% ниже.
При
проектировании ВЛ - 10 кВ применяем провод типа СИП - 3 (самонесущий
изолированный провод с токопроводящей жилой из алюминиевого сплава круглой
формы, жила многопроволочная уплотненная).
Преимущества
СИП:
при
равнозначных капиталовложениях, ЛЭП с СИП требуют меньших эксплуатационных
расходов;
уменьшение
безопасных расстояний до зданий и других инженерных сооружений (электрических,
телефонных, воздушных линий);
высота
над уровнем земли - 4 метра, для неизолированных проводов - 6 метров;
исключена
возможность короткого замыкания между проводами фаз или на землю;
исключение
опасности возникновения пожаров в случае падения проводов на землю;
высокая
безопасность обслуживания - отсутствие риска поражения при касании фазных
проводов, находящихся под напряжением; меньший вес и большая длительность
налипания снега, повышенная надежность в зонах интенсивного
гололедообразования, уменьшение гололедно-ветровых нагрузок на опоры;
снижение
падения напряжения вследствие малого реактивного сопротивления;
сокращение
объемов аварийно-восстановительных работ;
простота
ремонтов, особенно при работах под напряжением;
снижение
вероятности хищения электроэнергии и разрушения ЛЭП; безопасность работ вблизи
ЛЭП.
.1
Выбор и проверка провода
Расчет
приведем на примере ВЛ - 10 кВ «Добрец».
Согласно
[1], сечение провода должно быть проверено по экономической плотности.
Экономически целесообразное сечение определяется из соотношения:
, мм2,
(3.1)
Находим
максимальный ток линии:
, А,
(3.2)
где
ΣSном.ктп -
суммарная номинальная КТП подключенных к данной ВЛ, для ВЛ - 10 кВ «Добрец» ΣSном.ктп =
560 кВ.А;
Uном.нн - номинальное
напряжение на шинах НН, питающей ПС, кВ
Uном.нн = 10 кВ.
(А),
(мм2).
Выбираем
провод СИП-3 1 х 50, с Iдоп = 245 А.
Проверка
по экономической плотности:
, мм2,
(3.3)
,1
мм2 < 50 мм2.
Проверяем
по допустимому току:
, А,
(3.4)
,4
А < 245 А.
Для
проверки на падение напряжения ВЛ найдем сопротивления провода СИП - 3 по
формулам:
удельное
активное сопротивление провода
, Ом/км;
(3.5)
активное
сопротивление ВЛ
, Ом,
(3.6)
где
lвл - длина линии, км для ВЛ - 10 кВ «Добрец» lвл = 7 км;
удельное
реактивное сопротивление провода
, Ом/км,
(3.7)
где
zо - электрическое сопротивление провода, Ом/км, для СИП
- 3 берется из [6], для F = 50 мм zо = 0,72 Ом/км;
реактивное
сопротивление
, Ом.
(3.8)
Тогда
для ВЛ - 10 кВ «Добрец»:
(Ом/км),
(Ом),
(Ом/км),
(Ом).
Напряжение
на шинах НН равно:
(кВ).
Напряжение
в конце линии:
, кВ,
(3.9)
(кВ).
Потери
напряжения в линии находиться по формуле:
%,
(3.10)
(%).
Потеря
напряжения не превышает допустимые 5%.
Аналогично
выбираем провода для других ВЛ - 10 кВ, результаты расчета приведены в
приложении 2 в таблице 2.1.
.2
Выбор длины пролета и расчет количества опор ВЛ - 10кВ
Рассмотрим
ВЛ - 10 кВ «Добрец»
Выбираем
опоры со стойками марки СВ - 110. ВЛ - 10 кВ которые проходят в ненаселенной
местности. Согласно расчетных таблиц [7], для данных климатических условий и
провода СИП - 3 1х50 принимаем длину пролета
Lпр = 90 м.
Тогда
количество опор будет равно:
, шт,
(3.11)
(шт).
Принимаем
Nоп = 78 штук.
Для
остальных ВЛ данные приведены в таблице 3.1.
Таблица
3.1 - Количество опор для ВЛ - 10 кВ.
|
Наименование ВЛ - 10 кВ
|
Fст, мм2
|
Lвл/Lоп м/м
|
Nоп , шт.
|
|
Добрец
|
50
|
7000/90
|
78
|
|
Тырканово
|
70
|
8000/80
|
100
|
|
ПТФ 1
|
70
|
2000/80
|
25
|
|
ПТФ 2
|
50
|
2500/90
|
28
|
|
ПТФ 3
|
95
|
2000/75
|
27
|
|
ПТФ 4
|
70
|
2000/80
|
25
|
|
ПТФ 5
|
50
|
2500/90
|
28
|
|
ПТФ 6
|
70
|
2000/80
|
25
|
|
Парк 1
|
95
|
10000/75
|
134
|
|
Парк 2
|
95
|
10000/75
|
134
|
4. Выбор типа, числа и мощности трансформаторов районной трансформаторной
подстанции
.1 Выбор количества и мощности трансформаторов
При определении расчётной мощности подстанции учитываются мощности
трансформаторов собственных нужд, которые присоединяются к сборным шинам 10 кВ
[3]. Расчетную мощность определим по формуле:
, кВ∙А,
(4.1)
где Sтсн - расчетная мощность трансформатора
собственных нужд, кВ∙А,
Sтсн = Sном.т ∙kз = 40 ∙ 0,9 =36 (кВ∙А); 10 - коэффициент роста
нагрузок за 10 лет, k10=1,15.
(кВ∙А).
Расчетная
активная мощность:
, кВт,
(4.2)
(кВт).
Реактивную
мощность находим по формуле (1.3):
(квар).
Так
как от подстанции питаются потребители всех категорий, и питание от системы
лишь со стороны ВН, то как правило, требуется установка не менее двух
трансформаторов[1]. Поэтому выбираем два трансформатора. Приёмники I и II
категории надёжности потребляют 80% мощности, по этому
Для
двух трансформаторной подстанции:
, кВ∙А,
(4.3)
(кВ∙А).
По
[8] для двух трансформаторной подстанции 110/10 кВ принимаем два варианта
трёхфазных двухобмоточных трансформаторов:
.
Вариант 2´ТМН - 6300/110/10.
.
Вариант 2´ТДН - 10000/110/10.
Проверяем
коэффициент загрузки трансформаторов в нормальном режиме работы по формуле
(2.12):
,
.
Проверяется
коэффициент загрузки трансформаторов в аварийном режиме работы, когда в работе
1 трансформатор:
,
.
Технические
данные трансформаторов представим в таблице 3.1 из [8].
Таблица
3.1 - Технические данные трансформаторов
|
Тип тр-ра
|
Sном,
кВА
|
Uном,
кВ
|
ΔРхх,
кВт
|
ΔРк,
кВт
|
ΔUк, %
|
Iхх, %
|
Цена, тыс. руб
|
|
|
ВН
|
НН
|
|
|
|
|
|
|
ТМН-6300
|
6300
|
115
|
11
|
13
|
49
|
10,5
|
0,9
|
5000
|
|
ТДН-10000
|
10000
|
115
|
11
|
18,8
|
60
|
10,5
|
0,85
|
7500
|
4.2 Технико-экономический расчёт силовых трансформаторов (по приведённым
затратам)
Технико-экономическое сравнение вариантов трансформаторов производим по
формулам (2.8) - (2.11).
Полные капитальные затраты с учетом стоимости трансформатора (2.9):
(тыс.
руб./г.),
(тыс.
руб./г.).
Стоимость
потерь в трансформаторе (2.10):
(тыс.
руб./г.),
(тыс.
руб./г.).
Затраты
на обслуживание, ремонт и амортизацию (2.11):
(тыс.
руб./г.),
(тыс.
руб./г.).
Полные
затраты на обслуживание трансформатора (2.8):
(тыс.
руб./г.);
(тыс.
руб./г.).
Разница
в затратах составляет:
, %,
(4.4)
(%).
Так
затраты различаются более чем на 5%, то выбираем трансформатор с наименьшими
затратами, т.е. ТМН - 6300/110/10.
5.
Расчет токов КЗ
.1
Общие положения
Основной
причиной нарушения нормального режима работы системы электроснабжения является
возникновение коротких замыканий в сети или элементах электрооборудования
вследствие повреждения изоляции или неправильных действий обслуживающего
персонала. Для быстрого восстановления нормального электроснабжения необходимо
правильно рассчитать токи КЗ и по ним выбрать электрооборудование, защитную
аппаратуру и средства ограничения токов КЗ.
Трехфазное
КЗ является расчетным для выбора или проверки параметров электрооборудования.
Для
выбора или проверки установок релейной защиты и автоматики требуется
определение несимметричных токов КЗ. Расчет токов КЗ с учетом всех элементов
системы сложен, поэтому для решения большинства практических задач вводятся
допущения, которые не дают существенных погрешностей:
– не учитывается сдвиг по фазе ЭДС различных источников питания
входящих в расчетную схему;
– трехфазная сеть принимается симметричной;
– не учитываются токи нагрузки;
– не учитываются ёмкости, а следовательно и емкостные токи в
воздушной и кабельных сетях;
– не учитывается насыщение магнитных систем, что позволяет считать
постоянными и не зависящими от тока индуктивные сопротивления всех элементов
короткозамкнутой сети.
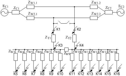
5.2 Составление расчётной схемы электроустановки
Расчетная схема сети представлена на рис. 5.1
Рис.5.1 - Расчетная схема сети
Схема замещения сети представлена на рис. 5.2
Рис. 5.2 - Схема замещения сети
5.3 Определение параметров схемы замещения
Расчет производится в именованных единицах [4]
Напряжение основной ступени (UОСН)
принимается равным напряжению ступени НН (UВН):
.
Определяем
параметры систем, по данным токов КЗ.
С1:
Imax.3ф = 28692 А, Imin.3ф = 19379 А, Uс = 115 кВ.
С2:
Imax.3ф = 8583 А, Imin.3ф = 4526 А, Uс = 115 кВ.
Сопротивление
системы определяем по формуле:
, Ом,
(5.1)
где
- коэффициент трансформации, определяемый в
направлении от основной ступени напряжения к той, которая подлежит приведению,
.
(Ом),
(Ом),
(Ом),
(Ом).
ЭДС
системы равно:
Ес1 = Ес2 = Uс = 115 кВ.
Так
как проектируемая подстанция имеет два источника питания, то для расчетов токов
КЗ разделим ВЛ - 110 кВ на две части:
W1(W2): W1.1(W2.1)
с длиной линии L = 40 км; W1.2(W2.2) - L = 8
км.
ВЛ
- 110 выполнена проводом АС - 150.
Находим
параметры ВЛ - 110, приведенные к 10 кВ:
удельное
активное сопротивление провода равно
Ом/км;
активное
сопротивление:
, Ом,
(5.2)
(Ом),
(Ом).
удельное
реактивное сопротивление провода равно
Ом/км.
, Ом,
(5.3)
(Ом),
(Ом).
Рассчитаем
параметры силовых трансформаторов по формулам:
активное
сопротивление:
, Ом,
(5.4)
(Ом).
полное
сопротивление:
, Ом,
(5.5)
(Ом).
реактивное
сопротивление:
, Ом,
(5.6)
(Ом).
Параметры
ВЛ - 10 кВ рассчитаны в разделе 3.1 и приведены в таб. 5.1.
Таблица
5.1 - Параметры ВЛ - 10 кВ
|
Наименование ВЛ - 10 кВ
|
Обозначение
|
rвл,Ом
|
хвл,Ом
|
|
Добрец
|
W8
|
4,41
|
2,45
|
|
Тырканово
|
W10
|
3,6
|
1,6
|
|
ПТФ 1
|
W4
|
0,9
|
0,4
|
|
ПТФ 2
|
W11
|
1,58
|
0,88
|
|
ПТФ 3
|
W5
|
0,66
|
0,3
|
|
ПТФ 4
|
W12
|
0,9
|
0,4
|
|
ПТФ 5
|
W7
|
1,58
|
0,88
|
|
ПТФ 6
|
W13
|
0,9
|
0,4
|
|
Парк 1
|
W6
|
3,3
|
1,5
|
|
Парк 2
|
W9
|
3,3
|
1,5
|
По формулам (3.1) - (3.4) выберем КЛ - 10 кВ для КУ 1(W3) и КУ 2(W14):
(А),
(мм2).
Выбираем
кабель марки АВВГнг - 10, 3 х
50, с Iдоп = 105А
А
< 105А.
Рассчитаем
параметры W3 (W14):
Ом/км,
Ом/км, L = 0,07 км.
(Ом),
(Ом).
5.4 Расчет токов короткого замыкания
Расчет проводится для двух режимов: максимальный и минимальный. За
минимальный режим принимается режим с нормально отключенным секционным
выключателем и питанием от системы С1. За максимальный режим принимается режим
с включенным секционным выключателем и питанием от системы С2.
Находится начальное значение периодической слагающей тока КЗ по формуле:
кА,
(5.7)
где
E - суммарная ЭДС;
-
суммарное сопротивление до точки КЗ.
Далее
находится значение ударного тока короткого замыкания для максимального режима
по формуле:
, кА,
(5.8)
где
Куд - коэффициент ударности.
, (5.9)
где
Та - постоянная времени.
(5.10)
Для
минимального режима ударный ток не рассчитывается, т.к. выбор аппаратуры
проверяется по ударному току в максимальном режиме. Для определения
чувствительности релейной защиты находится ток двухфазного КЗ в минимальном
режиме по формуле:
, кА.
(5.11)
.4.1 Расчет короткого замыкания в максимальном режиме
По формулам (5.7) - (5.10), произведем расчет для точки К1(К2):
(кА).
Найдем
ток КЗ приведенный к стороне 110 кВ:
, кА,
(5.12)
(кА),
(с),
,
(кА).
Результаты
расчетов для других точек приведены в таблице 5.2.
Таблица
5.2 - Расчет токов КЗ в максимальном режиме
|
Номер точки
|
∑r,
Ом
|
∑х, Ом
|
, кАТа, сКудiуд, кА
|
|
|
|
|
К1
|
6,5∙10-3
|
75∙10-3
|
7,37
|
0,037
|
1,76
|
18,29
|
|
К2
|
6,5∙10-3
|
75∙10-3
|
7,37
|
0,037
|
1,76
|
18,29
|
|
К3
|
74,5∙10-3
|
0,992
|
6,1
|
0,042
|
1,79
|
15,4
|
|
К4
|
74,5∙10-3
|
0,992
|
6,1
|
0,042
|
1,79
|
15,4
|
|
К5
|
0,1175
|
0,998
|
6,03
|
0,027
|
1,69
|
14,37
|
|
К6
|
0,9745
|
1,392
|
3,57
|
0,0045
|
1,11
|
5,59
|
0,7345
|
1,292
|
4,09
|
0,0056
|
1,17
|
6,75
|
|
К8
|
3,3745
|
2,492
|
1,45
|
0,0024
|
1,02
|
2,09
|
|
К9
|
1,6545
|
1,872
|
2,43
|
0,0036
|
1,06
|
3,63
|
|
К10
|
4,4845
|
3,442
|
1,07
|
0,0024
|
1,02
|
1,54
|
|
К11
|
3,3745
|
2,492
|
1,45
|
0,0024
|
1,02
|
2,09
|
|
К12
|
3,6745
|
2,592
|
1,35
|
0,0022
|
1,01
|
1,92
|
|
К13
|
1,6545
|
1,872
|
2,43
|
0,0036
|
1,06
|
3,63
|
|
К14
|
0,9745
|
1,392
|
3,57
|
0,0045
|
1,11
|
3,96
|
|
К15
|
0,9745
|
1,392
|
3,57
|
0,0045
|
1,11
|
3,96
|
|
К16
|
0,1175
|
0,998
|
6,03
|
0,027
|
1,69
|
14,37
|
.4.2 Расчет короткого замыкания в минимальном режиме
По формулам (5.7) и (5.11), произведем расчет для точки К1(К2):
(кА).
Найдем
ток КЗ приведенный к стороне 110 кВ по (5.12):
(кА),
(кА).
Результаты расчетов для других точек приведены в таблице 5.3.
Таблица 5.3 - Расчет токов КЗ в минимальном режиме
|
Номер точки
|
∑r,
Ом
|
∑х, Ом
|
, кА , кА
|
|
|
К1
|
0,067
|
0,155
|
3,28
|
2,84
|
|
К2
|
0,067
|
0,155
|
3,28
|
2,84
|
|
К3
|
0,806
|
1,988
|
3,03
|
2,62
|
|
К4
|
0,806
|
1,988
|
3,03
|
2,62
|
|
К5
|
0,849
|
1,994
|
2,8
|
2,42
|
|
К6
|
1,706
|
2,388
|
2,3
|
1,99
|
|
К7
|
1,466
|
2,288
|
2,48
|
2,15
|
|
К8
|
4,106
|
3,488
|
1,23
|
1,06
|
|
К9
|
2,386
|
2,868
|
1,8
|
1,56
|
|
К10
|
5,216
|
4,438
|
0,95
|
0,82
|
|
К11
|
4,106
|
3,488
|
1,23
|
1,06
|
|
К12
|
4,406
|
3,588
|
1,16
|
1
|
|
К13
|
2,386
|
2,868
|
1,8
|
1,56
|
|
К14
|
1,706
|
2,388
|
2,3
|
1,99
|
|
К15
|
1,706
|
2,388
|
2,3
|
1,99
|
|
К16
|
0,849
|
1,994
|
2,8
|
2,42
|
.5 Проверка ЛЭП на термическую стойкость
Расчет производиться по формуле:
, мм2, (6.13)
где
С - постоянная, принимающая значение для СИП - 3 С=
;
Та.ср - усредненное значение времени
затухания свободных токов КЗ, Та.ср =
0,02 с;
- время
срабатывания выключателя, с, для ВВ/ТЕL - 10
с.
Для
примера рассчитаем ВЛ - 10 кВ «Добрец»:
(мм2) <
,
данный
провод проходит по термической стойкости.
Результаты
проверки остальных ЛЭП приведены в таблице 5.4.
Таблица
5.4 - Проверка ЛЭП - 10 кВ на термическую прочность
|
Номер ЛЭП
|
  
|
|
|
|
|
W3
|
50
|
6,03
|
0,1
|
32,1
|
|
W4
|
70
|
3,57
|
0,1
|
19,2
|
|
W5
|
95
|
4,09
|
0,1
|
22
|
|
W6
|
95
|
1,45
|
0,1
|
7,8
|
|
W7
|
50
|
2,43
|
0,1
|
13,1
|
|
W8
|
50
|
1,07
|
0,1
|
5,7
|
|
W9
|
95
|
1,45
|
0,1
|
7,8
|
|
W10
|
70
|
1,35
|
0,1
|
7,3
|
|
W11
|
50
|
2,43
|
0,1
|
13,1
|
|
W12
|
70
|
3,57
|
0,1
|
19,2
|
|
W13
|
70
|
3,57
|
0,1
|
19,2
|
|
W14
|
50
|
6,03
|
0,1
|
32,1
|
6. Выбор основного оборудования РТП
Выбор электрических аппаратов и проводников производится на основе сформулированных
для них расчетных условий и данных электропромышленности о параметрах и
технико-экономических характеристиках выпускаемого и осваиваемого
перспективного электрооборудования.
На стороне 10 кВ предусмотрена установка вакуумных выключателей серии BB/TEL в КРУН-10 серии К-59.
6.1 Выбор выключателей и разъединителей
Выключатели выбираются по номинальному значению тока и напряжения, роду
установки и условиям работы, конструктивному исполнению и отключающим
способностям.
Выбор выключателей производится:
. По напряжению:
, кВ.
(6.1)
.
По длительному току:
, А.
(6.2)
.
По отключающей способности:
на
электродинамическую стойкость выключатель проверяется по предельному сквозному
току короткого замыкания:
, кА,
(6.3)
, кА,
(6.4)
гдеIпр.скв - действительное значение предельного сквозного тока
КЗ;
-
начальное значение периодической слагающей тока короткого замыкания в цепи
выключателя.
на
термическую стойкость выключатель проверяется по тепловому импульсу:
кА2
·с, (6.5)
где
- предельный ток термической стойкости;
tтерм - нормативное время
протекания предельного тока термической стойкости.
6.1.1 Выбор аппаратуры на стороне 110
кВ
Тепловой импульс тока КЗ определяется по формуле:
кА2
·с, (6.6)
гдеТа
- постоянная времени, Та=0,02 с;
tоткл - справочная величина.
с, (6.7)
гдеtрз.осн - время действия основной релейной защиты, с;
tв.осн - полное время отключения выключателя, с.
Длительный
ток определяем по формуле:
, А,
(6.8)
(А).
На
стороне 110 кВ устанавливаются элегазовые выключатели ВЭБ-110/31,5/630У1.
Выбор
и обоснование выбора выключателей и разъединителей на стороне ВН приведены в
табл. 6.1.
Таблица
6.1 - Результаты расчета и технические данные аппаратуры
|
Условия выбора
|
Численное значение
|
Тип оборудования
|
|
|
Выключатель
ВЭБ-110/31,5/630У1
|
Разъединитель РДЗ - 1 (2) -
110/1000
|
|
Uном ≥ Uуст
|
Uном =110
кВ
|
Uном =110
кВ
|
Uном =110
кВ
|
|
Iном ≥ Iраб.max
|
Iраб.max =
39,8 А
|
Iном =
1250 А
|
Iном =
1000 А
|
|
Iоткл ≥ Iкз
|
Iкз =
7,37 кА
|
Iоткл =
40 кА
|
-
|
|
Iпр.скв ≥
iуд
|
iуд =
18,29 кА
|
Iпр.скв =
50 кА
|
Iпр.скв =
40 кА
|
|
I2·t ≥
Вк
|
Вк = 10,08 кА2
·с
|
I2·t = 7500 кА2·с
|
I2·t = 4800 кА2·с
|
6.1.2 Выбор аппаратуры на стороне 10
кВ
Определим значение длительного тока на вводах НН:
(А).
Выбор
и обоснование выбора выключателей на стороне НН приведены в табл. 6.2.
Таблица
6.2 - Результаты расчета и технические данные аппаратуры
|
Условия выбора
|
Численное значение
|
Тип оборудования
|
|
|
Выключатель BB/TEL-10-20/1000 У2
|
|
Uуст ≥Uном
|
Uном =10
кВ
|
Uном = 10
кВ
|
|
Iном ≥ Iраб.max
|
Iраб.max =
437,5 А
|
Iном =
1000 кА
|
|
Iоткл ≥ Iкз
|
Iкз = 6,1
кА
|
Iоткл =
20 кА
|
|
Iпр.скв ≥
iуд
|
iуд =
15,4 кА
|
Iпр.скв =
20 кА
|
|
I2·t ≥
Вк
|
Вк =1,94 кА2·с
|
I2·t = 1200 кА2·с
|
Вакуумные выключатели устанавливаем в КРУН серии К-59. Основные
характеристики приведены в табл. 6.3.
Таблица 6.3 - Основные технические характеристики КРУН серии К-59
|
Uном, кВ
|
Iном, А
|
Iоткл, кА
|
Iдин, кА
|
Iтерм, кА
в теч. 3 с
|
Тип выключателей
|
|
главных цепей
|
сборных шин
|
|
|
|
|
|
10
|
1000
|
1000
|
20
|
51
|
20
|
BB/TEL-10-20/1000 У2
|
.2 Выбор предохранителей, трансформаторов тока и напряжения
.2.1 Выбор предохранителей
Условие выбора предохранителей согласно (6.1), (6.2) и (6.3).
На стороне 10 кВ для трансформаторов напряжения выбираем предохранитель
типа ПКН 001-10-2-20 У3 со следующими параметрами:
Uном = 10 кВ; Iном = 2 А; Iоткл = 20 кА.
Для ТСН - 10 кВ:
(А).
Выбираем
предохранитель типа ПКТ - 10 - 8/8 - 20У3, параметры:
Uном = 10 кВ; Iном.пр. = 8 А; Iном.пл.вст.
= 8 А Iоткл = 20
кА.
.2.2 Выбор трансформаторов тока
Выбор трансформаторов тока осуществляется:
-
по напряжению установки
;
по
току
;
по
конструкции и классу точности;
по
электродинамической устойчивости
;
по
термической стойкости
.
На
стороне 110 кВ устанавливаем трансформатор тока встроенный в силовой
трансформатор типа ТВТ-110-I-100/5 по два на ввод.
|
Условия выбора
|
Численное значение
|
Тип оборудования
|
|
|
Для силового трансформатора
ТВТ-110-1-100/5
|
|
Uуст ≥Uном
|
Uном =110
кВ
|
Uном =110
кВ
|
|
Iном ≥ Iраб.max
|
Iраб.max =
39,8 А
|
Iном =
100 А
|
|
Iпр.скв ≥
iуд
|
iуд =
18,29 кА
|
Iпр.скв =
20 кА
|
|
I2·t ≥ Вк
|
Вк =10,08 кА2·с
|
I2·t =
48 кА2·с
|
На стороне 10 кВ устанавливаем трансформаторы тока типа ТЛК-10-6.
Расчетные данные для выбора и каталожные данные приведены в табл. 6.5-6.6
Таблица 6.5 - Выбор трансформаторов тока на стороне 10 кВ
|
Условия выбора
|
Численное значение
|
Тип оборудования
|
|
|
Для выключателя на вводе
ТОЛ-10-600/5
|
|
Uуст ≥Uном
|
Uном =10
кВ
|
Uном =10
кВ
|
|
Iном ≥ Iраб.max
|
Iраб.max =
437,5А
|
Iном =
600 А
|
|
Iпр.скв ≥
iуд
|
iуд =
15,4 кА
|
Iпр.скв =
100 кА
|
|
I2·t ≥ Вк
|
Вк =1,94 кА2·с
|
I2·t =
1015,68 кА2·с
|
Таблица 6.6 - Выбор трансформаторов тока на стороне 10 кВ
|
Условия выбора
|
Численное значение
|
Тип оборудования
|
|
|
Для секционного выключателя
ТОЛ-10-400/5
|
Для выключателя на линии
ТОЛ-10-150-50/5
|
|
Uуст ≥Uном
|
Uном =10
кВ
|
Uном =10
кВ
|
Uном =10
кВ
|
|
Iном ≥ Iраб.max
|
Iраб.max =
220/115,6/ /32,4 А
|
Iном =
400 А
|
Iном =
150/50 А
|
|
Iпр.скв ≥
iуд
|
iуд =
15,4 кА
|
Iпр.скв =
100 кА
|
Iпр.скв =
52/17,6 кА
|
|
I2·t ≥ Вк
|
Вк =1,94 кА2·с
|
I2·t =
1015,68 кА2·с
|
I2·t =
119,07 кА2·с
|
На отходящие ВЛ - 10 кВ устанавливаем трансформаторы тока нулевой
последовательности марки ТНПШ - 10. Расчетные данные для выбора и каталожные
данные приведены в табл. 6.7.
Таблица 6.7 - Выбор трансформаторов тока нулевой последовательности на
стороне 10 кВ
|
Условия выбора
|
Численное значение
|
Тип оборудования
|
|
|
Для выключателя на вводе
ТНПШ-10-150-50/5
|
|
Uуст ≥Uном
|
Uном =10
кВ
|
Uном =10
кВ
|
|
Iном ≥ Iраб.max
|
Iраб.max =
115,6/32,4А
|
Iном =
150/50 А
|
|
Iпр.скв ≥
iуд
|
iуд =
15,4 кА
|
Iпр.скв =
52/17,6 кА
|
|
I2·t ≥ Вк
|
Вк =1,94 кА2·с
|
I2·t =
119,07 кА2·с
|
.2.3 Выбор трансформаторов напряжения
Выбор трансформатора напряжения производиться по условию (6.1),
представлен в табл. 6.8.
Таблица 6.8 - Выбор трансформаторов напряжения
|
Тип ТН
|
Uном, кВ
|
Uном1, кВ
|
Uном2.осн,
В
|
Uном2.доп,
В
|
Sном, В·А
|
Sпред,
В·А
|
|
НКФ-110
|
110
|
110
|
1003002000
|
|
|
|
|
НАМИТ-10
|
10
|
10
|
100
|
1201000
|
|
|
.3 Выбор ограничителей перенапряжения
Защиту от перенапряжений изоляции трансформаторов и аппаратуры выше 1 кВ
подстанции выполняем ограничителями перенапряжения. Условие выбора
ограничителей напряжения соответствует (6.1).
Таблица 6.8 - Выбор ограничителей напряжения
|
Тип ОПН
|
ОПН-Т-110 УХЛ1
|
ОПН-Т-10 УХЛ1
|
|
Класс напряжения установки,
кВ
|
110
|
10
|
|
Наибольшее рабочее
длительно допустимое напряжение, кВ
|
108
|
12,7
|
|
Номинальный разрядный ток,
кА
|
5
|
5
|
.4 Выбор оборудования установленного в нейтрали
трансформатора
В нейтрали силовых трансформаторов устанавливаются:
.Ограничители перенапряжения: ОПН-Т-110 УХЛ1;
.Заземляющий разъединитель марки ЗОН-110М-II У1;
.Трансформаторы тока ТВТ-110-I-300/5.
.5 Выбор шин
Выбор шин производится по следующим условиям [3]:
по допустимому току
, А,
(6.9)
на
термическую стойкость
, мм2, (6.10)
гдеs -
сечение выбранной шины,
мм2, (6.11)
гдеsmin - минимальное сечение по термической стойкости;
Вк
- тепловой импульс, А2·с;
С
- коэффициент зависящий от материала шин. Для алюминиевых шин [3] принимаем
;
на
электродинамическую стойкость (производится определение частоты собственных
колебаний шин):
Гц,
(6.12)
где
f0 -
частота собственных колебаний шин, Гц;
l - длина
провода между изоляторами, м;
s - сечение
шины, см2;
J - момент
инерции поперечного сечения шины, см4;
Для
прямоугольных шин:
см4,
(6.13)
где
b - толщина шины, см;
h - ширина шины,
см;
Для
шин трубчатого сечения
, см4,
(6.14)
где
D - наружный диаметр шины, см;
d - внутренний диаметр
шины, см.
Если
частота собственных колебаний f0 < 200
Гц, то производится механический расчет по условию:
σрасч ≤ σдоп , МПа, (6.15)
где
σдоп -
допустимое механическое напряжение в материале шин, МПа. По [3] принимаем для
алюминиевых шин σдоп = 82
МПа;
, МПа,
(6.16)
гдеσдоп -
расчетное механическое напряжение, МПа;
iуд - ударный ток, А;
l - длина
пролета между изоляторами, м;
а
- расстояние между фаз, м;
W - момент
сопротивления шины, см3.
Для
однополосных шин прямоугольного сечения :
см3.
(6.17)
Для
шин трубчатого сечения:
, см3.
(6.21)
Для
ошиновки ОРУ-110 кВ выбираем алюминиевые шины трубчатого сечения ШАТ.
Расположение фаз - горизонтальное. Сечение шины s=68 мм2,
наружный диаметр D = 16 мм, внутренний диаметр d = 13 мм,
допустимый ток Iдоп = 295
А.
Проверяем
шины по допустимому току:
Imax = 39,8 A< Iдоп= 245 А.
Проверяем
шины на термическую стойкость:
(мм2),
т.е.
.
Проверяем
шины на электродинамическую стойкость:
Принимаем
длину пролета l = 8 м, тогда частота собственных колебаний:
< 200
Гц,
т.е.
требуется механический расчет. Момент сопротивления шины:
Принимаем
междуфазное расстояние а = 2 м, тогда механическое напряжение в материале шины:
(МПа),
т.е.
σрасч < σдоп = 82 МПа.
Таким
образом, шины проходят по условиям механической прочности.
Для
ошиновки КРУ-10 кВ выбираем алюминиевые шины прямоугольного сечения ШАТ
размером 40×5мм2 .Допустимый ток Iдоп=540А.
Проверяем
шины по допустимому току:
Imax = 437,5 A < Iдоп= 540 А.
Проверяем
шины на термическую стойкость:
( мм2),
т.е.
.
Проверяем
шины на электродинамическую стойкость:
Принимаем
длину пролета l = 1 м, тогда частота собственных колебаний:
> 200
Гц.
Значит,
механический расчет не требуется.
трансформатор ток релейный
7.
Проектирование релейной защиты и автоматики (РЗиА)
РЗиА
ПС реализуется на базе микропроцессорных устройств РЗА серии “Сириус”,
изготавливаемых Научно-производственной фирмой “Радиус”.
“Сириус” обеспечивает следующие эксплуатационные возможности:
выполнение функций защит, автоматики и управления, определенных ПУЭ и
ПТЭ;
сигнализацию срабатывания защит и автоматики, положения коммутационных
аппаратов, неисправности самой защиты;
задание внутренней конфигурации (ввод защит и автоматики, выбор защитных
характеристик, количество ступеней защиты и т. д.) программным способом;
фиксацию, хранение и отображение аварийных электрических параметров
защищаемого объекта до девяти последних аварийных событий с автоматическим
обновлением информации;
осциллографирование аварийных процессов;
хранение и выдачу информации о количестве и времени пусков и срабатываний
защит;
учет количества отключений выключателя и циклов АПВ;
пофазный учет токов при аварийных отключениях выключателя;
контроль и индикацию положения выключателя, а также исправности его цепей
управления;
получение дискретных сигналов управления и блокировок, выдачу команд
управления, аварийной и предупредительной сигнализации;
двусторонний обмен информацией с Автоматизированной Системой Управления
(АСУ) и ПЭВМ по стандартным последовательным каналам связи;
подключение к импульсным выходам счетчиков электроэнергии для передачи
информации в АСУ;
Питание устройства может осуществляться от источника переменного (от 45
до 55 Гц), постоянного или выпрямленного тока напряжением 220 В [9].
.1 Релейная защита линий 10 кВ
На одиночных линиях 10 кВ с односторонним питанием от междуфазных
замыканий, как правило, должна устанавливаться двухступенчатая токовая защита:
первая ступень - токовая отсечка, вторая ступень - максимальная токовая защита
(МТЗ) с независимой или зависимой характеристикой времени срабатывания [5].
Замыкание на землю одной фазы в сетях с изолированной нейтралью не
является КЗ. Поэтому защиту выполняют действующей на сигнал и, только когда это
необходимо по требованиям безопасности, действующей на отключение.
Для защиты отходящих линий 10 кВ применяются микропроцессорные устройства
релейной защиты серии “Сириус-2Л”, в которых реализуется алгоритм перечисленных
выше защит.
Терминал устанавливается в ячейке КРУН и выдает сигналы на управление
выключателем присоединения. Устройство подключается к измерительным трансформаторам
тока фаз A и C с номинальным вторичным током 5 А.
.1.1 Расчет уставок защит
. Токовая отсечка (т. о.)
Токовой отсечкой называется токовая защита максимального типа,
селективное действие которой обеспечивается за счет ограничения зоны действия.
Ток срабатывания:
А, (7.1)
где
kЗАП -
коэффициент запаса, kЗАП =
1,05;
I(3)К,MAX - максимальный ток КЗ в
конце защищаемой линии, [см. табл.5.2 ].
Зоной
гарантированного действия т. о. является участок линии в ее начале, при
повреждении на котором минимальный ток КЗ будет больше, чем ток срабатывания
отсечки. Считается, что т. о. достаточно эффективна, если зона действия не
меньше 20 % протяженности контролируемой линии. Отсечка должна быть отстроена
от бросков тока намагничивания всех трансформаторов, питающихся по защищаемой
линии, [10]:
А, (7.2)
где
åIНОМ.Т - сумма номинальных токов трансформаторов этой линии.
Время
срабатывания т. о. определяется собственным временем срабатывания защиты (tЗ) и временем отключения выключателя (tВЫК):
с (7.3)
.
Токовая отсечка с выдержкой времени (т. о. в.)
Ток
срабатывания:
А, (7.4)
где
IС.О.2 -
ток срабатывания отсечки предыдущей защиты.
Время
срабатывания,
с, (7.5)
где
- ступень селективности, которая принимается равной
0,5
1с
tС.О.2 - время срабатывания т. о.
предыдущей защиты.
. Максимальная токовая защита (МТЗ)
МТЗ - токовая защита максимального типа, селективное действие которой
обеспечивается за счет разных выдержек времени срабатывания.
Ток срабатывания защиты:
А, (7.6)
где
kВ -
коэффициент возврата, для “Сириус 2Л”, kВ = 0,95;
kСЗ - коэффициент самозапуска, учитывающий возможность
увеличения тока в защищаемой линии вследствие самозапуска электродвигателей при
восстановлении напряжения после отключения КЗ. Так как среди потребителей
отсутствуют мощные электродвигатели, то kСЗ= 1,25;
IРАБ.MAX - максимальный ток в линии в нормальном режиме.
Время
срабатывания защиты:
с, (7.7)
где
tС.ПР.З. -
время срабатывания защиты предыдущей ступени.
.1.2
Оценка чувствительности
Коэффициент
чувствительности определяется по формуле:
(7.8)
где
I(2)К,MIN - минимальный ток КЗ в конце защищаемой линии, см. табл. 7.2.
Чувствительность
защиты считается достаточной, если kЧ
1,5 - для основной зоны действия МТЗ, а для резервируемого
участка - kЧ
1,2.
Ток
срабатывания:
А, (7.9)
где
КТ - коэффициент трансформации трансформатора тока;
kСХ - коэффициент схемы, определяющийся способом
соединения обмоток трансформатора тока. При соединении обмоток: Y/Y- kСХ
=1.
.1.3
Расчет уставок защиты линии 10 кВ - W8 («Добрец»)
Так
как очевидно, что применение селективной токовой отсечки, отстроенной от тока
КЗ в месте ближайшего присоединения трансформатора 10/0,4, в данном случае
является неэффективным (зона защиты менее 20% длины линии), то проверяется
возможность использования неселективной токовой отсечки.
Ток
срабатывания отсечки:
, (А),
Токовая
отсечка защищает более 20 % длины линии: 56 % (см. рис.7.1). Эта отсечка не
должна срабатывать при КЗ в точке за ближайшим трансформатором ответвления. Ток
КЗ в точке за этим трансформатором:
(А). Ток
срабатывания отсечки:
(А), следовательно, это условие выполняется.
Отстройка
от бросков тока намагничивания всех трансформаторов, питающихся по защищаемой
линии:
(А) >
(3 ÷
4)∙32,4 = 97,2 ÷ 129,6, (А)
Это
условие также выполняется.
Время
срабатывания токовой отсечки:
Рис.
7.1 - Зона действия токовой отсечки
Ток
уставки:
(А).
Ток
срабатывания МТЗ:
(А)
Время
срабатывания МТЗ:
Коэффициент
чувствительности:
>
1,5.
Ток
уставки:
(А).
Проверка
ТТ на 10% погрешность [11].
Ом (7.10)
где
ZН.РАСЧ -
вторичная нагрузка трансформатора тока;
ZН.ДОП - номинальная допустимая нагрузка ТТ в выбранном
классе точности.
Предельная
кратность определяется по результатам расчёта отсечки:
(7.11)
По
кривым предельной кратности для ТЛК-10 ZН.ДОП = 0,25 Ом [11].
Фактическое
расчетное сопротивление нагрузки:
Ом,
(7.12)
где
RПР -
сопротивление соединительных проводов, которое зависит от их длины и сечения;
RК - сопротивление контактов, принимается равным 0,1 Ом
[11];
RПРИБ - сопротивление приборов (устройства “Сириус 21Л”):
Ом,
(8.13)
где
SПРИБ -
мощность, потребляемая “Сириус 21Л”;
I22 -
вторичный номинальный ток устройства.
Сопротивление
“Сириус 21Л”:
сопротивление
соединительных проводов:
(8.14)
где
- удельное сопротивление материала провода;
lРАСЧ - длина соединительных проводов от ТТ до устройства
“Сириус 21Л”, которое приблизительно равно 4 м [9];
q - сечение
соединительных проводов, минимальное сечение по условиям прочности для медных
жил - 2,5 мм2 [1].
Результирующее
сопротивление равно:
что
меньше, чем ZН.ДОП = 0,25 Ом, следовательно, полная погрешность
трансформатора тока менее 10%.
Аналогично
рассчитываются уставки защит остальных линий 10 кВ. результаты расчета сведены в табл. 7.1.
Таблица
7.1 - Уставки защит линий 10 кВ
|
Линия (рис. 7.1)
|
I(3)MAX,
А
|
I(2)MIN,
А
|
Iраб,max,
А
|
Кт
|
IС.О., А
|
IС.З., А
|
kЧ,МТЗ
|
tмтз, с
|
|
W3
|
6030
|
2420
|
52
|
75/5
|
6331,5
|
71,8
|
33,7
|
1
|
|
W4
|
3570
|
1990
|
72,8
|
100/5
|
3748,5
|
100,5
|
19,8
|
1
|
|
W5
|
4090
|
2150
|
119,6
|
150/5
|
4294,5
|
165,1
|
13
|
1
|
|
W6
|
1450
|
1060
|
115,6
|
150/5
|
1522,5
|
159,5
|
6,6
|
1
|
|
W7
|
2430
|
1560
|
18,5
|
50/5
|
2551,5
|
25,5
|
61,2
|
1
|
|
W8
|
1070
|
820
|
32,4
|
50/5
|
1123,5
|
44,8
|
1
|
|
W9
|
1450
|
1060
|
115,6
|
150/5
|
1522,5
|
159,5
|
6,6
|
1
|
|
W10
|
1350
|
1000
|
76,3
|
100/5
|
1417,5
|
105,3
|
9,5
|
1
|
|
W11
|
2430
|
1560
|
64,7
|
100/5
|
2551,5
|
89,3
|
17,5
|
1
|
|
W12
|
3570
|
1990
|
72,8
|
100/5
|
3748,5
|
100,5
|
19,8
|
1
|
|
W13
|
3570
|
1990
|
96
|
100/5
|
3748,5
|
132,5
|
15
|
1
|
|
W14
|
6030
|
2420
|
52
|
75/5
|
6331,5
|
71,8
|
33,7
|
1
|
Расчетные данные уставок вводятся в терминал “Сириус” с встроенной
клавиатуры или через ПЭВМ.
.2 Защита силовых трансформаторов
Для трансформаторов, согласно [1], должны быть предусмотрены устройства
релейной защиты от следующих видов повреждений и ненормальных режимов работы:
многофазных замыканий в обмотках и на выводах;
витковых замыканий в обмотках;
токов в обмотках, обусловленных внешними КЗ;
однофазных замыканий на землю в обмотке и на выводах, присоединенных к
сети с заземленной нейтралью;
токов в обмотках, обусловленных перегрузкой;
понижения уровня масла;
однофазных замыканий на землю в сетях с изолированной нейтралью, если
трансформатор питает сеть, в которой отключение однофазных замыканий на землю
необходимо по требованиям безопасности.
В качестве защит от повреждений трансформатора применяются
дифференциальная и газовая защиты. В качестве защиты от внешних КЗ и перегрузки
трансформатора применяются максимальные токовые защиты.
Для реализации алгоритмов защит трансформаторов применяются
микропроцессорные устройства релейной защиты серии “Сириус-Т3”. также на трансформаторах
устанавливается газовая защита.
7.2.1 Дифференциальная защита трансформаторов (ДЗТ)
Общими уставками защиты являются [9]:
-
- номинальный вторичный ток стороны ВН трансформатора,
соответствующий его номинальной мощности;
-
номинальный вторичный ток стороны НН трансформатора, соответствующий его
номинальной мощности;
группа
ТТ ВН - группа сборки цифровых ТТ на стороне ВН;
группа
ТТ НН - группа сборки цифровых ТТ на стороне НН;
размах
РПН - размах регулирования РПН;
сторона
РПН - сторона силового трансформатора, на которой установлено устройство РПН.
значения
первичных и вторичных токов плеч дифференциальной защиты:
(7.15)
(7.16)
где
- первичный ток на сторонах защищаемого
трансформатора, соответствующий его номинальной мощности;
-
вторичный ток в плечах защиты, соответствующий номинальной мощности защищаемого
трансформатора;I - коэффициент трансформации трансформатора тока;
-
коэффициент схемы, определяющийся способом соединения обмоток трансформатора
тока. Для схем соединения ТТ в звезду
, для
схем, соединенных в треугольник
Расчет
сведен в табл. 7.2.
Система
регулирования напряжения трансформатора ТМН- 6300/110/10: РПН
Таблица
7.2 - Расчет по полному диапазону регулирования
|
величина
|
Числовое значение для
стороны
|
|
110 кВ
|
10 кВ
|
|
, А
|
|
|
|
KI
|
100/5
|
600/5
|
|
, А
|
|
|
|
Размах РПН, %
|
16
|
. Дифференциальная отсечка (функция ДЗТ -1):
Дифференциальная токовая отсечка предназначена для быстрого отключения
повреждений, сопровождающихся большим дифференциальным током. Она работает без
каких-либо блокировок и не имеет торможения. Ступень срабатывает, когда
действующее значение первой гармоники дифференциального тока превышает уставку
“IДИФ/IНОМ”. Уставка срабатывания задается как отношение
дифференциального тока к номинальному вторичному току обмотки питающей стороны
трансформатора.
Согласно [10] уставка должна выбираться из двух условий:
отстройки от броска тока намагничивания силового трансформатора;
отстройки от максимального тока небаланса.
Принимается большее из этих значений.
отстройка от броска намагничивающего тока
Согласно
[10] при включении силового трансформатора со стороны высшего напряжения
отношение амплитуды броска тока намагничивания к амплитуде номинального тока
защищаемого трансформатора не превышает 5. Это соответствует отношению
амплитуды броска тока намагничивания к действующему значению номинального тока
первой гармоники, равному
Отсечка реагирует на мгновенное значение
дифференциального тока, протекающего в течение 3 мс, и на первую гармонику
этого же тока. Уставка по мгновенному значению равна
Минимально возможная уставка по первой гармонике
равна 4, что соответствует
по отношению амплитуды к действующему значению или
по отношению амплитуд. Сравнение полученных значений
свидетельствует об отстроенности отсечки по мгновенным значениям от возможных
бросков тока намагничивания.
Расчеты
показывают, что действующее значение первой гармоники броска тока
намагничивания не превышает 0,35 от амплитуды броска. Если амплитуда равна 7
действующим значениям номинального тока, то действующее значение первой
гармоники равно
Следовательно, даже при минимальной уставке в 4IНОМ
отсечка отстроена от бросков тока намагничивания и при реагировании на первую
гармонику дифференциального тока.
отстройка от
тока небаланса при внешнем КЗ
рекомендуется
выбирать уставку по условию:
(7.17)
где
kОТС - коэффициент отстройки, который принимается равным 1,2;НБ*
- отношение максимального тока небаланса к номинальному току
трансформатора.
Составляющая
тока небаланса, обусловленная погрешностью ТТ, определяется следующим образом:
(7.18)
где
kАПЕР - коэффициент, учитывающий наличие апериодической составляющей
в полном токе КЗ, для быстродействующих защит равен 1;ОДН -
коэффициент однотипности, принимается равным 1, если ТТ одного типа;
ε - полная допустимая погрешность ТТ, ε = 0,1;К ВН MAX - периодическая слагающая тока
(в момент времени t = 0) при расчетном внешнем КЗ.
, (А).
Вторая
составляющая тока небаланса, обусловленная регулированием напряжения защищаемого
трансформатора, определяется по выражению:
(7.19)
где
DU - размах РПН, т.е. относительная погрешность,
обусловленная регулированием напряжения защищаемого трансформатора.
, (А)
Третья
составляющая тока небаланса, обусловленная неточностью задания номинальных
токов защищаемого трансформатора - округлением при установке, а также
некоторыми метрологическими погрешностями, вносимыми элементами устройства:
, (7.20)
где
- расчетное значение, которое принимается равным 0,04
[9].
, (А).
Тогда
ток небаланса определяется по формуле
(7.21)
(А).
Расчет
уставки:
, (А)
Таким
образом, уставка дифференциальной отсечки оказывается равной:
.
Чувствительность
дифференциальной отсечки характеризуется коэффициентом чувствительности,
который должен быть не менее 2:
(7.22)
где
IК.MIN - минимальный ток КЗ при повреждениях в зоне действия
дифференциальной отсечки;С.З. - ток срабатывания дифференциальной
отсечки.
< 2.
Таким образом, дифференциальная отсечка не применяется в качестве защиты
трансформатора.
2. Дифференциальная защита (функция ДЗТ-2):
ДЗТ-2 - чувствительная ступень с торможением. Данная ступень
предназначена для защиты трансформатора как от повреждений, сопровождающихся
большими значениями токов, так и от межвитковых замыканий.
Характеристика срабатывания (тормозная характеристика) определяется
соотношением величин первых гармоник дифференциального и тормозного токов. Эта
характеристика изображена на рис. 7.2.
Ломаная А, В, С (рис. 7.2) делит координатную плоскость на две части -
область срабатывания и несрабатывания. Все, что лежит выше ломанной, является
областью срабатывания. Если расчетное соотношение токов IДИФ / IТОРМ лежит выше границы разделения областей, то происходит
срабатывание (при отсутствии в этот момент блокировок по другим условиям,
например, по второй гармонике), и устройство выдает сигнал на отключение.
Рис.7.2 - Тормозная характеристика ступени ДЗТ-2
Тормозная характеристика определяется уставками:
ID1/
IНОМ - базовая уставка ступени;
kТОРМ,% - коэффициент торможения (наклон
тормозной характеристики на втором ее участке);
IМ2/ IНОМ - вторая точка излома характеристики.
Также необходимо задать:
ID2 / ID1 - уставка блокировки от второй
гармоники.
Базовая
уставка ID1/IНОМ определяет чувствительность рассматриваемой ступени
защиты. Согласно [9] следует стремиться иметь уставку в пределах (0,3
0,5) для обеспечения чувствительности к полным
витковым замыканиям в переплетенных обмотках и к межкатушечным замыканиям в
любых обмотках.
Коэффициент
торможения kТОРМ должен
обеспечить несрабатывание ступени при сквозных токах, соответствующих второму
участку тормозной характеристики.
Расчетный
ток небаланса, порождаемый сквозным током, определятся выражением :
, (7.23)
где
кпер - коэффициент учитывающий переходный режим, кпер =2;
кодн
- коэффициент однотипности трансформаторов тока, кодн =1;
ε - относительное значение полной погрешности трансформаторов тока в
установившемся режиме, ε
= 0,1.
ΔUрпн - полный диапазон регулирования РПН, ΔUрпн = 16%;
Δfдобав - погрешность, Δfдобав = 0,04.
Для
надежной отстройки от тока небаланса, следует его умножить на коэффициент
отстройки котс = 1,3.
Если
по защищаемому трансформатору проходит сквозной ток, он может вызвать
дифференциальный ток:
(7.24)
В
терминале “Сириус Т3” дифференциальный ток равен геометрической сумме трех
токов, подходящих с трех сторон трансформатора:
(7.25)
Значок
“
” подчеркивает, что все токи взяты на входе
дифференциальной цепи, т.е. с учетом масштабирования в измерительных и цифровых
трансформаторах тока и выравнивания вторичных токов. В сущности это
соответствует приведению всех первичных токов к одной ступени напряжения.
Для
формирования тормозного тока вначале из токов трех сторон выбирается наибольший
по модулю:
(7.26)
Затем
рассчитывается второй ток:
(7.27)
Рассчитывается
угол φ:
(7.28)
После
этого определяется тормозной ток по следующим выражениям:
(7.29)
Если
при внешнем КЗ со сквозным током Iк ВН MAX
дифференциальный ток образовался из-за погрешности в трансформации наибольшего
из токов IT1, то
тормозной ток равен:
(7.30)
Коэффициент
снижения тормозного тока равен:
(7.31)
Чтобы
реле не сработало, коэффициент торможения в процентах должен определяться по
выражению [9]:
(7.32)
Уставка
IМ2/ IНОМ
рекомендуется равной (1,5
2).
Первая
точка излома тормозной характеристики вычисляется в реле автоматически по
выражению:
(7.33)
Уставка
блокировки от второй гармоники ID2 / ID1 на
основании опыта фирм, давно использующих такие защиты, рекомендуется на уровне
(12
15)%.
Расчет
уставок ДЗТ-2:
Принимается:
ID1/ IНОМ = 0,3; DfДОБ =
0,04.
Принимается
IМ2/ IНОМ = 1,5.
Принимается
ID2 / ID1 = 0,15.
7.2.2 Максимальная токовая защита от внешних КЗ
Ток срабатывания защиты отстраивается от максимального рабочего тока,
протекающего через трансформатор.
Ток срабатывания защиты равен:
(7.34)
где
kПЕР -
коэффициент допустимой перегрузки трансформатора;
IНОМ Т - номинальный ток трансформатора.
(А).
Кроме
того, защита должна быть согласована по чувствительности с защитами отходящих
присоединений по условию.
>
, А, (7.35)
где
IС.З.MAX -
наибольший из токов срабатывания максимальных защит отходящих элементов (МТЗ
линии W1: 165,79 А);
åIРАБ.MAX - ток нагрузки элементов за исключением того, с которым производится
согласование.
>
(А)
Выдержка
времени срабатывания защиты должна быть минимальной и согласованной с МТЗ
отходящих присоединений (табл.7.1):
Ток
срабатывания (уставка) МТЗ:
(А)
Так
как защита может работать с пуском по напряжению, выбирается напряжение
срабатывания защиты:
(7.36)
где
UНОМ - номинальное напряжение сети.
.2.3
Защита от перегрузки
Для
контроля перегрузки двухобмоточного трансформатора достаточно следить за токами
в одной из его обмоток. Для удобства пользования можно вводить контроль токов
как в обмотке стороны ВН трансформатора, так и в обмотке стороны НН. Уставки
задаются во вторичных значениях токов своей стороны напряжения, то есть
приведение не используется.
Уставка сигнала перегрузки принимается равной:
, (7.37)
где
коэффициент отстройки,
;
номинальный
вторичный ток в плечах защиты, рекомендуется определять с учетом возможности
его увеличения на 5% регулирования напряжения.
коэффициент
возврата,
.
Тогда
сторона
ВН
(А),
сторона
НН
(А).
Выдержка времени равна 2 секунд.
7.2.4 Газовая защита
Для защиты трансформатора от внутренних повреждений используются реле
типа РГЧЗ-66 с чашеобразными элементами. Реле срабатывает тогда, когда скорость
движения масла и газов достигает значения 0,6-1,2 м/с. При этом, время
срабатывания 0,05-0,5 с. Газовая защита должна действует на сигнал при слабом
газообразовании и понижении уровня масла и на отключение при интенсивном
газообразовании и дальнейшем понижении уровня масла.
.3 Устройства автоматики подстанции
7.3.1 Автоматическое включение резерва (АВР)
Устройства АВР применяются на секциях шин 10 кВ. Функция автоматического
включения резерва выполняется совместными действиями “Сириус - С”,
устанавливаемой на секционный выключатель и двух “Сириус - В”, устанавливаемых
на вводные выключатели.
“Сириус - В” выполняет следующие функции:
1 контролирует напряжения UAB,
UBC на секции, напряжение до выключателя UВНР (схема
нормального режима) и формирует команды управления выключателем ввода и
секционным выключателем;
2 выполняет АВР без выдержки времени
при срабатывании защит трансформатора;
3 контролирует параметры напряжения на
секции и формирует сигнал “Разрешение АВР” для “Сириус - В” соседней секции.
Пуск АВР на секционный выключатель будет блокирован при работе МТЗ,
отключении по цепям УРОВ, внешнего отключения с запретом АВР. Это предохраняет
подключение поврежденной секции ко второму вводу.
“Сириус - С” выполняет команды “Включение”, поступающие от “Сириус - В”,
без выдержки времени.
Пуск АВР происходит при срабатывании пускового органа по напряжению.
После отработки выдержки времени TАВР выдается команда на отключение
выключателя ввода, а после выполнения этой команды выдается команда "Вкл.
СВ" на “Сириус - С” длительностью 0,8 с. Затем, формируется выходной
дискретный сигнал разрешения АВР для второго ввода.
Напряжение срабатывания защиты минимального действия:
(7.38)
(кВ).
.3.2 Автоматическое повторное включение (АПВ) линий 10 кВ
Устройство “Сириус 21Л” имеет функцию однократного или двукратного АПВ.
Наличие АПВ, а также количество циклов задается уставкой.
АПВ пускается по факту срабатывания МТЗ или при самопроизвольном
отключении силового выключателя.
Время срабатывания первого цикла АПВ определяется по следующим условиям,
из которых выбирается большее значение:
(7.39)
где
tГ.П. -
время готовности привода: (0,1
0,2)с;
(7.40)
где
tГ.В. -
время готовности выключателя (tГ.В. = 1 c);
tВ.В. - время включения выключателя (tВ.В. = 0,05 с).
(7.41)
где
tД - время
деионизации среды в месте КЗ: (0,1
0,3) с.
(с).
Из
опыта эксплуатации линий с односторонним питанием для повышения эффективности
АПВ рекомендуется брать tАПВ = (2
3) с.
Выбирается
tАПВ.1 = 2
(с).
8. Собственные нужды подстанции
На всех подстанциях необходимо устанавливать не менее двух
трансформаторов собственных нужд.
Состав потребителей собственных нужд подстанции зависит от типа
подстанции, мощности трансформаторов, наличия синхронных компенсаторов, типа
оборудования.
Мощность потребителей собственных нужд невелика, поэтому они
присоединяются к сети 380/220В, которая получает питание от понижающих
трансформаторов 10/0.4кВ, которые называются трансформаторами собственных нужд.
Потребителями собственных нужд являются обогрев приводов выключателей,
шкафов КРУН, освещение подстанции и другие потребители.
Наиболее ответственными потребителями собственных нужд являются
оперативные цепи, система связи и телемеханики, аварийное освещение подстанции.
Для питания оперативных цепей может применяться переменный и постоянный
ток. В соответствии с [нормы технологического проектирования] на подстанциях
110 кВ и выше должна применяться система постоянного оперативного тока
напряжением 220В. Наиболее ответственными потребителями оперативного тока
являются цепи защиты, автоматики и электромагнитов силовых выключателей в
распределительных устройствах станций и подстанций, крупных распределительных устройствах
предприятий. Исторически сложилось так, что указанные цепи в основном работают
на постоянном оперативном токе. Обеспечение бесперебойного питания оперативного
цепей в любой момент времени с необходимым уровнем напряжения и мощности
независимо от состояния основной сети, возможно только в случае использования
стационарных аккумуляторных батарей, являющихся одним из самых надежных
источников оперативного тока.
Для обеспечения системы оперативного тока предполагается установка шкафов
оперативного тока 5-1980А (ШОТ), производства фирмы Электронмаш. ШОТ
предназначен для бесперебойного электроснабжения важнейших потребителей при
отключении сети, путем автоматического включения резервного источника питания -
аккумуляторных батарей. После восстановления соединения с основным источником
питания ШОТ обеспечивает автоматический заряд батарей с одновременным питанием
потребителей. Общий вид ШОТ :
Рис.1 Шкаф оперативного тока
Отличительные особенности и преимущества ШОТ перед открытыми
кислотно-свинцовыми аккумуляторными батареями:
Компактная конструкция, за счет применения зарядных устройств модульного
типа и необслуживаемых аккумуляторных батарей с фронтальным присоединением;
применение необслуживаемых герметизированных аккумуляторных батарей, со сроком
службы более 10 лет. Электрические присоединения - с фронта; широкий диапазон
входного и выходного напряжения; благодаря модульности зарядных устройств
возможна «горячая замена» силовых модулей; охлаждение зарядных устройств
происходит естественным путем без использования вентилятора, для управления
работой силовых модулей зарядного устройства применен высокопроизводительный
контроллер, который обеспечивает управление и сбор всей необходимо информации;
автоматический контроль сопротивления изоляции на шинах; работа всех систем
шкафа, как от внешней сети, так и от АБ; для исключения конденсата
предусмотрена система обогрева.
Мощность трансформаторов собственных нужд выбирается по нагрузкам
собственных нужд с учётом коэффициента загрузки и одновременности, [9,c.475]:
Sрасч = Кс
,(8.1)
где
Sрасч -
расчётная мощность потребителей собственных нужд;
Руст,
Qуст -
установленные активная и реактивная мощности подстанции.
Кс
- коэффициент спроса, учитывающий коэффициент загрузки и одновременности. В
расчете принимаем Кс = 0,8.
Мощность
трансформаторов собственных нужд при числе трансформаторов равном двум
выбирается по условию:
ST ≥
, (8.2)
где
КП - коэффициент допустимой аварийной нагрузки. В расчётах принимаем
КП =1,4.
Определяем
основные нагрузки собственных нужд подстанции и сводим в таблицу 8.1.
Таблица
8.1 - Нагрузки собственных нужд подстанции.
|
Вид потребителя
|
Руст ед., кВт
|
Cosφ
|
Qуст ед.,
кВар
|
Кол-во
|
Руст, кВт
|
Qуст,
кВар
|
|
Подогрев выключателей 110
кВ и их приводов
|
0,21
|
1
|
0
|
2
|
0,42
|
0
|
|
Приводы выключателей
|
1
|
1
|
0
|
2
|
2
|
0
|
|
Подогрев, освещение,
вентиляция шкафов КРУН- 10кВ
|
1,5
|
1
|
0
|
10
|
15
|
0
|
|
Подогрев разъединителей и
их приводов
|
0,025
|
1
|
0
|
6
|
0,15
|
0
|
|
Приводы
разединителей+заз.ножей 110 кВ
|
0,47
|
1
|
0
|
6
|
2,82
|
|
|
Привод выключателей 10кВ
|
0,18
|
1
|
0
|
10
|
1,8
|
0
|
|
Освещение ОРУ-110кВ
|
0,4
|
1
|
0
|
4
|
1,6
|
0
|
|
Оперативные цепи блокировки
разъединителей
|
0,4
|
1
|
0
|
1
|
0,4
|
0
|
|
Зарядно-подзарядный агрегат
ШОТ
|
7
|
1
|
0
|
2
|
14
|
0
|
|
Освещение, отопление ОПУ
|
5
|
1
|
0
|
-
|
5
|
0
|
|
АСКУЭ, ВЧ-связь
|
1,5
|
1
|
0
|
-
|
1,5
|
0
|
|
ИТОГО
|
0
|
Расчётная мощность потребителей собственных нужд:
Sрасч =
=81
[кВА].
Мощность
трансформаторов собственных нужд :
ST =
=
=57
[кВА].
Выбираем
2 трансформатора типа ТМГ - 63/10, Sном=63кВА.
Трансформаторы
устанавливаются в ячейки КРУН.
9.
Расчет заземляющего устройства (зу) подстанции. выполнение ЗУ с соблюдением
требований предъявляющийся к напряжению прикосновения. подключение приемников к
ЗУ
.1
Расчет ЗУ подстанции
Исходные
данные:
1.Подстанция является понижающей, имеет два трансформатора 110/10 кВ с
эффективно - заземленной нейтралью на стороне 110 кВ;
2.
Площадь застройки подстанции 32 х 50 = 1600 м
;
.
Искусственный заземлитель предполагается выполнить электродами из стального
стержня диаметром dст = 16 мм, длиной lст = 5 м, соединённой стальной
проволокой диаметром 12 мм и заглублённой на глубину 0,7 м;
.
Основываясь на [1], длина контура lк = 2∙(32 - 4 + 50 - 4) = 148 м;
.
Грунт в месте сооружения подстанции имеет удельное сопротивление
Климатическая зона 3.
Согласно
[1] заземляющее устройство защитного заземлителя подстанций 110 кВ в сети с
заземлённой нейтралью в любое время года должно иметь сопротивление
Естественные заземлители не используются. Принимаем 
Определяется
расчётное удельное сопротивление грунта для горизонтальных и вертикальных
заземлителей:
Ом∙м,
(9.1)
Ом∙м,
(9.2)
где
коэффициенты сезонности для горизонтальных и
вертикальных заземлителей, принимаемый по [14].
(Ом∙м),
(Ом∙м).
Определяем
сопротивление растеканию одного вертикального электрода по формуле:
Ом,
(9.3)
где t − расстояние от поверхности до центра стержня, м;
(Ом).
Определяется
примерное число вертикальных заземлителей при предварительно принятом [14]
коэффициенте использования вертикальных заземлителей:
шт,
(9.4)
(шт).
Определяем
расчётное сопротивление растеканию горизонтальных полос по формуле:
Ом,
(9.5)
(Ом).
Уточняется
необходимое сопротивление вертикальных электродов:
Ом,
(9.6)
(Ом).
Уточняется
число вертикальных электродов:
шт,
(9.7)
(шт).
Окончательно
принимаем к установке 126 вертикальных заземлителей.
.2
Выполнение ЗУ с соблюдением требований предъявляющих к напряжению прикосновения
ЗУ,
которое выполняется с соблюдением требований, предъявляемых к напряжению
прикосновения, должно иметь заземлитель в виде сетки.
Расстояние
между продольными и поперечными горизонтальными искусственными заземлителями не
должно превышать 30 м, а глубина заложения в грунт должна быть не менее 0,3 м.
У рабочих мест допускается прокладка заземлителей на меньшей глубине, если
необходимость, этого подтверждается расчетом, а само выполнение не снижает
удобства обслуживания электроустановки и срока службы заземлителей. Для
снижения напряжения прикосновения у рабочих мест в обоснованных случаях может
быть выполнена подсыпка щебня слоем толщиной 0,1 - 0,2 м [18].
10. Внедрение системы АСКУЭ
.1 Учет электроэнергии
В последнее время для ведения контроля за принимаемыми и расходуемыми
ресурсами электроэнергии на всех предприятиях и в быту широко используются
системы автоматизированного учета и контроля энергии и мощности (АСКУЭ и М).
Данные системы позволяют с высокой точностью определить количество энергии
потреблённой или транспортируемой за расчетный период.
Современная автоматизированная система учета электрической энергии должна
обеспечивать:
-коммерческий учет электроэнергии (активной и реактивной) в каждой точке
учета энергорынка на границе балансовой принадлежности электрических сетей его
субъектов;
определение фактической выработки электроэнергии (активной и реактивной)
производителями в интервале времени, принятом для расчетов в оптовом рынке;
определение фактических объемов электроэнергии (активной и реактивной),
поступающей в сети субъектов рынка;
повышение точности, достоверности и оперативности получения данных о
выработке, передаче и потреблении электроэнергии;
обеспечение синхронности измерений во всех точках учета;
автоматизацию процесса сбора, передачи и обработки данных приборов учета;
повышение оперативности управления режимами выработки, передачи и
потребления электроэнергии;
определение и прогнозирование всех составных баланса электроэнергии;
усовершенствование расчетов за отпущенную электроэнергию; -формирование
оптимального рыночных отношений между производителями, поставщиками и
потребителями электрической энергии (мощности) на принципах государственного
регулирования и конкуренции.
АСКУЭ должна представлять собой распределенную многоуровневую систему
измерений, обработки, сохранения и передачи данных коммерческого учета и
строиться на принципах открытости архитектуры и распределенного
функционирования. Документы, которые описывают протоколы информационного
взаимодействия со счетчиками электроэнергии, оборудованием сбора данных, должны
находиться в распоряжении Операторов Систем коммерческого учета электрической
энергии, а также Главного Оператора.
Система учета электроэнергии должна обеспечивать измерение следующих
основных параметров энергопотребления:
активной (реактивной) энергии за определенные интервалы времени по
каналам учета, группам каналов учета и объекту в целом, с учетом временных
(тарифных) зон, включая прием и отдачу энергии;
средних значений активной (реактивной) мощности за определенные интервалы
времени по каналам учета, группам каналов учета и объекту в целом.
Для защиты метрологических характеристик системы от несанкционированных
изменений (корректировок) должна быть предусмотрена аппаратная блокировка, пломбирование
средств учета, кроссовых и клеммных коробок, а также многоуровневый доступ к
текущим данным и параметрам настройки системы (электронные ключи,
индивидуальные пароли, коды оператора и программные средства для защиты файлов
и баз данных).
Все основные технические компоненты должны являться средствами измерений
и должны быть зарегистрированы в Государственном реестре средств измерений
(измерительные трансформаторы тока и напряжения, счетчики электрической энергии
и УСПД).
Современные технические средства (контроллеры), более мощная и гибкая
среда программирования контроллеров предоставляют возможность применения новых
принципов функционирования системы, отвечающих современным требованиям,
предъявляемым к автоматизированным системам контроля и учета электроэнергии.
.2 АСКУЭ промышленного предприятия
Основной задачей любого промышленного предприятия является бесперебойное
обеспечение электроэнергией своих производственных цехов, а также контроль за
потреблением и распределением полученной электроэнергии.
Предприятия - потребители электрической энергии в зависимости от мощности
могут иметь в собственности главные понизительные подстанции (ГПП),
распределительные устройства (РУ) и комплектные трансформаторные подстанции
(КТП) на которых производиться учет электроэнергии. Задачей, как правило,
возложенной на электрослужбу предприятия, является определение количества
электроэнергии полученной в свои сети и распределенной по ним.
Рассмотрим систему учета установленную на 110/10 кВ Нифантово, ООО
«Шекснинский бройлер» и индустриальный парк Шексна является крупнейшим
потребителем электроэнергии. Основное питание ГПП осуществляется по ВЛ-110 кВ
«Шексна-1,2».
Для того, чтобы учесть весь транспорт электрической энергии через ПС
необходимо на всех отходящих присоединениях устанавливать счетчики. На
присоединениях, по которым возможен переток в прямом и обратном направлении
устанавливаются двунаправленные приборы учета, в остальных случаях одно
направленные. Каждый счетчик должен быть подключен к контроллеру АСКУЭ (устройству
сбора и передачи данных). И уже оператор ПВМ производит опрос УСПД и дальнейшую
обработку данных.
На данный момент существует много производителей сумматоров и приборов
учета. Данные со счетчиков могут передаваться на сумматоры так же разными способами:
сбор импульсов, передача по интерфейсу RS-485, Ethernet передача. Последние два способа наиболее точны, так как в сумматор
передается профиль мощности со счетчика.
На ПС установлена система на базе устройства сбора и передачи данных
(УСПД) производства СКБ «Амрита» «Ток-С». Сбор данных по линиям 110 кВ
осуществляется со счетчиков полной энергии типа СЭТ-4ТМ 03.01 по интерфейсам RS-485 и импульсным каналам (в этом
случае импульсные каналы являются дублирующими). По вводам 10 кВ и по всем
отходящим линиям 10 кВ установлены однонаправленные счетчики активной и
реактивной энергии. Сбор данных с приборов учета по стороне 10 кВ
осуществляется по импульсным каналам. Приведем структурную схему АСКУЭ ПС.
Рис. 1 - Структурная схема организации АСКУЭ ПС
Для сбора информации объекта необходимо правильно настроить УСПД и если
требуется приборы учета (счетчики требуют настройки если подключаются по
интерфейсам RS-485 и Ethernet). Так в сумматоре «Ток-С» существуют
режим для настройки даты и времени, параметров импульсных каналов, параметров
цифровых каналов (RS-485), скорости
передачи данных, задание паролей доступа к УСПД. При подключении приборов учета
по импульсным каналам необходимо прокладывать кабель от каждого счетчика до
УСПД или промежуточного концентратора. При подключении приборов по цифровым
каналам (интерфейс RS-485)
прокладывается один магистральный провод и от него через разветвители
подключаются счетчики.
.3 Работа УСПД при получении информации о перетоке электроэнергии по
импульсным каналам
При подключении счетчика по импульсным каналам необходимо в контроллер
ввести информацию о передаточном коэффициенте счетчика (измеряется в имп/кВт*ч
или имп/кВар*ч) и параметры расчетного коэффициента - для приведения к измеряемым
величинам по первичной сети (измеряется как произведение КТТ*КТН).
На сам сумматор поступают импульсы со счетчика, поскольку в контроллер введено
передаточное число прибора учета, полученные импульсы пересчитываются в
электроэнергию. Но, энергия учтенная счетчиком, это энергия во вторичных цепях.
Чтобы привести электроэнергию к первичной сети используется расчетный
коэффициент. Таким образом, благодаря внесенным данным в УСПД хранится
информация об электроэнергии переданной, полученной или потребленной по
первичной цепи.
.4 Работа УСПД при получении информации о перетоке электроэнергии по
цифровым каналам
Если рассмотреть настройку каналов RS-485 то можно получить два варианта, но оба они будут
сходиться в настройке обращения к счетчику, а именно: настройка сетевого
адреса, пароль доступа к прибору, выбора одного из направлений и вида энергии
учитываемого микропроцессорным счетчиком. Принципиальной разницей в настройке
цифровых каналов этом случае будет являться только прошивка расчетного коэффициента,
где он будет учтен либо в счетчике, либо в УСПД.
11. Экономическая часть ВКР
.1 Определение сметной стоимости выбранной схемы электроснабжения
Сметой называется экономический документ, характеризующий предел
допустимых затрат на сооружение данного объекта.
В смете находят своё отражение затраты на приобретение оборудования и
материалов, их монтаж, транспорт и прочие расходы.
Основными документами для составления сметы являются ТЕРм-2001 в редакции
2014 года и прайс-листы оборудования. Стоимость оборудования в смете - по ценам
организаций поставщиков 2016 года.
Согласно постановлению Правительства Вологодской области от 24.11.2014 №
1042 "О применении на территории Вологодской области Методики определения
стоимости строительной продукции на территории Российской Федерации базисные
индексы изменения сметной стоимости строительно-монтажных работ редакций 2009 и
2014 годов по видам строительства для Вологодской области на III квартал 2015
года (с учетом районного коэффициента и без учета НДС) по отношению к 2001 г. с
учетом инфляции составляют:
- стоимость
материалов
= 5,81;
заработная
плата
= 21,68;
эксплуатация
машин
= 7,64.
Применяемые индексы относятся к общеотраслевому строительству, код РТМ -
01-01-001-01.
Пересчет сметы в цены текущего года проводится с помощью корректирующих
коэффициентов, характеризующих цепные темпы инфляции по отдельным видам
товаров, работ и услуг.
Для того чтобы определить сметную стоимость строящегося объекта в ценах
текущего периода, необходимо исчислить полную сметную стоимость строящегося
объекта, т.е. учесть накладные расходы, которые определялись на период, когда
действовали прейскурантные цены.
Полная стоимость объекта:
,
тыс.руб., (11.1)
где
ССМР - стоимость строительно-монтажных работ по возведению зданий и
сооружений, монтажа технологического оборудования;
СОБ
- затраты на приобретение основного и вспомогательного технологического
оборудования;
СПР
- прочие лимитированные затраты.
Сметно-финансовый
расчет в базисных ценах представлен в приложении 3.
Итоговая
стоимость монтажных работ, приведенная в цены 2016 года приведена в приложении
4 таблице 4.1
11.2 Расчёт эффективности инвестиционных вложений
Определим насколько эффективен проект. Проект осуществляется за 15 шагов,
т.е. 15 лет.
Количество инвестиций (по смете) в нашем случае составляет 42686970 руб.
Это те средства, которые необходимо окупить. Окупаться проект будет за счет
амортизационных отчислений и части прибыли.
Амортизация определяется с помощью укрупненного показателя - 6% от
стоимости оборудования и материалов.
Прибыль на подстанции получаем от продажи электроэнергии по
двухставочному тарифу. Тарифы привязаны к Вологодской области.
Тарифы определяем согласно приказа РЭК Вологодской области от 25.12.2014
№ 991 «Об установлении цен (тарифов) на электрическую энергию по Вологодской
области на 2015 год» и «Предельных минимальных уровнях на передачу
электроэнергии Северо-западного федерального округа на 2015 год.»
С 1 июля 2015 года установлены круглосуточные тарифы на электроэнергию
для населения, проживающего в домах с электроплитами - 3,06 руб.\кВт.ч., с
газовыми плитами - 3,83 руб.\кВт.ч., в сельских населенных пунктах - 2,68
руб.\кВт.ч.
Для расчета прибыли необходимо знать количество энергии проданной за
период.
Прибыль организации идет от реализации электроэнергии потребителям.
Определим стоимость реализуемой в течение одного года электроэнергии.
Wэ.год - реализованная электроэнергия за
одни год, определяется как:
Wэ.год=0,7 Рmax ∙t,
кВт, (11.2)
Wэ.год = 0,7∙7000∙8760=42924000
(кВт∙ч).
Для одноставочного тарифа (сельские потребители):
Цэ.э.год=α1∙ Wэ.год ∙8760, тыс. руб., (11.3)
где α1 - стоимость электроэнергии в сельской местности, α1 = 2,68 руб/кВт;
Цэ.э.год=2,68∙42924000∙8760 = 49655,7 (тыс.руб).
Прибыль:
Пр=0,1∙Цэ.э.год=0,1∙49655,7 = 4965,57
(тыс. руб.)
А- амортизационные отчисления (6% от стоимости материалов и оборудования
- 34767 100 ·0,06 = 2086 (тыс. рублей).
Необходимо определить показатели оценки целесообразности инвестирования:
чистый дисконтированный доход по инвестиционному проекту;
чистая приведенная стоимость финансового вложения;
индекс рентабельности проекта предприятия.
А. Для начала определим чистый доход предприятия от реализации
инвестиционного проекта.
Чистый доход предприятия = Чистый доход от реализации + Сумма амортизации
Чистый доход (ЧД) предприятия за год = 4965,57+2 086 = 7051,57 тыс.руб.
В нашем случае примем упрощенно, что ЧД предприятия каждый год у нас один
и тот же.
Б. Определим чистый дисконтированный доход (ЧДД).
Ставка дисконтирования используется при расчете срока окупаемости и
оценке экономической эффективности инвестиций для дисконтирования денежных
потоков, иными словами, для перерасчета стоимости потоков будущих доходов и
расходов в стоимость на настоящий момент.
В этом случае в качестве ставки дисконтирования примем темп инфляции в
России.
В 2015 году инфляция в России достигла 16% в годовом выражении, по
заявлению министерства финансов.
Чистый дисконтированный доход определяется как:
i - порядковый
номер года.
Определим
ЧДД по годам за 15 лет:
ЧДД=6078+5240+5417+3894+3357+2894+2495+2150+1854+1598+1377+1187+1024+882+761=39315
(тыс. руб.)
В.
Определим величину дисконтированной суммы инвестиций в проект.
,
i - порядковый
номер года.
Определим
ДСИ по годам за 15 лет:
ДСИ=2453+2114+1823+1571+1354+1168+1006+868+748+645+556+479+413+356+107=15866
(тыс. руб.)
Г.
Определим чистую приведенную стоимость или чистый приведенный эффект (ЧПС).
ЧПС=ЧДД-ДСИ
Сравнивая
таблицы с ДСИ и ЧДД очевидно, что проект эффективен, так как в каждый год доход
значительно превышает объем инвестиций.
Д.
Определим индекс рентабельности или индекс прибыльности инвестиционного
проекта.
ИР=ЧДД/ДСИ
Так
как индекс рентабельности больше единицы за каждый год, то это означает, что мы
можем принять решение о целесообразности реализации анализируемого
инвестиционного проекта.
12.
Мероприятия по экономии энергоресурсов
.1
Эффективность установки ККУ - 10
Определим
потери напряжения в сети без применения компенсирующих конденсаторных установок
и с установкой ККУ - 10 кВ.
Потери
напряжения, в максимальном режиме, определим по формуле:
кВ,
(12.1)
кВ,
(12.2)
где
rΣ -
суммарное активное сопротивление ВЛ - 110 кВ и силового трансформатора, ом;
хΣ - суммарное реактивное сопротивление ВЛ - 110 кВ и
трансформатора, ом;
Рмах - максимальная активная
мощность, кВт;
Qмах - максимальная реактивная
мощность, квар;
Qк - мощность конденсаторной
установки, квар.
rΣ, хΣ - взяты из раздела 5, Рмах, Qмах, Qк - найдены в разделе 1.
(кВ),
(кВ).
Тогда
напряжение на шинах НН ПС будет равно:
, кВ,
(12.3)
(кВ),
(кВ).
По
формулам (3.9) и (3.10) определим потери напряжения в конце линий:
(кВ),
(кВ),
(%),
(%).
Как
видно из расчетов без установки ККУ в максимальном режиме не выдерживается
минимально допустимые потери напряжения, а при применении компенсирующего
устройства напряжения находится в пределах допустимого.
Заключение
В
ВКР рассматривалось проектирование электроснабжение сельскохозяйственного
района, питание осуществляется от ПС 110/10, и рассчитаны две ВЛ - 10 кВ.
Оценены существующие потребители и найдены их расчётные мощности. При
выборе трансформаторов подстанции и схемы электроснабжения основное внимание
уделялось надёжному и бесперебойному электроснабжению потребителей. Учитывая
напряжение системы, а также удалённость и мощность потребителей, и все
перечисленные факторы, на подстанции принимаем к установке два трансформатора
марки ТМН-6300/110/10.
Произведен выбор компенсирующих устройств 10 кВ и показан эффект от
установки ККУ.
Рассчитаны и выбраны КТП - 10/0,4, ВЛ - 10 кВ выполнены проводом СИП 3,
на опорах СВ 110.
Рассчитаны токи трёхфазного короткого замыкания на шинах 110, 10 кВ и ВЛ
- 10 кВ.
Был проведён выбор токоведущих частей и коммутационно-защитной
аппаратуры. Разработана система релейной защиты и автоматика для силового
трансформатора и отходящих ВЛ - 10 кВ на терминалах «Сириус».
Изложен материал по учету электроэнергии и разработаны мероприятия по
энергосбережению. Произведён расчёт защитного заземления подстанции.
Определена сметная стоимость выбранной схемы электроснабжения- 42686970
руб.
Список использованных источников
1. Правила устройства электроустановок. - 7-е изд. перераб. и
доп. - М.: Энергоатомиздат, 2003.
. Блок, В.М. Электрические сети и системы: Учеб. пособие для
электроэнергет. спец. вузов / В.М. Блок. М.: Высш. шк., 1986. - 430 с.: ил.
3. Электрическая часть станций и подстанций: Учеб. для вузов
/ А.А. Васильев, И.П. Крючков, Е.Ф. Наяшкова [и др.]; под ред. А.А. Васильева -
2-е изд., перераб. и доп. - М.: Энергоатомиздат, 1990. - 576 с.: ил.
4. Рожкова, Л.Д. Электрооборудование электрических станций и
подстанций: учебник для студ. сред. проф. Образования / Л.Д. Рожкова, Л. К.
Карнеева, Т.В. Чиркова. - 4-е изд., стер. - М.: Издательский центр «Академия»,
2007. - 448 с.
. СП-31-110-2003. Свод правил по проектированию и
строительству /Проектирование и монтаж электроустановок жилых и общественных
зданий. Взамен ВСН 59-88. Госстрой Росси, 2004-01-01.-38с.
. Ополева, Г.Н. Схемы подстанции электроснабжения:
Справочник: учеб. Пособие/ Г.Н. Ополева - М.: ИД «ФОРУМ»: ИНФРА-М, 2008. - 480
с. - (Высшее образование)
. Типовой проект ТП Л56-97. Опоры одноцепные железобетонные
ВЛ - 10 кВ на стойках СВ110, С112, СВ105 с защищенными проводами.
. Неклепаев, Б.Н. Электрическая часть электростанций и
подстанций: Справочные материалы для курсового и дипломного проектирования:
Учебное пособие для вузов. - 4-е изд., перераб. и доп./ Б.Н. Неклепаев,
И.П.Крючков. - М.: Энергоатомиздат, 1989. - 608 с.: ил.
9. Рекомендации по выбору уставок устройств защиты
трансформаторов «Сириус Т3» - ЗАО «Радиус-автоматика», 2003. - 11с.
10. Чернобровов, Н.В. Релейная защита. Учебное пособие для
техникумов. Изд. 5-е, перераб. и доп./ Н.В. Чернобровов - М.: Энергия, 1974. -
680 с.: ил.
. Булычев, А.В. Релейная защита и автоматика систем
электроснабжения. Примеры и задачи с решениями: учебное пособие/А.В. Булычев,
Н.Д. Поздеев, А.А. Наволочный - Вологда, ВоГТУ, 2006. - 132 с.
. Территориальные единичные расценки на монтаж оборудования.
ТЕРм - 2001. Сборник №8. Электрические установки. - Издание официальное,
Вологодская обл., 2001.
. Строительные нормы и правила. Приложение. Сборники расценок
на монтаж оборудования. Сб. № 8. Электротехнические установки / Госстрой СССР.
- М.:Стройиздат, 1985. - 191 с.
. Федоров, А.А. Справочник по электроснабжению промышленных
предприятий/ А.А. Федоров, Г.В. Сербиновский: Кн. 1. Проектно-расчетные
сведения. - М.: Энергоатомиздат, 1973. - 520 с.
Приложение 1
Выбор трансформаторов для КТП
Таблица 1.1 - Результаты расчета и выбора трансформаторов для КТП по ВЛ -
10 Добрец
|
Наименование КТП
|
Потребители
|
Nпотр, шт.
|
Pрасч, кВт
|
Qрасч, квар
|
SрасчΣ, кВА
|
Sном.тр, кВА
|
|
Деревня
|
Жил. дома
|
80
|
49,3
|
19,7
|
61,4
|
100
|
|
Светильники
|
10
|
2,5
|
2,9
|
|
|
|
Водокачка
|
1
|
4
|
3
|
|
|
|
Кичино
|
Жил. дома
|
90
|
53,5
|
21,4
|
67,9
|
100
|
|
Светильники
|
12
|
3
|
3,5
|
|
|
|
Водокачка
|
1
|
5
|
3,8
|
|
|
|
Едома
|
Жил. дома
|
84
|
51,7
|
20,7
|
59,1
|
100
|
|
Светильники
|
10
|
2,5
|
2,9
|
|
|
|
Маурино
|
Жил. дома
|
75
|
46,2
|
18,5
|
60
|
100
|
|
Светильники
|
12
|
3
|
3,5
|
|
|
|
Водокачка
|
1
|
5
|
3,8
|
|
|
|
Добрец
|
Жил. дома
|
90
|
53,5
|
21,4
|
96,5
|
160
|
|
Светильники
|
12
|
3
|
3,5
|
|
|
|
Телятник 300 голов
|
1
|
13
|
9
|
|
|
|
Магазин
|
1
|
10
|
5
|
|
|
|
Водокачка
|
1
|
6,5
|
4,9
|
|
|
Таблица 1.2 - Результаты расчета и выбора трансформаторов для КТП по ВЛ -
10 Тырканово
|
Наименование КТП
|
Потребители
|
Nпотр, шт.
|
Pрасч, кВт
|
Qрасч, квар
|
SрасчΣ, кВ∙А
|
Sном.тр, кВ∙А
|
|
Гаражи
|
Гараж с профилакторием на
60 машин
|
1
|
45
|
40
|
60,2
|
100
|
|
Нифантово 1
|
Жил. дома
|
120
|
63,4
|
25,3
|
119
|
160
|
|
Светильники
|
20
|
5
|
5,9
|
|
|
|
Административное здание
|
1
|
15
|
10
|
|
|
|
Столовая на 25 мест
|
1
|
5
|
3
|
|
|
|
Магазин
|
2
|
20
|
5
|
|
|
|
Нифантово 2
|
Жил. дома
|
150
|
72,6
|
34,8
|
178,5
|
250
|
|
Светильники
|
25
|
6,3
|
7,4
|
|
|
|
Гаражи с профилакторием на
10 машин
|
1
|
20
|
18
|
|
|
|
Детский сад на 50 мест с
эл. плитой
|
1
|
18
|
5
|
|
|
|
Школа на 190 учащихся с эл.
плитой
|
1
|
40
|
20
|
|
|
|
Деревня
|
Жил. дома
|
90
|
53,5
|
21,4
|
67,2
|
100
|
|
Светильники
|
10
|
2,9
|
|
|
|
Водокачка
|
1
|
5
|
3,8
|
|
|
|
Комплекс
|
Комплекс на 800 голов
|
1
|
165
|
145
|
331
|
2 х 400
|
|
Склад с ДКУ-2
|
1
|
25
|
23
|
|
|
|
Телятник 300 голов
|
1
|
13
|
9
|
|
|
|
Мельница вальцовая
|
1
|
35
|
25
|
|
|
|
Водокачка
|
3
|
15
|
11,3
|
|
|
Приложение 2
Выбор сечения проводов
Таблица 2.1 - Выбор сечения проводов ВЛ - 10 кВ
|
Наименование ВЛ - 10 кВ
|
Iмах, А
|
Fрасч, мм2
|
Fст, мм2
|
Iдоп, А
|
Lвл, км
|
rо, Ом/км ------------- rвл,Ом
|
хо, Ом/км ------------- хвл,Ом
|
U2, кВ ΔU, %
|
|
Добрец
|
32,4
|
23,1
|
50
|
245
|
7
|
0,63 4,41
|
0,35 2,45
|
10,33 1,6
|
|
Тырканово
|
76,3
|
54,5
|
70
|
310
|
8
|
0,45 3,6
|
0,2 1,6
|
10,21 2,7
|
|
ПТФ 1
|
72,8
|
52
|
70
|
310
|
2
|
0,45 0,9
|
0,2 0,4
|
10,46 0,4
|
|
ПТФ 2
|
64,7
|
46,2
|
50
|
245
|
2,5
|
0,63 1,58
|
0,35 0,88
|
10,38 1,1
|
|
ПТФ 3
|
119,6
|
85,4
|
95
|
430
|
2
|
0,33 0,66
|
0,15 0,3
|
10,43 0,7
|
|
ПТФ 4
|
72,8
|
52
|
70
|
310
|
2
|
0,45 0,9
|
0,2 0,4
|
10,46 0,4
|
|
ПТФ 5
|
18,5
|
13,2
|
50
|
245
|
2,5
|
0,63 1,58
|
0,35 0,88
|
10,48 0,2
|
|
ПТФ 6
|
96
|
68,6
|
70
|
310
|
2
|
0,45 0,9
|
0,2 0,4
|
10,43 0,7
|
|
Парк 1
|
115,6
|
82,6
|
95
|
430
|
10
|
0,33 3,3
|
0,15 1,5
|
10,00 4,8
|
|
Парк 2
|
115,6
|
82,6
|
95
|
430
|
10
|
0,33 3,3
|
0,15 1,5
|
10,00 4,8
|
Приложение 3
Локальная смета электромонтажных работ
|
Операция
|
Шифр и номер позиции
норматива
|
Наименование работ и затрат
|
Кол-во ед. изм.
|
Стоимость на единицу, руб.
|
Общая стоимость, руб
|
Затраты труда рабочих, не
занятых обсл. машин, чел-ч.
|
|
|
|
|
|
Всего основной зарплаты
|
Экспл. маш. в т.ч. зарплаты
|
Материалы
|
Всего
|
Основной зарплаты
|
Экспл. маш. в т.ч. зарплаты
|
Материалы
|
На един.
|
Всего
|
|
|
№1 Монтажные работы
|
|
|
1
|
ТЕРм 08-01-001-11
|
Трансформатор трехфазный
110 кВ, мощность 6,3 МВА
|
2 шт
|
14301,02 4166,60
|
8207,91 784,51
|
1926,51
|
28602,04
|
8333,20
|
16415,82 1569,02
|
3853,02
|
415,00
|
830,00
|
|
|
2
|
ТЕРм 08-01-065-01
|
Слив масла с тр-ра
|
29,4 т
|
430,70 35,24
|
395,46 22,80
|
-
|
12662,58
|
1036,06
|
11626,23 670,32
|
-
|
5,31
|
156,11
|
|
|
3
|
ТЕРм 08-01-005-02
|
Сушка тр-ра методом
термодиффузии до 80МВА
|
2 шт
|
7435,40 4005,96
|
1591,26 7,79
|
1838,18
|
14870,80
|
8011,92
|
3182,52 15,58
|
3676,36
|
399,00
|
798,00
|
|
|
4
|
ТЕРм08-01-064-01
|
Сушка трансформаторного
масла
|
29,4 т
|
427,49 167,67
|
166,35 8,53
|
93,47
|
12568,21
|
4929,50
|
4890,69 250,78
|
2748,02
|
16,70
|
490,98
|
|
|
5
|
ТЕРм 08-01-065-01
|
Заливка масла в тр-р
|
29,4 т
|
430,70 35,24
|
395,46 22,80
|
-
|
12662,58
|
1036,06
|
11626,23 670,32
|
-
|
5,31
|
156,11
|
|
|
6
|
СНиП, Прил.№1 №10
|
Ревизия тр-ра
|
2 шт
|
758,2 462,8
|
295,4 74,62
|
-
|
1516,4
|
925,6
|
590,8 149,24
|
-
|
249,5
|
499
|
|
|
7
|
ТЕРм 08-01-009-04
|
Выключатель элегазовый 110
кВ
|
2 шт
|
10683,76 3952,99
|
6258,42 500,67
|
427,35
|
21367,52
|
7905,98
|
12516,84 1001,34
|
854,70
|
316,00
|
632,00
|
|
|
8
|
ТЕРм 08-01-011-06
|
Разъединитель 110 кВ, с 1
или 2 ЗН
|
8 компл
|
2035,22 490,96
|
1093,29 160,70
|
450,97
|
16281,76
|
3927,68
|
8746,32 1285,60
|
3607,76
|
48,90
|
391,2
|
|
|
9
|
ТЕРм08-01-013-01
|
Заземлитель однополюсный
110кВ
|
2шт
|
569,23 129,52
|
342,50 82,88
|
97,21
|
1138,46
|
259,04
|
685,00 165,76
|
194,42
|
12,90
|
25,80
|
|
|
10
|
ТЕРм 08-01-015-02
|
Ограничитель перенапряжений
110кВ
|
2компл
|
1806,18 307,22
|
826,74 83,45
|
672,22
|
3612,36
|
614,44
|
1653,48 166,90
|
1344,44
|
30,60
|
61,20
|
|
11
|
ТЕРм 08-01-015-02
|
Ограничитель перенапряжений
110 кВ
|
2/3компл
|
1806,18 307,22
|
826,74 83,45
|
672,22
|
1210,8
|
204,81
|
551,16 55,63
|
448,15
|
30,60
|
20,4
|
|
12
|
ТЕРм 08-01-007-02
|
Трансформатор напряжения
110 кВ
|
2компл
|
1642,01 247,99
|
824,64 88,89
|
569,38
|
3284,02
|
495,98
|
1649,28 177,78
|
1138,76
|
24,70
|
49,4
|
|
13
|
ТЕРм08-01-023-1
|
Спуск, петля или перемычка,
сечение провода до 300 мм2, количество проводов в фазе 1
|
18шт
|
116,42 47,99
|
67,03 22,07
|
1,4
|
2095,56
|
863,82
|
1206,54 397,26
|
25,2
|
4,78
|
86,04
|
|
14
|
ТЕРм08-01-022-01
|
Ошиновка из алюминиевых
труб для ОРУ 110
|
3пролет
|
1272,18 588,34
|
282,24 16,54
|
401,60
|
3816,54
|
1765,02
|
846,72 49,62
|
1204,80
|
58,60
|
175,80
|
|
15
|
ТЕРм08-01-026-01
|
КРУН 10 кВ серии К-59
(ячейка секц. Разъединителя)
|
1шт
|
668,94 389,55
|
243,16 17,32
|
36,23
|
668,94
|
389,55
|
243,16 17,32
|
36,23
|
38,8
|
38,8
|
|
16
|
ТЕРм08-01-026-01
|
КРУН 10 кВ серии К-59 (с
выключателем)
|
17шт
|
668,94 389,55
|
243,16 17,32
|
11371,98
|
6622,35
|
4133,72 294,44
|
617,10
|
38,8
|
659,6
|
|
17
|
ТЕРм08-01-026-02
|
КРУН 10 кВ серии К-59 (с
измерительными трансформаторами)
|
2шт
|
429,68 177,71
|
215,74 15,73
|
36,23
|
859,36
|
355,42
|
431,48 31,46
|
72,46
|
17,7
|
35,4
|
|
18
|
ТЕРм08-01-026-01
|
КРУН 10 кВ серии К-59
(ячейка с ТСН)
|
2 шт
|
668,94 389,55
|
243,16 17,32
|
36,23
|
1337,88
|
779,1
|
486,32 34,64
|
72,46
|
38,8
|
77,6
|
|
19
|
ТЕРм08-01-026-01
|
КРУН 10 кВ серии К-59
(ячейка с П-10)
|
2 шт
|
668,94 389,55
|
243,16 17,32
|
36,23
|
1337,88
|
779,1
|
486,32 34,64
|
72,46
|
38,8
|
77,6
|
|
20
|
ТЕРм 08-01-053-01
|
Трансформаторы тока 10 кВ
|
43шт
|
52,60 24,40
|
12,91 0,86
|
15,29
|
2051,4
|
951,6
|
503,49 33,54
|
596,31
|
2,43
|
104,44
|
|
21
|
ТЕРм 08-01-067-10
|
Комлектная конденсаторная
установка, до 1700 кг
|
2шк
|
787,51 90,26
|
670,46 38,82
|
26,79
|
1575,02
|
180,52
|
1340,92 77,64
|
53,58
|
8,99
|
17,98
|
|
22
|
ТЕРм 08-02-148-01
|
Кабель до 35кВ проложенный
в трубах до 1 кг/м
|
10 100 м
|
714,02 124,50
|
501,04 42,65
|
88,48
|
7140,20
|
1245,00
|
5010,40 426,50
|
884,80
|
12,40
|
124,00
|
|
23
|
ТЕРм 08-02-141-04
|
Кабель до 35кВ проложенный
в траншее до 6 кг/м
|
3 100 м
|
1395,16 218,87
|
1078,92 85,02
|
97,37
|
4185,48
|
656,61
|
3236,76 255,06
|
292,11
|
21,80
|
65,40
|
|
24
|
ТЕРм 33-04-003-04
|
Установка ж/б опор
одностоечных
|
158шт
|
184,35 64
|
96,35 17,05
|
-
|
29127,3
|
10112
|
15223,3 2693,9
|
-
|
4,77
|
753,66
|
|
25
|
ТЕРм 33-04-003-05
|
Установка ж/б опор
одностоечных с подкосом
|
20шт
|
349 114,87
|
210,13 36,71
|
-
|
6980
|
2297,4
|
4202,6 734
|
-
|
10,16
|
203,2
|
|
26
|
ТЕРм 33-04-009-06
|
Подвеска проводов ВЛ-10 кВ
сечением выше 35 мм2
|
15км
|
2758,36 707,94
|
1800,29 387,69
|
-
|
41375,4
|
10619,1
|
27004,35 5815,35
|
-
|
72,21
|
1083,15
|
|
27
|
ТЕРм 08-02-159-06
|
Концевая заделка в
резиновой перчатке 3х жильного кабеля 10 кВ до 70 мм2
|
8шт
|
33,54 24,30
|
2,49 0,14
|
6,75
|
268,32
|
194,40
|
19,92 1,12
|
54,00
|
3,36
|
26,9
|
|
28
|
ТЕРм 08-01-025-01
|
Подстанция комплектная
трансформаторная 10кВ до 400кВА
|
11шт
|
1816,89 310,24
|
1173,96 103,03
|
332,69
|
19985,79
|
3412,64
|
12913,56 1133,33
|
3659,59
|
30,90
|
339,9
|
|
|
Итого
|
|
|
|
|
|
78903,9
|
151423,9 18208,1
|
25506,7
|
|
7979,67
|
|
Материалы в текущих ценах
2016 г.
|
|
|
1
|
Прайс Промкабель
|
Кабель АВВГнг-10-3х50
|
0,3км
|
131000,00
|
-
|
-
|
39300,00
|
-
|
-
|
-
|
-
|
-
|
|
|
2
|
Прайс Промкабель
|
Кабель КУГВВЭнн 14х0,5
|
1км
|
33500,00
|
-
|
-
|
33500,00
|
-
|
-
|
-
|
-
|
-
|
|
|
3
|
Прайс Техэлектро
|
Муфты ЗКВТп-10-50/70
|
8шт
|
1100,00
|
-
|
-
|
8800,00
|
-
|
-
|
-
|
-
|
-
|
|
|
4
|
Прайс Элекс
|
Провод АС - 150/24
|
0,8км
|
93000,00
|
-
|
-
|
74400,00
|
-
|
-
|
-
|
-
|
-
|
|
|
5
|
Прайс Элекс
|
Жесткая ошиновка А 80х5
|
1компл
|
250000,00
|
-
|
-
|
250000,0
|
-
|
-
|
-
|
-
|
-
|
|
|
6
|
Прайс ЖБИ Комплект
|
Опоры СВ-110 одностоечные
10 кВ
|
158шт
|
5500,00
|
-
|
-
|
869000,0
|
-
|
-
|
-
|
-
|
-
|
|
|
7
|
Прайс ЖБИ Комплект
|
Опоры СВ-110 одностоечные с
приставкой 10 кВ
|
20шт
|
8500,00
|
-
|
-
|
170000,0
|
-
|
-
|
-
|
-
|
-
|
|
|
8
|
Прайс Эрго
|
Провод СИП 3 1х50
|
21км
|
30000,00
|
-
|
-
|
630000,0
|
-
|
-
|
-
|
-
|
-
|
|
|
9
|
Прайс Эрго
|
Провод СИП 3 1х70
|
24км
|
39000,00
|
-
|
-
|
936000,0
|
-
|
-
|
-
|
-
|
-
|
|
|
|
Итого
|
|
|
|
|
3011000
|
|
|
|
|
|
|
|
Оборудование в текущих
ценах 2016 г
|
|
|
1
|
Прайс ООО Аксис
|
ТМН-6300/110/10
|
2шт
|
5000000,00
|
-
|
-
|
10000000
|
-
|
-
|
-
|
-
|
-
|
|
|
2
|
Прайс ООО Аксис
|
ВЭБ-110/31,5/630У1
|
2шт
|
2000000,00
|
-
|
-
|
4000000
|
-
|
-
|
-
|
-
|
-
|
|
|
3
|
Прайс ТК Эсполин
|
РДЗ-1(2)-110/1000
|
8компл
|
52600,00
|
-
|
-
|
420800
|
-
|
-
|
-
|
-
|
-
|
|
|
4
|
Прайс ТК Эсполин
|
ОПН - П - 110/78
|
2компл
|
27000,00
|
-
|
-
|
54000,00
|
-
|
-
|
-
|
-
|
-
|
|
|
5
|
Прайс ТК Эсполин
|
ОПН - П - 50/78
|
2шт
|
19000,00
|
-
|
-
|
38000,00
|
-
|
-
|
-
|
-
|
|
|
6
|
Прайс Камтекэнерго
|
Р - 110М
|
2/3компл
|
34380,00
|
-
|
-
|
22920,00
|
-
|
-
|
-
|
-
|
-
|
|
|
7
|
Прайс ТД Автоматика
|
НКФ-110-57У1
|
2компл
|
175000,00
|
-
|
-
|
350000
|
-
|
-
|
-
|
-
|
-
|
|
|
8
|
Прайс СТ Систем
|
Яч. К-59 с вакуумным
выкл.(линейная.)
|
12шт
|
600000,00
|
-
|
-
|
7200000
|
-
|
-
|
-
|
-
|
-
|
|
|
9
|
Прайс СТ Систем
|
Яч. К-59 с вакуумным
выкл.(вводная, секционная)
|
3шт
|
700000,00
|
-
|
-
|
2100000
|
-
|
-
|
-
|
-
|
-
|
|
|
10
|
Прайс СТ Систем
|
Яч. К-59 с СР
|
1шт
|
200000,00
|
-
|
-
|
200000,0
|
-
|
-
|
-
|
-
|
-
|
|
|
11
|
Прайс СТ Систем
|
Яч. К-59 с П-10
|
2шт
|
200000,00
|
-
|
-
|
400000,0
|
-
|
-
|
-
|
-
|
-
|
|
|
12
|
Прайс СТ Систем
|
Яч. К-59 сТН-10 (ТСН-10)
|
4шт
|
300000,00
|
-
|
-
|
1200000
|
-
|
-
|
-
|
-
|
-
|
|
|
13
|
Прайс ТД Автоматика
|
ТОЛ-10-50-600/5
|
29шт
|
8500,00
|
-
|
-
|
246500,0
|
-
|
-
|
-
|
-
|
-
|
|
|
14
|
Прайс ТД Автоматика
|
ТНШП - 10
|
10шт
|
6900,00
|
-
|
-
|
69000,00
|
-
|
-
|
-
|
-
|
-
|
|
|
15
|
Прайс Энергомаш
|
КТП 10/0,4; 100 кВА
|
6 шт
|
89000,00
|
-
|
-
|
534000,0
|
-
|
-
|
-
|
-
|
-
|
|
|
16
|
Прайс Энергомаш
|
КТП 10/0,4; 160 кВА
|
1шт
|
100000,00
|
-
|
-
|
100000,0
|
-
|
-
|
-
|
-
|
-
|
|
|
17
|
Прайс Энергомаш
|
КТП 10/0,4; 250 кВА
|
2шт
|
110000,00
|
-
|
-
|
220000,0
|
-
|
-
|
-
|
-
|
-
|
|
|
18
|
Прайс Энергомаш
|
КТП 10/0,4; 2х400 кВА
|
1шт
|
300000,00
|
-
|
-
|
300000,0
|
-
|
-
|
-
|
-
|
-
|
|
|
19
|
Прайс Энергомаш
|
УКЛ(П)-57 - 10,5 - 900
|
2шт
|
210000,00
|
-
|
-
|
420000,0
|
-
|
-
|
-
|
-
|
-
|
|
|
|
Итого
|
|
|
|
|
27875220
|
|
|
|
|
|
|
|
|
|
|
|
|
|
|
|
|
|
|
|
|
|
|
|
|
|
|
|
Приложение 4
Стоимость электромонтажных работ
Таблица 4.1 - Итоговая стоимость электромонтажных работ в текущих ценах
2016 года
|
Наименование показателя
|
Коэффициент, отн.ед.
|
Значение, тыс.руб.
|
|
|
1.
|
Монтажные работы в базисных
ценах в том числе:
|
|
|
|
|
основная заработная плата
|
1
|
78,903
|
|
|
заработная плата машинистов
|
1
|
18,208
|
|
|
затраты по эксплуатации
машин
|
1
|
151,423
|
|
|
строительные материалы
|
1
|
25,506
|
|
|
2.
|
Пересчет стоимости монтажных
работ в текущие цены:
|
|
|
|
|
Удорожание затрат на
заработную плату
|
21,68
|
1710,617
|
|
|
Удорожание затрат по
эксплуатации машин
|
7,64
|
1156,87
|
|
|
Удорожание строительных
материалов
|
5,81
|
148,19
|
|
|
Всего прямых затрат в
текущих ценах
|
|
3015,68
|
|
|
Накладные расходы
|
0,95
|
1625,08
|
|
|
Сметная прибыль организации
|
0,65
|
1111,9
|
|
|
Всего затрат на монтажные
работы в текущих ценах по смете:
|
|
5752,66
|
|
|
3.
|
Стоимость оборудования по
смете:
|
|
|
|
Стоимость оборудования в
текущих ценах
|
|
27875,2
|
|
Расчет дополнительных
расходов на оборудование:
|
|
|
|
расходы на запасные части
|
0,02
|
557,5
|
|
расходы на тару и упаковку
|
0,015
|
418,1
|
|
транспортные расходы
|
0,03
|
836,2
|
|
снабженческо-сбытовая
наценка
|
0,05
|
1393,8
|
|
заготовительно-складские
расходы
|
0,012
|
334,5
|
|
расходы на комплектацию
|
0,005
|
139,4
|
|
Всего дополнительные
расходы на оборудование:
|
|
3679,5
|
|
Всего расходы на
оборудование в текущих ценах
|
|
31554,7
|
|
4.
|
Стоимость материалов по
смете:
|
|
|
|
Оптовая цена на материалы в
текущих ценах
|
|
3011
|
|
Расчет дополнительных
расходов на материалы
|
|
|
|
транспортные расходы
|
0,04
|
120,4
|
|
расходы на тару и упаковку
|
0,015
|
45,2
|
|
заготовительно-складские
расходы
|
0,012
|
36,1
|
|
Всего дополнительные
расходы на материалы:
|
|
201,7
|
|
Всего расходы на материалы
в текущих ценах
|
|
3212,7
|
|
5.
|
Лимитированные и прочие
затраты в текущих ценах:
|
|
|
|
Затраты на временные
здания и сооружения
|
0,039
|
123,15
|
|
Затраты на работу в зимнее
время
|
|
-
|
|
Затраты на подвижной
характер работы
|
0,15
|
136,05
|
|
Затраты на перевозку
крупногабаритных грузов
|
0,0003
|
0,95
|
|
Затраты на добровольное
страхование
|
0,03
|
95
|
|
Затраты на НИОКР
|
0,015
|
510,7
|
|
Затраты на премирование за
ввод в эксплуатацию
|
0,025
|
78,94
|
|
Затраты на охрану объектов
строительства
|
0,013
|
41,05
|
|
Затраты на содержание
дирекции строящихся объектов
|
0,011
|
34,74
|
|
Сумма лимитированных и прочих
затрат
|
|
1020,61
|
|
Авторский надзор
|
0,002
|
77,9
|
|
Непредвиденные расходы и
затраты
|
0,03
|
1168,4
|
|
Всего лимитированных и
прочих затрат в текущих ценах:
|
|
2166,91
|
|
6.
|
Полная стоимость
электромонтажных работ в текущих ценах:
|
|
42686,97
|