Проектирование автономной газовой котельной мощностью 4,7 Гкал/ч на нужды системы отопления в посёлке Шухободь
СОДЕРЖАНИЕ
теплоснабжение
газ котельная гидравлический
ВВЕДЕНИЕ
. ОПИСАНИЕ
ИСТОЧНИКА ТЕПЛОТЫ И СИСТЕМЫ ТЕПЛОСНАБЖЕНИЯ
. ОПРЕДЕЛЕНИЕ
ХАРАКТЕРИСТИК ГАЗООБРАЗНОГО ТОПЛИВА
.1 Расчёт
плотности природного газа при нормальных условиях
.2 Расчёт
низшей теплоты сгорания топлива
. РАСХОД
ТЕПЛОВЫХ НАГРУЗОК
.1 Тепловые
нагрузки на отопление
.2 Тепловые
нагрузки на горячее водоснабжение
.
ГИДРАВЛИЧЕСКИЙ РАСЧЁТ ТЕПЛОВОЙ СЕТИ
.1 Описание
методики гидравлического расчёта тепловых сетей
.2 Расчёт
дроссельных устройств
.3 Тепловые
потери и величина охлаждения воды в трубопроводах
.4
Пьезометрический график
.
ПРОЕКТРИРОВАНИЕ ТЕПЛОМЕХАНИЧЕСКОЙ ЧАСТИ КОТЕЛЬНОЙ
.1 Исходные
данные для проектирования водогрейной котельной
5.2
Построение графика отпуска тепловой энергии потребителю в зависимости от
температуры наружного воздуха
5.2.1
Температурный график
.2.2 Подбор
котлоагрегата
.2.3
Построение графика загрузки и переключения котлов в котельной
.3 Подбор
горелочных устройств
.4 Расчёт
тепломеханической схемы котельной
.4.1 Построение
принципиальной схемы котельной
.4.2
Преобразование принципиальной схемы котельной в тепловую
.4.3
Преобразование тепловой схемы в расчётных граф
.4.4
Составление материального и энергетического баланса граф
.4.5 Решение
системы уравнений методом обратной матрицы
.5 Подбор
вспомогательного оборудования
.5.1 Подбор
сетевого насоса
.5.2 Подбор
подпиточного насоса
.5.3 Подбор
циркуляционного насоса
.5.4 Подбор
рециркуляционного насоса
.6 Система
удаления дымовых газов
.6.1 Расчёт
высоты дымовой трубы
.6.2 Расчёт
высоты дымовой трубы по ПДК
.6.3 Расчёт
высоты дымовой трубы по самотяге
.6.4 Потери
давления в газоходе
.6.5 Потери
давления в дымовой трубе
.6.6
Определение требуемой высоты трубы
.
ОРГАНИЗАЦИОННО-ЭКОНОМИЧЕСКАЯ ЧАСТЬ
6.1
Расчет тарифа на тепловую энергии
.2
Расчет и оценка экономического эффекта
7.
БЕЗОПАСНОСТЬ ЖИЗНЕДЕЯТЕЛЬНОСТИ ПРИ РАБОТЕ С КОТЕЛЬНЫМИ УСТАНОВКАМИ
7.1 Техника
безопасности при эксплуатации установок
7.2
Безопасность труда человека в производственных условиях
7.3 Техника
безопасности при монтаже котельных установок
.4 Вывод
.
ЭКОЛОГИЧНОСТЬ ПРОЕКТА
8.1
Мероприятия по охране окружающей среды
ЗАКЛЮЧЕНИЕ
СПИСОК
ИСПОЛЬЗОВАННЫХ ИСТОЧНИКОВ
ПРИЛОЖЕНИЕ 1
Расход тепловой энергии на отопление
ПРИЛОЖЕНИЕ 2
Расход тепловой энергии на горячее водоснабжение
ПРИЛОЖЕНИЕ 3
Гидравлический расчет тепловой сети
ПРИЛОЖЕНИЕ 4
Результаты расчета дросселирующих диафрагм на отопление
ПРИЛОЖЕНИЕ 5
Результаты расчета дросселирующих диафрагм на горячее водоснабжение
ПРИЛОЖЕНИЕ 6
Расчетные потери теплоты в трубопроводах
ПРИЛОЖЕНИЕ 7
Технические характеристики котла «Vitoplex 200 mun SX2а»
ПРИЛОЖЕНИЕ
8Технические характеристики горелки Oilon GP - 150M
ПРИЛОЖЕНИЕ 9
Технические характеристики насоса АНУ 3 CR 64-2-1
ПРИЛОЖЕНИЕ 10
Технические характеристики насоса АЦМС 4046-1
ПРИЛОЖЕНИЕ 11
Технические характеристики насоса АЦМЛ-100S/300-11,0/4
ПРИЛОЖЕНИЕ 12
Технические характеристики насоса UPS 80-60 F - 96402391
ВВЕДЕНИЕ
Идея промышленного применения водяного пара возникла во второй половине
восемнадцатого века. Первый паровой котел промышленного назначения создал
талантливый русский изобретатель И.И. Ползунов в 1766 г. С этого времени
котлостроение непрерывно развивалось и совершенствовалось.
Котельными установками называют устройства, предназначенные для
производства пара или горячей воды заданных параметров для энергетических,
технологических и отопительных целей.
В зависимости от назначения различают следующие типы котельных установок:
Энергетические - вырабатывающие пар для паровых двигателей;
Производственно-отопительные - вырабатывающие пар и горячую воду для
удовлетворения технологических потребностей производства, отопления и
вентиляции;
Отопительные - вырабатывающие пар и горячую воду для отопления,
вентиляции и горячего водоснабжения производственных, жилых и коммунальных
помещений;
Смешанного назначения - вырабатывающие пар для снабжения одновременно
паровых двигателей, технологических нужд и отопительно-вентиляционных установок
и горячего водоснабжения.
Котельная установка состоит из котельных агрегатов и вспомогательных
механизмов и устройств.
Котельный агрегат включает топочное устройство, котел, пароперегреватель,
водяной экономайзер, воздухоподогреватель, а также каркас с лестницами и
помостами для обслуживания, обмуровку, газоходы, арматуру, и гарнитуру.
К вспомогательным механизмам и устройствам относят:
дымососы и дутьевые вентиляторы, питательные, водоподготовительные и
пылеприготовительные установки, системы топливоподачи, золоулавливания и
золоудаления - при сжигании твердого топлива, мазутное хозяйство - при сжигании
жидкого топлива, газорегуляторную станцию - при сжигании газообразного топлива.
Целью проекта является технико-экономическое
обоснование установки новой газовой автоматизированной котельной,
предназначенной для теплоснабжения посёлка Шухободь, Череповецкого района.
1. ОПИСАНИЕ ИСТОЧНИКА ТЕПЛОТЫ И
СИСТЕМЫ ТЕПЛОСНАБЖЕНИЯ
Котельная, расположенная по адресу: Череповецкий район, посёлок Шухободь,
будет обеспечивать теплоснабжение существующих зданий в д. Шухободь
Череповецкого района с организацией единого узла учёта.
Газовая котельная Шухободь находится в собственности компании ООО «Аникор
Плюс». Котельная предназначена для снабжения потребителей тепловой энергией на
цели отопления и горячего водоснабжения.
Здание котельной - прямоугольное в плане с размерами в осях 9,0 х 13,5 м,
высота до низа выступающих конструкций 4 м. Стены выполнены из сэндвич -
панелей толщиной 100 мм, перекрытие из сэндвич - панелей толщиной 150 мм.
Каркас здания - металлический. За относительную отметку 0.000 принята отметка
чистого пола котельной. Пол котельной выполнен бетонным по монолитной ж/б плите
толщиной 300 мм. Дверь - индивидуального изготовления, металлическая утеплённая
для проёма 900 х 2100 (h).
Ворота - индивидуального изготовления, утеплённые для проёма 1600 х 2100.
Оборудование котельной расположено в отдельно стоящем здании. Материал
стен имеет индекс шумоизоляции 58 дБа.
Расчетная температура наружного воздуха для отопления, оС, tн.о=-32
оС, [1]; средняя температура наружного воздуха за отопительный
период, оС, tоп=-4,1 оС, [1];
продолжительность отопительного периода, сут, no=231 сут, [1].
В котельной предусматривается одноконтурная схема теплоснабжения. Греющим
теплоносителем будет являться вода с температурным графиком 95-700С.
Характеристика котельной:
· по виду строительства - вновь строящаяся;
· по расположению на генеральном плане - отдельно стоящая;
· категория производств по взрывной, взрывопожарной и пожарной
опасности помещения котельной - Г;
· категория производств по степени огнестойкости помещения
котельной - III a;
· категория надёжности отпуска тепла потребителям - II;
· категория потребителей тепла по надёжности теплоснабжения-II;
· по виду теплоносителя - водогрейная;
· по виду потребляемого топлива - газовая.
Котельная представляет собой комплекс основного и вспомогательного
технологического оборудования, запроектирована с высокой степенью автоматизации
всех технологических процессов. Обслуживающий персонал не предусматривается.
Данные о максимальном количестве потребляемых ресурсов:
· электроэнергия
установленная мощность Ру = 77,8 кВт;
расчётная мощность Рр = 60,3 кВт.
· газ - 718,4 м3/ч;
· вода ( на подпитку) - 0,73 м3/ч;
· вода ( на заполнение системы) - 4,08 м3/ч.
Тепловая нагрузка на котельную составляет - 5,03 Гкал/ч.
В процессе эксплуатации котельной не вырабатываются вторичные
энергоресурсы, а также нет отходов производства.
Проектируемая котельная расположена в зоне жилой застройки. Участок
строительства 842 м2. Поверхность представляет собой искусственно
спланированную, участками забетонированную территорию с сетью подземных
коммуникаций.
2. ОПРЕДЕЛЕНИЕ ХАРАКТЕРИСТИК ГАЗООБРАЗНОГО ТОПЛИВА
.1 Расчёт плотности природного газа при нормальных условиях
Плотность природного газа при нормальных условиях определяется как
плотность газовой смеси в зависимости от содержания и плотности отдельных
компонентов по формуле:
(2.
1)
где
ri - объемная доля i-го компонента газовой смеси, определяемая по
табл.1.4 [6];
ρi - плотность i-го компонента при нормальных условиях, определяемая по из
табл. 1.2 [6].
Месторождение
газа - Вуктылское месторождение
Административный
район - Коми АССР
Характеристика
месторождения - Газоконденстное.
Метан:
Этан:
Пропан:
Бутан:
Пентан:
Азот + другие редкие газы:
2.2 Расчёт низшей теплоты сгорания топлива
Низшая теплота сгорания - количество теплоты, которое может выделиться
при полном сгорании в воздухе определенного количества газа таким образом, что
давление p1 при котором протекает реакция, остается постоянным, все продукты
сгорания принимают ту же температуру t1, что и температура реагентов. При этом
все продукты находятся в газообразном состоянии.
Низшая теплота сгорания природного газа при нормальных условиях
определяется как теплота сгорания газовой смеси в зависимости от содержания и
теплоты сгорания отдельных компонентов смеси по формуле:
(2.
2)
где
ri - объемная доля i-го горючего компонента газовой смеси;
Qнр-
теплота сгорания i-го компонента, найденная из таблицы 1.3[6].
Результаты
расчета сводятся в таблицу 4.2.
Метан:
Этан:
Пропан:
Бутан:
Пентан:
Таблица
2.1 - Характеристики природного газа
|
Состав газа
|
Химическая формула
|
Процентное содержание компонентов смеси %
|
Низшая теплота сгорания, Qнр, кДж/м3.
|
Плотность газа при нормальных условиях, ρо, кг/м3.
|
|
1
|
2
|
3
|
4
|
5
|
|
Метан
|
СН4
|
74,8
|
26808,32
|
0,42
|
|
Этан
|
С2Н6
|
8,8
|
5608,24
|
0,09
|
|
Пропан
|
С3Н8
|
3,9
|
3641,43
|
0,61
|
|
Бутан
|
С4Н10
|
1,8
|
2227,86
|
0,04
|
|
Пентан
|
С5Н12
|
6,4
|
9365,76
|
0,16
|
|
Азот +редкие газы
|
N2
|
4,3
|
-
|
0,05
|
3. ПОТРЕБЛЕНИЕ ТЕПЛОТЫ
.1
Тепловые нагрузки на отопление
Расходы
теплоты на отопление производственных, жилых и общественных зданий,
, Мкал/ч, рассчитаны по формуле:
, (3.1)
где
с - коэффициент, зависящий от единиц измерения Qчас;
a - поправочный
коэффициент, учитывающий зависимость тепловой характеристики здания qо от расчетной температуры наружного воздуха tнр.
q - удельная
тепловая отопительная (вентиляционная) характеристики здания соответственно,
зависящие от его назначения и объема, ккал/(м3×ч×°С);
Vн - строительный объем здания по наружному обмеру, м3,
который берется из генплана или из паспорта здания, составленного на основании
проекта или по данным бюро технической инвентаризации;
tвн - усредненная температура внутреннего воздуха в
здании, °С;
tнр - температура наружного воздуха для проектирования
отопления (температура наиболее холодной пятидневки обеспеченностью 0,92) в
районе строительства, °С.
Расходы
теплоты на отопление и вентиляцию производственных зданий, Qчаспр,
Мкал/ч:

(3.2)
При
расчете фактических и нормативных значений потребления тепловой энергии
потребителями температуры внутреннего воздуха принимаем соответственно
фактические и расчетные.
Для
определения коэффициента a используем формулу Б.М.
Хлыбова:
. (3.3)
Для
г. Череповец:
Годовой
расход теплоты, Qгод, Гкал/год, на отопление:

. (3.4)
где
n - количество часов работы системы вентиляции в
течение суток, час;
Nгод - продолжительность работы системы вентиляции в
течение года со среднесуточной температурой наружного воздуха tнар,
сут;
tн.ср - средняя температура наружного воздуха за
отопительный период, °С;
Месячные
расходы теплоты на отопление зданий, Qмес, Гкал/мес:
. (3.5)
где
Nмес - число суток в расчетном месяце, сут;
tмес - среднемесячная температура наружного воздуха, °С.
При
определении расчетного или фактического потребления тепловой энергии
потребителями за определенный период принимаем соответственно расчетный
(нормативный) или фактический срок работы системы теплоснабжения, фактическую
или нормативную максимальную тепловую нагрузку, а также, соответственно,
фактические или нормативные температуры внутреннего и наружного воздуха [2].
Результаты
расчета максимальных часовых расходов теплоты на отопление потребителей
приведены в приложении 1.
3.2
Тепловые нагрузки на горячее водоснабжение
Расходы
теплоты на горячее водоснабжение (суточный Qсут, средний
часовой Qср, максимальный часовой Qмакс),
Мкал/ч:
, (3.6)
, (3.7)
, (3.8)
где m
- фактическое число потребителей горячей воды в здании;
Gсут - суточная норма расхода горячей
воды в литрах на одного потребителя (потр) при средней температуре разбираемой
воды tг= 55 град для закрытой системы теплоснабжения, л/(сут×потр); по СНиП 2.04.01-85;
tг - средняя температура разбираемой
потребителями горячей воды, tг= 55°С;
tх - средняя температура холодной воды
в отопительном периоде;
r -
плотность горячей воды; при температуре 55 град r = 0,986 кг/л;
-
коэффициент, учитывающий долю потерь теплоты Qт.п
трубопроводами горячей воды от среднечасовой величины теплопотребления
; значения которого находятся в пределах Kт.п=0,1…0,35;
Т - период работы системы горячего водоснабжения в
течение суток;
-
коэффициент часовой неравномерности потребления горячей воды.
, (3.9)
где
Gч - норма расхода горячей воды на одного потребителя (потр)
в час наибольшего водопотребления, л/(ч×потр);
Gсут - суточная норма расхода горячей воды, л/(сут×потр);
Gо - часовой расход воды водоразборным прибором,
литр/час.
При
расчете фактического и нормативного потребления тепловой энергии за
определенный период на нужды горячего водоснабжения соответственно принимаем
фактическое и нормативное время работы системы [3].
Результаты
расчета расходов тепловой энергии на горячее водоснабжение смотри в приложении
2.
4. ГИДРАВЛИЧЕСКИЙ РАСЧЕТ ТЕПЛОВОЙ
СЕТИ
.1 Описание методики гидравлического расчета тепловых сетей
При гидравлическом расчете тепловых сетей определяют потери давления на
участках трубопроводов для последующей разработки гидравлического режима и
выявления располагаемых напоров на тепловых пунктах потребителей. При
гидравлическом расчете определяют суммарный расчетный расход сетевой воды.
Перед гидравлическим расчетом составляют расчетную схему сети с нанесением на
ней длин и диаметров трубопроводов, местных сопротивлений и расчетных расходов
теплоносителя по всем участкам сети. Расчетная схема тепловой сети выполняется
для облегчения расчетов в «одну линию».
Формулы, предложенные авторами А.Д. Альтшулем, Г.А. Муриным, Б.Л.
Шифринсоном для определения коэффициента гидравлического трения при одинаковых
значениях шероховатости дают практически одинаковые результаты. Наибольшее
отклонение в значениях коэффициента полученное по отдельным формулам не превышает
5 % [4].
Возможные расхождения при расчете по различным формулам незначительны по
сравнению с теми ошибками, которые обычно имеют место вследствие
неопределенности в выборе значения шероховатости.
Потери напора по длине пропорциональны эквивалентному коэффициенту
местных сопротивлений в степени 0.25 и обратно пропорциональны внутреннему
диаметру трубопровода в степени 5.25. При этом ошибки, связанные с неправильным
вводом коэффициента эквивалентной шероховатости, оказывают значительно меньшие
влияния на величину потери напора, чем не учет возможного зарастания
трубопровода.
Потери давления на участке трубопровода складываются из линейных потерь
(на трение) и потерь в местных сопротивлениях:
,
Линейные
потери давления пропорциональны длине труб и равны:
|
,(4.2)
|
|
где R
- удельные потери давления на трение , кгс/м2;
l - длина трубопровода, м.

,
где l - коэффициент гидравлического
трения;
u - скорость
теплоносителя, м/с;
g -
плотность теплоносителя на рассчитываемом участке трубопровода, кгс/м3;
g - ускорение свободного падения, м/с2;
Dвн - внутренний диаметр трубопровода, м;
G - расчетный расход теплоносителя на
рассчитываемом участке, т/ч.
Потери
давления в местных сопротивлениях находят по формуле:
|
,(4.4)
|
|
где Sx - сумма коэффициентов местных
сопротивлений.
Потери
давления на участке трубопровода определяют также по
формуле:
|
,(4.5)
|
|
|
|
|
,(4.6)
|
|
где lпр
- приведенная длина трубопровода, м;
lэкв - эквивалентная длина местных сопротивлений,
определяемая по формуле:
|
,(4.7)
|
|
При
отсутствии полных данных о характере и количестве местных сопротивлений на
трубопроводах тепловой сети эквивалентную длину местных сопротивлений
допускается определять по упрощенной формуле:
где a - коэффициент, учитывающий долю
потерь давления в местных сопротивлениях по отношению к потерям давления на
трение, который при П-образных компенсаторах и диаметров трубопроводов тепловой
сети до 150 мм принимается равным 0,3.
Коэффициент
гидравлического трения l зависит от характера движения жидкости (ламинарное или турбулентно).
При
турбулентном режиме движения жидкости коэффициент гидравлического трения l для стальных трубопроводов находят
по разным формулам, выбираемым в зависимости от предельного значения числа
Рейнольдса Reпр, характеризующего границы переходной области
и области квадратичного закона.
При Re<Reпр (переходная область) коэффициент трения определяют по
формуле Кольбрука-Уайта:
|
 ,(4.9)
|
|
где Re -
число Рейнольдса;
Kэкв - эквивалентная шероховатость внутренней поверхности
трубы.
Тепловые
сети, как правило, работают при турбулентном режиме движения теплоносителя в
квадратичной области, поэтому коэффициент гидравлического трения определяется
формулой Прандтля-Никурадзе:
|
.(4.10)
|
|
Величину
эквивалентной шероховатости труб действующих тепловых сетей определяют при
гидравлических испытаниях. При значениях эквивалентной шероховатости, отличных
от Kэкв =3 мм, на величину удельных потерь давления вводится
поправочный коэффициент b .
В этом случае
|
(4.11)
|
|
или
|
.(4.12)
|
|
Гидравлический
расчет тепловой сети от котельной выполнен на компьютере с помощью электронного
редактора MS Excel пакета MS Office. Результаты расчета см. в приложении
3.
4.2 Расчет
дроссельных устройств
Для
обеспечения расчетного гидравлического режима необходимо погасить избыточные
располагаемые напоры в системах теплопотребления, что достигается в данной
системе установкой дроссельных диафрагм.
Диаметр
дроссельной диафрагмы, dш, мм, определяют по следующей
формуле:
|
,(4.13)
|
|
где Низб
- избыточный напор, м;
Низб=DРрасп -2
DРi -DРпотр, (4.14)
гдеDРрасп - располагаемый перепад давления в начальной точке сети, м;
DРi - потери давления на участке сети, м;
DРпотр - потери давления у потребителя, м;
Минимальный
диаметр отверстия дроссельной диафрагмы во избежание засорения 3 мм. При
расчетном диаметре диафрагмы менее 3 мм избыточный напор дросселируют в двух
диафрагмах, устанавливают их последовательно (на расстоянии не менее 10
диаметров трубопроводов), либо на подающем и обратном трубопроводах.
Дроссельные диафрагмы, как правило, устанавливают во фланцевых соединениях (на
тепловом пункте после грязевика) между запорной арматурой, что позволяет заменять
их без спуска воды из системы. [5]
Место
установки дроссельных шайб перед системой отопления зависит от значения напора
в обратном трубопроводе. Величина требуемого напора, обеспечивающего залив
системы отопления, по умолчанию на 4 метра выше высоты здания. Если величина
фактического напора в обратном трубопроводе меньше, чем высота здания плюс 4
метра, т.е. имеет место опорожнение системы отопления, то дроссельные шайбы
предусматриваются на обратном трубопроводе, в противном случае - на подающем.
Результаты
расчета дроссельных устройств приведены в приложениях 4 и 5.
4.3
Тепловые потери в трубопроводах
При движении
теплоносителя в трубопроводах от котельной до потребителя существуют тепловые
потери, которые складываются из двух составляющих:
. Теплопотери
участков трубопровода, не имеющих арматуры и фасонных частей - линейные потери;
. Теплопотери
фасонных частей, арматуры, опорных конструкций, фланцев и т.д. - местные
теплопотери.
Суммарные
теплопотери трубопроводов определяются по формуле:
|
,(4.15)
|
|
где q -
удельные теплопотери изолированными теплопроводами; при подземной прокладке -
суммарно по обоим трубопроводам, при надземной - по одному трубопроводу
приведены для каждого наружного диаметра труб и разности среднегодовых
температур воды и окружающей среды (грунта - при подземной прокладке и воздуха
- при надземной прокладке);
l - длина участка тепловой сети,
характеризующегося одинаковым диаметром трубопровода и типом прокладки
(подземная или надземная);
b - коэффициент
местных теплопотерь, для подземной прокладки b=0,25.
Результаты
расчета приведены в приложении 6.
4.4
Пьезометрический график
Пьезометрический
график представляет собой графическое изображение напоров в тепловой сети
относительно местности, на которой она проложена. На пьезометрическом графике в
определенном масштабе наносят рельеф местности, высоту присоединенных зданий,
величины напоров в сети. На горизонтальной оси графика откладывают длину сети,
а на вертикальной оси - напоры. Линии напоров в сети наносят как для рабочего,
так и для статического режимов. Пьезометрический график строят следующим
образом:
. Принимая за
ноль отметку самой низкой точки тепловой сети, наносят профиль местности по
трассе основной магистрали и ответвлений, отметки земли которых отличаются от
отметок магистрали. На профиле проставляют высоты присоединенных зданий.
. Наносят
линию, определяющую статический напор в системе (статический режим). Если
давление в отдельных точках системы превышает пределы прочности, необходимо
предусмотреть подключение отдельных потребителей по независимой схеме или
деление тепловых сетей на зоны с выбором для каждой зоны своей линии
статического напора. В узлах деления устанавливают автоматические устройства
рассечки и подпитки тепловой сети;
. Наносят
линию напоров обратной магистрали пьезометрического графика. Уклон линии
определяют на основании гидравлического расчета тепловой сети. Высоту
расположения линии напоров на графике выбирают с учетом вышеприведенных
требований к гидравлическому режиму. При неровном профиле трассы не всегда
возможно одновременно выполнять требования заполнения верхних точек систем
теплопотребления, не превысив допустимые давления. В этих случаях выбирают
режим, соответствующий прочности нагревательных приборов, а отдельные системы,
залив которых не будет обеспечен вследствие низкого расположения
пьезометрической линии обратного трубопровода, оборудуют индивидуальными
регуляторами.
Линия
пьезометрического графика обратного трубопровода магистрали в точке пересечения
с ординатой, соответствующей началу теплосети, определяет необходимый напор в
обратном трубопроводе водоподогревательной установки (на входе сетевого
насоса), обеспечиваемый подпиточным насосом;
. Наносят
линию подающей магистрали пьезометрического графика. Уклон линии определяют на
основании гидравлического расчета тепловой сети. При выборе положения
пьезометрического графика учитывают предъявляемые к гидравлическому режиму
требования и гидравлические характеристики сетевого насоса. Линия пьезометрического
графика подающего трубопровода в точке пересечения с ординатой, соответствующей
началу теплосети, определяет требуемый напор на выходе из подогревательной
установки. Напор в любой точке тепловой сети определяется величиной отрезка
между данной точкой и линией пьезометрического графика подающей или обратной
магистрали.
Пьезометрический
график приведен на рисунке 4.1.
Рисунок 4.1- Пьезометрический график тепловой сети на нужды отопления и
ГВС от ГК Шухободь до ул. Жукова д. 66
5. ПРОЕКТРИРОВАНИЕ ТЕПЛОМЕХАНИЧЕСКОЙ ЧАСТИ КОТЕЛЬНОЙ
.1 Исходные данные для проектирования водогрейной котельной
Исходные данные для выпускной квалификационной работы представлены в
таблице 5.1.
Таблица 5.1-Исходные данные для проектирования
|
№ п/п
|
Показатель
|
Размерность
|
Значение
|
|
1
|
Проектируемый район (город, область)
|
п.Шухободь
|
|
2
|
Вид застройки (жилой или административный
сектор)
|
Жилой сектор
|
|
3
|
Климатические данные:
|
|
|
3.1
|
Температура наиболее холодной пятидневки
|
°С
|
-32
|
|
3.2
|
Средняя температура воздуха за отопительный период
|
°С
|
-4,1
|
|
3.3
|
Расчетная летняя температура воздуха
|
°С
|
22,3
|
|
3.4
|
Продолжительность отопительного
периода
|
сут/год
|
231
|
|
4
|
Расчетная тепловая нагрузка на нужды:
|
|
|
4.1
|
- отопления
|
Мкал/ч
|
3649,95
|
|
4.2
|
- горячего водоснабжения
|
Мкал/ч
|
838,81
|
|
5
|
Характеристика система
теплоснабжения:
|
|
|
5.1
|
Схема присоединения системы
теплоснабжения
|
зависимая
|
|
5.2
|
Тип устанавливаемых отопительных
приборов у потребителя (радиаторы, регистры, конвекторы)
|
радиаторы
|
|
5.3
|
Температурный график отпуска тепловой
энергии
|
°С
|
95/70
|
|
5.4
|
Гидравлическое сопротивление
трубопровода
|
кПа
|
75
|
|
5.5
|
Водяной объем системы трубопроводов
|
м3
|
356,65
|
|
5.6
|
Количество этажей самого высокого
здания
|
шт.
|
5
|
|
6
|
Вид топлива
|
природный газ
|
|
6.1
|
Месторождение
|
Вуктылское
|
|
6.2
|
Плотность топлива
|
кг/ м3
|
1,37
|
|
6.3
|
Теплота сгорания
|
кДж/м3
|
47651,61
|
5.2 Построение графика отпуска тепловой энергии потребителю в
зависимости от температуры наружного воздуха
.2.1 Температурный график
Температура воды в подающем и
обратном трубопроводах сети и подающем трубопроводе системы отопления зависят
от температуры наружного воздуха [7].
Температура
воды в подающем трубопроводе сети
, ℃, определяется по выражению (5.1):
(5.1)
Температура
воды в обратном трубопроводе сети
, ℃, определяется по выражению (5.2):
(5.2)
Температура
воды в подающем трубопроводе системы отопления
, ℃, определяется по выражению (5.3):
(5.3)
Коэффициент подмеса U
определяется по выражению (5.4):
(5.4)
где
,
-
температура внутреннего воздуха помещений, для расчета
, при температуре наружного воздуха -32℃ [1] для жилого сектора принимается +20 ℃;
,
- температура наружного воздуха, для расчета
, -32℃;
,
- температура воды в подающем трубопроводе сети, для
расчета
, 95℃;
,
- температура воды в обратном трубопроводе сети, для
расчета
, 70℃;
-
коэффициент подмеса,
;
,
- температура воды в подающем трубопроводе системы
отопления.
Расчеты
сводим в таблицу 5.2, температурный график представлен на рисунке 5.1.
Таблица
5.2-Исходные данные для построения температурного графика отпуска тепловой
энергии потребителю
|
tнв - температура наружного воздуха
|
t2 - температура обратной сетевой воды
|
tвн - температура внутреннего воздуха помещений
|
|
1
|
2
|
3
|
4
|
|
-32,0
|
95,0
|
70,0
|
20,0
|
|
-31,0
|
93,6
|
69,0
|
20,0
|
|
-30,0
|
92,1
|
68,1
|
20,0
|
|
-29,0
|
90,7
|
67,1
|
20,0
|
|
-28,0
|
89,2
|
66,2
|
20,0
|
|
-27,0
|
87,8
|
65,2
|
20,0
|
|
-26,0
|
86,3
|
64,2
|
20,0
|
|
-25,0
|
84,9
|
63,3
|
20,0
|
|
-24,0
|
83,5
|
62,3
|
20,0
|
|
-23,0
|
82,0
|
61,3
|
20,0
|
|
-22,0
|
80,6
|
60,4
|
20,0
|
|
-21,0
|
79,1
|
59,4
|
20,0
|
|
-20,0
|
77,7
|
58,5
|
20,0
|
|
-19,0
|
76,3
|
57,5
|
20,0
|
|
-18,0
|
74,8
|
56,5
|
20,0
|
|
-17,0
|
73,4
|
55,6
|
20,0
|
|
-16,0
|
71,9
|
54,6
|
20,0
|
|
-15,0
|
70,5
|
53,7
|
20,0
|
|
-14,0
|
69,0
|
52,7
|
20,0
|
|
-13,0
|
67,6
|
51,7
|
20,0
|
|
|
-12,0
|
66,2
|
50,8
|
20,0
|
|
-11,0
|
64,7
|
49,8
|
20,0
|
|
-10,0
|
63,3
|
48,8
|
20,0
|
|
-9,0
|
61,8
|
47,9
|
20,0
|
|
-8,0
|
60,4
|
46,9
|
20,0
|
|
-7,0
|
58,9
|
46,0
|
20,0
|
|
-6,0
|
57,5
|
45,0
|
20,0
|
|
-5,0
|
56,1
|
44,0
|
20,0
|
|
-4,0
|
54,6
|
43,1
|
20,0
|
|
-3,0
|
53,2
|
42,1
|
20,0
|
|
-2,0
|
51,7
|
41,2
|
20,0
|
|
-1,0
|
50,3
|
40,2
|
20,0
|
|
0,0
|
48,8
|
39,2
|
20,0
|
|
1,0
|
47,4
|
38,3
|
20,0
|
|
2,0
|
46,0
|
37,3
|
20,0
|
|
3,0
|
44,5
|
36,3
|
20,0
|
|
4,0
|
43,1
|
35,4
|
20,0
|
|
5,0
|
41,6
|
34,4
|
20,0
|
|
6,0
|
40,2
|
33,5
|
20,0
|
|
7,0
|
38,8
|
32,5
|
20,0
|
|
8,0
|
37,3
|
31,5
|
20,0
|
5.2.2 Подбор котлоагрегата
Количество котлов, необходимых к установке, определяется исходя из
тепловой нагрузки на систему отопления для максимального - зимнего периода.
Сообразно [8] для нужд отопления и вентиляции требуется как минимум два котла,
один из которых будет работать в среднеотопительный период, когда тепловая
нагрузка значительно снижается, или, в случае аварии, может служить резервным.
Для
определения режимов работы котлоагрегатов и времени переключения необходимо
определить подключаемую нагрузку
, кВт, по
выражению (5.5) [9]:
(5.5)
где Qп - подключаемая нагрузка при данной температуре, кВт;
Qк - мощность котлоагрегата, кВт;
Nк - количество работающих
котлоагрегатов, шт;
Zк - загрузка котлоагрегата [9]:
(5.6)
Загрузка котлоагрегата должна находиться в интервале от 30 до 100%.
Характеристика подобранных котлов представлена в таблице 4.3.
Рисунок 5.1 - Температурный график отпуска тепловой энергии.
Таблица 5.3-Характеристика котла Viessman (Приложение 7) [10].
|
№п/п
|
Показатель
|
Контур системы
|
Ед.изм.
|
|
|
Котел
|
|
|
1
|
Марка
|
Vitoplex 200 mun SX2а
|
|
|
2
|
Мощность
|
1950
|
кВт
|
|
3
|
Количество
|
3
|
шт
|
|
4
|
Температура
|
110
|
℃
|
|
5
|
КПД котла
|
94
|
%
|
|
6
|
Сопротивление водяного тракта
|
22
|
мбар
|
5.2.3 Построение графика загрузки и
переключения котлов в котельной
Таблица 5.4-Исходные данные для
построения графика переключения котлов к котельной
|
Qп, кВт
|
Qк, кВт
|
Nк, шт.
|
Zк
|
|
5596,12
|
1950
|
2
|
143,49
|
|
5488,51
|
1950
|
2
|
140,73
|
|
5380,89
|
1950
|
2
|
137,97
|
|
5273,27
|
1950
|
2
|
135,21
|
|
5165,65
|
1950
|
2
|
132,45
|
|
5058,03
|
1950
|
2
|
129,69
|
|
4950,42
|
1950
|
2
|
126,93
|
|
4842,80
|
1950
|
2
|
124,17
|
|
4735,18
|
1950
|
2
|
121,41
|
|
4627,56
|
1950
|
2
|
118,66
|
|
4519,94
|
1950
|
2
|
115,90
|
|
4412,33
|
1950
|
2
|
113,14
|
|
4304,71
|
1950
|
2
|
110,38
|
|
4197,09
|
1950
|
2
|
107,62
|
|
4089,472
|
1950
|
2
|
104,86
|
|
3981,85
|
1950
|
2
|
102,10
|
|
3874,24
|
1950
|
2
|
99,34
|
|
3766,62
|
1950
|
2
|
96,58
|
|
3659,00
|
1950
|
2
|
93,82
|
|
3551,384
|
1950
|
2
|
91,06
|
|
3443,77
|
1950
|
2
|
88,30
|
|
3336,15
|
1950
|
2
|
85,54
|
|
3228,53
|
1950
|
2
|
82,78
|
|
3120,91
|
1950
|
2
|
80,02
|
|
3013,30
|
1950
|
2
|
77,26
|
|
2905,68
|
1950
|
2
|
74,50
|
|
2798,06
|
1950
|
2
|
71,75
|
|
2690,44
|
1950
|
2
|
68,99
|
|
2582,82
|
1950
|
2
|
66,23
|
|
2475,21
|
1950
|
2
|
63,47
|
|
2367,59
|
1950
|
2
|
60,71
|
|
2259,97
|
1950
|
2
|
57,95
|
|
2152,35
|
1950
|
2
|
55,19
|
|
2044,736
|
2
|
52,43
|
|
1937,12
|
1950
|
1
|
99,34
|
|
1829,50
|
1950
|
1
|
93,82
|
|
1721,88
|
1950
|
1
|
88,30
|
|
1614,27
|
1950
|
1
|
82,78
|
|
1506,65
|
1950
|
1
|
77,26
|
|
|
1399,03
|
1950
|
1
|
71,75
|
|
1291,41
|
1950
|
1
|
66,23
|
При температуре от -32 до +3℃ работают 2 котла, при +2℃ - переключение на 1 работающий
котёл.
График переключения котлоагрегатов представлен на рисунке 5.2.
Рисунок 5.2 - График переключения котлоагрегатов
5.3 Подбор горелочных устройств
Газовые горелки необходимы для подачи газа в дозированных количествах в
зону сгорания и поддержания заданных тепловых характеристик во время горения.
Устройства работают в автоматическом режиме. Основные элементы горелок:
смеситель, горелочная насадка и стабилизирующее устройство.
На выбор горелки для котла влияют следующие факторы:
1. Мощность. Значение мощности горелки должно быть больше топочной
мощности котла.
. Тип регулирования мощности.
. Тип топлива.
. Давление газа перед горелкой и диаметр газовой арматуры.
Учитывая все факторы, подбираем три горелки Oilon GP - 150M с
модулируемым режимом работы для котлов Vitoplex 200 mun SX2а.
Характеристики горелочных устройств приведены в приложении 8 [11].
5.4 Расчёт тепломеханической схемы котельной
.4.1 Построение принципиальной схемы
котельной
Принципиальная тепловая схема, рисунок 5.3, представляет собой условное
графическое изображение основного и вспомогательного оборудования,
объединенного линиями трубопроводов в соответствии с последовательностью его
движения в установке.
Основная цель расчета тепловой схемы котельной:
определение общих тепловых нагрузок, состоящих из внешних нагрузок и
расходов тепла на собственные нужды, и распределением этих нагрузок между
составными частями котельной для обоснования выбора основного оборудования;
определение всех тепловых и массовых потоков, необходимых для выбора
вспомогательного оборудования и определения диаметров трубопроводов и арматуры;
определение исходных данных для дальнейших технико-экономических
расчетов.
Рисунок 5.3 - Принципиальная схема котельной: Т1=95℃; Т2=70℃; Т3=95℃; Т4=70℃.
В дипломной работе рассматривается следующая схема - теплоноситель из
котлов направляется непосредственно в тепловую сеть к потребителю с
температурой Т1 за счет действия сетевого насоса. Для восполнения утечек
теплоносителя в системе теплоснабжения организуется подпитка химочищенной водой
в трубопровод обратной магистрали за счет подпиточного насоса. В соответствии с
требованием производителей котельного оборудования к температуре воды на входе
в котел, устанавливается рециркуляционный насос, осуществляющий подмес горячей
воды после котла к поступающей воде.
5.4.2 Преобразование принципиальной схемы котельной в
тепловую
Для определения расчетных значений расхода теплоносителя в системе
котельной необходимо составить ее математическую модель с дальнейшим решением
входящих в нее уравнений.
Тепловая схема котельной представлена на рисунке 5.4.
Рисунок 5.4 - Тепловая схема котельной
5.4.3 Преобразование тепловой схемы в
расчетных граф
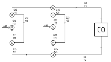
Под узловыми элементами расчетного графа, рисунок 5.5, понимаем все
энергетически значимые объекты, в которых происходит изменение тепловой
энергии, а также технические узлы разделения и соединения потоков
теплоносителя.
Рисунок 5.5 - Расчетный граф для системы отопления
5.4.4 Составление материального и
энергетического баланса графа
Для каждого узлового элемента расчетного графа рис.3.3 составляется
материальный и энергетический балансы в соответствии с законами сохранения
массы и энергии.
Уравнение материального баланса имеет вид (5.7) [9]:
, (5.7)
Уравнение энергетического баланса имеет вид (5.8) [9]:
;
(5.8)
где
,
- входящие и выходящие для данного узла материальные потоки
соответственно (расход теплоносителя), м3/ч;
,
- входящие и выходящие для данного узла энергетические
потоки соответственно (расход тепловой энергии), ккал/ч;
- плотность теплоносителя при заданных параметрах, кг/м3;
- энтальпия теплоносителя, ккал/кг.
При этом поток будет со знаком «плюс», если он является входящим, и
«минус», если он - выходящий; уравнения с постоянной температурой исключаем из
системы уравнений (СУ).
Получаем следующие выражения:
Узел котлоагрега №1
G12-G11=0
G12·75-G11·95=-1677
Узел 1
G11-G13-G14=0
G11·95-G13·95-G14·95=0 (исключаем из системы
уравнений)
Узел 2
G15+G13-G12=0
G15·70+G13·95-G12·75=0
Узел 3
G21-G23-G24=0
G21·95-G23·95-G24·95=0 (исключаем из системы уравнений)
Узел 4
G25+G23-G22=0
G25·70+G23·95-G22·75=0
Узел 5
G14+G24-G3=0
G14·95+G24·95-G3·95=0 (исключаем из системы
уравнений)
Узел 6
G4-G25-G15=0
G4·70-G25·70-G15·70=0 (исключаем из системы
уравнений)
Узел котлоагрегата 2
G22-G21=0
G22·75-G21·95=-1677
5.4.5 Решение системы уравнений методом обратной матрицы
Эквивалентной записью системы уравнений является матричная запись. Зная
энтальпию всех потоков в котельной и тепловую мощность котлов, формируем
матрицу А (матрица переменных) и В (матрица неизвестных). При этом уравнения
материального и энергетического балансов записываем в виде элементов матрицы, в
которой расход - это искомая переменная, а энтальпия - коэффициент при этой
переменной.
Представим данную математическую модель в виде матричной записи и путем
обратной матрицы находим расходы по выражению (5.9) [9]:
, (5.9)
Расчётный внутренний диаметр трубопровода котлового контура определяется
по выражению:
, мм, (5.10)
где G - расход теплоносителя,
;
ω -скорость движения воды в трубах,
. Принимается ω
=0,5
.
Таблица 5.5 - Матрица А
|
G11
|
G12
|
G13
|
G14
|
G15
|
G21
|
G22
|
G23
|
G24
|
G25
|
G3
|
G4
|
|
-1
|
1
|
0
|
0
|
0
|
0
|
0
|
0
|
0
|
0
|
0
|
0
|
|
-95
|
75
|
0
|
0
|
0
|
0
|
0
|
0
|
0
|
0
|
0
|
0
|
|
1
|
0
|
-1
|
-1
|
0
|
0
|
0
|
0
|
0
|
0
|
0
|
0
|
|
0
|
-1
|
1
|
0
|
1
|
0
|
0
|
0
|
0
|
0
|
0
|
0
|
|
0
|
-75
|
95
|
0
|
70
|
0
|
0
|
0
|
0
|
0
|
0
|
0
|
|
0
|
0
|
0
|
0
|
0
|
1
|
0
|
-1
|
-1
|
0
|
0
|
0
|
|
0
|
0
|
0
|
0
|
0
|
0
|
-1
|
1
|
0
|
1
|
0
|
0
|
|
0
|
0
|
0
|
0
|
0
|
0
|
-75
|
95
|
0
|
70
|
0
|
0
|
|
0
|
0
|
0
|
1
|
0
|
0
|
0
|
0
|
1
|
0
|
-1
|
0
|
|
0
|
0
|
0
|
0
|
-1
|
0
|
0
|
0
|
0
|
-1
|
0
|
1
|
|
0
|
0
|
0
|
0
|
0
|
-1
|
1
|
0
|
0
|
0
|
0
|
0
|
|
0
|
0
|
0
|
0
|
0
|
-95
|
75
|
0
|
0
|
0
|
0
|
0
|
Таблица 5.6 - Матрица В
|
Q
|
|
0
|
|
-1677
|
|
0
|
|
0
|
|
0
|
|
0
|
|
0
|
|
0
|
|
0
|
|
0
|
|
0
|
|
-1677
|
Таблица 5.7 - Обратная матрица А-1
|
3,75
|
-0,05
|
0
|
0
|
0
|
0
|
0
|
0
|
0
|
0
|
0
|
0
|
|
4,75
|
-0,05
|
0
|
0
|
0
|
0
|
0
|
0
|
0
|
0
|
0
|
0
|
|
0,95
|
-0,01
|
0
|
-2,8
|
0,04
|
0
|
0
|
0
|
0
|
0
|
0
|
0
|
|
2,8
|
-0,04
|
-1
|
2,8
|
-0,04
|
0
|
0
|
0
|
0
|
0
|
0
|
0
|
|
3,8
|
-0,04
|
0
|
3,8
|
-0,04
|
0
|
0
|
0
|
0
|
0
|
0
|
0
|
|
0
|
0
|
0
|
0
|
0
|
0
|
0
|
0
|
0
|
0
|
3,75
|
-0,05
|
0
|
0
|
0
|
0
|
0
|
0
|
0
|
0
|
0
|
4,75
|
-0,05
|
|
0
|
0
|
0
|
0
|
0
|
0
|
-2,8
|
0,04
|
0
|
0
|
0,95
|
-0,01
|
|
0
|
0
|
0
|
0
|
0
|
-1
|
2,8
|
-0,04
|
0
|
0
|
2,8
|
-0,04
|
|
0
|
0
|
0
|
0
|
0
|
0
|
3,8
|
-0,04
|
0
|
0
|
3,8
|
-0,04
|
|
2,8
|
-0,04
|
-1
|
2,8
|
-0,04
|
-1
|
2,8
|
-0,04
|
-1
|
0
|
2,8
|
-0,04
|
|
3,8
|
-0,04
|
0
|
3,8
|
-0,04
|
0
|
3,8
|
-0,04
|
0
|
1
|
3,8
|
-0,04
|
Таблица 5.8 - Результаты расчета расходов воды и диаметров трубопроводов
тепломеханической схемы котельной
|
Расход в контуре
|
Значение
|
Ед.изм
|
Расчетный внутренний диаметр трубы dвн
|
Ед.изм.
|
Маркировка трубы Dн х d
|
|
G11
|
83,85
|
м3/ч
|
160
|
мм
|
159х5
|
|
G12
|
83,85
|
м3/ч
|
160
|
мм
|
159х5
|
|
G13
|
16,77
|
м3/ч
|
80
|
мм
|
89х4
|
|
G14
|
67,08
|
м3/ч
|
125
|
мм
|
159х5
|
|
G15
|
67,08
|
м3/ч
|
125
|
мм
|
159х5
|
|
G21
|
83,85
|
м3/ч
|
244
|
мм
|
273х6
|
|
G22
|
83,85
|
м3/ч
|
244
|
мм
|
273х6
|
|
G23
|
16,77
|
м3/ч
|
80
|
мм
|
89х4
|
|
G24
|
67,08
|
м3/ч
|
125
|
мм
|
159х5
|
|
G25
|
67,08
|
м3/ч
|
125
|
мм
|
159х5
|
|
G3
|
134,16
|
м3/ч
|
308
|
мм
|
325х6
|
|
G4
|
134,16
|
м3/ч
|
308
|
мм
|
325х6
|
Подбор диаметров осуществлен по [12] dmax=325х6, dmin=89х4.
5.5 Подбор вспомогательного оборудования
.5.1 Подбор сетевого насоса
Сетевой насос предназначен для перекачивания воды в тепловых сетях. В
соответствии с [8], число сетевых насосов должно быть не менее двух, один из
которых является резервным. Место установки сетевого насоса определяется
рабочей температурой насоса.
Расход
теплоносителя в системе теплоснабжения, для двухтрубной схемы тепловых сетей,
определяется по уравнению (5.11):
(5.11)
где Qот - расчетная тепловая нагрузка на
нужды отопления, кВт/ч;
Qгв- расчетная тепловая нагрузка на
нужды горячего водоснабжения, кВт/ч;
с - коэффициент единиц измерения,
1,163 Вт/м3оС;
t1- расчетная температура воды в
подающем трубопроводе, оС;
t2 - расчетная температура воды в
обратном трубопроводе, оС.
В выпускной
квалификационной работе расход теплоносителя принимаем равным 132,75 м3/ч.
Это наибольший расход из расчета тепловой схемы котельной и расчета на режимы
теплопотребления.
Суммарные потери давления в системе теплоснабжения
, м, определяем по выражению (5.12)
[9]:
, (5.12)
где ΔНис - потери давления на источнике
теплоснабжения, кПа;
ΔНмаг - потери давления в магистральном трубопроводе до наиболее
удаленного (наиболее неблагоприятного) потребителя, кПа;
ΔНаб - потери давления у потребителя, кПа.
Потери
давления на источнике теплоснабжения для двухконтурной схемы котельной потери
давления равны сопротивлению в нагреваемой стороне теплообменного устройства.
Потери
давления у потребителей включают в себя следующие составляющие:
кПа (5.13)
кПа (5.14)
где ΔНарм- потери давления в арматуре и
оборудовании очистки, кПа; принимается 10 кПа;
ΔНрег - потери давления на регуляторах давления и температуры,
кПа; принимается 25 .. 35 кПа;
ΔНпгв - потери давления в подогревателях горячего водоснабжения в
зависимости от схемы присоединения к тепловым сетям, кПа; принимается 20 .. 40
кПа;
ΔНэл - требуемый напор для работы элеватора, кПа;
ΔНсо - потери давления в системе отопления, кПа; принимается 10
кПа.
Требуемый
напор насоса составляет суммарные потери давления в системе теплоснабжения с
учетом запаса 5%:
кПа (5.15)
Данные по
расчету и подбору сетевого насоса приведены в таблице 5.9.
Таблица 5.9- Сводные данные по расчету и подбору сетевого насоса
|
Наименование показателя
|
Значение
|
Единицы измерения
|
|
|
|
|
Исходные данные
|
|
Расход теплоносителя
|
132,75
|
м3/ч
|
|
Сопротивление магистрали
|
113,72
|
кПа
|
|
Сопротивление на источнике
|
3,5
|
кПа
|
|
Сопротивление абонента системы отопления
|
89
|
кПа
|
|
Суммарные потери давления в контуре
|
319,94
|
кПа
|
|
Напор на всасывающем патрубке насоса
|
100,0
|
кПа
|
|
Требуемый напор для насоса
|
335,94
|
кПа
|
|
Запас по напору
|
5,00
|
%
|
|
Напор насоса
|
33,73
|
м
|
|
Технические характеристики
|
|
Марка насосной установки
|
АНУ 3 CR
64-2-1
|
|
Производительность насоса
|
170
|
м3/ч
|
|
Напор
|
37,2
|
м
|
|
КПД
|
77,5
|
%
|
|
Количество (с резервными)
|
3
|
шт.
|
|
Частота вращения
|
2900
|
об/мин
|
|
Мощность электропривода
|
11
|
кВт
|
5.5.2 Подбор подпиточного насоса
Для обеспечения надежной работы тепловых сетей и местных систем
необходимо ограничить возможные колебания давления и расхода с тепловой сети
допустимыми пределами. Поддержание постоянного давления и восполнения утечки
теплоносителя осуществляется подпиточными насосами в обратный трубопровод через
автоматизированное подпиточное устройство.
Расчетный объем воды в системе теплоснабжения
, м3, определяется по
выражению (5.16):
, (5.16)
где
- объем воды на источнике теплоснабжения, объем заполения
3-х котлов, 6,69 м3;
- объем воды на заполнение магистрали системы теплоснабжения
согласно определяется в зависимости от типа установленных отопительных приборов
, 19,5 м3/Гкал; 106,47 м3;
- объем воды в системе отопления потребителя, принимается по
заданию, для независимой схемы теплоснабжения не учитывается, 0 м3.
Объем часовой утечки
, м3, рассчитывается по следующему выражению
(5.17) [9]:
, (5.17)
Статический
напор
, м, и требуемый напор
, м,
подпиточного насоса определяется по выражению (5.18, 5.19):
, (5.18)
, (5.19)
где
- высота наиболее высокого здания, 15 м;
-
допустимое значение рабочего давления в местных системах отопления, кПа;
- потери
давления в системе химводоподготовки, принимаем 150 кПа.
Подпиточный
насос предназначен для восполнения утечек теплоносителя из циркуляционных
контуров котельной. Расчет и подбор оборудования сведен в таблицу 5.10.
Таблица 5.10- Сводные данные по расчету и подбору подпиточного насоса
|
№п/п
|
Наименование
|
Кол-во
|
Ед.изм.
|
|
1
|
2
|
3
|
4
|
|
Исходные данные
|
|
1.1.
|
Объем воды в трубопроводе (по заданию)
|
356,65
|
м3
|
|
1.2.
|
Объем воды на заполнение сети теплоснабжения
|
106,47
|
м3
|
|
1.3.
|
Объем воды на источнике (3 котла по 2230 л)
|
6,69
|
м3
|
|
1.4.
|
Объем воды в системе теплоснабжения
|
469,81
|
м3
|
|
1.5.
|
Величина утечки теплоносителя
|
35,23
|
м3/ч
|
|
1.6.
|
Высота наиболее высокого здания
|
15
|
м
|
|
1.7.
|
Статический напор в СО и В
|
133
|
кПа
|
|
1.8.
|
Сопротивление в подпиточной линии
|
50
|
кПа
|
|
1.9.
|
Требуемый напор для насоса
|
183
|
кПа
|
|
1.10.
|
Запас по напору
|
5
|
%
|
|
1.11.
|
Напор насоса
|
20
|
м
|
|
Технические характеристики (Д)
|
|
2.1.
|
Марка насоса
|
АЦМС 4046-1
|
|
2.2.
|
Производительность
|
39,5
|
м3/ч
|
|
2.3.
|
Напор
|
20,1
|
м
|
|
2.4.
|
Количество
|
3
|
шт
|
|
2.5.
|
Частота
|
2900
|
об/мин
|
|
2.6.
|
Мощность электропривода
|
4
|
кВт
|
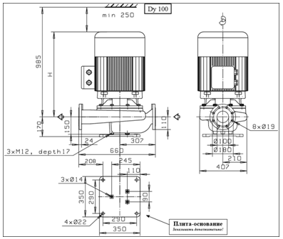
5.5.3
Циркуляционные насосы
Циркуляционные
насосы котлового контура устанавливаются только для двухконтурной схемы
котельной и предназначены для организации циркуляции теплоносителя в замкнутом
контуре, связывающем котлы и теплообменник [13]. Насос подбирается по расходу и
гидродинамическому сопротивлению котлового контура.
Сопротивление
циркуляционного контура определяется по формуле:
(5.20)
где
- потери давления в котлах, кПа;
- потери
давления в теплообменнике, кПа.
Расчет
и подбор оборудования представлен в таблице 5.11.
Таблица 5.11 - Сводные данные по расчету и подбору циркуляционного насоса
котлового контура
|
Наименование показателя
|
Значение
|
Единицы измерения
|
|
|
|
|
1
|
2
|
3
|
|
Исходные данные
|
|
Расход теплоносителя
|
134,16
|
м3/ч
|
|
Сопротивление в водяном контуре котла
|
3,5
|
кПа
|
|
Суммарные потери давления в контуре
|
183
|
кПа
|
|
Запас по напору
|
5,00
|
%
|
|
Напор насоса
|
20
|
м
|
|
Технические характеристики
|
|
Марка насоса
|
АЦМЛ-100S/300-11,0/4
|
|
Производительность насоса
|
101
|
м3/ч
|
|
Напор
|
24,9
|
м
|
|
КПД
|
69,2
|
%
|
|
Количество (с резервными)
|
3
|
шт.
|
|
Частота вращения
|
1500
|
об/мин
|
|
Мощность электропривода
|
кВт
|
5.5.4 Подбор рециркуляционного насоса
Рециркуляционный насос устанавливается в котельной с водогрейным котлом
для частичной подачи горячей сетевой воды в трубопровод, подающий воду к
водогрейному котлу. Схема подключения рециркуляционного контура котла приведена
на рисунке 5.6.
Рисунок 5.6 - Схема подключения рециркуляционного насоса контура
Производительность рециркуляционного насоса определяется из уравнения
баланса смешивающихся потоков сетевой воды в обратной линии и горячей воды на
выходе из водогрейного котла (G13 , G23 ). Кроме того, насос должен создавать напор, способный
преодолеть гидравлическое сопротивление водогрейного котла. Резервные
рециркуляционные насосы не предусматриваются.
Результаты подбора рециркуляционных насосов приведены в таблице 5.12.
Таблица 5.12 - Сводные данные по характеристике рециркуляционного насоса
|
Наименование показателя
|
Значение
|
Единицы измерения
|
|
|
|
|
Исходные данные
|
|
Расход теплоносителя
|
16,77
|
м3/ч
|
|
Сопротивление в водяном контуре котла
|
2,2
|
кПа
|
|
Запас по напору
|
10,00
|
%
|
|
Напор насоса
|
2,42
|
м
|
|
Технические характеристики
|
|
Марка насоса
|
UPS 80-60 F - 96402391
|
|
Производительность насоса
|
33
|
м3/ч
|
|
Напор
|
6
|
м
|
|
КПД
|
48,5
|
%
|
|
Количество (с резервными)
|
3
|
шт.
|
|
Частота вращения
|
2800
|
об/мин
|
|
Мощность электропривода
|
0,57
|
кВт
|
5.6 Система удаления дымовых газов
Дымовые трубы предназначены для отвода дымовых газов от тепловых
установок в атмосферу. Дымовые трубы необходимо конструировать и строить таким
образом, чтобы гарантировать максимально безвредный отвод дымовых газов в
атмосферу во всех режимах работы и исключить образование опасного избыточного
давления в топках.
Режимы работы котлоагрегатов:
максимально-зимний режим (режим, соответствующий расчетной температуре
наружного воздуха для проектирования отопления tнв=-32℃);
среднеотопительный режим (режим, соответствующий средней температуре
наружного воздуха за отопительный период tн.ср=-4,1℃).
В систему удаления дымовых газов входят следующие элементы:
газоход;
дымовая труба;
крепежная система;
арматура и гарнитура дымоходов .
Дымоход - отвод из топки котла продуктов сгорания и обеспечение, за счет
создаваемого разрежения, поступление в котельной воздуха для горения. Это
происходит благодаря возникающей в дымоходе тяге, значение которой определяется
высотой и диаметром дымохода.
Тяга - это разрежение воздуха в участка канала (в трубе), под действием
которого создается направленный дымовой поток. При естественной тяге движущая
сила возникает из-за разности в плотности отходящих газов и наружного воздуха.
Тяга имеет большую сезонную зависимость. Летом ее значение самое низкое,
поскольку разница между температурами дымовых газов и атмосферного воздуха
ниже, чем зимой.
5.6.1 Расчет высоты дымовой трубы
Высота устья дымовых труб для строенных, пристроенных и крышных котельных
должна быть выше границы ветрового подпора, но не менее 0,5 м выше крыши, а
также не менее 2 м над кровлей более высокой части здания или самого высокого
здания в радиусе 10 м.
Высота трубы выбирается по условиям отвода газов для рассеивания
содержащихся в них уходящих газов, летучей золя и прочих вредных веществ.
Расчет минимальной высоты дымовой трубы ведется одновременно по следующим
параметрам:
) высота дымовой трубы, при которой обеспечивается значение максимальной
приземной концентрации вредного вещества, равное предельно допустимой
концентрации (ПДК);
) высота дымовой трубы, при которой обеспечивается самотяга в газовом
тракте без учета тяго-дутьевых устройств;
) высота дымовой трубы, при которой обеспечивается выполнение требований
СП 42-101-2003 для дымовой трубы;
) минимальная высота дымовой трубы не должна быть менее 5 метров.
Расчет ведется для двух периодов работы котельной: максимально зимнего и
среднеотопительного.
Действительное количество воздуха необходимого для сжигания топлива
, м3/м3,
определяется по выражению (5.21):

(5.21)
где
- коэффициент избытка воздуха;
-
теоретически необходимое количество воздуха, м3/м3,
определяемое по выражению (5.22):
(5.22)
Действительный объем дымовых газов, необходимого для сжигания
газообразного топлива
, м3/м3, определяется по выражению
(5.23):
(5.23)
где
- объем трехатомных газов, м3/м3;
- объем водяных паров, м3/м3;
- объем паров азота, м3/м3.
Объем трехатомных газов
, м3/м3, определяется по выражению
(5.24):
(5.24)
Объем
паров азота VN2 , м3/м3,
определяется по выражению (5.25):
(5.25)
Суммарный
расход топлива
, м3/ч, определяется по выражению (5.26):
(5.26)
где
- тепловая нагрузка на котел, Мкал/ч;
- низшая
теплота сгорания топлива, Мкал/м3;
- КПД
котлоагрегата, %.
Действительный
расход воздуха
, м3/ч, определяется по выражению (5.27):
(5.27)
Действительный
объем продуктов сгорания
, м3/ч, определяется по выражению (5.28):
(5.28)
где
- температура продуктов сгорания (дымовых газов), 185
℃.
Минимальный
диаметр газохода
, мм, определяется по выражению (5.29):
(5.29)
где
- скорость выхода дымовых газов из устья дымовой
трубы; принимается от 10 до 15 м/с.
Фактическая
скорость в газоходе после подбора типоразмера газохода
, м/с, вычисляется по следующему выражению (5.30):
(5.30)
5.6.2 Расчет высоты дымовой трубы по
ПДК
Одним из определяющих параметров дымовой трубы является условие
рассеивания дымовых газов до допустимой концентрации. Расчет ведется для
выбросов оксида углерода.
Расчет выбросов оксидов углерода
, г/с, выполняется по выражению
(5.31):
(5.31)
где
- удельный выброс оксидов углерода при сжигании
топлива на 1 МДж теплоты; принимаем 0,05 г/МДж.
Минимальная
высота дымовой трубы
, м, рассчитывается по выражению (5.32):
(5.32)
где
- количество выбросов i-го
загрязняющего вещества из дымовой трубы, г/с;
-предельно-допустимая
максимальная разовая концентрация i-го вредного загрязняющего
вещества в приземном воздухе, мг/м3[9];
для
оксида углерода 5 мг/м3;
-
фоновые концентрации i-го загрязняющего вещества в районе расположения
котельной, мг/м3[9];
для
оксида углерода 3 мг/м3;
-
коэффициент распределения температуры воздуха, зависящий от метеорологических
условий местности и определяющий условия вертикального и горизонтального
рассеивания вредных загрязняющих веществ в атмосферном воздухе; для г.Череповец
принимаем A=140[9];
F - коэффициент
скорости оседания вредных веществ в атмосферном воздухе, для газообразных
выбросов - 1;
-
количество дымовых труб, 3 шт.;
-
разность температур уходящих газов
и
температуры окружающего атмосферного воздуха
- для
максимального зимнего режима,
- для
среднеотопительного режима.
5.6.3 Расчет высоты дымовой трубы по
самотяге
Температура продуктов сгорания на выходе из устья дымохода определяется с
учетом охлаждения по длине трубы.
Охлаждение газов в трубе на 1 метр ее высоты
определяется по выражению (5.33):
(5.33)
где
- тепловая нагрузка на котел;
B - коэффициент
дымовой трубы, для изолированной металлической трубы - 0,34.
Температура
дымовых газов на выходе из трубы
, ℃, определяется по выражению (5.34):
(5.34)
где
- температура дымовых газов на входе в трубу равна
.
Средняя
рабочая температура дымовых газов
, ℃, определяется по выражению (5.35):
(5.35)
Плотность
дымовых газов
, кг/м3, и воздуха
, кг/м3,
при рабочих условиях определяется по выражению (5.36, 5.37):
(5.36)
(5.37)
где
,
-
соответственно плотность продуктов сгорания и воздуха при нормальных условиях;
принимаем для природного газа - 1,37кг/м3, для воздуха - 1,293 кг/м3;
-
температура окружающей среды, для наихудших условий работы оборудования -
летнего времени +22,3 ℃ [1]..
5.6.4
Потери давления в газоходе
Суммарные
потери давления в системе удаления дымовых газов
, кПа,
определяется по выражению (5.38):
(5.38)
где
- коэффициент сопротивления трения, для стальных труб
- 0,02;
-
коэффициент местного сопротивления элемента газохода - 0,4[9];
L - длина
рассматриваемого газохода, м;
d - фактический
диаметр газохода, 0,4 м;
-
фактическая скорость в газоходе, м/c.
На
рисунке 5.7 представлена принципиальная схема и элементы газохода.
Рисунок 5.7- Принципиальная схема и элементы газохода
Элементы газохода подбираем по каталогу дымовых труб DW-ALKON [14] для Ду400 мм с учетом необходимых расстояний от
оборудования до внутренней поверхности стены - 1 м, и от наружной поверхности
стены до дымовой трубы, с учетом возможности и удобства монтажа поддерживающих
конструкций дымовой трубы - 1
1,5 м.
Рисунок 5.8- Переход от котла к газоходу Ду400
.
Рисунок 5.9- Обжимной хомут Ду400
Рисунок 5.10- Прямой элемент Ду400.
Рисунок 5.11- Проход через стену двойной Ду400.
Рисунок 5.12- Фартук настенный Ду400 - 3шт.
Рисунок 5.13- Тройник Ду400
(на ответвление) - 3 шт.
5.6.5 Потери давления в дымовой трубе
Суммарные потери давления в системе удаления дымовых газов определяется
по выражению (5.39):
кПа
(5.39):
где
- коэффициент сопротивления трения, для стальных труб
- 0,02;
- коэффициент местного сопротивления элемента газохода, 0;
L -
длина рассматриваемого газохода, м;
d -
фактический диаметр газохода, 0,4 м;
- фактическая скорость в газоходе, м/c.
5.6.6 Определение требуемой высоты
трубы
Величина самотяги СУДГ
кПа, определяется по выражению (5.40):
(5.40)
где
- высота дымовой трубы по ПДК, м;
-ускорение
свободного падения, 9,81 м/с2;
,2
- 20% запас для обеспечения нормальной тяги системы удаления дымовых газов.
Проверка
тяги
, МПа;
производится по выражениям (5.41):
(5.41)
где
- величина дефицита тяги, кПа;
-
разрежение на выходе из топки, необходимое для предотвращения выбивания газов,
0,05 кПа;
-
аэродинамическое сопротивление котла, кПа;
- сумма
потерь давления в системе удаления дымовых газов для горизонтального и
вертикального участка, кПа.
В
случае если принятое к расчету значение высоты дымовой трубы по результатам
расчета ПДК не удовлетворяет вышеуказанному условию, то необходим пересчет
высоты дымовой трубы на самотягу, принимая значение величины дефицита тяги Δhreq по модулю.
Высота
дымовой трубы для обеспечения необходимой тяги
, м,
определяется по выражению (5.42):
(5.42)
Требуемая
высота трубы определяется путем сравнения значений по ПДК и самотяге, при этом
принимается максимальное значение. Далее определяется высота дымовой трубы
как максимальная для двух режимов работы котла.
В
завершении расчетов высоты дымовой трубы полученное значение сравнивается с
архитектурно-строительными требованиями.
Высота
устья дымовой трубы должна быть не менее чем на 2 м выше поверхности плоской
кровли, а также над кровлей более высокой части здания или самого высокого
близлежащего здания в радиусе 10 м.
Принимаем
к проектированию высоту дымовой трубы для условий максимального зимнего режима
работы котла - 15 м.
Расчет
сводится в талицу 5.13.
Элементы
дымовой трубы принимаем по каталогу элементов дымовых труб DW-ALKON
[14].
Рисунок 5.14- Опорная часть для монтажа с отводом конденсата Ду400.
Рисунок 5.15- Элемент с люком для прочистки Ду400.
Рисунок 5.16- Отвод конденсата для Ду400
Рисунок 5.17- Емкость для нейтрализации для Ду400.
.
Рисунок 5.18- Тройник Ду400 - учтен в конструкции газохода
Рисунок 5.19- Прямой элемент Ду400
Рисунок 5.20- Выходная горловина Ду400 - 3 шт.
Рисунок 5.21- Обжимной хомут Ду400.
Таблица 5.13-Расчет дымовой трубы для котла мощностью 1950 кВт
|
№ п/п
|
Параметр
|
Режим
|
Ед.изм.
|
|
|
Максимал.-зимний
|
Среднеот.
|
|
|
Расчет высоты дымовой трубы
|
|
1
|
Исходные данные
|
|
1.1
|
Тепловая нагрузка на котел
|
2798,06
|
1022,39
|
Мкал/ч
|
|
1.2
|
КПД котлагрегата
|
94
|
%
|
|
1.3
|
Аэродинамическое сопротивление котла
|
0,85
|
кПа
|
|
1.4
|
Требуемое разрежение на выходе из котла
|
0,05
|
кПа
|
|
1.5
|
Температура дымовых газов
|
185
|
°C
|
|
1.6
|
Температура наружного воздуха
|
-32
|
-4,1
|
°C
|
|
1.7
|
Температура воздуха в помещении
|
20
|
20
|
°C
|
|
1.8
|
Состав топлива:
|
|
Метан СН4
|
74,8
|
%
|
|
Этан C2H6
|
8,8
|
%
|
|
Пропан C3H8
|
3,9
|
%
|
|
Бутан C4H10
|
1,8
|
%
|
|
Пентан C5H12
|
6,4
|
%
|
|
Азот N2
|
4,3
|
%
|
|
1.10
|
Скорость газов в газоходе
|
11
|
м/с
|
|
1.11
|
Скорость газов в дымовой трубе
|
11
|
м/с
|
|
1.12
|
Плотность воздуха при н.у.
|
1,293
|
кг/м3
|
|
1.13
|
Плотность дымовых газов при н.у.
|
1,26
|
кг/м3
|
|
1.14
|
Потери теплоты с химнедожегом
|
0,5
|
%
|
|
1.15
|
Потери теплоты с физнедожегом
|
0
|
%
|
|
2
|
Расчетные данные
|
|
2.1
|
Определение диаметра газоходов
|
|
2.1.1
|
Теоретически необходимое кол-во воздуха
|
12,51
|
м3/м3
|
|
2.1.2
|
Действительное кол-во воздуха
|
13,76
|
м3/м3
|
|
2.1.3
|
Действительный объем дымовых газов
|
13,53
|
м3/м3
|
|
2.1.4
|
Теплота сгорания газа
|
47,65
|
МДж/м3
|
|
2.1.5
|
Плотность природного газа
|
0,72
|
кг/м3
|
|
2.1.6
|
Суммарный расход топлива
|
262,91
|
96,07
|
м3/ч
|
|
2.1.7
|
Суммарный расход топлива
|
0,073
|
0,027
|
м3/с
|
|
2.1.8
|
Действительный расход воздуха
|
3617,72
|
1321,88
|
м3/ч
|
|
2.1.9
|
Действительный объём продуктов сгорания
|
5966,49
|
2180,1
|
м3/ч
|
|
2.1.10
|
Минимальный диаметр газохода
|
438,1
|
264,82
|
мм
|
|
2.1.11
|
Фактический диаметр газохода (по типоразмерам
производителя)
|
400
|
мм
|
|
2.1.12
|
Фактическая скорость в газоходе
|
9,2
|
4,82
|
м/с
|
|
2.2
|
Расчет высоты дымовой трубы по ПДК
|
|
2.2.1
|
Коэффициент конструкции горелок
|
2,0
|
-
|
|
2.2.2
|
Коэффициент влияния температуры воздуха
|
0,98
|
-
|
Коэффициент влияния избытка воздуха
|
1,0
|
-
|
|
2.2.4
|
Удельный выброс оксидов азота
|
0,04
|
0,03
|
г/Мкал
|
|
2.2.5
|
Расчет выбросов оксидов азота
|
0,369
|
0,135
|
г/с
|
|
2.2.6
|
Коэффициент доли потерь с химнедожегом топлива
|
0, 5
|
г/Мкал
|
|
2.2.7
|
Расчет выбросов монооксида углерода
|
0,346
|
0,127
|
г/с
|
|
2.2.8
|
Коэффициент распределения температуры воздуха
|
140
|
-
|
|
2.2.9
|
Коэффициент скорости оседания вредных веществ в атмосферном
воздухе
|
1
|
-
|
|
2.2.10
|
Минимальная высота дымовой трубы по оксиду азота
|
11,05
|
8,08
|
м
|
|
2.2.11
|
Минимальная высота дымовой трубы по монооксиду углерода
|
1,93
|
1,38
|
м
|
|
2.2.12
|
Высота дымовой трубы по ПДК
|
11
|
м
|
|
2.3
|
Расчет самотяги дымовой трубы
|
|
2.3.1
|
Коэффициент дымовой трубы
|
0,34
|
-
|
|
2.3.2
|
Температура дымовых газов на выходе из дымовой трубы
|
182,99
|
185
|
°C
|
|
2.3.3
|
Средняя рабочая температура дымовых газов
|
184
|
185
|
°C
|
|
2.3.4
|
Плотность дымовых газов при рабочих условиях
|
0,753
|
0,751
|
кг/м3
|
|
2.3.5
|
Плотность воздуха при рабочих условиях
|
1,46
|
1,31
|
кг/м3
|
|
2.4
|
Потери давления в газоходе
|
|
2.4.1
|
Длина газохода
|
4,5
|
м
|
|
2.4.2
|
КМС газохода
|
1,5
|
-
|
|
2.4.3
|
Коэффициент сопротивления трения
|
0,02
|
-
|
|
2.4.4
|
Потери давления на трении
|
0,113
|
0,015
|
кПа
|
|
2.4.5
|
Потери давления в местных сопротивлениях
|
0,019
|
0,004
|
кПа
|
|
2.4.6
|
Суммарные потери давления в газоходе
|
0,035
|
0,007
|
кПа
|
|
2.5
|
Потери давления в дымовой трубе
|
|
2.5.1
|
КМС дымовой трубы
|
1,5
|
-
|
|
2.5.2
|
Коэффициент сопротивления трения
|
0,02
|
-
|
|
2.5.3
|
Потери давления на трении
|
0,134
|
0,018
|
кПа
|
|
2.5.5
|
Суммарные потери давления в трубе
|
0,113
|
0,018
|
кПа
|
|
2.6
|
Определение требуемой высоты трубы
|
|
2.6.1
|
Величина самотяги СУДГ
|
0,069
|
0,05
|
кПа
|
|
2.6.2
|
Проверка тяги
|
-1,078
|
-0,878
|
кПа
|
|
2.6.3
|
Высота дымовой трубы по самотяге
|
11,65
|
15
|
м
|
|
2.6.4
|
Высота дымовой трубы требуемая (по ПДК и самотяге)
|
15
|
м
|
|
2.6.5
|
Высота дымовой трубы фактическая (по каталогу элементов)
|
15
|
м
|
|
|
|
|
|
|
Выбираем наибольшую высоту дымовых труб. Устанавливаем 3 дымовые трубы
одинаковой высоты 15 м.
6. ОРГАНИЗАЦОННО-ЭКОНОМИЧЕСКАЯ ЧАСТЬ
.1 Расчет тарифа на тепловую энергию
Расчет тарифа на тепловую энергию производится по зависимости (6.1):
|
Т
= , руб/Гкал,(6.1)
|
|
где З - общие затраты при производстве тепловой энергии, руб.;
Q - полезная (реализованная) тепловая энергия, Гкал.
Общие затраты при производстве тепловой энергии складываются из затрат на
топливо, электрическую энергию, воду, материалы для химводоподготовки, на
оплату труда персонала котельной, на отчисления с фонда оплаты труда, расходы
на содержание и эксплуатацию, амортизационные отчисления и прочие статьи
затрат.
Расчет затрат на газовое топливо производится по зависимости (6.2):
|
Зт = , руб,(6.2)
|
|
где Qо - общая выработка тепловой энергии,
Гкал/год;
Qнр - низшая рабочая теплота сгорания топлива, Гкал/м3;
η - коэффициент полезного действия
тепловой установки.
Расчет затрат на ресурсы (электроэнергию и воду) производится по формуле
(6.3):
где Vр - объем ресурсов, затраченных на
производство тепловой энергии, (кВт · · ч)/год и м3/год
соответственно;
Т
- тариф на соответствующий вид ресурса, руб/(кВт · ч) и руб/м3.
Расчет затрат на оплату труда персонала производится по формуле (6.4):
|
Зот = N · A · k, руб,
|
(6.4)
|
где N - численность персонала котельной, чел.;
А
- среднемесячная заработная плата персонала котельной, руб./месяц;
k - количество месяцев, на которое утверждается тариф.
К отчислениям с фонда оплаты труда относятся отчисления в пенсионный
фонд, фонд социального страхования, фонд обязательного медицинского
страхования. Суммарная процентная ставка в 2016 году составляет 30%.
Кроме того, в расчете тарифа учитываются амортизационные отчисления и
рентабельность. В Вологодской области предельный уровень рентабельности - 15%.
Исходные данные и расчет тарифа приведены в таблицах 6.1 и 6.2
соответственно.
Таблица 6.1 - Исходные данные для расчета тарифа на тепловую энергию
|
Параметр
|
Значение
|
Единицы измерения
|
|
|
|
|
1
|
2
|
3
|
|
Общая выработка тепловой энергии
|
13318
|
Гкал
|
|
Численность персонала
|
1
|
чел
|
|
Средняя заработная плата
|
25000
|
руб/мес
|
|
Расход газа
|
1 244 014,85
|
м3
|
|
Теплота сгорания газа
|
11389
|
ккал/м3
|
|
КПД котлоагрегатов
|
94
|
%
|
|
Объем потребленной электроэнергии
|
283 680
|
кВт·ч
|
|
Объем потребленной воды
|
1182
|
м3
|
|
Тариф на природный газ
|
4,38
|
руб/м3
|
|
Тариф при использовании угля
|
|
руб/Гкал
|
|
Тариф на электроэнергию
|
4,8
|
руб/кВт·ч
|
|
Тариф на воду
|
39,1
|
руб/м3
|
|
Удельный расход топлива
|
138,4
|
м3/Гкал
|
|
Удельный расход электроэнергии
|
21
|
кВт·ч/Гкал
|
|
Удельный расход воды
|
0,09
|
м3/Гкал
|
|
Срок амортизации оборудования
|
20
|
лет
|
|
Капитальные затраты, в т.ч.:
|
23 500 120,00
|
руб
|
|
- котельная
|
23 500 120,00
|
руб
|
|
- реконструкция тепловой сети
|
0,00
|
руб
|
Таблица 6.2 - Расчет тарифа на тепловую энергию
|
Параметр
|
Значение
|
Единицы измерения
|
|
|
|
|
1
|
2
|
3
|
|
Общая выработка тепловой энергии
|
13318
|
Гкал
|
|
Затраты на собственные нужды
|
230
|
Гкал
|
|
То же в процентах
|
1,7
|
%
|
|
Транспортные потери теплоты
|
1183
|
Гкал
|
|
То же в процентах
|
8,8
|
%
|
|
Отпуск тепловой энергии потребителям
|
11905
|
Гкал
|
|
Расходы на выработку и транспортировку тепловой энергии
|
|
Затраты на топливо
|
5 448 785,04
|
руб
|
|
Затраты на электроэнергию
|
1 370 174,00
|
руб
|
|
Затраты на воду
|
46 216,00
|
руб
|
|
Затраты на водоподготовку
|
99 000,00
|
руб
|
|
Затраты на оплату труда
|
300 000,00
|
руб
|
|
Отчисления с фонда оплаты труда
|
102 000,00
|
руб
|
|
То же в процентах
|
34
|
%
|
|
Расходы на содержание и эксплуатацию
|
|
Общецеховые расходы
|
-
|
руб
|
|
Общехозяйственные расходы
|
712 000
|
руб
|
|
Текущий ремонт
|
-
|
руб
|
|
Капитальный ремонт
|
-
|
руб
|
|
Амортизационные отчисления на котельную
|
1 715 006,00
|
руб
|
|
Амортизационные отчисления на тепловые сети
|
0,00
|
руб
|
|
Прочие расходы
|
-
|
руб
|
|
Итого расходов
|
9 253 181,64
|
руб
|
|
|
|
|
Себестоимость 1 Гкал
|
777,25
|
руб
|
|
Рентабельность
|
740 254,53
|
руб
|
|
То же в процентах
|
8
|
%
|
|
Всего с прибылью
|
9 993 436,17
|
руб
|
|
Тариф (без НДС)
|
839,43
|
руб/Гкал
|
|
Тариф с НДС
|
990,53
|
руб/Гкал
|
6.2 Расчет и оценка экономического эффекта
Удельную годовую экономическую эффективность можно определить по формуле
(6.5):
|
Э = Qг · (Т1 - Т2), руб/год,
|
(6.5)
|
где Qг - годовая реализация тепловой
энергии, Гкал/год;
Т1 - существующий тариф на отпуск тепловой энергии, руб/Гкал;
Т2 - тариф на тепловую энергию при использовании газообразного
топлива, руб./Гкал.
Срок окупаемости определяется по формуле (6.6):
|
ε = , год,(6.6)
|
|
где К - капитальные затраты на проект, руб;
Э - экономическая эффективность проекта, руб/год.
Удельная годовая экономическая эффективность составит:
|
Э = 11905,0· (1122 - 839,43) = 3 363 973,83 руб/год
|
Срок окупаемости будет равен:
|
ε = = 7 лет
|
При сравнении тарифа, полученного по итогам расчета, с существующим в
настоящее время, можно сделать вывод, что в результате строительства новой
газовой автоматизированной котельной и оснащения ее новым оборудованием
стоимость 1 Гкал снизится. Экономическая эффективность проекта составит 3 363
973,83 руб/год при капитальных затратах в размере 23 500 120,00 руб. Срок окупаемости
котельной составит 7 лет.
7. БЕЗОПАСНОСТЬ ЖИЗНЕДЕЯТЕЛЬНОСТИ ПРИ РАБОТЕ С КОТЕЛЬНЫМИ
УСТАНОВКАМИ
В результате техногенной деятельности человека существенно из-менилась
биосфера, условия обитания человека. Глобальный характер воз-никшей экологической
опасности требует от человечества колоссальных усилий для налаживания разумного
взаимодействия с природой для сохранения жизни на Земле. Только путем осознания
существующей экологической ситуации человечество сможет успешно
эволюционировать.
Особую остроту проблема безопасности имеет в Российской Федерации. В
условиях, несоответствующих требованиям норм законодательства по запыленности,
загазованности, шуму, вибрации, другим производственным факторам, работают
миллионы людей. Развитие производства поставило ряд регионов на грань
экологической катастрофы.
Согласно трудовому кодексу (ст. 211) требования охраны труда обязательны
для исполнения юридическими и физическими лицами при проектировании,
строительстве (реконструкции), монтаже и эксплуатации объектов, конструировании
машин, механизмов и другого оборудования, разработке технологических процессов,
организации производства и труда. Устанавливаются правила, процедуры и
критерии, направленные на сохранение жизни и здоровья работников в процессе
трудовой деятельности. В ст. 212 перечислены обязанности по обеспечению
безопасных условий и охраны труда в организации, которые возложены на
работодателя.
Несоблюдение работодателями требований охраны труда способствует
ухудшению условий труда, повышению уровня производственного травматизма и
профессиональных заболеваний, что ухудшает демографическую ситуацию в
Российской Федерации и приводит к серьезным экономическим потерям.
7.1 Техника безопасности при эксплуатации установок
Соблюдение правил техники безопасности является необходимым условием
безопасной работы при эксплуатации установок. Нарушение правил техники
безопасности может привести к несчастным случаям.
Обслуживающий персонал допускается к выполнению работ только после
прохождения:
· вводного общего инструктажа по технике безопасности;
· инструктирования на рабочем месте безопасным методам труда.
Вводный инструктаж производится со всеми вновь принятыми на работу. При
инструктаже знакомят с обязанностями на данном рабочем месте, по данной
специальности. Прохождение инструктажа отмечают в журнале по технике
безопасности.
При выполнении ремонтных работ должны применяться переносные светильники
с напряжением не выше 42 В.
Все нетоковедущие части электрооборудования, которые могут оказаться под
напряжением в результате нарушения изоляции, должны быть заземлены (занулены).
Защитное заземление (зануление) выполняется согласно ПУЭ.
Все работы производить только исправным инструментом, запрещается
использование гаечных ключей с удлинёнными рукоятками, рукоятки инструментов
должны быть выполнены из изоляционного материала.
На случай пожара должны быть намечены пути эвакуации людей из защищаемых
помещений. Пути эвакуации должны быть постоянно свободными.
7.2 Безопасность труда человека в производственных условиях
Полная безопасность труда человека в производственных условиях
определяется тремя факторами: безопасностью производственного оборудования,
безопасностью производственного и трудового процесса. Эти три составляющие
связаны между собой. Предел уровня общей безопасности труда человека равен
единице. Основным оборудованием котельного цеха являются: котлы, насосы,
вентиляторы, деаэратор. Также в котельном цехе имеются различные газопроводы,
водопроводы, паропроводы. Для безопасного обслуживания оборудования в котельной
предусмотрены следующие мероприятия[15]:
тепловыделяющее оборудование и трубопроводы теплоизолированы для
поддержания температуры на наружной поверхности изоляции не более 40;
вращающиеся части оборудования ограждены;
для удобного и безопасного обслуживания оборудования и арматуры
выполнены стационарные площадки и лестницы;
технологическое оборудование заземлено;
все проходы выполнены в соответствии с требованием правил
Госгортехнадзора;
предусмотрены общее и местное освещение для обслуживания
оборудования;
установлены холодильники отборов проб пара и воды.
Котлоагрегаты и вспомогательное оборудование оснащены необходимыми
средствами защиты, отключающими котлы при аварийных ситуациях и осуществляющими
звуковую сигнализацию отклонения технологических параметров от норм.
В результате расширения котельной увеличивается ее тепловая мощность и
ликвидируется возможный дефицит тепла в течении отопительного сезона т.е.
возрастает надежность теплоснабжения.
Важнейшим фактором в системе обеспечения полной безопасно-сти является
безопасность производственного процесса выработки горячей воды. Безопасность
этого процесса обеспечивается применением механизации, автоматизации и
дистанционного управления; систем контроля ,обеспечивающих защиту работающих и
аварийное отключение оборудования. Безопасность технологической схемы
обеспечивается квалифицированным персоналом, а также соблюдением правил
эксплуатации оборудования и техники безопасности.
Для обеспечения охраны труда персонала котельной предусмотрены:
грузоподъемные механизмы над оборудованием и задвижками
большого диаметра для проведения ремонтных работ;
оптимальные скорости транспортируемых сред в трубопроводах,
газоходах и воздуховодах, виброоснования вентиляторов котлов для уменьшения
шума в котельном зале;
аварийное освещение, кроме основного.
Таким образом, предусмотрены все необходимые средства и меро-приятия,
обеспечивающие безопасность, сохранение здоровья и работоспособности человека в
процессе труда.
7.3 Техника безопасности при монтаже котельных установок
В соответствии с техникой безопасности при монтаже котельных установок
следует соблюдать ряд требований.
К работам допускаются лица, прошедшие медицинское освидетельствование,
обученные безопасным способам производства работ и имеющие соответствующее
удостоверение о проверке знаний.
Допущенные к работе лица применяют следующие средства
индивидуальной и коллективной защиты: спецодежда - комбинезон с огнестойкой
пропиткой, кожаные ботинки, брезентовые рукавицы; защитные очки; защитная
каска; шланговый (изолирующий) противогаз (ПШ-1, ПШ-2 и др);
спасательный пояс; резиновые диэлектрические перчатки; диэлектрические боты и
коврики.
Условия труда на каждом рабочем месте должны
соответствовать требованиям охраны труда, режим труда и отдыха работников
должен соответствовать законодательству.
Перед началом производства работ по монтажу оборудования котельных
установок необходимо:
- привести в порядок свою рабочую одежду, подготовить средства
индивидуальной защиты (предохранительный пояс, защитные очки и др.);
- осмотреть и проверить исправность грузоподъемных механизмов и
устройств (лебедки, тали, домкраты, блоки, полиспасты);
- освободить проходы к рабочим местам от посторонних предметов
и очистить их от мусора и грязи;
- убедиться в хорошем освещении места, где будут производиться
монтажные работы;
- подготовить необходимый для работы монтажный инструмент и
проверить его исправность.
Для обеспечения безопасности при сварочных работах, согласно ГОСТ
12.3.003-86, принимаются следующие меры:
- надежная изоляция всех проводов, связанных с питанием
источника тока и сварочной дуги, заземление корпусов сварочных аппаратов;
- применение в источниках питания автоматических выключателей
высокого напряжения, которые в момент холостого хода разрывают сварочную цепь и
подают на держатель напряжение 12 В;
- надежное устройство электрододержателя с хорошей изоляцией,
которая гарантирует, что не будет случайного контакта токоведущих частей
электрододержателя со свариваемым изделием или руками сварщика (ГОСТ 14651-69).
Электрододержатель должен иметь высокую механическую прочность и выдерживать не
менее 8000 зажимов электродов;
- во время дождя и снегопада сварочные работы котельного
оборудования на открытом воздухе запрещаются, в некоторых случаях эти работы
допускаются при устройстве над рабочим местом навеса;
- при нахождении сварщика на металле свариваемой конструкции
или детали котельного оборудования последние должны быть надежно заземлены;
- сваривать трубопроводы, находящиеся под давлением,
запрещается.
- к сварочным работам допускаются лица не моложе 18 лет,
имеющие профессию сварщика и удостоверение о сдаче экзаменов на право
выполнения сварочных работ в соответствии с правилами, утвержденными
Госгортехнадзором;
- работа в исправной сухой спецодежде и рукавицах.;
- использование средств индивидуальной защиты.
Для обеспечения безопасности при стропальных работах с грузоподъемными
механизмами, согласно СНиП III-4-80
принимаем следующие меры:
- применение исправных стропов, обозначения мест крепления
грузов, соответствие грузоподъемности такелажных приспособлений или механизмов
весу поднимаемого оборудования, ограждение опасной зоны;
- прекращение работы крана при скорости ветра более 15 м/с,
предельной величиной угла наклона крана не более 3 градусов;
- все посторонние лица удаляются на безопасное расстояние;
- элементы монтируемых конструкций или оборудования во время
перемещения удерживаются от вращения и раскачивания гибкими оттяжками;
- к управлению подъемными механизмами с машинным приводом, а
также к работе по подвязке (зацепке) грузов к крюку могут быть допущены только
лица, прошедшие специальное обучение и имеющие удостоверения к работе на ручных
подъемных механизмах;
- при подъеме насосов, двигателей и другой подобной арматуры
строп нужно накладывать на их корпус. Устанавливать домкраты для подъема или
сдвига котельного оборудования нужно без перекосов во избежание изгибов реек
или винтов. Совпадение болтовых отверстий при фланцевых соединениях следует
проверять монтажными ключами, специальными ломиками или оправками
Для обеспечения безопасности при работах с ручным электрифицированным
инструментом, согласно ГОСТ 12.1.013-78 принимаем следующие меры:
- к работе с электроинструментом и ручными электрическими
машинами в помещениях с повышенной опасностью поражения электрическим током и
вне помещений допускается персонал не моложе 18 лет и имеющий группу по
электробезопасности не ниже второй;
- суммарное время работы с электроинструметом, генерирующим
повышенные уровни вибрации, не превышает 2/3 длительности рабочего дня;
- в условиях воздействия капель и брызг, а также вне помещении
во время снегопада или дождя используется только электроинструмент, в маркировке
которого присутствуют знаки, разрешающие работу в этих условиях;
- запрещается вскрывать и исправлять электроинструмент.
7.4 Вывод
В главе безопасности жизнедеятельности была рассмотрена общая система
безопасности котельной. Проведен анализ условий труда при монтаже котельной,
приведены вредные и опасные факторы, способные оказывать влияние на здоровье
персонала.
Был произведен анализ возможных чрезвычайных ситуаций, который показал,
что наиболее опасными из них являются пожар и разрыв теплопроводов, так как
именно они понесут наибольший урон оборудованию, окружающей среде и рабочему
персоналу.
Котельная относится к IIIа
степени огнестойкости, с пределом огнестойкости Е15 согласно СНиП 2.01.02-85
«Противопожарные нормы»; СНиП 21-01-97 «Пожарная безопасность зданий и
сооружений» и категории помещения «Г» согласно норм пожарной безопасности НПБ
105-03 «Определение категорий помещений и зданий по взрывопожарной и пожарной
безопасности».
8. ЭКОЛОГИЧНОСТЬ ПРОЕКТА
При сжигании различных топлив, наряду с основными продуктами сгорания (СО2,
Н2О, N2), в атмосферу поступают загрязняющие
твердые (зола и сажа), а также газообразныеii токсичные вещества, а именно: сернистый и серный ангидриды (SО2 и SO3), окислы азота (NO и NO2), фтористые соединения и соединения
ванадия. В случае недостаточно полного сгорания топлива в топках уходящие газы
могут содержать окись углерода СО, углеводороды СН4, С2Н4,
а также канцерогенные углеводороды, например бенз(а)пирен и др. [16].
Все продукты неполного сгорания являются вредными, однако при современной
технике сжигания топлива их образование можно предотвратить или свести к
минимуму; то же относится и к содержанию окислов азота в уходящих газах. Из
всех окислов азота наиболее часто в дымовых газах содержится окись NO и двуокись NO2, причем двуокись является наиболее стойким продуктом. Высшие
окислы - N2O2, N2O4 и N2O5 - существуют в атмосферных условиях только при низких
температурах.
Суммарный выброс сернистых соединений (SO2 + SO3) определяется исходной величиной
содержания серы в топливе и не может быть исключен за счет каких-либо
мероприятий в организации топочного процесса. Таким образом, добиваться
предельно допустимых концентраций сернистых и других соединений в атмосфере
можно только выбором необходимой высоты дымовой трубы, обеспечивающей
рассеивание оставшихся твердых частиц и вредных газо в атмосфере.
Критерием санитарной оценки является предельно допустимая концентрация
(ПДК) вредного вещества в воздухе. Под ПДК следует понимать такую концентрацию
различных веществ и химических соединений, которая при ежедневном воздействии в
течение длительного времени на организм человека не вызывает каких-либо
патологических изменений или заболеваний. Предельно допустимые концентрации
атмосферных загрязнений устанавливаются в двух показателях: как
максимально-разовые (за 20 мин) и среднесуточные (за 24 ч).
Из всех широко используемых видов топлива наиболее экологичным является
природный газ. При сжигании в топках котлов природного газа наиболее вредными
являются образующиеся при этом окислы азота. Существуют промышленные способы,
позволяющие существенно снизить количество образующихся при сжигании топлива
окислов азота. Кроме того, как и в других случаях, рассчитывается высота
дымовой трубы, которая может рассеивать в слоях атмосферы эти вредные выбросы
и, тем самым, не допускается превышение ПДК [16].
8.1 Мероприятия по охране окружающей среды
При сжигании различных топлив, наряду с основными продуктами сгорания (СО2
, Н2 О, NO2 ) в атмосферу поступают загрязняющие вещества
в твердом состоянии (зола и сажа), а также токсичные газообразные вещества -
серный и сернистый ангидрид (SO2 , SO3 ). Все продукты
неполного сгорания являются вредными (CO, CH4 , C2 H6
).
Окислы азота пагубно воздействуют на органы дыхания живых организмов, а также
разрушающе действуют на оборудование и материалы, способствуют ухудшению
видимости.
Окислы азота образуются за счет окисления содержащегося в топливе азота и
азота воздуха, и содержатся в продуктах сгорания всех топлив. Условием
окисления азота воздуха является диссоциация молекулы кислорода воздуха под
воздействием высоких температур в топке. В результате реакции в топочной камере
образуется в основном окись азота NO (более 95%). Образование двуокиси азота NO2
за счет доокисления NO требует значительного времени и происходит при низких
температурах на открытом воздухе.
Очистка продуктов сгорания от NO и других окислов азота технически сложна
и в большинстве случаев экономически нерентабельна. Вследствие этого, усилия
направлены в основном на снижение образования окислов азота в топках котлов.
Лучшим способом снижения образования окислов азота является организация
двухстадийного сжигания топлива, т. е. применение двухступенчатых горелочных
устройств. Поэтому в первичную зону горения подается 50 - 70% необходимого для
горения воздуха, остальная часть воздуха поступает во вторую зону, т.е.
происходит дожигание продуктов неполного сгорания.
Снижение температуры подогрева воздуха и уменьшение избытка воздуха в
топке тоже уменьшает образование окислов азота, как за счет снижения
температурного уровня в топке, так и за счет уменьшения концентрации свободного
кислорода.
Защита воздушного бассейна от загрязнений регламентируется предельно
допустимыми концентрациями вредных веществ в атмосферном воздухе населенных пунктов.
Предельно допустимая концентрация (ПДК) вредного вещества в воздухе является
критерием санитарной оценки среды.
Под предельно допустимой концентрацией понимают такую концентрацию
различных веществ и химических соединений, которая воздействии на организм
человека не вызывает каких-либо патологических изменений или заболеваний.
ПДК атмосферных загрязнений устанавливается в двух показателях:
максимально-разовая и среднесуточная.
Для двуокиси азота (NO2) - основного загрязняющего вещества
при работе котельной на природном газе, предельно допустимая
максимально-разовая концентрация равна 0,085 мг/м3 , среднесуточная
- 0,04 мг/м3 .
Главным фактором, влияющим на рассеивание токсичных веществ, является
ветер.
Таким образом, предусмотренный проектом комплекс мероприятий по охране
атмосферного воздуха включает:
применение в качестве основного топлива природного газа - более
экологически чистого вида топлива;
установка достаточно высоких дымовых труб.
котлоагрегаты оснащены приборами, регулирующими количество воздуха и
процесс горения, что дает возможность контролировать процесс горения топлива.
ЗАКЛЮЧЕНИЕ
По итогам выпускной квалификационной работы представлены проектные
решения по заданию на проектирование автономной газовой котельной мощностью 4,7
Гкал/ч на нужды системы отопления в посёлке Шухободь.
Климатические характеристики района проектирования: температура наружного
воздуха наиболее холодной пятидневки -32℃, средняя температура наружного
воздуха за отопительный период -4,1℃, продолжительность отопительного
периода 231 сут., расчетная летняя температура +22,3℃.
Характеристика системы теплоснабжения: схема присоединения зависимая;
устанавливаемые отопительные приборы у потребителя радиаторы; температурный
график отпуска тепловой энергии 95/70℃; вид топлива - природный газ;
месторождение Вуктылское Коми АССР; плотность топлива 1,37 кг/м3; низшая
теплота сгорания 47651,61 кДж/м3.
Котлоагрегат Viessmann Vitoplex 200 тип SX2a мощностью 1950 кВт в количестве 3
штук. Температура подогреваемой воды на выходе из котла 110℃. КПД котла составляет 94%.
Переключение котлоагрегатов в зависимости от температуры наружного
воздуха следующее: при температуре от -32 до +3℃ работают 2 котла; при +2℃ - переключение на 1 работающий
котёл.
По тепловой схеме котельной: определили общие тепловые нагрузки и
распределение этих нагрузок между составными частями котельной; определили все
тепловые и массовые потоки; определили диаметры трубопроводов и арматуры.
По расчетному расходу сетевой воды на нужды отопления подобран сетевой насос
марки АНУ 3 CR 64-2-1 производительностью 170 м3/ч
и напором 37,2 м. КПД насоса 77,5%.
По величине утечки теплоносителя подобран подпиточный насос марки АЦМС
4046-1 производительностью 39,5 м3/ч и напором 20,1 м.
Система удаления дымовых газов подобрана исходя из самых неблагоприятных
условий - для максимального зимнего режима работы котлоагрегатов. Удаления
дымовых газов осуществляется от каждого котла отдельно. Внутренний диаметр
дымоходов 400 мм. Элементы системы удаления дымовых газов подобраны по каталогу
дымовых систем DW-ALKON.
В систему удаления дымовых газов входят следующие элементы:
газоход, длина которого составляет 4,5 м;
дымовая труба, высота которой составляет 15 м.
СПИСОК ИСПОЛЬЗОВАННЫХ ИСТОЧНИКОВ
1. СП
131.13330.2012. Свод правил. Строительная климатология: утв. Госстрой России. -
Актуализированная редакция СНиП 23-01-99*; введ. 01.01.2013. - Москва: Минстрой
России, 2015. - 70с.
. Наладка и
эксплуатация водяных тепловых сетей: справочник / В.И. Манюк, Я.И. Каплинский,
Э.Б. Хиж [и др.]. - 3 - е изд., перераб. и доп. - Москва: Стройиздат, 1988. -
432 с.
. СП 41 - 101
- 95. Свод правил по проектированию и строительству. Проектирование тепловых
пунктов. - Введ. 01.07.1996. - Москва: ГУП ЦПП, 1997. - 86 с.
. ГОСТ 30732
- 2006. Трубы и фасонные изделия стальные с тепловой изоляцией из
пенополиуретана с защитной оболочкой. Технические условия. - Введ. 01.01.2008.
- Москва: Стандартинформ, 2007. - 44 с.
. РД - З -
ВЭП. Руководящий документ по применению осевых сильфонных компенсаторов (СК) по
техническим условиям ИЯНШ. 300260.029ТУ, сильфонных компенсирующих устройств
(СКУ) по техническим условиям ИЯНШ. 300260.033ТУ, стартовых сильфонных
компенсаторов (ССК) по техническим условиям ИЯНШ. 300260.035ТУ, сильфонных
компенсирующих устройств для стальных трубопроводов с тепловой изоляцией из
пенополиуретана в полиэтиленовой оболочке по техническим условиям ИЯНШ.
300260.043ТУ предприятия ОАО «НПП «Компенсатор» при проектировании,
строительстве и эксплуатации тепловых сетей. - Москва, 2006. - 112 с.
. Ионин, А.
А. Газоснабжение: учебник для вузов по спец. «Теплогазо-снабжение и вентиляция»
/А. А. Ионин. - Москва: Стройиздат, 1989. - 439 с.
. СП
41-101-95. Свод правил по проектированию и строительству. Проектирование
тепловых пунктов: утв. Минстроем России 01.07.1996г., введ.
01.07.1996г.-Москва., 1997.-84с.
. Свод правил
СП89.13330.2012 Котельные установки: утв. Минрегион России 30.06.2012г. №281;
введён 01.01.2013г.-М.,2012.-99с.
. Расчет
водогрейной автоматизированной котельной малой мощности: Методические указания
к выполнению курсовых и дипломных проектов по проектированию котельных
установок. - Вологда: ВоГТУ, 2008. -107с.
. Технический
паспорт водогрейного котла Vissmann Vitoplex 200 тип SX2а - Режим доступа:
#"903516.files/image212.gif">
Рисунок П7.1 - Котел Vitoplex 200 mun SX2а
Таблица П7.1 - Технические характеристики котла Vitoplex 200 mun SX2а мошностью 1950 кВт.
|
Технические характеристики котла
|
|
Номинальная тепловая производительность, кВт
|
1950
|
|
Номинальная тепловая нагрузка, кВт
|
2120
|
|
Вид топлива
|
Природный газ низкого давления по ГОСТ 5542-87
|
|
Максимальльное избыточное давление воды, МПа
|
0,6
|
|
Максимальная температура воды на выходе из котла, 0С
|
110
|
|
Минимальная температура воды на входе в котёл, 0С
|
65
|
|
Температурный график котла (проектный), 0С
|
95-70
|
|
Расход воды номинальный для ,м3/ч67,07
|
|
|
Гидравлическое сопротивление водяного тракта при расходе
теплоносителя для , мбар22
|
|
|
Аэродинамическое сопротивление газового тракта для
максимальной мощности, мбар
|
8,5
|
|
Объём дымовых газов, м3
|
2,51
|
|
Температура уходящих газов, 0С
|
185
|
|
Водяной объём котла, л
|
2230
|
|
КПД котла
|
94
|
|
Масса сухого котла, кг
|
3410
|
ПРИЛОЖЕНИЕ 8
(справочное)
Технические характеристики горелки Oilon GP - 150M
Рисунок П8.1 - Горелка Oilon GP - 150M
Таблица П8.1 - Характеристики горелки Oilon GP - 150M
|
Тип горелки
|
GP-130 T
|
GP-130 M
|
GP-140 H
|
GP-140 T
|
GP-140 M
|
GP-150 H
|
GP-150 T
|
GP-150 M
|
GP-250 T
|
GP-250 M
|
GP-280 T
|
GP-280 M
|
|
Мощность кВт
|
390 - 1500
|
390 - 1500
|
410 - 2350
|
410 - 2350
|
410 - 2350
|
450 - 2700
|
450 - 2700
|
450 - 2700
|
370 - 2600
|
370 - 2600
|
500 - 3500
|
500 - 3500
|
|
Двигатель горелки 3~400В, 50Гц Мощность, кВт Ток, А Кол.
оборотов, об/мин.
|
3,0 6,2 2880
|
3,0 6,2 2880
|
4,0 8,7 2900
|
4,0 8,7 2900
|
4,0 8,7 2900
|
5,5 11,1 2910
|
5,5 11,1 2910
|
5,5 11,1 2910
|
5,5 10,9 2855
|
5,5 10,9 2855
|
7,5 14,7 2855
|
7,5 14,7 2855
|
|
Программное реле
|
LFL1 322
|
LFL1 322
|
LFL1 322
|
LFL1 322
|
LFL1 322
|
LFL1 322
|
LFL1 322
|
LFL1 322
|
LFL1 322
|
LFL1 322
|
LFL1 322
|
LFL1 322
|
|
Вес, кг
|
115
|
115
|
110
|
121
|
121
|
125
|
130
|
130
|
160
|
160
|
210
|
210
|
ПРИЛОЖЕНИЕ 9
(справочное)
Технические характеристики насоса АНУ 3 CR 64-2-1
Рисунок П9.1 - Насос АНУ 3 CR
64-2-1
Марка насосов: CR 64-2-1
Количество насосов: 3
Число рабочих насосов: 2
Число резервных насосов: 1
Мощ. эл. дв.: 11 кВт
Частота вращения: 2900 об/мин
Перекачиваемая среда: вода
Темп.перекачиваемой среды: до +70 °С: 128 м3/ч: 37.2 м
Рабочий диапазон подач: 30 - 170 м3/ч
Диапазон напоров: 47.8 - 25.5 м
Потери в насосной установке: 2.0 м
Макс. КПД: 77.5%
Всасывающий коллектор: 200
Напорный коллектор: 200
ПРИЛОЖЕНИЕ
10
(справочное)
Технические характеристики насоса АЦМС 4046-1
Перекачиваемая среда: вода° перекачиваемой среды: -30...+120 °С
Мощность электродвигателя: 4.0 кВт
Число оборотов: 2900 об/мин
Оптимальная подача: 39.5 м3/час
Напор при опт. подаче: 20.1 м
Давление: 3.6 МПа
Макс. КПД: 73.2%
ПРИЛОЖЕНИЕ
11
(справочное)
Технические характеристики насоса АЦМЛ-100S/300-11,0/4
Рисунок П11.1 - Насос АЦМЛ-100S/300-11,0/4
Перекачиваемая среда: вода° перекачиваемой среды: -15...+120 °С
Мощность электродвигателя: 11.0 кВт
Число оборотов: 1500 об/мин
Оптимальная подача: 101 м3/час
Напор при опт. подаче: 24.9 м
Давление: 1.0 МПа
Макс. КПД: 69.2%
Всасывающий патрубок: Ду100
Напорный патрубок: Ду100
ПРИЛОЖЕНИЕ
12
(справочное)
Технические характеристики насоса UPS 80-60 F - 96402391
Рисунок П12.1 - насоса UPS 80-60 F - 96402391
Данные электрооборудования
Потребляемая мощность при скорости - 1 470 Вт
Потребляемая мощность при скорости - 2 570 Вт
Макс. потребляемая мощность - 880 Вт
Частота питающей сети - 50 Hz
Номинальное напряжение - 3 x 400-415 V
Ток при частоте вращения - 1 0.84 A
Ток при частоте вращения - 2 1 A
Ток при скорости 3 - 1.8 Aфи на скорости 1 - 0,81фи на скорости 2 - 0,82фи
- 0,71
Класс изоляции (IEC 85) - Hclass (IEC 60529) - X4D
Защита электродвигателя - CONTACT