Электроснабжение части Няндомского района Архангельской области
СОДЕРЖАНИЕ
ВВЕДЕНИЕ
. КРАТКАЯ ХАРАКТЕРИСТИКА ОБЪЕКТА
1.1 Краткая характеристика
сельскохозяйственного района
.2 Характеристика РПП
.3 Характеристика собственных нужд
РПП
. РАСЧЕТ ЭЛЕКТРИЧЕСКИХ НАГРУЗОК
РАЙОНА
.1 Характеристика электроприемников
(потребителей) РПП
.2 Определение расчетной нагрузки
населенного пункта
.2.1 Определение расчетной нагрузки
жилых домов
.2.2 Определение расчетной нагрузки
уличного освещения
.3 Определение расчетной нагрузки
электроприемников РПП
.4 Определение расчетной мощности РПП
. ВЫБОР ЧИСЛА, МОЩНОСТИ И СХЕМ ТП,
ИХ МЕСТ РАСПОЛОЖЕНИЯ
.1 Выбор числа ТП населенного пункта
.2 Выбор мощности ТП
.3 Выбор схем ТП
.4 Выбор мест расположения ТП
3.4.1 Определение центра
электрических нагрузок
.4.2 Построение картограммы
электрических нагрузок
4. ВЫБОР СХЕМЫ ЭЛЕКТРОСНАБЖЕНИЯ
РАЙОНА
.1. Радиальная схема
электроснабжения района
.2. Магистральная схема
электроснабжения района
. ВЫБОР ЛИНИЙ ЭЛЕКТРОПЕРЕДАЧ
.1 Выбор линий электропередач
населенного пункта (0,4 кВ)
.2 Выбор линий электропередач района
(110, 35 и 10 кВ)
. ВЫБОР СИЛОВЫХ ТРАНСФОРМАТОРОВ РПП
И ТСН
.1 Выбор силовых трансформаторов
.2 Выбор трансформаторов собственных
нужд
. РАСЧЕТ ТОКОВ КОРОТКОГО ЗАМЫКАНИЯ
.1 Составление расчетной схемы
электрической сети
.2 Расчет параметров схемы замещения
электрической сети
.2.1 Расчет параметров энергосистемы
.2.2 Расчет сопротивления линий
электропередач
.2.3 Расчет сопротивления
трансформаторов
.3 Расчет токов короткого замыкания
.3.1 Минимальный режим
.3.2 Максимальный режим
. ВЫБОР ЭЛЕКТРИЧЕСКИХ АППАРАТОВ
.1 Выбор высоковольтных выключателей
.2 Выбор трансформаторов тока
.3 Выбор трансформаторов напряжения
.4 Выбор разъединителей
.5 Выбор сборных шин РУ-10 кВ
.6 Выбор токопровода 10 кВ
.7 Выбор гибкой ошиновки ОРУ-110 и
ОРУ-35 кВ и опорных изоляторов
.8 Выбор ограничителей
перенапряжения
.9 Выбор оборудования,
устанавливаемого в нейтрали трансформатора
.10 Выбор КРУН-10 кВ
.11 Технико-экономическое
обоснование выбора выключателей 110, 35 и 10 кВ
. РАСЧЕТ РЕЛЕЙНОЙ ЗАЩАТЫ И
ПРОТИВОАВАРИЙНОЙ АВТОМАТИКИ
.1 Краткая характеристика шкафов
микропроцессорных защит
.2 Обоснование выбора защит
.3 Защита силовых трансформаторов
ТДТН-10000
.3.1 Газовая защита трансформаторов
9.3.2 Дифференциальная защита
трансформатора
.3.3 МТЗ от токов при внешних КЗ
.3.4 МТЗ от перегрузки
.3.5 Температурная сигнализация
.3.6 Проверка ТТ по условию 10%-ой
погрешности
. БЕЗОПАСНОСТЬ ЖИЗНЕДЕЯТЕЛЬНОСТИ
.1 Вступление. Применение комплекса
технических защитных средств
.2 Требования к персоналу при
обслуживании ПС
.3 Расчет заземляющего устройства
ПС. Выбор молниеприемников. Расчет молниезащиты. Подключение молниеприемников к
заземляющему устройству
.4 Тушение пожаров на ОРУ ПС. Допуск
пожарных команд на тушение пожара. Разработка оперативно-пожарных карточек
.5 Наводнения. Защита энергообъектов
при весеннем паводке. Задача МЧС в XXI веке
. ОРГАНИЗАЦИОННО-ЭКОНОМИЧЕСКАЯ ЧАСТЬ
.1 Сметно финансовый расчет объекта
проектирования
.2 Расчет численности и состава
бригады работников
.3 Организация электромонтажных
работ. Построение ленточного графика
.4 Расчет эффективности
инвестиционных вложений
ЗАКЛЮЧЕНИЕ
СПИСОК ИСПОЛЬЗОВАННЫХ ИСТОЧНИКОВ
ПРИЛОЖЕНИЕ 1
ПРИЛОЖЕНИЕ 2
ПРИЛОЖЕНИЕ 3
ПРИЛОЖЕНИЕ 4
ПРИЛОЖЕНИЕ 5
ВВЕДЕНИЕ
Прогресс в технике, конкурентоспособные технологии выдвигают новые
требования к проектированию энергообъектов. Некоторые элементы существующих
систем устарели физически. Кроме того, появились новые материалы и современное
энергетическое оборудование более надежное и с большим ресурсом работы.
Энергоснабжающие организации постоянно проводят технические мероприятия
по повышению надежности работы оборудования и уменьшению аварийности в
направлениях: совершенствование схем электроснабжения (ЭС), сокращение
протяженности линий распределительных сетей, строительство воздушных линий (ВЛ)
для резервирования подстанций и т.п.
Основой системы ЭС являются электрические сети напряжением 0,4 - 110 кВ,
от которых снабжаются электроэнергией преимущественно сельскохозяйственные
потребители, включая коммунально-бытовые, объекты мелиорации и водного хозяйства,
а также предприятия и организации, предназначенные для бытового и культурного
обслуживания населения.
Рациональное проектирование районных понизительных подстанций (РПП) всех
типов и категорий и, в частности, рациональное и экономичное построение главных
электрических схем, выбор параметров оборудования и аппаратуры, а также
оптимальная их расстановка представляет собой сложную и ответственную задачу.
В данной выпускной квалификационной работе (ВКР) рассматривается
электроснабжение сельскохозяйственного района (часть Няндомского района
Архангельской области), с проектированием РПП 110/35/10 кВ.
. КРАТКАЯ ХАРАКТЕРИСТИКА ОБЪЕКТА
1.1 Краткая характеристика сельскохозяйственного
района
Территория сельскохозяйственного района (Няндомского района) составляет
8100 км2, но в данной ВКР рассмотрен не весь район в целом, а отдельный его
часть, в котором сосредоточена основная часть сельскохозяйственных предприятий,
таких как птицефабрика, ферма, завод по производству древесно топливных гранул
и т.п. Так как рассматриваемая часть района находится в 5 км. от районного
центра, то на ее территории не предусмотрено расположение больниц, школ,
детских садов и других общественных сооружений.
Няндомский район располагается на Коношско-Няндомской возвышенности высотой
до 250 м., где обширные неглубоко врезанные речные долины спокойно чередуются с
платообразными водоразделами.
Климат района разнообразный, хотя относительно и холодный. Частая смена
воздушных масс вызывает резкие изменения и неустойчивость погоды. Отсутствие
горных хребтов делает эту территорию легкодоступной для циклонов с Атлантики и
потоков холодного арктического воздуха с северо-востока. Первые приносят
осадки, пасмурную погоду, зимой - потепление, вторые вызывают сильное снижение
температур, морозы. Годовая норма осадков колеблется от 400 до 540 мм при
количестве дней с осадками около 200. Осадки выпадают в виде продолжительных
снегопадов зимой (в зимний период на территории района образуется мощный
снеговой покров толщиной до 70 - 80 см.) и длительных моросящих дождей осенью.
1.2 Характеристика РПП
Электроснабжение рассматриваемой части района осуществляется с помощью
РПП-110/35/10 кВ. Данная РПП - проходная. Она является одной из ключевых
подстанций Няндомского района, которая получает питание от энергосистемы по
двум воздушным линиям 110 кВ. Часть полученной энергии без преобразования
передается транзитом потребителям. Другая часть энергии после преобразования
передается потребителям на напряжении 35 кВ и 10 кВ (см. чертеж "Главная
электрическая схема РПП").
Основная часть потребителей РПП - это электроприемники I-ой категории, на
которые приходится около 45% мощности, на остальные группы электроприемников
II-ой и III-ей категорий приходится 40 и 15% соответственно.
1.3 Характеристика собственных нужд РПП
По режиму включения в работу электроприемники собственных нужд (СН) РПП
разделяются на:
постоянно подключенные к сети (оперативные цепи, цепи управления и
релейной защиты, электродвигатели системы охлаждения трансформаторов,
аппаратура связи и телемеханики);
подключаемые периодически (зарядно-подзарядные устройства аккумуляторной
батареи, освещение, электроотопление помещений, электроподогрев аппаратуры);
подключаемые во время ремонтов (вентиляция и технологическая нагрузка
оперативного пункта управления (ОПУ) и открытого распределительного устройства
(ОРУ).
. РАСЧЕТ ЭЛЕКТРИЧЕСКИХ НАГРУЗОК РАЙОНА
2.1 Характеристика электроприемников
(потребителей) РПП
В отношении надежности электроснабжения электроприемники разделяются на
следующие три категории: [1]ой категории - электроприемники, перерыв
электроснабжения которых может повлечь за собой опасность для жизни людей,
угрозу для безопасности государства, значительный материальный ущерб,
расстройство сложного технологического процесса, нарушение функционирования
особо важных элементов коммунального хозяйства, объектов связи и телевидения.
Из состава электроприемников первой категории выделяется особая группа
электроприемников, бесперебойная работа которых необходима для безаварийной
остановки производства с целью предотвращения угрозы жизни людей, взрывов и
пожаров.ой категории - электроприемники, перерыв электроснабжения которых
приводит к массовому недоотпуску продукции, массовым простоям рабочих,
механизмов и промышленного транспорта, нарушению нормальной деятельности
значительного количества городских и сельских жителей.ей категории - все
остальные электроприемники, не попадающие под определения первой и второй
категории.
Электроприемники первой категории в нормальных режимах должны
обеспечиваться электроэнергией от двух независимых взаимно резервирующих
источников питания, и перерыв их электроснабжения при нарушении
электроснабжения от одного из источников питания может быть допущен лишь на
время автоматического восстановления питания.
Для электроснабжения особой группы электроприемников первой категории
должно предусматриваться дополнительное питание от третьего независимого
взаимно резервирующего источника питания.
В качестве третьего независимого источника питания для особой группы
электроприемников могут быть использованы местные электростанции,
электростанции энергосистем, предназначенные для этих целей агрегаты
бесперебойного питания, аккумуляторные батареи и т. п.
Электроприемники второй категории в нормальных режимах должны
обеспечиваться электроэнергией от двух независимых взаимно резервирующих
источников питания.
Для электроприемников второй категории при нарушении электроснабжения от
одного из источников питания допустимы перерывы электроснабжения на время,
необходимое для включения резервного питания действиями дежурного персонала или
выездной оперативной бригады.
Для электроприемников третьей категории электроснабжение может
выполняться от одного источника питания при условии, что перерывы
электроснабжения, необходимые для ремонта или замены повреждённого элемента
системы электроснабжения, не превышают 1 суток.
2.2 Определение расчетной нагрузки населенного
пункта
В качестве примера определим электрические нагрузки одного из населенных
пунктов (см. чертеж "Генплан населенного пункта").
2.2.1 Определение расчетной нагрузки жилых домов
В качестве примера произведем расчет нагрузок жилых домов населенного
пункта по ВЛ - 0,4 кВ - 1 на основании [2].
Определим расчетную нагрузку для одноэтажных одноквартирных домов.
Расчетная электрическая нагрузка жилых домов (
), приведенная к вводу жилого здания,
определяется по формуле:
где:
- удельная нагрузка электроприемников жилых домов, кВт/д;
[2]
- количество квартир, присоединенных к линии ТП, шт.
Определим реактивную нагрузку:
, тогда: [2]
Определим полную нагрузку:
Определим расчетную нагрузку для одноэтажных двухквартирных домов.
Расчетная электрическая нагрузка квартир (
), приведенная к вводу жилого здания,
определяется по формуле:
где:
- удельная нагрузка электроприемников квартир, кВт/кв; [2]
- количество квартир, присоединенных к линии ТП, шт.
Всего домов - 3, по 2 квартиры.
Расчетная нагрузка жилого дома (квартир и силовых приемников)
кВт, определяется по формуле:
где:
- расчетная нагрузка силовых электроприемников, кВт.
Расчетная нагрузка силовых электроприемников
, приведенная к вводу жилого дома,
определятся по формуле:
где:
- мощность лифтовых установок, кВт (
);
Так как дом одноэтажный лифтовые установки не требуются.
- мощность санитарно технических устройств:
электродвигателей насосов водоснабжения, вентиляторов и т.п., кВт (
).
Так как
, тогда:
Определим реактивную нагрузку:
;
, тогда: [2]
Определим полную нагрузку по формуле
:
Аналогично определяем расчетную нагрузку для двухэтажных 12-и квартирных
домов (количество домов 8). Расчетная электрическая нагрузка квартир
, приведенная к вводу жилого здания,
определяется по формуле
:
Расчетная нагрузка жилого дома (квартир и силовых приемников)
, определяется по формуле
:
Так как
, тогда:
Определим реактивную нагрузку по формуле
:
;
, тогда: [2]
Определим полную нагрузку по формуле
:
Аналогично производим расчет нагрузок жилых домов по ВЛ - 0,4 кВ - 2 и 3
и жилищно-коммунального хозяйства (ЖКХ) населенного пункта. При монтаже ВЛ -
0,4 кВ используем железобетонные опоры СВ - 95.
Результаты расчетов сводим в таблицу 1.
Таблица 1 - Расчетная нагрузка жилых зданий
|
Наименование ВЛ-0,4 кВ
|
Наименование электроприемника
|
|
кВт
|
кВт
|
|
, кВар
|
, кВА
|
|
1
|
2
|
3
|
4
|
5
|
6
|
7
|
8
|
|
ВЛ-0,4 - 1
|
1 эт. жилой дом (частный)
|
24
|
1,4
|
33,6
|
0,29
|
9,7
|
35
|
|
1 эт. жилой дом (2-ух квартирный)
|
6
|
3,2
|
19,2
|
0,29
|
5,6
|
20
|
|
2 эт. жилой дом (12-и квартирный)
|
96
|
0,85
|
81,6
|
0,29
|
23,7
|
85
|
|
ВЛ-0,4 - 2
|
1 эт. жилой дом (частный)
|
12
|
2
|
24
|
0,29
|
6,96
|
25
|
|
1 эт. жилой дом (2-ух квартирный)
|
18
|
1,65
|
29,7
|
0,29
|
8,6
|
30,9
|
|
2 эт. жилой дом (12-и квартирный)
|
36
|
1,15
|
41,4
|
0,29
|
12
|
43,1
|
|
ВЛ-0,4 - 3
|
1 эт. жилой дом (частный)
|
24
|
1,4
|
33,6
|
0,29
|
9,7
|
35
|
|
1 эт. жилой дом (2-ух квартирный)
|
12
|
2
|
24
|
0,29
|
6,96
|
25
|
|
2 эт. жилой дом (12-и квартирный)
|
24
|
1,4
|
33,6
|
0,29
|
9,7
|
35
|
|
Жилищно-коммунальное хозяйство
|
|
ВЛ-0,4 - 1
|
Котельная
|
1
|
30
|
30
|
0,8
|
24
|
38,4
|
|
ВЛ-0,4 - 2
|
Водонасосная станция
|
1
|
5
|
5
|
0,8
|
4
|
6,4
|
2.2.2 Определение расчетной нагрузки уличного
освещения
Определим нагрузку наружного освещения, считая, что улицы проходящие по
населенному пункту, являются улицами местного значения, категории В1 по
классификации. [3]
Классификация улично-дорожной сети В1
) Категория объекта: улицы и дороги местного назначения.
) Класс: В1.
) Основное назначение объекта: транспортные и пешеходные связи в пределах
жилых районов и выход на магистрали, кроме улиц с непрерывным движением.
Движение регулируемое, пересечения в одном уровне.
) Транспортная характеристика: легковой, специальный и грузовой
транспорт, иногда общественный пассажирский.
) Расчетная скорость км/ч: 60.
) Число полос движения в обоих направлениях: 2 - 4.
) Пропускная способность тыс.ед/ч: 1,5 - 3.
Принимаем, что освещение улиц выполняется с однорядным расположением
светильников серии ДиУС - 80, потребляемая мощность которого - 90 Вт (аналог
РКУ - 400). Светодиодный светильник серии ДиУС предназначен для прямой замены
устаревших светильников РКУ, ЖКУ, ГКУ с лампами ДРЛ, ДНаТ, ДРИ соответственно.
Проверим, обеспечивают ли выбранные светильники, находящиеся в 30 м друг
от друга, среднюю яркость дорожного покрытия
[3], при интенсивности движения в
обоих направлениях 1500 ед. в час и шириной улицы 10 м.
Определим площадь освещения светильника по формуле:
где:
- высота подвеса светильника, м;
- расстояние между светильниками (опорами), м.
Определим необходимый световой поток:
где:
- нормируемая яркость покрытия, кд/м2;
- коэффициент запаса (
);
- коэффициент использования (
). [3]
Светильник серии ДиУС - 80 имеет световой поток
. При однорядном расположении
светильников они осветят площадь:
Так как полученное значение больше фактической площади,
светодиодные светильники серии ДиУС - 80 подходят для данной классификации
улично-дорожной сети.
Определим количество и нагрузку светильников уличного освещения.
В качестве примера произведем расчет для ул. Мира.
Определим количество светильников по формуле:
где:
- длина улицы, м;
- расстояние между светильниками (опорами), м.
Определим расчетную нагрузку уличного освещения по формуле:
где:
- мощность светильника, кВт;
- количество светильников, шт.
Аналогично производим расчет для остальных улиц населенного пункта.
Результаты расчетов сводим в таблицу 2.
Таблица 2 - Расчет наружного освещения
|
Наименование улицы
|
Длина улицы, м
|
Расстояние между светильниками, м
|
Мощность светильника, кВт
|
Кол-во светильников, шт.
|
Нагрузка
уличного освещения, , кВт
|
|
1
|
2
|
3
|
4
|
5
|
6
|
|
Ул. Мира
|
410
|
30
|
0,09
|
14
|
1,26
|
|
Ул. Первомайская
|
585
|
30
|
0,09
|
19
|
1,71
|
|
Ул. Лесная
|
280
|
30
|
0,09
|
9
|
0,81
|
|
Пер. Речной
|
370
|
30
|
0,09
|
12
|
1,08
|
|
Ул. Красноармейская
|
850
|
30
|
0,09
|
28
|
2,52
|
|
Ул. Заводская
|
340
|
30
|
0,09
|
11
|
0,99
|
|
Ул. Промартельная
|
490
|
30
|
0,09
|
16
|
|
Ул. Ясная
|
580
|
30
|
0,09
|
19
|
1,71
|
|
Ул. Лиственная
|
600
|
30
|
0,09
|
20
|
1,8
|
Определим полную расчетную нагрузку уличного освещения:
где:
- общая нагрузка уличного освещения, кВт;
- коэффициент мощности (
).
Определим полную расчетную мощность населенного пункта:
где:
- полная расчетная нагрузка уличного освещения,
;
- полная расчетная нагрузка жилых домов,
;
- полная расчетная нагрузка ЖКХ населенного пункта,
.
2.3 Определение расчетной нагрузки
электроприемников РПП
Характеристики остальных электроприемников РПП по ВЛ - 10 кВ определяем
аналогичным способом, как описано в пунктах 2.2.1, 2.2.2. При монтаже ВЛ- 10 кВ
используем железобетонные опоры СВ-110.
Результаты расчетов сводим в таблицу 3
Таблица 3 - Характеристика электроприемников РПП
|
Наименование линий
|
Напряжение, кВ
|
Активная мощность, Р, МВт
|
Реактивная мощность Q, МВар
|
Полная мощность Sр, МВ А
|
cosφ
|
Кат. над.
|
L, км
|
|
1
|
2
|
3
|
4
|
5
|
6
|
7
|
8
|
|
"Коноша"
|
110
|
4,4
|
1,732
|
3,829
|
0,93
|
II
|
100
|
|
"Няндома"
|
110
|
4,5
|
1,942
|
4,401
|
0,92
|
II
|
15
|
|
"Верхняя Пуя"
|
35
|
2,200
|
0,750
|
1,624
|
0,95
|
II
|
45
|
|
"Макаровская"
|
35
|
2,313
|
0,760
|
1,905
|
0,95
|
II
|
30
|
|
"Л-1"
|
10
|
0,545
|
0,349
|
0,647
|
0,84
|
I
|
-
|
|
"Л-5"
|
10
|
0,508
|
0,329
|
0,605
|
0,84
|
I
|
-
|
|
"Л-2"
|
10
|
0,813
|
0,512
|
0,961
|
0,84
|
I
|
-
|
|
"Л-6"
|
10
|
0,864
|
0,525
|
1,011
|
0,85
|
I
|
-
|
|
"Л-4"
|
10
|
0,461
|
0,263
|
0,531
|
0,87
|
I
|
-
|
|
"Л-8"
|
10
|
0,488
|
0,281
|
0,563
|
0,87
|
I
|
-
|
|
"Л-3"
|
10
|
0,305
|
0,167
|
0,365
|
0,84
|
I
|
-
|
|
"Л-7"
|
10
|
0,289
|
0,160
|
0,330
|
0,87
|
II
|
-
|
|
"Восход" ("Поселок")
|
10
|
0,490
|
0,254
|
0,552
|
0,89
|
III
|
-
|
|
"Индустриаль-ный"
|
10
|
0,318
|
0,197
|
0,374
|
0,85
|
II
|
-
|
|
"АБЗ"
|
10
|
1,593
|
0,767
|
1,768
|
0,9
|
III
|
-
|
2.4 Определение расчетной мощности РПП
Расчетная мощность РПП определяется по формуле:
где:
- мощность потребителей РПП (см. таблицу 3);
- коэффициент перспективы роста нагрузок (
); [4]
- коэффициент одновременности (
). [4]
. ВЫБОР ЧИСЛА, МОЩНОСТИ И СХЕМ ТП, ИХ МЕСТ РАСПОЛОЖЕНИЯ
3.1 Выбор числа ТП населенного пункта
При нахождении количества ТП первоначально следует определить минимальное
расчетное значение числа ТП по формуле:
где:
- коэффициент загрузки ТП (
);
- номинальная мощность ТП, кВ
А;
- полная расчетная мощность, кВ
А.
Определим оптимальное число ТП по формуле:
где:
- добавка до ближайшего большего целого числа.
Определим количество ТП для населенного пункта:
Исходя из расчетов выбираем количество ТП - 630 кВ
А населенного пункта -
Выбор числа ТП населенного пункта представлен на чертеже "Генплан
населенного пункта".
Выбор числа ТП сельскохозяйственного района определяется аналогичным
способом и представлен на чертеже "Генплан сельскохозяйственного
района".
3.2 Выбор мощности ТП
В связи с ростом удельных плотностей электрических нагрузок во всех
отраслях промышленности на ТП применяются, как правило, трансформаторы
мощностью 630, 1000, 1600 и 2500 кВ
А в зависимости от плотности электрических нагрузок. Наиболее
часто применяются трансформаторы мощностью 1000 и 630 кВ
А. Трансформаторы мощностью менее 630
кВ
А применяются при относительно малой
плотности нагрузок, в частности для административных и общественных зданий,
клубов и т. п. [5]
Результаты выбора мощности ТП представлены в таблице 4.
3.3 Выбор схем ТП
Обычно на ТП выбирают один или два трансформатора. Число трансформаторов
на ТП определяется требованием надежности электроснабжения. С таким подходом
наилучшим является вариант с установкой двух трансформаторов, обеспечивающий
бесперебойное электроснабжение потребителей любых категорий. Однако если
установлены электроприемники только II и III категории, то более экономичными,
обычно, являются однотрансформаторные подстанции. [5]
При этом однотрансформаторные ТП выбирают: [5]
‒ для питания электроприемников, допускающих питание только от
одного нерезвированного источника (электроприемников III категории);
‒ для питания электроприемников любых категорий через замкнутые
сети, подключённые к двум или нескольким ТП (или через незамкнутые сети,
связанные между собой резервными линиями).
Два трансформатора устанавливают на ТП, питающих электроприемники I или
II категории и не имеющих на вторичном напряжении связи с другими ТП.
Чтобы оба трансформатора могли надежно резервировать друг друга, их
запитывают от независимых источников по независящим друг от друга линиям. Ввиду
того, что взаимное резервирование трансформаторов должно быть равнозначным, их
выбирают одинаковой мощности.
Двухтрансформаторные ТП рекомендуется применять в следующих случаях: [5]
‒ при преобладании потребителей I категории и наличии потребителей
особой группы;
‒ для сосредоточенной цеховой нагрузки и отдельно стоящих объектов
общезаводского назначения (компрессорные и насосные ТП);
‒ для цехов с высокой удельной плотностью нагрузок (выше 0,5-0,7 кВ
А/м2).
Не следует устанавливать на ТП было более двух трансформаторов, поскольку
в этом случае возрастают капитальные затраты и усложняется электрическая схема.
Также следует отметить, что во всех случаях необходимо стремится
устанавливались трансформаторы одинаковой мощности.
На ТП - 10/0,4 устанавливаем трансформаторы типа ТСЗ (трансформатор сухой
с защитным кожухом). Основное отличие сухого трансформатора от масляного
заключается в отсутствии герметической масляной среды, в которую помещаются
обмотки.
Преимущества ТСЗ - 10/0,4:
высокий уровень безопасности с точки зрения противопожарного и
экологического надзора;
простота и надежность в эксплуатации и отсутствие дополнительных затрат
на установку и обслуживание трансформатора;
возможность размещения в непосредственной близости от центра
электрических нагрузок;
низкий уровень шума и вибраций.
Результаты выбора схем ТП представлены в таблице 4.
Таблица 4 - Характеристика ТП
|
Наименование линий 10 кВ
|
Наименование ТП
|
Мощность и количество трансформаторов ТП
|
Длина линии от ТП до РПП, L, км
|
|
1
|
2
|
3
|
4
|
|
ф. "Л-2", ф. "Л-6"
|
ТП Зона "А-1"
|
2х630
|
0,695
|
|
ТП Зона "А-2"
|
2х630
|
0,915
|
|
ТП Зона "А-3"
|
2х630
|
1,080
|
|
ф. "Л-1", ф. "Л-5"
|
ТП Зона "А-4"
|
2х250
|
1,375
|
|
ТП Зона "А-5"
|
2х630
|
1,530
|
|
ТП Зона "А-6"
|
2х630
|
1,775
|
|
ТП Зона "Б-1"
|
2х630
|
0,660
|
|
ТП Зона "Б-2"
|
2х630
|
0,785
|
|
ТП Зона "Б-3"
|
2х630
|
1,060
|
|
ТП Зона "Б-4"
|
2х630
|
1,265
|
|
ТП Зона "Б-5"
|
2х250
|
1,365
|
|
ф. "Л-4", ф. "Л-8"
|
ТП Зона "В-1"
|
2х630
|
0,340
|
|
ТП Зона "В-2"
|
2х630
|
0,575
|
|
ТП Зона "В-3"
|
2х630
|
0,650
|
|
ф. "Л-3"
|
ТП Комплекс
|
2х400
|
1,245
|
|
ТП Ферма
|
2х630
|
1,360
|
|
ф. "Л-7"
|
ТП Комплекс
|
2х400
|
1,245
|
|
ТП Завод
|
1х250
|
2,060
|
|
ТП Пилорама
|
1х250
|
2,000
|
|
ТП Пилорама 2
|
1х250
|
2,965
|
|
ф. "АБЗ"
|
ТП ГНС
|
1х160
|
2,475
|
|
ТП Щебзавод
|
1х630
|
2,955
|
|
ТП База "РУС"
|
2х160
|
3,605
|
|
ТП Мира
|
1х630
|
4,135
|
|
ТП ТЛПХ
|
1х400
|
4,395
|
|
ТП ТЛПХ 2
|
1х400
|
4,495
|
|
ТП Химлесхоз
|
1х250
|
4,850
|
|
ф. "Индустриальный"
|
ТП Ферма
|
2х630
|
3,650
|
|
ТП СХТ
|
1х160
|
3,960
|
|
ТП МСУ
|
1х160
|
4,745
|
|
ТП Речная
|
1х250
|
5,165
|
|
ТП Горького
|
2х400
|
5,450
|
|
ф. Восход
|
-
|
-
|
2,960
|
|
ф. Поселок
|
ТП База ДРСУ
|
1х250
|
4,445
|
|
ТП Горького
|
2х400
|
5,685
|
|
ТП Тульский ЛПХ
|
1х250
|
5,920
|
|
ТП Клубная
|
1х250
|
6,405
|
|
ТП Тоншаевская
|
1х250
|
6,870
|
|
ТП База "РУС"
|
2х160
|
7,270
|
|
|
|
|
|
3.4 Выбор мест расположения ТП
трансформаторный электроснабжение нагрузка мощность
Проектирование системы электроснабжения района предусматривает
рациональное размещение на ее территории РПП и ТП.
Места расположения РПП и ТП определяются по картограмме электрических
нагрузок, которая представляет собой размещенные на плане района окружности,
площадь которых соответствует в выбранном масштабе расчетным нагрузкам. ТП
10/0,4 кВ должны размещаться с учетом следующих факторов: [6]
близость подъездных дорог;
обеспечение удобных подходов ВЛ и КЛ 10 - 0,4 кВ;
на незатопляемых местах и на местах с уровнем грунтовых вод ниже
заложения фундаментов.
В качестве примера определим место расположения ТП населенного пункта
(см. пункт 3.4.1).
3.4.1 Определение центра электрических нагрузок
Определим центр электрических нагрузок по формулам:
где:
- расчетная мощность i-ого потребителя, кВ
А;
- координаты по оси
i-ого потребителя;
- координаты по оси
i-ого потребителя.
Если источник питания (ТП) расположить в зоне рассчитанного центра
нагрузок, то затраты на систему электроснабжения будут минимальными. [6]
В качестве примера определим условные центры электрических нагрузок (УЦН)
для всех потребителей по ВЛ-0,4 - 1.
Результаты расчетов условного центра нагрузок представлен в приложении 1.
Аналогично определим условные центры нагрузок для всех потребителей по
ВЛ-0,4 - 2 и 3:
ВЛ-0,4 - 2:
ВЛ-0,4 - 3:

При размещении отдельно стоящих ТП напряжением 10 (6) кВ при числе
трансформаторов не более двух мощностью менее 1000 кВА расстояние от них до
ближайших окон жилых домов и общественных зданий следует принимать с учетом
допустимых уровней шума и вибрации, но не менее 10 м., а до зданий
лечебно-профилактических учреждений - не менее 15 м. [6]
С учетом возможного расширения населенного пункта и смещением центра
электрических нагрузок принимаем место расположения ТП - начало населенного
пункта (см. чертеж "Генплан населенного пункта").
Аналогично определяем места расположения ТП сельскохозяйственного района
(см. чертеж "План сельскохозяйственного района ").
3.4.2 Построение картограммы электрических
нагрузок
Определим радиусы окружностей, символизирующие нагрузки электроприемников
по формуле:
где:
- расчетная мощность потребителя, кВ
А;
- масштаб построения (принимаем
).
. ВЫБОР СХЕМЫ ЭЛЕКТРОСНАБЖЕНИЯ РАЙОНА
Выбор схемы электроснабжения потребителей
сельскохозяйственных районов производят в зависимости от требования надежности
питания, обеспечения допустимого отклонения напряжения у приемников
электроэнергии и перспективы развития электрических сетей. [5]
Схема должна быть простой, удобной в эксплуатации,
ремонтопригодной, предусматривать применение комплектного электрооборудования и
индустриальных способов монтажа. [5]
В сетях 10 кВ нашли широкое применение радиальные
(блочные) и магистральные схемы питания ТП.
4.1 Радиальная схема электроснабжения района
При радиальном питании ТП от РПП - обычно применяется
глухое присоединение трансформаторов на ТП по стороне высшего напряжения
(рисунок 1). Коммутационный аппарат (обычно это разъединитель или выключатель
нагрузки) нужно ставить: [5]
если источник питания находится в ведении другой
эксплуатирующей организации;
если ТП значительно (3 - 5 км) удалена от питающего
пункта;
если ТП питается по воздушной линии;
если отключающий аппарат необходим по условиям защиты,
например для воздействия на выключатель нагрузки газовой защиты или защиты от
однофазных затыканий на землю на стороне низшего напряжения трансформатора при
отсутствии там автоматов.
Достоинствами радиальных схем являются:
максимальная простота;
аварийное отключение радиальной линии не отражается на
электроснабжении остальных потребителей.
Недостатками радиальных схем являются:
большой расход кабельной продукции, который
обусловливает высокую стоимость системы.
при одиночных радиальных линиях надежность
электроснабжения невысока.
Рисунок 1 - Схема ТП 6-10 кВ при радиальном питании
4.2 Магистральная схема электроснабжения района
При магистральном питании трансформаторы ТП присоединяются при помощи
ответвлений (отпаек) от проходящей линии. Когда питание ТП происходит от
магистрали, то на вводе к трансформатору в большинстве случаев устанавливаются
выключатели нагрузки или разъединители. Если же необходимо обеспечить
селективное отключение трансформатора при его повреждении или ненормальном
режиме работы или же защита на головном выключателе не чувствительна при
повреждении трансформатора, то последовательно с выключателем нагрузки или
разъединителем устанавливается предохранитель типа ПК (рисунок 2), который
отключает поврежденный трансформатор без нарушения работы остальных. [5]
Достоинствами магистральных схем являются: [5]
- лучшая загрузка линий, так как к каждой линии подключена не одна, а
группа ТП;
меньший расход кабелей;
на ЦП и РП нужно устанавливать меньшее количество выключателей.
снижаются потери мощности в сетях.
Недостатками магистральных схем являются:
затруднение при отыскании места повреждения
магистрали;
применение одиночных магистралей не решает проблемы
обеспечения надежности электроснабжения.
Двойные магистрали с двухсторонним питанием могут
обеспечить достаточную надежность электроснабжения всех категорий
электроприемников. Это обусловило их широкое распространение в электроснабжении
районов. [5]
Рисунок 2 - Схема ТП 6-10 кВ. при магистральном
питании
Сопоставив перечисленные схемы электроснабжения, можно сделать вывод:
наиболее надежной, менее затратной и отвечающей требованиям потребителей I, II
и III категорий надежности являются широко распространенные магистральные схемы
с двухсторонним питанием.
При питании приемников I категории должен применяться АВР.
. ВЫБОР ЛИНИЙ ЭЛЕКТРОПЕРЕДАЧ
Проектирование каких-либо электрических сетей необходимо
начать с расчета сечения проводника электрического тока, от этого параметра
зависит очень многое, и в первую очередь - надежность и работоспособность
сетей, потеря мощности в сети, вероятность перегрева проводов и их разрушения.
Главными критериями, которые учитываются во время
подбора сечения, являются: величина токовой нагрузки, напряжение сети, мощность
потребителя электроэнергии. [1]
5.1 Выбор линий
электропередач населенного пункта (0,4 кВ)
Сечения проводников напряжением 0,4 кВ определяется исходя
из значения расчетного тока:
где:
- полная расчетная мощность потребителей линии (см. таблицу
1), кВ
А;
- номинальное напряжение линии, кВ;
- коэффициент мощности (
).
В качестве примера определим сечение проводника ВЛ -
0,4 кВ - 1:
Исходя из расчетов выбираем провод марки СИПс-4 - 4-95
(провод самонесущий, изолированный с четырьмя алюминиевыми фазными
токопроводящими жилами, с изоляцией из сшитого полиэтилена), допустимый ток
которого 290 А.
Аналогично определяем сечения проводников ВЛ - 0,4 кВ
- 2, 3 и уличного освещения:
Выбираем провод марки СИП-4 - 4-70.
Выбираем провод марки СИП-4 - 4-70.
Выбираем провод марки СИП-2А - 2-16.
5.2 Выбор линий
электропередач района (110, 35 и 10 кВ)
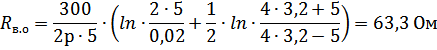
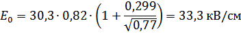
Согласно ПУЭ сечения проводников напряжением 6 кВ и
выше должны быть проверены по экономической плотности тока
, которая выбирается в зависимости от
материала провода и времени использования максимальной нагрузки
[1]. Экономически целесообразное
сечение проводника
определяется по формуле:
где
- экономическая плотность тока, А/мм2 ; [1]
- расчетный длительный ток, А.
Расчетный длительный ток определяется по формуле:
где:
- полная расчетная мощность потребителей линии (см. таблицу
3), кВ
А;
- номинальное напряжение линии, кВ.
Для воздушных линий 10 кВ выбираем провода марки СИП-3. Провод
представляют собой жилу из алюминиевого сплава, защищенную экструдированной
полимерной защитной изоляцией. Максимальное сечение провода 240 мм2. Для
воздушных линий 35-110 кВ выбираем сталеалюминевые провода марки АС.
Экономическую плотность тока выбираем из расчета, что число использования
максимума нагрузки превышает 5000 в год для алюминиевых проводников, тогда
В качестве примера рассчитаем сечение проводников самой нагруженной ВЛ 10
кВ - "АБЗ".
Согласно ПУЭ сечение, полученное в результате расчета, округляется до
ближайшего стандартного значения. Выбираем сечение
Результаты расчетов остальных проводников представлены в таблице 6.
Таблица 6 - Расчет воздушных линий 110, 35 и 10 кВ
|
Наименование линий
|
Напряжение, кВ
|
Iр, А
|
Марка ВЛ
|
Iдоп. ВЛ, А
|
|
1
|
2
|
3
|
4
|
5
|
|
"Коноша"
|
110
|
22,1
|
АС - 70
|
265
|
|
"Няндома"
|
110
|
25,4
|
АС - 70
|
265
|
|
"Верхняя Пуя"
|
35
|
26,8
|
АС - 50
|
210
|
|
"Макаровская"
|
35
|
31,5
|
АС - 50
|
210
|
|
"Л-1"
|
10
|
37,4
|
СИП-3 - 35
|
200
|
|
"Л-5"
|
10
|
35
|
СИП-3 - 35
|
200
|
|
"Л-2"
|
10
|
55,5
|
СИП-3 - 50
|
245
|
|
"Л-6"
|
10
|
58,4
|
СИП-3 - 50
|
245
|
|
"Л-4"
|
10
|
30,7
|
СИП-3 - 35
|
200
|
|
"Л-8"
|
10
|
32,5
|
СИП-3 - 35
|
200
|
|
"Л-3"
|
10
|
21,1
|
СИП-3 - 35
|
200
|
|
"Л-7"
|
10
|
19,1
|
СИП-3 - 35
|
200
|
|
"Восход" ("Поселок")
|
10
|
31,9
|
СИП-3 - 95
|
370
|
|
"Индустриальный"
|
10
|
21,6
|
СИП-3 - 35
|
200
|
|
"АБЗ"
|
10
|
102,2
|
СИП-3 - 95
|
370
|
. ВЫБОР СИЛОВЫХ ТРАНСФОРМАТОРОВ РПП И ТСН
6.1 Выбор силовых трансформаторов
Выбор силовых трансформаторов заключается в определении их числа, типа и
мощности. От РПП питаются потребители всех категорий, поэтому требуется
установка не менее двух силовых трансформаторов.
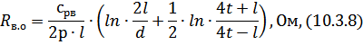
Мощность трансформаторов РПП должна соответствовать условию: [7]
где:
- полная расчетная мощность РПП,
;
- количество трансформаторов, шт.
Исходя из расчетов выбираем два трансформатора типа ТДТН
-10000/110/35/10. Краткая характеристика трансформаторов представлена в таблице
7. [8]
Таблица 7 - Техническая характеристика трансформаторов
|
Характеристика параметра
|
1Т
|
2Т
|
|
1
|
2
|
3
|
|
Номинальная мощность,
|
10000
|
10000
|
|
Номинальное напряжение,
|
115
|
115
|
|
38,5
|
38,5
|
|
11
|
11
|
|
Номинальный ток,
|
50,2
|
50,2
|
|
150
|
150
|
|
525
|
525
|
|
Напряжение КЗ,
|
|
|
|
|
|
|
|
|
|
Потери КЗ,
|
|
|
|
Ток ХХ,
|
2,1
|
2,1
|
|
Потери ХХ,
|
19
|
19
|
|
Полный вес, т
|
52,3
|
52,3
|
|
Вес масла, т
|
16,8
|
16,8
|
Определим коэффициент загрузки трансформаторов в нормальном режиме:
где:
- мощность трансформаторов,
.
Определим коэффициент загрузки трансформаторов в аварийном
режиме:
В аварийном режиме, оставшийся в работе один трансформатор, обеспечивает
бесперебойное питание всех потребителей РПП.
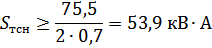
6.2 Выбор трансформаторов собственных нужд
Мощность трансформаторов собственных нужд (ТСН) выбирается по общей
электрической нагрузке потребителей собственных нужд подстанции с учетом
коэффициента спроса
.
Для определения общей мощности потребителей собственных нужд подстанции
составляется таблица электрических нагрузок собственных нужд подстанции
(таблица 8). Нагрузку определяют по данным в [9].
Таблица 8 - Электрические нагрузки собственных нужд РПП
|
№
|
Наименование потребителя
|
Количество потребителей, шт.
|
|
Установленная мощность потребителей, кВт
|
Потребляемая мощность
|
|
|
|
|
|
|
|
|
|
|
|
|
|
единицы
|
всего
|
|
|
|
|
1
|
2
|
3
|
4
|
5
|
6
|
7
|
8
|
|
|
1
|
Управление РПН
|
2
|
380
|
1,1
|
2,2
|
0,22
|
0,22
|
|
|
2
|
Охлаждение тр-ов
|
2
|
380
|
1
|
2
|
1,6
|
1,2
|
|
|
3
|
Подогрев полюсов выключателей 110 кВ
|
3
|
380
|
3,6
|
10,8
|
8,64
|
6,48
|
|
4
|
Подогрев приводов выключателей 110 кВ
|
3
|
380
|
0,8
|
2,4
|
1,92
|
1,44
|
|
5
|
Завод пружин привода выключателей 110 кВ
|
3
|
380
|
1,1
|
3,3
|
2,64
|
1,98
|
|
6
|
Подогрев выключателей 35 кВ
|
5
|
380
|
2,4
|
12
|
9,6
|
7,2
|
|
7
|
Подогрев приводов выключателей 35 кВ
|
5
|
380
|
0,8
|
4
|
3,2
|
2,4
|
|
8
|
Освещение ОРУ 110-35 кВ
|
6
|
220
|
0,045
|
0,27
|
0,216
|
0,162
|
|
9
|
Освещение КРУН-10 кВ
|
19
|
220
|
0,008
|
0,152
|
0,122
|
0,091
|
|
10
|
Вентиляция КРУН-10 кВ
|
1
|
220
|
0,088
|
0,088
|
0,07
|
0,053
|
|
11
|
Обогрев КРУН-10 кВ
|
9
|
1,5
|
13,5
|
10,8
|
8,1
|
|
12
|
Подогрев счетчиков КРУН-10 кВ
|
18
|
220
|
0,1
|
1,8
|
1,44
|
1,08
|
|
13
|
РЗА и УЗП
|
2
|
220
|
1
|
2
|
1,6
|
0
|
|
14
|
Отопление и освещение ОПУ
|
20 (от.); 20 (осв.)
|
220
|
1 (от.); 0,036 (осв.)
|
20,72
|
16,6
|
12,85
|
|
15
|
Отопление и освещение дежурного помещения
|
22 (от.); 23 (осв.)
|
220
|
1 (от.); 0,036 (осв.)
|
22,83
|
18,3
|
13,7
|
|
16
|
Связь и телемеханика
|
1
|
220
|
0,5
|
0,5
|
0,4
|
0
|
|
17
|
Охранно-пожарная сигнализация
|
1
|
220
|
0,66
|
0,66
|
0,53
|
0,4
|
|
ИТОГО:
|
|
|
|
|
76,1
|
55,9
|
|
|
|
|
|
|
|
|
|
|
|
Определим полную мощность собственных нужд РПП:
где:
- коэффициент спроса (
).
Мощность трансформаторов собственных нужд определяется по (6.1.1).
Исходя из расчетов выбираем два трансформатора собственных
нужд типа ТСЗ - 160/10/0,4. Краткая характеристика трансформаторов представлена
в таблице 9. [8]
Таблица 9 - Техническая характеристика ТСН
|
Характеристика параметра
|
3Т
|
4Т
|
|
1
|
2
|
3
|
|
Номинальная мощность,
|
160
|
160
|
|
Напряжение КЗ,
|
5,5
|
5,5
|
|
Потери КЗ,
|
2,7
|
2,7
|
|
Ток ХХ,
|
4
|
4
|
|
Потери ХХ,
|
0,7
|
0,7
|
|
Полный вес, т
|
1,4
|
1,4
|
. РАСЧЕТ ТОКОВ КОРОТКОГО ЗАМЫКАНИЯ
Расчет токов короткого замыкания (КЗ) проводится для выбора и проверки
уставок релейной защиты и автоматики (РЗА) и проверки параметров оборудования.
Расчет токов КЗ проводим в относительных единицах для двух режимов:
максимального и минимального:
за минимальный режим принимаем - питание РПП осуществляется от менее
мощного источника;
за максимальный режим принимаем - питание РПП осуществляется от более
мощного источника.
Если питание РПП осуществляется только от одного источника, то
максимальный и минимальный режимы совпадают.
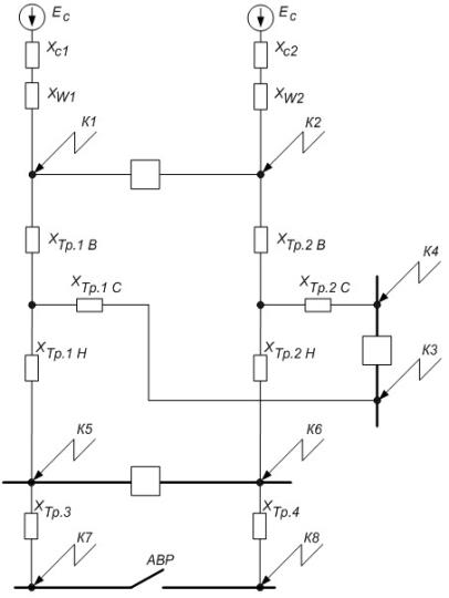
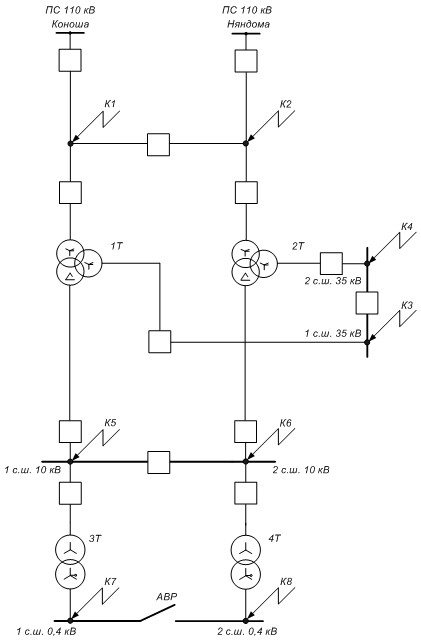
7.1 Составление расчетной схемы электрической
сети
Необходимо определить действующие значения токов короткого замыкания во
всех местах установки защит (местах контроля тока защитами) в максимальном и
минимальном режимах работы электрической сети при повреждении в расчетных
точках. За расчетные точки принимаются шины подстанции, места присоединений
трансформаторов 1Т, 2Т, 3Т, 4Т к магистральным линиям и зажимы обмоток 0,4 кВ
трансформаторов 3Т, 4Т.
Расчетная схема электрической сети представлена на рисунке 3.
Рисунок 3 - Расчетная схема электрической сети
7.2 Расчет параметров схемы замещения
электрической сети
Зададимся базовыми величинами:
.
7.2.1 Расчет параметров энергосистемы
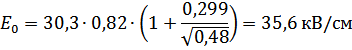
Внутреннее сопротивление эквивалентного источника питания (энергосистемы)
приведённое к стороне 110 кВ будет равно:
где:
- ток КЗ в максимальном режиме (взят из документаций ПО ПЭС
филиала "Архэнерго"), кА:
ПС 110 кВ "Коноша":
;
ПС 110 кВ "Няндома":
.
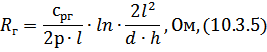
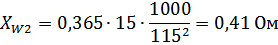
7.2.2 Расчет сопротивления линий электропередач
Параметры всех элементов схемы замещения приводим к стороне высшего
напряжения (ВН). Активное сопротивление линии W1 - 110 кВ (сечение провода АС-120) будет равно:
где:
- удельное активное сопротивление линии, Ом/км; [8]
- длина линии, км;
- базисное напряжение линии, кВ.
Индуктивное сопротивление линии W1:
где:
- удельное индуктивное сопротивление линии, Ом/км; [8]
Аналогичным способом определяем сопротивления линии W2.
Активное сопротивление линии W2 - 110 кВ (сечение провода АС-120):
Индуктивное сопротивление линии W2:
7.2.3 Расчет сопротивления трансформаторов
Определим базисный ток ступени КЗ по формуле:
Параметры трансформаторов 1Т, 2Т равны и представлены в
таблице 7.
В качестве примера определим индуктивные сопротивления трехобмоточного
трансформатора 1Т: [10]
где:
- напряжение КЗ, %;
- номинальная мощность трансформатора, МВ·А.
Определим сопротивления ТСН (3Т, 4Т), приведенные к стороне ВН.
В качестве примера определим сопротивления трансформатора собственных
нужд 3Т: [10]
где:
- потери КЗ трансформатора, кВт;
- номинальная мощность трансформатора, кВ
А.
где:
- напряжение КЗ трансформатора, %.
Схема замещения электрической сети представлена на рисунке 4.
Рисунок 4 - Схема замещения электрической сети
7.3 Расчет токов короткого замыкания
Расчет токов КЗ определяют для напряжения той ступени, к которой приводят
сопротивления схемы.
7.3.1 Минимальный режим работы
В качестве примера определим токи КЗ для точек, относящихся к первой
энергосистеме (К1-К7).
Преобразуем схему замещения относительно точки К1:
Преобразуем схему замещения относительно точки К3:
Преобразуем схему замещения относительно точки К5:
Преобразуем схему замещения относительно точки К7:
Трехфазный ток КЗ определяется по формуле:
где:
- полное суммарное эквивалентное сопротивление от источника
питания до расчетной точки КЗ, Ом;
- э.д.с источника в относительных единицах (
).
Трехфазный ток КЗ точке К1равен:
Установившееся значение тока при двухфазном КЗ определяется по значению
тока трехфазного КЗ:
Двухфазный ток КЗ точке К1равен:
Мгновенное амплитудное значение ударного тока КЗ определяется по формуле:
где:
- ударный коэффициент (для энергосистемы
). [11]
Значение ударного тока КЗ в точке К1равно:
Аналогично определяем токи КЗ для остальных точек.
Токи КЗ для точки К3:
Токи КЗ для точки К5:
Токи КЗ для точки К7:
7.3.2 Максимальный режим
Аналогично определяем токи КЗ при максимальном режиме работы в точках,
относящихся ко второй энергосистеме (К2-К8). Результаты расчетов представлены в
таблице 12.
Таблица 12 - Расчет токов короткого замыкания
|
Номер точки КЗ
|
Минимальный режим
|
Номер точки КЗ
|
Максимальный режим
|
|
, кА
|
, кА
|
|
|
, кА
|
, кА
|
|
|
1
|
2
|
3
|
4
|
5
|
6
|
7
|
8
|
|
К1
|
1,29
|
1,11
|
2,92
|
К2
|
3,16
|
2,73
|
7,18
|
|
К3
|
1,26
|
1,09
|
2,86
|
К4
|
1,56
|
1,35
|
3,54
|
|
К5
|
2,57
|
2,22
|
5,83
|
К6
|
2,9
|
2,51
|
6,57
|
|
К7
|
62,3
|
53,9
|
141,2
|
К8
|
69,2
|
59,8
|
156,9
|
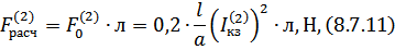
. ВЫБОР ЭЛЕКТРИЧЕСКИХ АППАРАТОВ
8.1 Выбор высоковольтных выключателей
При выборе выключателя его номинальные параметры сравниваются с
параметрами сети в месте его установки. Выключатель выбирается по наиболее
тяжелому режиму работы, который возможен в эксплуатации.
Высоковольтный выключатель выбирается по следующим условиям: [12]
номинальное напряжение выключателя должно быть равно или больше
номинального напряжения защищаемой сети:
по номинальному току:
где:
- номинальный ток отключения выключателя, А;
- расчетный ток выключателя в цепи трансформатора, А.
Расчетный ток выключателя в цепи трансформатора определяется по формуле:
[1]
где:
- номинальная мощность трансформатора, кВ
А;
,4 - коэффициент перегрузки трансформатора при работе в аварийном режиме;
- номинальное напряжение сети, кВ.
В качестве примера определим расчетный ток выключателя на стороне 110 кВ:
Аналогично определяем расчетный ток выключателей на сторонах 35 и 10 кВ.
по отключающей способности:
номинальный ток электродинамической стойкости выключателя должен
превышать максимально возможное значение ударного тока КЗ, которое может быть в
установке. Обычно сравнивают мгновенные значения пика тока:
термическая стойкость проверяется из условия протекания через выключатель
тока КЗ в течение максимального времени, обусловленного срабатыванием защиты:
где:
- среднеквадратичное значение тока за время его протекания,
кА;
- длительность протекания тока, с;
- тепловой импульс тока, кА2·с.
где:
- время срабатывания защиты, с.
На стороне 110 кВ принимаем к установке элегазовые выключатели типа ВЭБ -
110 кВ (В - выключатель; Э - элегазовый; Б - баковый). Элегазовый выключатель
снабжен пружинным приводом типа ППрК - 2000, встроенными трансформаторами тока,
а также устройствами подогрева полюсов, которые при понижении температуры
окружающего воздуха до -250 С автоматически включаются и отключаются при
температуре -200 С . Контроль утечки элегаза из полюсов выключателя
осуществляется при помощи электроконтактных сигнализаторов плотности. Полюсы
выключателя ВЭБ - 110 кВ снабжены аварийной разрывной мембраной. Производитель:
ЗАО Энергомаш (г. Екатеринбург) - Уралэлектротяжмаш. [5]
На стороне 35 кВ принимаем к установке вакуумные выключатели типа ВВС -
35 кВ (В - выключатель; В - вакуумный; С - на базе выключателя С-35). Вакуумный
выключатель предназначен для коммутации электрических цепей в нормальных и
аварийных режимах работы в сетях трехфазного переменного тока частоты 50 (60)
Гц для открытых и закрытых распределительных устройств. Выключатель
комплектуется встроенными трансформаторами тока ТВ - 35 (ввода могут быть как
фарфоровыми так и полимерными) и управляется электромагнитным приводом
ПЭМУ-500. Производитель: ПАО "Ковровский электромеханический завод
(КЭМЗ)". [5]
На стороне 10 кВ принимаем к установке вакуумные
выключатели с электромагнитным приводом типа ВВЭ-М - 10 кВ (В - выключатель; В
- вакуумный; Э - с электромагнитным приводом; М - модернизированный). Выключатели
предназначены для коммутации электрических цепей при нормальных и аварийных
режимах в промышленных и сетевых установках, в сетях трехфазного переменного
тока с изолированной или заземленной через дугагасительный реактор нейтралью
частоты 50 и 60 Гц, на номинальное напряжение до 12 кВ. Выключатели ВВЭ-М - 10
кВ устанавливаются в ячейки типа К-104М, КМ-1Ф, К-49, К-59, К-63, К-204, КМ1,
КВ1 и изготавливаются в стационарном (ВВЭ-СМ - 10 кВ) и в выкатном (ВВЭ-М - 10
кВ) исполнениях. Производитель: ПАО "Электрокомплекс (ЭЛКО)". [5]
Выбор высоковольтных выключателей 110, 35 и 10 кВ
представлен в таблице 13. [5]
Таблица 13 - Выбор выключателей
|
Наимен. оборуд.
|
Расчетные данные
|
Технические данные
|
|
кВ
|
|
|
кА
|
кА2·с
|
Тип выкл.
|
кВ
|
кА
|

|

|
|
|
1
|
2
|
3
|
4
|
5
|
6
|
7
|
8
|
9
|
10
|
11
|
12
|
|
110 кВ
|
|
В цепи 1Т
|
110
|
73,57
|
3,16
|
7,18
|
4,99
|
ВЭБ-110
|
110
|
2500
|
40
|
102
|
4800
|
|
В цепи 2Т
|
110
|
73,57
|
3,16
|
7,18
|
4,99
|
ВЭБ-110
|
110
|
2500
|
40
|
102
|
4800
|
|
Секц. выкл.
|
110
|
-
|
3,16
|
7,18
|
4,99
|
ВЭБ-110
|
110
|
2500
|
40
|
102
|
4800
|
|
35 кВ
|
|
В цепи 1Т
|
35
|
231
|
3,54
|
2,43
|
ВВС-35
|
35
|
1600
|
20
|
52
|
1200
|
|
В цепи 2Т
|
35
|
231
|
1,56
|
3,54
|
2,43
|
ВВС-35
|
35
|
1600
|
20
|
52
|
1200
|
|
Секц. выкл.
|
35
|
-
|
1,56
|
3,54
|
2,43
|
ВВС-35
|
35
|
1600
|
20
|
52
|
1200
|
|
ВЛ-35 Макоров
|
35
|
38,4
|
1,56
|
3,54
|
2,43
|
ВВС-35
|
35
|
1600
|
20
|
52
|
1200
|
|
ВЛ-35 В. Пуя
|
35
|
40,2
|
1,56
|
3,54
|
2,43
|
ВВС-35
|
35
|
1600
|
20
|
52
|
1200
|
|
10 кВ
|
|
В цепи 1Т
|
10
|
809
|
2,9
|
6,57
|
12,6
|
ВВЭ-М-10
|
10
|
1600
|
20
|
81
|
2977
|
|
В цепи 2Т
|
10
|
809
|
2,9
|
6,57
|
12,6
|
ВВЭ-М-10
|
10
|
1600
|
20
|
81
|
2977
|
|
В цепи 3Т
|
10
|
3,12
|
2,9
|
6,57
|
12,6
|
ВВЭ-М-10
|
10
|
630
|
20
|
51
|
1200
|
|
В цепи 4Т
|
10
|
3,12
|
2,9
|
6,57
|
12,6
|
ВВЭ-М-10
|
10
|
630
|
20
|
51
|
1200
|
|
Секц. выкл.
|
10
|
-
|
2,9
|
6,57
|
12,6
|
ВВЭ-М-10
|
10
|
1600
|
20
|
81
|
2977
|
|
ВЛ-10 Л-1
|
10
|
37,4
|
2,9
|
6,57
|
12,6
|
ВВЭ-М-10
|
10
|
630
|
20
|
51
|
1200
|
|
ВЛ-10 Л-5
|
10
|
35
|
2,9
|
6,57
|
12,6
|
ВВЭ-М-10
|
10
|
630
|
20
|
51
|
1200
|
|
ВЛ-10 Л-2
|
10
|
55,5
|
2,9
|
6,57
|
12,6
|
ВВЭ-М-10
|
10
|
630
|
20
|
51
|
1200
|
|
ВЛ-10 Л-6
|
10
|
58,4
|
2,9
|
6,57
|
12,6
|
ВВЭ-М-10
|
10
|
630
|
20
|
51
|
1200
|
|
ВЛ-10 Л-4
|
10
|
30,7
|
2,9
|
6,57
|
12,6
|
ВВЭ-М-10
|
10
|
630
|
20
|
51
|
1200
|
|
ВЛ-10 Л-8
|
10
|
32,5
|
2,9
|
6,57
|
12,6
|
ВВЭ-М-10
|
10
|
630
|
20
|
51
|
1200
|
|
ВЛ-10 Л-3
|
10
|
21,1
|
2,9
|
6,57
|
12,6
|
ВВЭ-М-10
|
10
|
630
|
20
|
51
|
1200
|
|
ВЛ-10 Л-7
|
10
|
19,1
|
2,9
|
6,57
|
12,6
|
ВВЭ-М-10
|
10
|
630
|
20
|
51
|
1200
|
|
ВЛ-10 Восход
|
10
|
31,9
|
2,9
|
6,57
|
12,6
|
ВВЭ-М-10
|
10
|
630
|
20
|
51
|
1200
|
|
ВЛ-10 Индустр.
|
10
|
21,6
|
2,9
|
6,57
|
12,6
|
ВВЭ-М-10
|
10
|
630
|
20
|
51
|
1200
|
|
ВЛ-10 АБЗ
|
10
|
102,2
|
2,9
|
6,57
|
12,6
|
ВВЭ-М-10
|
10
|
630
|
20
|
51
|
1200
|
8.2 Выбор трансформаторов тока
Трансформатор тока (ТТ) предназначен для преобразования тока до значения
удобного для измерения, а также для отделения цепей измерения и защиты от
первичных цепей высокого напряжения.
Для питания измерительных приборов и устройств релейной защиты и
автоматики целесообразно использовать трансформаторы тока с несколькими
сердечниками. Класс точности измерительного трансформатора тока выбирается в
зависимости от его назначения. Если к трансформатору тока подключаются
расчетные счетчики электроэнергии, то класс точности его работы должен быть
0,5. Если же к трансформатору тока подключаются только измерительные приборы,
то достаточен класс точности -1.
Трансформаторы тока выбираются по следующим условиям: [12]
номинальное напряжение ТТ должно быть выше номинального напряжения сети:
номинальный первичный ток ТТ должен быть как можно ближе к рабочему току
установки, так как недогрузка первичной обмотки приводит к увеличению
погрешностей:
по электродинамической стойкости:
где
- ток пропускной способности ТТ, кА.
по термической стойкости:
Тепловой импульс тока (
) определяем по (8.1.5).
по классу точности и вторичной нагрузке:
где
- расчетная вторичная нагрузка ТТ, Ом;
- номинальная допустимая нагрузка ТТ для выбранного класса
точности, Ом.
Индуктивное сопротивление токовых цепей невелико, поэтому принимается:
Согласно [13] вторичная нагрузка
состоит из сопротивления приборов (
), соединительных проводов (
) и переходного сопротивления
контактов (
):
Сопротивление приборов определяется по формуле:
где:
- мощность, потребляемая приборами, В∙А;
- номинальный ток вторичной обмотки ТТ, А.
В качестве примера произведем расчет для трансформатора тока типа ТВ-110
кВ (1Т).
Для подсчета мощности потребляемой приборами нужно составить таблицу, в
которую необходимо внести все приборы, подключенные к вторичной обмотке
трансформатора тока. Расчет сопротивления приборов ведется для наиболее
нагруженной фазы.
Перечень необходимых измерительных приборов принимается согласно [9].
Результаты расчета вторичной нагрузки трансформатора тока представлены в
таблице 14.
Таблица 14 - Вторичная нагрузка ТТ
|
Наименование прибора
|
Тип прибора
|
Потребляемая мощность
|
|
|
Фаза "А"
|
Фаза "B"
|
Фаза "C"
|
|
1
|
2
|
3
|
4
|
5
|
|
Амперметр
|
Измеритель мощности PR-300
|
0,5
|
0,5
|
0,5
|
|
Вольтметр
|
|
-
|
-
|
-
|
|
Ваттметр
|
|
0,5
|
-
|
0,5
|
|
Счетчик активной эн.
|
Меркурий-230
|
2,5
|
-
|
2,5
|
|
Счетчик реактивной эн.
|
|
2,5
|
-
|
2,5
|
|
ИТОГО:
|
6
|
0,5
|
6
|
Сопротивление контактов принимается равным 0,05 Ом при количестве
приборов три и менее и 0,1 Ом при количестве приборов более трех. Сопротивление
соединительных проводов зависит от их длины и сечения.
Наиболее загружены трансформаторы тока фаз А и С.
Сопротивление приборов будет равно:
Для того чтобы ТТ работал в выбранном классе точности, необходимо
выполнить условие:
откуда:
Допустимое сопротивление проводов будет равно:
Зная сопротивление проводов (
) определяем их сечение:
где:
- удельное сопротивление материала провода, Ом/м;
- расчетная длина соединительных проводов, которая зависит
от схемы соединения ТТ, м.
Во вторичных цепях основного и вспомогательного оборудования мощных
электростанций с агрегатами 100 МВт и более, а также на подстанциях с высшим
напряжением 110 кВ и выше применяются медные провода (
). В остальных случаях во вторичных
сетях применяются провода с алюминиевыми жилами (
).
Принимаем длину соединительных проводов
м, тогда:
Выбираем ближайший по сечению медный кабель марки ВВГнг сечением 1,5
Определяем вторичную нагрузку по (8.2.6):
Аналогично выбираются остальные ТТ.
На стороне 110 и 35 кВ принимаем к установке ТТ типа ТВ-110 и ТВ-35
соответственно (Т - трансформатор тока; В - встроенный).
Производитель: ПАО ВО Электроаппарат (г. Санкт-Петербург).
Производитель: ПАО "Свердловский завод трансформаторов тока"
(г. Екатеринбург).
Выбор трансформаторов тока представлен в таблице 15. [8]
Таблица 15 - Выбор трансформаторов тока
|
Наимен. оборуд.
|
Расчетные данные
|
Технические данные
|
|
кВ
|
|
кА
|
кА2·с
|
Тип ТТ
|
кВ
|
А
|
|
|
1
|
2
|
3
|
4
|
5
|
6
|
7
|
8
|
9
|
10
|
|
110 кВ
|
|
В цепи 1Т
|
110
|
73,57
|
7,18
|
4,99
|
ТВ-110
|
110
|
200
|
102
|
4800
|
|
В цепи 2Т
|
110
|
73,57
|
7,18
|
4,99
|
ТВ-110
|
110
|
200
|
102
|
4800
|
|
Секц. выкл.
|
110
|
-
|
7,18
|
4,99
|
ТВ-110
|
110
|
200
|
102
|
4800
|
|
ВЭБ-110 1Т
|
110
|
73,57
|
7,18
|
4,99
|
ТВ-110
|
110
|
200
|
102
|
4800
|
|
ВЭБ-110 2Т
|
110
|
73,57
|
7,18
|
4,99
|
ТВ-110
|
110
|
200
|
102
|
4800
|
|
35 кВ
|
|
В цепи 1Т
|
35
|
231
|
3,54
|
2,43
|
ТВ-35
|
35
|
300
|
-
|
1875
|
|
В цепи 2Т
|
35
|
231
|
3,54
|
2,43
|
ТВ-35
|
35
|
300
|
-
|
1875
|
|
Секц. выкл.
|
35
|
-
|
3,54
|
2,43
|
ТВ-35
|
35
|
300
|
-
|
1875
|
|
ВВС-35 1Т
|
35
|
231
|
3,54
|
2,43
|
ТВ-35
|
35
|
300
|
-
|
1875
|
|
ВВС-35 2Т
|
35
|
231
|
3,54
|
2,43
|
ТВ-35
|
35
|
300
|
-
|
1875
|
|
ВВС-35 В. Пуя
|
35
|
38,4
|
3,54
|
2,43
|
ТВ-35
|
35
|
75
|
40
|
768
|
|
ВВС-35 Макар.
|
35
|
40,2
|
3,54
|
2,43
|
ТВ-35
|
35
|
75
|
40
|
768
|
|
10 кВ
|
|
В цепи 1Т
|
10
|
809
|
6,57
|
12,6
|
ТОЛ-10
|
10
|
1000
|
-
|
2352
|
|
В цепи 2Т
|
10
|
809
|
6,57
|
12,6
|
ТОЛ-10
|
10
|
1000
|
-
|
2352
|
|
В цепи 3Т
|
10
|
3,12
|
6,57
|
12,6
|
ТОЛ-10
|
10
|
50
|
17,5
|
72
|
|
В цепи 4Т
|
10
|
3,12
|
6,57
|
12,6
|
ТОЛ-10
|
10
|
50
|
17,5
|
72
|
|
ВВЭ-10 1Т
|
10
|
809
|
6,57
|
12,6
|
ТОЛ-10
|
10
|
1000
|
-
|
2352
|
|
|
ВВЭ-10 2Т
|
10
|
809
|
6,57
|
12,6
|
ТОЛ-10
|
10
|
1000
|
-
|
2352
|
|
|
Секц. выкл.
|
10
|
-
|
6,57
|
12,6
|
ТОЛ-10
|
10
|
1000
|
-
|
2352
|
|
|
ВЛ-10 Л-1
|
10
|
37,4
|
6,57
|
12,6
|
ТОЛ-10
|
10
|
50
|
17,5
|
72
|
|
|
ВЛ-10 Л-5
|
10
|
35
|
6,57
|
12,6
|
ТОЛ-10
|
10
|
50
|
17,5
|
72
|
|
|
ВЛ-10 Л-2
|
10
|
55,5
|
6,57
|
12,6
|
ТОЛ-10
|
10
|
100
|
52
|
282
|
|
|
ВЛ-10 Л-6
|
10
|
58,4
|
6,57
|
12,6
|
ТОЛ-10
|
10
|
100
|
52
|
282
|
|
|
ВЛ-10 Л-4
|
10
|
30,7
|
6,57
|
12,6
|
ТОЛ-10
|
10
|
50
|
17,5
|
72
|
|
|
ВЛ-10 Л-8
|
10
|
32,5
|
6,57
|
12,6
|
ТОЛ-10
|
10
|
50
|
17,5
|
72
|
|
|
ВЛ-10 Л-3
|
10
|
21,1
|
6,57
|
12,6
|
ТОЛ-10
|
10
|
50
|
17,5
|
72
|
|
|
ВЛ-10 Л-7
|
10
|
19,1
|
6,57
|
12,6
|
ТОЛ-10
|
10
|
50
|
17,5
|
72
|
|
|
ВЛ-10 Восход
|
10
|
31,9
|
6,57
|
12,6
|
ТОЛ-10
|
10
|
50
|
17,5
|
72
|
|
|
ВЛ-10 Индустр.
|
10
|
21,6
|
6,57
|
12,6
|
ТОЛ-10
|
10
|
50
|
17,5
|
72
|
|
|
ВЛ-10 АБЗ
|
10
|
102,2
|
6,57
|
12,6
|
ТОЛ-10
|
10
|
150
|
52
|
469
|
|
|
|
|
|
|
|
|
|
|
|
|
|
|
|
|
|
|
|
|
8.3 Выбор трансформаторов напряжения
Трансформатор напряжения (ТН) предназначен для преобразования высокого
напряжения до величины, необходимой для питания измерительных приборов, цепей
автоматики, сигнализации и устройств защиты, а также для отделения цепей
измерения и релейной защиты от первичных цепей высокого напряжения.
Трансформаторы напряжения выбираются по следующим условиям: [12]
по напряжению установки:
по конструкции и схеме соединения обмоток;
по классу точности;
по вторичной нагрузке:
где:
- номинальная мощность ТН в выбранном классе точности, В
А;
- суммарная вторичная нагрузка измерительных приборов,
присоединенных к ТН, В
А.
Если схема соединения обмоток ТН соответствует схеме соединения
параллельных катушек измерительных приборов, то нагрузку на каждую фазу можно
определить, суммируя нагрузку всех параллельных катушек приборов. Мощность,
потребляемая одной параллельной цепью измерительного прибора, определяется для
наиболее нагруженной фазы:
где:
- активная и реактивная нагрузки, определяемые в зависимости
от схемы соединения вторичных обмоток ТН и схемы включения приборов.
Если схемы соединения обмоток ТН и катушек напряжения приборов различны,
то нагрузку на каждую фазу точно определить нельзя. В этом случае подсчитывают
полную трехфазную нагрузку от всех измерительных приборов и сравнивают ее с
трехфазной номинальной мощностью одного трансформатора или группы трех
однофазных трансформаторов в данном классе точности. При выполнении
практических расчетов нагрузку можно определять арифметическим суммированием
без учета схем включения приборов и коэффициентов мощности отдельных нагрузок
(за исключением случая, когда
):
где:
- мощность, потребляемая всеми параллельными цепями данного
прибора,
.
На стороне 110, 35 и 10 кВ принимаем к установке ТН типа НАМИ-110,
НАМИ-35 и НАМИ-10 кВ соответственно (Н - трансформатор напряжения; А -
антирезонансный; М - с естественной циркуляцией воздуха и масла; И - для
контроля изоляции сети).
ТН НАМИ-110 кВ - однофазный электромагнитный антирезонансный масляный,
предназначен для установки в электрических сетях трехфазного переменного тока
частоты 50 Гц с глухо заземленной нейтралью с целью передачи сигнала измерительной
информации приборам измерения, устройствам автоматики, защиты, сигнализации и
управления.
ТН НАМИ-35 кВ - трехфазный антирезонансный масляный, предназначен для
установки в электрических сетях трехфазного переменного тока частоты 50 Гц с
изолированной или с компенсированной нейтралью с целью передачи сигнала
измерительной информации приборам измерения, устройствам автоматики, защиты,
сигнализации и управления.
ТН НАМИ-10 кВ - трехфазный антирезонансный масляный, предназначен для
установки в шкафах КРУН и в закрытых РУ промышленных предприятий в
электрических сетях трехфазного переменного тока частоты 50 Гц с изолированной
нейтралью с целью передачи сигналов измерительной информации приборам
измерения, устройствам автоматики, защиты, сигнализации и управления.
Производитель ТН НАМИ-110, НАМИ-35 и НАМИ-10 кВ : ПАО "Свердловский
завод высоковольтного оборудования" (г. Екатеринбург).
Выбор трансформаторов напряжения представлен в таблице 16. [5]
Таблица 16 - Выбор трансформаторов напряжения
|
Место установки
|
Расчетные данные
|
Технические данные
|
|
|
Обмотки
|
|
Тип ТН
|
|
|
|
1
|
2
|
3
|
5
|
6
|
7
|
|
ОРУ-110 кВ
|
110
|
Основная
|
30
|
НАМИ-110
|
110
|
800
|
|
|
Основная
|
30
|
|
|
600
|
|
|
Дополнительная
|
40
|
|
|
1200
|
|
ОРУ-35 кВ
|
35
|
Основная
|
20
|
НАМИ-35
|
35
|
240
|
|
|
Основная
|
20
|
|
|
240
|
|
|
Дополнительная
|
30
|
|
|
80
|
|
КРУН-10 кВ
|
10
|
Основная
|
20
|
НАМИ-10
|
10
|
75
|
|
|
Основная
|
20
|
|
|
75
|
|
|
Дополнительная
|
30
|
|
|
30
|
8.4 Выбор разъединителей
Разъединители предназначены для включения и отключения обесточенных
участков электрических цепей, находящихся под напряжением, а также заземления
отключенных участков при помощи заземлителей (при наличии).
Разрешается отключение и включение разъединителями: [12]
нейтралей силовых трансформаторов 110-220 кВ;
заземляющих дугогасящих реакторов 6-35 кВ при отсутствии в сети замыкания
на землю;
намагничивающего тока силовых трансформаторов 6-500 кВ;
зарядного тока и тока замыкания на землю воздушных и кабельных линий
электропередач;
зарядного тока систем шин, а также зарядного тока присоединений с
соблюдением требований нормативных документов;
в кольцевых сетях 6-10 кВ разрешается отключение разъединителями
уравнительных токов до 70 А и замыкание сети в кольцо, при разности напряжений
на разомкнутых контактах разъединителей более, чем не 5 %;
допускается отключение и включение трехполюсными разъединителями наружной
установки при напряжении 10 кВ и ниже нагрузочного тока до15 А;
допускается дистанционное отключение разъединителями неисправного
выключателя 220 кВ и выше, зашунтированного одним выключателем или цепочкой из
нескольких выключателей других присоединений систем шин (схема
четырехугольника, полуторная и т.п.), если отключение выключателя может
привести к его разрушению или обесточению подстанции.
Разъединители выбираются по следующим условиям: [12]
по номинальному напряжению:
по номинальному току:
по электродинамической стойкости:
по термической стойкости:
На стороне 110 и 35 кВ принимаем к установке разъединители типа РГП-110 и
РГП-35 кВ соответственно (Р - разъединитель; Г - горизонтально-поворотного
типа; П - с полимерной изоляцией). Разъединители РГП предназначены:
для включения и отключения обесточенных участков электрической цепи
высокого напряжения 110 (35) кВ;
для обеспечения безопасного производства работ на отключенном участке;
для заземления отключенных участков при помощи стационарных заземляющих
ножей.
РГП рассчитан для работы в сетях переменного тока частоты 50 Гц напряжением
110 (35) кВ. Управление главными ножами и заземлителями разъединителей
осуществляется ручным приводом типа ПРГ-6. Производитель: ЗАО "Завод
электротехнического оборудования" (г. Великие Луки).
Выбор разъединителей представлен в таблице 17. [5]
Таблица 17 - Выбор разъединителей
|
Наимен. оборуд.
|
Расчетные данные
|
Технические данные
|
|
кВ
|
|
кА
|
кА2·с
|
Тип выкл.
|
кВ
|
А
|

|
|
|
1
|
2
|
3
|
4
|
5
|
6
|
7
|
8
|
9
|
10
|
|
110 кВ
|
|
ВЛ-110 Коноша
|
110
|
24,8
|
7,18
|
4,99
|
РГП-110
|
110
|
1000
|
80
|
2977
|
|
ВЛ-110 Няндома
|
110
|
25,7
|
7,18
|
4,99
|
РГП-110
|
110
|
1000
|
80
|
2977
|
|
Выкл. в цепи тр-ра 1Т
|
110
|
73,57
|
7,18
|
4,99
|
РГП-110
|
110
|
1000
|
80
|
2977
|
|
Выкл. в цепи тр-ра 2Т
|
110
|
73,57
|
7,18
|
4,99
|
РГП-110
|
110
|
1000
|
80
|
2977
|
|
Секц. выкл.
|
110
|
-
|
7,18
|
4,99
|
РГП-110
|
110
|
1000
|
80
|
2977
|
|
35 кВ
|
|
В цепи 1Т
|
35
|
231
|
3,54
|
2,43
|
РГП-35
|
35
|
1000
|
40
|
1200
|
|
В цепи 2Т
|
35
|
231
|
3,54
|
2,43
|
РГП-35
|
35
|
1000
|
40
|
1200
|
|
Секц. выкл.
|
35
|
-
|
3,54
|
2,43
|
РГП-35
|
35
|
1000
|
40
|
1200
|
|
ВЛ-35
Макоров
|
35
|
38,4
|
3,54
|
2,43
|
РГП-35
|
35
|
1000
|
40
|
1200
|
|
ВЛ-35
В. Пуя
|
35
|
40,2
|
3,54
|
2,43
|
РГП-35
|
35
|
1000
|
40
|
1200
|
|
|
|
|
|
|
|
|
|
|
|
8.5 Выбор сборных шин РУ-10 кВ
Сборные шины РУ-10 кВ выбираются по следующим условиям:
по допустимому току:
где
- длительно допустимый ток нагрузки шин, А;
- расчетный ток сборных шин, А.
Расчетный ток сборных шин определяем по (8.1.3).
по номинальному напряжению:
- по электродинамической стойкости:
- по термической стойкости:
Выбор сборных шин 10 кВ представлен в таблице 18. [5]
Таблица 18 - Выбор сборных шин 10 кВ
|
Наименование оборудования
|
Расчетные данные
|
Технические данные
|
|
кВ
|
|
кА
|
кА2·с
|
кВ
|
А
|

|
|
|
1
|
2
|
3
|
4
|
5
|
6
|
7
|
8
|
9
|
|
Сборные шины КРУН-10 кВ (МТ-50х5)
|
10
|
809
|
6,57
|
12,6
|
10
|
870
|
31,5
|
1200
|
8.6 Выбор токопровода 10 кВ
Токопроводы напряжением 6-10 кВ предназначены для электрического
соединения трансформатора со шкафами комплектных распределительных устройств
(КРУ), устанавливаемые в цепях трехфазного переменного тока частотой 50 и 60
Гц. Токопроводы могут применятся и на других объектах энергетики,
промышленности, транспорта, сельского хозяйства и т.п.
Токопроводы выбираются по следующим условиям: [5]
по допустимому току:
где
- длительно допустимый ток нагрузки шин, А;
- максимальный расчетный ток получасового максимума
нагрузки, который имеет место быть при выходе из строя одной из двух цепей
двухцепного токопровода и переключении всей нагрузки на оставшуюся в работе
цепь, А.
Максимальный расчетный ток токопровода определяем по (8.1.3).
по номинальному напряжению:
- по электродинамической стойкости:
- по термической стойкости:
На стороне 10 кВ принимаем к установке закрытый трехфазный токопровод
типа ТКС-10 кВ (Т - токопровод; К - круглый; С - симметричный). Производитель:
ПАО "АБС ЗЭиМ Автоматизация" (г. Чебоксары).
Выбор токопровода 10 кВ представлен в таблице 19. [5]
Таблица 19 - Выбор токопровода 10 кВ
|
Наименование оборудования
|
Расчетные данные
|
Технические данные
|
|
кВ
|
|
кА
|
кА2·с
|
кВ
|
А
|

|
|
|
1
|
2
|
3
|
4
|
5
|
6
|
7
|
8
|
9
|
|
Токопровод ТКС-10
|
10
|
809
|
6,57
|
12,6
|
10
|
2000
|
81
|
2977
|
8.7 Выбор гибкой ошиновки ОРУ-110 и ОРУ-35 кВ и
опорных изоляторов
Спуски и перемычки между оборудованием выполнены гибким неизолированным
проводом марки АС.
Определим экономически целесообразное сечение
проводника:
где
- экономическая плотность тока, А/мм2 ; [1]
- расчетный длительный ток сети, А.
Расчетный длительный ток сети определяется по формуле:
где:
- сумма номинальной мощности потребителей, кВ
;
- коэффициент распределения нагрузки на шинах (
- при количестве присоединений менее
пяти).
- номинальное напряжение сети, кВ.
Для стороны 110 кВ экономически целесообразное сечение
проводника будет равно:
Полученное сечение округляем до ближайшего стандартного значения:
. Однако, согласно ПУЭ, минимально
допустимый диаметр провода для ВЛ-110 кВ по условиям короны -
. Исходя из этого выбираем провод
марки АС-70.
Аналогично определяем экономически целесообразное
сечение проводника для стороны 35 кВ:
Полученное сечение округляем до ближайшего стандартного значения:
. Выбираем один провод марки АС-50.
Гибкая ошиновка ОРУ-110 и ОРУ-35 кВ выбираются по следующим условиям:
- по нагреву:
где:
- допустимый ток выбранного сечения провода, А.
Для 110 кВ:
Для 35 кВ:
проверка на термическую стойкость
Расчет по проверке гибкого неизолированного провода марки АС на
термическую стойкость произведем согласно [11].
Расчет производим в следующей последовательности:
На рисунке 8.9 [11] выбираем кривую, соответствующую материалу
проверяемого проводника, и с помощью этой кривой, исходя из начальной
температуры проводника
, находим значение величины
при этой температуре. В качестве
начальной принята температура -
, тогда:
Интеграл Джоуля
при расчетных условиях КЗ определяем по формуле:
где:
- трехфазный расчетный ток КЗ на линии, А;
- время действия релейной защиты, с;
- эквивалентная постоянная времени затухания апериодической
составляющей тока КЗ, с.
Определим значение величины
, соответствующее конечной
температуре нагрева проводника, по формуле:
где:
- площадь поперечного сечения проводника,
По найденному значению величины
, используя выбранную кривую на
рисунке 8.9 [11], определим температуру нагрева проводника к моменту отключения
КЗ
и сравним ее с предельно допустимой
температурой
(для сталеалюминевого провода
).
Термическая стойкость проводника обеспечивается, так как выполняется
условие:
проверка сечения на электродинамическую стойкость при КЗ
Расчет по проверке гибкого неизолированного провода марки АС на
электродинамическую стойкость произведем согласно [11].
При проверке гибких проводников на электродинамическую стойкость
расчетными величинами являются максимальное тяжение
и максимальное сближение проводников
при КЗ.
Электродинамическая стойкость гибких проводников обеспечивается, если
выполняются условия:
где
- допустимое тяжение в проводах, Н;
- расстояние между проводниками фаз, м;
- расчетное смещение проводников, м;
- наименьшее допустимое расстояние между проводниками фаз
при наибольшем рабочем напряжении, м;
- радиус расщепления фазы, м.
При проверке гибких проводников на электродинамическую стойкость при КЗ,
у которых провес превышает половину расстояния между фазами, определяют
значение параметра
:
где:
- начальное действующее значение периодической составляющей
тока двухфазного КЗ, кА;
- расчетная продолжительность КЗ (
);
- расстояние между фазами (
);
- погонный вес провода (с учетом влияния гирлянд), Н/м;
- безразмерный коэффициент, учитывающий влияние апериодической
составляющей электродинамической силы.
График
приведен в [11].
- постоянная времени затухания апериодической составляющей
тока КЗ, с.

Если выполняется условие
то расчет смещения проводников можно не проводить, так как
опасности их чрезмерного сближения нет:
Для 110 кВ:
Для
Максимально возможное тяжение в проводнике
следует определять, полагая, что вся
энергия, накопленная проводником во время КЗ, трансформируется в потенциальную
энергию деформации растяжения при падении проводника после отключения тока КЗ,
поднятого электродинамическими силами над исходным равновесным положением.
При этом
составляет:
где:
- модуль упругости (
);
- площадь поперечного сечения провода, м2;
- энергия накопленная проводником, Дж;
- тяжение (продольная сила) в проводнике до КЗ, H;
- длина пролета, м.
Энергия накопленная проводником определяется по формуле:
где:
- масса провода в пролете, кг;
- расчетная электродинамическая нагрузка на проводник при
двухфазном КЗ, Н.
где:
- длина пролета, м.
где:
- провес провода посередине пролета (
);
- длина проводника в пролете, которую допускается принимать
равной длине пролета, м.
Произведем расчет для гибкого проводника 110 кВ:
Для установки выбираем подвесные изоляторы типа ЛК 70/110-III УХЛ1 минимальная разрушающая
нагрузка
. Допустимая нагрузка на изолятор
равна:
Аналогично произведем расчет для гибкого проводника 35 кВ:
Для установки выбираем подвесные изоляторы типа ЛК 70/35-III УХЛ1 минимальная разрушающая
нагрузка
. Допустимая нагрузка на изолятор
равна:
проверка по условиям короны:
где:
- начальная критическая напряженность электрического поля,
кВ/см;
- напряженность электрического заряда около поверхности
провода, кВ/см;
Начальная критическая напряженность электрического поля определяется по
формуле:
где:
- коэффициент учитывающий шероховатость отверстия
поверхности провода (
);
- радиус провода, см;
Напряженность электрического заряда около поверхности провода
определяется по формуле:
где:
- линейное напряжение, кВ;
- среднее геометрическое расстояние между проводами фаз, см.
Произведем расчет для гибкого проводника 110 кВ:
Проверка:
Аналогично произведем расчет для гибкого проводника 35 кВ:
Проверка:
Исходя из выше приведенных расчетов можно сделать вывод: выбранные
провода и подвесные изоляторы для гибкой ошиновки 110 и 35 кВ удовлетворяет всем
условиям.
8.8 Выбор ограничителей перенапряжения
Ограничитель перенапряжений нелинейный (ОПН) является
одним из основных элементов подстанции, обеспечивающим защиту оборудования
распределительного устройства (РУ) и линий от перенапряжений, возникших при
коммутационных электрических цепей, грозах и т.п. ОПН пришли на смену
применяемых ранее разрядников, которые в настоящее время сняты с производства,
но еще эксплуатируются и в большинстве случаев исчерпали свой ресурс.
Основным отличием ОПН от разрядника является
отсутствие у ОПН традиционного для разрядника искрового промежутка. Так как в
ОПН нет искрового промежутка, то при их срабатывании износа контактов не
происходит. ОПН не требуют особого обслуживания и контроля параметров в
течение всего срока службы. [5]
ОПН выбирается по следующим условиям: [5]
по номинальному напряжению:
где:
- номинальное напряжение ОПН, кВ;
- номинальное напряжение сети, кВ.
по наибольшему длительному допустимому рабочему напряжению:
В сетях 110-500 кВ, работающих с глухозаземленной или эффективно
заземленной нейтралью (коэффициент замыкания на землю не выше 1,4), наибольшее
длительное допустимое рабочее напряжение ОПН должно быть не ниже:
где:
- наибольшее длительное допустимое рабочее напряжение сети,
кВ;
- наибольшее длительное допустимое рабочее напряжение ОПН,
кВ.
В сетях 3-35 кВ, работающих с изолированной нейтралью или компенсацией емкостного
тока замыкания на землю и допускающих неограниченно длительное существование
однофазного замыкания на землю, наибольшее рабочее длительно допустимое
напряжение выбирается равным наибольшему рабочему напряжению
электрооборудования для данного класса напряжения по ГОСТ 1516.3-96
(переиздание: октябрь 2003 г).
На стороне 10 кВ принимаем к установке ограничитель перенапряжения типа
ОПН-КР/TEL-10 кВ, который предназначены для надежной защиты электрооборудования
в сетях класса напряжения 6 - 10 кВ с изолированной или компенсированной
нейтралью. Рекомендуются для использования в распределительных сетях для защиты
трансформаторов и двигателей.
На стороне 110 и 35 кВ принимаем к установке ограничители перенапряжения
типа ОПН-РК-110 и ОПН-РК-35 кВ соответственно. ОПН-РК предназначены для защиты
от коммутационных и грозовых перенапряжений электрооборудования электрических
сетей переменного тока промышленной частоты с изолированной или
компенсированной нейтралью класса напряжения 35 кВ и сетей 110 кВ с глухозаземленной
или эффективно заземленной нейтралью. Производитель ОПН-110, 35 и 10 кВ: ЗАО
"Таврида Электрик" (г. Москва).
Выбор ОПН 110, 35, 10 кВ представлен в таблице 20. [5]
Таблица 20 - Выбор ОПН 110, 35, 10 кВ
|
Тип ОПН
|
|
|
|
|
|
|
ОПН-РК-110
|
110
|
115
|
110
|
77
|
760
|
|
ОПН-РК-35
|
35
|
38,5
|
35
|
40,5
|
760
|
|
ОПН-КР/TEL-10
|
10
|
11
|
10
|
10,5
|
300
|
8.9 Выбор оборудования, устанавливаемого в
нейтрали трансформатора
В нейтрали силовых трансформаторов ТДТН - 10000 устанавливаются:
ограничители перенапряжения нелинейные ОПНН-110 (Н - разземляемая
нейтраль). Предназначены для защиты заземляемой нейтрали силовых
трансформаторов и высоковольтных аппаратов, включаемых в эту нейтраль, напряжением
переменного тока 110 кВ частоты 50 Гц от грозовых и коммутационных
перенапряжений.
заземлитель нейтрали силового трансформатора ЗОН-110Б (З - заземлитель; О
- однополюсный; Н - наружной установки). Предназначен для заземления нейтрали
силовых трансформаторов, имеющих в нейтрали трансформатор тока для защиты от
замыканий на землю.
трансформаторы тока ТВТ-35-200/5.
8.10 Выбор КРУН-10 кВ
КРУН 10 кВ предназначены для приема и распределения электрической энергии
трехфазного переменного тока частотой 50 и 60 Гц на номинальное напряжение 6,
10 и 35 кВ. КРУН применимы для всех типов электрических станций и подстанций,
электроснабжения предприятий всех отраслей промышленности, транспорта,
коммунального хозяйства, а также объектов атомной энергетики.
Шкафы КРУН могут использоваться для расширения уже эксплуатируемых
распределительных устройств других фирм-производителей и стыковаться к ним при
помощи переходных шкафов. В зависимости от условий обслуживания шкафы КРУН
могут устанавливаться однорядно, двурядно или дуплексно. [5]
Принимаем к установке КРУН -10 кВ (К - комплектное; У-
распределительное; У- устройство; Н - наружной установки) типа К-204 ЭП.
КРУН-10 кВ (К-204 ЭП) применяется на всех промышленных предприятиях и
электростанциях, где номинальный ток главных цепей не превышает 1600 А. Нижнее
расположение сборных шин, двухстороннее обслуживание. Производитель ПАО
"Завод ЭЛЕКТРОПУЛЬТ" (г. Санкт- Петербург). [5]
.11 Технико-экономическое обоснование выбора
выключателей 110, 35 и 10 кВ.
Надежность электросети зависит от требований бесперебойности работы
электроприемников. Необходимая степень надежности определяется тем возможным
ущербом, который может быть нанесен производству при прекращении их питания.
При оценке надежности систем электроснабжения ожидаемое количество
электроэнергии, недоотпущенное потребителям за период времени (год),
определяется как суммарный ожидаемый недоотпуск электроэнергии всем
потребителям. [14]
Для сравнения выбираются выключатели с разными средами гашения дуги:
масло, вакуум и элегаз.
Для выбора выключателей необходимо произвести технико-экономическое
сравнение.
Определим приведенные затраты на высоковольтные выключатели:
где:
- капитальные вложения, руб;
- норма дисконта (
);
- издержки, руб;
- ущерб связанный с недоотпуском электроэнергии, руб.
Недоотпуск электроэнергии определяем по формуле:
Ожидаемый недоотпуск
-му потребителю:
где:
- средняя величина нагрузки
- эквивалентная продолжительность простоя, ч/год.
Эквивалентная продолжительность простоя:
где:
- параметр частоты отказов, год -1;
- среднее время восстановления, ч;
- коэффициент отражающий, что последствия от преднамеренных
отключений менее тяжелы чем от внезапных отказов;
- частота преднамеренных отключений, год -1;
- среднее время обслуживания, ч.
Ущерб, связанный с недоотпуском электроэнергии:
где:
- удельный ущерб, руб;
- базисный индекс удорожания (
).
В качестве примера произведем расчет для масляных выключателей 110 кВ.
Для масляных выключателей:
частота отказов в год
;
среднее время восстановления
коэффициент отражающий, что последствия от преднамеренных отключений
менее тяжелы чем от внезапных отказов
;
частота преднамеренных отключений
среднее время обслуживания
;
Эквивалентная продолжительность простоя:
Ожидаемый недоотпуск:
Ущерб связанный с недоотпуском электроэнергии:
Определим приведенные затраты на масляные выключатели:
Аналогично производим расчет для остальных высоковольтных выключателей.
Результаты расчетов представлены в приложении 2.
Как видно из результатов, экономически целесообразно использовать на
напряжении 110 кВ элегазовые выключатели, на напряжении 35 и 10 кВ - вакуумные
выключатели.
. РАСЧЕТ РЕЛЕЙНОЙ ЗАЩАТЫ И ПРОТИВОАВАРИЙНОЙ АВТОМАТИКИ
Развитие аварии при КЗ может быть предотвращено быстрым отключением
поврежденного участка электрической установки или сети при помощи специальных
автоматических устройств, получивших название релейная защита, которые
действуют на отключение выключателей.
Основным назначением релейной защиты является: [1]
выявление места возникновения КЗ и быстрое автоматическое отключение
выключателей поврежденного оборудования или участка сети от остальной
неповрежденной части электрической установки или сети;
выявление нарушения нормальных режимов работы оборудования и подаче
предупредительных сигналов обслуживающему персоналу или отключение оборудования
с выдержкой времени.
К релейной защите предъявляются следующие основные требования:
быстродействие;
селективность;
чувствительность;
надежность.
9.1 Краткая характеристика шкафов микропроцессорных защит
Шкаф ШЭ2607 016 - шкаф автоматики управления выключателем и защиты линии.
Он предназначен для защиты линии 110-220 кВ и управления выключателем. Шкаф
содержит трехступенчатую дистанционную защиту (ДЗ), четырехступенчатую токовую
защиту нулевой последовательности (ТЗНП), токовую отсечку (ТО), автоматику разгрузки
при перегрузке по току (АРПТ), а также автоматику управления выключателем и
устройство резервирования при отказе выключателя (УРОВ). [15]
Автоматика управления выключателем формирует сигналы на включение и
отключение выключателя по командам, приходящим от защит и устройств,
телемеханики или ключа дистанционного управления. В шкафу обеспечивается
возможность задания до восьми групп уставок, что позволяет использовать его для
обходного выключателя. [15]
Шкаф ШЭ2607 031 - шкаф направленной высокочастотной защиты линии. Данный
шкаф содержит направленную высокочастотную защиту (ВЧЗ) линии, устройство
резервирования при отказе выключателя и предназначен для защиты двухконцевых и
многоконцевых линий электропередачи напряжением 110-330 кВ. Защита содержит релейную
и высокочастотную части. Релейная часть защиты реализована на базе
микропроцессорного терминала типа БЭ2704 V031. Программное обеспечение
предназначено для использования терминала в качестве быстродействующей защиты
на двухконцевых линиях напряжением 110-220 кВ, не оборудованных устройством
ОАПВ, при всех видах КЗ. Имеется возможность использования защиты на линиях с
тяговой нагрузкой и линиях с ответвлениями. [15]
ШЭ2607 041 - шкаф защиты трансформатора и управления выключателем стороны
ВН. Комплект защиты данного шкафа реализует функции основных и резервных защит
трансформатора и содержит дифференциальную защиту трансформатора (ДЗТ) от всех
видов КЗ, токовую защиту нулевой последовательности стороны ВН, максимальную
токовую защиту (МТЗ) стороны высшего, среднего и низшего напряжения с пуском по
напряжению, защиту от перегрузки, реле тока для блокировки РПН при перегрузке,
токовые реле для пуска автоматики охлаждения, а также функцию УРОВ на стороне
ВН трансформатора. Кроме того данный комплект обеспечивает прием сигналов от
сигнальной и отключающей ступеней газовой защиты трансформатора, газовой защиты
РПН трансформатора, датчиков повышения температуры масла, понижения и повышения
уровня масла, неисправностей цепей охлаждения. [15]
"Сириус-Л" - устройство микропроцессорной защиты, предназначено
для выполнения функций релейной защит, автоматики, управления и сигнализации
присоединений напряжением 6-35 кВ. Устройство предназначено для установки в КРУ
и КРУН, на панелях и в шкафах в релейных залах и пультах управления подстанций.
"Сириус-Л" предназначен для защиты кабельных и воздушных линий, а
также трансформаторов мощностью до 630 кВА, например ТСН. Функции защит,
выполняемые устройством: трехступенчатая максимальная токовая защита (МТЗ) от междуфазных
повреждений с контролем двух или трех фазных токов, автоматический ввод
ускорения любых ступеней МТЗ при любом включении выключателя, защита от обрыва
фазы питающего фидера, защита от однофазных замыканий на землю по сумме высших
гармоник, выдача сигнала для организации логической защиты шин. [15]
9.2 Обоснование выбора защит
В соответствии с [1] обоснуем выбор и типы защит, устанавливаемые на
подстанции.
) Защита отходящих линий 110 кВ
На одиночных линиях, имеющих питание с двух или более сторон (последнее -
на линиях с ответвлениями), как при наличии, так и при отсутствии обходных
связей, от многофазных замыканий должна быть применена дистанционная защита
(преимущественно трехступенчатая), используемая в качестве основной.
В качестве дополнительной защиты рекомендуется использовать токовую
отсечку без выдержки времени.
От замыканий на землю должна быть предусмотрена, как правило, ступенчатая
токовая направленная или ненаправленная защита нулевой последовательности.
Также устанавливаем АПВ и УРОВ. Выбираем для установки на отходящих
линиях 110 кВ шкафы микропроцессорной защиты фирмы серии ШЭ2607 016.
Производитель: ООО НПП "ЭКРА" (г. Чебоксары).
) Защита отходящих линии 35-10 кВ.
На отходящих линиях 35-10 кВ устанавливаем МТЗ, токовую отсечку и АПВ.
Выбираем устройство защиты "Сириус-Л". Производитель: ЗАО
"РАДИУС Автоматика" (г. Москва).
) Защита секционных выключателей 3-35 кВ
На секционном выключателе 3-35 кВ должна быть предусмотрена
двухступенчатая токовая защита от многофазных КЗ.
) Защита ТСН-10 кВ
Для защиты ТСН устанавливаем токовую отсечку без выдержки времени,
устанавливаемая со стороны питания и охватывающая часть обмотки трансформатора,
если не предусматривается дифференциальная защита.
На трансформаторах мощностью менее 1 МВ·А (повышающих и понижающих) в
качестве защиты от токов, обусловленных внешними многофазными КЗ, должна быть
предусмотрена действующая на отключение максимальная токовая защита и АПВ.
Выбираем микропроцессорную защиту "Сириус-Л". Производитель: ЗАО
"РАДИУС Автоматика" (г. Москва).
9.3 Защита силовых трансформаторов ТДТН-10000
Согласно ПУЭ, для трансформаторов должны быть предусмотрены устройства
релейной защиты от следующих видов повреждений и ненормальных режимов работы:
многофазных замыканий в обмотках и на выводах;
однофазных замыканий на землю в обмотке и на выводах, присоединенных к
сети с глухозаземленной нейтралью;
витковых замыканий в обмотках;
токов в обмотках, обусловленных внешними КЗ;
токов в обмотках, обусловленных перегрузкой;
понижения уровня масла;
однофазных замыканий на землю в сетях 3-10 кВ с изолированной нейтралью,
если трансформатор питает сеть, в которой отключение однофазных замыканий на
землю необходимо по требованиям безопасности.
Силовой трансформатор ТДТН-10000/110/35/10 оборудован следующими защитами:
газовая защита трансформатора;
продольно дифференциальная защита трансформатора;
МТЗ от токов при внешних КЗ;
МТЗ от перегрузки;
температурная сигнализация;
защита от понижения уровня масла (газовая защита на сигнал);
9.3.1 Газовая защита трансформаторов
Газовая защита является основной быстродействующей защитой при
повреждении внутри бака трансформатора, внутри бака устройства регулирования
напряжения под нагрузкой (РПН) и при уходе масла из газового реле.
Защита имеет два реле:
газовое реле (при повреждении внутри бака трансформатора);
струйное реле (при повреждении внутри бака РПН).
Основными достоинствами газовой защиты являются простота ее устройства,
высокая чувствительность, малое время действия при значительных повреждениях,
действие на сигнал или отключение в зависимости от степени повреждения. [15]
Требования к микропроцессорным устройствам таковы, что они должны
обеспечивать отключение и действие на сигнализацию от газовых защит защищаемого
силового оборудования, газовых защит устройства РПН (в том числе от струйного
реле защиты РПН, защиты контактора РПН), линейного добавочного трансформатора и
его устройства РПН, от технологических защит трансформатора. Также
микропроцессорные устройства должны обеспечивать прием сигналов от различных
датчиков, таких, как повышения температуры масла, повышения и понижения уровня
масла, неисправности цепей охлаждения. [15]
В шкафах защиты обеспечивается прием сигналов от: [15]
сигнальной и отключающей ступеней газовой защиты трансформатора (ГЗТ);
газовой защиты устройства РПН трансформатора (ГЗ РПН).
9.3.2 Дифференциальная защита трансформатора
Дифференциальная защита является основной быстродействующей защитой
трансформатора от всех видов КЗ, кроме однофазных на стороне 35 и 10 кВ
(изолированная нейтраль).
Определяем номинальные токи по сторонам трансформатора: [16]
где:
- номинальное напряжение сети, кВ;
- номинальная мощность трансформатора, кВ
А.
Также необходимо произвести расчет вторичных номинальных токов по сторонам
трансформатора: [16]
где:
- коэффициент схемы (
);
- коэффициент трансформации главного ТТ соответствующей
стороны.
В качестве примера произведем расчета для стороны 110 кВ.
Аналогично определяем номинальный и базисный токи для сторон СН и НН.
Результаты расчетов сводим в таблицу 21.
Таблица 21 - Расчет номинальный и базисных токов
|
Наименование тока
|
Расчетное значение
|
|
1
|
2
|
|
Номинальный ток на стороне ВН, А
|
52,5
|
|
Номинальный ток на стороне СН, А
|
165,1
|
|
Номинальный ток на стороне НН, А
|
578
|
|
Коэффициент трансформации ТТ ВН
|
300/5
|
|
Коэффициент трансформации ТТ СН
|
600/5
|
|
Коэффициент трансформации ТТ НН
|
1000/5
|
|
Базисный ток на стороне ВН, А
|
0,87
|
|
Базисный ток на стороне СН, А
|
1,37
|
|
Базисный ток на стороне НН, А
|
2,89
|
Производим выбор уставок ДЗТ:
минимальный ток срабатывания ДЗТ при отсутствии торможения определяется
по условию отстройки от тока небаланса в переходном режиме работы защищаемого
трансформатора при малых сквозных токах и рассчитывается по формуле: [17]
где:
- сквозной ток во вторичных цепях, А;
- относительное значение тока небаланса, вызванного
неточностью выравнивания;
- диапазон регулирования коэффициента трансформации (
);
- коэффициент, учитывающий наличие апериодической
составляющей тока КЗ (
);
- коэффициент однотипности высоковольтных трансформаторов
тока (
);
- максимально допустимая погрешность ТТ (
).
где:
- номинальный вторичный ток трансформатора высокой стороны,
А.
- определение тока срабатывания дифференциальной токовый отсечки.
Основным условием правильной работы защиты является отстройка тока
срабатывания защиты от бросков намагничивающих токов, возникающих при включении
трансформатора, и токов небаланса при внешних КЗ.
Определяем значение тока срабатывания защиты по условию отстройки от тока
небаланса: [17]
где:
- коэффициент отстройки, учитывающий погрешности
измерительного органа, ошибки расчета и необходимый запас (
).
Проверяем чувствительность защиты:
где:
- ток уставки на стороне ВН, А;
- ток срабатывания уставки на стороне ВН, А.
где:
- минимальный двухфазный ток КЗ, при котором ДЗ должна
сработать, А.
Чувствительность защиты обеспечивается.
9.3.3 МТЗ от токов при внешних КЗ
Выбираем максимальную токовую защиту (МТЗ) с пуском по напряжению.
Первичный ток срабатывания защиты равен: [16]
где:
- коэффициент отстройки (
);
- коэффициент, учитывающий увеличение тока в условиях
самозапуска заторможенных двигателей нагрузки. В предварительных расчетах, а
также в случае отсутствия соответствующей информации, данный
коэффициент может быть принят из диапазона от 1,5 до 2,5. Для статической
нагрузки, имеющей в своем составе малую долю электродвигателей, принимают
коэффициент самозапуска по опытным данным
[16]
- коэффициент возврата (
);
- номинальный ток на соответствующей стороне трансформатора,
А.
Определим
на стороне ВН трансформатора:
Определим
на стороне СН трансформатора:
Определим
на стороне НН трансформатора:
Определяем коэффициенты чувствительности МТЗ:
Определим параметр срабатывания минимального измерительного органа
напряжения:
где:
- междуфазное напряжение в месте установки защиты, В.
Определение выдержки времени МТЗ
Выдержка времени выбирается по условиям согласования с последними,
наиболее чувствительными ступенями защит от многофазных КЗ предыдущих элементов
(максимальной токовой с пуском по напряжению или без пуска, дистанционной
защиты), в частности с максимальными токовыми защитами с пуском по напряжению,
установленными на сторонах более низкого напряжения защищаемого трансформатора.
Расчет может быть выполнен по выражению:
где:
- время срабатывания наиболее чувствительных ступеней
смежных защит, с которыми производится согласование, с;
- ступень селективности, может быть принята при малых выдержках
времени равной 0,4 с, при больших выдержках времени МТЗ принимается равной 0,5
с; при согласовании цифровых реле и применении вакуумных или элегазовых
выключателей с полным временем отключения 0,04 ÷ 0,05 с. можно принимать ступень
селективности в диапазоне от 0,15 до 0,20 с.
9.3.4 МТЗ от перегрузки
Защита от перегрузки предназначена защиты трансформатора от длительных
перегрузок. На трехобмоточных трансформаторах с обмотками одинаковой мощности и
двусторонним питанием защиту от перегрузки следует ставить на обеих питающих
сторонах. При неравной мощности обмоток защита устанавливается на всех трех
сторонах. В остальных случаях на трансформаторах защита от перегрузки
устанавливается только со стороны питания - ВН.
Ток срабатывания защиты равен:
Время срабатывания защиты от перегрузки выбирается на ступень больше
времени МТЗ трансформатора:
9.3.5 Температурная сигнализация
Температурная сигнализация срабатывает при повышении температуры в баке
трансформатора.
На трансформаторах с принудительной циркуляцией воздуха и естественной
циркуляцией масла (система охлаждения Д) электродвигатели вентиляторов должны
автоматически включаться при достижении температуры масла 55°С или номинальной
нагрузки независимо от температуры масла и отключаться при понижении
температуры масла до 50°С, если при этом ток нагрузки менее номинального. [18]
Условия работы трансформаторов с отключенным дутьем должны быть
определены заводской инструкцией. [18]
Повешение температуры в баке трансформатора может произойти в результате
его перегрузки, либо при аномально жаркой температуре окружающего воздуха.
Температурная сигнализация устанавливается на трансформаторах, к которым
есть свободный доступ обслуживающего персонала (действует на сигнал), или
выполняется в качестве тепловых реле, которые отключают трансформатор при
превышении его максимально допустимой температуры.
9.3.6 Проверка ТТ по условию 10%-ой погрешности
Для сокращения числа однотипных расчетов выбираются из двух комплектов
защит трансформаторов 1Т и 2Т трансформаторы тока, имеющие наибольшие значения
предельной кратности и наибольшую вторичную нагрузку. Схемы защит в обоих
случаях аналогичны.
Для продольных дифференциальных защит первичный расчетный ток, при
котором должна обеспечиваться работа ТТ с погрешностью не более 10%,
принимается равным наибольшему значению тока при внешнем КЗ:
По кривой предельной кратности для трансформатора типа ТОЛ-10
.
Фактическое расчетное сопротивление нагрузки определяется по формуле:
где:
- сопротивление провода, Ом;
- сопротивление шкафа защиты "ЭКРА", Ом;
- переходное сопротивление в контактных соединениях (
).
где:
- длина проводов, м;
- удельная проводимость, для меди (
);
- сечение проводов,
.
где:
- потребляемая мощность устройством "ЭКРА", В·А;
I - ток, при котором задана потребляемая мощность, А.
меньше, чем
, следовательно, полная погрешность ТТ
. БЕЗОПАСНОСТЬ ЖИЗНЕДЕЯТЕЛЬНОСТИ
) Вступление
В современных условиях развития общества решение проблем, связанных с
обеспечением безопасной жизнедеятельности человека во всех сферах его
деятельности от опасных и вредных факторов, является актуальным. Это
обусловлено тем, что в последние годы в нашей стране и за рубежом происходит
множество чрезвычайных ситуаций различного характера. При этом возникающие
стихийные бедствия, аварии, катастрофы, загрязнение окружающей среды
промышленными отходами и другими вредными веществами, а также применение в
локальных войнах различных видов оружия создают ситуации, опасные для здоровья
и жизни населения. Эти воздействия становятся катастрофическими, они приводят к
большим разрушениям, вызывают смерть, ранения и страдания значительного числа
людей. Чтобы умело и грамотно противостоять последствиям проявления любых
опасностей в чрезвычайных ситуациях, необходимо постоянно совершенствовать
уровень подготовки специалистов различных профилей, способных решать комплекс
взаимосвязанных задач в обеспечении безопасной жизнедеятельности человека.
Основу научных и практических знаний, содержащихся науке
"Безопасность жизнедеятельности", составляют знания, ранее
излагавшихся в отдельных статьях: "Охрана труда", "Охрана
окружающей среды" и "Гражданская оборона". Их объединение
позволило расширить и углубить познания в области анатомо-физиологических
свойств человека и его реакциях на воздействие негативных факторов;
комплексного представления об источниках, количестве и значимости травмирующих
и вредных факторов среды обитания. Предпосылкой такого подхода является
значительная общность в указанных выше статьях целей, задач, объектов и
предметов изучения, а также средств познания и принципов реализации
теоретических и практических задач.
Главная задача науки "Безопасность жизнедеятельности" -
формирование у обучаемых сознательного и ответственного отношения к вопросам
личной безопасности и безопасности окружающих, привитие основополагающих знаний
и умений распознавать и оценивать опасности, определять способы надежной защиты
от них, оказывать само- и взаимопомощь, а также ликвидировать последствия
чрезвычайных ситуаций.
Безопасность жизнедеятельности (БЖД) как учебная дисциплина изучает
теорию и практику защиты человека от опасных и вредных факторов (опасностей) во
всех сферах его деятельности.
) Применение комплекса технических защитных средств
В зависимости от вида электроустановки, номинального напряжения, режима
нейтрали, условий среды помещения и доступности электрооборудования необходимо
применять определенный комплекс необходимых защитных мер, обеспечивающих
достаточную безопасность, которая редко может быть обеспечена единственной
мерой.
В электроустановках применяют следующие технические защитные меры:
малые напряжения (до 50 В);
электрическое разделение сетей;
Защитные меры направленные для обеспечения безопасности персонала:
контроль и профилактика повреждений изоляции;
компенсация емкостной составляющей тока замыкания на землю;
обеспечение недоступности токоведущих частей;
защитное заземление;
зануление;
двойная изоляция;
защитное отключение.
Применение этих защитных средств регламентируется ПУЭ и другими
Правилами.
10.2 Требования к персоналу при обслуживании
подстанции: [19]
работники обязаны проходить обучение безопасным методам и приемам
выполнения работ в электроустановках;
работники, занятые на тяжелых работах и на работах с вредными или
опасными условиями труда (в том числе на подземных работах), а также на
работах, связанных с движением транспорта, должны проходить обязательные
предварительные (при поступлении на работу) и периодические (для лиц в возрасте
до 21 года - ежегодные) медицинские осмотры;
работники должны проходить обучение по оказанию первой помощи
пострадавшему на производстве до допуска к самостоятельной работе.
Электротехнический персонал кроме обучения оказанию первой помощи пострадавшему
на производстве должен быть обучен приемам освобождения пострадавшего от
действия электрического тока с учетом специфики обслуживаемых (эксплуатируемых)
электроустановок;
работники, относящиеся к электротехническому персоналу, а также электротехнологический
персонал должны пройти проверку знаний Правил и других нормативно-технических
документов (правил и инструкций по устройству электроустановок, по технической
эксплуатации электроустановок, а также применения защитных средств) в пределах
требований, предъявляемых к соответствующей должности или профессии, и иметь
соответствующую группу по электробезопасности, требования к которой
предусмотрены приложением №1 к Правилам.
Требования, установленные для электротехнического персонала, являются
обязательными и для электротехнологического персонала;
работник обязан соблюдать требования Правил, инструкций по охране труда,
указания, полученные при целевом инструктаже.
Работнику,
прошедшему проверку знаний по охране труда при эксплуатации электроустановок,
выдается удостоверение о проверке знаний норм труда и правил работы в
электроустановках, форма которого предусмотрена приложениями №№ 2, <#"903486.files/image572.gif">, кА
ρ, Ом/м
|
hr, м
|
d, м
|
а, м
|
b, м
|
Rзу
|
|
1
|
2
|
3
|
4
|
5
|
6
|
7
|
|
3,16
|
150
|
0,7
|
0,02
|
60
|
80
|
0,5
|
Примечание: В таблице:
- ток трехфазного короткого замыкания на землю, ρ
- удельное сопротивление
грунта (суглинок), hr - глубина
залегания заземляющего устройства, d - диаметр круглой стали для горизонтальных и вертикальных стержней, а и b - строительные размеры подстанции, Rзу - сопротивление заземляющего
устройства
.2) Обоснование исходных данных
Согласно ПУЭ п. 1.2.16 [1], работа электрических сетей напряжением 110 кВ
может предусматриваться как с глухозаземленной, так и с эффективно заземленной
нейтралью. В нашем случае используется глухозаземленная нейтраль.
В соответствии с ПУЭ п. 1.7.90 [1], вертикальные заземлители должны быть
длиной 3-5 м.
Согласно ПУЭ п.1.7.90 [1], заземляющее устройство, которое выполняется с
соблюдением требований к его сопротивлению, должно иметь в любое время года
сопротивление не более 0,5 Ом с учетом сопротивления естественных и
искусственных заземлителей.
Контур заземления выполняется из стальных стержней соединённых между
собой круглой сталью диаметром 0,02 м. В траншею вертикально ввинчиваются
стержни, а выступающие из земли верхние концы соединяются сваркой внахлест. [1]
Стержни располагаются в виде геометрической фигуры (прямоугольника).
Совокупность стержней, соединенных между собой, образует контур заземления. [1]
Горизонтальные заземлители следует прокладывать по краю территории,
занимаемой заземляющим устройством так, чтобы они в совокупности образовывали
замкнутый контур на глубине 0,5-0,7 м.
.3) Действительные размеры заземляющего устройства
Согласно ПУЭ [1] п. 1.7.93, для исключения электрической связи внешней
ограды с заземляющим устройством расстояние от ограды до элементов заземляющего
устройства, расположенных вдоль неё с внутренней, с внешней или с обеих сторон
должно быть не менее 2 метров.
Определим площадь застройки подстанции S:
где: а и b - строительные
размеры подстанции, м.
Определяем действительные размеры заземляющего контура
,
:
1.4) Автоматизированная обработка заземляющего устройства [20]
Автоматизированная обработка заземляющего устройства представлена в
приложении 3 (таблицы 3. 1 - 3. 3).
В таблице 3. 3 (приложения 3) приведен расчет заземляющего устройства при
длине вертикальных стержней 5 м. В результате расчета получили число
вертикальных стержней - 228.
.5) Проектирование заземляющего устройства подстанции по инженерной
методике [21]
Определяем расчетное удельное сопротивление грунта для горизонтальных и
вертикальных заземлителей:
где:
- удельное сопротивление грунта (
).
Определим расчетное сопротивление растеканию горизонтального заземлителя:
где:
- длина горизонтальных стержней (периметр контура), м;
- диаметр вертикального электрода, м;
- глубина залегания горизонтальных электродов (контура), м.
Если
, то необходимо применение вертикальных электродов.
где:
- действительные
длины заземляющего контура подстанции, м.
Определим необходимое сопротивление электродов:
где:
- сопротивление горизонтального заземлителя, Ом;
- допустимое сопротивление заземляющего устройства, Ом;
Сопротивление растеканию одного вертикального электрода
стержневого типа определяем по формуле:
где:
- длина вертикального электрода, м;
- расстояние от поверхности земли до центра вертикального
электрода, м;
- диаметр вертикального электрода, м.
Находим число вертикальных электродов:
где:
- коэффициент использования вертикальных электродов (
). [22]
.6) Сравнение результатов
По
расчету заземляющего устройства с помощью автоматизированной обработки
получилось 228 вертикальных стержней, по инженерной методике - 226,
окончательно принимаем к установке 228 вертикальных электродов, расположение
которых показано на чертеже "Заземляющее устройство подстанции".
Определяем
массу спроектированного заземляющего устройства по следующей формуле:
где:
- радиус заземляющего стержня, м;
- плотность стали, кг/м3;
- длина и ширина заземляющего контура соответственно, м;
- количество вертикальных стержней, шт;
- длина вертикального стержня, м;
- коэффициент запаса (
).
В нашем случае выбираем марку стали - СТ3. Такая сталь имеет плотность
7800 кг/м3. Находим массу искусственного заземлителя при
и
.
) Выбор молниеприемников. Расчет молниезащиты [21]. Подключение
молниеприемников к заземляющему устройству
Открытые РУ и ПС 20-750 кВ должны быть защищены от прямых ударов молнии.
Выполнение защиты от прямых ударов молнии не требуется:
для ПС 20 и 35 кВ с трансформаторами единичной мощностью 1,6 МВ·А и менее
независимо от количества таких трансформаторов и от числа грозовых часов в
году;
для всех ОРУ ПС 20 и 35 кВ в районах с числом грозовых часов в году не
более 20;
для ОРУ и ПС 220 кВ и ниже на площадках с эквивалентным удельным
сопротивлением земли в грозовой сезон более 2000 Ом·м при числе грозовых часов
в году не более 20.
Здания закрытых РУ и ПС следует защищать от прямых ударов молнии в
районах с числом грозовых часов в году более 20.
Защиту зданий закрытых РУ и ПС, имеющих металлические покрытия кровли,
следует выполнять заземлением этих покрытий. При наличии железобетонной кровли
и непрерывной электрической связи отдельных ее элементов защита выполняется
заземлением ее арматуры.
Защиту зданий закрытых РУ и ПС, крыша которых не имеет металлических или
железобетонных покрытий с непрерывной электрической связью отдельных ее
элементов, следует выполнять стержневыми молниеотводами.
При установке стержневых молниеотводов на защищаемом здании от каждого
молниеотвода должно быть проложено не менее двух токоотводов по противоположным
сторонам здания.
Наименьшее сечение токоотводов, выполняемых из угловой и полосовой стали
и расположенных вне сооружения - 48 мм2, а для расположенных внутри - 24 мм2.
Круглые токоотводы должны иметь наименьший диаметр 5 и 6 мм соответственно.
Соединение токоотводов (специальных и естественных) должны быть сварными
(внахлест).
Среднегодовая продолжительность гроз в рассматриваемом нами районе
составляет 30 часов (до 40), среднегодовое число ударов молнии в год составляет
при этом на 1 км2 поверхности - 2,5.
Определим ожидаемое число поражений молнией в год зданий и сооружений
высотой не более 60 м., не оборудованных молниезащитой и имеющих неизменную
высоту по формуле:
где:
- длина подстанции (
);
- ширина подстанции (
);
- высота подстанции (
);
- среднее число ударов молнии на 1 км2 поверхности (
).
В открытых распределительных устройствах напряжением 35 кВ и выше
разрешается установка молниеотводов непосредственно на металлических и
железобетонных конструкциях ОРУ.
При установку стержневых молниеотводов на конструкциях ОРУ для их
заземления служит заземляющее устройство ОРУ, а отдельно стоящие молниеотводы
имеют свое собственное заземление, электрически не связанное с заземляющим
устройством ОРУ.
Устанавливаем два молниеотвода на портальных стойках УП-110-Л-27 (ОРУ-110
кВ).
Общая высота молниеотвода 20 м:
стойка ВС-3 над уровнем земли - 11 м;
молниеприемник - 9 м;
Также предусматривается два отдельно стоящих молниеотвода на прожекторных
мачтах, общая высота которых 20 м.
Определим радиус зоны защиты на определенной высоте по формуле:
где:
, если
Для устанавливаемых молниеотводов:
;
;
.
Рисунок 5 - Зона защиты одиночного стержневого молниеотвода
Выбранные молниеотводы обеспечивают необходимую зону защиты.
10.4 Тушение пожаров на ОРУ ПС. Разработка
оперативно-пожарных карточек. Допуск пожарных команд на тушение пожара
Пожарная опасность электроустановок обусловлена наличием в применяемом
электрооборудовании горючих изоляционных материалов. Горючей является изоляция
обмоток электрических машин, трансформаторов, различных электромагнитов,
проводов и кабелей. Изоляция бумажно-маслянных конденсаторов также является
горючей. Опасной в отношении пожара является изоляция проводов (резина, бумага,
полиэтилен и т.п.) и кабелей. [23]
Наибольшую пожарную опасность представляют маслонаполненные аппараты, в
нашем случае силовые трансформаторы. [23]
В силовых трансформаторах с масляным охлаждением не исключено межвитковое
КЗ в результате которого в части обмотки (витке) возникает настолько большой
ток, что изоляция быстро разлагается с выделением горючих газов. При отсутствии
надлежащей защиты, отключающей поврежденный трансформатор, не исключен взрыв
газовой смеси с разрушением стенок кожуха и последующим выбросом горящего
масла. [23]
Учитывая пожарную опасность электроустановок, ПУЭ устанавливают ряд
специальных требований к электрооборудованию при проектировании и монтаже. В
процессе эксплуатации электроустановок необходимо также соблюдать ряд мер,
предусмотренных Правилами технической эксплуатации (ПТЭ) с учетом пожарной
безопасности. [23]
) Тушение пожаров на ОРУ ПС
При тушении пожаров в электроустановках возникает опасность поражения
человека электрическим током. Особенно это касается электроустановок, находящихся
под напряжением. Поражение электрическим током может наступить в результате
непосредственного прикосновения человека к токоведущим частям, находящимся под
напряжением, или попадание под напряжение шага. [23]
Однако, наиболее вероятным случаем поражения является тот, при котором в
процессе тушения пожара струя воды (или другого огнетушащего средства)
достигает частей электроустановки, находящихся под напряжением. При этом по
телу человека пойдет ток, значение которого зависит от сопротивления огнетушащего
средства, сопротивления тела человека, сопротивлением между телом человека и
землей, сопротивлением пожарных рукавов и сопротивления между рукавами и
землей. [23]
При всех равных условиях значение этого тока в основном будет зависеть от
сопротивления струи. [23]
При тушении пожаров в электроустановках возможны также случайные
прикосновения людей, осуществляющих тушение, к токоведущим частям
электроустановки, находящимся под напряжением (двухполюсные и однополюсные
прикосновения), а также возможны аварийные режимы, при которых корпуса
электроустановок могут оказаться под напряжением. [23]
Для безопасного выполнения работ, связанных с тушением пожаров в
электроустановках, необходимо выполнять следующее: [23]
на тушение пожара должно выдаваться распоряжение старшим в смене лицом
(на ГЭС - начальником смены станции).
тушение пожара должно осуществляться не менее чем двумя лицами.
до начала тушения пожара должны быть выполнены необходимые технические и
организационные мероприятия, обеспечивающие безопасность производства работ.
В соответствии с действующими «Правилами пожарной безопасности для
энергетических предприятий» (ППБэ) напряжение с электроустановки должно быть
снято и только после этого разрешается допуск пожарных для тушения пожаров.
[23]
Разрешается тушение пожаров в электроустановках, находящихся под
напряжением до 0,4 кВ, так как во многих случаях оборудование электрических
станций и подстанций, находящееся под напряжением до 0,4 кВ, не может быть
отключено по условиям технологии производства и в процессе ликвидации пожара.
(Зачастую невозможно снять полностью напряжение переменного и постоянного тока
с цепей вторичной коммутации из-за недопустимости потери управления
оборудованием, что может привести к тяжёлым последствиям для технологии энергетического
производства и режима работы энергосистемы). [23]
На ПС оборудование 0,4 кВ, которое допускается тушить под напряжением,
должно быть регламентировано соответствующим документом по предприятию. [23]
) Разработка оперативно-пожарных карточек
В электроустановках любых напряжений при возникновении пожара
разрабатываются (заранее) оперативные карточки пожаротушения.
В них указывается:
расположение не обесточенного оборудования;
необходимые операции по отключению оборудования, непосредственно
загоревшегося и находящегося вблизи зоны пожара;
места размещения заземляющих устройств, защитных средств и средств
пожаротушения;
возможные маршруты движения пожарных расчетов к месту пожара;
каналы аварийного слив масла и емкость для аварийного слив масла;
места расположения пожарных гидрантов (при наличии).
Оперативные карточки пожаротушения также регламентируют правильность
действий обслуживающего персонала при возникновении пожара:
вызвать по телефону 01 подразделения противопожарной службы;
сообщить о пожаре диспетчеру и руководству;
вывести в ремонт загоревшееся и находящееся вблизи зоны пожара
оборудование;
приступить к ликвидации пожара первичными средствами пожаротушения;
подготовить средства электрозащиты для личного состава МЧС и техники
(диэлектрические боты - 4 пары; диэлектрические перчатки - 4 пары; заземление
переносное - 2 шт);
организовать встречу пожарных подразделений;
доложить обстановку прибывшему руководителю тушения пожара (РТП);
принять меры по созданию работающим на пожаре безопасных условий;
провести инструктаж и выдать РТП письменный допуск на тушение;
в процессе тушения давать РТП рекомендации и выполнять его указания.
) Допуск пожарных команд на тушение пожара
Форма допуска на тушение пожара представлена в приложении 4.
10.5 Наводнения. Защита энергообъектов при
весеннем паводке. Задача МЧС в XXI веке
) Наводнения
Наводнение - значительное затопление местности в результате подъема
уровня воды в реке, озере или море в период снеготаяния, ливней, ветровых
нагонов воды, при заторах и т.п. К особому типу относятся наводнения,
вызываемые ветровым нагоном воды в устья рек.
Наводнения приводят к разрушению мостов, дорог, зданий, сооружений,
приносят значительный материальный ущерб, а при больших скоростях движения воды
(более 4 м/с) и большой высоте подъема воды (более 2 м) вызывают гибель людей и
животных.
Основной причиной разрушений являются воздействия на здания и сооружения
гидравлических ударов массы воды, плывущих с большой скоростью льдин, различных
обломков, плавсредств и т.п. Наводнения могут возникать внезапно и продолжаться
от нескольких часов до 2-3 недель.
.1) Способы предотвращения наводнений
Наиболее эффективным способом борьбы с наводнениями на реках является
регулирование речного стока путем создания водохранилищ. Они выравнивают сток
реки, делая его больше летом и меньше весной. для борьбы с наводнениями на
морском берегу используются оградительный дамбы. Еще одним способом борьбы с
наводнениями является углубление перекатов и других мелей. Для защиты от
наводнений при таянии льда на реках чаще всего применяют динамит (или иное
взрывчатое вещество), взрываемый в определенных местах реки, который, уничтожая
торосы, дает возможность воде течь свободно и направлять ее по нужному
направлению.
) Защита энергообъектов при весеннем паводке
В целях своевременной подготовки подразделений энергопредприятия к
надежной работе в период весеннего паводка необходимо:
организовать завоз оборудования и создать аварийный запас строительных
материалов, деталей опор, инструмента, спецодежды, ГСМ.
На участки, которые могут оказаться отрезанными от баз, завести
необходимые материалы;
обеспечить до наступления паводка эвакуацию оборудования, механизмов,
материалов и другого имущества из затопляемых зон;
очистить от снега и мусора канализационные и дренажные устройства, каналы
для отвода талых вод, осмотреть кабельные каналы на подстанции;
проверить состояние мест прохода кабелей, труб, вентиляционных каналов
через стены зданий, готовность откачивающих механизмов;
проверить исправность устройств для сброса и удаления масла с целью
исключения попадания его в водоемы;
проверить маслосборник на ПС на наличие масла, при необходимости
произвести своевременную его откачку;
подготовить бригады для аварийно-восстановительных и специальных работ;
на период весенней распутицы и общего закрытия проездов по дорогам
получить пропуска для спецавтомашин;
провести весенний технический осмотр зданий и сооружений в районах сетей,
группах подстанций и базе согласно графика. Результаты осмотра зданий и
сооружений занести в специальный журнал;
в период прохождения паводка не реже одного раза в неделю организовать
надзор за состоянием закрепления опор в грунте на переходах через водоемы с
записью результатов наблюдений.
Сведения о подготовке к весеннему паводку представить в СНОТ;
начальникам РЭС и групп подстанций в указанный период незамедлительно
информировать руководство предприятия о всех отклонениях от нормальной
эксплуатации объектов сетей, связанных с прохождением паводка;
В десятидневный срок после прохождения паводка выполнить внеочередной
осмотр объектов, подвергнутых воздействию паводка, для определения повреждений
и необходимости ремонтно-восстановительных работ.
Результаты внеочередных осмотров оформить актами со сроками исполнения.
Акты представить СНОТ.
Паводковой комиссии в течение первой декады апреля месяца произвести
проверку готовности подразделений к прохождению паводка.
) Задача МЧС в XXI
веке
В начале XXI века в России продолжает оставаться
высоким риск возникновения чрезвычайных ситуаций различного характера. Причем
тяжесть ежегодно имеющих место аварий, катастроф и стихийных бедствий имеет
тенденцию к возрастанию: растет ущерб, остаются значительными санитарные и
безвозвратные потери населения, наносится непоправимый вред природной среде.
[24]
Проблема предупреждения и ликвидации чрезвычайных
ситуаций остается для страны весьма актуальной. [24]
Наибольшую опасность в природной сфере представляют
возникающие чрезвычайные ситуации, обусловленные землетрясениями, наводнениями,
селями, ураганами, лесными пожарами, в техногенной сфере - радиационными и
транспортными авариями, авариями, связанными с выбросом химически и
биологически опасных веществ, взрывами, пожарами, гидродинамическими авариями,
авариями на системах коммунально-энергетического хозяйства. [24]
В последние годы усилиями органов государственной
власти Российской Федерации, органов местного самоуправления, органов
управления РСЧС, научных организаций разработан и принят ряд законодательных и
нормативных правовых актов, регламентирующих деятельность в области
предупреждения и ликвидации чрезвычайных ситуаций, накоплен значительный опыт в
проведении мероприятий по предупреждению аварий, катастроф и стихийных бедствий
различного характера и ликвидации их последствий, создана научная база
противодействия катастрофам, современные технологии и средства проведения
аварийно-спасательных и других неотложных работ. [24]
В настоящее время МЧС Росси является основным
федеральным органом в области предупреждения и ликвидации ЧС, и решает
поставленные перед ним цели и задачи на достаточно высоком уровне: [24]
разработка предложений по государственной политике в
области гражданской обороны, предупреждение и ликвидация чрезвычайных ситуаций,
в том числе преодоление последствий радиационных аварий и катастроф, проведение
подводных работ особого назначения, обеспечение выживания населения в условиях
военного времени;
руководство гражданской обороной Российской Федерации,
войсками гражданской обороны РФ, поисково-спасательной службой МЧС;
обеспечение функционирования и дальнейшего развития
Российской системы предупреждения и действий в чрезвычайных ситуациях (РСЧС);
организация и осуществление государственного надзора
за готовностью к действиям при возникновении чрезвычайных ситуаций и
выполнением мероприятий по их предупреждению;
руководство по поручению Правительства Российской
Федерации работами по ликвидации крупных аварий, катастроф и других
чрезвычайных ситуаций;
проведение подводных работ особого назначения,
создание и обеспечение готовности сил и средств, необходимых для ликвидации
чрезвычайных ситуаций;
координация деятельности федеральных органов
исполнительной власти, органов исполнительной власти субъектов Российской
Федерации, органов местного самоуправления, предприятий, учреждений и
организаций по преодолению последствий радиационных аварий и катастроф,
контроль за осуществлением мероприятий в этой области;
организация разработки и реализация федеральных
целевых и научно-технических программ, направленных на предотвращение и
ликвидацию чрезвычайных ситуаций, в том числе преодоление последствий
радиационных аварий и катастроф, защиту населения, территории страны, а также
на повышение устойчивости функционирования объектов народного хозяйства при
возникновении чрезвычайных ситуаций;
координация работ по созданию и использованию системы
чрезвычайных резервных фондов, включая государственные резервы, для проведения
первоочередных работ по ликвидации чрезвычайных ситуаций, контроль за целевым
расходованием средств, выделяемых Правительством Российской Федерации на
проведение мероприятий по ликвидации чрезвычайных ситуаций;
организация обучения населения, подготовка должностных
лиц органов управления и формирований гражданской обороны, подразделений РСЧС к
действиям в чрезвычайных ситуациях;
организация международного сотрудничества (п. 4
Положения «О Министерстве Российской Федерации по делам гражданской обороны,
чрезвычайным ситуациям и ликвидации последствий стихийных бедствий»
утвержденного постановлением Правительства РФ от 06.05.94
. ОРГАНИЗАЦИОННО-ЭКОНОМИЧЕСКАЯ ЧАСТЬ
11.1 Сметно-финансовый расчет объекта
проектирования
Сметная стоимость объекта определяется на основании сметы. Смета -это
предельная стоимость затрат на сооружение объекта или комплекса объектов. Смета
является основным экономическим документом при строительстве.
Для расчетов используем территориальные единичные расценки на монтаж
оборудования (ТЕРм), прейскуранты заводов-изготовителей, методические пособия
для расчета сметной стоимости строительства объектов электроэнергетики. [25]
Для определения прямых затрат в сметной стоимости пусконаладочных работ
по электротехническим устройствам вводимые в эксплуатацию здания и сооружения
используем территориальные единичные расценки на пусконаладочные работы (ТЕРп).
[26]
При составлении сметы объекта также необходимо учитывать затраты на
земельные работы, которые определяем с помощью территориальных единичных
расценок на работы (ТЕР). [27]
Территориальные сборники включают в свой состав расценки, являющиеся
обязательными для применения при составлении сметной документации, а также
расчетов за выполненные пусконаладочные работы, при осуществлении работ на
объектах строительства, ремонта и реконструкции с привлечением государственного
бюджета всех уровней и целевых внебюджетных фондов.
Расчеты проводятся с помощью корректирующих коэффициентов,
характеризующих цепные темпы инфляции по отдельным видам товаров, работ и
услуг. [28]
Смета на строительство рассматриваемого нами объекта (РПП-110/35/10)
представлена в приложении 5 (таблицы 5. 1 - 5. 5).
Таблица - 23 - Перечень элементов схемы
|
№ п/п
|
Наименование оборудования и материалов
|
Тип, мощность
|
Единицы измерения
|
Количество
|
|
1
|
2
|
3
|
4
|
5
|
|
1
|
Силовой трансформатор
|
ТДТН-10000/110/35/10
|
шт.
|
2
|
|
2
|
Трансформатор собственных нужд
|
ТСЗ-160/10/0,4
|
шт.
|
2
|
|
3
|
Выключатель элегазовый 110 кВ
|
ВЭБ-110-40/2500 У1
|
компл.
|
3
|
|
4
|
Выключатель вакуумный 35 кВ
|
ВВС-35-20/1600 У1
|
компл.
|
5
|
|
5
|
Выключатель вакуумный 10кВ
|
ВВЭ-10-20/1600/630 У2
|
компл.
|
16
|
|
6
|
Трансформатор тока 110 кВ
|
ТВ-110-I-300/5
|
компл.
|
8
|
|
7
|
Трансформатор тока 35 кВ
|
ТВ-35-I-600/5
|
компл.
|
12
|
|
8
|
Трансформатор тока 10 кВ
|
ТОЛ-10-I
|
компл.
|
18
|
|
9
|
Трансформатор напряжения 110 кВ
|
НАМИ-110 У1
|
шт.
|
2
|
|
10
|
Трансформатор напряжения 35 кВ
|
НАМИ-35 У1
|
шт.
|
2
|
|
11
|
Трансформатор напряжения 10 кВ
|
НАМИТ-10 У2
|
шт.
|
2
|
|
12
|
Разъединитель заземляющий 110 кВ
|
РГП-110/1000 У1
|
компл.
|
12
|
|
13
|
Разъединитель заземляющий 35 кВ
|
РГП-35/1000 У1
|
компл.
|
12
|
|
14
|
Ошиновка гибкая 110 кВ
|
АС-70
|
пролет
|
13 (470 м.)
|
|
15
|
Ошиновка гибкая 35 кВ
|
АС-50
|
пролет
|
9 (340 м.)
|
|
16
|
Сборные шины КРУН-10 кВ
|
50х5
|
м.
|
60
|
|
17
|
Ограничитель перенапряжения 110 кВ
|
ОПН-РК-110 У1
|
компл.
|
4
|
|
18
|
Ограничитель перенапряжения 35 кВ
|
ОПН-РК-35 У1
|
компл.
|
4
|
|
19
|
Ограничитель перенапряжения 10 кВ
|
ОПН- КР/TEL-10 У1
|
компл.
|
18
|
|
20
|
Изоляторы линейные подвесные 110 кВ
|
шт.
|
54
|
|
21
|
Изоляторы линейные подвесные 35 кВ
|
ЛК-70/35
|
шт.
|
42
|
|
22
|
Ячейки КРУН-10 кВ
|
К-204 ЭП
|
шт.
|
19
|
|
23
|
Токопровод
|
ТСК-10
|
м.
|
150
|
.2 Расчет численности и состава бригады
работников
Из приложения 5 (таблицы 5. 1 - 5. 3) берется общая трудоемкость
электромонтажных работ и определяется списочное число электромонтажников по
формуле: [29]
где:
- трудоемкость работ (
);
- заданный срок электромонтажных работ (
);
- месячная норма выработки (
);
- производительность труда (
);
- коэффициент использования рабочего времени (
).
Строительно-монтажные работы (СМР) ведутся в общем случае комплексными
бригадами, что является оправданным, с учетом опыта строительства промышленных
предприятий, при небольшом объеме СМР как на отдельных объектах, так и на
предприятии в целом, при этом выполняются несколько видов работ, что расширяет
фронт работ для данной бригады, сокращает время на перебазировку рабочей силы с
одного объекта на другой и упрощает управление строительным производством.
11.3 Организация электромонтажных работ.
Построение ленточного графика
) Организация электромонтажных работ
Весь комплекс электромонтажных работ делят на четыре этапа: [30]
Первый этап - организация и подготовка производства ЭМР.
На данном этапе, до начала производства работ на объекте должны быть
выполнены следующие мероприятия:
получена рабочая документация к производству электромонтажных работ;
согласованы: графики поставки оборудования, изделий и материалов с учетом
технологической последовательности производства работ; перечень
электрооборудования, монтируемого с привлечением персонала
предприятий-поставщиков; условия транспортирования к месту монтажа тяжелого и крупногабаритного
электрооборудования;
выделены помещения для размещения бригад рабочих, инженерно-технических
работников, производственной базы, а также для складирования материалов и
инструмента с обеспечением мероприятий по охране труда, противопожарной безопасности
и охране окружающей среды;
разработан проект производства работ, проведено ознакомление
инженерно-технических работников и бригадиров с рабочей документацией и
сметами, организационными и техническими решениями проекта производства работ;
осуществлена приемка по акту строительной части объекта под монтаж
электротехнических устройств и выполнены предусмотренные нормами и правилами
мероприятия по охране труда, противопожарной безопасности и охране окружающей
среды при производстве работ.
Второй этап характеризуется работами по непосредственному монтажу
электрооборудования: установке силового оборудования в необходимые точки,
прокладыванию кабелей, проводов и т.п.
Третий этап - выполнение пуско-наладочных работ. Пусконаладочными
работами является комплекс работ, включающий проверку, настройку и испытания
электрооборудования с целью обеспечения электрических параметров и режимов,
заданных проектом. Пусконаладочные работы по электротехническим устройствам
осуществляются в четыре стадии.
На первой (подготовительной) стадии пусконаладочная организация должна:
разработать рабочую программу производства пусконаладочных работ; передать
заказчику замечания по проекту производства электромонтажных работ, выявленные
в процессе разработки рабочей программы производства пусконаладочных работ;
подготовить парк измерительной аппаратуры, испытательного оборудования и
приспособлений.
На второй стадии пусконаладочная организация выполняет проверку
смонтированного электрооборудования с подачей напряжения от испытательных схем
на отдельные устройства и функциональные группы. Данная стадия выполнения работ
может совмещаться с выполнением электромонтажных работ на объекте. Начало
пусконаладочных работ на этой стадии определяется степенью готовности
строительно-монтажных работ: должны быть закончены все строительные работы,
закрыты все проемы, колодцы и кабельные каналы, выполнено освещение, отопление
и вентиляция, закончена установка электрооборудования и выполнено его
заземление.
На третьем этапе пусконаладочных работ выполняются индивидуальные
испытания электрооборудования. Началом данной стадии считается введение
эксплуатационного режима на данной электроустановке, после чего пусконаладочные
работы должны относиться к работам, производимым в действующих
электроустановках. На этой стадии пусконаладочная организация производит
настройку параметров, уставок защиты и характеристик электрооборудования,
опробование схем управления, защиты и сигнализации, а также электрооборудования
на холостом ходу для подготовки к индивидуальным испытаниям технологического
оборудования.
На четвертой стадии пусконаладочных работ производится комплексное
опробование электрооборудования по утвержденным программам. На этой стадии
должны выполняться пусконаладочные работы по настройке взаимодействия электрических
схем и систем электрооборудования в различных режимах. Пусконаладочные работы
на четвертой стадии считаются законченными после получения на
электрооборудовании предусмотренных проектом электрических параметров и
режимов, обеспечивающих устойчивый технологический процесс.
Работа пусконаладочной организации считается выполненной при условии
подписания акта приемки пусконаладочных работ.
Завершающим этапом комплекса электромонтажных работ являются -испытания и
сдача объекта в эксплуатацию. Электромонтажные организации перед сдачей объекта
в эксплуатацию создают техническую комиссию из числа своих
инженерно-технических работников, опытных бригадиров. Техническую комиссию
возглавляет главный инженер организации. Техническая комиссия проверяет качество
выполнения электромонтажных работ на намечаемом к сдаче в эксплуатацию объекте,
составляет ведомость недоделок и дефектов. После устранения недоделок и
дефектов электромонтажная организация, выступающая в качестве подрядчика, дает
письменное извещение генеральному подрядчику о готовности электроустановок
объекта для предъявления рабочей комиссии. Рабочие комиссии назначаются
решением организации-заказчика. В состав рабочих комиссий включаются
представители заказчика - председатель комиссии, генерального подрядчика,
субподрядных организаций, эксплуатационной организации, генерального
проектировщика, органов государственного санитарного надзора, органов
государственного пожарного надзора и т.д. После проведения рабочей комиссией
необходимых проверок (в соответствии со СНиП 3.01.04-87 осуществляется
окончательная приемка в эксплуатацию государственной приемочной комиссией.
Приемка в эксплуатацию законченных строительством объектов государственными
приемочными комиссиями оформляется актами.
2) Построение ленточного графика
Ленточный график представляет собой указание о времени начала и конца той
или иной работы. По длительности лент и их последовательности можно проследить
занятость электромонтажных бригад. При построении графика учитывается
производительность и число рабочих в бригаде. [29]
Продолжительность работы при восьми часовом рабочем дне определяется:
где:
- трудоемкость работ,
;
- количество часов в рабочем дне (
);
- количество человек работающих на данном объекте;
- производительность труда (
);
- коэффициент использования рабочего времени (
).
Продолжительность непрерываемой работы (в круглосуточном рабочем дне)
определяется:
Ленточный график представлен на чертеже "Ленточный график выполнения
электромонтажных работ".
.4 Расчет эффективности инвестиционных вложений
Срок окупаемости определяется:
где:
- инвестиции (сметная стоимость капитальных вложений), млн.
руб;
- прибыль i-го
года, млн. руб;
- амортизационные
отчисления (6% от стоимости оборудования и кабельных сетей -
)
- дисконта i-го
года.
Дисконта (текущая стоимость единицы) определяется:
где:
- нормативный коэффициент эффективности инвестиций,
определяемый процентной ставкой Центробанка и процентом конкретного инвестора;
- порядковый номер года.
Прибыль предприятия идет от реализации продукции потребителям и
определяется по формуле:
где:
- плата за мощность в месяц (
; [31]
- максимальная мощность силовых трансформаторов, МВ
А;
- плата за энергию (
); [31]
Рmax - максимальная мощность силовых
трансформаторов, МВА;
- потребляемая энергия,
.
Прибыль предприятия за год составит:
Необходимо определить показатели оценки целесообразности инвестирования:
чистый дисконтированный доход по инвестиционному проекту (ЧДД);
чистая приведенная стоимость финансового вложения (ЧПС);
индекс рентабельности проекта (ИР).
Для начала определим чистый доход предприятия от реализации
инвестиционного проекта:
Принимаем, что ЧД предприятия каждый год одинаков.
) Определим ЧДД по инвестиционному проекту
Ставка дисконтирования используется при расчете срока окупаемости и
оценке экономической эффективности инвестиций для дисконтирования денежных
потоков, иными словами, для перерасчета стоимости потоков будущих доходов и
расходов в стоимость на настоящий момент.
В этом случае в качестве ставки дисконтирования примем темп инфляции в
РФ, который в 2016 году достиг 16 % в годовом выражении.
Определим ЧДД за 15 лет по формуле:
В качестве примера определим ЧДД за первый год:
Аналогично определим ЧДД для последующих лет:
Определим величину дисконтированной суммы инвестиций (ДСИ) в проекте за
15 лет по формуле:
Количество инвестиций (по смете) составили 42534629 руб.
В качестве примера определим ДСИ за первый год:
Аналогично определим ДСИ для последующих лет:
) Определим ЧПС финансового вложения
ЧПС определяем по формуле:
Сравнивая данные величины можно сделать вывод, что проект эффективен, так
как в каждый год доход превышает объем инвестиций.
) Определим индекс рентабельности проекта (ИР).
ИР определяем по формуле:
Так как ИР больше единицы за каждый год, то можно сделать вывод о
целесообразности реализации данного проекта.
ЗАКЛЮЧЕНИЕ
В данной выпускной квалификационной работе рассмотрено электроснабжение
сельскохозяйственного района с проектированием проходной РПП - 110/35/10 кВ.
В рассматриваемом районе преобладают потребители I и II
категорий, для электроснабжения которых было установлено современное
высокотехнологическое оборудование. Это позволяет снизить затраты на
эксплуатацию, увеличить пропускную способность сетей, значительно повысить
сетевую надежность объекта, в том числе социально-важных объектов, позволит
поддерживать уровень качества электроэнергии. При этом существенно снижается
риск предъявления для возмещения ущерба за недоотпуск и плохое качество
электроэнергии.
На РПП - 110/35/10 кВ на стороне ВН (110 кВ) применяется схема ОРУ -
"мостик": с двумя рабочими системами шин и ремонтной перемычкой из
разъединителей.
На стороне СН (35 кВ) и НН (10 кВ) выбраны РУ с одиночной
секционированной системой шин
При выборе защитной аппаратуры произведено технико-экономическое
сравнение современных высоковольтных выключателей, отличающихся по способу
гашения дуги - масло, вакуум, элегаз. Сравнение производилось с учетом их
показателей надежности и выбран самый приемлемый вариант высоковольтных
выключателей на основании минимальных приведенных затрат.
для включения, отключения обесточенных участков электрических цепей
переменного тока и для вывода в ремонт оборудования с созданием видимого
разрыва, а также заземления отключенных участков на ОРУ 110 кВ и ОРУ 35 кВ
устанавливаются разъединители с одним или двумя заземляющими ножами.
Все коммутационное оборудование выбрано на основе токов КЗ и устойчиво к
ним.
Для обеспечения надежности и безопасности применены средства автоматики и
защиты отдельных элементов на базе микропроцессорных блоков «ЭКРА».
В целом при проектировании электроснабжения сельскохозяйственного района
были проработаны все основные вопросы включая возможность роста нагрузок на
ближайшие десять лет, а это значит, что в течении этого времени не потребуется
вносить дополнительных затрат на реконструкцию.
СПИСОК ИСПОЛЬЗОВАННЫХ ИСТОЧНИКОВ
1. Правила устройства электроустановок: 7-е изд.: утв.
Минэнерго РФ 20.06.03 № 242. - Введ. 01.11.03. - Москва: Энергоатомиздат, 2011.
- 689 с., ил.
. Инструкция по проектированию городских электрических сетей
(с дополнениями от 29.06.1999): РД 34.20.185-94. утв. РАО "ЕЭС
России" 31.05.94 - Введ. 01.01. 95. - Москва: НЦ ЭНАС, 1999. - 49 с.
. СП 52.13330.2011. Свод правил. Естественное и искусственное
освещение: актуализированная редакция СНиП 23-05-95: утв. Министерством РФ
27.12.10 № 783 - Введ. 20.05.11. - Москва: ФГУП ЦПП, 2011. - 75с.
. Будзко, И.А. Электроснабжение сельского хозяйства / И.А.
Будзко, Т.Б. Лещинская, В. И. Сукманов. - Москва: Колос, 2000. - 498 с.
. Электроэнергетика: оборудование и документация [Электронный
ресурс]. Режим доступа: #"903486.files/image679.gif">
|
|
|
|
|
1
|
2
|
3
|
4
|
5
|
6
|
7
|
|
ВЛ - 0,4 кВ - 1
|
1 эт. жилой дом (частный)
|
280
|
460
|
1,3
|
364
|
598
|
|
1 эт. жилой дом (частный)
|
265
|
425
|
1,3
|
344,5
|
552,5
|
|
1 эт. жилой дом (частный)
|
275
|
390
|
1,3
|
357,5
|
507
|
|
1 эт. жилой дом (частный)
|
230
|
370
|
1,3
|
299
|
481
|
|
1 эт. жилой дом (частный)
|
185
|
340
|
1,3
|
240,5
|
442
|
|
1 эт. жилой дом (частный)
|
220
|
335
|
1,3
|
286
|
435,5
|
|
1 эт. жилой дом (частный)
|
245
|
330
|
1,3
|
318,5
|
429
|
|
1 эт. жилой дом (частный)
|
270
|
230
|
1,3
|
351
|
299
|
|
1 эт. жилой дом (частный)
|
245
|
220
|
1,3
|
318,5
|
286
|
|
1 эт. жилой дом (частный)
|
265
|
200
|
1,3
|
344,5
|
260
|
|
1 эт. жилой дом (частный)
|
230
|
175
|
1,3
|
299
|
227,5
|
|
1 эт. жилой дом (частный)
|
255
|
170
|
1,3
|
331,5
|
221
|
|
1 эт. жилой дом (частный)
|
220
|
140
|
1,3
|
286
|
182
|
|
1 эт. жилой дом (частный)
|
240
|
135
|
1,3
|
312
|
175,5
|
|
ВЛ - 0,4 кВ - 1
|
1 эт. жилой дом (частный)
|
270
|
95
|
1,3
|
315
|
123,5
|
|
1 эт. жилой дом (частный)
|
290
|
190
|
1,3
|
377
|
247
|
|
1 эт. жилой дом (частный)
|
320
|
175
|
1,3
|
416
|
227,5
|
|
1 эт. жилой дом (частный)
|
355
|
155
|
1,3
|
461,5
|
201,5
|
|
1 эт. жилой дом (частный)
|
370
|
150
|
1,3
|
481
|
195
|
|
1 эт. жилой дом (частный)
|
520
|
125
|
1,3
|
676
|
162,5
|
|
1 эт. жилой дом (частный)
|
555
|
95
|
1,3
|
721,5
|
123,5
|
|
1 эт. жилой дом (частный)
|
570
|
110
|
1,3
|
741
|
143
|
|
1 эт. жилой дом (частный)
|
605
|
130
|
1,3
|
786,5
|
169
|
|
1 эт. жилой дом (2-ух квартирный)
|
220
|
280
|
6,6
|
1452
|
1848
|
|
1 эт. жилой дом (2-ух квартирный)
|
235
|
195
|
6,6
|
1551
|
1287
|
|
1 эт. жилой дом (2-ух квартирный)
|
340
|
170
|
6,6
|
2244
|
1122
|
|
2 эт. жилой дом (12-и квартирный)
|
250
|
400
|
10,6
|
2650
|
4240
|
|
2 эт. жилой дом (12-и квартирный)
|
305
|
160
|
10,6
|
3233
|
1696
|
|
2 эт. жилой дом (12-и квартирный)
|
310
|
120
|
10,6
|
3286
|
1272
|
|
ВЛ - 0,4 кВ - 1
|
2 эт. жилой дом (12-и квартирный)
|
335
|
145
|
10,6
|
3551
|
1537
|
|
2 эт. жилой дом (12-и квартирный)
|
485
|
155
|
10,6
|
5141
|
1643
|
|
2 эт. жилой дом (12-и квартирный)
|
510
|
140
|
10,6
|
5406
|
1484
|
|
2 эт. жилой дом (12-и квартирный)
|
525
|
100
|
10,6
|
5565
|
1060
|
|
2 эт. жилой дом (12-и квартирный)
|
580
|
95
|
10,6
|
6148
|
1007
|
|
Котельная
|
100
|
38,4
|
14400
|
3840
|
|
ИТОГО:
|
64386,5
|
28835
|
|
|
|
|
|
|
|
|
|
|
|
|
ПРИЛОЖЕНИЕ 2
(обязательное)
Таблица 2.1 - Расчет приведенных затрат на высоковольтные выключатели
|
Тип выключателя
|
, год-1
|
, ч
|
|
, год-1
|
, ч
|
, ч/год
|
|
, руб
|
, руб
|
, руб
|
|
1
|
2
|
3
|
4
|
5
|
6
|
7
|
8
|
9
|
10
|
11
|
|
Масляный 110 кВ (ВМТ-110)
|
0,02
|
50
|
0,33
|
0,08
|
60
|
2,584
|
64083,2
|
2351597
|
1586000
|
5127097
|
|
Вакуумный 110 кВ (ВБЭ-110)
|
0,005
|
40
|
|
|
45
|
1,388
|
34422,4
|
1263165
|
2150000
|
5025665
|
|
Элегазовый 110 кВ (ВЭБ-110)
|
0,005
|
20
|
|
|
24
|
0,734
|
18203,2
|
667985
|
2350000
|
4780485
|
|
Масляный 35 кВ (С-35)
|
0,015
|
40
|
|
0,12
|
40
|
2,184
|
35992,3
|
1320774
|
765000
|
2659524
|
|
Вакуумный 35 кВ (ВВС-35)
|
0,004
|
30
|
|
|
30
|
1,308
|
21556
|
791019
|
848000
|
2275019
|
|
Масляный 10 кВ (ВМП-10)
|
0,009
|
20
|
|
0,14
|
20
|
1,104
|
10267,2
|
376765,2
|
48000
|
460765,2
|
|
Вакуумный 10 кВ (ВВЭ-10)
|
0,004
|
10
|
|
|
10
|
0,502
|
4668,6
|
171319
|
97238
|
341485,5
|
ПРИЛОЖЕНИЕ 3
(обязательное)
Таблица 3. 1 - Стержень1. Интегральные параметры границ
Симметрия по x: Нет
Симметрия по y: Нет
Таблица 3. 2 - Контур1. Интегральные параметры границ
Симметрия по x: Да
Симметрия по y: Да
Таблица 3. 3 - Контур1. Интегральные параметры границ
Симметрия по x: Да
Симметрия по y: Да
ПРИЛОЖЕНИЕ 4
(обязательное)
Форма допуска на тушение пожара на отключенном энергетическом
оборудовании
____________________________________________________________
(наименование энергетического предприятия)
. Дата и время выдачи допуска_______________________________________
. Электроустановки, кабели в зоне пожара и на подступах к ним обесточены.
. Место проведения тушения пожара и что разрешается тушить (наименование
помещений, открытой установки)________________________
____________________________________________________________________________________________________________________________________________________________________________________________________________________________________________________________________________________________________________________________________________________________________________________________________________
Инструктаж о мерах безопасности проведен____________________________
Безопасные условия проведения работ по тушению пожара выполнены_____
_____________________________________________________________
4. Допуск выдал____________________________________________________
(Ф.И.О., должность, подпись представителя энергопредприятия)
_____________________________________________________________
(дата и время выдачи допуска)
. Допуск получил__________________________________________________
(Ф.И.О., должность, подпись представителя пожарной охраны)
Примечание: Допуск оформляется в 2-х экземплярах: 1-й руководителю
тушения пожара, 2-й остается на энергопредприятии.
ПРИЛОЖЕНИЕ 5
(обязательное)
Таблица 5. 1 - Сметно-финансовый расчет (локальная схема)
|
Смета затрат на монтаж оборудования
|
|
|
Наимен. прейскуранта и номер позиции
|
Наименование и техническая характеристика оборудования и
видов монтажных работ
|
Единицы измерения
|
Количество
|
Сметная стоимость, руб.
|
Трудозат. чел/ч
|
|
|
|
|
|
Единицы
|
Общая
|
|
|
|
|
|
|
Всего
|
Осн.з/п
|
Матер.ВсегоОсн.з/п Матер.ЕдиницыОбщая
|
|
|
|
|
|
|
|
|
|
1
|
2
|
3
|
4
|
5
|
6
|
7
|
8
|
9
|
10
|
11
|
12
|
13
|
14
|
|
|
ТЕРм 08-01-001-11
|
Монтаж тр-ра ТДТН-10000
|
шт.
|
2
|
21613,2
|
8061,96
|
2206,143226,416123,9 4412,25081016
|
|
|
|
|
|
|
|
|
|
ТЕРм 08-01-065-01
|
Слив масла
|
т.
|
14,5
|
482,38
|
55,7
|
1,1113989,021615,3 32,193,51102
|
|
|
|
|
|
|
|
|
|
ТЕРм 08-01-062-05
|
Ревизия тр-ра ТДТН-10000
|
шт.
|
2
|
8788,71
|
1602,87
|
2615,217577,423205,74 5231,2101202
|
|
|
|
|
|
|
|
|
|
ТЕРм 08-01-064-01
|
Сушка масла
|
т.
|
14,5
|
512,16
|
265,03
|
83,0614852,647685,87 2408,7
|
16,7
|
484,3
|
|
|
|
|
|
|
|
ТЕРм 08-01-005-01
|
Сушка тр-ра
|
шт.
|
2
|
17441,9
|
7554,12
|
457634883,815108,2 9152476952
|
|
|
|
|
|
|
|
|
|
ТЕРм 08-01-065-01
|
Залив масла
|
т.
|
14,5
|
482,38
|
55,7
|
1,1113989,021615,3 32,193,51102
|
|
|
|
|
|
|
|
|
|
ТЕРм 08-01-001-01
|
Монтаж ТСН
|
шт.
|
2
|
802,46
|
236,25
|
34,511604,92472,5 69,0222,545
|
|
|
|
|
|
|
|
|
|
ТЕРм 08-01-062-01
|
Ревизия ТСН
|
шт.
|
2
|
1708,3
|
341,21
|
795,283416,66682,42 1590,621,543
|
|
|
|
|
|
|
|
|
ТЕРм 08-01-008-02
|
Выключатель элегазовый 110 кВ
|
к.
|
3
|
13306
|
4459,47
|
690,34
|
39918
|
13379
|
2071,02281843
|
|
|
|
|
|
ТЕРм 08-01-008-01
|
Выключатель вакуумный 35 кВ
|
к.
|
5
|
7230,7
|
2443,98
|
545,5236153,512220 2727,6154770
|
|
|
|
|
|
|
|
|
ТЕРм 08-01-060-01
|
Выключатель вакуумный 10 кВ
|
к.
|
16
|
6061,9
|
1617
|
521,8596990,425872 8349,6841344
|
|
|
|
|
|
|
|
|
ТЕРм 08-01-006-02
|
Тр-ор тока 110 кВ
|
к.
|
8
|
1430,4
|
399,92
|
537,938582,42399,5 3227,5825,2151,2
|
|
|
|
|
|
|
|
|
ТЕРм 08-01-006-01
|
Тр-ор тока 35 кВ
|
к.
|
12
|
999,1
|
290,42
|
414,4499912904,2 4144,418,3183
|
|
|
|
|
|
|
|
|
ТЕРм 08-01-006-01
|
Тр-ор тока 10 кВ (3 фазы)
|
к.
|
2
|
871,19
|
192,15
|
408,331742,4384,3 816,6618,336,6
|
|
|
|
|
|
|
|
|
ТЕРм 08-01-006-01
|
Тр-ор тока 10 кВ (2 фазы)
|
к.
|
16
|
575
|
126,8
|
269,4992002028,8 4311,8418,3292,8
|
|
|
|
|
|
|
|
|
ТЕРм 08-01-007-02
|
Тр-ор напряжения 110 кВ
|
шт.
|
2
|
1739,4
|
391,99
|
524,723478,8783,98 1049,4424,749,4
|
|
|
|
|
|
|
|
|
|
ТЕРм 08-01-007-01
|
Тр-ор напряжения 35 кВ
|
шт.
|
2
|
1236,5
|
307,88
|
434,92473615,76 869,819,438,8
|
|
|
|
|
|
|
|
|
|
ТЕРм 08-01-007-01
|
Тр-ор напряжения 10 кВ
|
шт.
|
2
|
1082,8
|
203,7
|
428,32165,6407,4 856,619,438,8
|
|
|
|
|
|
|
|
|
|
ТЕРм 08-01-011-06
|
Разъединитель РГП-110 кВ с одним или двумя ЗН
|
к.
|
12
|
2253,8
|
776,04
|
380,1227045,69312,3 4561,4448,9586,8
|
|
|
|
|
|
|
|
|
|
ТЕРм 08-01-011-02
|
Разъединитель РГП-35 кВ с одним или двумя ЗН
|
к.
|
12
|
1237,5
|
498,32
|
246,11145805979,8 2953,3231,4376,8
|
|
|
|
|
|
|
|
|
|
ТЕРм 08-01-015-02
|
ОПН 110 кВ
|
к.
|
4
|
1760,7
|
485,62
|
471,783521,4971,24 943,5630,661,2
|
|
|
|
|
|
|
|
|
|
ТЕРм 08-01-015-01
|
ОПН 35 кВ
|
к.
|
4
|
646,77
|
135,45
|
419,592587,08541,8 1678,412,951,6
|
|
|
|
|
|
|
|
|
|
ТЕРм 08-01-015-01
|
ОПН 10 кВ
|
к.
|
18
|
501,38
|
129,52
|
274,969024,842331,4 4949,312,9232,2
|
|
|
|
|
|
|
|
|
|
ТЕРм 08-01-021-05
|
Ошиновка гибкая 110 кВ
|
пр.
|
13
|
2382,3
|
664,95
|
15,7230969,98644,35 204,3641,9544,7
|
|
|
|
|
|
|
|
|
|
ТЕРм 08-01-021-01
|
Ошиновка гибкая 35 кВ
|
пр.
|
9
|
1901,1
|
530,06
|
13,0217109,94770,54 117,1833,4300,6
|
|
|
|
|
|
|
|
|
|
ТЕРм 08-01-068-01
|
Сборные шины КРУН-10кВ
|
100 м
|
852,19
|
551,25
|
119,56511,3330,75 71,7452,531,5
|
|
|
|
|
|
|
|
|
|
ТЕРм 08-01-020-02
|
Изоляторы линейные подвесные 110 кВ
|
шт.
|
54
|
245,27
|
76,81
|
1,5413244,584147,74 83,164,84261,4
|
|
|
|
|
|
|
|
|
|
ТЕРм 08-01-020-01
|
Изоляторы линейные подвесные 35 кВ
|
шт.
|
42
|
183,78
|
57,13
|
1,147718,762399,46 47,883,6151,2
|
|
|
|
|
|
|
|
|
|
ТЕРм 08-01-026-01
|
КРУН-10 кВ с выключат.
|
шт.
|
16
|
902,35
|
615,76
|
47,1414437,69852,16 754,2438,8620,8
|
|
|
|
|
|
|
|
|
|
ТЕРм 08-01-026-02
|
КРУН-10 кВ с ТН
|
шт.
|
2
|
532,71
|
280,9
|
40,441065,42561,8 80,8817,735,4
|
|
|
|
|
|
|
|
|
|
ТЕРм 08-01-077-02
|
Токопровод
|
м.
|
150
|
214,52
|
56,02
|
60,27321878403 9040,53,53529,5
|
|
|
|
|
|
|
|
|
|
ИТОГО:
|
-
|
-
|
-
|
-
|
-
|
-
|
-
|
528239
|
165750
|
76829-10478
|
|
|
|
|
|
|
|
|
|
|
|
|
|
|
|
|
|
|
|
|
|
|
|
|
|
|
|
|
|
|
|
|
|
|
|
|
|
|
|
|
|
|
|
|
|
|
|
|
|
|
|
|
|
|
|
|
|
|
|
|
|
|
Таблица 5. 2 - Смета затрат на пусконаладочные работы
|
Смета затрат на монтаж оборудования
|
|
Наимен. прейскуранта и номер позиции
|
Наименование и техническая характеристика оборудования и
видов монтажных работ
|
Единицы измерения
|
Количество
|
Сметная стоимость, руб.
|
Трудозат. чел/ч
|
|
|
|
|
Единицы
|
Общая
|
|
|
|
|
|
Всего
|
Осн.з/п
|
Матер.ВсегоОсн.з/п Матер.ЕдиницыОбщая
|
|
|
|
|
|
|
|
|
1
|
2
|
3
|
4
|
5
|
6
|
7
|
8
|
9
|
10
|
11
|
12
|
13
|
14
|
|
ТЕРп 01-11-010-01
|
Измерение сопротивления растеканию тока заземлителя
|
1 из.
|
-
|
31,68
|
31,68
|
-
|
-
|
31,68
|
31,68
|
-
|
-
|
1,5
|
1,5
|
|
ТЕРп 01-11-010-03
|
Измерение сопротивления растеканию тока контура заземления
|
1 из.
|
-
|
84,48
|
84,48
|
-
|
-
|
84,48
|
84,48
|
-
|
-
|
4
|
4
|
|
ТЕРп 01-12-020-01
|
Испытание сборных шин напряжением до 11 кВ
|
1 исп.
|
2
|
170,15
|
170,15
|
-
|
-
|
340,3
|
340,3
|
-
|
-
|
9
|
18
|
|
ТЕРп 01-12-024-02
|
Испытание подвесных линейных изоляторов
|
1 исп.
|
96
|
47,02
|
47,02
|
-
|
-
|
4513,9
|
4513,9
|
-
|
-
|
3,5
|
336
|
|
ТЕРп 01-12-025-01
|
Испытание токопровода до 50 м
|
1 исп.
|
1
|
182,68
|
182,68
|
-
|
-
|
182,68
|
182,68
|
-
|
-
|
9
|
9
|
|
ТЕРп 01-12-025-02
|
Испытание токопровода за каждые последующие 50 м
|
1 исп.
|
2
|
60,89
|
60,89
|
-
|
-
|
121,78
|
121,78
|
-
|
-
|
3
|
6
|
|
ТЕРп 01-12-029-01
|
Испытание вторичных цепей коммутации
|
1 исп.
|
-
|
39,75
|
39,75
|
-
|
-
|
39,75
|
39,75
|
-
|
-
|
2
|
2
|
|
ИТОГО
|
-
|
-
|
-
|
-
|
-
|
-
|
-
|
5314,6
|
5314,6
|
-
|
-
|
-
|
376,5
|
Таблица 5. 3 - Смета затрат на земляные работы
|
Смета затрат на монтаж оборудования
|
|
Наимен. прейскуранта и номер позиции
|
Наименование и техническая характеристика оборудования и
видов монтажных работ
|
Единицы измерения
|
Количество
|
Сметная стоимость, руб.
|
Трудозат. чел/ч
|
|
|
|
|
Единицы
|
Общая
|
|
|
|
|
|
Всего
|
Осн.з/п
|
Матер.ВсегоОсн.з/п Матер.ЕдиницыОбщая
|
|
|
|
|
|
|
|
|
1
|
2
|
3
|
4
|
5
|
6
|
7
|
8
|
9
|
10
|
11
|
12
|
13
|
14
|
|
ТЕР 01-01-002-02
|
Разработка грунта в отвал экскаваторами
|
1000 м3
|
3,36
|
2317,8
|
89,12
|
-7787,81299,4 -6,120,5
|
|
|
|
|
|
|
|
|
ТЕР 01-01-033-02
|
Засыпка траншеи
|
1000 м3
|
2,46
|
641,39
|
-
|
-1577,82- -37,38
|
|
|
|
|
|
|
|
|
ТЕР 01-01-082-02
|
Разработка траншеи с вывозкой грунта
|
1000 м3
|
1
|
6813,9
|
563,31
|
-6813,9563,31 -44,544,5
|
|
|
|
|
|
|
|
|
ИТОГО:
|
-
|
-
|
-
|
-
|
-
|
-
|
-
|
16179,5
|
862,71
|
--72,4
|
|
|
|
Таблица 5. 4 - Смета затрат на оборудование
|
Смета затрат на монтаж оборудования
|
|
Наимен. прейскуранта и номер позиции
|
Наименование и техническая характеристика оборудования и
видов монтажных работ
|
Единицы измерения
|
Количество
|
Сметная стоимость, руб.
|
Трудоз.чел/ч
|
|
|
|
|
Единицы
|
Общая
|
|
|
|
|
|
|
|
|
Всего Осн.
з/п
Матер.ВсегоОсн.
|
з/п Матер.ЕдиницыОбщая
|
|
|
|
|
|
|
|
|
|
1
|
2
|
3
|
4
|
5
|
6
|
7
|
8
|
9
|
10
|
11
|
12
|
13
|
14
|
|
ЗАО "АББ УЭТМ"
|
Трансформатор ТДТН-10000
|
шт.
|
2
|
4500000
|
-
|
-
|
-
|
9000000
|
-
|
-
|
9000000
|
-
|
-
|
|
ЗАО "АББ УЭТМ"
|
Трансформатор ТСН
|
шт.
|
2
|
432000
|
-
|
-
|
-
|
864000
|
-
|
-
|
864000
|
-
|
-
|
|
ЗАО "Энергомаш"
|
Выключатель элегазовый 110 кВ
|
к.
|
3
|
2350000
|
-
|
-
|
-
|
7050000
|
-
|
-
|
7050000
|
-
|
-
|
|
ЗАО "Энергомаш"
|
Выключатель вакуумный 35 кВ
|
к.
|
5
|
848000
|
-
|
-
|
-
|
4240000
|
-
|
-
|
4240000
|
-
|
-
|
|
ЗАО "Энергомаш"
|
Выключатель вакуумный 10 кВ
|
к.
|
16
|
97238
|
-
|
-
|
-
|
1555808
|
-
|
-
|
1555808
|
-
|
-
|
|
ЗАО "АББ УЭТМ"
|
ТТ ТВ-110 кВ
|
к.
|
8
|
25000
|
-
|
-
|
200000
|
-
|
-
|
200000
|
-
|
-
|
|
ЗАО "АББ УЭТМ"
|
ТТ ТВ-35 кВ
|
к.
|
12
|
16000
|
-
|
-
|
-
|
192000
|
-
|
-
|
192000
|
-
|
-
|
|
ЗАО "АББ УЭТМ"
|
ТТ ТОЛ-10 кВ
|
к.
|
18
|
15000
|
-
|
-
|
-
|
270000
|
-
|
-
|
270000
|
-
|
-
|
|
ЗАО "АББ УЭТМ"
|
Трансформатор напряжения 110 кВ
|
шт.
|
2
|
295000
|
-
|
-
|
-
|
590000
|
-
|
-
|
590000
|
-
|
-
|
|
ЗАО "АББ УЭТМ"
|
Трансформатор напряжения 35 кВ
|
шт.
|
2
|
160000
|
-
|
-
|
-
|
320000
|
-
|
-
|
320000
|
-
|
-
|
|
ЗАО "АББ УЭТМ"
|
Трансформатор напряжения 10 кВ
|
шт.
|
2
|
65000
|
-
|
-
|
-
|
130000
|
-
|
-
|
130000
|
-
|
-
|
|
ЗАО "АББ УЭТМ"
|
Разъединитель с двумя ЗН РГП-110/1000 У1
|
к.
|
4
|
106500
|
-
|
-
|
-
|
426000
|
-
|
-
|
426000
|
-
|
-
|
|
ЗАО "АББ УЭТМ"
|
Разъединитель с одним ЗН РГП-110/1000 У1
|
к
|
8
|
93790
|
-
|
-
|
-
|
750320
|
-
|
-
|
750320
|
-
|
-
|
|
ЗАО "АББ УЭТМ"
|
Разъединитель с двумя ЗН РГП-35/1000 У1
|
к.
|
6
|
51500
|
-
|
-
|
-
|
309000
|
-
|
-
|
309000
|
-
|
-
|
|
ЗАО "АББ УЭТМ"
|
Разъединитель с одним ЗН РГП-35/1000 У1
|
к.
|
6
|
41140
|
-
|
-
|
-
|
246840
|
-
|
-
|
246840
|
-
|
-
|
|
ЗАО "АББ УЭТМ"
|
ОПН 110 кВ
|
к.
|
4
|
30700
|
-
|
-
|
-
|
122800
|
-
|
-
|
122800
|
-
|
-
|
|
ЗАО "АББ УЭТМ"
|
ОПН 35 кВ
|
к.
|
4
|
15400
|
-
|
-
|
-
|
61600
|
-
|
-
|
61600
|
-
|
-
|
|
ЗАО "АББ УЭТМ"
|
ОПН 10 кВ
|
к.
|
18
|
1960
|
-
|
-
|
-
|
35180
|
-
|
-
|
35280
|
-
|
-
|
|
ЗАО "АББ УЭТМ"
|
Провод АС-70 (110 кВ)
|
м.
|
470
|
46,52
|
-
|
-
|
-
|
21864,4
|
-
|
-
|
21864,4
|
-
|
-
|
|
ЗАО "АББ УЭТМ"
|
Провод АС-50 (35 кВ)
|
м.
|
340
|
32,87
|
-
|
-
|
-
|
11175,8
|
-
|
-
|
11175,8
|
-
|
-
|
|
ЗАО "АББ УЭТМ"
|
Сборные шины КРУН-10кВ
|
100 м
|
0,6
|
40800
|
-
|
-
|
-
|
24480
|
-
|
-
|
24480
|
-
|
-
|
|
ЗАО "АББ УЭТМ"
|
Изоляторы линейные подвесные 110 кВ
|
шт.
|
54
|
2361
|
-
|
-
|
-
|
127494
|
-
|
-
|
127494
|
-
|
-
|
|
ЗАО "АББ УЭТМ"
|
Изоляторы линейные подвесные 35 кВ
|
шт.
|
42
|
1174
|
-
|
-
|
-
|
49308
|
-
|
-
|
49308
|
-
|
-
|
|
ЗАО"Энерджи Продактс"
<http://moscow.flagma.ru/398112/>Ячейки КРУН-10 кВ
|
шт.
|
19
|
315000
|
-
|
-
|
-
|
5985000
|
-
|
-
|
5985000
|
-
|
-
|
|
|
ЗАО "ГК НЗЭ"
|
Токопровод
|
м.
|
150
|
1199
|
-
|
-
|
-
|
179850
|
-
|
-
|
179850
|
-
|
-
|
|
ИТОГО:
|
-
|
-
|
-
|
-
|
-
|
-
|
-
|
32762720
|
-
|
-
|
3276272
|
-
|
-
|
|
|
|
|
|
|
|
|
|
|
|
|
|
|
|
|
|
|
|
|
|
|
|
|
|
|
|
Таблица 5. 5 - Итоговая стоимость электромонтажных работ в текущих ценах
с учетом корректирующих коэффициентов
|
№ п/п
|
Наименование показателя
|
Значение, руб.
|
|
1
|
2
|
3
|
|
1
|
Основная заработная плата
|
171927
|
|
Заработная плата машинистов
|
38859
|
|
Затраты по эксплуатации машин
|
305224
|
|
Строительные материалы
|
76829
|
|
Всего:
|
592839
|
|
2
|
Пересчет стоимости монтажных работ в текущие цены
|
|
Удорожание затрат на заработную плату
|
3278654
|
|
Удорожание затрат по эксплуатации машин
|
2203864
|
|
Удорожание строительных материалов
|
444072
|
|
Накладные расходы
|
1359020
|
|
Сметная прибыль организации
|
1893460
|
|
Всего:
|
9179070
|
|
3
|
Стоимость оборудования по смете
|
32762720
|
|
4
|
Полная стоимость электромонтажных работ в текущих ценах:
|
42534629
|