Электроснабжение комплекса томатного сока
Министерство
образования РБ
Ишимбайский
нефтяной колледж
ЭЛЕКТРОСНАБЖЕНИЕ
ОТРАСЛИ
Курсовой
проект
Пояснительная
записка
140613 ЭП2-06
Выполнил ………………………………………………………………………………./Набиуллин
Л.И./
Проверил…………………………………………………………………………………/Кочергина. Г.А/
2009
ОТЗЫВ
руководителя
курсового проекта о качестве курсового проекта
студента
Ишимбайского нефтяного колледжа
Фамилия, имя,
отчество студента Набиуллин Линар Иксанович
Специальность
140613: «Техническая эксплуатация и обслуживание электрического и
электромеханического оборудования»
Наименование
темы курсового проекта «Электроснабжение комплекса томатного сока.»
Оценка…………………………………………………………………
Фамилия,
И.О……………………………………………………
Подпись………………………………………………………………
« »……………………………………………………..2009г.
Письменный
отзыв должен включать:
- заключение о
соответствии курсовой работы (проекта) заявленной теме;
- оценку
качества выполнения курсовой работы (проекта);
- оценку
полноты разработки поставленных вопросов, теоретической и практической
значимости
курсовой работы (проекта);
- оценку
курсовой работы (проекта).
Ишимбайский
нефтяной колледж
Дата выдачи
задания «…..»……………….2009г. УТВЕРЖДАЮ:
Дата окончания
проекта «…..»……….2009г. Зам. директора по учебной работе
……………………………………………………………………………..
«……..»………………………………………………………………г.
Задание
на
курсовой проект по дисциплине
«Электроснабжение
отрасли»
Студент
Набиуллин Линар Иксанович
отделение
дневное группа ЭП2-06
Специальность:
140613 «Техническая эксплуатация, обслуживание и ремонт электрического и
электромеханического оборудования»
Тема:
Электроснабжение комплекса томатного сока.
Содержание
проекта
ВВЕДЕНИЕ
1 ОБЩАЯ ЧАСТЬ.
1.1 Краткая
характеристика электрооборудования ТП.
1.2 Ведомость
электрических нагрузок.
2
РАСЧЕТНО-ТЕХНИЧЕСКАЯ ЧАСТЬ.
2.1 Определение расчетной электрической
нагрузки от силовых электроприемников на шинах 0,38 кВ цеховых ТП.
2.2 Расчет и
выбор компенсирующего устройства.
2.3 Выбор напряжения и схемы питания
силовых и осветительных нагрузок цеха.
2.4 Расчет и
выбор числа мощности цеховых трансформаторов.
2.5 Расчет и выбор распределительной
сети 0,38 кВ
2.5.1 Расчет и
выбор защитной аппаратуры.
2.5.2 Расчет и выбор
проводов и кабелей.
2.5.3 Расчет и выбор
распределительных шкафов и шинопроводов
2.6 Расчет
токов короткого замыкания.
2.7 Расчет и
выбор питающей линии.
2.8 Расчет и выбор высоковольтного
электрооборудования.
2.9 Релейная
защита.
2.10 Учет и
контроль электроэнергии
2.11 Расчет
защитного заземления.
3 ГРАФИЧЕСКАЯ
ЧАСТЬ
3.1 Принципиальная однолинейная схема
электрических присоединений.
3.2 План
расположения электрооборудование комплекса томатного сока.
4 СПИСОК
ИСПОЛЬЗУЕМОЙ ЛИТЕРАТУРЫ
5 ПРИЛОЖЕНИЕ
Лист 1
Спецификация на схему электроснабжения.
Лист 2
Спецификация на план расположения электрооборудования
СОДЕРЖАНИЕ
ВВЕДЕНИЕ
1 ОБЩАЯ ЧАСТЬ.
1.1 Краткая
характеристика электрооборудования ТП.
1.2 Ведомость
электрических нагрузок.
2
РАСЧЕТНО-ТЕХНИЧЕСКАЯ ЧАСТЬ.
2.1 Определение расчетной электрической
нагрузки от силовых электроприемников на шинах 0,38 кВ цеховых ТП.
2.2 Расчет и
выбор компенсирующего устройства.
2.3 Выбор напряжения и схемы питания
силовых и осветительных нагрузок цеха.
2.4 Расчет и
выбор числа мощности цеховых трансформаторов.
2.5 Расчет и
выбор распределительной сети 0,38 кВ
2.5.1 Расчет и
выбор защитной аппаратуры.
2.5.2 Расчет и
выбор проводов и кабелей.
2.5.3 Расчет и
выбор распределительных шкафов и шинопроводов
2.6 Расчет
токов короткого замыкания.
2.7 Расчет и
выбор питающей линии.
2.8 Расчет и
выбор высоковольтного электрооборудования.
2.9 Релейная
защита.
2.10 Учет и
контроль электроэнергии
2.11 Расчет
защитного заземления.
3 ГРАФИЧЕСКАЯ
ЧАСТЬ
3.1 Принципиальная однолинейная схема
электрических присоединений.
3.2 План
расположения электрооборудование комплекса томатного сока.
4 СПИСОК
ИСПОЛЬЗУЕМОЙ ЛИТЕРАТУРЫ
5 ПРИЛОЖЕНИЕ
Лист 1
Спецификация на схему электроснабжения.
Лист 2
Спецификация на план расположения электрооборудования
ВВЕДЕНИЕ.
Создание
энергосистем и объединение их между собой на огромных территориях стало
основным направлением развития электроэнергетики мира в 20 веке. Это
обусловлено отличительной особенностью отрасли, в которой производство и
потребление продукции происходят практически одновременно. Невозможно
накопление больших количеств электроэнергии, а устойчивая работа электростанции
и сетей обеспечивается в очень узком диапазоне основных параметров режима. В
этих условиях надежное электроснабжение от отдельных электростанций требует
резервирование каждой станции, как по мощности, так и по распределительной сети.
Известно, что
объединенная работа энергосистем позволяет уменьшить необходимую установленную
мощность в основном за счет разновременности наступления максимумов
электрической нагрузки объединения, включая и поясной сдвиг во времени,
сокращения необходимых резервов мощности вследствие малой вероятности
одновременной крупной аварии во всех объединяемых системах.
Кроме того,
удешевляется строительство электростанций за счет укрупнения их агрегатов и
увеличения дешевой мощности на ГЭС, используемой только в переменной части суточного
графика электрической нагрузки. В объединении может быть обеспечено
рациональное использование энергомощностей и энергоресурсов за счет оптимизации
режимов загрузки различных типов электростанций.
Но главным
преимуществом энергообъединения является возможность широкого маневрирования
мощностью и электроэнергией на огромных территориях в зависимости от реально
складывающихся условий. Дополнительное электросетевое строительство, связанное
с созданием энергообъединений, не требует больших затрат, так как при их
формировании используются в основном линии электропередачи, необходимые для
выдачи мощности электростанций, а затраты на них с лихвой окупаются
удешевлением строительства крупной электростанции по сравнению с несколькими
станциями меньшей мощности. И, следовательно, только объединенная работа энергосистем
позволяет обеспечить более экономичное, надежное и качественное
электроснабжение потребителей.
Однако
параллельная работа энергосистем на одной частоте требует создания
соответствующих систем управления их функционированием, включая и
противоаварийное управление, а также координации развития энергосистем. Это
обусловлено тем, что системные аварии в большом объединении охватывают огромные
территории и при современной «глубине» электрификации жизни общества приводят к
тяжелейшим последствиям и огромным ущербам.
Поскольку
электроэнергия «не складируется», при возникновении дефицита она не может быть
свободно куплена на мировом рынке и доставлена в любое место, как и другие
продукты и товары. Поэтому обеспечение надежного и экономичного
электроснабжения требует заблаговременного начала строительства новых
генерируемых источников и электрических сетей, так как энергетические объекты
весьма дороги и трудоемки. При этом необходимо обеспечить рациональный состав
этих источников по используемым энергоресурсам, их основным техническим
характеристикам; их регулировочным возможностям в суточном, недельном и годовом
разрезе, а также их размещение.
Для этого
необходима координация развития энергосистем и энергообъединений путем
прогнозирования, как на долгосрочную, так и на краткосрочную перспективу,
которое должно периодически повторяться. Последнее обусловлено тем, что все
исходные данные для прогнозирования весьма неопределенны даже в условиях плановой
экономики страны. Очевидно, что в условиях рыночной экономики эта
неопределенность многократно возрастает.
1. ОБЩАЯ ЧАСТЬ.
1.1 Краткая
характеристика электрооборудования ТП.
Комплекс томатного сока (КТС)
предназначен для производства томатного сока из исходного сырья (томатов).
КТС имеет технологический
участок, в котором установлены поточные линии, а также вспомогательные и
бытовые помещения.
Электроснабжение (ЭСН)
осуществляется от собственной комплектной трансформаторной подстанции (КТП)
10/0,4 кВ, которая подключена и приемному пункту предприятия.
Все электроприемники по
бесперебойности ЭСН – 2 категории.
В проектируемом томатном цехе
выбран один трансформатор с коэффициентом загрузки Кз=0,7 типа ТСЗ
160/10. Данный выбран обусловлен преобладанием нагрузок 2 категории и
наибольшей экономичностью.
На стороне 10 кВ трансформатора
установлены разъединитель РВЗ-10/400 IУЗ,
предохранитель ПКТ 101-10-10-31,5 УЗ.
Защита от токов короткого
замыкания на стороне 0,4 кВ выполнена автоматическим выключателем серии
ВА51Г-25.
Распределительная сеть выполнена
шинопроводом марки ШМА 73 УЗ, двумя распределительными шинопроводами марки
ШРА-1 и ШРА-2, также распределительным шкафом серии ПР85. Соединение с
электроприемниками осуществляется проводами марки АПРН. Соединение шинопроводов
и распределительного шкафа осуществляется кабелем АВРГ.
1.2 Ведомость
электрических нагрузок.
Проект выполнен
для электроснабжения ЭО комплекса томатного сока. Электроснабжение осуществляется
от собственной ГПП, подключенного к подстанции глубокого ввода комплекса (ГВК).
Комплектная трансформаторная подстанция 10/0,4 кВ расположена внутри цеха.
Таблица 2.1 Перечень
электрооборудования комплекса томатного сока
|
№ п/п
|
Наименование электроприемников
|
Кол-во
ЭП, шт
|
Мощ-ть одного ЭП, кВт
|
Общая уст-ая мощ-ть, кВт
|
|
1, 24
|
Конвейеры ленточные сортировочные
|
2
|
0,75
|
1,5
|
|
2, 3, 25, 26
|
Унифицированные вентиляторные моечные
машины
|
4
|
4,1
|
16,4
|
|
4, 27
|
Конвейеры
роликовые сортировочные
|
2
|
1,8
|
3,6
|
|
5
|
Станки
токарные
|
1
|
8,5
|
8,5
|
|
6,
7
|
Станки
шлифовальные
|
2
|
3,6
|
7,2
|
|
8
|
Станки
сверлильные (1-фазный)
|
1
|
1,5
|
4,5
|
|
9,
10
|
Вентиляторы
|
2
|
4,5
|
9
|
|
11,
17, 23, 28
|
Электрические подъемники передвижные
ПВ=25%
|
4
|
3,2
|
10,24
|
|
12,
18
|
Элеваторы
подачи томатов в дробилку
|
2
|
0,75
|
1,5
|
|
13,
19
|
Установки
дробления томатов
|
2
|
4,5
|
9
|
|
14,
20
|
Подогреватели
дробленой томатной пасты
|
2
|
6
|
12
|
|
15,
21
|
Установки
экстракторные
|
2
|
9
|
18
|
|
16,
22
|
Установки
разлива сока с подогревов
|
2
|
3
|
6
|
|
Всего:
|
28
|
21,2
|
107,44
|
2. РАСЧЕТНО -
ТЕХНИЧЕСКАЯ ЧАСТЬ.
2.1 Определение
расчетной электрической нагрузки от силовых электроприемников на шинах 0,38 кВ
цеховых ТП.
1 Приводим
мощности ЭП работающих повторно кратковременном режиме работы к длительным
режимам работы при ПВ=100%.
1.1 Электрические
подъемники передвижные ПВ=25%.
(2.
1)
Рп – паспортная мощность, кВт
ПВ – повторное включение, %
1.2 Однофазные ЭП к 3-х фазным.
Сверлильный станок 1 фазный
Рном= 3Рном.ф. Р3ф=
2 Определяем среднесменную активную
мощность за максимально загруженную смену:
,кВт (2.2)
3 Определяем суммарную полную
мощность.
(2.
3)
4 Определяем коэффициент силовой
сборки m:
(2.
4)
5 Определяем
средний коэффициент использования:
(2. 5)
6 Определяем
эффективное число ЭП, учитывая что m > 3, а
то
(2. 6)
7 Определяем
коэффициент максимума:
[1., с. 55, таб. 2.15]
8 Определяем
максимальную активную мощность:
(2.7)
9 Определяем
среднесменную реактивную мощность:
(2.8)
10 Определяем максимальную
реактивную мощность
, то
11 Определяем
полную максимальную мощность:
(2.
9)
12 Определяем
максимальный ток нагрузки.
(2.
10)
2.2 Расчет и выбор компенсирующего устройства
Активная
энергия, потребляемая электроприемниками, преобразуется в другие виды энергии:
механическую, тепловую, энергию сжатого воздуха и т.п. Определенный процент
активной энергии расходунтся на потери. Реактивная мощность Q не связана с
полезной работой ЭП и расходуется на создание электромагнитных полей в
электродвигателях, трансформаторах, линиях.
В цепи
переменного тока, имеющей чисто активную нагрузку, ток совпадает по фазе с
приложенным напряжением. Если в цепь включены электроприемники, обладающие
активным и индуктивным сопротивлением (АД, сварочные и силовые трансформаторы),
то ток будет отставать от напряжения на некоторый угол φ, называемый углом сдвига фаз (Рисунок
2.1). Косинус этого угла называется коэффициентом мощности.
Рисунок
2.1 Векторные диаграммы
Из
рисунка 1 видно, что с увеличением активной составляющей тока Iа и при
неизменной величине реактивной составляющей Iр, угол φ будет снижаться, следовательно,
значение cosφ будет увеличиваться.
Наоборот, при неизменной величине Iа с увеличением
реактивной составляющей тока Iр, угол φ будет увеличиваться, а значение cosφ будет снижаться.
Генераторы
переменного тока и трансформаторы характеризуются номинальной мощностью Sном.
Электроприемники характеризуются номинальной активной мощностью Pном и cosφ. Полная мощность источника
согласно векторной диаграмме
(2.11)
Если
нагрузка источника только активная, т.е. φ=0,
а cosφ=1, то S=P и наибольшая
активная мощность электроприемников может быть равна номинальной мощности источника.
Если cosφ=0,8, то P=0,8Sном. Таким
образом, величина cosφ характеризует степень использования
мощности источника. Чем выше cosφ электроприемников, тем лучше
используются генераторы электростанций и их первичные двигатели; наоборот, чем
ниже cosφ, тем хуже используются
электрооборудование подстанций и электростанций и всех других элементов
электроснабжения.
Компенсация
реактивной мощности, или повышение cosφ электроустановок, имеет большое
народно-хозяйственное значение и является частью общей проблемы КПД работы
систем электроснабжения и улучшения качества отпускаемой потребителю электроэнергии.
Повышение
cosφ, или уменьшение потребления
реактивной мощности элементами системы электроснабжения, снижает потери активной
мощности и повышает напряжение; кроме того, увеличивается пропускная
способность элементов электроснабжения.
Величина
cosφ задается энергоснабжающей
организацией и находится в пределах cosφэ=0,92
Для
повышения коэффициента мощности потребителей электроэнергии предполагается
провести следующие мероприятия, которые не требуют применения специальных
компенсирующих устройств:
1.Упорядочение
всего технологического процесса, что приводит к улучшению энергетического
режима оборудования, а следовательно, и к повышению коэффициента мощности;
2.Переключение
статорных обмоток асинхронных двигателей с треугольника на звезду, если их
нагрузка составляет менее 40%;
3.Устранение
режима работы асинхронных двигателей без нагрузки (холостого хода) путем
установки ограничителей холостого хода;
4.Замена
малозагруженных двигателей меньшей мощности при условии, что изъятие избыточной
мощности влечет за собой уменьшение суммарных потерь активной энергии в
двигателе и энергосистеме;
5.Замена
асинхронных двигателей синхронными двигателями той же мощности, где это возможно
по технико-экономическим соображениям;
6.
Повышение качества ремонта двигателей с сохранением их номинальных данных.
В
качестве компенсирующего устройства в курсовом проекте применяется комплектная
конденсаторная установка напряжением 0,38 кВ, что обусловлено следующими
преимуществами:
1.Небольшие
потери активной энергии в конденсаторах;
2.Простота
монтажа и эксплуатации;
3.Возможность
легкого изменения мощности комплектной конденсаторной установки в результате
увеличения или уменьшения числа конденсаторов в фазе;
4.Возможность
легкой замены поврежденного конденсатора;
Недостатки
комплектной конденсаторной установки:
1.Конденсаторы
неустойчивы к динамическим усилиям, возникающим при коротких замыканиях;
2.При
включении конденсаторной установки возникают большие пусковые токи до 10Iном;
3.После
отключения конденсаторной установки от сети на ее шинах остается заряд, который
может быть опасен для обслуживающего персонала;
4.Конденсаторы
весьма чувствительны к повышению напряжения (повышение напряжения допускается
не более, чем на 10% от номинального);
5.После пробоя диэлектрика конденсаторы
довольно трудно ремонтировать, чаще всего их приходится заменять новыми.
Где
HL – лампа накаливания служит для разряда
конденсаторных батареек.
Рисунок
2.2 Присоединения конденсаторов к шинам на напряжение 0,38 кВ.
1 Рассчитываем
(2.12)
2 Рассчитываем
мощность компенсирующего устройства
(2,13)
(2,14)
(2,15)
Подбираем стандартные значение мощности
каждой батарее и тип ее по таблице:
КЭ1-0,38-20-2У1
(ЗУ1) Sном=20 кВАр.
[2, с 382, табл 6,21]
3 Рассчитываем
полную максимальную мощность с учетом мощности каждой батарее
(2,16)
4 Определяем
коэффициент мощности
(2,17)
2.3 Выбор
напряжения и схемы питания силовых и осветительных нагрузок цеха.
Учитывая особенности
радиальных и магистральных сетей, обычно применяют смешанные схемы
электрических сетей в зависимости от характера производства, условий окружающей
среды и т. д. Например, в механических цехах машиностроительной
промышленности при системе блока «трансформатор
- магистраль» электроснабжение выполняют магистральным шинопроводом ШМА, к
которому присоединяют распределительные шинопроводы ШРА. На некоторых
участках цеха устанавливают распределительные пункты для питания
электроприемников, которые присоединяют к ближайшим магистральным или
распределительным шинопроводам.
Подключение ШМА к
распределительным устройствам КТП (шкафам) подстанции производится «напрямую»
или через присоединительные секции ШМА.
Присоединение
распределительных шинопроводов к КТП производится кабелем или проводом, который
подводится к вводной коробке ШРА.
Осветительные
нагрузки цехов при радиальных схемах силовой сети питаются отдельными линиями
от щитов подстанций; при магистральных схемах и схемах подстанций, выполненных
по системе блока «трансформатор - магистраль», - от головных участков
магистралей.
В крупных цехах
при радиальной или магистральной схеме от щита подстанции до распределительного
щита, установленного в цехе, прокладывают самостоятельную осветительную сеть,
которую называют, так же как и в силовых сетях, питающей. От распределительных
щитов осуществляется питание групповых щитков. В небольших
цехах распределительные щиты можно не устанавливать, а питающую сеть от
источника питания подводить непосредственно к групповым щиткам.
Выбор
напряжения выше 1 кВ производится в зависимости от мощности электроустановок
предприятия одновременно с выбором всей схемы электроснабжения. Для питания
предприятия малой мощности и в распределительных сетях внутри предприятия
используются напряжения 6-10 кВ. Причем напряжения 10 кВ большинстве случаев
является более предпочтительным. Напряжение 6 кВ целесообразно тогда, когда
нагрузки и ТП предприятия получают питание от шин генераторов промышленной ТЭЦ,
а предприятие на минимальное напряжение.
При
проектирование новых и реконструкций действующих промышленных предприятий
следует стремиться к ликвидации напряжения 6 и 35 кВ путем перевода
существующих сетей 6 кВ на напряжение 10 кВ и создание питающих сетей – напряжением 110-220 кВ вместо сетей 35
кВ.
Для
внутрицеховых сетей наиболее распространение имеет напряжение 380/220 В,
основным преимуществом которого является возможность совместного питания
силовых и осветительных ЭП. Наибольшая единичная мощность трехфазных ЭП,
получающих питания питание от системы напряжений 380/220 В, как правило, не
должна превышать 220-250 кВт, допускающих применение компенсирующей аппаратуры
на ток 630 А.
Исходя, из
вышесказанного на высокой стороне трансформатора используется напряжение 10/0,4
кВ.
В данном
курсовом проекте на стороне 10 кВ трансформатора установлены: разъединитель,
предохранитель, трансформатор тока и напряжения. На стороне 0,4 кВ установлен
автоматический выключатель.
Разъединитель — это коммутационный аппарат, предназначенный
для коммутации цепи без тока; для создание надежного видимого разрыва цепи для
обеспечения безопасного проведения ремонтных работ на оборудовании и
токоведущих частях электроустановки.
Предохранитель - это коммутационный электрический
аппарат, предназначенный для отключения защищаемой
цепи разрушением специально предусмотренных для этого
токоведущих частей под действием тока, превышающего
определенное значение.
Трансформатор
напряжения предназначен для отделения цепей измерения и релейной защиты от
первичных цепей высокого напряжения.
Трансформатор
тока предназначен для понижения первичного тока до стандартной величины (5 или
1 А) и для отделения цепей измерения и защиты от первичных цепей высокого
напряжения.
Автоматический
выключатель — это контактный
коммутационный аппарат (электротехническое или электроустановочное устройство),
способный включать, проводить и отключать токи при нормальном состоянии
электрической цепи, а также включать, проводить в течение определённого
устанавливаемого времени и отключать токи в определённом аномальном состоянии
цепи электрического тока. Автоматический выключатель предназначен для защиты
кабелей, проводов и конечных потребителей от перегрузки и короткого замыкания.
2.4 Расчет и
выбор числа мощности цеховых трансформаторов.
Выбор типа,
числа и схем питания подстанций должен быть обусловлен величиной и характером
электрических нагрузок, размещением нагрузок на генеральном плане предприятия,
а также производственными, архитектурно-строительными и эксплуатационными
требованиями.
ТП должны
размещаться как можно ближе к центру размещения потребителей. Для этого должны
применяться внутрицеховые подстанции, а также встроенные в здание цеха или
пристроенные к нему ТП, питающие отдельные цехи (корпуса) или части их.
ТП должны
размещаться вне цеха только при невозможности размещения внутри его или при
расположении части нагрузок вне цеха.
Однотрансформаторные
цеховые подстанции применяются при питании нагрузок, допускающих перерыв
электроснабжения на время доставки «складского» резерва, или при резервировании,
осуществляемом по перемычкам на вторичном напряжении.
Двухтрансформаторные
цеховые подстанции применяются при преобладании потребителей 1-й и 2-й
категорий, а также при наличии неравномерного суточного или годового графика
нагрузки.
Цеховые
подстанции с числом трансформаторов более двух используются лишь при надлежащем
обосновании необходимости их применения, а также в случае установки раздельных
трансформаторов для питания силовых и осветительных нагрузок.
Радиальное
питание небольших однотрансформаторных подстанций (до 630 кВ • А) производят
по одиночной радиальной линии без резервирования на стороне высшего напряжения
при отсутствии нагрузок 1-й категории.
Взаимное
резервирование в объеме 25-30% на однотрансформаторных подстанциях следует
осуществлять при помощи перемычек на напряжении до 1000 В (при схеме
«трансформатор—магистраль»)
для тех отдельных подстанций, где оно необходимо.
При выборе
числа и мощности трансформаторов подстанций рекомендуется:
трансформаторы
мощностью более 1000 кВ-А применять при наличии группы электроприемников
большой мощности (например, электропечей) или значительного числа однофазных
электроприемников, а также при наличии электроприемников с частыми пиками
нагрузки (например, электросварочных установок) и в цехах с высокой удельной
плотностью;
стремиться к
возможно большей однотипности трансформа
торов цеховых подстанций;
при
двухтрансформаторных подстанциях, а также при однотрансформаторных подстанциях
с магистральной схемой электроснабжения мощность каждого трансформатора выбирать
с таким расчетом, чтобы при выходе из строя одного трансформатора оставшийся в
работе трансформатор мог нести всю нагрузку потребителей 1-й и 2-й категорий (с
учетом допустимых нормальных и аварийных нагрузок); при этом потребители 3-й
категории могут временно отключаться.
Для этого
номинальная мощность трансформаторов двухтран-сформаторной подстанции
принимается равной 70% от общей расчетной нагрузки цеха. Тогда при выходе из
строя одного из трансформаторов второй на время ликвидации аварии оказывается
загруженным не более чем на 140%, что допустимо в аварийных условиях.
Ориентировочно выбор числа и
'мощности трансформаторов может производиться по удельной плотности нагрузки
(кВА/м2) и полной расчетной нагрузке объекта (кВА).
Число
и мощность трансформаторов выбираются с учетом перегрузочной способности
трансформатора.
1. Задаемся
количеством трансформаторов «n» в зависимости
от мощности и категории ЭП.
U=10-0.4 кВ, II категория, S ‘max= 73.44 кВА, Кз=40%.,
n = 1.
2. В
зависимости от этих же величин задаемся коэффициентом загрузки Кз=0,7.
3. Определяем
расчетные значения мощности трансформатора
(2.18)
где
S ‘max – мощность с учетом компенсации.
Находим
стандартные значения номинальной мощности трансформатора и тип трансформатора в
таблице
Sном=160 КВА
ТСЗ160/10 [2, с 120, табл 3,3]
4 Проверяем
выбранный трансформатор по Кз
(2,19)
2.5 Расчет и
выбор распределительной сети 0,38 кВ
2.5.1 Расчет и
выбор защитной аппаратуры.
Электрические
предохранители (Автоматы) предназначены для автоматического отключения нагрузки
от электрической сети при перегрузках в сети или короткого замыкания.
Автоматы
снабжены специальным исполнительным механизмом расцепителем, который
непосредственно осуществляет размыкание электрической цепи. Большинство этих
современных бытовых устройств –
комбинированные. Они имеют электромагнитный и тепловой расцепитель и могут
одновременно защитить и от перегрузки сети, и от короткого замыкания.
Электромагнитный
расцепитель – это
электромагнит, способный защитить цепь от короткого замыкания, когда ток
мгновенно возрастает до критических значений, в 5-10 раз превышающий
номинальные показатели. Автомат при этом должен отключить цепь за время порядка
0,01 секунды.
Тепловой
расцепитель –
биметаллическая пластина, изменяющая свою форму при нагреве. Этот элемент
предупреждает критические перегрузки, сопровождающиеся значительным разогревом
проводников, оплетка которых может воспламенится.
Важно отметить, что номинал автомата
выбирается исходя из допустимой токовой нагрузки проводников. То есть, должно
быть достигнуто соответствие характеристик автомата и сечений проводников той
потребляемой мощности, которая заложена в проекте электроустановки.
1 Выбираем автоматический
выключатель к распределительному шинопроводу ШРА-1.
(2,20)
(2,21)
(2,22)
(2,23)
(2,24)
, n – берем равное 3.
50А
45,78А
150А
1,25 101=126,25А
Выбираем
автомат ВА51Г-25
2 Выбираем
кабель к распределительному шинопроводу ШРА-1
.
(2,25)
, Iзащ = Iэ (2,26)
Кзащ=1 [1, с 46, табл
2,10]
60А
45,79
А
60А
1 50
А
Выбираем 4-х жильный кабель сечением
(16x3+1x10) АВРГ.
3 Выбираем автоматический
выключатель к распределительному шинопроводу ШРА-2.
, n – берем равное 3.
50А
45,78А
150А
1,25 101=126,25А
Выбираем
автомат ВА51Г-25
4 Выбираем
кабель к распределительному шинопроводу ШРА-2
60А
46,3А
60А
1
50А
Выбираем 4-х жильный кабель сечением
(16x3+1x10) АВРГ.
5 Выбираем
автоматический выключатель к распределительному щиту РЩ.
, n – берем равное 7.
31,5А
26,5А
220,5А
1,25 78,5=98,13А
Выбираем
автомат ВА51-31
6 Выбираем
кабель к распределительному щиту РЩ.
60А
26,5А
60А
1
31,5А
Выбираем 4-х жильный кабель сечением
(16x3+1x10) АВРГ.
7 Выбираем
автоматический выключатель к магистральному шинопроводу ШМА
, n – берем равное 3.
125А
118,59А
375А
1,25 36,45=45,56А
Выбираем
автомат ВА51-33
2.5.2 Расчет и
выбор проводов и кабелей
Ток проходя по
проводнику вызывает его нагрев. Каждое сечение должно быть рассчитано
определенную величину тока, которая не допускает нагрева этого проводника. Это
величина тока называется нормально допустимым током (Iнорм доп), то есть
должно соблюдаться условие. Iнорм доп
Iдл
Кроме этого выбранное
сечение проводника должно соответствовать выбранному защитному аппарату, то
есть
Iнорм доп
Кзащ Iзащ,
где Iзащ – это номинальное напряжения
расцепителя, Iэ.
Таким образом
условие выбора сечения записывается
Iнорм доп
Iдл (2,27) Iнорм доп
Кзащ Iзащ (2,28)
Для взрыва
опасных помещений сечение провода увеличивается на 1,25 раза для того, чтобы
сделать запас сечению и исключить перегрев.
Iнорм доп
1,25 Iдл
Iнорм доп
Кзащ Iзащ
Для взрыва
опасных помещений выбираем только медные проводники.
1 Выбираем автоматический
выключатель к ЭП1 – конвейер
ленточный сортировочный.
Iэ
Iдл (2,29)
Iср. р
1,25 Iкр (2,30)
6,3А
1,52А
18,9А
1,25 3,84=4,8А
Выбираем
автомат ВА51-31
2 Выбираем провод к ЭП1.
Iнорм доп
Iдл 65А
1,52А
Iнорм доп
Кзащ Iзащ 65А
6,3 1= 6,3А
Выбираем провод сечение (10х3+1х6)
АПРН.
2.5.3 Расчет и
выбор распределительных шкафов и шинопроводов.
Шинопроводом – называется жесткий токопровод
заводского изготовления напряжением до 1кВ, поставляемый комплектными сексиями.
Шинопроводом
применяются для питания электроприемников одной технологической линии
(например, сборочный конвейер), сосредоточенного большого числа
электроприемников, выделенных в группу. Для удобства эксплуатации шинопроводы
прокладываются над оборудованием, крепятся стойках или на тросах на высоте 2,5-3 м.
Шинопроводы по
исполнению могут быть:
˜ Открытыми
˜ Шины на
изоляторах
˜ Защищенными
˜ Закрытые
˜ Комплектные
шинопроводы.
Электроприемники
подключаются к ответвленным коробкам,
равномерно распределенными по длине
шинопроводов.
Распределительные шинопроводы с
алюминовыми шинами типа ШРА предназначены для распределения электроэнергии
между электроприемниками. Шинопроводы ШРМ 75 и предназначен для использования в
четырехпроводных сетях с напряжением 0,38 кВ, а так же в качестве
осветительного.
Распределительные
шкафы. На участках цеха для распределения электроэнергии, поступающей по
питающим линиям, между группами силовых электроприемников, ус-танавливаются
распределительные силовые шкафы.
При
питание от магистральных шинопроводов одновременно силовых и осветительных
нагрузок указанная предельная длина шинопроводов снижается примерно в 2 раза.
При
магистральной схеме ЭП могут быть подключены в любой точке магистрали.
Рассчитываем
распределительный шинопровод ШРА-1
Таблица 2.2
|
№
|
Наименование
|
Установленная мощность при ПВ=100%
|
Коэффиц.
использ.
Ки
|
|
|
Одного ЭП.
|
|
1
|
Конвейеры ленточные сортировочные
|
0,75
|
0,5
|
0,75
|
|
2,3
|
Унифицированные вентиляторные моечные
машины
|
4,1
|
0,46
|
0,65
|
|
4
|
Конвейеры роликовые сортировочные
|
1,8
|
0,5
|
0,75
|
|
11
|
Электрические подъемники передвижные
ПВ=25%
|
3,2
|
0,05
|
0,5
|
|
12
|
Элеваторы подачи томатов в дробилку
|
0,75
|
0,56
|
0,75
|
|
13
|
Установки дробления томатов
|
4,5
|
0,54
|
0,8
|
|
14
|
Подогреватели дробленой томатной
пасты
|
6
|
0,5
|
0,35
|
|
15
|
Установки экстракторные
|
9
|
0,6
|
0,78
|
|
16
|
Установки разлива сока с подогревов.
|
3
|
0,6
|
0,78
|
1 Определяем среднесменную активную
мощность за максимально загруженную смену:
1.2 Определяем суммарную полную
мощность.
1.3 Определяем
коэффициент силовой сборки m:
1.4 Определяем
средний коэффициент использования:
1.5 Определяем
эффективное число ЭП, учитывая что m > 3, а
то
1.6 Определяем
коэффициент максимума nэ=8, Ки=0,51:
[1., с. 55, таб. 2.15]
7 Определяем
максимальную активную мощность:
1.8 Определяем
среднесменную реактивную мощность:
1.9 Определяем максимальную
реактивную мощность
, то
1.10 Определяем
полную максимальную мощность:
1.11 Определяем
максимальный ток нагрузки.
2 Рассчитываем распределительный
шинопровод ШРА-2
Таблица 2.3
|
№
|
Наименование
|
Уст-ая мощ-ть при ПВ=100%
|
Коэффиц.
использ.
Ки
|
|
|
Одного ЭП.
|
|
17,23
28
|
Электрические подъемники передвижные
ПВ=25%
|
(3,2) 1,6
|
0,05
|
0,5
|
|
18
|
Элеваторы подачи томатов в дробилку
|
0,75
|
0,56
|
0,75
|
|
19
|
Установки дробления томатов
|
4,5
|
0,54
|
0,8
|
|
20
|
Подогреватели дробленой томатной
пасты
|
6
|
0,5
|
0,95
|
|
21
|
Установки экстракторные
|
9
|
0,6
|
0,78
|
|
22
|
Установки разлива сока с подогревов
|
3
|
0,6
|
07,8
|
|
Всего:
|
24,85
|
2,85
|
4,56
|
2.1 Определяем среднесменную активную
мощность за максимально загруженную смену:
2.2 Определяем суммарную полную
мощность.
2.3
Определяем коэффициент силовой сборки m:
2.4 Определяем
средний коэффициент использования:
2.5 Определяем
эффективное число ЭП, учитывая что m > 3, а
то
2.6 Определяем
коэффициент максимума nэ=9, Ки=0,5:
[1., с. 54, таб. 2.13]
2.7 Определяем
максимальную активную мощность:
2.8 Определяем
среднесменную реактивную мощность:
2.9 Определяем
максимальную реактивную мощность
, то
2.10 Определяем
полную максимальную мощность:
2.11 Определяем
максимальный ток нагрузки.
3 Рассчитываем распределительный щит
РЩ
Таблица 2.4
|
№
|
Наименование
|
Уст-ая мощ-ть при ПВ=100%
|
Коэффиц.
использ.
Ки
|
|
|
Одного ЭП.
|
|
5
|
Станки токарные
|
8,5
|
0,12
|
0,4
|
|
6,7
|
Станки шлифовальные
|
3,6
|
0,4
|
|
8
|
Станки сверлильные (1-фазный)
|
(1,5) 4,5
|
0,12
|
0,4
|
|
9,10
|
Вентиляторы
|
0,6
|
0,6
|
0,8
|
|
Всего:
|
17,2
|
0,96
|
2
|
3.1 Определяем среднесменную активную
мощность за максимально загруженную смену:
3.2 Определяем суммарную полную
мощность.
3.3 Определяем
коэффициент силовой сборки m:
3.4 Определяем
средний коэффициент использования:
3.5 Определяем
эффективное число ЭП, учитывая что m > 3, а
то
3.6 Определяем
коэффициент максимума:
[1.,
с. 54, таб. 2.13]
3.7 Определяем
максимальную активную мощность:
3.8 Определяем
среднесменную реактивную мощность:
3.9 Определяем
максимальную реактивную мощность
, то
3.10 Определяем
полную максимальную мощность:
3.11 Определяем
максимальный ток нагрузки.
Выбираем
распределительный пункт типа ПР 85. [3, с.186, табл.А.7]
4 Рассчитываем магистральный
шинопровод ШМА:
Выбираем
ШМА-1600 с номинальным током Iном=1600, А
2.6 Расчет
токов короткого замыкания.
Коротким
замыканием (КЗ) называют всякое случайное или преднамеренное, не
предусмотренное нормальным режимом работы, электрическое соединение различных
точек электроустановки между собой или землей, при котором токи в ветвях
электроустановки резко возрастают, превышая наибольший допустимый ток
продолжительного режима (ГОСТ 26522—85).
В системе
трехфазного переменного тока могут быть замыкания между тремя фазами — трехфазные КЗ, между двумя фазами — двухфазные КЗ
Возможно
двойное замыкание на землю в различных, но электрически связанных частях
электроустановки в системах с незаземленными или резонансно-заземленными нейтралями.
Причинами
коротких замыканий могут быть: механические повреждения изоляции — проколы и разрушение кабелей при
земляных работах; поломка фарфоровых изоляторов; падение опор воздушных линий;
старение, т. е. износ, изоляции, приводящее постепенно к ухудшению
электрических свойств изоляции; увлажнение изоляции; перекрытие между фазами
вследствие атмосферных перенапряжений.
Некоторые КЗ
являются устойчивыми, условия возникновения их сохраняются во время бестоковой
паузы коммутационного аппарата, т. е. после снятия напряжения с
электроустановки. К ним относятся КЗ вследствие механических повреждений,
старения и увлажнения изоляции.
Условия
возникновения неустойчивых КЗ самоликвидируются во время бестоковой паузы
коммутационного аппарата.
Последствиями
коротких замыканий являются резкое увеличение тока в короткозамкнутой цепи и
снижение напряжения в отдельных точках системы. Дуга, возникшая
в месте КЗ, приводит к частичному или полному разруше
нию аппаратов, машин и других устройств. Увеличение тока
в ветвях электроустановки, примыкающих к месту КЗ, при
водит к значительным механическим воздействиям на то-
коведущие части и изоляторы, на обмотки электрических
машин. Прохождение больших токов вызывает повышенный
нагрев токоведущих частей и изоляции, что может привести
к пожару в распределительных устройствах, в кабельных
сетях и других элементах энергоснабжения.
Ток КЗ зависит
от мощности генерирующего источника, напряжения и сопротивления
короткозамкнутой цепи. В мощных энергосистемах токи КЗ достигают нескольких
десятков тысяч ампер, поэтому последствия таких ненормальных режимов оказывают
существенное влияние на работал электрической установки.
Для уменьшения
последствий коротких замыканий необходимо как можно быстрее отключить
поврежденный участок, что достигается применением быстродействующих
выключателей и релейной защиты с минимальной выдержкой времени. Немаловажную роль
играют автоматическое регулирование и форсировка возбуждения генераторов,
позволяющие поддерживать напряжение в аварийном режиме на необходимом уровне.
Все электрические аппараты и токоведущие части электрических установок должны
быть выбраны таким образом, чтобы исключалось их разрушение при прохождении по
ним наибольших возможных токов КЗ, в связи, с чем возникает необходимость
расчета этих величин.
Рисунок 2.2 Расчетная схема
Рисунок 2.3 Схема замещения
1 Определяем сопротивления элементов
электрической цепи. Принимаем Sб=100 мВА.
1.1.
(2,31)
2.2 Кабельные линии
(2,32)
2.3 Трансформаторы
(2,33)
2. Определяем
токов КЗ в данном частке К1:
.
(2,34)
(2,35)
А
2.2 В точке К2
;
RТА=0,2 мОм ХТА=0,3
мОм [3, с 61, табл 1,92]
RТ=16,6 мОм
ХТ=41,7 мОм [3, с 65, табл 7,1]
RМ=0,475 мОм ХМ=0,295
мОм [4, с 155, табл 7,2]
Rа=0,40 мОм Ха=0,5
мОм
;
, Iэ=250 А.
Выбираем автомат ВА51-35 [3,
с 185, табл А6]
Шины (25х3) мм, Iном=265 А.
(2,36)
;
2.3 Сумма сопротивлений шин.
(2,37)
(2,38)
2.4 Находим полное сопротивление
(2.39)
2.5 Определяем
ток короткого замыкания:
(2,40)
3 Определяем ударные токи в заданных
точках
Ку=1,8
(2,41)
Ку=1,2;
4 Мощность короткого замыкания
(2,42)
2.7 Расчет и
выбор питающего кабеля.
Выбор кабеля по напряжению. Кабели надёжно
работают при напряжение повышающем номинальное напряжение на 15%, т.к рабочее
напряжение превышает номинальное на 5-0,1%, то при выборе кабеля по напряжению
достаточно.
Uкаб>U, где Uкаб-номинальное
напряжение кабеля
1 Выбираем
кабель по напряжению.
Uкаб > Uном; 10,5 > 10
кВ.
2 Выбираем
сечение кабеля по экономической плотности тока.
(2,43)
где
jэк – максимальная
плотность тока А/мм2 [1, с.85 табл.2,26]
(2,44)
Полученное сечение округляем до
ближайшего стандартного по условию: Sрасч >Sэк, выбираем Sэк ст=25 мм2,
марка кабеля ААБ-25.
[2,
с 400, табл 7,10]
Выбранное сечение кабеля проверяется:
На допустимую
потерю напряжения. При этом ориентировочно можно считать, что считаются
допустимыми следующие потери: а) линии напряжением 6-10 кВ внутри предприятия
– 5%.
б) Линии напряжением 10-220 В, питающие
ГПП предприятия 10%
Необходимо
учесть, что в кабельных линиях при любом сечении жил кабеля – активное сопротивление больше
реактивного и последним можно пренебречь
Тогда выражение упрощается:
(2. 45)
значение R=1,24
[2, с 421, табл. 7.28]
(2. 46)
, (2. 47)
где cosφ –
значение после компенсации; l - 0,018х3 = 0,054 м.
Получено значение соответствует норме.
3 На нагрев токами нормального
режима:
,
(2. 49)
где t0 – начальная температура прокладки
кабеля.
Tдоп – допустимая температура нагрева для
данного вида кабеля.
Iдоп – длительно допустимый ток для данного
вида кабелей.
Выбранное сечение кабеля удовлетворяет
условию термической стойкости на длительный ток.
4 Проверяем на стойкость кабеля к
коротким замыканиям
(2,50)
где Iк – ток КЗ в точке на кабеле рассчитанный.
С –
коэффициент соответствий разности теплоты выделяемой в проводнике до и после
коротких замыканий.
С=85 для кабелей с алюминиевыми
жилами.
При этом
необходимо помнить, что на действие Iкз не проверяют:
а) токоведущие части, защищенные
предохранители или высоковольтными токоограничивающими сопротивлениями.
б) жили и кабели к ответственным
индивидуальным приемникам в том числе и к цеховым трансформаторам мощностью 630
кВА и с первичным напряжением 10кВ.
2.8 Расчет и
выбор высоковольтного электрооборудования.
Разъединитель — это коммутационный аппарат, предназначенный
для коммутации цепи без тока.
Основное
назначение разъединителя - создание надежного видимого разрыва цепи для
обеспечения безопасного проведения ремонтных работ на оборудовании и
токоведущих частях электроустановки.
Контактная
система разъединителей не имеет дугогасительных устройств, поэтому отключение
необесточенной цепи приведет к образованию устойчивой дуги и последующей
аварии в распределительном устройстве. Прежде чем оперировать разъединителем,
цепь должна быть отключена выключателем.
Разъединители
для внутренней установки могут быть одно- и трехполюсными. На металлической
раме с помощью опорных изоляторов укреплены три полюса разъединителя,
объединенные общим валом, связанным тягой с приводом.
Контактная
система такого разъединителя имеет неподвижные контакты из медной изогнутой под
прямым углом шины, закрепленной на опорном изоляторе, и подвижного контакта — двухполюсного ножа. Пружины,
насаженные на стержень, нажимают на стальные пластины, которые своим выступом
прижимают ножи к неподвижному контакту, уменьшая переходное сопротивление
Кроме главных
ножей, разъединитель может быть снабжен заземляющими ножами (типа РВЗ),
которые используют для заземления обесточенных токоведущих частей.

















































Главные и
заземляющие ножи механически сблокированы так, что при включенных главных ножах
нельзя включить заземляющие ножи.
Разъединители
для наружной установки должны выполнять свои функции в неблагоприятных
условиях окружающей среды (низкие температуры, гололед, осадки). В этих
условиях надежно работают
разъединители горизонтально-поворотного типа РНД. В таких
разъединителях нож состоит из двух частей, закрепленных на опорных колонках
изоляторов, которые установлены на раме. Один полюс является ведущим и соединен
с приводом тягой. При отключении ручным или электродвигательным приводом
осуществляется поворот колонок вокруг своей оси в противоположных
направлениях, и ножи перемещаются в горизонтальной плоскости, как бы «ломаясь»
на две половинки. Такая конструкция ножей позволяет легко разрушить корку льда,
которым могут быть покрыты контакты. Шины распределительного устройства присоединены
к наконечникам, гибкая связь соединяет их с ножами. Разъединители могут иметь
один или два заземляющих ножа.
Один главный
нож разъединителя заканчивается контактом в виде лопатки, другой — в виде пружинящих ламелей. Давление в
контакте создается пружинами. С помощью гибкой связи контакт соединен с ножом.
Трансформатор
тока предназначен для понижения первичного тока до стандартной величины (5 или
1 А) и для отделения цепей измерения и защиты от первичных цепей высокого
напряжения.
Трансформаторы
тока для внутренней установки имеют сухую изоляцию с использованием фарфора или
эпоксидной смолы. Трансформаторы с литой эпоксидной изоляцией имеют малые
размеры и проще по технологии производства.
В КРУ
применяются трансформаторы тока ТЛМ-6, ТЛМ-10 на первичные токи от 300 до 1500
А. При небольших первичных токах применяются катушечные трансформаторы тока,
у которых первичная обмотка имеет много витков (ТПЛ, ТПЛК).
Для схем
релейной защиты от замыкания на землю применяются трансформаторы тока ТЗЛ,
которые устанавливаются на кабель и встраиваются в КРУ.
Трансформатор
напряжения предназначен для отделения цепей измерения и релейной защиты от первичных
цепей высокого напряжения.
Так же как в
трансформаторах тока, в трансформаторах напряжения имеется угловая погрешность.
Трансформаторы напряжения могут иметь
классы точности 0,2; 0,5; 3, область применения которых такая же, как для
трансформаторов тока.
Вторичная
нагрузка измерительных приборов и реле не должна превышать номинальную
мощность трансформатора напряжения, так как это приведет к увеличению
погрешностей.
По конструкции различают трехфазные и
однофазные трансформаторы напряжения. Трехфазные применяются на напряжения до
10 кВ, однофазные —на любые
напряжения до 1150кВ
Предохранитель - это коммутационный электрический
аппарат, предназначенный для отключения защищаемой
цепи разрушением специально предусмотренных для этого
токоведущих частей под действием тока, превышающего
определенное значение.
1 Выбор трансформатора тока.
Они выбираются по номинальному
току и напряжения и проверяется на термическую и динамическую стойкость токов
КЗ. Таблица 2.3 Выбор трансформатора тока.
|
Табличные данные
|
Расчетные данные
|
|
|
Так как ТПЛК-10 с номинальным током не проходит по динамической
стойкости, то выбираем ТПЛК-10
|
Выбираем трансформатор тока типа
ТПЛК-10. [2, С 294, табл 5,9 ]
Выбираем разъединитель
Разъединитель
выбирается по номинальному напряжению и тока и проверяется на термическую
стойкость и на динамическую стойкость
Рисунок 2,4 Выбор разъединителя
Выбираем разъединитель РВЗ-10/400 IУ3
Выбираем предохранитель
Они выбираются
по номинальному току и напряжения и проверяется на отключающую способность
токов КЗ
Рисунок 2,5 Выбор предохранителя
Выбираем предохранитель
ПКТ-101-10-10-31,5 У3
Выбираем трансформатор напряжения.
TV выбирается по
номинальному напряжению и проверяется на нагрузку вторичной цепи.
Выясним какие приборы подключаются
к силовому трансформатору при U=10 кВ через
трансформатор напряжения.
[1,
с 321, табл 9,1]
Силовой трансформатор на 10/0,4 кВ
питает одну хозрасчетную единицу.
Выясним, какую мощность потребляет
катушка напряжения счетчика активной энергии.
[2,
с 389, табл 6,26]
Проверяем и выбираем
трансформатор напряжения по условию:
;
Выбираем трансформатор напряжения для
коммерческого учета типа НОМ-10-66 У2 [2,
с 326, табл 5,13]
2.9 Релейная
защита
В электрических
сетях промышленных предприятий возможно возникновение повреждений, нарушающих
нормальную работу ЭУ
Предотвратить
возникновение аварий можно путем быстрого отключения поврежденного элемента
или участка сети. Для этой цели ЭУ снабжают автоматически действующими
устройствами — релейной
защитой (РЗ), являющейся одним из видов противоаварийной автоматики. РЗ может
быть предназначена для сигнализации о тепловых, световых, механических в
зависимости от заданных параметров контролируемой величины, времени и др
Основными
требованиями к РЗ являются: быстродействие, селективность, чувствительность и
надежность.
Быстродействие.
Чем быстрее произойдет обнаружение и отключение поврежденного участка, тем
меньше разрушительное действие аварийного тока на электрооборудование, тем
легче сохранить нормальную работу потребителей неповрежденной части ЭУ.
Поэтому электрические сети должны оснащаться быстродействующей РЗ. Современные
устройства быстродействующей РЗ имеют время срабатывания 0,02— 0,1 с.
Селективность
или избирательность. Селективностью РЗ называется ее способность
отключать при КЗ только поврежденный участок или участок, ближайший к месту
повреждения, оставляя в работе потребителей, подключенных к неповрежденному
участку. Селективное действие РЗ аналогично селективному действию
предохранителей. Таким образом, селективность действия защиты обеспечивает
надежное электроснабжение потребителей.
Чувствительность.
Чувствительностью РЗ является ее способность реагировать на самые малые
изменения контролируемого параметра (как правило, тока КЗ и перегрузки) и
анормальные режимы работы ЗУ.
Чувствительность
характеризует устойчивое срабатывание РЗ при КЗ в защищаемой зоне. Удовлетворение
требований чувствительности в современных СЭС встречает определенные
затруднения, так как при передаче и распределении больших мощностей на большие
расстояния токи КЗ в устройствах защиты могут стать соизмеримыми с максимальными
рабочими токами сетей вследствие значительных переходных сопротивлений. Это
приводит к невозможности применения простых видов защит и к необходимости
переходить на сложные и дорогие защитные устройства.
Надежность
работы РЗ заключается в ее правильном и безотказном действии во всех
предусмотренных по ее назначению случаях. Надежность обеспечивается
применением высококачественных реле, простых и совершенных схем РЗ, тщательным
выполнением монтажных работ, должной культурой эксплуатации защитных устройств
В устройствах
РЗ применяют различные реле, отличающиеся по принципу действия: электрические,
механические, тепловые, полупроводниковые. Электрические реле реагируют на
электрические величины: ток, напряжение, мощность, частоту, сопротивление, угол
сдвига между током и напряжением, угол между двумя токами и двумя напряжениями.
Механические реле реагируют на неэлектрические величины: давление, уровень
жидкости и т. п.
По способу
включения реле различают первичные, включаемые непосредственно в схему
защищаемого элемента цепи, и вторичные, присоединяемые к защищаемому элементу
через трансформаторы тока напряжения. По способу воздействия исполнительного
органа на выключатель цепи — реле прямого и
косвенного действия. Электрические реле имеют орган, воспринимающий изменение
контролируемой величины (как правило, катушка реле), и орган исполнительный,
отключающий выключатели, подающий предупредительный сигнал или замыкающий цепи
других реле (как правило, якорь электромагнита и контакты). Некоторые реле
имеют орган замедления (выдержки времени). По принципу воздействия на
управляемую цепь реле делятся на контактные и бесконтактные полупроводниковые.
По характеру изменения контролируемой величины реле разделяют на
максимальные, срабатывающие при превышении заданного уровня контролируемой
величины; минимальные— при уменьшении
ниже заданного уровня контролируемой величины и дифференциальные, орган замера
которых реагирует на разность измеряемых электрических величин.
Защита силовых
трансформаторов. Выбор защиты трансформаторов зависит от мощности, назначения,
места установки и эксплуатационного режима трансформаторов.
Для защиты
трансформаторов при их повреждении и сигнализации о нарушениях нормальных
режимов работы могут применяться следующие типы защит: ДТЗ, МТЗ, ТО, газовая
защита, защита предохранителями.
В качестве
основной защиты от повреждений на выводах и внутренних повреждений
трансформатора при его мощности 6300 кВ-А и выше, как правило, применяется ДТЗ.
В схеме ДТЗ
коэффициент чувствительности должен
быть не менее 1,5. Если это требование не удовлетворяется, то для защиты
силовых трансформаторов вместо
дифференциальных реле РНТ-565 и РНТ-566 применяется
дифференциальная токовая защита (ДТЗ) с торможением.
В данном
курсовом проекте релейная защита трансформатора предусматривается
высоковольтным предохранителем типа ПК.
Высоковольтные
предохранители при установке на них соответствующих плавких вставок
обеспечивают защиту трансформатора от внутренних повреждений и межфазных
коротких замыканиях на выводах.
Защиту от
однофазных замыканий на землю осуществляют автоматическим выключателем с
максимальным расцепителем, установленным на стороне низкого напряжения или
трансформатора тока ТА на нулевом проводе при прямом присоединении
трансформатора с глухозаземленной нейтралью к шинопроводу.
2.10 Учет и
контроль электроэнергии.
Расчетным
учетом электроэнергии называется учет выработанной, а также отпущенной
потребителям электроэнергии для денежного расчета за нее. Счетчики,
устанавливаемые для расчетного учета, называются расчетными счетчиками (класса
2), с классом точности измерительных трансформаторов — 0,5.
Техническим
(контрольным) учетом электроэнергии называется учет для контроля расхода
электроэнергии электростанций, подстанций, предприятий, зданий. Счетчики, устанавливаемые
для технического учета, называются контрольными счетчиками (класса 2,5) с
классом точности измерительных трансформаторов — 1.
При определении
активной энергии необходимо учитывать энергию: выработанную генераторами
электростанций; потребленную на собственные нужды электростанций и подстанций;
выданную электростанциями в распределительные сети; переданную в другие
энергосистемы или полученную от них; отпущенную потребителям и подлежащую
оплате.
Расчетные
счетчики активной электроэнергии на подстанции энергосистемы должны
устанавливаться:
1) для каждой
отходящей линии электропередачи, принадлежащей потребителям;
2) для
межсистемных линий электропередачи—по два счетчика
со стопорами, учитывающих полученную и отпущенную электроэнергии;
3) на
трансформаторах собственных нужд;
4) для линий
хозяйственных нужд или посторонних потребителей (поселок и т. п.),
присоединенных к шинам собственных нужд.
Расчетные счетчики активной
электроэнергии на подстанциях потребителей должны устанавливаться:
1) на вводе
(приемном конце) линии электропередачи в подстанцию;
2) на стороне
ВН трансформаторов при наличии электрической связи с другой подстанцией
энергосистемы;
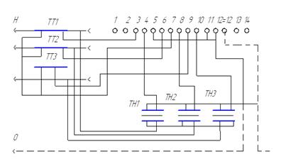
Схема подключения счетчиков типа ПСЧ-4
к трехфазной сети.
Рисунок 2,4 Подключение счетчиков к
трехфазной сети с помощью трех трансформаторов тока и трех трансформаторов
напряжения
( пунктиром показано цепь «0» для
четырехпроводной сети.)
Счетчик электрической энергии
статический, трехфазной, трехтрансформаторный, универсальный ПСЧ-4. Предназначен
для учета прихода и расхода активной энергии в трех- и четырехпроводных сетях
переменного тока номинальной частоты 50Гц, а также для передачи по линиям связи
информационных данных на центральный пункт сбора информации энергосистемы.
Счетчик обеспечивает высокую
точность измерения энергии в сетях со значительными отклонениями тока и
напряжения.
При подаче сетевого напряжения и
помещениях нагрузки, световой индуктор режима работы счетчика должен менять
показания пропорционально величине потребляемой электрической энергии.
В курсовом проекте предполагается
коммерческий учет активной энергии. Счетчик ПСЧ-4 устанавливают на линии
отходящих от трансформаторной подстанции напряжением 0,38 кВ и питающей
отдельные участки цеха.
2.11 Расчет
защитного заземления.
Защитное заземление – заземление частей электроустановки с
целью обеспечения электробезопасности.
Зона растекания – область земли, в пределах (зоны
растекания) который возникает заметный градиент потенциала при стекание тока с
заземлителя.
Изолированный нейтраль – нейтраль, трансформатора или
гениратора, не присоединенная к заземлению устройству или присоединенная к нему
через приборы сигнализации и других устройства, имеющие большое сопротивление.
Искусственное заземление – заземлитель, специально выполненный
для цепей заземления.
Магистральная заземления или
зануления – заземляющей
или зануляющий нулевой защитный проводник с двумя ответвлениями или более.
Нулевой защитный провод в
электроустановках до 1000 В – проводник,
соединяющий или глухозаземленными выводами источников однофазного или
постоянного тока.
Нулевой рабочий проводник в
электроустановках до 1000 В проводник, использующий для питания
электроприемников или глухозаземленными выводами источников однофазного или
постоянного тока. В указанных электроустановках нулевой рабочий провод может
выполнять функции нулевого защитного проводника.
Рабочее заземление сети – соединение с землей некоторых точек
сети со следующей целью: снижение уровня изоляции элементов электроустановки,
эффективная защита сети разрядниками от атмосферных перенапряжений, снижение
коммутационных перенапряжений, упрощение релейной защиты от однофазных коротких
замыканий, возможность удержания поврежденной линии в работе.
В
качестве искусственных заземли-
телей применяют вертикально забитые в землю отрезки
угловой стали длиной 2,5-3 м и горизонтально проложенные
круглые и прямоугольные стальные полосы, которые служат
для связи вертикальных заземлителей. Использование стальных
труб не рекомендуется.
В
качестве естественных заземли-
телей используют: проложенные в земле стальные водопровод-
ные трубы, соединенные в стыках газо- или электросваркой;
трубы артезианских скважин, стальная броня силовых кабелей,
проложенных в земле, при числе их не менее двух; металличес-
кие конструкции и фундаменты зданий и сооружений, имеющие
надежное соединение с землей; различного рода трубопроводы,
проложенные под землей; свинцовые оболочки кабелей, проло-
женных в земле.
Рабочее заземление
осуществляется непосредственно или через специальные аппараты: пробивные
предохранители, разрядники и резисторы.
Электроустановки переменного тока
напряжением до 1000 В. допускаются к применению как с глухозаземленной, так и с
изолированной нейтралью, а – тока – с глухозаземленной или изолированной
средней точкой. В четырехпроводных сетях трехфазного тока и трехпроводных сетях
– тока
обязательное глухое заземление нейтрали или средней точки.
В
электрических установках напряжением до 1000 В, с изолированной от земли нейтралью,
используемой для заземления электрического оборудования, сопротивление
заземляющего устройства не должно быть более 4 Ома.
В электрических установках
напряжением до 1000 В. с глухозаземленной нейтралью сопротивление заземляющего
устройства, к которым присоединяются нейтрали генераторов или трансформаторов,
должно быть не более 2, 4, 8 Ом.
Отклонение
электрических установок при однофазных замыканиях на землю может осуществляться
при помощи защитного отключения, которое выполняется в дополнение к заземлению
или занулению.
Если невозможно выполнить
заземление, или зануление, и обеспечить защитное отключение электрической
установки, то допускается обслуживание электрического оборудования с
изолирующих площадок. При этом должна быть исключена возможность одновременного
прикосновения к незаземленным частям электрического оборудования и частям
зданий или оборудованию имеющем соединение с землей.
В электроустановках напряжением
выше 1000 В с изолированной нейтралью с малыми токами замыкания на землю сопротивления
должно удовлетворять условию:
(2,51)
где – Uз=250 В, если
заземляющее устройство используется только для установок напряжения выше 1000 В
Uз=125 В, если
заземляющее устройство одновременно используется и для установок до 1000 В.
Iз – расчетный так замыкания на землю, А.
Емкостной ток замыкания на землю
определяется по формуле:
(2,52)
где U – линейное
напряжение сети, кВ
lкаб и lв – суммарная длина электрически связанных
между соьой кабельных и воздушных линий, км.
В данном курсовом проекте внешний
контур защитного заземления выполнен электродами, в количестве 13 штук.
Электроды соединены между собой в общий контур полосовой стальной шиной по
периметру на сварке. Соединение внешним контура с внутренним контуром
выполняется полосовой сталью на сварке, выход полосы через стену в
асбестоцементной трубе. Защищение электрических приемников выполняется гибким
проводником на сваке.
1. Выбираем прутковые электроды;
2. Рассчитываем удельное сопротивление
грунта
:
(2,53)
Выбираем грунт - глина.
[1, с. 257, табл 7,1]
[1,
с. 260, табл 7,3]
3.
(2,54)
4. Определяем ток однофазного замыкания
на землю:
5. Определяем сопротивление
заземляющего устройства.
(2,55)
.
Так как по ПОЭ для сетей 0,4 кВ Rз=4 Ом, то Rз=83,33 Ом не
рассматриваем и принимаем Rз=4 Ом.
6. Определяем количество электродов n:
, (2,56)
где
- коэффициент экранирования. [1, с. 257,
табл 7,2]
.
ЗАКЛЮЧЕНИЕ
Курсовой проект
выполнен на тему «электроснабжение комплекса томатного сока».
В процессе
выполнения проекта производился расчет электрических нагрузок комплекса
томатного сока, с полученной при расчёте полной максимальной мощности Sмах=
80,51 кВА, и с компенсацией реактивной мощности Qмах= 8,57 кВАр
КЭ1-0,38-20-2У1 ЗУ1 на основании которого выбран силовой трансформатор ТСЗ
160/10.
Также
произведен расчёт токов короткого замыкания, с учётом которого выбрано
высоковольтное электрооборудование. По расчётам на высокой стороне выбраны шины
25х3 мм, разъединитель РВЗ-10/400 IУЗ,
высоковольтный предохранитель ПКТ-101-10-31,5-УЗ, трансформатор тока типа
ТПЛК-10 и, трансформатор напряжения TV НОМ-10-66-У2,
на низкой стороне выбран автоматический выключатель серии ВА51-33. По
потребляемым токам произведён расчёт питающей линии, распределительные
шинопроводы ШРА73-У3 , магистральные шинопроводы ШМА-1600, и распределительные
пункты 0,4 кВт. На низкой стороне установлен распределительный пункты типа
ПР-85, к которому выбран автоматический выключатель типа ВА51-31,
прокладываемые к распределительным пунктам кабеля марки ААБ 25 мм2.
К электроприёмникам выбраны автоматы серии ВА51-31, и подводимые к электроприёмникам
провода АПРН 10х3+1х6. Также в схеме на низкой стороне показан способ включения
компенсирующего устройства к шинам 0,4 кВт.
В курсовом
проекте рассмотрены также вопросы релейной защиты, расчёт защитного заземления
с количеством электродов заземления 13 штук, учёт и контроль электроэнергии в
котором выбрана схема 3-х фазного счётчика типа ПСЧ-4 для измерения активной
электроэнергии в 3-х проводной сети напряжением выше 1 кВт. В графической части
представлены схемы электроснабжения и типы расположения электрооборудования
комплекса томатного сока
Благодаря этому курсовому проекту
я научился использовать технологической литературы; рассчитывать и выбрать по
ним необходимые электрооборудования.
4 СПИСОК ИСПОЛЬЗУЕМОЙ
ЛИТЕРАТУРЫ
1. Липкин Б.Ю. Электроснабжение промышленных предприятий и установок. М., Высшая
школа, 1990.
2. Неклепаев Б.Н. Электрическая часть электростанций и подстанций.
М., Энергоатомиздат, 1989.
3. Шеховцов В.П Расчет и проектирование схем электроснабжения. М,
Форум-инфра-м, 2004.
4. Коновалова
Л.Л., Рожкова Л.Д. Электроснабжение промышленных предприятий и установок - М.:
Энергоатомиздат, 1989.
5.
Конюхова Е.А. Электроснабжение объектов - М.: Издательство «Мастерство»; Высшая
школа, 2001.
6.
Федоров А.А., Старкова Л.Е. Учебное пособие для курсового и дипломного
проектирования по электроснабжению промышленных предприятий.-М.:
Энергоатомиздат, 1987.
7.
Дорошев К.И., Комплектные распределительные устройства 6-35 кВ.-М.:
Энергоиздат, 1982.