|
№ п/п
|
Наменование
|
Единица
измерения
|
Значение
|
|
1
|
Размеры здания
в плане
|
м
|
15´44
|
|
2
|
Количество и
высота этажей
|
м
|
3´3,3
|
|
3
|
Толщина стен:
Наружных внутренних
|
См см
|
64 25
|
|
4
|
Исходная
полезная нагрузка на все этажи
|
кг/м2
|
500
|
|
5
|
Марки кирпича
стен марки кладочного раствора
|
|
75 75
|
|
6
|
Фасады
оштукатурены (расшиты), имеются осадочные трещины на продольных фасадах с раскрытием
шириной до 1,0 мм и наклоном к торцам (от торцов). В цокольной части наружных
стен понижена прочность кладки.
|
|
20%
|
|
7
|
Кровля
многослойная рулонная (асбестоцементная) по деревянным стропилам.
|
|
|
|
8
|
Перекрытия
деревянные (кирпичные в полкирпича) по стальным балкам со шлаковым
утеплителем.
|
|
|
|
9
|
Лестницы
деревянные по стальным балкам.
|
|
|
|
10
|
Балконы
деревянные по стальным балкам и с прямоугольным планом.
|
|
|
|
11
|
Межкомнатные
перегородки кирпичные (в полкирпича) оштукатурены.
|
|
|
|
12
|
Привязка к
разбивочным осям, размеры оконных и дверных проемов, украшения фасадов,
размеры комнат и квартир - по выбору.
|
|
|
Требуется:
· Нарастить 1 этаж здания по существующей
схеме его плана.
· Поднять здание
на 2 м.
· Увеличить высоту первого этажа здания на
2,0 м.
· Увеличить ширину отдельных оконных проемов
1-го этажа на 20 %.
· Увеличить полезную нагрузку на все этажи
на 100 %.
· Заменить междуэтажные перекрытия на
сборную ж. б. плиту по стальным прокатным балкам.
· Заменить все балконы на главном фасаде.
· Усилить надоконные
кирпичные перемычки.
· Выполнить расчет усиления фундамента под
внутреннюю (наружную) стену.
Предложить методы восстановления кровли, фасадов и
гидроизоляции подземных конструкций здания, заглубленных в грунтовые воды, и
замены перекрытий, лестницы, балконов и элементов крыши.
Рассмотрим порядок действий при поднятии и перемещении
здания, а также наращивании его этажей. Для начала с помощью системы домкратов
нужно поднять здание и укрепить цокольные стены для их использования.
После наращения и укрепления цокольного этажа, здание
устанавливается по новым отметкам уровня, укрепляются перекрытия цокольного
этажа, устанавливается первый этаж и с помощью кирпичной кладки производится
наращение несущих стен и перегородок первого этажа до новой отметки.
После этого с помощью системы кранов и подъемных механизмов
оставшаяся часть здания монтируется сверху и затем надстраивается оставшийся
этаж.
1.2 Расчет
усиления ребристой плиты
Требуется усилить ребристую плиту перекрытия в пролете для
последующей эксплуатации при новых увеличенных нагрузках.
Параметры плиты до усиления: номинальные размеры плиты в
плане 3x18
м; высота сечения h=600 мм; ширина продольного ребра b1 =70 мм; толщина полки
50 мм; бетон тяжелый, подвергнутый тепловой обработке, класса В20; рабочая
продольная арматура стержневая 25А-III (Rs =365МПа). Полезная
нагрузка на плиту после усиления v = 13,0 кПа, в том числе длительная составляющая 0,7v = 0,7*13,0 = 9,1 кПа.
Нагрузка от массы пола g = 1,0 кПа.
Определяем нагрузку на перекрытие в новых условиях
эксплуатации.
Вычисляем полную расчетную нагрузку на 1 м длины при
номинальной ширине плиты B = 3 м:
Находим расчетный максимальный изгибающий момент от полной
нагрузки.
Где

=15,56 - расчетный пролет плиты.
Определяем несущую способность нормального сечения ребристой
плиты.
Рабочая высота сечения плиты
Проверяем условие
Условие выполняется; следовательно, нейтральная ось находится в
полке.
Определяем высоту сжатой зоны сечения:
Относительная высота сжатой зоны сечения:
Несущая способность нормального сечения:
Проверяем условие.
Условие не выполняется; следовательно, требуется усилить плиту в
пролете. Коэффициент
усиления
Необходимо увеличить прочность плиты на 100%.
Выполняем расчет усиления плиты методом дополнительного
армирования.
Рабочая высота усиленного сечения
Находим положение нейтральной оси из условия:
Условие выполняется; следовательно, нейтральная ось находится
в полке.
Определяем коэффициент:
Вычисляем требуемую площадь сечения суммарной арматуры:
Усиление выполняем из арматуры класса А400. Выделим требуемую
площадь сечения дополнительной арматуры:
Принимаем 2
50А400
Определяем фактическую несущую способность усиленной плиты
Высота сжатой зоны
Рабочая высота
Фактический изгибающий момент, воспринимаемый усиленным сечением
плиты:
Запас прочности
реконструкция безподвальное каменное здание
Повысить запас прочности усиленного сечения можно, увеличив
диаметр дополнительной арматуры, но при этом следует стремиться к тому, чтобы
нейтральная ось сечения не опускалась в пределы ребер плиты.
Работы по усилению ребристой плиты способом дополнительного
армирования выполняются в следующей последовательности:
· максимально
разгружается усиливаемая плита;
· удаляется защитный слой, обнажается и
очищается от коррозии и
· остатков бетона рабочая арматура продольных
ребер у опор и на участках в местах приварки соединительных деталей (участки
вскрытия выполняются через 500…700 мм длиной, превышающей длину соединительных
элементов на 10…15 мм);
· привариваются соединительные элементы
длиной 50…100 мм (коротыши или стальные пластины, сечение которых назначается в
зависимости от диаметра рабочей арматуры и толщины защитного слоя бетона) к
продольной арматуре плиты;
· вывешивается в проектное положение с
помощью подвесок арматура усиления;
· приваривается стержень усиления к
соединительному элементу сначала одним концом, а после нагрева до требуемой
температуры (около 150 C) током высокой частоты - другим (работы выполняются
одновременно с двух продольных ребер усиливаемой плиты);
· выполняются остальные сварные соединения
арматуры усиления с соединительными элементами в пролете плиты;
· омоноличивается или покрывается
торкретбетоном (с требуемой толщиной защитного слоя бетона) арматура усиления.
2. Перерасчет
конструкций и расчет их усиления
2.1
Перерасчет кирпичного простенка первого этажа наружной стены
Перерасчет простенка заключается в определении его несущей
способности с учетом снижения прочностных свойств кладки стены (см. задание),
увеличения полезной и постоянной нагрузок и увеличения размеров проемов
наружных стен первого этажа здания (т.е. с учетом уменьшенной ширины
простенка).
Простенок неармированный и внецентренно сжатый, т.к. стальные
балки перекрытий опираются со смещением с середины стены (в нашем случае
наружной). Его несущая способность при толщине не менее 30 см проверяется
условием:
где N - расчетное продольное усилие, кН, в простенке (его
определение приведено ниже);
Rкл - расчетное сопротивление кладки стены сжатию
(1кН/см2 =10 МПа), определяемое по приложениям 5-8;
kк - коэффициент снижения прочности кладки, задается
заданием на курсовой проект (если в задании он не приведен, то kк = 1);
Aс - площадь сжатой части простенка, см 2,
в предположении, что эпюра сжимающих напряжений будет прямоугольной:

здесь А - площадь сечения простенка, см2: A = tст×b;
tст -
толщина наружной стены, см;
eо -
эксцентриситет расчетной продольной силы N относительно центра тяжести сечения простенка: e о=М/N;
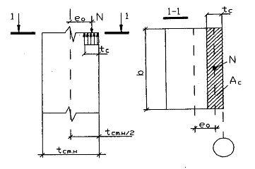
Рис. 1. Расчетная схема простенка
b - ширина простенка после расширения проемов в стене, см;
М - расчетный изгибающий момент, кНсм;
w - коэффициент, учитывающий вид кладки:
для кирпичных стен w = 1 + ео / t ст £ 1,45;
для других видов кладки можно принять w =1;
j1 - средний коэффициент продольного изгиба простенка (j) и сжатой его части (jс): j1= (j+jс)
/2;
j - определяется по гибкости всего сечения
простенка lh = h эт / t ст;
jc - также определяется по гибкости сжатой части
простенка lс=h ок/tс:
здесь h'эт и hок - высота этажа и окна, см,
соответственно;
tс - ширина условной сжатой зоны стенки, см:
.
Рассчитаем несущую способность простенка.
Сведем значения Rкл в Таблицу.
|
Наименование
|
|
|
Расчетное
сопротивление, R, МПа сжатию при марке бетона (1 МПа = 0,1 кН/см2)
|
2,2
|
|
Rкл, МПа, при
марке раствора (1 МПа = 0,1 кН/см2)
|
1,4
|
|
Rкл, Мпа, при марке раствора (1 МПа = 0,1
кН/см2)
|
2,2
|
|
Rкл, Мпа, при марке раствора (1 МПа = 0,1
кН/см2)
|
0,7
|
Сведем компановку размеров в отдельную таблицу:
|
Ширина окна (с
расширением):
|
3,6*1,2=4,32
|
|
Высота окна
|
0,6*3,3=1,98
|
|
Ширина
простенка:
|
1,68
|
|
Высота от низа
ригеля до пола первого этажа:
|
2,4
|
|
Высота
надоконного участка стены на первом этаже:
|
0,4
|
|
Высота
карнизного участка стены
|
0,5
|
. Нагрузка от покрытия
Грузовая площадь:
Нагрузка от веса кровли и плит покрытия:
Нагрузка от веса ригеля:
Снеговая нагрузка:
Суммарная нагрузка от покрытия:
2. Нагрузка от перекрытия
Нагрузка от веса перекрытия:
Временная нагрузка:

)
Суммарная нагрузка от перекрытия:

)
Опорное давление ригеля перекрытия и покрытия превышает ЮО кН,
поэтому необходимо предусматривать опирание ригеля через железобетонную
распределительную плиту толщиной не менее 22 см.
3. Нагрузка от веса наружной стены одного этажа
4. Нагрузка от веса карнизного участка стены
Нагрузка от покрытия, перекрытий и собственного веса стены
вышележащих этажей:
Нагрузка от веса надоконного участка стены:
Продольное усилие в расчётном сечении 1-1:
Ширина площадки опирания ригеля a = 25 см, тогда
расстояние
Принимаем c=7 см. Эксцентриситеты
,
Максимальное значение момента:
Действие нагрузок с верхних этажей привело к знаку изменения
момента.
Изгибающий момент в расчётном сечении 1-1 (без учёта знака):
Эксцентриситет приложения усилия:
Высота сжатой части сечения:
Площадь сжатой части сечения:
Упругая характеристика кладки: 
Гибкости всего сечения и сжатой зоны сечения:
Коэффициенты продольного изгиба:
Коэффициент продольного изгиба в средней трети высоты:
Расчётное сечение 1-1 расположено в верхней трети высоты, так как
Коэффициент продольного изгиба в расчётном сечении 1-1:
Расчётное сопротивление кладки при марке кирпича 75 и марке
раствора 75: R = 1,4 Мпа
Коэффициент, учитывающий повышение расчётного сопротивления
кладки:
Коэффициент, учитывающий влияние длительности действия нагрузки 
.
Условие прочности простенка:
Условие выполняется, прочность сечения обеспечена. Усиление
простенка не требуется.
2.2
Перерасчет фундамента под наружную стену
2.2.1
Перерасчет кладки фундамента
Под перерасчетом фундамента будем понимать проверку прочности
его кладки в случае наличия в ней дефектов и при увеличении нагрузки на
фундамент. В последнем случае также требуется перерасчет размеров подошвы
существующего фундамента.
Перерасчет оснований не выполняется.
В виду совмещения оси фундамента с равнодействующей всех
действующих на него продольных сил он считается центрально сжатым и его
перерасчет заключатся в проверке условия
sф £ Rф × kф, (2)
где R ф - расчетное сопротивление кладки фундамента, кН/см2,
принимаемое по приложениям 5-8 настоящих указаний;
sф - напряжение в стенке фундамента, кН/см 2:
;
k ф - коэффициент снижения прочности
материала фундамента, приведенный в задании (если заданием на проект он не
задан, то k ф=1);
b сф
- ширина стенки
фундамента наружной стены, см, (в случае отсутствия уширения у подошвы
фундамента b сф = bф);
N фс - (в некоторый запас) величина расчётного
погонного продольного усилия на подошву фундамента наружной стены (кН/м).
Если условие не выполняется, то требуется усиление стенки
фундамента.
Вставим рассчитанные значения фундамента в таблицу.
|
Масса
фундамента, т
|
197.66
|
|
Масса стен, т
|
1327.79
|
|
Масса
перекрытия, т
|
1709.40
|
|
Масса крыши, т
|
66.56
|
|
Площадь
внутренних стен, м2
|
4089.32
|
|
Площадь
потолков, м2
|
1980
|
|
Площадь полов,
м2
|
1980
|
|
Площадь наружных
стен, м2
|
1097.00
|
|
Площадь кровли,
м2
|
723.51
|
|
Масса отделки,
т
|
186.91
|
|
МАССА ДОМА, т
|
3488.31
|
|
Полезная
нагрузка, т
|
297.00
|
|
Снеговая
нагрузка, т
|
86.82
|
|
РАСЧЕТНАЯ МАССА
ДОМА с коэф-тами, т
|
4753.03
|
|
Объем
фундамента, м3
|
104.03
|
|
Площадь
опирания фундамента, м2
|
134.08
|
|
Нагрузка на
основание, кг/см2
|
3.54
|
|
Макс. возможная
нагрузка на основание, кг/см2
|
4
|
Площади фундамента достаточно, чтобы выдержать нагрузку от
дома.
Коэффициент надежности по полезной нагрузке - 1.5
Коэффициент надежности по снеговой нагрузке - 1.4
Коэффициент безопасности по весу дома - 1.2
Коэффициент надежности по грунту - 1.4
2.2.2
Перерасчет ширины подошвы фундамента
В случае увеличения полезной нагрузки на междуэтажные
перекрытия, а также при надстройке здания увеличиваются нагрузки на фундаменты
и их основания, поэтому фактической ширины подошвы может оказаться недостаточно
(из условия деформативности основания или его прочности в некоторых случаях).
В курсовой работе предлагается упрощенный перерасчет
основания.
Произведем упрощенный расчет подошвы фундамента для нашего
здания.
Параметры проектируемого
фундамента
Ширина фундамента, м: 0.4
Высота фундамента, м: 2
Глубина заложения фундамента, м: 1.95
Общая длина ленты, м: 130.60
Площадь сечения ленты, м2: 0.80
Объем фундамента, м3: 104.48
Масса фундамента, кг: 243384
Расчетное сопротивление
грунта основания [R]
R = 383 кПа = 39.06 тс/м2
= 3.9 кгс/см2
Среднее давление по
подошве фундамента [p]
p = 50 кПа = 5.10 тс/м2 =
0.5 кгс/см2
Расчетное сопротивление
грунта основания
Данные для расчета взяты из приложения В
СП 22.13330.2011 (СНиП 2.02.01-83*).
Формула при d≤2:
[R0] - расчетное сопротивление грунта основания (при
d=2м и b=1м), кПа;
[k1] - коэффициент, принимаемый для оснований,
сложенных крупнообломочными и песчаными грунтами, кроме пылеватых песков, - k1 = 0,125, пылеватыми
песками, супесями, суглинками и глинами - k1 = 0,05;
[b] - ширина проектируемого фундамента, м;
[d] - глубина заложения проектируемого фундамента,
м;
[b0] - ширина фундамента равная 1м (Ro);
[d0] - глубина заложения фундамента равная 2м (Ro).
R = 400* [1+0.05*
(0.4-1/1] * (1.95+2) /2*2 = 383 кПа
Расчет среднего давления
по подошве фундамента [p]
p = (N + γmt*h*b) /b, где
[p] - среднее давление под подошвой вышерасположенного
фундамента от расчетных нагрузок, кПа;
[N] - вертикальная нагрузка на обрез фундамента,
кН/м;
[γmt] - среднее значение
удельного веса фундамента и грунта на его обрезах, принимаемое равным 20 кН/м3;
[h] - высота проектируемого фундамента, м;
[b] - ширина проектируемого фундамента, м;
p = (4+20*2*0.4) /0.4 = 50
кПа
Размеры проектируемого
фундамента
Расчет общей длины ленты
Размеры указаны по внешним границам
фундамента
Lлента = 2*LАГ+3* (L12-2*b), где
[Lлента] - общая длина ленты; [LАГ] - расстояние между
осями А-Г;
[L12] - расстояние между осями 1-2; [b] - ширина фундамента.
Lлента = 2*44+3* (15-2*0.4) =
130.60 м
2.3 Расчет
усиления конструкций здания
2.3.1Расчет
усиления фундамента
В работе необходимо выполнить усиление простенка первого этажа
наружной стены и фундамента в случае не обеспечения их несущей способности, а
также усиление стены здания в местах установки домкратов или катков при его
подъеме или перемещении.
Толщина стенки фундамента обычно назначается не из условия
прочности, а конструктивно, по условию обеспечения устойчивого опирания стены
здания на фундамент, поэтому, как правило, она имеет значительный запас несущей
способности.
Ширина подошвы фундамента принимается с незначительным
запасом, поэтому при надстройке здания или увеличении полезных нагрузок, даже
при некотором увеличении допустимого давления на грунт (после длительной
эксплуатации здания) фактической ее величины может оказаться недостаточно.
Чтобы избежать существенных и особенно неравномерных осадок в
таком случае необходимо усилить основание (грунт под подошвой фундамента) либо
увеличить площадь фундамента (при ленточном фундаменте - его ширину).
где Nфн - нормативное погонное усилие на подошву
фундамента, кН/м, после реконструкции здания;
s1 - напряжение под подошвой
фундамента, кН/см2, до реконструкции здания;
c1 - шаг банкетов, см.
Пакет стальных балок банкетов можно назначить конструктивно
из двух двутавров (или швеллеров) от номера 14 до номера 22.
Ширина каждого банкета, bб, принимается не менее 30
см, тогда длина их будет равна: lб ³ Aб/bб. Шаг банкетов вдоль стены
принимается не менее 1,5.2 м.
Для обеспечения принятой в расчете схемы, парные банкеты
выполняются в следующей последовательности (рис. 4):
отрываются приямки с обеих сторон фундамента;
свободно от фундамента бетонируются плиты 1 банкет (подушки)
толщиной не менее 20 см;
над плитами в стенке фундамента пробивается отверстие, в которое
устанавливается стальной пакет балок 2 и подклинивается снизу (в отверстии)
клиньями 3;
расклиниваются пакет стальных балок и плиты банкетов съемными
домкратами 4 до напряжения под плитами, равного sф (или Rгр);
расклиниваются плиты и пакет стальных балок клиньями-распорками 5
и убираются домкраты;
обетониваются остальные части банкетов (вместе с пакетом балок и
клиньями-распорками);
затрамбовывается приямок грунтом.
2.3.2 Расчет
усиления цокольной части стены в местах установки домкратов при подъеме здания
При подъеме здания, необходимом при его подращивании,
перемещении или повороте, требуется обеспечение прочности цокольной части
кладки всех стен (реже стенок фундаментов) в местах установки домкратов,
опорных балок тележек или катков.
Рис. 2. Расчетная схема усиления кирпичной стены при подъеме
здания
При упрощенной схеме (а в случае перемещения здания на катках
она будет единственно верной) расчет кладки ведется на ее местное смятие над
вбетонированными стальными балками (над рандбалкой) по формуле
Nloc - расчетное местное
(локальное) усилие, кН, над домкратом, над катком, над балкой рамы тележки и
т.д.;
j2 - коэффициент полноты эпюры
напряжений в кладке над рандбалкой: j2 = 0,75.1;
R loc - расчетное сопротивление кладки, кН/см2,
местному сжатию:
e - коэффициент повышения
местной прочности материала, обычно на стадии предварительного расчета задается
в пределах 1,2.1,5;
Aloc - условная площадь, см2,
местного сжатия кладки над рандбалкой
|
№ бал ки
|
Размеры
сечения, мм h b tw tf
|
Мас- са кг/м
|
Геометрические
характе- ристики, A, см2 Jx, см4 Wx,
см3 ix, см
|
|
30
|
300
|
135
|
6,5
|
10,2
|
36,5
|
46,5
|
7080
|
472
|
12,3
|
|
|
|
|
|
|
|
|
|
|
- условная расчетная площадь сжатой кладки стены, см 2:
tст - толщина простенка (стены).
Из условия местной прочности кладки цоколя (4) определяется
требуемая высота (номер) двутавра, см,
Выбираем двутавр №30.
Для выравнивания зданий рекомендуется домкратная система с
дистанционным контролем величины раскрытия зазора между поднимаемой и опорной
частями зданий и автоматическим ограничением усилий, развиваемых каждым
домкратом. Домкраты устанавливаются под всем отсеком здания.
Домкратную систему с ручным управлением, как не имеющую
приспособлений для контроля нагрузок и их автоматического ограничения, не
рекомендуется применять в случаях возможного ослабления контакта между
фундаментом и основанием.
Выравнивание зданий с помощью автоматизированной домкратной
системы производят в такой последовательности.
Нивелируют марки, заложенные в цокольную часть здания, и
вычисляют высоту подъема конструкций в точках установки домкратов.
Осуществляют мероприятия по предотвращению повреждения
инженерных коммуникаций (в зависимости от характера деформаций зданий и
расположения наружных настенных труб газопровода их повреждение можно
предотвратить изменением наклона горизонтальной части соответствующей
перестановкой кронштейнов).
|
Оборудование
|
Единицы
измерения
|
Коли- чество
|
|
1
|
2
|
3
|
|
Автоматизированная
электрогидравлическая домкратная система с плоскими домкратами Основное
|
|
Грузоподъемные
устройства на основе плоских домкратов конструкции НИИСК с опорными
вкладышами и защитными кожухами
|
шт.
|
50
|
|
Рукава высокого
давления ( 25 МПа)
|
"
|
250
|
|
Гидрораспределители
|
"
|
50
|
|
Маслонасосная
станция типа СНУ-6 или 1СВУ-40-1Н
|
"
|
1
|
|
Система
управления и дистанционного контроля за процессом выравнивания на 50
контрольных точек (пульт управления, датчики линейных перемещений для
измерения взаимного смещения фундамента и цокольного пояса, датчики давления,
соединительные линии)
|
компл.
|
1
|
|
Разгрузочные
приспособления для снятия остаточного распора и обеспечения возможности
демонтажа домкратов
|
шт.
|
50
|
|
Краны-демпферы
|
"
|
1
|
|
Контрольные
манометры ( 25 МПа) Вспомогательное
|
"
|
2
|
|
Вкладыши из
армоцемента высотой 0,04 м диаметром 0,46 м
|
"
|
150
|
|
Пресс для
отжатия домкратов, исчерпавших рабочий ход Домкратная система с ручным
управлением 1. На основе плоских домкратов Основное
|
"
|
1
|
|
Грузоподъемные
устройства конструкции НИИСК с опорными вкладышами и защитными кожухами
|
"
|
50
|
|
Рукава высокого
давления ( 25 МПа) (возможно применение
гидропроводов из металлической трубки)
|
"
|
250
|
|
Дроссели
|
"
|
50
|
|
Маслонасосная
станция 1СВУ-40-1H или СНУ-6
|
"
|
1
|
|
Разгрузочные
приспособления для снятия остаточного распора и обеспечения возможности
демонтажа домкратов
|
"
|
50
|
|
Краны-демпферы
|
"
|
1
|
|
Манометры
контрольные ( 25 МПа) Вспомогательное
|
"
|
2
|
|
Вкладыши из
армоцемента высотой 0,04 м диаметром 460 мм
|
"
|
150
|
|
Пресс для
отжатия домкратов, исчерпавших рабочий ход 2. На основе поршневых домкратов
Основное Гидродомкраты:
|
"
|
1
|
|
ДГ-100-2
|
шт.
|
50
|
|
ДГ-200-2
|
"
|
30
|
|
Рукава высокого
давления РВ-10 ( 40 МПа) (возможно применение
гидропроводов из металлической трубки)
|
|
250
|
|
Дроссели
|
"
|
50
|
|
Краны-демпферы
|
"
|
5
|
|
Распределительные
коллекторы на 5 точек
|
"
|
5
|
|
Насосные
станции НСП-400 или конструкции ВНИМИ
|
"
|
5
|
|
Страховочные приспособления
(клиновые или винтовые)
|
"
|
100
|
|
Манометры
контрольные ( 60 МПа) Вспомогательное
|
"
|
5
|
|
Стальные
распределительные плиты размером 0,5x0,4x0,05 м
|
"
|
100
|
|
Подкладки
стальные 0,45x0,3x0,45
|
"
|
100
|
3.
Методы восстановления фасадов
Среди материалов, используемых на фасадах стен, наиболее
широко применяются кирпич, оштукатуренный кирпич или бетон.
Штукатурка является наиболее старым строительным материалом,
используемым для отделки фасадов. В конструкции стен применяются: массивные
каркасы из красного и силикатного кирпича, керамзитовых блоков или же блоки,
кирпичи и балки из легкого бетона. Штукатурные растворы классифицируются
следующим образом: известковый (чистый), известково-цементный, цементный.
К наиболее слабым и мягким относятся известковые растворы.
Твердение известковых растворов происходит за счет карбонизации извести и
образования известняка, в основном, только в приповерхностном слое. Штукатурный
слой во всей своей массе остается слабым и после 20 и более лет легко крошится.
Известково-цементный раствор содержит, в массовых частях:
известь - 1, цемент - 1,83, песок - 13,83. Повышение содержания цемента в
растворе увеличивает твердость и прочность штукатурного слоя. Цементный раствор
образует наиболее прочный слой, который используется для грунтовочного слоя,
которым заделывают утраченные слои и тонкослойную штукатурку кирпичных
поверхностей.
На практике, часто вследствие неосведомлённости исполнителей
работ или из-за отсутствия на местах известкового раствора, известковая или
известково-цементная штукатурка восстанавливается с помощью цементной, которая
наилучшим образом подходит для заделки бетонных поверхностей, но пагубно
воздействует на слабые поверхности. Классическое устройство штукатурок обычно
производится в три слоя. Сначала производится обрызг. Это обеспечивает
схватывание между основанием и слоем наносимой штукатурки. Грунт представляет
собой наиболее толстый слой штукатурки (14-25 мм), предназначенный для
выравнивания поверхности основания. Накрывка представляет собой внешний слой
штукатурки, который может иметь гладкую поверхность. Также для создания фактуры
поверхности могут быть использованы обработка щеткой, затирка и обрызг.
Для набрызга и накрывки осадка стандартного конуса 10-12 см
для кирпичных и каменных стен, 9-10 см для деревянных стен и потолков, 7-8 см
для грунта. Первый слой - набрызг - нужно развести пожиже и интенсивно
набросать слоем толщиной 0,5 см на чистую, смоченную поверхность. Этот слой
штукатурки обеспечит сцепление со стеной. Требуемый размер песка 0,1-3,15 мм.
Следует помнить, что песок необходимо предварительно просеять, отбросить мелкие
частицы. Через 48 ч можно нанести основной, более густой слой - грунт. Он
набрасывается кельмой в виде "рыбьей чешуи", слоем в 2 см. Основной
слой обеспечит прочность, водонепроницаемость, теплозащиту и выравнивание
стены. Требуемый размер песка 0,1-3,15 мм. Через 2-15 сут. можно нанести
накрывку толщиной 0,5 см. Этот слой также набрасывается кельмой и затирается
полутерком. Раствор должен наноситься на поверхность тонким слоем без разрыва и
плотно ложиться на грунт. Технология нанесения верхнего слоя определяется
выбором последующей декоративной отделки дома. Требуемый размер мелкого песка
0,1-0,2 мм. Каким же образом можно достичь красивого эффекта при обработке
обычной штукатурки? Один из способов - это фактурная обработка, вид которой
зависит от выбранного состава (вида вяжущего вещества, заполнителя), степени
твердения штукатурки к началу выполнения работ, наличия инструментов и способа
обработки. Известковую и известково-цементную штукатурку можно офактурить в
пластичном и полупластичном состоянии, а цементную - после схватывания.
4. Методы
восстановления инженерных систем
Модернизация систем инженерного оборудования жилых зданий
должна осуществляться с учетом фактического состояния элементов систем,
определенного методами визуального и инструментального обследования. Выбор
материалов и изделий для замены или ремонта систем инженерного оборудования
производится в соответствии с действующими параметрами, установленными
требованиями и с учетом имеющегося опыта выполнения работ по модернизации.
Для прокладки инженерных коммуникаций допускается
использование существующих технических подполий, отвечающих нормативным
требованиям. При отсутствии технического подполья в реконструируемых жилых
зданиях допускается устройство непроходных и полупроходных каналов под нежилыми
помещениями и технического подполья или проходного канала под жилыми
помещениями с изолированным входом.
При реконструкции жилых зданий рекомендуется в подвальных
помещениях и техподпольях, а при их отсутствии в помещениях первых этажей
размещать автоматизированные индивидуальные тепловые пункты (ИТП). Помещение
ИТП должно соответствовать установленным требованиям, быть обособленным от
других помещений и иметь самостоятельный выход наружу. При наличии насосного
оборудования и водонагревателей ИТП допускается располагать только под нежилыми
помещениями.
При невозможности устройства в микрорайоне (квартале)
центрального теплового пункта присоединение систем отопления жилых зданий к
тепловым сетям следует предусматривать по зависимой схеме. Присоединение по
независимой схеме с устройством ИТП должно быть технически и экономически
обосновано.
Учитывая высокую изношенность внутренних проводок,
несоответствие их современным требованиям, отсутствие контрольно-измерительных
и регулирующих приборов, позволяющих рационально снизить энергопотребление и,
как следствие, стоимость эксплуатации, практически все существующие системы
инженерного оборудования жилых зданий подлежат замене.
Функционирование устройств инженерного оборудования при
надстройке этажей, в том числе мансардного этажа, требует его расположения,
обусловленного взаимосвязью с инженерным оборудованием основного здания и
обеспечением их совместной работы. Возможность подключения новых этажей к
существующим системам инженерного оборудования здания должна определятся в
каждом отдельном случае и соответствовать действующим нормативным положениям и
соответствующим ведомственным документам.
Основными требованиями должны быть: проектирование и
строительство инженерной системы надстраиваемых этажей, основанной на реальных
условиях конкретного здания; инженерное оборудование должно исполняться таким
образом, чтобы избежать ненужного потребления энергии. А это значит, что
системы инженерного оборудования здания и прежде всего надстраиваемых этажей
должны быть экономичными и оснащены измерительными устройствами или приборами,
позволяющими вести контроль за рабочими условиями и потреблением энергии. Что
касается отопления здания, то одним из главных резервов экономии потребления
теплоты является утепление зданий и, прежде всего, утепление ограждающих
конструкций. Это позволит достичь резерва теплоты для обеспечения отопления
надстраиваемых этажей при централизованном теплоснабжении.
В отдельных случаях имеет смысл произвести реконструкцию
системы инженерного оборудования здания или отдельных ее частей в связи с
сооружением надстраиваемых этажей. Рекомендуется осуществлять обеспечение жилых
помещений надстраиваемых этажей и жилых помещений здания раздельными
инженерными системами или самостоятельными ветвями общей системы.
Заключение
В курсовой работе студентом была выполнена расчетная работа
по обеспечению реконструкции жилого здания и поверки на прочность элементов его
фундамента и кладки.
Были проведены работы по расчёту и подбору системы домкратов
для переноса здания. Рассмотрены методы реконструкции фасада и инженерных сетей
объекта реконструкции.
Литература
1.
Григорьев Г. M.
Конструкции жилых зданий на подрабатываемых территориях. - К.: Госстройиздат
УССР, 1964. - с.63-71.
.
Григорьев Г.М., Шевелев В.Б. Состояние и основные направления натурных
исследований зданий в сложных условиях. - В кн.: Строительные конструкции,
вып.23, - К.: Будiвельник, 2015. - с.74-77
.
Методические указания по проектированию мер защиты эксплуатируемых зданий и
сооружений в районах залегания крутопадающих пластов. - Л.: ВНИМИ, 1973. -
с.18-36, 154-168.
.
Гендель Э.М. Восстановление и возведение сооружения методом подъема. - М.:
Госстроийздат СССР, 1958. - с.119-227.
.
Гендель Э.М. Передвижка, подъем и выправление сооружений. - Ташкент:
Узбекистан, 1975. - с.98-185.
.
Шумовский В.П. Режимы выравнивания зданий и сооружений домкратными системами. -
В кн.: Здания и сооружения в сложных инженерно-геологических условиях. - К.:
Будiвельник, 1982, с.91-97.
.
Методические рекомендации по применению плоских домкратов в строительстве. -
Киев: НИИСК, 1979. - с.24-28.