Высоковольтный колонковый элегазовый выключатель
Министерство
образования и науки Российской Федерации
Федеральное
государственное автономное образовательное учреждение высшего профессионального
образования
«Уральский
федеральный университет
имени
первого Президента России Б.Н. Ельцина»
Уральский
энергетический институт
Кафедра
«Техники высоких напряжений»
Пояснительная
записка
по
дисциплине: «Электрические аппараты высокого напряжения»
«Высоковольтный
колонковый элегазовый выключатель Uном =220кВ, Iном=3150
А, Iоткл=40 кА»
Реферат
Выпускная работа, 71 стр., 26 рис., 13 табл.
ВЫКЛЮЧАТЕЛЬ, ДУГОГАСИТЕЛЬНАЯ КАМЕРА, КОНТАКТ
В данном дипломном проекте на основании знаний,
полученных в университете и информации, полученной при прохождении
производственной практики, выполнен расчет колонкового элегазового выключателя.
Был выполнен расчет внешней изоляции с расчетом длины изоляционных промежутков.
В ходе расчета были рассмотрены особенности элегаза как изоляционной среды,
проведен расчет контактных соединений, тепловой расчет токоведущей системы,
расчет газодинамических характеристик процесса отключения, расчет механизма
аппарата.
Оглавление
Реферат
Перечень листов графических документов
. Введение
.1 Физико-химические свойства элегаза
. Технические характеристики и область применения элегазовых выключателей
.1 Общие сведения
.2 Технические данные выключателя
.3 Основные преимущества
.4 Конструкция и характеристики основных узлов электрических аппаратов
.4.1 Устройство и работа выключателя1
. Расчёт электрической изоляции
.1 Расчёт изоляции в сухом состоянии
.1.1 Конструктивное уточнение размеров промежутков в результате
применения стандартных изоляторов
.2 Проверка промежутков по влагоразрядному напряжению
.3 Проверка выбранных изоляционных расстояний по грозовым импульсам
.4 Проверка выбранных изоляционных расстояний по длине пути утечки
. Расчёт токоведущей системы
. Расчёт розеточного контакта выключателя
.1 Расчёт контактного нажатия по номинальному току
.2 Расчёт сил в розеточном контакте при протекании тока короткого
замыкания
.3 Проверка розеточного контакта на термическую стойкость
.4 Проверка розеточного контакта на термическую устойчивость по
эмпирической формуле Буткевича
.5 Расчет токосъемного розеточного контакта
.6 Электрический расчёт розеточного контакта
.7 Тепловой расчет розеточного контакта
. Расчет распределения температуры по токоведущим элементам
. Общие принципы дугогашения
.1 Конструктивные особенности автогенерационого дугогасительного
устройства
.2 Расчет газодинамических характеристик
.2.1 Расчёт начальных параметров газа в подпоршневом объёме
.2.2 Расчёт параметров элегаза на шаге хода поршня ∆zi
. Расчет механизма аппарата
.1 Кинематическая схема аппарата (от контактов до привода)
.2 Относительная скорость5
.3 Массы звеньев механизма
.4 Расчет сил сопротивления
.5 Расчет быстродействия выключателя
Заключение
Список литературы
Перечень листов графических
документов
|
№ п/п
|
Наименование документа
|
Обозначение документа
|
Формат
|
|
1
|
Общий вид Выключатель элегазовый колонковый
|
140400 341415902 001 ГБ
|
А1
|
|
2
|
Дугогасительное устройство
|
140400341415902 002 СБ
|
А1
|
|
3
|
Распределение температуры по токопроводящему контуру
|
140400341415902 003 ПЛ
|
А1
|
|
4
|
Давление
|
140400341415902004 ПЛ
|
А1
|
1.
Введение
Выключатели высокого напряжения предназначены для
оперативной и аварийной коммутации в энергосистемах, для выполнения операций
включения и отключения отдельных цепей при ручном или автоматическом
управлении. Во включенном положении выключатели должны пропускать токи
нагрузки. Характер режима работы выключателей несколько необычен: нормальным
для них считается как включенное положение, когда по ним проходит ток нагрузки,
так и отключенное, при котором они обеспечивают необходимую электрическую
изоляцию между разомкнутыми участками цепи. Коммутация цепи, осуществляемая при
переключении выключателя из одного положения в другое, производится
нерегулярно, время от времени, а выполнение специфических требований по
включению цепи при имеющемся в ней к.з. либо по отключению к.з. вообще
чрезвычайно редко. Выключатели должны надёжно выполнять свои функции, находясь
в любом из указанных положений, и одновременно быть всегда готовыми к
мгновенному выполнению любых коммутационных операций, часто после длительного
пребывания в неподвижном состоянии. Наиболее тяжелым режимом для выключателей
является режим отключения тока к.з.
В настоящее время выключатели с элегазовыми
дугогасящими устройствами начинают все больше вытеснять масляные,
электромагнитные и воздушные выключатели. Дело в том, что ДУ элегазовые не
требуют ремонта по крайней мере в течение 20 лет, в то время как в масляных
выключателях масло при отключениях загрязняется частицами свободного углерода
и, кроме того, изоляционные свойства масла снижаются из-за попадания в него
влаги и воздуха. Это приводит к необходимости смены масла не реже 1 раза в 4
года. Дугогасящие устройства электромагнитных выключателей примерно в эти же
сроки требуют очистки от копоти, пыли и влаги; ДУ элегазовых выключателей
заключены в герметичные оболочки, и их внутренняя изоляция не подвергается
воздействию внешней среды. Электрическая дуга при отключениях в элегазе также
практически не снижает свойств дугогасящей и изолирующей среды.
Современные выключатели должны обладать
коммутационными и механическими ресурсами, обеспечивающими межремонтный период
в эксплуатации 15-20 лет. Эти условия трудно выполнимы при традиционных методах
гашения дуги в масле или воздухе. Возможности дальнейшего существенного
совершенствования выключателей с традиционными способами гашения дуги
практически исчерпаны. Однако выпуск этих выключателей пока будет продолжаться
из-за того, что технология их изготовления проста и цена их ниже вновь
осваиваемых воздушных и элегазовых выключателей.
Одним из быстро развивающихся направлений создания
новых конструкций выключателей переменного тока высокого и сверхвысокого напряжения,
отличающихся меньшими габаритами и отвечающих требованиям современной
энергетики по коммутационной способности и надежности, является применение
дугогасящих сред, более эффективных по сравнению с воздухом и маслом.
Интенсивное внедрение вакуумной и элегазовой аппаратуры обусловлено тем, что
пока не найдено способов эффективногодугогашения, способных конкурировать с
дугогашением в элегазе или вакууме. Не получено и новых видов диэлектриков, по
электроизоляционным, дугогасительным и эксплуатационным свойствам превосходящих
элегаз или вакуум.
Основные достоинства элегазового оборудования
определяются уникальными физико-химическими свойствами элегаза. При правильной
эксплуатации элегаз не стареет и не требует такого тщательного ухода за собой,
как масло.
Элегазовому оборудованию также присущи: компактность;
большие межревизионные сроки, вплоть до отсутствия эксплуатационного
обслуживания в течение всего срока службы; широкий диапазон номинальных
напряжений (6-1150 кВ); пожаробезопасность и повышенная безопасность
обслуживания.
Элегазовые выключатели начали усиленно разрабатываться
с 1980 г. и имеют большие перспективы при напряжениях 110…1150 кВ и токах
отключения до 80 кА. В технически развитых странах элегазовые выключатели
высокого и сверхвысокого напряжения (110-1150 кВ) практически вытеснили все
другие типы аппаратов. Также ведущие зарубежные фирмы практически полностью
перешли на выпуск комплектных распределительных устройств с элегазовой
изоляцией (КРУЭ) и элегазовых выключателей для открытых распределительных
устройств на классы напряжения 110 кВ и выше.
В данном отчете по практике будут рассмотрены основные
свойства элегазовых выключателей, их технические характеристики и конструкция,
а также преимущества и недостатки.
.1 Физико-химические свойства элегаза
Шестифтористая сера SF6 (элегаз) относится к
«электроотрицательным» газам, получившим такое название из-за способности их
молекул захватывать свободные электроны, превращаясь в тяжелые и малоподвижные
отрицательно заряженные ионы. Элегаз при нормальной температуре (20°С) и
давлении 0,1 МПа представляет собой газ без цвета и запаха. Плотность его почти
в 5 раз выше плотности воздуха, скорость звука в нем при температуре 30°С -
138,5 м/с (330 м/с в воздухе). Элегаз обладает низкой теплоемкостью в канале
столба дуги и повышенной теплопроводностью горячих газов, окружающих столб дуги
(2000 К). Это характеризует элегаз как среду, обладающую высокими
теплопроводящими свойствами.
Чистый элегазнегорюч, бесцветен, инертен, нагревостоек
до 800°С. Также он не имеет запаха и совершенно не ядовит. В химическом
отношении элегаз так же неактивен по отношению к другим веществам, как и азот.
Одним из немногочисленных недостатков элегаза является
способность разлагать влагосодержащие синтетические изоляционные материалы при
соприкосновении с ними. Поэтому рекомендуется применять в элегазовыхконстукциях
стойкие изоляционные материалы, например тефлон.
К недостаткам элегаза следует отнести высокую
температуру сжижения. При давлении 1,5 МПа она составляет всего 6°С. Чтобы
избежать сжижения элегаза, в выключателях с высоким давлением гасящей среды
предусматривают автоматические нагреватели, поддерживающие постоянную
температуру элегаза.
Кроме того, опыт и специальные исследования показали,
что под влиянием электрической дуги или коронного разряда (теплоты) происходит
разложение элегаза с образованием химически активных соединений. Газообразными
продуктами разложения являются низшие фториды сред SF2, SF4.
2. Технические
характеристики и область применения элегазовых выключателей
.1 Общие сведения
элегазовый выключатель колонковый
изоляционный
Выключатели серии ВГТ предназначены для коммутации
электрических цепей при нормальных и аварийных режимах, а также работы в циклах
АПВ в сетях трехфазного переменного тока частоты 50 Гц с номинальным
напряжением 110 и 220 кВ.
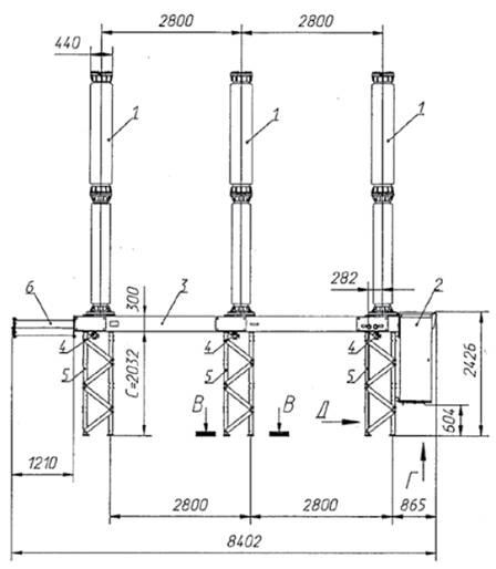
Рисунок 1.1- Общий вид выключателя
2.2 Технические данные выключателя
Таблица 1.1- Технические данные выключателя
|
№ п/п
|
Наименование параметра
|
Значение параметра
|
|
|
1
|
Номинальное напряжение, кВ
|
220
|
|
|
2
|
Наибольшее рабочее напряжение, кВ
|
252
|
|
|
3
|
Номинальный ток, A
|
3150
|
|
|
4
|
Номинальный ток отключения, кА
|
40
|
|
|
5
|
Параметры сквозного тока короткого замыкания, кА:
|
|
|
наибольший пик
|
102
|
|
|
начальное действующее значение периодической составляющей
|
40
|
|
|
ток термической стойкости
|
40
|
|
|
время протекания тока термической стойкости, с
|
3
|
|
|
6
|
Параметры тока включения, кА
|
|
|
наибольший пик
|
102
|
|
|
начальное действующее значение периодической составляющей
|
40
|
|
|
7
|
Нормированный ток одиночной конденсаторной батареи,
отключаемый без повторных пробоев, А
|
300
|
|
|
8
|
Минимальная бестоковая пауза при АПВ, с
|
0.3
|
|
|
9
|
Расход газа на утечки в год, % от массы газа, не более
|
0.5
|
|
|
10
|
Испытательное напряжение грозового импульса (1,2/50 мкс)
|
|
|
|
50 Гц, кВ
|
|
|
11
|
Испытательное напряжение грозового импульса (1,2/50 мкс)
|
|
|
относительно земли
|
900
|
|
|
между разомкнутыми контактами
|
1050
|
|
12
|
Длина пути утечки внешней изоляции, см, не менее
|
570
|
|
13
|
Тип привода
|
пружинный
|
|
14
|
Количество приводов
|
1
|
|
|
|
|
|
|
.3 Основные преимущества
Основными преимуществами выключателя
ВГТ-1А1-220 являются:
· комплектация пружинным приводом типа
ППВ, пониженные усилия оперирования выключателем;
· шеф-наладка производится
специалистами завода-изготовителя;
· использование в соединениях двойных
уплотнений, а также «жидкостного затвора» в узле уплотнения подвижного вала.
Естественный уровень утечек - не более 0,5% в год - подтверждается испытаниями
каждого выключателя на заводе-изготовителе по методике, применяемой в
космической технике;
· современные технологические и конструкторские
решения и применение надежных комплектующих, в том числе высокопрочных
изоляторов зарубежных фирм.
· Высокая заводская готовность, простой
и быстрый монтаж и ввод в эксплуатацию.
· Высокая коррозионная стойкость
покрытий (горячий цинк), применяемых для стальных конструкций выключателя.
· Высокий коммутационный ресурс,
заданный для каждого полюса, в сочетании с высоким механическим ресурсом,
повышенными сроками службы уплотнений и комплектующих, обеспечивают при
нормальных условиях эксплуатации не менее, чем 25-летний срок службы до первого
ремонта.
· Возможность отключения токов нагрузки
при потере избыточного давления газа в выключателе.
· Сохранение электрической прочности
изоляции выключателя при напряжении равном 1,15 наибольшего фазного напряжения
в случае потери избыточного давления газа в выключателе.
· Отключение емкостных токов без
повторных пробоев, низкие перенапряжения.
2.4 Конструкция и характеристики основных узлов электрических
аппаратов
.4.1 Устройство и работа выключателя
Выключатели серии ВГТ относятся к электрическим
коммутационным аппаратам высокого напряжения, в которых гасящей и изолирующей
средой является элегаз (SF6).
Выключатель ВГТ-220II* состоит из трех полюсов
(колонн), установленных на общей раме и механически связанных друг с другом.
Все три полюса выключателя управляются одним пружинным
приводом типа ППрК-1800С.
Общий вид выключателя приведен на рисунке 1.
Принцип работы выключателей основан на гашении
электрической дуги потоком элегаза, который создается за счет перепада
давления, обеспечиваемого автогенерацией, т.е. тепловой энергии дуги, а также
поршневым устройством.
Включение выключателя осуществляется за счет энергии
включающих пружин привода, а отключение - за счет энергии пружины отключающего
устройства выключателя.
Выключатели выполняют следующие операции и циклы:
а) отключение (О);
б) включение (В);
в) включение-отключение (ВО), в том числе - без
преднамеренной выдержки времени между операциями В и О;
г) отключение-включение (ОВ) при любой бесконтактной паузе,
начиная от tбк, соответствующей tбт, где tбк -
бесконтактная пауза, tбт - нормированная бестоковая пауза при АПВ;
д) отключение-включение-отключение (ОВО) с интервалами
времени между операциями согласно подпунктов в) и г);
е) коммутационные циклы:
О - 0,3с - ВО - 180с - ВО;
О - 0,3с - ВО - 20с - ВО;
О - 180с - ВО - 180с - ВО.
После выполнения одного из указанных циклов
последующее оперативное включение выключателя должно производиться не ранее,
чем через 15 минут.
Допустимое для каждого полюса выключателя без осмотра
и ремонта дугогасительных устройств число операций отключения (ресурс по
коммутационной стойкости) составляет:
при токах в диапазоне свыше 60 до 100 % номинального
тока отключения - 20 операций;
при токах в диапазоне свыше 30 до 60 % номинального
тока отключения - 50 операций;
при рабочих токах, равных номинальному току, - 5000
операций.
Допустимое число операций включения для токов
короткого замыкания дополнительно должно составлять не более 50 % от
допустимого числа операций отключения, допустимое число операций включения для
нагрузочных токов равно допустимому числу операций отключения.
Выключатели имеют следующие показатели надежности и
долговечности:
ресурс по механической стойкости до капитального
ремонта - 10000 циклов "включение-произвольная пауза-отключение" (В -
tп - О);
срок службы до первого ремонта - 20 лет, если до этого
срока не исчерпаны ресурсы по механической или коммутационной стойкости;
срок службы - не менее 40 лет.
3. Расчёт электрической изоляции
1. Выбор основных, подлежащих расчету
изоляционных промежутков. Расчету подлежат:
промежутки между токоведущими и заземленными частями;
промежутки между частями одного и того же полюса,
имеющие различные потенциалы при размыкании контактов;
между токоведущими частями соседних полюсов,
находящиеся под напряжением.
. Определение исходных расчетных значений
разрядных напряжений для каждого промежутка в соответствии с ГОСТ 1516.3-96.
. Определение минимальных размеров основных
изоляционных промежутков в различных изоляционных средах в зависимости от
разрядного напряжения.
. Проверка промежутков по импульсному,
влагоразрядному напряжению и по длине пути утечки.
. Конструктивное уточнение размеров промежутков
в результате применения стандартных изоляторов.
Для расчета изоляции, согласно заданию на
проектирование, используем следующие номинальные данные:
Таблица 3.1- Испытательное напряжение
|
Вид испытательных напряжений
|
Испытательное напряжение внутренней и внешней изоляции Uисп,
кВ
|
|
Между разомкнутыми контактами
|
Относительно земли
|
Между фазами
|
|
Кратковременное (одноминутное) переменное в сухом состоянии
Uсух, кВ
|
440
|
440
|
440
|
|
Кратковременное (одноминутное) переменное под дождем Uдож,
кВ
|
395
|
395
|
395
|
|
Грозового импульса Uгим, кВ
|
1050
|
900
|
900
|
Предварительно найдем необходимые для расчета изоляции
значения напряжений. Расчетные напряжения определяют толщину изоляционного
промежутка, обеспечивающего надежную работу выключателя в заданных условиях.
Поэтому расчетные напряжения должны на 5 - 10 % превышать нормированные
испытательные напряжения промышленной частоты, коммутационные импульсы (для
внешней и внутренней изоляции) и грозовые импульсы (для внешней изоляции).
Рисунок 3.1-Промежутки изоляции
.1 Расчёт изоляции в сухом состоянии
При напряжении частоты 50 Гц длина изоляционного
промежутка L(в сантиметрах) определяется по соответствующему значение
(действующее, кВ) согласно следующим
эмпирическим формулам [3]:
(3.1)
1) Промежуток L1
2) Промежуток L2
3) Промежуток L3
4) Промежуток L4
5) Промежуток L5
Определение минимальных размеров основных изоляционных
промежутков в различных изоляционных средах в зависимости от разрядных
напряжений по опытным зависимостям или эмпирическим формулам
Минимальные размеры изоляционных промежутков L1,L2,L3,L4,L5
могут быть определены по следующим формулам[4]:
) Промежуток L1
L1 - промежуток вида «игла-игла» в
атмосферном воздухе
, (3.2)
см.
)
Промежуток L2
L2
- промежуток вида «игла-плоскость» в атмосферном воздухе.
, (3.3)
.
) Промежуток L3
,
,
) Промежуток L4
L4 - промежуток вида «игла-игла» в
атмосферном воздухе (расстояние между контактами двух фаз)
, (3.4)
.
) Промежуток L5
L5 - промежуток вида «игла-игла» в элегазе
, (3.5)
где:E0 - напряженность зажигания разряда
определяется выражением:
, (3.6)
где
p - давление в промежутке, Па;0 - радиус кривизны электрода с
максимальной напряженностью поля, м;и m - коэффициенты, зависящие от характера
изменения поля в промежутке(a = 8,0, m = 0,54)
Минимальная
длина промежутка L5:
3.1.1 Конструктивное уточнение
размеров промежутков в результате применения стандартных изоляторов
В результате расчетов изоляционных промежутков
получились следующие расчетные значения (таблица 3.2)
Таблица 3.2-Промежутки выключателя
|
Промежутки
|
L1
|
L2
|
L3
|
L4
|
L5
|
|
Расчетное значение (см)
|
132
|
135
|
135
|
128
|
0,7
|
|
Конструктивное значение (см)
|
235
|
221
|
456
|
280
|
9
|
Конструктивные значение больше расчетных, что
необходимо для предотвращения перекрытия по изоляционным промежуткам.
.2 Проверка промежутков по
влагоразрядному напряжению
Проверке подвергаются промежутки только внешней
изоляции, т.е. промежутки L1, L2, L3, L4.
Расчетное влагоразрядное напряжение каждого
изоляционного промежутка должно быть больше испытательного одноминутного
переменного напряжения под дождем Uдожд, определенного по ГОСТ
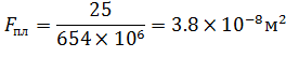
1516.3 - 96:
вррасч.>Uдожд
Расчетное значение влагоразрядного напряжения может
быть определено по следующей формуле[3]:
, (3.6)
где
H- длина изоляционного промежутка, см;врmin - минимальная
влагоразрядная напряженность,
.
Значение
минимальной влагоразрядной напряженности Eврminустановлено
экспериментальным путем и составляет:
1) Промежуток L1
Расчет
по формуле (3.6):
,
(испытательное
одноминутное переменное напряжение под дождем между разомкнутыми контактами по
ГОСТ 1516.3 - 96)
>
Условие
выполняется, следовательно, выбранная величина изоляционного промежутка L1
обеспечивает необходимую электрическую прочность данного промежутка по
влагоразрядному напряжению.
2) Промежуток L2
Расчет
по формуле (3.6):
>
Условие
выполняется, следовательно, выбранная величина изоляционного промежутка L2
обеспечивает необходимую электрическую прочность данного промежутка по
влагоразрядному напряжению.
)Промежуток
L3
Расчет
по формуле (3.6):
,
,
>
Условие
выполняется, следовательно, выбранная величина изоляционного промежутка L3
обеспечивает необходимую электрическую прочность данного промежутка по
влагоразрядному напряжению.
)Промежуток
L4
Расчет
по формуле (3.6):
,
>
Условие
выполняется, следовательно, выбранная величина изоляционного промежутка L4обеспечивает
необходимую электрическую прочность данного промежутка по влагоразрядному
напряжению.
.3 Проверка выбранных изоляционных
расстояний по грозовым импульсам
Проверке подвергаются все выбранные изоляционные
промежутки.
Разряд при грозовом импульсе носит вероятностный
характер, вследствие этого необходимо определить величину 50% разрядного
напряжения, при котором вероятность разряда составляет 50%. Расчетное значение
может быть определено по следующей формуле[3]:
(3.7)
где
H- длина изоляционного промежутка, см;гим 50% принимается равной
.
Гарантированное
значение импульсного напряжения, при котором не происходит пробоя изоляционного
промежутка, определяется по следующей формуле[3]:
, (3.8)
Гарантированное
значение импульсного напряжения должно быть больше для каждого изоляционного
промежутка испытательного напряжения грозового импульса, нормированного по ГОСТ
1516.3 - 96:
>
1) Промежуток L1
Расчет
по формуле (3.7), (3.8):
,
,
,
(испытательное
напряжение грозового импульса относительно земли по ГОСТ 1516.3 - 96)
>
- условие выполняется, следовательно, выбранная
величина изоляционного промежутка L1 обеспечивает необходимую
электрическую прочность данного промежутка по грозовому импульсу.
2) Промежуток L2
Расчет
по формуле (3.7), (3.8):
,
,
,
,
>
.
Условие
выполняется
3) Промежуток L3
Расчет
по формуле (3.7), (3.8):
,
,
,
,
>
Условие
выполняется
4) Промежуток L4
Расчет
по формуле (3.7), (3.8):
,
,
,
(испытательное
напряжение грозового импульса между разомкнутыми контактами по ГОСТ 1516.3 -
96)
>
Условие
выполняется
Начальная напряженность зажигания разряда при полных
грозовых импульсах в среде элегаза при давлении 1 ≤ p ≤ 6 атм
определяется выражением:
, (3.9)
Тогда
гарантированное значение импульсного напряжения, при котором не происходит
пробоя изоляционного промежутка L5:
,
,
>
Условие выполняется
3.4 Проверка выбранных изоляционных
расстояний по длине пути утечки
Для выключателей на номинальное напряжение 220 кВ
степени загрязнения II и категории исполнения Б по ГОСТ 9920 - 89 удельная
длина пути утечки составляет[4]:
Расчетное
значение данной величины определяется формулой:
, (3.10)
гдеLут - длина пути утечки по поверхности
изолятора, см;наиб. раб. - наибольшее рабочее напряжение, кВ.
Стандартная длина пути утечки изолятора наружной
установки на номинальное напряжение 220 кВ:
Отношение
длины пути утечки внешней изоляции к наибольшему рабочему напряжению:
>
Условие
выполняется, следовательно, выбранный изолятор обеспечивает надежную работу при
длительном воздействии на него рабочего напряжения.
4. Расчёт токоведущей
системы
В качестве исходных параметров для расчёта токовых
характеристик взяты номинальный ток выключателя Iном = 3150 А и
номинальный ток отключения Iон = 40 кА
Определим ток отключения[1]:
, (4.1)
Рисунок 4.1-Апериодическая составляющая тока
Время
принимают равным минимальному значению собственного
времени отключения выключателя tо.с.,мин с добавлением минимального
времени действия релейной защиты 10 мс:
По
графику
%.
)Ток
отключения в момент размыкания контактов:
Учитывая,
что
, получаем:
)Эффективное
значение тока КЗ за один период промышленной частоты [1]:
(4.2)
)Ударный
ток короткого замыкания[1]:
(4.3)
)Ток
термической стойкости
Значение
тока термической стойкости за время его протекания должно быть не менее
величины номинального тока отключения
≥
;
Время
протекания тока для выключателей на Uном = 220 кВ принимается равным
tт = 1 или 3 с
Примем
значение времени термической стойкости равным tт = 3 с
)Ток
динамической стойкости
)Ток
включения
Для
наибольшего гарантированного изготовителем значения тока КЗ, которое
выключатель может включить без повреждений обязательно соотношение
5. Расчёт розеточного
контакта выключателя
Рисунок 5.1-Розеточный контакт (dср=7,8см;
L=5 см; m=24; n=2)
5.1 Расчёт контактного нажатия по
номинальному току
Расчёт контактного нажатия по
номинальному току могут быть определены по следующим формулам [5]:
, (5.1)
где
- температура медного контакта;
-
температура контактной площадки;
, (5.2)
где
λ0 -
коэффициент теплопроводности материала при температуре = 0 °С;
βт -
температурный коэффициент теплопроводности,
.
Из
справочных данных для меди[5]:
λ0 = 388
,
βт =1,8·10-4
,
(5.3)
,
где
- температура плавления меди;
.
Величина
силы контактного нажатия на одну точку касания розеточного контакта при
протекании номинального тока:
.2 Расчёт сил в розеточном контакте
при протекании тока короткого замыкания
Определим фактическую силу, действующую на ламель по
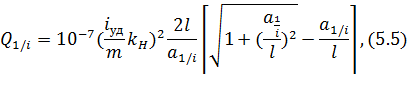
формулам[1]:
,(5.4)
где
-сила контактного нажатия действующая на одну точку касания
розеточного контакта, Н;
- сила отталкивания, действующая на
одну точку касания розеточного контакта, Н;
- сила электродинамического
взаимодействия, действующая на одну точку касания розеточного контакта, Н.
где
.
Таблица 5.1- Результаты расчета электродинамической
силы
|
№ламели
|
αi, град
|
cos(ai)
|
а1/i, см
|
Q1/I,Н
|
|
2
|
82.5
|
0.13
|
1.014
|
27.6
|
|
3
|
75
|
0.25
|
1.950
|
13.7
|
|
4
|
68
|
0.37
|
2.886
|
9
|
|
5
|
60
|
0.5
|
3.900
|
7
|
|
6
|
53
|
0.6
|
4.680
|
6
|
|
7
|
45
|
0.707
|
5.515
|
5.8
|
|
8
|
38
|
0.78
|
6.084
|
5.6
|
|
9
|
30
|
0.866
|
6.755
|
5.4
|
|
10
|
23
|
0.92
|
7.176
|
5.4
|
|
11
|
15
|
0.965
|
7.527
|
5.3
|
|
12
|
8
|
0.99
|
7.722
|
5.3
|
|
13
|
0
|
1
|
7.800
|
5.3
|
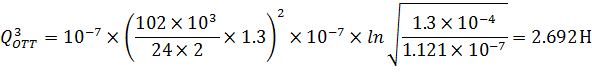
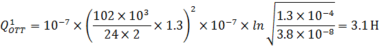
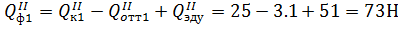
, (5.6)
Q=102Н
Тогда сила электродинамического взаимодействия,
действующая на одну точку касания розеточного контакта равна:
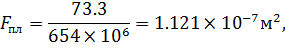
Сила отталкивания, действующая на одну точку касания
розеточного контакта, определяется следующим уравнением[2]:
, (5.7)
гдеFк - площадь поперечного сечения
контакта (ламели), м2;пл - площадь поперечного сечения
контактной площадки, м2;
;
Площадь поперечного сечения контактной площадки
определяется по формуле [3]:
,(5.8)
Приняв
первоначально
, определим площадь поперечного сечения контактной
площадки:
Расчет
по формулам (5.7), (5.8):
Второе
приближение:
Расчет
по формулам (5.7), (5.8):
,
Третье
приближение:
Расчет
по формулам (5.7), (5.8):
Принимаем
силу
.3 Проверка розеточного контакта на
термическую стойкость
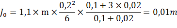
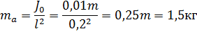
Температуру нагрева контактной площадки можно
определить по обращенной формуле Кукекова[3]:
, (5.9)
где
Tк - максимально допустимая температура нагрева контакта при
протекании по нему тока короткого замыкания, °К;
Iэфф1 - эффективное значение тока короткого
замыкания за первый период, А;ф(1) - фактическое значение
силы, действующей на одну точку касания ламели розеточного контакта, Н.
Примем в первом приближении температуру нагрева
контактной площадки равной:
К;
Твердость
материала по Бринеллю, приведенная к температуре контактной площадки:
Коэффициент
теплопроводности, приведенный к температуре контактной площадки:
Максимально
допустимая температура нагрева медных контактов при протекании по ним тока
короткого замыкания равна
К
Тогда температура нагрева контактной площадки:
К
Полученное значение температуры нагрева контактной
площадки много меньше принятого значения, поэтому необходимо провести
аналогичный расчет, задавшись другим значением.
°К.
Твердость
материала по Бринеллю, приведенная к температуре контактной площадки:
Коэффициент
теплопроводности, приведенный к температуре контактной площадки:
Максимально
допустимая температура нагрева медных контактов при протекании по ним тока
короткого замыкания равна
К
Тогда температура нагрева контактной площадки:
К
Полученное значение температуры нагрева контактной
площадки много меньше принятого значения, поэтому необходимо провести
аналогичный расчет, задавшись другим значением.
К.
Твердость
материала по Бринеллю, приведенная к температуре контактной площадки:
Коэффициент
теплопроводности, приведенный к температуре контактной площадки:
Тогда
температура нагрева контактной площадки:
К
Полученное значение температуры нагрева контактной
площадки меньше принятого значения, поэтому необходимо провести аналогичный
расчет, задавшись другим значением.
К.
Твердость
материала по Бринеллю, приведенная к температуре контактной площадки:
Коэффициент
теплопроводности, приведенный к температуре контактной площадки:
Тогда
температура нагрева контактной площадки:
К
Полученное значение температуры нагрева контактной
площадки можно принять равным принятой величине с учетом допустимой инженерной
погрешности. Окончательно, максимальная температура нагрева контактной
площадки:
К <
К
Максимальная температура нагрева контактной площадки
меньше температуры плавления меди (материала контактов), следовательно, при
протекании тока короткого замыкания не произойдет сваривания контактов
5.4 Проверка розеточного контакта на
термическую устойчивость по эмпирической формуле Буткевича
Проверка осуществляется по формуле [3]:
(5.8)
По результатам расчета сваривания не произойдет
.5 Расчет токосъемного розеточного
контакта
Расчёт произведём методом подобия
Коэффициент подобия
Н
5.6 Электрический расчёт розеточного
контакта
Определим переходные сопротивления по формуле [5]:
(5.9)
Ом.=0,06∙10-3
для ламели, покрытой серебром
Ом,
Ом,
Ом.
Мощность
потерь в контактных соединениях:
Вт,
Вт.
Определим
сопротивления ламелей по формуле [3]:
, (5.10)
Ом,
Ом,
Ом.
Мощность
потерь в ламелях:
Вт,
Вт.
Общие
потери в контактном соединении:
Вт,
Вт.
5.7 Тепловой расчет розеточного
контакта
Расчёт сопротивлений в контактных переходах:
Из
справочных данных [4] коэффициент теплопроводности элегазапри
равен
Расчет
сопротивления по формуле [4]:
, (5.11)
,
,
, (5.12)
,
, (5.13)
,
,
.
Рисунок
5.2-Элемент тепловая смеха
Вт
Вт
6. Расчет
распределения температуры по токоведущимэлементам
Рисунок 6.1-Схема токопровода
Определим минимальное сечение токоведущего элемента
при условии Qа=0 (теплообменом в аксиальном направлении пренебрегаем) по
формуле[5]:
,(6.1)
где
;
;
Ом∙м;П
- периметр внешней оболочки, м;
по
формуле[3]:
, (6.2)
где r1, r2, r3 -
радиусы прослоек по рисунку - величины переменные в зависимости от теплового
участка, м;
λЭ -
коэффициент теплоотдачи элегаза(
), Вт/(м
К);
λФ -
коэффициент теплоотдачи фарфора(
), Вт/(м
К).
Коэффициенты
рассчитываем по формуле[5]:
, (6.3)
где
- температурный коэффициент объёмного расширения;
-
динамический коэффициент вязкости.
Определение
температура элегаза [5]:
λ = 0,018 Вт/(м К) - для элегаза,
γ = 6,7 кг/м3 - для элегаза,
Ср=730
Дж/(кг К) - для элегаза,
λвЭ
= λэ∙εк,(6.4)
εк= f∙(Gr
∙ Pr)n - критериальное уравнение М. А. Михеева,
εк= 0,133∙(Gr
∙ Pr)0,33 при 106<GrPr<1010,
,
,
εк= 0,133∙(Gr
∙ Pr)0,33 при 106<GrPr<1010,
,
.
=5∙10-4
, (6.5)
м
Примем
r0=96 мм
Таблица
6.1 - Данные расчета
|
№ уч
|
r1, м
|
r2, м
|
r3, м
|
R0, м
|
Критерий GrPr
|
|
|
1
|
0,0975
|
0,135
|
0,168
|
0.096
|
1.26210E+8
|
1.13
|
|
2
|
0,079
|
0,135
|
0,168
|
0.077
|
4.20310E+8
|
1.68
|
|
3
|
0,0575
|
0,135
|
0,168
|
0.056
|
1.11410E+9
|
2.3
|
|
4
|
0,083
|
0,135
|
0,168
|
0.081
|
3.36510E+8
|
1.56
|
|
5
|
0,070
|
0,135
|
0,168
|
0.068
|
6.57310E+8
|
1.945
|
|
6
|
0,0975
|
0,135
|
0,168
|
0.096
|
1.26210E+8
|
1.13
|
Таблица 6.2- Данные расчеты
|
Параметры системы
|
1
|
2
|
3
|
4
|
5
|
6
|
|
L, м
|
0,425
|
0,623
|
0,080
|
0,098
|
0,760
|
|
параметры токоведущей системы
|
материал
|
медь
|
медь
|
медь
|
медь
|
медь
|
медь
|
|
S, м
|
0,612
|
0,496
|
0,361
|
0,521
|
0,434
|
0.612
|
|
F, кв.м
|
2.98E-3
|
2.48E-3
|
1.08E-3
|
6.20E-4
|
1.319E-3
|
9.189E-3
|
|
ρ0, Ом∙м
|
2.4∙10-8
|
2.4∙10-8
|
2.4∙10-8
|
2.4∙10-8
|
2.4∙10-8
|
2.4∙10-8
|
|
λ, Вт/м∙оС
|
388
|
388
|
388
|
388
|
388
|
388
|
|
a, 1/0С
|
0,00433
|
0,00433
|
0,00433
|
0,00433
|
0,00433
|
0,00433
|
|
б, А/м2
|
105E+4
|
126E+4
|
290E+4
|
525E+4
|
242E+4
|
34E+4
|
|
параметры изоляционной камеры
|
материал
|
элегаз
|
элегаз
|
элегаз
|
элегаз
|
элегаз
|
элегаз
|
|
r2/r1
|
0,135/ 0,975
|
0,135/ 0,815
|
0,135/ 0,92
|
0,135/ 0,775
|
0,135/ 0,975
|
0,135/ 0,975
|
|
P, МПа
|
0,4
|
0,4
|
0,4
|
0,4
|
0,4
|
0,4
|
|
материал
|
фарфор
|
фарфор
|
фарфор
|
фарфор
|
фарфор
|
фарфор
|
|
r3/r2
|
0,168/ 0,135
|
0,168/ 0,135
|
0,168/ 0,135
|
0,168/ 0,135
|
0,168/ 0,135
|
0,168/ 0,135
|
|
Rт, 0.0740.0790.0870.0780.0820.074
|
|
|
|
|
|
|
|
12.815.32014.71712.7
|
|
|
|
|
|
|
|
6.365.76.15.96.3
|
|
|
|
|
|
|
|
0.6950.760.180.230.6360.78
|
|
|
|
|
|
|
|
0.110.0360.720.670.170.013
|
|
|
|
|
|
|
|
505371947043
|
|
|
|
|
|
|
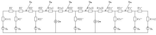
Рисунок 6.2-Тепловая модель
В
результате расчёта данной тепловой схемы в программном пакете Orcad 9.2,
получены следующие данные
Таблица 6.3-Данные расчета тепловой модели
|
ν, С
|
47
|
58
|
64
|
81
|
98
|
78
|
53
|
|
x, м
|
0
|
0,425
|
1,048
|
1.128
|
1,226
|
1.594
|
2.354
|
Рисунок 6.3-Распределение температуры
Температура не превышает максимально допустимого
значения 100 С
7. Общие принципы
дугогашения
.1 Конструктивные особенности
автогенерационогодугогасительного устройства
-верхний токопровод; 2-неподвижный дугогасящий
контакт; 3 -подвижный дугогасящий контакт; 4-автокомпрессионный объем; 5-
компрессионный объем; 6-клапан наполнения; 7-неподвижный поршень;
8-сопло;9-главный неподвижный контакт; 10- главный подвижный контакт; 11-клапан
автокомпрессии; 12- компрессионный цилиндр; 13- клапан сброса избыточного
давления; 14- нижний токопровод;
Рисунок 7.1-Дугогасительное устройство
Высокая способность элегаза (SF6) гасить электрическую
дугу объясняется тем, что молекулы элегаза улавливают электроны дугового столба
и образуют относительно неподвижные отрицательные ионы. Потеря электронов
делает дугу неустойчивой и она быстро гаснет. Если добавить в процесс
дугогашения газовое дутьё, которое может быть обеспечено или с помощью
поршневого устройства, или с использованием современного принципа
автогенерации; поглощение электронов из дугового столба происходит ещё
эффективнее. Принцип автогенерации состоит в том, что в процессе горения дуги
элегазнаходится в ограниченном объеме из-за нагрева расширяется, создается
дополнительное давление, обеспечивающее газовое дутье. При этом принципе не
расходуется дополнительная энергия для перемещения
Когда дугогасящие контакты разъединяются,зажигается
дуга между подвижным и неподвижным дугогасящими контактами. Во время горения
дуги, она в некоторой степени блокирует поток элегаза через сопло. Горящая дуга
характеризуется очень высокой температурой и мощным излучением тепла и начинает
нагревать элегаз в ограниченном газовом объеме. Таким образом, давление внутри
как автокомпрессионного, так и компрессионного объема возрастает как из-за
повышения температуры от дуги, так и вследствие сжатия газа в общем
пространстве между компрессионным цилиндром и неподвижным поршнем. Давление
газа в автокомпрессионном объеме продолжает повышаться до тех пор, пока не
станет достаточно высоким для того, чтобы закрыть специальный
автокомпрессионный клапан. Весь элегаз, необходимый для гашения дуги, теперь
ограничен в замкнутом автокомпрессионном объеме, и его давление в этом объеме
может дополнительно повышаться только из-за нагрева дугой. Примерно в то же
самое время, давление газа в нижнем компрессионном объеме достигает уровня,
достаточного для открывания клапана сброса избыточного давления.
Поскольку элегаз из компрессионного объема уходит
через клапан сброса избыточного давления, это снижает потребность в
дополнительной рабочей энергии привода, необходимой, чтобы преодолеть сжатие
элегаза при одновременном сохранении скорости расхождения контактов, что
необходимо для беспробойного выдерживания восстанавливающегося на контактах
напряжения.
Когда ток проходит через нулевое значение, дуга
становится сравнительно слабой и в этот момент поток сжатого элегаза вырывается
из автокомпрессионного объема через сопло и гасит (сдувает) дугу. При
отключении слабых токов автокомпрессионные дугогасящие устройства работают, по
существу, аналогично компрессионным устройствам, т.к.создаваемое давление
элегаза недостаточно для закрытия специального автокомпрессионного клапана. В
результате верхний фиксированный автокомпрессионныйобъем и нижний
компрессионный объем формируют один общий объем сжатия. В этом случае давление
элегаза, необходимое для прерывания дуги, достигается обычным механическим
способом от энергии привода, т.е. как в обычном компрессионном устройстве
дугогашения. Однако, в отличие от компрессионного устройства,
автокомпрессионное устройство нуждается в меньшей энергии привода для
механического создания давления элегаза при отключении токов, меньших
номинального значения тока КЗ (т.е. порядка 20%-30%).
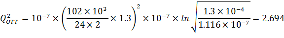
7.2 Расчет газодинамических
характеристик
Рисунок 7.2-Дугогасительное устройство
Рисунок 7.3- Отображает зависимость скорости поршня и
сечения выхода элегаза от хода поршня
,
нк=1,5*10-3
м2,пк=9*10-3м2,ц=78*10-3м2.
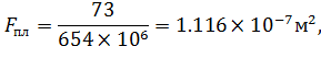
.2.1 Расчёт начальных параметров газа
в подпоршневом объёме
,
Где
Sп=Sц-Sпк=78*10-3 -9*10-3 =69*10-3 м2
-площадь поршня;0=15*10-2 м - длина цилиндра;
.
кг,
где
-плотность элегаза при давлении Po.
.2.2 Расчёт параметров элегаза на
шаге хода поршня ∆zi
На первом шаге:
Расчет по формулам [3]:
∆z1=50∙10-3 м,
,
, (7.1)
,
, (7.2)
,
,(7.3)
,
,(7.4)
,
Процесс
истеченияподкритический
, (7.5)
,
, (7.6)
, (7.7)
=2,5*10-3
-1,5*10-3=1*10-3 м2,
=2,4,
На
втором шаге:
,
,
,
,
,
.
Процесс
истечениянадкритический
,
S=6*10-3
-1,5*10-3=4,5*10-3 м2,
,

,
кг
На
третьем шаге:
,
,
,
,
,
.
Процесс
истечениянадкритический
,
,
S=7,2*10-3
-1,5*10-3=5,7*10-3 м2,
,
,
кг
Рисунок
7.4-Изменение давления в зависимости от хода контактов
Рисунок 7.5-массово-секундный расход газа в
зависимости от хода контактов
8. Расчет механизма
аппарата
Кинематический анализ механизма аппарата заключается в
построении кинематической схемы и определения скоростей всех узлов в
зависимости от скорости приводного механизма. В качестве привода в выключателе
применен пружинный привод для включения механизма и отключающее устройство,
содержащее группу отключающих пружин для совершения операции отключения.
Пружинный привод срабатывает после подачи команды на включение, после чего
выбивается защелка и освобождает предварительно взведенные включающие пружины.
После включения механизм привода встает на защелку, препятствуя действию пружин
отключающего устройства, электродвигатель привода взводит включающие пружины,
подготавливая механизм к повторному включению. Отключение аппарата происходит
после выбивания защелки, удерживающей привод в включенном положении, после чего
начинают действовать пружины отключающего устройства.
8.1 Кинематическая схема аппарата (от
контактов до привода)
Рисунок 8.1- Операция включения
Рисунок 8.2 - Операция отключения
8.2 Относительная скорость
Относительную скорость определяем методом плана
скоростей
Рисунок 8.3 - План скоростей для начального положения
Рисунок 8.4 - План скоростей для конечного положения
Таблица 8.1-Относительная скорость узловых точек
|
Начальное
|
21,5
|
43
|
|
мм
|
V, м/с
|
мм
|
V, м/с
|
L, мм
|
V, м/с
|
|
|
2451
|
1
|
2451
|
1
|
2451
|
1
|
|
|
3336
|
1,14
|
3336
|
1,14
|
3336
|
1,14
|
|
|
3028
|
1,04
|
3043
|
1,046
|
3058
|
1,05
|
|
64,5
|
86
|
107,5
|
|
L, мм
|
V, м/с
|
L, мм
|
V, м/с
|
L, мм
|
V, м/с
|
|
2451
|
1
|
2451
|
1
|
2451
|
1
|
|
3336
|
1,14
|
3336
|
1,14
|
3336
|
1,14
|
|
3073
|
1,057
|
3088
|
1,06
|
31
|
1,067
|
|
129
|
150,5
|
172
|
193,5
|
215
|
|
L, мм
|
V, м/с
|
L, мм
|
V, м/с
|
L, мм
|
V, м/с
|
L, мм
|
V, м/с
|
L, мм
|
V, м/с
|
|
2451
|
1
|
2451
|
1
|
2451
|
1
|
2451
|
1
|
2451
|
1
|
|
3336
|
1,14
|
3336
|
1,14
|
3336
|
1,14
|
3336
|
1,14
|
3336
|
1,14
|
|
3118
|
1,07
|
3133
|
1,077
|
3148
|
1,08
|
3163
|
1,09
|
3178
|
1,1
|
8.3 Массы звеньев механизма
Таблица 8.2- Массы механизмов
|
Звено
|
ID
|
СD
|
BSC
|
AB
|
AA1
|
|
Масса,кг
|
6
|
8
|
8
|
6
|
10
|
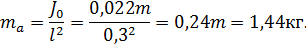
Замещающую массу звеньев, совершающих только вращающее
движение можно разместить в одной точке по формулам [6]:
Звено: ID
Момент инерции звена относительно оси вращения:
(8.1)
Приведенная масса, размещенная в точке D:
, (8.2)
Звено: AB
Момент инерции звена относительно оси вращения
рассчитываем по формуле (8.1):
Приведенная масса, размещенная в точке A:
Звено: BSC
Момент инерции звена относительно оси вращения
, (8.3)
Приведенная масса, размещенная в точке С:
При поступательном движении звена его замещающая масса
равна его истинной массе и находится в центре тяжести звена [6].
Таблица 8.3- Замещающие массы
|
Звено
|
A
|
C
|
D
|
|
AA1
|
|
|
|
|
AB
|
|
|
|
|
BSC
|
|
|
|
|
ID
|
|
CD
|
|
|
|
|
∑
|
34,5
|
33,6
|
28,32
|
Приведение всех замещающих масс механизма к одной
точке производиться, исходя из необходимого условия - сохранения кинетической
энергии:
, (8.4)
Таблица 8.4 - Расчет приведенной массы
|
Ход контактов
|
Приведенные замещающие массы
|
|
A
|
С
|
D
|
ΣMпр
|
|
0
|
34,5
|
43,67
|
30,63
|
108,8
|
|
21,5
|
34,5
|
43,67
|
30,99
|
109,16
|
|
43
|
34,5
|
43,67
|
31,22
|
109,39
|
|
64,5
|
34,5
|
43,67
|
31,64
|
109,81
|
|
86
|
34,5
|
43,67
|
31,82
|
109,99
|
|
107,5
|
34,5
|
43,67
|
32,24
|
110,41
|
|
129
|
34,5
|
43,67
|
32,42
|
110,59
|
|
150,5
|
34,5
|
43,67
|
32,85
|
111,02
|
|
172
|
34,5
|
43,67
|
33,03
|
111,2
|
|
193,5
|
34,5
|
43,67
|
33,65
|
111,82
|
|
215
|
34,5
|
43,67
|
34,27
|
112,44
|
Рисунок 8.5 - Зависимость приведенной массы от хода
контактов
Зная значение приведенной массы в зависимости от хода
контактов и задавшись скоростью их расхождения можно построить зависимость
кинетической энергии механизма от хода контактов.
,(8.5)
Таблица 8.6 - Расчет кинетической энергии
|
Ход контактов
|
|
|
|
|
0
|
108,8
|
0
|
0
|
|
21,5
|
109,16
|
1
|
55
|
|
43
|
109,39
|
2
|
492
|
|
64,5
|
109,81
|
3
|
1373
|
|
86
|
109,99
|
4
|
1980
|
|
107,5
|
110,41
|
5
|
2705
|
|
129
|
110,59
|
6
|
3539
|
|
150,5
|
111,02
|
7
|
5551
|
|
172
|
111,2
|
8
|
5560
|
|
193,5
|
111,82
|
10
|
8051
|
|
215
|
112,44
|
0
|
0
|
Рисунок 8.6- Зависимость кинетической энергии от хода
контактов
Рисунок 8.7- Зависимость сил инерции (dT/dh) от хода
контактов
.4 Расчет сил сопротивления
Основной силой, препятствующей отключению, является
сила давления сжимаемого газа
Рисунок 8.8-Изменение тормозной силы поршня в
зависимости от хода контактов
Силы трения в контактах малы по сравнению с силой
давления сжимаемого газа
Рисунок 8.9 -Сравнение сил инерции и сил споротивления
Таким образом анализируя графики можно сделать вывод,
что для успешного выполнения операции отключения должно соблюдаться следующие
равенство:
,
где
Таким образом, анализируя графики рис 8.10можно
сделать вывод, что для успешного выполнения операции отключения отключающая
пружины должна развивать силу от 8 кН до3,4 кН с учетом на три полюса при
сжатии 215 мм
Рисунок 8.10 -Расчетное усилие
Рисунок 8.11 -Сила, приведенная к точке реального
приложения
8.5 Расчет быстродействия выключателя
Уравнение Лагранжа [6]:
, (8.6)
Рисунок
8.12 -Зависимость скорости от хода контактов
Рисунок 8.13 -Зависимость скорости от хода контактов
Рисунок 8.14 -Зависимость скорости от времени
Выполнив расчеты, мы убедились в том, что рассчитанное
нами время отключения соответствует выключателю среднего быстродействия
Заключение
В ходе выполнения данной выпускной работы был
спроектирован высоковольтный элегазовый колонковый выключатель. В частности
было определено:
. Определен общий вид элегазового колонкового
выключателя;
. Рассчитана протяженность изоляционных
промежутков внешней изоляции, которая определяет общие габариты выключателя;
. Рассчитана токоведущая система;
. Выбран вид контактной системы и рассчитаны
его параметры;
. Рассчитано распределение температуры по
токоведущим элементам;
. Рассчитаны газодинамические характеристики;
. Произведен расчет механизма аппарата.
Полученные результаты удовлетворяют требованиям
нормативных документов и вполне согласуются с параметрами существующих
элегазовых выключателей аналогичного типа.
Список литературы
1. Чунихин А.А., Жаворонков М.А. Аппараты высокого напряжения - М.:
Энергоатомиздат, 1985
. Справочник по электрическим аппаратам высокого напряжения /
Адоньев Н.М, Афанасьев В.В, Бортник И.М, и др.; под ред. В.В. Афанасьева. - Л.:
Энергоатомиздат. Ленингр. Отд-ние, 1987.
. Проектирование электрических аппаратов: учебник для вузов/
Александров Г.Н, Борисов В.В, Каплан Г.С, и др.; под.ред. Г.Н. Александрова
Г.Н. - Л.: Энергоатомиздат. Ленингр. Отд-ние, 1985 г.
. Справочник по электрическим аппаратам высокого напряжения /
Адоньев Н.М, Афанасьев В.В, Бортник И.М, и др.; под ред. В.В. Афанасьева. - Л.:
Энергоатомиздат. Ленингр. Отд-ние, 1987
. Буткевич Г.В., Дегтярь В.Г, Сливинская А.Г. Задачник по
электрическим аппаратам. - М.: Высшая школа, 1987. - 232 с., ил.
. Попов С.А., Тимофеев Г.А. Курсовое проектирование по теории
механизмов и машин. - М.: Высш. шк., 1999.