Переходные процессы в линейных и нелинейных электромагнитных системах
Санкт-Петербургский государственный политехнический университет Институт энергетики и транспортных систем
Кафедра «Теоретическая электротехника и электромеханика»
КУРСОВОЙ ПРОЕКТ
по дисциплине «Теоретические основы электротехники»
Переходные процессы в линейных и нелинейных электромагнитных системах
Выполнил
студент гр. 23212/1
Александров К. С.
Руководитель
доцент, к.т.н.
Королева Н. И.
Санкт-Петербург - 2016
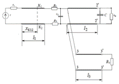
Исходные данные
Схема соединения линий и их параметры
|
Параметры 1-й линии: z1 = 300 Ом; l1 = 100 км; v = 300000
км/с; xК12 = 50 км
|
Параметры 2-й линии: z2 = 300 Ом; l2 = 50 км; v = 300000
км/с; s = 40 км
|
Параметры 3-й линии: z3 = var = 270 - 410 Ом; l3= 50 км; v=
300000 км/с s = 40 км
|
Схемы и параметры источника И1, подстанции П1, нагрузки второй линии П2 и нагрузки третьей линии П3
|
|
|
|
|
|
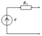
e=Emsin(ωt+ψe) f = 50 Гц ψe = π/2 Em=180 кВ R1=20 Ом
|
R2=120 Ом R3=80 Ом С1=0.1 мкФ
|
R4=600 Ом C2=0, 1 мкФ
|
R5=200 Ом
|
|
Рис. 1. Схема и параметры источника И1
|
Рис. 2. Схема и параметры подстанции П1
|
Рис. 3. Схема и пара-метры нагрузки второй линии П2
|
Рис. 4. Схема и параметры нагрузки тре-тьей линии П3
|
Расчет установившегося синусоидального режима. Схемы замещения и их параметры
Схема системы линий имеет вид:
Схема источника ЭМЭ и его параметры:
e0= Emsin(ωt+ψe); Em = 180 кВ; ω=2πf;
f = 50 Гц;
ψe
= π/2
Входное напряжение e0 в комплексной форме имеет вид:
Схемы замещения линий
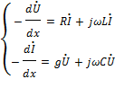
Уравнения линии при синусоидальном режиме
имеют следующий вид:
Напряжение и ток на оконечных зажимах линии (при x =
)
;
;
Из этих уравнений найдем
и
.
;
;
Эти уравнения аналогичны уравнениям четырехполюсника, записанным через A-параметры:
,
где A = D = ch
; B = Z*sh
; C = sh
.
Для линии без потерь
. При
и
коэффициент фазы 
1.047*10-6 рад/м.
Линия 1. Начальный участок
Схема начального участка длиной l1н = 50 км от начала линии до точек К1, К2 приведена на рис. а, схема конечного участка длиной l1к=50 км от точек К1, К2 до конца линии - на рис. б.
а) б)
параметры схемы начального участка:
Ом
См
Замечание. Поскольку результаты этих расчетов будут использованы впоследствии для выявления достаточно тонких эффектов, то необходимо учитывать в них большое число значащих цифр. Желательно все расчеты выполнять в одной компьютерной программе без округления промежуточных результатов.
Параметры схемы замещения начального участка первой линии
электрический цепь переходной напряжение
Линия 1. Конечный участок
А-параметры четырехполюсника:
Ом
См
Параметры схемы замещения конечного участка
первой линии:
Подстанция П1
Ом
Ом
Линия 2
Схема замещения имеет вид:
Определяем A-параметры четырехполюсника и параметры схе-мы замещения:
Ом
См
Параметры схемы замещения второй линии:
Нагрузка П2 второй линии
Схема замещения нагрузки второй линии имеет вид:
Комплексные сопротивления отдельных участков схемы равны
=
Ом ;
Эквивалентное сопротивление нагрузки второй линии равно
=599.787-j11.3Ом
Линия 3
Эквивалентная схема имеет вид:
Параметры схемы замещения третьей линии определяются так-же,
как и второй, однако её волновое сопротивление будет варьироваться. Поэтому выразим
параметры эквивалентной схемы в виде функций этого сопротивления:
Принимая в качестве начального приближения значение Z3 = 300 Ом, получаем:
Ом
См
Параметры схемы замещения третьей линии:
Нагрузка П3 линии 3
Нагрузка линии 3 - активное сопротивление R5 = 100 Ом, так что Zп3 = R5 = 200 Ом.
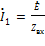
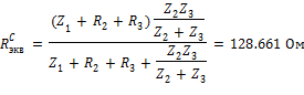
Определение эквивалентного сопротивления системы линий относительно зажимов источника ЭМЭ И1
Входное сопротивление второй
линии, нагруженной на сопротивление Zп2
Соответствующий фрагмент полной
схемы имеет вид:
Входное сопротивление равно
=592.589-j57.546 Ом
Входное сопротивление третьей
линии, нагруженной на сопротивление Zп3
Соответствующий фрагмент полной
схемы имеет вид:
Входное сопротивление равно
=200.305+j8.722 Ом
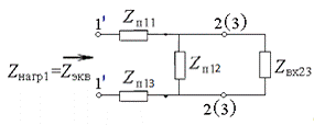
Входное сопротивление двух параллельно включенных линий 2 и 3, нагруженных на сопротивления П2 и П3
Соответствующая схема имеет вид:
Входное сопротивление равно
=150+j1.234 Ом
Эквивалентное сопротивление, на которое нагружена первая линия
Соответствующая схема для расчета имеет вид:
Эквивалентное сопротивление равно
=350.268+j0.525 Ом
Сопротивление конечного участка
линии 1 с нагрузкой линии 1
Соответствующая схема для расчета имеет вид:
Эквивалентное сопротивление равно
=349.984-j5.167 Ом
Схема для расчета напряжения между точками К1и К2 имеет вид:
Сопротивление всей системы линий Zвх по отношению к зажимам источника ЭДС равно:
=349.011-j18.627 Ом
Входной ток
равен
=-10.061+j344.627 А
Напряжение на зажимах К1-К2
. При значении волнового сопротивления 3-й линии Z3= 300 Ом получаем
кВ
а его действующее значение равно
120.5 кВ
Будем варьировать значение Z3 в пределах 270 Ом< Z3 < 410 Ом.
Результаты расчётов заносим
в следующую таблицу.
Зависимость напряжения UК12 между точками К1 и К2 от волнового сопротивления 3-й линии Z3
|
Z3, Ом
|
В
|
, В
|
|
270
|
5639.772+120391.337i
|
120523.363
|
|
290
|
5620.264+120383.467i
|
120514.590
|
|
310
|
5601.582+120376.033i
|
120506.294
|
|
330
|
5583.572+120368.971i
|
120498.404
|
|
350
|
5566.114+120362.232i
|
120490.865
|
|
370
|
5549.115+120355.778i
|
120483.633
|
|
390
|
5532.502+120349.577i
|
120476.675
|
|
410
|
5516.216+120343.605i
|
120469.963
|
Обоснование выбора волнового сопротивления 3-й линии Z3
Выбираем
, т.к. оно обеспечивает минимум действующего значения напряжения между узлами
К1 и К2
Расчет максимальных напряжений на всех зажимах линии в установившемся синусоидальном режиме
Зажимы 1-1.
Комплекс напряжения на входных зажимах первой линии:
кВ
Амплитудное значение этого напряжения равно
кВ
Зажимы 1'-1'.
Расчётная схема имеет вид:
Из этой схемы получим:
= 14.756+j342.95
А
кВ
кВ
амплитуда этого напряжения:
В
Зажимы 2-2 (3-3).
Схема для определения напряжения на входных зажимах включенных параллельно линий 2 и 3
=
:
35.726+j341.518 А
=3.747+j51.64 кВ
Амплитуда этого напряжения
кВ
Напряжения на входных зажимах
линий 2 и 3 равны:
Зажимы 2'-2'.
Эквивалентная схема:
Из этой схемы:
-2.12+j86.943 А
A
= 6.891+j86.17 А
kВ
его амплитуда равна
=73.34 кВ
Зажимы 3'-3'.
Расчетная схема:
39.468+j254.457А
A
= 46.005+j253.63 А
Амплитуда этого напряжения равна
72.91 кВ
Результаты расчетов максимальных значений напряжений на зажимах линий
|
Линия №
|
Зажимы № - №
|
|
|
1
|
1 - 1
|
|
|
1’ - 1’
|
|
|
2
|
2 - 2
|
|
|
2’ - 2’
|
73.34
|
|
3
|
3 - 3
|
|
|
3’ - 3’
|
72.91
|
Расчет переходного процесса в системе линий при включении её
под синусоидальное напряжение
Расчет переходного процесса в системе
линий упрощается, если она подключается к источнику постоянного напряжения. Такая замена возможна, если время пробега волны вдоль всей системы линий меньше времени, за которой входное
напряжение успевает измениться примерно на 10% от своего амплитудного значения.
Оценка изменения напряжения источника за расчетное время
Длина первой линии l1 = 100 км, длины линий 2 и 3 равны l2 = l3 = 50 км.
Будем рассматривать момент времени, когда отраженные от нагрузки второй линии
П2 волны прошли расстояние s = 40 км. К этому моменту времени волны, возникшие
в начале первой линии, пройдут расстояние L = l1+l2+s = 190 км. При одинаковой
скорости распространения волн во всех линиях для этого потребуется время t =
L/v = 190/300000 = 6.3.·10-4 с. Следовательно, время «существования»
прямых и отраженных волн в линии 1 составит tp = 6.3·10-4 с.
При частоте источника И1 f=50 Гц (ω ≈314 рад/с) и амплитудном
значении Em = 180 кВ получим:
- в момент
замыкания ключа
e(0)=
=180 кВ=180 кВ
- при t=tр
e(
)=
=
кВ
т.е. относительное изменение входного напряжения составит
2 %
Поэтому можно считать, что напряжение на зажимах первой
линии не меняется за время рассмотрения переходного процессы и равно U0 = const.
Определение постоянного напряжения U0
Напряжение U0 представляет собой напряжение прямой
(падающей) волны в 1-й линии
=
.
Ток
Расчет переходного процесса в системе линий
Для каждой линии введем свою локальную систему
координат: x - от начала
линии к её концу; x' - от конца линии к началу. Прямые (падающие) (ϕ1, ϕ2, ϕ3) волны напряжения и тока в каждой из линий распространяются в направлении оси x соответствующей линии,
об-ратные, или отраженные, (ψ1, ψ2, ψ3) - в направлении оси x'. Будем обозначать напряжения и токи в начале линии дополнительным ин-дексом «0», а в конце линии - индексом «l».
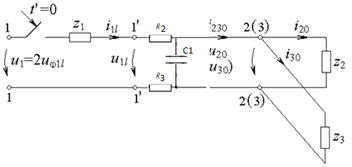
Схема замещения для расчета процессов на подстанции П1
= 2
=
= 2 U0 =
В;
R2 =
120 Ом;
C1=
0.1 мкФ;
80 Ом;
=
= 300 Ом;
= Z3 =
270 Ом.
Отсчет времени t' ведется от момента прихода волны ϕ1 к входным
зажимам подстанции П1 1'-1'. В этот момент времени возникает отраженная волна в
линии 1 и преломленные (падающие) волны в ли-ниях 2 и 3.
Расчет переходного процесса без составления дифференциального
уравнения
Искать будем ток
:
Рассмотрим цепь до коммутации
:
Источник напряжения еще не подключен.
Рассмотрим цепь непосредственно после коммутации (t = +0):
Находим постоянную времени
(ключ замкнут,
источник напряжения представляет собой провод):
В таком случае
.
Установившийся режим
:
В установившемся режиме
конденсатор представляет собой разрыв.
Входной ток
А
Найдем постоянную интегрирования:
, откуда
A
Общее выражение запишется в виде:
Подставив значения, получим:
A
Найдем напряжение на конденсаторе:
Напряжение на конденсаторе равно напряжениям на зажимах 2-2 и 3-3, тогда:
Теперь найдем падающие волны напряжений во второй и третьей линиях:
кВ
кВ
Теперь можем найти падающие волны токов во второй и третьей линиях:
Найдем отраженную волну тока в первой линии:
Отсюда:
А
Найдем отраженную волну напряжения в первой линии:
кВ
Отсюда напряжение на конце первой линии:
кВ
Зависимости от времени t' напряжений и токов на входных и
выходных зажимах подстанции П1 (зажимы 1'-1' и 2(3) - 2(3)).
Графики напряжения и тока, отраженных от подстанции П1 (ψ1l на зажимах 1'-1') и преломленных
через подстанцию в линию 2 (φ20 на зажимах 2'-2') и в линию 3 (φ30 на зажимах 3'-3')
Расчет переходных процессов в нагрузке П2 линии 2
Схема замещения для расчета переходного процесса:
где
= 300 Ом;
= 600 Ом;
= 0, 1 мкФ.
Отсчет времени t" ведется от момента прихода волны ϕ2 к входным
зажимам нагрузки П2 2'-2'. В этот момент времени возникает отраженная волна в
линии 2. На приведенной схеме
В
Расчет операторным методом
Операторное изображение напряжения
Входное операторное сопротивление цепи:
Операторное изображение входного тока в нагрузке:
Оригинал тока будем искать в следующем виде:
*
*
*
Коэффициенты, входящие в выражение
:
;
;
;
В результате получим:
А
Напряжение на входе нагрузки П2 равно:
kВ
Расчет входного тока нагрузки П2 в переходном процессе с
помощью интеграла Дюамеля
Зная реакцию цепи на единичное возмущающее воздействие, т.е. функцию переходной проводимости, можно найти реакцию цепи на воздействие произвольной формы. Это заключение основано на принципе суперпозиции, что отклик линейной пассивной системы
на сумму нескольких сигналов равен сумме откликов от каждого из слагаемых сигналов, сдвинутых во времени. Переходя от конечного интервала времени
сдвига между суммирующимися сигналами, к бесконечно малому, совершается переход от суммы к интегралу Дюамеля:
Итак, составим интеграл Дюамеля, определив его составляющие.
Необходимо заметить, что в данном переходном процессе имеют место нулевые начальные условия.
Рассмотрим схему:
Рассмотрим цепь до коммутации
:
Ключ разомкнут, токи во всех ветвях
равны нулю.
,
Рассмотрим цепь в момент коммутации
:
Так как по закону коммутации
, то:
А
Находим постоянную времени
как произведение эквивалентного относительно зажимов конденсатора сопротивления и емкости этого конденсатора (ключ замкнут, источник напряжения представляет собой провод):
Эквивалентное сопротивление запишется в виде:
Отсюда:
Установившийся режим
:
В установившемся режиме
при постоянном напряжении конденсатор представляет собой разрыв. Исходя из этого:
A
Найдем постоянную интегрирования:
Общее выражение запишется в виде:
Подставив значения, получим:
А
Запишем интеграл Дюамеля
для нашей цепи:
Решим интеграл в программе «MathCad»:
Округлив, имеем:
А
Полученный нами результат очень близок к полученному ранее операторным методом,
а это значит, что значение тока найдено верно. Определение напряжения и тока отраженной от нагрузки П2 волны (ψ2l на зажимах 2' - 2'). Напряжение
отраженной волны:
кВ
Ток отраженной волны:
А
Примечание 2. Операторный метод позволяет получить выражения для
отраженных волн с использованием операторных коэффициентов отражения волн
напряжения и тока
(p) и
(p) из соотношений:
*
(p)
*
(p)
(p)
Z2(p) и Zн(p) - операторные волновое сопротивление линии 2 и
сопротивление нагрузки этой линии;
(p) = -
(p).
(p)= Z2=300 ом
(p)=
Это выражение можно проверить с помощью предельных соотношений:
При проверке коэффициента отражения, также как и других параметров,
представляющих отношение двух напряжений либо тока и напряжения и т.п., не
следует умножать его изображение на p. Для
(p) получаем:
и
Значение коэффициента отражения не зависит от характера приложенного
напряжения. В установившемся режиме (
) при действии источника постоянного
напряжения конденсатор можно рассматривать как разрыв. Тогда Zн(p)=
=600 ом, и
(
)=
, что совпадает с полученным из предельного соотношения. При
(
) конденсатор можно рассматривать как
провод. Тогда Zн(p)=
(
)=
, что соответствует полученному с помощью предельного
соотношения значению.
Операторное изображение напряжения имеет вид
кВ
Для изображения напряжения отраженной волны получаем:
Проверка с помощью предельных соотношений
Применение первого из них даёт
При (
) напряжение падающей волны
равно
В, а значение коэффициента отражения
=
Следовательно
В, т.е. совпадает со значением, полученным с помощью
предельного соотношения
Второе соотношение дает
Что с учетом погрешности совпадает с полученным значением
Расчет переходных процессов в нагрузке П3 линии 3
Схема замещения для расчета переходного процесса:
Здесь
В
Волновое сопротивление линии 3 принято равным
= Z3 = 410 Ом. Сопротивление
нагрузки: r5 = 200 Ом.
Отсчет времени t′′′ ведется с момента прихода волны ϕ3
к зажимам 3'-3' нагрузки П3.
Из схемы получим:
kВ
А
Отраженные от нагрузки П3 волны (ψ3l на зажимах 3'-3'):
Выражения для отраженных волн
и
можно получить с использованием
коэффициента отражения волны напряжения в линии 3:
что полностью совпадает с полученным выше результатом.
Сведем основные полученные результаты в таблицу:
|
Линия
|
За-жи-мы
|
Напряжение, кВ
|
Ток, А
|
|
1
|
1-1
|
|
|
|
1’-1’
|
|
|
|
2
|
2-2
|
|
|
|
2’-2’
|
|
|
|
3
|
3-3
|
|
|
|
3’-3’
|
|
|
Нахождение распределения напряжения и тока вдоль линий в
момент времени, когда отраженная от нагрузки П2 волна пройдет расстояние s
Распределение падающих и отраженных составляющих волн вдоль линий в
заданный момент времени tр, когда отраженные от нагрузки 2-й линии волны прошли
расстояние s = 40 км.
Введем обозначения:
координаты точек линии 1, отсчитываемые от зажимов 1-1
вправо;
координаты точек линии 1, отсчитываемые от зажимов 1'-1'
влево;
,
и
,
то же для линий 2 и 3 соответственно.
В расчётный момент времени отраженные в линии 1 волны (
) пройдут расстояние
и
.
Время прохождения отраженными волнами каждого из этих расстояний равно:
Для получения распределения волны вдоль линии без потерь следует в её
выражении для места возникновения заменить время t величиной
для падающих волн и
для отраженных и положить t равным
расчетному времени
.
Линия 1
=
.
А
В
А
Линия 2
В
= 289, 487-289, 487
А
А
Линия 3
В
А
Здесь
Эпюры распределения напряжения и тока вдоль линий в момент
времени tр
Расчет
перенапряжения между узлами К1 и К2 при переходном процессе
Как уже раньше было выяснено, максимальное напряжение между узлами
120.5 кВ. Теперь стоит выяснить, насколько будет превышено это напряжение при переходном процессе.
При переходном процессе значения напряжений между заданными узлами находятся как сумма падающих и отраженных волн напряжения.
Тогда:UK1-K2 (50000м)= 187.2 кВ
Δ UK1-K2 = UK1-K2 (пер) - UK1-K2 (уст)=66.7 кВ
В таком случае, видно что напряжение на зажимах К1-К2 при переходном процессе на 66.7 кВ больше, чем при установившемся режиме.
кВ
Заключение
В данной работе был проведен расчет переходных процессов. Это процессы,
возникающие в электрических цепях при различных воздействиях, приводящих к
изменению режима работы, то есть при действии различного рода коммутационной
аппаратуры, например, ключей, переключателей для включения или отключения
источника или приёмника энергии, при обрывах в цепи, при коротких замыканиях
отдельных участков цепи и т. д.
Физическая причина возникновения переходных процессов в цепях - наличие в
них катушек индуктивностей и конденсаторов, то есть индуктивных и ёмкостных
элементов в соответствующих схемах замещения. Объясняется это тем, что энергия
магнитного и электрического полей этих элементов не может изменяться скачком при
коммутации (процесс замыкания или размыкания выключателей) в цепи.
Изучение переходных процессов требуется для предотвращения аварий,
а также для разработки мер по борьбе с ними.
Включение системы производилось под постоянное напряжение, так как за рассматриваемое время напряжение синусоидального источника энергии
изменилось бы лишь на 2%, что несущественно.
В ходе проведенной работы было выбрано волновое сопротивление Z3, исходя из значения напряжения на сечении
К1-К2. При расчете на сечении К1-К2 перенапряжений мы выяснили, что оно составляет 66.7 кВ.
Список
использованных источников:
. .К.С. Демирчян, Л.Р. Нейман,
Н.В. Коровкин, В.Л. Чечурин. Теоретические основы
электротехники, т. 1. - 4-е изд., СПб.: Питер, 2003.
. А.Б. Новгородцев. Теоретические основы
электротехники. 30 лекций по теории электрических цепей. - 2-е изд., СПб.: Питер, 2006.
. Н.В. Коровкин, Е.Е. Селина,
В.Л. Чечурин. Теоретические основы
электротехники. Сборник
задач. - СПб.: Питер, 2004.
. Практикум по ТОЭ, ч. 1. Под ред. д.т.н. М.А. Шакирова. - СПб.: Изд-во Политех. ун-та,
2006.
. А.Б. Новгородцев. Расчет электрических цепей в МАТLАB: Учебный
курс. - СПб.: Питер, 2004.
. Е.А. Макаров. Инженерные расчеты
в Mathcad: Учебный курс. - СПб.: Питер,
2005.