Методы расчёта и анализ электрических цепей
ОГЛАВЛЕНИЕ
ВВЕДЕНИЕ
. ОБЗОР ЛИТЕРАТУРЫ И ПОСТАНОВКА
ЗАДАЧИ
. РАСЧЕТ А-ПАРАМЕТРОВ
ЧЕТЫРЕХПОЛЮСНИКА, УСИЛИТЕЛЯ И КАСКАДНОГО СОЕДИНЕНИЯ
.1 Расчет схемы пассивного
четырехполюсника, активного четырехполюсника и их каскадного соединения
.2 Расчет А-параметров пассивного
четырехполюсника
.3 Расчет А-параметров активного
четырехполюсника
.4 Расчет А-параметров каскадного
соединения пассивного и активного четырехполюсников
.5 Определение входного
сопротивления RВХ,А усилителя
.6 Нахождение комплексной функции
передачи по напряжению Huп(jω)
пассивного четырехполюсника
.7 Нахождение нулей и полюсов
пассивного четырехполюсника
.8 Нахождение комплексной функции
передачи по напряжению Huа(jω)
активного четырехполюсника
.9 Нахождение комплексной функции
передачи по напряжению Hu(jω)
каскадного соединения четырехполюсников
. ПОСТРОЕНИЕ ЧАСТОТНЫХ ХАРАКТЕРИСТИК
.1 Амплитудно-частотные и
фазо-частотные характеристики пассивного четырехполюсника
.2 Амплитудно-частотные и
фазо-частотные характеристики каскадного соединения пассивного и активного
четырехполюсников
. анализ
частотных характеристик С ПРИМЕНЕНИЕМ ПАКЕТА MULTISIM
ЗАКЛЮЧЕНИЕ
БИБЛИОГРАФИЧЕСКИЙ СПИСОК
ВВЕДЕНИЕ
Анализ схемы электрической цепи - аналитическое
или числовое описание процессов в электрической цепи и ее свойств при заданных
топологии и параметрах элементов.
Анализ схемы цепи имеет большое практическое
значение, так как для того, чтобы электрическое устройство работало, прежде
необходимо создать электрическую цепь, подходящую для данного устройства и
обеспечивающая режим работы.
В данной курсовой работе рассматривается
электрическая цепь, состоящая из пассивного и активного четырехполюсника, и
приводятся теоретические расчеты режима работы данного каскада.
. ОБЗОР ЛИТЕРАТУРЫ И ПОСТАНОВКА ЗАДАЧИ
1. В соответствии с вариантом задания построить
схему пассивного четырехполюсника и рассчитать параметры усиления активного
четырёхполюсника.
. Записать выражения для А-параметров пассивного
четырехполюсника в функции частоты. Рассчитать эти параметры на разных частотах
f.
. Рассчитать А-параметры усилителя, используя
линейную схему замещения с зависимыми источниками.
4. Рассчитать А-параметры каскадного соединения
пассивного и активного четырехполюсника.
5. Определить входное сопротивление Rвх.А
усилителя, нагруженного на резистор Rн.
Расчет выполнить двумя способами:
а) путём вычисления отношения напряжения к току
на входе усилителя по схеме замещения;
б) через А-параметры усилителя.
. Найти функцию передачи по напряжению
пассивного четырехполюсника, нагруженного на сопротивлении Rвх.А
.
. Найти функцию передачи по напряжению активного
четырехполюсника, нагруженного на сопротивление RH
.
. Найти функцию передачи по напряжению
каскадного соединения четырехполюсников двумя способами:
а) по А-параметрам каскадного соединения
четырехполюсников с активной нагрузкой;
б) по функциям передачи и четырехполюсников.
9. Рассчитать частотные характеристики для
пассивного четырехполюсника, нагруженного на сопротивление Rвх.А
.
. Рассчитать частотные характеристики каскадного
соединения пассивного и активного четырехполюсников.
11. Построить частотные
характеристики. Сделать вывод о фильтрующих свойствах цепи, приняв за полосу
прозрачности диапазон частот, в котором
, где Humax - максимальное значение модуля
коэффициента передачи по напряжению цепи.
12. Провести анализ частотных характеристик и
переходного процесса в исследуемой электрической цепи с применением пакета MC
7.хх или MultiSim
(EWB 5.хх).
Таблица 1 - Номиналы элементов пассивного
четырехполюсника
|
Z2
|
Z3
|
Z4
|
Z1
|
|
R1, Ом
|
R2, Ом
|
С1,
Ф
|
L1,
Гн
|
|
103
|
104
|
10-7
|
10-2
|
Номиналы элементов активного четырехполюсника
типа c:
R1=800 Ом, R2=800
кОм.
2. РАСЧЕТ А-ПАРАМЕТРОВ ЧЕТЫРЕХПОЛЮСНИКА,
УСИЛИТЕЛЯ И КАСКАДНОГО СОЕДИНЕНИЯ
2.1 Расчет схемы
пассивного четырехполюсника, активного четырехполюсника и их каскадного
соединения
В работе необходимо провести расчёты
электрической цепи согласно заданному варианту и провести анализ её работы в
установившемся и переходном режимах. Электрическая цепь состоит из каскадного
соединения двух четырехполюсников (рисунок 1).
Рисунок 1 - Схема каскадного
соединения четырехполюсников
В соответствии с вариантом задания построим
схему пассивного четырехполюсника (рисунок 2) и активного четырехполюсника
(рисунок 3).
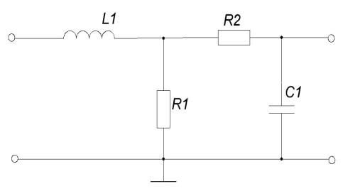
Рисунок 2 - Схема пассивного
четырехполюсника
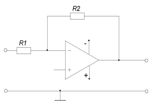
Рисунок 3 - Схема активного
четырехполюсника
2.2 Расчет А-параметров
пассивного четырехполюсника
Пассивный четырёхполюсник представляет собой
каскадное соединение двух Г-образных четырёхполюсников (рисунок 4).
Рисунок 4 - Два Г-образных
четырехполюсника
Схемы симметричные, следовательно, А-параметры у
них будут аналогичны. Найдем А-параметры для первого Г-образного
четырехполюсника:
Ом
См
Теперь можно записать матрицы
параметров для первого и второго четырехполюсников:
,
При каскадном соединении общая
матрица А-параметров пассивного четырехполюсника представляет собой
произведение матриц А-параметров 1 и 2 четырехполюсников.
Подставляем в матрицу A-параметров
значения комплексных сопротивлений по заданию:
Согласно варианту задания,
подставляем в матрицу А-параметров номиналы элементов:
Рассчитаем данные А-параметры для 5
различных частот, результаты представлены в таблице 2.
Таблица 2 - А-параметры пассивного
четырехполюсника для разных частот
|
Частота
f, Гц
|
А-параметры
|
|
100
|
|
|
500
|
|
|
1000
|
|
|
5000
|
|
|
10000
|
|
четырехполюсник амплитудный
пассивный каскад
2.3 Расчет А-параметров
активного четырехполюсника
По заданию дан усилитель типа c,
который представляет собой идеальный операционный усилитель. Для упрощения
расчетов можно использовать линейную схему замещения (рисунок 5).
Рисунок 5 - Линейная схема замещения
активного четырехполюсника
А-параметры данного активного четырехполюсника:
2.4 Расчет А-параметров
каскадного соединения пассивного и активного четырехполюсников
При каскадном соединении общая матрица
А-параметров представляет собой произведение матриц А-параметров активного и
пассивного четырехполюсников:
2.5 Определение
входного сопротивления RВХ,А усилителя
а) путем вычисления отношения напряжения к току
на входе усилителя по схеме замещения.
Ом.
б) через A-параметры усилителя.
Ом.
2.6
Нахождение комплексной функции передачи по напряжению Huп(jω) пассивного четырехполюсника
а) по А-параметрам пассивного
четырехполюсника с входным сопротивление усилителя в качестве нагрузочного
сопротивления.
б) по отношению напряжения на выходе
к напряжению на входе.
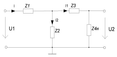
Схема пассивного четырехполюсника с
подключением нагрузочного сопротивления представлена на рисунке 6. При этом
элементы четырехполюсника заменены на эквивалентные комплексные сопротивления.
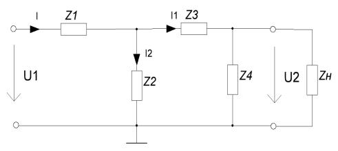
Данную схему можно упростить и
привести к виду, представленному на рисунке 7. Для этого заменяем параллельно
подключенные конденсатор Z4 и нагрузочное сопротивление Zн одним
сопротивлением Z4н.
Рисунок 6 - Схема пассивного
четырехполюсника с нагрузочным сопротивлением
Рисунок 7 - Упрощенная схема
пассивного четырехполюсника
По формуле разброса находим значение
тока I1:
Сопротивления Z3 и Z4н в данной
схеме подключены последовательно друг другу. Данная ветвь параллельна ветви с
сопротивлением Z2. И ко всему этому последовательно
подключено Z1. Исходя из
этого, находим общее сопротивление:
Таким образом, окончательная формула
для передаточной функции пассивного четырехполюсника принимает вид:
Подставляя в данное выражение
значения комплексных сопротивлений и номиналов элементов, получаем следующий
вид передаточной функции:
Разделив числитель и знаменатель на
, получаем
выражение комплексной функции передачи пассивного четырехполюсника такое же,
как и посчитанное через А-параметры.
Таким образом можно убедиться, что
расчеты произведены верно.
.7
Нахождение нулей и полюсов пассивного четырехполюсника
Для нахождения нулей и полюсов
необходимо представить функцию передачи в операторном виде (jω заменяем на
p).

Графически карта нулей и полюсов
представлена на рисунке 8.
Рисунок 8 - Карта нулей и полюсов
Нули располагаются в левой полуплоскости (слева
от оси мнимых чисел). Это удовлетворяет условию устойчивости системы, то есть
система возвращается в исходное состояние после внешнего воздействия.
2.8 Нахождение
комплексной функции передачи по напряжению Huа(jω)
активного четырехполюсника
Сопротивление нагрузки Rн=500
Ом.
2.9
Нахождение комплексной функции передачи по напряжению Hu(jω) каскадного соединения четырехполюсников
а) по A-параметрам
каскадного соединения четырехполюсников с активной нагрузкой.
б) по функциям передачи Huп(jω) и Huа(jω)
четырехполюсников.
. ПОСТРОЕНИЕ ЧАСТОТНЫХ ХАРАКТЕРИСТИК
3.1
Амплитудно-частотные и фазо-частотные характеристики пассивного
четырехполюсника
Рисунок 9 - АЧХ пассивного
четырехполюсника
Рисунок 10 - ФЧХ пассивного
четырехполюсника
Критерий определения полосы пропускания:
3.2
Амплитудно-частотные и фазо-частотные характеристики каскадного соединения
пассивного и активного четырехполюсников
Рисунок 11 - АЧХ каскадного
соединения
Рисунок 12 - ФЧХ каскадного
соединения
Критерий определения полосы пропускания:
. АНАЛИЗ ЧАСТОТНЫХ ХАРАКТЕРИСТИК С
ПРИМЕНЕНИЕМ ПАКЕТА MULTISIM
После построения схемы пассивного
четырехполюсника в пакете MultiSim и запуска
анализатора получили частотные характеристики, которые представлены на рисунках
13, 14.
Рисунок 13 - АЧХ пассивного
четырехполюсника в MultiSim
Рисунок 14 - ФЧХ пассивного
четырехполюсника в MultiSim
При сравнении с теоретически полученными данными
наблюдается некоторое расхождение, но при этом присутствует общая тенденция.
ЗАКЛЮЧЕНИЕ
В результате выполнения курсового проекта была
проанализирована электрическая цепь, состоящая из пассивного и активного
четырехполюсников, нагрузочного сопротивления и источника ЭДС. Были рассчитаны
А-параметры четырехполюсников и их каскадного соединения, а также получены
частотные характеристики.
Анализ данной цепи в пакете MultiSim
показывает приближенное соответствие с теоретическими расчетами.
БИБЛИОГРАФИЧЕСКИЙ СПИСОК
1
Баскаков С.И. Радиотехнические цепи и сигналы. М.: Высшая школа, 1988. - 536 с.
Белецкий
А.Г. Теория линейных электрических цепей. М.: Радио и связь, 1986. - 544 с.
Бессонов
Л.А. Линейные электрические цепи. М.: Высшая школа, 1983. - 336 с.
Воробиенко
П.П. Теория линейных электрических цепей. Сборник задач и упражнений: Учеб.
пособие для вузов. М.: Радио и связь, 1989. - 328 с.
Попов
В.П. Основы теории цепей. М.: Высшая школа, 1985. - 496 с.