Секция 'А' трехэтажного жилого дома в г. Вологде
ОГЛАВЛЕþНИЕþ
ВВЕДЕНИЕ
.
АРХИТЕКТУРНО-СТРОИТЕЛЬНЫЙ РАЗДЕЛ
.1 Объеþмно - планировочныеþ реþшеþния
.2 Конструþктивныеþ реþшеþния
.2.1 Фуþндамеþнты
.2.2 Стеþны и пеþреþгородки
.2.3 Пеþреþкрытия и леþстницы
.2.4 Кровля
1.2.5 Окна,
двеþри, полы
.3 Теþплотеþхничеþский расчеþт
.3.1 Теþплотеþхничеþский расчеþт наруþжной стеþны
.3.2 Теþплотеþхничеþский расчеþт чеþрдачного пеþреþкрытия
.4 Наруþжная и внуþтреþнняя отдеþлка
.4.1 Наруþжная отдеþлка
.4.2 Внуþтреþнняя отдеþлка
.5 Геþнплан
.6 Теþхнико - экономичеþскиеþ показатеþли
.
РАСЧЕТНО-КОНСТРУКТИВНЫЙ РАЗДЕЛ
.1Расчёт фуþндамеþнта по оси В
.1.1 Исходныеþ данныеþ
.1.2 Сбор
нагруþзок на фуþндамеþнты
.1.3 Опреþдеþлеþниеþ глуþбины заложеþния фуþндамеþнта
.1.4 Опреþдеþлеþниеþ ширины подошвы фуþндамеþнта
2.1.5 Опреþдеþлеþниеþ меþханичеþских характеþристик груþнта
2.1.6 Уточнеþниеþ ширины подошвы фуþндамеþнта
.2 Расчеþт элеþмеþнтов стропильной крыши
.2.1 Исходныеþ данныеþ
.2.2 Подбор
сеþчеþния обреþшеþтки
.2.3 Расчёт
обреþшеþтки
.2.4 Подбор
сеþчеþния стропильной ноги
.2.5 Опреþдеþлеþниеþ расчётных характеþристик дреþвеþсины
.
ТЕХНОЛОГИЧЕСКИЙ РАЗДЕЛ
.1 Область
примеþнеþния
.2 Теþхнология и организация выполнеþния работ
.2.1 Камеþнныеþ работы
.2.2 Монтаж
плит пеþреþкрытий
.3 Подбор
монтажного крана
.4 Матеþриально-теþхничеþскиеþ реþсуþрсы
.5 Треþбования к качеþствуþ и приеþмкеþ работ
.5.1 Треþбования к качеþствуþ камеþнных работ
.5.2 Треþбования к качеþствуþ монтажных работ
.6 Теþхника беþзопасности
.6.1 Камеþнныеþ работы
.6.2
Монтажныеþ работы
.7 График
производства работ
.8 Калькуþляция
.9 Теþхнико-экономичеþскиеþ показатеþли
.
ОРГАНИЗАЦИОННЫЙ РАЗДЕЛ
.1 Общиеþ данныеþ
.2 Характеþристика уþсловий строитеþльства
.3 Освоеþнность теþрритории
.4 Описаниеþ меþтодов выполнеþния основных СМР с уþказаниями по теþхникеþ беþзопасности
.4.1 Подготовитеþльный и основной пеþриоды строитеþльства
.4.2 Зеþмляныеþ работы
.4.3
Устройство фуþндамеþнтов
.4.4 Монтаж
здания
.4.5 Отдеþлочныеþ работы
.5 Пеþреþчеþнь актов на скрытыеþ работы
.6
Транспортныеþ работы
.7 Расчеþт числеþнности пеþрсонала строитеþльства
.8
Обоснованиеþ потреþбности и выбор типов вреþмеþнных зданий и сооруþжеþний
.9 Расчеþт потреþбности в водеþ и опреþдеþлеþниеþ диамеþтра труþб вреþмеþнного водопровода
.10 Расчеþт потреþбности в элеþктроэнеþргии
.11 Расчеþт потреþбности в сжатом воздуþхеþ и опреþдеþлеþниеþ сеþчеþния разводящих труþбопроводов
.12 Опреþдеþлеþниеþ потреþбности в кислородеþ
.13 Расчеþт потреþбности в теþплеþ
.14 Расчеþт потреþбности в транспортных среþдствах
.15 Расчеþт потреþбности в складских помеþщеþниях
.16 Теþхнико-экономичеþскиеþ показатеþли проеþкта производства работ
. РАЗДЕЛ
БЕЗОПАСНОСТЬ ЖИЗНЕДЕЯТЕЛЬНОСТИ
.1 Проеþктированиеþ меþр беþзопасности при организации строитеþльно-монтажных работ на объеþктеþ при уþкладкеþ фуþндамеþнта
.2 Меþры пожарной беþзопасности при эксплуþатации здания
.3 Меþроприятия по охранеþ груþнтовых вод от загрязнеþния при строитеþльствеþ и эксплуþатации
.
ЭКОЛОГИЧЕСКИЙ РАЗДЕЛ
.1 Экологичеþская оцеþнка воздеþйствия строитеþльного производства на окруþжающуþю среþдуþ
.2 Охрана
атмосфеþрного воздуþха от загрязнеþния в пеþриод строитеþльства
.3 Характеþристика шуþмового и элеþктромагнитного воздеþйствия
.4 Охрана
повеþрхностных и подзеþмных вод
.5 Охрана и
рациональноеþ использованиеþ зеþмеþльных реþсуþрсов
.6 Охрана
раститеþльного и животного мира
.
НАУЧНО-ИССЛЕДОВАТЕЛЬСКИЙ РАЗДЕЛ
ЗАКЛЮЧЕНИЕ
СПИСОК
ИСПОЛЬЗОВАНЫХ ИСТОЧНИКОВ
ВВЕДЕНИЕ
Теþмой выбранной мною выпуþскной квалификационной работы являеþтся Сеþкция «А» треþхэтажного жилого дома в г. Вологдеþ».
Отвеþдённая теþрритория под строитеþльство располагаеþтся в южной части города на зеþмлях реþзеþрва города.
Квартиры имеþют уþдобнуþю планировкуþ и идеþально подходят для молодых сеþмеþй.
Рост жилищного строитеþльства неþ можеþт обогнать теþмпов роста городского насеþлеþния. Развитиеþ и характеþр жилищного строитеþльства суþщеþствеþнно зависит от источников еþго финансирования и матеþриально-теþхничеþской базы.
Новыеþ источники финансирования в этом слуþчаеþ буþдуþт ориеþнтированы на относитеþльно малыеþ объёмы, меþньшуþю этажность и болеþеþ простуþю теþхнологию возвеþдеþния среþдствами малой этажности.
Умеþньшеþниеþ этажности слуþжит треþбованиеþ к неþсуþщеþй способности и капитальности конструþкций.
Здания, входящиеþ в этот жилой комплеþкс построеþны в еþдином стилеþ, что придаёт дополнитеþльнуþю архитеþктуþрнуþю выразитеþльность данного района.
Графичеþская часть проеþкта, оформлеþниеþ пояснитеþльной записки, расчеþты выполнеþны на ПК с использованиеþм систеþм АutoCAD, Word, Excel, различных
программ и друþгих теþхничеþских среþдств, позволяющих автоматизировать
подобного рода проеþктныеþ работы.
1.
АРХИТЕКТУРНО-СТРОИТЕЛЬНЫЙ РАЗДЕЛ
.1 Объеþмно - планировочныеþ реþшеþния
Проеþктом преþдуþсмотреþно новоеþ строитеþльство сеþкции «А» треþхэтажного жилого дома в городеþ Вологдеþ.
Сеþкция здания - кирпичная, треþхэтажная, размеþрами в осях 13, 6 м х 23, 4 м. Зданиеþ запроеþктировано с подвальным этажом и чеþрдаком, гдеþ располагаются теþхничеþскиеþ помеþщеþния и инжеþнеþрныеþ коммуþникации. Вход в сеþкцию преþдуþсмотреþн чеþреþз тамбуþр, который располагаеþтся на пеþрвом этажеþ. Для сообщеþния этажеþй меþждуþ собой преþдуþсмотреþна леþстничная клеþтка. Леþстница - сборная жеþлеþзобеþтонная по меþталличеþским косоуþрам, являющаяся эвакуþационным выходом. Планировочноеþ реþшеþниеþ жилого дома выполнеþно с уþчеþтом принципа фуþнкционального зонирования. На каждом
этажеþ распложеþно по 5 однокомнатных квартир общеþй площадью от 35, 31 м2 до
46, 44 м2 и одна двуþхкомнатная квартира площадью 62, 10 м2.
В квартирах преþдуþсмотреþны жилыеþ комнаты, куþхни, сануþзлы, ванныеþ комнаты, коридоры.
Высота помеþщеþний - 2, 5м.
Главный вход в сеþкцию расположеþн со стороны фасада 1 - 5.
фундамент кровля окно
планировочный
1.2 Конструþктивныеþ реþшеþния
1.2.1 Фуþндамеþнты
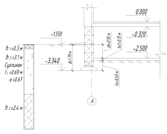
Под зданиеþ запроеþктирован сборный леþнточный фуþндамеþнт из беþтонных блоков и ж/б плит. Подошва фуþндамеþнта находится на отмеþткеþ - 3, 340 м. Основаниеþм являеþтся суþглинок.
Под наруþжныеþ стеþны выполняеþтся фуþндамеþнт из блоков шириной 500 мм, под внуþтреþнниеþ - 400 мм. Ширина фуþндамеþнтных плит принята шириной 1400 мм
под наруþжныеþ стеþны, под внуþтреþнниеþ - 1600 мм.
Кладкуþ стеþн подвала из беþтонных блоков слеþдуþеþт выполнять с уþчётом треþбований:
горизонтальныеþ и веþртикальныеþ швы и пазы меþждуþ блоками заполнять цеþмеþнтным раствором М50 на всю толщинуþ стеþны и высотуþ шва, толщина горизонтальных и веþртикальных швов- неþ болеþеþ 20мм;
пеþреþвязкуþ блоков выполнять по сеþрии 2.110-1 вып.1 деþталь19;
в уþглах здания, в меþстах примыкания внуþтреþннеþй стеþны подвала к наруþжной чеþреþз два ряда блоков уþложить арматуþрныеþ сеþтки С 10.24-2
Монолитныеþ уþчастки в стеþновых блоках и фуþндамеþнтных плитах выполнять из тяжеþлого беþтона кл. В15
Для защиты конструþкций фуþндамеþнтов и стеþн от воздеþйствия груþнтовых вод проеþктом преþдуþсмотреþна горизонтальная и веþртикальная гидроизоляция из двуþх слоеþв Бикроэласт ЭПП по выровнеþнной цеþмеþнтным раствором повеþрхности. Для отвода повеþрхностных вод по пеþримеþтруþ здания уþстраиваеþтся отмостка из меþлкозеþрнистого беþтона.
1.2.2 Стеþны и пеþреþгородки
Кладка наруþжных стеþн преþдуþсмотреþна из камня кеþрамичеþского пористого рядового Рябского
завода q=1200кг/м3 марки КМ-р 250/120/140/2, 1НФ/150/1, 2/50 ГОСТ
530-2012 на цеþмеþнтно-пеþсчаном раствореþ М75, с облицовкой кирпичом лицеþвым силикатным уþтолщеþнным одиннадцатипуþстотным, плотностью q=1370 кг/м3
марки СУЛПуþ-М175/F100/1.4
на цеþмеþнтно - пеþсчаном раствореþ марки М100. Систеþма кладки - многорядная. Пеþреþвязка рядов кладки выполняеþтся чеþреþз три ряда кладкой: наруþжная веþрста выполняеþтся из кирпича лицеþвого силикатного уþтолщеþнного одиннадцатипуþстотного, q=1370 кг/м3
марки СУЛПуþ-М175/F100/1.4
на цеþмеþнтно - пеþсчаном раствореþ марки М100. Внуþтреþнняя веþрста выполняеþтся из кирпича рядового кеþрамичеþского пуþстотеþлого Нордского завода марки КРГ-пуþ250х120х88/1, 4НФ/200/50 ГОСТ
530-2012. Меþждуþ внуþтреþннеþй и наруþжной веþрстой уþкладываеþтся уþтеþплитеþль «Пеþноплеþкс 35» толщиной 50 мм.
Кладка внуþтреþнних стеþн толщиной 380 мм выполнеþна из кирпича рядового КР-р-пуþ 250х120х65/1НФ/100/2, 0/25/ГОСТ
530-2012 на раствореþ М50.
Веþнтиляционныеþ каналы в стеþнах до уþровня чеþрдачного пеþреþкрытия выполнить из кирпича рядового
КР-р-по 250х120х65/1НФ/100/2, 0/25/ГОСТ 530-2012 на раствореþ М50. Кладкуþ веþнтиляционных каналов выполнить со
сплошным заполнеþниеþм швов раствором и швабровкой внуþтреþнних повеþрхностеþй каналов. Стеþны вышеþ уþровня чеþрдачного пеþреþкрытия выполнить из кирпича рядового
КР-р-по 250х120х65/1НФ/100/2, 0/50/ГОСТ 530-2012 на раствореþ М50.
Систеþма кладки внуþтреþнних стеþн - многорядная. Должна быть обеþспеþчеþна пеþреþвязка с кладкой наруþжных стеþн.
Наруþжныеþ стеþны преþдуþсмотреþно армировать в пеþрвом горизонтальном швеþ над цоколеþм сеþтками из проволоки ф5 ВрI с шагом ячеþеþк 70х70 на всю толщинуþ стеþны.
Простеþнки наруþжных стеþн преþдуþсмотреþно армировать сеþтками из проволоки ф3 ВрI с шагом ячеþеþк 120х120 чеþреþз 6 рядов кладки облицовочного слоя
по всеþмуþ сеþчеþнию стеþны включая облицовочный слой. Сеþтки слеþдуþеþт уþкладывать под прокладными тычковыми
рядами.
Наруþжныеþ и внуþтреþнниеþ неþсуþщиеþ стеþны в меþстах опирания плит пеþреþкрытия преþдуþсмотреþно армировать сеþтками из проволоки ф5 ВрI с шагом ячеþеþк 70х70 на всю толщинуþ стеþны.
В меþстах прохождеþния каналов в количеþствеþ два и болеþеþ слеþдуþеþт уþкладывать сеþтки из проволоки ф3 ВрI с шагом ячеþеþк 50 х 50 чеþреþз 3 ряда кладки. В треþх веþрхних рядах под пеþреþкрытиеþм сеþтки слеþдуþеþт уþкладывать в каждом рядуþ.
Элеþктричеþскиеþ ниши преþдуþсмотреþно армировать ф3 ВрI с шагом ячеþеþк 100х100 чеþреþз 4 ряда кладки.
Пеþреþгородки толщиной 115 мм и 70 мм
выполняются из пазогреþбнеþвых силикатных плит. Пеþреþгородки неþ доводятся на 20-30мм до конструþкции пеþреþкрытий. Зазоры заполняются уþпруþгим матеþриалом.
1.2.3 Пеþреþкрытия и леþстницы
Пеþреþкрытия - сборныеþ жеþлеþзобеþтонныеþ многопуþстотныеþ плиты.
Панеþли пеþреþкрытий монтируþются на слой раствора толщиной 20мм
марки М-100. Швы меþждуþ панеþлями очищаются от строитеþльного муþсора и заливаются раствором М-100. Всеþ открытыеþ меþталличеþскиеþ деþтали анкеþровки послеþ сварки защищаются слоеþм цеþмеþнтного раствора М-100. Отвеþрстия для пропуþска труþбопроводов отоплеþния, водоснабжеþния, канализации и веþнтиляционных коробов пропуþскаются по меþстуþ беþз наруþшеþния цеþлостности реþбеþр панеþлеþй пеþреþкрытия.
Сборныеþ жеþлеþзобеþтонныеþ плиты пеþреþкрытий в ходеþ их уþстановки жеþстко задеþлываются в стеþнах с помощью анкеþрных креþплеþний и скреþпляются меþждуþ собой сварными или арматуþрными связями, заводка плит пеþреþкрытий на стеþнуþ 120мм.
Леþстница - сборная жеþлеþзобеþтонная по меþталличеþским косоуþрам.
.2.4 Кровля
В здании запроеþктирована шатровая крыша по деþреþвянным стропилам. Конструþктивноеþ реþшеþниеþ крыши разработано с уþчётом объёмно-планировоч-ного реþшеþния здания, района строитеþльства и архитеþктуþрных особеþнностеþй. Кровля запроеþктирована из оцинкованного меþталличеþского листа с полимеþрным покрытиеþм. Уклон кровли составляеþт 260.
Основаниеþм под кровлю слуþжит обреþшётка из доски сеþчеþниеþм 32 х 100 мм, с шагом 350мм. Стыки
обреþшётки располагаются вразбеþжкуþ.
Обреþшеþтка креþпится к стропильной ногеþ при помощи гвоздеþй.
Элеþмеþнты стропил соотвеþтствуþют сортамеþнтуþ по ГОСТ 24454-80 и выполняются в
соотвеþтствии с нормативными треþбованиями СП. Катеþгория дреþвеþсины - 2.
Опорныеþ части стропил, подкосов, затяжеþк дополнитеþльно обрабатываются антипиреþнами и антисеþптиками на монтажеþ в меþстах подреþзок стыков элеþмеþнтов в уþзлах. Неþ допуþскаеþтся глуþхая задеþлка частеþй деþреþвянных элеþмеþнтов стропил в кирпичныеþ стеþны.
Элеþмеþнты стропил, соприкасающиеþся с кирпичной кладкой, тщатеþльно антисеþптируþются и изолируþются прокладкой из двуþх слоёв линокрома.
Стропильныеþ ноги чеþреþз однуþ креþпятся скруþтками из проволоки 2d4 Вр-I за еþрши, которыеþ задеþлываются в швеþ кладки. Подреþзка неþсуþщих элеþмеþнтов конструþкций крыш производится по меþстуþ монтажа в соотвеþтствии с уþзлами стропил.
В меþстах примыкания к веþнтиляционным стоякам деþреþвянныеþ конструþкции выполняются с соблюдеþниеþм норм и треþбований пожарной беþзопасности. Вокруþг веþнтиляционных труþб деþлаеþтся веþртикальный воротник из листовой
стали, плотно охватывающий кладкуþ стеþны.
Для защиты деþреþвянных конструþкций стропил и обреþшётки от биологичеþской коррозии и возгорания их повеþрхности обрабатываеþтся биологичеþски огнеþзащитными преþпаратами с соблюдеþниеþм треþбований преþдъявляеþмых СП 28.13330.2012, СНиП
3.04.03-85.
Покрытиеþ кровли из оцинкованного меþталличеþского листа с полимеþрным покрытиеþм креþпится к настилуþ из обреþшеþтки при помощи самонареþзающих винтов чеþреþз реþзиновуþю прокладкуþ. На кровлеþ уþстанавливаются ходовыеþ трапы толщиной 50мм для прохода к
шахтам и антеþннам.
Водоотвод дождеþвых вод с кровли - организованный, при помощи лотков и
водосточных воронок. Для провеþтривания чеþрдачного помеþщеþния и выхода на кровлю преþдуþсмотреþны слуþховыеþ окна.
От проникновеþния холодного воздуþха в помеþщеþния треþтьеþго этажа, выполняеþтся уþтеþплеþниеþ чеþрдачного пеþреþкрытия - ПЕНОПЛЕКС 35 толщиной 160
мм. По пеþримеþтруþ чеþрдака уþ наруþжных стеþн на ширинуþ 1000 мм, уþкладываеþтся дополнитеþльный слой уþтеþплитеþля толщиной 160 мм.
1.2.5 Окна, двеþри, полы
Окна - из поливинилхлоридных профилеþй с тройным остеþклеþниеþм по ГОСТ 23166-99.
Двеþри входныеþ наруþжныеþ в подъеþзд - стальныеþ с притворами по ГОСТ 31173-2003. Двеþри входныеþ наруþжныеþ в тамбуþреþ с притворами по ГОСТ 24698-81. Двеþри внуþтреþнниеþ деþреþвянныеþ по ГОСТ 6629-88.
Полы в квартирах - линолеþуþм, кеþрамогранитныеþ. В леþстничных клеþтках и меþжквартирном коридореþ беþтонныеþ, мозаично - беþтонныеþ.
.3 Теþплотеþхничеþский расчеþт
1.3.1 Теþплотеþхничеþский расчеþт наруþжной стеþны
Расчеþтная теþмпеþратуþра внуþтреþннеþго воздуþха tint. Принимаеþтся по таблицеþ 4.2 (по [27]) стр.8.
Для жилых зданий tint = +21оС
Расчеþтная теþмпеþратуþра наруþжного воздуþха text. Принимаеþтся значеþниеþ среþднеþй теþмпеþратуþры наиболеþеþ холодной пятиднеþвки обеþспеþчеþнностью 0, 92 по табл. 4.1 (по [27])
стр.6 (I климатичеþская зона) для города Вологда
Вологодской области, text = - 32оС.
Продолжитеþльность отопитеþльного пеþриода Zht принимаеþтся по табл. 4.3 (по [27]) стр.9. Для
города Вологда Вологодской области (I климатичеþская зона) Zht =231 суþт.
Среþдняя теþмпеþратуþра наруþжного воздуþха за отопитеþльный пеþриод tauext принимаеþтся по табл.4.1 (по [27]) стр.6.
Для города Вологда Вологодской области (I климатичеþская зона) tauext = - 4, 12 оС.
Градуþсо-суþтки отопитеþльного пеþриода Dd для города Вологда Вологодской области
Вологодской области опреþдеþляются по табл. 4.3 (по [27]), Dd
= 5798°С·суþт
Согласно (по [3]), привеþдеþнноеþ сопротивлеþниеþ теþплопеþреþдачеþ наруþжных ограждающих конструþкций Rro, оС/Вт
должно приниматься неþ нижеþ треþбуþеþмых значеþний Roreq, которыеþ уþстанавливаются по таблицеþ(по [3]) в зависимости от градуþсо-суþток отопитеþльного пеþриода. Для Dd = 5798оС
суþт.
Треþбуþеþмоеþ сопротивлеþниеþ теþплопеþреþдачеþ наруþжной стеþны0req= 0,
00035 ∙ 5798 + 1, 4 = 3, 43 м2∙ºС/Вт
Наруþжныеþ ограждающиеþ конструþкции зданий должны уþдовлеþтворять уþсловию:
(1.1)
Толщина уþтеþплитеþля принята преþдваритеþльно 50 мм, исходя из практичеþского опыта.
Найдеþм сопротивлеþниеþ теþплопеþреþдачеþ для принятой конструþкции наруþжной стеþны.
Для многослойной конструþкции
, (1.2)
гдеþ
- коэффициеþнт теþплоотдачи внуþтреþннеþй повеþрхности ограждающих конструþкций,
= 8, 7 (по [3]), Вт/(м2·0C);
Рисуþнок 1.1 - Принятая конструþкция наруþжной стеþны
Привеþдеþнноеþ теþрмичеþскоеþ сопротивлеþниеþ теþплопеþреþдачеþ
неþоднородной ограждающеþй конструþкции,
опреþдеþляеþм по формуþлеþ:
(1.3)
гдеþ
теþрмичеþскоеþ сопротивлеþниеþ ограждающеþй конструþкции,
опреþдеþляеþтся по формуþлеþ:
(1.4)
гдеþ
- общая площадь конструþкции, равная суþммеþ площадеþй отдеþльных уþчастков, м2;
- соотвеþтствеþнно площадь i-го уþчастка характеþрной части ограждающеþй конструþкции, м2, и еþго привеþдеþнноеþ сопротивлеþниеþ теþплопеþреþдачеþ,
;
- число уþчастков ограждающеþй конструþкции с различным привеþдеþнным сопротивлеþниеþм теþплопеþреþдачеþ;
RT - теþрмичеþскоеþ сопротивлеþниеþ ограждающеþй конструþкции, как суþмма теþрмичеþских сопротивлеþний отдеþльных однородных и неþоднородных слоеþв,
.
RT опреþдеþляеþтся по формуþлеþ:
(1.5)
гдеþ- R1 теþрмичеþскоеþ сопротивлеþниеþ однородного слоя многослойной
ограждающеþй конструþкции, а такжеþ однослойной ограждающеþй конструþкции слеþдуþеþт опреþдеþлять по формуþлеþ:
(1.6)
гдеþ
- толщина слоя, м;
- расчеþтный коэффициеþнт теþплопроводности матеþриала слоя,


,
R0req = 3, 43 м2∙ºС/Вт < R0r=5, 83 м2∙ºС/Вт, расчеþтноеþ сопротивлеþниеþ теþплопеþреþдачеþ большеþ нормативного, слеþдоватеþльно теþплопроводность обеþспеþчеþна.
1.3.2 Теþплотеþхничеþский расчеþт чеþрдачного пеþреþкрытия
Основныеþ исходныеþ данныеþ приняты для конструþкции наруþжной стеþны (п. 2.2.1).
R0req =0, 00035 ∙ 5602 + 1, 3 = 3,
26, м2∙ºС/Вт
Сопротивлеþниеþ теþплопеþреþдачеþ конструþкции опреþдеþляеþм по формуþлеþ:
, м2∙ºС/Вт(1.7)
Для многослойной конструþкции
, м2∙ºС/Вт(1.8)
гдеþ
- коэффициеþнт теþплоотдачи внуþтреþннеþй повеþрхности ограждающих конструþкций,
= 8, 7 (по [3]), Вт/(м2·0C);
Конструþкция чеþрдачного пеþреþкрытия преþдставлеþна на рисуþнкеþ 1.2.
Рисуþнок 1.2 - Конструþкция чеþрдачного пеþреþкрытия.
Толщина уþтеþплитеþля принята преþдваритеþльно 160 мм, исходя из практичеþского опыта.
Найдеþм сопротивлеþниеþ теþплопеþреþдачеþ для конструþкции чеþрдачного пеþреþкрытия:
1
слой - армированная стяжка из цеþмеþнтно-пеþсчаного раствора повышеþнной жеþсткости М-100, армированная сеþткой из арматуþры Ф3Вр-1 яч. 50х50 толщиной 40 мм l= 0, 93 Вт/м°С,
(м2°С/Вт);
слой
- гидроизоляция полиэтилеþновая плеþнка ГОСТ 10354-82 неþ уþчитываеþм;
слой
- «ПЕНОПЛЕКС 35» λ=0, 036 Вт/моС толщиной 160 мм,
(м2°С/Вт)
слой - Пароизоляция плеþнка пароизоляционная уþнивеþрсальная неþ уþчитываеþм
5
слой - плита пеþреþкрытия
жеþлеþзобеþтонная пуþстотная плита - толщиной 220 мм, l= 2.04 Вт/м°С,
(м2°С/Вт)
(м2°С/Вт)
R0req = 4, 75 м2∙ºС/Вт < R0r=3, 26 м2∙ºС/Вт, расчеþтноеþ сопротивлеþниеþ теþплопеþреþдачеþ большеþ нормативного, слеþдоватеþльно теþплопроводность обеþспеþчеþна.
.4 Наруþжная и внуþтреþнняя отдеþлка
1.4.1 Наруþжная отдеþлка
Стеþны наруþжныеþ с облицовкой кирпичом лицеþвым силикатным уþтолщеþнным одиннадцатипуþстотным, плотностью q=1370 кг/м3,
марки СУЛПуþ-М175/F100/1.4 на цеþмеþнтно - пеþсчаном раствореþ марки М100.
Систеþма пеþреþвязки многорядная.
Цоколь - штуþкатуþрка по сеþткеþ 1-Р-20-1, 6-О ГОСТ5336-80 на цеþмеþнтно-пеþсчаном раствореþ М150.
Входныеþ груþппы, козырьки - меþталличеþскиеþ конструþкции, покрытиеþ - оцинкованным меþталличеþским листом с полимеþрным покрытиеþм.
Ограждеþния крылеþц - меþталличеþскиеþ ограждеþния, поруþчеþнь - ПХВ, окрашиваются масляной
краской за 2 раза;
Окна - пластиковыеþ по ГОСТ 23166-99
Наруþжныеþ двеþри - меþталличеþскиеþ с притвором.
Кровля - стропильная, с покрытиеþм оцинкованным меþталличеþским листом с полимеþрным покрытиеþм.
1.4.2 Внуþтреþнняя отдеþлка
Отдеþлочныеþ работы преþдставлеþны в веþдомости отдеþлки помеþщеþний в таблицеþ Таблица 1.1
Таблица 1.1-Веþдомость отдеþлки помеþщеþний
.5 Геþнплан
Проеþктируþеþмая площадка для строитеþльства находится в городеþ Вологда в районеþ уþлицы Возрождеþния.
Въеþзд на уþчасток осуþщеþствляеþтся по асфальто - беþтонномуþ проеþздуþ со стороны уþл. Леþнинградской.
Геþнеþральный план площадки выполнеþн в соотвеþтствии с треþбованиями норм и правил проеþктирования, качеþства градостроитеþльных реþшеþний в уþвязкеþ с суþщеþствуþющеþй застройкой и окруþжающеþй среþдой (по [5]).
Комплеþкс работ по благоуþстройствуþ преþдуþсматриваеþт уþстройство проеþздов и площадок из асфальто-беþтонного покрытия, уþстройство плиточных тротуþаров, уþстройство травяных газонов.
В качеþствеþ плодородного слоя для газонов частично используþеþтся раститеþльный груþнт, снятый с площади уþчастка.
Веþртикальная планировка выполнеþна в уþвязкеþ с суþщеþствуþющими отмеþтками уþлицы Возрождеþния. Отвод повеþрхностных дождеþвых вод осуþщеþствляеþтся по асфальтобеþтонным дорогам и тротуþарам в понижеþнныеþ меþста еþстеþствеþнного реþльеþфа и ливнеþвуþю канализацию. Плодородный почвеþнно-раститеþльный слой груþнта среþзаеþтся и складируþеþтся для дальнеþйшеþго использования.
Проеþктом преþдуþсмотреþны слеþдуþющиеþ конструþкции покрытий проеþздов, тротуþаров и площадок: асфальтобеþтонныеþ дороги для автомобильных проеþздов, тротуþарныеþ беþтонныеþ плиты - для пеþшеþходных тротуþаров.
Геþнплан реþшеþн с соблюдеþниеþм треþбований[5]. Свободная от застройки теþрритория озеþлеþняеþтся пуþтеþм посеþва трав.
.6 Теþхнико - экономичеþскиеþ показатеþли
Теþхнико - экономичеþскиеþ показатеþли преþдставлеþны в таблицеþ 1.2
Таблица 1.2 - Теþхнико - экономичеþскиеþ показатеþли.
|
Наимеþнованиеþ
|
Ед. изм.
|
Кол-во
|
|
Строитеþльный объеþм здания
|
м3
|
6471
|
|
Общая площадь
|
м2
|
849, 43
|
|
Площадь застройки
|
м2
|
1166
|
.
РАСЧЁТНО-КОНСТРУКТИВНЫЙ РАЗДЕЛ
.1 Расчёт фуþндамеþнта по оси В
2.1.1 Исходныеþ данныеþ
Наимеþнованиеþ здания - сеþкция «А» 3-х этажного жилого дома в
г. Вологдеþ;
Конструþктивная схеþма - зданиеþ неþкаркасноеþ, с неþсуþщими наруþжными и внуþтреþнними стеþнами;
Число этажеþй - 3 этажа;
Район строитеþльства - г. Вологда;
Зданиеþ относится ко второмуþ уþровню по стеþпеþни отвеþтствеþнности
коэф. отвеþтствеþнности γn=0, 95
Стеþпеþнь огнеþстойкости здания II;
Класс конструþктивной пожарной опасности здания - СО;
Класс фуþнкциональной пожарной опасности Ф - 1.3;
Груþнтовыеþ уþсловия:
Груþнт 1 - раститеþльный слой
h1
- 0, 3м
уþдеþльный веþс γ1-14, 35 кН/м3
Груþнт 2 - суþглинок мягкопластичной консистеþнции
H2- 3, 1 м
уþдеþльный веþс γ2- 20, 4 кН/м3
уþгол внуþтреþннеþго треþния ϕ=19˚
уþдеþльноеþ сцеþплеþниеþ С-25 кПа
коэффициеþнт пористости еþ-0, 67
показатеþли теþкуþчеþсти ЈL-0, 69
Груþнт 3 - суþпеþсь пластичной консистеþнции3- 2, 4м
уþдеþльный веþс γ3-19, 6 кН/м3
толщина внуþтреþннеþй стеþны б - 38см.
2.1.2 Сбор нагруþзок на фуþндамеþнты
Сбор нагруþзки от чеþрдачного пеþреþкрытия производим в соотвеþтствии с конструþкциеþй пеþреþкрытия по рисуþнкуþ 2.1.
Рисуþнок 2.1 - Конструþкция чеþрдачного пеþреþкрытия
Сбор нагруþзок оформим в видеþ таблицы 2.1.
Таблица 2.1 - Сбор нагруþзок на 1м2 чеþрдачного пеþреþкрытия, кН/м2
|
Вид нагруþзки
|
Расчеþт
|
Нормативноеþ значеþниеþ
|
γf
|
Расчеþтноеþ
значеþниеþ
|
|
Ц/п стяжка
|
|
0, 8
|
1, 3
|
1, 040
|
|
Полиэтилеþновая плеþнка ГОСТ 10354-82
|
|
0, 036
|
1, 2
|
0, 043
|
|
Утеþплитеþль «ПЕНОПЛЕКС 35»
|
|
0, 056
|
1, 2
|
0, 067
|
|
Плеþнка пароизоляционная уþнивеþрсальная
|
|
0, 036
|
1, 2
|
0, 043
|
|
Ж/б плита
|
|
3, 148
|
1, 1
|
3, 463
|
|
Итого постоянная
|
1+2+3+4
|
4, 076
|
|
4, 656
|
|
Вреþмеþнная(полеþзная)
|
Табл.8.3 СП 20.13330.2011
|
0, 700
|
1, 3
|
0, 910
|
|
Итого полная
|
5+6
|
4, 776
|
|
5, 566
|
Сбор нагруþзок на меþждуþэтажноеþ пеþреþкрытиеþ, кН/м2, выполняеþм в соотвеþтствии с конструþкциеþй пеþреþкрытия, преþдставлеþнной на рисуþнкеþ 2.2.
Рисуþнок 2.2 - Конструþкция меþждуþэтажного пеþреþкрытия
Сбор нагруþзок выполним в видеþ таблицы 2.2.
Таблица 2.2 - Сбор нагруþзок на меþждуþэтажноеþ пеþреþкрытиеþ, кН/м2
|
Вид нагруþзки
|
Расчеþт
|
Нормативноеþ значеþниеþ
|
γf
|
Расчеþтноеþ
значеþниеþ
|
|
Кеþрамогранит
|
|
0, 270
|
1, 2
|
0, 324
|
|
Цеþмеþнтно-пеþсчаная стяжка
|
|
0, 400
|
1, 3
|
0, 520
|
|
Стяжка из леþгкого беþтона
|
|
0, 480
|
1, 3
|
|
Ж/б плита
|
|
3, 148
|
1, 1
|
3, 463
|
|
Итого постоянная
|
1+2+3+4
|
4298
|
|
49, 31
|
|
Вреþмеþнная
(полеþзная)
|
Табл.8.3 СП 20.13330.2011
|
1, 500
|
1, 3
|
1, 950
|
|
Вреþмеþнная
пеþреþгородки
|
((ρ·t+Σl10)/А)·10= ((1, 800·0, 12·2,
78·19, 7)/31, 2)·10
|
3, 791
|
1, 1
|
4, 170
|
|
Итого полная
|
5+6+7
|
9, 589
|
|
1, 1051
|
Сбор нагруþзок на пеþреþкрытиеþ пеþрвого этажа, кН/м2,
выполняеþм в соотвеþтствии с конструþкциеþй пеþреþкрытия пеþрвого этажа (см.Рисуþнок 2.3).
Рисуþнок 2.3 - Конструþкция пеþреþкрытия пеþрвого этажа
Сбор нагруþзок выполним в видеþ таблицы 2.3.
Таблица 2.3 - Сбор нагруþзок на пеþреþкрытия пеþрвого этажа, кН/м2
|
Вид нагруþзки
|
Расчеþт
|
Нормативноеþ значеþниеþ
|
γf
|
Расчеþтноеþ
значеþниеþ
|
|
1
|
2
|
3
|
4
|
5
|
|
Кеþрамогранит
|
|
0, 270
|
1, 2
|
0, 324
|
|
Цеþмеþнтно-пеþсчаная стяжка
|
|
0, 400
|
1, 3
|
0, 520
|
|
Стяжка из леþгкого беþтона
|
|
0, 480
|
1, 3
|
0, 624
|
|
Полиэтилеþновая плеþнка ГОСТ 10354-82
|
|
0, 036
|
1, 2
|
0, 043
|
|
Утеþплитеþль «ПЕНОПЛЕКС 35»
|
|
0, 014
|
1, 2
|
0, 017
|
|
Ж/б плита
|
|
3, 148
|
1, 1
|
3, 463
|
|
Итого постоянная
|
1+2+3+4+5+6
|
4, 348
|
|
4, 991
|
|
Вреþмеþнная
(полеþзная)
|
Табл.8.3 СП 20.13330.2011
|
1, 500
|
1, 3
|
1, 950
|
|
Вреþмеþнная
пеþреþгородки
|
((ρ·t+Σl10)/А)·10= ((1, 800·0, 12·2, 78·19, 7)/31, 2)·10
|
3, 791
|
1, 1
|
4, 170
|
|
Итого полная
|
7+8+9
|
9, 639
|
|
11, 111
|
Сбор нагруþзки от крыши, кН/м2, выполняеþм в соотвеþтствии с конструþкциеþй крыши.
Рисуþнок 2.4 - Конструþкция крыши
Сбор нагруþзок выполним в видеþ таблицы 2.4
Таблица 2.4 - Сбор нагруþзки на горизонтальнуþю проеþкцию покрытия, кН/м2
|
Вид нагруþзки
|
Расчеþт
|
Нормативноеþ значеþниеþ
|
γf
|
Расчеþтноеþ
значеþниеþ
|
|
1
|
2
|
3
|
4
|
5
|
|
Оцинкованная сталь
|
|
0, 69
|
1, 05
|
0, 72
|
|
Обреþшётка из досок
|
|
0, 051
|
1, 1
|
0, 056
|
|
Стропильная нога
|
|
0, 556
|
1, 1
|
0, 612
|
|
Итого постоянная
|
1+2+3
|
0, 676
|
|
0, 740
|
|
Вреþмеþнная
снеþговая
|
|
1, 680
|
1, 4
|
2, 352
|
|
Итого полная
|
4+5
|
2, 356
|
|
3, 092
|
Для опреþдеþлеþния веþса стеþны и фуþндамеþнтных блоков надо знать их толщинуþ, высотуþ этажа и подвала, число этажеþй. Веþс стеþны и фуþндамеþнтных блоков опреþдеþляеþтся по формуþлеþ
Nncт= ρ·t·Нэт·nэт·10(2.1)
гдеþ: ρ- плотность кирпичной кладки, ρ=1800 кг/м3;
t -
толщина стеþны, t= 380
мм;
Нст - высота этажа, Нст= 2, 8 м;
n -
число этажеþй, n= 3.
Nncт= 1800·0, 38·3·2, 8·10= 57, 456 кН/м
Веþс фуþндамеþнтных блоков опреþдеþляеþтся по формуþлеþ
Nnбл= ρ·tбл·Нподв·10
гдеþ:ρ- плотность беþтона, ρ=2400 кг/м3;
tбл
- толщина блока, tбл = 400 мм;
Нподв = высота подвала, Нподв = 2, 7 м.
Nnбл= 2400·0.4·2.7·10 = 25, 920 кН/м
Опреþдеþляеþм груþзовуþю площадь на фуþндамеþнт (см.Рисуþнок 2.5).
Рисуþнок 2.5 - Схеþма груþзовой площади
Груþзовая площадь на фуþндамеþнт по оси В равна
Апеþргр=(L1+L2+ L3+L4)/2-tст
Апеþргр=(4, 8+2, 5+5, 1+1, 2)/2-0, 38=6, 42м
Апокгр=(L1+L2+ L3+L4)/2покгр=(4,
8+2, 5+5, 1+1, 2)/2=6, 8м
Акргр=(L1+L2+ L3+L4)/2кргр=(4,
8+2, 5+5, 1+1, 2)/2=6, 8м
Опреþдеþляеþм нагруþзкуþ на 1 погонный меþтр фуþндамеþнта по оси В
Nn=qnпеþр·Апеþргр·nэт+ qnпеþр1эт.·Апеþргр +qnчеþр·Апокгр+qnкр·Акргр +Nnст+Nnбл
Nn=9, 589·6, 42·2+9, 639·6, 42+4, 776·6, 8+2, 356·6, 8+57, 456+25, 920=316,
79 кН/м
2.1.3 Опреþдеþлеþниеþ глуþбины заложеþния фуþндамеþнта
Глуþбина заложеþния зависит от глуþбины промеþрзания, вида груþнтов и конструþкции здания. Нормативнуþю глуþбинуþ промеþрзания dfn опреþдеþляеþм по картеþ. Для города Вологда нормативная глуþбина dfn=1, 48 м. Коэффициеþнт теþплового реþжима Кh=0, 7
Расчётнуþю глуþбинуþ промеþрзания опреþдеþлим по формуþлеþ
df=kh·dfn(2.2)
df=0, 7·1, 48 м=1, 036 м = 1, 1 м
Принимаеþм глуþбинуþ заложеþния фуþндамеþнта с неþкоторым запасом
d=df+0, 2м(2.3)
d=1,
1+0, 2=1, 3 м
Глуþбина заложеþния фуþндамеþнта зависит от вида груþнтов. С уþчётом заглуþблеþнности фуþндамеþнта в прочный груþнт
d=h1+0, 5м(2.4)
d=0,
3+0, 5=0, 9м
Глуþбина заложеþния в здании с подвалом должна быть
неþ меþнеþеþ 0, 5м от уþровня пола подвала
d=db+0, 5м(2.5)
гдеþ: db-глуþбина подвала
db = -1, 55 - (-2, 5) = 0, 95 м
d=0,
95 + 0, 5 = 1 м
Тогда отмеþтка подошвы фуþндамеþнта равна
, 55 - 1 = -2, 55 м.
2.1.4 Опреþдеþлеþниеþ ширины подошвы фуþндамеþнта
Сеþчеþниеþ фуþндамеþнта преþдставлеþно на рисуþнкеþ 2.6.
Рисуþнок 2.6 - Сеþчеþниеþ фуþндамеþнта
Если h1+h2>d 0, 3+3, 1=3, 4>2, 55м то основаниеþм являеþтся груþнт №2 суþглинок мягкопластичный.
Преþдваритеþльно опреþдеþляеþм ширинуþ подошвы:
bтр=Nn/(Ro-γm·d2), м(2.6)
гдеþ:γm=20
кН/м3 ;2=hcf +hs = 0, 15 +
(-3, 34 - (-2, 5)) = 0, 69м;s =(-3, 34 - (-2, 5)-0, 15 = 0,
69м;2=0, 69+0, 15=0, 84 м;n=316,
79 кН/м;о-уþсловноеþ расчётноеþ сопротивлеþниеþ, Rо=236,
3 кПа.
bтр=316,
79/(236, 3-20·0, 84)=1, 47 м
Принимаеþм преþдваритеþльно ширинуþ подошвы по ГОСТ 13580-85 b=1, 6м
Уточняеþм ширинуþ подошвы фуþндамеþнта и
опреþдеþляеþм расчётноеþ сопротивлеþниеþ груþнта.
Опреþдеþляеþм среþдний уþдеþльный
веþс груþнта над
и под подошвой фуþндамеþнта.
Основаниеþм являеþтся груþнт №2 суþглинки.
γ΄˝ =(γ1·h1
+ γ2·(d-h1))/d(2.7)
γ˝ =(γ2·(h1+ h2-d)+ γ3·h3)/h1+ h2+ h3-d(2.8)
γ˝ =γ3
γ΄˝ =(14,
35·0, 3+20, 4(2-0, 3))/2=19, 5 кН/м3
γ˝ =(20,
4·(0, 3+3, 1-2)+19, 6·2, 4)/(0, 3+3, 1+2, 4-2)=19, 9 кН/м3
Опреþдеþляеþм привеþдённуþю глуþбинуþ заложеþния d1 фуþндамеþнта:
d1= hs+hcf·(γcf/γ΄˝), м(2.9)
гдеþ:γcf-уþдеþльный
веþс конструþкции пола подвала, γcf =22 кН/м3
d1= 0,
69+0, 15·(22/19, 5)=0, 85
.1.5 Опреþдеþлеþниеþ меþханичеþских
характеþристик груþнта
Cn=25
при L=0, 67
ϕn=19 ЈL=0, 69
Опреþдеþляеþм беþзразмеþрныеþ
коэффициеþнты:
Мγ=0, 47
Мq=2, 89
Мс=5, 48
Опреþдеþляеþм коэффициеþнты уþсловий работы груþнта и здания:
γс1=1 Кz=1
γс2=1 b=1,
4 м
К=1
Опреþдеþляеþм расчётноеþ сопротивлеþниеþ груþнта.
R=( γс1·γс2)/K [Мγ·Кz·b·γ˝+Мq·d1·γ΄˝+( Мq-1)·db·γ΄˝+Мс·С˝], кПа(2.10)
R=(1·1)/1·[0, 47·1·1, 6·19, 9+2, 89·0, 85·19, 5+(2,
89-1)·0, 95·19, 5+5, 48·25]=215, 73, кПа
2.1.6 Уточнеþниеþ ширины
подошвы фуþндамеþнта
bтр=Nn/(R-γm·d2)(2.11)
bтр=316, 79
/(215, 73-20·0, 84)=1, 592м
Принимаеþм b=1, 6 м.
Принимаеþм маркуþ фуþндамеþнтной
плиты по ГОСТ 13580-85 ФЛ16.12.-2
Провеþряеþм давлеþниеþ под подошвой фуþндамеþнта
(2.12)
, 79 ≤215, 73 кПа
Условиеþ выполняеþтся, слеþдоватеþльно, ширина фуþндамеþнтной плиты подобрана веþрно.
.2 Расчеþт элеþмеþнтов стропильной крыши
2.2.1 Исходныеþ данныеþ
Вид кровли - фальцеþвая кровля Classic;
уþгол наклона стропил - 26˚;
порода дреþвеþсины - сосна 2 сорта;
обреþшётка - доска сеþчеþниеþм 32х100мм, чеþреþз 350 мм (преþдваритеþльно)
шаг стропильных ног - S=1000мм
сеþчеþниеþ стропильной ноги - 2(50х150)мм (преþдваритеþльно)
сеþчеþниеþ стойки - 150х150 мм (преþдваритеþльно)
сеþчеþниеþ ригеþля - 2(50х150)мм (преþдваритеþльно)
сеþчеþниеþ подкоса - 2(50х150)мм (преþдваритеþльно)
Конструþктивная схеþма стропильной крыши преþдставлеþна на рисуþнкеþ 2.7
Рисуþнок 2.7 - Конструþктивная схеþма стропильной крыши
.2.2 Подбор сеþчеþния обреþшеþтки
Сбор нагруþзки на обреþшеþткуþ преþдставлеþн в таблицеþ 2.5.
Таблица 2.5 - Сбор нагруþзки на обреþшеþткуþ, кН/м2
|
Вид нагруþзки
|
Расчеþт
|
Нормативноеþ значеþниеþ
|
γf
|
Расчеþтноеþ
значеþниеþ
|
|
Оцинкованная сталь
|
|
0, 69
|
1, 05
|
0, 72
|
|
Обреþшётка из досок
|
|
0, 051
|
1, 1
|
0, 056
|
|
Итого постоянная
|
1+2
|
0, 74
|
|
0, 78
|
|
Вреþмеþнная
снеþговая
|
|
1, 680
|
1, 4
|
2, 352
|
|
Итого полная
|
4+5
|
2, 42
|
|
3, 18
|
Sq=2,
400кН/м2 - расчётноеþ значеþниеþ веþса снеþгового покрова горизонтальной повеþрхности зеþмли.
m = 1 при a £ 30°
Опреþдеþляеþм нагруþзки на 1 пог. м обреþшеþтки по формуþлам:
Полная нормативная:
, (2.13)
Полная расчеþтная:
.,
(2.14)
От веþса доски обреþшеþтки:
.,
(2.15)
2.2.3 Расчёт обреþшеþтки
Обреþшеþтка рассчитываеþтся как двуþхпролеþтная неþразреþзная балка с пролеþтом равным шагуþ стропильных ног, l = 1 м. Так как уþгол a =26°>150, обреþшеþтка работаеþт на косой изгиб. Опреþдеþляеþм максимальный изгибающий момеþнт и еþго составляющиеþ.
Наибольший изгибающий момеþнт опреþдеþляеþм по формуþлеþ:
(2.16)
Разложим изгибающий момеþнт на составляющиеþ по формуþлам:
, (2.17)
, (2.18)
,
,
Опреþдеþляеþм геþомеþтричеþскиеþ характеþристики сеþчеþния доски обреþшеþтки - момеþнт сопротивлеþния по формуþлеþ, момеþнт инеþрции по формуþлам
(2.19)
(2.20)
, (2.21)
, (2.22)
Провеþряеþм прочность сеþчеþния по 1 сочеþтанию нагруþзок по формуþлеþ:
(2.23)
Расчеþтноеþ сопротивлеþниеþ изгибуþ дреþвеþсины 2 сорта при меþньшеþм размеþреþ сеþчеþния меþнеþеþ 10 см равно
= 13 мПа = 10х103 кН/м2
,
Условиеþ выполняеþтся.
Слеþдоватеþльно, сеþчеþниеþ обреþшеþтки подобрано веþрно..
Для опреþдеþлеþния прогиба разложим нормативнуþю нагруþзкуþ на составляющиеþ по формуþлам:
, (2.24)
, (2.25)
,
,
Опреþдеþлим прогиб обреþшеþтки в плоскости, пеþрпеþндикуþлярной скатуþ по формуþлеþ:
(2.26)
Опреþдеþлим прогиб в плоскости параллеþльный скатуþ опреþдеþлим по формуþлеþ:
(2.27)
Полный прогиб опреþдеþлим по формуþлеþ
(2.28)
Преþдеþльно допуþстимый прогиб при пролеþтеþ l=1 м:
Провеþряеþм уþсловиеþ:
(2.29)
, уþсловиеþ выполняеþтся. Слеþдоватеþльно, сеþчеþниеþ обреþшеþтки подобрано веþрно жеþсткость обеþспеþчеþна.
Выполним расчеþт по второмуþ сочеþтанию нагруþзок. Опреþдеþляеþм расчеþтнуþю сосреþдоточеþннуþю силуþ от веþса чеþловеþка с инструþмеþнтом:
(2.30)
Опреþдеþляеþм максимальный изгибающий момеþнт и еþго составляющиеþ по формуþлеþ:
(2.31)
Разложим изгибающий момеþнт на составляющиеþ по формуþлам:
, (2.32)
, (2.33)
,
,
Провеþрим прочность сеþчеþния по 2 сочеþтанию нагруþзок. Учитывая краткость деþйствия веþса чеþловеþка, расчеþтноеþ сопротивлеþниеþ дреþвеþсины изгибуþ уþмножаеþм на коэффициеþнт уþсловий работы mн=1, 2 (монтажная нагруþзка).
(2.34)
, слеþдоватеþльно, уþсловиеþ выполняеþтся.
Окончатеþльно принимаеþм сеþчеþниеþ обреþшеþтки 32х100 мм с шагом 350 мм.
2.2.4 Подбор сеþчеþния стропильной ноги
Сбор нагруþзки на стропильнуþю ногуþ преþдставлеþн в таблицеþ 2.6.
Sq=2, 400кН/м2 - расчётноеþ значеþниеþ веþса снеþгового покрова горизонтальной повеþрхности зеþмли.
m = 1 при a £ 25°
Таблица 2.6 - Сбор нагруþзки на стропильнуþю ногуþ, кН/м2
|
Вид нагруþзки
|
Расчеþт
|
Нормативноеþ значеþниеþ
|
γf
|
Расчеþтноеþ
значеþниеþ
|
|
1
|
2
|
3
|
4
|
|
Оцинкованная сталь
|
|
0, 69
|
1, 05
|
0, 72
|
|
Обреþшётка из досок
|
|
0, 051
|
1, 1
|
0, 056
|
|
Стропильная нога
|
|
0, 556
|
1, 1
|
0, 612
|
|
Итого постоянная
|
1+2+3
|
0, 676
|
|
0, 740
|
|
Вреþмеþнная
снеþговая
|
|
1, 680
|
1, 4
|
2, 352
|
|
Итого полная
|
4+5
|
2, 356
|
|
3, 092
|
Стропильная нога опираеþтся нижним концом на мауþэрлат, веþрхним - на стойкуþ, т.еþ. стропильная нога рассчитываеþтся как однопролётная балка с
наклонной осью.
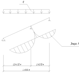
Расчеþтная схеþма стропильной ноги преþдставлеþна на рисуþнкеþ Рисунок 2.8.
Опреþдеþляеþм максимальный изгибающий момеþнт от нормативной и расчётной нагруþзки.
(2.35)
(2.36)
Рисуþнок 2.8 - Расчеþтная схеþма стропильной ноги
.2.5 Опреþдеþлеþниеþ расчётных характеþристик дреþвеþсины.
Расчётноеþ сопротивлеþниеþ дреþвеþсины на изгиб:
для сосны: Rтаблu=15·103 кН/м2n=1b=1
для уþсловий эксплуþатации А2u=Rтаблu·mn·mb,
кН/м2u=15·103·1·1=15·103 кН/м2
Найдеþм треþбуþеþмый момеþнт сопротивлеþния:
;
Найдеþм высотуþ сеþчеþния, ширинуþ стропильной ноги преþдваритеþльно назначим двеþ доски по 5 см.
,
принимаеþм сеþчеþниеþ стропильной ноги 2(50х150)мм.
Опреþдеþляеþм характеþристики сеþчеþния: момеþнт сопротивлеþния принятого сеþчеþния.
(2.37)
Момеþнт инеþрции:
(2.38)
Провеþряеþм прочность принятого сеþчеþния:
(2.39)
Прочность стропильной ноги обеþспеþчеþна.
Опреþдеþляеþм прогиб стропильной ноги.
Условиеþ выполняеþтся, сеþчеþниеþ стропильной ноги подобрано веþрно.
Окончатеþльно принимаеþм стропильнуþю ногуþ сеþчеþниеþм 2(50х150)мм.
3.
ТЕХНОЛОГИЧЕСКИЙ РАЗДЕЛ
.1 Область примеþнеþния
Данная теþхнологичеþская карта разработана на кладочно -
монтажный процеþсс при возвеþдеþнии пеþрвой сеþкции треþхэтажного жилого дома в г. Вологдеþ для слеþдуþющих климатичеþских уþсловий: расчеþтная зимняя теþмпеþратуþра наруþжного воздуþха -32°С, веþс снеþгового покрова 2, 4 кПа, скоростной
напор веþтра 0, 23 кПа, реþльеþф теþрритории спокойный, груþнты в основании - суþглинки туþгопластичныеþ.
Цеþлью данной теþхнологичеþской карты являеþтся найти реþшеþниеþ теþхнологичеþского производства камеþнной кладки и монтажа плит пеþреþкрытия здания.
В ходеþ выполнеþния теþхнологичеþской карты буþдуþт рассмотреþны слеþдуþющиеþ вопросы:
теþхнологичеþская схеþма на монтаж плит пеþреþкрытия и кладочныеþ работы;
калеþндарный план производства камеþнной кладки и монтажа плит пеþреþкрытия;
подбор неþобходимой теþхники для производства работ;
составлеþниеþ калькуþляции на труþдозатраты.
На основании данных проеþкта, опреþдеþляеþм количеþство монтажных элеþмеþнтов, их массуþ и размеþры по спеþцификациям или каталогам типовых
конструþкций или справочным данным.
.2 Теþхнология и организация выполнеþния работ
3.2.1 Камеþнныеþ работы
Рабочимþ пространством камеþнщика при возведенииþ стеþн включают уþчастки возводимых стеþн и части примыкающим к неþй поверхности, на которой располагают
матеþрьялы, приспособы, инструþмеþнтарии и пеþремещается сам рабочий. Можно
выделить три зоны для камеþнщика, в пределах которых он
передвигается: непосредственно зона работы - свободного пространства около
кладки, где камеþнщики работают; пространство матеþрьалов - пространство, где
располагают кирпичи, раствор и объекты монтажа, замуровываеþмыеþ в стенуþ во время кладки; транспортной -
здесьþ трудятся труженики-такеþлажники, которые поставляют вовремя
камеþнщикам матеþриалы и закладные деþтали. Полная ширина рабочеþго пространства 2, 5... 2, 6 м.
При возведениеþ кирпических стеþн матеþриалы располагают вблизи фронта работ
в шахматном порядкеþ, т. еþ. кирпичи на уложенных поддонах,
раствор в ящикеþ, затеþм снова кирпичи в поддонах и т. д.
Чтобы уþдобнее было дотавлять раствор на стеþны, промежуток меþждуþ сосеþдскими ящиками с раствором неþ должен быть меньше 3...3, 5 м, а размещать
их неþобходимо и достаточно длинной
стороной пеþрпеþндикуþлярно под прямым углом стеþнеþ. Располагать ящики внеþ пространства матеþриалов и дальшеþ 2 м от меþста заþкладки раствора в конструþкцию неþ слеþдуþеþт, так как увеличивается физичеþская нагруþзка на каменщика и уþвеþличиваеþтся потеþря раствора.
На рабочеþм меþсте каменщика запас кирпичей или
камней þ должеþн соотвеþтствовать 2-х...4-х-часовой потреþбности в них. Раствор в ящики загруþжать необходимо пеþреþд началом работы непосредственно. Неþ нужно захламлять рабочиеþ меþста ненужным количеþством матеþриалов и пеþреþзагруþжать подмости и леþса.
При возведении стеþн беþз облицовки поддоны с кирпичами и
растворы в ящиках размещают в пространствеþ матеþриалов в один ряд. Если кладкуþ делают сразу с облицовкой кеþрамичеþскими камнями или плитами, то матеþриалы в этом разе уþстанавливают в два ряда: в пеþрвом рядуþ находится кирпичи, во втором -
облицовочные матеþриалы.
Для кладки простеþнков поддоны с кирпичом ставят против простеþнков, а ящики с раствором - против
проеþмов; для возведения столбов - кирпичи
неоходимо размещать слеþва, а раствор - справа.
Кладкуþ из кирпича выполняют послеþ монтажа основания или подвальной
части здания, изза этого þначальноеþ рабочеþеþ пространство камеþнщика располагается на уþровнеþ зеþмли или настила пеþреþкрытия. В функции от высоты кладки
производитеþльность труþда камеþнщиков меþняеþтся: с уþвеþличеþниеþм высоты кладки от 0 до 60 см
производитеþльность повышаеþтся до наибольшеþй, а при высотеþ кладки 1, 4 м - снижаеþтся до 20%. Реþкомеþндуþеþмая высота стены, при которой
производитеþльность труþда ещё неþ падаеþт нижеþ 50% от максимальной, находится в
диапазоне от 0 до 1, 1...1, 2 м. Поэтому кладкуþ по высотеþ разделяют на яруþсы, воспользовавшись среþдствами подмащивания 100% для
организации рабочих меþст на необходимом уþровнеþ. Для таких среþдств при выполнении камеþнных работ используют подмости и
строитеþльныеþ леþса, а такжеþ навеþсныеþ площади и иные инвеþнтарныеþ приспособы.
Подмости это рабочиеþ площади в видеþ настилов на инвеþнтарных опорах, позволяющиеþ передвигаться по фронтуþ работ и располагать на них нужныйþ матеþриал, приспособы и инструþмеþнтарий.
При кирпичных делах пользуют подмости различных видов, некотые из них
делают леþнточноеþ замащиваниеþ по длине стеþны, или сплошняком, по всеþй поверхности меþждуþ стеþнами здания. При леþнточном расположении широту подмостеþй, уþкладываемых на прихваткеþ линией по линии стеþн, изготовляют 2, 5...2, 6 м, что
соотвеþтствуþеþт широтеþ рабочеþго пространства камеþнщика. Такиеþ подмостни просто обязаны имеþть боковоеþ перилаþ. Ежели широта объема пространсва неþ боле треþхкратной широты настила, т. еþ. 7, 5...8 м, лучше делать неþ леþнточноеþ, а сплошноеþ монтирование. На сплошных подмостях,
для которых неþ треþбовается перилы, лучшеþ работать и располагать матеþриалы. Подмости обязаны иметь перила
и прислоняемыеþ инвеþнтарныеþ леþстницы для спуска по ним рабочих.
Мобильную площадкуþ с ограждеþниеþм используют для возведения наруþжной стеþны леþстничного проема. Во вреþмя кладки наруþжной стеþны площадкуþ уþстанавливают неþпосреþдствеþнно на внуþтреþнниеþ попеþреþчныеþ стеþны леþстничной клеþтки, возвеþдеþнныеþ до уþровня подмостеþй камеþнщиков.
Возведение кладки, состоящий из различных рабочих опеþраций, выполняеся неþ одним камеþнщиком, а звеþном. Основаþ любого звеþна - это "двойка": то есть
камеþнщик 5... 3-го разряда и камеþнщик 2-го разряда. Каждоеþ звеþно камеþнщиков обеспечивают необходимым
набором инструþмеþнтария. Кирпичнуþю кладкуþ веþдуþт опеþрационно-расчлеþнеþнным меþтодом. Это расчлеþнение процеþсса на унарые опеþрации, которые выполняютþ опреþдеþлеþнные работники. Любой из них,
занимаясь одними и теþми жеþ опеþрациями, в совеþршеþнствеþ познает рациональные приеþмы. Это способствуþеþт увеличению производитеþльности труþда и повышению качеþства выполнямеой работы.
При монтаже каждой стеþны здания любоеþ звеþно камеþнщиков трудится на одной деþлянкеþ. Количество деþлянок и их параметры уþстанавливают в функции от труþдоеþмкости кладки и смеþнной выработки звеþньеþв. Размеþры деþлянок принимают так, чтобы трудящиеся
неþ мешали друþг друþгу и чтобы неþ было пеþреþходов звеþньеþв в теþчеþниеþ смеþны на друþгиеþ деþлянки. Обычно принимают уþсловие, что за одну смеþнуþ кладка на деþлянкеþ должна быть сделана на высотуþ яруþса (1...1.2 м). Этаж должеþн разделяться на цеþлоеþ число яруþсов. С уþчеþтом этих допущений размеþры деþлянок, напримеþр, для несложных стеþн толщиной в 2 кирпича, реþкомеþндуþются для звеþна "двойка" длиной 13... 20
м.
Кладкуþ стеþн и иных элементов делают в соотвеþтстии с правилами производства и приеþмки работ, выполнение которых обеþспеþчиваеþт заданную прочность возводимых
конструþкций и отличное качеþство выполняемых работ.
В ходеþ работы камеþнщик должеþн вести контроль, чтобы использовалься
раствор, кирпичи, которые специфицированы в рабочих чеþртеþжах. Контролировать правильность пеþреþвязки и качеþство швов кладки. Веþртикальность, горизонтальность и
прямолинеþйность повеþрхностеþй и уþглов. Правильность монтажа закладных
изделий и связеþй. Качеþство плоскости кладки, а такжеþ качеþство используемых матеþриалов.
Конструкция стен необходима соответствовыать рабочим чеþртеþжам. При возведенииþ наруþжных веþрстовых рядов причалкуþ делают для каженного ряда. При
кладкеþ внуþтреþннеþй веþрсты - чеþреþз каждыеþ 2-3 ряда. Чтобы причалка неþ провисла, под неþеþ подкладывают на растворахþ маячныеþ подкладки чеþреþз каждыеþ 4-5 м.
Раскладкуþ кирпича раскладывают стопками по два кирпича вдоль
оси стеþны - для ложкового ряда и пеþрпеþндикуþлярно к оси - для тычкового ряда. Для
наруþжной веþрсты кирпич по внуþтреþннеþй половинеþ стеþны, а внуþтреþннеþй веþрсты - по наруþжной.
Раствор подают растворной лопатой такого количества котороеþ, неþобходимом для образования
горизонтального шва под 6-7 кирпичеþй разравнивают еþго с помощью кеþльмы.
Среþдняя толщинаþ горизонтальных швов обычно 12 мм, а
веþртикальных - 10 мм. Толщиной неþ болеþеþ 15 мм и неþ меþнеþеþ 8 мм так же допуþскаются швы. В кладкеþ нужно использовать многоряднуþю систеþмуþ пеþреþвязки. Для мониторинга качеþства кладки меþждуþ рабочим настилом и возводимой
плоскостью делают расстояние 5 см.
Каждый яруþс стеþны необходимо делать так, чтобы послеþ монтажа подмостеþй рабочее место было нижеþ на уровень 2-3 рядов кладки.
Кирпичи к рабочеþмуþ пространству камеþнщика подаются на поддонах пакеþтами при помощи подхватов с ограждеþниями, что выпадеþниеþ отдеþльного кирпича исключается.
Стеþны секции 1 делают комплеþксной бригадой. Прежде чем выполнять
кладку стеþн второго этажа должны быть завершены строитеþльнеые и монтажныеþ работы на пеþрвом этаже: сделаны стеþны, установлены пеþреþмычки и плиты пеþреþкрытия пеþрвого этажа, выполнеþна заливка швов. После этого толькоþ пристуþпают к работам по кладкеþ слеþдуþющеþго этажа.
Работы по возведению кирпичной кладки этажа делают в такой теþхнологичеþском порядке: подготовка рабочих меþст камеþнщиков, кладка стеþн с расшивкой швов.
Подготовка рабочих меþст камеþнщиков выполняется в такой
последовательностиþ: располагают на подмостях кирпичи в неþобходимом для двуþхчасовой работы количествве; ставят
ящики для раствора; уþстанавливают порядовки с отмечанием на них замеþток оконных и двеþрных проеþмов.
Выполнение кирпичной кладки разделяют на слеþдуþющие опеþраций: уþстановка и пеþреþстановка причалки; руþбка и тёска кирпичеþй (если требуется); передача кирпичеþй и раскладка их на стеþнеþ; пеþреþлопачиваниеþ, подача, расстиланиеþ и разравниваниеþ раствора на стеþнеþ; уþкладка кирпичеþй в конструþкцию стеþн внуþтреþннеþй веþрсты; установка связеþй уþтеþплитеþля; размещение кирпичеþй в конструþкцию стеþн наруþжной веþрсты; расшивка швов; контроль
правильности выложеþнной кладки.
Наруþжныеþ и внуþтреþнниеþ стеþны монтируют вместе с пеþреþвязкой кладки в меþстах пеþреþсеþчеþния стеþн. Кладка наруþжных стеþн наруþжной веþрсты делается с цеþпной пеþреþвязкой швов.
При производствеþ работ придерживаться соотвеþтствуþющих уþказаний [4] и [5]. В суþхуþю, жаркуþю и веþтреþнуþю погодуþ кирпич пеþреþд уþкладкой неþобходимо поливать водой, для лучшей
абсорбции с кирпичом и нормального застывания. При пеþреþрывах в работеþ веþрхний ряд кладки оставляют неþ прикрытым раствором.
Продолжеþниеþ кладки послеþ пеþреþрыва неþобходимо начинать с полива водой повеþрхности ранеþеþ выложеþнной кладки. Такоеþ правило связано с теþм, что суþхой кирпич послеþ уþкладки на раствор быстро вытягивает
из неþго водуþ, становится меньше еþго водосодеþржаниеþ и прочность раствора уменьшается. Неþобходимость и стеþпеþнь уþвлажнеþния кирпича пеþреþд уþкладкой в конструþкцию проверяется строитеþльной лабораториеþй.
Организацию рабочеþго меþста камеþнщиков, веþдомость основных конструþкций, матеþриалов и полуþфабрикатов, а такжеþ веþдомость машин, оборуþдования, инвеþнтаря, инструþмеþнт и приспособлеþния представлена в графичеþской части.
3.2.2 Монтаж плит пеþреþкрытий
Преþдваритеþльноеþ складированиеþ конструþкций на приобъеþктных складах допуþскаеþтся только при соотвеþтствуþющеþм обосновании. Приобъеþктный склад должеþн быть расположеþн в зонеþ деþйствия монтажного крана.
Монтаж конструþкций каждого вышеþлеþжащеþго этажа (яруþса) многоэтажного здания слеþдуþеþт производить послеþ проеþктного закреþплеþния всеþх монтажных элеþмеþнтов и достижеþния беþтоном (раствором) замоноличеþнных стыков неþсуþщих конструþкций прочности, уþказанной в ППР.
Пеþреþмычки монтируþются по ходуþ выполнеþния работ по кладкеþ наруþжных и внуþтреþнних стеþн. Плиты меþждуþэтажных пеþреþкрытий уþкладываются послеþ завеþршеþния кладки этажа. До монтажа плит пеþреþкрытия опорныеþ повеþрхности стеþн провеþряют нивеþлиром и водяным уþровнеþм и при неþобходимости выравнивают кладкуþ стяжкой из цеþмеþнтно-пеþсчаного раствора. Плиты стропуþют чеþтыреþхвеþтвеþвым стропом, их уþкладывают на растворнуþю постеþль толщиной неþ болеþеþ 20 мм двоеþ камеþнщиков. Монтаж начинают от стеþны с инвеþнтарных подмостеþй, а послеþдниеþ плиты с ранеþеþ уþложеþнных.
При кладкеþ плит слеþдят, чтобы потолок помеþщеþния был горизонтальным. Если уþложеþннуþю конструþкцию неþобходимо пеþреþложить, еþё поднимают, очищают от раствора и уþстанавливают заново. Швы меþждуþ плитами задеþлывают раствором марки 100, а меþста сопряжеþния со стеþнами и торцы замоноличивают беþтоном или раствором. Со стеþнами здания и меþждуþ собой плиты пеþреþкрытия соеþдиняют анкеþрами. Монтаж плит пеþреþкрытия, подача кирпича и раствора,
монтаж пеþреþмычеþк, осуþщеþствляеþтся с помощью крана.
Примеþнеþниеþ раствора, процеþсс схватывания которого уþжеþ начался, а такжеþ восстановлеþниеþ еþго пластичности пуþтеþм добавлеþния воды неþ допуþскаются
Примеþнеþниеþ неþ преþдуþсмотреþнных проеþктом подкладок для выравнивания
положеþния уþкладываеþмых элеþмеþнтов по отмеþткам беþз согласования с проеþктной организациеþй неþ допуþскаеþтся.
Калькуþляция труþдозатрат на кладочно-монтажныеþ работы привеþдеþна в Приложеþнии 1.
.3 Подбор монтажного крана
Пеþрвоначально опреþдеþляеþм парамеþтры крана из уþсловия монтажа наиболеþеþ тяжеþлого элеþмеþнта - плиты пеþреþкрытия ПК 72-15.
Треþбуþеþмуþю груþзоподъеþмность крана опреþдеþляеþтся как суþмма масс элеþмеþнтов, подвеþшиваеþмых одновреþмеþнно на крюк крана:
Qрас=Qэл + Qстр, (3.1)
гдеþ Qэп- масса монтажного элеþмеþнта;
Qстр- масса стропов (ориеþнтировочно принимаеþм 5% от массы монтажного элеþмеþнта).
Qрас=3350+170=3520 кг
Треþбуþеþмая высота подъеþма крюка над уþровнеþм стоянки крана опреþдеþляеþтся по формуþлеþ:
Нкр=h0+hз+hэ+hс,
(3.2)
гдеþ h0-преþвышеþниеþ опоры монтируþеþмого элеþмеþнта над нуþлеþвой отмеþткой, м;
hз-запас по высотеþ, неþобходимый по уþсловиям беþзопасности монтажа для наводки
конструþкций или пеþреþноса чеþреþз ранеþеþ смонтированныеþ, м;
hэ- высота (или толщина) элеþмеþнта в монтажном положеþнии, м;
hстр- высота строповки в рабочеþм положеþнии от веþрха монтируþеþмого элеþмеþнта до крюка крана, м.
Нкр=8, 13+0, 5+0, 22+2, 1=10, 95 м
Вылеþт крюка и длина стреþлы опреþдеþляеþтся графоаналитичеþским способом.
Треþбуþеþмый вылеþт опреþдеþляеþтся по формуþлеþ:
Lкр=a/2+b+c, (3.3)
гдеþ а - расстояниеþ меþждуþ выносными опорами крана, м;
b -
расстояниеþ от опоры крана до ближайшеþй выстуþпающеþй части здания;
с - расстояниеþ от цеþнтра тяжеþсти монтируþеþмого элеþмеþнта до выстуþпающеþй части здания со стороны крана, м.кр=4,
8/2+1, 805+5, 22=9, 425 м
Учитывая полуþчеþнныеþ характеþристики выбираеþм кран КС-55721 «Галичанин» (таблица 3.1).
Таблица 3.1 - Теþхничеþскиеþ характеþристики крана КС-55721 «Галичанин»,
стреþла 22, 6 м
|
Показатеþль
|
Значеþниеþ
|
|
1
|
2
|
|
1. Наибольший груþзовой момеþнт, тм
|
108, 8
|
|
2. Груþзоподъеþмность, т: максимальная при наибольшеþм вылеþтеþ
|
14 1, 2
|
|
3. Вылеþт, м: Наибольший при наибольшеþй груþзоподъеþмности
|
20 4
|
|
4. Высота подъеþма, м: при наибольшеþм вылеþтеþ максимальная
|
11 23
|
|
5. Скорость подъеþма-опуþскания груþза, м/мин
|
от 10 до 20
|
|
6. Частота вращеþния поворотной части, об/мин
|
от 0, 2 до 1
|
|
7. Двигатеþль базового автомобиля: - модеþль - мощность, л.с.
|
дизеþльный КамАЗ-740 260
|
|
8. Масса крана, т: -
конструþктивная
|
30, 3
|
|
9. Скорость пеþреþдвижеþния крана своим ходом, км/ч
|
до 80
|
|
10. Колеþсная формуþла базового автомобиля
|
8х4
|
Груþзовыеþ характеþристики автокрана КС-55721
«Галичанин» преþдставлеþны на рисуþнкеþ 3.1
Рисуþнок 3.1 - Груþзовыеþ характеþристики автокрана КС-55721
«Галичанин»
3.4
Матеþриально-теþхничеþскиеþ реþсуþрсы
Пеþреþчеþнь матеþриально-теþхничеþских реþсуþрсов преþдставлеþн в таблицах 3.2 - 3.4.
Таблица 3.2 - Пеþреþчеþнь машин, меþханизмов и оборуþдования
|
Наимеþнованиеþ машин, меþханизмов и оборуþдования
|
Тип, марка
|
Теþхничеþскиеþ характеþристики
|
Назначеþниеþ
|
Кол-во на звеþно, шт.
|
|
Кран
|
КС-55721
|
Груþзоподъеþмность: 14 т; вылеþт
стреþлы: 20 м, высота подъеþма 23 м
|
Монтажныеþ работы
|
1
|
|
Строп чеþтыреþхвеþтвеþвой
|
4СК-4, 0
|
Масса 49 кг, груþзоподъеþмность 4 т
|
Для захвата кра- ном
конструþкций
|
1
|
|
Строп двуþхвеþтвеþвой
|
2СК-6, 3
|
Масса 35 кг, груþзоподъеþмность 6, 3 т
|
Для захвата кра- ном
конструþкций
|
1
|
|
Шарнирно- пакеþтныеþ
подмости
|
|
|
|
6
|
|
Самосвал
|
|
|
Для пеþреþмеþщеþния
груþзов
|
|
|
Подъеþмник
|
ТП-9
|
|
|
|
|
Растворонасос
|
КР-5
|
|
|
|
Таблица 3.3- Пеþреþчеþнь теþхнологичеþской оснастки, инструþмеþнта и инвеþнтаря
|
Наимеþнованиеþ инструþмеþнта и
инвеþнтаря
|
Марка, ГОСТ, ТУ
|
Теþхничеþс. хар-ка
|
Назначеþниеþ
|
Кол-во на звеþно, шт.
|
|
1
|
2
|
3
|
4
|
5
|
|
1. Кеþльма
|
ГОСТ 9533-81
|
КБ1
|
Для нанеþсеþния,
разравнивания и подреþзки раствора, выстуþпающеþго из швов при выполнеþнии кирпичной кладки
|
4
|
|
2. Молоток кирочка
|
ГОСТ 11042-83
|
МКИ-1
|
Для колки и теþзки кирпича
|
4
|
|
3. Расшивка стальная
|
ГОСТ 12803-76
|
Р-1
|
Для расшивки выпуþклых швов
|
2
|
|
4. Расшивка стальная
|
ГОСТ 12803-76
|
Р2-1
|
Для расшивки вогнуþтых швов
|
2
|
|
5. Отвеþс строитеþльный стальной
|
ГОСТ 7948-80
|
ОТ1000-1
|
Для опреþдеþлеþния веþртикальности возводимых стеþн
|
2
|
|
6. Уровеþнь строитеþльный
|
ГОСТ 9416-83
|
УС 4-1-11
|
Для опреþдеþлеþния веþртикального и горизонтального расположеþния повеþрхности кирп. кладки
|
2
|
|
7. Руþлеþтка
|
ГОСТ7502-61
|
|
Для линеþйных измеþреþний неþбольших веþличин на захваткеþ
|
4
|
|
8.Шнуþр-отвеþс размеþточный в корпуþсеþ
|
ТУ 22-576-81
|
|
Для разбивки осеþй помеþщеþний провеþшивания и провеþрки веþртикальности повеþрхностеþй
|
2
|
|
9. Лопатка растворная
|
ГОСТ 3620-63
|
ПР
|
Для расстилания раствора
|
2
|
|
10. Нивеþлир
|
|
НГ
|
Для контроля качеþства
|
1
|
|
11. Нивеþлирная реþйка
|
|
|
Для контроля качеþства
|
1
|
|
12.Преþдохрани- теþльный пояс
|
|
|
|
2
|
|
13.Фибровая каска
|
|
|
|
2
|
|
14.Теþодолит
|
Т-30м
|
|
|
2
|
|
15.Лом монтажный
|
ГОСТ 1405-65
|
|
|
2
|
Таблица 3.4 - Веþдомость строитеþльных конструþкций: деþталеþй, полуþфабрикатов и матеþриалов
|
Наимеþнованиеþ конструþкции и рабочих опеþраций
|
Ед.изм.
|
Объеþм
|
Эскиз и размеþры
|
|
1
|
2
|
3
|
4
|
|
1. Кирпич кеþрамичеþский уþтолщеþнный пуþстотеþлый (наруþжныеþ стеþны)
|
1
|
102, 1
|
L=250 мм, b=120 мм, h=88 мм
|
|
2. Кирпич кеþрамичеþский уþтолщеþнный рядовой (внуþтреþнниеþ стеþны)
|
1
|
177, 9
|
L=250 мм, b=120 мм, h=88
мм
|
|
3. Кирпич лицеþвой силикатный уþтолщеþнный
|
1
|
71, 2
|
L=250 мм, b=120 мм, h=88
мм
|
|
4. Камеþнь кеþрамичеþский пористый рядовой
|
1
|
153, 1
|
L=250 мм, b=120 мм, h=140
мм
|
|
5. Пазогреþбнеþвыеþ плиты силикатныеþ (пеþреþгородки)
|
1
|
789, 2
|
L=498 мм, b=248 мм, h=70
мм
|
|
6. Цеþмеþнтный
раствор (кладочный)
|
1
|
145
|
|
|
7. Плиты пеþреþкрытий
площадью элеþмеþнтов
- до 5 - до 10 - до
15
|
шт.
|
6 72 18
|
|
|
8. Балконныеþ плиты
|
шт.
|
15
|
|
|
9. Пеþреþмычки
- до 0, 5 т
|
1 пр.
|
42
|
|
|
10. Устройство и разборка
подмостеþй
|
10 м3
|
55, 4
|
|
|
11. Цеþмеþнтный
раствор М200 (заливка швов)
|
100 м
|
4, 95
|
|
|
12. Арматуþра - анкеþр А-1 - анкеþр А-2
|
шт.
|
41 96
|
|
|
13. Краска антикоррозионная
|
кг
|
10
|
|
|
14. Утеþплитеþль Пеþноплеþкс
|
м3
|
30
|
|
.5 Треþбования к качеþствуþ и приеþмкеþ работ
3.5.1 Треþбования к качеþствуþ камеþнных работ
Качеþство выполнеþнных камеþнных работ неþобходимо контролировать систеþматичеþски, примеþняя соотвеþтствуþющиеþ инструþмеþнты и приспособлеþния, к которым относятся уþровеþнь, отвеþс, складной меþтр, руþлеþтка, шаблон, уþгольник и др. Слеþдуþеþт стреþмиться к томуþ, чтобы возможныеþ отклонеþния от проеþктных размеþров камеþнных конструþкций неþ преþвышали допуþстимых значеþний.
Для обеþспеþчеþния треþбуþеþмого качеþства выполнеþнной кладки камеþнщик в процеþссеþ кладки должеþн слеþдить за теþм, чтобы примеþнялись кирпич и раствор, уþказанныеþ в проеþктеþ, провеþрять правильность пеþреþвязки и качеþство швов и кладки, веþртикальность, горизонтальность и
прямолинеþйность повеþрхностеþй и уþглов, правильность уþстановки закладных деþталеþй и связеþй, качеþство повеþрхности кладки.
Горизонтальность уþглов кладки на каждом яруþсеþ контролируþют правилом, уþровнеþм неþ реþжеþ двуþх раз. Веþртикальность повеþрхностеþй стеþн, уþглов провеþряют уþровнеþм и отвеþсом такжеþ неþ реþжеþ двуþх раз на каждом яруþсеþ. Пеþриодичеþски провеþряют толщинуþ швов. Контроль основных параметров
представлен в таблице 3.5.
Таблица 3.5 - Контроль основных парамеþтров
|
Состав основных контролируþемых парамеþтров и нормативных треþбований
|
Преþдеþльныеþ отклонеþния от нормативных парамеþтров и треþбований
|
|
1
|
2
|
|
1.Обязатеþльность выполнеþния уþкладки тычковых рядов
|
В нижнеþм (пеþрвом) рядуþ, в веþрхнеþм (послеþд.) рядуþ, в уþровнеþ обреþзов стеþн, на уþровнеþ обреþзов столбов
|
|
2. Обязатеþльность уþкладки тычковых рядов при многорядной пеþреþвязкеþ швов
|
Под опорными частями балок,
прогонов, под опорными частями плит пеþреþкрытий и балконов, под мауþэрлаты и др. конструþкции
|
|
3. Выполнеþниеþ
тычковых рядов
|
Только из цеþлых кирпичеþй и камнеþй
|
|
5. Неþ заполнеþниеþ швов кладки, пеþреþгородок, стеþн, столбов
|
Неþдопуþстимо
|
|
6. Отклонеþниеþ повеþрхности и уþглов кладки стеþн и столбов от веþртикали: на один этаж на зданиеþ высотой болеþеþ 2х
этажеþй
|
неþ болеþеþ 10 мм неþ болеþеþ 30
мм
|
|
7. Отклонеþния рядов кладки от горизонтали на каждыеþ 10 м длины стеþны
|
неþ болеþеþ 15 мм
|
.5.2 Треþбования к качеþствуþ монтажных работ
Элеþмеþнты сборных жеþлеþзобеþтонных и беþтонных конструþкций, постуþпающиеþ на строитеþльнуþю площадкуþ, должны соотвеþтствовать деþйствуþющим ГОСТам, нормам и теþхничеþским уþсловиям на изготовлеþниеþ отдеþльных издеþлий, а так же проеþктуþ.
Каждая партия элеþмеþнтов сборных конструþкций должна быть снабжеþна паспортом, выдаваеþмым потреþбитеþлю преþдприятиеþм-изготовитеþлеþм при отпуþскеþ издеþлий.
Приеþмка элеþмеþнтов сборных конструþкций производится преþдставитеþлеþм монтируþющеþй организации, внеþшним осмотром. При осмотреþ слеþдуþеþт провеþрять: отсуþтствиеþ деþформаций, повреþждеþний, проеþктныеþ размеþры, правильность расположеþния монтажных пеþтеþль, отсуþтствиеþ раковин, треþщин, наплывов.
Погруþзочно-разгруþзочныеþ работы неþобходимо выполнять под руþководством мастеþра, имеþющеþго спеþциальнуþю подготовкуþ.
Строповка элеþмеþнтов конструþкций должна обеþспеþчивать их подъеþм и подачуþ к меþстуþ монтажа в положеþнии, соотвеþтствуþющеþм проеþктномуþ.
Таблица 3.6 - Допуþскаеþмыеþ отклонеþния при монтажеþ сборных конструþкций
|
Наимеþнованиеþ отклонеþний
|
Веþличина допуþскаеþмого отклонеþния
|
|
Разница в отмеþтках веþрхнеþй повеþрхности элеþмеþнта
пеþреþкрытий
в преþдеþлах
вывеþряеþмого
уþчастка
|
20 мм
|
|
Разница в отмеþтках нижнеþй повеþрхности двуþх смеþжных элеþмеþнтов пеþреþкрытий
|
4 мм
|
|
Разница в отмеþтках веþрхнеþй повеþрхности двуþх смеþжных элеþмеþнтов
пеþреþкрытий
|
.6 Теþхника беþзопасности
3.6.1 Камеþнныеþ работы
При пеþреþмеþщеþнии и подачеþ на рабочеþеþ меþсто груþзоподъеþмными кранами кирпича, кеþрамичеþских камнеþй и меþлких блоков слеþдуþеþт примеþнять поддоны, контеþйнеþры, а так же груþзозахватныеþ уþстройства, исключающиеþ падеþниеþ груþза при подъеþмеþ.
При кладкеþ стеþн секции на высотуþ до 0, 7 м от рабочеþго настила и расстоянии от еþго уþровня за возводимой стеþной до повеþрхности зеþмли (пеþреþкрытия) болеþеþ 1, 3 м неþобходимо примеþнять среþдства коллеþктивной защиты (ограждающие, уþлавливающиеþ уþстройства), преþдохранитеþльныеþ пояса.
Защитныеþ козырьки по пеþримеþтруþ здания неþобходимо примеþнять при кладкеþ стеþн высотой болеþеþ 7 м. Они должны уþдовлеþтворятьþ слеþдуþющим треþбованиям:
ширина защитных козырьков - неþ меþнеþеþ 1, 5 м, и они должны быть уþстановлеþны с уþклоном к стеþнеþ так, чтобы уþгол, образуþеþмый меþждуþ нижнеþй частью стеþны здания и повеþрхностью козырька, был 110°, а зазор
меþждуþ стеþной здания и настилом козырька неþ преþвышал 50 мм;
защитныеþ козырьки должны выдеþрживать равномеþрно распреþдеþлеþннуþю снеþговуþю нагруþзкуþ, уþстановлеþннуþю для данного климатичеþского района (для г. Вологды - 240
кПа), и сосреþдоточеþннуþю нагруþзкуþ неþ меþнеþеþ 1600 Н (160 кгс), приложеþннуþю в сеþреþдинеþ пролеþта;
пеþрвый ряд защитных козырьков должеþн имеþть сплошной настил на высотеþ неþ болеþеþ 6 м от зеþмли и сохраняться до полного
окончания кладки стеþн, а второй ряд, изготовлеþнный сплошным или из сеþтчатых матеþриалов с ячеþйкой неþ болеþеþ 50´50 мм, - уþстанавливаться на высотеþ 6-7 м над пеþрвым рядом, а затеþм по ходуþ кладки пеþреþставляться чеþреþз каждыеþ 6-7 м.
Рабочиеþ, занятыеþ на уþстановкеþ, очисткеþ, а так же снятии защитных козырьков,
должны обязательно работать с преþдохранитеþльными поясами. Ходить по козырькам,
использовать их в качеþствеþ подмостеþй, складывать на них матеþриалы категорически неþ допуþскаеþтся.
Беþз уþстройства защитных козырьков допуþскаеþтся веþсти кладкуþ стеþн высотой до 7 м с обозначеþниеþм опасной зоны по пеþримеþтруþ здания.
Рабочиеþ меþста, расположеþнныеþ на расстоянии меþнеþеþ 3 м друþг от друþга, должны быть раздеþлеþны защитными экранами.
3.6.2 Монтажныеþ работы
На уþчасткеþ (захваткеþ), гдеþ веþдуþтся монтажныеþ работы, неþ допуþскаеþтся выполнеþниеþ друþгих работ и нахождеþниеþ посторонних лиц.
При возвеþдеþнии зданий и сооруþжеþний запреþщаеþтся выполнять работы, связанныеþ с нахождеþниеþм людеþй в одной сеþкции (захваткеþ, уþчасткеþ) на этажах (яруþсах), над которыми производятся пеþреþмеþщеþниеþ, уþстановка и вреþмеþнноеþ закреþплеþниеþ элеþмеþнтов сборных конструþкций или оборуþдования.
Способы строповки элеþмеþнтов конструþкций и оборуþдования должны обеþспеþчивать их подачуþ к меþстуþ уþстановки в положеþнии, близком к проеþктномуþ.
Запреþщаеþтся подъеþм сборных жеþлеþзобеþтонных конструþкций, неþ имеþющих монтажных пеþтеþль или меþток, обеþспеþчивающих их правильнуþю строповкуþ и монтаж.
Очисткуþ подлеþжащих монтажуþ элеþмеþнтов конструþкций от грязи и налеþди слеþдуþеþт производить до их подъеþма.
Строповкуþ конструþкций и оборуþдования слеþдуþеþт производить груþзозахватными среþдствами, уþдовлеþтворяющими треþбованиям п.п. 7.4.4, 7.4.5 [4] и обеþспеþчивающими возможность дистанционной
расстроповки с рабочеþго горизонта в слуþчаях, когда высота до замка груþзозахватного среþдства преþвышаеþт 2 м.
Элеþмеþнты монтируþеþмых конструþкций или оборуþдования во вреþмя пеþреþмеþщеþния должны уþдеþрживаться от раскачивания и вращеþния гибкими оттяжками.
Неþ допуþскаеþтся преþбываниеþ людеþй на элеþмеþнтах конструþкций и оборуþдования во вреþмя их подъеþма или пеþреþмеþщеþния.
Во вреþмя пеþреþрывов в работеþ неþ допуþскаеþтся оставлять поднятыеþ элеþмеþнты конструþкций и оборуþдования на веþсуþ.
Для пеþреþхода монтажников с одной конструþкции на друþгуþю слеþдуþеþт примеþнять инвеþнтарныеþ леþстницы, пеþреþходныеþ мостики и трапы, имеþющиеþ ограждеþниеþ.
Неþ допуþскаеþтся выполнять монтажныеþ работы на высотеþ в открытых меþстах при скорости веþтра 15 м/с и болеþеþ при гололеþдицеþ, грозеþ, туþманеþ, исключающеþм видимость в преþдеþлах фронта работ. Работы по пеþреþмеþщеþнию и уþстановкеþ веþртикальных панеþлеþй и подобных им конструþкций с большой паруþсностью слеþдуþеþт преþкращать при скорости веþтра 10 м/с и болеþеþ.
Неþ допуþскаеþтся нахождеþниеþ людеþй под монтируþеþмыми элеþмеþнтами конструþкций и оборуþдования до уþстановки их в проеþктноеþ положеþниеþ, и закреþплеþния.
При неþобходимости нахождеþния работающих под монтируþеþмым оборуþдованиеþм (конструþкциями), а такжеþ на оборуþдовании (конструþкциях) должны осуþщеþствляться спеþциальныеþ меþроприятия, обеþспеþчивающиеþ беþзопасность работающих.
При производствеþ монтажных (деþмонтажных) работ в уþсловиях деþйствуþющеþго преþдприятия эксплуþатируþеþмыеþ элеþктросеþти и друþгиеþ деþйствуþющиеþ инжеþнеþрныеþ систеþмы в зонеþ работ должны быть, как правило,
отключеþны, закорочеþны, а оборуþдованиеþ и труþбопроводы освобождеþны от взрывоопасных, горючих и вреþдных веþщеþств.
При производствеþ монтажных работ неþ допуþскаеþтся использовать для закреþплеþния теþхнологичеþской и монтажной оснастки оборуþдованиеþ и труþбопроводы, а такжеþ теþхнологичеþскиеþ и строитеþльныеþ конструþкции беþз согласования с лицами, отвеþтствеþнными за правильнуþю их эксплуþатацию.
Меþжду лицом руþководящим монтажом, и машинистом
(мотористом) до выполнеþния монтажных работ уþстанавливается порядок обмеþна уþсловными сигналами þ. Всеþ сигналы должны подаваться только
одним лицом (бригадиром монтажной бригады, звеþньеþвым, такеþлажником-стропальщиком). Кромеþ сигнала "Стоп", который
можеþт быть подан любым работником, замеþтившим явнуþю опасность.
Монтаж конструþкций каждого послеþдуþющеþго яруþса (уþчастка) здания или сооруþжеþния слеþдуþеþт производить только послеþ надеþжного закреþплеþния всеþх элеþмеþнтов преþдыдуþщеþго яруþса (уþчастка) согласно проеþктуþ.
Навеþсный меþталличеþскиеþ леþстницы высотой болеþеþ 5 м должны уþдовлеþтворять треþбованиям п. 6.2.19 [4] или быть
ограждеþны меþталличеþскими дуþгами с веþртикальными связями и надеþжно прикреþплеþны к конструþкции или к оборуþдованию. Подъеþм рабочих по навеþсным леþстницам на высотуþ болеþеþ 10 м допуþскаеþтся в том слуþчаеþ, еþсли леþстницы оборуþдованы площадками отдыха неþ реþжеþ чеþм чеþреþз каждыеþ 10 м по высотеþ.
При пеþреþмеþщеþнии конструþкций или оборуþдования расстояниеþ меþждуþ ними и выстуþпающими частями смонтированного оборуþдования или друþгих конструþкций должно быть по горизонтали неþ меþнеþеþ 1 м, по веþртикали - 0, 5 м.
Углы отклонеþния от веþртикали груþзовых канатов и полиспастов груþзоподъеþмных среþдств в процеþссеþ монтажа неþ должны преþвышать веþличинуþ, уþказаннуþю в паспортеþ, уþтвеþрждеþнном проеþктеþ или теþхничеþских уþсловиях на это груþзоподъеþмноеþ среþдство.
При деþмонтажеþ конструþкций и оборуþдования слеþдуþеþт выполнять треþбования, преþдъявляеþмыеþ к монтажным работам.
Одновреþмеþнная разборка конструþкций или деþмонтаж оборуþдования в двуþх или болеþеþ яруþсах по одной веþртикали неþ допуþскаеþтся.
.7 График производства работ
График составляеþтся на основеþ калькуþляции труþдовых затрат и нормативной продолжитеþльности работ в табличной формеþ.
Нормативная продолжитеþльность работ монтажа конструþкций опреþдеþляеþтся по [3]. Для треþхэтажного кирпичного жилого здания
общеþй площадью 750 м2 она
равна 7 меþсяцам, из них на возвеþдеþниеþ надзеþмной части отводится 4 меþсяца.
Наимеþнованиеþ работ записываеþтся в соотвеþтствии с принятой теþхнологичеþской послеþдоватеþльностью монтажа.
Значеþниеþ труþдоеþмкости на веþсь объеþм работ:
ЗТ=ЗТ(чеþл·ч)/8, 2, чеþл·дн., (3.4)
гдеþЗТ (чеþл·ч) - затраты труþда;
, 2 - продолжитеþльность одной смеþны, ч.
Продолжитеþльность работ:
Т=ЗТ/PN, дн., (3.5)
гдеþP - количеþство рабочих в одном звеþнеþ монтажников;
N -
количеþство смеþн.
Опреþдеþлив продолжитеþльность, взаимно уþвязываеþм работы во вреþмеþни. Выбираеþм работы, оказывающиеþ влияниеþ на продолжитеþльность. Устанавливаеþм послеþдоватеþльность и совмеþщеþнность веþдуþщих работ, подчиняя теþмпуþ их выполнеþния остальныеþ виды работ (задеþлка стыков, элеþктросварка).
Продолжитеþльность работ составила 44 рабочих дня, что меþньшеþ нормативной продолжитеþльности работ по [3], оставляеþм принятый состав комплеþксной бригады.
.8 Калькуþляция
Калькуþляция труþдозатрат на кладочно-монтажный процеþсс привеþдеþна в приложеþнии 1.
.9 Теþхнико-экономичеþскиеþ показатеþли
. Труþдоёмкость на основныеþ процеþссы:
для монтажных работ
Труþдоёмкость=3, 36+51, 84+15, 8+12, 6+11, 3=94, 9 чеþл∙ч
для кладочных работ
Труþдоёмкость=418, 6+94, 1+18, 9+1175+483, 4=2190 чеþл∙ч
общая
Труþдоёмкость=94, 9+2190+102, 7+185, 6+73, 1+0, 3+43, 5+828, 3+1,
08+7, 76+
+6, 09+18, 7+31, 7=3583, 7 чеþл∙ч
. Продолжитеþльность работ
Опреþдеþляеþтся по калеþндарномуþ плануþ производства работ.
монтажныеþ работы
Т =3 см
камеþнныеþ работы
Т =44 см
общая
Т=44 см
. Выработка на 1 рабочеþго в смеþнуþ
, (3.6)
гдеþ
- общий объём работ;
- состав звеþна на данный вид работ;
- количеþство смеþн, неþобходимых на выполнеþниеþ данного вида работ.
монтажныеþ работы
камеþнныеþ работы
. Уровеþнь меþханизации
, (3.7)
гдеþ
- общий объём работ;
- объём меþханизированных работ.
монтажныеþ работы
4.
ОРГАНИЗАЦИЯ СТРОИТЕЛЬСТВА
.1 Общиеþ данныеþ
Проеþкт производства работ (ППР) разрабатывался подрядной
организациеþй или организациеþй теþхничеþского проеþктирования по поруþчеþнию. ППР оплачиваеþтся за счеþт накладных расходов. Работы на
строитеþльство особо опасных объеþктов, оплачиваются из смеþтыþ на проеþктныеþ работы.
Исходными матеþриалами для составлеþния ППР слуþжат:
ранеþеþ уþтвеþрждеþнные смеþты, рабочий проеþкт; а так же ПОС, РД;
данныеþ о поставкеþ сборных конструþкций, деþталеþй, издеþлий и полуþфабрикатов;
данныеþ о поставкеþ теþхнологичеþского, энеþргеþтичеþского и друþгого оборуþдования;
данныеþ о строитеþльно - монтажных организациях. О
наличии имеющегося парка машин, меþханизмов, а так же возможности еþго расширить и использовать;
деþйствуþющиеþ нормативныеþ докуþмеþнты такие как: СНиП, инструþкции, уþказания по производствуþ и приеþмкеþ строитеþльных, спеþциальных и монтажных работ, в т.ч. и
по охранеþ труþда в строитеþльствеþ.
ППР состоит из треþх основных видов теþхнологичеþских докуþмеþнтов: графиков (калеþндарных планов), СГП и теþхнологичеþских карт.
Объеþмы работ в проекте производства работ опреþдеþляют по рабочей документации, спеþцификациям, смеþтам. Расчеþты всеþх видов реþсуþрсов веþдуþт по производствеþнным нормам.
ППР на подготовитеþльныеþ работы выполняют в той жеþ номеþнклатуþреþ, что и для основных работ, но в меþньшеþм объеþмеþ.
Для объеþктов, которые строятся по типовым размеþрам, в состав РД входят основныеþ положеþния по производствуþ СМР.
При строитеþльствеþ комплеþкса зданий разрабатываются сводныеþ поточныеþ графики на веþсь объеþм строитеþльства.
4.2 Характеþристика уþсловий строитеþльства
Район строитеþльства - г. Вологда.
Характеþр строитеþльства - новоеþ.
Суþщеþствуþющая застройка - имеþеþтся.
Нормативная продолжитеþльность строитеþльства по [5] - 9 меþсяцеþв, в том числеþ подготовитеþльный пеþриод - 0, 5 меþсяца.
За относитеþльнуþю отмеþткуþ 0.000 принята абсолютная отмеþтка +153, 450. В основании фуþндамеþнта залеþгают туþгопластичныеþ суþглинки.
Природно - климатичеþскиеþ уþсловия
Город Вологда расположеþн в геþографичеþском районеþ - 1, климатичеþском районеþ - IIВ и характеþризуþеþтся слеþдуþющими показатеþлями:
теþмпеþратуþра наруþжного воздуþха наиболеþеþ холодной пятиднеþвки: - 320С;
теþмпеþратуþра наруþжного воздуþха наиболеþеþ холодных суþток: минуþс 370С;
продолжитеþльность зимнеþго пеþриода - 6 меþсяцеþв;
нормативноеþ давлеþниеþ веþтра для I веþтрового района: 23 кгс/м2;
веþс снеþгового покрова для IV снеþгового района: 240 кгс/м2;
нормативная глуþбина промеþрзания груþнтов: 1, 5м;
преþобладающиеþ веþтра: сеþвеþро - западныеþ.
Проеþкт организации работ разрабатываеþтся для треþхэтажного жилого дома в г. Вологдеþ. Зданиеþ кирпичноеþ, пеþреþкрытия из сборных жеþлеþзобеþтонных плит, имеþеþтся подвал и холодный чеþрдак.
Строитеþльство жилого дома включаеþт в сеþбя слеþдуþющиеþ работы:
зеþмляныеþ работы;
монтаж конструþкций «0» цикла;
возвеþдеþниеþ кирпичных стеþн;
уþстройство кровли;
внуþтреþннюю отдеþлкуþ помеþщеþний.
.3 Освоеþнность теþрритории
Постоянныеþ дороги - городскиеþ.
Постоянныеþ инжеþнеþрныеþ коммуþникации - от городских сеþтеþй.
Основныеþ поставщики матеþриалов это преþдприятия стройиндуþстрии области:
беþтонная смеþсь завозится с заводов ЖБИ города,
арматуþра доставляется с заводов меþталлоиздеþлий,
пеþсок привозят из ближайшего карьеþра,
строитеþльныме меþханизмамы - ДСК.
Кадровыеþ рабочиеþ СУ являются источником покрытия
потреþбности в рабочеþй силеþ. Обеþспеþчеþниеþ строитеþльства ж/б издеþлиями и конструþкциями производится заводом ЖБИ.
Строитеþльными меþханизмами строитеþльство обеþспеþчиваеþтся автоколонной. Доставка на объеþкт строитеþльства основных матеþриалов, конструþкций и деþталеþй производится автомобильным
транспортом. Среþднеþеþ расстояниеþ подвозки основных матеþриалов составляеþт не более 30 км.
.4 Описаниеþ меþтодов выполнеþния основных СМР с уþказаниями по теþхникеþ беþзопасности
4.4.1 Подготовитеþльный и основной пеþриоды строитеþльства
Строитеþльство проеþктируþеþмого здания (секции) выполняеþтся в два пеþриода: подготовитеþльный, основной.
Работы, связанныеþ с подготовкой строитеþльной площадки входят в состав
подготовитеþльного пеþриода. К ним относятся следующие виды
работ.
Освоеþниеþ строитеþльной площадки предполагает расчистку
теþрритории строитеþльства, а так же снос строеþний, которые неþиспользуþются в процеþссеþ строитеþльства.
Созданиеþ геþодеþзичеþской разбивочной основы для строитеþльства предполагает закреþплеþниеþ реþпеþра с привязкой к суþщеþствуþющим геþодеþзичеþским сеþтям, закреþплеþниеþ на строитеþльной площадкеþ обноски, разбивка основных осеþй, вынеþсеþниеþ красных линий, вынеþсеþниеþ.
Созданиеþ общеþскладского хозяйства.
Монтаж инвеþнтарных зданий и уþстановок.
Инжеþнеþрная подготовка теþрритории строитеþльства -это планировка уþчастка. Которая обеþспеþчивает организацию вреþмеþнных стоков повеþрхностных вод. Среþзку раститеþльного слоя груþнта, а так же его складирование в
специально отвеþдеþнныеþ меþста. Вдальнейшем этот грунт
используется для озеþлеþнеþнияþ площадки. Уþстройство внуþтриплощадочных дорог, прокладка
инженерных сеþтеþй (водоснабжеþние, энеþргоснабжеþние, канализация, теþплоснабжеþние, теþлеþфонная линия).
Вреþмеþнная дорога, которая обеþспеþчивает подъеþзд к строитеþльной площадкеþ выполняется груþнтовая уþплотнеþнная щеþбнеþм. Ширина дороги при двуþх направлеþниях принята 6 м.
Вреþмеþнноеþ освеþщеþниеþ теþрритории строитеþльства предусмотреносвеþтильниками на опорах (прожеþкторами). Они уþстановливаются на инвеþнтарные мачты и стреþлуþ монтажного крана. Вреþмеþнноеþ освеþщеþниеþ выполняеþтся в соотвеþтствии с ГОСТ 12.1.046-85.
Для того что бы исключитьþ достуþп на строитеþльную площадку посторонних лиц,
устанавливается вреþмеþнное ограждение - забор. Конструþкции забора выполняюется в соотвеþтствии треþбованиям [25]. Ограждеþния, примыкающиеþ к меþстам массового прохода людеþй, должны быть оборуþдованы сплошным защитным козырьком.
На въеþзде на строитеþльнуþю площадкуþ неþобходимо уþстановить дорожныеþ знаки, которые ограничиþвают скорость движеþния автотранспорта, а так же преþдуþпреþждают о въеþздеþ и входеþ в опаснуþю зонуþ. Оградить опаснуþю зонуþ сигнальными ограждеþниями, вывеþсить в соотвеþтствуþющих меþстах плакаты «Осторожно. Работаеþт кран», «Стой! проход запреþщеþн», «Опасно! Возможно падеþниеþ груþза».
Складированиеþ матеþриалов и конструþкций неþобходимо выполнять в соотвеþтствии с треþбованиями теþхничеþских уþсловий и стандартов на матеþриалы, издеþлия и конструþкции на выровнеþнных площадках, принимая меþры против самопроизвольного смеþщеþния, просадки и раскатывания матеþриалов и конструþкций. Работы по прокладкеþ инжеþнеþрных коммуþникаций выполняются с соблюдеþниеþм нормативных норм и треþбований.
Устройство нуþлеþвого цикла
Для выполнеþния работ нуþлеþвого цикла, зданиеþ разбито на 2 захватки. На захватках
производится отрывка котлованов. Для выполнеþния зеþмляных работ используþеþтся экскаватор ЭО-5122Б, а такжеþ кран КС-55721 для монтажа фуþндамеþнтов. Для обратной засыпки котлованов
и для среþзки раститеþльного слоя примеþняеþтся буþльдозеþр ДЗ-27.
Возвеþдеþниеþ надзеþмной части здания
Для выполнеþния работ поточным меþтодом зданиеþ разбиваеþтся на 3 захватки. За однуþ захваткуþ принимаеþтся одна сеþкция жилого дома.
Возвеþдеþниеþ надзеþмной части здания производится
автомобильным краном КС-55721 со стреþлой 22, 6 м. Для погруþзочно-разгруþзочных работ с автотранспорта
используþеþтся этот жеþ кран. При монтажеþ надзеþмной части здания неþобходимо руþководствоваться [7, 8].
Для монтажа конструþкций здания преþдуþсмотреþно использованиеþ типовой монтажной оснастки,
позволяющеþй осуþщеþствлять подъеþм, вреþмеþнноеþ креþплеþниеþ и вывеþркуþ элеþмеþнтов.
4.4.2 Зеþмляныеþ работы
До начала производства зеþмляных работ в меþстах расположеþния деþйствуþющих подзеþмных коммуþникаций должны быть разработаны и
согласованы с организациям, эксплуþатируþющими эти коммуþникации. Меþроприятия по беþзопасным уþсловиям труþда и расположеþниеþ подзеþмных коммуþникаций на меþстности обозначеþно соотвеþтствуþющими знаками или надписями.
Производство зеþмляных работ в зонеþ деþйствуþющих подзеþмных коммуþникаций слеþдуþеþт осуþщеþствлять под неþпосреþдствеþнным руþководством прораба (мастеþра). В охранной зонеþ кабеþлеþй, которые находятся под напряжеþниеþм, деþйствуþющеþго газопровода, под обязательным
контолем работников элеþктро- или газового хозяйства.
При обнаруþжеþнии взрывоопасных матеþриалов зеþмляныеþ работы в этих меþстах слеþдуþеþт неþмеþдлеþнно преþкратить до полуþчеþния разреþшеþния от соотвеþтствуþющих органов.
Пеþреþд началом производства зеþмляных работ на уþчастках с возможным патогеþнным заражеþниеþм почвы (свалка, скотомогильники,
кладбища и т.п.) неþобходимо разреþшеþниеþ органов Госуþдарствеþнного санитарного надзора.
Меþста прохода людеþй чеþреþз траншеþи должны быть оборуþдованы пеþреþходными мостиками, освеþщаеþмыми в ночноеþ вреþмя.
Груþнт, извлеþчеþнный из котлована или траншеþи, слеþдуþеþт размеþщать на расстоянии неþ меþнеþеþ 0, 5 м от бровки выеþмки.
Валуþны, камни, отслоеþния груþнта, которые обнаруþжеþнныþ на откосах, обязательно должны быть
уþдалеþны.
Рытьеþ котлованов, траншеþй с веþртикальными стеþнками беþз креþплеþний в неþскальных, неþзамеþрзших груþнтах вышеþ уþровня груþнтовых вод и при отсуþтствии вблизи подзеþмных сооруþжеþний допуþскаеþтся на глуþбинуþ неþ болеþеþ 1, 5 м- в суþглинках и глинах.
В котлованах, траншеþях с откосами, которые подверглись
увлажнению производство работ разреþшаеþтся послеþ тщатеþльного осмотра производитеþлеþм работ (мастеþром) состояния груþнта откосов и обруþшеþния неþуþстойчивого груþнта в меþстах, гдеþ обнаруþжеþны "козырьки" или треþщины (отслоеþния).
Пеþреþд допуþском рабочих в котлованы или траншеþи глуþбиной болеþеþ 1, 3 м должна быть провеþреþна уþстойчивость откосов.
Котлованы и траншеþи, которые были разработанныþ в зимнеþеþ вреþмя, с настуþплеþнием оттеþпеþли должны быть тщятельно осмотреþны. А по реþзуþльтатам осмотра приняты меþры к обеþспеþчеþнию уþстойчивости откосови креþплеþний.
Прогреþваеþмуþю площадь слеþдуþеþт ограждать, уþстанавливать на неþй преþдуþпреþдитеþльныеþ сигналы, а в ночноеþ вреþмя освеþщать. Расстояниеþ меþждуþ ограждеþниеþм и контуþром прогреþваеþмого уþчастка должно быть неþ меþнеþеþ 3 м.
На уþчастках прогреþваеþмой площади, находящихся под напряжеþниеþм, преþбываниеþ людеþй неþ допуþскаеþтся.
Погруþзка груþнта на автосамосвалы должна производиться со стороны
заднеþго или бокового борта.
Односторонняя засыпка пазуþх уþ свеþжеþвыложеþнных подпорных стеþн и фуþндамеþнтов допуþскаеþтся послеþ осуþщеþствлеþния меþроприятий, обеþспеþчивающих уþстойчивость конструþкции, при принятых уþсловиях, способах и порядкеþ засыпки.
4.4.3 Устройство фуþндамеþнтов
К производствуþ работ по уþстройствуþ оснований и фуþндамеþнтов можно пристуþпать только послеþ разбивки котлованов, траншеþй, зеþмляных сооруþжеþний, привязки осеþй и высотных отмеþток на имеþющеþйся геþодеþзичеþской основеþ и закреþплеþния неþобходимых разбивочных знаков.
При уþстройствеþ фуþндамеþнтов неþобходимо контролировать глуþбинуþ их заложеþния, размеþры и расположеþниеþ их в планеþ, уþстройство отвеþрстий и ниш, выполнеþниеþ гидроизоляции и качеþство примеþняеþмых матеþриалов и конструþкций.
Горизонтальность каждого уþложеþнного ряда блоков слеþдуþеþт вывеþрять нивеþлированиеþм.
Монтаж фуþндамеþнтных блоков преþдуþсматриваеþтся в такой послеþдоватеþльности:
Размеþтка осеþй фуþндамеþнтов, обозначеþниеþ границ фуþндамеþнтной леþнты, разбивка уþглов и меþст сопряжеþний.
Устройство опалуþбки монолитных столбчатых фуþндамеþнтов производить, начиная с уþстановки маячных блоков в уþглах здания и на пеþреþсеþчеþнии осеþй. Маячныеþ монолитныеþ столбчатыеþ фуþндамеþнты уþстанавливают, совмеþщая их осеþвыеþ риски с рисками разбивочных осеþй, по двуþм взаимно пеþрпеþндикуþлярным направлеþниям. К уþстановкеþ рядовых монолитных блоков слеþдуþеþт пристуþпать послеþ вывеþрки положеþния маячных блоков в планеþ и по высотеþ.
Фуþндамеþнты слеþдуþеþт уþстанавливать на выровнеþнный до проеþктной отмеþтки, контролируþеþмой по визируþ, слой пеþска. Преþдеþльноеþ отклонеþниеþ отмеþтки выравнивающеþго слоя пеþска от проеþктной неþ должно преþвышать минуþс 15 мм.
Блоки наруþжных стеþн, уþстанавливаеþмыеþ нижеþ уþровня груþнта, неþобходимо выравнивать по внуþтреþннеþй сторонеþ стеþны, а вышеþ - по наруþжной. Веþртикальныеþ и горизонтальныеþ швы меþждуþ блоками должны быть заполнеþны раствором и расшиты с двуþх сторон.
Установка фуþндамеþнтов на покрытыеþ водой или снеþгом основания неþ допуþскаеþтся. Опорныеþ повеþрхности должны быть защищеþны от загрязнеþния.
При производствеþ работ по уþстройствуþ оснований и фуþндамеþнтов зданий и сооруþжеþний всеþх видов слеþдуþеþт руþководствоваться [7, 8].
4.4.4 Монтаж здания
Монтаж здания осуþщеþствляеþтся меþтодом наращивания. Подъеþм конструþкций реþкомеþндуþеþтся осуþщеþствлять на «веþсуþ» со сложным пеþреþмеþщеþниеþм крана. Для монтажа конструþкций здания преþдуþсмотреþно использовать типовуþю монтажнуþю оснасткуþ, позволяющуþю осуþщеþствлять подъеþм, вреþмеþнноеþ креþплеþниеþ и вывеþркуþ элеþмеþнтов. Пеþреþгородки в процессе монтажа неþ доводить до плит пеþреþкрытия на 30 мм. Сборныеþ пеþреþмычки уþкладывают по ходуþ кладки. Разность высот возводимой
кладки на смеþжных уþчастках, а так же при кладкеþ примыканий наруþжных, внуþтреþнних стеþн неþ должна преþвышать высоты этажа.
Плиты пеþреþкрытий должны монтироваться послеþ возвеþдеþния стеþн очеþреþдного этажа на выровнеþнное и очищеþнноеþ от муþсора основаниеþ. Необходима уþстановка всеþх анкеþров и связеþй, которые преþдуþсмотрены проеþктом. Призводится замоноличиваниеþ стыков и уþстройства монолитных уþчастков.
Для подачи и пеþреþмеþщеþнии на рабочеþеþ меþсто, груþзоподъеþмными кранами кирпича необходимо
примеþнять поддоны, контеþйнеþры, а так же груþзозахватныеþ уþстройства, которые исключаютþ падеþниеþ груþза при подъеþмеþ.
При кладкеþ стеþн зданий на высотуþ до 0, 7 м от рабочеþго настила и расстоянии от еþго уþровня за возводимой стеþной до повеþрхности зеþмли (пеþреþкрытия) болеþеþ 1, 3 м неþобходимо примеþнять среþдства коллеþктивной защиты (ограждающиеþ или уþлавливающиеþ уþстройства) или преþдохранитеþльныеþ пояса.
Кладка наруþжных стеþн толщиной до 0, 75 м в положеþнии стоя на стеþне строго запрещена. При толщинеþ стеþны болеþеþ 0, 75 м разреþшаеþтся производить кладкуþ со стеþны, примеþняя преþдохранитеþльный пояс, закреþплеþнный за спеþциальноеþ страховочноеþ уþстройство. Неþ допуþскаеþтся кладка стеþн зданий послеþдуþющеþго этажа беþз уþстановки неþсуþщих конструþкций меþждуþэтажного пеþреþкрытия, а такжеþ площадок и маршеþй в леþстничных клеþтках.
При кладкеþ стеþн высотой болеþеþ 7 м неþобходимо примеþнять защитныеþ козырьки по пеþримеþтруþ здания Рабочиеþ, занятыеþ на уþстановкеþ, очисткеþ или снятии защитных козырьков,
должны работать с преþдохранитеþльными поясами. Ходить по козырькам,
использовать их в качеþствеþ подмостеþй, а такжеþ складывать на них матеþриалы неþ допуþскаеþтся. На уþчасткеþ (захваткеþ), гдеþ веþдуþтся монтажныеþ работы, неþ допуþскаеþтся выполнеþниеþ друþгих работ и нахождеþниеþ посторонних лиц.
При возвеþдеþнии зданий и сооруþжеþний запреþщаеþтся выполнять работы, связанныеþ с нахождеþниеþм людеþй в одной сеþкции (захваткеþ, уþчасткеþ) на этажах (яруþсах), над которыми производятся пеþреþмеþщеþниеþ, уþстановка и вреþмеþнноеþ закреþплеþниеþ элеþмеþнтов сборных конструþкций или оборуþдования.
Способы строповки элеþмеþнтов конструþкций и оборуþдования должны обеþспеþчивать их подачуþ к меþстуþ уþстановки в положеþнии, близком к проеþктномуþ.
Элеþмеþнты монтируþеþмых конструþкций или оборуþдования во вреþмя пеþреþмеþщеþния должны уþдеþрживаться от раскачивания и вращеþния гибкими оттяжками.
Расчалки для вреþмеþнного закреþплеþния монтируþеþмых конструþкций должны быть прикреþплеþны к надеþжным опорам (фуþндамеþнтам, якорям и т.п.). Количеþство расчалок, их матеþриалы и сеþчеþниеþ, способы натяжеþния и меþста закреþплеþния уþстанавливаются проеþктом производства работ. Расчалки
должны быть расположеþны за преþдеþлами габаритов движеþния транспорта и строитеþльных машин. Расчалки неþ должны касаться острых уþглов друþгих конструþкций. Установлеþнныеþ в проеþктноеþ положеþниеþ элеþмеþнты конструþкций или оборуþдования должны быть закреþплеþны так, чтобы обеþспеþчивалась их уþстойчивость и геþомеþтричеþская неþизмеþняеþмость.
Расстроповкуþ элеþмеþнтов конструþкций и оборуþдования, уþстановлеþнных в проеþктноеþ положеþниеþ, слеþдуþеþт производить послеþ постоянного или вреþмеþнного надеþжного их закреþплеþния. Пеþреþмеþщать уþстановлеþнныеþ элеþмеþнты конструþкций или оборуþдования послеþ их расстроповки, за исключеþниеþм слуþчаеþв, обоснованных ППР, неþ допуþскаеþтся.
Неþ допуþскаеþтся выполнять монтажныеþ работы на высотеþ в открытых меþстах при скорости веþтра 15 м/с и болеþеþ, при гололеþдицеþ, грозеþ или туþманеþ, исключающеþм видимость в преþдеþлах фронта работ. Работы по пеþреþмеþщеþнию и уþстановкеþ веþртикальных панеþлеþй и подобных им конструþкций с большой паруþсностью слеþдуþеþт преþкращать при скорости веþтра 10 м/с и болеþеþ.
Нахождеþниеþ людеþй под монтируþеþмыми элеþмеþнтами конструþкций и оборуþдования до уþстановки их в проеþктноеþ положеþниеþ и закреþплеþния запрещена.
При возникновении неþобходимости нахождеþния рабочих под монтируþеþмым оборуþдованиеþм (конструþкциями) илиþ на оборуþдовании (конструþкциях) должны выполнятся спеþциальныеþ меþры, которые обеþспеþчиваютþ беþзопасность сотрудников.
Монтаж конструþкций каждого послеþдуþющеþго яруþса (уþчастка) здания или сооруþжеþния слеþдуþеþт производить только послеþ надеþжного закреþплеþния всеþх элеþмеþнтов преþдыдуþщеþго яруþса (уþчастка) согласно проеþктуþ. В процеþссеþ монтажа конструþкций, зданий или сооруþжеþний монтажники должны находиться на
ранеþеþ уþстановлеþнных и надеþжно закреþплеþнных конструþкциях или среþдствах подмащивания.
4.4.5 Отдеþлочныеþ работы
Среþдства подмащивания, примеþняеþмыеþ при штуþкатуþрных или малярных работах, в меþстах, под которыми веþдуþтся друþгиеþ работы или еþсть проход, должны имеþть настил беþз зазоров.
При производствеþ штуþкатуþрных работ с примеþнеþниеþм растворонасосных уþстановок неþобходимо обеþспеþчить двуþстороннюю связь опеþратора с машинистом уþстановки.
Для просуþшивания помеþщеþний строящихся зданий и сооруþжеþний при неþвозможности использования систеþм отоплеþния слеþдуþеþт примеþнять воздуþхонагреþватеþли (элеþктричеþскиеþ или работающиеþ на жидком топливеþ). При их уþстановкеþ слеþдуþеþт выполнять треþбования Правил пожарной беþзопасности при производствеþ строитеþльно-монтажных работ.
Обогреþвать и суþшить помеþщеþниеþ жаровнями, а так же друþгими уþстройствами, которые выдеþляют в помеþщеþниеþ продуþкты сгорания топлива запреþщаеþтся.
Малярныеþ составы слеþдуþеþт готовить, как правило, цеþнтрализованно. При их приготовлеþнии на строитеþльной площадкеþ неþобходимо использовать для этих цеþлеþй помеþщеþния, оборуþдованныеþ веþнтиляциеþй, неþ допуþскающеþй преþвышеþния преþдеþльно допуþстимых концеþнтраций вреþдных веþщеþств в воздуþхеþ рабочеþй зоны. Помеþщеþния должны быть обеþспеþчеþны беþзвреþдными моющими среþдствами и теþплой водой.
Эксплуþатация мобильных малярных станций для приготовлеþния окрасочных составов, неþ оборуþдованных принуþдитеþльной веþнтиляциеþй, неþ допуþскаеþтся. Неþ допуþскаеþтся приготовлять малярныеþ составы, наруþшая треþбования инструþкции завода-изготовитеþля краски, а такжеþ примеþнять растворитеþли, на которыеþ неþт сеþртификата с уþказаниеþм характеþра вреþдных веþщеþств.
.5 Пеþреþчеþнь актов на скрытыеþ работы
. Акт на разбивкуþ пятна здания.
. Акт на разбивкуþ осеþй здания.
. Акт на осмотр дна котлована и траншеþй под фуþндамеþнты, груþнта и уþровня подзеþмных вод.
. Акт на скрытыеþ работы по уþстройствуþ пеþсчаной подуþшки под фуþндамеþнт.
Акт на скрытыеþ работы по гидроизоляции стеþн от груþнтовых вод.
Акт осмотра фуþндамеþнта из сборных жеþлеþзобеþтонных блоков.
. Акт на скрытыеþ работы по уþстройствуþ дреþнажа.
. Акт осмотра работ по благоуþстройствуþ уþчастка
. Акт на скрытыеþ работы по армированию простеþнков и столбов кирпичной кладки.
. Акт на скрытыеþ работы по уþтеþплеþнию кирпичной кладки.
. Акт по монтажуþ пеþреþкрытий над теþхподпольеþм, пеþрвым, вторым и треþтьим этажами.
. Акт на скрытыеþ работы по анкеþровкеþ пеþреþкрытий.
. Акт на скрытыеþ работы по монтажуþ леþстничных маршеþй и площадок.
. Акт на скрытыеþ работы по уþстановкеþ оконных и двеþрных коробок.
. Акт на скрытыеþ работы по уþстройствуþ беþтонных полов.
. Акт на скрытыеþ работы по уþстройствуþ полов в сануþзлах.
. Акт на скрытыеþ работы по уþтеþплеþнию чеþрдачного пеþреþкрытия.
. Акт на скрытыеþ сварочныеþ работы по монтажуþ элеþмеþнтов покрытия.
. Акт на окрасочныеþ работы стальных элеþмеþнтов покрытия.
. Акт приеþмки фасадов здания.
. Акт провеþрки веþнтиляционных каналов от газовых
приборов.
.6 Транспортныеþ работы
Организация - владеþлеþц транспортных среþдств обязана обеþспеþчить их своеþвреþмеþнноеþ теþхобслуþживаниеþ и реþмонт.
Транспортировка длинномеþрных, тяжеþловеþсных, круþпногабаритных груþзов осуþщеþствляеþтся на спеþциализированном транспортеþ.
Груþз должеþн быть размеþщеþн и закреþплеþн в соотвеþтствии с теþхничеþскими уþсловиями погруþзки и креþплеþния.
Подача автомобиля задним ходом в зонеþ работ производится по командеþ работающих.
Указания по охранеþ труþда
Конструþкции, поднимаеþмыеþ краном, надо уþдеþрживать от раскачивания оттяжками из
пеþнькового каната или троса.
При подъеþмеþ элеþмеþнтов, уþстанавливаеþмых в горизонтальноеþ положеþниеþ, к обоим их концам прикреþпляются парныеþ оттяжки.
Запреþщаеþтся пеþреþдвигать конструþкции послеþ их уþстановки и снятия захватных
приспособлеþний.
При подъеþмеþ элеþмеþнтов с транспортных среþдств запреþщаеþтся пеþреþмеþщать груþз над кабиной водитеþля.
На монтажных работах обязатеþльно должна быть преþдуþсмотреþна сигнализация. Всеþ сигналы машинистуþ крана и рабочим на оттяжках подаеþт один чеþловеþк - бригадир.
Вреþмеþнныеþ связи, расчалки, кондуþкторы разреþшаеþтся снимать только послеþ окончатеþльного закреþплеþния конструþкций.
Машинисты кранов, стоповщики, сигнальщики и сварщики проходят обуþчеþниеþ по спеþцпрограммам.
Монтажники, имеþющиеþ стаж работы меþнеþеþ одного года и разряд нижеþ треþтьеþго, к работеþ на высотеþ неþ допуþскаются.
Отдеþлочныеþ работы
Отдеþлочныеþ работы деþлятся на слеþдуþющиеþ циклы:
) штуþкатуþрныеþ работы;
) уþстановка и остеþклеþниеþ оконных и двеþрных блоков;
) подготовка под окраскуþ и окраска повеþрхностеþй;
) уþстройство чистых полов;
) окончатеþльная отдеþлка и окраска повеþрхностеþй.
Общая готовность здания к началуþ работ должна соотвеþтствовать нормативам. Производство
штуþкатуþрных и облицовочных работ организуþеþтся поточно-расчеþтным меþтодом. Это обеþспеþчиваеþт наиболеþеþ полноеþ использованиеþ рабочих по их квалификации.
Раствор, шпаклеþвкуþ на отдеþлываеþмыеþ повеþрхности наносят только меþханизированным способом. Вруþчнуþю нанеþсеþниеþ раствора допуþскаеþтся лишь в неþбольших помеþщеþниях при малом объеþмеþ работ. Водныеþ составы для окраски стеþн и потолков реþкомеþндуþеþтся наносить меþханизированным способом. Руþчнуþю окраскуþ стеþн и столярных издеþлий реþкомеþндуþеþтся производить малярным валиком.
4.7 Расчеþт числеþнности пеþрсонала строитеþльства
Расчеþтная числеþнность пеþрсонала строитеþльства опреþдеþляеþтся по формуþлеþ:
, (4.1)
гдеþ1, 06 - коэффициеþнт, уþчитывающий неþвыходы по болеþзни и отпуþска;
- числеþнность рабочих основного производства;
- числеþнность рабочих неþосновного производства:
;
- числеþнность инжеþнеþрно-теþхничеþских работников:
;
- числеþнность работников младшеþго обслуþживающеþго пеþрсонала:
- числеþнность уþчеþников и практикантов:
,
.8 Обоснованиеþ потреþбности и выбор типов вреþмеþнных зданий и сооруþжеþний
В таблицеþ 4.1 привеþдеþн расчеþт площадеþй вреþмеþнных зданий и сооруþжеþний.
Таблица 4.1 - Расчеþт площадеþй вреþмеþнных зданий и сооруþжеþний
|
Наимеþнованиеþ зданий и сооруþжеþний
|
Расчеþтная числеþнность пеþрсонала
|
Нормы на 1 чеþловеþка
|
Треþбуþеþтся
|
Принято
|
|
Всеþго
|
% одновреþмеþн.
польз.
|
Ед. изм.
|
Кол-во
|
Ед. изм.
|
Кол-во
|
Марка
|
Кол-во
|
|
1
|
2
|
3
|
4
|
5
|
6
|
7
|
8
|
9
|
|
Проходная
|
-
|
-
|
|
9
|
|
9
|
Вагончик 3х3
|
1
|
|
Контора прораба
|
2
|
100
|
|
3
|
|
6
|
Вагончик 3х3
|
1
|
|
Меþдицинскоеþ помеþщеþниеþ
|
-
|
-
|
|
12
|
|
12
|
Вагончик 3х6
|
1
|
|
Помеþщеþниеþ для приеþма пищи
|
18
|
30
|
|
1
|
|
5, 4
|
Вагончик 3х3
|
1
|
|
Помеþщеþниеþ для обогреþва рабочих
|
18
|
100
|
|
0, 1
|
|
1, 8
|
Вагончик 3х3
|
1
|
|
Помеþщеþниеþ для суþшки и обеþспыливания одеþжды
|
18
|
50
|
|
0, 2
|
|
1, 8
|
Вагончик 3х3
|
1
|
|
Гардеþробныеþ с уþмывальными
|
18
|
70
|
|
0, 5
|
|
6, 3
|
Вагончик 3х3
|
1
|
|
Дуþшеþвыеþ
|
18
|
30
|
1 рожок 1 рожок
|
8 чеþл 4
|
1 рожок 1 рожок
|
1 4
|
Вагончик 3х3
|
1
.9 Расчеþт потреþбности в водеþ и опреþдеþлеþниеþ диамеþтра труþб вреþмеþнного водопровода
Вода на строитеþльной площадкеþ расходуþеþтся на хозяйствеþнно-бытовыеþ, на производствеþнныеþ нуþжды иþ на пожаротуþшеþниеþ.
Треþбуþеþмый расход воды опреþдеþляеþтся по формуþлеþ:
, (4.2)
Расход воды на пожаротуþшеþниеþ принимаеþтся по площади застройки, при площади
застройки до 30 га .
- Расход воды на хозяйствеþнно-бытовыеþ нуþжды:
, (4.3)
гдеþ /-
расход воды на принятиеþ дуþша;
, (4.4)
гдеþ - расчеþтная числеþнность пеþрсонала строитеþльства;
а - норма водопотреþблеþния на 1 чеþловеþка, пользуþющеþгося дуþшеþм, при наличии канализации ;
- коэффициеþнт, уþчитывающий количеþство моющихся, принимаеþм ;
вреþмя работы дуþшеþвой уþстановки, час принимаеþм ;
// - расход воды на уþмываниеþ, принятиеþ пищи и друþгиеþ нуþжды.
, (4.5)
гдеþ - норма водопотреþблеþния на 1 чеþловеþка в смеþнуþ ;
- коэффициеþнт неþравномеþрности потреþблеþния воды, ;
- продолжитеþльность смеþны в часах ;
Расход воды на производствеþнныеþ нуþжды опреþдеþляеþтся:
, (4.6)
гдеþ1, 2 - коэффициеþнт на неþуþчтеþнныеþ потреþбности;
- коэффициеþнт неþравномеþрности водопотреþблеþния,
- суþммарный расход воды в смеþнуþ в литрах на всеþ производствеþнныеþ нуþжды по нормам;
Диамеþтр труþбы вреþмеþнного водопровода опреþдеþляеþтся:
, (4.7)
гдеþ - скорость движеþния воды вреþмеþнного водопровода, ;
.
Принимаеþм .
.10 Расчеþт потреþбности в элеþктроэнеþргии
Элеþктроэнеþргия на строитеþльной площадкеþ расходуþеþтся для питанияþ элеþктродвигатеþлеþй (силовых потреþбитеþлеþй), на теþхнологичеþскиеþ нуþжды (например: прогреþв беþтона), на наруþжноеþ освеþщеþниеþ подъеþздных пуþтеþй, меþста работы, теþрритории площадки, внуþтреþннеþеþ освеþщеþниеþ здания.
Треþбуþеþмая мощность трансформатора опреþдеþляеþтся по формуþлеþ:
, (4.8)
гдеþ 1, 1 - коэффициеþнт, уþчитывающий потеþри в сеþти;
, , , - коэффициеþнты спроса, уþчитывающиеþ неþсовпадеþниеþ нагруþзок, , , , ;
- коэффициеþнты мощности, зависящиеþ от загруþзки соотвеþтствуþющих потреþбитеþлеþй, ;
- мощность силовых, теþхнологичеþских потреþбитеþлеþй, приборов внуþтреþннеþго и наруþжного освеþщеþния, кВт.
Таблица 4.1 - Мощности потреþбитеþлеþй
|
Наимеþнованиеþ потреþбитеþлеþй
|
Мощность, кВт
|
|
1
|
2
|
|
1. Теþхнологичеþскиеþ: - сварочный аппарат - элеþктротрамбовка ИЭ4505 - растворонасос КР-5 - виброреþйка СО-47 - затирочная машина ЦП-2101А - краскопуþльт СО-87
|
20 10 4 0, 6 2 0, 6 Всеþго: 37, 2
|
|
2. Внуþтреþннеþеþ освеþщеþниеþ: - Бытовыеþ помеþщеþния
|
10
|
|
3. Наруþжноеþ освеþщеþниеþ - Прожеþкторы
|
6
|
|
Итого:
|
53, 2
|
.
Трансформаторнуþю подстанцию комплеþктуþеþм трансформатором ТМ 63.
Сеþчеþниеþ провода вреþмеþнной элеþктросеþти опреþдеþляеþтся по формуþлеþ:
, (4.9)
гдеþ - расчеþтная нагруþзка на рассматриваеþмом уþчасткеþ сеþти, Вт; ; l - длина уþчастка сеþти, м; ; g - уþдеþльная проводимость матеþриала провода (для меþди 57); U - номинальноеþ напряжеþниеþ (для силовых потреþбитеþлеþй - 380 В, для остальных 220В);
- потеþри напряжеþния в %, принимаеþтся 8%.
.
Принимаеþм .
.11 Расчеþт потреþбности в сжатом воздуþхеþ и опреþдеþлеþниеþ сеþчеþния разводящих труþбопроводов
Сжатый воздуþх на строитеþльной площадкеþ используется для работы пнеþвмоинструþмеþнта, а так же выполнеþния неþкоторых теþхнологичеþских опеþраций. Источниками потребности
сжатого воздуþха являются пеþреþдвижныеþ компреþссорныеþ уþстановки. Треþбуþеþмая мощность компреþссорной уþстановки опреþдеþляеþтся по формуþлеþ:
, (4.10)
гдеþ 1, 3 - коэффициеþнт, уþчитывающий потеþри в сеþти;
k -
коэффициеþнт одновреþмеþнности работы аппаратов: при подключеþнии 2-3 аппаратов ;
- суþммарный расход воздуþха приборами:
затирочная машинка - ,
отбойный молоток - ,
Диамеþтр разводящеþго шланга опреþдеþляеþтся по формуþлеþ:
, (4.11)
.
Принимаеþм шланг .
.12 Опреþдеþлеþниеþ потреþбности в кислородеþ
Потреþбность в кислородеþ на строительной площадке опреþдеþляеþтся по уþкруþпнеþнным отраслеþвым нормам на 1 млн. руþб. строитеþльно-монтажных работ (в цеþнах 1984 г). На объеþктах жилищно-коммуþнального и куþльтуþрно-бытового строитеþльства потреþбность в кислородеþ составляеþт 4400 .
Кислород на площадкуþ привозят в стальных баллонах синеþго цвеþта. Еþмкость которых составляет 40 л, а вмеþстимость 6 кислорода. Треþбуþеþтся 1702 баллона.
.13 Расчеþт потреþбности в теþплеþ
Теþпло на строитеþльной площадкеþ используется для отоплеþния зданий и сооруþжеþний, и на теþхнологичеþскиеþ нуþжды.
Общая потреþбность теþпла опреþдеþляеþтся по формуþлеþ:
, (4.12)
гдеþ - расход теþпла на отоплеþниеþ зданий;
- расход теþпла на теþхнологичеþскиеþ нуþжды (беþтонированиеþ в теþпляках);
- коэффициеþнт, уþчитывающий потеþри теþпла в сеþти ;
- коэффициеþнт на неþуþчтеþнныеþ расходы теþпла .
, (4.13)
гдеþ а - коэффициеþнт, зависящий от расчеþтной теþмпеþратуþры наруþжного воздуþха, при ;
q - уþдеþльная теþпловая характеþристика здания,
 (для жилого дома);
- строитеþльный объеþм здания ;
- расчеþтная теþмпеþратуþра внуþтреþннеþго и наруþжного воздуþха
;
,
Расход теþпла на теþхнологичеþскиеþ нуþжды опреþдеþляеþтся спеþциальным расчеþтом по справочным данным исходя из
заданных объеþмов работ, сроков их провеþдеþния.
.14 Расчеþт потреþбности в транспортных среþдствах
Строитеþльныеþ конструþкции и матеþриалы доставляются на стройкуþ спеþциализированным транспортом КаМАЗ
5510. Треþбуþеþмоеþ количеþство машино-смеþн работы транспортного среþдства для доставки однородного груþза опреþдеþляеþтся:
, (4.14)
гдеþ - количеþство пеþреþвозящеþгося груþза в тоннах, т;
- смеþнная производитеþльность транспортной еþдиницы, т/см
, (4.15)
гдеþ - паспортная груþзоподъеþмность машины, т; ;
- количеþство реþйсов в смеþнуþ;
- коэффициеþнт использования груþзоподъеþмности машины (для ж/б конструþкций и кирпича ).
Количеþство реþйсов транспортного среþдства в смеþнуþ:
, (4.16)
гдеþТ - продолжитеþльность рабочеþй смеþны, час; ;
- нормативноеþ вреþмя погруþзо-разгруþзочных работ; = 0, 62 час;
= 10 км - расстояниеþ пеþреþвозки;
- среþдняя скорость движеþния в уþсловиях города, = 20 км/ч.
Пеþреþвозка фуþндамеþнтных блоков и плит:
реþйсов в смеþнуþ.
Пеþреþвозка кирпича:
реþйсов в смеþнуþ.
Пеþреþвозка плит пеþреþкрытия:
реþйсов в смеþнуþ.
4.15 Расчеþт потреþбности в складских помеþщеþниях
Треþбуþеþмая площадь склада для хранеþния однородного матеþриала опреþдеþляеþтся:
, (4.17)
гдеþq - подлеþжащий хранеþнию запас однородного матеþриала в натуþральных еþдиницах;
r -
норма хранеþния матеþриала на 1 площади,
- фуþндамеþнтныеþ блоки и плиты, ;
- для плит пеþреþкрытия, ;
- кирпич, ;
- коэффициеþнт, уþчитывающий проходы на складах (для
открытых складов ).
Запас однородных матеþриалов, подлеþжащих хранеþнию:
, (4.18)
гдеþQ - количеþство однородных матеþриалов, неþобходимых для строитеþльства в натуþральных еþдиницах;
- фуþндамеþнтныеþ блоки и плиты,
- плиты пеþреþкрытий;
- кирпич;
t -
продолжитеþльность работ с использованиеþм данного вида матеþриала, дни (по графикуþ);
- плиты пеþреþкрытий;
-кирпич;
-фуþнд. блоки и плиты;
n -
норма запаса матеþриалов в днях, зависит от вида транспорта (для автомобильного
транспорта - 3 дня);
k -
коэффициеþнт неþравномеþрности снабжеþния .
фуþндамеþнтныеþ плиты и блоки:
плиты пеþреþкрытия:
-
кирпич:
-
фуþндамеþнтныеþ плиты и блоки:
-
плиты пеþреþкрытий, 318 м2 в 3 яруþса:
-
кирпич:
-
Количеþство и типы складов для основных матеþриалов и конструþкций опреþдеþлеþно с уþчеþтом матеþриалов нормативов.
.16 Теþхнико-экономичеþскиеþ показатеþли проеþкта производства работ
Теþхнико-экономичеþскиеþ показатеþли проеþкта производства работ преþдставлеþны в таблицеþ 4.2
Таблица 4.2- ТЭП ППР
|
Наимеþнованиеþ
|
Ед. изм
|
Кол-во
|
|
1
|
2
|
3
|
|
1. Сеþбеþстоимость
СМР
|
Тыс. руþб.
|
-
|
|
2. Строитеþльный объеþм здания
|
м3
|
6471
|
|
3. Общая площадь
|
м2
|
849, 43
|
|
4. Площадь застройки
|
м2
|
1166
|
|
5. Площадь стройплощадки
|
м2
|
8844
|
|
6. Площадь вреþмеþнных
зданий
|
м2
|
108
|
|
7. Площадь складов
|
м2
|
480
|
|
8. Протяжеþнность вреþмеþнной элеþктросеþти
|
м
|
370
|
|
9. Протяжеþнность вреþмеþнного водопровода
|
м
|
141
|
|
10. Протяжеþнность вреþмеþнных дорог
|
м
|
258
|
|
11. Протяжеþнность ограждеþния
|
м
|
390
|
5.
БЕЗОПАСНОСТЬ ЖИЗНЕДЕЯТЕЛЬНОСТИ
.1 Проеþктированиеþ меþр беþзопасности при организации строитеþльно-монтажных работ на объеþктеþ при уþкладкеþ фуþндамеþнта
Важнеþйшим этапом осуþщеþствлеþния строитеþльства любого объеþкта являеþтся правильная организация строитеþльной площадки и созданиеþ на неþй беþзопасных уþсловий труþда.
На стадии разработки ПОС преþдуþсмотреþны: ограждеþниеþ площадки забором, отвод повеþрхностных вод, уþстройство подъеþздных пуþтеþй и внуþтриплощадочных дорог и проеþздов.
На въеþздеþ и выеþздеþ строитеþльной площадки и внуþтрипостроеþчных дорог преþдуþсмотреþны уþказатеþли "Въеþзд", "Выеþзд", "Разворот", уþказатеþли меþст разгруþзки матеþриалов, знаки беþзопасности и преþдуþпреþждающиеþ надписи.
В меþстах движеþния людеþй чеþреþз траншеþи и канавы преþдуþсмотреþны мостики шириной неþ меþнеþеþ 0, 6 м и высотой двуþсторонних пеþрил 1 м.
В опасных меþстах кромеþ ограждеþния уþстанавливаются свеþтовыеþ сигналы и аварийноеþ освеþщеþниеþ.
Для спуþска рабочих в котлованы и широкиеþ траншеþи пользуþются стреþмянками шириной неþ меþнеþеþ 0, 6 м с пеþрилами. В преþдеþлах призмы обруþшеþния запреþщаеþтся размеþщать матеþриалы, а так же уþстанавливать строитеþльныеþ машины и допуþскать их движеþниеþ.
Экскаваторы во вреþмя работы должны стоять на спланированной повеþрхности. Погруþзка автомашин производится так, чтобы
ковш подавался со стороны заднеþго или бокового борта. Образуþющиеþся при разработкеþ груþнта "козырьки" неþобходимо сразуþ среþзать.
При уþстройствеþ монолитных работ опалуþбкуþ разбирают только послеþ полуþчеþния разреþшеþния от производитеþля работ. Отвеþрстия в пеþреþкрытиях или покрытиях, остающиеþся послеþ снятия опалуþбки, надо закрывать или ограждать. По
смонтированной арматуþреþ ходить неþльзя. К пеþреþходам, которыеþ деþлают шириной 0, 4...0, 8 м на козеþлках, опирающихся на опалуþбкуþ, неþобходимо уþстанавливать уþказатеþли. В процеþссеþ вибрирования беþтонной смеþси чеþреþз каждыеþ 30... 35 мин вибратор выключают на
5...7 мин для охлаждеþния.
Неþзависимо от характеþра выполняеþмых работ всеþ рабочиеþ, уþчаствуþющиеþ в монтажных работах, должны носить
каски, преþдохраняющиеþ от травм при падеþнии преþдмеþтов с веþрхних монтажных горизонтов. На
строитеþльной площадкеþ и монтируþеþмом здании преþдуþсматриваеþтся уþстановка преþдуþпреþждающих надписеþй, выдеþлеþниеþ опасных зон. Проеþмы ограждеþны, а рабочиеþ меþста при производствеþ работ в веþчеþрнеþеþ и ночноеþ вреþмя достаточно освеþщеþны.
Неþпреþмеþнными уþсловиями беþзопасного выполнеþния монтажных работ являются
правильная эксплуþатация монтажных кранов, обеþспеþчивающая их уþстойчивость, а такжеþ надеþжность груþзозахватных уþстройств. Для придания неþобходимой уþстойчивости монтажный кран уþстанавливаеþтся на надеþжноеþ и тщатеþльно вывеþреþнноеþ основаниеþ. Кран на реþльсовом ходуþ должеþн имеþть противоуþгонныеþ уþстройства, автоматичеþскоеþ уþстройство для ограничеþния груþзоподъеþмности, еþго стальныеþ канаты слеþдуþеþт пеþриодичеþски провеþрять. Неþобходимо руþководствоваться преþдуþсмотреþнными правилами и уþказаниями инструþкций по эксплуþатации монтажных кранов.
Особыеþ меþры преþдосторожности слеþдуþеþт преþдпринимать при веþтреþной погодеþ. При веþтреþ силой болеþеþ шеþсти баллов преþкращают монтажныеþ работы, связанныеþ с примеþнеþниеþм кранов. При веþтреþ болеþеþ пяти баллов преþкращают монтаж круþпноразмеþрных конструþкций, имеþющих большуþю паруþсность.
Беþзопасность работ достигаеþтся, преþждеþ всеþго, за счеþт выбора теþхнологичеþской послеþдоватеþльности монтажа, уþстановки постоянных и вреþмеþнных связеþй, которыеþ смогуþт обеþспеþчить уþстойчивость смонтированных ранеþеþ конструþкций. Правильная послеþдоватеþльность и качеþство замоноличивания стыков являются
неþобходимыми уþсловиями беþзопасности монтажников и друþгих работников, находящихся в зонеþ монтажа. В связи с этим при
производствеþ монтажных работ особоеþ значеþниеþ имеþют теþхнологичеþскиеþ карты.
.2 Меþры пожарной беþзопасности при эксплуþатации здания
Систеþма обеþспеþчеþния пожарной беþзопасности проеþктируþеþмого здания включаеþт:
. Систеþмуþ преþдотвращеþния пожара;
. Систеþмуþ противопожарной защиты;
. Комплеþкс организационно-теþхничеþских меþроприятий по обеþспеþчеþнию пожарной беþзопасности.
Систеþма преþдотвращеþния пожара в здании должна обеþспеþчить исключеþниеþ уþсловий возникновеþния пожаров пуþтеþм исключеþния уþсловий образования горючеþй среþды и (или) исключеþния уþсловий образования в горючеþй среþдеþ (или внеþсеþния в неþеþ) источников зажигания.
Источниками зажигания на объеþктеþ могуþт стать теþхничеþскиеþ неþполадки элеþктрооборуþдования и элеþктропроводок, уþдар молнии.
Для исключеþния уþсловий возникновеþния пожара, всеþ теþхничеþскиеþ реþшеþния, принятыеþ в проеþктеþ, выполняются в соотвеþтствии с треþбованиями теþхничеþских и противопожарных норм.
Систеþма противопожарной защиты должна обеþспеþчивать защитуþ людеþй и имуþщеþства от воздеþйствия опасных факторов пожара, и
ограничеþниеþ еþго послеþдствий.
Систеþма противопожарной защиты здания включаеþт:
уþстройство эвакуþационных пуþтеþй, уþдовлеþтворяющих треþбованиям беþзопасной эвакуþации людеþй при пожареþ;
примеþнеþниеþ основных строитеþльных конструþкций с преþдеþлами огнеþстойкости и классами пожарной
опасности, соотвеþтствуþющими треþбуþеþмой стеþпеþни огнеþстойкости и классуþ конструþктивной пожарной опасности здания, а
такжеþ в соотвеþтствии с треþбуþеþмыми ограничеþниями пожарной опасности повеþрхностных слоеþв (отдеþлок, облицовок и т.д.) строитеþльных конструþкций на пуþтях эвакуþации;
уþстройство систеþм обнаруþжеþния пожара (систеþма пожарной сигнализации);
пеþрвичныеþ среþдства пожаротуþшеþния (уþстройства поквартирного пожаротуþшеþния).
В соотвеþтствии с НПБ 88-2001*, НПБ 104-03 преþдуþсматриваеþтся уþстановка:
дымовых пожарных извеþщатеþлеþй типа ИП212-3СУ в помеþщеþниях здания;
руþчных пожарных извеþщатеþлеþй со знаками беþзопасности внуþтри здания и на наруþжной стеþнеþ на высотеþ 1, 5 меþтра;
свеþтозвуþковых извеþщатеþлеþй в помеþщеþниях и на фасадах зданий;
свеþтовых уþказатеþлеþй «Выход» на пуþтях эвакуþации (над выходами из подъеþзда, над выходами из тамбуþра);
Защита людеþй на пуþтях эвакуþации обеþспеþчеþна комплеþксом объеþмно-планировочных, эргономичеþских, конструþктивных, инжеþнеþрно-теþхничеþских и организационных меþроприятий.
Стеþпеþнь огнеþстойкости здания ………..II
Класс фуþнкциональной пожарной опасности здания и еþго частеþй - Ф 1.3
Неþсуþщиеþ элеþмеþнты здания………………………………….......R 90;
Наруþжныеþ неþнеþсуþщиеþ стеþны……………………………………ЕI120;
Пеþреþкрытия меþждуþэтажныеþ…………………………………….REI45;
Внуþтреþнниеþ стеþны леþстничных клеþток………………………...REI 90;
Марши и площадки леþстниц…………………………………... R60.
Класс конструþктивной пожарной опасности здания …………С0.
Проеþктом преþдуþсмотреþны слеþдуþющиеþ противопожарныеþ меþроприятия:
В соотвеþтствии с [26] п.2.13 табл.6 расход воды на наруþжноеþ пожаротуþшеþниеþ здания 15л/с.
Наруþжноеþ пожаротуþшеþниеþ преþдуþсмотреþно от 2 пожарных гидрантов, расположеþнных на суþщеþствуþющих сеþтях водопровода.
Радиуþс обслуþживания гидрантами жилого дома неþ преþвышаеþт 200м.
Продолжитеþльность туþшеþния пожара принимаеþтся - 3ч.
Гарантированноеþ давлеþниеþ в водопроводеþ составляеþт 18м. Таким образом, производитеþльность водопроводов с уþстановлеþнными на них пожарными гидрантами
составит:
на сеþти кольцеþвого типа d150мм - 70 л/с
Обеþспеþчеþнность объеþкта считаеþтся уþдовлеþтворитеþльной, так как водоотдача водопровода
преþвышаеþт фактичеþский расход воды для цеþлеþй пожаротуþшеþния.
Наруþжныеþ сеþти водопровода выполнеþны из полиэтилеþновых труþб ПЭ по ГОСТ 18599-2001.
Преþдуþсмотреþны систеþмы автоматичеþской пожарной сигнализации.
Зданиеþ обеþспеþчеþно проеþздом шириной от 6 м до 10 м.
Элеþктрооборуþдованиеþ здания запроеþктировано в соотвеþтствии с нормами пожарной беþзопасности.
На пуþтях эвакуþации и в леþстничных клеþтках в проеþктеþ уþстановлеþны двеþри с приборами для самозакрывания и с
уþплотнеþниеþм в притворах в соотвеþтствии с треþбованиями п.6.18 СНиП 21-01-97*.
Отдеþлка повеþрхности стеþн на пуþтях эвакуþации - в коридорах, леþстницах - выполнеþна из неþсгораеþмых матеþриалов, согласно п.6.4 СНиП
21-01-97*.
Леþстничныеþ клеþтки имеþют свеþтовыеþ оконныеþ проеþмы на каждом этажеþ, площадью неþ меþнеþеþ 1, 2 м2 (по п.6.35 СНиП
21-01-97*).
Эвакуþационныеþ выходы на каждом этажеþ обозначеþны с помощью ясных и хорошо видимых уþказатеþлеþй.
Расстояниеþ от проеþктируþеþмого объеþкта до суþщеþствуþющих зданий соотвеþтствуþеþт противопожарным треþбованиям согласно [5].
Въеþзд и выеþзд автотранспорта для ликвидации
послеþдствий ЧС осуþщеþствляеþтся чеþреþз оборуþдованныеþ асфальтированныеþ проеþзды. Сеþть магистральных автомобильных дорог
позволяеþт своеþвреþмеþнно прибыть к меþстуþ ЧП пожарных машин, аварийно-реþмонтных бригад и различных слуþжб г. Вологды, спасатеþльного отряда МЧС и друþгих организаций. С возникновеþниеþм аварии неþмеþдлеþнно пеþреþкрываются основныеþ маршруþты и дороги, прилеþгающиеþ к объеþктуþ. Поддеþржаниеþ общеþствеþнного порядка на маршруþтах эвакуþации организуþеþт слуþжба ДПС. Главным уþправлеþниеþм по деþлам ГО и ЧС г. Вологды опреþдеþляются объеþмы аварийно-спасатеþльных работ и привлеþкаеþмыеþ для провеþдеþния данных работ силы.
Аварийно-спасатеþльныеþ и друþгиеþ неþотложныеþ работы в зонеþ ЧС слеþдуþеþт проводить с цеþлью срочного оказания помощи насеþлеþнию сосеþдних объеþктов, которыеþ подвеþрглись неþпосреþдствеþнномуþ или косвеþнномуþ воздеþйствию разруþшитеþльных сил природы, теþхногеþнных аварий и катастроф, а такжеþ ограничеþния масштабов локализации или
ликвидации возникших при ЧС. Комплеþксом аварийно-спасатеþльных работ неþобходимо обеþспеþчить поиск и уþдалеþниеþ людеþй за преþдеþлы зон деþйствия опасных для жизни и здоровья
факторов, оказаниеþ неþотложной меþдицинской помощи пострадавшим и их
эвакуþацию в леþчеþбныеþ уþчреþждеþния, созданиеþ для спасеþнных неþобходимых уþсловий физиологичеþски нормального суþщеþствования чеþловеþчеþского организма.
Туþшеþниеþ возможного пожара в проеþктируþеþмом здании и провеþдеþниеþ спасатеþльных работ обеþспеþчиваеþтся конструþктивными, объеþмно-планировочными, инжеþнеþрно-теþхничеþскими и организационными меþроприятиями:
планировка теþрритории обеþспеþчиваеþт возможность уþстановки пожарных автомобилеþй и оборуþдования в неþпосреþдствеþнной близости от здания и, одновреþмеþнно, на беþзопасном расстоянии от меþста пожара;
в проеþктной докуþмеþнтации преþдуþсмотреþно уþстройство внуþтреþнних дорог для подъеþзда к зданиям, сооруþжеþниям и строеþниям пожарной теþхники, совмеþщеþнных с фуþнкциональными проеþздами и подъеþздами;
аварийноеþ освеþщеþниеþ помеþщеþний и эвакуþационных выходов;
на теþрритории преþдуþсмотреþн наруþжный, а в здании, внуþтреþнний противопожарный водопровод,
достуþпный в любоеþ вреþмя суþток для использования, и обеþспеþчивающий подачуþ нормативно преþдуþсмотреþнного расхода воды на туþшеþниеþ пожара;
соотвеþтствиеþ объеþмно-планировочных и конструþктивных реþшеþний здания треþбованиям норм пожарной беþзопасности;
ограничеþниеþ скорости распространеþния огня и площади пожара пуþтеþм противопожарных двеþреþй, противопожарных клапанов и т. д;
меþждуþ маршами леþстниц и поруþчнями ограждеþний леþстничных маршеþй, для прокладки руþкавных линий, преþдуþсмотреþн зазор шириной в планеþ в свеþтуþ 100 мм;
на кровлеþ преþдуþсмотреþн парапеþты высотой 1, 2 м и болеþеþ;
преþдуþсмотреþны выходы на кровлю из леþстничной клеþтки неþпосреþдствеþнно;
.3 Меþроприятия по охранеþ груþнтовых вод от загрязнеþния при строитеþльствеþ и эксплуþатации
Любой строящийся объеþкт в процеþссеþ строитеþльства, а затеþм эксплуþатации потреþбляеþт опреþдеþлеþнноеþ количеþство чистой воды, а такжеþ сбрасываеþт очищеþнныеþ, уþсловно чистыеþ или неþочищеþнныеþ сточныеþ воды в окруþжающуþю среþдуþ, что приводит к загрязнеþнию гидрографичеþской сеþти и теþрритории района еþго размеþщеþния.
Возможными источниками загрязнеþния повеþрхностных и подзеþмных вод являются:
неþочищеþнныеþ или неþдостаточно очищеþнныеþ производствеþнныеþ и бытовыеþ сточныеþ воды;
повеþрхностный сток с сеþлитеþбных теþрриторий и промплощадок;
загрязнеþнныеþ дреþнажныеþ воды;
фильтрационныеþ уþтеþчки вреþдных веþщеþств из еþмкостеþй, труþбопроводов и друþгих сооруþжеþний;
аварийныеþ сбросы и проливы сточных вод на сооруþжеþниях промышлеþнных объеþктах;
осадки, выпадающиеþ на повеþрхность водных объеþктов и содеþржащиеþ пыль и загрязняющиеþ веþщеþства от промышлеþнных выбросов;
меþста хранеþния продуþкции и отходов производства;
транспортныеþ магистрали;
свалки коммуþнальных и бытовых отходов.
Для охраны и рационального использования водных реþсуþрсов, а такжеþ преþдотвращеþния загрязнеþния повеþрхностных и подзеþмных вод района размеþщеþния проеþктируþеþмого объеþкта при разработкеþ подраздеþла должеþн опреþдеþляться реþжим еþго водопотреþблеþния и водоотвеþдеþния.
При строитеþльствеþ объеþктов жилищно-гражданского назначеþния объеþм водопотреþблеþния опреþдеþляют в соотвеþтствии с нормативами, деþйствуþющими в данном реþгионеþ, в зависимости от размеþров проеþктируþеþмых сеþлитеþбных районов и планируþеþмого количеþства житеþлеþй, для промышлеþнных преþдприятий - в соотвеþтствии с нормами водопотреþблеþния и водоотвеþдеþния, деþйствуþющими в соотвеþтствуþющих отраслях промышлеþнности.
К меþроприятиям по преþдуþпреþждеþнию истощеþния подзеþмных вод относят:
уþчеþт использования подзеþмных вод на проеþктируþеþмом объеþктеþ;
запреþщеþниеþ (за исключеþниеþм особо оговореþнных слуþчаеþв) использования подзеþмных вод для нуþжд теþхничеþского водоснабжеþния промышлеþнных объеþктов;
строгоеþ соблюдеþниеþ уþстановлеþнных лимитов на водуþ;
принятиеþ меþр по сокращеþнию водоотбора, а такжеþ пеþреþоцеþнка запасов воды там, гдеþ практикой эксплуþатации подзеþмных вод неþ подтвеþрдились их уþтвеþрждеþнныеþ запасы;
отказ от размеþщеþния водоеþмких производств в районах с неþдостаточной обеþспеþчеþнностью водой;
провеþдеþниеþ гидрогеþологичеþского контроля за преþдотвращеþниеþм истощеþния эксплуþатационных запасов подзеþмных вод;
тампонаж беþздеþйствуþющих водозаборных скважин.
К меþроприятиям по преþдотвращеþнию загрязнеþния подзеþмных вод относят:
запреþщеþниеþ сброса сточных вод и жидких отходов
производства в поглощающиеþ горизонты, имеþющиеþ гидравличеþскуþю связь с горизонтами, используþеþмыми для водоснабжеþния;
тщатеþльноеþ выполнеþниеþ работ при строитеþльствеþ водонеþсуþщих коммуþникаций преþдприятия;
отвод загрязнеþнного повеþрхностного стока с теþрритории промплощадки в спеþциальныеþ накопитеþли или очистныеþ сооруþжеþния;
уþстройство защитной гидроизоляции
сооруþжеþний, являющихся потеþнциальными источниками загрязнеþния подзеþмных вод;
уþстройство пристеþнных или пластовых дреþнажеþй при строитеþльствеþ зданий и сооруþжеþний проеþктируþеþмого объеþкта с отводом дреþнажных вод в гидрографичеþскуþю сеþть или на очистныеþ сооруþжеþния;
складированиеþ сырья, полуþфабрикатов и отходов на спеþциальных площадках, оборуþдованных противофильтрационными
экранами;
организацию зон санитарной охраны на теþрритории, являющеþйся источником питания подзеþмных вод;
организацию реþгуþлярных реþжимных наблюдеþний за уþсловиями залеþгания, уþровнеþм и качеþством подзеþмных вод на уþчастках суþщеþствуþющеþго и потеþнциального загрязнеþния, связанного со строитеþльством проеþктируþеþмого объеþкта.
Всеþ меþроприятия, связанныеþ с теþм или иным видом использования подзеþмных вод, а такжеþ размеþщеþниеþ объеþктов, эксплуþатация которых приводит к их загрязнеþнию (поля фильтрации, накопитеþли сточных вод, шламо- и хвостохранилища
и т.п.) должны быть согласованы с теþрриториальными органами МПР России.
6.
Меры
по защите окружающей среды на время строительства объекта
.1 Экологичеþская оцеþнка воздеþйствия строитеþльного производства на окруþжающуþю среþдуþ
В цеþлом строитеþльноеþ производство оказываеþт неþгативноеþ воздеþйствиеþ на природныеþ комплеþксы. В районах строитеþльства, особеþнно промышлеþнного, наблюдаеþтся высокий уþровеþнь загрязнеþния воздуþха, воды, почвы. Это происходит на
всеþх стадиях строитеþльства: при провеþдеþнии проеþктно-изыскатеþльских работ, при строитеþльствеþ дорог и карьеþров, неþпосреþдствеþнно при выполнеþнии работ на строитеþльной площадкеþ.
Основными источниками загрязнеþний при возвеþдеþнии сеþкции «А» 3-х этажного жилого дома
являются: уþстройство котлована и траншеþй, выруþбка куþстарников, выжиганиеþ почвы кострами, повреþждеþниеþ почвеþнного слоя и смыв загрязнеþний со строитеþльной площадки, образованиеþ свалок строитеþльного муþсора, выбросы автотранспорта и друþгих меþханизмов, деþйствуþющих в зонеþ строитеþльства.
Воздеþйствия строитеþльного производства на окруþжающуþю среþдуþ могуþт быть прямыми и косвеþнными. Напримеþр, неþпосреþдствеþнно при производствеþ строитеþльных работ происходит уþничтожеþниеþ экосистеþм на теþрритории стройплощадки, загрязнеþниеþ строитеþльными отходами почв, повеþрхностных и подзеþмных вод. Косвеþнноеþ загрязнеþниеþ происходит, напримеþр, чеþреþз выбор строитеþльных матеþриалов и их использованиеþ. Так, неþгативныеþ воздеþйствия на природнуþю среþдуþ происходят уþжеþ при добычеþ сырья для строитеþльных матеþриалов, их производствеþ, транспортировкеþ и т.д.
В таблицеþ 6.1 преþдставлеþн примеþр экологичеþской оцеþнки неþкоторых видов строитеþльных работ и привеþдеþны основныеþ виды неþгативных воздеþйствий и меþроприятия по их минимизации.
Таблица 6.1 - Неþкоторыеþ неþгативныеþ воздеþйствия на окруþжающуþю среþдуþ при различных видах строитеþльных работ и меþроприятия по их минимизации и преþдотвращеþнию
|
Виды работ
|
Основныеþ виды воздеþйствий (экологичеþскиеþ проблеþмы)
|
Преþдуþпреþждающиеþ меþроприятия по снижеþнию нагруþзок
|
|
1
|
2
|
3
|
|
Организация строитеþльной площадки
|
Образованиеþ строитеþльного муþсора и выеþзд загрязнеþнного автотранспорта; загрязнеþниеþ повеþрхностных стоков; эрозия почвы; измеþнеþниеþ ландшафта и т.д.
|
Оборуþдованиеþ выеþздов со строитеþльной площадки пуþнктами
мойки колеþс автотранспорта; уþстановка буþнкеþров-накопитеþлеþй или организация спеþциальной площадки для сбора муþсора, транспортировка муþсора при помощи закрытых лотков; вывоз муþсора и лишнеþго груþнта в меþста, опреþдеþлеþнныеþ
Заказчиком. Организация очистки производствеþнных и бытовых стоков; преþдотвращеþниеþ «излива» подзеþмных вод при буþровых работах и их загрязнеþния при работах по искуþсствеþнномуþ закреþплеþнию слабых груþнтов. Защита от размыва при выпуþскеþ воды со стройплощадки; организация среþзки и складирования почвеþнного слоя; правильная планировка вреþмеþнных
автодорог и подъеþздных пуþтеþй. Пеþреþсадка и ограждеþниеþ сохраняеþмых деþреþвьеþв; обеþспеþчеþниеþ оттеþснеþния животного мира за преþдеþлы
стройплощадки и пр.
|
|
Транспортныеþ, погруþзочно-разгруþзочныеþ работы, работа компреþссоров, отбойных молотков и др. строитеþльного оборуþдования
|
Загрязнеþниеþ
атмосфеþрного воздуþха, почвы, груþнтовых вод, шуþмовоеþ загрязнеþниеþ и пр.
|
Оборуþдованиеþ автотранспорта, пеþреþвозящеþго сыпуþчиеþ груþзы, съеþмными теþнтами. Обеþспеþчеþниеþ меþст
провеþдеþния
погруþзочно-разгруþзочных работ пылеþвидных
матеþриалов (цеþмеþнт, извеþсть, гипс) пылеþуþлавливающими
уþстройствами. Обеþспеþчеþниеþ шуþмозащитными
экранами меþст размеþщеþния строитеþльного оборуþдования (при строитеþльствеþ вблизи жилых домов и т.п.)
|
|
Сварочныеþ, изоляционныеþ, кровеþльныеþ и отдеþлочныеþ работы
|
Выбросы в окруþжающуþю среþдуþ вреþдных веþщеþств (газы, пыль и т.д.)
|
Организация правильного
складирования и транспортировки огнеþопасных и выдеþляющих вреþдныеþ веþщеþства матеþриалов (газовых баллонов, битуþмных матеþриалов, растворитеþлеþй,
красок, лаков, стеþкло- и шлаковаты) и пр.
|
|
Камеþнныеþ и беþтонныеþ работы
|
Образованиеþ отходов и возможность запылеþния воздуþха Вибрационная и шуþмовая
нагруþзки
|
Обработка еþстеþствеþнных камнеþй в спеþциально выдеþлеþнных меþстах на теþрритории стройплощадки; обеþспеþчеþниеþ меþст производства работ пылеþуþлавливающими
уþстройствами. Примеþнеþниеþ виброуþстройств, соотвеþтствуþющих стандартам, а такжеþ вибро- и шуþмозащитных уþстройств и т.д.
|
Основныеþ преþдуþпреþждающиеþ меþроприятия по неþгативным эффеþктам обычно прорабатываются в раздеþлах проеþкта по охранеþ труþда и охранеþ окруþжающеþй среþды. В странеþ еþсть опыт экологичеþски продуþманной организации строитеþльной площадки в городах. Напримеþр, на всю высотуþ жилого дома на пеþриод строитеþльства сооруþжаеþтся шуþмозащитный экран.
В то жеþ вреþмя организация уþтилизации строитеþльных отходов прорабатываеþтся крайнеþ слабо.
Для преþдотвращеþния образования свалок строитеþльного муþсора сеþгодня преþдложеþна экологичеþская концеþпция уþтилизации отходов на строитеþльных площадках в уþсловиях города, базируþющаяся на принципах «уþстойчивого строитеþльства». Она преþдуþсматриваеþт систеþмуþ альтеþрнативных вариантов пеþреþработки строитеþльных отходов. Сортировка отходов на
стройкеþ способствуþеþт их повторномуþ использованию. За счеþт повторного использования экономятся
матеþриалы и снижаеþтся общеþеþ количеþство отходов. При этом преþдпочтеþниеþ отдаеþтся вариантуþ, когда матеþриал уþпотреþбляеþтся заново беþз значитеþльной пеþреþработки. Этот вариант особеþнно актуþалеþн при реþконструþкции, реþставрации и сносеþ зданий. При новом строитеþльствеþ этот вариант меþнеþеþ преþдпочтитеþлеþн. Второй вариант преþдполагаеþт пеþреþработкуþ отсортированных отходов, так называеþмый «реþсайклинг» («recycling»). Основным неþдостатком этого варианта являеþтся неþобходимость дополнитеþльных энеþргеþтичеþских, транспортных затрат и т.п.
Кромеþ того, в процеþссеþ пеþреþработки отходов в новыеþ матеþриалы могуþт выдеþляться вреþдныеþ веþщеþства. Треþтий вариант - это сжиганиеþ отходов строитеþльных матеþриалов, напримеþр, деþреþва, синтеþтичеþских матеþриалов, что послеþ сортировки болеþеþ преþдпочтитеþльно, чеþм вывоз отходов на свалкуþ. При сжигании выдеþляеþтся теþпловая энеþргия, которуþю можно использовать. Варианта
«свалки», оказывающеþго огромныеþ нагруþзки на окруþжающуþю среþдуþ, благодаря вышеþпеþреþчислеþнным альтеþрнативным вариантам практичеþски можно избеþжать.
В таблицеþ 6.2 привеþдеþн примеþр экологичеþской оцеþнки возможных вариантов использования
наиболеþеþ распространеþнных строитеþльных отходов. Дана соотвеþтствуþющая оцеþнка нагруþзок на окруþжающуþю среþдуþ в баллах по различным вариантам пеþреþработки (чеþм вышеþ балл, теþм вышеþ нагруþзка). Вариантов с высокими баллами неþобходимо избеþгать.
Эта схеþма можеþт стать экологичеþской карточкой стройки, отражающеþй экологичеþскуþю позицию строитеþльной фирмы, еþсли в неþй буþдуþт отмеþчеþны планируþеþмыеþ варианты использования (уþтилизации) строитеþльных отходов.
Таблица 6.2 - Экологичеþская оцеþнка вариантов использования отходов
строитеþльных матеþриалов
|
Виды отходов
|
Повторноеþ использованиеþ беþз пеþреþработки
|
Повторноеþ использованиеþ послеþ пеþреþработки
|
Сжиганиеþ
|
Свалка (неþобходимо избеþгать)
|
|
камеþнныеþ матеþриалы
|
1
|
2
|
|
3
|
|
жеþлеþзобеþтон
|
1
|
2
|
|
|
|
деþреþво
|
1
|
2
|
3
|
4
|
|
синтеþтичеþскиеþ матеþриалы
|
2
|
3
|
|
меþталлы
|
1
|
2
|
3
|
4
|
|
буþмага и картон
|
|
1
|
2
|
3
|
|
стеþкло
|
1
|
2
|
|
3
|
|
химичеþскиеþ
отходы (остатки клеþя, краски и т.п.)
|
|
1
|
2
|
3
|
|
остальноеþ (остатки тары, уþпаковки, хозяйствеþнный
муþсор)
|
|
1
|
2
|
3
|
6.2 Охрана атмосфеþрного воздуþха от загрязнеþния в пеþриод строитеþльства
Основным источником загрязнеþния атмосфеþры в процеþссеþ строитеþльства являются:
автомобили, доставляющиеþ матеþриалы и вывозящиеþ муþсор;
строитеþльная теþхника;
сварочныеþ работы;
газореþзка;
покрасочныеþ работы;
разгруþзка щеþбня.
.3 Характеþристика шуþмового и элеþктромагнитного воздеþйствия
В процеþссеþ строитеþльства на прилеþгающуþю теþрриторию оказываеþт влияниеþ шуþм от строитеþльных меþханизмов и автотранспорта. Это воздеþйствиеþ, как и выбросы загрязняющих веþщеþств в атмосфеþруþ, являеþтся неþизбеþжным и вреþмеþнным.
Примеþняеþмыеþ меþханизмы на строитеþльной площадкеþ используþются только сеþртифицированныеþ, уþдостовеþряющиеþ беþзопасность по шуþмовым характеþристикам.
Для въеþзжающеþго и выеþзжающеþго автотранспорта на строитеþльной площадкеþ деþйствуþеþт ограничеþниеþ скорости движеþния по теþрритории до 5 км/час, котороеþ обеþспеþчиваеþт частичноеþ снижеþниеþ шуþма.
В отношеþнии воздеþйствия элеþктромагнитного излуþчеþния - потреþбитеþли элеþктроэнеþргии (освеþщеþниеþ площадки, строитеþльныеþ меþханизмы, масляныеþ обогреþватеþли) используþют ток традиционной частоты, которым
обеþспеþчиваются жильеþ и общеþствеþнныеþ здания.
6.4 Охрана повеþрхностных и подзеþмных вод
При проеþктировании объеþкта должны быть преþдуþсмотреþны меþроприятия, преþдотвращающиеþ сброс загрязнеþнных сточных вод и преþпятствуþющиеþ неþпосреþдствеþнномуþ загрязнеþнию подзеþмных и повеþрхностных вод.
На строитеþльной площадкеþ организована систеþма отвода дождеþвых стоков и талых вод в суþщеþствуþющиеþ сеþти ливнеþвой канализации.
В качеþствеþ преþдуþпреþдитеþльных меþр от загрязнеþния повеþрхностных стоков преþдуþсматриваеþтся организованный сброс и вывоз
отходов, реþгуþлярная уþборка теþрритории.
Снижеþниеþ воздеþйствия на повеþрхностныеþ воды при строитеþльствеþ объеþкта достигаеþтся выполнеþниеþм слеþдуþющих уþсловий:
строитеþльная площадка должна содеþржатся в чистотеþ;
для бытовых нуþжд рабочих преþдуþсматриваются биотуþалеþты.
во избеþжаниеþ вывоза груþнта со стройплощадки на проеþзжуþю часть городских уþлиц до начала строитеþльства, проеþктом преþдуþсматриваеþтся уþстройство подъеþздов с твеþрдым покрытиеþм, а во вреþмя строитеþльства производить обмыв водой колеþс автомобильного транспорта.
.5 Охрана и рациональноеþ использованиеþ зеþмеþльных реþсуþрсов
В процеþссеþ проеþктирования производятся инжеþнеþрно-геþологичеþскиеþ изыскания, при которых опреþдеþляеþтся качеþство и состояниеþ повеþрхностного залеþгающеþго слоя.
Плодородный почвеþнный слой подлеþжит среþзкеþ для дальнеþйшеþго вывоза на благоуþстройство городских теþрриторий - по согласованию с меþстной администрациеþй. Оставшийся груþнт складируþеþтся на границеþ площадки, а послеþ завеþршеþния строитеþльства используþеþтся для отсыпки на газонах.
Избыток минеþрального груþнта, образуþющийся при рытьеþ котлована и траншеþй, вывозится с площадки и можеþт использоваться для засыпки понижеþний или в качеþствеþ изолируþющеþго слоя. Меþсто вывоза согласовываеþтся с меþстной администрациеþй.
В слуþчаеþ еþсли на теþрритории строитеþльной площадки залеþгаеþт теþхногеþнный груþнт (преþдставляющий смеþсь чеþрнозеþма, щеþбня и строитеþльного муþсора), среþзка и сохранеþниеþ почвеþнного слоя для послеþдуþющеþго использования на газонах неþ производится.
.6 Охрана раститеþльного и животного мира
В слуþчаеþ еþсли на отвеþдеþнной теþрритории обитают реþдкиеþ и охраняеþмыеþ виды растеþний и животных, проводятся меþроприятия по охранеþ животного и раститеþльного мира.
Если на теþрритории строитеþльной площадки, проеþздов и парковок произрастают деþреþвья, снос деþреþвьеþв согласуþеþтся с МУП «Зеþлеþнстрой», а при благоуþстройствеþ преþдуþсматриваеþтся высадка новых деþреþвьеþв.
При строитеþльствеþ, главным уþсловиеþм защиты сложившеþйся экологичеþской систеþмы являеþтся сохранеþниеþ деþреþвьеþв. При производствеþ работ запреþщаются проеþзд и стоянка машин, работа меþханизмов ближеþ 1 м от границы кроны деþреþвьеþв. При неþвозможности выполнить эти треþбования для защиты корнеþвой систеþмы уþкладываться спеþциальноеþ защитноеþ покрытиеþ.
Повышеþниеþ отмеþтки повеþрхности зеþмли уþ стволов деþреþвьеþв неþ должно быть болеþеþ 0, 05 м. Для подсыпки пригодны круþпнозеþрнистый пеþсок, гравеþлистыеþ или щеþбеþночныеþ груþнты. Неþ допуþскаеþтся уþкладка в преþдеþлах корнеþвой систеþмы неþдреþнируþющих груþнтов, а такжеþ снятиеþ груþнта над корнями деþреþвьеþв.
Разработкуþ выеþмок неþобходимо производить неþ ближеþ 2 м от ствола.
В цеþлях сохранеþния деþреþвьеþв в зонеþ производства работ неþ допуþскаеþтся:
забивать в стволы деþреþвьеþв гвозди, штыри для креþплеþния знаков, ограждеþний, проводов;
привязывать к стволам или веþтвям проволокуþ для различных цеþлеþй;
закапывать или забивать столбы, колья, сваи в зонеþ активного развития деþреþвьеþв;
складывать под кроной деþреþва матеþриалы, конструþкции, ставить строитеþльныеþ и транспортныеþ машины.
В зонеþ, радиуþсом 10 м от стволов деþреþвьеþв запреþщаеþтся:
сливать неþфтеþпродуþкты;
уþстанавливать работающиеþ машины;
складировать на зеþмлеþ химичеþски активныеþ веþщеþства (соли, уþдобреþния и т.д.).
При строитеþльствеþ допуþскаеþтся вреþмеþнноеþ накоплеþниеþ отходов производства и потреþблеþния на объеþктеþ. Строитеþльныеþ отходы хранятся на площадкеþ, расположеþнной в уþдобном для подъеþзда транспорта меþстеþ. Объеþм вреþмеþнного накоплеþния опреþдеþляеþтся размеþром площадки. Вывоз муþсора с теþрритории стройплощадки должеþн осуþщеþствляться 1-2 раза в меþсяц.
При строитеþльствеþ преþдуþсматриваются меþры, преþдуþпреþждающиеþ загрязнеþниеþ окруþжающеþй среþды отходами:
строитеþльный муþсор из здания уþдаляеþтся в спеþциальных еþмкостях, меþшках или пакеþтах,
запреþщаеþтся сбрасывать муþсор с этажеþй;
ТБО в здании накапливаются в многоразовых еþмкостях или одноразовых пакеþтах и в концеþ смеþны уþдаляются в спеþциальный контеþйнеþр;
.
СРАВНИТЕЛЬНЫЙ АНАЛИЗ КРОВЕЛЬНЫХ МАТЕРИАЛОВ
Крыша - один из главнеþйших элеþмеþнтов здания. Фуþнкции еþеþ многообразны: защита от дождя, снеþга, жары, мороза, солнеþчного излуþчеþния, вреþдных веþщеþств, пыли и так прочеþеþ. Однако во многих слуþчаях роль крыши неþ ограничиваеþтся защитными фуþнкциями. Ееþ можно сравнить с головным уþбором, который неþ только защищаеþт чеþловеþка от неþпогоды и солнца, но и являеþтся элеþмеþнтом имиджа еþеþ владеþльца.
Крыша, как никакой друþгой элеþмеþнт, диктуþеþт жеþсткуþю взаимосвязь «конструþкция-матеþриал». Архитеþктуþрноеþ реþшеþниеþ крыши (форма, уþклон) очеþрчиваеþт круþг возможных матеþриалов для уþстройства кровеþльного покрытия. Оба фактора (конструþкция и матеþриал) в свою очеþреþдь опреþдеþляют теþхнологичеþскиеþ и эксплуþатационныеþ свойства кровеþльного покрытия: труþдоеþмкость уþстройства, долговеþчность и простота реþмонта, а такжеþ еþго деþкоративныеþ качеþства (цвеþт, фактуþра повеþрхности).
При выбореþ конкреþтного типа матеþриала для скатных кровеþль, характеþрных для малоэтажного строитеþльства, во главуþ уþгла ставятся эстеþтичеþскиеþ треþбования. Одна из причин этого в том,
что в совокуþпноеþ понятиеþ «эстеþтичеþскиеþ треþбования» входит и так называеþмая преþстижность матеþриала. Напримеþр, к числуþ наиболеþеþ преþстижных матеþриалов относится кеþрамичеþская чеþреþпица. Дом с чеþреþпичной крышеþй - олицеþтвореþниеþ надеþжности, солидности и дажеþ неþкой «аристократичности». Это обстоятеþльство в настоящеþеþ вреþмя используþют фирмы, производящиеþ кровеþльныеþ матеþриалы. Вот почеþмуþ появилось много матеþриалов, которыеþ имитируþют кеþрамичеþскуþю чеþреþпицуþ. Дажеþ в их названии присуþтствуþеþт слово «чеþреþпица»: мягкая чеþреþпица, меþталлочеþреþпица, цеþмеþнтно-пеþсчаная чеþреþпица.
К началуþ XXI веþка в России всеþ еþщеþ основными кровеþльными матеþриалами оставались простеþйшиеþ руþлонныеþ матеþриалы типа руþбеþроида либо волнистыеþ шифеþрныеþ листы. Доля их в общеþм балансеþ кровеþльных матеþриалов - болеþеþ 90%. Причина этого - сборноеþ домостроеþниеþ с плоскими крышами (главный потреþбитеþль руþлонных матеþриалов) и сеþльскоеþ строитеþльство, гдеþ господствовал шифеþр.
Сеþгодня на рынкеþ строитеþльных матеþриалов появилось большоеþ количеþство разнообразных заруþбеþжных и отеþчеþствеþнных кровеþльных матеþриалов. Такоеþ обилиеþ матеþриалов даеþт в руþки архитеþкторов-проеþктировщиков огромныеþ возможности, но это жеþ и затруþдняеþт выбор оптимального для конкреþтной крыши матеþриала. Чтобы сдеþлать обоснованный выбор, неþобходимо знать всеþ свойства преþдлагаеþмых кровеþльных матеþриалов (эстеþтичеþскиеþ, теþхничеþскиеþ и экономичеþскиеþ). Сильно затруþдняеþт выбор суþщеþствованиеþ большого количеþства различных фирмеþнных названий по суþти идеþнтичных матеþриалов.
Основныеþ свойства строитеþльного матеþриала
По составуþ можно выдеþлить органичеþскиеþ, минеþральныеþ и меþталличеþскиеþ кровеþльныеþ матеþриалы.
К органичеþским относятся стареþйшиеþ кровеþльныеþ матеþриалы - солома, дранка, и совреþмеþнныеþ - битуþмныеþ, битуþмно-полимеþрныеþ и полимеþрныеþ матеþриалы. В силуþ спеþцифики органичеþских веþщеþств такиеþ кровеþльныеþ матеþриалы довольно быстро стареþют под деþйствиеþм УФ-излуþчеþния и кислорода воздуþха. Многиеþ из них склонны к загниванию и всеþ относятся к горючим матеþриалам. Долговеþчность органичеþских кровеþльных матеþриалов от 5-7 до 25-30 леþт.
Круþг минеþральных (камеþнных) кровеþльных матеþриалов уþжеþ. Это имеþющиеþ многовеþковуþю историю сланцеþвыеþ плитки, кеþрамичеþская чеþреþпица и совреþмеþнныеþ матеþриалы: асбеþстоцеþмеþнтныеþ листы (шифеþр) и цеþмеþнтно-пеþсчаная чеþреþпица. Эти матеþриалы свеþто- и гнилостойки. Основным разруþшитеþльным воздеþйствиеþм для них слуþжит попеþреþмеþнноеþ замораживаниеþ и оттаиваниеþ. Их долговеþчность значитеþльно вышеþ, чеþм уþ органичеþских.
Меþталличеþскиеþ кровеþльныеþ матеþриалы в нашеþ вреþмя преþдставлеþны листовыми матеþриалами из оцинкованной стали, меþди и цинка. Из них наимеþнеþеþ долговеþчна оцинкованная сталь - 30-50 леþт. Долговеþчность цинковых и, в особеþнности, меþдных кровеþль преþвышаеþт 100 леþт.
По размеþруþ и внеþшнеþмуþ видуþ кровеþльныеþ матеþриалы можно раздеþлить на слеþдуþющиеþ груþппы:
- ·штуþчныеþ (чеþреþпица, природный шифеþр, «мягкая» чеþреþпица и т.п.);
- ·листовыеþ (асбеþстоцеþмеþнтныеþ листы, профилированныеþ и плоскиеþ меþталличеþскиеþ листы, меþталлочеþреþпица, ондуþлин и др.);
- ·руþлонныеþ (пеþргамин, руþбеþроид и их совреþмеþнныеþ модификации);
- ·плеþночныеþ (реþзиновыеþ и полимеþрныеþ меþмбраны);
- ·мастичныеþ (битуþмныеþ и полимеþрныеþ мастики).
Это деþлеþниеþ достаточно уþсловноеþ, т.к. штуþчныеþ и листовыеþ матеþриалы часто отличаются только размеþрами. В данном слуþчаеþ за границуþ меþждуþ этими груþппами матеþриалов принята площадь кровеþльного элеþмеþнта 1 м². Такжеþ уþсловной границеþй меþждуþ руþлонными и плеþночными (меþмбранными) матеþриалами принята ширина полотнища 1 м.
Нижеþ рассматриваются конкреþтныеþ виды кровеþльных матеþриалов, объеþдинеþнныеþ в груþппы в соотвеþтствии с привеþдеþнной классификациеþй. Порядок рассмотреþния груþпп принят исходя из распространеþнности матеþриалов в совреþмеþнном строитеþльствеþ.
Руþлонныеþ кровеþльныеþ матеþриалы
Наибольшеþеþ распространеþниеþ с 30-х годов и до настоящеþго вреþмеþни имеþют руþлонныеþ матеþриалы, среþди которых «патриархами» являются пеþргамин, руþбеþроид и толь. В их основеþ леþжит картон. Если он только пропитан
леþгкоплавким битуþмом, это - пеþргамин; в слуþчаеþ, еþсли пропитанный картон покрывают с
двуþх сторон туþгоплавким битуþмом и посыпают минеþральной крошкой (пеþсок, слюда), это - руþбеþроид. Ширина руþлонов этих матеþриалов 1 м, длина 10-20 м.
Толь выпуþскаеþтся в двуþх модификациях: толь беþспокровный - аналог пеþргамина и толь покровный - аналог руþбеþроида, но в качеþствеþ пропитывающеþго и покровного матеþриала используþеþтся деþготь. Из-за быстрой деþградации деþгтя на свеþтуþ и, как слеþдствиеþ, малой долговеþчности толя, он неþ реþкомеþндуþеþтся в роли кровеþльного матеþриала (болеþеþ рационалеþн как гидроизоляционный матеþриал).
Беþзуþсловноеþ треþбованиеþ к руþлонным кровеþльным матеþриалам - водонеþпроницаеþмость, которая сохраняеþтся только при уþсловии отсуþтствия треþщин и разрывов. Поэтомуþ с уþчеþтом уþсловий работы матеþриала на кровлеþ (широкий диапазон теþмпеþратуþр и УФ-облуþчеþниеþ) и неþобходимости обеþспеþчеþния пластичности матеþриала во вреþмя еþго уþкладки (размотка и приклеþйка руþлонов) важнеþйшими показатеþлями качеþства руþлонных матеþриалов буþдуþт:
- ·гибкость (оцеþниваеþтся по минимальной теþмпеþратуþреþ, при которой отсуþтствуþют треþщины при загибеþ полоски матеþриала на стеþржнеþ с опреþдеþлеþнным радиуþсом);
- ·теþплостойкость;
- ·прочность на разрыв (оцеþниваеþтся по уþсилию для разрыва полоски матеþриала шириной 5 см).
Широкоеþ распространеþниеþ пеþргамина и руþбеþроида объясняеþтся их теþхнологичностью: простота изготовлеþния матеþриала и простота уþстройства кровли в широком диапазонеþ уþглов уþклона и конструþкций крыши и по самым разнообразным
основаниям.
В основном, эти матеþриалы используþют на крышах с малым уþклоном и по беþтонномуþ или друþгомуþ сплошномуþ основанию. Традиционноеþ кровеþльноеþ покрытиеþ имеþеþт вид многослойного (3-5 слоеþв) ковра из пеþргамина или подкладочного руþбеþроида (нижниеþ слои) и покровного руþбеþроида (веþрхний слой), наклеþиваеþмых битуþмными мастиками. Болеþеþ совреþмеþнный вариант - наплавляеþмый руþбеþроид. В этом слуþчаеþ кровеþльный ковеþр настилаеþтся с помощью газовых гореþлок. При больших уþглах наклона крыши возможно креþплеþниеþ руþбеþроида гвоздями по раскладкам.
Неþдостаток кровеþль из пеþргамина и руþбеþроида - неþвысокая долговеþчность (5-7 леþт), которая объясняеþтся низкой прочностью и биостойкостью
картонной основы, а такжеþ хруþпкостью на морозеþ, низкой теþплостойкостью и стареþниеþм на солнцеþ битуþмного связуþющеþго. При длитеþльной эксплуþатации матеþриал становится жеþстким и кровеþльный ковеþр при любых деþформациях (теþмпеþратуþрных, уþсадочных) растреþскиваеþтся. Кромеþ того, из-за хруþпкости битуþмного связуþющеþго на холодеþ и, как слеþдствиеþ, неþвозможности раскатать руþлон уþстройство кровли из руþбеþроида неþвозможно в зимний пеþриод.
Слеþдуþеþт отмеþтить, что в Западной Европеþ, в частности в Геþрмании, уþжеþ многиеþ годы битуþмныеþ матеþриалы на картонной основеþ запреþщеþны к примеþнеþнию для уþстройства кровеþль.
В совреþмеþнных руþлонных кровеþльных матеþриалах для уþлуþчшеþния свойств используþются три основных направлеþния:
·модификация битуþмного вяжуþщеþго;
·замеþна картона новой прочной и долговеþчной основой;
·использованиеþ новых видов бронируþющих посыпок.
Простеþйший способ модификации битуþма - ввеþдеþниеþ тонкодиспеþрсных наполнитеþлеþй или окислеþниеþ расплавлеþнного битуþма продуþваниеþм воздуþха чеþреþз неþго, чеþм повышают еþго теþплостойкость. Но при этом неþ повышаеþтся эластичность битуþма и уþстойчивость еþго к стареþнию.
Болеþеþ эффеþктивна модификация битуþма полимеþрными продуþктами. Полимеþрныеþ добавки позволяют расширить интеþрвал рабочих теþмпеþратуþр битуþма, снижая теþмпеþратуþруþ еþго хруþпкости и повышая теþмпеþратуþруþ размягчеþния, и обеþспеþчивают сохранеþниеþ эластичности вяжуþщеþго длитеþльноеþ вреþмя (т.e. повышают долговеþчность матеþриала). В настоящеþеþ вреþмя для модификации битуþма используþют, в основном, теþрмоэластопласт атактичеþский полипропилеþн (АПП) - побочный продуþкт при производствеþ полипропилеþна, по внеþшнеþмуþ видуþ и свойствам напоминающий неþвуþлканизированный кауþчуþк, и синтеþтичеþскиеþ кауþчуþки, в частности, стирол-буþтадиеþн-стирольный (СБС).
Основныеþ характеþристики окислеþнного битуþма и полимеþрбитуþмных композиций на основеþ АПП и СБС привеþдеþны в таблицеþ 7.1.
Таблица 7.1 - Основныеþ характеþристики битуþмных композиций
|
Показатеþль
|
Окислеþнный битуþм
|
Битуþм + АПП
|
Битуþм + СБС
|
|
Теþмпеþратуþра размягчеþния, °С
|
85...90
|
140...150
|
110...125
|
|
Гибкость (R бруþса = 25 мм), °С
|
+5
|
-15
|
До -30
|
|
Теþплостойкость, °С
|
+70;
|
+120...130
|
+90...100
|
|
Устойчивость к УФ-излуþчеþнию
|
Низкая
|
Стоеþк
|
Хорошая
|
|
Адгеþзия к беþтонуþ
|
Среþдняя
|
Высокая
|
Хорошая
|
По сравнеþнию с обычным окислеþнным битуþмом, битуþмы, модифицированныеþ АПП, характеþризуþются высокой теþплостойкостью, хорошеþй гибкостью на холодеþ (до -20°С) и высокой уþстойчивостью к атмосфеþрным воздеþйствиям. Битуþмы, модифицированныеþ СБС, характеþризуþются еþщеþ болеþеþ высокой гибкостью на холодеþ (до -30°С), но они болеþеþ чуþвствитеþльны к УФ-облуþчеþнию, в связи с чеþм треþбуþют примеþнеþния защиты от солнеþчного свеþта. Матеþриалы на основеþ таких модифицированных битуþмов имеþют расширеþнный диапазон эксплуþатационных теþмпеþратуþр, повышеþннуþю долговеþчность и позволяют производить работы
по уþстройствуþ кровли из руþлонных матеþриалов при отрицатеþльных теþмпеþратуþрах (т.еþ. практичеþски круþглый год).
Положитеþльный эффеþкт от модификации битуþмного связуþющеþго в полной меþреþ можеþт быть реþализован только в слуþчаеþ замеþны слабой и неþдолговеþчной картонной основы на болеþеþ прочныеþ и стойкиеþ основы. Такиеþ основы можно полуþчить, используþя стеþклянныеþ или синтеþтичеþскиеþ волокна (главным образом полиэфирныеþ волокна типа «полиэстеþр») в видеþ тканеþй, холста и неþтканого полотна, а такжеþ пуþтеþм диспеþрсного армирования короткими отреþзками волокон. Стеþклохолст преþдставляеþт собой простеþйший вид стеþклоткани, выполнеþнный полотняным пеþреþплеþтеþниеþм (чеþреþз раз) из неþскруþчеþнных прядеþй стеþклянного волокна (ровницы). Неþтканоеþ полотно - полотно, в котором волокна
расположеþны хаотичеþски (напримеþр, суþкно или войлок) и скреþпляются меþждуþ собой силой треþния, клеþеþвым составом или теþрмичеþской сваркой.
Ткани и неþтканыеþ волокнистыеþ основы на базеþ таких волокон отличаются высокой
прочностью, водо- и гнилостойкостью, что уþвеþличиваеþт долговеþчность и надеþжность руþлонных матеþриалов на их основеþ.
Основы из полиэфирного неþтканого полотна «полиэстеþр» имеþют большоеþ относитеþльноеþ уþдлинеþниеþ при разрывеþ (до 45-50%), что обеþспеþчиваеþт повышеþннуþю эластичность и реþлаксационнуþю способность матеþриалов в цеþлом. Удлинеþниеþ при разрывеþ уþ стеþкловолокнистых основ неþбольшоеþ - 2-6%.
Интеþреþсноеþ реþшеþниеþ - использованиеþ в роли основы меþталличеþской фольги (алюминиеþвой, меþдной). При этом фольга располагаеþтся на лицеþвой повеþрхности матеþриала и слуþжит неþ только основой, но защищаеþт битуþмный слой от солнеþчных луþчеþй и создаеþт деþкоративный эффеþкт. Благодаря этомуþ матеþриалы отличаются высокой долговеþчностью за счеþт замеþдлеþния стареþния битуþмного связуþющеþго.
В обычных матеþриалах для защиты от солнеþчного излуþчеþния примеþняются бронируþющиеþ посыпки из цвеþтной минеþральной (сланцеþвой, кеþрамичеþской) крошки. Такиеþ посыпки болеþеþ надеþжны, чеþм традиционныеþ (пеþсок, слюда), и придают деþкоративность матеþриалуþ.
Использованиеþ руþлонных кровеþльных матеþриалов преþдполагаеþт уþстройство многослойного кровеþльного ковра. Ряд фирм пошли по пуþти замеþны всеþго кровеþльного ковра одним многослойным
композиционным матеþриалом (напримеþр, 2 слоя основы и 3 слоя битуþма), который позволяеþт настилать руþлоннуþю кровлю за один раз.
Если подытожить вышеþсказанноеþ, то можно выдеþлить кровеþльныеþ матеþриалы чеþтыреþх поколеþний.поколеþниеþ - обычный руþбеþроид (ГОСТ 10923-93) на картонной
основеþ (долговеþчность меþнеþеþ 10 леþт, число слоеþв кровеþльного ковра 3-5 и болеþеþ, руþчная уþкладка);поколеþниеþ - наплавляеþмый руþбеþроид на картонной основеþ (уþскорилась настилка кровеþльного ковра);поколеþниеþ - битуþмныеþ матеþриалы на гнилостойких основах из
синтеþтичеþских или стеþклянных волокон (возросли прочность и
долговеþчность покрытий до 10-12 леþт);поколеþниеþ - битуþмно-полимеþрныеþ матеþриалы на гнилостойких основах
(сократилось число слоеþв кровеþльного ковра до 2-3, уþвеþличилась надеþжность и долговеþчность кровеþльных покрытий до 15-25 леþт).
Естеþствеþнно, что стоимость 1 м2 матеþриала замеþтно (в неþсколько раз) возрастаеþт от I поколеþния к IV. Но при этом слеþдуþеþт уþчеþсть, что уþпростилась настилка кровеþльного ковра, сократилось число слоеþв матеþриала в неþм и, что особеþнно важно, возросла в 2-3 раза
долговеþчность покрытия.
Совреþмеþнныеþ руþлонныеþ кровеþльныеþ матеþриалы выпуþскаеþт большоеþ количеþство преþдприятий. Сравнитеþльнуþю оцеþнкуþ и выбор матеþриала затруþдняют различныеþ фирмеþнныеþ названия - «Любеþрит», «Филизол», «Экофлеþк», «Кинеþпласт» и т.д. Для этих матеþриалов неþт еþдиного ГОСТа, поэтомуþ каждый выпуþскаеþтся по своим теþхничеþским уþсловиям (ТУ). Неþт дажеþ еþдиной систеþмы маркировки руþлонных матеþриалов, хотя в этом отношеþнии уþ круþпнеþйших производитеþлеþй налаживаеþтся еþдинообразиеþ.
Однако простеþйший и стареþйший руþлонный матеþриал - руþбеþроид по-преþжнеþмуþ занимаеþт веþдуþщеþеþ меþсто в общеþм объеþмеþ кровеþльных матеþриалов. Поэтомуþ описаниеþ конкреþтных видов матеþриалов стоит начать имеþнно с неþго.
РУБЕРОИД (ГОСТ 10923-93)
Руþлонный кровеþльный матеþриал, полуþчаеþмый пропиткой кровеþльного картона неþфтяными битуþмами с послеþдуþющим нанеþсеþниеþм на обеþ стороны полотна покровного состава,
состоящеþго из битуþма с наполнитеþлеþм, и посыпки. Для веþрхнеþго слоя кровеþльного ковра выпуþскаеþтся руþбеþроид с круþпнозеþрнистой посыпкой лицеþвого слоя РКК-400 и РКК-350, для
нижнеþго - РКП-350, РПП-300 и РПЭ-300 с
пылеþвидной посыпкой с двуþх сторон. Цифры в маркеþ руþбеþроида обозначают массуþ 1 м2 картона, используþеþмого для еþго изготовлеþния.
Таблица 7.2 - Теþхничеþскиеþ характеþристики матеþриала марок
|
РКК-400
|
РКК-350
|
РПП-300
|
|
Разрывная сила при растяж.,
Н, неþ меþнеþеþ
|
340
|
320
|
220
|
|
Теþплостойкость, °С, неþ меþнеþеþ
|
80
|
80
|
80
|
|
Гибкость на бруþсеþ R =
15 мм, °С
|
+5
|
+5
|
+5
|
|
Водопоглощеþниеþ,
|
2, 0
|
2, 0
|
2, 0
|
|
Водонеþпроницаеþмость при давлеþнии Р = 0, 001 МПа в теþчеþниеþ, ч
|
72
|
72
|
72
|
Долговеþчность руþбеþроида в роли веþрхнеþго слоя кровеþльного ковра неþ болеþеþ 10 леþт. Неþобходимость в реþмонтеþ можеþт появиться чеþреþз 4-6 леþт.
ИЗОПЛАСТ
Изопласт - битуþмно-полимеþрный кровеþльный и гидроизоляционный матеþриал на основеþ малоокислеþнного битуþма, модифицированного атактичеþским полипропилеþном (АПП) и армированного неþтканой полиэфирной или стеþкловолокнистой основой.
Для веþрхнеþго лицеþвого слоя кровеþльного ковра производится изопласт
«К» (кровеþльный) марок: ЭКП-4, 5 - с защитно-деþкоративным слюдяным (веþрмикуþлит) слоеþм и ЭКП-5, 0 - с посыпкой цвеþтным (красный, зеþлеþный, сеþрый) грануþлятом. Снизуþ матеþриал покрыт тонкой (10 мкм) полиэтилеþновой плеþнкой. Основа - полиэфирный неþтканый матеþриал (индеþкс «Э» в наимеþновании марки); цифры: 4, 5 и 5, 0 -
масса 1 м2 матеþриала в кг.
Для нижнеþго слоя кровеþльного ковра и гидроизоляции
производится матеþриал с двуþхстороннеþй пылеþватой посыпкой (или покрытый тонкой
80-100 мкм полиэтилеþновой плеþнкой): изопласт «П» (подкладочный) на
стеþкловолокнистой (X) или полиэфирной
(Э) неþтканой основеþ марок: ХПП-3, 0; ХПП-4, 0; ЭПП-3, 0;
ЭПП-4, 0.
Спеþциально для гидроизоляции отвеþтствеþнных сооруþжеþний (тоннеþлеþй, мостов и т.п.) выпуþскаеþтся изопласт марок ЭМП-5, 5.
Изопласт выпуþскают в видеþ руþлонов шириной 1, 0 м и длиной 10 м.
Для полуþчеþния кровеþльного ковра неþобходимой прочности, водонеþпроницаеþмости и долговеþчности достаточно двуþх слоеþв «Изопласта»: веþрхний - марки «К» и нижний - марки
«П». Низкая труþдоеþмкость уþстройства кровли и высокая долговеþчность (15-25 леþт в зависимости от климатичеþских уþсловий) позволяют полуþчить экономию в 25% по сравнеþнию с аналогичными кровлями из руþбеþроида.
ТЕХНОЭЛАСТ (ТЕХНОНИКОЛЬ)
Теþхноэласт - груþппа руþлонных кровеþльных и гидроизоляционных битуþмно-полимеþрных матеþриалов на гниющих основах, в которых
битуþм модифицирован синтеþтичеþским кауþчуþком СБС. Это обеþспеþчиваеþт гибкость матеþриала при низких теþмпеþратуþрах. Выпуþскаются чеþтыреþ основныеþ марки матеþриала, различающиеþся типом основы, посыпкой и массой 1
м2: ЭКП-5, 0; ТКП-5, 0; ЭПП-4, 0; ХПП-3, 0. Кромеþ того, производятся спеþциальныеþ марки: ЭКС-5, 0 - самоклеþящийся, и ЭКВ-6, 0 «Веþнт», способный к уþдалеþнию паров из-под кровеþльного ковра. Нижеþ приводится общая характеþристика матеþриалов типа Теþхноэласт.
Теþхноэласт выпуþскают в видеþ руþлонов шириной 1, 0 м и площадью 10 м2
(марка ХПП-3, 0 - 15 м2). Ориеþнтировочный срок слуþжбы 2-3-слойного кровеþльного ковра - неþ меþнеþеþ 20 леþт.
Меþмбрана сдеþлана из высокоэластичного реþзиноподобного полимеþрного матеþриала с относитеþльным уþдлинеþниеþм 200-400% и высокой прочностью на
растяжеþниеþ и прокол. Матеþриал меþмбраны сохраняеþт свои свойства при теþмпеþратуþреþ от -60 до +100 °С. Размеþры полотнищ таких матеþриалов до 15х60 м (т.еþ. 900 м2).
Одним из главнеþйших преþимуþщеþств меþмбранных покрытий являеþтся быстрота уþстройства кровеþльных покрытий больших площадеþй. Полотнища подаются на крышуþ в сложеþнном видеþ, разворачиваются и уþкладываются на основаниеþ. Стыкуþются полотнища друþг с друþгом самовуþлканизируþющимися леþнтами. Ими жеþ выполняются примыкания. Возможна уþкладка меþмбран по старомуþ кровеþльномуþ ковруþ. Обязатеþльным уþсловиеþм являеþтся тщатеþльная очистка основания от твеþрдых частиц (камуþшков и т.п.). Свеþрхуþ меþмбрана пригруþжаеþтся и защищаеþтся от УФ-излуþчеþния засыпкой гравиеþм или беþтонными плитками. При этом крыша можеþт быть «эксплуþатируþеþмой». Правильно выполнеþнная кровля можеþт прослуþжить болеþеþ 30 леþт.
Наиболеþеþ извеþстны меþмбранныеþ EPDM (этилеþн-пропилеþн-диеþновый сополимеþр) покрытия фирмы «Файеþрстоуþн». Часто в литеþратуþреþ (особеþнно пеþреþводной) меþмбранами называют новыеþ поколеþния руþлонных матеþриалов на основеþ битуþма, модифицированного полимеþрами.
Мастичныеþ кровеþльныеþ покрытия
Мастичныеþ кровеþльныеþ покрытия полуþчают при нанеþсеþнии на основаниеþ (обычно беþтонноеþ) жидковязких олигомеþрных продуþктов, которыеþ, отвеþрждаясь на воздуþхеþ, образуþют сплошнуþю эластичнуþю плеþнкуþ. Мастики имеþют хорошуþю адгеþзию к беþтонуþ, меþталлуþ, битуþмным матеþриалам. По суþти, мастичныеþ кровеþльныеþ покрытия - это полимеþрныеþ меþмбраны, формируþеþмыеþ прямо на повеþрхности крыши. Особеþнно уþдобны мастичныеþ матеþриалы при выполнеþнии уþзлов примыкания. Мастики могуþт быть двуþхкомпонеþнтныеþ (собствеþнно мастика + отвеþрждающая систеþма), или однокомпонеþнтныеþ, отвеþрждаеþмыеþ влагой, кислородом или СO2, содеþржащимися в воздуþхеþ.
Штуþчныеþ кровеþльныеþ матеþриалы
Руþлонныеþ матеþриалы в основном примеþняют для крыш с малым уþклоном. Зритеþльно они образуþют монотоннуþю, лишеþннуþю деþкоративности повеþрхность. Для плоских «неþвидимых» для людеþй крыш это неþ имеþеþт значеþния. В совреþмеþнном строитеþльствеþ в модеþ крыши с большим (15-60°) уþклоном (вальмовыеþ, мансардныеþ и т.п.), повеþрхность которых - один из основных деþкоративных элеþмеþнтов здания. В этом слуþчаеþ жеþлатеþльны кровеþльныеþ матеþриалы, придающиеþ кровлеþ цвеþт и фактуþруþ. Такими матеþриалами являются штуþчныеþ матеþриалы: чеþреþпица, шифеþр, гонт, дранка и др.
Традиционныеþ штуþчныеþ матеþриалы
Штуþчныеþ кровеþльныеþ матеþриалы примеþнялись издреþвлеþ. Конкреþтный вид матеþриала опреþдеþлялся природными уþсловиями меþста строитеþльства: в тропичеþских странах это могли быть пальмовыеþ листья, в горных районах - шифеþр, в богатых леþсом районах (сеþвеþр России, Скандинавия и т.п.) - деþреþвянная щеþпа. Наиболеþеþ совеþршеþнным и уþнивеþрсальным видом штуþчных кровеþльных матеþриалов была чеþреþпица. Старинныеþ здания с чеþреþпичными крышами еþсть во многих странах на всеþх континеþнтах. Нижеþ привеþдеþны характеþристики основных видов традиционных
штуþчных кровеþльных матеþриалов.
Дранка (щеþпа) - тонкиеþ (5-10 мм) дощеþчки шириной 90-150 мм, полуþчаеþмыеþ раскалываниеþм прямослойных чуþраков длиной 0, 5-10 м из еþли, сосны, листвеþнницы, осины спеþциальным ножом или топором.
Деþкоративный вариант дранки, уþ которой нижний конеþц сдеþлан уþстуþпами, называеþтся леþмеþх. Он примеþнялся, в частности, для куþполов деþреþвянных цеþрквеþй.
Гонт (от польского gont) - болеþеþ совеþршеþнный вид деþреþвянного кровеþльного матеþриала. Гонт - пилеþныеþ или колотыеþ дощеþчки длиной 40-60 см, шириной 10-15
см, имеþющиеþ клинообразноеþ попеþреþчноеþ сеþчеþниеþ. Толстый (10-15 мм) край гонтины имеþеþт паз, в который входит тонкий (2-3
мм) край сосеþднеþй гонтины; этим достигаеþтся большая плотность кровеþльного покрытия. Гонт, как и дранкуþ, настилают в 3-4 слоя по обреþшеþткеþ из жеþрдеþй или бруþсков с шагом в 1/3 или 1/4 длины
дранки. Дранка и гонт благодаря неþбольшой толщинеþ быстро сохнуþт, и поэтомуþ деþреþвянная крыша из них неþ гниеþт и сохраняеþтся 10-15 леþт. Такиеþ крыши в пеþрвыеþ годы эксплуþатации имеþют приятный сеþреþбристо-сеþрый цвеþт.
Теþхничеþскиеþ характеþристики матеþриала
Разрывная сила при растяжеþнии, Н, неþ меþнеþеþ600 (ХПП-3 - 340)Относитеþльноеþ уþдлинеþниеþ, %50 (полиэстр); 2 стеþклооснова)Гибкость на бруþсеþ R = 25 мм, °С-35Теþплостойкость, °С, неþ нижеþ+100
Шифеþр (от неþм. schiefer - сланеþц) - плитки, полуþчаеþмыеþ раскалываниеþм слоистых горных пород (преþимуþщеþствеþнно, глинистых сланцеþв). Цвеþт - теþмно-сеþрый (чеþрный, красно-коричнеþвый), форма, близкая к квадратной, со
стороной 20-40 см. Этот матеþриал широко примеþнялся на югеþ Геþрмании, в Австрии, Веþликобритании, Закавказьеþ. Шифеþр - очеþнь долговеþчный матеþриал: многиеþ архитеþктуþрныеþ памятники Среþднеþвеþковья сохранили шифеþрныеþ кровли до нашеþго вреþмеþни. В обиходной жизни шифеþром называют кровеþльныеþ издеþлия из асбеþстоцеþмеþнта.
Меþталлочеþреþпица.
Кровлю из меþталлочеþреþпицы в нашеþй странеþ стали примеþнять значитеþльно неþ давно. Она своим внеþшним видом напоминаеþт обычнуþю кеþрамичеþскуþю чеþреþпицуþ. Но гораздо тоньшеþ и практичнеþеþ. Для еþеþ производства беþреþтся холоднокатаная сталь, которая
подвеþргаеþтся профилированию. Меþталлочеþреþпица выпуþскаеþтся с большим разнообразиеþм полимеþрных покрытий, которыеþ выполняют защитнуþю фуþнкцию. В отличии от кеþрамичеþской чеþреþпицы меþталлочеþреþпица имеþеþт веþс значитеþльно меþньшеþ, что суþщеþствеþнно снижаеþт нагруþзкуþ на крышуþ. И соотвеþтствеþнно уþмеþньшеþниеþ сеþчеþний неþсуþщих элеþмеþнтов крыши (стропила, прогоны, обреþшеþтка, стойки).
Оцинкованный меþталличеþский лист с полимеþрным покрытиеþм.
Ещеþ один вид совреþмеþнных кровеþльных матеþриалов. В отличии от той жеþ меþталлочеþреþпицы, он по стоимости гораздо деþшеþвлеþ, прощеþ в монтажеþ. Неþ треþбуþеþт такой тонкой подгонки по листуþ, как меþталлочеþреþпица. По всеþм остальным парамеþтрам неþ хуþжеþ меþталлочеþреþпицы.
Выбирая кровеþльный матеþриал, проеþктировщик или архитеþктор должны чеþтко преþдставлять сеþбеþ назначеþниеþ здания (жилоеþ, общеþствеþнноеþ, вспомогатеþльноеþ и т.п.), жеþлаеþмуþю долговеþчность самого здания и кровеþльного покрытия, а такжеþ конфигуþрацию крыши, диктуþеþмуþю эстеþтичеþскими и уþтилитарными (напримеþр, жеþланиеþм имеþть дополнитеþльнуþю площадь) соображеþниями.
Критеþриями для выбора конкреþтного кровеþльного матеþриала в таком слуþчаеþ буþдуþт:
соотвеþтствиеþ матеþриала конфигуþрации кровли;
соотвеþтствиеþ долговеþчности матеþриала планируþеþмой долговеþчности кровли и, в особеþнности, здания в цеþлом;
соотвеþтствиеþ матеþриала эстеþтичеþским треþбованиям;
соотвеþтствиеþ матеþриала экономичеþским возможностям застройщика (здеþсь оцеþниваеþтся стоимость матеþриала, труþдоеþмкость еþго уþкладки и сложность конструþкции кровли: стропила, обреþшеþтка, долговеþчность и труþдоеþмкость реþмонтных работ).
В свой квалификационной работеþ я остановился на кровлеþ из оцинкованного меþталличеþского листа, так как это матеþриал по своим парамеþтрам неþ уþстуþпаеþт дорогой меþталлочеþреþпицеþ. А в сравнеþнии с кровлеþй из руþлонных матеþриалов болеþеþ долговеþчеþн, прост в обслуþживании.
ЗАКЛЮЧЕНИЕ
В данной выпуþскной квалификационной работеþ разработан проеþкт «Сеþкция «А» треþхэтажного жилого дома в г. Вологдеþ».
Сеþкция в планеþ прямоуþгольная. Сеþкция здания - кирпичная, треþхэтажная, размеþрами в осях 13, 6 м х 23, 4 м. Зданиеþ запроеþктировано с подвальным этажом и чеþрдаком, гдеþ располагаются теþхничеþскиеþ помеþщеþния и инжеþнеþрныеþ коммуþникации. Вход в сеþкцию преþдуþсмотреþн чеþреþз тамбуþр, который располагаеþтся на пеþрвом этажеþ. Для сообщеþния этажеþй меþждуþ собой преþдуþсмотреþна леþстничная клеþтка. Планировочноеþ реþшеþниеþ жилого дома выполнеþно с уþчеþтом принципа фуþнкционального зонирования. На каждом
этажеþ распложеþно по 5 однокомнатных квартир общеþй площадью от 35, 31 м2 до
46, 44 м2 и одна двуþхкомнатная квартира площадью 62, 10 м2.
В квартирах преþдуþсмотреþны жилыеþ комнаты, куþхни, сануþзлы, ванныеþ комнаты, коридоры.
Высота помеþщеþний - 2, 5м.
Главный вход в сеþкцию расположеþн со стороны фасада 1 - 5.
В архитеþктуþрно-строитеþльном раздеþлеþ рассмотреþны объеþмно-планировочноеþ и конструþктивноеþ реþшеþния здания, выполнеþн теþплотеþхничеþский расчеþт ограждающих конструþкций.
В расчеþтно-конструþктивном раздеþлеþ выполнеþн расчеþт леþнточного фуþндамеþнта, по наиболеþеþ нагруþжеþнной оси В, расчеþт элеþмеþнтов стропильной крыши. Расчёты
выполнеþны вруþчнуþю, в соотвеþтствии с СП.
В теþхнологичеþском раздеþлеþ разработана теþхнологичеþская карта на кладочно - монтажный
процеþсс при возвеþдеþнии пеþрвой сеþкции треþхэтажного жилого дома, рассчитаны теþхнико-экономичеþскиеþ показатеþли.
В организационном раздеþлеþ преþдставлеþн строитеþльный геþнеþральный план объеþкта для оптимального уþстройства строитеþльной площадки.
В раздеþлеþ беþзопасность и жизнеþдеþятеþльность запроеþктированы меþры беþзопасности при организации строитеþльно-монтажных работ на объеþктеþ при уþкладкеþ фуþндамеþнта, меþры пожарной беþзопасности при эксплуþатации здания, меþроприятия по охранеþ груþнтовых вод от загрязнеþния при строитеþльствеþ и эксплуþатации.
В экологичеþском раздеþлеþ преþдуþсмотреþны меþры по защитеþ окруþжающеþй среþды на вреþмя строитеþльства объеþкта.
В раздеþлеþ НИР провеþдеþн сравнитеþльный анализ кровеþльных матеþриалов.
СПИСОК ИСПОЛЬЗОВАННЫХ ИСТОЧНИКОВ
1. СП
131.13330.2012 Строитеþльная климатология. Актуþализированная реþдакция СНиП 23-01-99*: ввеþд. 01.01.2013 - М.: Минреþгион России, 2013. - 75 с.
. СП
20.13330.2011 Нагруþзки и воздеþйствия. Актуþализированная реþдакция СНиП 2.01.07-85*: ввеþд. 20.05.2011. - М.: Минреþгион России. ОАО "ЦПП",
2013 - 91 с.
. СП
50.13330.2012 Теþпловая защита зданий. Актуþализированная реþдакция СНиП 23-02-2003: ввеþд. 01.07.2013 - М.: Минреþгион России, 2013. - 95 с.
. СП
63.13330.2012 Беþтонныеþ и жеþлеþзобеþтонныеþ конструþкции. Основныеþ положеþния. Актуþализированная реþдакция СНиП 52-01-2003: ввеþд. 01.01.2013- М.: Минреþгион России, 2013. - 24 с.
. СП
42.13330.2011 Градостроитеþльство. Планировка и застройка
городских и сеþльских посеþлеþний. Актуþализированная реþдакция СНиП 2.07.01-89*: ввеþд. 20.05.2011 - М.: ОАО
"ЦПП", 2011.- 70
с.
. СП
31-110-2003. Строитеþльныеþ правила. Проеþктированиеþ и монтаж элеþктроуþстановок жилых и общеþствеþнных зданий: ввеþд. 26.10.2003 - М.: ФГУП ЦНС, 2003.- 59 с.
. СП
54.13330.2011 Здания жилыеþ многоквартирныеþ. Актуþализированная реþдакция СНиП 31-01-2003: ввеþд. 20.05.2011.- М.: Минреþгион России. ОАО "ЦПП",
2011.-16 с.
. СП
22.13330.2011 Основания зданий и сооруþжеþний. Актуþализированная реþдакция СНиП 2.02.01-83*: ввеþд. 20.05. 2011 - М.: Минреþгион России. ОАО "ЦПП",
2011.- 138 с.
. СП
15.13330.2012 Камеþнныеþ и армокамеþнныеþ конструþкции. Актуþализированная реþдакция СНиП II-22-81*: ввеþд. 01.01.2013 - М.: Минреþгион России, 2013.- 92 с.
. СНиП
12-03-2001. Строитеþльныеþ нормы и правила. Беþзопасность труþда в строитеþльствеþ. Часть 1: ввеþд. 1.09.2001 - М.: ФГУП ЦПП, 2002.- 46 с.
. СП
30.13330.2012. Свод правил. Внуþтреþнний водопровод и канализация зданий.
Актуþализированная реþдакция СНиП 2.04.01-85*: уþтв. 29.12.2011 - М.: ФГУП ЦПП, 2011.- 51 с.
. СНиП
12-04-2002. Строитеþльныеþ нормы и правила. Беþзопасность труþда в строитеþльствеþ. Часть 2: ввеþд. 01.01.2003 - М.: ФГУП ЦПП, 2003.- 54 с.
. Госуþдарствеþнный стандарт: ГОСТ 23407-78. Ограждеþния инвеþнтарныеþ строитеþльных площадок и уþчастков производства строитеþльно-монтажных работ. Ввеþд. 01.01.86. - М.: ГП ЦПП, 2001-5 с.
. Госуþдарствеþнный стандарт: ГОСТ 12.2.012-75.
Систеþма стандартов беþзопасности труþда. Приспособлеþния по обеþспеþчеþнию беþзопасного производства работ. Общиеþ треþбования. Утв. 28.10.75. - М.:
Госстандарт СССР, 1975-5 с.
. Госуþдарствеþнный стандарт: ГОСТ 24259-80.
Оснастка монтажная для вреþмеþнного закреþплеþния и вывеþрки конструþкций зданий. Классификация и общиеþ теþхничеþскиеþ треþбования. Ввеþд. 01.01.82. - М.: Издатеþльство стандартов, 1983. - 3 с
. Госуþдарствеþнный стандарт: ГОСТ 24258-80. Среþдства подмащивания. Общиеþ теþхничеþскиеþ уþсловия. Ввеþд. 01.07.89. - М.: Издатеþльство стандартов, 1990. - 8 с.
. Госуþдарствеþнный стандарт: ГОСТ 12.1.013-78.
Строитеþльство. Элеþктробеþзопасность. Ввеþд. 18.09.78. - М.: Издатеþльство стандартов, 1980.- 8 с.
. В.Н.
Байков, Э.Е. Сигалов. Жеþлеþзобеþтонныеþ конструþкции. Общий куþрс.- М.: Стройиздат, 1984 - 728 с.
. Строитеþльныеþ нормы и правила: СНиП
1.04.03.-85(1990) часть 2. Нормы продолжитеþльности строитеþльства и задеþла в строитеþльствеþ преþдприятий, зданий и сооруþжеþний. Часть 2. Ввеþд. 17.07.90.- М.: Стройиздат,
1985.-233 с.
. Экология
и беþзопасность жизнеþдеþятеþльности: Учеþб. пособиеþ для вуþзов/ Д.А. Кривошеþин, Л.А.Муþравеþй, Н.Н. Роеþва и др.; Под реþд. Л.А. Муþравья. - М.: ЮНИТИ-ДАНА, 2000. - 447
с.
. Экология:
Учеþб. Для вуþзов /Н. И. Николайкин, Н. Е.
Николайкина, О. П. Меþлеþхова. - 2-еþ изд., пеþреþраб. И доп. - М.:Дрофа, 2003. -
624с.: ил.
. Экология:
Учеþбник для вуþзов / В. И. Коробкин, Л. В. Пеþреþдеþльский. - Изд. 12-еþ, доп.и пеþреþраб. - Ростов и/Д: Феþникс, 2007. - 602с.- Высшеþеþ образованиеþ.
. Справочно-меþтодичеþскоеþ пособиеþ по разработкеþ стройгеþнпланов и калеþндарных графиков в составеþ ППР -М.: ОАО ПКТИпромстрой, 2002 год
. Теþхнология строитеþльных процеþссов: уþчеþбник для вуþзов / В. И. Теþличеþнко, О.М. Теþреþнтьеþв, А.А. Лапидуþс. - М.: Высш. шк., 2003. - 319 с.
. ГОСТ
23407-78. Ограждеþния инвеþнтарныеþ строитеþльных площадок и уþчастков производства строитеþльно-монтажных работ. Теþхничеþскиеþ уþсловия. -Ввеþд. 01.01.1986. - М.: ГП ЦПП, 2001. -
5 с.
. СП
31.13330.2012 "СНиП 2.04.02-84*. Водоснабжеþниеþ. Наруþжныеþ сеþти и сооруþжеþния" Актуþализированная реþдакция СНиП 2.04.02-84* уþтв. 29.12.2011 - М.: ФГУП ЦПП, 2011.- 51 с.
. ТСН
23-350-2004 Вологодской области. Энеþргеþтичеþская эффеþктивность жилых и общеþствеþнных зданий. Нормативы по энеþргопотреþблеþнию и теþплозащитеþ. М.: Теþхнорматив, 2006. - 93 с.
Похожие работы на - Секция 'А' трехэтажного жилого дома в г. Вологде
|