Проектирование летательного аппарата класса 'поверхность-воздух' с детальной проработкой боевой части
Содержание
Введение
Цель
работы
Раздел
1. Расчетно-конструкторский
.1
Описание прототипа летательного аппарата - прототипа ЗУР «Чепарел» (США)
.2
Тактико-технические данные прототипа
.3
Летно-технические данные прототипа
.4
Исходные данные проектируемого летательного аппарата
.5 Определение
габаритов корпуса летательного аппарата
.6 Определяем
площади и габариты крыла и оперения
.7
Определяем удельную нагрузку на оперение прототипа
.8 Определение
габаритов двигательной установки и топливного заряда
.9
Компоновка и центровка летательного аппарата
.10 Расчет
нагрузок, действующих на корпус.
Раздел
2. Технологический
.1
Разработка технологического процесса изготовления боевой части
.2
Экономическое обоснование изменения себестоимости в связи с переходом с мелкосерийного
производства агрегатов на крупносерийное производство
.3
Охрана труда и техника безопасности при механической обработке детали
Заключение
Список
литературы
Приложения
Введение
Создание Л.А. является длительным процессом, в котором участвуют многие
коллективы промышленных предприятий, конструкторских бюро и научных
организаций. Первое место в этом процессе занимает проектирование летательного
аппарата.
Проектирование - это один из основных способов создания техники, других
изделий и сооружений. Процесс проектирования - это творческий, не формализуемый
процесс, который не описывается определенным алгоритмом действия. Определена
лишь его целевая сторона-создание проекта летательного аппарата,
обеспечивающего выполнение заданных требований.
Необходимостью проектирования ракет является защита населения от внешних
угроз. Например: уничтожение самолетов, танков, зданий и живой силы противника,
а так же уничтожение космического мусора и др.
Самым ярким примером являются события, которые происходят в Сирии.
Средства массовой информации демонстрируют, как при помощи ракет уничтожаются
объекты, захваченные террористами, склады с оружием, а так же техника и
боевики.
В данной курсовой работе будет рассмотрено проектирование летательного
аппарата по методу прототипа, суть которого в создании летательного аппарата
похожего на эталонный, но с улучшенными характеристиками.
Естественно, нужно отметить, что создание летательного аппарата зависит
не только от квалификации и опыта конструктора, но и от рабочих и собирающих
его идеи.
Цель работы
Спроектировать летательный аппарат методом прототипов, при увеличении
перегрузок и массы прототипа. Для улучшения таких качеств как манёвренность,
скорость и дальность полета.
Раздел 1.
Расчетно-конструкторский
1.1 Описание
прототипа летательного аппарата - прототипа ЗУР «Чепарел»(США)
Ракета предназначена для прикрытия войск на поле боя от маловысотных
самолётов и вертолётов, действующих в простых метеоусловиях.
Максимальная наклонная дальность поражения цели - 4 км, максимальная
высота поражения цели - 3,5 км, система управления - самонаведение пассивное и
тепловое.
Ракета является модификацией «Сайдуиндер 1-С» класса воздух-воздух,
аэродинамическая схема - утка. Ракета не стабилизирована по крену.
Установленные на крыле роллероны демпфируют скорость вращения ракеты
относительно продольной оси.
Носовая часть ракеты оживальная со сферическим обтекателем представляет
собой отдельный быстросъёмный отсек с ТГСН и блоком управления рулей. На
последних модификациях ракеты сферический обтекатель изготовлен из
кадмиево-алюмосиликатного стекла «Кортран» пропускающий необходимый спектр
инфракрасного излучения целей.
Рули расположены на носовом отсеке, за ним находится отсек оптического
взрывателя, далее расположена осколочно-стержневая БЧ. К отсеку БЧ крепится
однорежимный РДТТ на твердом топливе.
На двигателе установлены 4 консоли крыла, на 2-х из них - роллероны.
Таблица 1.
Тактико-технические
данные прототипа
|
Ракета/параметр
|
Чепарел
|
|
Дальность поражения, км>
|
4
|
|
Высота поражения, м
|
3500
|
|
Стартовая масса, кг
|
83,9
|
|
Вес БЧ, кг
|
4,5
|
|
Длина, мм
|
2910
|
|
Максимальный диаметр корпуса, мм
|
145
|
|
Размах крыла, мм
|
630
|
|
Максимальная скорость полета, М
|
2
|
Таблица 2.
Летно-технические
данные прототипа
|
Аэродинамическая схема
|
Утка
|
|
Боевая часть
|
|
Осколочно-стержневая
|
|
M(кг)
|
4,5
|
|
Стартовая масса(кг)
|
83,9
|
|
Максимальная скорость
|
М=2
|
|
Тип двигательной установки
|
Однорежимный РДТТ
|
|
Система наведения
|
Самонаведение пассивное и тепловое
|
Таблица 3.
Исходные
данные проектируемого летательного аппарата
|
Корпус
|
|
Длина, м
|
2,91
|
|
Диаметр, м
|
0,13
|
|
Удлинение носовой части
|
1,7
|
|
Удлинение корпуса
|
-
|
|
Крыло
|
|
Размах, м
|
0,63
|
|
Корневая хорда, м
|
0,71
|
|
Концевая хорда, м
|
0,44
|
|
Сужение
|
1,6
|
|
Угол стреловидности, ̊
|
41
|
|
Площадь с подфюзеляжной частью,
|
0,36
|
|
Оперение
|
|
Размах, м
|
0,42
|
|
Корневая хорда, м
|
0,37
|
|
Бортовая хорда, м
|
0,03
|
|
Сужение
|
0
|
|
Угол стреловидности, ̊
|
65
|
|
Площадь с подфюзеляжной частью,
|
0,07
|
Рис. 1.Исходные данные габарита прототипа летательного аппарата
1.2 Определение габаритов корпуса летательного
аппарата
Определяем удельную нагрузку на мидель корпуса прототипа
, (1)
где
- Нагрузка на мидель корпуса
прототипа;
- остартовая масса прототипа (берем из летно-технических
данных прототипа);
- диаметр прототипа (берем из исходных данных, раздел
корпус);
- математическая константа.
Считаем, что удельная нагрузка на мидель прототипа равна удельной
нагрузке на мидель летательного аппарата, т.е.
. Определяем диаметр летательного
аппарата.
, (2)
где
диаметр летательного аппарата;
- стартовая масса летательного аппарата.
Определяем величину средней объемной удельной массы корпуса прототипа.
(3)
, (4)
где
удлинение носовой части прототипа;
- удлинение цилиндрической части прототипа;
- длина носовой части прототипа (берем из исходных данных,
раздел корпус);
длина цилиндрической части прототипа (берем из исходных
данных, раздел корпус).
Считаем, что удлинение носовой и цилиндрической частей прототипа, равно
удлинению носовой и цилиндрической частей летательного аппарата. Определяем
длину носовой и цилиндрической частей летательного аппарата.
0,145=0,25 м (5)
0,145=2,996 м (6)
0,25+2,996=3,246 м, (7)
где
;
- длина цилиндрической части летательного аппарата;
- длина летательного аппарата.
Определяем объем корпуса летательного аппарата по формулам из третьего
пункта первого этапа
(8)
(9)
, (10)
где
;
;
- объем летательного аппарата;
.
Определяем площадь поперечного сечения корпуса летательного аппарата и
длину равновеликого цилиндра летательного аппарата.
(11)
, (12)
где
- площадь поперечного корпуса;
- длина равновеликого цилиндра.
1.3 Определяем площади и габариты крыла и оперения
Определяем удельную нагрузку на крыло прототипа.
, (13)
- удельная нагрузка на крыло прототипа;
(берем из исходных данных таблица 3, раздел крыло).
Считаем, что удельная нагрузка на крыло прототипа равна удельной нагрузке
на крыло летательного аппарата, т.е.
. Определяем площадь крыла
летательного аппарата.
, (14)
где
площадь крыла летательного аппарата с подфюзеляжной частью.
Определяем удлинение крыла прототипа.
, (15)
где
;
- размах крыла прототипа (берем из исходных данных таблица 3, раздел крыло).
Считаем, что удлинение крыла прототипа равно удлинению крыла летательного
аппарата. Определяем размах крыла летательного аппарата.
, (16)
где
- размах крыла летательного аппарата.
Определяем сужение крыла прототипа.
, (17)
где
- сужение крыла прототипа;
- корневая хорда крыла прототипа (берем из исходных данных
таблица 3, раздел крыло);
- концевая хорда крыла прототипа (берем из исходных данных
таблица 3, раздел крыло).
Определяем концевую и корневую хорды крыла летательного аппарата.
, (18)
, (19)
где
;
.
Определяем среднюю аэродинамическую хорду крыла летательного аппарата.
, (20)
где
.
Выбираем относительную толщину крыла летательного аппарата.
м
м
Принимаем
где
- относительная толщина крыла.
По полученным данным вычерчиваем крыло в масштабе (Приложение 1).
.4 Определяем удельную нагрузку на оперение прототипа
Определяем удельную нагрузку на оперение прототипа.
, (21)
где
- Удельная нагрузка на оперение для прототипа;
площадь с подфюзеляжной частью оперения прототипа (берем из
исходных данных таблица 3, раздел оперения).
Считаем, что удельная нагрузка на оперение прототипа равна удельной
нагрузке на оперение летательного аппарата. Определяем площадь рулей
летательного аппарата.
, (22)
где
площадь оперения летательного аппарата с подфюзеляжной
частью.
Определяем удлинение оперения прототипа.
, (23)
где
- удлинение оперения прототипа;
размах оперения прототипа (берем из исходных данных таблица
3, раздел оперения).
Считаем, что удлинение рулей прототипа равно удлинению рулей летательного
аппарата. Определяем размах рулей летательного аппарата.
,
где
размах оперения летательного
аппарата.
Определяем корневую хорду оперения летательного аппарата
, (24)
где
- корневая хорда оперения
летательного аппарата;
tgx -
угол стреловидности оперения летательного аппарата;
Sоп
пр. - площадь
оперения летательного аппарата.
По полученным данным вычерчиваем оперение в масштабе (Приложение 2).
1.5 Определение габаритов двигательной установки и топливного заряда
Определяем массу топлива прототипа.
, (25)
, (26)
где
- масса топлива прототипа;
Vмах- максимальная
скорость прототипа (в таблице 2);
-
скорость истечения газов из сопла (2300÷2400 м/с).
Определяем относительную массу топлива прототипа.
, (27)
где
- относительная масса топливо.
Считаем, что относительная масса топлива прототипа равна относительной
массе топлива летательного аппарата
. Определяем массу топлива
летательного аппарата.
, (28)
где
- масса топлива летательного аппарата.
Определяем потребную стартовую тягу двигателя летательного аппарата.
, (29)
где
- потребная стартовая тяга двигателя;
- продольная перегрузка;
g = 9,81 м/с2 - ускорение
свободного падения.
Пользуясь справочной литературой, выбираем марку твердого топлива и
определяем его основные параметры.
{ТРТ ТР-Н-3062} Смесевое
,
где IУД - Удельный импульс;
ρт - Удельная плотность топлива;
U- Скорость
горения топлива.
Определяем секундный массовый расход топлива и время работы двигателя.
(30)
, (31)
где
- секундный массовый расход топлива;
- время работы двигателя.
Определяем потребный объем камеры сгорания летательного аппарата.
, (32)
где
;
- потребный объем камеры сгорания.
Определяем длину цилиндрической части камеры сгорания.
(33)
, (34)
где
- длина камеры сгорания;
- диаметр камеры сгорания.
Определяем потребную поверхность горения шашки.
, (35)
где
- потребная <file:///F:\потребная> поверхность
горения шашки.
Определяем свободную площадь поперечного сечения для прохода продуктов
сгорания.
, (36)
где
;
свободная площадь поперечного сечения.
Определяем периметр внутреннего канала топливной шашки.
(37)
П - периметр внутреннего канала топливной шашки.
Определяем диаметр топливной шашки.
(38)
(39)
, (40)
где
внутренняя площадь сечении камеры
сгорания;
- площадь сечения топливной шашки;
.
Определяем толщину свода горения топливной шашки.
, (41)
где
- толщина свода горения топливной
шашки.
Определяем форму внутреннего канала шашки.
, (42)
Принимаем (n = 40)
гдеn - количество лучей;
- длина лучей.
Вычерчиваем форму внутреннего канала шашки в масштабе(Приложение 3).
Определяем длину переднего днища камеры сгорания.
, (43)
где
- длина днища камеры сгорания.
Определяем длину соплового блока и диаметр среза сопла летательного
аппарата.
Рис. 2.Сопловой
блок
dKP=0,335
=
, (44)
=0,0723 м, (45)
0,6
=0,6
=0,0271 м, (46)
3,6
=3,6
=0,163 м, (47)CP = 2Х + dKP
= 2×0,0436 + 0,0452
= 0,132 м, (48)
X = l3· tgβ = 0,163 · tg15 =0,0436
(49)
0,163=0,26м, (50)
гдеdKP - диаметр сужение соплового блока;
DCP - диаметр среза сопла;
- длина соплового блока.
Общий вид соплового блока (Приложение 4).
Определяем длину двигателя.
0,0479+1,194+0,262=1,504м, (51)
=
=
= 10,372, (52)
где
- длина двигательной установки;
-относительная длина двигательной установки.
После выполнения всех расчетов в масштабе вычерчиваем сопловой блок и
двигатель в целом (Приложение 5).
1.6 Компоновка и центровка летательного аппарата
Составляется компоновочно-центровочная ведомость, в которую заносятся все
агрегаты Л.А.
Таблица 4.
Компоновочная ведомость
|
№
|
Наименование
|
μi
|
mi (кг)
|
Xi (м)
|
mixi (кг×м)
|
|
1
|
Боевая часть
|
0,3
|
31,5
|
0,985
|
31,028
|
|
2
|
Топливо
|
0,245
|
25,725
|
2,387
|
61,406
|
|
3
|
Двигательная установка
|
0,113
|
11,911
|
2,465
|
29,361
|
|
4
|
Крыло
|
|
9,24
|
1,998
|
18,295
|
|
5
|
Оперение
|
0,01
|
1,05
|
0,637
|
0,669
|
|
6
|
Приводы
|
0,046
|
4,83
|
0,701
|
3,393
|
|
7
|
Корпус
|
0,198
|
20,79
|
-
|
-
|
|
7.1
|
Головной отсек
|
0,018
|
1,89
|
0,15
|
0,284
|
|
7.2
|
Приборный отсек
|
0,06
|
6,3
|
0,48
|
3,024
|
|
7.3
|
Энергетический блок
|
0,13
|
13,65
|
1,488
|
20,311
|
Где μi-относительная масса агрегата;i-абсолютная масса агрегата;
Xi - расстояние от носка корпуса до центра тяжести агрегата;
mixi - произведение абсолютной массы агрегата и расстояния от
носка корпуса для определение центра тяжести агрегата.
Определяем относительную массу боевой части летательного аппарата.
Относительная масса боевой части берется или из таблицы исходных данных
или берется по статистическим данным, μб.ч.=0,2÷0,3.
Принимаем
где
-относительная масса боевой части.
Определяем относительную массу топлива.
Значение относительной массы топлива берем из этапа №3 пункт 2-3.
Определяем относительную массу двигательной установки.
0,463
0,245=0,113 (53)

м2 (55)
= 0,01376
(56)
= 0,01428
(57)
= 10,3717 м, (58)
где
- относительная масса двигательной
установки;
;
;
;
;
;
площадь среза сопла и поперечного сечения камеры сгорания;
;
;
Определяем относительную массу крыла
(59)
(60)
(61)
м, (62)
где
;
;
- удельная площадь крыла;
- площадь консолей крыла;
- полуразмах консоли крыла.
Определяем относительную массу оперения.
μоп берем по статическим данным
,01 - рули типа поворотное крыло.
0,02 - стабилизатор + рули
Принимаем
=0,01
где
- относительная масса оперения.
Определяем относительную массу приводов.
0,085
=0,0461, (63)
где
- относительная масса приводов;
;
,2;
;
Выбираем привода с горячим газом - К1 = 0,085; К2 =
0,08 х 10-4;
;
;
=
с;
.
Определяем относительную массу корпуса.
=1
(0,3+0,245+0,113+0,088+0,01+0,046) =
0,198 (64)
Разбиваем относительную массу корпуса на энергоблок, головной отсек,
приборный отсек.
0,018
=0,06
=0,13
где
- относительная масса корпуса;
- относительная масса приборного отсека;
- относительная масса энергоблока
Определяем абсолютную массу агрегатов
=
=0,3
=31,5 кг, (65)
=
=0,3
105=25,725 кг, (66)
=
=0,088
105=9,24 кг, (67)
=
=0,01
105=1,05 кг, (68)
=
=0,113
105=11,911кг, (69)
=
=0,198
105=20,79 кг, (70)
=
=0,06
105=6,3 кг, (71)
=
=0,018
105=1,89 кг, (72)
=
=0,063
105=6,615 кг, (73)
=
=0,13
105=13, кг, (74)
Определяем центры тяжести агрегатов.
Для этого вычерчиваем ракеты в масштабе. Если агрегат сложной формы, то
разбиваем его на простые фигуры
Носовой отсек.
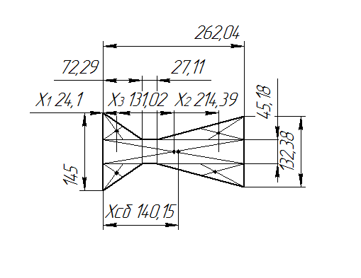
Рис. 3. Определение центра тяжести носовой части приложение 6
м (75)
Приборный отсек.
Рис. 4 Определение центра тяжести приборного отсека. Приложение 7
=
0,276 м (76)
Энергетический блок.
Рис. 5 Определение центра тяжести энергоблока. Приложение 8
(77)
Боевая часть
Рис. 6 Определение центра тяжести боевой части. Приложения 9
=
(78)
Крыло
Рис. 7. Определение центра тяжести и габаритов крыла, приложение 1
(79)
(80)
(81)
Оперение
Рис. 8. Определение центра тяжести и габаритов оперения, приложение 2.
м (82)
Двигательная установка
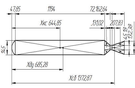
Рис. 9. Определение центра тяжести и габаритов двигательной установки,
приложение 5.
(83)
(84)
(85)
летательный нагрузка топливный двигательный
Двигательная установка большая, поэтому отдельно подсчитываем центр
тяжести соплового блока
Рис. 10. Определение центра тяжести соплового блока, приложение 4
(86)
(87)
Приводы
Рис. 11. Определение центра тяжести и габаритов приводов, приложение 2.
м (88)
Полученные центры тяжести агрегатов наносим на компоновочный чертеж и
измеряем расстояние от носка ла до центра тяжести агрегата. Приложение 10.
Определяем положение ц.т. всего ла и наносим на чертеж
(89)
Определяем разность расстояний между центром масс ла и хсах
, (90)
Хсах - расстояние от носка ла до носка средней
аэродинамической хорды.
Определяем центровку
, (91)
где
всах - длина средней аэродинамической хорды смотрим в
Приложении 10.
1.7 Расчет нагрузок, действующих на корпус
=105 кг
=2,96
=9,836 кг
=
м
=1,05 кг α=2°=0,035рад
=31,5 кг
=
м
=11,911 кг
=0,05
=1,89 кг
=0,145 м
=13,65 кг
mоб=6,3 кг ny= 18
nx= 26 h=3500 м
Рис. 12. Габариты летательного аппарата для расчета нагрузок действующих
на корпус.
Расчетгабаритов летательного аппарата для расчета нагрузок действующих на
корпус.
OA=
=
= 0,164 м (92)=
=1,98 - 0,637= 1,343 м (93)=
=0,637 - 0,1643= 0,473м (94)=
=
= 2,609 м (95)=
= 1,816 м (96)
CD=
=3,246 - 1,98= 1,266 м (97)
Определяем длину равновеликого цилиндра
Длину равновеликого цилиндра берем из пункта 1.6.
Определяем нагрузки, действующие на корпус
Определяем подъёмную силу корпуса ЛА
=
×α×
×
=0,05 × 0,035×
× 0,0165 =
5,67 Н, (98)
где
(берется по таблице в зависимости от
высоты полета, для нашего летательного аппарата h=3500 м);
- производная коэффициента подъёмной силы по углу атаки α;
α =0,035 - угол атаки (в радианах);
- плотность воздуха на заданной высоте;
- скорость полёта на заданной высоте;
- площадь поперечного сечения корпуса.
Определяем нагрузки от присоединенных частей л.а.
Определяем вес л.а.
G0=m0
g=105
9,81=1030,05Н, (99)
гдеG0 - все летательного аппарата.
Определяем нагрузку от крыльев.
Yкр=G0×ny=1030,05×18=
Н (100)
Gкр=
×g=
×9.81=
Н, (101)
где Yкр-подъемная сила крыла;
ny - поперечная перегрузка;
Gкр - вес крыла.
Определяем нагрузку от оперения.
Yоп
- очень мало
поэтому её не учитываем
оп=mоп
g=1,05×9,81= 10,301 Н, (102)
гдеGоп - вес оперения.
Определяем полную массовую нагрузку.
qm=
=
=
Н/м (103)
ѱ=1
=1
=
=
, (104)
где qm - полная массовая нагрузка;
ѱ - коэффициент учитывающий вес внешних агрегатов.
Проверяем условие равновесия. ƩY=0
Yкорп -Gоп∙ny+( укр-Gкр∙ny )-qm1∙lw=
=
= 5,67 (105)
Находим процент погрешности
, (106)
Погрешность в 0,5% допустима.
Определяем сосредоточенный момент, переходящий с крыла на корпус.
ƩMD=0 , (107)
MD= Yкор·Lw+MZ-Gоп
ny
CD+( Yкр
Gкр
ny)
BD-Gоп
ny
CD- qm
Lw
=0 (108)
MZ=
Yкор
Lw + Gоп
ny
ВD
(Yкр
Gкр
ny)
СD +qm
Lw
Н
м (109)
Построение эпюры Q.
=
= 5,67 Н , (110)
=
АB =
=-2559,6Н (111)
=
-
=
-3046,5Н, (112)
=
АС =
=
10,3005×18-5426,84×1,8157
10033,3Н (113)
=
+(
=
Н, (114)
QD= укорп- qm1∙AE=
= 0 Н (115)
=
=
АК= 0 Н (116)
АЕ=
=
=0 м (117)
Построение эпюры М.
= 0 (118)
=
АЕ-
=
= 0 Н×м (119)
=
АВ-
=
(120)
=
АС
-
-9184,22 Н×м (121)
=
+
=
=--4353,13Н×м (122)
=
+(
)
CD
q
+
=
×3,0817-10,305×18×2,609+(5,67 - 90,6444×18)
×1,266-5426,84 ×
=0 Н
м (123)
Построение эпюры Nx.
GГО=mнч×g= 1,89×9,81=18,541Н (124)
GБЧ=mбч×g=
309,015Н (125)
GПО=mпо×g=
61,803Н (126)
Gэб=mэб×g=
133,907Н (127)
GДУ= mду×g=
116,847Н (128)
NxГО=GГО×nx=
482,063Н (129)
NxПО= GГО×nx+GПО×nx=482,063+ 61,803×27 = 2088,941H (130)
NxБЧ= GГО×nx+GПО×nx+GБЧ×nx=
Н (131)
NxЭБ= GГО×nx+GПО×nx+GБЧ×nx+GЭБ×nx=
15506,43 Н (132)
NxДУ= GГО×nx+GПО×nx+GБЧ×nx+GЭБ×nx+GДУ×nx=
33689,266Н (133)
После действующих нагрузок на корпус строим эпюры q, Q, M, Nx.
Расчет боевой части на прочность.
Дано:
|
Показатель
|
Ед.изм
|
Значения
|
|
E
|
( )
|
2
|
|
|
( )
|
81 600
|
|
|
( )
|
51000
|
|
Nх
|
(Н)
|
|
|
M
|
(Н
|
4411
|
|
|
(см)
|
14,5
|
|
δ
|
(см)
|
0,25
|
Рис. 13. Нагрузки действующие на агрегат,
где
- площадь стрингера (берем из данных
деталировки агрегата);
n -
количество стрингеров (берем из данных деталировки агрегата);
Nх - Продольная сжимающая сила (берется
и рассчитывается в эпюрах самый критический момент сжатия). Приложение 11;
М - изгибающий момент (берется рассчитывается в эпюрах самый критический
изгибающий момент). Приложение 11;
δ - толщина корпуса;
Е - модуль упругости материала (берем из справочника характеристик
материала);
- предел прочности (берем из справочника характеристик
материала).
Определяем нагрузки в точках 1;3
=
(134)
где
- нормальные напряжения;
b -
расстояние между стрингерами;
- толщина обшивки.
Определяем нормальные напряжение от силы Nх
11,383
(135)
=
(136)
;
N -
продольная сжимающая сила (Приложении 14).
Определяем суммарные напряжения в точка 1,3
=
-
=997,714
, (137)
где
- суммарное напряжение в точке 1.
Проверяем условие выполнения прочности.
т.к. 997,714
(138)
Прочность выполняется
Рассчитываем коэффициент безопасности.
f=
=
,12 (139)
+
=1211,52
где
- суммарное напряжение в точке 3.
Проверяем условие выполнения прочности.
т.к. 1211,52
(140)
Рассчитываем коэффициент безопасности.
f=
(141)
Раздел 2.
Технологический
.1 Разработка
технологического процесса изготовления боевой части
Описание применяемого материала
При выборе материала деталей конструкции ракеты следует придерживаться
принципов:
системности;
минимальной номенклатуры используемых материалов;
соответствия критериев эффективности проектируемой ракеты;
серийной преемственности.
Принцип системности при выборе материала детали предполагает учет
основных связей между свойствами материала, технологическими процессами
формообразования деталей, условиями нагружения детали в процессе эксплуатации и
прочими факторами, от которых зависит эффективность использования детали в
конкретной конструкции ракеты.
В соответствии с принципом минимальной номенклатуры необходимо,
во-первых, стремиться к уменьшению марок используемых материалов и, во-вторых,
следует рассматривать возможность использования материалов одного назначения
для изготовления деталей другого назначения. В соответствии с принципом
серийной преемственности рекомендуется выбирать такие материалы, которые:
- освоены в серийном производстве;
освоены данным конструкторским бюро в предыдущих конструкциях ракеты;
используются при производстве других типов ракет на серийном заводе, где
предполагается изготавливать проектируемую ракету;
имеют достаточно большой объем использования во вновь создаваемой
конструкции, чтобы их применение было целесообразно с точки зрения снабжения
завода этими материалами и внедрения соответствующих технологий их обработки.
Наиболее нагруженными и ответственными узлами изделия являются корпусные
отсеки. Учитывая размеры оболочек по диаметру и длине, жёсткие допуски по
геометрическим параметрам, в качестве основного конструкционного материала
могут использоваться алюминиевые сплавы.
Правильный выбор материалов для элементов конструкции может существенно
улучшить массовые и летно-технические характеристики ракеты, а также её
экономичность в производстве и эксплуатации. Поэтому выбор материала является
одной из центральных задач проектирования конструкции ракеты. При ее решении
нужно учитывать механические и физические свойства материала, его стойкость
против коррозии, стоимость, дефицитность сырья. Материал должен хорошо
обрабатываться, иметь достаточно стабильные характеристики. Первоочередное
внимание при выборе материала должно уделяться следующим качествам:
малая плотность;
высокая прочность;
достаточная пластичность и вязкость во всем диапазоне рабочих температур;
низкая чувствительность к концентрациям напряжений;
хорошие технологические свойства:
а) свариваемость,
б) обрабатываемость резанием,
в) высокие литейные характеристики.
Также большую роль при выборе материала играет его стоимость и технологичность.
Самым технологичным и дешевым является литье
Преимущества литья:
уменьшение параметров шероховатости поверхности
уменьшение объема механической обработки отливок
улучшение заполняемости форм из-за их предварительного подогрева;
улучшение условий затвердевания отливок в силу более медленного
охлаждения;
сокращение в несколько раз объема переработки и транспортирования
формовочных материалов
Поэтому для изготовления боевой части был выбран сплав 25ГСЛ. Этот сплав
обладает повышенными механическими свойствами, хорошо поддается механической
обработке резанием и обладает повышенными литейными свойствами.
Маршрутная карта механообработки боевой части «Приложение 12».
.2 Экономическое обоснование изменения себестоимости в связи с переходом
с мелкосерийного производства агрегатов на крупносерийное производство
Издержки производства- это расходы, связанные с производством, премии.
Сумма расходов также называется себестоимостью. В торговле расходы на продажу
называются издержками обращения.
Согласно 25 НК РФ расходы, связанные с производством и (или) реализацией,
подразделяются на:
Материальные расходы;
Расходы на оплату труда;
Суммы начисленной амортизации;
Прочие расходы.
Различают постоянные и переменные издержки производства.
Постоянные издержки - это издержки, сумма, которых не зависит от объёма
производства и реализации, например, расходы на аренду, электроэнергию и т.д.
Переменные издержки - это издержки, сумма, которых напрямую прямо
пропорционально зависит от объёма реализации и Серийное производство
Серийное
производство - тип производства
<https://ru.wikipedia.org/wiki/%D0%9F%D1%80%D0%BE%D0%B8%D0%B7%D0%B2%D0%BE%D0%B4%D1%81%D1%82%D0%B2%D0%BE>,
характеризующийся ограниченной номенклатурой
<https://ru.wikipedia.org/wiki/%D0%90%D1%81%D1%81%D0%BE%D1%80%D1%82%D0%B8%D0%BC%D0%B5%D0%BD%D1%82>
изделий
<https://ru.wikipedia.org/wiki/%D0%98%D0%B7%D0%B4%D0%B5%D0%BB%D0%B8%D0%B5>,
изготавливаемых или ремонтируемых периодически повторяющимися партиями, и
сравнительно большим объемом выпуска.
Партия
или производственная партия - это группа заготовок одного наименования и
типоразмера, запускаемых в обработку одновременно или непрерывно в течение
определённого интервала времени.
Серийное
производство является основным типом современного производства, и предприятиями
<https://ru.wikipedia.org/wiki/%D0%9F%D1%80%D0%B5%D0%B4%D0%BF%D1%80%D0%B8%D1%8F%D1%82%D0%B8%D0%B5>
этого типа выпускается в настоящее время 75-80 % всей машиностроительной
продукции. По всем технологическим и производственным характеристикам серийное
производство занимает промежуточное положение между единичным
<https://ru.wikipedia.org/wiki/%D0%95%D0%B4%D0%B8%D0%BD%D0%B8%D1%87%D0%BD%D0%BE%D0%B5_%D0%BF%D1%80%D0%BE%D0%B8%D0%B7%D0%B2%D0%BE%D0%B4%D1%81%D1%82%D0%B2%D0%BE>
и массовым производством <https://ru.wikipedia.org/wiki/%D0%9C%D0%B0%D1%81%D1%81%D0%BE%D0%B2%D0%BE%D0%B5_%D0%BF%D1%80%D0%BE%D0%B8%D0%B7%D0%B2%D0%BE%D0%B4%D1%81%D1%82%D0%B2%D0%BE>.
Типы
серийного производства
В
зависимости от числа изделий в партии или серии и значения коэффициента
серийности (коэффициента закрепления операций
<https://ru.wikipedia.org/wiki/%D0%9A%D0%BE%D1%8D%D1%84%D1%84%D0%B8%D1%86%D0%B8%D0%B5%D0%BD%D1%82_%D0%B7%D0%B0%D0%BA%D1%80%D0%B5%D0%BF%D0%BB%D0%B5%D0%BD%D0%B8%D1%8F_%D0%BE%D0%BF%D0%B5%D1%80%D0%B0%D1%86%D0%B8%D0%B9>)
различают мелкосерийное, среднесерийное и крупносерийное производство.
В
зависимости от размеров партий выпускаемых изделий характер технологических
процессов серийного производства может изменяться в широких пределах,
приближаясь к процессам массового или единичного производства. Правильное
определение характера проектируемого типа производства и степени его
технической оснащенности, наиболее рациональных для данных условий конкретного
серийного производства, является очень сложной задачей, требующей от технолога
<https://ru.wikipedia.org/wiki/%D0%98%D0%BD%D0%B6%D0%B5%D0%BD%D0%B5%D1%80-%D1%82%D0%B5%D1%85%D0%BD%D0%BE%D0%BB%D0%BE%D0%B3>
понимания реальной производственной обстановки, ближайших перспектив развития
предприятия и умения проводить серьёзные технико-экономические расчёты
<https://ru.wikipedia.org/wiki/%D0%92%D1%8B%D1%87%D0%B8%D1%81%D0%BB%D0%B5%D0%BD%D0%B8%D0%B5>
и анализы
<https://ru.wikipedia.org/wiki/%D0%91%D0%B8%D0%B7%D0%BD%D0%B5%D1%81-%D0%B0%D0%BD%D0%B0%D0%BB%D0%B8%D0%B7>.
С
переходом с мелкосерийного производства на крупносерийное у предприятия растут
издержки производства. Однако, следует учесть, что постоянные (они же
накладные) расходы, такие, как: командировочные и представительские расходы,
расходы на охрану, водотеплоснабжение и другие, остаются неизменными. Зачастую
именно эти расходы занимают наибольший удельный вес в общей структуре
себестоимости. Фактически возрастают пропорционально росту объемов производства
лишь переменные расходы: расходы на материалы и комплектующие изделия, а также сдельная
оплата труда рабочих.
Таблица
5
Расчёт
издержек производства за месяц в мелкосерийном и крупносерийном производстве
агрегатов
|
Статья издержек производства
|
Малосерийное производство
|
Крупносерийное производство
|
Темп роста, %
|
|
Затраты на сырьё и материалы, тыс.руб
|
150
|
600
|
400
|
|
Затраты на детали и комплектующие, тыс.руб
|
400
|
1600
|
400
|
|
Затраты на повременную оплату труда, тыс.руб
|
875
|
1968,75
|
165,714
|
|
Затраты на сдельную оплату труда, тыс.руб
|
128
|
512
|
400
|
|
Затраты водоснабжение в общехозяйственных целях, тыс.руб
|
13,45
|
18
|
133,83
|
|
Затраты на водоснабжение в производственных целях, тыс.руб
|
4
|
16
|
400
|
|
Затраты на электроэнергию в общехозяйственных целях,
тыс.руб
|
18,75
|
25,25
|
134,67
|
|
Затраты на электроэнергию в промышленных целях, тыс.руб
|
25
|
100
|
|
Затраты на теплоснабжение, тыс.руб
|
15
|
15
|
100
|
|
Общехозяйственные затраты, тыс.руб
|
27
|
27
|
100
|
|
Затраты на внутреннею логистику, тыс.руб
|
15
|
15
|
100
|
|
Затраты на внешнею логистику, тыс.руб
|
19
|
19
|
100
|
Издержки постоянные, в том числе:
Затраты на повременную заработную плату. Темп роста повременной
заработной платы обусловлен увеличением количества смен и числом работников и
составил 225%
Затраты на водоснабжение в общехозяйственных целях. Темп роста затрат на
водоснабжение в общехозяйственных целях обусловлен увеличением затрат воды,
связанным с увеличением числа работников и смен и составил 133,83%
Затраты на электроэнергию в общехозяйственных целях. Темп роста затрат на
электроэнергию в общехозяйственных целях обусловлен увеличением затрат на
электроэнергию в связи с увеличением количества смен и составил 134,67%
Затраты на теплоснабжение. Темп роста на теплоснабжение обусловлен
сохранением количества дней отопления и составил 100%
Общехозяйственные затраты. Темп роста общехозяйственных затрат был
сохранен связи с тем, что количество закупаемых хозяйственных принадлежностей
не было изменено и составили 100%
Затраты на внутреннею логистику. Темп роста затрат на внутреннею
логистику был обусловлен тем, что вместимость электрокаров позволяла перевозить
большее количество заготовок, агрегатов и составил 100%
Издержки переменные, в том числе:
Затраты на сырьё и материалы. Темп роста затрат на сырьё и материалы
обусловлен ростом объёма производства и пропорционален ему и составил 400%
Затраты на детали и комплектующие. Темп роста затрат на детали и
комплектующие обусловлен ростом объёма производства и пропорционален ему и
составил 400%
Затраты на сдельную оплату труда. Темп роста затрат на сдельную оплату
труда целях обусловлен ростом объёма производства и пропорционален ему и
составил 400%
Затраты на электроэнергию в промышленных целях. Темп роста на
электроэнергию в промышленных целях обусловлен ростом объёма производства и
пропорционален ему и составил 400%
Затраты на водоснабжение в производственных целях. Темп роста затрат на
водоснабжение в производственных целях обусловлен ростом объёма производства и
пропорционален ему и составил 400%
Издержки в малосерийном производстве составляют 1690,2 тысяч рублей,
издержки в крупносерийном производстве составляют 4916 тысяч рублей. Темп роста
издержек составляет 290,85% при росте объёмов производства в 4 раза.
Объём производства в крупносерийном производстве составит: 8193
Анализ
При
переходе с малосерийного производства на крупносерийное производство значительная
изменения издержек были замечены только среди переменных. При росте объёмов
производства в 4 раза, темп роста выручки будет составлять 400%, а темп роста
издержек 290,85%. Тем самымпрогнозирую увеличение рентабельности прибыли за
счёт того, что темп роста издержек будет отставать от темпа роста прибыли.
2.3 Охрана
труда и техника безопасности при механической обработке детали
Охрана труда - система сохранения жизни и здоровья наемных работников и
приравненных к ним лиц в процессе трудовой деятельности, включающая в себя
правовые, социально-экономические, организационно-технические,
санитарно-гигиенические, лечебно-профилактические, реабилитационные и иные
мероприятия.
Механическая обработка - обработка изделий из стали и других материалов с
помощью механического воздействия с применением резца, сверла, фрезы и другого
режущего инструмента. Сам процесс обработки осуществляется на металлорежущих
станках, в установленном порядке согласно технологическому процессу.
Безопасность труда при работе на металлорежущих
станках
Безопасность труда при работе на металлорежущих станках должна быть
обеспечена на протяжении всего цикла обработки металлов. Установка
обрабатываемых заготовок на станок и снятие готовых деталей во время работы
станков допускаются только вне зоны обработки с применением специальных
приспособлений, поворотных столов и др.
Все станки могут приводиться в действие только теми лицами, за которыми
они закреплены. Перед началом работы необходимо проверить наличие и исправность
заземления станка, ограждений токоведущих и пусковых устройств, защитных
экранов и их блокировок. После закрепления детали или режущего инструмента
необходимо перед включением станка вынуть ключ из патрона. Устанавливать или
снимать режущий инструмент нужно только после полной остановки станка. Скорость
резания и сверления, глубина и подача должны соответствовать параметрам,
указанным в технологической карте. При появлении вибрации станка необходимо
немедленно его отключить и выяснить причину ее возникновения. Измерять детали
можно после отключения станка и отвода резца (сверла) на безопасное расстояние.
Контролировать размеры обрабатываемых заготовок и деталей на станках
можно после отключения механизма вращения или перемещения заготовок, деталей,
инструмента или приспособлений.
Для проверки размеров обрабатываемых деталей и заготовок необходимо
предусматривать специальные устройства, автоматически замеряющие детали без их
снятия со станков.
Во время работы спецодежда станочника должна быть застегнута, волосы
убраны под головной убор. Если на станке отсутствует защитный экран, то
работать следует в защитных очках.
При работе на металлорежущих станках запрещается:
прикасаться руками к обрабатываемой детали во время ее обработки;
останавливать станок непосредственным нажатием рукой на обрабатываемую
деталь, патрон, планшайбу или шкив;
устанавливать и снимать изделия во время работыстанка;
работать с забинтованными пальцами или в рукавицах.
Убирать стружку, другие отходы и грязь с металлорежущих станков должен
сам работающий на данном станке в приямки под станками или возле них, или в
специальную тару. Уборку следует делать с помощью крючков и щеток. Запрещается
удалять стружку с помощью сжатого воздуха, а также непосредственно руками.
Заключение
Целью настоящего дипломного проекта являлось проектирование летательного
аппарата класса «поверхность - воздух» малой дальности
с детальной разработкой приборного отсека
В результате разработанного мной проекта благодаря увеличению перегрузок
улучшилась маневренность Л.А. К тому же была увеличена площадь крыла, что дает
высокую подъёмную силу. Проведенная компоновка и центровка позволило
рационально разместить агрегаты и получить допускаемую устойчивость и высокую
плотность размещения оборудования.
Выбранное мною монолитно-стрингерная конструктивная силовая схема имеет
следующие преимущество и недостатки:
Наивысшая технологичность;
Способность выдерживать большие нагрузки;
Более рациональная работа сечения;
Можно делать не большие вырезы в межстрингерной части;
Недостатком монолитно-стрингерной конструктивной силовой схемы является:
Не желательно делать большие вырезы, т.к. удаляется основной силовой
элемент стрингер, вырез приходиться окантовывать, что приводит к существенному
увеличению веса.
Для достижения указанной цели был поставлен ряд задач:
При решении первой задачи были рассчитаны массовые характеристики
летательного аппарата: масса корпуса, оперения, крыла, двигателя, топлива, а
также геометрические параметры, в том числе длина летательного аппарата,
диаметр корпуса ракеты, размах крыла, размах оперения, длина двигательной
установки.
При решении второй задачи были рассчитаны параметры топливной шашки, ее
масса, а также время работы двигательной установки.
При решении третьей задачи была выполнена компоновка и центровка
летательного аппарата.
При решении указанных выше задач была использована система
автоматизированного проектирования.
При расчете корпуса летательного аппарата на прочность (4-я задача)
использованы данные расчета массовых, геометрических параметров ракеты. Были
рассчитаны: длина равновеликого цилиндра, подъемная сила корпуса, подъемная
сила крыла, подъемная сила оперения, массовая нагрузка; проверен допустимый
процент ошибки.
Был определен сосредоточенный изгибающий момент;
построены эпюры поперечной силы (Q), изгибающего момента (M)
и продольной сжимающей силы (NX).
В технологической части дипломного проекта (5-ая задача) был рассмотрен
ряд общих требований по технологичности конструкции летательного аппарата для
изделий подобного класса, обоснован выбор конструкционных материалов, дана
оценка технологичности конструкции, описаны требования, предъявляемые к
деталям.
В экономической части (6-ая задача) данного дипломного проекта был
рассмотрен вопрос управления оборотными активами предприятия. Эффективное
управление оборотными активами является важной составной частью управления
предприятием в целом.
Для решения 7-ой задачи использовалась инструкция по технике безопасности
при механической обработке. Были изучены специальные требования безопасности
перед началом работы, во время работы и по окончании работы.
Таким образом, задачи, поставленные в данном дипломном проекте, решены в
полном объеме. Цель - разработка высокоэффективного образца ракеты с
улучшенными характеристиками ЗРК «Roland» - достигнута.
У новой ракеты по сравнению с прототипом изменены основные
характеристики, такие как:
габариты летательного аппарата;
масса летательного аппарата;
масса боевой части;
скорость летательного аппарата;
Подробный перечень изменений показан в таблице 6
Таблица 6
Таблица сравнения прототипа.
|
Наименования
|
Прототип Л.А.
|
Л.А.
|
|
Масса боевой части(кг)
|
4.5
|
31.5
|
|
Длина(м)
|
2,91
|
3,246
|
|
Диаметр(м)
|
0,13
|
0,145
|
|
Площадь крыла с подфюзеляжной частью(
|
0,36
|
|
|
Площадь оперения с подфюзеляжной частью(
|
0,07
|
|
|
Масса(кг)
|
83,9
|
105
|
Список
литературы
1. Войт Е.С.,
Ендогур А.И. и др. Проектирование конструкций самолетов - М.: Машиностроение,
2014, - 254с.
. Егер С.М.
Проектирование самолетов: Учебник для вузов/// С. М. Егер, В. Ф. Мишин, Н. К.
Лисейцев и др. Под ред. С. М. Егера. - 3-е изд., перераб. и доп. - М.:
Машиностроение, 2013. - 616 с.
. Конструкция
самолетов: Глаголев А. Н., Гольдинов М. Я., Григоренко С. М. - Москва:
Машиностроение, 1975. - 479 с.: ил.
. Житомирский
Г.И. Конструкция самолетов: Г. И. Житомирский. - 3-е изд., перераб. и доп. -
М.: Машиностроение, 2005. - 405 с.
. Федоренко
В.А., Шошин А.И. Справочник по машиностроительному черчению, М.,
Машиностроение, Ленинградское отделение, 1981. - 416с.
. Богуслаев
В. А. Авиационно-космические материалы и технологии: учебник для студентов
вузов / Богуслаев В. А. [и др.]; под общ. ред. В. А. Богуслаева. - Запорожье:
Мотор Сич, 2007. - 382 с.
. Ефремов
А.В. Динамика полета: / под ред. Г. С. Бюшгенса. - Москва: Машиностроение,
2013. 776 с.: ил.
. Вольсков
Д.Г. Проектирование летательных аппаратов. Современные подходы: Практикум / Д.
Г. Вольсков - Ульяновск: УлГТУ, 2016. - 78 с.
. Егер С.М.
Основы авиационной техники / Егер С.М., Матвеенко А.М., Шаталов И.А. Под
редакцией И.А. Шаталова. - Изд. третье, исправ. и доп. - М.: Машиностроение,
2015. - 720 с.
. Замула Г.
Н. Прочность высокотемпературных конструкций летательных аппаратов / Г. Н.
Замула, А. С. Кретов; Казанский государственный технический университет им. А.
Н. Туполева (КГТУ). - Казань: Изд-во КГТУ, 2004. - 468 с.
. Нагрузки
летательных аппаратов: / Куйбышев.авиац.ин-т им.С.П.Королева. - 2-е изд., перераб.
- Самара: КуАИ, 2013. - 51с.
. Ильин А.В.
Многоцелевые истребители зарубежных стран / Ильин А.В. - М.: Астрель: АСТ,
2014. - 160 с.
. Рожков В.Н.
Контроль качества при производстве летательных аппаратов: / Рожков В.Н. - М.:
Машиностроение, 2014. - 416 с.
. Глебова
Е.В. Производственная санитария и гигиена труда / Глебова Е.В. - М.: Высшая
школа, 2015. - 382 с.
. Грибов В.Д.
Экономика организации (предприятия) / Грибов В.Д., Грузинов В.А., Кузьменко
В.А. 2015 - 305с.
. Асалиева
А.М. Экономика труда: учебник/ Асалиева А.М. - М.: ИНФРА-М, 2014 - 312с.
. Яковлев
Р.А. Оплата труда в организации/ Яковлев Р.А. - 2-е изд. перераб. и доп. - М.:
МЦФЭР, 2013 - 448 с.
Приложения 1
Крыло
Приложение 2
Оперение
Приложение 3
Топливная шашка
Приложение 4
Сопловой блок
Приложение 5
Двигательная установка
Приложение 6
Носовая часть
Приложение 7
Приборный отсек
Приложение 8
Энергоблок
Приложение 9
Боевая часть летательного аппарата
Приложение 10
Компоновочный чертёж
Приложение 11
Эпюры действующих нагрузок