Проектирование устройства антенного моноимпульсного вторичного радиолокатора использующегося в активной радиолокации с активным ответом
Введение
Актуальность
В настоящее время актуальной
задачейрадиотехникиявляется развитие и модернизация антенных систем, входящих в
различные радиотехнические средства.
В большинстве случаев для приема и передачи
сигналов используют одно устройство РЛС устройство, но в особых случаях
используют отдельные антенные устройства. Так как антенные устройства служат
связующим звеном между электромагнитными волнами, распространяющимися в
свободном пространстве, и колебаниями, генерируемыми передатчиком или принимаемым
приемником РЛС, к современной радиолокационной аппаратуре, в том числе для
антенных радиолокаторов работающих в моноимпульсном режиме, предъявляется ряд
требований связанных с обеспечением надежного поиска и точного измерения
параметров фиксируемых сигналов, а также, требования минимального искажения
сигналов, принимаемых широкополосном диапазоне частот. Тем не менее, при
соблюдении всех этих требований, антенные системы и комплексы должны иметь
приемлемые габаритные размеры и массы.
В данной работе будет проведено проектирование
устройства антенного моноимпульсного вторичного радиолокатора (УА МВРЛ),
использующегося в активной радиолокации с активным ответом. Для начала приведем
основные понятия и определения.
1.Методы образования радиолокационных сигналов
Радиолокационный сигнал - электромагнитная
волна, отраженная от цели, и, следовательно, являющаяся носителем информации о
цели. При этом цель играет активную или пассивную роль. Отсюда
следуетклассификационное разделение методов радиолокации по способу образования
радиолокационных сигналов (см. рис. 1.1):
Активная радиолокация с пассивным ответом,
Активная радиолокация с активным ответом,
Пассивнаярадиолокация,
Полуактивнаярадиолокация.
Рис. 1.1. Упрощенные функциональные схемы
радиолокации: активной с пассивным ответом (а), активной с активным ответом
(б), пассивной (в)и полуактивной (г).
В активной радиолокации, в отличие от пассивной,
возможно определять все координаты цели. Однако пассивная система имеет скрытый
характер локации (РЛС не излучает).
В радиолокации с активным ответом, запросный и
ответный сигналы кодируются.По полученному коду можно определить принадлежность
цели («свой - чужой») и получать информацию о высоте, направлении, скорости и
прочей информации.Этот метод радиолокации эффективен как средство навигации.
Одним из преимуществ систем с активным ответом являетсядальность действия,
обусловленная значительно большей мощностью ответного сигнала по сравнению с
отраженным от цели. Далее рассмотрим более подробно данный метод.
.1 Вторичная радиолокация
Системы радиолокации с активным ответом
представляют собой разнесенный в пространстве комплекс радиотехники, который
состоит из запросчика и ответчика, соединенных каналами связи. Запросчик
излучает кодированные запросные сигналы, что практически исключает ложный
запуск ответчика другими устройствами, в том числе устройствами противника.
Сигналы запросов принимаются и декодируются приемником ответчика, установленным
на цели. Если запрос соответствует установленному коду, ответчик отправляет
кодированный сигнал-ответ. Кодирование вносит затруднения для имитации ответных
сигналов и повышает надежность работы системы, а также применяется для передачи
информации от цели. Кодирование запросных и ответных сигналов может
осуществляться по любому параметру. Ответные сигналы принимаются и декодируются
в приемнике запросчика, воздействуя далее на индикаторное (измерительное,
анализирующее) устройство. Рассчитывая время и направление прихода ответных
сигналов, расчитывают расстояние до цели и угловые координаты объекта, а
выявляя соответствие принятого кода установленным, судят о принадлежности
объекта и характере передаваемой с него информации.
.2 Подавление приема ответных сигналов по
боковым лепесткам в системах вторичной радиолокации
На эффективность систем активной радиолокации с
активным ответом существенное влияние оказывают боковые лепестки диаграммы
направленности антенны. Боковые лепестки антенны запросчикамогут вызвать ложный
запуск ответчика, особенно на близких расстояниях, что вызывает перегрузку
аппаратуры ответчика. При наличии нескольких запросчиков вероятность ложных
запусков ответчика повышается, и он может запрашиваться непрерывно. Возможен
ложный прием ответных сигналов по боковым лепесткам антенны запросчика, в
результате чего появляется неоднозначность определения угловых координат цели,
а также ухудшаются условия ее опознавания. Вследствие этого, возникает
необходимость устранения влияния боковых лепестков диаграмм направленности
антеннзапросчика и ответчика и исключения перегрузок приемной аппаратуры.
Одним из методов подавления приема ложных
сигналов по боковым лепесткам ДН антенны запросчика является применение
дополнительного приемного канала со слабонаправленной антенной, диаграмма
направленности которой охватывает боковые лепестки ДН основной антенны (рис.
1.2). При этом сигналы на выходе дополнительного канала приема должны по
амплитуде превышать выходные сигналы основного канала, принятые по боковым
лепесткам, и не превышать сигналы, принятые по главному лепестку. Схема
вычитания задерживает ложные сигналы запроса.
Рис. 1.2. Подавление приема по боковым лепесткам
диаграммы направленности антенны запросчика.
.3 Амплитудные методы радиопеленгации
Благодаря тому, что антенна обладает
направленными свойствами, можно установить связь между амплитудой выходного
напряжения приемника Um
и направлением прихода радиоволн, отраженных от цели (азимутом α
и углом места b). Выявить эту связь можно
измерением амплитуд или фаз сигналов, принимаемых с различных направлений.
Соответственно методы радиопеленгации разделяются на амплитудные и фазовые. Из
них к амплитудным относятся методы максимума, минимума и сравнения. Подробно
рассмотрим метод сравнения (равносигнальный или моноимпульсный метод).
Метод сравнения. Многоканальные (моноимпульсные)
методы измерения угловых координат
Метод основан на сравнении амплитуд сигналов,
принимаемых антенной с парой ДН,перекрывающихся в соответствующей
(горизонтальной, вертикальной) плоскости. Облучатели подключаются к входу
приемника синхронно с подключением к выходу приемника схемы сравнения и
запоминания принятых сигналов. Такой радиопеленгатор называется одноканальным.
Одноканальные методы отличаются сравнительной простотой, однако не всегда
способны обеспечить достаточную точность измерения. Основной причиной приема
ложного сигнала являются искажения огибающегоансамбля отраженных сигналов за
счет флюктуации вторичного излучения. Этот недостаток устраняется
использованием многоканальных методов, в настоящее время получивших широкое
распространение.При этом измерением каждой угловой координаты занимаются
несколько самостоятельных приемных каналов, чаще всего два. Многоканальные
методы и системы пеленгации делят на амплитудные и фазовые. В них используются
амплитудные и фазовые зависимости принимаемых колебаний от направления приема
радиоволн, неодинаковые для используемых каналов приема.
Амплитудные методы многоканальной
пеленгации
Рис. 1.3. Блок-схема двухканального амплитудного
пеленгатора.
На рисунке 1.3 изображена простейшая
двухканальная амплитуднаясистема пеленгации. От антенных облучателей, сдвинутых
из фокуса зеркала, на входы приемников поступают колебания. Используемые каналы
излучают смещенные на некоторый угол θсмДН.
Продетектированные импульсы с выходов данных приемных каналов поступают на
схему сравнения амплитуд, которая определяет их отношение.
Рис. 1.4. ДН (а) и отношение амплитуды от
углового положения цели (б).
На рисунке 1.4 изображен график
отношения амплитуд от положения цели относительнооси антенной системы
для
смещенных ДН каналов F1(θ) и F2(θ). Из
данного графика по величине отношения амплитуд получают информацию о смещении
цели относительно направления с равным средним сигналом (
). Угловая
координата цели θц определяется при этом суммой
измеренного значиенияθ и значиенияугла поворота
антенны θ0, который
измеряетсярасчетным устройством:
θц = θ + θ0
Двухканальный метод измеряет угловую
координату одного принятого импульса и вместе с другими многоканальными
методами (применительно к случаю импульсного пространственного зондирования)
относится к классу методов моноимпульсного пеленгования. Одним из его главных
преимуществ является невосприимчивость к флуктуациям амплитуд отраженного
сигнала, поскольку сравнение принимаемых сигналов происходит в одном и том же
временном интервале (см. схему на рис. 1.3).
1.4 Фазовые
методы многоканальной пеленгации
Рис. 1.5. Блок-схема двухканального фазового
пеленгатора.
На рисунке 1.5 изображена двухканальная схема
фазового поиска, которая использует разделение приемных антенн на величину d,
называемую базой. Полученные колебания поступают в антенны с фазовым сдвигом:
λ - длина
волны колебаний передатчика, θ - угол междунаправлением
прихода радиоволн и нормалью к базе.
Затем в приемниках колебания
усиливаются и поступают на фазометр, который измеряет разность фаз φ1 - φ2, зависящую
от угловой координаты цели. Фазометр может быть проградуирован в единицах
углового отклонения цели от нормали к базе θ, так чтоθц = θ + θ0. Также,
как и амплитудная, фазовая система многоканальной пеленгации позволяет
определять угловое положение цели по одному принятому импульсу (относится к
классу моноимпульсных) и практически нечувствительна к флюктуациям отраженного
сигнала.
Особенность равносигнального метода
заключается в том, что он сочетает в себе преимущества методов максимума и
минимума: при оптимальном угле смещения диаграмм направленности θсмуровень
сигнала в равносигнальной зоне близок к максимальному, за счет чего дальность
действия РЛС понижается не более чем на 20% по сравнению с методом максимума.
.5 Использование суммарно-разностных
методовизмерения в моноимпульсных системах
В настоящее время в современных
моноимпульсных системах активно используется разностно-суммарная обработка
сигналов, принимаемых различными каналами. Результатом такой обработки являются
формирование суммы и разности двух колебаний. Для облегчения требований
идентичности в динамическом\ диапазоне каналов приема, обработку принимаемых
колебаний заканчивают схемой образования разности в самом начале приемного
тракта, на высокой частоте. Моноимпульсные системы с суммарно-разностной
обработкой делятся на системы, в которых происходит сравнение либо амплитуд,
либо фаз принимаемых сигналов.
Рис. 1.6. Подключение
суммарно-разностного волноводного моста к антенне амплитудной моноимпульсной
РЛС.
На рисунке 1.6 показано подключение
суммарно-разностного волноводного моста к антенной системе амплитудной моноимпульснойРЛС,
измеряющей одну угловую координату. В данной РЛС используются два угловых
канала с различными характеристиками направленности, с общим фазовым центром. Рисунок
1.7 показывает как образуются суммарная и разностная диаграммы.
Рис. 1.7. Получение суммарной и
разностной ДН антенной системы амплитудной моноимпульсной РЛС.
Колебания передатчика приходят к
облучателям антенны синфазными, образуя суммарную диаграмму направленности
антенны на излучение
. Суммарная
диаграмма на прием аналогична суммарной диаграмме на излучение. Зависимость
разностного напряжения от углового отклонения цели определяется разностной
диаграммой направленности
. В этом
случае, в соответствии со знаком углового отклонения цели от оси системы, фазы
колебаний полного и разностного каналов оказываются либо одинаковыми, либо
отличаются на π, что
характеризует сторону Угловое рассогласование. Амплитуда разностного колебания
при малых угловых рассогласованиях пропорциональна величине углового отклонения
цели. Чтобы определить величину и знак угловой ошибки на диаграмме
направленности разности, служит фазовый детектор, в котором общий сигнал
используется в качестве опорного напряжения. На выходе фазового детектора
получают видеоимпульсы, полярность которых зависит от знака ошибки. Эти
импульсы затем используются для управления сервоприводом, который управляет
положением антенной системы. Две аналогичные системы с общим каналом
используются для измерения угловых координат методом амплитудного
моноимпульса.В фазовых моноимпульсных измерителях имеются угловые каналы с
одинаковыми характеристиками направленности, но разнесенными фазовыми центрами
(см. рис. 1.5). Для измерения разности фаз мгновенных значений двух колебаний u1(t), u2(t) также
широко используется суммарно-разностная обработка. В фазометрах
суммарно-разностного типа образуются сумма и разность входных колебаний,
амплитуды которых одинаковы:
Рис. 1.8. Градуировочная кривая
фазометра со схемой деления на видеочастоте (а) и градуировочная кривая
фазометра со схемой деления на радиочастоте (б).
Отношение амплитуд разностного и
суммарного сигналов (
и
) зависит
только от разности фаз исходных сигналов:
что иллюстрируется на градуировочной
кривой (рис. 1.8, а). Как видно из рисунка, по отношению амплитуд
можно
определить разность фаз φ1 - φ2. Интервал
однозначного измерения разности фаз составляет в этом случае только π
радиан.Интервал однозначного измерения расширяется, если использовать отношение
мгновенных значений разностного и суммарного напряжений,пропустив
предварительно одно из них через девяностоградусный фазовращатель. Поскольку
сравниваемые колебания после этой операции приводятся к одной фазе, получим
, (4)
где индекс
указывает
на операцию сдвига фазы на 90° . Из градуировочной кривой (рис. 1.8, б)
следует, что интервал однозначного измерения расширен до 2π.
Антенные решетки
Поскольку направленность действия
простейшей антенны - симметричного вибратора - невысокая, в целях ее увеличения
в антенной техники стали применять систему вибраторов - антенные решетки(АР).
АР на сегодняшний день - один из самых распространенных классов антенн, элементами
которых могут быть как слабонаправленные излучатели (металлические и щелевые
вибраторы, волноводы, диэлектрические стержни, спирали и т.д.), так и
остронаправленные антенны (зеркальные, рупорные и др.). Использование решетки
из Nэлементов
позволяет увеличить приблизительно в N раз
коэффициент направленного действия (КНД) (и соответственно усиление) антенны по
сравнению с одиночным излучателем, а также сузить луч для повышения точности
определения угловых координат источника излучения в навигации, радиолокации и
других радиосистемах. С помощью АР удается поднять электрическую прочность
антенны и увеличить уровень излучаемой (принимаемой) мощности путем размещения
в каналах решетки независимых усилителей высокочастотной энергии. Помимо этого,
с помощью АР возможен относительно быстрый, безынерционный обзор пространства
за счет качания луча антенны электрическими методами (электрического
сканирования). Помехозащищенность радиосистемы зависит от уровня боковых
лепестков (УБЛ) антенны и возможности подстройки (адаптации) его по помеховой
обстановке. Антенная решетка является необходимым звеном для создания такого
динамического пространственно-временного фильтра или просто для уменьшения УБЛ.
При использовании печатных антенных решеток улучшаются массогабаритные
характеристики аппаратуры.
АР могут быть классифицированы по
следующим основным признакам:
геометрии расположения излучателей в
пространстве,
способу их возбуждения,
закономерности размещения излучающих
элементов в самой решетке,
способу обработки сигнала в решетке,
амплитудно-фазовому распределению
токов (поля) по решетке
типу излучателей.
В зависимости от геометрии
расположения излучателей АР подразделяются на линейные, круговые, кольцевые,
плоские, выпуклые (цилиндрические, конические, сферические и др.) и
пространственные(трехмерные) (рис. 1.9). Пространственная решетка в простейшем
случае представляет собой систему из двух плоских решеток, параллельно
расположенных в пространстве.
Рис. 1.9. Антенные решетки: а -
линейная; б - дуговая; в - кольцевая; г - плоская; д - цилиндрическая; е -
коническая; ж - сферическая; з - неэквидистантная.
Расположение излучателей в самой
решетке может быть равноудаленным, при этом шаг (расстояние между излучателями)
является постоянным (см. рис. 1.9, а-д), и неэквидистантное, у которого шаг
меняется по определенному закону или случайным образом(рис. 1.9, з). В плоской
АР излучатели могут быть расположены в узлах прямоугольной (рис. 1.9, а) или
косоугольной координатной системы.
Рис. 1.10. Плоская прямоугольная (а)
и гексагональная (б) решетки.
Если наклонная сетка состоит из
равносторонних треугольников, то такая структура образует правильные
шестиугольники и называется гексагональной(рис. 1.10, б). По способу
возбуждения (питания) излучателей различают решетки с последовательным и
параллельным питанием (рис. 1.11, а, б). Возможен также пространственный способ
возбуждения, который называют иногда оптическим или «эфирным»(рис. 1.11, г).
Рис. 1.11. Возбуждение излучателей в
решетке: а - последовательная схема; б - параллельная схема; в - схема питания
типа «елочка»; г - пространственное возбуждение.
В больших антенных решетках используются
сочетания последовательно-параллельной подачи мощности в излучатели, особенно в
случае разделения всей антенной решетки на подрешетки (модули) меньших
размеров. При последовательном питании элементы решетки возбуждаются падающей
волной последовательно друг за другом (рис. 1.11, а), а при параллельном -
независимо (рис. 1.11, б).Частным случаем параллельного питания является схема
типа «елочка», образующаяся за счет каскадного деления подводимой мощности на
две части (рис. 1.11, в).
При пространственном возбуждении элементы
решетки возбуждаются падающей волной от первичного облучателя (рис. 1.11, г). В
питающем антенную решетку тракте (фидере) возможна различная
пространственно-временная обработка сигнала. Для того, чтобы управлять
максимумом диаграммы направленности, можно изменять фазовое распределение в
решетке с помощью системы фазовращателей в питающем тракте. Такие решетки
называются фазированными антенными решетками(ФАР). Если к каждому излучателю
ФАР подключается усилитель мощности, генератор или преобразователь частоты, то
такие решетки называются активными фазированными антенными решетками(АФАР)
(рис. 1.12, а, б). Приемные АР с саморегулируемым амплитудно-фазовым
распределением в зависимости от помеховойобстановки называются адаптивными.
Приемные АР, в которых вся обработка ведется цифровыми процессами, называются
цифровыми АР.Совмещенные антенные решетки имеют в своем излучающем раскрыве два
(или более) типа излучателей, каждый изкоторых работает в своем рабочем
диапазоне).
Рис. 1.12. Активные фазированные решетки: а -
активный элемент в каждом излучателе; б - активный элемент на группу
излучателей (модульная конструкция).
Если антенная решетка формирует несколько
независимых (ортогональных) лучей с одного излучающего раскрыва, то она
называется многолучевой. В зависимости от соотношения амплитуд токов
возбуждения различают решетки с равномерным, экспоненциальным и симметрично
спадающим амплитудными распределениями относительно центра решетки. Если фазы
токов эмиттеров линейно меняются вдоль линии их размещения, то такие решетки
называются решетками с линейным распределением фаз. Частным случаем таких
решеток являются синфазные решетки, в которых фазы тока всех элементов
одинаковы.
2. Постановка задачи
Содержание работы: разработать конструкцию
устройства антенного МВРЛ по следующим техническим требованиям:
Назначение
Устройство антенное (УА) 125АЕ05, представляет
собой плоскую печатную антенную решетку, предназначенную для формирования требуемых
диаграмм направленности (ДН) по суммарному каналу и каналу подавления боковых
лепестков (ПБЛ) в режимах передачи и приема, а также ДН разностного канала в
режиме приема в диапазоне RBS
при работе в составе аппаратуры вторичного радиолокатора АРЛК «Лира А-10Р».
Состав
В состав УА 125АЕ05, входят:
− система распределения мощности в
горизонтальной плоскости, в RBS
диапазоне частот 124АЕ01,- 1 шт.;
− двухдиапазонная вертикальная линейная
решетка излучателей 124АЕ02,- 17 шт.;
− радиочастотный кабель- 17 шт.
Технические требования
.1 Рабочий диапазон частот:
− диапазон RBS:
от 1025 МГц до 1095 МГц;
.2 Поляризация радиосигнала:
− диапазон RBS:
линейная вертикальная;
.3 Коэффициент усиления суммарного канала на
входе антенны, не менее:
− диапазон RBS:
не менее 21 дБ;
.4 В вертикальной плоскости УА должно
формировать ДН специальной формы типа cosec(q)2
в углах места от 0,5° до 45°.
.5 Ширина ДН на уровне минус 3 дБ суммарного
канала в горизонтальной плоскости в сечении, проходящем через главный должна
быть:
− в диапазоне RBS:
6,6°±0,25°;
.6 Максимальный уровень боковых лепестков (УБЛ)
ДН суммарного канала диапазона RBS
должен быть не более минус 25 дБ.
.7 УБЛ нормированной разностной ДН в
горизонтальной плоскости в диапазонах RBS
должен быть не более минус 22 дБ.
.8 Глубина нуля разностной ДН относительно
максимума суммарной ДН в диапазоне RBS
должна быть не менее минус 25 дБ.
.9 Уровень пересечения разностной ДН с главным
лепестком суммарной ДН в диапазоне RBS
должен быть минус 3±0,5 дБ.
.10 Отклонение направления максимума основного
лепестка суммарной ДН от нуля разностной ДН в диапазоне RBS
олжно быть не более 5 угловых минут.
.11 Уровень суммарной ДН в направлении максимума
основного лепестка должен превышать уровень ДН канала ПБЛ в этом же направлении
в диапазонах RBS в секторе
по углу места от 0,5° до 45° не менее чем на 18 дБ.
.12 Уровень ДН канала ПБЛ в направлении боковых
лепестков суммарной ДН в секторе по углу места от 0,5° до 45° должен превышать
уровень суммарной ДН в тех же направлениях в диапазоне RBS
не менее, чем на 3 дБ.
.13 Развязка между любыми входами УА в диапазоне
RBS должна быть не
менее 25 дБ.
.14 КСВН по всем входам УА в диапазоне RBS
должен быть не более 1,8.
.15 Максимальная импульсная мощность на входе УА
в диапазоне RBS
−
10 кВт.
Конструктивные требования
.1 Ориентировочные габариты УА (В×Ш×Г)
- не более 1200×3200×500 мм.
.2 Масса УА ‒ минимально конструктивно
возможная.
.3 Входы суммарного и разностного каналов, а
также вход канала ПБЛ УА должны быть выполнены на базе розетки III
ряда по ГОСТ 20265-83, «Экспертиза».
.4 УА должно быть герметичным.
Условия эксплуатации
В части воздействующих факторов (механических и
климатических) УА 125АЕ05, должно соответствовать группе 1.10 ГОСТ РВ
20.39.304-98 исполнение О и обеспечивать работу:
‒ при температуре окружающего воздуха от ‒50°
С до +50° С;
‒ в условиях относительной влажности 98%
при температуре воздуха
+25° С;
‒ при пониженном атмосферном давлении 525
мм рт. ст.
Выбор и расчет основных параметров и схемы
построения устройства антенного
В настоящее время в современных радиолокационных
системах управления воздушным движением широкое применение нашли два основных
варианта исполнения антенной части в виде: зеркальных антенн и антенных
решеток.
Простота конструкции, малая масса, широкополосность
и отсутствие активных (омических) потерь - достоинства зеркальных антенн. Хотя
при практической реализации антенные решетки сложнее зеркальных, они имеют
некоторые преимущества. Например, в них отсутствуют эффекты затенения апертуры
облучателем, находящимся на пути распространения радиоволн, и перелива мощности
за край раскрыва из-за неоптимальности углов облучения. Основным преимуществом
антенных решеток по сравнению с зеркальными антеннами является возможность
выбора и реализации амплитудно-фазового распределения по раскрыву практически
любой формы, что как правило дает возможность получить более высокие
характеристики и показатели, такие как меньший уровень бокового излучения при
требуемой величине коэффициента усиления. Кроме того, только в системах,
выполненных на базе антенных решеток возможно построение суммарно-разностных
схем совместно с каналом подавления бокового излучения в единой апертуре. Хотя
на практике довольно распространенным случаем является интегрирование каналов
вторичных обзорных радиолокаторов (ВРЛ), в зеркальные антенны первичных (ПРЛ),
мировая тенденция показывает предпочтительность исполнения антенных систем в
виде антенных решеток, так как подход встраивания каналов не позволяет получить
качественные характеристики диаграмм направленности в дальней зоне.
Высокие требования пунктов ТЗ в части уровня
бокового излучения, крутизны разностной ДН и уровня ее пересечения с суммарной,
формы ДН канала подавления боковых лепестков, а также учет вышесказанного
предполагают реализацию разрабатываемой системы в виде антенной решетки.
.1 Выбор схемы построения устройства антенного
(УА)
Исходя из условий компромисса между требованиями
ТЗ к ширине, форме и уровню УБЛ ДН в горизонтальной и вертикальной плоскостях,
выберем шаг АР в соответствующих плоскостях.
Для реализации заданной в ТЗ формы ДН в
горизонтальной и вертикальной плоскостях определим шаг АР в соответствующих
плоскостях.
Выбор шага линейной решетки излучателей
осуществляется исходя из заданных в ТЗ габаритов УА и длины волны.
Определим длину волны, предполагая,
что скорость света с =
[м/с]:
[м] (2.1)
Шаг решетки находится по формуле:
, где γ - угол
сканирования по угловой координате в горизонтальной плоскости. Ввиду того, что
в данной антенне используется механическое сканирование, γ = 0.
Следовательно, формула преобразуется в вид:
м. Исходя из удобства построения
суммарно-разностной схемы и с целью избежания возникновения нежелательных
дифракционных лепестков в секторе ±90° [4], шаг решетки излучателей d = 0,2 м.
Тогда, учитывая заданные в ТЗ максимальные габаритные размеры УА, количество
излучающих элементов в решетке:
, где Da = 3 м -
горизонтальный раскрыв УА.
Анализируя полученные данные, можно
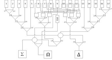
определить вариант построения устройства антенного, показанного на рисунке
3.1.1Система распределения мощности в азимутальной плоскости состоит из 18
излучателей, двух кавдратурных мостов (обозначается окружностью),15-ти
тройников, и 6-ти двойных мостов.Центральный (9) излучатель подключен к
сдвоенному квадратурному мосту, объединяющему каналы суммирования и подавления.
Излучатели 1-17 подключены к суммарно-разностному каналу, и половина из них
запитывается в противофазе. Излучатели 1-5 и 13-17 образуют боковые лепестки, и
запитываются с разностного и суммарного канала. Излучатели
6,7,8 и 10,11,12 образуют основоной лепесток антенны.
Рис. 3.1.1 Схема построения устройства
антенного.
.2 Выбор амплитудно-фазового распределения
суммарного канала
Выбор амплитудного распределения
суммарного канала производится, исходя из заданных в ТЗ (см. приложение 1),
значений максимального уровня боковых лепестков (УБЛ) и ширины ДН суммарного
канала в горизонтальной плоскости УА по уровню минус 3 дБ:
дБ,
. При выборе
амплитудного распределения необходимо учесть технологический запас величины УБЛ
~ 5 дБ, обусловленный неточностями при изготовлении элементов и блоков УА, а
также при окончательной сборке АР.
В качестве амплитудного
распределения поля в раскрыве возьмем косинусное распределение на пьедестале,
имеющее вид:
где
-
нормированная координата раскрыва решетки, d - степень
косинуса, аt - размер
“пьедестала”.Примем d=1.44, а t=0.19 и
изобразим заданное распределение на рис. 2.2.
Рис. 3.2.1Косинусное распределение на пьедестале
Для оценки пригодности данного амплитудного
распределения произведем расчет диаграммы направленности суммарного канала АР в
горизонтальной плоскости, при условии, что диаграмма направленности
элементарного излучателя АР имеет ширину по уровню -3 дБ ориентировочно равную 120°
и форму, определяемую из выражения:
, (2.2)
где d=1,3195
- степень косинуса.
Рис. 3.2.2. Диаграмма направленности
элементарного излучателя АР.
Формула для расчета диаграммы
направленности суммарного канала АР в горизонтальной плоскости, в соответствии
с [4], может быть записана следующим образом:
(2.3)
Результаты расчета по
вышеприведенной формуле представлены на рисунке 3.2.3и 3.2.4.
Из графика видно, что УБЛ
приблизительно равен -30 дБ, а ширина главного лепестка ДН ~ 6.6°, что
удовлетворяет заданным требованиям ТЗ и обеспечивает величину необходимого
технологического запаса по УБЛ.
Рис. 3.2.3. Диаграмма направленности суммарного
канала АР в горизонтальной плоскости при использовании косинусоидального
Распределения
Рис. 3.2.4. Диаграмма направленности суммарного
канала АР в горизонтальной плоскости при использовании косинусоидального
распределения по уровню 3дБ.
Рассчитаем коэффициент усиления (КУ) суммарного
канала на входе УА. КУ равен произведению коэффициента направленного действия
антенны (КНД) на коэффициент полезного действия (КПД). Величина КПД,
приблизительно равная 50%, обусловлена активными потерями мощности в системе
распределения, излучателях и межблочных кабелях УА и коэффициентом стоячей
волны по напряжению (КСВН) на входе УА. Тогда КУ антенны определяется следующим
образом:
, (2.5)
где
- эквивалентная ширина луча в
горизонтальной плоскости по уровню -3 дБ, приблизительно равная площади под
графиком ДН, изображенном на рис. 2.6.
- эквивалентная ширина луча в
вертикальной плоскости по уровню -3 дБ, приблизительно равная площади под
графиком ДН, изображенном на рис. 2.23.Определим ее по формуле:
, где MFsym -
максимальное значение ДН. Полученный результат подставим в выражение для
нахождения КУ:
дБ. Т.е. КУ
≈ 27,6 дБ, что тоже удовлетворяет требованию ТЗ.
Что же касается фазового
распределения в суммарном канале, то по раскрыву АР оно должно быть
равномерным.
На рисунке 2.7 приведена работа
системы распределения мощности для суммарного канала. Мощность СВЧ-сигналов,
поступающих на вход СРУ2, делится в нем и распределяется синфазно между
выходами в соотношении -0,4 дБ / -14 дБ. Далее мощность СВЧ-сигнала,
ослабленная на -14 дБ, поступает на вход 2 17-ого излучателя АР, а СВЧ-сигнал,
ослабленный на -0,4 дБ, поступает на вход СРУ1, где синфазно делится пополам.
Дальше мощность сигналов с выходов СРУ1 поступает на входы 1 и 3 делителей 1 и
2 соответственно, после которых распределяется по раскрыву.
.3 Выбор амплитудно-фазового
распределения разностного канала
Особенностью формирования
амплитудно-фазового распределения разностного канала является запитка в
противофазе половины излучателей в системе распределения мощности в
азимутальной плоскости. При этом фаза излучателей с 1 по 8 и с 10 по 17
распределена равномерно. На рисунке 3.3.1 показано фазовое
распределение.
Рис. 3.3.1 Фазовое распределение
разностного канала.
Тогда, с учетом вышесказанного и
формулой (1), построим диаграмму направленности разностного канала АР в
горизонтальной плоскости. На рис. 3.3.2 представлены результаты расчета.
(2.6)
Рис. 3.3.2 Диаграмма направленности разностного
канала АР в горизонтальной плоскости.
Из графика можно увидеть, что параметры данной
ДН удовлетворяют требованию к уровню боковых лепестков нормированной разностной
ДН в горизонтальной плоскости, изложенные в ТЗ (см. приложение 1).
.4 Выбор амплитудно-фазового распределения
канала подавления
Исходя из принятого варианта схемы построения
УА, определим амплитудное и фазовое распределения для канала подавления.
Соответственно их можно записать в следующем виде:
(2.7)
(2.8)
Отобразим на рисунке 2.11
амплитудное (а) и фазовое распределения (б).
Рис. 3.4.1 Амплитудное (а) и фазовое (б)
распределения канала подавления.
Диаграмма направленности канала подавления АР в
горизонтальной плоскости показана на рис. 2.12 и записывается следующим
образом:
(2.9)

Рис. 3.4.2 Диаграмма направленности
канала подавления АР в горизонтальной плоскости.
Из графиков рис. 2.11 видно, что на
9-ом излучателе АР в амплитудном распределении находится острый пик, а в
фазовом - добавление к фазе сигнала -180°. Фаза на остальных излучателях АР
остается одинаковой. Это делается для того, чтобы ДН канала подавления имела
провал в области нулевых углов (см. рис. 3.4.1).
.5 ДН суммарного, разностного
каналов и канала подавления боковых лепестков (ПБЛ)
В результате расчета получены
диаграммы направленности всех трех каналов (суммарного, разностного и
подавления) УА моноимпульсного вторичного радиолокатора. Для большей
наглядности изобразим все ДН на одном графике, приведенные к коэффициенту
усиления ДН суммарного канала (см. рис. 3.5.1).
Рис. 3.5.1 Суммарный, разностный
канал и канал подавления УА моноимпульсного вторичного радиолокатора.
В пункте 2.1 был выбран вариант
построения разрабатываемого устройства в виде трехканальной антенной решетки,
произведен выбор ее основных параметров, таких как шаг решетки и количество
элементов в вертикальной и горизонтальной плоскостях, а также
амплитудно-фазовые распределения в горизонтальной плоскости суммарного,
разностного и канала подавления боковых лепестков, по которым был выполнен
анализ основных рабочих характеристик (диаграммы направленности по каналам УА,
их коэффициенты усиления, ширины ДН и УБЛ). Также была произведена
дополнительная оценка диаграмм направленности по каналам УА с учетом
максимально возможных ошибок при изготовлении изделия на производстве.
Полученные в результате расчета характеристики устройства антенного показывают,
что:
ширина ДН суммарного канала в
горизонтальной плоскости УА по уровню минус 3 дБ (6.4±0,2)º.
максимальный уровень боковых
лепестков ДН суммарного канала в горизонтальной плоскости минус 30 дБ.
коэффициент усиления суммарного
канала на входе УА 27,6 дБ.
уровень суммарной ДН в направлении
максимума основного лепестка превышает уровень ДН канала подавления в этом же
направлении в секторе по углу места от 0° до 45° на 25 дБ.
уровень ДН канала подавления в
направлении боковых лепестков суммарной ДН в секторе по углу места от 0 ° до 45 ° превышает
уровень суммарной ДН в тех же направлениях на 19 дБ.
отношение уровня суммарной ДН к
уровню разностной ДН в направлении максимума суммарной ДН равно 25 дБ.
уровень пересечения суммарной и
разностной ДН относительно максимума основного лепестка суммарной ДН минус 3
дБ.
Разработка линейной решетки
излучателей устройства антенного
При проектировании антенных систем
первостепенную важность имеет синтез амплитудно-фазового распределения в
раскрыве решетки для реализации требуемой формы ДН. Правильный выбор амплитуды
и фазы возбуждения элементов решетки определяет не только характеристики ДН (ширина,
уровень боковых лепестков и т.д.), но и массогабаритные и стоимостные
характеристики всей антенной системы в целом. АР по сравнению с зеркальными
антеннами обладают несравнимо большими возможностями для формирования
оптимального амплитудно-фазового распределения.
Разработана программа
амплитудно-фазового синтеза ДН, позволяющая синтезировать распределение
амплитуды и фазы поля в раскрыве для реализации ДН наименее отличающейся от
заданной. В качестве критерия при синтезе АФР использовалась требуемая
оптимальная нормированная зона обзора (см. Рис. 4.2.1).
.6 Синтез с помощью функций sinπu∕πu
При синтезе антенн часто оказывается
выгодным вместо ортогональной системы функций, используемой в аппарате Фурье и
требующей нередко учета большого числа членов, взять набор функций, ближе
связанных с механизмом излучения. К таким функциям относится функция sinπu∕πu, где u = L/λ(sin θ-sin θ0). Максимум
этой функции будет при θ = θ0. Нули
функции равномерно расположены вдоль оси sinθ через
интервалы, равные λ/L, за
исключением первого нуля, отстоящего от центра главного лепестка на два таких
интервала. Функция sinπu∕πu описывает
диаграмму направленности апертуры с постоянной амплитудой и линейно меняющейся
фазой поля. При этом сдвиг фазы на краю апертуры по отношению к центру
составляет (πL/λ) sinθ0.
Рис. 4.1.1 Синтез с помощью функций sinπu∕πu:
а - амплитудные распределения поля в
апертуре; б - фазовые распределения;
в - диаграммы направленности.
Метод синтеза, предложенный Вудвордом и
Лоусоном, заключается в том, что для приближения к заданной диаграмме
направленности берется сумма функций sinπu∕πu
с различными амплитудными коэффициентами и с главными лепестками,
ориентированными под разными углами θ0.
Из-за того что боковые лепестки малы по величине и быстро затухают, по мере
удаления от главного лепестка, синтез оказывается достаточно простым. В том
случае, если сдвиг фазы на краю апертуры превышает πL/λ,
главный лепесток сдвигается в область мнимых углов наблюдения. На рис. 4.1.1
нижний ряд графиков иллюстрирует случай, когда в области действительных углов
остаются лишь боковые лепестки, а два других ряда графиков соответствуют
расположению главного лепестка в «видимой» области углов. Хотя из-за малого
уровня боковых лепестков парциальные диаграммы sinπu∕πu
могут иметь произвольную амплитуду и фазу (или сдвиг на плоскости и), наиболее
выгодно их так располагать на оси и, чтобы главные лепестки следовали на
расстоянии, равном единице. В этом случае, поскольку нули встречаются при целых
значениях и, сумма всех парциальных диаграмм при любом целом значении и будет
просто равна амплитуде главного лепестка одной из диаграмм. Следовательно, по
методу Вудворда - Лоусона с помощью N
парциальных диаграмм sinπu∕πu
можно точно аппроксимировать заданную диаграмму в N
точках, расположенных на единичном расстоянии друг от друга. Число N
должно быть целым и меньшим или равным L/λ.
Пусть заданная диаграмма направленности будет F(u),
а ее значения в точках целых значений и будут обозначены через F(n).
Переменная п меняется в пределах 1 ≤n≤N.
Парциальная диаграмма с номером п имеет вид sinπun∕πun,
где un = (L/λ)
(sinθ - n).
Максимум этой парциальной диаграммы расположен при θ
= arcsin(nλ/L).
Сдвиг фазы на каждом краю апертуры, соответствующий этой парциальной диаграмме,
равен ± nπ.
Получающаяся диаграмма направленности Н(и) имеет вид:
(2.10)
Если (2n+1) точек
функции Н(и) совпадает со значениями F(u), то
распределение поля по апертуре выражается функцией:
(2.11)
Рис. 4.1.2 Синтез антенны с
косекансной диаграммой направленности при нулевом излучении в направлении
нормали.
Пример синтеза апертуры с
косекансной диаграммой направленности рассмотрен на рис. 4.1.2 Здесь взята 21
парциальная диаграмма. Приближение к косекансной диаграмме осуществляется в
секторе углов 0°<θ≤90°, а вне этого сектора
накладывается условие, чтобы диаграмма обращалась в нуль при целых значениях и,
в том числе при и=0. На рис. 4.1.3 иллюстрируется улучшенный вариант этого
метода синтеза, в котором, при u = 0, значение диаграммы
направленности составляет 40% от максимума. В этом случае при θ<0 меньше
уровень боковых лепестков и меньше осцилляции на участке θ>0. Установлено,
что оптимальным значением диаграммы при и = 0 является 60% от максимума. Метод
Вудворда - Лоусона эквивалентен приближению в смысле наименьших квадратов по N заданным
точкам диаграммы направленности и поэтому является экономичным с точки зрения
наилучшего использования данной апертуры.
Рис. 4.1.3 Улучшенные метод синтеза
антенны с косекансной диаграммой направленности.
Ранее учитывалось, что максимумы
парциальных диаграмм направленности расположены в точках, где и принимает
значения от -N до 0 и от 0
до N (как и
раньше N~L∕λ).Подобное
ограничение позволяет получить легко реализуемые диаграммы с относительно
плавным изменением фазы в апертуре (см. рис. 4.1.3). Можно, однако,
использовать и парциальные диаграммы, главные лепестки которых лежат в области
мнимых углов θ, т. е. при u>L/λ. Это
позволяет значительно расширить возможности синтеза.
.7 Синтез вертикальной линейной
решетки излучателей методом Вудворта-Лоусона
антенный излучатель
канал
Синтез вертикальной линейной АР
производится при следующих ограничениях:
. Вертикальные ряды излучателей
имеют одинаковые АФР, что позволяет представить множитель плоской АР
произведением множителей двух линейных решеток.
В данном случае этими линейными
решетками являются вертикальная линейная решетка излучателей и горизонтальный
делитель.
. Взаимные связи между излучателями
решетки отсутствуют.
Исходя из вышеизложенных
ограничений, произведем синтез вертикальной линейной решетки излучателей.
Шаблон формы ДН АР в вертикальной
плоскости, определяемый формой оптимальной нормированной зоны обзора ВРЛ,
приведен на рисунке 4.2.1.
Рис. 4.2.1 Шаблон формы ДН АР в
вертикальной плоскости.
Ширина изодальностной части
определяется в основном вертикальным размером АР.
Синтез диаграмм подобного типа
проводится методом Вудворта-Лоусона.
Выберем шаг решетки излучателей,
учитывая, что длина волны λ = 0.196 м. Шаг решетки
находится по формуле:
м, где γ - угол
сканирования по угловой координате в вертикальной плоскости, равный 45°. Тогда,
исходя из заданных в ТЗ максимальных габаритных размеров УА, количество
излучающих элементов:
шт., где Da = 1 м -
вертикальный раскрыв УА. Так как в излучательных элементах требуется
симметричное строение, их число не может быть нечетным числом, поэтому
округляем количество элементов до 8.
Исходные данные для проведения
синтеза вертикальной линейной решетки излучателей:
Q0=45° -
конечный угол области определения заданной ДН для определения количества
парциалов в град.
lср=0,196 м - длина волны;
d=0,125 м -
шаг вертикальной линейной решетки элементарных излучателей;
N=8 шт. -
число элементарных излучателей в вертикальной линейной решетке.
ygol = 5° -
сдвиг максимума ДН в град.
Определим количество парциалов,
которые нужны для проведения синтеза:
(2.12)
Подставим в формулу (2.12) исходные
данные, получим:
.
Рк - значение в текущемпарциале,
; (2.13)
ygк-
дополнительный угол сдвига текущего парциала в градусах,
; (2.14)
AРKn,k-
комплексная амплитуда на n-ном элементе решетки от k-ого
парциала с учетом общего сдвига ДН на ygol и
индивидуального сдвига парциала на yg.
AKn-
комплексная амплитуда на n-ом элементе решетки от всех
парциалов с учетом общего сдвига ДН на угол (ygol) и
индивидуального сдвига каждого парциала на угол yg.
(2.15)
В результате синтеза получаем
фазовое и амплитудное (рис. 4.2.2) распределения на элементах АР в вертикальной
плоскости:
Рис. 4.2.2 Фазовое и амплитудное
распределение.
Результат расчета ДН вертикальной решетки
излучателей диапазона RBS
по нижеприведенной формуле, на основании АФР, полученного в результате синтеза
АР, приведен на рис. 2.22:
(2.16)
Для большей наглядности принципа
работы метода Вудворта-Лоусона на рис. 4.2.3 построим косекансную ДН и
парциалы, из которых она получается путем их суммирования.
Рис. 4.2.3Косекансная ДН и
образующие ее парциалы.
.7 Расчет диаграммо-образующей схемы
(ДОС) линейной решетки излучателей
ДОС линейной решетки излучателей
представляет собой многоканальный делитель мощности, выполненный на базе
Т-тройников. Многоканальными делителями мощности называют устройства,
предназначенные для разделения (распределения) мощности источника в требуемом
соотношении между несколькими выходными каналами, возбуждающими излучающие
элементы антенной решетки [6]. Эквивалентный многополюсник такого делителя
показан на рис. 4.3.1. Мощность источника, подключаемого к первой паре клемм
(входу), должна быть распределена между Nвыходными
парами клемм. Элементами для построения таких делителей могут служить тройники,
балансные делители мощности, мостовые устройства и их комбинации. Основные типы
схем построения многоканальных делителей:
параллельная(рис. 4.3.2, а),
последовательная (рис. 4.3.2, б),
параллельно-последовательная (рис.
4.3.2, в).
Каждый квадратик на этих схемах
обозначает элементарный делитель мощности [3].
Рис. 4.3.1. Многоканальный делитель
мощности СВЧ.
Рис. 4.3.2. Схема многоканальных
делителей мощности:
а - параллельная; б -
последовательная, в - параллельно-последовательная.
Как было сказано выше, основным
элементом ДОС линейной решетки излучателей являются тройники.
Тройникомназывается сочленение трех линий передачи, при условиях их
согласования между собой и с оконечными нагрузками. Определяющими параметрами
тройника являются коэффициент деления и длины его левого и правого плечей.
Исходными данными для расчета
коэффициентов деления тройников являются теоретическое амплитудное
распределение на элементах АР в вертикальной плоскости на выходах блока,
полученное в предыдущем пункте, и блок-схема ДОС (см. рис. 3.1.1).
Рис. 4.3.3. Блок-схема
диаграммо-образующей схемы линейной решетки излучателей в угломестной
плоскости.
Найдем нормированное к входу блока
амплитудное распределение по мощности:
С помощью специально составленного
алгоритма, написанного в программной среде MathCAD, определим
коэффициенты деления системы распределения мощности в угломестной плоскости:
Где ZL и ZP - мощности
(в дБ) соответственно с левого и правого выходов i-ого
тройника при подаче на его вход мощности, величиной 0 дБ.
Длина полосковых путей
расчитываласьисходя из теоретического фазового распределения на элементах АР в
вертикальной плоскости. Фаза на n-ом выходе ДОС определяется в
соответствии с формулой:
, (2.18)
где
- известные значения фазы на
соответствующих выходах элементарных излучателей, а
-
физический путь хода сигнала. Найдем с помощью специально составленного
алгоритма, написанного в программной среде MathCAD, значения
горизонтальных размеров выходных плеч тройников для выстраивания заданного
теоретического фазового распределения, учитывая, что вертикальные размеры всех
тройников равны и обеспечивают одинаковый набег фазы:
(2.19)
3. Электродинамическое моделирование печатного
излучателя
В качестве излучающего элемента вертикальной
линейной решетки предлагается использовать печатный излучатель.Внешний вид
излучателя представлен на рисунке 4.4.1.
Рис.4.4.1 Излучатель с разных ракурсов
Результаты анализа печатного излучателя
представлены на рисунках 4.4.2-4.4.4.
Рис. 4.4.2 Диаграмма направленности печатного
излучателя в сферической системе координат.
Рис. 4.4.3 Нормированные ДН печатного
излучателя:
________ в горизонтальной плоскости;
_ _ _ _ _ _в вертикальной плоскости.
Рис. 4.4.4 КСВН печатного излучателя с входного
порта.
.1 Электродинамическое моделирование линейки
антенных излучателей
Линейные решетки излучателей являются оконечными
элементами диаграммо-образующей схемы в азимутальной плоскости (системы распределения
мощности) и предназначены для формирования диаграммы направленности
косекансного типа в угломестной плоскости. В связи с этим линейная решетка
излучателей должна иметь достаточно хорошее согласование с запитывающей линией
для минимизации ошибок амплитудно-фазового распределения в раскрыве УА и
обеспечивать требуемую форму диаграммы направленности в вертикальной плоскости
при заданной величине коэффициента усиления.
Перед тем как приступить к созданию
электродинамической модели антенной решетки была разработана структурная схема
АР.В данной схеме все тройники (Рис. 4.5.2) имеют переходное ослабление в -3дБ,
соответственноделят входящий сигнал на два равноамплитудных.
Рис. 4.5.1структурная схема АР.
Рис. 4.5.2 тройники использованные в системе
деления
Далее была проработана топология системы деления
излучателя в вертикальной плоскости.
Рис. 4.5.3структурная схема АР
_ _ _ _ ДН, восстановленная по АФР делителя RBS,
рассчитанного в HFSS
на частоте 1060 МГц
______ ДН вертикального излучателя RBS,
рассчитанного в HFSS
на частоте 1030 МГц
______ ДН вертикального излучателя RBS,
рассчитанного в HFSS
на частоте 1030 МГц
Рис. 4.5.4. ДН линейной решетки в угломестной
плоскости.
В пункте был произведен синтез линейной решетки
излучателей устройства антенного в соответствии с методом Вудворта-Лоусона
(парциальных диаграмм).
На основании расчетов, произведенных в пункте
4.3 найдены коэффициенты деления мощности тройников и длины выходных плеч
тройников. Был разработан вариант конфигурации топологии диаграммо-образующей
схемы вертикального излучателя в угломестной плоскости, выполненной на базе
симметричной полосковой линии с волновым сопротивлением ~ 50 Ом. Ширины
подводящих, выходных и трансформирующих полосковых линий были определены,
исходя из условий согласования и необходимого распределения мощности между
плечами тройников, в соответствии с выражениями [Фельдштейн].
Разработка системы распределения мощности
Разработка системы распределения мощности
подразумевает реализацию требуемого амплитудно-фазового распределения в раскрыве
антенной решетки, обеспечивающего заданные по ТЗ форму диаграммы
направленности, ее ширину и необходимый уровень боковых лепестков. В данной
главе, в соответствии с результатами полученными в предыдущих главах и приняв
во внимание структурную схему, будет разработана топология системы
распределения мощности.
.2 Расчет ДОСв азимутальной плоскости
Система распределения мощности представляет
собой многоканальный делитель мощности, выполненный по схеме
параллельно-последовательного типа.Основными элементами в топологии являются
мосты, квадратурные мосты, и кольцевые делители.
Определяющими параметрами моста являются
коэффициент деления и длина его фазосдвигающей петли. При определении
коэффициентов деления мостов будем придерживаться схемы построения устройства
представленной на Рис. 3.1.1. В таблице 5.1.1 приведен математический расчет
коэфициентов деления мостов.Asnи
Adn- приведенная
амплитуда выходов в суммарном и разностном канале.
Полученные коэффициенты деления будут
использованы при проектировании тройников.
Таблица 5.1.1 Расчет коэффициентов
деления
Рис. 5.1.1 Сравнение полученного и заданного
амплитудных распределений.
Исходными данными для расчета длины плеч
тройников являются теоретическое фазовое распределение на элементах АР в
вертикальной плоскости на выходах блока. Фаза на n-ом
выходе ДОС определяется в соответствии с формулой:
, (2.18)
где
- известные значения фазы на
соответствующих выходах элементарных излучателей, а
-
физический путь хода сигнала. Значения горизонтальных размеров выходных плеч
тройников для выстраивания заданного теоретического фазового распределения можно
найти с помощью специально составленного алгоритма, написанного в программной
среде MathCAD, учитывая,
что вертикальные размеры всех тройников равны и обеспечивают одинаковый набег
фазы:
. Этот
принцип поможет при подборе нужных длин полосков в проектировании
диаграмообразующей схемы.На рис.5.1.1 проведена проверка работоспособности ДОС.
3.3 Электродинамическое моделирование мостовых
устройств
В разработанной топологии, исходя из расчетов
переходных ослаблений, полученных в главе, а также исходя из требований к
габаритной минимализации, были спроектированы различные виды мостов. Примеры
приведены на Рис..1.В данном случае, были делители мощностис баллансной
нагрузкой. Использование таких мостов обусловлено широкополосностью, высокой
развязкой, а также возможностью получить необходимые переходные ослабления.
Рис. 2.1 Вариации мостовых устройств применяемых
в делителе
Размеры
трансформаторов данных мостов можно расчитать по схеме изображенной на рис.
5.2.2 с помощью следующих уравнений:

|
Рис. 5.2.2 Схема
строения моста
|
|
где R- баллансное
сопротивление, z - сопротивление полосковой линии на
различных участках, n - отношение мощностей
.
Результаты расчетов представлены в
таблице 5.2.1.
Таблица 5.2.1
Расчитанные размеры и переходные
ослабления мостов
|
|
Ugol>
|
Ugol<
|
Symmetry
|
|
|
Ugol>
|
Ugol<
|
Symmetry
|
|
|
№
|
1
|
w1
|
7.87
|
8.46
|
8.68
|
№
|
6
|
w1
|
5.3
|
10.57
|
10.64
|
|
|
Деление
|
w2
|
8.64
|
8.06
|
7.82
|
Деление
|
w2
|
10.66
|
5.44
|
5.33
|
|
|
2.9
|
3.1
|
w3
|
13.32
|
13.74
|
13.9
|
4
|
2,2
|
w3
|
11.64
|
15.3
|
15.35
|
|
|
|
|
w4
|
13.87
|
13.46
|
13.29
|
|
|
w4
|
15.37
|
11.73
|
11.66
|
|
|
|
|
lt1
|
67.5
|
67
|
68
|
|
|
lt1
|
67.3
|
67
|
67
|
|
|
|
|
lt2
|
68
|
68
|
67
|
|
|
lt2
|
68
|
68
|
67
|
|
|
|
|
dl0
|
-12
|
-12
|
0
|
|
|
dl0
|
-15
|
-9
|
4
|
|
|
|
Ugol>
|
Ugol<
|
Symmetry
|
|
|
|
Ugol>
|
Ugol<
|
Symmetry
|
|
|
№
|
2
|
w1
|
6.36
|
9.52
|
6.48
|
№
|
7
|
w1
|
5.97
|
10.1
|
10.17
|
|
|
Деление
|
w2
|
9.91
|
6.86
|
9.82
|
Деление
|
w2
|
10.2
|
6.11
|
6.01
|
|
|
3,6
|
2,5
|
w3
|
12.31
|
14.51
|
12.39
|
2,4
|
3,8
|
w3
|
12.06
|
14.95
|
15
|
|
|
|
|
w4
|
14.8
|
12.64
|
14.74
|
|
|
w4
|
15.02
|
12.15
|
12.09
|
|
|
|
|
lt1
|
66.8
|
68
|
68
|
|
|
lt1
|
67
|
67
|
67
|
|
|
|
|
lt2
|
68
|
68
|
67
|
|
|
lt2
|
68
|
68
|
67
|
|
|
|
|
dl0
|
-14
|
-10
|
-2
|
|
|
dl0
|
-14
|
-10
|
4
|
|
|
|
Ugol>
|
Ugol<
|
Symmetry
|
|
|
|
Ugol>
|
Ugol<
|
Symmetry
|
|
|
№
|
3
|
w1
|
6.94
|
9.33
|
9.41
|
№
|
8
|
w1
|
5.3
|
10.57
|
10.64
|
|
|
Деление
|
w2
|
9.46
|
7.09
|
7
|
Деление
|
w2
|
10.66
|
5.44
|
5.33
|
|
|
2,6
|
3,4
|
w3
|
12.69
|
14.37
|
14.43
|
4
|
2,2
|
w3
|
11.64
|
15.3
|
15.35
|
|
|
|
|
w4
|
14.47
|
12.79
|
12.73
|
|
|
w4
|
15.37
|
11.73
|
11.66
|
|
|
|
|
lt1
|
67.2
|
66.8
|
67
|
|
|
lt1
|
67.3
|
67
|
67
|
|
|
|
|
lt2
|
68
|
68
|
68
|
|
|
lt2
|
68
|
68
|
67
|
|
|
|
|
dl0
|
-13
|
-10.5
|
2
|
|
|
dl0
|
-15
|
-9
|
4
|
|
|
|
Ugol>
|
Ugol<
|
Symmetry
|
|
|
|
Ugol>
|
Ugol<
|
Symmetry
|
|
|
№
|
4
|
w1
|
5.77
|
10.2
|
10.32
|
№
|
9
|
w1
|
5.08
|
10.68
|
10.74
|
|
|
Деление
|
w2
|
10.34
|
5.96
|
5.79
|
Деление
|
w2
|
10.8
|
5.26
|
5.17
|
|
|
3,8
|
2,3
|
w3
|
11.93
|
15.02
|
15.11
|
2,2
|
4,1
|
w3
|
11.51
|
15.39
|
15.43
|
|
|
|
|
w4
|
15.13
|
12.06
|
11.95
|
|
|
w4
|
15.47
|
11.62
|
11.56
|
|
|
|
|
lt1
|
66.8
|
66.5
|
67
|
|
|
lt1
|
67
|
67
|
67
|
|
|
|
|
lt2
|
68
|
68
|
67
|
|
|
lt2
|
67
|
68
|
67
|
|
|
|
|
dl0
|
-14
|
-9
|
4
|
|
|
dl0
|
-15
|
-9
|
4
|
|
|
|
Ugol>
|
Ugol<
|
Symmetry
|
|
|
|
Ugol>
|
Ugol<
|
Symmetry
|
|
|
№
|
5
|
w1
|
6.15
|
9.97
|
10.07
|
№
|
10
|
w1
|
7.72
|
8.55
|
8.7
|
|
|
Деление
|
w2
|
10.07
|
6.29
|
6.15
|
Деление
|
w2
|
8.78
|
7.96
|
7.81
|
|
|
2,4
|
3,7
|
w3
|
14.84
|
14.92
|
3,2
|
2,9
|
w3
|
13.22
|
13.81
|
13.91
|
|
|
|
|
w4
|
14.92
|
12.26
|
12.18
|
|
|
w4
|
13.97
|
13.39
|
13.28
|
|
|
|
|
lt1
|
67
|
67
|
67
|
|
|
lt1
|
67
|
67
|
67
|
|
|
|
|
lt2
|
68
|
68
|
67
|
|
|
lt2
|
68
|
68
|
67
|
|
|
|
|
dl0
|
-14
|
-10
|
4
|
|
|
dl0
|
-12
|
-11
|
0
|
|
|
|
Ugol>
|
Ugol<
|
Symmetry
|
|
|
|
Ugol>
|
Ugol<
|
Symmetry
|
|
№
|
1сум
|
w1
|
7
|
9.18
|
9.28
|
№
|
1разн
|
w1
|
5.3
|
10.57
|
10.64
|
|
Деление
|
w2
|
9.18
|
7.27
|
7.15
|
Деление
|
w2
|
10.66
|
5.44
|
5.33
|
|
2,7
|
3,4
|
w3
|
12.37
|
14.26
|
14.33
|
4
|
2,2
|
w3
|
11.64
|
15.3
|
15.35
|
|
|
|
w4
|
14.26
|
12.91
|
12.84
|
|
|
w4
|
15.37
|
11.73
|
11.66
|
|
|
|
lt1
|
67
|
67
|
67
|
|
|
lt1
|
67.3
|
67
|
67
|
|
|
|
lt2
|
67
|
67
|
67
|
|
|
lt2
|
68
|
68
|
67
|
|
|
|
dl0
|
-13
|
-11
|
2
|
|
|
dl0
|
-15
|
-9
|
4
|
|
|
Ugol>
|
Ugol<
|
Symmetry
|
|
|
|
Ugol>
|
Ugol<
|
Symmetry
|
|
№
|
2сум
|
w1
|
7.87
|
8.46
|
8.68
|
№
|
2разн
|
w1
|
8.25
|
8.13
|
8.25
|
|
Деление
|
w2
|
8.64
|
8.06
|
7.82
|
Деление
|
w2
|
8.25
|
8.39
|
8.25
|
|
3,1
|
2,9
|
w3
|
13.32
|
13.74
|
13.9
|
3
|
3
|
w3
|
13.54
|
13.51
|
13.53
|
|
|
|
w4
|
13.87
|
13.46
|
13.29
|
|
|
w4
|
13.51
|
13.69
|
13.53
|
|
|
|
lt1
|
67.5
|
67
|
68
|
|
|
lt1
|
67
|
68
|
68
|
|
|
|
lt2
|
68
|
68
|
67
|
|
|
lt2
|
67
|
68
|
68
|
|
|
|
dl0
|
-12
|
-12
|
0
|
|
|
dl0
|
-12
|
-12.5
|
0
|
|
|
Ugol>
|
Ugol<
|
Symmetry
|
|
|
|
Ugol>
|
Ugol<
|
Symmetry
|
|
№
|
3сум
|
w1
|
4.73
|
10.87
|
10.94
|
№
|
3разн
|
w1
|
5.08
|
10.67
|
10.74
|
|
Деление
|
w2
|
11.01
|
4.97
|
4.85
|
Деление
|
w2
|
10.8
|
5.28
|
5.17
|
|
2,1
|
4,2
|
w3
|
11.3
|
15.53
|
15.58
|
2,2
|
4,1
|
w3
|
11.51
|
15.38
|
15.43
|
|
|
|
w4
|
15.64
|
11.44
|
11.37
|
|
|
w4
|
15.47
|
11.63
|
11.56
|
|
|
|
lt1
|
67
|
67
|
67
|
|
|
lt1
|
67
|
67
|
67
|
|
|
|
lt2
|
67
|
67
|
68
|
|
|
lt2
|
67
|
67
|
67
|
|
|
|
dl0
|
-15
|
-9
|
5
|
|
|
dl0
|
-15
|
-9
|
4
|
|
|
Ugol>
|
Ugol<
|
Symmetry
|
|
|
|
Ugol>
|
Ugol<
|
Symmetry
|
|
№
|
4сум
|
w1
|
7
|
9.18
|
9.28
|
№
|
4разн
|
w1
|
2.72
|
12.03
|
12.07
|
|
Деление
|
w2
|
9.18
|
7.27
|
7.15
|
Деление
|
w2
|
12.05
|
2.76
|
2.67
|
|
3,4
|
2,7
|
w3
|
12.37
|
14.26
|
14.33
|
1,6
|
5,1
|
w3
|
10.21
|
16.44
|
16.47
|
|
|
|
w4
|
14.26
|
12.91
|
12.84
|
|
|
w4
|
16.45
|
10.23
|
10.19
|
|
|
|
lt1
|
67
|
67
|
67
|
|
|
lt1
|
67
|
67
|
|
|
|
lt2
|
67
|
67
|
67
|
|
|
lt2
|
67
|
67
|
67
|
|
|
|
dl0
|
-13
|
-11
|
2
|
|
|
dl0
|
-17
|
-6
|
9
|
|
|
Ugol>
|
Ugol<
|
Symmetry
|
|
|
|
|
|
|
|
№
|
|
w1
|
2.72
|
12.03
|
12.07
|
|
|
|
|
|
|
|
Деление
|
w2
|
12.05
|
2.76
|
2.67
|
|
|
|
|
|
|
|
1,6
|
5,1
|
w3
|
10.21
|
16.44
|
16.47
|
|
|
|
|
|
|
|
|
w4
|
16.45
|
10.23
|
10.19
|
|
|
|
|
|
|
|
|
lt1
|
67
|
67
|
67
|
|
|
|
|
|
|
|
|
lt2
|
67
|
67
|
67
|
|
|
|
|
|
|
|
|
|
dl0
|
-17
|
-6
|
9
|
|
|
|
|
|
|
|
|
|
|
|
|
|
|
|
|
|
|
|
|
|
|
|
|
|
|
|
|
|
|
Размеры указанные в таблице иллюстрирует
Рис.5.2.1. Здесьw1-w4
-ширины полосковых линий,It1
- внутренняя длина кольцевой полосковой линии, It2
- длина внутреннего радиусаскругления полосковой линии, dl
- фазировочная вставка.Таблица составлена с учером требований к развязке в -30dB
(и -20 для больших переходных ослаблений).
Каждый из мостов был просчитан в трех различных
моделяхдля каждого из переходных ослаблений. В таблице, таким образом, отмечены
модели: Ugol> - относительно
первичной линии, выходы 2 и 3 расположены под углом в 90 градусов, а большая
часть мощности ответвляется в выход 2; Ugol<
- геометрически похожая модель, но в ней большая часть мощности в выход 3; Symmetry
- симметричная модель, где выходы 2 и 3 расположенны под углом в 90 и -90
градусов.
Широкое использование квадратурных мостов в
технике СВЧ обуславливаютширокополсоность и наличие сдвига по фазе между
выходными сигналами моста, равного π/2
(90o). Квадратурные
мостовые устройства обладают активным входным сопротивлением плеч 1 и 2 при
условии равенства сопротивлений нагрузок плеч 3 и 4, даже если они при этом
являются комплексными.
Квадратурныймост(рис.5.2.3) представляет собой
комбинацию двух направленных ответвителейНО-1 и НО-2 и обладает тем свойством,
что при величинах переходного затухания каждого из ответвителей, равного 8,34
дБ, в общей схеме моста реализуется режим 3дБ делителя, при котором сигналы на
выходах 2 и 3 равны, составляют по уровню мощности 0,5 от мощности входного
сигнала, подаваемого на вход 1, и находятся в квадратуре.
Рис.5.2.3 Квадратурный мост
В отличии от квадратурных мостов, использованные
в построении топологии двойные мосты (Рис.5.2.4) имеют фазовый сдвиг в 180
градусов, и используются для того, чтобы запитать излучатели 6-12, 7-11 и 8-10
в противофазном сигнале для составления основного лепестка.
Рис.5.2.4 Двойной мост
Таким образом схему деленя можно представить в
виде, показанном на рис.5.2.5. В данной схеме использованы все виды мостов,
просчитанных в данном пункте.
Рис. 5.2.5. Схема расположения коэффициентов
деления мостов в системе распределения мощности
.4 Разработка топологии схемы деления УА
С учетом разработанной в предыдущем пункте схемы
деления устройства была проработана топология схемы деления мощности (рис.
5.3.1). Длины волн полосков в данном случае просчитывались в специализированном
программном обеспечении таким образом, чтобы длины всех дорожек были равны.
Рис. 5.3.1. Топология делителя мощности
В программном комплексеHFSS
был произведен расчет данной топологии и получены основные характеристики,
такие как амплитудное (Рис.5.3.2), фазовое распределения (Рис.5.3.3), а также
было проведено сравнение теоретической диаграммы направленности МВРЛ
(Рис.5.3.4), и диаграммы направленности, полученной в результате моделирования
топологии (Рис.5.3.5)

Рис. 5.3.2Амплитудное распределение а -
суммарного, б - разностного и в - канала подавления.
Рис. 5.3.3Фазовое распределение а - суммарного,
б - разностного и в - канала подавления.
Рис. 5.3.4 Теоретическая диаграммы
направленности МВРЛ
Рис. 5.3.5 Диаграммы направленности МВРЛ,
полученная в результате электродинамического моделирования.
Как видно из сравнения рис. 5.3.4 и 5.3.5, полученная
диаграмма направленности полностью перекрывает теоретическую, что говорит о
правильной работоспособности системы деления.
Заключение
На основании найденных коэффициентов деления
мощности и длин петель фазосдвигающих секций суммарно-разностных мостов, был
разработан вариант конфигурации топологии системы распределения мощности
горизонтального излучателя в азимутальной плоскости.
На основании результатов электродинамического
моделирования параметров печатных излучателей и схемы распределения мощности на
базе мостовых соединений, отличающихся простотой и технологичностью
конструкции, малыми габаритами и массой, высокой воспроизводимостью при
серийном изготовлении и, как следствие, экономической эффективностью, и
предварительной проработки конструктива УА можно с высокой степенью
достоверности сделать вывод, о том что его реализация на производстве,
удовлетворяющая требованиям ТЗ, не должна вызвать серьезных затруднений.
Заключение
В данной выпускной квалификационной работе
решена задача разработки моноимпульсного вторичного радиолокатора.
В соответствии с заданными техническими
требованиями, указанными в главе постановки задачи, был проведен анализ данных
для определения варианта построения устройства. Была выбрана и построена ДОС в
вертикальной и азимутальной плоскости антенного устройства, просчитано
множество схем деления мощности.
Реализация ДОС в азимутальной плоскости в виде
параллельно-последовательной схемы обусловлена реализацией высоких требований
пунктов ТЗ в части уровня бокового излучения.
В работе были достигнуты заданные требования,
поставленные в главе постановки задачи.Проведено численное проектирование,
включающее расчет в программном пакете MathCad
переходных ослаблений. По полученным характеристикам переходных ослаблений был
проведен подбор размеров мостовых устройств, которые на этапе
электродинамического моделирования в программном комплексе Ansoft
HFSS, были
оптимизированы для построенияДОС, и учтены при проектировании блока МВРЛ.