|
Элементы фермы
|
Стержень
|
lef,x, мм
|
lef,y, мм
|
|
верхний пояс
|
1-2
|
3015
|
3015
|
|
2-3
|
3015
|
|
3-4
|
3015
|
3015
|
|
4-5
|
3015
|
3015
|
|
нижний пояс
|
10-11
|
3000
|
9000
|
|
нижний пояс
|
11-12
|
3000
|
9000
|
|
12-13
|
3000
|
9000
|
|
13-14
|
3000
|
9000
|
|
14-15
|
3000
|
9000
|
|
опорные раскосы
|
1-10
|
1840
|
1840
|
|
раскосы
|
2-11
|
1544
|
1930
|
|
11-3
|
1688
|
2110
|
|
3-12
|
1712
|
2140
|
|
12-4
|
1872
|
2340
|
|
4-13
|
1888
|
2360
|
|
13-5
|
2072
|
2590
|
|
стойки
|
2-10
|
968
|
1210
|
2.4 Подбор и проверка
сечений фермы
Подбор сечения сжатых стержней
верхнего пояса:
а) Определение требуемой площади
сечения стержней:
, (2.4)
где
- максимальное расчетное усилие в стержнях верхнего пояса
;
-
расчетное сопротивление стали С255,
;
-
коэффициент условия работы,
;
-
коэффициент надежности по нагрузке,
;
-
коэффициент устойчивости зависит от условной гибкости и типа сечения, значение
которого находим по таблице Д. 1 [4], φ
=0,76 (для типа сечения А);
Задаемся гибкостью
.
Находим условную гибкость:
(2.5)
где Е - модуль упругости стали, Е=
2,06·105 Мпа;
-
расчетное сопротивление стали С255,
;
б) Находим требуемый радиус инерции:
(2.6)
где
- расчетная длина стержня.
в) Проверим сечение профиля
160х120х6 с геометрическими характеристиками: h=160 мм, b=120 мм, А=31,23 см2; ix=5,99 см, iу=4,8 см.
Находим гибкости по формуле:
(2.7)
где
- радиус инерции, ix=5,99 см, iу=4,8 см.
;
Условные гибкости:
; φx =0,91
; φy =0,86
Проверка гибкости:
, (2.8)
где
(2.9)
-
максимальное расчетное усилие в стержнях верхнего
пояса
;
-
расчетное сопротивление стали С255,
;
-
коэффициент надежности по нагрузке,
;
φ x,y - коэффициент, φ x=
, φ y=
;
А - площадь сечения А=31,23 см2
Проверка выполнена.
г) Проверка устойчивости:
(2.10)
где
- максимальное расчетное усилие в стержнях верхнего
пояса
;
-
расчетное сопротивление стали С255,
;
-
коэффициент надежности по нагрузке,
;
-
коэффициент условия работы,
;
φ min - коэффициент, φ min =φ x,y;
А - площадь сечения А=31,23 см2
Проверка выполнена.
Окончательно принимаем профиль
160х120х6.
Подбор сечения растянутых стержней
нижнего пояса:
а) Определение требуемой площади
сечения стержней:
, (2.11)
где
- максимальное расчетное усилие в стержнях нижнего
пояса;
-
расчетное сопротивление стали С255;
-
коэффициент условия работы;
-
коэффициент надежности по нагрузке;
б) Проверим сечение профиля 120х6 с
геометрическими характеристиками: h=120 мм, b=120 мм, А= 26,43 см2; ix=4,61 см, iу=4,61 см.
Находим гибкости по формуле (2.7):
;
Проверка гибкости:
Проверка выполнена.
в) Проверка устойчивости:
(2.12)
где
- максимальное расчетное усилие в стержнях верхнего
пояса
;
-
расчетное сопротивление стали С255,
;
-
коэффициент надежности по нагрузке,
;
-
коэффициент условия работы,
;
А - площадь сечения А=31,23 см2
Проверка выполнена.
Окончательно принимаем профиль
120х6.
Подбор сечения сжатых стержней
решетки:
а) Определение требуемой площади
сечения стержней:
-
расчетное сопротивление стали С255;
Задаемся гибкостью
.
Находим условную гибкость:
φ =0,726 (для типа сечения А)
б) Находим требуемый радиус инерции:
-
расчетная длина стержня.
в) Проверим сечение профиля 80х3 с
геометрическими характеристиками: h=80 мм, b=80 мм, А=9,01см2; ix=iу=3,12 см.
Находим гибкости по формуле (2.7):
;
Условные гибкости:
; φx,у =0,74
Проверка гибкости:
Проверка выполнена.
г) Проверка устойчивости по формуле
(2.10):
Проверка выполнена.
Условие выполняется.
Окончательно принимаем профиль 80х3.
Подбор сечения растянутых стержней
решетки:
а) Определение требуемой площади
сечения стержней:
;
-
расчетное сопротивление стали С255;
б) Проверим сечение профиля 80х3 с
геометрическими характеристиками: h=80 мм, b=80 мм, А=9,01см2; ix=iу=3,12 см.
Находим гибкости по формуле (2.7):
;
Проверка гибкости:
Проверка выполнена.
в) Проверка устойчивости по формуле
(2.10):
Проверка выполнена.
Окончательно принимаем профиль 80х3.
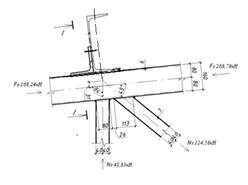
Рисунок 2.4. Cхема фермы
2.5 Конструирование и расчет узлов фермы
Расчет
ведем по приложению Л [2] и по «Пособию по проектированию стальных конструкций
(к СНиП II -23-81*)».
В узлах
ферм с непосредственным прикреплением элементов решетки к поясам следует
проверять:
продавливание
(вырывание) участка стенки пояса, контактирующей с элементом решетки;
несущую
способность участка боковой стенки пояса (параллельной плоскости узла) в месте
примыкания сжатого элемента решетки;
несущую
способность элемента решетки в зоне примыкания к поясу;
- прочность сварных швов прикрепления элемента решетки к поясу.
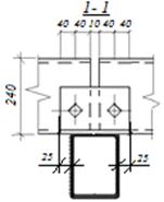
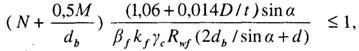
Узел 1
Рисунок 2.5. Узел 1
) В случае
примыкания к поясу одного элемента в опорных узлах при d /D ≤ 0,9 (d/D = 80/120 = 0,666) и g / b ≤ 0,25 (g/b = 13/118 = 0,11) продавливание
(вырывание) участка стенки пояса, контактирующей с элементом решетки, следует
проверять по формуле:
(2.13)
где N - усилие в
примыкающем элементе (решетки), кН;
М - изгибающий
момент от основного воздействия в примыкающем элементе, кНм;
db - ширина примыкающего элемента, db= 80 мм;
Ry - расчетное сопротивление стали пояса, Ry =240 МПа;
t - толщина стенки (полки) пояса, t = 6 мм;
α - угол примыкания
элемента решетки к поясу, α = 430;
γd - коэффициент влияния
знака усилия в примыкающем элементе, принимаемый равным γd =1,2 при растяжении и γd =1,0 - в остальных
случаях;
γd - коэффициент влияния
продольной силы в поясе, определяемый при сжатии в поясе, если |F| / (ARy) > 0,5, по
формуле γd = 1,5 - |F| / (ARy), в остальных
случаях γd = 1,0; |F|/(ARy) = 170,27/
(26,4*10-4*240*103) = 0,269 0,269 < 0,5, γd = 1,0;
b - длина участка линии пересечения примыкающего элемента с поясом
в направлении оси пояса, равная db / sinα, b = 118 мм;
g - половина расстояния между смежными стенками соседних элементов
решетки или поперечной стенкой раскоса и опорным ребром, g = 13 мм;
f =
(D-d) /2 = (120-80)/2 = 20 мм
2) Несущую
способность боковой стенки в плоскости узла в месте примыкания сжатого элемента
при d / D > 0,85 следует проверять по формуле:
(2.14)
где N - усилие в
примыкающем элементе (решетки), кН;
Ry - расчетное сопротивление стали пояса, Ry =240 МПа;
t - толщина стенки (полки) пояса, t = 6 мм;
α - угол примыкания
элемента решетки к поясу, α = 430;
γt - коэффициент влияния
тонкостенности пояса, для отношений Db/t ≥ 25 принимаемый
равным 0,8, в остальных случаях - 1,0;
k - коэффициент,
принимаемый по п.Л.2.4 [2]:
(td/db)2 - Ryd/E = 4 (3/80)2 -
240/(2,1*105) = 0,0045, тогда k = 1
db - ширина примыкающего
элемента, db = 80 мм;
d/D = 80/160 = 0,5 < 0,85
Проверка не требуется.
3) Несущую
способность элемента решетки вблизи примыкания к поясу следует проверять:
(2.15)
где N - усилие в
примыкающем элементе (решетки), кН;
М - изгибающий
момент от основного воздействия в примыкающем элементе, кНм;
Ry - расчетное сопротивление стали элемента решётки, Ry =240 МПа;
db - ширина примыкающего элемента, db= 80 мм;
D - ширина пояса, D =120 мм;
t - толщина стенки (полки) пояса, t = 6 мм;
α - угол примыкания
элемента решетки к поясу, α = 430;
γd - коэффициент влияния
знака усилия в примыкающем элементе, принимаемый равным γd =1,2 при растяжении и γd =1,0 - в остальных
случаях;
Ad -
площадь поперечного сечения элемента решетки, Ad = 9,01 мм2;
k - коэффициент, принимаемый по п.Л.2.4 [2]:
(td/db)2 - Ryd/E = 4 (3/80)2 -
240/(2,1*105) = 0,0045, тогда k = 1
4) Прочность
сварных швов, прикрепляющих элементы решетки к поясу, следует проверять:
(2.16)
где βf = 0,9 по таблице 39 [2];
kf = 4 мм по таблице 38 [2];
Rwf = 180МПа, марка проволоки Св-08А, тип электрода Э42.
Узел 2
) Продавливание
(вырывание) участка стенки пояса, контактирующей с элементом решетки, при d /D
≤ 0,9 и g
/ b ≤ 0,25 проверяем по формуле 2.13.
d/D
= 80/120 = 0,666<0,9, g/b = 13/80 = 0,163<0,25,
|F| /
(ARy) = 268,78 / (31,23*10-4*240*103) = 0,359
< 0,5, γd = 1,0;
g/b = 13/113 = 0,115< 0,25,

Рисунок 2.6. Узел 2
) Несущую способность элемента
решетки вблизи примыкания к поясу проверяем по формуле 2.15.
4 (td/db)2 - Ryd/E = 4 (3/80)2 -
240/(2,1*105) = 0,0045, k = 1;
3) Прочность
сварных швов, прикрепляющих элементы решетки к поясу, следует проверять по
формуле 2.16.
Узел 3
Рисунок 2.7. Узел 3
) Продавливание (вырывание) участка
стенки пояса, контактирующей с элементом решетки, при d /D ≤ 0,9 и g / b ≤ 0,25 проверяем по формуле
2.13.
d/D = 80/120 =
0,666<0,9, g/b = 24,5/128 = 0,19<0,25,
|F| /
(ARy) = 372,54/ (31,23*10-4*240*103) = 0,479
< 0,5, γd = 1,0;
g/b = 24,5/103 = 0,238<0,25
) Несущую способность
элемента решетки вблизи примыкания к поясу проверяем по формуле 2.15.
4 (td/db)2 - Ryd/E = 4 (3/80)2 -
240/(2,1*105) = 0,0045, k = 1;
3) Прочность
сварных швов, прикрепляющих элементы решетки к поясу, следует проверять по
формуле 2.16.
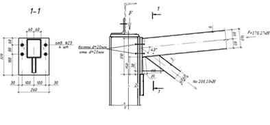
Узел 5
Рисунок 2.8. Узел 5
) Продавливание
(вырывание) участка стенки пояса, контактирующей с элементом решетки, при d /D ≤ 0,9 и g / b ≤ 0,25 проверяем по формуле
2.13.
d/D = 80/120 = 0,666<0,9, g/b = 15/113 = 0,133<0,25,
||F| / (ARy) = 376,14 /
(31,23*10-4*240*103) = 0,502>0,5, γD = 1,5 - |F|/(ARy)
γd = 1,5 - 0,502 = 0,998;
g/b = 15/111 = 0,14<0,25
2) Несущую
способность элемента решетки вблизи примыкания к поясу проверяем по формуле
2.15.
4 (td/db)2 - Ryd/E = 4 (3/80)2 -
240/(2,1*105) = 0,0045, k = 1;
3) Прочность
сварных швов, прикрепляющих элементы решетки к поясу, следует проверять по
формуле 2.16.
Конструктивно
принимаем 4 болта М20 класс прочности 8.8.
Узел 10
Рисунок 2.9. Узел
10
) Продавливание (вырывание) участка
стенки пояса, контактирующей с элементом решетки, при d /D ≤ 0,9 и g / b ≤ 0,25 проверяем по формуле
2.13.
d/D = 80/120 =
0,666<0,9, g/b = 13/125 = 0,104<0,25,
γd = 1,0;
g/b = 13/80 = 0,16<0,25
2) Несущую способность элемента
решетки вблизи примыкания к поясу проверяем по формуле 2.15.
4 (td/db)2 - Ryd/E = 4 (3/80)2 -
240/(2,1*105) = 0,0045, k = 1;
) Прочность сварных
швов, прикрепляющих элементы решетки к поясу, следует проверять по формуле
2.16.
Узел 11
Рисунок 2.10. Узел 11
1) Продавливание (вырывание) участка
стенки пояса, контактирующей с элементом решетки, при d /D ≤ 0,9 и g / b ≤ 0,25 проверяем по формуле
2.13.
d/D = 80/120 =
0,666<0,9, g/b = 13/125 = 0,104<0,25,
γd = 1,0;
g/b = 13/114 = 0,114<0,25
2) Несущую способность элемента
решетки вблизи примыкания к поясу проверяем по формуле 2.15.
4 (td/db)2 - Ryd/E = 4 (3/80)2 -
240/(2,1*105) = 0,0045, k = 1;
3) Прочность
сварных швов, прикрепляющих элементы решетки к поясу, следует проверять по
формуле 2.16.
Узел 12
Рисунок 2.11. Узел 12
) Продавливание (вырывание) участка
стенки пояса, контактирующей с элементом решетки, при d /D ≤ 0,9 и g / b ≤ 0,25 проверяем по формуле
2.13.
d/D = 80/120 =
0,666<0,9, g/b = 13/114 = 0,114<0,25,
γd = 1;
g/b = 13/103 = 0,126<0,25
2) Несущую способность элемента
решетки вблизи примыкания к поясу проверяем по формуле 2.15.
4 (td/db)2 - Ryd/E = 4 (3/80)2 -
240/(2,1*105) = 0,0045, k = 1;
3) Прочность
сварных швов, прикрепляющих элементы решетки к поясу, следует проверять по
формуле 2.16.
Узел 13
Рисунок 2.12. Узел 13
) Продавливание (вырывание) участка
стенки пояса, контактирующей с элементом решетки, при d /D ≤ 0,9 и g / b ≤ 0,25 проверяем по формуле
2.13.
d/D = 80/120 =
0,666<0,9, g/b = 10/103 = 0,097<0,25,
γd = 1;
g/b = 10/97 = 0,103<0,25
2) Несущую способность элемента
решетки вблизи примыкания к поясу проверяем по формуле 2.15.
4 (td/db)2 - Ryd/E = 4 (3/80)2 -
240/(2,1*105) = 0,0045, k = 1;
3) Прочность
сварных швов, прикрепляющих элементы решетки к поясу, следует проверять по
формуле 2.16.
Укрупнительный узел
нижнего пояса
Рисунок 2.13.
Укрупнительный узел нижнего пояса
Для нижнего укрупнительного узла
выполняем расчет болтов на растяжение.
где N - усилие в
нижнем поясе, N = 389,84кН;
Nb,min - расчетное усилие,
которое может быть воспринято одним болтом
Nbt = RbtAbnγc, (2.22)
Rbt - расчетное сопротивление одноболтовых соединений, Rbt = 0,42 Rbum;bum
- нормативное сопротивление стали болтов, Rbum = 800Н/мм2
для болтов класса прочности 8.8.
Abn - площадь сечения стержня болта брутто и резьбовой части нетто
соответственно, Abn = 2,45см2 = 245мм2 для болтов М20;
γc - коэффициент условий
работы, определяемый по таблице 1 [2], γc = 0,9;
Nbt = 0,42
800
245
0,9 = 74,1 кН
n ≥ 389,84/74,1 = 5,26
Принимаем 6 болтов М20 класс
прочности 8.8
Теплотехнический расчет наружной
стены здания бассейна
Проект строительства физкультурно -
оздоровительного комплекса с бассейном в с. им. Бабушкина Вологодской области
предусматривает возведение многослойных наружных стен бассейна.
Исходные данные:
1 слой - плитка
керамическая (внутренняя отделка стен бассейна) t=10 мм=0,01, l=1,5
Вт/м°С;
слой - штукатурка из
сложного раствора t=20 мм=0,020 м, l=0,87 Вт/м°С;
слой - керамический
полнотелый рядовой кирпич марки К 100/1/25 t=380 мм=0,380 м, l=0,64
Вт/м°С (при условиях эксплуатации Б);
слой - пленка
пароизоляционная «Изоспан В» 1 слой t=0,45 мм=0,00045 м, l=0,22 Вт/м°С;
слой - утеплитель
«Rockwoll Венти Баттс Д», l=0,036 Вт/м°С;
слой - гидроизоляционная
ветрозащита «Изоспан А» 1 слой t=0,40 мм=0,0004 м, l=0,20 Вт/м°С;
слой - воздушная
прослойка (в расчете не учитывается);
слой - вентилируемый
фасад «Краспан» (в расчете не учитывается).
район строительства - с.
им. Бабушкина Вологодской области;
физкультурно -
оздоровительный комплекс с бассейном.
Параметры воздуха:-
внутренняя температура tв
=+27 оС в соответствии с [10];- относительная влажность 65% в
соответствии с [10];- расчетная зимняя температура tн
= -32 оС в соответствии с [9].
Конструкция наружной
стены представлена на рисунке 2.14.
Рисунок 2.14.
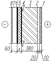
Конструкция наружной стены: 1-плитка керамическая, 2 - штукатурка, 3 -
кирпичная стена; 4-пароизоляция, 5-утеплитель; 6 - гидроизоляционная
ветрозащита, 7 - воздушная прослойка, 8-вентилируемый фасад «КРАСПАН»
Теплотехнический расчет
выполняется исходя из условия:
Roусл≥
Roтр, (2.23)
где Roусл
- условное сопротивление теплопередаче наружной стены,
(м2 ∙°С)/Вт;
Roтр
- базовое значение требуемого сопротивления теплопередаче ограж-
дающей конструкции, (м2
∙°С)/Вт.
Градусо-сутки
отопительного периода ГСОП следует определять по формуле [3]:
ГСОП = (tв -
tот) zот, °С·сут, (2.24)
где tв - расчетная температура внутреннего воздуха здания,°С,
принимаемая
при расчете ограждающих
конструкций групп зданий указанных в таб-лице 3 [3];от, zот
- средняя температура наружного воздуха,°С, и продолжительность,
сут/год, отопительного
периода, принимаемые по своду правил для периода со среднесуточной температурой
наружного воздуха не более 8°С, а при проектировании лечебно-профилактических,
детских учреждений и домов-интернатов для престарелых не более 10°С.
Принимаем значения tот=-4,5°С,
zот=232 сут в соответствии с таблицей 3.1 [9], тогда
ГСОП=(27 -
(-4,5)*232=7308 °С·сут
, (м2 ∙°С)/Вт,
(2.25)
где Roтр
- то же самое что в формуле 1;
a,
b - коэффициенты, значения которых следует принимать по данным
таблицы для соответствующих групп зданий. Принимаются в соответствии с таблицей
3 [3];
a=0,0003,
b=1,2, тогда
,
Условное сопротивление
теплопередаче однородной части фрагмента Roусл
следует определять по формуле:
(2.26)
где aв-коэффициент теплоотдачи
внутренней поверхности ограждающих конструкций, принимаемый по таблице 4 [3], aв=8,7 оС;s - термическое сопротивление слоя
однородной части фрагмента, м2.
°С)/Вт, определяемое для невентилируемых
воздушных прослоек по таблице Е.1 [3];
αн - коэффициент
теплоотдачи наружной поверхности ограждающей конструкции, Вт/(м2 ∙°С),
принимаемый по таблице 6 [3], αн=12 оС.
Термическое сопротивление слоя
следует определять по формуле:
(2.27)
где ss - толщина слоя, м;
λs - теплопроводность
материала слоя, Вт/(м ∙°С), принимаемая по результатам испытаний в
аккредитованной лаборатории; при отсутствии таких данных оно оценивается по
приложению С [3].
Найдем условное сопротивление
теплопередаче многослойной ограждающей конструкции:
Отсюда d3=0,93 м. Принимаем
толщину утеплителя 130 мм.
Тогда
Условие Roусл ≥ Roтр 4,44 ≥ 3,39
выполняется.
При выполнении теплотехнического
расчета в соответствии с п. 5.3 [3] для помещений с влажным или мокрым режимом
расчет ведется по формуле:
(м2
∙°С)/Вт, (2.28)
(м2
∙°С)/Вт, (2.29)
где mp=1 -
коэффициент, учитывающий особенности региона строительства;
Δtн - нормируемый
температурный перепад между температурой внутреннего воздуха tв и температурой
внутренней поверхности ограждающей конструкции - τв,°С, принимаемый по
таблице 5 [3];
тогда Δtн=tв-tр, где tр=19,87°
в
соответствии с влажностью помещения по [10];
тогда Δtн=27-19,87=7,13°
;
;
Отсюда d5=0,0043 м=4,3 мм, в
данном случае принимаем размер утеплителя 130 мм по первому варианту расчета.
Теплотехнический расчет покрытия
здания бассейна
Исходные данные:
кровельная сендвич - панель
«Армакс»;
район строительства - с. им.
Бабушкина Вологодской области;
физкультурно - оздоровительный
комплекс с бассейном.
Параметры воздуха:- внутренняя
температура tв =+27 оС в
соответствии с [10];- расчетная зимняя температура tн = -32 оС в соответствии с [9].
Конструкция покрытия представлена на
рисунке 2.15.
Рисунок 2.15. Конструкция кровельной
панели «Армакс»
Градусо-сутки отопительного периода
ГСОП определяем по формуле 2.24
Принимаем значения tот=-4,5°С,
zот=232 сут в соответствии с таблицей 3.1 [9], тогда ГСОП=(27 -
(-4,5)*232=7308 °С·сут
Определим базовое значение
требуемого сопротивления теплопередаче ограждающей конструкции:
a=0,0004, b=1,6,
тогда по формуле (2.35)
aв=8,7 оС
αн=23 оС.
Таким образом, при
принимаем по каталогу завода «Армакс» кровельную панель толщиной
250 мм с
. Тогда по формуле (2.36)
,
Условие Roусл ≥ Roтр 5,41≥5,25 - выполняется.
2.7 Расчет сопротивления
паропроницанию кирпичной стены здания бассейна
Исходные данные
Расчет выполнен по приложению Э
[11]. Температурные данные приняты по [3].Расчетную температуру tint,°C, и относительную влажность
внутреннего воздуха jint, % принимаем для бассейна tint = 27°С, jint = 65% согласно [10].
Расчетную зимнюю температура text=-12,8,°C, относительную влажность наружного
воздуха jext=84% принимаем по таблице 3.1 [9] для города Тотьмы Вологодской
области.
Влажностный режим жилых помещений -
мокрый; зона влажности для с. Нюксеница Вологодской области - нормальная, тогда
условия эксплуатации ограждающих конструкций определяют по параметру Б [3].
Расчетные тепло-технические показатели материалов приняты по параметру Б
приложения Д [3].
Наружная многослойная стена бассейна
здания ФОКа состоит из следующих слоев, считая от внутренней поверхности:
1 слой - плитка
керамическая (внутренняя отделка стен бассейна) t=10 мм=0,01, l Б
=1,5 Вт/м°С, r0 = 1300 кг/м3, m = 0,030 мг/(м×ч×Па);
слой - штукатурка из
сложного раствора t=20 мм=0,020 м, l Б =0,87 Вт/м°С, r0
= 1400 кг/м3, m = 0,15 мг/(м×ч×Па);
слой - керамический
полнотелый рядовой кирпич марки К 100/1/25 t=380 мм=0,380 м, l Б
=0,64 Вт/м°С, r0 = 1600 кг/м3, m = 0,14 мг/(м×ч×Па);
слой - пленка
пароизоляционная «Изоспан В» 1 слой t=0,45 мм=0,00045 м, l Б
=0,22 Вт/м°С, r0 = 700 кг/м3, m = 0,0000145 мг/(м×ч×Па);
слой - утеплитель
«Rockwoll Венти Баттс Д», t=130 мм=0,130 м, l Б =0,036
Вт/м°С, r0
= 90 кг/м3, m = 0,52 мг/(м×ч×Па);
слой - гидроизоляционная
ветрозащита «Изоспан А» 1 слой t=0,40 мм=0,0004 м, l Б =0,20
Вт/м°С, r0
= 1000 кг/м3, m = 0,00005 мг/(м×ч×Па);
слой - воздушная
прослойка (в расчете не учитывается);
слой - вентилируемый
фасад «Краспан» (в расчете не учитывается).
Сопротивление
теплопередаче ограждающей конструкции принимаем из теплотехнического расчета:
Ro = 4,44
Плоскость возможной конденсации в
многослойной конструкции совпадает с наружной поверхностью утеплителя.
Сопротивление паропроницанию Rvp, м2×ч×Па/мг, ограждающей
кон-струкции (в пределах от внутренней поверхности до плоскости возможной
кон-денсации) должно быть не менее нормируемых сопротивлений паропроница-нию,
определяем:
Rvp1req = (eint - E) Rvpe/(E - eext), м2×ч×Па/мг, (2.30)
Rvp2req = 0,0024z0(eint - E0)/(rwdwDav + h), м2×ч×Па/мг, (2.31)
где eint - парциальное давление
водяного пара внутреннего воздуха, Па, при расчетной температуре и
относительной влажности этого воздуха, определяемое по формуле:
еint = (jint/100) Eint, Па, (2.32)
где Eint - парциальное
давление насыщенного водяного пара, Па, при темпера-
туре tint принимается по
приложению С [11] правил: при tint = 27°С,
Eint = 2338 Па. Тогда при jint = 65% eint = (65/100)×2338 = 1519,70 Па;
jint - относительная влажность внутреннего воздуха, %;
- сопротивление
паропроницанию, м2·ч·Па/мг, части ограждающей конструкции,
расположенной между наружной поверхностью ограждающей конструкции и плоскостью
возможной конденсации, определяемое по своду правил;
eext - среднее парциальное давление водяного пара наружного воздуха,
Па, принимаем по [9];
z0 - продолжительность,
сут, периода влагонакопления, принимаемая равной периоду с отрицательными
средними месячными температурами наружного воздуха принимаем по [9];
Е0 - парциальное
давление водяного пара, Па, в плоскости возможной конденсации, определяемое при
средней температуре наружного воздуха периода месяцев с отрицательными средними
месячными температурами;
r
w - плотность материала увлажняемого слоя, кг/м3,
принимаемая равной r0 по своду правил;
d -
толщина увлажняемого слоя ограждающей конструкции, м, принимаемая равной 2/3
толщины однородной (однослойной) стены или толщине теплоизоляционного слоя
(утеплителя) многослойной ограждающей конструкции;
∆wаv - предельно допустимое
приращение расчетного массового отношения влаги в материале увлажняемого слоя,
%, за период влагонакопления z0, принимаемое по таблице
1 [3];
Е - парциальное давление водяного
пара, Па, в плоскости возможной конденсации за годовой период эксплуатации,
определяемое по формуле
Е = (Е1z1 + E2z2 + Е3z3)/12, Па, (2.33)
где E1, Е2, Е3 - парциальные давления водяного
пара, Па, принимаемые по температуре ti, в плоскости возможной
конденсации, определяемой при средней температуре наружного воздуха соответственно
зимнего, весенне-осеннего и летнего периодов;
z1, z2, z3, - продолжительность,
месяцев, соответственно зимнего, весенне-осеннего и летнего периодов,
определяемая с учетом следующих условий:
а) к зимнему периоду относятся
месяцы со средними температурами наружного воздуха ниже минус 5°С;
б) к весенне-осеннему периоду
относятся месяцы со средними температурами наружного воздуха от минус 5 до плюс
5°С;
в) к летнему периоду относятся
месяцы со средними температурами наружного воздуха выше плюс 5°С.
Данные средней месячной и годовой
температуры и среднее месячное и годовое парциальное давление водяного пара
представлены в таблице 2.3.
Таблица 2.3. Данные средней месячной
и годовой температуры и среднее месячное и годовое парциальное давление
водяного пара
|
Месяц
|
1
|
2
|
3
|
4
|
5
|
6
|
7
|
8
|
9
|
10
|
11
|
12
|
Год
|
|
tн оС
|
-12,8
|
-11
|
-4,1
|
2,8
|
9,8
|
14,7
|
17,2
|
14,4
|
8,7
|
2,4
|
-4,3
|
-9,7
|
2,4
|
|
ен ГПа
|
2,4
|
2,4
|
3,3
|
5,1
|
7,6
|
11,5
|
14,2
|
13,3
|
9,6
|
6,3
|
4,3
|
3,1
|
6,9
|
z1=3 мес. tн1=(-12,8)+(-11)+(-9,7)/3=-11,2 оС,
z2=4 мес. tн2=(-4,1)+2,8+2,4+(-4,3)/4=-0,8 оС
z3=5 мес. tн3=9,8+14,7+17,2+14,4+8,7/5=12,9 оС
Продолжительность периодов и их
средняя температура определяются по [9], а значения температур в плоскости
возможной конденсации ti, соответствующие этим периодам по [11]
ti = tint - (tint - ti) (Rsi
+ åR)/R0,°С, (2.34)
где tint - расчетная
температура внутреннего воздуха°С, принимаемая для здания бассейна в с. им.
Бабушкина Вологодской области равной 27°С;
ti - расчетная температура наружного воздуха i-го периода,°С, принимаемая равной
средней температуре соответствующего периода;
Rsi - сопротивление теплопередаче внутренней поверхности ограждения,
равное Rsi = 1/aint = 1/8,7 = 0,115 (м2°С)/×Вт;
åR - термическое сопротивление слоя ограждения в пределах от
внутренней поверхности до плоскости возможной конденсации;
Ro - сопротивление теплопередаче ограждения, определенное ранее.
Определим термическое сопротивление
слоя ограждения в пределах от внутренней поверхности до плоскости возможной
конденсации
åR = 0,01/1,5 + 0,02/0,87 +0,380/0,64 + 0,00045/0,22+0,130/0,036+0,0004/0,20=4,24
(м2×°С)/Вт.
Установим для периодов их
продолжительность zi, сут, среднюю температуру ti,°С, согласно [9],
и рассчитаем соответствующую температуру в плоскости возможной конденсации ti,°С, по формуле (2.43)
для климатических условий г. Тотьмы (с. им. Бабушкина):
зима (январь, февраль, декабрь):
z1 = 3 мес;
t1 = -11,2°С;
t1 = 27 - (27 - (-11,2)) (0,115 + 4,24)/4,44= -10,5°С;
весна - осень (март, апрель,
октябрь, ноябрь):
z2 = 4 мес;
t2 = -0,8°С;
t2 = 27 - (27 - (-0,8)) (0,115 + 4,24)/4,44 = -0,3°С;
лето (май - сентябрь):
z3 = 5 мес;
t3 = 12,9 оС;
t3 = 27 - (27 - 12,9) (0,115 + 4,24)/4,44 = 13,2°С.
По температурам (t1, t2, t3) для соответствующих
периодов определяем по приложению С [9], парциальные давления (E1, Е2, E3) водяного пара: Е1
=245 Па, Е2 = 592 Па, E3 = 1517 Па и по формуле
(2.42) определим парциальное давление водяного пара Е, Па, в плоскости
возможной конденсации за годовой период эксплуатации ограждающей конструкции
для соответствующих продолжительностей периодов z1, z2, z3.
Е = (245×3 + 592×4 +
1517×5)/12 = 891 Па.
Сопротивление паропроницанию Rvpe, части
ограждающей конструкции, расположенной между наружной поверхностью и плоскостью
возможной конденсации, определяется по формуле:
Rvpe=Rvp = d/m, м2×ч×Па/мг, (2.35)
где d - толщина слоя ограждающей конструкции, м;
m - расчетный коэффициент
паропроницаемости материала слоя ограж-дающей конструкции, мг/(м×ч×Па), принимаемый по
приложению Д [9].
Rvpe = 4,24 м2×ч×Па/мг
Среднее парциальное давление
водяного пара наружного воздуха еехt, Па, за годовой период
определяют по [9]:
еext = (240 + 240 + 330 +
510 + 760 + 1150 + 1420 + 1130 + 960 + 630 + 430 + 310)/12 = 692,5 Па ≈693
Па
По формуле (2.30) определяем
нормируемое сопротивление паропроницанию из условия недопустимости накопления
влаги за годовой период эксплуатации:
Rvp1req = (1519,7 - 891)×0
/(891-693) = 0
Для расчета нормируемого
сопротивления паропроницанию Rvp2req из условия ограничения влаги за период с отрицательными средними
месячными температурами наружного воздуха берут определенную ранее
продолжитель-ность этого периода z0, сут, среднюю
температуру этого периода t0,°C: z0 = 151 сут, t0 = - 8,4°С.
z0=30+29+31+30+31=151 сут
t0=(-12,8)+(-11)+(-4,1)+(-4,3)+(-11,7)/5=-8,4°С
Температуру t0,°С, в плоскости
возможной конденсации для этого периода определим по формуле
t0 = tint - [(tint - text)/Ro]
(Rint + SR),°С (2.36)
где tint, text - расчетные
температуры соответственно внутреннего и наружного
воздуха (среднесезонная или средняя
за период влагонакопления),°С.
t0 = 27 - (27 + 8,4)×(0,115
+ 4,24)/4,44 = -7,7°С.
Парциальное давление водяного пара Е0,
Па, в плоскости возможной кон-денсации определим по приложению С [9], при t0 = - 7,7°С равным Е0
= 315Па.
В многослойной ограждающей
конструкции увлажняемым слоем являет-ся утеплитель, в данном примере «URSA» плотностью rw = r0 = 90 кг/м3
при толщине gw = 0,130 м. Предельно допустимое приращение расчетного массово-го
отношения влаги в этом материале согласно [3], Dwаv = 3%.
Средняя упругость водяного пара
наружного воздуха периода месяцев с отрицательными средними месячными
температурами, определенная ранее, равна e0ext = 310 Па.
e0ext=(2,4+2,5+3,3+4,3+3,1)*100/5=310 Па
Коэффициент h определяется по формуле:
, (2.37)
h = 0,0024 (315 - 310)
151/4,24 = 0,43
Определим Rvp2req по формуле (2.40):
Rvp2req = 0,0024×151
(1519,7 - 315)/(90×0,130×3 + 0,43) = 12,3 м2×ч×Па/мг
При сравнении полученного значения Rvp с нормируемым
устанавливаем, что Rvp > Rvp2req > Rvp1req.
Rvp=42,5 > Rvp2req=12,3> Rvp1req=0
Следовательно, ограждающая
конструкция удовлетворяет требованиям [3], в отношении сопротивления
паропроницанию.
Расчет распределения парциального
давления водяного пара по толще стены и определение возможности образования
конденсата в толще стены
Для проверки конструкции на наличие
зоны конденсации внутри стены определяем сопротивление паропроницанию стены Rvp по формуле (2.35)
Rvp=0,01/0,030+0,020/0,15+0,380/0,14+0,00045/0,0000145+0,130/0,52+0,0004/0,00005=
42,5 м2×ч×Па/мг
Определяем парциальное давление
водяного пара внутри и снаружи стены по приложению Э[4]:
tint = 27°С; jint = 65%;int
= (65/100) 2338 = 1519,7 Па;ext = -11,17°С; jint = 84%;ext
= (85/100) 264 = 222 Па.
Определяем температуры ti на границах слоев по
формуле (2.36), нумеруя от внутренней поверхности к наружной, и по этим
температурам - максимальное парциальное давление водяного пара Еi по приложению С [11]:
t1 = 27 - (27 + 11,17) (0,115)/4,24 = 26,0°С;
E1 = 3363 Па;
t2 = 27 - (27 + 11,17) (0,115 + 0,0066)/4,24= 25,9°С;
Е2 = 3341 Па;
t3 = 27 - (27 + 11,17) (0,115 + 0,0066+0,023)/4,24 = 25,7°С;
E3 = 3301 Па;
t4 = 27 - (27 + 11,17) (0,115 + 0,0066+0,023+0,593)/4,24 = 20,4°С;
Е4 = 2396 Па;
t5 = 27 - (27 + 11,17) (0,115 + 0,0066+0,023+0,593+0,00204)/4,24 =
20,3°С;
E5 = 2381 Па;
t6 = 27 - (27 + 11,17) (0,115 +
0,0066+0,023+0,593+0,00204+3,61)/4,24 = -12,1°С;
E6 = 217 Па;
t7 = 27 - (27 + 11,17) (0,115 +
0,0066+0,023+0,593+0,00204+3,61+0,002)/4,24 =-12,2°С;
E7 = 213 Па;
Рассчитаем действительные
парциальные давления ei водяного пара на границах слоев по формуле
ei = eint
- (eint - eext) åR/Rvp, Па, (2.38)
где eint и eext - расчитаны выше
е1=1519,7 Па
е2=1519,7 - (1519,7-222)
0,33/42,5=1509,6 Па
е3=1519,7 - (1519,7-222)
(0,33+0,133)/42,5=1505,6 Па
е4=1519,7 - (1519,7-222)
(0,33+0,133+2,71)/42,5=1422,8 Па
е5=1519,7 - (1519,7-222)
(0,33+0,133+2,71+31,03)/42,5=475,3 Па
е6=1519,7 - (1519,7-222)
(0,33+0,133+2,71+31,03+0,25)/42,5=467,7 Па
е7=1519,7 - (1519,7-222)
(0,33+0,133+2,71+31,03+0,25+8)/42,5=222 Па
В результате расчета получим следующие
значения:
е1 = 1515,2 Па < E1 = 3363 Па, е2 = 1509,6 Па < Е2 = 3341
Па,
е3 = 1505,6 Па < E3 = 3301 Па, е4 = 1422,8 Па < Е4 = 2396
Па,
е5 = 475,3 Па < E5 = 2381 Па, е6 = 467,7 Па < E6 = 217 Па,
е7 = 222 Па < E7 = 213 Па
Таким образом, влага, поступающая снаружи
и образующаяся между стеновыми ограждащими конструкциями «Краспан» и слоем
гидроизоляционной ветрозащиты будет удаляться благодаря естественной
вентиляции, т.к. мембрана «Изоспан А» применяется для защиты утеплителя и
внутренних элементов стен от ветра, атмосферной влаги, пороши, а так же
обеспечивает выведение водяных паров из утеплителя в зданиях всех типов.
Материал укладывается с внешней стороны утеплителя под наружной облицовкой
стены. Применение паропроницаемой мембраны позволяет сохранить теплозащитные
характеристики утеплителя и продлить срок службы всей конструкции.
3. Технологический
раздел
.1 Исходные данные для
проектирования производства работ
Параметры здания
Данная технологическая карта
разработана на монтаж металлических конструкций и сэндвич-панелей спортивного
зала физкультурно-оздоровительного комплекса в с. им. Бабушкина Вологодской
области. Здание имеет размеры в осях 36,0 х 21,0 м.
Состав работ
Состав работ, рассматриваемых
технологической картой представлен в таблице 3.1:
установка колонн, выверка и сварка
соединений;
монтаж балок покрытия и ферм, сварка
соединений;
установка связей, прогонов, монтаж
фахверковых стоек, сварка соединений;
монтаж стеновых и кровельных
сэндвич-панелей, герметизация стыков.
Таблица 3.1. Сводная ведомость
объемов работ
|
Наименование констр. и рабочих операций
|
Единицы измерения
|
Объем, кол-во
|
Эскиз
|
Масса, т
|
|
Колонна К1
|
шт.
|
14
|
Двутавр 35К2
|
1,183
|
|
Колонна К2
|
шт.
|
6
|
Двутавр 35К2
|
1,416
|
|
Сварка -1%
|
|
|
|
0,251
|
|
Ферма ФС1
|
шт.
|
5
|
1,302
|
|
|
Сварка -1%
|
|
|
|
0,065
|
|
Балки покрытия
|
шт.
|
8
|
Двутавр 30Б1
|
0,197
|
|
Сварка -1%
|
|
|
|
0,016
|
|
Ригели
|
шт.
|
3
|
Профиль 100х4
|
0,057
|
|
Кровельные прогоны
|
шт.
|
60
|
Швеллер №24
|
0,144
|
|
Сварка-1%
|
|
|
|
0,086
|
|
Связи
|
шт.
|
4
|
Профиль 100х5
|
0,413
|
|
Сварка-1%
|
|
|
|
0,017
|
Монтаж металлических конструкций
До начала монтажа конструкций
проверяют положение в плане и отметки оснований фундаментов и других опорных
конструкций. Последовательность монтажа должна обеспечивать устойчивость и
геометрическую неизменяемость смонтированных конструкций. Монтаж здания ведут
специализированными потоками, каждому из которых передается комплект монтажных
и транспортных машин и соответствующая монтажная оснастка. Участки делят на
захватки, на которых последовательно выполняют отдельные процессы всего
комплекса работ. Монтажные позиции выбирают с таким расчетом, чтобы кран с
одной позиции смонтировал большее число элементов. Первые две колонны ряда
раскрепляют крестообразными расчалками, последующие - главными балками и балками
настила, которые устанавливают после выверки и выполнения монтажной сварки.
Балки устанавливают по осевым рискам на балках и консолях колонны с временным
раскреплением на анкерных болтах и выверяют при помощи специальных
приспособлений.
Металлические колонны,
устанавливаемые на сплошные бетонные фундаменты, можно опирать:
на заранее заделанные в фундаменты
анкерные болты с подливкой в местах соединения цементного раствора после
выверки установленной колонны по двум взаимно перпендикулярным осям;
непосредственно на поверхность
фундаментов, возведенных до проектной отметки фрезерованной подошвы колонны без
последующей подливки цементным раствором;
на заранее установленные, выверенные
(со слоем цементного раствора при необходимости) стальные опорные плиты с
верхней строганной поверхностью (безвыверочный монтаж).
При подготовке колонн к монтажу на
них наносят следующие риски: продольной оси колонны на уровне низа колонны и
верха фундамента.
Колонны, устанавливаемые на
фундаменты, обеспечивают только анкерными болтами при наличии у колонны широких
башмаков и при их высоте до 10 м. Более высокие колонны с узкими башмаками
кроме крепления на болтах расчаливают в плоскости наименьшей жесткости с двух
сторон. Расчалки закрепляют на верхней части колонны до ее подъема и при
установке раскрепляют к якорям или рядом расположенным фундаментам. После
натяжения расчалок с колонны можно снимать стропы.
Снимать расчалки можно только после
закрепления колонн постоянными элементами. Устойчивость колонн в направлении
оси здания обеспечивают подкрановыми балками и связями, установленными после
монтажа первой пары колонн и соединяющей их подкрановой балки.
Металлические колонны,
устанавливаемые на фундаменты, закрепляют в процессе монтажа анкерными болтами.
Если под основание колонны подложены металлические прокладки, то они должны
быть приварены.
Монтаж прогонов, фахверковых
конструкций выполняется сразу после монтажа балок покрытия. Прогоны необходимо
ставить полностью или частично сразу после монтажа балок покрытия, так как поднятая
балка покрытия должна быть быстро закреплена к ранее смонтированным
конструкциям и расстроплена, чтобы не простаивал монтажный кран. Чтобы лучше
использовать грузоподъемность крана, прогоны поднимают пачками, складывают на
одно место и затем растаскивают вручную по скату балок покрытия.
Стойки фахверка сначала временно
закрепляются анкерными болтами, затем после выверки вертикальности крепятся к
колоннам. Далее монтируют остальные конструкции фахверка согласно проекту.
Монтаж сэндвич-панелей
Разгрузку и складирование панелей на
приобъектном складе производят вертикально в кассеты. Кассеты должны вмещать
такое количество панелей, которое необходимо для монтажа их между двумя
колоннами на всю высоту здания. Располагают кассеты таким образом, чтобы кран с
монтажной стоянки мог устанавливать их в проектное положение без изменения
вылета стрелы.
Строповку пакетов панелей
допускается производить только за обвязки вертикально расположенными стропами.
Строповку «сэндвич» - панелей на монтаже следует проводить только с помощью
гибких тканевых фалов либо другими способами, в том числе с помощью специальных
траверс, исключающими обмятие металлических кромок панелей и повреждение
лакокрасочного слоя.
Панели стен монтируют участками
между колоннами на всю высоту здания попанельно. Установку панелей наружных
стен следует производить, опирая их на выверенные относительно монтажного
горизонта маяки - деревянные дощечки, толщина которых в среднем должна
составлять 12 мм.
Все накладки горизонтальных и
вертикальных стыков, а также угловые элементы панелей должны быть поставлены на
герметик для исключения попадания влаги внутрь стыка. На верхнюю грань
нижележащей панели на тонкий слой мастики «изол» укладывают пористый гернитовый
шнур.
Непосредственно перед установкой
панели поверхность шнура покрывают слоем мастики, расстилают цементный раствор
по всей опорной плоскости панели слоем на 3+5 см выше уровня маяков. По
окончанию монтажа панелей с наружной стороны всех стыков наносится слой
герметик-пасты.
Панели устанавливают, начиная с
«маячных» угловых, по которым выверяют промежуточные панели ряда. Установив
панель на место, при натянутых стропах подправляют ее положение монтажными
ломиками. Осуществив выверку панели, ее раскрепляют двумя подкосами со стяжными
муфтами, которые монтажники закрепляют за петли плит перекрытий и доводят
панель до вертикального положения с помощью стяжных муфт. После того как панель
будет установлена в проектное положение, сварщик закрепляет ее, сваривая
закладные детали панели и конструкции каркаса.
Устанавливают панели по риске,
фиксирующей положение вертикального шва, наружную грань панели - по линии
обреза стены и по линии, определяющей внутреннюю плоскость стены. Точность
установки панели по вертикали монтажники проверяют рейкой-отвесом по двум
граням: боковой и открытой торцевой, а по горизонтали - уровнем.
Первая кровельная панель монтируют
открытой волной в сторону торца здания.
Выравнивают край панели с торцом
здания, по внешнему краю стеновых сэндвич-панелей. Выставляют свес панели на
расстояние, заданное в проекте. Проверяют параллельность торцевой кромки панели
с осью здания, натянув шнур по коньку, а если нет стыка панелей, то по фасаду
здания. Зазор в замковом соединении между панелями оставляют 1-1,5 мм.
Закрепляют панель саморезами к несущим конструкциям. Количество крепежных
саморезов по боковым сторонам кровли должно выбираться из расчета 3 самореза на
панель-прогон.
После окончания монтажа кровельных
панелей монтажные зазоры заполняются герметиком, а затем устанавливаются
нащельники.
Первоначально определяем параметры
крана из условия монтажа наиболее удаленного элемента - металлической фермы.
Требуемую грузоподъемность крана
определяется как сумма масс элементов, подвешиваемых одновременно на крюк
крана:
Qрас=Qэл + Qстр,
т, (3.1)
где Qэп - масса
монтажного элемента;
Qстр - масса стропов
(ориентировочно принимаем 5% от массы монтажного элемента).
Qрас=1416+71=1487 кг
Требуемая высота подъема
крюка над уровнем стоянки крана определяется по формуле:
Нкр=h0+hз+hэ+hс, м, (3.2)
где h0 - превышение опоры монтируемого элемента над нулевой отметкой, м;
hз
- запас по высоте, необходимый по условиям безопасности монтажа
для наводки конструкций или переноса через ранее смонтированные, м;
hэ
- высота (или толщина) элемента в монтажном положении, м;
hстр
- высота строповки в рабочем положении от верха монтируемого
элемента до крюка крана, м.
Нкр=10,3+0,5+1,5=12,3
м
Вылет крюка и длина
стрелы определяются в зависимости от типа крана.
Для стреловых кранов,
оборудованных гуськом, наименьшую допустимую длину стрелы при горизонтальном
гуське определяют по формуле:
Lс=
,
м, (3.3)
hш
- превышение уровня оси крепления стрелы над уровнем стоянки, hш=1,5 м;
-угол наклона стрелы к
горизонту.
Наименьшая длина стрелы
крана обеспечивается при наклоне ее оси под углом
и
определяется по формуле:
, (3.4)
где b - ширина монтируемого элемента, b=0,35
м;
S
- расстояние от края монтируемого элемента до оси стрелы, принимаем равным 1,5
м;
1,86
=620
Lc=
=12,2
м.
Требуемый вылет
основного крюка составит:
Lкр=
,
(3.5)
где d - минимальный зазор между стрелой крана и конструкций здания,
принимаем равным 1 м;
Lкр=
=6,8
м.
Учитывая полученные
характеристики, выбираем кран МКА-16 со стрелой 23 м гуськом 3 м, график
грузоподъемности крана представлен на рисунке 3.1.
Рисунок 3.1. График
грузоподъемности крана МКА-16 при стреле 23 м
Материально-технические ресурсы
Перечень машин, механизмов и
оборудования представлены в таблице 3.2.
Таблица 3.2. Перечень машин,
механизмов и оборудования
|
Наименование машин, механизмов и оборудования
|
Тип, марка
|
Технические характеристики
|
Назначение
|
Кол-во на звено, шт.
|
|
Кран
|
МТА-16
|
Грузоподъемность 16 т; вылет стрелы: 5,5 - 23 м, высота подъема
13-18 м
|
Монтажные работы
|
1
|
|
Строп двухветвевой
|
2СК - 1,25
|
Масса 55 кг, грузоподъемность 1,25 т
|
Для захвата краном конструкций
|
1
|
|
Строп текстильный г/п
|
1 тн ISO 4878
|
|
Для захвата сэндвич-панелей
|
1
|
|
Прицеп
|
ПТН 4007
|
|
Транспортировка сэндвич-панелей
|
|
|
Полуприцеп-плитовоз
|
ПЛ19-18
|
Q=19
т
|
Транспорти-ровка элементов металлокарка-са
|
2
|
Перечень технологичесткой оснастки,
инструментов и инвентаря представлены в таблице 3.3.
Таблица 3.3. Перечень
технологической оснастки, инструмента и инвентаря
|
Наименование инструмента и инвентаря
|
Марка, ГОСТ, ТУ
|
Техничес. хар-ка
|
Назначение
|
Кол-во на звено, шт.
|
|
1. Отвес строительный стальной
|
ГОСТ 7948-80
|
ОТ1000-1
|
Для определения вертикальности возводимых стен
|
4
|
|
2. Рулетка измерительная металлическая
|
ГОСТ 7502-61
|
|
Для линейных измерений небольших величин на захватке
|
5
|
|
3. Шнур-отвес разметочный в корпусе
|
ТУ 22-576-81
|
|
Для разбивки осей помещений провешивания и проверки
вертикальности поверхностей
|
4
|
|
4. Теодолит
|
|
2Т-30П
|
Для контроля качества
|
2
|
|
1
|
2
|
3
|
4
|
5
|
|
5. Нивелир
|
|
НГ
|
Для контроля качества
|
1
|
|
6. Нивелирная рейка
|
|
|
Для контроля качества
|
1
|
|
7. Предохрани- тельный пояс
|
|
|
|
3
|
|
8. Строительная каска
|
|
|
|
6
|
|
9. Жилеты оранжевые
|
|
|
|
6
|
|
10. Лом стальной монтажный
|
ГОСТ 2310-77*
|
|
|
2
|
|
11. Уровень строительный
|
ГОСТ 9416-83
|
УС2-II
|
|
2
|
|
12. Подкосы
|
|
|
|
2
|
|
13. Инвентарная винтовая стяжка
|
|
|
|
2
|
Требования к качеству и приемке
монтажных работ
Металлические конструкции,
поступающие на объект, должны отвечать требованиям соответствующих стандартов,
технических условий на их изготовление и рабочих чертежей. До проведения
монтажных работ металлические конструкции, панели, соединительные детали,
арматура и средства крепления, поступившие на объект, должны быть подвергнуты
входному контролю.
Входной контроль поступающих
металлических конструкций осуществляется внешним осмотром и путем проверки их
основных геометрических размеров и наличие рисок. Необходимо также
удостовериться, что небетонируемые стальные закладные детали имеют защитное
антикоррозийное покрытие. Закладные детали, монтажные петли и строповочные
отверстия должны быть очищены от бетона. Каждое изделие должно иметь
маркировку, выполненную несмываемой краской. Если отклонения превышают допуски,
заводам-изготовителям направляют рекламации, а конструкции бракуют.
Все конструкции, соединительные
детали, а также средства крепления, поступившие на объект, должны иметь
сопроводительный документ (паспорт), в котором указываются наименование
конструкции, ее марка, масса, дата изготовления. Паспорт является документом,
подтверждающим соответствие конструкций рабочим чертежам, действующим ГОСТам
или ТУ. Результаты входного контроля оформляются Актом и заносятся в Журнал
учета входного контроля материалов и конструкций.
В процессе монтажа необходимо
проводить операционный контроль качества работ, при котором надлежит проверять
соответствие выполнения основных производственных операций по монтажу
требованиям, установленным строительными нормами и правилами, рабочим проектом
и нормативными документами.
Результаты операционного контроля
должны быть зарегистрированы в Журнале работ по монтажу строительных
конструкций. Контроль проводится под руководством мастера, прораба.
По окончании монтажа конструкций
производится приемочный контроль выполненных работ, при котором проверяют
качество монтажных работ выборочно по усмотрению заказчика или генерального
подрядчика с целью проверки эффективности ранее проведенного производственного
контроля. Этот вид контроля может быть проведен на любой стадии монтажных
работ.
Качество производства работ
обеспечивается выполнением требований к соблюдению необходимой технологической
последовательности при выполнении взаимосвязанных работ и техническим контролем
за ходом работ, изложенным в Проекте организации строительства и Проекте
производства работ, а также в Схеме операционного контроля качества работ.
Контроль качества монтажа ведут с
момента поступления конструкций на строительную площадку и заканчивают при
сдаче объекта в эксплуатацию.
Контроль основных параметров
представлен в таблице 3.4.
Таблица 3.4. Контроль основных
параметров
|
Состав основных контролируемых параметров и нормативных требований
|
Предельные отклонения от нормативных параметров и требований
|
|
1. Смещение осей колонн относительно разбивочных осей
|
± 5 мм
|
|
2. Отклонение отметок опорной поверхности колонн от проектной
отметки
|
5 мм
|
|
3. Разность отметок опорных поверхностей соседних колонн
|
3 мм
|
|
4. Отклонение осей колонн от вертикали в верхнем сечении
|
10 мм
|
|
5. Смещение осей колонн в нижнем сечении с разбивочных осей при
опирании на фундамент
|
5 мм
|
|
6. Кривизна колонны
|
0,0013 расстояния между точками закрепления
|
|
7. Отклонение верха опорного узла от проектного
|
20 мм
|
|
8. Смещение осей балок относительно разбивочных осей колонн
|
5 мм
|
|
9. Отклонение расстояния между осями балок в середине пролета
|
10 мм
|
|
6. Отклонение от вертикали верха плоскостей панелей
|
12 мм
|
|
10. Разность отметок верха двух смежных балок
|
15 мм
|
|
11. Расстояния между прогонами
|
5 мм
|
|
12. Разность отметок верха панелей при установке по маякам
|
10 мм
|
|
13. Уступ между смежными гранями панелей из их плоскости
|
3 мм
|
|
14. Толщина шва между смежными панелями по длине
|
± 5 мм
|
Техника безопасности
Техника безопасности при монтажных
работах
На участке (захватке), где ведутся
монтажные работы, не допускается выполнение других работ и нахождение
посторонних лиц.
При возведении зданий и сооружений
запрещается выполнять работы, связанные с нахождением людей в одной секции
(захватке, участке) на этажах (ярусах), над которыми производятся перемещение,
установка и временное закрепление элементов сборных конструкций или
оборудования.
Способы строповки элементов
конструкций и оборудования должны обеспечивать их подачу к месту установки в
положении, близком к проектному.
Запрещается подъем сборных
железобетонных конструкций, не имеющих монтажных петель или меток,
обеспечивающих их правильную строповку и монтаж.
Очистку подлежащих монтажу элементов
конструкций от грязи и наледи следует производить до их подъема.
Строповку конструкций и оборудования
следует производить грузозахватными средствами, удовлетворяющими требованиям
п.п. 7.4.4, 7.4.5 [49] и обеспечивающими возможность дистанционной расстроповки
с рабочего горизонта в случаях, когда высота до замка грузозахватного средства
превышает 2 м.
Элементы монтируемых конструкций или
оборудования во время перемещения должны удерживаться от раскачивания и
вращения гибкими оттяжками.
Не допускается пребывание людей на
элементах конструкций и оборудования во время их подъема или перемещения.
Во время перерывов в работе не
допускается оставлять поднятые элементы конструкций и оборудования на весу.
Для перехода монтажников с одной
конструкции на другую следует применять инвентарные лестницы, переходные
мостики и трапы, имеющие ограждение.
Не допускается выполнять монтажные
работы на высоте в открытых местах при скорости ветра 15 м/с и более при
гололедице, грозе или тумане, исключающем видимость в пределах фронта работ.
Работы по перемещению и установке вертикальных панелей и подобных им
конструкций с большой парусностью следует прекращать при скорости ветра 10 м/с
и более.
Не допускается нахождение людей под
монтируемыми элементами конструкций и оборудования до установки их в проектное
положение и закрепления.
При необходимости нахождения
работающих под монтируемым оборудованием (конструкциями), а также на
оборудовании (конструкциях) должны осуществляться специальные мероприятия,
обеспечивающие безопасность работающих.
При производстве монтажных
(демонтажных) работ в условиях действующего предприятия эксплуатируемые
электросети и другие действующие инженерные системы в зоне работ должны быть,
как правило, отключены, закорочены, а оборудование и трубопроводы освобождены
от взрывоопасных, горючих и вредных веществ.
При производстве монтажных работ не
допускается использовать для закрепления технологической и монтажной оснастки
оборудование и трубопроводы, а также технологические и строительные конструкции
без согласования с лицами, ответственными за правильную их эксплуатацию.
До выполнения монтажных работ
необходимо установить порядок обмена условными сигналами между лицом,
руководящим монтажом, и машинистом (мотористом). Все сигналы подаются только
одним лицом (бригадиром монтажной бригады, звеньевым,
такелажником-стропальщиком), кроме сигнала «Стоп», который может быть подан
любым работником, заметившим явную опасность.
Монтаж конструкций каждого
последующего яруса (участка) здания или сооружения следует производить только
после надежного закрепления всех элементов предыдущего яруса (участка) согласно
проекту.
Навесный металлические лестницы
высотой более 5 м должны удовлетворять требованиям п. 6.2.19 [18] или быть
ограждены металлическими дугами с вертикальными связями и надежно прикреплены к
конструкции или к оборудованию. Подъем рабочих по навесным лестницам на высоту
более 10 м допускается в том случае, если лестницы оборудованы площадками
отдыха не реже чем через каждые 10 м по высоте.
При перемещении конструкций или
оборудования расстояние между ними и выступающими частями смонтированного
оборудования или других конструкций должно быть по горизонтали не менее 1 м, по
вертикали - 0,5 м.
Углы отклонения от вертикали
грузовых канатов и полиспастов грузоподъемных средств в процессе монтажа не
должны превышать величину, указанную в паспорте, утвержденном проекте или
технических условиях на это грузоподъемное средство.
При демонтаже конструкций и
оборудования следует выполнять требования, предъявляемые к монтажным работам.
Одновременная разборка конструкций
или демонтаж оборудования в двух или более ярусах по одной вертикали не
допускается.
Техника безопасности при сварочных
работах
При выполнении сборочных операций
контроль совмещения отверстий, проверка совпадения отверстий в монтируемых
деталях пальцами рук не допускается, проверка должна производиться конусными
оправками, сборочными пробками и др.
Для дуговой сварки необходимо
применять изолированные гибкие кабели, рассчитанные на надежную работу при
максимальных электрических нагрузках с учётом продолжительности цикла сварки.
Соединение сварочных кабелей следует
производить опрессовкой, сваркой или пайкой с последующей изоляцией мест
соединений.
Подключение кабелей к сварочному
оборудованию должно осуществляться при помощи опрессованных или припаянных
кабельных наконечников.
При прокладке или перемещении
сварочных проводов необходимо принимать меры против повреждения их изоляции и
соприкосновения с водой, маслом и стальными канатами. Расстояние от сварочных
проводов до баллонов с кислородом должно быть не менее 0,5 м, а с горючими
газами - не менее 1 м.
Электросварочная установка
(преобразователь, сварочный трансформатор) должна присоединяться к источнику
питания через рубильник и предохранители или автоматический выключатель, а при
напряжении холостого хода более 70 В должно применяться автоматическое
отключение сварочного трансформатора.
Запрещается использовать провода
сети заземления, трубы санитарно-технических сетей (водопроводов,
газопроводов), металлические конструкции зданий, технологическое оборудование в
качестве обратного провода электросварки.
Сварочные работы на открытом воздухе
во время дождя, снегопада должны быть прекращены.
График производства работ
График составляется на основе
калькуляции трудовых затрат и нормативной продолжительности работ в табличной
форме.
Нормативная продолжительность работ
монтажа конструкций определяется по [13]. Наименование работ записывается в
соответствии с принятой технологической последовательностью монтажа.
Значение трудоемкости на весь объем
работ:
ЗТ=ЗТ (чел.·ч)/8,2, чел.·дн., (3.6)
где ЗТ (чел.·ч) - затраты труда;
,2 - продолжительность одной смены,
ч.
Продолжительность работ:
Т=ЗТ/PN, дн., (3.7)
где P - количество рабочих в одном звене
монтажников;
N - количество смен.
Определив продолжительность, взаимно
увязываем работы во времени. Выбираем работы, оказывающие влияние на
продолжительность. Устанавливаем последовательность и совмещенность ведущих
работ, подчиняя темпу их выполнения остальные виды работ (заделка стыков,
электросварка).
3.9
Технико-экономические показатели
Трудоёмкость на монтажные работы
Трудоёмкость=17,73+8,87+33,24+17,28+88,75+17,75+3,98+1,32+17,95+3,62+30,44+10,15+14,52+30,2=351.9
чел.∙ч
Продолжительность монтажных работ
Определяется по календарному плану
производства работ: Т =8 см.
Выработка на 1 рабочего в смену
, т/чел. см., (3.8)
где
-
общий объём работ;
- состав звена на данный
вид работ;
- количество смен,
необходимых на выполнение данного вида работ.
Уровень механизации
, % (3.9)
где
-
общий объём работ;
- объём механизированных
работ.
Для монтажных работ
4. Организационный
раздел
.1 Общие данные
Исходными материалами для
составления ППР служат:
ранее утвержденный проект; в т.ч.
ПОС, РД и сметы;
данные о поставке сборных
конструкций, деталей, изделий и полуфабрикатов;
данные о поставке технологического,
энергетического и другого оборудования;
данные строительных и монтажных
организаций о наличии парка машин и механизмов, возможности его расширения и
использования;
действующие нормативные документы:
СНиПы, инструкции и указания по производству и приемке строительных,
специальных и монтажных работ, в т.ч. и по охране труда в строительстве.
ППР состоит из трех основных видов
технологических документов: графиков (календарных планов), СГП и
технологических карт.
Объемы работ в ППР определяют по РД,
спецификациям и сметам, расчеты всех видов ресурсов ведут по производственным
нормам.
ППР на подготовительные работы
выполняют в той же номенклатуре, что и для основных работ, но в меньшем объеме.
Для объектов строящихся по типовым
размерам, в состав РД входят основные положения по производству СМР.
При строительстве комплекса зданий
разрабатываются сводные поточные графики на весь объем строительства.
Характеристика условий строительства
Район строительства - с. им.
Бабушкина Вологодской области.
Характер строительства - новое.
Существующая застройка - имеется.
Нормативная продолжительность
строительства по [25] - 12 месяцев, в том числе подготовительный период - 2
месяца.
Источником покрытия потребности в
рабочей силе являются кадровые рабочие СУ. Обеспечение строительства ж/б
изделиями и конструкциями производится заводом ЖБИ. Строительными механизмами
строительство обеспечивается автоколонной. За относительную отметку 0.000
принята абсолютная отметка +153,100.
Проект организации работ
разрабатывается для физкультурно-оздоровительного комплекса с бассейном в селе
им. Бабушкина Вологодской области. Здание каркасное, основные несущие
конструкции металлические, перекрытия из сборных железобетонных плит, стены
кирпичные и из сэндвич-панелей.
Строительство
физкультурно-оздоровительного комплекса включает в себя следующие работы:
земляные работы;
устройство монолитных столбчатых
фундаментов;
монтаж металлических конструкций,
плит перекрытия, сэндвич-панелей;
устройство кровли;
внутреннюю отделку помещений.
Природно-климатические условия
строительства
Температура наружного воздуха
наиболее холодной пятидневки - 320 С.
Нормативное значение ветрового
давления - 0,23 кПа.
Расчетная снеговая нагрузка - 2,4
кПа.
Нормативная глубина промерзания
грунтов -1,8 м.
Рельеф местности - ровный.
Средняя температура воздуха наиболее
холодного периода -4,5оС, продолжительность зимнего периода - 232
суток.
В основании фундамента залегает
песок средней плотности пылеватый среднепучинистый, глубина промерзания грунта
1,82 м. Особые условия отсутствуют.
4.2 Описание методов
выполнения основных СМР с указаниями по технике безопасности
Подготовительный и основной периоды
строительства
Строительство проектируемого объекта
выполняется в два периода: подготовительный и основной.
В состав подготовительного периода
входят работы, связанные с подготовкой строительной площадки.
Освоение строительной площадки -
расчистка территории строительства, снос строений, неиспользуемых в процессе
строительства.
Создание геодезической разбивочной
основы для строительства - закрепление репера с привязкой к существующим
геодезическим сетям, закрепление на строительной площадке обноски, разбивка
основных осей, вынесение красных линий, вынесение.
Монтаж инвентарных зданий и
установок, создание общескладского хозяйства.
Инженерная подготовка территории
строительства - планировка участка, обеспечивающая организацию временных стоков
поверхностных вод, срезка растительного грунта со складированием в отведенные
места для последующего использования под озеленение площадки, устройство
внутриплощадочных дорог, прокладка сетей, водоснабжения, энергоснабжения,
канализации, теплоснабжения, телефонной линии.
Временная дорога, обеспечивающая
подъезд к строительной площадке грунтовая уплотненная щебнем, ширина дороги при
одностороннем движении транспорта - 3,5 м, а при двух направлениях - 6 м.
Временное освещение территории
строительства производится светильниками на опорах, прожекторами,
установленными на инвентарных мачтах и стреле монтажного крана. Временное
освещение выполняется в соответствии с [30].
Во избежание доступа посторонних лиц
строительная площадка ограждается временным забором. Конструкции ограждения
выполняются в соответствии требованиям [31]. Ограждения, примыкающие к местам
массового прохода людей, оборудованы сплошным защитным козырьком.
У въезда на строительную площадку
необходимо установить дорожные знаки ограничения скорости движения
автотранспорта и предупреждения о въезде и входе в опасную зону. Оградить
опасную зону сигнальными ограждениями, вывесить в соответствующих местах
плакаты «Осторожно. Работает кран», «Стой! проход запрещен», «Опасно! Возможно
падение груза»
Складирование материалов и
конструкций необходимо выполнять в соответствии с требованиями технических
условий и стандартов на материалы, изделия и конструкции на выровненных
площадках, принимая меры против самопроизвольного смещения, просадки и
раскатывания материалов и конструкций.
Работы по прокладке инженерных
коммуникаций выполняются с соблюдением требований [12]. При ограждении
строительной площадки также должны соблюдаться требования раздела [25].
Основной период строительства
делится на две стадии:
устройство нулевого цикла;
устройство надземной части здания.
Устройство нулевого цикла
Для выполнения работ нулевого цикла
здание разбито на две захватки. На захватках производится отрывка котлованов.
Для выполнения земляных работ используется экскаватор Э-505 с объемом ковша
0,65 м³, а также кран КС-5576 для
монтажа фундаментных блоков. Для обратной засыпки котлованов применяется
бульдозер ДЗ-8 на базе трактора Т100.
Возведение надземной части здания
Для выполнения работ поточным
методом здание разбивается на две захватки. Первая захватка - административная
часть ФОК, вторая захватка - спортивный зал.
Возведение надземной части здания
производится автомобильным краном МКА-16 со стрелой 23 м с гуськом 3 м. Для
погрузочно-разгрузочных работ с автотранспорта и для монтажа металлических
конструкций, сэндвич-панелей, плит перекрытий используется этот же кран. При
монтаже надземной части здания необходимо руководствоваться [31,32].
Для монтажа конструкций здания
предусмотрено использование типовой монтажной оснастки, позволяющей
осуществлять подъем, временное крепление и выверку элементов.
Земляные работы
До начала производства земляных
работ в местах расположения действующих подземных коммуникаций должны быть
разработаны и согласованы с организациям, эксплуатирующими эти коммуникации,
мероприятия по безопасным условиям труда, а расположение подземных коммуникаций
на местности обозначено соответствующими знаками или надписями.
Производство земляных работ в зоне
действующих подземных ком-муникаций следует осуществлять под непосредственным
руководством прораба или мастера, а в охранной зоне кабелей, находящихся под
напряжением, или действующего газопровода, кроме того, под наблюдением
работников электро- или газового хозяйства.
При обнаружении взрывоопасных
материалов земляные работы в этих местах следует немедленно прекратить до
получения разрешения от соответствующих органов.
Перед началом производства земляных
работ на участках с возможным патогенным заражением почвы (свалка,
скотомогильники, кладбища и т.п.) необходимо разрешение органов
Государственного санитарного надзора.
Места прохода людей через траншеи
должны быть оборудованы переходными мостиками, освещаемыми в ночное время.
Грунт, извлеченный из котлована или
траншеи, следует размещать на расстоянии не менее 0,5 м от бровки выемки.
Валуны и камни, а также отслоения
грунта, обнаруженные на откосах, должны быть удалены.
Рытье котлованов и траншей с
вертикальными стенками без креплений в нескальных и незамерзших грунтах выше
уровня грунтовых вод и при отсутствии вблизи подземных сооружений допускается
на глубину не более 1,0 - в неслежавшихся насыпных и природного сложения
песчаных грунтах.
Производство работ в котлованах и
траншеях с откосами, подвергшимися увлажнению, разрешается только после
тщательного осмотра производителем работ (мастером) состояния грунта откосов и
обрушения неустойчивого грунта в местах, где обнаружены «козырьки» или трещины
(отслоения).
Перед допуском рабочих в котлованы
или траншеи глубиной более 1,3 м должна быть проверена устойчивость откосов.
Котлованы и траншеи, разработанные в
зимнее время, при наступлении оттепели должны быть осмотрены, а по результатам
осмотра должны быть приняты меры к обеспечению устойчивости откосов или
креплений.
Прогреваемую площадь следует
ограждать, устанавливать на ней предупредительные сигналы, а в ночное время
освещать. Расстояние между ограждением и контуром прогреваемого участка должно
быть не менее 3 м.
На участках прогреваемой площади,
находящихся под напряжением, пребывание людей не допускается.
Погрузка грунта на автосамосвалы
должна производиться со стороны заднего или бокового борта.
Односторонняя засыпка пазух у
свежевыложенных подпорных стен и фундаментов допускается после осуществления
мероприятий, обеспечивающих устойчивость конструкции, при принятых условиях,
способах и порядке засыпки.
Устройство фундаментов
К производству работ по устройству
оснований и фундаментов можно приступать только после разбивки котлованов,
траншей, земляных сооружений, привязки осей и высотных отметок на имеющейся
геодезической основе и закрепления необходимых разбивочных знаков.
При устройстве фундаментов
необходимо контролировать глубину их заложения, размеры и расположение их в
плане, устройство отверстий и ниш, выполнение гидроизоляции и качество
применяемых материалов и конструкций.
Горизонтальность каждого уложенного
ряда блоков следует выверять нивелированием.
Монтаж фундаментных блоков
предусматривается в такой последовательности:
Разметка осей фундаментов,
обозначение границ фундаментной ленты, разбивка углов и мест сопряжений;
Установку блоков ленточных
фундаментов производить, начиная с установки маячных блоков в углах здания и на
пересечении осей. Маячные блоки устанавливают, совмещая их осевые риски с
рисками разбивочных осей, по двум взаимно перпендикулярным направлениям. К
установке рядовых блоков следует приступать после выверки положения маячных
блоков в плане и по высоте.
Фундаментные блоки следует
устанавливать на выровненный до проектной отметки, контролируемой по визиру,
слой песка. Предельное отклонение отметки выравнивающего слоя песка от
проектной не должно превышать минус 15 мм.
Установку блоков стен подвала
следует выполнять с соблюдением перевязки. Рядовые блоки следует устанавливать,
ориентируя низ по обрезу блоков нижнего ряда, верх - по разбивочной оси. Блоки
наружных стен, устанавливаемые ниже уровня грунта, необходимо выравнивать по
внутренней стороне стены, а выше - по наружной. Вертикальные и горизонтальные
швы между блоками должны быть заполнены раствором и расшиты с двух сторон.
Установка блоков фундаментов на
покрытые водой или снегом основания не допускается. Опорные поверхности должны
быть защищены от загрязнения.
При производстве работ по устройству
оснований и фундаментов зданий и сооружений всех видов следует
руководствоваться [6].
Монтаж здания
Монтаж здания осуществляется методом
наращивания. Подъем конструкций рекомендуется осуществлять на «весу» со сложным
перемещением крана. Для монтажа конструкций здания предусмотрено использовать
типовую монтажную оснастку, позволяющую осуществлять подъем, временное
крепление и выверку элементов.
При монтаже металлических
конструкций каркаса монтажные позиции выбирают с таким расчетом, чтобы кран с
одной позиции смонтировал большее число элементов. Первые две колонны ряда
раскрепляют крестообразными расчалками, последующие - главными балками и
балками настила, которые устанавливают после выверки и выполнения монтажной
сварки. Балки устанавливают по осевым рискам на балках и консолях колонны с
временным раскреплением на анкерных болтах и выверяют при помощи специальных
приспособлений. Снимать расчалки можно только после закрепления колонн
постоянными элементами. Устойчивость колонн в направлении оси здания
обеспечивают подкрановыми балками и связями, установленными после монтажа
первой пары колонн и соединяющей их подкрановой балки.
Плиты перекрытий должны
монтироваться после укладки металлических балок очередного этажа на
выровненное, очищенное от мусора основание с установкой всех анкеров и связей,
предусматриваемых проектом, замоноличивание стыков, устройства монолитных
участков.
Панели стен монтируют участками
между колоннами на всю высоту здания попанельно. Установку панелей наружных
стен следует производить, опирая их на выверенные относительно монтажного
горизонта маяки - деревянные дощечки, толщина которых в среднем должна
составлять 12 мм.
Все накладки горизонтальных и
вертикальных стыков, а также угловые элементы панелей должны быть поставлены на
герметик для исключения попадания влаги внутрь стыка. На верхнюю грань
нижележащей панели на тонкий слой мастики «изол» укладывают пористый гернитовый
шнур.
При перемещении и подаче на рабочее
место грузоподъемными кранами кирпича, керамических камней и мелких блоков для
наружных стен следует применять поддоны, контейнеры и грузозахватные
устройства, исключающие падение груза при подъеме.
При кладке стен зданий на высоту до
0,7 м от рабочего настила и расстоянии от его уровня за возводимой стеной до
поверхности земли (перекрытия) более 1,3 м необходимо применять средства
коллективной защиты (ограждающие или улавливающие устройства) или
предохранительные пояса.
Не допускается кладка наружных стен
толщиной до 0,75 м в положении стоя на стене. При толщине стены более 0,75 м
разрешается производить кладку со стены, применяя предохранительный пояс,
закрепленный за специальное страховочное устройство. Не допускается кладка стен
зданий последующего этажа без установки несущих конструкций междуэтажного
перекрытия, а также площадок и маршей в лестничных клетках.
При кладке стен высотой более 7 м
необходимо применять защитные козырьки по периметру здания. Рабочие, занятые на
установке, очистке или снятии защитных козырьков, должны работать с
предохранительными поясами. Ходить по козырькам, использовать их в качестве
подмостей, а также складывать на них материалы не допускается. На участке
(захватке), где ведутся монтажные работы, не допускается выполнение других
работ и нахождение посторонних лиц.
При возведении зданий и сооружений
запрещается выполнять работы, связанные с нахождением людей в одной секции
(захватке, участке) на этажах (ярусах), над которыми производятся перемещение,
установка и временное закрепление элементов сборных конструкций или
оборудования.
Способы строповки элементов
конструкций и оборудования должны обеспечивать их подачу к месту установки в
положении, близком к проектному.
Элементы монтируемых конструкций или
оборудования во время перемещения должны удерживаться от раскачивания и
вращения гибкими оттяжками.
Расчалки для временного закрепления
монтируемых конструкций должны быть прикреплены к надежным опорам (фундаментам,
якорям и т.п.). Количество расчалок, их материалы и сечение, способы натяжения
и места закрепления устанавливаются проектом производства работ. Расчалки
должны быть расположены за пределами габаритов движения транспорта и
строительных машин. Расчалки не должны касаться острых углов других
конструкций. Перегибание расчалок в местах соприкосновения их с элементами
других конструкций допускается лишь после проверки прочности и устойчивости
этих элементов под воздействием усилий.
Установленные в проектное положение
элементы конструкций или оборудования должны быть закреплены так, чтобы
обеспечивалась их устойчивость и геометрическая неизменяемость.
Расстроповку элементов конструкций и
оборудования, установленных в проектное положение, следует производить после
постоянного или временного надежного их закрепления. Перемещать установленные
элементы конструкций или оборудования после их расстроповки, за исключением
случаев, обоснованных ППР, не допускается.
Не допускается выполнять монтажные
работы на высоте в открытых местах при скорости ветра 15 м/с и более, при
гололедице, грозе или тумане, исключающем видимость в пределах фронта работ.
Работы по перемещению и установке вертикальных панелей и подобных им
конструкций с большой парусностью следует прекращать при скорости ветра 10 м/с
и более.
Не допускается нахождение людей под
монтируемыми элементами конструкций и оборудования до установки их в проектное
положение и закрепления.
При необходимости нахождения
работающих под монтируемым оборудованием (конструкциями), а также на
оборудовании (конструкциях) должны осуществляться специальные мероприятия,
обеспечивающие безопасность работающих.
Монтаж конструкций каждого
последующего яруса (участка) здания или сооружения следует производить только
после надежного закрепления всех элементов предыдущего яруса (участка) согласно
проекту. В процессе монтажа конструкций, зданий или сооружений монтажники
должны находиться на ранее установленных и надежно закрепленных конструкциях
или средствах подмащивания.
Отделочные работы
Средства подмащивания, применяемые
при штукатурных или малярных работах, в местах, под которыми ведутся другие
работы или есть проход, должны иметь настил без зазоров.
При производстве штукатурных работ с
применением растворонасосных установок необходимо обеспечить двустороннюю связь
оператора с машинистом установки.
Для просушивания помещений
строящихся зданий и сооружений при невозможности использования систем отопления
следует применять воздухонагреватели (электрические или работающие на жидком
топливе). При их установке следует выполнять требования Правил пожарной
безопасности при производстве строительно-монтажных работ.
Запрещается обогревать и сушить
помещение жаровнями и другими устройствами, выделяющими в помещение продукты
сгорания топлива.
Малярные составы следует готовить,
как правило, централизованно. При их приготовлении на строительной площадке
необходимо использовать для этих целей помещения, оборудованные вентиляцией, не
допускающей превышения предельно допустимых концентраций вредных веществ в
воздухе рабочей зоны. Помещения должны быть обеспечены безвредными моющими
средствами и теплой водой.
Эксплуатация мобильных малярных
станций для приготовления окрасочных составов, не оборудованных принудительной
вентиляцией, не допускается. Не допускается приготовлять малярные составы,
нарушая требования инструкции завода-изготовителя краски, а также применять
растворители, на которые нет сертификата с указанием характера вредных веществ.
Перечень актов на скрытые работы
. Акт на разбивку осей.
. Акт осмотра котлована под
фундаменты.
. Акт на скрытые работы по
устройству песчаной подушки под фундамент.
. Акт на скрытые работы по
гидроизоляции стен от грунтовых вод.
. Акт осмотра фундамента из сборных
железобетонных блоков.
. Акт на скрытые работы по
устройству дренажа.
. Акт осмотра работ по
благоустройству участка
. Акт на скрытые работы по
армированию простенков и столбов кирпичной кладки.
. Акт на скрытые работы по утеплению
кирпичной кладки.
. Акт по монтажу перекрытий над
подвальным, первым, вторым этажами и третьим этажами.
. Акт на скрытые работы по анкеровке
перекрытий.
. Акт на скрытые работы по монтажу
лестничных маршей и площадок.
. Акт на скрытые работы по установке
оконных и дверных коробок.
. Акт на скрытые работы по
устройству бетонных полов.
. Акт на скрытые работы по
устройству полов в санузлах.
. Акт на скрытые сварочные работы по
монтажу элементов покрытия.
. Акт на окрасочные работы стальных
элементов покрытия.
. Акт приемки фасадов здания.
Организация - владелец транспортных
средств обязана обеспечить их своевременное техобслуживание и ремонт.
Транспортировка длинномерных,
тяжеловесных, крупногабаритных грузов осуществляется на специализированном
транспорте.
Груз должен быть размещен и
закреплен в соответствии с техническими условиями погрузки и крепления.
Подача автомобиля задним ходом в
зоне работ производится по команде работающих.
Указания по охране труда
Конструкции, поднимаемые краном,
надо удерживать от раскачивания оттяжками из пенькового каната или троса.
При подъеме элементов,
устанавливаемых в горизонтальное положение, к обоим их концам прикрепляются
парные оттяжки.
Запрещается передвигать конструкции
после их установки и снятия захватных приспособлений.
При подъеме элементов с транспортных
средств запрещается перемещать груз над кабиной водителя.
На монтажных работах обязательно
должна быть предусмотрена сигнализация. Все сигналы машинисту крана и рабочим
на оттяжках подает один человек - бригадир.
Временные связи, расчалки,
кондукторы разрешается снимать только после окончательного закрепления
конструкций.
Машинисты кранов, стоповщики,
сигнальщики и сварщики проходят обучение по спецпрограммам.
Монтажники, имеющие стаж работы
менее одного года и разряд ниже третьего, к работе на высоте не допускаются.
Отделочные работы
Отделочные работы делятся на
следующие циклы:
) штукатурные работы;
) установка и остекление оконных и
дверных блоков;
) подготовка под окраску и окраска
поверхностей;
) устройство чистых полов;
) окончательная отделка и окраска
поверхностей.
Общая готовность здания к началу
работ должна соответствовать [13].
Производство штукатурных и
облицовочных работ организуется поточно-расчетным методом, что обеспечивает
наиболее полное использование рабочих по их квалификации.
Раствор и шпаклевку на отделываемые
поверхности наносят механизированным способом. Нанесение раствора вручную
допускается лишь в небольших помещениях и при малом объеме штукатурных работ.
Водные составы для окраски стен и потолков рекомендуется наносить
механизированным способом. Ручную окраску стен и столярных изделий
рекомендуется производить малярным валиком.
4.3 Расчет численности
персонала строительства
Расчетная численность персонала
строительства определяется по формуле:
(4.1)
где 1,06 - коэффициент,
учитывающий невыходы по болезни и отпуска.
- численность рабочих
основного производства;
(определяется
по эпюре движения рабочих как максимальное количество рабочих в одну смену).
- численность рабочих
неосновного производства:
- численность
инженерно-технических работников:
- численность работников
младшего обслуживающего персонала:
- численность учеников
и практикантов:
,
4.4 Обоснование
потребности и выбор типов временных зданий и сооружений
Таблица 4.1. Расчет площадей
временных зданий и сооружений
|
Наименование зданий и сооружений
|
Расчетная численность персонала
|
Нормы на 1 человека
|
Требуется
|
Принято
|
|
Всего
|
% одновремен. польз.
|
Ед. изм.
|
Кол-во
|
Ед. изм.
|
Кол-во
|
Марка
|
Кол-во
|
|
Проходная
|
-
|
-
|
9 9Вагончик
3х31
|
|
|
|
|
|
|
Контора прораба
|
2
|
100
|
3 6Вагончик
3х31
|
|
|
|
|
|
|
Медицинское помещение
|
-
|
-
|
12 12Вагончик
3х61
|
|
|
|
|
|
|
Помещение для пр. пищи
|
46
|
30
|
1 13,8Вагончик
3х61
|
|
|
|
|
|
|
Помещение для обогрева рабочих
|
46
|
100
|
0,1 4,6Вагончик
3х31
|
|
|
|
|
|
|
Кладовая
|
-
|
-
|
15 15Вагончик
3х61
|
|
|
|
|
|
|
Помещение для сушки и обеспылевания одежды
|
46
|
50
|
0,2 4,6Вагончик
3х31
|
|
|
|
|
|
|
Гардеробные с умывальными
|
46
|
70
|
0,5 16,1Вагончик
3х61
|
|
|
|
|
|
Душевые 46 30 1
рожок 1 рожок 8 чел. 4
1 рожок
рожок2
Туалет 46 100 1
очко 1 очко 20 чел. 2
1
очко
очко3
Примечание: помещение личной гигиены
женщин - кабина с гигиеническим душем, размещается в женском туалете, поскольку
количество работающих женщин до 100 человек.
4.5 Расчет потребности в
воде и определение диаметра труб временного водопровода
Вода на строительной площадке
расходуется на хозяйственно-бытовые и на производственные нужды, а также на
пожаротушение.
Требуемый расход воды определяется
по формуле:
, (4.2)
Расход воды на
пожаротушение
принимается
по площади застройки, при площади застройки до 30 га
.
- Расход воды на
хозяйственно-бытовые нужды:
, (4.3)
где
/
- расход воды на принятие душа;
, (4.4)
где N - расчетная численность персонала строительства
;
а - норма
водопотребления на 1 человека, пользующегося душем, при наличии канализации
;
- коэффициент,
учитывающий количество моющихся, принимаем
;
время работы душевой
установки, час принимаем
;
//
- расход воды на умывание, принятие пищи и другие нужды.
, (4.5)
где
-
норма водопотребления на 1 человека в смену
;
- коэффициент
неравномерности потребления воды,
;
- продолжительность
смены в часах
;
Расход воды на
производственные нужды определяется:
, (4.6)
где 1,2 - коэффициент на
неучтенные потребности;
- коэффициент
неравномерности водопотребления,
- суммарный расход воды
в смену в литрах на все производственные нужды по нормам;
Диаметр трубы временного
водопровода определяется:
, (4.7)
где
-
скорость движения воды временного водопровода
;
. Принимаем
.
4.6 Расчет потребности в
электроэнергии
Электроэнергия на
строительной площадке расходуется на питание электродвигателей (для силовых
потребителей), на технологические нужды (прогрев бетона), на внутреннее
освещение здания, на наружное освещение подъездных путей, территории, места
работы.
Требуемая мощность
трансформатора определяется по формуле:
, (4.8)
где 1,1 - коэффициент,
учитывающий потери в сети;
,
,
,
-
коэффициенты спроса, учитывающие несовпадение нагрузок,
,
,
,
;
- коэффициенты мощности,
зависящие от загрузки соответствующих потребителей,
;
- мощность силовых,
технологических потребителей, приборов внутреннего и наружного освещения, кВт.
Таблица 4.2. Мощности
потребителей
|
Наименование потребителей
|
Мощность, кВт
|
|
1. Технологические: - сварочный аппарат - электротрамбовка
ИЭ4505 - растворонасос КР-5 - виброрейка СО-47 - затирочная машина ЦП-2101А -
краскопульт СО-87
|
20 10 4 0,6 2 0,6 Всего: 37,2
|
|
2. Внутреннее освещение: - Бытовые помещения
|
10
|
|
3. Наружное освещение - Прожекторы
|
6
|
|
Итого:
|
53,2
|
.
Трансформаторную
подстанцию комплектовать как минимум двумя трансформаторами, один из которых
меньшей мощности: ТМГ 25/10, ТМГ 40/10.
Сечение провода
временной электросети определяется по формуле:
, (4.9)
где
-
расчетная нагрузка на рассматриваемом участке сети, Вт;
;
l
- длина участка сети, м;
;
g
- удельная проводимость материала провода (для меди 57);
U
- номинальное напряжение (для силовых потребителей - 380 В, для остальных
220В);
- потери напряжения в%,
принимается 8%.
. Принимаем
.
4.7 Расчет потребности в
сжатом воздухе и определение сечения разводящих трубопроводов
Сжатый воздух на
строительной площадке необходим для работы пневмоинструмента и выполнения
некоторых технологических операций. Источником сжатого воздуха являются
передвижные компрессорные установки. Требуемая мощность компрессорной установки
определяется по формуле:
, (4.10)
где 1,3 - коэффициент,
учитывающий потери в сети;
k
- коэффициент одновременности работы аппаратов: при подключении 2-3 аппаратов
;
- суммарный расход
воздуха приборами:
затирочная машинка -
,
отбойный молоток -
,
Диаметр разводящего шланга
определяется по формуле:
, (4.11)
. Принимаем шланг
.
4.8 Определение
потребности в кислороде
Потребность
строительства в кислороде определяется по укрупненным отраслевым нормам на 1
млн. руб. строительно-монтажных работ (в ценах 1984 г.). На объектах
жилищно-коммунального и культурно-бытового строительства потребность в
кислороде составляет 4400
.
Кислород на площадку
доставляют в стальных баллонах синего цвета емкостью 40 л, вмещающих 6
кислорода. Требуется 1702 баллона.
4.9 Расчет потребности в
тепле
На строительной площадке тепло
необходимо для отопления зданий и сооружений и на технологические нужды.
Общая потребность тепла определяется
по формуле:
, (4.12)
где
-
расход тепла на отопление зданий;
- расход тепла на
технологические нужды (бетонирование в тепляках);
- коэффициент,
учитывающий потери тепла в сети
;
- коэффициент на
неучтенные расходы тепла
.
, (4.13)
где а - коэффициент,
зависящий от расчетной температуры наружного воздуха, при
;
q
- удельная тепловая характеристика здания,

(для общественного
здания);
- строительный объем
здания
;
- расчетная температура
внутреннего и наружного воздуха
;
,
Расход тепла на
технологические нужды определяется по справочным данным специальным расчетом
исходя из заданных объемов работ, сроков их проведения.
4.10 Расчет потребности
в транспортных средствах
Строительные конструкции
и материалы доставляются на стройку специализированным транспортом. Требуемое
количество машино-смен работы транспортного средства для доставки однородного
груза определяется:
, (4.14)
где
-
количество перевозящегося груза в тоннах, т;
- сменная
производительность транспортной единицы, т/см
, (4.15)
где
-
паспортная грузоподъемность машины, т;
;
- количество рейсов в
смену;
- коэффициент
использования грузоподъемности машины (для ж/б конструкций и кирпича
,
для металлоконструкций kгр=0,8).
Количество рейсов
транспортного средства в смену:
, (4.16)
где Т - продолжительность
рабочей смены, час;
;
- нормативное время
погрузо-разгрузочных работ;
= 0,62 час;
= 10 км - расстояние
перевозки;
- средняя скорость
движения в условиях города,
= 20 км/ч.
Перевозка фундаментных блоков и
балок:
рейсов в смену.
Перевозка плит перекрытия:
Перевозка металлоконструкций:
4.11 Расчет потребности
в складских помещениях
Требуемая площадь склада для
хранения однородного материала определяется:
, (4.17)
где q - подлежащий хранению запас однородного материала в натуральных
единицах;
r
- норма хранения материала на 1
площади,
- для плит перекрытия,
панели,
;
-колонны, балки;
,
- фундаментные плиты;
- коэффициент,
учитывающий проходы на складах (для открытых складов
).
Запас однородных
материалов, подлежащих хранению:
, м3, (4.18)
где Q - количество однородных материалов, необходимых для строительства
в натуральных единицах;
- фундаментные балки и
блоки;
- плиты перекрытий;
- металлические
конструкции;
t
- продолжительность работ с использованием данного вида материала, дни (по
графику);
- фундаментные балки и
блоки;
- плиты перекрытий;
- металлические
конструкции;
n
- норма запаса материалов в днях, зависит от вида транспорта (для
автомобильного транспорта - 3 дня);
k
- коэффициент неравномерности снабжения
.
- фундаментные балки и
блоки
- плиты перекрытия
- металлические
конструкции
- фундаментные балки и
блоки, 32,8 м2 в 5 ярусов.
- плиты перекрытий,
4х31,0 м2 в 5 ярусов.
- металлические
конструкции, 27,8 м2 в 5 ярусов.
Количество и типы
складов для основных материалов и конструкций определено с учетом материалов
нормативов.
4.12
Технико-экономические показатели проекта производства работ
Таблица 4.3. ТЭП ППР
|
Наименование
|
Ед. изм
|
Кол-во
|
|
1. Себестоимость СМР
|
Тыс. руб.
|
-
|
|
2. Строительный объем здания
|
м3
|
21567,17
|
|
1
|
2
|
3
|
|
3. Полезная площадь
|
м2
|
3555,5
|
|
4. Площадь застройки
|
м2
|
2336,6
|
|
5. Площадь стройплощадки
|
м2
|
12638
|
|
6. Площадь временных зданий
|
м2
|
126
|
|
7. Площадь складов
|
м2
|
378
|
|
8. Протяженность временной электросети
|
м
|
432
|
|
9. Протяженность временного водопровода
|
м
|
115
|
|
10. Протяженность временных дорог
|
м
|
376
|
|
11. Протяженность ограждения
|
м
|
452
|
|
12. Стоимость единицы производственного показателя (стоимость 1
м2)
|
Тыс. руб
|
-
|
|
13. Трудоемкость работ: - нормативная - планируемая
|
Чел.-день
|
2178,3 2074,5
|
|
14. Планируемый процент норм выработки
|
%
|
105
|
|
15. Средняя дневная выработка на 1 рабочего
|
Тыс. руб
|
-
|
|
16. Затраты труда на 1 м2 площади
|
Чел.-день
|
0,58
|
|
17. Затраты труда на 1 м3 объема здания
|
Чел.-день
|
0,1
|
|
18. Стоимость основных производственных фондов по стоимости
основных строительных машин
|
Тыс. руб
|
-
|
|
19. Механовооруженность труда
|
Руб.
|
-
|
|
20. Энерговооруженность труда
|
кВт
|
19,9
|
|
21. Продолжительность строительства: - договорная - планируемая
|
дн.
|
230 198,5
|
5. Безопасность проекта
.1 Расчет времени
эвакуации ФОКа
Движение людей может быть
нормальным, осуществляемым человеком в нормальных условиях жизнедеятельности, и
вынужденным, связанным с необходимостью покинуть помещение или здание из-за
возникшей опасности. Вынужденное движение людей имеет свои специфические
особенности, которые необходимо учитывать для сохранения здоровья и жизни.
Основными параметрами,
характеризующими процесс эвакуации из зданий и сооружений, является: плотность D, скорость движения υ людского потока,
пропускная способность пути (выходов) Q и интенсивность движения q. Кроме того, эвакуационные пути,
как горизонтальные, так и наклонные, характеризуются свободной длиной l и шириной δ движения.
Люди, двигаясь по эвакуационным
путям, образуют людской поток.