Исследование частичных разрядов в кабельной изоляции из сшитого полиэтилена
Содержание
Введение
Глава 1. Факторы, воздействующие на кабельную изоляцию из
сшитого полиэтилена и приводящие к образованию частичных разрядов
1.1 Существующие типы изоляционных материалов,
понятие «сшитой» полиэтиленовой изоляции
1.2 Факторы снижения надежности кабельной изоляции из
сшитого полиэтилена и причины ее повреждения в эксплуатации
1.3 Основы развития частичных разрядов
1.4 Характеристические параметры частичных разрядов и
определяющие их зависимости
Глава 2. Анализ неразрушающих методов диагностики кабельной
изоляции из сшитого полиэтилена
2.1 Методы оценки состояния изоляции кабельных линий
2.2 Диагностика кабельных линий
2.2.1 Измерение тангенса угла диэлектрических потерь
2.2.2 Метод измерения возвратного напряжения и тока
релаксации
2.2.3 Метод рефлектометрии
2.2.4. Тепловизионный контроль
2.2.5 Измерение характеристик частичных разрядов
2.3 Анализ современных методов неразрушающей диагностики
изоляции
Глава 3. Разработка аналитической схемы для оценки состояния
кабельных линий на основе измерения характеристик частичных разрядов
3.1 Исследование технического состояния КЛ-6/10 кВ ПО
Уфимские городские электрические сети
3.2 Анализ результатов диагностического исследования
3.3 Создание алгоритма технического мониторинга состояния КЛ
на базе измерений ЧР
3.4 Рекомендации по осуществлению нормативного регулирования
области диагностирования КЛ по частичным разрядам
Заключение
Список литературы
Введение
Актуальность. Целью энергетической политики России является максимально
эффективное использование природных энергетических ресурсов и потенциала
энергетического сектора для устойчивого роста экономики, повышения качества
жизни населения страны и содействия укреплению ее внешнеэкономических позиций.
Одним из средств достижения данного эффекта является надлежащая эксплуатация
основного энергетического оборудования.
Для обеспечения надёжной работы силовых кабельных линий (КЛ) в России
применяется система планово-профилактических испытаний, при которой КЛ на
напряжение 6-35 кВ периодически подвергаются действию повышенного постоянного
напряжения, в 4-6 раз превышающего номинальное напряжение КЛ с измерением токов
утечки. Применительно к силовым кабелям с изоляцией из сшитого полиэтилена
применяют щадящий метод испытаний напряжением сверхнизкой частоты 0,1 Гц,
которое превышает по величине номинальное напряжение линии не более чем в 3
раза. разряд кабельная линия измерение
Практический опыт показывает, что планово-профилактические испытания не
только не гарантируют безаварийную последующую работу КЛ, но и во многих
случаях приводят к сокращению срока службы КЛ.
Таким образом, применение неразрушающих методов диагностики КЛ в условиях
эксплуатации является актуальной задачей. Использование неразрушающих методов
диагностики позволяет не только получать информацию о текущем состоянии
изоляции, не травмируя её, но и рационально и обоснованно планировать сроки
проведения ремонтов и замены КЛ по их фактическому техническому состоянию.
Цель работы - исследование частичных разрядов в кабельной изоляции из
сшитого полиэтилена, развитие методов недеструктивной диагностики кабельных
линий для повышения надежности электроснабжения бытовых и промышленных
потребителей.
Объектом исследования являются системы электроснабжения промышленных
предприятий и городов.
Предмет исследования - методы неразрушающей диагностики силовых кабелей с
изоляцией из сшитого полиэтилена, в частности метод измерения частичных
разрядов (ЧР).
Для достижения данной цели поставлены и решены следующие задачи:
) Исследование особенностей изоляции из сшитого полиэтилена,
изучение механизмов снижения в процессе эксплуатации электрической прочности
кабелей с изоляцией из СПЭ.
) Анализ современных методов недеструктивной диагностики изоляции
кабельных линий 0,4/6/10 кВ.
) Создание рекомендаций по обеспечению нормативного срока службы
кабельных линий с СПЭ-изоляцией.
) Разработка алгоритма анализа состояния изоляции кабельной линии
на основе мониторинга методом измерения ЧР.
Основные положения, выносимые на защиту:
) Результаты анализа различных существующих методик неразрушающего
контроля изоляции кабелей с изоляцией из сшитого полиэтилена;
) Результаты измерений характеристик частичных разрядов и
исследование причин повреждаемости на объектах ПО УГЭС;
) Разработанные рекомендации по осуществлению нормативного
регулирования области диагностирования КЛ по частичным разрядам;
) Альтернативный алгоритм принятия решений для оценки технического
состояния кабельной линии с СПЭ-изоляцией.
Теоретическая и практическая новизна ВКР состоит в следующем:
) Разработанный алгоритм для определения технического состояния
кабельных линий позволяет осуществить переход от системы, основанной на
разрушающих планово-профилактических испытаниях изоляции КЛ, к системе
диагностики неразрушающим методом регистрации ЧР.
) Составлены рекомендации по осуществлению нормативного
регулирования области диагностирования КЛ по частичным разрядам, составленные
на опыте применения зарубежными эксплуатирующими организациями различных
методов диагностического контроля и эксплуатации кабельных линий с
СПЭ-изоляцией.
Личный вклад соискателя: положения и выводы выпускной квалификационной
работы являются результатом самостоятельного исследования автором проблемы
внедрения методов неразрушающей диагностики кабельных линий. Автором лично
изучены результаты диагностических испытаний, произведенных на объектах
кабельного хозяйства ПО УГЭС, а также проанализированы данные по повреждаемости
кабельных направлений Западного РЭС ПО УГЭС.
Методы получения данных: При решении поставленных задач использовались
теоретические методы, преимущественно анализ, а также практический метод
сравнения результатов, полученных при измерении частичных разрядов в
электроустановках.
Публикации: По теме диссертации опубликована статья «Анализ
недеструктивных методов диагностики кабельных линий распределительных сетей с
изоляцией из сшитого полиэтилена» в сборнике материалов LIII Студенческой
научно-практической конференции «Научное сообщество студентов XXI столетия»
(г.Новосибирск, 2017 г.)
Структура и объем работы. Выпускная квалификационная работа состоит из
введения, трех глав основного текста, заключения, списка литературы из 20
наименований, двух приложений общим объемом 21 страница. В работе представлен
21 рисунок и 10 таблиц.
Глава 1. Факторы,
воздействующие на кабельную изоляцию из сшитого полиэтилена и приводящие к
образованию частичных разрядов
Анализ методов диагностического контроля изоляции должен основываться на
физических процессах, происходящих в толще изоляции кабельной линии. В
настоящее время при проектировании, модернизации и строительстве электрических
сетей повсеместно внедряются силовые кабели с изоляцией из сшитого полиэтилена
(СПЭ), использование которых нормативно закреплено в Положении о единой
технической политике ОАО «Российские сети». Высокий уровень технологии
производства, прокладки и монтажа обуславливает надежность эксплуатации
СПЭ-кабелей. О причинах повреждения изоляции в условиях эксплуатации возможно
судить при наличии представления о процессах, приводящих к разрушению изоляции
и снижения электрической прочности.
.1 Существующие типы изоляционных материалов, понятие «сшитой»
полиэтиленовой изоляции
Надежность электроснабжения потребителей городских распределительных
сетей во многом зависит от технического состояния кабельных линий, доля которых
увеличивается пропорционально количеству осуществляемых технологических
присоединений. Срок службы кабельной линии зависит от ресурса ее изоляции,
который и определяется на базе экспериментальных исследований свойств того или
иного типа изоляционного материала.
По типу изоляционного материала кабельные линии распределительных сетей
можно разделить на две большие группы: кабели с пропитанной бумажной изоляцией
(БПИ) и кабели с полиэтиленовой изоляцией (Рисунок 1.1).
В первую группу входят кабели с алюминиевыми или медными токопроводящими
жилами с бумажной изоляцией, пропитанной
вязким/нестекающим/обеднено-пропитанным составом, в алюминиевой или свинцовой
оболочке, с защитными покровами или без них. Такие кабели относятся к наиболее
распространенному виду продукции, их доля составляет около 95% от всех типов
кабелей, применяемых в распределительных сетях. Каждая токопроводящая жила
изолируется лентами кабельной бумаги, пропитанной компаундом (фазная изоляция).
Поверх фазной изоляции накладывают экран из полупроводящей бумаги и оболочку из
свинца. Изготовленные таким образом освинцованные жилы скручивают, а промежутки
между ними заполняют пропитанной кабельной пряжей. После этого накладывается
поясная изоляция, затем защитный покров, состоящий из подушки и брони.
Рисунок 1.1 - Классификация кабелей по типу изоляционного материала.
Полимерная изоляция жил, в отличие от бумажной, не впитывает влагу и
является более экологичным материалом, однако высокий коэффициент теплового расширения
и термопластичность полиэтилена накладывают ограничения на область применения
таких кабелей.
Поиски способов повышения термической и механической стойкости полимеров
привели к созданию модификации «сшитого» полиэтилена (под сшивкой понимается
процесс связки цепочек молекул в широкоячеистую трехмерную сетку за счет
образования поперечных связей).
Кабели второй группы состоят из многопроволочной уплотненной
токопроводящей жилы, покрытой изоляцией из сшитого полиэтилена. Конструктивной
особенностью таких кабелей является наличие экрана медных проволок, сечение
которых выбирается исходя из значения токов короткого замыкания. В нормальном
режиме по экрану силового кабеля протекает ток экрана, значение которого может
достигать до 60% от тока жилы [8]. Поверх экрана укладываются разделительные
слои, а также полимерная оболочка.
Одним из параметров, характеризующих сшитый полиэтилен, является доля
сшивки [13]. Чем больше доля сшивки, тем прочнее полиэтилен и выше его
хрупкость, поэтому доля сшивки для кабельной изоляции должна быть оптимальна. В
результате данного преобразования улучшаются механические свойства полиэтилена,
повышается химическая и термическая стойкость, уменьшается пластичность.
В настоящее время применяются следующие способы сшивки:
) пероксидная;
) силановая;
) электронная (потоком элементарных частиц);
) сшивка азотными радикалами.
В промышленном изготовлении кабельной продукции участвуют только первые
два способа сшивки молекул.
Силановая сшивка (доля сшивки - до 65%) представляет
собой обработку полиэтилена составом с предварительно имплантированными в него
винилтриметоксисиланом и катализатором. Данный метод является относительно
недорогим, однако применяется для изготовления кабельной продукции на
напряжение до 35 кВ.
Сложная и дорогостоящая пероксидная сшивка (XLPE)
получила большее распространение, так как материал после обработки получает
высокие прочностные качества (доля сшивки - до 85%). Сама сшивка происходит при
участии пероксидов при температуре 300 - 400 °С в присутствии нейтрального газа
и при давлении Р=20атм. Сфера применения пероксидносшитого полиэтилена
значительно шире. Так, промышленные предприятия при производстве силовых
кабелей, работающих на напряжении до 500 кВ, используют полиэтилен, сшитый
данным способом.
.2 Факторы снижения надежности кабельной изоляции из
сшитого полиэтилена и причины ее повреждения в эксплуатации
На кабельную линию, проложенную в земле, воздействует множество факторов,
приводящих к необратимым изменениям в толще изоляции - так называемому «старению»
изоляции.
Под старением изоляции следует понимать ухудшение характеристик изоляции
в процессе эксплуатации, важнейшими из которых являются электрическая и
механическая прочность, диэлектрические потери, проводимость.
В соответствии с различными видами воздействия различают электрическое,
тепловое, механическое и химическое старение изоляции. Доминирующее воздействие
оказывает именно электрическое поле [10,11], под действием которого образуются
частичные разряды (ЧР) в диэлектрике, которые представляют собой пробои
отдельных участков изоляции в ее толще.
Зависимость ресурса изоляции от напряженности поля Е выражается
соотношением:
, (1.1)
где n - cтепень зависимости от особенности изоляционной конструкции, типа
изоляции, рода воздействующего напряжения и его величины. Для изоляции из
сшитого полиэтилена принимается значение n=6-10 [9].
Протекание тока нагрузки по жилам кабеля сопровождается его нагревом.
Повышение температуры изоляции кабеля также приводит к деструкции изоляционного
слоя. Данный процесс определяется скоростью протекания химических реакций,
зависящих от температуры в соответствии с уравнением Аррениуса [7]:
(1.2)
где
- начальная скорость химической реакции; W - условная энергия
активации разрушения; Т - температура протекания химической реакции; k -
постоянная Больцмана.
Для полимерной изоляции интенсивность химических реакций возрастает
приблизительно в два раза с увеличением температуры на каждые 10 ˚С.
В случае, когда воздействующим фактором, приводящим к разрушению
изоляции, является повышенная температура, зависимость для расчета среднего
ресурса приобретает вид [7]:
(1.3)
где В - коэффициент, зависящий от конструкции и применяемых материалов.
При совместном воздействии напряженности электрического поля и
температуры старение происходит более интенсивно, расчетный ресурс определяется
как:
(1.4)
где С - постоянный коэффициент, зависящий от свойств изоляции.
В органических диэлектриках при повышении температуры происходят
окислительно-восстановительные процессы с образованием свободных радикалов. Как
следствие, возникают диэлектрические потери в изоляции (tgδ) и удельная проводимость
уменьшается. В соответствии общими закономерностями теплового старения
диэлектриков диэлектрические потери в процессе термического старения
описываются уравнением [7]:
(1.5)
где сυ - коэффициент, зависящий от температуры и
пропорциональный константе скорости химических реакций при термическом
старении; tgδo - начальное значение угла диэлектрических потерь; t - время старения.
Увеличение диэлектрических потерь приводит к дополнительному нагреву
изоляции и увеличению темпов ее старения, определяемых на основании зависимости
tgδ от частоты поля и температуры [8,10]. Циклы нагрева и
охлаждения кабелей, значительная разница температур их изоляции и окружающей
среды также негативно сказываются на механических характеристиках материала
изоляции кабеля.
Механизм снижения электрической прочности СПЭ-изоляции связан с
интенсивностью разрядных процессов в очагах газовых включений, которая, как уже
было доказано, повышается сростом температуры диэлектрика и напряженности поля.
Экспериментально подтверждена прямая зависимость скорости развития
частичных разрядов от частоты воздействующего напряжения в диапазоне от 10-4
до 104 Гц [14]. На модели силового кабеля экспериментально был
показан характер снижения прочности с ростом частоты для неповрежденной
изоляции из сшитого полиэтилена [13]. На частоте 50 Гц ЕПР≈85
кВ/мм, т.е. в 2,12 раза выше исходной прочности СПЭ-изоляции промышленного
кабеля среднего напряжения.
Таким образом, приняв масштабный коэффициент 1:2,12, можно оценить
степень снижения электрической прочности образца с ростом частоты. Для
СПЭ-изоляции промышленного кабеля без дефектов значения прочности принимаются
равными 73,4 кВ/мм (0,1 Гц) и 40 кВ/мм на частоте 50 Гц. Очевидно, на частоте
50 Гц наблюдается снижение пробивного напряжения из-за дефектов в СПЭ-изоляции
в 2,05 раза, а на частоте 0,1 Гц - в 2,56 раза. Таким образом, для кабельной
полиэтиленовой изоляции без повреждений наибольшая электрическая прочность
достигается на низких частотах: на сверхнизких частотах (СНЧ) 0,01 - 0,1 Гц она
в 2,15 - 1,84 раза превышает расчетное значение ЕПР=40 кВ/мм (50
Гц). С ростом частоты воздействующего на кабель напряжения от 50 Гц до 1 кГц
прочность вулканизированной полимерной изоляции снижается в 1,7 раза, а с ее
увеличением до 10 кГц - в 3,5 раза. Негативное воздействие высокочастотных
перенапряжений на сшитый полиэтилен и снижение времени до пробоя необходимо
учитывать при расчете запаса по толщине изоляции при конструировании силовых
кабельных линий.
Проникающие из окружающей среды в изоляцию кабеля различные примеси
ухудшают ее электрические характеристики. Например, влага, которая проникает в
изоляцию из окружающей среды, а также может образовываться в самой изоляции при
термоокислительных процессах [8]. Скорость ее поступления зависит от влажности
и температуры окружающей среды, гигроскопичности и температуры самой изоляции,
от конструкции кабеля. Влияние влаги на характеристики кабеля обусловлено тем,
что она может образовывать с другими веществами, а также с загрязнениями
поверхности изоляции кабеля слабые электролиты, и являться причиной процессов
коррозии брони защитных оболочек кабеля [9]. Кроме того, в присутствии влаги
химические реакции протекают активнее, могут выделяться газы, в которых могут
возникать и развиваться ЧР. Таким образом, увлажнение изоляции кабелей опасно
тем, что оно ускоряет тепловое и электрическое старение и сокращает срок службы
изоляции кабелей.
Помимо влаги, кабель, проложенный непосредственно в земле,
взаимодействует с химическими реагентами почв, воздействие которых вызывает
коррозию материала защитной оболочки кабеля, что приводит к ее разрушению [12].
Проведение строительных и земляных работ в охранной зоне кабельных линий
может привести к механическим повреждениям изоляции силового кабеля, которые
представляют собой проколы и замятия защитных оболочек, а также
непосредственные порывы. Кроме того, механические повреждения происходят при
транспортировке и прокладке кабельных линий, сезонных выпучиваниях грунтов при
наступлении осеннее-зимнего периода и их перемещениях в весенний период.
Технологические процессы, происходящие при переработке полиэтилена, а
также при наложении изоляции и оболочек кабеля методом экструзии приводят к
появлению остаточных внутренних напряжений. Внутренние напряжения в дальнейшем
приводят к усадке изоляции и оболочки по всей длине кабеля. Такие изменения в
самой структуре полиэтилена усиливаются при одновременном воздействии на кабель
температуры и механических нагрузок.
Влияние факторов, воздействующих на силовые кабели из сшитого
полиэтилена, носит кумулятивный характер, в случае, если воздействия
осуществляются совместно, возрастает вероятность пробоя изоляции. При выходе из
строя изоляционного слоя пробивается участок в толще изоляции, обладающий малой
электрической прочностью. Такие участки носят название «частичных разрядов».
Возможность достоверной регистрации ЧР обуславливает развитие методов
диагностики изоляции силовых кабелей, также значение имеет выбор метода
регистрации.
.3 Основы развития частичных разрядов
В результате изменения свойств изоляции и ее разрушения в диэлектрике
возникают небольшие воздушные включения и полости. Пробой диэлектрика возможен
при выполнении следующего условия:
ЕПР ≤ ЕВ, (1.6)
где ЕПР - электрическая прочность диэлектрика, ЕВ -
максимальная напряженность электрического поля.
Явление пробоя газового промежутка носит название частичного разряда в
изоляции. Причинами образования разрядов в виде дендритов в изоляции из
полиэтилена могут быть кристаллические образования в толще диэлектрика
(технологический дефект), создающие пониженную электрическую прочность на
границе раздела образования и основной среды. Таким образом, разрушение
изоляции происходит последовательно: возникновение полупроводящих слоев на
поверхности включения приводит к формированию древовидных каналов разряда,
наличие которых приводит к интенсивному разрушению диэлектрика.
Структура изоляции в общем случае является неоднородной, различие в
диэлектрических свойствах вызывает перераспределение электрического поля.
(а)
(б)
(в)
Рисунок 1.2 - Виды включений в полимерной изоляции:
а - сферическое включение; б - эллипсоидное включение; в - клиновидное
включение (металлический опилок).
Рассмотрим одиночные включения, когда расстояния до соседних включений на
порядок и более превышают размеры включений.
Напряженность поля в газонаполненных сферических включениях (рисунок 1.2
а) составляет [7]:
(1.7)
где ε∂ - диэлектрическая проницаемость полимерной изоляции, εв - диэлектрическая проницаемость
газового включения, Е∂ - напряженность поля в окружающем
диэлектрике.
В газонаполненных сфероидальных включениях (рисунок 1.2 б) при a››b малая
ось сферического включения направлена вдоль поля, тогда максимальная
напряженность поля наблюдается в центре включения:
(1.8)
Включение в виде металлического опилка (рисунок 1.2 в), представляющего
собой электрод, обуславливает развитие коронного разряда, возникающего вблизи
заостренного края электрода. Данный разряд является неполным пробоем, однако
предшествует полному пробою газа в неоднородном поле.
Под воздействием приложенного напряжения происходит практически
скачкообразное изменение значения и направления вектора напряженности
электрического поля в части изоляции, последовательной с газовым включением.
При возникновении импульса емкостного тока в изоляции происходит пробой
включения, после чего ионы, образующиеся в процессе разряда, заряжают поверхность
газового включения и создают поле, обратное по направлению основному полю,
напряженность поля во включении падает, и ток прекращается.
Описанное явление носит название частичного разряда (ЧР) в изоляции.
Также к частичным разрядам относятся локальные разряды в местах резкого
усиления электрического поля, например, у заостренных концов электродов (см.
рисунок 1.2 в), к этой же категории можно отнести неоднородности, создаваемые
острыми краями экранов и соединительных муфт.
Под действием частичного разряда начинается разрушение изоляции - размер
дефектной области и интенсивность разрядов увеличиваются. Также разрушение
изоляции ускоряется за счет термических процессов. Увеличение дефектной области
приводит к росту напряженности поля в оставшейся части изоляционного
промежутка. В случае, когда дефектная зона достигает достаточно больших
размеров, становится возможным сквозной пробой изоляции. Скорость развития ЧР
зависит от частоты повторения ЧР и энергии, рассеиваемой при каждом ЧР. При
отсутствии экстремальных воздействий (перегрузка по току, перенапряжения)
процесс развития дефекта от стадии зарождения до полного пробоя длится от
нескольких месяцев до нескольких лет [11].
Закономерности повторения ЧР, механизм их образования и развития
целесообразно рассматривать, пользуясь схемой замещения изоляционного
промежутка с включением (рисунок 1.3 б). Для простоты анализа газовое включение
расположено у одного из электродов.
(а) (б)
Рисунок 1.3 - Изоляционный промежуток с газовым включением: а -
схематичное представление; б - схема замещения. Сd - емкость
неповрежденного участка диэлектрика, С0 - емкость участка изоляции
между поверхностью газового включения и электродом, СВ - емкость газового
включения.
Под действием синусоидально приложенного напряжения к изоляции u=UВХmax·sin(ωt) происходит поляризация диэлектрика,
что приводит к формированию на поверхности включения слоя связанных с
молекулами диэлектрика зарядов. Плотность зарядов изменяется по такому же
закону, по которому изменяются напряжение и напряженность поля во включении.
Пробой диэлектрика наступает при выполнении условия (1.6), в соответствии
с этим, условие возникновения ЧР соблюдается, когда напряжение на изоляции
будет равно [7]:
(1.9)
где UПР - амплитудное значение пробивного напряжения на
газовом включении.
Процесс разрядов во включении можно представить, используя диаграмму
(рисунок 1.4). При подаче напряжения на изоляционный промежуток с включением
разряд происходит при достижении напряжением значения, равного UЧР,
начиная с положительной полуволны (+UЧР). Процесс разряда протекает
достаточно быстро: от 10-9 до 10-7 с. После окончания
первого разряда значение напряжения в силу наличия некоторого сопротивления в
канале разряда становится равным напряжению погасания первого ЧР (+UП).
Напряжение источника продолжает расти, и процесс разряда повторится
определенное количество раз. Процесс разряда произойдет в другом месте на
включении, где напряжение равно +UЧР. Дальнейший рост напряжения на
газовом включении не приводит к ЧР, и оно будет изменяться согласно кривой
воздействующего напряжения на изоляционный промежуток (рисунок 1.4 кривая 1) с
переходом на отрицательную полуволну. При каждом акте разряда +UЧР и
+UП могут отличаться по значению, в рассматриваемом примере {+UЧР;
+UП}=const.
Рисунок 1.4 - Диаграмма напряжений, воздействующих на включение в
изоляционном промежутке:
- напряжение, воздействующее на включение без образования ЧР; 2-
напряжение, воздействующее на включение с образованием ЧР.
При достижении напряжением на газовом включении значения -UЧР происходит
разряд, процесс будет повторяться до тех пор, пока напряжение на включении не
станет меньше - UП, затем напряжение будет изменяться согласно
воздействующему на включение напряжению с последующим переходом на
положительную полуволну.
Напряжения +UЧР и -UЧР могут
различаться: значения -UЧР при расположении включения одной и той же
толщины непосредственно у электродов, как правило, больше +UЧР, а
при удалении включения от электродов +UЧР и - UЧР
близки по своим значениям.
При воздействии коммутационного импульса ЧР могут
возникнуть в первом периоде колебательного импульса и затем не образовываться,
если воздействующее напряжение окажется менее +UЧР или -UЧР.
При воздействии грозового импульса (грозовое перенапряжение), как правило,
происходят один-два разряда. При этом +UЧР несколько выше, чем при
воздействии переменного напряжения. Это объясняется влиянием запаздывания
времени, затрачиваемого на формирование разряда.
При образовании разряда происходит нейтрализация
определенного количества заряда ∆q. В этом случае изменяется напряжение
на так называемых электродах изоляционного промежутка на величину:
(1.10)
Восстановление заряда емкости СВ в связи с
перераспределением заряда в элементах схемы происходит за счет заряда емкостей
Сd и Со. Так как данный процесс протекает достаточно
быстро (10-9 до 10-7 с), на электродах промежутка
изоляции происходит скачок напряжения ∆Uᵡ.До следующего
акта разряда напряжение изменяется на элементах схемы замещения за счет
подзаряда от внешнего источника напряжения.
Изменение заряда можно представить в виде:
(1.11)
Количественная оценка данного параметра становится
актуальной задачей в связи с тем, что определить значения СВ и СО
для отдельно взятого включения не представляется возможным [7].
Регистрируемый заряд ∆qх называется кажущимся и является
важнейшим параметром количественной оценки интенсивности ЧР.
.4 Характеристические параметры частичных
разрядов и определяющие их зависимости
На явлении возникновения частичных разрядов
основываются методы диагностического контроля состояния изоляции и проведения
измерений частичных разрядов в изоляции оборудования, выведенного из работы.
Диагностируемый параметр должен:
а) соответствовать физическому механизму старения изоляции кабеля в
процессе работы;
б) достаточно легко измеряться
Немаловажным требованием является способность сохранять свойства
параметров и значимость при переходе от опытных образцов к строительным длинам
кабеля.
К основным нормируемым параметрам, рекомендуемым
стандартами МЭК 60270-2000 [13] и ГОСТ Р55191-2012 [3] относятся:
) Кажущийся заряд импульса частичного разряда -
qЧР [пКл];
) Средний ток - IЧР [Кл/с, А];
) Частота следования импульсов - N [шт.];
К дополнительным параметрам относятся:
) Временной интервал одного цикла измерения - t1
[с];
) Регулярность возникновения - R [безразмерная
величина];
) Фазовый угол появления импульса ЧР - φi [эл. град.];
) Частота повторения импульсов - n [с-1];
) Напряжение возникновения частичных разрядов -
Ui [В];
) Напряжение погасания частичных разрядов - Ue
[В];
В зависимости от выбора метода обработки данных могут
быть получены и другие параметры.
Как упоминалось в пп. 1.3, при оценке состояния
изоляции пользуются понятием «кажущегося заряда». Кажущийся заряд представляет
собой абсолютное значение такого заряда, при мгновенной инжекции которого
напряжение между электродами испытуемого объекта изменится так же, как
изменилось бы при ЧР. Кажущийся разряд количественно не равен заряду, который
протекает в области разряда.
Необходимо учитывать, что за амплитудное значение
импульсов принимается амплитуда импульсов с частотой повторения импульсов N -
отношением между общим числом импульсов ЧР, зарегистрированных в определенном
временном интервале, и продолжительностью этого интервала. В случае, когда
импульсы являются равноотстоящими, говорят о частоте следования импульсов N' -
числе импульсов ЧР за 1 секунду.
Важнейшими параметрами, характеризующими ЧР, являются
средняя мощность РЧР и энергия WЧР. Энергия частичного
разряда может быть определена как произведение значения кажущегося заряда q на
мгновенное значение напряжения в момент разряда:
+WЧР=q· [+UЧР] или -WЧР =
q· [-UЧР] (1.12)
При больших значениях энергии будет выше значение
интенсивности ЧР, следовательно, разрушающая способность ЧР будет выше. Следует
отметить, что одинаковые ЧР по данному определению будут иметь разные значения
энергии, так как они имеют различные фазы и, соответственно, разные мгновенные
значения. Следовательно, энергия единичного ЧР это величина производная.
Мощность ЧР можно получить, просуммировав энергии всех
импульсов и разделив их сумму на время измерения t1:
(1.13)
Значения параметров, рассчитываемых по (1.12) и (1.13)
оказываются очень малы, поэтому их непосредственное измерение не производится.
Энергию и среднюю мощность как важнейшие параметры оценивают с помощью
пропорциональных величин.
Средний ток представляет собой частное суммы
абсолютных значений кажущихся зарядов (от минимального регистрируемого значения
до максимального) и временного интервала одного цикла измерения t1:
(1.14)
где q0, q1, q2, qmax
- абсолютные значения кажущихся зарядов ЧР , зарегистрированных за время t1.
Регулярность возникновения импульсов представляет
собой отношение числа периодов воздействующего напряжения, в которых
зарегистрированы ЧР, к общему числу периодов воздействующего напряжения за
интервал времени t1.
В некоторых случаях используют метод усиления значений
зарядов, когда значение заряда каждого ЧР возводят в какую-либо степень, а
затем сумму полученных значений делят делят на время измерения t1.
Приложенное напряжение, при котором в испытуемом
объекте впервые отмечаются повторяющиеся ЧР при постепенном увеличении
напряжения, называется напряжением возникновения ЧР. Практически напряжение
возникновения Ui частичных разрядов является самым низким
приложенным напряжением, при котором значение импульса ЧР становится равным
минимальному указанному значению или превышает его. Напряжение погасания
частичных разрядов Ue это приложенное напряжение, при котором в
испытуемой изоляции прекращаются (погасают) повторяющиеся ЧР при постепенном
уменьшении напряжения со значения, при котором импульсы ЧР еще наблюдаются.
В ряде случаев при повышении напряжения,
прикладываемого к изоляционному промежутку при достижении некоторого
критического значения UКР интенсивность ЧР резко возрастает, причем
прежде врего возрастает кажущийся заряд единичного ЧР. Это может произойти
вследствие изменения физических свойств возникновения ЧР (например, переход
скользящего разряда по поверхности диэлектрика в коронный разряд), либо в
результате структурных изменений в толще изоляции под действием начальных ЧР
(например, образование дендрита в твердой изоляции, образование пузырьков газа
в диэлектрике, пропитанными жидкими диэлектриками, вследствие их разложения под
воздействием ЧР). Такие ЧР называются критическими и характеризуются кажущимся
зарядом значением 10-10 - 10-7 Кл. Интенсивность значений
критических ЧР зависит от многих факторов, в частности от объема, в котором
развиваются разряды (объема включения), структуры, конструкции изоляции.
Критические ЧР приводят к более интенсивному разрушению изоляции, их
возникновение снижает значение UКР и резко сокращает срок службы
изоляции. Следовательно, недопустимо подвергать значению UКР изоляционный
слой при проведении диагностики и испытания.
Характеристики единичного разряда имеют определяющее
значение, когда может происходить активное перераспределение продуктов
деструкции в объеме диэлектрика, что также характерно для полимерной изоляции
[7]. В случае общего изменения структуры диэлектрика (изменение химической
структуры, связанной с увеличением tgδ, возможностью развития теплового
пробоя), необходимо прежде всего иметь в виду мощность ЧР.
В настоящее время существуют различные методы графического
представления распределений частичных разрядов по их характеристикам.
Исторически первым был метод регистрации импульсов при помощи осциллографа,
представленный на рисунке 1.5. Осциллографирование - простой и понятный способ
регистрации импульсов, который хорошо работает в лабораторных условиях, однако
при измерении на реальных объектах данное представление оказывается
неэффективным ввиду влияния шумов различной природы и наведенных сигналов с
разных фаз.
Рисунок 1.5 - Осциллограммы частичных разрядов.
Отдельные исследования предполагают собой
использование такой зависимости как распределение числа ЧР N по значениям их
кажущихся зарядов q и фазе φ воздействующего напряжения N=f(φ,q). Такая зависимость устанавливает
число ЧР, соответственно имеющих значения от минимального до максимального
значений регистрируемых зарядов за время измерения. Зависимости представляются
в виде гистограмм (рисунок 1.6) и содержат функции N(q) и q(φ),
позволяющие образно
представить процесс развития ЧР.
Рисунок 1.6 - Распределение частоты следования
импульсов по их фазовому углу (φ) и заряду (q).
В ходе многочисленных исследований [8,17,18] была
доказана высокая информативность формы импульса ЧР и времени его появления
относительно фазы переменного напряжения. На реальных электроэнергетических
объектах частичные разряды имеют стохастический характер, все их параметры
сильно изменяются во времени и имеют большой разброс по времени. В связи с
этим, статические характеристики для достоверной диагностики по частичным
разрядам дополняются амплитудно-фазовыми и частотно-фазовыми распределениями.
Амплитудно-частотно-фазовое распределение (рисунок
1.7) представляет собой распределение импульсов частичных разрядов,
отображаемых точками на двумерной плоскости с координатами амплитуда-фаза
питающего напряжения. Цветом или тоном отображается количество импульсов,
частота их повторения, имеющих одинаковые параметры.

Рисунок 1.7 - Примеры амплитудно-фазо-частотных
распределений частичных разрядов.
Амплитудно-фазовое распределение может быть
представлено на трехмерных диаграммах (рисунок 1.8). При данном способе
отображения импульсы фиксируются в момент появления на соответствующем периоде
приложенного напряжения.
Рисунок 1.8 - Трехмерное представление распределения
частичных разрядов.
Использование определенной характеристики ЧР либо их
сочетаний позволяет не только определить состояние изоляции с точки зрения
наличия в ней дефектов, но и выявить динамику развития дефекта, начиная с
момента возникновения частичных разрядов до установления критических значений
характеристик ЧР. Анализ оперативных данных и сравнение с реальными наработками
по характеристикам частичных разрядов являются важнейшими этапами осуществления
алгоритма диагностики изоляции.
Выводы по первой главе
Установлено, что кабельные линии с изоляцией из сшитого полиэтилена
обладают рядом преимуществ перед кабельными системами с иными типами
изоляционных материалов.
Показано, что кабели с СПЭ-изоляцией, проложенные в земле, подвержены
действию негативных факторов, влияющих на состояние изоляции. В частности,
установлено, что следствием воздействия на изоляцию из сшитого полиэтилена
совокупности негативных факторов является образование частичных разрядов в
толще изоляции.
В настоящее время не накоплено достаточного опыта оценки состояния
кабельной изоляции из сшитого полиэтилена и прогнозирования ее остаточного
ресурса по характеристикам ЧР.
Для составления алгоритма осуществления контроля изоляции и определения
нормально и предельно допустимых значений диагностических параметров, требуется
определить наиболее перспективный метод диагностики полимерной изоляции.
Глава 2. Анализ неразрушающих методов диагностики кабельной изоляции из
сшитого полиэтилена
В настоящее время в мировой электроэнергетической практике оценка состояния
высоковольтной изоляции кабельных систем является основой для принятия решений
по продолжению их эксплуатации, ремонта или замены.
В России оценка контролируемых параметров кабельных линий проводится
согласно нормативно-технической документации: ПУЭ [1], РД 34.45-51.300-97
«Объем и нормы испытаний оборудования» [4], ПТЭЭП, методы испытаний кабельных
линий с изоляцией из сшитого полиэтилена должны соответствовать ИЭ-1-К10.
В то же время методики диагностики носят рекомендательный характер и
различными эксплуатирующими организациями используются в разной степени. В
связи с этим требуется критически оценить методы неразрушающего контроля.
.1 Методы оценки состояния изоляции кабельных линий
Для обеспечения надёжной работы силовых КЛ в настоящее время в России
широко применяется система, представляющая синтез системы
планово-профилактических испытаний и периодических диагностических
исследований. Условно эти системы можно соотнести соответственно с разрушающими
и неразрушающими методами контроля состояния изоляции.
Высоковольтные испытания кабелей являются разрушающим
методом контроля изоляции. Они должны применяться при вводе новых КЛ в
эксплуатацию, после ремонта КЛ, а также в случае, когда дефекты изоляции
настолько велики, что могут привести к пробою изоляции в условиях эксплуатации.
В результате таких испытаний возможно два исхода: либо пробьется изоляция
кабеля, и затем проводится ремонт, либо кабель остаётся в работоспособном
состоянии, но на неопределённое время (двухбалльная оценка состояния). Эти
испытания выявляют только грубые местные дефекты, не гарантируют последующую
безаварийную работу, часто сами приводят к сокращению срока службы КЛ. Однако,
несмотря на то, что испытания неинформативны в плане ресурса изоляции, они
однозначно определяют, работоспособна ли кабельная линия. Считается, что кабель
прошел испытания при выполнении следующих условий: во время испытания не
произошло пробоя, перекрытия по поверхности и поверхностных разрядов, во время
испытания не было увеличения тока утечки, а величина сопротивления изоляции
кабеля не уменьшилась.
Рисунок 2.1 - Методы контроля изоляции
Испытание напряжением постоянного тока, которое успешно используется для
тестирования кабелей с бумажно-пропитанной изоляцией, для кабелей с пластиковой
изоляцией оказалось непригодным [8]. При этих испытаниях в изоляции из сшитого
полиэтилена на микровключениях молекул воды образуется объемный заряд, который
не разряжается при традиционном снятии остаточного заряда с кабеля путем
заземления, так как окружен этот внутренний «конденсатор» диэлектриком.
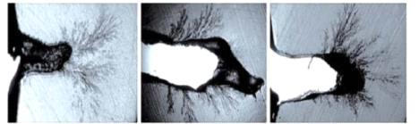
Рисунок 2.2 - Образование древовидных структур в изоляции из СПЭ при
испытаниях повышенным напряжением постоянного тока.
При подаче рабочего напряжения происходит суммирование напряженностей
электрических полей, что приводит к превышению предела прочности изоляции в
локальном включении и появлению так называемых электрических древовидных
структур. Возникает необратимое повреждение изоляции; частичные разряды,
появляющиеся в ослабленном месте изоляции, способствуют развитию «водяных
деревьев» («water trees»). Также это явление возникает при действии
электрического поля, воды, механических дефектов и времени. То есть при
появлении «водяных деревьев» под действием вышеперечисленных факторов через
некоторое время в месте их скопления происходит пробой.
На сегодняшний день основным документом, регламентирующим правила
испытания кабелей из сшитого полиэтилена, является РД 34.45-51.300-97 «Объем и
нормы испытания электрооборудования» [4]. Очевидно, документ устарел и
нуждается в переработке. В настоящий момент существует необходимость в
разработке единых требований к испытаниям кабелей с изоляцией из сшитого
полиэтилена для условий РФ, регламентирующих величины испытательных напряжений,
форму напряжения, время испытания и их периодичность. Разрабатываемый документ
должен опираться на отечественный опыт эксплуатации кабельных линий с изоляцией
из сшитого полиэтилена с учетом требований международных стандартов.
Показательной является ситуация, связанная с
испытаниями кабельных линий с изоляцией из сшитого полиэтилена. Несмотря на то,
что, как упоминалось ранее, необходимость испытания повышенным напряжением при
сверхнизкой частоте доказана, значения диагностических параметров четко не
определены (см. таблицу 2.1). При наличии на предприятии СНЧ-установки
техническое руководство ориентируется на требования международных стандартов и
рекомендации заводов-производителей, которые существенно различаются между собой.
Так, например, в инструкции Кольчугинского завода «Электрокабель» [21] сказано,
что токоведущие жилы необходимо испытывать относительно экрана следующим
испытательным переменным напряжением:3Uо частотой 0,1 (Гц) в течение 1 часа; Uо
промышленной частотой 50 (Гц) в течение 24 часов (1 сутки); 2Uо промышленной
частотой 50 (Гц) в течение 1 часа, в то время как согласно инструкции IEC
60502-2:2005 [14], основная изоляция КЛ испытывается: 2Uо промышленной частотой
50 (Гц) в течение 5 минут; 2Uо промышленной частотой 50 (Гц) в течение 24 часов
(1 сутки). Из этого видно, что требования к проведению испытаний существенно
различаются.
Таблица 2.1 - Нормирование испытаний кабельных линий 6 - 10 кВ
|
Методический класс
|
Метод контроля состояния
изоляции
|
Определяемые параметры (для
КЛ 6 - 10 кВ)
|
Нормативный документ
|
Примечания
|
|
|
БПИ
|
СПЭ
|
|
|
|
Разрушающие методы контроля
|
Испытание повышенным
напряжением промышленной частоты
|
1)Напряжение (1,00 - 1,73)UНОМ
2)Длительность испытания - согласно указаниям завода-изготовителя
|
3)Uо промышленной частотой
50 (Гц) в течение 24 часов (1 сутки); 2Uо промышленной частотой 50 (Гц) в
течение 1 часа 4)2Uо промышленной частотой 50 (Гц) в течение 5 минут; 2Uо
промышленной частотой 50 (Гц) в течение 24 часов (1 сутки)
|
1,2)ПУЭ [1] 1.8.40 п. 4, РД
34.45-51.300-97[4]; 3) ГОСТ Р 55025-2012 [3]; 4)IEC 60502-2:2005[14].
|
Согласно ПУЭ, для КЛ 6 - 10
кВ не допускается.
|
|
Продолжение таблицы 2.1
|
|
Испытание повышенным
напряжением выпрямленного тока
|
1)Напряжение 2)Длительность
3)Токи утечки 4)Периодичность испытаний
|
Допускается испытывать
кабели постоянным (выпрямленным) напряжением 4Uо в течение 15 минут, имеется
примечание, что данный вид испытаний может привести к пробою изоляции кабеля
|
ПУЭ [1] 1.8.40 п. 3, табл.
1.8.39, табл. 1.8.40, РД 34.45-51.300-97 ГОСТ Р 55025-2012
|
Разрешается техническому
руководителю энергопредприятия в процессе эксплуатации исходя из местных
условий как исключение уменьшать уровень испытательного напряжения для
кабельных линий напряжением 6-10 кВ до 4Uном
|
|
Испытание напряжением
сверхнизкой частоты
|
Не производится
|
1)Напряжение для испытаний
изоляции и оболочки КЛ 2)Длительность для испытаний изоляции и оболочки КЛ
|
ИЭ-1-К10 [6] допускает
испытание напряжением СНЧ, параметры не нормированы
|
Техническое руководство
предприятий руководствуется требованиями международных стандартов и
рекомендациями заводов-производителей
|
Кабели с изоляцией из сшитого полиэтилена обладают высокой электрической
прочностью и малыми токами утечки, щадящий метод испытаний напряжением
сверхнизкой частоты 0,1 Гц позволяет выявлять дефекты в изоляции без
формирования объёмных зарядов в структуре полиэтиленовой изоляции [6].
Постоянное изменение полярности заряда компенсирует накапливающиеся заряды,
разряжая их. Для исключения поляризации объемных зарядов необходимо, чтобы
форма выходного напряжения была симметричной. Тем не менее, данный метод
контроля изоляции является разрушающим по отношению к изоляции и к оболочке
кабеля.
.2 Диагностика кабельных линий
В настоящее время в России возрос интерес к системам, позволяющим
проводить диагностику электрооборудования неразрушающими методами контроля. ОАО
«ФСК ЕЭС» в «Положении о технической политике ОАО «ФСК ЕЭС» в распределительном
электросетевом комплексе» четко сформулировало общую тенденцию: «В кабельных
сетях следует перейти от разрушающих методов испытаний на неразрушающие методы
диагностики состояния кабеля с прогнозированием состояния изоляции кабеля».
Особенностью неразрушающих методов испытаний является то, что
во-первых, диагностика - это превентивная мера, позволяющая предупредить
возникновение аварийных ситуаций, не связанных с механическими повреждениями
кабельных линий, во-вторых, цель таких испытаний - не добиться пробоя изоляции
в слабом месте, а его прогнозирование. Анализ результатов является сложной
многопараметрической задачей, решаемой посредством специального программного
обеспечения.
Диагностические методы контроля относятся к числу многофакторных
наукоемких технологий, принципы осуществления диагностики различны. Однако
неоспоримым плюсом любого диагностического метода является то, что при их
применении на изоляцию электрооборудования оказывается гораздо меньшее
воздействие по сравнению с испытаниями повышенным напряжением. Необходимо
произвести оценку различных методов и выяснить, насколько эффективен метод,
основанный на одном из признаков старении изоляции из сшитого полиэтилена -
возникновении частичных разрядов в диэлектрике.
.2.1 Измерение тангенса угла диэлектрических потерь
При описании методики измерения тангенса угла
диэлектрических потерь (tgδ) используют эквивалентную
последовательную схему замещения изоляции (рисунок 2.3 а). Ток, протекающий в
диэлектрике под действием приложенного напряжения, представляется на векторной
диаграмме (рисунок 2.3 б) активной IА и емкостной IС
составляющими. Потери мощности в изоляции это диэлектрические потери, которые
существенно зависят от состояния изоляции и определяются как:
, (2.1)
где СX и RX - параметры
эквивалентной схемы замещения изоляционного слоя.
Таким образом, потери мощности Р пропорциональны tgδ.
Для последовательной
схемы справедливо соотношение для определения tgδ:
(2.2)
По величине тангенса угла диэлектрических потерь судят
о качестве изоляции. При повышении напряжения увеличиваются диэлектрические
потери в воздушных пустотах и неоднородных участках изоляции. Измерение
тангенса угла диэлектрических потерь выявляет наличие недопустимого количества
газовых включений и (или) неоднородностей.
Значение tgδ изоляции измеряют при напряжении, равном номинальному
напряжению объекта измерения, но не выше 10 кВ. Таким образом, данный метод
является неразрушающим по отношению к основной изоляции. Величина tgδ
сильно увеличивается с
ростом температуры изоляции, что следует иметь в виду при сравнении результатов
измерений, сделанных при разных температурах, для получения более точного
результата измерения производят несколько раз и получают среднее значение.
Результаты измерений tgδ сравнивают с допустимыми нормами [1, таблица 1.8.42] и
результатами предыдущих измерений, в том числе заводских.
(а) (б)
Рисунок 2.3. Эквивалентная схема замещения
диэлектрика: а - схема замещения диэлектрика; б - векторная диаграмма.
Для осуществления измерения тангенса угла
диэлектрических потерь в изоляции требуются: мост переменного тока,
высоковольтная установка, а также эталонный конденсатор (в составе моста
переменного тока).
Процесс уравновешивания моста (см. рисунок 2.4)
заключается в многократном регулировании элементов схемы моста и защитного
напряжения, что осуществляется включением индикатора равновесия попеременно в
диагональ, а также между экраном и диагональю. Мост считается уравновешенным,
если при обоих включениях индикатора равновесия ток через него отсутствует.
<#"902869.files/image033.gif"> раз меньше фазного напряжения для
КЛ-6 кВ, таким образом, метод является неразрушающим по отношению к изоляции
жил.
Рисунок 2.5 - Схема измерения возвратного напряжения
Данный метод реализуется на базе комплексных диагностических систем, в
которых для оценки состояния изоляции фиксируются следующие ее параметры:
величина тока зарядки;
максимальная величина возвратного напряжения;
время достижения максимальной величины возвратного напряжения;
скорость нарастания возвратного напряжения;
коэффициенты нелинейности (соотношение измеренных величин при
разныхзначениях зарядного напряжения - 1 и 2 кВ).
Рисунок 2.6 - Расчетные кривые возвратного напряжения для кабельных линий
с разным сопротивлением изоляции
Измерительный комплекс способен оценивать состояние как кабелей с
бумажно-пропитанной изоляцией (в этом случае измеряется возвратное напряжение),
так и кабелей с изоляцией из сшитого полиэтилена (измеряется изотермический ток
релаксации).
Известно, что бумажно-масляная изоляция обладает способностью
абсорбировать влагу. Определение технического состояния кабельных линий по
методу возвратного напряжения заключается в определении степени увлажненности
такого типа изоляции.
Диагностика кабельных линий с бумажно-пропитанной изоляцией выполняется
на кабельной линии, выведенной в ремонт и отсоединённой с двух сторон.
Производятся два цикла измерений при зарядном напряжении 1 и 2 кВ вне
зависимости от номинального напряжения КЛ. Данного значения напряжения достаточно
для проведения анализа, в каждом цикле диагностика происходит по следующей
схеме:
)Измеряется значение остаточного заряда на диагностируемой КЛ;
)Емкости всех трёх фаз заряжаются одновременно постоянным напряжением 1
кВ от источника постоянного напряжения в течение достаточно длительного времени
(в течение 15 минут) для равномерной зарядки всех элементов;
)Осуществляется кратковременная разрядка ёмкости КЛ (в течение 2 секунд)
через разрядное сопротивление;
)В течение следующих 30 минут производится измерение характеристик
восстанавливающегося напряжения в процессе перезаряда ёмкости кабеля;
)По окончании процесса измерения возвратного напряжения кабель
разряжается до полного стекания остаточного заряда. После этого процедура
диагностики КЛ повторяется по описанной схеме при зарядке кабеля постоянным
напряжением 2 кВ.
Напряжение Ud(t) измеряется после длительного "заряда" изоляции
кабеля, т.е. после возбуждения поляризационных процессов полей постоянного
напряжения Uo=1кВ за период tc=60 мин. Восстанавливающееся
напряжение измеряется после заряда постоянным напряжением Uo=1кВ за
период tc= 60 мин, а затем следует отключение от источника
напряжения и закорачивание на период tdc=3-5 с.
При проведении диагностики результаты измерений возвратного напряжения
для каждой фазы КЛ и для каждого цикла измерений отображаются на мониторе
компьютера измерительной системы (см. рисунок 2.6).
В то время как измерение возвратного напряжения дает информацию о степени
увлажненности бумажной изоляции, применительно к кабелям с изоляцией из сшитого
полиэтилена применяется метод измерения изотермического тока релаксации,
который дает информацию об остаточном ресурсе кабельной линии.
Сравнение данных методов показывает, что они дают ту же самую информацию
об изоляции, а именно: проводящая компонента тока посредством напряжения
саморазряда дает информацию об интенсивности процессов проводимости, а
поляризационная компонента через восстанавливающееся напряжение дает информацию
об интенсивности поляризации. Существенное различие этих двух методов состоит в
том, что величины, полученные методом восстанавливающегося напряжения, не
зависят от геометрических размеров образца, т.е. являются
"удельными", в то время как результаты, полученные измерением токов,
зависят от размеров и форм изоляции. Поэтому результаты измерений токов трудно
интерпретировать, в то время как результаты измерения напряжения могут прямо
сравниваться.
Относительно методов измерения возвратного напряжения и тока можно
отметить следующее. Этот вид диагностики определяет, насколько увлажнена
изоляция КЛ и можно ли при данном уровне увлажнённости её эксплуатировать, а
именно насколько высока вероятность выхода её из строя в заданное время. При
этом измеряемые параметры: величина тока зарядки, максимальная величина возвратного
напряжения, время достижения максимальной величины возвратного напряжения,
скорость нарастания возвратного напряжения - величины ненормированные, вывод о
пригодности кабельной линии к дальнейшей эксплуатации на основании таких
расчетов сделан быть не может; иными словами, состоянию изоляции дается
интегральная оценка, по которой невозможно определить место локализованных
дефектов.
Поскольку увлажнённость изоляции актуальна только для КЛ с
бумажно-маслянной изоляцией (КЛ с изоляцией из СПЭ практически не подвержены
увлажнению), то перед более подробной диагностикой такую КЛ необходимо
подвергнуть измерению возвратного напряжения. Это обусловлено тем, что если КЛ
с влажной бумажно-масляной изоляцией сразу подвергнуть диагностике, например по
частичным разрядам, то по результатам измерений кабельная линия будет полностью
пригодна к дальнейшей эксплуатации. Таким образом, данный метод диагностики
определяет целесообразность проведения диагностики по частичным разрядам.
Методика проведения измерений обуславливает длительное пребывание на
диагностируемом объекте; подготовка кабельной линии для проведения диагностики,
помимо вывода кабельной линии из работы, подразумевает также снятие остаточного
заряда, что занимает время до 1 часа для кабелей с бумажно-пропитанной
изоляцией, для кабелей с СПЭ-изоляцией производители рекомендуют ожидать не
менее 3 часов. К тому же, измерения производятся неоднократно и требуют участия
персонала в течение всего времени измерения. Данные мероприятия существенно
затягивают длительность процесса диагностирования.
Данные, полученные при диагностике изоляции методами
измерения возвратного напряжения и тока релаксации, могут быть полезны при
наблюдении общего состояния изоляции любого типа (это можно отнести к
преимуществам метода) в динамике. С помощью проведения периодических измерений
и накопления данных можно судить об интенсивности процессов старения
(увлажнение, термическое старение изоляции), а также по итогам сравнения
результатов измерения возвратного напряжения/тока релаксации с ранее
полученными данными диагностируемой КЛ можно делать выводы о необходимости
дальнейшего выявления дефектов изоляции или эксплуатации без ограничений.
2.2.3 Метод
рефлектометрии
Определение дефектов в кабельной изоляции методом рефлектометрии осуществляют
посредством зондирующего импульса и измерении параметров при его отражении от
неоднородностей в изоляции.
При реализации метода пользуются представлением кабельной линии следующей
эквивалентной схемой (рисунок 2.7):
Рисунок 2.7 Эквивалентная схема замещения кабельной линии.
Значения параметров линии зависят от типа кабельной линии, а также ее
конструктивных особенностей. В общем случае, линия характеризуется полным
сопротивлением:
, (2.3)
где R’, L’,G’, С' - погонные удельные значения сопротивления,
индуктивности, проводимости, емкости линии, соответственно.
Важным параметром линии является волновое сопротивление линии,
определяемое при условиях R’=0 ,G’=0 следующим соотношением [21]:
(2.4)
Выходное сопротивление рефлектометра должно быть согласовано с волновым
сопротивлением линии для исключения формирования повторно отраженных сигналов.
Кабельная линия с изоляцией из сшитого полиэтилена по своей сути
представляет собой коаксиальный кабель, так как по экрану кабеля протекают токи
значением до 62% от тока жилы [6], следовательно, погонные данные кабеля могут
быть определены следующим образом:
(2.5)
где D - внутренний диаметр экрана, мм; d - диаметр токоведущей жилы, мм;
L0 - погонная индуктивность кабеля, мГн/м;
(2.6)
где ε - диэлектрическая проницаемость полимерной изоляции; С0
- погонная емкость кабеля, пФ/м.
Скорость распространения электромагнитной волны в диэлектрике
определяется коэффициентом укорочения n, который показывает, во сколько раз
длина волны в линии, изолированной диэлектриком λК, меньше длины волны в свободном пространстве [5]:
(2.7)
Погонное затухание зависит от материалов, из которых изготовлены
проводники и изоляция, частоты, при которой производятся измерения, поперечных
и продольных размеров материалов кабеля и определяется [5]:
(2.8)
где f - частота измерения, Гц; ε - диэлектрическая проницаемость
изоляции; β - коэффициент затухания.
Таким образом, чем длиннее диагностируемая линия, тем затухание сигнала
как по напряжению, так и по мощности сильнее, следовательно, метод
рефлектометрии имеет ограничения по длине.
В современных диагностических приборах применяются различные зондирующие
импульсы, которые можно разделить на короткие импульсы, гармонические сигналы
высокой частоты, а также вейвлет-импульсы. В соответствии с этим,
рефлектометрические методы разделяют на импульсный, высокочастотный и вейвлет,
соответственно. Однако применение разных типов импульсов не исключает ошибок
измерений, связанных с неточным определением коэффициента укорочения.
Рисунок 2.7 - Набор приборов, необходимый для высокочастотной
рефлектометрии: 1 - испытуемый кабель; 2 - высокочастотный генератор; 3-
осциллограф; 4 - компьютер; 5 - резистор с сопротивлением, равным волновому
сопротивлению кабельной линии; 6 - принтер; 7 - измерительный мост.
Определение дефектов в кабельной изоляции по принципу
рефлектометрии осуществляют посредством зондирующего импульса и измерении
параметров при его отражении от неоднородностей в изоляции. Напряжение,
отраженное от дефекта, представляется искаженным сигналом. Импульс зондирующего
сигнала распространяется вдоль линии и отражает энергию, если встречает на
своем пути изменение в волновом сопротивлении изоляции кабеля. Далее необходимо
вычислить спектр мощности отраженного импульса. Информацию о дефекте
иллюстрирует всплеск в спектре частот задержки сигнала со временем t,
преобразованные сигналы поступают на графический индикатор [17].
На графическом индикаторе рефлектометра воспроизводится
рефлектограмма линии - реакция линии на зондирующий импульс, осью ординат
является ось расстояния, а осью абсцисс - ось времени (рисунок 2.8).
Рисунок 2.8 - Рефлектограмма: определение расстояния до неоднородности в
кабельной линии методом рефлектометрии.
При воздействии простого импульса или гармонического сигнала построение
выходного импульса основано на построении импульсов методом Фурье, когда
сложный сигнал представляется с помощью базовых синусоидальных функций (рисунок
2.8). Существуют также и другие функции, позволяющие осуществлять построение
рефлектограмм. Так, например, вейвлет-импульс представляет собой
кратковременный линейно затухающий импульс, который может обеспечить более
высокую точность получаемых рефлектограмм, предельная точность которого
ограничена временем излучения зондирующего импульса.
Значительным недостатком этого метода является сложность анализа
полученных рефлектограмм вследствие содержания высокоуровневых шумов
промышленной частоты, ее гармоник и гармоник частот, отличных от промышленной.
Нелинейность зондирующего импульса приводит к искажению импульса отраженного.
Таким образом, данный метод эффективен для локализации высокоомных повреждений
изоляции (короткое замыкание, обрыв), но зачастую оказывается неэффективным для
отыскания локальных и распределенных неоднородностей изоляции. Степень
проявления этого недостатка возможно снизить за счет уменьшения длительности
зондирующего импульса (например, треугольный импульс), однако при этом не
удается достичь требуемой амплитуды импульса для повышения чувствительности на
больших длинах КЛ. Таким образом, метод рефлектометрии требует доработки в
плане распознавания рода дефекта и его величины в условиях повышенных помех.
Данный факт исключает возможность применения метода рефлектометрии в режиме
on-line под рабочим напряжением. Кроме того, данный метод предъявляет высокие
требования к диагностической аппаратуре по стабильности и форме посылаемого
фронта импульсов, что приводит к его удорожанию.
.2.4. Тепловизионный контроль
Дистанционные обследования объектов в инфракрасном диапазоне
электромагнитного излучения (термография, тепловидение) широко применяются во
многих сферах деятельности человека. Область использования термографии огромна,
в том числе данный метод используется для контроля состояния
электротехнического оборудования.
Тепловизионный контроль - это оптический метод в инфракрасной зоне
спектра электромагнитных волн. Но, помимо регистрации отраженного излучения, он
позволяет зафиксировать и измерить собственное тепловое излучение объектов.
Поэтому тепловидение есть мощное и удобное средство обследования объектов по их
температурному полю, для наблюдения тепловых процессов, явлений,
сопровождающихся теплопереносом.
Применение тепловизора для выявления дефектных элементов основано на том,
что наличие некоторых видов дефектов вызывает изменение температуры этих
элементов и, как следствие, изменение интенсивности инфракрасного (ИК)
излучения, которое может быть зарегистрировано названными приборами. Данный
метод является эффективным для диагностирования технического состояния концевых
муфт, а также кабельных вводов, проложенных открытым способом.
Все тела, имеющие температуру, излучают в ИК-области. Тепловое излучение
происходит за счет колебаний атомов и молекул вещества. Источники света в
видимом и ближнем ИК-диапазоне 0.8-1.5 мкм - редкое явление (это должны быть
раскаленные тела). Применительно к токоведущим частям это означает очевидно
недопустимый температурный режим. В ИК-области мы наблюдаем собственное
тепловое излучение тел, поэтому таким способом возможно производить мониторинг
состояния кабельной изоляции.
Рисунок 2.9 - Спектр электромагнитного излучения
Серийные тепловизоры работают в двух диапазонах инфракрасного излучения:
среднем 3 - 5 мкм и дальнем 8 - 12 мкм. Преимуществами использования дальнего
инфракрасного диапазона, по сравнению со средним, являются: на порядок большая
мощность собственного теплового излучения в этом диапазоне для объектов с
невысокой температурой; существенно меньшая (в 2.2 раза) пестрота в
коэффициенте излучения-отражения различных типов поверхностей. Преимущества
диапазона 3 - 5 мкм заключаются в большей чувствительности к слабым
температурным контрастам и к различиям свойств поверхности, меньшая
чувствительность к отраженному фоновому тепловому излучению к собственным
аппаратурным и фоновым тепловым шумам. Таким образом, с достаточной точностью
можно определить тепловое состояние изоляции оборудования, при этом кабельные
линии не выводятся в ремонт (замер осуществляется под нагрузкой).
Рисунок 2.10 - Термограмма болтового соединения токоведущего вывода
кабельной линии.
При проведении тепловизионного исследования контактных соединений
энергетические предприятия руководствуются положениями РД 34.45-51.300-97
«Объем и нормы испытания электрооборудования» [4, Приложение 3]. При токах
нагрузки (0,6 - 1)IНОМ используются значения допустимых температур в
соответствии с таблицей 2.3 [4].
Таблица 2.3 Допустимые температуры нагрева токоведущих жил силовых
кабелей
|
Контролируемые узлы
|
Значение температуры
нагрева для длительного/ аварийного режима ˚С
|
|
При наличии изоляции:
|
70/80
|
|
- из поливинилхлоридного
пластика и полиэтилена
|
65/-
|
|
- с пропитанной бумажной
изоляцией при вязкой/обедненной пропитке и номинальном напряжении, кВ
|
80/80
|
|
1 и 3
|
65/75
|
|
6
|
60/-
|
|
10
|
80/100
|
При оценке состояния контактов и болтовых контактных соединений при токах
нагрузки (0,3 - 0,6) IНОМ оценка их состояния производится по
избыточной температуре (см. табл. 2.4). Избыточная температура - превышение
измеренной температуры контролируемого узла над температурой аналогичных узлов
других фаз, находящихся в одинаковых условиях.
Таблица 2.4 - Значения степеней неисправности в зависимости от избыточной
температуры
|
Значение избыточной
температуры, ˚С
|
Степень неисправности
|
Необходимые меры
|
|
5-10
|
Начальная степень
неисправности
|
Неисправность следует
держать под контролем и принимать меры по ее устранению во время проведения
ремонта, запланированного по графику
|
|
10-30
|
Развившийся дефект
|
Принять меры по устранению
неисправности при ближайшем выводе кабельной линии из работы
|
Аварийный дефект
|
Произвести немедленное
устранение
|
Тепловизионная диагностика обладает следующими достоинствами:
возможность выполнения безопасного диагностирования в рабочем режиме, без
необходимости вывода в ремонт и отсоединения кабельной линии;
безопасность проведения работ при условии соблюдения допустимых
расстояний от токоведущих частей, находящихся под напряжением;
возможность одновременного выполнения диагностики большого объема
кабельных линий и муфт при одинаковом состоянии внешних условий и одинаковом
режиме работы диагностируемых объектов, что позволяет применить статистическую
оценку (дополнительный диагностирующий параметр, доступный для обработки);
возможность оперативного обследования большого объема кабельных линий и
муфт при необходимости выявления отдельных ненадежных элементов;
критерии оценки (длительно допустимые температуры, избыточные
температуры) четко регламентированы [4,5], анализ результатов предельно прост и
понятен, принятие решения относительно состояния изоляции кабельной линии
выносится по ходу диагностики.
Как и любой диагностический метод, тепловизионный метод контроля обладает
также недостатками, в частности, по своей сути это оптический метод. Отсюда -
наличие зеркальных отражений (ложных аномалий), диффузные отражения в условиях
плотной укомплектованности распределительного устройства различными аппаратами
приводят к «смазыванию» температурных контрастов и некорректному показанию
тепловизора. Для данного метода характерна неравномерная засветка - наличие
фонового теплового излучения, которое зависит от пространственного положения
исследуемого объекта. При наличии большого количества преимуществ описанного
метода важнейшим недостатком является возможность исследования лишь доступных
участков кабельных линий - концевых муфт на опорах присоединения или в ЗРУ и
частей кабельных линий, находящихся внутри ЗРУ/поднимающихся по опоре,
кабельных линий, проложенных по эстакаде/в коллекторе/на открытом воздухе.
Подавляющее большинство кабельных линий городских распределительных сетей
проложено в земле, что делает невозможным применение данного метода для
полноценной диагностики кабеля по всей длине. Метод, несомненно, эффективен для
выявления перегревов контактных соединений, однако не может быть использован
как основной для принятия решения по эксплуатационным мерам применительно к
кабельным линиям.
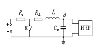
.2.5 Измерение характеристик частичных разрядов
Ухудшение первоначальных свойств изоляционного материала (старение) и ее
разрушение обусловлено воздействием внешнего поля, температуры, вибрации,
химически активной среды. Данный процесс является длительным и сопровождается
возникновением микропробоев в толще изоляции, в том числе с образованием
древовидных структур (дендритов). Различные включения в виде микропробоев
объединены общим понятием частичного разряда как локального электрического
разряда, частично шунтирующего изоляцию.
Как было указано в главе 1, существует ряд
определенных измеряемых характеристических параметров частичных разрядов,
которые позволяют определить степень развития дефекта. Метод измерения и
локализации ЧР в изоляции затухающим осциллирующим напряжением по схеме,
изображенной на рисунке 2.11, позволяет определять значение кажущегося заряда и
места расположения ЧР, величину напряжения возникновения и погашения ЧР, а
также ряд других величин. По совокупности этих параметров может быть сделано
обоснованное заключение о техническом состоянии изоляции диагностируемой КЛ.
Рисунок 2.11 - Схема измерения частичных разрядов в кабельной линии: RЗ
- зарядное сопротивление, L - катушка индуктивности, RL - активное
сопротивление в индуктивной цепи измерительной системы, К - высоковольтный
ключ, ИЧР - измеритель частичных разрядов.
Конструктивно система измерения частичных разрядов
состоит из блока-анализатора, включающего компьютер и источник постоянного
напряжения, и блока-катушки с интегрированной электронной схемой для выработки
переменного испытательного напряжения. Управление системой, сохранение, анализ
и оценка результатов измерения характеристик ЧР производятся с помощью
специального программного обеспечения, установленного на портативном
компьютере.
Перед началом диагностирования необходимо вывести
кабельную линию в ремонт, отсоединить ее с двух сторон и произвести калибровку.
Калибровка системы производится для уточнения длины кабельной линии,
установления зависимости сигналов датчиков от значения кажущегося заряда и
проверки функционирования всей системы регистрации. В качестве градуировочного
устройства используется портативный генератор прямоугольных импульсов,
подключаемый к клеммам диагностируемого объекта через калибровочную емкость по
параллельной схеме (рисунок 2.12).
Рисунок 2.12 - Схема включения калибровочного
генератора: СКЛ - емкость диагностируемой кабельной линии; СК
- калибровочный конденсатор, ГПИ - генератор прямоугольных импульсов.
Калибровка состоит в определении коэффициента
чувствительности системы измерения КИЗМ, равного отношению
калибровочного разряда qКАЛ к показанию устройства измерения UИЗМ:
(2.9)
Калибровка схемы осуществляется при каждом изменении
ее параметров: изменении емкости измерительного конденсатора, изменении объекта
диагностики, замене соединительных проводников системы регистрации ЧР,
повторном заземлении.
После осуществления калибровки каждая фаза
диагностируемой линии поочередно заряжается постоянным напряжением в течение
нескольких секунд до выбранной величины, которая не превышает амплитуду
номинального междуфазного напряжения кабельной линии. Фаза КЛ посредством
электронного переключателя подключается к заземленному экрану КЛ через
резонансную катушку. При разрядке кабеля возникают затухающие гармонические
колебания, частота которых зависит от ёмкости диагностируемого объекта. Бегущая
волна инициирует возникновение частичных разрядов в изоляции КЛ, которые фиксируются
и сохраняются в памяти компьютера измерительной системы для последующей
обработки с целью определения амплитуды и местоположения ЧР по длине кабельной
линии.
Представляется возможным определение напряжения
возникновения и погасания частичных разрядов, так как амплитуда испытательного
напряжения является затухающей. Колебательное напряжение прикладывается к
объекту диагностирования на период менее 1 секунды, что не действует
разрушительно ни на токоведущую жилу, ни на изоляционный слой.
При обработке записанных в памяти компьютера данных
диагностики выделяются и учитываются первичные и отражённые импульсы ЧР на фоне
возможных помех и шумов. При этом амплитуда ЧР определяется по первичному
импульсу, а расстояние до места возникновения ЧР в КЛ определяется по
промежутку времени между первичным импульсом и его отражением.
Обработанные и учтённые импульсы ЧР представляются на
карте распределения ЧР различной величины по длине КЛ (Приложение А). Карта
дефектных мест может быть преобразована в гистограмму распределения количества
ЧР по длине КЛ как для всех трёх фаз КЛ, так и для каждой фазы КЛ в
отдельности.
2.3 Анализ современных методов неразрушающей диагностики изоляции
Для проведения анализа неразрушающих методов контроля, рассмотренных
выше, определим критерии эффективности и требования, предъявляемые к ним:
· Безопасность применяемого метода для персонала;
· Влияние помех и паразитных токов;
· Необходимость проведения многократных измерений в цикле
диагностирования;
· Наличие нормативной базы;
· Характер оценки состояния изоляции (дискретный/интегральный);
· Возможность проведения диагностического исследования под
нагрузкой;
· Длительность периода диагностического испытания;
· Вид диагностической аппаратуры для описываемого метода.
Очевидно, каждый из приведенных методов контроля изоляции обладает рядом
преимуществ и недостатков. Пункты 2.2.1 - 2.2.5 посвящены данным методикам и
содержат критическую оценку каждого из них. Однако, для выявления наиболее
оптимального способа необходимо осуществление сравнения методик,
характеризующихся различными принципами определения состояния изоляции
кабельных линий. В таблице 2.5 приведены результаты сравнения наиболее
распространенных методов диагностики по критериям, указанным выше.
Таблица 2.5 - Анализ неразрушающих методов диагностики КЛ
*
- без учета времени, затраченного на выписку наряда-допуска, проведение
инструктажей.
Сопоставляя специфические особенности каждого неразрушающего метода диагностики
изоляции кабельных линий, необходимо отметить следующее. Указанные методы
являются безопасными для оперативного персонала при условии соблюдения методик
проведения исследования, отраженных в соответствующих нормативных документах, а
также в технической сопроводительной документации заводов-изготовителей
диагностирующего оборудования.
На погрешность измерений данными методами в разной степени воздействует
наличие источников импульсных сигналов (высокочастотных и низкочастотных помех)
разного рода [17]. Помехами частотой до 10 МГц сопровождаются коммутационные
перенапряжения при переключении контактов РПН, выключателей смежных соединений;
сигналы высокочастотной связи и телемеханики, которые несмотря на ослабление их
ВЧ-фильтрами, устанавливаемых на подходах воздушных линий к подстанции,
попадают в систему регистрации ЧР кабельных линий, отходящих от электрических
подстанций (диапазон частот до 800 кГц); перенапряжения различного рода
(коммутационные, атмосферные); система телемеханики; дефектные изоляторы шин 10
кВ); коронные разряды на ошиновке и различных частях силового первичного
оборудования подстанций.
Наличие помех определяет неэффективность использования методов измерения
коэффициента мощности, возвратного напряжения и тока, а также рефлектометрии в
диагностических целях даже на выведенном в ремонт оборудовании. Применение
перечисленных методов применительно к кабельным линиям под рабочим напряжением
оказалось неэффективным [6]. Тепловизионный метод контроля такого недостатка не
имеет, так как диагностирующий параметр в большей степени зависит от
действующего значения рабочего тока, чем от частоты. Метод измерения частичных
разрядов весьма зависим по принципу своего действия от внешних помех, главным
образом помех, находящихся в частотном диапазоне коронных разрядов на
токоведущих частях высоковольтного оборудования.
Применительно к методу измерения ЧР, данная проблема решается с помощью
применения различных методов селекции сигнала [12]. Отделение внешних помех от
собственно сигналов ЧР, возникающих внутри изоляции контролируемого объекта,
делает возможным применение данного метода в режиме on-line, что сокращает
время на вывод КЛ в ремонт для проведения диагностики и не влияет на надежность
схемы электроснабжения.
Наиболее длительное пребывание на объекте диагностирования предполагает
метод измерения возвратного напряжения и тока релаксации. Только на снятие
остаточного заряда, необходимого для обеспечения качественного измерения,
затрачивается не менее 2 часов, что делает данный метод неэффективным для
осуществления комплекса диагностических мероприятий на предприятиях с большим
количеством КЛ, таких, например, как городские распределительные сети. Для
эффективного выполнения графика диагностических исследований процесс измерения
должен занимать не более 2 часов, что присуще остальным методам диагностики, за
исключением тепловизионного контроля - измерения производятся моментально и не
требуют проведения технических мероприятий, сопровождающих отключения в
электроустановках.
При всех положительных эффектах метода тепловизионного контроля:
отсутствии необходимости в многократных измерениях и влияния паразитных токов и
помех на результат измерения, компактности измерительного устройства, к тому
же, это единственная методика, для которой регламентированы значения
диагностического параметра (температура) [4], данный метод обладает двумя
существенными недостатками. Во-первых, диагностике методом ТВК поддаются
видимые участки кабельных линий, измерение температуры КЛ для участков,
проложенных в траншее, не представляется возможным. Во-вторых, оценка состоянию
изоляции дается общая, в целом метод является неточным и дает интегральную
оценку состояния изоляции. То же самое следует отметить для методов измерения
tgδ
и тока релаксации.
Методы высокочастотной и импульсной рефлектометрии способны локализовать место
обрыва КЛ и короткое замыкание на линии, однако в силу ограничения линии по
длине и сильному влиянию помех различного рода исключается возможность
локализации дефекта изоляции и оценки степени разрушения изоляции.
Измерение характеристик частичных разрядов (ЧР) позволяет локализовать
неоднородности и опасные включения в толще изоляции. Значительные отклонения от
нормы фиксируются не только в предпробивной период, когда началось интенсивное
разрушение изоляции, а на ранней стадии развития разрушения.
Реализация методов диагностики обуславливает приобретение эксплуатирующей
организацией дополнительного комплекта диагностического оборудования с
прилагаемым программным обеспечением. Таким образом, встает вопрос об обучении
персонала испытательной лаборатории навыкам работы с новым типом оборудования.
Затраты на обучение персонала, закупку оборудования при реализации метода
измерения ЧР оправданы в силу общей информативности метода. В состав
диагностического оборудования могут быть интегрированы функции интегральной
оценки изоляции (измерение tgδ, коэффициента абсорбции, определение
электрической рабочей емкости жил) для комплексной оценки состояния изоляции
кабельной линии.
На основании проведенного анализа можно сделать вывод о том, что наиболее
оптимальным методом диагностики кабельных линий является метод измерения
частичных разрядов. Наличие ЧР является первым тревожным сигналом, способным
предупредить о надвигающейся угрозе выхода кабельной линии из строя. Важнейшими
преимуществами данного метода являются возможность локализации развивающегося
дефекта и мониторинга состояния изоляции КЛ в динамике, селекция сигналов ЧР
позволяет произвести отстройку от внешних помех и производить диагностику под
рабочим напряжением. Данный метод, используемый совместно с испытанием оболочки
кабеля, является на сегодняшний день наилучшим методом контроля качества работ
по прокладке и монтажу кабельной линии.
В настоящее время существует необходимость активизации работы по созданию
современной нормативно-технической базы применительно к методу регистрации
частичных разрядов, так как ее отсутствие является тормозом для качественного
развития качества эксплуатации распределительных сетей.
Выводы по второй главе
Показано, что оптимальным методом диагностики изоляции кабельных линий по
сравнению с другими неразрушающими методами диагностики является метод
измерения частичных разрядов, позволяющий выявлять дефекты изоляции на
начальной стадии возникновения, а также локализовать неоднородности и опасные
включения в толще изоляции. Полученные данные могут быть использованы в
качестве диагностической базы для корректного технического освидетельствования
особого типа оборудования - кабельных линий с изоляцией из сшитого полиэтилена.
Применение метода диагностики по характеристикам ЧР в условиях
эксплуатации ограничено проблемами, связанными с отделением сигналов ЧР от
сигналов помех. Предполагается, что использование методов селекции сигналов ЧР
позволит повысить эффективность применения систем диагностики изоляции по
частичным разрядам.
Необходимо нормирование допустимых значений диагностических параметров,
определяемых методом измерения ЧР, таких как граничные значения кажущегося
разряда, напряжение возникновения и погасания ЧР для формулирования
достоверного заключения о техническом состоянии линии с СПЭ-изоляцией.
На основе существующих методов неразрушающего контроля изоляции
необходимо создание алгоритма оценки состояния изоляции как альтернативы
существующей системе планово-профилактических испытаний для перехода к
техническому обслуживанию и ремонту силовых КЛ по их фактическому техническому
состоянию.
Глава 3. Разработка аналитической схемы для оценки состояния кабельных
линий на основе измерения характеристик частичных разрядов
Изменения, происходящие в мировой энергетике при внедрении инноваций и
применении современных материалов, например, полимеров в изоляции,
обуславливает изменения в ключевых эксплуатационных моментах, связанных со
сферой испытаний и диагностики кабельных линий данного типа.
Необходимость применения передовых методов измерений и испытаний признана
давно, методы неразрушающей диагностики распространены практически повсеместно,
их проведение даже предписывается обновляемой нормативно-технической
документацией. Однако нормы для данных методик во всем мире до сих пор
отсутствуют. Зачастую для предписываемых видов работ, в частности с применением
измерительной аппаратуры, отсутствуют требования к допустимым уровням
измеряемых величин.
В данной главе произведен расчет диагностических параметров кабельных
линий ПО УГЭС, осуществлен анализ полученных данных и предложены критерии
оценки состояния КЛ и алгоритм принятия решений по эксплуатационным мерам для
КЛ с СПЭ-изоляцией, даны рекомендации по осуществлению нормативного
регулирования области диагностирования КЛ по частичным разрядам.
3.1
Исследование технического состояния КЛ-6/10 кВ ПО Уфимские городские
электрические сети
В настоящее время в организациях, эксплуатирующих сети, питающие
промышленные и бытовые потребители по линиям номинальным напряжением 6 - 10 кВ
все большее применение находит тип КЛ с изоляцией из сшитого полиэтилена. В
распределительных сетях г. Уфа ПО Уфимские городские электрические сети (ПО
УГЭС) внедрение кабельных линий данного типа осуществляется с 2007 года, таким
образом, фактический срок эксплуатации КЛ с СПЭ - изоляцией в нашем городе
составляет не более 10 лет.
За это время КЛ с полимерной изоляцией зарекомендовали себя с хорошей
стороны в процессе эксплуатации. В связи с особенностями монтажа кабельных
муфт, заключающимися в наличии токопроводящего экрана и особого выполнения
соединения в муфтах, персонал по ремонту и монтажу кабельных линий ПО УГЭС
проходил специальные обучения. Таким образом, ремонтным персоналом производится
качественное обслуживание кабельных линий данного типа и выход из строя в целом
месте при нормальном режиме не происходит. Тем не менее, процессы, вызывающие
старение изоляции, воздействуют и на КЛ с СПЭ-изоляцией. Диагностика таких
кабельных направлений на данном этапе необходима для регистрации зарождающихся
процессов возникновения ЧР под действием различных факторов с целью недопущения
развития в дальнейшем ситуации, подобной техническому состоянию КЛ с
бумажно-масляной изоляцией.
Особенностью зоны обслуживания Западного района электрических сетей
(микрорайон Дема, г. Уфа) ПО УГЭС является преобладание мокрого грунта
(болотистая местность), среда залегания кабельных линий крайне агрессивна,
сезонные таяния и замерзания пучинистого грунта сопровождаются выходом из строя
важнейших кабельных направлений, отходящих с ПС Дема. Весной 2016 г. было
зарегистрировано 24 выхода из строя КЛ-10 кВ только по пяти направлениям, за
весь 2016 год количество ремонтов, представляющих собой монтаж соединительных и
концевых муфт, составило 67 единиц (таблица 3.1):
Таблица 3.1 - Эксплуатационные данные КЛ-10 кВ Западного района ПО УГЭС
за 2016 год
В настоящее время на любой текущий момент на повреждении находится хотя
бы 2 кабельные линии, т.е. схема не является нормальной, надежность
электроснабжения потребителей снижена, линии, остающиеся в работе, перегружены,
что, в свою очередь, приводит к их электрическому и термическому старению.
Были установлены следующие причины повреждения кабельных линий в 2016 г.
в ПО УГЭС Западный РЭС (таблица 3.2)
Таблица 3.2 - Причины повреждения кабельных линий Западного РЭС ПО УГЭС
(г. Уфа) в 2016 году
|
Причина и характер
повреждения
|
Количество
|
|
6 кВ
|
10 кВ
|
|
Прямые механические
повреждения (отказ в момент нанесения повреждения)
|
6
|
5
|
|
Старые механические
повреждения оболочек кабелей в эксплуатации
|
3
|
11
|
|
Дефекты монтажа муфт
|
6
|
36
|
|
Старение изоляции кабельных
линий, муфт сроком эксплуатации свыше 25 лет
|
3
|
48
|
|
Во время испытаний
повышенным напряжением
|
3
|
49
|
|
Всего
|
21
|
149
|
Дефекты монтажа муфт выявлялись при обнаружении места повреждения
непосредственно в муфте, либо рядом с ней, при ремонте осуществлялся монтаж
кабельной вставки того же сечения и марки, что и поврежденного кабеля.
В течение года во время испытаний, из-за старения изоляции и дефекта
монтажа муфт повреждались только кабели с бумажно-пропитанной изоляцией, кабели
с СПЭ-изоляций выходили из работы вследствие механических повреждений.
Применительно к кабельным линиям с СПЭ-изоляцией для определения
корреляционной зависимости возможных причин вследствие старения и определения
мест повреждения была проведена диагностика кабельных линий с помощью
лаборатории фирмы SebaKMT и прибора OWTS (Oscillated Wave Test System). Для
определения значений диагностических параметров были произведены обследования
следующих кабельных направлений (табл. 3.3):
Таблица 3.3 - Результаты обследования технического состояния КЛ:
|
Кабельная линия
|
Фаза
|
Номинальное напряжениеUном,
кВ
|
Марка, сечение
|
Длина КЛ L, м
|
Год ввода в эксплуатацию
|
|
|
|
|
|
|
|
РП-255/2 - ТП-2591/2
|
ф.А
|
6
|
АПвПуг-10- 3×(1×500/70)
|
230
|
2011
|
|
ф.В
|
|
|
|
|
|
ф.С
|
|
|
|
|
|
ТП-2586/2 - ТП-2588/2
|
ф.А
|
6
|
АПвПг-10-3×(1×185/25)
|
1544
|
2007
|
|
ф.В
|
|
|
|
|
|
ф.С
|
|
|
|
|
|
ТП-8058/1 - ТП-8059/2
|
ф.А
|
10
|
АПвПг-10-3×(1×150/50)
|
150
|
2008
|
|
ф.В
|
|
|
|
|
|
ф.С
|
|
|
|
|
|
ТП-2325/1 - БРП Шафиева
|
ф.А
|
6
|
АПвПг-10-3×(1×150/50)+ААШв
|
190
|
2015
|
|
ф.В
|
|
|
|
|
|
ф.С
|
|
|
|
|
|
ТП-3029/2 - ТП-8023/2
|
ф.А
|
10
|
АПвПг-10-3×(1×185/35)
|
90
|
2009
|
|
ф.В
|
|
|
|
|
|
ф.С
|
|
|
|
|
|
Кабельная линия
|
Фаза
|
Измерение уровня ЧР (OWTS
M28)
|
|
|
|
Уровень шумов, пКл
|
Напряжение возникновения
UВОЗН, кВ
|
Напряжение гашения UГАШ, кВ
|
Макс. значение кажущегося
заряда q,пКл
|
|
|
РП-255/2 - ТП-2591/2
|
ф.А
|
68
|
4,2
|
4,1
|
136
|
|
|
ф.В
|
81
|
5,2
|
5,1
|
157
|
|
|
ф.С
|
80
|
4,9
|
4,8
|
138
|
|
|
ТП-2586/2 - ТП-2588/2
|
ф.А
|
60
|
8,0
|
7,9
|
709
|
|
|
ф.В
|
64
|
8,0
|
7,9
|
667
|
|
|
ф.С
|
79
|
9,1
|
8,9
|
789
|
|
|
ТП-8058/1 - ТП-8059/2
|
ф.А
|
62
|
5,9
|
5,9
|
649
|
|
|
ф.В
|
69
|
4,5
|
4,5
|
626
|
|
|
ф.С
|
67
|
7,7
|
7,6
|
445
|
|
|
ТП-2325/1 - БРП Шафиева
|
ф.А
|
100
|
5,2
|
5,2
|
654
|
|
|
ф.В
|
104
|
4,2
|
4,1
|
35908
|
|
|
ф.С
|
93
|
4,2
|
4,1
|
9833
|
|
|
ТП-3029/2 - ТП-8023/2
|
ф.А
|
54
|
15,7
|
15,6
|
143
|
|
|
ф.В
|
49
|
7,0
|
12,2
|
462
|
|
|
ф.С
|
55
|
16,4
|
16,3
|
1191
|
|
|
|
|
|
|
|
|
|
|
|
При исследовании технического состояния КЛ была произведена калибровка
системы измерения для каждой фазы и измерения уровня естественных шумов (пКл)
при нулевом воздействующем напряжении (см. табл. 3.3).
По итогам измерений установлено, что величина шумов не превышает 150 пКл
и может быть соизмерима с величиной самих частичных разрядов в изоляции при
воздействии диагностического напряжения.
В Приложении А приведены распределения уровней частичных разрядов для
пяти выбранных линий при воздействии напряжения U=1,2 - 1,7U0.
(Рисунки А.(1-5).2, А.(1-5).4, А.(1-5).6). Величина воздействующего напряжения
не превышает линейного напряжения кабельной линии, время воздействия указано на
оси абсцисс и не превышает 1 с, таким образом, измерения производятся при
недеструктивном воздействии на изоляцию КЛ.
По распределению частичных разрядов по длинам КЛ (Рисунки А.(1-5).7 а,б)
хорошо распознаются участки с повышенным уровнем ЧР, что может
свидетельствовать о наличии соединительной муфты, либо о развивающемся дефекте.
3.2 Анализ
результатов диагностического исследования
Заключение о возможности дальнейшей эксплуатации и периодичности
следующих диагностических испытаний производилось на основании сопоставления
полученных данных с критериями, указанными производителем испытательного
комплекса (таблица 3.4)
Таблица 3.4 - Критерии оценки состояния КЛ по уровням ЧР для КЛ с
СПЭ-изоляцией UН = 6/10 кВ (SebaKMT)
|
Максимальное значение
кажущегося заряда ЧР, пКл
|
Необходимый срок
диагностирования или ремонта КЛ
|
|
До 1200
|
КЛ подлежит повторному
диагностированию через 5 лет
|
|
От 1200 до 5000
|
КЛ подлежит повторному
диагностированию через 1 год
|
|
От 5000 до 10500
|
КЛ подлежит ремонту в
течение одного года с последующей диагностикой
|
|
Свыше 10500
|
КЛ не подлежит эксплуатации
|
В то же время, данные критерии оценки не являются нормативно
утвержденными, в настоящее время не существует национального стандарта,
определяющего пороговые значения ЧР, решения принимаются на основании
рекомендаций заводов-производителей различного диагностического оборудования
[16,20,21] и существенно отличаются в разных эксплуатирующих организациях,
применяющий метод диагностики по частичным разрядам.
Так, результатом выполненных ООО «Болид» г. Новосибирск в 2011 - 2014 гг.
экспериментальных исследований по диагностированию и детализации причин
повреждаемости КЛ 10 кВ с изоляцией из сшитого полиэтилена стала классификация
критериев оценки состояния изоляции и соответствующие рекомендации для
обслуживающего персонала, представленная в табл.3.5
Таблица 3.5 - Критерии оценки состояния КЛ по уровням ЧР для КЛ с
СПЭ-изоляцией UН = 6/10 кВ (ООО «Болид»)
|
Классификация состояния
|
Максимальное значение
кажущегося заряда ЧР в локальном дефекте, пКл
|
Рекомендации персоналу при
проведении технического обслуживания
|
|
Норма
|
≤1200
|
Эксплуатация без
ограничений, техническое обслуживание согласно нормативной документации,
диагностирование через 3 - 5 лет
|
|
Работоспособное
|
С незначительными
отклонениями
|
1200 - 4400
|
|
|
Со значительными
отклонениями
|
4400 - 7500
|
Эксплуатация с контролем
степени старения изоляции неразрушающими методами. До получения рекомендаций
лаборатории - измерение сопротивления изоляции и контроль её состояния по
значениям индекса поляризации и коэффициента абсорбции, диагностирование -
через 1 год.
|
|
Ухудшенное
|
7500 - 10500
|
Плановая замена
кабеля/участка кабеля или плановое определение причин ухудшенного состояния
(проведение испытаний повышенным напряжением СНЧ, неразрушающий контроль) и
устранение причин ухудшенного состояния - в течение одного года.
|
|
Предаварийное
|
>10500
|
Перевод потребителя на
резерв, немедленный вывод кабеля из эксплуатации с ремонтом или заменой
|
Рисунок 3.1 - Различная интерпретация технического состояния КЛ по
значениям кажущегося заряда, пКл.
Результат сопоставления критериев оценки для исследованных линий
представлен на рисунке 3.1
Для большинства кабельных линий, прошедших диагностику (таблица 3.3), по
максимальным значениям кажущегося заряда их состояние по различным
классификациям можно определить как работоспособное (нормальное), потому как
данный параметр не превышает значения 1200 пКл.
При этом в условиях отсутствия соответствующего стандарта периодичность
следующего испытания определили как 3 года с момента проведения первого
измерения либо до следующего ремонта КЛ для составления базы данных для
соответствующих объектов (КЛ-6 кВ РП-255/2 - ТП-2591/2, КЛ-6 кВ ТП-2586/2 -
ТП-2588/2, КЛ-10 кВ ТП-8058/1 - ТП-8059/2, КЛ-10 кВ ТП-3029/2 - ТП-8023/2).
Исключение в простоте описания состояния по предложенной методике
составляет объект КЛ-10 кВ ТП-2325/1 - БРП Шафиева. Уровень кажущегося заряда
по ф.С (таблица 3.3) составляет 9833 пКл, что предусматривает замену всей КЛ,
либо ее проблемного участка в течение 1 года, по ф.В результат составил 35908
пКл при Uвозн=4,2 кВ, в то время как величина фазного напряжения для
КЛ-10 кВ составляет U0=5,77 кВ. Таким образом, возникновение
частичных разрядов уровня, значительно выше допустимого (10500 пКл) происходит
при величине подаваемого напряжения, меньше фазного, что подразумевает собой
немедленный вывод КЛ из эксплуатации и его замену.
Теоретически, при замыкании одной из фаз на землю и последующем
увеличении напряжения «здоровых» фаз до 1,73· U0 фаза В должна
«пробиться», что повлечет за собой переход замыкания одной фазы на землю в сети
10 кВ в более опасное междуфазное замыкание. Однако, проведение экспериментального
испытания повышенным напряжением СНЧ-установкой показало положительный исход
применительно к данному кабельному направлению. Этот факт доказывает, что
уровни ЧР при измерениях не всегда коррелируются с электрической прочностью
изоляции КЛ, т.е. были случаи, когда вновь проложенный или находящийся в
эксплуатации КЛ из СПЭ и имеющий запредельные уровни ЧР (тысячи и даже десятки
тысяч пКл), в качестве эксперимента выдерживала повышенное испытательное
напряжение от установки СНЧ с минимальными утечками тока по фазам.
Тем не менее, кабельные линии, на которых были обнаружены повышенные
уровни ЧР, взяты на дополнительный контроль и будут вновь подвергнуты ЧР
диагностике через год после последних измерений. По результатам повторной
диагностики и сравнении этих результатов с предыдущими измерениями, будет
принято решение о дальнейшей эксплуатации данных КЛ (эксплуатация или ремонт).
3.3 Создание алгоритма технического мониторинга
состояния КЛ на базе измерений ЧР
Осуществление контроля технического состояния кабельных линий методами
высоковольтных испытаний обеспечивает выявление грубых местных дефектов, однако
не гарантируют безаварийную работу, и, более того, часто сами приводят к
сокращению срока службы КЛ [таблица 3.2].
Современные диагностические методы на настоящий момент не могут полностью
заменить разрушающие методы контроля в силу своей недостаточной информативности
[п. 2.3]. Применительно к силовым кабельным линиям с изоляцией из сшитого
полиэтилена, обладающим высокой электрической прочностью и малыми токами
утечки, среди разрушающих методов наиболее эффективным является щадящий метод
испытаний напряжением сверхнизкой частоты 0,1 Гц [6].
Метод измерения частичных разрядов примечателен тем, что обладает
способностью определения места ослабления электрической прочности в толще
изоляции силового кабеля. Данное преимущество позволяет осуществлять контроль
изоляции по нарастающей - от неразрушающего метода контроля к разрушающему (при
необходимости).
На основе существующих методов неразрушающего контроля изоляции создан
алгоритм оценки состояния изоляции как альтернативы существующей системе
планово-профилактических испытаний для перехода к техническому обслуживанию и
ремонту силовых КЛ по их фактическому техническому состоянию (приложение Б).
Традиционная система подразумевает собой проведение испытаний повышенным
напряжением и диагностических исследований отдельно. Периодичность испытаний
при СНЧ для СПЭ-кабелей устанавливается такой же, как и при испытании
повышенным напряжением выпрямленного тока для кабелей с бумажно-масляной
изоляцией и составляет 1 раз в 3 года [5]. В то же время производится измерение
частичных разрядов, периодичность проведения диагностики не установлена
нормативно и является параметром, рекомендуемым заводом-производителем диагностического
комплекса и определяемым в соответствии с таблицей 3.4. Главные инженеры
эксплуатирующих организаций уполномочены пойти на сокращение
междиагностического интервала при такой возможности или необходимости по
условиям обеспечения надежного электроснабжения особо важных потребителей.
Согласно предложенному алгоритму, на базе определения условий и режимов
эксплуатации, а также данных, отраженных в исполнительной документации и на
основании заявленной категории надежности потребителей, запитанных от КЛ,
устанавливается перечень КЛ кабельного хозяйства эксплуатирующего предприятия,
подвергаемых диагностике по измерению частичных разрядов. В соответствии с
перечнем составляется график периодической диагностики, утверждаемый главным
инженером эксплуатирующей организации.
Приемосдаточный контроль может быть выполнен на базе измерения частичных
разрядов, в этом случае при возникновении ЧР при U≤2U0
рекомендуется ужесточить условия контроля и произвести испытание повышенным
напряжением по установленной методике. Испытания при очень низких частотах со
сменой полярности позволяют выявлять дефекты в изоляции без формирования
объёмных зарядов в структуре полиэтиленовой изоляции.
По итогам проведенной диагностики делается вывод о состоянии КЛ по
характеристикам частичных разрядов. В отличие от рекомендуемой производителем
многоплановой оценки (таблица 3.4), рекомендуется произвести двухбалльную
оценку состоянию изоляции. В условиях отсутствия нормативно-технической
документации, регламентирующей пороговые значения характеристических параметров
ЧР главный инженер единолично и на основании документации, предоставленной
заводом-производителем диагностического комплекса определяет пороговое значение
максимального уровня кажущегося заряда ЧР, превышение которого обуславливает
испытание повышенным напряжением уже до пробоя в месте ослабления
диэлектрической прочности изоляции. В таком случае ремонт производится
традиционным способом - для определения места повреждения используются метод
высокочастотной рефлектометрии, акустический метод, на этом этапе задача отдела
изоляции энергетического предприятия считается выполненной, бригада участка по
эксплуатации и ремонту КЛ осуществляет раскопку котлована и монтаж
соединительных муфт, по окончании ремонта КЛ
.4 Рекомендации по осуществлению нормативного
регулирования области диагностирования КЛ по частичным разрядам
В настоящее время существует острая необходимость активизации работы по
созданию современной нормативно-технической базы для области диагностики по
частичным разрядам. Для этого необходимо создать рабочую группу с привлечением
специалистов заинтересованных организаций с целью выработки технической
политики и создания документа уровня национального стандарта. Возглавлять
данную рабочую группу должна одна из организаций, имеющих опыт в разработке НТД
по кабельной тематике, например, Филиал ОАО «ИЦ ЕЭС» - «Фирма ОРГРЭС».
Однако первым шагом к созданию стандарта, регламентирующего нормально и
предельно допустимые значения кажущегося заряда, относительное напряжения возникновения
и гашения ЧР, частоты следования ЧР и другие характеристики ЧР необходимо
осуществление периодических измерений частичных разрядов согласно алгоритму,
рекомендованному в п.3.4.
Данная мера способствует формулированию достоверного заключения о техническом
состоянии линии с СПЭ-изоляцией благодаря осуществлению сопоставления
результатов по разным фазам каждой линии и по однотипным КЛ в подобных условиях
эксплуатации. Иными словами, на данном этапе эффективное применение метода
диагностики по ЧР требует создания определенной базы результатов локализации
проблемных мест в КЛ, при этом особое внимание следует уделять вновь вводимым в
эксплуатацию КЛ для наработки опыта по первичной диагностике и выявлению
заводских дефектов либо дефектов монтажа.
Корректный метод диагностики состояния изоляции кабельной линии при
приемке в эксплуатацию становится гарантом качественной работы как самой
кабельной линии, так и проведенных мероприятий по прокладке и монтажу
соединительных и концевых муфт, проводимых, как правило, подрядными
организациями. Эксплуатирующие организации становятся защищены от потенциальных
затрат на ремонт дефектных кабелей, принятых в эксплуатацию, а также от
возможного ущерба от перерыва в электроснабжении особо важных потребителей.
Предприятия, эксплуатирующие кабельные сети, лишь тогда могут принять на баланс
без опасений за ее состояние, если обладают достоверной информацией о
результатах измерении ЧР в её изоляции.
Выводы по третьей главе
Оценено техническое состояние кабельных линий Западного РЭС ПО УГЭС и
изучены особенности КЛ, проложенных в зоне обслуживания данного района.
Рассмотрены причины повреждения КЛ за 2016 г. как с СПЭ, так и с
бумажно-масляной изоляцией.
Для определения корреляционной зависимости возможных причин выхода из строя
КЛ вследствие старения была проведена диагностика кабельных линий с помощью
лаборатории фирмы SebaKMT и прибора OWTS методом измерения частичных разрядов
осциллирующим напряжением.
Установлено, что методика OWTS-диагностики позволяет локализовать место
развития ЧР по трассе КЛ, однако нормативная база определения технического
состояния КЛ по уровню максимального кажущегося заряда отсутствует. Таким
образом, эксплуатирующие организации самостоятельно делают выводы о пригодности
к эксплуатации КЛ с изоляцией из СПЭ по ненормированным уровням ЧР, опираясь на
рекомендации заводов-изготовителей.
В связи с этим, предложен алгоритм принятия решений по техническому
обслуживанию КЛ с изоляцией из сшитого полиэтилена, основанный на методе
измерения частичных разрядов для сокращения доли разрушающего воздействия на
кабельные линии, проложенные в агрессивной среде.
Заключение
)В выпускной квалификационной работе произведено исследование
особенностей изоляции из сшитого полиэтилена, изучены механизмы снижения электрической
прочности полимерной изоляции в процессе эксплуатации.
)Произведен анализ недеструктивных методов диагностического исследования
кабельных линий с изоляцией из сшитого полиэтилена. Установлено, что для
обеспечения нормативного срока службы необходимо учитывать особенности КЛ
данного типа и применять методы щадящего испытания и диагностики.
)Доказана необходимость создания базы протоколов измерения частичных
разрядов для отслеживания изменений, сопровождающихся возникновением ЧР в
динамике, даны рекомендации по осуществлению нормативного регулирования области
диагностирования КЛ по частичным разрядам.
)На основании проведенных измерений частичных разрядов составлен алгоритм
оценки состояния изоляции как альтернативы существующей системе планово-профилактических
испытаний для перехода к техническому обслуживанию и ремонту силовых КЛ по их
фактическому техническому состоянию.
Список
литературы
1. Правила устройства электроустановок ПУЭ (7-ое
издание) - Утверждены Министерством энергетики Российской Федерации (Приказ от
08.07.2002 г. № 204)
. ГОСТ Р 55191-2012 (МЭК 60270:2000) Методы испытаний
высоким напряжением. Измерения частичных разрядов: национальный стандарт
Российской Федерации утвержден и введен в действие Приказом Федерального
агентства по техническому регулированию и метрологии от 26 ноября 2012 г. N
1183-ст
. ГОСТ Р 55025-2012 «Кабели силовые с пластмассовой
изоляцией на номинальное напряжение от 6 до 35 кВ включительно. Общие
технические условия»: утвержден и введен в действие Приказом Федерального
агентства по техническому регулированию и метрологии от 27 декабря 2012 г. N
486
. РД 34.45-51.300-97 «Объем и нормы испытаний
электрооборудования» : Утв. Департаментом науки и техники РАО «ЕЭС России»
08.05.97; Разраб. АО «Фирма ОРГРЭС», АО ВНИИЭ, АО «Уралтехэнерго»: 6-е изд., с
изменениями и дополнениями по состоянию на 01.10.2006. - М.: Издательство НЦ
ЭНАС, 2006. - 255 с.
. Объем и нормы испытаний электрооборудования / Под
общей ре дакцией Алексеева Б.А., Когана Ф.Л., Мамиконянца Л.Г. - 6-е изд., с
изм. и до лю - М.: НЦ ЭНАС, 2002. - 256 с.
. ГОСТ 20074-83. Электрооборудование и
электроустановки. Метод измерения характеристик частичных разрядов. - М.:
Изд-во стандартов, 1983. - 24
. Вдовико В.П. Частичные разряды в диагностировании
высоковольтного оборудования. - Новосибирск: Наука, 2007. - 155 с.
. Коржов А.В Влияние электрического и магнитного полей
на интенсивность частичных разрядов в изоляции // Кабели и Провода. М., 2012. №
1(332). С. 16-21
. Коржов А.В, Сидоров А.И. Методы оценки состояния
электрических сетей. Челябинск: Издательский центр ЮУрГУ, 2009.
. Максудов Д.В., Исмагилов Ф.Р., Хайруллин И.Х.
Неоднородный диэлектрик в электрическом поле // Проблемы энергетики. - 2001. -
№3 - 4 .
. Максудов Д.В., Федосов Е.М. Методы селекции сигналов
частичных разрядов в изоляции силовых трансформаторов // Вестник УГАТУ, 2009.
. Федосов Е.М. Методы диагностики состояния изоляции
по характеристикам частичных разрядов // Электромеханика, электротехнические
ком плексы и системы: Межвуз. научный сб. - Уфа: УГАТУ, 2008 - С.203-207.
. IEC 60502-2:2005 "Power cables with extruded
insulation and their accessories for rated voltages from 1 kV up to 30 kV -
Part 2: Cables for rated voltages from 6 kV up to 30 kV.
. IEC 60270.Partial discharge measurements. - International
standart. - 3-rd edition. - 2000-12. - 91P.
. IEEE Std. 400TM-2001 Guide for Field Testing and
Evaluation of the Insulation of Shielded Power Cable Systems (Руководство по
полевым испытаниям и оценке состояния изоляции экранированных силовых кабельных
систем)
. DIN VDE 0276-620. Power cables - Distribution cables
with extruded insulation for rated voltages from 3.6/6 (7.2) kV up to and
including 20.8/36 (42) kV; German version HD 620 S2:2010, parts 0, 1 and 10-C
. Kranz Hans-Gerd. Diagnosis of partial discharge
signals using neural networks and minimum distance classification // IEEE Trans
Elec. Insul. -1993. 28,N 6 . - С 1016-1024.
. Moh S.C. Very low Frequency Testing - Its
Effectiveness in Detecting Hidden Defects in Cables - CIRED, Barcelona, 2003.
19. Rorkowska В., Wlodek R. Pulse height analysis of
partial discharges in air // IEEE Trans Elec. Insul.. -1993. 28, N6. - С 932 -
940.
20. Tandela R., Mirelli G. PD recognition by means of
neural network. - Proc. 9th ISH, Graz. -1995