Отель 'на Ваге' по ул. Набережная, 56 А в г. Вельск Архангельской области
ВВЕДЕНИЕ
Темой выбранного мною дипломного проекта
является «Отель «на Ваге» по ул. Набережная, 56 А в г. Вельск Архангельской
области».
Здание создает оптимальные условия для
осуществления тех функциональных процессов, для которых оно предназначено и
отвечает всем требованиям заказчика: современные и архитектурно выразительные
фасады, что сразу привлекает и заинтересовывает потенциального клиента,
удобная, внутренняя планировка здания.
Все разделы дипломного проекта разработаны в
достаточном объеме.
Графическая часть проекта, оформление
пояснительной записки, расчеты выполнены на ПЭВМ с использованием систем
АutoCAD, Word, Excel, различных программ и других технических средств,
позволяющих автоматизировать подобного рода проектные работы.
Уровень ответственности здания: нормальный.
Климатический район: II В.
- расчетная температура наружного
воздуха наиболее холодной пятидневки (согласно СП 131.13330.2012
<normacs://normacs.ru/10hp8>): -33 °С;
то же суток: -38 °С;
расчетный вес снегового покрова (СП
20.13330.2011): 3,2 кПа;
нормативное ветровое давление (СП
20.13330.2011): 0,23 кПа.
В последние годы наметилась
тенденция увеличения объемов строительства, это связано в первую очередь с
улучшением экономической ситуации в стране. Возводятся современные жилые многоквартирные
дома, увеличивается сектор индивидуальной застройки. Социальное развитие
общества, постоянное совершенствование всех форм жизнедеятельности людей
стимулирует развитие сферы обслуживания, способствующее комфортному
осуществлению населением всех многоплановых функций, во многом определяет
уровень цивилизации общества.
Сегодня гостиничный бизнес - одна из
наиболее перспективных и быстроразвивающихся отраслей. С каждым годом растет
количество гостиниц и отелей как в нашей стране, так и за рубежом.
В России малой считается гостиница
вместимостью от 10 до 100 номеров. В общей массе функционирующих на сегодняшний
день отелей малые занимают очень скромное место. Массовый туризм, диктовавший
правила игры в сфере гостинично-туристских услуг, оставил множество «родимых
пятен», и однотипность гостиничного продукта - одно из них.
Интерес к малым формам организации
гостиничного бизнеса определяется изменениями в поведении основных потребителей
гостиничных услуг, которыми, как известно, являются туристы.
Малые гостиницы легче адаптируются к
каждому клиенту, создают атмосферу «дома вдали от дома», что не исключает
привнесения в быт гостей национального колорита.
Основные клиенты малых гостиниц, как
правило, нуждаются в умеренном комфорте, хорошей еде, чистоте и безопасности, и
все это они находят в малых отелях. К этому добавляются приемлемые цены и
особая обстановка уюта, которую трудно создать в гостиничных гигантах. Малые
гостиницы имеют еще одно преимущество перед крупными отелями: они максимально
приближают туристов к объектам показа, поскольку их легче внедрить в
историческую среду города.
1. АРХИТЕКТУРНО-СТРОИТЕЛЬНЫЙ РАЗДЕЛ
.1 Объемно - планировочное решение
здания
Проектируемое двухэтажное здание
гостиницы с мансардой, прямоугольной формы в плане, размерами в осях 11,78х17,8
м. Общая высота здания в коньке 12,4 м.
За отметку
принимается
уровень чистого пола первого этажа. Высота этажа - 3,4 м.
Все помещения в здании расположены с
учетом их функциональной принадлежности и с учетом обеспечения необходимого
комфорта работающих людей и посетителей.
Главный входа в здание отеля
расположен со стороны главного фасада, ориентированного на ул. Набережную.
Также имеются 3 служебных входа со стороны торцевых фасадов для работников и
обслуживающего персонала гостиницы.
На первом этаже отеля располагаются
холл, раздевалка, комната администратора, технические и служебные помещения,
санузлы для гостей и персонала, а также помещение котельной, имеющее отдельный
вход.
На втором этаже находятся жилые
комнаты с санузлами и комната персонала.
На мансардном этаже также есть жилые
комнаты с санузлами, помимо них выделены помещения для постирочной,
бельевой-гладильной, комнаты и санузла для персонала.
Степень огнестойкости здания - II.
Уровень ответственности здания - II
(нормальный).
Класс конструктивной пожарной
опасности - С0.
Класс функциональной пожарной
опасности по Федеральному закону №123ФЗ - Ф1.2
Конструктивные решения здания.
За условную отметку 0,000 принята
отметка пола первого этажа, что соответствует абсолютной отметке 78.20 м.
В основании фундаментов залегают
грунты:
ИГЭ-1. Песок мелкий коричневый
средней плотности маловлажный (lgIIIvd).
Мощность 3,2-3,8 м;
ИГЭ-2. Супесь коричневая пластичная
(lgIIIvd). Мощность 2,6-3,4 м;
ИГЭ-3. Суглинок серый тугопластичный
с единичными включениями гравия
(lgIIIvd). Вскрытая мощность 5,6-9,2
м.
Грунты по степени морозного пучения
относятся к непучинистым.
В период изысканий грунтовые воды
вскрыты не были.
Грунты основания фундаментов при
строительстве должны быть защищены от увлажнения поверхностными водами и
утеплены от промерзания.
Фундаменты - свайные: забивные
железобетонные сваи со стороной 300 мм. Обвязка предусмотрена из
железобетонного монолитного ростверка, класс бетона В20. По ростверку
укладываются фундаментные блоки на цементном растворе М-100.
Монолитные участки в стеновых
блоках, соприкасающихся с грунтом, выполнять из бетона кл. В15 или из кирпича
К0 100/35 ГОСТ 530-2012 на растворе М-100 с последующим оштукатуриванием
цементным раствором марки 100.
Вертикальная и горизонтальная
гидроизоляция предусмотрена из 1 слоя Техноэласт Барьер (БО).
Для отвода поверхностных вод по
периметру здания выполнить асфальтобетонную отмостку шириной 1000 мм.
Обратную засыпку пазух выполнять ПГС
или непучинистым грунтом с тщательным послойным трамбованием только после
устройства цокольного перекрытия и засыпки грунта внутри здания до проектной
отметки.
Обнаруженные в основании фундаментов
местные включения слабого насыпного или заторфованного грунта, строительного
мусора, выгребных ям, колодцев и т.п., не отмеченные в материалах изысканий,
должны быть расчищены и заполнены бетоном кл. В3.5, с учетом заложения
фундаментов в несущий слой грунта на 100-150мм.
Наружные стены - из газосиликатных
блоков прочностью 800 кг/м3.
Перекрытие - из сборных
железобетонных панелей с круглыми пустотами.
Пустоты по торцам плит должны быть
заделаны на глубину 12 см керамзитобетоном плотностью 600 кг/м3 в заводских
условиях.
Панели покрытия укладывать на стены
по выровненному слою цементного раствора М-100. Швы между панелями заделывать
раствором М-100 с тщательным вибрированием. Необходимые отверстия в панелях для
пропуска сетей инженерного оборудования просверлить по месту, не нарушая
несущих ребер с последующей заделкой их цементным раствором М-100 или бетоном
марки не ниже В12.5. При производстве работ и осуществлении надзора за
строительством, особое внимание должно быть обращено на тщательную заделку
цементным раствором швов между панелями покрытий, а также панелями и стенами с
обязательным составлением актов на скрытые работы по заполнению швов.
Анкеровка панелей перекрытия и
покрытия на наружных и внутренних стенах (между собой) выполняется через один
шов, согласно типовым деталям серии 2.240-1 в.6 Анкерные связи сваривать при
плотном зацеплении за монтажные петли (катет шва = 6 мм) с последующим
отгибанием петель и изоляцией всех металлических элементов слоем цементного
раствора толщиной 30 мм.
Минимальное опирание панелей на
стены должно быть: при длине панелей до 2980 мм - не менее 70 мм, свыше 2980 мм
- не менее 100 мм, для панелей длиной 7180 - 120 мм.
Окна - оконные блоки из
поливинилхлоридных профилей с двухкамерным стеклопакетом.
Двери (входные в здание) -
металлические утепленные,
Внешняя и внутренняя отделка здания
Таблица 1.1 - Ведомость отделки
фасадов
|
№
|
Фасад
|
Элементы
фасадов
|
Материал
отделки
|
Колер
|
|
1
|
Все
|
Стены
|
Окраска
фасадной краской TIKKURILA
|
Х397
|
|
2
|
Все
|
Декоративные
элементы (наличники, лопатки, тяги и др.)
|
Окраска
фасадной краской TIKKURILA
|
Белый
|
|
3
|
Все
|
Цоколь
|
Окраска
фасадной краской TIKKURILA
|
L463
|
|
Все
|
Оконные
блоки
|
ПВХ-профили
|
Дуб
натуральный
|
|
Е-А
|
Входные
двери
|
Заводская
порошковая окраска
|
2001
(каталог RAL)
|
|
1-3
|
Входной
тамбур
|
Окрашенные
алюминиевые профили
|
2001
(каталог RAL)
|
|
В-А,
3-1 и А-В
|
Витражи
|
Окрашенные
алюминиевые профили
|
2001
(каталог RAL)
|
|
А-В
|
Входные
двери
|
Окрашенные
алюминиевые профили
|
2001
(каталог RAL)
|
|
4
|
Все
|
Кровля
|
Мягкая
черепица KATEPAL (Катрилли)
|
Кора
дерева
|
|
5
|
Все
|
Подшивка
карниза на отм. 7,540 обрамления фронтов и карниза входного тамбура
|
|
Белый
|
|
6
|
Все
|
Подшивка
карниза на отм. 9,680
|
Окраска
эмалью по металлу
|
2001
(каталог RAL)
|
|
Все
|
Наруж.
Металлические лестницы, ограждение кровли, каркасы и стойки навесов над
входами
|
Окраска
эмалью по металлу
|
7030
(каталог RAL)
|
|
Все
|
Водосточная
система
|
Пластик
заводской окраски
|
Белый
|
|
|
Облицовка
площадок и ступеней крылец
|
|
|
Отделочные работы выполняются в соответствии с
действующими нормами.
Наружные стены здания пристройки выполнены
кладкой из стеновых блоков, что позволяет улучшить технико-экономические
показатели. Для утепления наружных стен применены плиты полистирола толщиной
100 мм. В конструкции кровли применяется утеплитель Rockwool РУФ БАТТС толщиной
280 мм.
На всех этажах отделываются помещения и
лестничные клетки: потолки белятся клеевой побелкой, стены на высоту этажа
окрашиваются масляной краской. Полы покрываются керамической плиткой толщиной
13 мм.
Стены санузлов облицовываются глазурованной
плиткой на всю высоту помещения.
Инженерное оборудование здания
Проектом принята объединенная система
хозяйственно-питьевого и противопожарного назначения. Наружные сети водопровода
выполняются из чугунных труб Ø 100 мм
по ГОСТ 9583-75*.
Сброс стоков запроектирован в существующую
канализационную сеть.
В здании предусмотрена система воздушного и
централизованного отопления.
Помимо вентиляции с естественным побуждением в
здании запроектирована система приточной вентиляции, совмещенная с воздушным
отоплением.
Электроснабжение принято от трансформаторной
подстанции.
Проектом предусмотрены телефонизация,
радиофикация, пожарная автоматическая сигнализация. Извещение происходит через
шумовое и световое предупреждение.
Описание генплана
Генеральный план выполнен в соответствии с
основными требованиями норм и правил проектирования, качества градостроительных
решений в увязке с существующей застройкой и окружающей средой.
«Отель «на Ваге» расположен на ул. Набережной.
Предусмотрена гостевая парковка, находящаяся перед зданием, на которой одно
машиноместо предусмотрено для автомобилей МГН. Так как круговой проезд
невозможен, устраиваются разворотные площадки.
Уровень пола первого этажа принят за
относительную отметку + 0.000 и соответствует абсолютной отметке 78.20 м в
Балтийской системе координат.
Главный фасад ориентирован на северо-запад.
Вертикальная планировка участка выполнена с
учетом организации нормального отвода поверхностных вод от здания в пониженные
места естественного рельефа и ливневую канализацию.
Благоустройство
Комплекс работ по благоустройству
предусматривает устройство асфальтобетонных проездов и тротуаров. Пешеходный
тротуар по ул. Набережной покрыт брусчаткой. Обустройство малыми архитектурными
формами, посадка деревьев и кустарников, устройство газонов.
В качестве плодородного слоя для газонов
используется почвенный покров, снятый с площадки участка, привозной грунт.
Работы по озеленению должны выполняться только
после расстилки растительного грунта, устройства проездов, тротуаров, дорожек,
площадок и оград, и уборки остатков строительного мусора после их
строительства.
Растительный грунт, сохраняемый для
благоустройства территорий в естественном состоянии, должен подготавливаться
для проведения работ по озеленению территории в соответствии с агротехническими
требованиями, наиболее соответствующими климатическим условиям подрайона, в
котором размещается проектируемый объект.
Работы по озеленению территорий следует
производить в зависимости от климатических условий подрайонов.
Малые архитектурные формы придают объекту
законченность и своеобразие. При проектировании необходимо органически вписать
в единый ансамбль здание и зеленые насаждения.
Содержание малых архитектурных форм должно
предусматривать их нормальную эксплуатацию. Малые архитектурные формы и
оборудование должны иметь хороший внешний вид: окрашены, содержаться в чистоте,
и находится в исправном состоянии. Их цветовое решение должно вносить в
городскую застройку жизнерадостный колорит и разнообразие.
Для предупреждения вреда окружающей среде, а
также утилизации отходов должны соблюдаться требования охраны окружающей среды,
санитарных правил, утвержденных в установленном порядке.
Технико-экономические показатели здания
Строительный объем - 3220
.
Площадь застройки - 280
.
Общая площадь - 1420
.
2. РАСЧЕТНО-КОНСТРУКТИВНЫЙ РАЗДЕЛ
.1 Расчет ригеля монолитной рамы
Рисунок 2.1 - Монолитная рама по оси
Б
Здание относится к нормальному
уровню ответственности в соответствии с ГОСТ «Надежность строительных
конструкций и оснований», следовательно коэффициент надежности по
ответственности γn
=1.
Нагрузками, действующими на
поперечную раму являются:
постоянная нагрузка от
массы пола и перекрытий, собственной массы несущих конструкций покрытия, от
перегородок;
временная нагрузка от людей
и оборудования;
Сбор нагрузок на плиту перекрытия
представлен в таблице 2.1.
Таблица 2.1 - Сбор нагрузок на 1 м2
перекрытия первого этажа, кН/м²
|
Вид
нагрузки
|
Нормативное.
Значение нагрузки, кПа
|
γf
|
Расчетное
значение, кПа
|
|
1.
Постоянная
|
|
|
-
Конструкция чистого пола
|
0,20
|
1,1
|
0,22
|
|
-
Цементно-песчаная стяжка 1800 кг/м 50мм0,91,10,99
|
|
|
|
|
-
Ж/б многопустотная плита приведенная толщина бетона 126мм 0,126х2500 = 315
|
3,15
|
1,1
|
3,47
|
|
-
от веса перегородок
|
0,5
|
1,3
|
0,65
|
|
-
подвесной потолок
|
0,3
|
1,1
|
0,33
|
|
Итого:
|
gn
= 5,05
|
|
g
= 5,66
|
|
2.
Временная.
|
|
|
-
Временная кратковременная (от людей и оборудования):
|
1,5
|
1,3
|
1,95
|
|
Итого:
|
pn
= 7
|
|
р=7,61
|
Собственный вес ригеля учтен в расчетном
комплексе. Производим статический расчет рамы в программе SCAD. Момент и
поперечную силу берем из результатов расчета.
.2 Проверка прочности ригеля в осях 3/1-4/1 по
сечению 1-1по нормальным сечениям
Исходные данные:
Рисунок 2.2 - Схема армирования
ригеля
Высота ригеля h=500 мм, ширина
ригеля b=400 мм, а=37,5 мм, а’=31 мм;
Верхняя арматура 4 Æ 25 А400 As
=19,63 см2 (Rs=355 МПа);
Нижняя арматура 2 Æ 25 А400, 2 Æ 12 А240,
As’=12,08 см2(Rs=355 МПа);
Поперечная арматура Æ 10 А240 с
шагом 150 мм у опоры и 200мм по всей длине ригеля;
Класс бетона В 20 (Rb=11,5 МПа);= -
117,45 кН*м (момент определен по статическому расчету рамы);
где Rs - расчетное сопротивление
продольной арматуры растяжению (принимаемое по таблице 2.6 СП 52-110-2003) ,-
расчетное сопротивление бетона сжатию (принимаемое по таблице 2.2 СП
52-110-2003)- площадь поперечного сечения верхней продольной арматуры.
= h - a = 500 - 37,5 = 462,5 мм
(2.1)
Согласно пункту 3.18 СП 52-110-2003
определяем высоту сжатой зоны x:

(2.2)
где Rsс - расчетное сопротивление
продольной арматуры сжатию (принимаемое по таблице 2.6 СП 52-110-2003)
По таблице 3.2 СП 52-110-2003
находим ξR

.
Так как ξ = x/h0 =
120/462,5 = 0,26 < ξR = 0,531
Прочность сечения проверяем из
условия:


.3)
Прочность ригеля обеспечена.
.3 Проверка прочности рамы по наклонным сечениям
.3.1 Проверка прочности ригеля в осях 3/1-4/1 на
действие поперечных сил по сечению 2-2
Поперечная сила в сечении ригеля Q = - 110,65 кН
(определена по статическому расчету рамы).
Расчет изгибаемых элементов по наклонному
сечению производят из условия:
< Qb + Qsw , согласно пункту 3.31 СП
52-110-2003, (2.4)
где Q - поперечная сила в наклонном сечении с длиной
проекции с от внешних сил, расположенных по одну сторону от рассматриваемого
наклонного сечения; при вертикальной нагрузке, приложенной к верхней грани
элемента, значение Q принимается в нормальном сечении, проходящем на расстоянии
с от опоры; при этом следует учитывать возможность отсутствия временной
нагрузки на приопорном участке длиной с;- поперечная сила, воспринимаемая
бетоном в наклонном сечении;- поперечная сила, воспринимаемая хомутами в
наклонном сечении.
Поперечную силу, воспринимаемую бетоном в
наклонном сечении определяем по формуле 3.45 СП 52-101-2003:

, (2.5)
где 
(2.6)
где h0 = h - a = 500 - 37,5 =
462,5 мм; (2.7)- расчетное сопротивление бетона на осевое растяжение для
предельных состояний первой группы, определяем по таблице 2.2 СП
52-101-2003.=0,90 Мпа
Значение с= h0 определяют согласно
пункта 3.32 СП 52-101-2003.

(2.8)
Поперечную силу, воспринимаемую
поперечной арматурой в наклонном сечении определяем по формуле:

, (2.9)
Где cо - длина проекции наклонной
трещины, принимаемая равной с, но не более 2ho.- усилие в хомутах на единицу
длины элемента, равное
, (2.10)
где 
- расчетное сопротивление
поперечной арматуры растяжению (принимаемое по таблице 2.6 СП 52-110-2003),

- площадь сечения поперечной
арматуры,- шаг поперечной арматуры.

(2.11)
Т.к. поперечная арматура Æ 10 А240 ( АI)
с шагом 150 мм у опоры, 4 арматурных каркаса Asw= 3,14 см2 = 0,000314 м2;

(2.12)
Проверку прочности производим из
условия:

(2.13)
Прочность обеспечена
.3.2 Проверка прочности ригеля в
осях 3/1-4/1 на действие моментов по сечению 2-2
Момент в сечении ригеля M = - 117,45
кН*м.
Расчет железобетонных элементов по
наклонным сечениям на действие момента производят из условия:
≤ Ms +Msw, (2.14)
где М - момент в наклонном сечении с
длиной проекции с на продольную ось элемента, определяемый от всех внешних сил,
расположенных по одну сторону от рассматриваемого наклонного сечения,
относительно конца наклонного сечения, противоположного концу, у которого
располагается проверяемая продольная арматура, испытывающая растяжение от
момента в наклонном сечении;- момент, воспринимаемый продольной арматурой,
пересекающей наклонное сечение, относительно противоположного конца наклонного
сечения;- момент, воспринимаемый поперечной арматурой, пересекающей наклонное
сечение, относительно противоположного конца наклонного сечения.

(2.15)
где zs - плечо внутренней пары сил:

; (2.16)

- усилие в продольной растянутой
арматуре:

(2.17)
Определим Мs:

(2.18)
Момент для поперечной арматуры,
нормальной к продольной оси элемента, определяем по формуле:

, (2.19)
Значение с= h0 определяют согласно
пункта 3.32 СП 52-101-2003.

- смотри формулу 2.11
Усилие в поперечной арматуре:

(2.20)
Определим момент:
Проверку прочности производим из
условия:
Прочность обеспечена.
.4 Расчет свайного фундамента
.4.1 Общие данные
Рисунок 2.3 - План свайного поля
Рисунок 2.4 - Разрез по зданию
Рисунок 2.5 - Состав пола
По результатам лабораторных и
полевых исследований грунтов в геологическом разрезе площадки выделены
следующие инженерно-геологические элементы (ИГЭ):
ИГЭ-1. Песок мелкий коричневый
средней плотности маловлажный (lgIIIvd). Мощность 3,2-3,8 м;
ИГЭ-2. Супесь коричневая пластичная
(lgIIIvd). Мощность 2,6-3,4 м;
ИГЭ-3. Суглинок серый тугопластичный
с единичными включениями гравия (lgIIIvd). Вскрытая мощность 5,6-9,2 м.
Основные физико-механические
свойства грунтов приведены в таблице 2.2.
Таблица 2.2 - Физико-механические
свойства грунтов
|
№
ИГЭ
|
Наименование
|
Показатели
|
|
Грунта
|
Характеристика
|
По
статическом. зондирован.
|
По
лабораторн. испытаниям
|
По
таблице СП [3]
|
|
1
|
Песок
мелкий коричневый средней плостности маловлажный
|
Удельное
сцепление (С), кПа
|
-
|
-
|
-
|
|
|
Угол
внутреннего трения (j), град.
|
31
|
-
|
-
|
|
|
Модуль
деформации (Е), МПа
|
19
|
-
|
-
|
|
2
|
Супесь
коричневая пластичная
|
Удельное
сцепление (С), кПа
|
-
|
17
|
13
|
|
|
Угол
внутреннего трения (j), град.
|
-
|
25
|
24
|
|
|
Модуль
деформации (Е), МПа
|
-
|
15
|
17
|
|
3
|
Суглинок
серый тугопластичный с единичными включениями гравия
|
Удельное
сцепление (С), кПа
|
40
|
39
|
30
|
|
|
Угол
внутреннего трения (j), град.
|
26
|
21
|
22,3
|
|
|
Модуль
деформации (Е), МПа
|
35
|
16
|
21
|
2.4.2 Сбор нагрузки на фундамент
Таблица 2.3 - Сбор нагрузок на 1 м2 покрытия,
кН/м²
|
Вид
нагрузки
|
Нормативное.
значение нагрузки, кПа
|
γf
|
Расчетное
значение, кПа
|
|
Постоянная
нагрузка от покрытия
|
|
|
-Мягкая
черепица m=7.3кг/м2
|
0,073
|
1,3
|
0,095
|
|
-
Обшивка ОSB 650 кг/м 18мм0,1171,20,14
|
|
|
|
|
-Обрешетка,
термопрофиль СА-70-1.5, А= 0,00035, шаг 300мм 7850 кг/м , 0,0911,10,1
|
|
|
|
-Стропильная нога, швеллер №18, шаг
1м,
7850 кг/м
,
|
0,111,10,121
|
|
|
|
|
-
Утеплитель rookwool РУФ БАТТС 140 кг/м 250мм0,351,20,42
|
|
|
|
|
Итого:
|
gn
= 0,741
|
|
g
= 0,876
|
|
2)
Временная.
|
|
|
-
снеговая по СП 20.13330.2011 S0 = 0,7 ce ct m Sg=0,7∙1∙1∙1∙3,2
|
2,24
|
1,4
|
3,136
|
|
Итого:
|
|
p
= 4,012
|
Таблица 2.4 - Сбор нагрузок на 1 м2 перекрытия
первого и второго этажа, кН/м²
|
Вид
нагрузки
|
Нормативное.
значение нагрузки, кПа
|
γf
|
Расчетное
значение, кПа
|
|
1.
Постоянная
|
|
|
-
Конструкция чистого пола
|
0,20
|
1,1
|
0,22
|
|
-
Цементно-песчаная стяжка 1800 кг/м 50мм0,91,10,99
|
|
|
|
|
-
Ж/б многопустотная плита приведенная толщина бетона 126мм 0,126х2500 = 315
|
3,15
|
1,1
|
3,47
|
|
-
от веса перегородок
|
0,5
|
1,3
|
0,65
|
|
-
подвесной потолок
|
0,3
|
1,1
|
0,33
|
|
Итого:
|
gn
= 5,05
|
|
g
= 5,66
|
|
2.
Временная.
|
|
|
-
Временная кратковременная (от людей и оборудования):
|
1,5
|
1,3
|
1,95
|
|
Итого:
|
pn
= 7
|
|
р=7,61
|
Сосредоточенная нагрузка от конструкции кровли и
снега:
.012*Sгруз=4.012*14.95=60кН
Сосредоточенная нагрузка от перекрытия второго
этажа:
,61* Sгруз=7.61*5.8*6=264.8кН
Сосредоточенная нагрузка от перекрытия первого
этажа:
,61* Sгруз=7.61*5.8*6=264.8кН
Собственный вес колонны:
кг/м3*0.4м*0.4м*7.4м=0,3кН
Собственный вес ригеля:
кг/м3*0.4м*0.5м*6м=0.3кН=60+264.8*2+0.3+0.3=590.2
Распределенную нагрузку на квадратный метр
привели к линейной и произвели статический расчет рамы в программе. Из расчета
взяли опорные реакции на фундамент под наиболее загруженной колонной.=590,2кН=19,62кН/м=19кН
2.5 Расчет свайного фундамента
Рисунок 2.6 - Схема приложения нагрузок на
фундамент
Способ определения несущей способности сваи:
расчётом (коэффициент надежности по грунту Gk=1.4)
Тип сваи: висячая забивная.
Тип расчета: проверить заданный.
Способ расчета: расчет на вертикальную нагрузку
и выдергивание.
Исходные данные для расчета:
Несущая способность сваи (без учета Gk) (Fd)
31,09 тс
Несущая способность сваи на выдергивание (без
Gk) (Fdu) 7,3 тс
Диаметр (сторона) сваи 0,3 м
Высота фундамента (H) 0,6 м
Длина сваи 7м
Расположение свай:
Свая - 1 X=0,5 м Y=0,5 м
Свая - 2 X=0,5 м Y=1,55 м
Свая - 3 X=1,55 м Y=1,55 м
Свая - 4 X=1,55 м Y=0,5 м
Рисунок 2.7 - Схема расположения свай
Расчетные нагрузки на фундамент приведены в
таблице 2.5
Таблица 2.5 - Расчетные нагрузки
|
Наименование
|
Величина
|
Ед.
измерения
|
Примечания
|
|
N
|
7
|
тс
|
|
|
My
|
1.96
|
тс*м
|
|
|
Qx
|
1.92
|
тс
|
|
|
Mx
|
0
|
тс*м
|
|
|
Qy
|
0
|
тс
|
|
|
q
|
0
|
тс*м2
|
|
Выводы:
Коэффициент использования несущей способности
ростверка K= 0,36
Максимальная нагрузка на сваю 7,99 тс (без учета
коэффициента Gk=1.4)
.99/1.4 = 5.7тс
В ростверке 4 сваи.
Несущая способность куста свай составляет 4х5.7тс
=22.8тс, что больше приложенной нагрузки 5,9тс, приходящей на фундамент.
Минимальная нагрузка на сваю -0,71 тс
Принятый коэффициент надежности по грунту Gk=
1,4
Расчетные моменты на уровне подошвы фундамента:
Mx= 7,17 тс*м, My= -4,06 тс*м
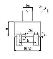
.5.1 Конструирование ростверка
Таблица 2.6 - Геометрические характеристики
конструкции:
|
Заданная
длина подошвы (A)
|
1,5
м
|
|
Заданная
щирина подошвы (B)
|
1,5
м
|
|
Площадка
опирания колонны (стены) вдоль Х (bs)
|
0.5
м
|
|
Площадка
опирания колонны (стены) вдоль Y (as)
|
0.5
м
|
|
Защитный
слой арматуры подошвы (zn)
|
5
см
|
|
Класс
бетона (Rb)
|
B15
|
Ростверк прямоугольного вида.
Высота ростверка 1м.
Рисунок 2.8 - Схема ростверка
По расчету на продавливание сваей несущей
способности ростверка ДОСТАТОЧНО.
По расчету на продавливание угловой сваей
несущей способности ростверка ДОСТАТОЧНО.
Подошва столбчатого ростверка
Рабочая арматура вдоль Х: 15Æ12
A 400, шаг 100мм
По прочности по нормальному сечению армирование
ДОСТАТОЧНО.
Подошва столбчатого ростверка
Рабочая арматура вдоль Y: 15 Æ12
A 400, шаг 100мм
По прочности по нормальному сечению армирование
ДОСТАТОЧНО.
Сеток в зоне передачи нагрузки на ростверк по
расчету на местное смятие не требуется.
Сечение по свайному фундаменту представлено на
рисунке 2.9.
Рисунок 2.9 - Фундамент
3. ТЕХНОЛОГИЧЕСКИЙ РАЗДЕЛ
.1 Область применения
Технологической картой предусмотрено
устройство свайного основания фундамента и монолитного железобетонного
ростверка с проведением сопутствующих работ.
Размер здания в плане 17,8х11,78 м,
высота в коньке 12,34 м.
Материалы - бетон для монолитных
ростверков В-15, сборные конструкции (сваи забивные марки СНпр7-30 по ГОСТ
19804.2-79) доставляются на строительную площадку с завода ЖБИ автотранспортом.
Грунт под подошвой фундамента -
суглинок.
.2 Состав работ
В состав работ, рассматриваемых в
технологической карте, входят:
разработка котлована;
погружение свай;
установка опалубки ростверка;
установка арматурных сеток и
каркасов ростверка;
монолитные работы;
снятие опалубки;
гидроизоляция;
обратная засыпка котлована;
трамбование.
.3 Технология и организации
выполнения работ
К началу устройства фундаментов на
строительной площадке должны быть закончены планировочные работы, уложены
коммуникации, устроены постоянные и временные дороги, завезены строительные
детали, инвентарь, устроены временные сооружения, подведены вода и
электроэнергия, освидетельствованы и приняты открытые траншеи, в необходимых
местах установлены реперы с отметками и обносками с вынесенными на них осями
здания.
До начала работ по забивке свай
должен быть составлен и согласован с заводом изготовителем график поставки
комплектов свай на строительную площадку.
Поставляемые на объект сваи должны
иметь сопроводительную документацию на каждую партию свай в соответствии с
требованиями.
Складирование элементов свай по
номенклатуре на стройплощадки должно производиться в штабеля. Элементы свай в
штабеле допускается укладывать в два ряда по пять штук.
Для забивки свай могут
использоваться подвесные молоты, дизель-молоты (штанговые и трубчатые) и
паровоздушные молоты. Рекомендуется преимущественно по пользовать штанговые
дизель-молоты.
После установки сваи на точку
забивки отклонение острия сваи от проектного положения в плане должно быть не
более 1 см. Копровая стрела и свая должны быть приведены в вертикальное
положение с соблюдением соосности сваи и молота.
Начало погружения сваи должно
производиться одиночными ударами с небольшой высоты падения ударной частью
молота. При этом особенно строго необходимо следить за правильным положением
элемента как в плане, так и по вертикали. К полной забивке можно переходить
только после того, как будет обеспечено погружение элемента в заданной точке и
в заданном направлении.
В процессе забивки сваи должно
вестись наблюдение за соответствием скорости погружения характеру грунтовых
пластований. Быстрое погружение сваи
<#"902728.files/image044.gif">
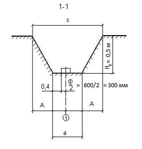
Рис.3.1 - Схемы ростверков и котлована.
Рисунок 3.2 - Сечения ростверков
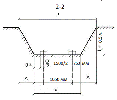
Для сечения 1-1
а = 0,3 + 0,4*2 = 1,1 м.
Крутизна откоса 1:m = 1:0.
Угол откоса: 45˚.
А = 0 м.
Разработка грунта в выемках с вертикальными
стенками без креплений допускается на глубину не более, м: 1,5 - в суглинках и
глинах. СП 12-135-2003 «Безопасность труда в строительстве».
с = а = 1,1 м.
Для сечения 2-2
а = 1050 + 750*2 + 400*2 = 3350 мм = 3,35 м.
Рисунок 3.3 - Схема по дну котлована
А = а = 3,35 м.
Рисунок 3.4 - Схема по верху котлована
Определим объём котлована, м3:
,
где
-площадь дна котлована, м2.
- площадь верха котлована, м2.
к = (255+255)*0,5/2 = 127,5 м3.
.5.2 Подготовительные работы.
Согласно рабочих чертежей
принимаются 5 % от объема от основных работ.
Состав работ: корчевка пней,
удаление валунов и расчистка кустарников, срезка растительного слоя, устройство
водотоков, ограждение территорий, устройство дорог, временных зданий и
сооружений и т.д.
.5.3 Земляные работы
) Срезка растительного слоя
=0,2*255=51 м3.
) планировка дна котлована
механизированным способом
= 0,14*255=35,7 м3.
) планировка дна котлована вручную
=0,06*255=15,3 м3.
) объем разработки грунта для
экскаватора.
э = Vк - Vр.сл. - Vмех.сп. - Vр.пл.
= 57,35 - 23 - 16,06 - 7 = 11,3 м3.
) объем обратной засыпки
Рисунок 3.5 - Схема обратной засыпки
грунта
а - под наружными стенами, б - под
внутренними стенами.
о.з.=Vо.з.*(1+Кр)]/(1+К0)=110,18*(1+0,24)]/(1+0,06)=129
м3.
К0=0,06; Кр=0,24.
ЕНиР Сборник Е2. Земляные работы.
Выпуск 1. Механизированные и ручные земляные работы (ЕНиР Сборник Е2. Земляные
работы. Выпуск 1. Механизированные и ручные земляные работы
<#"902728.files/image059.gif">;
Определяем сменную эксплуатационную
производительность экскаватора:
где
продолжительность смены в минутах,
;
число циклов работы экскаватора в
минуту в данном варианте;
Ц =
;
- продолжительность цикла, с.
коэффициент наполнения ковша в
данном варианте;
коэффициент использования времени в
данном варианте.
=0,85,
=0,60.
Ц =
=3,75.
м3/см.
Определяем марку автосамосвалов и их
количество:
;
где
- количество ковшей входящих в
автосамосвал,
;
- емкость ковша в данном варианте;
- плотность грунта;
= 2,03 т/м3,
- коэффициент первоначального
разрыхления,
Кр = 15.треб = (nковш*
*Vковш)/(1+Кр)
= (5*2,03*1)/(1+0,15) = 8,8 т.
Принимаем КАМАЗ 5511 10т =>
= (Qтреб*(1+ Кр))/(
* Vковш) =
(10*(1+ 0,15))/(2,03* 1) = 5,7≈ 6
Определяем требуемое количество
автосамосвалов:
.
где
время погрузки,
,
количество ковшей, входящих в
автосамосвал в данном варианте;
число циклов работы экскаватора в
данном варианте,
время маневра, tм=1,5c;
время движения самосвала.
время разгрузки,
.
Рассчитываем время погрузки
п = 5/3,75 =
1,3 мин.
Рассчитываем продолжительность
одного рабочего цикла самосвала
ц = 1,3 + 1,5 + 2*4,8*60/22 + 2 = 31
мин; =>Nтр = 31/(1,3+1,5) = 11,1=>
=> 12 машин;
Вывод: выбираем экскаватор ЭО-4321,
оборудованный обратной лопатой с ковшом со сплошной режущей кромкой и
гидравлическим приводом и 10 автосамосвалов КамАЗ-5511.
Технические характеристики
экскаватора представлены в таблице 6.
Таблица 3.2 Технические
характеристики экскаватора ЭО-4321
|
Наименование
показателя
|
Марка
экскаватора
|
|
ЭО-4321
|
|
Максимальный
радиус копания, мм
|
6900
|
|
Максимальная
высота выгрузки, мм
|
5000
|
|
Максимальная
глубина копания, мм
|
4000
|
|
Вместимость
ковша, 1
|
|
|
Эксплуатационная
масса, т
|
19,2
|
Автосамосвал КамАЗ 5511, грузоподъёмность 10 т.
.8 Выбор сваебойного агрегата
Выбор дизель-молота:
) Масса сваи, m2:=1,6 т.
) Определяем минимальную энергию удара, Дж:
где:
;
несущая способность сваи, т.=
1,75*25*31,09 = 1360,2 Дж.
Принимаем трубчатый дизель-молот,
масса ударной части 1,25 т.
) Определяем отношение массы молота,
к массе сваи:
где:
масса ударной части молота;/m2 =
1,25/1,6 =0,78 - подходит, т.к. принадлежит промежутку
;
Значит, принимаем трубчатый
дизель-молот с водяным охлаждением С-995.
Технические характеристики
представлены в таблице 3.3.
Таблица 3.3 Технические
характеристики дизель-молота.
|
Тип
и марка молота
|
Масса
ударной части, т
|
Энергия
одного удара, Дж
|
Общая
масса молота, т
|
Число
ударов в 1 минуту
|
Высота
подъёма ударной части молота, м
|
|
С-995
|
1,25
|
22500
|
2
|
43…55
|
3,0
|
) Определяем расчётную энергию удара, кДж:
для трубчатого:
где
Высота подъёма ударной части
молота, м;= 0,9*1,25*3*9,8 = 33,1 кДж.
) Выполняем проверку:
где: m3=0,4;
коэффициент.
Для свай из железобетона и для
трубчатого дизель-молота
.
(1,25+1,6+0,4)/33,1 = 0,1≤0,6
выполняется.
) Определяем расчётный отказ сваи:
;
где:
коэффициент;
расчётная энергия удара,
;
несущая способность сваи,
;
коэффициент восстановления удара,
;
масса ударной части молота;
) Выбор марки копра:
По длине сваи и по грузоподъёмности
принимаем копёр КО-16. Технические характеристики приведены в таблице 3.4.
Таблица 3.4 Технические
характеристики самоходной копровой установки КО-16.
|
Тип
и марка копровой установки
|
Радиус
действия, м
|
Базовая
машина
|
Максимальная
длинна погружаемой сваи, м
|
Грузо-подъемность,
т
|
Масса
установки, т
|
Произво-дительность
в смену,
|
|
КО-16
|
7
|
Э-1011-Д
|
12,0
|
8,0
|
23,8
|
23
|
8) Определяем необходимую высоту направляющей
стрелы копра:
;
где:
длинна сваи;
Нcr = 0,5 + 7,25 + 6,5 = 14,25 м.
) Определяем время забивки одной
сваи:
мин.
) Для подачи, складирования и
переворачивания свай принимаем кран К-162 на выносных опорах. Технические
характеристики приведены в таблице 3.5.
Таблица 3.5 Технические
характеристики крана на выносных опорах
|
Длина
стрелы
|
18м
|
|
Грузоподъёмность
при наименьшем вылете стрелы
|
8,15
т
|
|
Грузоподъёмность
при наибольшем вылете стрелы
|
0,85
т
|
|
Вылет
стрелы наименьший
|
5
м
|
|
Вылет
стрелы наибольший
|
16
м
|
|
Высота
подъёма крюка при наименьшем вылете стрелы
|
18,5
м
|
|
Высота
подъёма крюка при наибольшем вылете стрелы
|
12,8
м
|
|
Марка
двигателя
|
ЯАЗ-206А
|
|
Мощность
|
180
л. с.
|
|
Общая
установленная мощность электродвигателя
|
36
кВт
|
|
Общий
вес крана
|
21,8
т
|
.9 Определение трудоемкости и продолжительности
работ.
Калькуляция трудозатрат представлена в таблице
3.6.
Таблица 3.6 Калькуляция трудозатрат и заработной
платы.
|
Земляные
работы
|
|
|
§
ЕНиРа
|
Описание
работ
|
V
работ
|
Норма
времени, чел-ч (маш-ч)
|
Трудо-
емкость, чел-час (маш-час)
|
Расцен-ки,
руб
|
З/П,
руб
|
|
|
|
ед.
изм
|
кол-во
|
|
|
|
|
|
|
Е2-1-5
|
Срезка
растительного слоя
|
1000
м2
|
2,13
|
1,4
(1,4)
|
2,982
(2,982)
|
1-48
|
3-15
|
Машинист
6р-1ч
|
|
Е2-1-11
таблица 7 пункт 5а Разработка котлована 100
1,281,9
(1,9)
2,43
(2,43)
2-012-57Машинист 6р-1ч
Помощник
Е2-1-35
пункт 4б Предварительная планировка площадей бульдозером 1000
0,260,14
(0,14)
0,036
|
(0,036)
0-14,80-0,4Машинист 6р-1ч
|
|
|
|
|
|
|
Е2-1-60
пункт 2б Планировка дна котлована вручную 100
2,612,5
(-)
32,5
(-)
8-0020-8Землекоп
Е2-1-34
пункт 9б, д Обратная засыпка 100
1,320,36
(0,36)
0,48
|
(0,48)
0-38,10-50Машинист 6р-1ч
|
|
|
|
|
|
|
Е2-1-59
таблица 3 пункт 1а k=1,2 Уплотнение грунта 100
6,572,76
(-)
18,13
(-)
1-9312-68Землекоп
|
3р-1ч
|
|
|
|
|
|
|
|
|
Итого:
=56,56
чел-час (5,93 маш-час) =39-74
руб.
|
|
Свайные
работы
|
|
Е12-83
|
Подача
свай на эстакаду копра автомобильным краном
|
100
свай
|
0,56
|
29,1
(9,7)
|
16,3
(5,43)
|
22-41
|
12-55
|
Машинист
крана 5р-1ч Такелажники на монтаже 3р-2ч
|
|
Е12-83
|
Складирование
свай автомобильным краном
|
100
свай
|
0,56
|
22,2
(7,4)
|
11,1
(4,14)
|
17-09
|
9-57
|
Машинист
крана 5р-1ч Такелажники на монтаже 3р-2ч
|
|
Е12-83
|
Переворачива-ние
свай автомобильным краном
|
100
свай
|
0,56
|
28,4
(7,1)
|
15,9
(3,98)
|
21-37
|
11-97
|
Машинист
крана 5р-1ч Такелажники на монтаже 3р-3ч
|
|
Е12-97
|
Разметка
свай краской по длине через 1 м
|
100
м свай
|
0,85
|
1,2
(-)
|
1,02
(-)
|
0-84
|
0-71
|
Копровщик
3р-1ч
|
|
Е12-28
таблица 2 пункт 4ж
|
Вертикальное
погружение свай
|
1
свая
|
56
|
1,83
(0,61)
|
102,48
(34,16)
|
1-72
|
96-32
|
Машинист
копра 6р-1ч Копровщик 5р-1ч и 3р-1ч
|
|
Е12-89
|
Смена
наголовника
|
1
наголовник
|
6
|
-
(0,37)
|
-
(2,22)
|
0-84,4
|
5-06
|
Машинист
копра 6р-1ч Копровщик 5р-1ч и 3р-1ч
|
|
Е12-39
|
Срубка
голов одиночных свай
|
1
свая
|
12
|
0,2
(-)
|
2,4
(-)
|
0-14
|
1-68
|
Бетонщики
3р-2ч
|
|
Е12-40
пункт 2а
|
Отгибание
стержней арматурного каркаса сваи
|
100
стержней
|
2,24
|
2,1
(-)
|
4,7
(-)
|
1-41
|
3-16
|
Арматурщики
3р-1ч и 2р-1ч
|
|
Итого:
=153,9
чел-час (49,93 маш-час) =141-02
руб.
|
|
Опалубочные
работы
|
Е4-1-34
пункт 2а Установка щитовой деревянной опалубки 1
183,20,5193,430-36,566-87Плотники
Е4-1-34
пункт 2б Разборка щитовой деревянной опалубки 1
183,20,1323,820-08,715-94Плотники
|
3р-1ч
и 2р-1ч
|
|
|
|
|
|
|
|
|
Итого:
=117,25
чел-час =82-81
руб.
|
|
Арматурные
работы
|
|
Е4-1-44Б
таблица 3 пункт б
|
Установка
каркасов вручную
|
1
каркас
|
238
|
0,24
|
57,12
|
0-15,8
|
37-60
|
Арматурщики
3р-1ч и 2р-2ч
|
|
Итого:
=57,12
чел-час =37-60
руб.
|
|
Бетонные
работы
|
|
Е4-1-54
пункт 19
|
Приём
бетонной смеси из кузова автомобиля самосвала с очисткой кузова
|
100 0,1458,21,195-250-76Бетонщики
2р-1ч
|
|
|
|
|
|
|
Е4-1-49Б Укладка
бетонной смеси в ленточный фундамент шириной 600 мм 1
14,50,233,340-16,42-38Бетонщики
4р-1ч
|
2р-1ч
|
|
|
|
|
|
|
|
|
Итого:
=4,53
чел-час =25-39
руб.
|
|
Погрузочно-разгрузочные
работы
|
|
Е1-15
|
Выгрузка
сборных ж/б изделий весом До 1,5т.
|
100
шт.
|
0,31
|
12,5
(6,3)
|
0,37
(1,95)
|
8-00
|
2-48
|
Машинист
5р-4ч
|
|
Итого:
=0,37
чел-час (1,95 маш-час) =2-48 руб.
|
=389,73 чел-час,
=329-04
руб.
(57,81 маш-час).
.10 График производства работ
Продолжительность работы в днях для
механизированной работы считается по формуле:
где
-продолжительность одной
смены;количество машин;
А - количество смен;
-трудоемкость по калькуляции в
маш-часах.
Продолжительность работы в днях для
ручной работы считается по формуле:
где n - количество человек в
бригаде.
Перевод машино-часов и
человека-часов выполняется путем деления на 8, так как в смене 8 рабочих часов.
Все расчеты приведены таблице 3.9.
Таблица 3.9 Расчёты графика
производства работ
|
Описание
работ
|
Объём
работ
|
Потребные
машины
|
Трудозатраты,
чел-см
|
Состав
звена
|
Количество
смен в сутки
|
Продол-житель-ность
в днях
|
|
|
Единицы
измерения
|
Коли-чест-во
|
Марка
|
Количес-тво
|
маш-см
|
|
|
|
|
|
Подготовительные
работы
|
5%
|
18,51
|
-
|
-
|
-
|
2,31
|
5
|
1
|
0,46
|
|
|
Срезка
раст. слоя
|
1000
м2
|
2,13
|
Бульдо-зер
ДЗ-28
|
1
|
0,37
|
0,37
|
1
|
1
|
0,37
|
|
|
Разработка
котлована экскаватором, обратная лопата
|
100
м3
|
1,28
|
ЭО-4321
|
1
|
0,3
|
0,3
|
2
|
2
|
0,08
|
|
|
Механизированная
разработка дна котлована
|
1000
м2
|
0,26
|
Бульдо-зер
ДЗ-28
|
1
|
0,04
|
0,04
|
1
|
1
|
0,04
|
|
|
Планировка
дна котлована в ручную
|
100
м2
|
2,6
|
-
|
-
|
-
|
4,06
|
3
|
2
|
0,7
|
|
|
Перемещение,
складирование и переворачивание свай
|
100
шт.
|
0,56
|
К-162
|
1
|
1,7
|
5,41
|
4
|
2
|
0,68
|
|
|
Разметка
свай по длине
|
100
м сваи
|
0,85
|
-
|
-
|
-
|
0,13
|
1
|
1
|
0,13
|
|
|
Вертикальное
погружение сваи
|
1
свая
|
56
|
СП-49
к
|
1
|
4,27
|
12,81
|
3
|
2
|
2,14
|
|
|
Смена
наголовника
|
1
наголовник
|
6
|
К-162
|
1
|
0,28
|
-
|
3
|
1
|
0,093
|
|
|
Срубка
голов свай
|
1
свая
|
112
|
-
|
-
|
-
|
0,3
|
2
|
1
|
0,15
|
|
|
Отгиб
стержней
|
100
стержней
|
2,24
|
-
|
-
|
-
|
0,56
|
2
|
1
|
0,3
|
|
|
Установка
деревянной опалубки
|
1
м2
|
183,2
|
К-162
|
1
|
-
|
11,68
|
2
|
2
|
2,92
|
|
|
Установка
арматурных каркасов
|
1
каркас
|
238
|
-
|
-
|
-
|
7,14
|
3
|
1
|
2,38
|
|
|
Приём
бетонной смеси
|
100
м3
|
0,145
|
-
|
-
|
-
|
0,15
|
1
|
1
|
0,15
|
|
|
Укладка
бетонной смеси в опалубку
|
1
м3
|
14,5
|
-
|
-
|
-
|
0,42
|
2
|
1
|
0,21
|
|
|
Уход
за бетоном
|
-
|
-
|
-
|
-
|
-
|
-
|
-
|
-
|
4
|
|
|
Разборка
опалубки
|
1
м2
|
183,2
|
-
|
-
|
-
|
3,0
|
2
|
1
|
1,5
|
|
|
Монтаж
фундаментных блоков
|
-
|
-
|
-
|
-
|
-
|
-
|
-
|
-
|
1
|
|
|
Обратная
засыпка
|
100
м3
|
1,32
|
Бульдо-зер
ДЗ-28
|
1
|
0,06
|
1
|
1
|
0,06
|
|
|
Уплотнение
грунта при обратной засыпке
|
100
м2
|
6,57
|
ИЭ-4502
|
2
|
-
|
2,27
|
2
|
2
|
0,57
|
|
|
|
|
|
|
|
|
|
|
|
|
|
|
|
|
|
|
|
3.11 Потребное количество инструментов,
приспособлений, оборудования
Таблица 3.11 Потребное количество инструментов,
приспособлений, оборудования.
|
Наименование
|
Марка,
техн хар-ки
|
количество
|
назначение
|
|
вибратор
|
вибратор
глубинный электрический диаметр 75мм.
|
1
|
уплотнение
при устройстве монолитных бетонных и жбк
|
|
отбойный
молоток
|
молоток
пневматический отбойный энергия удара 42Дж
|
1
|
скалывание
бетона на жб сваях
|
|
электротрамбовка
|
трамбовка
ручная электрическая масс 81,5 кг
|
2
|
уплотнение
грунта при засыпке пазух
|
|
кувалда
|
кувалда
К4 ГОСТ 11402-75
|
1
|
отгиб
стержней арматуры и жб свай
|
|
кисть
|
кисть
филенчатая КФК8 ГОСТ 10597-80
|
2
|
разметка
свай
|
|
Лопата
совковая
|
тип
ЛС-3 ГОСТ 3620-76
|
6
|
планировка
площадей выемок
|
|
лопата
подборочная
|
тип
ЛП-4 ГОСТ 3620-76
|
6
|
планировка
площадей выемок
|
|
краскораспылитель
|
пневматический
производительностью 1,4л/мин
|
1
|
смазка
щитов опалубки перед установкой
|
|
пила
ручная дисковая
|
глубина
пропила 65см
|
1
|
распиловка
материала и разрезка досок
|
|
рулетка
|
в
закрытом корпусе Л3ПК3-20аут/1 ГОСТ 7502-80
|
2
|
плотничные
работы
|
|
молоток
слесарный
|
весом
0,8 кг ГОСТ 2310-77
|
2
|
плотничные
работы
|
3.12 Потребное количество машин и механизмов
Таблица 3.12 Потребное количество машин и
механизмов.
|
Наименование
машин и механизмов
|
Марка,
тип
|
Характеристики
|
Применение
|
|
Экскаватор
с обратной лопатой
|
ЭО-4321
|
Vк=1м3;
Пэ=918м3/см
|
разработка
котлована
|
|
Бульдозер
|
Т-130
(ДЗ-28)
|
мощность
116,8к Вт (160 л. с.)
|
срезка
растительного слоя
|
|
Копёр
|
СП-49
к
|
lmax=12м,
Q=8т
|
свайные
работы
|
|
Дизель-молот
|
С-995
|
Еh=4800
кгс*м mуд=1,25т
|
забивка
свай
|
|
Автокран
|
К-162
|
lст=22
м, Qmin=5,5 т
|
погрузка
и разгрузка материалов и изделий
|
|
Электротрамбовка
|
ИЭ-4502
|
hупл=40
см, m=81,5 кг
|
уплотнение
грунта
|
|
Вибротрамбовка
|
ИВ-102
|
hр=485
мм; d=75 мм; m=16 кг;
|
уплотнение
бетонной смеси
|
|
Автосамосвал
|
КаМаЗ
5511
|
Q=10
т
|
перевозка
грунта
|
.13 Техника безопасности
а) Земляные работы.
. До начала производства земляных работ в местах
расположения действующих подземных коммуникаций должны быть разработаны и
согласованы с организациями, эксплуатирующими эти коммуникации, мероприятия по
безопасным условиям труда, а расположение подземных коммуникаций на местности
обозначено соответствующими знаками или надписями.
. Производство земляных работ в зоне действующих
подземных коммуникаций следует осуществлять под непосредственным руководством
прораба или мастера, а в охранной зоне кабелей, находящихся под напряжением,
или действующего газопровода, кроме того, под наблюдением работников электро -
или газового хозяйства.
. При обнаружении взрывоопасных материалов
земляные работы в этих местах следует немедленно прекратить до получения
разрешения от соответствующих органов.
. Котлованы и траншеи, разрабатываемые на
улицах, проездах, во дворах населенных пунктов, а также местах, где происходит
движение людей или транспорта, должны быть ограждены защитным ограждением с
учетом требований ГОСТ 23407-78. На ограждении необходимо устанавливать
предупредительные надписи и знаки, а в ночное время - сигнальное освещение.
Места прохода людей через траншеи должны быть
оборудованы переходными мостиками, освещаемыми в ночное время.
. Грунт, извлеченный из котлована или траншеи,
следует размещать на расстоянии не менее 0,5 м от бровки выемки.
. Разрабатывать грунт в котлованах и траншеях
"подкопом" не допускается.
. Валуны и камни, а также отслоения грунта,
обнаруженные на откосах, должны быть удалены.
. При невозможности применения инвентарных
креплений стенок котлованов или траншей следует применять крепления,
изготовленные по индивидуальным проектам, утвержденным в установленном порядке.
. При установке креплений верхняя часть их
должна выступать над бровкой выемки не менее чем на 15 см.
. Устанавливать крепления необходимо в
направлении сверху вниз по мере разработки выемки на глубину не более 0,5 м.
Разборку креплений следует производить в
направлении снизу вверх по мере обратной засыпки выемки.
. Перед допуском рабочих в котлованы или траншеи
глубиной более 1,3 м должна быть проверена устойчивость откосов или крепления
стен.
. Котлованы и траншеи, разработанные в зимнее
время, при наступлении оттепели должны быть осмотрены, а по результатам осмотра
должны быть приняты меры к обеспечению устойчивости откосов или креплений.
. Погрузка грунта на автосамосвалы должна
производиться со стороны заднего или бокового борта.
. При разработке, транспортировании, разгрузке,
планировке и уплотнении грунта двумя или более самоходными или прицепными
машинами (скреперами, грейдерами, катками, бульдозерами и др.), идущими одна за
другой, расстояние между ними должно быть не менее 10 м.
б) Свайные работы.
. При производстве свайных работ не допускаются
боковые колебания наголовника и молота. Зазор между наголовником и направляющей
не должен быть больше 10 мм. При перерывах в работе молот опускают на голову
сваи или опирают на деревянную подставку.
. При работе копровых установок опасной зоной
считают зону, ограниченную окружностью, радиус которой равен полной длине
копровой стрелы плюс 5м с включением линейной зоны шириной 10 м.
. К работе на копровых установках допускают
рабочих не моложе 18 лет, прошедших медицинское освидетельствование. Они должны
знать правила эксплуатации грузоподъемных механизмов, пройти обучение по
технике безопасности и получить соответствующее удостоверение.
. При прогреве грунта в проектах производства
работ разрабатывают мероприятия по предохранению рабочих от увечий. Участки,
где прогревают грунт и выполняют свайные работы, необходимо ограждать для
предотвращения попадания на площадку посторонних лиц.
. При срубке свай выделяют опасные зоны.
Круговая зона вблизи срубаемой сваи должна быть равна длине выступающей над
землей сваи плюс 5 м. Свайные работы осуществляют под руководством
производителя работ или мастера.
в) Опалубочные, бетонные и арматурные работы
Опалубку, применяемую для возведения монолитных
железобетонных конструкций, необходимо изготовлять и применять в соответствии с
проектом производства работ, утвержденным в установленном порядке.