Микропроцессорная система управления зажиганием двигателя внутреннего сгорания

  • Вид работы:
    Дипломная (ВКР)
  • Предмет:
    Информатика, ВТ, телекоммуникации
  • Язык:
    Русский
    ,
    Формат файла:
    MS Word
    2,52 Мб
  • Опубликовано:
    2017-01-19
Вы можете узнать стоимость помощи в написании студенческой работы.
Помощь в написании работы, которую точно примут!

Микропроцессорная система управления зажиганием двигателя внутреннего сгорания

ВВЕДЕНИЕ

В зависимости от способа управления процессом зажигания различают следующие типы систем зажигания: контактная, бесконтактная (транзисторная) и электронная (микропроцессорная).

Электронная система зажигания постепенно вытесняет контактную, так как имеет ряд преимуществ над ней:

·        отказоустойчивость

·        более низкая потребность в обслуживании и настройке

·        обеспечение гораздо большей энергии искры за счет получения намного большего напряжения (до 10 кВ) на вторичной обмотке катушки зажигания. Это происходит благодаря подаче тока через полупроводниковый коммутатор на первичную обмотку катушки зажигания

·        обеспечение существенно лучшей формы и стабильности импульсов во всем диапазоне оборотов двигателя

·        меньшая зависимость от степени износа подшипников первичного вала двигателя (при использовании контактной системы при изношенных подшипниках возможна нестабильная работа из-за некорректного срабатывания кулачков)

·        более качественное сгорание топлива и, соответственно, повышение КПД двигателя

В данной работе рассматривается именно электронная (микропроцессорная) система управления как наиболее перспективная из существующих.

Практически на всей импортной технике электронные блоки управления зажиганием ставили еще с 80-х годов, в то время как отечественные производители от идеи контактного зажигания не уходили вплоть до начала XXI века, а на некоторых моделях - до 2008 года (окончательно). В настоящее время существует множество комплектов для перехода с «контактов» на электронное зажигание, выпускаемое разными фирмами-производителями.

Актуальность темы дипломной работы связана со значительным распространением исследуемого явления, применимого для отечественной техники, и заключается в необходимости разработки рекомендаций по совершенствованию работы исследуемой системы зажигания.

Объектом исследования работы является система зажигания двигателя внутреннего сгорания.

Предметом исследования является микропроцессорная система управления зажиганием двигателем внутреннего сгорания.

Целью работы является разработка микропроцессорной системы управления зажиганием двигателя внутреннего сгорания, повышающей КПД двигателя во всем диапазоне рабочих оборотов за счет более качественного сгорания смеси и, следовательно, уменьшающей потребления топлива, и выбора УОЗ «на ходу», имеющую дополнительные функции, облегчающие пуск двигателя в любые климатические условия, а также не уступающей в плане цена/качество современным аналогам.

Задачами работы в связи с указанной целью являются:

·        обзор существующих систем управления зажиганием

·        разработка структурной схемы системы управления двигателем внутреннего сгорания с учетом плюсов и минусов современных аналогов

·        разработка алгоритма управляющей программы

·        написание управляющей программы

·        внедрение программы в ЭВМ

·        сбор конструкции

·        внедрение системы и проверка работы на практике

Микропроцессорная система, создаваемая в процессе написания работы, должны быть в совокупности дешевле и надежнее предложенных на рынке аналогов.

В дипломной работе широко используются методы исследования:

·        сравнение

·        моделирование

·        теоретический анализ и синтез

На пути к достижению задач необходимо в процессе выполнения дипломной работы решить следующие задачи:

1.       Изучить структуру и схемы существующих систем управления зажиганием

2.       Выяснить, каким способом можно улучшить современные наработки.

.        Составить схему управления зажиганием на основе микропроцессора.

.        Собрать схему на плате.

.        На практике проверить работоспособность и стабильность системы.

Структура дипломной работы обусловлена предметом, целью и задачами исследования. Работа состоит из введения, пяти глав и заключения.

Введение в дипломную работу описывает актуальность, определяет степень научной разработки темы, цель исследования, раскрывает практическую и теоретическую значимость работы.

В первой главе рассматриваются варианты систем управления зажиганием, как штатных (заводских), так и отдельных фирм-производителей.

Во второй главе раскрываются плюсы и минусы рассматриваемых систем и предлагается свой вариант выбора решения поставленной задачи, определяются критерии качества и стабильности работы, производится выбор дополнительных функций.

В третьей главе собственно формируется свой вариант системы на базе микропроцессора, составляются блок-схемы и чертежи, а также программа управления. Все вышеописанное реализуется на плате.

В четвертой главе производится расчет надежности работы системы.

В пятой главе рассматривается совокупность критериев, по которым существует возможность реализации данной системы управления зажиганием для определенных типов двигателей внутреннего сгорания.

ГЛАВА 1. АНАЛИТИЧЕСКИЙ ОБЗОР СУЩЕСТВУЮЩИХ СИСТЕМ УПРАВЛЕНИЯ

Система зажигания предназначена для воспламенения топливно-воздушной смеси внутри цилиндров бензинового двигателя. Воспламенение топливной смеси происходит от искры, поэтому альтернативное наименование системы - искровая система зажигания [1].

В зависимости от типа управления процессом зажигания разделяют следующие виды систем зажигания: контактная, бесконтактная (транзисторная) и электронная (микропроцессорная).

В контактной системе зажигания управление накоплением и распределение электрической энергии по цилиндрам осуществляется механическим устройством - прерывателем. Модернизацией контактной системы зажигания является контактная транзисторная система зажигания, где в первичной цепи катушки зажигания применен транзисторный коммутатор.

В бесконтактной системе зажигания (БСЗ) для управления накоплением энергии используется транзисторный коммутатор, который взаимодействует с бесконтактным датчиком импульсов. Транзисторный коммутатор в данной системе выполняет роль прерывателя. Распределение тока высокого напряжения осуществляется механическим распределителем.

Дальнейшим развитием бесконтактного зажигания стала электронная система. В этой системе зажигания используется электронный блок управления, который производит регулирование процессом накопления и распределения электрической энергии. В первых выпусках электронной системы зажигания электронный блок одновременно управлял системой зажигания и системой впрыска топлива (т.н. объединенная система впрыска и зажигания), например, в инжекторных двигателях.

Не смотря на различия в конструкции контактных и бесконтактных систем, можно выделить их общие черты:

·        источник питания (генератор и аккумуляторная батарея);

·        устройство управления накоплением энергии (прерыватель, транзисторный коммутатор или электронный блок управления);

·        накопитель энергии (катушка зажигания);

·        высоковольтные провода;

·        свечи зажигания.

Работа любой системы зажигания заключается в накоплении и преобразовании катушкой зажигания низкого напряжения сети транспортного средства в высокое напряжение, распределении и передаче высокого напряжения к свече зажигания и образовании в нужный момент искры на свече зажигания.

В работе системы зажигания можно выделить следующие этапы:

·        накопление электрической энергии

·        преобразование энергии

·        распределение энергии по свечам зажигания

·        образование искры

·        воспламенение топливно-воздушной смеси

Общая схема управления зажиганием для бензиновых двигателей внутреннего сгорания представлена на рисунке 1.

Рисунок 1 - Общая схема управления зажиганием для бензиновых двигателей внутреннего сгорания

При работе системы зажигания следует учитывать многие параметры искрообразования для системы, от них зависит стабильность работы двигателя:

угол замкнутого состояния контактов (для контактного зажигания) - угол, на который успевает повернуться коленчатый вал от момента начала накопления энергии (конкретно в контактной системе - момента замыкания контактов прерывателя; в других системах - момента срабатывания силового транзисторного ключа) до момента возникновения искры (конкретно в контактной системе - момента размыкания контактов прерывателя). Хотя в прямом смысле данный термин можно применить только к контактной системе - он условно применяется для систем зажигания любых типов.

угол опережения зажигания (УОЗ) - угол, на который успевает повернуться коленчатый вал от момента возникновения искры до момента достижения соответствующим цилиндром верхней мертвой точки (ВМТ). Одна из основных задач системы зажигания любого типа - обеспечение оптимального угла опережения зажигания (фактически - оптимального момента зажигания). Оптимально поджигать смесь до подхода поршня к верхней мертвой точке в такте сжатия - чтобы после достижения поршнем ВМТ газы успели набрать максимальное давление и совершить максимальную полезную работу на такте рабочего хода. Также любая система зажигания обеспечивает взаимосвязь угла опережения зажигания с оборотами двигателя и нагрузкой на двигатель.

При увеличении оборотов момент зажигания должен наступать чуть раньше, скорость движения поршней увеличивается, при этом время сгорания смеси практически не изменяется - соответственно при увеличении оборотов, УОЗ надо увеличивать.

Также в инжекторных двигателях используется контроль УОЗ в зависимости от положения заслонки дросселя. При различных положениях заслонки образуется смесь различного состава. А скорость сгорания рабочей смеси как раз и зависит от ее состава. При полностью открытом дросселе (педаль газа "в полу") смесь сгорает быстрее и поджигать ее нужно позже - соответственно при увеличении нагрузки на двигатель, УОЗ надо уменьшать.

Напряжение пробоя - максимальное напряжение во вторичной цепи.

Напряжение горения - установившееся напряжение во вторичной цепи в течение периода горения искры.

Одной из главных частей системы контроля зажиганием можно выделить коммутатор, который в свою очередь, снимает показания сигнала с датчика. Транзисторный коммутатор с бесконтактным датчиком - генератором импульсов (индуктивного или оптического типа) и преобразователем его сигналов. В этом случае вместо механического прерывателя используется датчик - генератор импульсов с преобразователем сигналов, который управляет только транзисторным коммутатором, который, в свою очередь, управляет накопителем энергии.

В системах зажигания с транзисторным коммутатором используются датчики трех типов:

Датчик Холла содержит пластинку кремния, к двум боковым граням которой приложено небольшое напряжение. Если пластинку поместить в магнитное поле, то на двух других гранях пластинки также появится напряжение В этом состоит эффект Холла. Данный эффект изображён на рисунке 2.

Рисунок 2 - Эффект Холла

Изменение магнитного поля вызовет изменение напряжения Холла, которое можно использовать для управления коммутатором. Изменение может происходить с помощью модулятора, который крепится обычно на вал двигателя. При открытом зазоре между постоянным магнитом и датчиком Холла пластинка выдает напряжение. Если зазор перекрывается лопастью модулятора, магнитное поле замыкается через лопасть и не попадает на пластинку Холла. Напряжение при этом падает. Сигнал попадает на усилитель и формирователь а затем и в коммутатор.

Индуктивный датчик - включает в себя постоянный электромагнит с обмоткой и зубчатый диск. При вращении диска магнитное поле замыкается либо через зуб, либо через впадину. Магнитный поток, проходящий через обмотку, то увеличивается, то уменьшается, в результате чего в обмотке индуцируется ЭДС переменного знака. Сигналы датчика проходят через формирователь импульсов и далее поступают в коммутатор для управления первичной обмоткой катушки зажигания. При увеличении скорости возрастет частота импульсов, а также само выходное напряжение датчика - с долей вольта до сотни вольт.

Оптический датчик - представляет из себя модулятор, закрепленный на валу распределителя, который перекрывает инфракрасный луч, направленный на фототранзистор. В течение промежутка времени, пока фототранзистор освещен, через первичную обмотку катушки идет ток. Когда диск перекрывает луч, датчик посылает в коммутатор импульс, который прерывает ток в катушке и таким образом генерирует искру. Появление искры может быть как при закрытии так и при открытии шторки модулятора. Обобщенная модель действия оптического датчика представлена на рисунке 3.

Рисунок 3 - Обобщенная модель действия оптического датчика

Коммутатор управляет зарядом катушки и процессом замыкания последней на землю.

То есть, до управляющего импульса с датчика, коммутатор должен определить, когда нужно замкнуть катушку на землю, для её зарядки.

Причём, он должен это сделать так, чтобы время зарядки катушки было приблизительно постоянным (достигался максимум накопленной энергии, но не допускался перезаряд катушки). Коммутатор определяет период импульсов приходящих с датчика. И в зависимости от этого периода, вычисляет время начала замыкания катушки на землю. Другими словами, чем выше обороты двигателя, тем раньше коммутатор будет начинать замыкать катушку на землю, но время замкнутого состояния будет одинаковым.

Одна из модификаций этой системы с механическим распределителем и катушкой зажигания, отдельной от распределителя и коммутатора получила название "бесконтактная система зажигания". Общая схема бесконтактной системы зажигания представлена на рисунке 4.

Рисунок 4 - Общая схема бесконтактной системы зажигания

Одной из разновидностью БСЗ, особенно распространенном в современном машиностроении - БСЗ с микропроцессорным блоком управления зажиганием (с подсистемой управления зажиганием) - с датчиками и коммутатором [2]. Другое название системы - микропроцессорная системы зажигания. Блок управления получает информацию о работе двигателя (положение коленчатого вала, обороты, положение распределительного вала, нагрузка на двигатель, положение дросселя, температура охлаждающей жидкости и др.) от датчиков и по результатам обработки этих данных управляет коммутатором, который, в свою очередь, управляет накопителем энергии. Программная регулировка УОЗ в зависимости от показаний датчиков.

Электронный блок управления (ЭБУ, ECU) - выполняет в системе главную роль. Он производит сбор информации от датчиков, расчет оптимального момента зажигания и времени зарядки катушки и управляет через коммутатор первичной цепью катушки. На современных автомобилях с инжекторными системами блок управления системой зажигания объединен с блоком управления впрыском топлива. Необходимые показания собираются с датчиков положения коленчатого вала, положения распределительного вала, детонации, угла открытия дроссельной заслонки. Схема БСЗ с использованием электронного блока рассмотрена на рисунке 5.

Рисунок 5 - Схема БСЗ с использованием электронного блока

Коротко о датчиках, применяемых в электронном зажигании:

Датчик детонации - на выходе формируется сигнал такой же частоты и амплитуды, как и частота и сила вибраций двигателя. При возникновении детонации электронный блок корректирует угол опережения зажигания, чем стабилизирует работу двигателя.

Датчики положения коленчатого и распределительного вала. Эти датчики определяют текущие обороты двигателя, а также текущее положение распределительного вала (для идентификации положения цилиндра, который находится в такте сжатия). Обычно в таких системах роль датчика выполняет датчик Холла.

Датчик угла открытия дроссельной заслонки - определяет степень нагрузки на двигатель.

Итак, все рассмотренные системы управления имеют право на существование. Но именно бесконтактные системы представляют возможность своевременно и точно контролировать процесс искрообразования и тем самым поддерживать стабильную работу двигателя.

Если на рынке ситуация с решениями вариантов систем управления зажиганием для автомобилей более-менее устоялась, то для вариантов систем управления зажиганием мотоциклов ситуация неоднозначна.

Рассмотрим существующие варианты решений, предлагаемых для мотоциклов:

·        БСЗ «Совек» - системы своего производства, Украина

·        БСЗ «Саруман» - системы своего производства, Россия

·        БСЗ, собранное на комплектующих автомобилей (ВАЗ, ГАЗ, ОКА), Россия/Китай

·        Штатное БСЗ мотоцикла «Восход-3», СССР

·        БСЗ «VAPE», Чехия

БСЗ «Совек» - микропроцессорная бесконтактная система зажигания, практически для всех моделей отечественных мотоциклов [3]. В комплекте содержится:

·        Коммутатор собственного производства

·        Датчик

·        Крепление модулятора и датчика

·        Модулятор

·        Провода

Потребление системы заявлено 0.15А, номинальное напряжение 6-12В. Производитель не гарантирует стабильную работу системы на штатных катушках. Гарантия 2 года. Рабочие температуры от -25 до +60 С. Схема системы на примере БСЗ для мотоцикла «ЯВА» представлена на рисунке 6.

Рисунок 6 - БСЗ «Совек»

Несмотря на заявленные производителем фактов своего производства, коммутатор представляет собой обычный автомобильный (ВАЗ, ГАЗ, ОКА).

Заявленные графики управлением УОЗ не разглашаются.

Применен оптический датчик.

Цена на 06.02.2016 - от 2800 до 3000р.

БСЗ «Саруман» - микропроцессорная бесконтактная система зажигания, практически для всех моделей отечественных мотоциклов [4]. В комплекте содержится:

·        Коммутатор собственного производства

·        Датчик

·        Крепление модулятора и датчика

·        Модулятор

·        Блок ФУОЗ

·        Провода

Производитель заявил подстроение кривой управления УОЗ под каждую модель мотоцикла отдельно либо персональный график по заявке покупателя. Блок ФУОЗ с переключениями графиков.

Потребление системы заявлено 0.15А, номинальное напряжение 6-12В. Производитель не гарантирует стабильную работу системы на штатных катушках. Гарантия 1 год. Рабочие температуры от -30 до +80 С. Схема системы на примере БСЗ для мотоцикла «ИЖ» представлена на рисунке 7.

Рисунок 7 - БСЗ «Саруман»

Применен оптический датчик. Блок УОЗ выведен отдельно.

Цена на 06.02.2016 - от 3500 до 4000р.

БСЗ на основе комплектующих от автомобилей ВАЗ, ГАЗ, ОКА - бесконтактная система зажигания, в зависимости от выточки модулятора - практически для всех моделей отечественных мотоциклов. В комплект можно включить:

·        Коммутатор автомобильный на основе микросхемы L497

·        Датчик Холла

·        Бронепровода

На этом комплектация заканчивается, модулятор и крепление для него нужно будет делать самостоятельно. Выходные характеристики БСЗ совпадают с характеристиками выбранного коммутатора. Комплект может работать со штатными катушками, но лучше их заменить на двухвыводную автомобильную.

Оптимальное напряжение 13,6В, рабочее напряжение 6-16В.

Графики УОЗ загружены в коммутатор и изменениям не подлежат.

Средняя стоимость комплекта на 06.02.2016 - от 800 до 1000р.

Схема подключения такой системы показана на рисунке 8.

Рисунок 8 - БСЗ на основе комплектующих автомобилей

БСЗ с мотоцикла «Восход-3» - предназначен только для бортовой сети переменного тока 6В. Система полностью транзисторная с генератором Г-427, БЭСЗ с коммутатором КЭТ-1А и катушкой зажигания Б-300Б. При вращении ротора в индукционном датчике создаются электрические импульсы, которые при помощи коммутатора и высоковольтного трансформатора преобразуются в импульсный ток.

Средняя стоимость 500р.

БСЗ «VAPE» - бесконтактная система на оптическом датчике исключительно для мотоциклов «ЯВА» [5]. Нет информации о графиках УОЗ, нет настроек и дополнительных функций. Комплектуется генератором 200Вт.

Средняя стоимость 17000р.

Плюсы этих систем видны невооруженным глазом - стабильность искры, бесперебойный режим работы двигателя. Однако при поломке какого-либо элемента цепи его нужно будет заказывать отдельно, а это немалые издержки. Также отсутствует возможность регулировки УОЗ.

БСЗ «Совек» практически представляет собой вариант БСЗ из автомобильных комплектующих, «засекречевание» графиков УОЗ еще больше подтверждает эту теорию. БСЗ «Саруман» более качественен в исполнении, имеет внешний блок ФУОЗ, гибкие настройки переключений «на ходу», но и более высокую цену. Производитель БСЗ «VAPE» не предоставили никакой документации о работе своей системы и примерных графиках УОЗ. Система производства СССР надёжна и проста в исполнении, но только в сети переменного тока, к тому же в наше время встречается в продаже редко. Все рассмотренные системы не предоставляют более никаких других функций.

Итак, рассмотрим плюсы разработки микропроцессорной системы зажигания:

·        отказоустойчивость

·        более низкая потребность в настройке и обслуживании

·        обеспечение гораздо большей энергии искры за счет получения намного большего напряжения на вторичной обмотке катушки зажигания. Это происходит благодаря подаче тока через полупроводниковый коммутатор на первичную обмотку катушки зажигания

·        обеспечение существенно лучшей формы и стабильности импульсов во всем диапазоне оборотов двигателя

·        меньшая зависимость от степени износа подшипников первичного вала двигателя (при использовании контактной системы при изношенных подшипниках возможна нестабильная работа из-за некорректного срабатывания кулачков)

·        более качественное сгорание топлива и, соответственно, повышение КПД двигателя, повышение качества выхлопных газов

·        уменьшение расхода топлива

·        улучшенный запуск двигателя при минусовых температурах

Несмотря на все плюсы, имеются у разработки и минусы:

·        сложность ремонта в полевых условиях

·        необходимость использования качественной аккумуляторной батареи.

датчик зажигание двигатель надежность

ГЛАВА 2. ОБОСНОВАНИЕ ВЫБОРА ВАРИАНТА РЕШЕНИЯ ПОСТАВЛЕННОЙ ЗАДАЧИ

Рассмотрев плюсы и минусы современных решений систем управления зажиганием двигателя внутреннего сгорания, было принято решение принять во внимание наработки производителей БСЗ и улучшить их. Кардинально схему управления зажиганием менять нет смысла, т.к. она уже зарекомендовала себя надежностью и неприхотливостью в обслуживании.

Микропроцессор должен обеспечивать:

·    Устойчивый запуск двигателя даже с разряженным аккумулятором (с напряжением от 5В)

·        Ограничение величины тока, проходящего через катушки и защиту аккумуляторной батареи от разряда

·        Стабильность и динамичность работы двигателя благодаря блоку ФУОЗ

·        Минимальному образованию нагара на свечах, уменьшение расхода топлива

·          Снижение трудоемкости настройки

Бесконтактная система будет состоять из микроконтроллера, коммутатора (без встроенного ФУОЗа), блока управлением ФУОЗ, должна быть работоспособной в сети 6 и 12 вольт, должна иметь гибкие и прозрачные настройки графика УОЗ и предоставлять дополнительные функции.

Система должны иметь преимущества над заводскими в таких пунктах:

·    Низкая стоимость

·        Легкость в обслуживании

·        Прозрачные настройки

·        Взаимозаменяемость элементов на аналоги

·        Компактность

·        Возможность установки как на 4х так и на 2х -тактные двигатели

·        Возможность работы в 6-ти и 12-ти вольтовых сетях

·        Предоставлять дополнительные функции (не менее 2х)

Все элементы системы буду представлены на одной плате, подключаемой к датчику. Дополнительные функции должны переключаться кнопкой (замыкание на массу). В системе будет применен датчик Холла как более неприхотливый в эксплуатации по сравнению с датчиками других типов (оптических, индукционных).

Система должна быть легка в установке и по геометрическим размерам быть как минимум не больше (в совокупности) с заводскими аналогами. Должна работать со штатными катушками зажигания.

ГЛАВА 3. РАЗРАБОТКА МИКРОПРОЦЕССОРНОЙ СИСТЕМЫ УПРАВЛЕНИЯ ДВИГАТЕЛЕМ ВНУТРЕННЕГО СГОРАНИЯ

.1 Разработка структурной схемы системы управления

Структурная схема на основе микроконтроллера проиллюстрирована на рисунке 9. Для работы был выбран микроконтроллер PIC16F84К, обладающий необходимой программной памятью и имеющий достаточный выбор инструкций [6]. Подробнее о выборе микроконтроллера изложено в пункте 3.3.

Рисунок 9 - Структурная схема на основе микроконтроллера

Запитанному от аккумуляторной батареи электронному блоку приходит сигнал с датчика Холла, закрепленному на первичном валу двигателя. Сигнал обрабатывается электронным блоком и, в зависимости от выбора графика ФУОЗ пользователем или контроллером, и дополнительных функций, поступает на простейший коммутатор, затем в двухвыводную или две одновыводных (штатных) катушки, а затем к свечам зажигания - происходит искра и воспламенение смеси.

Дополнительные функции и выбор графика ФУОЗ реализуется переключением последних «на землю», либо их выбирает сам микропроцессор.

3.2 Выбор датчиков и исполнительных механизмов

·        Датчик Холла - датчик магнитоэлектрический, при переходе между клеммами стальной шторки модулятора на другой возникает напряжение. Конструкция миниатюрна, со встроенной чувствительной микросхемой. Датчик обладает преимуществом - при изменении частоты вращения коленчатого вала, а, соответственно, и шторки модулятора, момент измерения не смещается, что позволяет модулю электронного блока управления ФУОЗ точно высчитать угол опережения. Когда между пластинами датчика проходит лопасть модулятора - индукция на микросхеме равно нулю. Напряжение на выходе равно напряжению питания. В момент выхода индукция увеличивается и сигнал слабеет, отсутствие сигнала обнаруживается электронным блоком - поршень двигателя в ВМТ, необходимо дать искру. В данной работе было принято решение использовать датчик холла отечественного производства для автомобилей ВАЗ, ГАЗ, ОКА (можно использовать аналог Honeywell 2AV50A). Работа датчика предусматривает рабочие температуры от -40 до +125 С. Диапазон напряжения от 5 до 16В. Для питания лучше использовать контакт от коммутатора, иначе датчик может выйти из строя. Подключение напрямую в бортовую сеть 6В допускается, в сеть 12В не рекомендуется. Необходимо при монтаже использовать экранированные провода, иначе разряд с катушки может повредить датчик и сам микроконтроллер.

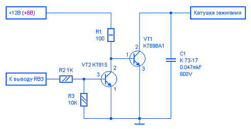
·        Коммутатор - было решено отказаться от заводских коммутаторов, т.к. в их микросхемах уже заложен какой-либо график ФУОЗ, предназначенный для определенной модели автомобиля или мотоцикла. Была разработана схема простейшего и надежного коммутатора, представлена на рисунке 10. Схема на транзисторах отказоустойчива и надёжна.

Рисунок 10 - Схема коммутатора

·        Шторка модулятор

Необходимо использовать для модулятора качественную сталь с ярко выраженными магнитными свойствами, подойдет марка стали 20 или 30.

Конфигурацию модулятора необходимо учитывать в зависимости от количества цилиндров мотоцикла. Чертежи модуляторов для нижнеклапанных, одноцилиндровых и двухцилиндровых двухтактных мотоциклов представлены в приложении А.

Необходимо серьёзно отнестись к изготовлению модулятора, иначе осевые биения, особенно на двигателях с изношенными подшипниками, могут вызвать неточности срабатывания модулятора и, как следствие, некорректную работу системы зажигания.

Для закрепления модулятора по месту необходимо демонтировать штатную контактную систему, оставив площадку крепления. На площадке сверлится 2 отверстия под крепление и ставится датчик.

Для нижнеклапанных мотоциклов - шторка с вырезами 30 градусов, разнесенных на 180 градусов.

Для двухтактных двухцилиндровых мотоциклов - шторка с вырезами 60 градусов, разнесенных на 180 градусов.

Для двухтактных двухцилиндровых мотоциклов - шторка с вырезом 60 градусов, вырез один. При использовании системы на двухтактных мотоциклах следует учесть, что существует вероятность перемагничивания шторки от близости расположения последней к генератору. Необходимо использовать экранированные провода и качественный датчик.

·        Катушка зажигания

Данная система может работать так и со штатными катушками так и с автомобильными (ГАЗ, ВАЗ, ОКА) катушками высоких энергий, так как они работают с напряжением от 5В. Возможно использовать штатные мотоциклетные катушки.

·        Программатор ЭВМ

В данной работе использовался программатор ProPic2. Выбор именно этого программатора обоснован высокой совместимостью с выбранным микроконтроллером, рекомендован к прошивке заводом-производителем. Программатор подключается к LPT-порту компьютера, работа проверена на операционной системе Windows 98. Исходный код программы на ассемблере (.asm) компилируется в код прошивки (.hex) и переносится на микросхему. Микросхема подключатся к программатору через ZIF-разъём. Для работы необходимо использовать программу IC-Prog, последнюю версию которой можно взять с сайта www.ic-prog.com. Программа нуждается в первоначальной настройке в соответствии с программатором. Также для прошивки можно использовать другие программаторы (JDM-программаторы), но именно ProPic2 отличается стабильностью работы.

·        Датчик температуры

Для работы был выбран простейший помехоустойчивый датчик Mastech терморезисторного типа. Датчик температуры с точностью измерений: 1 °C. Рабочая температура: -50...150 °.

3.3 Выбор однокристальной ЭВМ

Существует множество микроконтроллеров, которые по своим характеристиками подойдут для реализации платы. Выбирать микроконтроллер будем по характеристикам программной памяти и рабочих температур. Подойдут микроконтроллеры с памятью от 1КВ, значения выше указанной не целесообразны для платы данного проекта. По температурному диапазону выделяют коммерческие (0...+70С), индустриальные (-40...+85С) и расширенные (-40...+125С) исполнения микроконтроллеров. Расширенные исполнения микроконтроллеров использовать нецелесообразно, а критерии коммерческих не подходят для платы (по критерию возможности запуска двигателя и в зимнее время), поэтому остановимся на индустриальных. Ярким представителем в этой области служат микроконтроллеры PIC.

В данной работе используется микроконтроллер PIC16F84. Полная маркировки требуемого контроллера: PIC16F84-04I/P, здесь PIC16F84 - марка МК, 04 - максимальная рабочая частота, I - индустриальный диапазон, P - корпус PDIP для монтажа в отверстия (SO - SOIC для поверхностного монтажа).

Характеристики микроконтроллера:

• Ядро pic16fxx

• Разрядность 8

• Объем ROM-памяти 1k

• Объем RAM-памяти 68

• Внутренний АЦП, кол-во каналов нет

• Внутренний ЦАП, кол-во каналов нет

• Напряжение питания, 2 В

• Температурный диапазон, -40…85 C

• Тип корпуса dip18

• Производитель: MicrochipF84A-04/P - восьмиразрядный FLASH/EEPROM микроконтроллер на базе ядра PIC от компании Microchip. Максимальная тактовая частота микропроцессора 20 МГц. Устройство выпускается в прочном корпусе PDIP-18. Микроконтроллер содержит: программную память размером 1.75KB, оперативное запоминающее устройство на 68байт данных, программируемое запоминающее устройство. Рабочее напряжение питания: от 2V до 5.5V. Высокопроизводительный RISC-процессор обладает 35 простыми инструкциями, все инструкции осуществляются за один такт в 200нс, кроме инструкций перехода, которые исполняются за два такта. Схема входов/выходов микропроцессора представлена на рисунке 11 [7].

Рисунок 11 - Схема регистров микропроцессора

·        Питание микроконтроллера. Vdd (14) + 5 вольт; Vcc (5) - минус питания.

·        Аппаратный сброс. MCLR(4) - микроконтроллер сбрасывается, когда уровень сигнала на этой ножке достигает 0 вольт. Как правило, в схемах эту ножку соединяют с линией +5 вольт.

·        Опорный генератор. OSC1(16) и OSC2(15) - для подключения кварцевого резонатора. Также вход CLKIN(16) может использоваться для внешнего тактового сигнала, например, для синхронизации работы с другим МК. Выход CLKOUT(16) может использовать для вывода тактового сигнала.

·        Порт А - RA0, RA1, RA2, RA3, RA4 ножки ввода-вывода. Также ножка 3 может работать как вход частоты для таймера/счетчика TMR0.

·        Порт В - RB0, RB1, RB2, RB3, RB4, RB5, RB6, RB7 ножки ввода-вывода. Также 6-я ножка INT используется как внешний вход прерывания.

.4 Разработка принципиальной схемы системы управления

На схеме представлены все элементы, задействованные при конструкции микропроцессорного зажигания. Сама схема представлена на рисунке 12. Схема может работать, как и в 12В так и в 6В сети (значения для 6В сети указаны для некоторых элементов в скобках).

На схеме микроконтроллер обозначен как DD1. Стоит отметить, что выход RB2 является инверсным сигналом управления, через него подключена цепь встроенного коммутатора.

Для правильного включения диодов (VD1, VD2) и стабилитронов (VD3-VD7) необходимо их прозванивать. В том положении, в котором они прозваниваются (куда указывает стрелка на схеме), соответствует минусу на контакте.

Рисунок 12 - Схема системы управления

Кварцевый резонатор ZQ1 можно заменить на керамический со встроенными емкостями с тремя выводами, он помехоустойчивее, виброустойчивее и выносит больший температурный диапазон.

Микропроцессор и блок опережения нельзя размещать во внутренних отсеках двигателя, где слишком большая температура. Высокие элементы типа резонатора и транзисторов желательно залить клеем, чтобы те не сорвало от вибраций.

Схема рассчитана на использование либо помехоустойчивых проводов к свечам, либо свечей со встроенным резистором. Это повысит надежность работы системы в целом.

3.5 Разработка алгоритма управляющей программы

Блок-схема управляющей программы представлена на рисунке 13. Т.к. квантование таймера датчика установлено в 60мкс, то предполагается прохождение основного цикла не менее чем за 60мкс (что предоставляет микропроцессор с интервалом выполнения операций в 200нс).

В начале схемы производится проверка на запуск двигателя (постоянный сигнал с датчика). Если двигатель запущен, то начинается выполнение основного цикла. Если нет, то выполняется проверка на включение функции прогрева свечей.

·        Основной цикл

o   Проверка на выбор микроконтроллером (или пользователем) функции УОЗ и занесение графика УОЗ в память RAM микроконтроллера.

o   Проверка функции ограничения оборотов, выставление флага ограничения.

o   Проверка на нахождение шторки в модуляторе (получил ли фотоэлемент сигнал с датчика). Если шторка еще перекрывает датчик, то ничего делать не нужно, происходит сброс на начало цикла. Если произошел контакт сигнала на фотоэлемента, то выполняем цикл далее.

o   Проверка флага ограничения, если флаг задействован и обороты превышают указанные значения, то пропуск искры. Иначе цикл продолжается.

o   Вычисление УОЗ по таблице в RAM памяти микроконтроллера

o   Подача энергии на катушку (искра)

·        Функция прогрева свечей

o   Подача непрерывно искры и по завершению счетчика завершение цикла (если функция отключена, то завершение цикла сразу).

Рисунок 13 - Блок-схема управляющей программы

3.6 Разработка и отладка управляющей программы

Код управляющей программы написан на языке программирования низкого уровня ассемблер. Код скомпилирован программой MPASM - бесплатной утилитой для компиляции исходного текста программы на языке ассемблер для микроконтроллеров PIC. Исходный код на языке ассемблер представлен в приложении Б.

Описание основных этапов работы программы:

·        Инициализация контроллера

·        Задание статус-битов

·        Задание битов регистров

·        Определение RAM

·        Биты конфигурации

o   Задание квантования таймера 60 мкс

o   Функция прогрева и ограничения оборотов

o   Таймер

·        Назначение портов ввода-вывода

·        Назначение регистров в памяти

·        Биты переменных

Начало основного цикла программы

·        Вектор сброса (обнуление регистров)

·        Вектор прерываний (измерение времени прохода шторки по сигналу датчика)

·        Проверка включения доп. функции 1 (ограничение)

·        Проверка включения доп. функции 2 (прогрев свечей)

·        Проверка состояния датчика

·        Выбор УОЗ (пользователь или автомат)

·        Вычисление частоты вращения коленчатого вала (расчёт по количеству прохождений датчика)

·        Вычисление момента искрообразования (таблицы УОЗ по умолчанию, УОЗ 1 или УОЗ 2)

·        Подача сигнала на усилитель (искра)

3.7 Разработка конструкции системы управления

Система управления представляет собой плату с элементами на ней. Размер платы 111x60x30мм. Микросхема должна быт размещена как можно дальше от генератора чтобы минимизировать наводки.

На плате предусмотрены все выводы и дополнительные функции, выбор характеристик УОЗ. Для подключения проводов к плате используется пять двухвыводных винтовых клемм. Если корпус металлический, нужно быть особенно внимательным, чтобы не замкнуть плату снизу, необходимо использовать прокладку. После установки платы зажигания в корпус, все высокие элементы и саму плату нужно залить термоклеем, иначе от вибрации возможны повреждения элементов.

Микроплата рассчитана на работу с кварцевым резонатором (ZQ1).

Датчик Холла ни в коем случае нельзя запитывать сразу от 12 вольт, поэтому для обеспечения питания добавлены два элемента: резистор R201 номиналом 560 Ом и стабилитрон VD201 на 8-9 вольт. При установке на 6-ти вольтовую бортсеть необходимости в этих элементах нет, резистор можно заменить проволочной перемычкой, а стабилитрон вообще убрать из схемы. Напряжение питания датчика должно быть не менее 5 вольт, идеально 5,5 вольт (на 6-ти вольтовой бортсети) и не более 10-11 вольт (на 12-ти вольтовой).

Для улучшения теплоотвода использовалась термопаста типа КПТ-8.

Компоновка платы максимально укомпонована для уменьшения габаритов и удобства установки. Микроплата изготовлена из специального текстолита для плат путем травли хлорного железа и дальнейшего лужения.

ГЛАВА 4. РАСЧЕТ НАДЕЖНОСТИ СИСТЕМЫ УПРАВЛЕНИЯ

Технологическая система как объект надежности может находиться в одном из следующих технических состояний: исправное, неисправное, работоспособное, неработоспособное и предельное. Технологическая система работоспособна, если она обеспечивает изготовление продукции с показателями качества и ритмом выпуска (производительностью), установленными нормативно-технической документацией при регламентированных затратах материальных, энергетических и трудовых ресурсов.

Типичные критерии отказа (нарушения работоспособности) технологических систем:

·  Несоответствие показателей качества продукции установленным требованиям

·        Снижение производительности ниже установленного уровня

·        Прекращение функционирования технологической системы, вызванное отказом одного из элементов или внешними факторами (например, прекращение энергоснабжения)

·        Превышение нормативов по трудоемкости, энергоемкости, расходу материалов, запасных частей и т.п.

Элементы систем с позиций анализа надежности обладают следующими особенностями:

·  Элемент выделяется в зависимости от поставленной задачи и может быть достаточно сложным по конструкции;

·        Показатели надежности элемента относятся к нему в целом, а не к его составным частям;

·        Возможно восстановление работоспособности элемента независимо от других элементов системы.

Структуры систем по виду надежности:

·  Расчлененная

·        Связанная

·        Комбинированная

В данной дипломной работе система по структуре расчлененная. Показатели надежности элементов систем с расчлененной структурой формируются независимо и могут быть заранее определены, так как отказы элементов в таких системах рассматриваются как случайные события, независимые от состояния других элементов системы. Все элементы расчлененных систем имеют только выходные параметры, влияющие лишь на работоспособность самого элемента.

По модели надежности данная система с последовательным соединением элементов. К таким системам относятся все объекты, у которых отказ хотя бы одного из элементов приводит к потере работоспособности объекта в целом. Например, при отказе любого из резисторов платы происходит отказ функционирования микроконтроллера (некорректный сигнал). При этом конструктивное соединение элементов не обязательно должно быть последовательным. Для определения интенсивности отказов элементов обратимся к справочным данным на рисунке 14.1 и рисунке 14.2.

Рисунок 14.1 - Интенсивность отказов некоторых элементов

Рисунок 14.2 - Интенсивность отказов некоторых элементов

Надежность системы характеризуется потоком отказов, численно равное сумме интенсивности отказов отдельных устройств (4.1).

                                                                                      (4.1)

Формула справедлива для расчета потока отказов системы из n элементов в случае, когда отказ любого из них приводит к отказу всей системы в целом. Такое соединение элементов называется логически последовательным или основным. Связь вероятности безотказной работы P(t) и потока отказов определяется (4.2):

                                                                                 (4.2)

Средняя наработка до отказа - это математическое ожидание наработки системы до первого отказа (4.3):

                                                                                             (4.3)

Время безотказной работы равно обратной величине интенсивности отказов.

Пусть

·        λ1 - интенсивность отказа электролитического конденсатора (всего 1)

·        λ2 - интенсивность отказа конденсаторов (всего 10)

·        λ3 - интенсивность отказа постоянных резисторов (всего 17)

·        λ4 - интенсивность отказа маломощных транзисторов (всего 3)

·        λ5 - интенсивность отказа клемм «под винт» (всего 5)

·        λ6 - интенсивность отказа микросхемы в корпусе (всего 1)

·        λ7 - интенсивность отказа диода (всего 1)

·        λ8 - интенсивность отказа ручной пайки (всего 1)

·        λ9 - интенсивность отказа кристалла кварца (всего 1)

·        λ10 - интенсивность отказа стабилитрона (всего 1)

·        λ11 - интенсивность отказа реле напряжения (всего 1)

Из табличных данных вычислим интенсивности отказов для всех типов элементов.

λ1 = 0.2*1 = 0.2 (10-61/ч)

λ2 = 0.07*10 = 0.7 (10-61/ч)

λ3 = 0.02*17 = 0.34 (10-61/ч)

λ4 = 0.05*3 = 0.15 (10-61/ч)

λ5 = 0.08*5 = 0.4 (10-61/ч)

λ6 = 0.1*1 = 0.1 (10-61/ч)

λ7 = 0.02*1 = 0.02 (10-61/ч)

λ8 = 0.2*1 = 0.2 (10-61/ч)

λ9 = 0.05*1 = 0.05 (10-61/ч)

λ10 = 0.2*1 = 0.2 (10-61/ч)

λ11 = 0.5*1 = 0.5 (10-61/ч)

Отсюда по формуле (4.1) поток отказов равен:

Ʌ = λ1 + λ2 + λ3 + λ4 + λ5 + λ6 + λ7 + λ8 + λ9 + λ10 + λ11

Ʌ = 0.2 + 0.7 + 0.34 + 0.15 + 0.4 + 0.1 + 0.02 + 0.2 + 0.05 + 0.2 + 0.5 =

= 2.86 (10-61/ч)

Среднее время безотказной работы:

ṫ = 1/(2.86*10-6) = 349650,35 (ч) = 14568,76 (дн) = 39,9 (лет)

Вероятность безотказной работы системы по формуле (4.2) за год:

P(t) = 0.9752576368 (t = 8760 ч.)

ГЛАВА 5. АНАЛИЗ ПРИМЕНИМОСТИ СИСТЕМЫ УПРАВЛЕНИЯ ДЛЯ ПОДОБНЫХ ДВИГАТЕЛЕЙ

Данная микропроцессорная система рассчитана на работу на определенном типе двигателя. Этот тип выбирается из условий:

·        Конфигурация модулятора

·        Графики УОЗ

·        Количество микропроцессорных плат и катушек

От числа цилиндров двигателя (от 1 до 2х) зависит конфигурация модулятора. График УОЗ индивидуален для каждого типа двигателя.

Микропроцессорная система будет работать как на двух, так и на четырехтактных двигателях с карбюраторной системой питания, двух или одноцилиндровых. Крепление площадки с датчиком также индивидуально для определенного двигателя.

От графика УОЗ зависит корректная и стабильная работа двигателя, своевременный заряд катушки и хорошая искра, поэтому (за редким исключением) графики УОЗ необходимо корректировать для конкретно взятого типа двигателя. Особенно чувствительны в этом плане двухтактные двигатели, в которых уже на втором такте происходит заполнение рабочей камеры смесью.

Список двигателей, к которым может быть применена система:

·        Одно и двух цилиндровые модификации двухтактных двигателей мотоциклов «ЯВА» 6 или 12 вольт

·        Одно и двухцилиндровые модификации двухтактных двигателей мотоциклов «ИЖ» 6 или 12 вольт

·        Двухцилиндровые четырехтактные оппозитные двигатели мотоциклов «Урал», «Днепр» 6 или 12 вольт

·        Одноцилиндровые двухтактные и четырехтактные двигатели любых скутеров/мопедов (необходимо подобрать ширину лопасти модулятора в зависимости от оборотов двигателя) 12 вольт

·        Возможна установка на четырехцилиндровые четырехтактные двигателей отечественных авто (необходимо подготовить 2 одинаковые платы опережения с одинаковыми графиками УОЗ с двумя датчиками, каждая из которых будет работать на одной из двух двухвыводных катушек либо одна плата, подключенная к трамблеру). 12 вольт.

Корректная работа системы возможна при величине оборотов двигателя от 100 до 9000 об/мин, т.к. при значениях выше или ниже микропроцессор некорректно обрабатывает информацию, поступающую с датчика, необходимо увеличивать (или уменьшать) квантование таймера.

Для определения наилучшего срабатывания датчика в зависимости от оборотов необходимо увеличивать разрез модулятора в соотношении на каждые 3000 оборотов - 30 градусов.

ЗАКЛЮЧЕНИЕ

В процессе написания дипломной работы разработана микропроцессорная система управления зажиганием двигателя внутреннего сгорания, позволяющая пользователю контролировать запуск и проводить предпусковую подготовку двигателя, получать на катушке стабильную искру, «на ходу» выбирать графики УОЗ, при обкатке не превышать указанный порог оборотов.

Были выполнены следующие задачи:

·    Проведён обзор существующих систем управления зажиганием

·        Произведена разработка структурной схемы системы управления двигателем внутреннего сгорания с учетом плюсов и минусов современных аналогов на выбранном микропроцессоре

·        Разработан алгоритм управляющей программы

·        Написана управляющая программа

·        Произведено внедрение программы в ЭВМ (прошивка)

·        Произведен сбор платы с элементами

·    Произведена проверка работы на практике

Система показала себя в работе с лучшей стороны и рекомендована для установки на двигатели, рассмотренные в пятой главе дипломного проекта.

СПИСОК ИСПОЛЬЗОВАННЫХ ИСТОЧНИКОВ

1.     Ходасевич, А. Г. Справочник по устройству, применению и ремонту электронных приборов автомобилей. Справочник в 2 ч. / А. Г. Ходасевич, Т. И. Ходасевич - М.: АНТЕЛКОМ Ч.1. - 240 с.

2.       Карасёв Г. Стабилизированный блок электронного зажигания /

Г. Карасёв // Радио. - 1988. - №2. - С. 9-17.; - 1989. - № 5. - С. 87-91.

.       Надежность и эффективность в технике: Справочник: В 10 т. / Ред. совет: В.С. Авдуевский (пред.) [и др.] - М.: Машиностроение, 1986. Т.1: Методология. Организация. Терминология /Под ред. А.И. Рембезы.-224 с.

4.       Методические указания по дипломному проектированию Сост. С.Ю. Ржеуцкая, А.П. Сергушичева, Н.А. Сердюков [и др.] - Вологда: ВоГТУ, 2006. 45с.

Похожие работы на - Микропроцессорная система управления зажиганием двигателя внутреннего сгорания

 

Не нашли материал для своей работы?
Поможем написать уникальную работу
Без плагиата!
Без нейросетей!