Проектирование цеха по обработке и хранении картофеля и овощей
ВВЕДЕНИЕ
Сегодня развитие сельского хозяйства является
одной из основных задач правительства области. Поэтому необходимо обеспечить
аграрно-промышленный комплекс новыми производственными корпусами с применением
современных технологий по организации хранения и обработке овощей.
Запроектированный цех специализируется на
обработке и хранении картофеля и овощей, а также на производстве полуфабрикатов
из них. Применение оборудования по голландской технологии (Goedhart) позволило
сократить численность промышленно-производственного персонала, общие габариты
здания и увеличить объем выпускаемой продукции.
Не менее οстро
стοит
прοблема
защиты οкружающей
среды οт
выбрοсοв
промышленных предприятий. Для снижения вреднοго
воздействия цеха на окружающую среду, в проекте приняты аммиачные холодильные
установки фирмы Goedhart и системы тригенерации энергии, что на сегодняшний
день является наиболее сοвременным
технолοгическим
решением в плане пοвышения
энергетической эффективности здания и решения экологических проблем.
1. АРХИТЕКТУРНО-СТРОИТЕЛЬНЫЙ РАЗДЕЛ
.1 Генеральный план
Генплан строящегося здания разработан согласно
требованиям [1]. Проезды и площадки выполнены на основании [1] и ФЗ №123 от
22.07.2008 года «Технический регламент о требованиях пожарной безопасности».
Проектируемое здание расположено в г. Вологда.
Территория относится к климатическому району II-В [2]. Участок, на котором
будет располагаться проектируемое здание, имеет прямоугольную форму, к нему
предусматриваются основные проезды со стороны ул. Ананьинской. Организованная
территория подвергается комплексному озеленению. Предусмотрена посадка деревьев
и кустарников, посев газонов. За условную отметку ±0,000 принят уровень первого
этажа, что соответствует абсолютной отметке 118,45 на генплане.
При проектировании застройки местности
предусмотрено размещение площадок, размеры которых приняты по табл. 2 [1].
Запроектированы следующие площадки:
) для мусоросборников,
) для стоянки автомашин.
Подвод всех инженерных сетей осуществляется от
существующих городских коммуникаций по [1].
1.2 Фасады
Фасады здания отделываются стеновыми
сендвич-панелями “FACНMANN-SP” толщиной 100 мм с металлическими обшивками.
Теплотехнический расчет прилагается (п. 1.5). В качестве утеплителя применяется
экспандированный пенополистирол ПСБ-С-25 (ГОСТ 15588-86) с плотностью 22,0кг/м3
,толщиной 100 мм. Витражи и окна выполняются с алюминиевым профилем и
раздельно-спаренным стеклопакетом по серии 1.436.3-21. Покраска фасадов
выполняется согласно проекту.
1.3 Основные архитектурные и
объемно-планировочные решения
Участок для цеха по производству и хранению
быстрозамороженных овощепродуктов выделен в г. Вологда на улице Ананьинской.
Цех является доминирующим объемом. Здание
трехэтажное, с максимальной высотой цеха 22,2 м, и размерами в плане 42,0х78,0
м. Основная часть цеха имеет сетку колонн 10,5х6,0 м, что обуславливается
габаритами оборудования (по голландской технологии), вспомогательная часть цеха
- одноэтажная, с сеткой колонн 6,0х,06 м.
На первом этаже происходит приемка овощей с
последующей обработкой. Повышенный уровень шума от оборудования (90 дБа),
снижается с помощью устройства звукопоглощающих перфорированных потолков и
перегородок, что позволяет снизить уровень шума на 6 - 9 дБа. Также на первом
этаже расположены три помещения категории «В» (повышенная пожарная опасность).
Эвакуация осуществляется через ворота и двери.
На втором этаже происходит упаковка и заморозка
овощепродуктов и картофеля. Помещения относятся к категории «В», в связи с этим
с этажа запроектировано два эвакуационных выхода.
Подготовительное отделение, относящееся к
категории «Б», размещено на третьем этаже и отгорожено от других помещений
несгораемыми конструкциями с пределом огнестойкости 0,75 часа. Вход в это
отделение запроектирован через тамбур - шлюз. Выход взрывной волны
обеспечивается через оконные и дверные проемы.
В целом, здание имеет класс капитальности II,
степень огнестойкости в целом II, степень долговечности II.
Степень огнестойкости для стальных конструкций обуславливается нанесением огнезащитной
сухой смеси ВЦС-350 с пределом огнестойкости до трех часов.
Основные технико-экономические показатели:
Площадь застройки: 3814 м2
Строительный объем:
подземный 52,5 м3;
надземный 60328 м3;
общий 60380,5 м3.
1.4 Конструктивные решения
.4.1 Фундаменты
Под колонны корпуса и одноэтажной части
применяются монолитные фундаменты из бетона пониженной проницаемости с маркой
по морозостойкости F 50, по водопроницаемости - W 6, водоцементное отношение
W/C не более 0,55.
Защита фундаментов от коррозии проведена в
соответствии с СП 28.13330.2012.
Все стальные закладные детали защищены в
соответствии с п.п. 2.40 и 2.42 лакокрасочными материалами ПФ - 115 ГОСТ
6465-76 и ПФ - 170 ГОСТ 15907-70 по грунтовке.
1.4.2 Фундаментные балки
Фундаментные балки выполняются сборными по серии
1.415-1
Защита фундаментных балок от коррозии
предусматривается согласно СП 28.13330.2012 по п. 2.40 - 2.42, эмалью ПФ - 115
ГОСТ 6465 - 76 и ПФ - 170 по грунтовке.
1.4.3 Колонны
Приняты стальные колонны в форме двутавра по
ГОСТ 26020-83. Крайние колонны I 40Ш1, средние - I 40К1, колонны одноэтажной
части здания - I 23К1. Защита от коррозии стальных колонн выполнена по ГОСТ
9.402-80, под лакокрасочные покрытия и окрашиваются двумя слоями эмали ПФ -115
ГОСТ 6465 -76. Толщина лакокрасочного покрытия 55 мкм. Все стальные закладные
детали защищены согласно СП 28.13330.2012 п.2.41 алюминиевым покрытием толщиной
120 - 150 мкм.
1.4.4 Стены
Стеновые сендвич-панели “FACНMANN-SP” толщиной
100 мм с металлическими обшивками. Теплотехнический расчет прилагается (п.
1.5).
.4.5 Заполнение оконных проемов
Приняты окна с алюминиевым профилем и
раздельно-спаренным стеклопакетом по серии 1.436.3-21. Габариты оконных блоков
1,8х2,4 м, 3,6х6 м, 0,6х1,2м и 1,2х1,2 м.
.4.6 Перекрытия
Приняты стальные балки в форме прокатного
двутавра по ГОСТ 26020-83 I 50Ш1, ребристые железобетонные плиты по серии
1.442.1 -5.94.
1.4.7 Покрытия
Приняты стальные балки в форме прокатного
двутавра по ГОСТ 26020-83 I 50Ш1, ребристые комплексные плиты по серии 1.465.1
-18.
1.4.8 Лестницы и площадки
Железобетонные по серии 1.050.1-3;
металлические, согласно технологического оборудования и правил пожарной
безопасности. Защита от коррозии согласно СП 28.13330.2012 п.п. 2.40; 2.41;
2.42.
1.4.9 Полы
Наливной пол Темпинг 205С t=3 мм в помещениях 1
этажа , мозаичный бетонный пол t=20 мм в помещениях 2 этажа, плитки ПВХ
“RHINOTEX” t=2,5 мм на 3 этаже.
1.4.10 Перегородки
В конструкции холодильных камер используются
пенополиуретановые строительные панели профиля “шип-паз” и замкового соединения
толщиной 80 мм.
1.4.11 Отопление и вентиляция
Принято центральное отопление и
приточно-вытяжная вентиляция.
1.4.12 Водопровод
От существующей сети водопровода - питьевой,
производственный и противопожарный.
1.4.13 Канализация
Производственная, фекальная, ливневая.
1.5 Теплотехнический расчет
ограждающих конструкций
.5.1 Исходные данные для расчета
Расчет выполняется по СП 50.13330.2012.
«Тепловая защита зданий» Место строительства г. Вологда.
Таблица 1.1 - Климатические данные района
проектирования
|
№
п/п
|
Наименование
параметра
|
Значение
|
|
1
|
Температура
воздуха наиболее холодной пятидневки, ,
обеспеченностью 0,92- 32
|
|
|
2
|
Средняя
температура воздуха отопительного периода, -
4
|
|
|
3
|
Продолжительность
отопительного периода, сут
|
228
|
|
4
|
Максимальная
из средних скоростей ветра по румбам за январь, м/с.
|
6
|
|
5
|
Средняя
месячная относительная влажность воздуха наиболее холодного месяца, %
|
85
|
|
6
|
Зона
влажности
|
Нормальная
|
|
7
|
Район
строительства
|
II
В
|
1.5.2 Теплотехнический расчет
наружной стены
Наружное ограждение - стеновые сендвич-панели
“FACНMANN-SP” с металлическими обшивками и утеплителем из пенополистирола.
Рисунок 1.1 - Конструкция стенового ограждения
а) теплотехнические характеристики наружного
ограждения
- металлическая обшивка:
Плотность g1=7900 кг/м3
Коэффициент теплопроводности l1=17,5
Вт/(м×°С)
Коэффициент теплоусвоения S1=58 Вт/(м2×°С)
- пенополистирол ПСБ-С 25Т:
Плотность g1=22 кг/м3
Коэффициент теплопроводности l1=0,039
Вт/(м×°С)
Коэффициент теплоусвоения S1=0,41 Вт/(м2×°С)
б) определение приведенного сопротивления
теплопередаче
Приведенное сопротивлении
теплопередачи
,
, из
санитарно-гигиенических и комфортных условий определяют по формуле:
, (1.1)
где:
- коэффициент, учитывающий
зависимость положения наружной поверхности ограждающих конструкций по отношению
к наружному воздуху,[2];
- нормируемый температурный перепад
между температурой внутреннего воздуха
и температурой на внутренней
поверхности ограждающей конструкции,
, принимаемый по таблице 5[2];
- коэффициент теплопередачи
внутренней поверхности ограждающих конструкций,
, принимаемый по таблице 7 [2];
- расчетная средняя температура
внутреннего воздуха здания,
;
- расчетная температура наружного
воздуха в холодный период года,
.
в) определение нормируемого значения
сопротивления теплопередаче.
Определяем требуемое сопротивление
теплопередаче конструкции исходя из условий энергосбережения:
,
(1.2)
где:
-
коэффициенты, значения которых принимают по табл. 3 [10] для соответствующих
групп зданий;
Градусо-сутки отопительного периода
,
, определяем
по формуле:
,
, (1.3)
где:
- средняя температура наружного
воздуха,
;
=4
- продолжительность отопительного
периода, сут/год,
=228

Сопротивление теплопередачи
элементов ограждающих конструкций принимаем не менее нормируемого значения
, т.е.
.
Определяем термическое сопротивления
теплоизоляционного слоя.
Сопротивление теплопередачи,
многослойной ограждающей конструкции с однородными слоями следует определять по
формуле:
(1.4)
где:
- термическое сопротивление
многослойной ограждающей конструкции,
;
- коэффициент теплоотдачи наружной
поверхности ограждающей конструкции,
;
- коэффициент теплопередачи
внутренней поверхности ограждающих конструкций,
, принимаемый по таблице 7;
=8,7
, (1.5)
где:
- термическое сопротивление
отдельных слоев ограждающих конструкций,
, определяемые по формуле:
, (1.6)
где:
- толщина слоя, м;
- расчетный коэффициент
теплопроводности материала слоя,
, принимаемый согласно 5.3;
,
Получаем толщину теплоизоляционного
слоя
Принимаем толщину теплоизоляционного
слоя равной 100 мм и пересчитываем сопротивление теплопередачи элементов
ограждающих конструкций по формуле 1.4:
Т.к.
<
, то данная конструкция стены
удовлетворяет требованиям.
Фактическое значение коэффициента
теплопередачи ограждающих конструкций k,
, определяем по формуле:
,
, (1.7)

1.5.3 Теплотехнический расчет
покрытия
Рисунок 1.2 - Конструкция кровли
а) теплотехнические характеристики
наружного ограждения
- Ребристая ЖБ плита покрытия по
серии 1.465.1-18:
Плотность g1=2500 кг/м3
Коэффициент теплопроводности l1=1,92 Вт/(м×°С)
Коэффициент теплоусвоения S1=17,98
Вт/(м2×°С)
Коэффициент паропроницаемости μ=0,03 кг/м.ч.Па
- Пароизоляция ТехноНИКОЛЬ:
=0,12мм
- Теплоизоляция: утеплитель РУФ
БАТТС ЭКСТРА
=110 мм
Коэффициент теплопроводности l1=0,039 Вт/(м×°С)
- Холодная битумная мастика
- Праймер битумный ТехноНИКОЛЬ 01
Коэффициент теплопроводности l1=0,029 Вт/(м×°С)
=3,5 мм
- Техноэласт ЭКП
Коэффициент теплопроводности l1=0,029 Вт/(м×°С)
= 4,2 мм
б) определение приведенного
сопротивления теплопередаче
Приведенное сопротивлении
теплопередачи
,
, из
санитарно - гигиенических и комфортных условий определяют по формуле:
, (1.8)
где:
- коэффициент, учитывающий
зависимость положения наружной поверхности ограждающих конструкций по отношению
к наружному воздуху и приведенный в таблице 6;
- нормируемый температурный перепад
между температурой внутреннего воздуха
и температурой на внутренней
поверхности ограждающей конструкции,
, принимаемый по таблице 5;
-коэффициент теплопередачи
внутренней поверхности ограждающих конструкций,
, принимаемый по таблице 7;
- расчетная средняя температура
внутреннего воздуха здания,
;
- расчетная температура наружного
воздуха в холодный период года,
.
в) определение нормируемого значения
сопротивления теплопередаче.
Определяем требуемое сопротивление
теплопередаче конструкции исходя из условий энергосбережения:
,
(1.9)
где:
- коэффициенты, значения которых
принимают по табл. 3 [10] для соответствующих групп зданий;
Градусо-сутки отопительного периода
,
, определяем
по формуле:
,
, (1.10)
где:
- средняя температура наружного воздуха,
;
=4
- продолжительность отопительного
периода, сут/год,
=228

Сопротивление теплопередачи
элементов ограждающих конструкций принимаем не менее нормируемого значения
, т.е.
.
Определяем термическое сопротивления
теплоизоляционного слоя.
Сопротивление теплопередачи,
многослойной ограждающей конструкции с однородными слоями следует определять по
формуле:
(1.11)
где:
- термическое сопротивление
многослойной ограждающей конструкции,
;
- коэффициент теплоотдачи наружной
поверхности ограждающей конструкции,
;
- коэффициент теплопередачи
внутренней поверхности ограждающих конструкций,
, принимаемый по таблице 7;
=8,7
, (1.12)
где:
- термическое сопротивление
отдельных слоев ограждающих конструкций,
, определяемые по формуле:
, (1.13)
где:
- толщина слоя, м;
- расчетный коэффициент
теплопроводности материала слоя,
, принимаемый согласно 5.3;
,
Получаем толщину теплоизоляционного
слоя.
Принимаем толщину теплоизоляционного
слоя равной 110 мм и пересчитываем сопротивление теплопередачи элементов
ограждающих конструкций по формуле 1.4:
Фактическое значение коэффициента
теплопередачи ограждающих конструкций k,
, определяем по формуле:
,
, (1.14)

2. РАСЧЕТНО - КОНСТРУКТИВНЫЙ РАЗДЕЛ
.1 Расчет балки покрытия
.1.1 Расчетная схема балки покрытия
Балки покрытия и перекрытий
принимаем из прокатных двутавров. Схема расположения балок и колонн
представлена на рисунке 2.1.
Рисунок 2.1 - Схема балочного
перекрытия, выбранного для расчета
Принимаем конструкцию узла
сопряжения ригеля с колонной шарнирной. Расчетная схема балки представлена на рисунке
2.2.
Рисунок 2.2 - Расчетная схема балки
2.1.2 Сбор нагрузки на балку
покрытия
Сбор нагрузки на балку покрытия в кПа производим
в табличной форме(см.табл.2.1).
Таблица 2.1 - Сбор нагрузки на кровлю
|
Наименование
нагрузки
|
Нормативная
нагрузка, кПа
|
|
Расчетная
нагрузка, кПа
|
|
Постоянная
|
|
|
|
|
1.
Ребристая ЖБ плита
|
2,5
|
1,1
|
2,75
|
|
g0=2500
кг/м3, d=150 мм
|
|
|
|
|
2.Пароизоляция
ТехноНИКОЛЬ
|
0,04
|
1,2
|
0,048
|
|
d=0,12
мм
|
|
|
|
|
3.
Утеплитель РУФ БАТТС ЭКСТРА
|
0,212
|
1,2
|
0,254
|
|
g0=235
кг/м3, d=110 мм
|
|
|
|
|
4.
Холодная битумная мастика
|
0,28
|
1,2
|
0,336
|
|
g0=1000
кг/м2, d=1 мм
|
|
|
|
|
5.
Праймер битумный ТехноНИКОЛЬ d=3,5 мм
|
0,038
|
1,2
|
0,046
|
|
6.
Техноэласт ЭКП d=4,2мм
|
0,049
|
1,2
|
0,058
|
|
ИТОГО:
|
3,119
|
|
3,492
|
|
Временная
|
|
|
|
|
6.
Снеговая (IV снеговой район)
|
1,68
|
1,4
|
2,352
|
|
ИТОГО:
|
4,799
|
|
5,844
|
Определение снеговой нагрузки
Нормативное значение снеговой нагрузки на
горизонтальную проекцию покрытия по формуле (10.1) [3]:
S0 = 0,7 ce ct m
Sg, кПа,
(2.1)
где се - коэффициент, учитывающий
снос снега с покрытий зданий под действием ветра или иных факторов (10.9) [3];
,
где V - средняя скорость ветра за
три наиболее холодных месяца, V = 5 м/с;- принимается по таблице 11.2 [3], k =
0,85;- ширина покрытия, b = 42 м;= 1 - термический коэффициент, принимаемый в
соответствии с 10.10 [3];
m
= 1 - коэффициент перехода от веса снегового покрова земли к снеговой нагрузке
на покрытие, принимаемый в соответствии с 10.4 [3];- вес снегового покрова на 1
м2 горизонтальной поверхности земли, принимаемый в соответствии с 10.2. [3], Sg
= 2,4 кПа (для 4 снегового района)= 0,7
1
1
1
2,4
103 = 1,68 кПа
Расчетное значение снеговой нагрузки
на горизонтальную проекцию покрытия:
S = S0
γf,
кПа
(2.2)
= 1,68
1,4 = 2,352
кПа
2.1.3 Определение расчетных усилий в
балке
Определяем нормативное значение
нагрузки на балку:
(2.3)
(2.4)
где 1,02 - коэффициент, учитывающий
собственный вес балки, 1-2% от нагрузки приходящейся на балку;
В - шаг балок, м.
кН/м
Расчетное значение погонной нагрузки
на балку:
(2.5)
кН/м
Определяем величину максимального изгибающего
момента и поперечной силы в балке
Мmax = , кН*м, (2.6)=
, кН (2.7)
Мmax =
=
492,8кН·м;=
= 187,74 кН;
Эпюры M и Q показаны на рисунке 2.3.
Рисунок 2.3 - Эпюры моментов и
поперечных сил
Требуемый момент сопротивления
сечения определяем по формуле
(2.8)
где γn - коэффициент,
учитывающий степень ответственности сооружения, принимаемый равным 1[4];
с1 - коэффициент, учитывающий пластическую
работу сечения и принимаемый в зависимости от отношения площади полки сечения
Af к площади стенки Аw; при предварительном подборе сечения значение с1 принять
равным 1,1[4];- расчетное значение сопротивления стали растяжению, сжатию и
изгибу, принимаемое для фасонного проката в зависимости от толщины и класса
стали [4];
γс - коэффициент
условий работы конструкции, принимаемый для балок равным 1,0 [4].
WХ треб =
=
0,001866м3 = 1866см3.
По сортаменту подбираем двутавр с WX
≥ WX треб.
Принимаем №40Ш2.= 2025см3; bf =
300мм; tf = 16мм; gсв = 1,111кН/м; IX =39700см4; h= 392мм; А=141,6см2;
s=11,5мм.
Определяем значение Af и Aw:
(2.9)
(2.10)
Вычисляем Af / Aw = 48/45,6 = 1,05.
По табл. Е1 [4] уточняем значение с1
= 1,0685 и по таблице 4 [4] Ry = 240 МПа.
Уточняем значение:
qn =
+gсв,
кН/м (2.11)
= 6·4,799+1,111 = 29,905 кН/м;
=
·В
,
кН/м (2.12)
=6·5,844 + 1,111·1,05 = 36,23кН/м;
Проверка принятого сечения по I группе
предельных состояний (по прочности):
Проверка по II группе предельных состояний (по
жесткости):
где [f/l] = 1/250.
Условие не выполняется, вычисляем требуемый
момент инерции:
Окончательно подбираем двутавр №50Ш1 с IX =
60930 см4 ˃
, WX = 2518 см3; bf
= 300 мм; tf = 15 мм; gсв = 1,144 кН/м;; h = 484 мм; А = 145,7 см2, s=11мм.
Определяем значение Af и Aw:
Вычисляем Af / Aw = 45/55,7 = 0,8.
Уточняем значение:= 6·4,799+1,144 = 29,938
кН/м;=6·5,844 + 1,144 ·1,05 = 36,27кН/м;
Рисунок 2.4 - Вид сечения балки Б1
2.1.4 Конструирование и расчёт
опорной части балки
Опорные части балок укрепляем диафрагмами с
фрезерованным нижним торцом.
Размеры диафрагмы устанавливаем расчетом на
смятие их торцов реакцией равной Qmax:
Аd ≥ , м2, (2.16)
где Rp - расчетное сопротивление
смятию торцевой поверхности принимаемое равным Rp =Ru = 360 МПа;
Аd - требуемая площадь смятия.
≥
(2.17)
=
=0,0014 м=1,4мм;
≥
(2.18)
=
Принимаем bd = bf =300мм
(2.19)
Принимаем td=16мм.
Рисунок 2.5 - Опорная часть балки
Устойчивость опорной части балки из плоскости
балки проверяется как устойчивость стойки таврового сечения с расчетной длиной
равной высоте стенки hw и нагруженной опорной реакцией равной Qmax по формуле
(2.20):
σs =
≤ Ry·γc, МПа, (2.20)
где As - площадь сечения условной
стойки,
As=bd·td +
S·tw, м2,
(2.21)
где S - ширина участка стенки, м,
= 0,65´tw´ (2.22)
= 0,65´0,011´
= 0,72 м;
As =0,3·0,016+0,72·0,011 = 0,01272м2;
φs - коэффициент продольного
изгиба зависит от гибкости
.
Λ =
=
, (2.23) =
, м,
(2.24) =
, м4,
(2.25)
=
= 0,000036 м4;
is=
= 0,053 м;
(2.26)
= 0,86
0,029
Т.к. `λ
, то значение
.
σs =
= 14,96 МПа ≤ 240×1= 240 МПа.
Требуемый размер катета швов,
прикрепляющих опорные диафрагмы к стенке балки, определяем по формулам (2.27) и
(2.28):
По МШ:
kf тр ≥
(2.27)
По МГС:
тр ≥
(2.28)
Тип электрода Э50, d=2мм, βf = 0,9;
βz = 1,05.
kf тр ≥
= 0,0025 м =
2,35 мм;тр ≥
= 0,00266м =
2,48 мм.min = 6 мм
Принимаем kf = 6 мм.
2.2 Расчет рамы
.2.1 Расчет высоты колонны
Высота колонны от низа базы до
нижнего пояса фермы:
|
|
(2.29)
|
где:
-
полезная высотка здания от уровня пола до низа балки,
7,2
м;
- заглубления
опорной базы колонны ниже нулевой отметки, м.
назначается из
условия, чтобы верх базы не доходил до уровня чистого пола на 50-100 см. Для
статического расчета рамы
назначается
приближенно 0,6 м. (для базы с траверсами). Участок в пределах высоты опорной
части ригеля при шарнирном сопряжении его с колонной оформляют в виде
отдельного отправочного элемента - опорной стойки.
.
Высоту сечения сплошных колонн бескрановых зданий
назначают из условия жесткости:
|
(2.30)
|
|
.
Предварительно принимаем колонны из двутавра
широкополочного по [10] №40Ш1 с h = 388мм.
2.2.2 Расчетная схема рамы
Рисунок 2.6 - Расчетная схема рамы
2.2.3 Сбор нагрузки на балку
покрытия
Сбор нагрузки на балку покрытия в кПа производим
в табличной форме (табл.2.2).
Таблица 2.2 - Сбор нагрузки на кровлю
|
Наименование
нагрузки
|
Нормативная
нагрузка, кПа
|
|
Расчетная
нагрузка, кПа
|
|
Постоянная
|
|
|
|
|
1.
Ребристая ЖБ плита
|
2,5
|
1,1
|
2,75
|
|
g0=2500
кг/м3, d=150 мм
|
|
|
|
|
2.Пароизоляция
Технониколь
|
0,04
|
1,2
|
0,048
|
|
d=0,12
мм
|
|
|
|
|
3.
Утеплитель РУФ БАТТС ЭКСТРА
|
0,212
|
1,2
|
0,254
|
|
g0=235
кг/м3, d=110 мм
|
|
|
|
|
4.
Холодная битумная мастика
|
0,28
|
1,2
|
0,336
|
|
g0=1000
кг/м2, d=1 мм
|
|
|
|
|
5.
Нижний слой гидроизоляции d=2,8 мм
|
0,038
|
1,2
|
0,046
|
|
6.
Верхний слой гидроизоляции d=3,8 мм
|
0,049
|
1,2
|
0,058
|
|
ИТОГО:
|
3,119
|
|
3,492
|
|
Временная
|
|
|
|
|
6.
Снеговая (IV снеговой район)
|
1,68
|
1,4
|
2,352
|
|
ИТОГО:
|
4,799
|
|
5,844
|
2.2.4 Сбор нагрузки на междуэтажное
перекрытие при высоте этажа 4,8м
Таблица 2.3 - Сбор на междуэтажное перекрытие
при высоте этажа 4,8 м
|
Наименование
нагрузки
|
Нормативная
нагрузка, кПа
|
|
Расчетная
нагрузка, кПа
|
|
Постоянная
|
|
|
|
|
1.
Плитки ПВХ “RHINOTEX” g0=5,4 кг/м2, d=2,5
мм
|
0,054
|
1,1
|
0,0594
|
|
2.
Цементно-песчаная стяжка g0=1800 кг/м3, d=20
мм
|
0,36
|
1,3
|
0,468
|
|
3.
Ребристая ЖБ плита g0=2500 кг/м3, d=150
мм
|
2,5
|
1,1
|
2,75
|
|
4.
Перегородки d=80 мм
|
0,5
|
1,1
|
0,55
|
|
5.
Собственный вес
|
0,051
|
1,05
|
0,054
|
|
ИТОГО:
|
3,465
|
|
3,88
|
|
Временная
|
|
|
|
|
6.
Полезная нагрузка
|
15
|
1,2
|
18
|
|
7.
Нагрузки от людей и оборудования
|
0,15
|
1,3
|
0,195
|
|
ИТОГО:
|
18,615
|
|
22,08
|
2.2.5 Сбор нагрузки на междуэтажное
перекрытие при высоте этажа 7,2 м.
Таблица 2.4 - Сбор на междуэтажное перекрытие
при высоте этажа 7,2 м
|
Наименование
нагрузки
|
Нормативная
нагрузка, кПа
|
|
Расчетная
нагрузка, кПа
|
|
Постоянная
|
|
|
|
|
1.
Мозаичный бетонный пол g0=1900 кг/м3, d=15
мм
|
0,285
|
1,3
|
0,371
|
|
2.
Цементно-песчаная стяжка g0=1800 кг/м3, d=20
мм
|
0,36
|
1,3
|
0,468
|
|
3.
Ребристая ЖБ плита g0=2500 кг/м3, d=150
мм
|
2,5
|
1,1
|
2,75
|
|
4.
Перегородки d=80 мм
|
0,5
|
1,1
|
0,55
|
|
5.
Собственный вес
|
0,055
|
1,05
|
0,058
|
|
ИТОГО:
|
3,7
|
|
4,197
|
|
Временная
|
|
|
|
|
6.
Полезная нагрузка
|
15
|
1,2
|
18
|
|
7.
Нагрузки от людей и оборудования
|
0,15
|
1,3
|
0,195
|
|
ИТОГО:
|
18,85
|
|
22,392
|
Постоянная нагрузка от массы колонн в кН
определяется по геометрическим размерам колонны:
Nкол=γf
qнкол
l (2.31)
где γf -
коэффициент надежности по нагрузке, для стальных конструкций, γf = 1,05;нкол
- нагрузка от массы 1 погонного метра колонны в кН/м (принимается равной
линейной плотности в кг/м предварительно принятого прокатного двутавра,
умноженной на переходный коэффициент 10-2), qнкол = 109,7кг/м=1,097кH/м;=H -
длина колонны, l=H=19,8 м.кол = 1,05*1,097*19,8=21,65 кH,
Постоянная расчетная сосредоточенная
нагрузка от массы колонны прикладывается в двух точках по длине колонны и равна
Nкол/2.
Нагрузка от массы стеновых панелей и
ригелей передается на колонны в виде сосредоточенных сил и изгибающих моментов.
стен=10-2
(2
ρобш
tобш
Hстен
γf,обш+ρут
tут
Hстен
γf,ут+n
qриг
γf,риг)
В (2.32)
где 10-2 - переходный коэффициент;
ρобш, ρут -
плотность обшивки и утеплителя сэндвич-панелей (ρобш=7850
кг/м3, ρут=100
кг/м3); обш, tут - толщина обшивки и утеплителя сэндвич-панелей, tобш=0,7мм,
tут=100мм; риг - нагрузка от массы ригеля из гнутого швеллера ГШ 160×80, qриг=13,68кг/м;
γf,обш, γf,ут, γf,риг -
коэффициенты надежности по нагрузке для обшивки, утеплителя и ригеля, γf,обш=1,05, γf,ут=1,2, γf,риг=1,05;
количество ригелей для крепления стенового ограждения (шаг ригелей 1,2м), n=7;
Нст - высота стенового ограждения из
сэндвич-панелей,
В - шаг колонн, В=6,0м. стен=10-2
(2
7850
0,0007
22,2
1,05+25
22,2
0,1
1,2+7
13,68
1,05)·6=22,26 кH,
Нагрузка от стенового ограждения
передается на колонны в виде сосредоточенных сил и изгибающих моментов в двух
точках 1 и 2 (рисунок.2.9):
Nncтен = Nстен
Hn/Hстен ,кН, (2.33)
где Hn=(H0-hцок)/2 - половина высоты
стенового ограждения от цокольной панели до низа фермы, H1=(7,2-1,2)/2=3мстен =
22,26
3 /22,2 = 3 кHстен =22,26
6/22,2 = 6,01 кHстен = 22,26
9,6/22,2 = 9,6 кHстен = 22,26
13,2/22,2 = 13,23 кHстен =
22,26
15,6/22,2 = 15,64
кHстен=Nnстен
e,кH
м, (2.34)
где е - эксцентриситет приложения
силы N
=tстен/2+hриг+h/2, мм (2.35)
где hриг =160мм; h=304мм - высота
сечения колонны 30К3.=100/2+160+304/2=362мм,
M1стен = 3
0,362=1,19кH
м,стен = 6,01
0,362=2,18кH
м,стен = 9,6
0,362=3,47кH
м,стен = 13,23
0,362=4,79кH
м,стен = 15,64
0,362=5,66кH
м,
При горизонтальной разрезке стен при
определении эксцентриситета е высота ригеля hриг не учитывается.
Суммарная нагрузка от веса колонн и
стенового ограждения:
= -(Nnстен+ Nкол/2),кН (2.36)
= -(N1стен+ Nкол/2)= - (3,3+21,65/2)
= - 14,13кН= -(N2стен + Nкол/2) =-(6,01+21,65/2)= - 16,835 кН
N3= -(N3стен + Nкол/2) =-(9,6+21,65/2)= - 20,43
кН
= -(N4стен + Nкол/2) =-(13,23+21,65/2)= - 24,06 кН= -(N5стен + Nкол/2)
=-(15,64+21,65/2)= - 26,47 кН
M1 =- M1стен =- 1,19кH
м,= - M2стен= - 2,18кH
м,= - M3стен= - 3,47кH
м,= - M4стен= - 4,79кH
м,= - M5стен= - 5,66кH
м,
Определение ветровой нагрузки:
Ветровая нагрузка на раму
складывается из нагрузки, действующей непосредственно на колонны и нагрузки,
действующей выше низа ригеля. Интенсивность распределенной ветровой нагрузки
определяется:
с наветренной стороны:
|
|
(2.36)
|
с заветренной стороны:
|
(2.37)
|
|
где
-
коэффициент надежности по снеговой нагрузке, принимаемый согласно [3]
;
- нормативный
скоростной напор ветра для высоты над поверхностью земли до 5 м, принимаемый по
[3] в зависимости от ветрового района,
;
- аэродинамические
коэффициенты, принимаемые согласно [3], для вертикальных поверхностей
,
;
- коэффициент,
учитывающий изменение скоростного напора в зависимости от высоты и типа
местности, принимаемый по [3].
При z = 5,0 м,
;=
10,0м,
;=
20,0м,
.
кН/м,
кН/м,
кН/м,
кН/м,
кН/м,
кН/м.
Неравномерную ветровую нагрузку, действующую
ниже отметки низа ригеля, заменяют эквивалентной равномерно распределенной
нагрузкой, вызывающей в нижнем сечении колонны такой же изгибающий момент, что
и действующая неравномерно распределенная. Эквивалентная ветровая нагрузка с
наветренной стороны:
|
|
(2.38)
|
где
- изгибающий момент, кН*м
,кН*м, (2.39)
где
,
м;
, м;
,
.
.
.
Эквивалентная ветровая нагрузка с заветренной
стороны равна:
|
кН/м,
|
(2.40)
|
.
Выше отметки низа ригеля равномерно
распределенная нагрузка заменяется сосредоточенной силой, приложенной в уровне
нижнего пояса ригеля.
|
(2.41)
|
|
.
Сосредоточенная сила с заветренной стороны:
|
(2.42)
|
|
.
Рисунок 2.7 - Схема загружения рамы
Рисунок 2.8 - Ветровая нагрузка
Рисунок 2.9 - Нагрузки от стеновых панелей
Рисунок 2.10 - Порядок узлов
Таблица 2.5 - Усилия и их сочетания в сечениях
колонны
|
Нагрузки
|
|
Усилия
|
|
Индекс
|
Наимен.
|
|
7
|
6
|
5
|
4
|
3
|
2
|
1
|
|
|
|
M
|
N
|
M
|
N
|
M
|
N
|
M
|
N
|
M
|
N
|
M
|
N
|
M
|
N
|
|
1
|
пост
|
1
|
0
|
-18,33
|
3,99
|
-18,33
|
2,32
|
-33,97
|
-2,47
|
-163,12
|
-2,07
|
-172,72
|
0,48
|
-296,29
|
-0,71
|
-299,59
|
|
2
|
снег
|
1
|
0
|
-12,35
|
0
|
-12,35
|
0
|
-12,35
|
0
|
-12,35
|
0
|
-12,35
|
0
|
-12,35
|
0
|
-12,35
|
|
2*
|
|
0,9
|
0
|
-11,115
|
0
|
-11,115
|
0
|
-11,115
|
0
|
-11,115
|
0
|
-11,115
|
0
|
-11,115
|
0
|
-11,115
|
|
3
|
Ветер
слева
|
1
|
0
|
0
|
0,34
|
0
|
6,85
|
0
|
7,63
|
0
|
22,28
|
0
|
26,32
|
0
|
48,15
|
0
|
|
3*
|
|
0,9
|
0
|
0
|
0,31
|
0
|
6,17
|
0
|
6,87
|
0
|
20,05
|
0
|
23,69
|
0
|
43,34
|
0
|
|
4
|
Ветер
справа
|
1
|
0
|
0
|
1,1
|
0
|
2,19
|
0
|
7,68
|
0
|
0
|
21,21
|
0
|
32,47
|
0
|
|
4*
|
|
0,9
|
0
|
0
|
0,99
|
0
|
1,97
|
0
|
6,91
|
0
|
11,85
|
0
|
19,09
|
0
|
29,22
|
0
|
|
5
|
+Mmax
и Nсоотв
|
NN
|
|
1+3
|
1+3
|
1+3
|
1+3
|
1+3
|
1+3
|
|
|
Σ
|
|
|
4,33
|
-18,33
|
9,17
|
-33,97
|
5,16
|
-163,12
|
20,21
|
-172,72
|
26,8
|
-296,29
|
47,44
|
-299,59
|
|
6
|
-Mmax
и Nсоотв
|
NN
|
|
1+4
|
1+4
|
1+4
|
1+4
|
1+4
|
1+4
|
|
|
Σ
|
|
|
5,09
|
-18,33
|
4,51
|
-33,97
|
5,21
|
-163,12
|
11,1
|
-172,72
|
21,69
|
-296,29
|
31,76
|
-299,59
|
|
7
|
Nmax
и ±Mсоотв
|
NN
|
1+2
|
1+2
|
1+2
|
1+2
|
1+2
|
1+2
|
1+2
|
|
|
Σ
|
0
|
-30,68
|
3,99
|
-30,68
|
2,32
|
-46,32
|
-2,47
|
-175,47
|
-2,07
|
-185,07
|
0,48
|
-308,64
|
-0,71
|
-311,94
|
|
8
|
Для
анкерных болтов: внутренних Nmin+Mсоотв (+Mmaxи Nсоотв
|
NN
|
|
1+4
|
|
|
Σ
|
|
31,76
|
-299,59
|
|
|
NN
|
|
1+3
|
|
|
Σ
|
|
47,44
|
-299,59
|
|
Наружных
Nmin -Mсоотв
|
NN
|
|
1+3
|
|
|
Σ
|
|
47,44
|
-299,59
|
Таблица 2.6 - Определение невыгодных сочетаний
усилий в сечениях колонны
|
Сечения
и элементы
|
Индексы
из табл.
|
Усилия
|
Наружная
ветвь
|
Внутренняя
ветвь
|
|
|
M,
кН·м
|
N,
кН
|
M/h
|
N/2
|
Nпр
|
M/h
|
N/2
|
Nпр
|
|
7
|
5
|
|
|
|
|
|
|
|
|
|
6
|
|
|
|
|
|
|
|
|
|
7
|
0
|
-30,68
|
0
|
-15,34
|
-15,34
|
0
|
-15,34
|
-15,34
|
|
6
|
5
|
4,33
|
-18,33
|
14,24
|
-9,165
|
5,08
|
-14,24
|
-9,165
|
-23,41
|
|
6
|
5,09
|
-18,33
|
16,74
|
-9,165
|
7,58
|
-16,74
|
-9,165
|
-25,91
|
|
7
|
3,99
|
-30,68
|
13,13
|
-15,34
|
-2,22
|
-13,13
|
-15,34
|
-28,47
|
|
5
|
5
|
9,17
|
-33,97
|
30,16
|
-16,98
|
13,18
|
-30,16
|
-16,98
|
-47,14
|
|
6
|
4,51
|
-33,97
|
14,84
|
-16,98
|
-2,15
|
-14,84
|
-16,98
|
-31,82
|
|
7
|
2,32
|
-46,32
|
7,63
|
-23,16
|
-15,53
|
-7,63
|
-23,16
|
-30,79
|
|
4
|
5
|
5,16
|
-163,12
|
16,97
|
-81,56
|
-64,59
|
-16,97
|
-81,56
|
-98,53
|
|
6
|
5,21
|
-163,12
|
17,14
|
-81,56
|
-64,42
|
-17,14
|
-81,56
|
-98,70
|
|
7
|
-2,47
|
-175,74
|
-8,13
|
-87,87
|
-96,00
|
8,13
|
-87,87
|
-79,75
|
|
3
|
5
|
20,21
|
-172,72
|
66,48
|
-86,36
|
-19,88
|
-66,48
|
-86,36
|
-152,84
|
|
6
|
11,1
|
-172,72
|
36,51
|
-86,36
|
-49,85
|
-36,51
|
-86,36
|
-122,87
|
|
7
|
-2,07
|
-185,07
|
-6,81
|
-92,53
|
-99,34
|
6,81
|
-92,53
|
-85,72
|
|
2
|
5
|
26,8
|
-296,29
|
88,16
|
-148,14
|
-59,99
|
-88,16
|
-148,14
|
-236,30
|
|
6
|
21,69
|
-296,29
|
71,35
|
-148,14
|
-76,80
|
-71,35
|
-148,14
|
-219,49
|
|
7
|
0,48
|
-308,64
|
1,58
|
-154,32
|
-152,74
|
-1,58
|
-154,32
|
-155,90
|
|
1
|
5
|
47,44
|
-299,59
|
156,05
|
-149,79
|
6,26
|
-156,05
|
-149,79
|
-305,84
|
|
6
|
31,76
|
-299,59
|
104,47
|
-149,79
|
-45,32
|
-104,47
|
-149,79
|
-254,26
|
|
7
|
-0,71
|
-311,94
|
-2,34
|
-155,97
|
-158,31
|
2,34
|
-155,97
|
-153,63
|
|
Анкерные
болты
|
8
|
31,76
|
-299,59
|
104,47
|
-149,8
|
-254,27
|
-104,47
|
-149,8
|
-254,27
|
|
|
47,44
|
-299,59
|
156,05
|
-149,8
|
-305,85
|
-156,05
|
-149,8
|
-305,85
|
|
|
47,44
|
-299,59
|
156,05
|
-149,8
|
-305,85
|
-156,05
|
-149,8
|
-305,85
|
Примечание: Nпр = N/2 ± M/h( «+» - при
определении Nпр во внутренней ветви; «-» - при определении Nпр в наружной
ветви), h = 0,304 м - предварительная высота сечения колонны
2.3 Расчет и конструирование
внецентренно-сжатой колонны
Расчетные длины колонны К1:
В плоскости рамы:
|
|
(2.43)
|
Из плоскости рамы:
|
(2.44)
|
|
где
-
коэффициент расчетной длины колонны в плоскости рамы, при жестком закреплении
колонны к фундаменту и при шарнирном прикреплении ригеля к колонне в
двухпролетной раме,
;
- то же, из
плоскости рамы, предварительно
;
- геометрическая
длины колонны,
.
.
.
.3.1 Подбор сечения стержня колонны
Предварительно высоту сечения колонны принимаем
по формуле (2.30):
.
Требуемая площадь сечения определяется по
условной гибкости стержня колонны:
|
(2.45)
|
|
где
-
радиус инерции сечения, предварительно при расчете для двутавра
.
Определяем относительный эксцентриситет mx
|
где
-
эксцентриситет приложения силы, м;
- момент
сопротивления сечения, вычисленный для наиболее сжатого волокна,
.
Эксцентриситет определяется как отношение
момента к продольной силе сечения элемента 3 по таблице 2.6:
- в
предварительных расчетах принимаем:
;
Вычисляем приведенный относительный
эксцентриситет
:
|
(2.47)
|
|
где
-
коэффициент влияния формы сечения, определяем по табл. Д.2[2], предварительно
при
:
Требуемая площадь сечения колонны:
|
(2.48)
|
|
где
-
коэффициент снижения расчетных сопротивлений при внецентренном сжатии,
определяемый по табл. Д.3[2];
,
С учетом требуемой высоты сечения и площади
принимаем широкополочный двутавр с параллельными гранями полок №40Ш1 по [10].
Таблица 2.7 - Геометрические характеристики
двутавра
|
№
|
h
|
b
|
s
|
t
|
A
|
Ix
|
Wx
|
ix
|
Iy
|
Wy
|
iy
|
q
|
|
мм
|
мм
|
мм
|
мм
|
см2
|
см4
|
см3
|
см
|
см4
|
см3
|
см
|
кг/м
|
|
40Ш1
|
388
|
300
|
9,5
|
14
|
122,4
|
34360
|
1771
|
16,76
|
6306
|
420
|
7,18
|
96,1
|
2.3.2 Проверка сечения колонны
В плоскости рамы:

Площадь сечения пояса и стенки определяется по
формулам (2.49) и (2.50):
|
|
(2.49)
(2.50)
|
При
Уточним приведенный относительный эксцентриситет
Проверка по I группе предельных состояний по
(2.35):
Предельная гибкость определяется по (2.51):
Принимаем
Предельная гибкость стержня колонны:
Проверка по II группе предельных состояний:
Принимаем подобранное сечение двутавра 40Ш1 в
качестве стержня колонны.
Из плоскости рамы.
Гибкость стержня из плоскости рамы:
Приведенная гибкость из плоскости рамы:
Предельная гибкость определяется по формуле
(2.51), но с учетом, что:
- коэффициент
продольного изгиба, определяемый как для центрально-сжатых колонн по табл.
Д.1[2], тип сечения с,
.
Принимаем
Предельная гибкость из плоскости рамы:
Проверка по II группе предельных состояний:
Проверка по I группе предельных состояний:
|
(2.53)
|
|
где с - коэффициент, принимаемый по [2] при
:
|
(2.54)
|
|
где
-
коэффициенты, определяемые по формулам (2.55) и (2.56):
|
(2.55)
|
|
|
|
(2.56)
|
= 0,65+0,05
2,29
= 0,76
МПа
Окончательно принимаем подобранное сечение
двутавра 40Ш1 в качестве стержня колонны.
Рисунок 2.10 - Вид сечения стержня колонны
2.3.3 Расчет базы колонны
В расчетной схеме рамы принято жесткое
закрепление колонны в фундаменте.
Комбинация расчетных усилий принята по
максимальному приведенному усилию в сечении 1 по табл. 2.6: M = 47,44 кН∙м
и N = -299,59 кН.
Определение размеров опорной плиты в плане
Ширина опорной плиты определяется по формуле
(2.57):
|
(2.57)
|
|
где
-
толщина траверсы базы колонны, принимаем
;
- размеры
консольных свесов, принимаем
.
(в соответствии
ширине листа универсальной листовой стали)
Отсюда следует, что:
Длина опорной плиты определяется по формуле
(2.58):
|
(2.58)
|
|
где
-
расчетное сопротивление бетона смятию,
,
где
,
- площадь верхнего
обреза фундамента, принимаем
Расчетная длина плиты получилась меньше, чем
высота сечения колонны, поэтому принимаем длину опорной плиты исходя из
конструктивных требований:
Определение толщины опорной плиты из условия
прочности на изгиб.
Краевые напряжения в бетоне фундаменты под
опорной плитой определяются по формулам (2.60) и (2.61):
|
(2.60)
|
|
|
|
(2.61)
|
(сжатие)
(растяжение)
|
(2.62)
|
|
Изгибающий момент в опорной плите определяется
по максимальному моменту из трех участков, которые имеют различное опирание на
фундамент:
Участок 1, опертый на 4 канта:
Моменты в направлении короткой и длинной сторон
соответственно:
где
-
коэффициенты для расчета на изгиб прямоугольных плит, опертый по четырем и трем
сторонам.
При b/a =
360/145,3 = 2,47 ≥ 2,
При a1/d1 =
60/300 = 0,19 ≤ 0,5,
Участок 2, опертый на 3 канта:
Участок 3, консольный:
|
(2.66)
|
|
Толщина опорной плиты
|
(2.67)
|
|
где
-
максимальный момент из
.
м
Принимаем опорную плиту размерами: 420х510х12
мм.
Рисунок 2.11 - Жесткая база колонны
2.3.4 Расчет траверсы
Определяем необходимую длину швов, приваривающих
траверсы к полкам колонны. Принимаем ручную сварку, тип электрода Э42*.
Ведем расчет по металлу шва.
Принимаем
.
Требуемая длина шва определяется по формуле
(2.68):
|
(2.68)
|
|
где
Назначаем высоту траверсы кратной 10 мм,
Изгибающий момент в траверсе определяем как в
консоли вылетом
по формуле:
|
(2.69)
|
|
где
,
где
-
ширина грузовой площади траверсы.
Прочность траверсы по нормальным напряжениям
определяется по формуле (2.70):
|
(2.70)
|
|
Прочность траверсы по нормальным напряжениям
обеспечена.
Прочность траверсы по касательным напряжениям
определяется по формуле (2.71):
|
(2.71)
|
|
Прочность траверсы по касательным напряжениям
обеспечена.
2.3.5 Расчет анкерных болтов
Конструктивно принимаем 4 анкерных болта с d =
16 мм с
,
т.к. приведенные усилия в анкерных болтах все со знаком « - » , т.е. в них не
возникает растягивающих усилий
.4 Расчет и конструирование
центрально-сжатой колонны
.4.1 Определение расчетной схемы
колонны К2, расчетных длин и расчетных усилий
Рисунок 2.11 - Расчетная схема центрально-сжатой
колонны
Расстояние между точками, препятствующими
смещению колонны из плоскости закрепления в фундаменте, опирания стропильных
конструкций, крепления ригелей и и т.д.:
(2.77)
где
-
коэффициент, зависящий от условия закрепления концов стержня колонны,
;
- геометрическая
длина колонны с учетом заглубления подошвы фундамента ниже нулевой отметки на
0,6 - 1,0 м
,
.
.
Расчетная нагрузка на колонну определяется по
формуле:
(2.78)
2.4.2 Подбор и проверка сечения
колонны
Сечение колонны сплошное
двутавровое,
Предварительно назначаем гибкость λ = 50, по формуле
(2.45):
Определяем требуемое значение
площади сечения и требуемые радиусы инерции:
, (2.79)
, (2.80)
где
- коэффициент продольного изгиба,
определяемый как для центрально-сжатых колонн по табл. Д.1[2], тип сечения с,
Подбор сечения и проверка
устойчивости колонны из прокатного профиля.
В сортаменте определяем подходящий
номер двутавра: принимаем №40К1:
|
№
|
h
|
b
|
s
|
t
|
A
|
Ix
|
Wx
|
ix
|
Iy
|
Wy
|
iy
|
q
|
|
мм
|
мм
|
мм
|
мм
|
см2
|
см4
|
см3
|
см
|
см4
|
см3
|
см
|
кг/м
|
|
40К1
|
393
|
400
|
11
|
16,5
|
175,8
|
52400
|
2664
|
17,26
|
17610
|
880
|
10,00
|
138,0
|
Уточняем нагрузку N =
+ l∙g∙λf
= 2960
+ 7,8∙1,38∙1,05 = 2971,3 кН
Проверка устойчивости:
По I группе предельных состояний:
Вычисляем
по формуле
(2.44):
По формуле (2.45):
По таблице Д1 [2]:
5

Проверяем по II группе предельных состояний:
(2.81)
(2.82)
(2.83)
Рисунок 2.12 - Двутавр 40К1
2.4.3 Расчёт опирания балки на
колонну
При опирании балок на колонну сбоку вертикальная
реакция передается через торцевое ребро главной балки на опорный столик. =16,5
мм; tw=11 мм; td=16 мм.
Ширина столика ищется из условия прочности на
смятие:
,мм, (2.84)
= Ru = 360 МПа,
Примем bst=430 мм.
ст= td+(5-10), мм (2.85)
ст=16+10=26 мм.
(2.86)
(2.87)
. Условие выполняется.
Принимаем сварку проволокой 08Г2С.
=370МПа.= 215 МПа.
При полуавтоматической сварке с
d=1,4-2: kfmin = 6мм; kfmax = 1,2 × tmin = 1,2× 11 = 13мм.
Принимаем kf=10мм. βf = 0,8;
βz = 1,0.
Rwz = 0,45·Run = 0,45·370 = 166,5
МПа.= 2
Расчет ведем по металлу границы
сплавления:
(2.88)
Принимаем lp= 370 мм.

Рисунок 2.13 - Опирание балок на
колонну сбоку
2.4.4 Конструирование и расчет базы
колонны
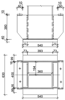
Определение размеров опорной плиты в
плане: h = 393 мм; b = 400 мм; ts = 16,5 мм; tw = 11 мм; Nут = 2971,3 кН.
Требуемая площадь опорной плиты
, м2, (2.89)
где
- расчетное сопротивление бетона
смятию, равное
,
где
,
- площадь верхнего обреза
фундамента.
Принимаем
;
- расчетное сопротивление бетона
осевому сжатию (для бетона класса В12,5
).
Размеры опорной плиты из
конструктивных требований:
,мм, (2.90)
, мм, (2.91)
где
- толщина траверсы, принимается
равной
;
с - консольные свесы, принимаются не
более 100
120мм.
При этом должно соблюдаться условие
Предварительно берем с = 90мм, ttr =
16 мм.
Впл = 400+2×16+2×90=
612 ммпл
≥ 360+2×16,5+2×70
= 533 мм.
Принимаем Впл =630мм, (в
соответствии ширине листа универсальной листовой стали) Lпл=540 мм
(2.92)
Rb,loc = 7,5×1,2 = 9 МПа.
.
,34> 0,33.
фасад балка перекрытие
конструкция
2.4.5 Определение толщины опорной
плиты tpl из условия прочности на изгиб
Среднее напряжение в бетоне под плитой:
, МПа, (2.93)
МПа.
Изгибающие моменты, действующие на
полосе шириной 1см:
для участка плиты, опертого на
четыре стороны в направлении короткой стороны
(2.94)
b = 400 - 11 × 2 = 378 мм; a = (393
- 16,5) / 2 = 188,25мм;
;
α = 0,1 (по табл. Е.2
[2]);
М1 = 0,1 × 8,7
× 106 × 0,188252 = 30,83 кН
м.
для участка плиты, опертого на
четыре стороны в направлении длинной стороны
(2.95)
= c = 99мм;=
bf = 400мм;
=>
=0,06.
М2 = 0,06 × 8,7
× 106 × 0,42
= 83,5 кНм.
(2.96)
.
Принимаем tпл = 20 - 40мм; Ry =
240МПа
=> tпл=40мм.
.4.6 Определение высоты траверсы
Принимаем полуавтоматическую сварку,
колонна относится к третьей группе конструкций, то есть для стали С245
принимаем проволоку Св08Г2С табл. Г.1 [4]. = 370МПа; Rwz = 0,45·Run = 0,45·370
= 166,5 МПа; Rwf = 215 МПа.
Для нижнего положения шва при
тавровом соединении с односторонними швами и проволоке Ø1,4-2 мм по табл.
39 [2] принимаем: βf
= 0,8; βz = 1,0;
kfmin=6мм, kfmax = 1,2 х
tmin=1,2х16=19мм.
Принимаем kf=12мм.
По МГС:
.
Принимаем высоту траверсы hтр =
380мм
Конструктивно принимаем 4 анкерных
болта с d = 16 мм с
Рисунок 2.14 - База колонны
3. ТЕХНОЛОГИЧЕСКИЙ РАЗДЕЛ
.1 Область применения
технологической карты
Технологической картой предусмотрено
устройство металлического каркаса с проведением сопутствующих работ.
В состав работ, рассматриваемых в
технологической карте, входят:
подготовка конструкции к монтажу;
строповка и перемещение конструкций;
приемка деталей монтажниками;
подготовка места установки;
установка конструкций;
временное закрепление конструкций;
выверка конструкций;
окончательное закрепление
конструкций.
Работы производятся комплексной
бригадой состоящей из монтажников, такелажников, сварщиков, слесарей.
Монтажные работы производятся в 2
смены.
3.2 Определение объемов
строительно-монтажных работ
Таблица 3.1 - Сводная ведомость
объемов работ
|
Наименование
конструкций (марка) и рабочих операций
|
Едини-цы
измере-ния
|
Объем
|
Эскиз
и размеры конструкций(мм)
|
Масса
(т)
|
|
|
1
|
2
|
3
|
4
|
5
|
|
|
1.
Колонны К1, К2 I23K1
|
шт
т
|
60
0,405
|
|
24,34
|
|
|
2.
Колоны К3, К4 I23К1
|
шт
т
|
16
0,38
|
6,08
|
|
|
|
|
|
|
|
|
|
|
|
3.
Колонны К5, К6 I20К1 шт т 60 0,3
4.
Колонны К7, К8 I20Ш1 шт т 40 0,15
5.
Колонны К9, К10 I20Ш1 шт т 26 0,22
6.
Фахверковые колонны ФК1 I20К1 шт т 6 0,27
7.
Фахверковые колонны ФК2 I20К1 шт т 24 0,3
8.
Балки покрытия и перекрытия Б1, Б2 I23Б1 шт т 96 0,27
9.
Балки покрытия и перекрытия Б3, Б4 I30Б1 шт т 48 0,32
10.
Балки покрытия и перекрытия Б5, Б6 I30Б1 шт т 9 0,37
|
3,33
|
|
|
|
11.
Установка связей по колоннам ВС-1 [ №16
|
шт
т
|
20
0,36
|
|
7,2
|
|
12.
Установка связей по колоннам ВС-2 [ №16
|
шт
т
|
10
0,29
|
|
2,9
|
|
13.
Установка связей по колоннам ВС-3 [№16
|
шт
т
|
2
0,35
|
|
0,7
|
|
14.
Плиты покрытия и перекрытия
|
шт
|
980
|
|
2,6
|
|
15.
Заделка стыков колонн V>0.1м3
|
шт
|
76
|
|
|
|
16.
Заливка швов плит покрытия
|
100м
|
68,4
|
V=26·66·3+10·42·3+26·12+2·42=6804м
|
|
|
17.
Ст.панель ж/б трехслойная самонесущая ПСТ 30
|
шт
|
320
|
|
2,7
|
|
|
18.
Сварка монтажных стыков плит покрытия
|
10м
|
8,82
|
V=980×0,09=88,2м
|
|
|
|
19.
Сварка монтажных стыков стеновых панелей
|
10м
|
20,48
|
V=320×0,64=204,8м
|
|
|
|
20.
Сварка монтажных стыков ригеля к колонне
|
10м
|
3,84
|
V=32×1,2=38,4м
|
|
|
|
21.
Сварка монтажных стыков двух колонн
|
10м
|
18
|
V=120·1,5=180м
|
|
|
|
|
|
|
|
|
|
|
|
|
3.3 Выбор монтажных приспособлений
Таблица 3.2 - Приспособления для монтажных
сборных конструкций
|
Наименование
приспособления
|
Эскиз
|
Грузоподъем-ность,
т
|
Вес,т
|
Расчетная
высота, м
|
|
1
|
2
|
3
|
4
|
5
|
|
Строп
2-х ветвевой 2СК
|
|
10
|
0,14
|
4,5
|
|
Фрикционный
захват для колонн
|
|
15
|
0,25
|
1,5
|
|
Многоветвевой
уравновешивающийся строп
|
|
7
|
1,066
|
2,1
|
|
Универсальный
строп
|
|
до
10
|
0,02
|
|
|
|
Распорки
|
100,04
|
|
|
|
|
|
Монтажная
площадка с лестницей
|
|
|
|
|
|
|
Временное
ограждение крупнопанельных плит
|
1,05
|
|
|
|
|
|
|
|
|
|
|
|
|
|
|
3.4 Определение трудоемкости и
продолжительности монтажных работ
Калькуляция трудозатрат представлена в табл.
3.3.
Таблица 3.3 - Калькуляция трудозатрат
|
Наименование
работ
|
Единицы
изме-рения
|
Количество
|
Параграф
ЕНиР
|
Состав
звена
|
Норма
времени, чел*час
|
Трудозатраты,
чел*час
|
|
|
|
|
|
|
Рабо-чих
|
Машиниста
|
Рабочих
|
Машиниста
|
|
Выгрузка
колонн массой до 0,5 т
|
100т
|
0,69
|
Е1-5,
т.2-1, а,б
|
Т2-2
МК6-1
|
22
|
11
|
15,18
|
7,59
|
|
Выгрузка
плит покрытия и перекрытия массой до 3 т
|
100т
|
25,48
|
Е1-5,
т.2-5, а,б
|
Т2-2
МК6-1
|
5,4
|
2,7
|
137,59
|
68,8
|
|
Выгрузка
стеновых панелей массой до 3 т
|
100т
|
8,64
|
Е1-5,
т.2-5, а,б
|
Т2-2
МК6-1
|
5,4
|
2,7
|
46,66
|
23,33
|
|
4.
Монтаж колонн первого этажа
|
1
эл-т
|
76
|
Е5-1-9,
1- а, б
|
М6-1
М4-2 М3-1 МК6-1
|
0,875
1,75 0,875
|
0,7
|
66,5
133 66,5
|
53,2
|
|
на
1т
|
30,42
|
Е5-1-9,
2- а, б
|
М6-1
М4-2 М3-1 МК6-1
|
0,188
0,376 0,188
|
0,15
|
5,72
11,44 5,72
|
4,56
|
|
5.
Заделка стыков колонн и фундамента
|
1
ст
|
76
|
Е4-1-25,
т1, 2
|
М4-1
М3-1
|
0,6
0,6
|
|
45,6
45,6
|
|
|
6.
Монтаж портальных связей по колоннам первого этажа
|
1
эл-т
|
12
|
Е5-1-6
т.2, 1,3- г
|
М5-1
М4-1 М3-1 МК6-1
|
0,21
0,21 0,21
|
0,21
|
2,52
2,52 2,52
|
2,52
|
|
на
1т
|
4,3
|
Е5-1-6
т.2, 2,4- г
|
М5-1
М4-1 М3-1 МК6-1
|
1
1 1
|
1
|
4,3
4,3 4,3
|
4,3
|
|
7.
Монтаж балок покрытия и перекрытия первого этажа
|
1
эл-т
|
52
|
Е5-1-9,
1- в, г
|
М6-1
М4-2 М3-1 МК6-1
|
0,525
1,05 0,525
|
0,42
|
27,3
54,6 27,3
|
21,84
|
|
на
1т
|
14,16
|
Е5-1-9,
2- в, г
|
М6-1
М4-2 М3-1 МК6-1
|
0,12
0,24 0,12
|
0,1
|
1,75
3,5 1,75
|
1,42
|
|
8.
Укладка плит покрытия и перекрытия первого этажа до 20 м2
|
1э-т
|
364
|
Е4-1-7
т.1, 11-а, б
|
М4-1
М3-2 М2-1 МК6-1
|
0,28
0,56 0,28
|
0,28
|
101,92
203,84 101,92
|
101,92
|
|
9.
Заливка швов плит перекрытия первого этажа вручную
|
100
м
|
25.32
|
Е4-1-26,
т.1, 3-а, б
|
М4-1
М3-1
|
3.2
3.2
|
|
81,02
81,02
|
|
|
10.Монтаж
колонн второго этажа
|
1
эл-т
|
60
|
Е5-1-9,
1- а, б (ПР-1)
|
М6-1
М4-2 М3-1 МК6-1
|
1,31
2,62 1,31
|
1,05
|
78,6
157,2 78,6
|
63
|
|
на
1т
|
18
|
Е5-1-9,
2- а, б (ПР-1)
|
М6-1
М4-2 М3-1 МК6-1
|
0,282
0,564 0,282
|
0,225
|
5,08
10,16 5,08
|
4,05
|
|
11.
Монтаж портальных связей по колоннам второго этажа
|
1
эл-т
|
10
|
Е5-1-6
т.2, 1,3- г
|
М5-1
М4-1 М3-1 МК6-1
|
0,21
0,21 0,21
|
0,21
|
2,1
2,1 2,1
|
2,1
|
|
на
1т
|
3,6
|
Е5-1-6
т.2, 2,4- г
|
М5-1
М4-1 М3-1 МК6-1
|
1
1 1
|
1
|
3,6
3,6 3,6
|
3,6
|
|
12.
Монтаж балок перекрытия второго этажа
|
1
эл-т
|
48
|
Е5-1-9,
1- в, г
|
М6-1
М4-2 М3-1 МК6-1
|
0,525
1,05 0,525
|
0,42
|
25,2
50,4 25,2
|
20,16
|
|
на
1т
|
13,78
|
Е5-1-9,
2- в, г
|
М6-1
М4-2 М3-1 МК6-1
|
0,12
0,24 0,12
|
0,1
|
1,65
3,3 1,65
|
1,38
|
|
13.
Укладка плит перекрытия второго этажа до 20 м2
|
1э-т
|
308
|
Е4-1-7
т.1, 11-а, б
|
М4-1
М3-2 М2-1 МК6-1
|
0,28
0,56 0,28
|
0,28
|
86,24
172,48 86,24
|
86,24
|
|
14.
Заливка швов плит перекрытия второго этажа вручную
|
100
м
|
21,36
|
Е4-1-26,
т.1, 3-а, б
|
М4-1
М3-1
|
3.2
3.2
|
|
68,35
68,35
|
|
|
15.Монтаж
колонн третьего этажа в осях 4-12
|
1
эл-т
|
40
|
Е5-1-9,
1- а, б (ПР-1)
|
М6-1
М4-2 М3-1 МК6-1
|
1,31
2,64 1,31
|
1,05
|
52,4
104,8 52,4
|
42
|
|
16.Монтаж
колонн третьего этажа в осях 4-12
|
на
1т
|
6
|
Е5-1-9,
2- а, б (ПР-1)
|
М6-1
М4-2 М3-1 МК6-1
|
0,282
0,564 0,282
|
0,225
|
1,69
3.38 1,69
|
1,35
|
|
17.
Монтаж портальных связей по колоннам третьего этажа
|
1
эл-т
|
10
|
Е5-1-6
т.2, 1,3- г
|
М5-1
М4-1 М3-1 МК6-1
|
0,21
0,21 0,21
|
0,21
|
2,1
2,1 2,1
|
2,1
|
|
на
1т
|
2,9
|
Е5-1-6
т.2, 2,4- г
|
М5-1
М4-1 М3-1 МК6-1
|
1
1 1
|
2,9
2,9 2,9
|
2,9
|
|
18.
Монтаж балок покрытия в осях 12-15
|
1
эл-т
|
36
|
Е5-1-9,
1- в, г
|
М6-1
М4-2 М3-1 МК6-1
|
0,525
1,05 0,525
|
0,42
|
18,9
37,8 18,9
|
15,12
|
|
на
1т
|
9,72
|
Е5-1-9,
2- в, г
|
М6-1
М4-2 М3-1 МК6-1
|
0,12
0,24 0,12
|
0,1
|
1,17
2,34 1,17
|
0,97
|
|
19.Монтаж
колонн третьего этажа в осях 12-15
|
1
эл-т
|
20
|
Е5-1-9,
1- а, б (ПР-1)
|
М6-1
М4-2 М3-1 МК6-1
|
1,31
2,62 1,31
|
1,05
|
26,2
52,4 26,2
|
21
|
|
на
1т
|
4,4
|
Е5-1-9,
2- а, б (ПР-1)
|
М6-1
М4-2 М3-1 МК6-1
|
0,28
0,54 0,28
|
0,23
|
1,23
2,46 1,23
|
1,01
|
|
20.Укладка
плит покрытия до 20 м2
|
1э-т
|
308
|
Е4-1-7
т.1, 11-а, б (ВЧ-2)
|
М4-1
М3-2 М2-1 МК6-1
|
0,308
0,616 0,308
|
0,308
|
94,86
189,73 94,86
|
94,86
|
|
21.Заливка
швов плит покрытия вручную
|
100
м
|
21,36
|
Е4-1-26,
т.1, 3-а, б (ВЧ-2)
|
М4-1
М3-1
|
3,52
3,52
|
|
75,19
75,19
|
|
|
22.Установка
стеновых панелей S<15 м2 при H<15 м
|
1
эл.
|
250
|
Е4-1-8,
т.2, 3а,б
|
М5-1
М4-1 М3-1 М2-1 МК6-1
|
1
1 1 1
|
1
|
250
250 250 250
|
250
|
|
23.Установка
стеновых панелей S<15 м2 при 15<H<20 м
|
1
эл.
|
50
|
Е4-1-8,
т.2, 3а,б (ТЧ-1)
|
М5-1
М4-1 М3-1 М2-1 МК6-1
|
1,05
1,05 1,05 1,05
|
1,05
|
52,5
52,5 52,5 52,5
|
52,5
|
|
24.Установка
стеновых панелей S<15 м2 при H>20 м
|
1
эл.
|
20
|
Е4-1-8,
т.2, 3а,б (ТЧ-2)
|
М5-1
М4-1 М3-1 М2-1 МК6-1
|
1,1
1,1 1,1 1,1
|
1,1
|
22
22 22 22
|
22
|
|
25.Сварка
|
10м
шва
|
51,14
|
Е22-1-6,
1,2,3,4,5-д.
|
ЭС3-1
ЭС4-1 ЭС5-1 ЭС6-1
|
0,675
0,675 0,675 0,675
|
|
34,52
34,52 34,52 34,52
|
|
|
|
|
|
|
|
|
|
|
|
|
|
|
|
|
|
|
|
|
|
|
|
|
|
3.5 Распределение трудоемкости по
разрядам
Таблица 3.4 - Распределение трудоемкости по
разрядам
|
Разряд
|
Ежедневное
участие
|
Расчётный
состав бригады
|
Принятый
состав
|
|
М
VI
|
66,5+5,73+27,3+1,75+78,6+5,08+25,2+1,65+52,4+1,69+18,9+1,17+26,2+1,23=313,39
|
313,39/976,13=0,32
|
1
|
|
М
V
|
2,52+4,3+2,1+3,6+2,1+2,9+250+52,5+22=342,02
|
342,02/976,13=0,35
|
-
|
|
М
IV
|
133+4,44+45,6+2,52+4,3+54,6+3,5+101,92++81,02+157,2+10,16+2,1+3,6+50,4+3,3+90,55+68,35+104,8+3,38+2,1+2,9+37,8+2,34+52,4+2,46+94,86+75,19+250+52,5+22=1519,29
|
1519,29/976,13=1,56
|
2
|
|
|
М
III
|
66,5+5,72+45,6+2,52+4,3+27,3+1,75+203,84+81,02+78,6+5,08+2,1+2,9+18,9+1,17+26,2+1,23+94,86+75,19+250+52,5+22=1405,37
|
1405,37/976,13=1,44
|
2
|
|
|
М
II
|
15,18+137,59+46,66+101,92+90,55+94,86+250+52,5+22=811,26
|
811,26/976,13=0,83
|
1
|
|
|
MK
VI
|
7,59+68,8+23,33+53,2+4,56+2,52+4,3+21,84+1,42+101,92+63+4,05+2,1+3,6+20,16+1,38+90,55+42+1,35+2,1+2,9+15,12+0,97+21+1,01+94,86+250+52,5++22=976,13
|
976,13/976,13=1
|
1
|
|
|
|
|
|
|
|
|
|
Таблица 3.5 - Средний разряд работы
|
Разряд
|
Расчётное
количество рабочих
|
Произведение
разряда на число
|
|
6
|
0,32
|
1,92
|
|
5
|
0,35
|
1,75
|
|
4
|
1,56
|
6,24
|
|
3
|
1,44
|
4,32
|
|
2
|
0,83
|
1,66
|
|
Итого
|
4,5
|
15,89
|
Таблица 3.6 - Средний разряд рабочих
|
Разряд
|
Расчётное
количество рабочих
|
Произведение
разряда на число
|
|
6
|
1
|
6
|
|
5
|
-
|
-
|
|
4
|
1
|
4
|
|
3
|
1
|
3
|
|
2
|
1
|
2
|
|
Итого
|
4
|
15
|
Средний разряд рабочих равен 15/4=3,75
Средний разряд работы 15,89/4,5=3,53
Таким образом, состав бригады определен
правильно.
3.6 Выбор монтажного крана
Монтаж конструкций металлического каркаса
трехэтажных четырехпролетных промышленных зданий ведется, как правило,
гусеничными и пневмоколесными кранами. Подбор кранов производят сравнением
технических параметров кранов с требуемыми.
На основании ведомости монтажных элементов
выбираем группу элементов, которая характеризуется максимальными монтажными
параметрами, для этой группы подбираем монтажный кран с необходимыми
характеристиками.
Для монтажа элементов выбираем кран МКГ-40.
Технические характеристики крана МКГ-40 см. в табл. 3.7.
Таблица 3.7 - Технические характеристики крана
МКГ-40
|
Наименование
показателей
|
МКГ-40
|
|
Длина
основной стрелы, м
|
3
|
|
Грузоподъемность
основного крюка, т
|
30,8
|
|
На
опорах, при вылете: наим. наиб.
|
|
|
Без
опор, при вылете: наим. наиб.
|
40
8
|
|
Вылет
крюка, м основного: наиб. наим вспомогат.: наиб. наим.
|
24,5
8,2 20 9-15
|
|
Высота
подъема крюка, м основного при вылете: наиб. наим. вспомог.: наиб. наим.
|
22
32 8 17
|
|
Скорость
подъема крюка, м/с: основного вспомогат.
|
0,4-8,3
2,4-5,0
|
|
Скорость
передвижения, км/ч: рабочая транспортная
|
0,8
0,8
|
|
Частота
вращения, мин
|
0,3
|
|
Радиус,
описываемый хвостовой частью, м
|
-
|
|
Преодолеваемый
краном уклон подъема пути, град.
|
10
|
|
Габаритные
размеры в транспортном положении, м: ширина высота длина гусениц
|
4,3
4,27 5,46
|
|
Инвентарно-расчетная
стоимость, тыс. руб.
|
61
|
|
Единовременные
затраты, руб.
|
175
|
|
Усредненная
стоимость машино - смены, руб.
|
50,59
|
Схема монтажа крана МКГ-40 представлена на рис.
3.1.
Рис. 3.1 - Схема монтажа крана МКГ-40 30.8 - 6 м
Таблица 3.8 - Сводная ведомость машин и
оборудования
|
Наименование,
марка
|
Характеристика
|
Единицы
измерения
|
Коли-чество
|
Назначение
|
|
1
|
2
|
3
|
4
|
5
|
|
Кран
МКГ-40
|
Q=40
т Lс=30,8 м
|
шт.
|
1
|
Выгрузка
конструкций, монтаж каркаса здания
|
|
Плитовоз
ПК - 2021
|
Q=18
т
|
шт.
|
1
|
Транспортировка
плит, ригелей, колонн
|
|
Панелевоз
УПЛ - 1412
|
Q=14
т
|
шт.
|
1
|
Транспортировка
панелей стен
|
|
|
Базовые
машины КраЗ - 258 МАЗ - 5429
|
Q=20
т Q=17,75 т
|
шт.
шт.
|
1
1
|
Окраска,
заделка стыков
|
|
|
Краскопульт
СО - 6А
|
Пр-ть
20 м2/ч
|
шт.
|
1
|
Заделка
стыков
|
|
|
Бетононасос
|
Пр-ть
10 м3/ч
|
шт.
|
1
|
Заделка
стыков
|
|
|
Растворонасос
|
Пр-ть
3 м3/ч
|
шт.
|
1
|
Заделка
стыков
|
|
|
|
|
|
|
|
|
|
|
|
|
3.7 Организация и технология
выполнения работ
.7.1 Подача конструкций к месту
монтажа
Конструкции подает к месту установки стропальщик
при помощи монтажного крана. При этом выполняют следующие работы: подготовку
деталей к монтажу, строповку, наблюдают за перемещением деталей краном.
Заканчивается подача конструкций приемом ее монтажниками, которые устанавливают
деталь на место.
.7.2 Подготовка конструкций к
монтажу
Подготовка конструкций к монтажу заключается в
определении пригодности ее по внешнему виду, очистке деталей, проверке размеров
и нанесении разметочных рисок.
При внешнем осмотре металлических конструкций
проверяют, есть ли на них маркировка, не погнулись ли они при
транспортировании, не появилась ли ржавчина, особенно в местах стыках, заусенцы,
проверяют комплектность деталей монтажных конструкций. Лед предварительно
соскабливают скребком или растапливают паяльной лампой, растапливать снег и лед
горячей водой не разрешается. В поврежденных местах восстанавливают окраску
металлоконструкций.
3.7.3 Строповка и перемещение
деталей
Строповку и перемещение деталей выполняют
следующим образом:
прежде чем застроповать деталь, монтажник
устанавливает на кран грузозахватные приспособления, указанные в ППР.
Примерзшие детали сдвигают при помощи лома; кран в этих случаях можно
использовать для поддерживания высоких деталей от опрокидывания. Гибкие
конструкции перед подъемом усиливают, чтобы при подъеме не возникли остаточные
деформации. Конструкции стропуют за все предусмотренные для подъема в
соответствующем положении петли, сапфы;
прежде чем подать сигнал о подъеме конструкции,
стропальщик должен убедиться, что конструкция надежно застропована и ни чем не
удерживается на месте установки, проверить, нет ли на конструкции
незакрепленных деталей и инструментов, а в трубах - комков земли или других
предметов, которые могут выпасть, удостовериться, что деталь во время подъема
ни за что не зацепится;
при подаче сигнала о подъеме стропальщик должен
выйти из опасной зоны;
при подъеме и перемещении груза стропальщик
соблюдает следующие правила: детали, масса которых близка к предельно
допустимой грузоподъемности, поднимают на высоту 20-30 см и проверяют
правильность строповки, равномерность натяжения стропов, устойчивость крана и
действие тормозов, и только после этого подают сигнал о подъеме деталей на
необходимую высоту;
при монтаже самоходным краном стропальщик должен
убедиться по указателю грузоподъемности, что установленный машинистом вылет
стрелы соответствует массе поднимаемой детали.
3.7.4 Приемка деталей монтажниками
Приемка деталей монтажниками состоит в
следующем: подаваемую краном деталь устанавливают над местом установки на
высоте не более чем 30 см, после чего монтажникам разрешается разворачивать ее
в нужном направлении. При опускании детали на месте правильность ее установки
контролируют по монтажным рискам.
3.7.5 Подготовка места установки
детали
Подготовка заключается в очистке, разметке.
Место установки очищают от грязи и ржавчины железными щетками, мусор собирают в
ящики и спускают вниз краном по желобу. Сбрасывать мусор вниз нельзя - это
может вызвать несчастный случай и загрязнение конструкций. Разметку во
избежание ошибки всегда выполняют от основных осей и высотных реперов,
положение которых определено геодезическими инструментами.
3.7.6 Выверка конструкции
В зависимости от вида конструкций, ее
назначения, технологии изготовления и монтажа определены классы точности,
которыми определяются допускаемые отклонения от проектного значения (допуски)
при изготовлении деталей и их монтаже. Кроме того, система допусков в пределах
своего класса обеспечивает собираемость сборных конструкций, т.е. возможности
сборки без подгонки по месту. Монтажник в процессе выверки деталей должен
добиваться высокой точности сборки.
3.7.7 Обеспечение устойчивости
конструкции в процессе монтажа
Каркас здания возводят пространственно жесткими
блоками с комплектной установкой и закреплением всех элементов конструкций
каждого блока. Продольная устойчивость смонтированной части здания достигается
установкой вертикальных связей по колоннам. Поперечная устойчивость здания
создается креплением колонн с фундаментами, жестким сопряжением балок с
колоннами. Каждый вышележащий ярус разрешается монтировать только после
закрепления конструкций нижележащего яруса постоянными или временными
закреплениями предусмотренными ППР.
3.8 Монтаж колонн
Перед монтажом колонн теодолитом проверяют
положение поперечных и продольных осей фундаментов в плане и нивелиром отметки
опорных поверхностей фундаментов, дна стаканов, размеры и положение анкерных
болтов. На верхней части стаканов фундаментов должны быть нанесены риски,
соответствующие положению осей здания. При монтаже колонн верхнего яруса риски
осей наносят на опорных металлических пластинах. Для подъема колонн применяют
универсальные стропы и захваты, специальные траверсы. При подъеме колонн с
переводом из горизонтального в вертикальное положение следят за состоянием
поднимаемой колонны, крана и всех устройств. Колонны поднимают и переводят в
вертикальное положение способом поворота или скольжения. Колонну, подаваемую
краном, останавливают на высоте 10-20 см от места установки, разворачивают и
медленно опускают, добиваясь максимального совмещения рисок. Колонны
установленные на фундаменты, закрепляют в процессе монтажа анкерными болтами и
привариваются к металлической пластине. Колонны верхних ярусов крепят
высокопрочными болтами.
3.9 Приемка монтажных работ
При приемке монтажных работ проверяют
соответствие конструкций проекту, качество работ и готовность возводимого
сооружения к проведению дальнейших работ. В процессе приемки контролируют
правильность установки элементов конструкций, плотность примыкания элементов к
опорным поверхностям и друг к другу, качество сварки и заделки стыков, швов.
В сооружениях из стальных конструкций
промежуточной приемке с составлением актов на скрытые работы подлежат
фундаменты и опоры под стальные конструкции и различные заделываемые закладные
детали; стальные конструкции, закрываемые в процессе последующих работ, и
другие работы, предусмотренные правилами СНиП III-18-75 для некоторых видов
сооружений. Окончательная приемка смонтированных стальных конструкций всего
сооружения или отдельных его пространственно-жестких секций должна выполняться
после их полного закрепления по проекту (на что составляется акт) до их
окраски; окраска также оформляется актом.
При приемке смонтированных стальных конструкций
предъявляется документация, содержащая рабочие (КМ) и деталировочные чертежи
(КДМ), заводские сертификаты на конструкции, документы о согласовании
отступлений от проекта, акты скрытых работ, документы, удостоверяющие качество
материалов (стали, метизов), данные о геодезических замерах разбивочных осей и
установки конструкций, журналы работ, акты испытаний конструкций, описи
дипломов сварщиков.
3.9.1 Контроль качества сварных
соединений
Контроль качества сварочных работ должен
производиться в соответствии с системой обеспечения качества
строительно-монтажных и сварочных работ, разработанной и действующей в
строительно-монтажной организации.
При контроле качества сварочных работ необходимо
руководствоваться требованиями настоящих Рекомендаций и проектной документации.
Контроль качества сварочных работ должен
включать:
входной контроль технологической документации,
монтируемых сварных конструкций, сварочных материалов, оборудования,
инструмента и приспособлений;
операционный контроль сборки под сварку
соединений, узлов и конструкций, технологии сварки и качества выполняемых
сварных соединений;
приемочный контроль качества сварных соединений,
узлов и конструкций.
Контроль качества сварочных работ и приемку
сварных соединений и узлов на всех стадиях сборки и сварки конструкций должны
выполнять специализированные организации, лаборатории или подразделения,
имеющие соответствующую лицензию, аттестованные специалисты сварочного
производства и дефектоскописты неразрушающего контроля.
4. ОРГАНИЗАЦИОННЫЙ РАЗДЕЛ
.1 Общая характеристика площадки
строительства
Участок для цеха по производству и хранению
быстрозамороженных овощепродуктов отведен в пригородной части г. Вологда. Обеспечение
строительства железобетонными изделиями и конструкциями производится заводами
ЖБИ г. Вологды, а обеспечение металлическими конструкциями - ОАО «Череповецкий
сталепрокатный завод». Строительными механизмами строительство обеспечивается
предприятиями ПМК и УМ Вологдаагростроя. Доставка на объект строительства
основных материалов, конструкций и деталей производится автомобильным
транспортом. Относительной отметке 0.000 соответствует абсолютная отметка
118,500. В целом здание имеет класс капитальности II,
степень огнестойкости II, степень долговечности II.
4.1.1 Природно-климатические условия
Температура воздуха в зимний период наиболее
холодной пятидневки -
°С, наиболее холодных суток - -36°С. Фундаменты
запроектированы столбчатые монолитные. Грунты сезонно-промерзающего слоя
являются пучинистыми, расчетная глубина промерзания 1,5м.
Нормативная снеговая нагрузка в соответствии со
CНиП [3] - 2,4 кПа.
Скоростной напор ветра в соответствии по СНиП
[3] - 0,27 кПа.
.2 Основные положения по организации
и производству строительно-монтажных работ
Строительство проектируемого здания производить
поточным методом, с комплексной механизацией и совмещением во времени основных
производственных процессов.
4.2.1 Подготовительный период
Подготовительный период:
отвод земельного участка;
вырубка деревьев;
разбор существующего ограждения;
вынос кабелей связи;
складские и транспортные операции.
4.2.2 Земляные работы
В первую очередь производят расчистку
территории, сносят строения, подлежащие сносу, пересаживают зелёные насаждения,
если их используют в дальнейшем, бульдозером ДЗ-171.1 с высоко поднятым отвалом
валят деревья и корчуют пни.
Плодородный слой почвы срезают и перемешают в
специально отведенные места, где складируют для последующего использования.
Строительную площадку ограждают. На стадии
подготовки к строительству должна быть создана геодезическая разбивочная
основа.
Глубина выемки при производстве работ по
вертикальной планировке не превышает -2,50 м, а высота насыпи +2,55 м, глубина
временных котлованов и траншей колеблется в пределах 4 м. Объем работ по
вертикальной планировке составляет:
выемка 9380 м3;
насыпь 2758 м3.
Место свалки мусора расположено на расстоянии 15
км от стройплощадки. Механизированную зачистку днищ котлованов, устройство
обратной засыпки траншей и наружных пазух котлована и другие перемещения
земляных масс на расстоянии до 20 м производится бульдозером ДЗ-171.1 на базе
гусеничного трактора Т-170 мощностью двигателя 125 кВт (100л.с.).
Экскавацию грунта при устройстве траншей
глубиной до 3 м осуществлять одноковшовым экскаватором ЭО-3322, оборудованным
обратной лопатой емкостью 0,5 м3.
Уплотнение грунта при производстве работ по
вертикальной планировке производить катками Д-111В за 10 проходок, слоями до
0,2 м, в теле обратных засыпок и подсыпок под полы - самопередвигающейся
виброплитой Д-639, слоями до 0,5м и пневмотрамбовками И-157 слоями до 0,3 м.
.2.3 Монолитные бетонные работы
Бетонными монолитными запроектированы:
фундаменты;
доборные участки сборных перекрытий;
подготовка под полы;
каналы и приямки.
Бетонная смесь доставляется на площадку
автобетоновозами и автобетоносмесителями с разгрузкой в поворотные бадьи
емкостью 1 - 2 м3.
Подача бетонной смеси в конструкцию
осуществляется кранами КС-3575Б. Необходимо поддерживать снабжение объекта
бетонной смесью по заранее разработанному графику с применением
автобетоносмесителей С1036. При их отсутствии применить автосамосвалы и
автобетоновозы (при времени пути 20 - 30 мин). В случае отсутствия бетононасоса
бетонирование вести кранами К-162, КС-3575Б.
Бетонирование производится, в основном, с
применением мелкощитовой опалубки и блочной опалубки Peri “Handset”.
Армирование конструкций ведется готовыми сетками
и каркасами, изготовленными на заводе. На стройплощадке производится только их соединение.
Уплотнение бетонной смеси в массивных
конструкциях производится глубинными вибраторами ИВ-47 и ИВ-67, конструкции
плит перекрытий, подготовок и других горизонтальных конструкций уплотняются
вибраторами IV-92 и виброрейками.
Слабоармированные и неармированные массивные
конструкции (фундаменты под оборудование и т.д.) уплотняются пакетами из
глубинных вибраторов, подвешенными на кране. Подача опалубки и арматурных
изделий производится теми же кранами, что и подача бетона.
Разопалубка проводится через 7 суток. За это
время бетон набирает требующую прочность. Опалубку снимают автокраном КС-3575Б
с помощью специальных рычажных приспособлений, которые являются деталью
опалубки.
4.2.4 Монтаж сборных конструкций
Для монтажа конструкций использовать кран МКГ-40
со стрелой длиной 30,8 м и гуськом 6 м и грузоподъемостью до 40 тонн. Работы
производить после приемки фундаментов, включающей геодезическую проверку
соответствия их планового и высотного положения проектному с составлением
исполнительной схемы.
Монтаж колонн во всех частях здания
предполагается вести в кондукторах ЦНИИОИТП. Узлы сопряжений (сварка,
замоноличивание) выполнять сразу после их установки и выверки. Работу краном
МКГ-40 вести с колес.
4.2.5 Монтаж стеновых панелей
Монтаж ведется после окончательного закрепления
всех элементов каркаса 1-го и 2-го этажа здания. Для монтажа применяют кран
МКГ-40. Кран располагается снаружи здания, движется вдоль ряда колонн и
производит монтаж стеновых панелей.
Крепление панелей производят сваркой закладных
частей колонн и панелей. Используется траверса (ЦНИИОМ ТП), грузоподъёмностью
2.5т, расчетная высота 0.8м, масса 200кг.
Нижнюю панель устанавливают на фундаментную
балку на слой раствора М100. Последующие панели также устанавливают на слой
раствора.
.2.6 Монтаж технологического
оборудования
До начала работ по монтажу технологического
оборудования должны быть подготовлены:
черные полы;
монтажные проемы;
строительные опорные конструкции под
оборудование;
помещения очищены от мусора;
окна и двери остеклены;
отметки чистых полов нанесены несмываемой
краской на стенах и колоннах.
Монтаж технологического оборудования вести с 15
по 26 месяц, с использованием кранового оборудования предназначенного для
выполнения общестроительных работ.
.2.7 Отделочные работы.
Производство штукатурных и масляно-красочных
работ осуществляется с применением растворонасосов для транспортирования и
нанесения раствора на оштукатуренную поверхность. Передвижных окрашивающих
агрегатов, ручных и электрических краскопультов.
В этих работах участвуют следующие механизмы:
малярная станция СО-115, производительностью
одной линии 250м2/час, масса 6000 кг;
малярный агрегат СО-154, производительностью
360л/час, масса 245 кг;
при покраске на высоте - площадка с лестницей
(«Главстальконструкция», №229, марка П2) массой 118кг и автогидроподъемники
АГП-18, грузоподъемностью 350кг на базе автомобиля ГАЗ-53-12.
Известковую окраску внутри производить с помощью
электрокраскопульта СО-71, производительностью 400м2/час, водным составом.
Масленую окраску производить
пистолетами-кракораспылятелями по сухой поверхности.
При окраске оконных переплётов окончательный
слой наносят вдоль волокон.
4.2.8 Устройство полов
Последовательность выполнения работ:
устройство бетонной подготовки;
устройство чистого пола.
Завозка щебня осуществляется автосамосвалами
КАМАЗ-5511, грузоподъёмностью 10 т, вместимость кузова 6,6 м3.
Планировку производить автогрейдером ДЗ-148.
Уплотнять щебень самоходными катками. Заливку бетонной подготовки производить
при помощи авто бетоновозов СБ-124 с объемом бетонной смеси 4м3. Бетон
выравнивают и уплотняют виброрейкой СО-131 производительностью 130м2/час.
Шлифование бетонного пола производить с помощью шлифовальной машины СО-4А и
СО-91 производительностью 18-23м2/час, не ранее достижения бетоном прочности,
при которой исключается вырывание щебня, гравия. Поверхность полов заглаживают
с железнением, т.е. в их поверхности втирают сухой просеянный цемент.
4.2.9 Кровельные работы
Кровельные работы выполняются последовательно:
устройство стяжки ,
гидроизоляционного ковра,
укладка защитного слоя.
До начала работ должно быть смонтировано
примерно 20% площади покрытия.
Подача материалов на кровлю осуществляется
краном ведущим монтаж элементов здания и строительными подъемниками.
Подачу битумных мастик осуществлять установкой С
-120.
Наклейку ковра осуществлять кровельной мастикой.
Кровлю выполняют из одного слоя
«Ай-Си-Текс-Профи». Слои рулонных материалов склеивают мастикой, образующей
гидроизоляционный ковер. Этой же мастикой ковер приклеивают к основанию.
Основанием является выравнивающий слой (стяжка), уложенной по слою утеплителя.
Стяжка выполнена из цементно-песчаного раствора М50, толщина стяжки 20мм.
Основой битумной мастики является битум БМ-1V. Мастика изготавливается на
заводе и доставляется в специальных емкостях-термосах. Наносится с помощью
установки СО-122А. Производительность 300м2/час, масса 180кг.
При устройстве кровли используют также:
компрессорная станция ПКС - 1,5.
битумная установка СО- 122А.
растворонасос СО-48, производительностью
4м3/час, подача насоса 6м3/час.
.2.10 Производство
строительно-монтажных работ в зимнее время
Во избежание излишнего удорожания строительства,
грунт, подлежащий разработке в зимнее время, должен быть предохранен от промерзания.
Предохранение грунта производить вспахиванием и боронованием во время первых
заморозков, чтобы избежать увлажнения грунта. Утепление снегом или
теплоизоляционными материалами на небольших площадях.
Для создания в холодное время года необходимых
условий по выдерживанию уложенного в конструкции бетона и достижения им
требуемой прочности:
предварительный подогрев составляющих бетонной
смеси и предохранение бетонной смеси от охлаждения во время транспортировки,
теплоограждение бетонируемых конструкций,
добавка ускорителей твердения бетона.
Заделку стыков железобетонных конструкций вести
с применением электроподогрева, с добавками ускорителей твердения в виде
добавок солей.
Отделочные работы должны выполняться не ниже
+50С, при выполнении малярных работ - не ниже +80С, влажности оштукатуриваемой
поверхности 8%.
4.3 Подбор комплекта машин
.3.1 Потребность в автотранспортных
средствах
Потребность определена по нормам на 1 млн.
рублей годовой стоимости СМР.
Коэффициент использования автотранспорта:
0,62-0,70.
Коэффициент использования грузоподъемности:
0,38.
Коэффициент использования пробега: 0,45-0,5.
Среднее расстояние перевозок: 9-16 км.
Грузоподъемность в т. всего: 92 т.
В т.ч. автосамосвалов: 1 год строительства 11т,
2 год - 20т, 3 год - 14т;
бортовых машин и прочих: 1 год строительства
12т, 2 год - 10т, 3 год - 15т.
При средней грузоподъемности автосамосвала и
бортовой машины 4,0 т численность грузового парка составит:
) автосамосвалы: 1 год строительства - 3шт, 2
год - 5шт, 3 год - 4шт;
) бортовых машин и прочих: 1 год строительства
3шт, 2 год - 5шт, 3 год - 4шт.
Таблица 4.1 - Потребность в автотранспортных
средствах
|
Наименование
|
Ед.изм.
|
1
год
|
2
год
|
3год
|
|
1.автосамосвалы
|
Шт
|
3
|
5
|
4
|
|
2.бортовые
автомашины
|
Шт
|
3
|
5
|
4
|
|
3.прицепы
и полуприцепы в т.ч. а) бортовые б) саморазгружающиеся
|
Шт
Автотонн Автотонн
|
8
5 4
|
12
7 5
|
10
6 4
|
4.4 Потребность в строительных
кадрах
В количество рабочих работающих на строительстве
(списочный состав) включены работающие непосредственно на строительной
площадке, а также в транспортных и обслуживающих хозяйствах. При этом в состав
работающих входят рабочие, ИТР, служащие, младший обслуживающий персонал и
охрана.
Количество рабочих в общем количестве работающих
принято согласно:
Таблица 4.2 - Количество рабочих
|
Элементы
расчета
|
Единицы
измерения
|
По
годам строительства
|
|
|
1год
|
2год
|
3год
|
|
Объем
строительно-монтажных работ
|
Т.р.
|
382
|
1044
|
406,31
|
|
Средняя
выработка на одного работающего
|
Руб.
|
10366
|
10470
|
10574
|
|
Количество
работающих на строительно-монтажных работах и подсобных производствах
|
Чел.
|
37
|
100
|
38
|
|
В
том числе: - Рабочих - ИТР, служащих, МОП, охраны
|
Чел.
|
31
|
84
|
32
|
|
|
6
|
16
|
6
|
|
В
наиболее многочисленную смену (70%) рабочих
|
Чел.
|
22
|
59
|
22
|
|
ИТР,
служащих, МОП, охраны (80%)
|
Чел.
|
5
|
13
|
5
|
|
|
|
|
|
|
|
4.5 Расчеты к строительному генплану
На период строительства, в зависимости от
величины объекта, на строительной площадке предусматривается ряд временных
зданий, сооружений и инженерных сетей. Следует использовать для нужд
строительства постоянные коммуникации, здания дороги, инженерные сети. Закрытые
склады не устраиваются, так как в наличии есть база УПТК. По мере потребности
укомплектованные материалы в спецтаре непосредственно доставляются к местам
потребления или к транспорту. Сборные конструкции монтируются с транспортных
средств по часовым графикам.
Обеспечение строительной площадки водой
предусматривается от проектируемого водопровода. Обеспечение электроэнергией от
проектируемой постоянной электроподстанции. Обеспечение сжатым воздухом от
передвижных компрессоров марки ПР - 100.
Доставка кислорода и ацетилена осуществляется в
баллонах с базы УПТК.
4.6 Расчет площади временных
административно-бытовых зданий
Максимальное число рабочих в сутки 56 человек,
(с учетом субподрядчиков), в первую смену 40 человек.
Расчетное количество рабочих:
а) в сутки
,
в том числе мужчин 36, женщин 23.
б) в смену
,
в том числе мужчин 33, женщин 9.
в) расчетное количество ИТР и служащих в 1-ю
смену
.
Таблица 4.4 - Расчет площади временных
административно-бытовых зданий
|
Наименование
|
Численность
рабочих и ИТР, чел.
|
Норма
на 1-го чел, м2
|
Расчетная
площадь, м2
|
Принятая
площадь, м2
|
Количество
контейнеров системы «комфорт» 6*3
|
|
Административные
и служебные помещения
|
|
1.Контора
|
4
|
2-4
|
8-16
|
18
|
1
|
|
2.
Диспетчерская
|
1
|
7
|
7
|
18
|
1
|
|
3.Кабинет
по охране труда
|
53
|
0,35
|
18
|
18
|
1
|
|
Санитарно-
бытовые помещения
|
|
4.Гардеробные
-мужские
|
37
|
0,9-1,0
|
33-37
|
36
|
3
|
|
-женские
|
16
|
0,9-1,0
|
14-16
|
18
|
1
|
|
5.Умывальные
- мужские
|
37
|
0,05
|
2
|
18
|
1
|
|
-женские
|
16
|
0,05
|
1
|
|
|
|
6.Душевые
- мужские
|
37
|
0,4-0,5
|
18
|
36
|
2
|
|
-женские
|
16
|
0,4-0,5
|
8
|
|
|
|
7.Сушильная
|
53
|
0,2
|
11
|
18
|
1
|
|
8.Помещение
для обогрева
|
53
|
0,1
|
6
|
18
|
1
|
|
9.Столовая
|
53
|
0,5-1,0
|
27-53
|
36
|
2
|
|
10.Мед
пункт
|
-
|
-
|
-
|
18
|
1
|
|
11.Туалет
- мужской
|
37
|
0,07-0,1
|
3.7
|
18
|
-
|
|
-женский
|
16
|
0,07-0,1
|
1.6
|
|
|
|
12.Помещение
личной гигиены женщин
|
16
|
0,2
|
3,2
|
18
|
1
|
|
13.Навес
для отдыха и курения
|
53
|
0,2
|
10.6
|
18
|
-
|
|
14.Питьевой
фонтанчик
|
53
|
1на
25 чел.
|
3
|
-
|
-
|
Общее количество инвентарных контейнеров системы
«Комфорт»-16 шт.
4.7 Расчет площади складов
Площадь склада определяется по формуле:
м2, (4.1)
где Робщ - общий расход материалов за расчетный
период Т;
Тн - норма запаса в днях;- норма складирования
на 1м2;
Кпр - коэффициент, учитывающий проходы и
проезды;
Открытое хранение навалом 1,15-1,14, в штабелях
1,2-1,3, в бункерах 1,3-1,4, универсальные склады 1,5-1,7.
Расчет площади складов представлен в таблице
4.5.
Таблица 4.5 - Расчет площади складов
|
Наименование
|
Единица
измерения
|
Общая
потребность
|
Продолжит.
потребность
|
Суточный
расход
|
Запас
в днях
|
Продолжительность
хранения
|
Норма
складирования
|
Полезная
площадь
|
Коэффициент,
учитывающий проходы
|
Площадь
склада
|
Способ
хранения
|
|
|
|
|
|
|
|
|
|
|
Открытый
|
Закрытый
|
Навес
|
|
|
Песок
гравий щебень
|
м3
|
4735,2
|
316
|
15
|
5
|
75
|
0,5
|
37,5
|
1,15
|
43,12
|
-
|
-
|
Навалом
|
|
Известь
|
т
|
6,21
|
139
|
0,04
|
12
|
0,48
|
2,5
|
0,19
|
1,3
|
-
|
0,25
|
-
|
В
бункерах
|
|
Битумная
мастика
|
т
|
17,7
|
11
|
1,6
|
12
|
19
|
0,9
|
21,5
|
1,15
|
-
|
24,7
|
-
|
|
|
Стекло
оконное в ящиках
|
м2
|
3786
|
60
|
63,1
|
5
|
315,5
|
0,8
|
252,4
|
0,1
|
-
|
25,3
|
-
|
|
|
Рулонный
кровельный ковер
|
100м2
|
35,86
|
2,39
|
15
|
6
|
90
|
0,9
|
81
|
1,2
|
-
|
-
|
97,2
|
|
|
Сборные
ж/б конструкции
|
м3
|
6548
|
109
|
60
|
5
|
300
|
1
|
300
|
1,2
|
360
|
-
|
-
|
Штабель
|
|
Стальные
конструкции
|
т
|
383,6
|
192
|
2
|
8
|
16
|
3,3
|
52,8
|
1,2
|
63,36
|
-
|
-
|
Штабель
|
|
Кирпич
|
тыс
|
394
|
197
|
2
|
5
|
2,5
|
25
|
1,2
|
30
|
-
|
-
|
Штабель
|
|
Лакокрасочные
материалы
|
т
|
14,84
|
60
|
0,25
|
12
|
2,97
|
0,8
|
3,7
|
1,5
|
-
|
-
|
5,6
|
|
|
Электроды
|
т
|
0,62
|
204
|
0,003
|
5
|
0,015
|
0,5
|
0,03
|
1,2
|
-
|
-
|
0,04
|
|
|
Цемент
|
т
|
58,5
|
60
|
0,976
|
8
|
7,8
|
1,3
|
10,14
|
1,3
|
-
|
-
|
13,18
|
|
|
Оконные
и дверные блоки
|
м2
|
1065
|
60
|
17,7
|
6
|
106,5
|
1,1
|
117,2
|
1,1
|
-
|
-
|
128,8
|
|
|
Итого
|
496,5
|
50,3
|
244,8
|
|
|
|
|
|
|
|
|
|
|
|
|
|
|
|
|
|
|
4.8 Расчет временного
энергоснабжения
Расчет электрической мощности (кВт) производится
на период максимального пикового потребления.
(4.2)
где Pp - расчетная мощность трансформатора;
a - коэффициент, учитывающий потерю мощности в
сети 1,05 -1,1;
SPm - сумма потребляемой мощности технологических
потребителей;
SPT - сумма мощностей всех установленных в сети
электромоторов кВт; SPон SPов
-суммарная мощность устройств внутри и наружи здания кВт;
SPсв -мощность всех сварочных трансформаторов;j1
-коэффициент мощности для групп силовых потребителей электромоторов;j2
-то же для технологических потребителей;- коэффициент спроса электромоторов;-
то же для технологических потребителей=0,4;- то же для внутреннего освещения =
0,8;- то же для наружного освещения = 1,0;- то же для сварочных
трансформаторов.
Таблица 4.6 - Расчет временного энергоснабжения
|
Потребитель
|
Единицы
измерения
|
Количество
|
Норма
на единицу, кВт
|
Коэффициент
сети
|
Коэффициент
спроса
|
Формула
подсчета
|
Мощность,
кВт
|
|
|
1
|
2
|
3
|
4
|
5
|
6
|
7
|
8
|
|
|
Строительные
машины
|
кВт
|
320
|
-
|
0,7
|
0,6
|
|
274,3
|
|
|
Технологические
нужды: электропрогрев грунта
|
м3
|
50
|
40
кВт/ м3
|
0,8
|
1,0
|
|
62,5
|
|
|
Пять
дней по 8 часов в смену, по участкам, при наличии разрешения на использования
электрической энергии
|
|
|
1
|
2
|
3
|
4
|
5
|
6
|
7
|
8
|
|
|
Внутреннее
освещение: -служебные помещения
|
м2
|
64
|
0,015
|
-
|
0,8
|
|
|
|
|
-мастерские
|
м2
|
50
|
0,015
|
-
|
0,8
|
|
|
|
|
Итого
|
1,8
|
|
|
Наружное
освещение: -монтаж конструкций
|
м2
|
10368
|
0,003
|
-
|
1,0
|
|
|
|
-работы
на складе
|
м2
|
1013,52
|
0,002
|
-
|
1,0
|
|
|
|
-главные
проходы и проезды
|
км
|
2,0
|
5
|
-
|
1,0
|
|
|
|
-второстипенные
проходы и проезды
|
км
|
1
|
2,5
|
-
|
1,0
|
|
|
|
-охранное
освещение
|
км
|
0,7
|
1,5
|
-
|
1,0
|
|
|
|
Итого
|
46,65
|
|
Сварочные
трансформаторы
|
кВт
|
320
|
-
|
-
|
0,5
|
|
160
|
|
С
учетом потерь мощности в сети
|
1.05
|
Всего
|
545,25
572,51
|
|
|
|
|
|
|
|
|
|
|
|
|
Обеспечение электроэнергией от проектируемой
постоянной электроподстанции мощностью 2000кВт.
4.9 Расчет временного водоснабжения
Суммарный расход воды на строительной площадке
складывается из расхода на производственные Qпр, хозяйственно-бытовые Qхоз и
противопожарные Qпож нужды.
тр=Qпр+Qхоз+Qпож, л/с, (4.3)
, л/с; (4.4)
- удельный расход воды по видам потребителей, л;
А - объем работы по видам потребителей за смену;
К- коэффициент часовой неравномерности
потребления воды, К =1,5;количество часов в смене, T=8.
(4.5)
где q - удельный расход воды на одного
человека;- число работающих в наибольшую смену;
К - коэффициент часовой неравномерности
потребления воды, К = 1,5-3;- норма потребления на прием одного душа, Q = 30л;-
число рабочих, принимающих душ, N =30%-40% от n.
Таблица 4.7 - Расчет временного водоснабжения
|
Потребитель
|
Единицы
измерения
|
Количество
|
Норма
расхода, л
|
Формула
подсчета
|
Расходы
воды, л/с
|
|
Производственные
нужды
|
|
Экскаватор
с двигателем внутреннего сгорания
|
Маш-см
|
76,37
|
16
|
|
|
|
Поливка
бетона
|
м3
см
|
27,21
|
28
|
27 28=762
|
|
|
Итого
1983 Qпр=1,2 [1983 1,5/8 3600]=0,1
|
|
Хозяйственно-бытовые
нужды
|
|
Питьевые
и другие 53*1,05*1,12=63
|
|
1
чел
|
116
|
22
|
116 22=2552
|
|
Приготовление
пищи в столовой
|
1
чел
|
116
|
10
|
116 10=1160
|
|
|
Итого
3712
|
|
Душ
53*1,05*0,35=36,4
|
1
чел
|
36,4
|
30
|
36,4 30=1092
|
|
|
Qхоз=3712 2,25/8 3600+1092/45 60=0,69
|
|
Противопожарные
нужды
|
|
|
ГА
|
5,1
|
|
|
10
|
|
Всего
: Qпр+Qхоз+Qпож=0,1+0,69+10=10,79
|
|
|
|
|
|
|
|
|
Диаметр водопровода напорной сети:
Д=
, мм, (4.6)
где Q = 10,79л/с = 10,79/1000 м3/с =
0,01079 л/с;- скорость движения воды по трубам, V = 1,2 м/с.
Д=
=0,107мм.
Принимаем Д = 110мм.
4.10 Расчет временного
теплоснабжения
Максимальный часовой расход тепла на
отопления (кДж/час)
, л/с, (4.7)
где а - коэффициент, зависящий от расчетных t
наружного воздуха, а =1,1;- удельная отопительная характеристика здания,
к/м3*ч*
;вн
- расчетная температура внутри помещений,
;н
- средняя температура наиболее холодной пятидневки,
;зд
- строительный объем здания, м3.
Таблица 4.8 - Расчет временного теплоснабжения
|
Потребитель
|
Vзд,
м3
|
а
|
q
|
tвн-tн
|
Формула
подсчета
|
Расход
тепла
|
|
Административные
и служебные помещения
|
160
|
1,1
|
3,1
|
20+30=50
|
160 1,1 3,1 50
|
27
|
|
Санитарно-
бытовые помещения
|
287
|
1,1
|
3,4
|
25+30=55
|
287 1,1 3,4 55
|
59
|
|
Итого:
|
86
|
Для отопления используем
отопительно-вентиляционные калориферы, производительностью 0,2 МДж, мощностью
1кВт.
4.11 Расчет транспорта
Производительность автомашин Q(т/см) при
перевозке сборных железобетонных конструкций рассчитывается по формуле:
(4.8)
где Tсм - продолжительность смены, Tсм = 8,2;
Кв - коэффициент использования машин по времени,
Кв = 0,8;- дальность перевозки, L = 15км;ср - средняя скорость движения, Vср = 20км/ч;
(t+t)=(0,085+0,075)=0,16час - время погрузки и
разгрузки;- количество элементов перевозимых за рейс;- масса элемента.
) стеновые панели (высота 1,8м)
Панелевоз ПП 2009 (основной тягач КАМАЗ 54112)
) плиты покрытия
Полуприцеп плитовоз УПЛ 1412 (основной тягач
КАМАЗ 5410).
3) колонны
Тяжеловоз МАЗ 6422
4) фундаментные
балки
Балковоз ПК 1824
5) стропильные балки.
Фермовоз ПФ 2124 (основной тягач КРАЗ 258)
4.12 Расчет прожекторов
Источником света служат прожектора с лампами
накаливания ПЭС-45 (Рл=1000 Вт и 1500Вт). Среднюю освещенность на территории
строительства в районе производства работ следует принять = 2лк, удельную
мощность Р=0,4 Вт/м2*лк, площадь освещения 749 м2.
Число прожекторов равно:
(4.9)
Принимаем 4 прожектора по периметру строительной
площадки.
4.13 Технико-экономические
показатели
Таблица 4.9 - Технико-экономические показатели
|
Показатель
|
Количество
|
|
Площадь
стройплощадки
|
21460
м2
|
|
Площадь
застройки
|
3940
м2
|
|
Площадь
бытовых помещений
|
130
м2
|
|
Площадь
складов
|
791
м2
|
|
Площадь
временной дороги
|
3115
м2
|
|
Длина
временной дороги
|
420
п.м.
|
|
Длина
временного ограждения
|
2020
п.м.
|
|
Длина
временного водопровода
|
153
п.м.
|
|
Строительный
объем здания
|
61346
м3
|
|
Полезная
площадь
|
7820
м2
|
|
Нормативная
трудоёмкость строительства
|
34210
ч-дн
|
|
Планируемая
трудоемкость строительства
|
33135
ч-дн
|
|
Затраты
труда на 1 м3 здания
|
0,38
чел.-дн
|
|
Затраты
труда на 1 м2 площади
|
3,09
чел.-дн
|
|
Нормативная
протяжённость строительства
|
28
месяцев
|
|
Планируемая
протяжённость строительства
|
28
месяцев
|
5. РАЗДЕЛ БЖД
.1 Меры пожарной безопасности при
строительстве цеха
Временные здания и сооружения должны отвечать
противопожарным требованиям соответствующих глав строительных норм и правил
("Противопожарные нормы проектирования зданий и сооружений",
"Производственные здания промышленных предприятий. Нормы
проектирования", "Вспомогательные здания промышленных
предприятий", "Отопление, вентиляция и кондиционирование воздуха.
Нормы проектирования", "Водоснабжение. Наружные сети и
сооружения" и др.).
При строительстве зданий лестницы (как основные
пути эвакуации) должны монтироваться одновременно с устройством лестничной
клетки. Также одновременно с возведением стен устанавливатся и лестницы, соединяющие
поэтажно балконы или лоджии.
Применение в лестничных клетках деревянных
стремянок не разрешается. Допускается на период строительства покрытие
несгораемых ступеней досками или полимерными материалами для предохранения их
от повреждения.
Наружные стационарные пожарные лестницы и
ограждения на крышах строящихся зданий, предусмотренные проектом, должны
устанавливаться сразу же после монтажа несущих конструкций покрытия. Устройство
лесов и подмостей при строительстве зданий должно быть осуществлено в соответствии
с требованиями [5] и требованиями пожарной безопасности, предъявляемыми к путям
эвакуации.
При строительстве цеха возможно применение
инвентарных металлических лесов.
Строительные леса построек на каждые 40 м их
периметра необходимо оборудовать одной лестницей или стремянкой, но не менее
чем двумя лестницами (стремянками) на все здание. Лестницы (стремянки) лесов и
подмостей должны быть приспособлены для подъема людей и пожарных рукавов.
Сгораемые конструкции настилов и стоек лесов, а также опалубки следует
обрабатывать огнезащитным составом. Настил и подмости лесов периодически и
после окончания работ должны очищаться от строительного мусора, снега, наледи,
а при необходимости посыпаться песком.
Опалубку и леса для перекрытий и колонн нужно
устраивать одновременно не более чем на три этажа. После достижения необходимой
прочности бетона деревянная опалубка и леса снимаются и удаляются из здания.
Оконные проемы и витражи при утеплении
строящихся зданий и сооружений должны быть заделаны несгораемыми или
трудносгораемыми материалами.
При производстве скрытых работ (устройство
противопожарных поясов в холодильниках, разделок у дымоходов, газоходов,
подвесных потолков и др.) необходимо составлять акты на эти работы по
установленной форме.
Укладка сгораемого утеплителя и устройство
гидроизоляционного ковра на покрытии, укладка защитного гравийного слоя, монтаж
ограждающих конструкций с применением сгораемых утеплителей должны
производиться участками площадью не более 500 м2.
На месте производства работ количество
утеплителя и кровельных рулонных материалов не должно превышать сменной
потребности.
Сгораемый утеплитель должен храниться вне
строящегося здания в отдельно стоящем сооружении или на специальной площадке на
расстоянии не менее 18 м от строящихся и временных зданий, сооружений и
складов.
По окончании рабочей смены запрещается оставлять
неиспользованный сгораемый и трудносгораемый утеплитель, кровельные рулонные
материалы, несмонтированные панели с такими утеплителями внутри или на
покрытиях зданий, а также в противопожарных разрывах.
Строительно-монтажные работы в зданиях
холодильников и аналогичных сооружениях следует вести последовательно по
отсекам с обеспечением пожарной безопасности.
После устройства теплоизоляции в отсеке
необходимо убрать ее остатки и немедленно нанести предусмотренные проектом
покровные слои огнезащиты. Площадь незащищенной в процессе производства работ
теплоизоляции должна быть не более 500 м2 при сгораемой теплоизоляции и 1000 м2
при трудносгораемой.
При устройстве зон в холодильных камерах должно
быть обеспечено плотное примыкание утеплителя к ограждающим конструкциям из
негорючих материалов.
В противопожарных поясах, зонах не разрешается
оставлять незаделанными отверстия. К устройству теплоизоляции последующего
отсека допускается приступать только после проверки и приемки противопожарных
поясов предыдущих зон.
До начала монтажа панелей с полимерными
утеплителями, укладки полимерных утеплителей на покрытие, производства работ по
устройству кровель должны быть выполнены все предусмотренные проектом выходы на
покрытие зданий (из лестничных клеток, по наружным лестницам), его ограждение.
Для сообщения о пожаре у выходов на покрытие следует установить телефон или
другие средства связи.
При производстве кровельных работ с площадью покрытия
1000 м2 и более с применением сгораемого или трудносгораемого утеплителя на
кровле для целей пожаротушения должен быть предусмотрен временный
противопожарный водопровод. Расстояние между пожарными кранами принимается из
условия подачи в любую точку кровли не менее чем двух струй с расходом воды по
5 л/с каждая.
Во время работ, связанных с устройством гидро- и
пароизоляции на кровле, монтажом панелей со сгораемыми и трудносгораемыми
утеплителями запрещается выполнять электросварочные и другие огневые работы.
Работы, связанные с открытым огнем, следует
проводить до начала применения горючих и трудногорючих материалов.
5.2 Меры пожарной безопасности при
эксплуатации цеха
Мероприятия по пожарной профилактике разделяются
на организационные, технические, режимные и эксплуатационные.
Организационные мероприятия:
правильная эксплуатация машин и внутризаводского
транспорта;
устройство мест для курения;
установка в главных коридорах на каждом этаже
план-схемы эвакуации людей в случае пожара;
устройство системы оповещения людей о пожаре,
аварийного освещения;
установка на каждом этаже по 4 порошковых
огнетушителя ОП-4 с массой огнетушащего вещества 4 кг. Огнетушители должны быть
установлены в главных коридорах и в местах наиболее вероятного возгорания
пожара.
разработка инструкции, определяющей действия
персонала по обеспечению безопасной и быстрой эвакуации людей, по которой не
реже одного раза в полугодие должны проводиться практические тренировки всех
задействованных для эвакуации работников.
определение порядка обесточивания
электрооборудования в случае пожара и по окончании рабочего дня;
установка стандартных знаков около оборудования,
имеющего повышенную пожарную опасность, (аншлаги, таблички безопасности).
дороги, проезды, подъезды и проходы к зданиям,
сооружениям, открытым складам и водоисточникам, используемые для пожаротушения,
подступы к стационарным пожарным лестницам и пожарному инвентарю должны быть
всегда свободными, содержаться в исправном состоянии, а зимой быть очищенными
от снега и льда.
Технические мероприятия:
нанесение на металлоконструкции огнезащитной
сухой смеси ВЦС-350 с пределом огнестойкости до 3 часов;
оборудование шахты лифта и лестничных клеток
системой дымоудаления;
размещение всех электропроводов в гофрированных
трубах или в коробах из ПВХ;
использование релейной защиты и автоматических
выключателей для защиты от токов короткого замыкания
устройство защиты эвакуационных путей от
задымления - установка глухих дверей, системы дымоудаления;
естественное и аварийное освещение эвакуационных
путей.
Режимные мероприятия:
запрещение курения в неустановленных местах;
запрещение сварочных и других огневых работ в
пожароопасных помещениях;
штрафы за несоблюдение правил пожарной
безопасности.
Эксплуатационные мероприятия:
своевременная профилактика;
осмотры;
ремонты и испытание технологического
оборудования и противопожарного инвентаря.
6. ЭКОЛОГИЧЕСКИЙ РАЗДЕЛ
.1 Основные мероприятия по охране
окружающей среды
В данном проекте к числу основных мероприятий по
охране окружающей можно отнести следующие:
технологические мероприятия, направленные на
создание безотходных и малоотходных технологических схем производства,
уменьшающих и снижающих до минимума образование отходов;
санитарно-технические мероприятия по сбору, удалению,
обезвреживанию и утилизации отходов
планировочные мероприятия, касающиеся научного
обоснования и соблюдения величин санитарно-защитных зон между очистными
сооружениями и жилыми зданиями, местами водозабора, выбора схем движения
автотранспорта, выбора земельных участков под очистные сооружения;
разработка гигиенических нормативов для оценки
санитарного состояния почвы при поступлении в нее органических, биологических и
химических загрязнителей.
Задача охраны окружающей среды - уменьшить или
полностью исключить вредные факторы. Охрана окружающей среды в процессе
строительства и на стадии подготовительных работ регламентируется Лесным
кодексом РФ, Земельным кодексом РФ, Водным кодексом РФ, кодексом РФ «Об
административных правонарушениях», СНиП 12-01-2004 «Организация строительства».
Строительных работы должны осуществляться после подготовки строительной
площадки и объектов на основе строительного генерального плана.
При организации строительства должны быть
осуществлены мероприятия и работы по охране окружающей природной среды, которые
должны включать рекультивацию земель, уменьшение или предотвращение потерь
природных ресурсов, предотвращение или очистку вредных выбросов в атмосферу,
водоемы и почву. Предусматриваются следующие мероприятия:
. При проведении планировочных работ
растительный слой, пригодный для дальнейшего использования, предварительно
срезается (на глубину до 0,4 м), и складируется на кавальерах растительного
слоя, и частично складируется на территории площадки строительства для последующего
использования при прокладке газонов.
. На территории строящихся объектов не
допускается непредусмотренное проектной документацией уничтожение деревьев и
кустарников, засыпка грунтом корневых шеек и стволов древесно-кустарниковой
растительности.
. Не допускается при уборке выбрасывать отходы и
мусор без применения закрытых лотков и бункеров-накопителей. Строительный
мусор, который не находит дальнейшего применения вывозится на свалку
. Не допускается выпуск воды со строительных
площадок непосредственно на склоны без устройства организованного стока
бытовых, производственных и дождевых вод. Для этого на строительной площадке
предусматривается временная или постоянная канализация с её подключением к
общегородской. При сбросе воды в существующую канализацию выполняются
мероприятия по предохранению канализации от затопления.
. Стоки производственных и бытовых вод,
образующиеся на строительной площадке, должны обезвреживаться и очищаться в
предусмотренном в ПОС и ППР порядке.
. Постоянные и временные автодороги и иные пути
для подъезда к строящемуся зданию должны выполняться с учетом требований по
предотвращению повреждений деревьев, кустарников и другой растительности.
. При проведении строительно-монтажных работ
должны быть проведены соответствующие мероприятия по уменьшению загазованности
и запыленности атмосферного воздуха.
. Попадание ГСМ и ЛКМ на грунт не допускается,
отработанные ГСМ и ЛКМ должны быть собраны в контейнеры или в другие емкости и
увезены в специально отведённые для этого места.
.2 Охрана окружающей среды при обращении с
отходами производства
Под отходами производства и потребления
понимаются остатки сырья, материалов, полуфабрикатов, иных изделий или
продуктов, которые образовались в процессе производства или потребления, а
также товары (продукция), утратившие свои потребительские свойства.
Обращение с каждым видом отходов производства и
потребления зависит от их происхождения, агрегатного состояния,
физико-химических свойств и степени опасности для здоровья населения и среды
обитания человека.
Допускается временное складирование отходов
производства и потребления. Различают следующие основные способы складирования:
временное хранение на производственных
территориях на открытых площадках или в специальных помещениях (в цехах,
складах, на открытых площадках, в резервуарах и др.);
временное складирование на производственных
территориях основных и вспомогательных предприятий по переработке и
обезвреживанию отходов
складирование вне производственной территории -
на усовершенствованных полигонах промышленных отходов, шлакохранилищах, в
отвалах пустой породы, террикониках, золошлакоотвалах, а также в специально
оборудованных комплексах по их переработке и захоронению;
Отходы производства и потребления размещаются за
пределами жилой зоны и на обособленных территориях с обеспечением нормативных
санитарно-защитных зон в соответствии с требованиями
санитарно-эпидемиологических правил и нормативов.
Вопросы обращения с отходами регулируется
федеральным законом № 89-ФЗ «Об отходах производства и потребления» и подзаконными
актами.
В соответствии со статьей 11 федерального закона
«Об отходах производства и потребления», предприятия, связанные с обращением с
отходами, обязаны:
внедрять малоотходные технологии на основе
научно-технических достижений;
проводить инвентаризацию отходов и объектов их
размещения;
проводить мониторинг состояния окружающей
природной среды на территориях объектов размещения отходов;
соблюдать требования предупреждения аварий,
связанных с обращением с отходами, и принимать неотложные меры по их
ликвидации;
немедленно информировать специально
уполномоченные федеральные органы исполнительной власти в области обращения с
отходами, органы исполнительной власти субъектов Российской Федерации, органы
местного самоуправления при возникновении аварии или угрозы аварии, связанной с
отходами, которые наносят или могут нанести ущерб окружающей природной среде,
здоровью или имуществу физических и юридических лиц.
Запрещается:
сброс отходов производства и потребления в
поверхностные и подземные водные объекты, на водосборные площади, в недра и на
почву;
размещение опасных отходов отходов на
территориях, прилегающих к городским и сельским поселениям, в лесопарковых
зонах и в иных местах, в которых может быть создана опасность для окружающей
среды,
захоронение опасных отходов на водосборных
площадях подземных водных объектов, используемых в качестве источников
водоснабжения,
захоронение в объектах размещения отходов
производства и потребления продукции, утратившей свои потребительские свойства
и содержащей озоноразрушающие вещества, без рекуперации данных веществ из
указанной продукции в целях их восстановления для дальнейшей рециркуляции
(рециклирования) или уничтожения.
ЗАКЛЮЧЕНИЕ
Дипломный проект содержит следующие разделы:
архитектурно-строительный, расчетно-конструктивный, технологический,
организационный, безопасности жизнедеятельности и экологический.
В архитектурном разделе выполнены
теплотехнические расчеты ограждающих конструкций, конструктивное решение
здания, чертежи фасадов, планов и разрезов, узлов.
Расчетно-конструктивный раздел включает сбор
нагрузок, расчет рамы, расчет балки покрытия, внецентренно-сжатой колонны и
центрально-сжатой колонны.
В технологическом разделе разработана
технологическая карта на производство работ по монтажу металлического каркаса
цеха, определены объемы работ, связанные с монтажом конструкций. Для монтажа
принят кран МКГ-40.
Раздел безопасности жизнедеятельности
затрагивает такой важный вопрос как: меры пожарной безопасности при
строительстве и эксплуатации цеха.
В экологическом разделе разработаны мероприятия
по охране окружающей среды при обращении с отходами производства.
СПИСОК ИСПОЛЬЗОВАННОЙ ЛИТЕРАТУРЫ
1. СП
42.13330.2011 Градостроительство. Планировка и застройка городских и сельских
поселений: утв. приказом Министерства регионального развития Российской
Федерации (Минрегион России) от 28 декабря 2010 г. N 820
<http://docs.cntd.ru/document/902268769> и введен в действие с 20 мая
2011 г.
. СП
131.13330.2012 Строительная климатология. Актуализированная редакция СНиП
23-01-99* (с Изменением N 2): утв. приказом Министерства регионального развития
Российской Федерации (Минрегион России) от 30 июня 2012 г. N 275
<http://docs.cntd.ru/document/902375123> и введен в действие с 1 января
2013 г.
. СП
20.13330.2011 Нагрузки и воздействия. Актуализированная редакция СНиП
2.01.07-85*: утв. приказом Министерства регионального развития Российской
Федерации (Минрегион России) от 27 декабря 2010 г. N 787
<http://docs.cntd.ru/document/902268764> и введен в действие с 20 мая
2011 г.
. СП
16.13330.2011. Свод правил. Стальные конструкции. Актуализированная редакция
СНиП II-23-81*: утв. приказом Министерства регионального развития Российской
Федерации (Минрегион России) от 27 декабря № 791. введ. 20.09.11. - М.: ГП ЦПП
№ 1996 ГУП ЦПП № 2011. - 143 с.
. ГОСТ
Р 8240-89. Швеллеры стальные горячекатаные. - Введ. 01.07.1990. - Москва:
Стандантинформ, 2011. - 5 с.
. СП
50.13330.2012. Свод правил. Тепловая защита зданий: актуализированная редакция
СНиП 23-02-2003: утв. Госстроем РФ 08.01.2003 №2. - Введ. 01.01.2013. - Москва:
Национальные стандарты, 2012. - 191 с.
. ГОСТ
Р 26020-83. Двутавры стальные горячекатаные с параллельными гранями полок. -
Введ. 01.01.1986. - Москва: Стандартинформ, 2012. - 5 с.
. СП
63.13330.2012. Свод правил. Бетонные и железобетонные конструкции:
актуализированная редакция СНиП 52-01-2003: утв. Минрегионом 29.12.2011 №635/8.
- Введ. 01.03.2004. - Москва: Национальные стандарты, 2015. - 147 с.
. СП
118.13330.2012. Свод правил. Общественные здания и сооружения: актуализированная
редакция СНиП 31-06-2009: утв. Минрегионом 29.12.2012 №635/10. - Введ.
01.09.2014. - М.: Национальные стандарты, 2013. -65 с.
. ГОСТ
Р 24045-2010. Профили стальные листовые гнутые с трапециевидными гофрами для
строительства. - Введ. 01.01.2012. - Москва: Стандантинформ, 2012. - 8 с.
. СП
48.13330.2012. Свод правил. Организация строительства: актуализированная
редакция СНиП 12-01-2004: утв. Минрегионом РФ 27.12.2010 №781. - Введ.
20.05.2011. - Москва: Национальные стандарты, 2011. - 22 с.