Лабораторный стенд 'Дешифраторы'
Содержание
Введение
. Основная часть
1.1 Постановка
задачи
1.2 Обзор
существующего положения
1.3 Предлагаемое
решение задачи
. Проектирование лабораторного
стенда
.1 Выбор элементной базы
2.2 Проектирование
принципиальной схемы
2.2.1 Сборка схемы дешифратора на
логических элементах в EWB512
2.2.2 Микросхемы дешифраторов
2.2.3 Сборка схемы дешифратора на
микросхемах в EWB512
.2.4 Элементы схемы
.3 Проектирование монтажной схемы
устройства в EWB
. Изготовление действующего
устройства
.1 Изготовление действующего макета
устройства
.2 Исследование изготовленного
устройства
. Проектирование методического
комплекса
. Техника безопасности и охраны
труда
. Экономическая часть
.1 Расчет
стоимости лабораторного стенда
и экономического эффекта ее внедрения
Заключение
Список использованных
источников
Приложение
дешифратор монтажный лабораторный
стенд
Введение
В системе работы по восприятию и усвоению нового
материала учащимися широкое применение находит метод лабораторно-практических
работ. Свое название он получил от лат. laborare, что значит работать. На
большую роль лабораторно-практических работ в познании, указывали многие
выдающиеся ученые. "Химии, - подчеркивал М.В. Ломоносов, - никоим образом
научиться невозможно, не видев самой практики и не принимаясь за химические
операции"[2]. Другой выдающийся русский химик Д.И. Менделеев отмечал, что
в преддверии науки красуется надпись: наблюдение, предположение, опыт, указывая
тем самым, на важное значение опытных (лабораторных) методов познания.[3]
В чем заключается сущность
лабораторно-практических работ как метода обучения? Лабораторно-практическая
работа - это такой метод обучения, при котором студенты под руководством
учителя и по заранее намеченному плану, проделывают опыты или выполняют
определенные практические задания, и в процессе их воспринимают и осмысливают
новый учебный материал.
Проведение лабораторно-практических работ с
целью осмысления нового учебного материала, включает в себя следующие
методические приемы:
) постановку темы занятий и определение задач
лабораторно-практической работы;
) определение порядка лабораторно-практической
работы или отдельных ее этапов;
) непосредственное выполнение
лабораторно-практической работы учащимися и контроль учителя за ходом занятий и
соблюдением техники безопасности;
) подведение итогов лабораторно-практической
работы и формулирование основных выводов.
Изложенное показывает, что
лабораторно-практические работы как метод обучения во многом носят
исследовательский характер, и в этом смысле высоко оцениваются в дидактике. Они
пробуждают у студентов глубокий интерес к окружающей природе, стремление
осмыслить, изучить окружающие явления, применять добытые знания к решению и
практических, и теоретических проблем. Метод этот воспитывает добросовестность
в выводах, трезвость мысли. Лабораторно-практические работы способствуют
ознакомлению студентов с научными основами современного производства, выработке
навыков обращения с реактивами, приборами и инструментами, создавая предпосылки
для технического обучения.
Выполнение лабораторных работ необходимо для
достижения образовательных целей на уровне специальности, а также дидактических
и развивающих целей учебных дисциплин и их составляющих.
В зависимости от задач, решаемых на лабораторных
занятиях, различают ознакомительные, экспериментальные и проблемно-поисковые
лабораторные работы.
В ознакомительных лабораторных работах
проводится изучение конструктивных особенностей, устройство средств
производственной деятельности (оборудования, инструментов приспособлений и
т.д.) и средств исследовательской деятельности (испытательных установок,
приборов и т.д.), а также их наладка и настройка.
Экспериментальные лабораторные работы включают
экспериментальные и исследовательские задания. Это могут быть задания по
изучению и отработке методики проведения различных исследований (например,
методики определения ударной вязкости при изучении сопротивления материалов),
по конструированию, переконструированию и доконструированию различных схем и
приспособлений. Например, составление электрических схем для измерения свойств
объектов, изменение конструкции зубчатой передачи для достижения вариаций
передаточного числа, по исследованию влияния различных факторов на свойства
объектов, по определению степени соответствия экспериментальных и расчетных
данных, по проверке, иллюстрации, подтверждению законов, закономерностей и т.д.
1. Основная часть
.1 Постановка задачи
Нам была поставлена задача спроектировать
лабораторный стенд и разработать методический комплекс для проведения
лабораторных работ по теме: "Дешифраторы".
Проблемно-поисковые работы также включают
постановку и проведение экспериментов. Отличаются они только степенью
проблемности экспериментальных задач. При этом речь идет об уровнях
проблемности этих задач для учащихся: новизне объектов, условий, в которых
проводится эксперимент по сравнению с известными ранее. К этой группе
лабораторных работ относятся и работы по проверке различных гипотез учебного и
научного уровня проблемности.
Данный методический комплекс необходимо
разработать для дисциплин: электротехника, схемотехника, электронная техника,
вычислительная техника, мехатроника, профессиональных модулей специальности
"Компьютерные сети и комплексы", "Автоматизация технологических
процессов и производств" и т.д.
.2 Обзор существующего положения
Перед разработкой и проектированием
лабораторного стенда проанализировали комплект учебной вычислительной техники
(КУВТ) в образовательном учреждении. КУВТ представляет собой совокупность
технических и программных средств, ориентированных на обучение и практическую
работу. В ЕЭТК имеется стенд марки "Учебная техника" (рисунок 1).
Рисунок 1 - Стенд
марки "Учебная техника"
Стенд марки "Учебная техника" имеет
ряд недостатков:
высокая цена установки;
ограничение элементами, идущими в комплекте
все диоды, конденсаторы, резисторы, ключи и
прочее расположены в неудобных пластиковых коробках, для того чтобы
использовать иной номинал нужно разбирать эти коробки и перепаивать элементы.
При такой работе студент не ощущает полностью, что из себя представляют эти
элементы.
.3 Предлагаемое решение задачи
В настоящее время в электромагазинах можно
приобрести электронные конструкторы-наборы, такие как "Знаток",
"Матрешка". Они позволяют создавать собственные электронные
устройства за приемлемые деньги.
Рисунок 2 - Разновидности электронных
конструкторов
Достоинства:
отличный состав электронных компонентов (есть
все необходимое для начала изучения электроники);
понятное описание схем сборки с подробными
объяснениями; - подходит как для детей (среднего школьного возраста и старше),
так и для взрослых; - помимо описания схем, в руководстве имеется не менее
интересная теоретическая часть (полезна для тех, кто хочет начать разбираться с
электроникой);
Недостаток: мало разработано опытов.
Было замечено, что в наборе "Матрешка"
имеется макетная беспаечная плата. Она очень удобна в использовании, на ней
1252 контакта и более. На ней можно собрать любую схему и разобрать за
считанные минуты. Думаю, у каждого уважаемого себя электронщика должен быть
такой очень полезный девайс. Схемы с большим током в цепи лучше на такой плате
не проверять, так как контакты макетки могут просто-напросто выгореть.
2. Проэктирование лабораторного стенда
.1 Выбор элементной базы
Приобрели плату для быстрого
макетирования BreadBoard, набор соединительных проводов и модуль питания
5V/3,3V.
Беспаечная макетная плата MB-102 на
830 точек
Рисунок 3 - Беспаечная
макетная плата МВ-102
Для налаживания и тестирования, самодельных
электронных устройств, радиолюбители используют макетные платы. Применение
макетной платы позволяет проверить, наладить и протестировать схему ещё до
того, как устройство будет собрано на готовой печатной плате. Это позволяет
избежать ошибок при конструировании, а также быстро внести изменения в
разрабатываемую схему и тут же проверить результат. Понятно, что макетная
плата, безусловно, экономит кучу времени и является очень полезной в мастерской
радиолюбителя.
Достоинство беспаечной макетной платы:
это отсутствие процесса пайки при макетировании
схемы;
значительное сокращение процесса макетирования и
отладки устройств.
Беспаечная макетная плата состоит из
пластмассового основания (ABS пластик) в котором имеется набор токопроводящих
контактных разъёмов. Этих контактных разъёмов очень много. В зависимости от
конструкции макетной платы контактные разъёмы объединяются в строки, например,
по 5 штук. В результате образуется пятиконтактный разъём. Каждый из разъёмов
позволяет подключать к нему выводы электронных компонентов или токопроводящих
проводников диаметром, как правило, не более 0,7 мм.
Контактные разъёмы выполнены из фосфористой
бронзы и покрыты никелем. Благодаря этому, контактные разъёмы (точки)
рассчитаны на 50 000 циклов подключения/отключения. Контактные разъёмы
позволяют подключать выводы радиодеталей и проводники диаметром от 0,4 до 0,7
мм.
А вот так выглядит отладочная плата для
микроконтроллеров серии Pic, собранная на беспаечной макетной плате.
Рисунок 4 - Собранная схема на беспаечной
макетной плате
Как видим, беспаечная макетная плата позволяет
устанавливать резисторы, конденсаторы, микросхемы, светодиоды и индикаторы. С
помощью беспаечной макетной платы изучение электроники превращается в
увлекательный процесс. Принципиальные схемы собираются на макетке без лишнего
труда.
Блок питания для телефона
Рисунок 5 - зарядное устройство
от мобильного телефона Nokia-AC-3E
В качестве питания нашей
микросхемы мы решили использовать зарядное устройство от мобильного телефона Nokia-AC-3E.
Его принципиальная схема изображена рисунке 6.
Рисунок 6 - Принципиальная
схема зарядного устройства от мобильного телефона Nokia-AC-3E
Дешифраторы - Демультиплексор
Демультиплексор
- это функциональный узел,
осуществляющий
управляемую коммутацию информации,
поступающую
по одному входу,
на
N выходов.
Таким
образом, демультиплексор реализует операцию, противоположную той, которую
выполняет мультиплексор.
Обобщённая схема демультиплексора приведена на
рисунке 7. В общем случае число выходных линий N
определяется количеством Демультиплексор n
и равно
.
Для случая n=2
функционирование демультиплексора осуществляется в соответствии с таблицей
истинности, приведённой на рисунке 8.
Рисунок 7 - Обобщённая схема демультиплексора
Рисунок 8- Функциональная схема 4-х канального
демультиплексора
Таблица 1 - Таблица истинности 4-х канального
демультиплексора
Из таблицы истинности записываем
характеристические уравнения демуль-типлексора:

Соответствующая этим уравнениям функциональная
схема демультиплексора приведена на таблице 1. Она имеет в своём составе два
инвертора и четыре элемента "И".
Сравнивая таблицы истинности и функциональные
схемы демультип-лексора и дешифратора, легко увидеть схожесть их функций. Если
функ-ция X =1 постоянно, то
демультиплексор выполняет функции дешифратора. Учитывая схожесть выполняемых
функций, микросхемы дешифраторов и демультиплексоров имеют одинаковое условное
обозначение - ИЕ, называются "Дешифратор - демультиплексор" и могут
выполнять функции и дешифратора и демультиплексора.
В качестве примера рассмотрим микросхему
К155ИД4, условно-графическое обозначение (УГО) которой приведено на рисунке
9,а. Это сдвоенный 4 - канальный дешифратор -демультиплексор. Каждая секция
имеет один информационный вход (D
и
),
один вход разрешения 
, четыре выхода
и
два общих адресных входа
Возможные способы
включения и режимы работы показаны на рисунке 9,б.
Рисунок 9 - Микросхема К155ИД4
Наличие у МС прямого и инверсного информационных
входов позволяет простым их объединением получить третий адресный разряд а3,,
а двух инверсных входов разрешения - общий вход разрешения дешифратора 3:8 или
информационный вход демультиплексора 1:8.
Рассмотренную выше микросхему дешифратора
К155ИД4 можно использовать в качестве демультиплексора с форматом 1:16. При
этом входы разрешения дешифрации используются в качестве основного информационного
входа Х, а адресные входы и выходы используются по прямому назначению.
2.2
Проектирование принципиальной схемы
.2.1 Сборка схемы дешифратора на логических
элементах в EWB512
При проектировании первых
принципиальных схем,
мы воспользовались программой Electronics
WorkBench. И в ней стали
собирать принципиальную схему дешифратора с двумя адресными входами на
логических элементах "И", "НЕ" .
Для того чтобы иметь сигнал на выходе
логического элемента, мы берем светодиоды. Но чтобы быть уверенным, в том что
сигнал подается, мы и на вход подключаем светодиоды.
Просто
так нельзя включать светодиоды, так как они не
имеют
встроенной защиты и могут перегореть,
поэтому
к светодиодам присоеденяем резисторы.
Рабочая принципиальная
схема
дешифратора с двумя адресными входами на логических элементах "И",
"НЕ":
Рисунок 10 - Принципиальная
схема
дешифратора с двумя адресными входами на логических элементах "И",
"НЕ"
Таблица 2- Таблица истинности работы дешифратора
с 2-адресными входами
|
входы
|
выходы
|
|
X1
|
X2
|
Y0
|
Y1
|
Y2
|
Y3
|
|
0
|
0
|
1
|
0
|
0
|
0
|
|
0
|
1
|
0
|
1
|
0
|
0
|
|
1
|
0
|
0
|
0
|
1
|
0
|
|
1
|
1
|
0
|
0
|
0
|
1
|
Таблица 3- Таблица истинности работы дешифратора
с 4-адресными входами
Промышленностью стран СНГ, в том числе и России,
выпускаются различные модификации дешифраторов в интегральном исполнении.
Обозначение дешифраторов на принципиальных схемах показано на рисунке 11.
.2.2 Микросхемы дешифраторов
Рисунок 11 - а- дешифратор с прямыми выходами,
б- дешифратор с инверсными выходами
Были приобретены микросхемы дешифраторов
КР1533ИД14 и КР514ИД1.
Дешифратор КР1533ИД14
Рисунок 12 - Дешифратор
КР1533ИД14
Корпус: DIP-16.
Микросхема КР1533ИД14
представляет собой два дешифратора/демультиплексора 2 на 4 с индивидуальными
входами выбора и разрешения.
При высоком уровне напряжения
на входе SEL все выходы
дешифратора устанавливаются в состояние высокого уровня, при низком уровне на
этом входе осуществляется дешифрация двоичного кода, заданного на
информационных входах A0-A1.
Все выходы дешифраторов имеют
инверсию т.е. активный уровень на выходах -низкий ("0")
Таблица 4 - Логическая таблица
работы микросхемы КР1533ИД14
|
Входы
|
Выходы
|
|
SEL
|
A0
|
A1
|
Y0
|
Y1
|
Y2
|
Y3
|
|
1
|
X
|
X
|
1
|
1
|
1
|
1
|
|
0
|
0
|
0
|
0
|
1
|
1
|
1
|
|
0
|
0
|
1
|
1
|
0
|
0
|
0
|
|
0
|
1
|
0
|
1
|
1
|
0
|
1
|
|
0
|
1
|
1
|
1
|
1
|
1
|
0
|
Основные характеристики КР1533ИД14:
|
¾
Напряжение
питания (Vcc):
|
+5В
±10%
|
|
¾
Выходное
напряжение лог.0:
|
<0,4В
|
|
¾
Выходное
напряжение лог.1:
|
>2,5В
|
|
¾
Выходной
ток "1", не менее:
|
0,4мА
|
|
¾
Выходной
ток "0", не менее:
|
112мА
|
|
¾
Ток
потребления, max:
|
7мА
|
|
¾
Входной
ток (1/0):
|
20/-200мкА
|
|
¾
Типовая
задержка:
|
28-32нс
|
|
¾
Рабочий
диапазон температур:
|
-10..+70oC
|
|
¾
Корпус:
|
DIP-16
|
|
¾
Импортный
аналог:
|
74ALS139N
|
Расположение выводов на микросхеме КР1533ИД14:
Рисунок 13 - Условное обозначение микросхемы
КР1533ИД14
Рисунок 14 - Функциональная схема микросхемы
КР1533ИД14 (показан один канал)
Дешифратор КР514ИД1
Рисунок 15 - Дешифратор
КР514ИД1
Корпус: DIP-14
КР514ИД1 - микросхема дешифратор
двоично-десятичного кода для 7-сегментного светодиодного индикатора с общим
катодом.
Основные характеристики КР514ИД1:
|
Напряжение
питания:
|
5В±5%
|
|
Ток
потребления:
|
<50mA
|
|
Входное
напряжение "0":
|
<0,4V
|
|
Входное
напряжение "1":
|
>2,4V
|
|
Входной
ток "0":
|
<1,6mA
|
|
Входной
ток "1":
|
>0,07mA
|
|
Выходной
ток "0" (при 0,8V):
|
0,3mA(max)
|
|
Выходной
ток "1" (при 1,7V):
|
2,5..4,6mA
|
Таблица 5
- истинности
дешифратора КР514ИД1
|
X0
|
X1
|
X2
|
X3
|
A
|
B
|
C
|
D
|
E
|
F
|
G
|
Символ
|
|
0
|
0
|
0
|
0
|
1
|
1
|
1
|
1
|
1
|
1
|
0
|
0
|
|
1
|
0
|
0
|
0
|
0
|
1
|
1
|
0
|
0
|
0
|
0
|
1
|
|
0
|
1
|
0
|
0
|
1
|
1
|
0
|
1
|
1
|
0
|
1
|
2
|
|
1
|
1
|
0
|
0
|
1
|
1
|
1
|
1
|
0
|
0
|
1
|
3
|
|
0
|
0
|
1
|
0
|
0
|
1
|
0
|
0
|
0
|
1
|
1
|
4
|
|
1
|
0
|
1
|
0
|
1
|
0
|
1
|
1
|
0
|
1
|
1
|
5
|
|
0
|
1
|
1
|
0
|
1
|
0
|
1
|
1
|
1
|
1
|
1
|
6
|
|
1
|
1
|
0
|
1
|
1
|
1
|
0
|
0
|
0
|
0
|
7
|
|
0
|
0
|
0
|
1
|
1
|
1
|
1
|
1
|
1
|
1
|
1
|
8
|
|
1
|
0
|
0
|
1
|
1
|
1
|
1
|
1
|
0
|
1
|
1
|
9
|
|
0
|
1
|
0
|
1
|
0
|
0
|
0
|
1
|
1
|
0
|
1
|
С
|
|
1
|
1
|
0
|
1
|
0
|
0
|
1
|
1
|
0
|
0
|
1
|
Э
|
|
0
|
0
|
1
|
1
|
0
|
1
|
0
|
0
|
0
|
1
|
1
|
U
|
|
1
|
0
|
1
|
1
|
1
|
0
|
0
|
1
|
0
|
1
|
1
|
С-
|
|
0
|
1
|
1
|
1
|
0
|
0
|
0
|
1
|
1
|
1
|
1
|
T
|
|
1
|
1
|
1
|
1
|
0
|
0
|
0
|
0
|
0
|
0
|
0
|
нет
|
Обозначение на схемах КР514ИД1:

Рисунок 16 - Условное обозначение микросхемы
КР514ИД1
-X3 - входы двоично-десятичного кодаG - выходы
на индикатор- вход гашения- питание +5V- общий
При подаче лог. "0" на вход гашения
"BI" выходы A..G=0 (индикатор выключен).
Для КР514ИД1 для входов и выходов: "0"
- напряжение низкого уровня, "1" - напряжение высокого уровня.
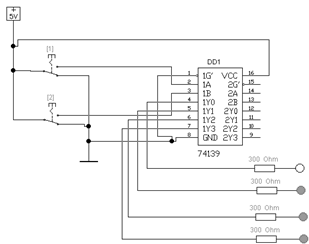
2.2.3 Сборка схемы дешифратора на микросхемах в EWB512
Но так как в Electronics
WorkBench
нету
базы данных используемых нами микросхем, мы
использовали зарубежные аналоги микросхем.
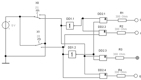
Рисунок 17 - Принципиальная схема с микросхемой
КР1533ИД14 (зарубежный аналог 74139)
Рисунок 18 - Принципиальная схема с микросхемой
КР514ИД1 (зарубежный аналог 7447)
.2.4 Элементы схемы
На принципиальной схеме с микросхемой КР514ИД1
(рисунок 18) используются микросхемы инверторов DD2.1
и DD2.2.
Логический элемент НЕ
В Булевой алгебре, на которой базируется вся цифровая
техника, электронные элементы должны выполнять ряд определённых действий. Это
так называемый логический базис. Вот три основных действия:
· ИЛИ - логическое сложение
(дизъюнкция) - OR;
· И - логическое умножение
(конъюнкция) - AND;
· НЕ - логическое отрицание (инверсия)
- NOT.
Примем за основу позитивную логику, где высокий
уровень будет "1", а низкий уровень примем за "0". Чтобы
можно было более наглядно рассмотреть выполнение логических операций,
существуют таблицы истинности.
Таблица 6 - Условное обозначение логического
элемента НЕ
Элемент, выполняющий функцию инверсии
"НЕ" имеет один вход и один выход. Он меняет уровень сигнала на
противоположный. Низкий потенциал на входе даёт высокий потенциал на выходе и наоборот
(таблица 6).
Таблица 7 - Таблица истинности элемента
"НЕ"
Всё многообразие выпускаемых серий
микросхем, согласно принятой системе условных обозначений по
конструктивно-технологическому исполнению, делится на три группы:
полупроводниковые,
гибридные, прочие. К
последней группе относят пленочные микросхемы, которые в настоящее время
выпускаются в ограниченном количестве, а также вакуумные и керамические.
Указанным группам микросхем в системе условных обозначений присвоены следующие
цифры: 1, 5, 7 - полупроводниковые (обозначение 7 присвоено бескорпусным
микросхемам); 2, 4, 8 - гибридные; 3 - прочие микросхемы.
По характеру выполняемых функций
микросхемы подразделяются на подгруппы (генераторы, модуляторы, триггеры,
усилители, логические схемы и др.) и виды (преобразователи частоты, фазы,
длительности, напряжения и др.). Классификация наиболее популярных микросхем по
функциональному назначению приведена в таблице 6.
Таблица 8
-
Классификация
наиболее популярных микросхем по функциональному назначению
|
Подгруппа и вид микросхем
|
Обозначение
|
|
Логические элементы:
|
|
- И-НЕ
|
ЛА
|
|
- И-НЕ/ИЛИ-НЕ
|
ЛБ
|
|
- ИЛИ-НЕ , И
|
ЛЕ ЛИ
|
|
- ИЛИ-НЕ, И
|
ЛЛ
|
|
- НЕ
|
ЛН
|
Обозначение микросхемы, по принятой
системе, должно состоять из четырех элементов. Первый элемент - цифра,
соответствующая конструктивно-технологической группе. Второй элемент - две-три
цифры, присвоенные данной серии как порядковый номер разработки. Третий элемент
- две буквы, соответствующие подгруппе и виду (таблица
6).
Четвертый элемент - порядковый номер разработки микросхемы в данной серии, в
которой может быть несколько одинаковых по функциональному признаку микросхем.
Он может состоять как из одной цифры, так и из нескольких.
В последнее время при четырехзначном
номере серии первую цифру порядкового номера серии устанавливают в зависимости
от функционального назначения микросхем, входящих в серию. Например, цифра 0
определяет, что данная серия микросхем предназначена для работы в составе
бытовой радиоэлектронной аппаратуры. Цифра 1 ставится на аналоговых
микросхемах, цифра 4 - на микросхемах ОУ, цифра 5 - на цифровых микросхемах,
цифра 6 - на серии микросхем памяти, цифра 8 - на сериях МП.
Если в конце условного обозначения
стоит буква, то она определяет технологический разброс электрических параметров
данного типономинала.
На микросхемах, используемых в
устройствах широкого применения, в начале обозначения ставится буква К,
например: К1533ИР22.
Для характеристики материала и типа
корпуса перед цифровым обозначением серии могут быть добавлены следующие буквы:
Р - пластмассовый корпус типа ДИП; М - металлокерамический корпус типа ДИП и т.
д.
Микросхема К155ЛН3
Рисунок 19 -
Микросхема К155ЛН3
Микросхема представляет собой шесть
логических элементов НЕ с повышенным коллекторным напряжением. Корпус К155ЛН3
типа 201.14-2, масса не более 1 г и у КМ155ЛН3 типа 201.14-8, масса не более
2,2 г.
Рисунок 20 - Конструктивные
параметры микросхемы К155ЛН3
Рисунок 21 - Конструктивные
параметры микросхемы КМ155ЛН3
Рисунок 22
- Принципиальная электрическая схема микросхемы
К155ЛН3
,3,5,9,11,13 - входы;2,4,6,8,10,12 - выходы;
- общий;14 - напряжение питания;
Таблица 9 - Электрические
параметры микросхемы К155ЛН3
|
Номинальное напряжение питания
|
5 В 5 %
|
|
Выходное напряжение
|
не более 30 В
|
|
Входной ток низкого уровня
|
не более -1,6 мА
|
|
Входной ток высокого уровня
|
не более 0,04 мА
|
|
Входной пробивной ток
|
не более 1 мА
|
|
Ток потребления при низком уровне выходного
напряжения
|
не более 51 мА
|
|
Ток потребления при высоком уровне выходного
напряжения
|
не более 48 мА
|
|
Потребляемая статическая мощность на один
логический элемент
|
не более 43,3 мВт
|
|
Время задержки распространения при включении
|
не более 23 нс
|
|
Время задержки распространения при выключении
|
не более 15 нс
|
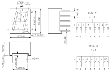
-сегментный индикатор SA39-12SRWA
Рисунок 23 - 7-сегментный индикатор SA39-11SRWA
Описание:
Супер Яркие цвета устройства
Красный источник сделаны с галлия арсенида алюминия Красный светоизлучающий
диод.
Рисунок 24 - Условное
обозначение 7-сегментного индикатора SA39
Особенности:
0.39 дюйма высота цифр.
2 Низкий уровень текущей
операции.
Отличный характер и
внешний вид.
Простота монтажа на
Р.С. доске или гнезда.
IC - совместимы.
Классифицированные для
силы света, желтый и зеленый к категории для цвета.
Прочность.
Стандарт: серое лицо,
белый сегмент.
В 7-сегментном индикаторе SA39-11SRWA
- статическая индикация, а в SA39-12SRWA
- динамическая. Оба индикатора с общим анодом, то есть при подключении
7-сегментного индикатора к дешифратору требуется инвертор. Нами был выбран
7-сегментной индикатор SA39-12SRWA.
Светодиоды
Рисунок 25 - Светодиоды
Светодиоды красные - 4 штуки; длинна волны 610 -
760 нм; напряжение от 1.6 до 2.03 В, ток 20-60 мА
Резисторы
простых резистора (0,5 Вт) по 300 Ом и 7 простых
резисторов(0,5 Вт) по 1 кОм.
Рисунок 26 - простой резистор
Рисунок 27 - Схема цветовых обозначений на
резисторе
Кнопки - 4 штуки
Рисунок 28 - Кнопка
Болты, гайки, шайбы
Для того чтобы закрепить блок питания и
беспечную макетную плату, мы выбрали болты, гайка и шайбы размером М5
Рисунок 29 - Болты, шайбы, гайки
Набор перемычек
Перемычки одножильные, специальные для
беспаечной макетной платы.
Рисунок 30 - Набор перемычек
Пластик и пластина
Пластик белый 30х30 см, вырезанный из пластик
1,5х2 м.
Рисунок 31 - Пластик 30х30 см с прикрепленной
беспаечной макетной платой
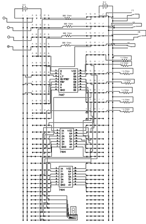
2.3 Проектирование монтажной схемы устройства в
EWB
Но для того что бы перенести наши принципиальные
схемы на беспаечную макетную плату, нам надо создать в Electronics
WorkBench схожую с нашей
макетной платой плату со многими контактами.
Результат:
Рисунок 32 - Макетная плата в Electronics
WorkBench
Теперь мы можем переносить наши
принципиальные схемы на макетную плату.
Рисунок 33 - Монтажная схема с микросхемой
КР514ИД1
3. Изготовление действующего устройства
.1 Изготовление действующего макета устройства
Для расположение стенда на
лабораторном столе мы использовали пластик размером 30х30, толщиной 5мм.
На пластик при помощи болтов
закрепили металлическую пластину.
Рисунок 34 - Закрепленная металлическая пластина
на пластик при помощи болтов
К металлической пластине приклеили беспаечную
макетную плату со схемой дешифратора. Через клеммы подключили зарядное
устройство для подачи питания к макетной плате. Оформили стенд (рисунок 35).
.2 Исследование изготовленного устройства
Разработав принципиальную и монтажную схемы, мы
начали поэтапную сборку и проверку узлов.
Собрав схему для проверки и исследования
дешифратора на микросхемах, мы проверили их работоспособность с помощью
светодиода с нагрузкой и осциллографа. Они помогли нам определить номинал
резистора, для создания оптимальной частоты.
В результате мы получили готовый стенд для
лабораторных работ по исследованию дешифратора.
Рисунок 35 - Общий вид стенд
4. Проектирование методического комплекса
Одним из заданий дипломного проекта является
создание методического комплекса для выполнения лабораторных работ по теме
"Дешифраторы". Нами были разработаны 2 лабораторные работы
(Приложение):
. Исследование дешифратора с 2 адресными
входами.
2. Исследование дешифратора с 4 адресными
входами.
5. Техника безопасности и охраны труда
При работе с микросхемами нужно
соблюдать ряд правил, во избежание неприятных последствий: удара током, поломки
оборудования и микросхем, других радиоэлементов.
Основными причинами воздействия тока
на человека являются: случайное прикосновение или приближение на опасное
расстояние к токоведущим частям; появление напряжения на металлических частях
оборудования в результате повреждения изоляции или ошибочных действий человека;
шаговое напряжение на поверхности земли в результате замыкания провода и др.
Основные меры защиты от поражения
током: изоляция; недоступность токоведущих частей; электрическое разделение
сети с помощью специальных разделяющих трансформаторов; применение малого
напряжения (не выше 42В, а в особо опасных помещениях 12В); использование
двойной (рабочей и дополнительной) изоляции; выравнивание потенциала; защитное
заземление и зануление; защитное отключение; применение специальных
электрозащитных средств; организация безопасной эксплуатации электроустановок.
Особые правила при обращении с
паяльником при пайки и лужении. Здесь нужно проверить изоляцию вилки, розетки
перед работой, работать только исправным паяльником. При необходимости заменить
паяльник, радиодетали и другое неисправное оборудование.
Выполняя работу стараться не
отвлекаться, чувствуя усталость прекратить работу. При выполнении лужения
нельзя касаться припоем теплоотвод корпуса. Припой не должен попадать на
стеклянные и керамические части корпуса микросхемы. Необходимо тщательно
следить за тем, чтобы не образовывались перемычки между выводами, поверхность
припоя должна быть без трещин, пор, необлученных участков. Оборудование,
применяемое для лужения, должно обеспечивать поддержание и контроль температуры
с погрешностью не более + - 5Со. Растекание припоя со стороны
корпусов должно быть ограничено пределами контактных площадок. Конец вывода
может быть не лужен. Монтажные металлизированные отверстия должны быть
заполнены припоем на высоту не менее 2/3 от площади платы. При работе с
источниками тока надо соблюдать особую внимательность и осторожность.
Смертельным для человека считается ток 0,1А. Известно, что при одном и том же
напряжении, но при разном сопротивление человека от 1000 до 500000 Ом. Ток,
протекающий через человека, будет равным 0,00044А. А при сопротивлении 1000 Ом
- 0,22А, то есть смертельным.
При включении в сеть нельзя
дотрагиваться до выводов вилки и розетки, а также до выводов трансформатора -
тыкать посторонними предметами в розетку!
Перед первым включением в сеть
прибора необходимо проверить сопротивление изоляции между штырьками сетевой
вилки и корпусом конструкции. Если оно менее 10 мОм при какой-нибудь полярности
подключения щупов омметра, отыскать неисправность и устранить ее. При
необходимости заменить деталь или перепаять проводники, для этого надо
обеспечить конструкцию и вынуть вилку из розетки.
Защита от статического электричества
Электризация - это комплекс
физических и химических процессов, приводящих к разделению в пространстве
зарядов противоположных знаков или к накоплению зарядов одного знака.
Суть электризации заключается в том,
что нейтральные тела, не проявляющие в нормальном состоянии электрических
свойств, в условиях отрицательного контакта или взаимодействия становятся
электрозаряженными.
Из-за малых размеров элементов, микросхем
высокой плотности упаковки, элементов на поверхности кристалла они
чувствительны к разрядам статического электричества.
Статическое электричество всегда
накапливается на теле человека при его движение.
При этом могут накапливаться
потенциалы в несколько тысяч вольт, что при разряде на чувствительный к
статическому электричеству (СЭ) элемент может вызывать появление дефектов,
деградацию или разрушение из-за электрических, тепловых и прочих воздействий.
Для уменьшения влияния статического
электричества необходимо пользоваться рабочей одеждой из мало электризующихся
материалов (х/б халаты). Рабочие столы следует покрывать механическими листами
размером 100 х 200 мм, соединенными через ограничительное сопротивление 10 Ом с
заземляющей шиной. Оборудование и инструмент, не имеющих питание от сети,
подключаются к заземляющей шине через сопротивление 106 Ом. Оснастку
и инструмент подключают непосредственно к заземляющей шине. Увлажнение
окружающего воздуха. Оператор должен работать с помощью специального антистатического
браслета.
6. Экономическая часть
Цель: Расчет стоимости проектированного стенда.
Данная работа оформлена в виде
материала для изучения уроков по дисциплине: "Схемотехника" в ЕЭТК,
где готовят рабочих с углубленными знаниями по специальности
"Автоматизация технических процессов".
Данная методическая разработка
ориентирована на региональный рынок, может быть использована для высшего и
среднего образования. Она также ориентирована для самостоятельного изучения
материала студентами, учащимися, в помощь преподавателям для проведения уроков.
Методическая разработка удобно
составлена в плане материала. Методическое пособие составлено в простой и
понятной форме, необходимой для усвоения материала, как студентами, учащимся.
Предлагаемый материал рассчитан на понимание людей включая категории всех
возрастов, но обладающих начальными знаниям.
Таблица 10 - Расчет материальных затрат
|
Наименование
|
Кол-во
|
Цена за единицу, Руб.
|
Итого,
Руб.
|
|
Макетная плата WBU-102
|
1
|
540
|
540
|
|
Резистор 1 кОм
|
7
|
4
|
28
|
|
Резистор 300 Ом
|
4
|
1,5
|
6
|
|
Микросхема КР514ИД1
|
1
|
5,80
|
5,80
|
|
Микросхема
К155ЛН3
|
2
|
4,20
|
8,40
|
|
Кнопка
|
4
|
40
|
160
|
|
Светодиод красный
|
4
|
9,50
|
38
|
|
Набор проводов и перемычек
|
1
|
180
|
180
|
|
Болты
|
1уп.
|
36
|
36
|
|
Гайки
|
1уп.
|
21
|
21
|
|
Шайбы
|
1уп.
|
21
|
21
|
|
Пластик
30х30
|
1
|
200
|
200
|
|
Зарядное
устройство
|
1
|
200
|
200
|
|
Итого
|
|
|
1444,2
|
Исходными данными для расчета
являются:
- заработная плата техника
(инженера) - программиста (ЗП ср.мес.) - 40000руб.;
стоимость компьютера (С комп.) - 25000
руб.;
нормативный срок службы оборудования
(Тн.) - 5 лет;
сумма потребляемой мощности (Мп.) -
0,5 кВт;
стоимость 1 кВт (Цэ) - 3
руб.
Таблица 11
- Этапы разработки лабораторного стенда
|
Этапы разработки
|
Время, час
|
|
Постановка задачи Разработка схемы Создание
схемы
|
4 6 12
|
|
Итого: В том числе машинное время:
|
22 16
|
6.1 Расчет стоимости
лабораторного
стенда и экономического эффекта ее внедрения
Целью данной части проекта является
расчет полной стоимости лабораторного стенда и экономической эффективности от
внедрения программы.
Смч=Сэкс/Тэф*К исп(1)
где Сэкс - годовые эксплуатационные
расходы, руб.;
Тэф - годовой эффективный фонд
времени, час;
Кисп - коэффициент использования
машины и времени разработчика, коэффициент использования машины принимаем 0,9.
Смч=1734001/2223*0,9=702,02
руб
Годовой эффективный фонд времени
рассчитывается по формуле
(2)
Тэфф=(tрд*Nсм*Дрд)-(tпт*Nсм*Дрд)(2)
где tрд
- продолжительность рабочего дня, час;
Nсм
- количество смен;
Дрд - количество рабочих дней;
tпт
- регламентированные потери рабочего времени.
На предприятии продолжительность
смены 10
часов, работа идет в 1 смену, в 2015
году 247
рабочих дней, за рабочим предусмотрен регламентированный перерыв 1 час.
Тэфф=(10*1*247)-(1*1*247)=2223час
Эксплуатационные расходы также
являются неотъемлемой частью затрат на разработку программы, рассчитываются по
формуле (3)
Сэксп=ЗПср.год+Агод+Сн.р.+Сэ (3)
где ЗПср.год. - среднегодовая
заработная плата разработчика, он же занимается обслуживанием,
рассчитывается по формуле (4);
Агод. - годовые амортизационные
отчисления, руб. рассчитывается по формуле (5);
Сн.р. - накладные расходы, руб.;
Сэ - стоимость потребляемой
электроэнергии за год, руб.
ЗПср.год.=ЗПср.мес.*Ч*12(4)
где ЗПср.мес. - среднемесячная
заработная плата, руб.;
Ч - численность рабочих, чел.
ЗПср.год. =40000*1*12=480000руб.
Агод.=Скомп*На%/100%(5)
где Скомп - стоимость компьютера,
руб.;
На - норма амортизации, %,
рассчитывается по формуле (6);
На=100/Тн(6)
где Тн - нормативный срок службы
оборудования, лет.
На=100/5=20 %
Агод.=25000*20%/100%=5000руб
Сэксп=480000+5000+1248000+3001=1734001руб.
Накладные расходы (Сн.р.) в условиях
предприятия равняются 260 % от заработной платы техника - программиста,
рассчитываются по формуле (7).
Сюда включаются затраты на содержание помещения, оборудования, управленческие
затраты.
Сн.р.=ЗПсред.год.*260%/100%(7)
Сн.р.=480000*260%/100%=1248000руб.
Сэ=Мп*Тэфф*Цэ*Кисп(8)
где Сэ - стоимость потребляемой
электроэнергии за год, руб.;
Мп - сумма потребляемой мощности,
кВт;
Тэфф - годовой фонд рабочего
времени, час;
Цэ - стоимость 1 кВт, руб.;
Кисп - коэффициент использования
мощности, принимается 0,9.
Сэ=0,5*2223*4*0,9=3001руб.
Расчет стоимости разработки лабораторного
стенда. Время разработки лабораторного
стенда рассчитывается по этапам таблицы 6.
Стоимость разработки программы
рассчитывается по формуле (9)
Ср=ЗПр.чел*n1+См
час*n2(9)
где Ср - стоимость разработки
программы;
ЗПр.чел - средняя часовая заработная
плата разработчика техника (инженера)
программиста с отчислениями на социальные нужды;
См час - стоимость машинного часа;
n1
и n2 - соответственное
количество чел.-часов разработчика и машинных часов.
ЗПр.чел=ФЗПгод/Тэфф(10)
где Тэфф - годовой эффективный фонд
времени, час.
ФЗПгод - годовой фонд заработной
платы, рассчитывается по формуле (11)
ФЗПгод=ЗПср.год.+страховые
взносы(11)
где ЗПср.год - среднегодовая
заработная плата разработчика, руб.
Страховые взносы составляют 30%
ФЗПгод=480000+144000=624000руб.
ЗПр.чел=624000/2223=280,7руб.
Таким образом, стоимость разработки
стенда рассчитывается по формуле (9)
Ср=280,7*6+702,02*16=12916,52руб.
Цена лабораторного
стенда. Цена разработанной программы в рыночной
экономике рассчитывается на основе принципов рыночного ценообразования. Для
этого производится аналитические расчеты и оценки.
Цены устанавливаются в зависимости
от их назначения и разработки: уникальные, по заказу, специализированные и
универсальные рыночные.
Определяющими факторами для
формирования рыночной цены являются:
потребность (спрос) программных продуктах
определенного типа;
количество потенциальных покупателей
и их финансовые возможности;
наличие конкурентов;
качество;
удобство в пользовании;
реклама.
Необходим анализ реальных ситуаций,
возникающих на рынке программных средств. Первоначальные затраты на разработку
программы являются постоянными затратами, возмещение которых, как правило в
существующих экономико-математических моделях не учитывается. Как правило,
продавцы пытаются получить максимальную выручку от продажи. В этом случае поиск
рыночной цены можно записать виде оптимальной модели, формула (12).
Вр=Ц*Кс>макс.(12)
где Вр - выручка, руб.;
Ц - искомая цена, руб.;
Кс - количество копий, которые будут
проданы по цене "Ц".
Цена - это денежное выражение
стоимости. Она включает в себя полную себестоимость, установленный размер
прибыли, НДС, определяется по формуле (13)
Цена=С\Спол+прибыль+НДС(13)
где Цена
- денежное выражение стоимости лабораторного
стенда;
С\Спол - стоимость разработки
лабораторного стенда(Ср);
Прибыль - зависит от спроса и предложения
определяется в % от стоимости разработки лабораторного
стенда
(Ср);
НДС - налог на добавленную
стоимость, определяется в % от суммы стоимости разработки лабораторного
стенда
и прибыли.
Цена=12916,52+1444,2+2872,14+3446,57=20679,43руб.
Прибыль составляет 20 % от полной
себестоимости.
По данным расчетов построим
структурную диаграмму: цены изделия, рисунок 36.
Например:
Рисунок 36
- Диаграмма цены изделия
Несмотря на то, что прибыль является
важнейшим экономическим показателем работы предприятия, она не характеризует
эффективность его работы. Для определения эффективности работы предприятия
необходимо сопоставить результаты (в данном случае прибыль) с затратами или
ресурсами, которые обеспечили эти результаты.
Одним из важнейших показателей
эффективности работы предприятия является рентабельность. Рентабельность - это
относительная величина, выраженная в процентах и характеризующая эффективность
применения в производстве (авансированных) ресурсов общественного труда или
текущих издержек производства.
Предприятие, осуществляющее
хозяйственную деятельность, заинтересовано не только в получении максимальной
прибыли, но и эффективности использования вложенных в производство средств,
исчисляемых размером прибыли, полученной предприятием за определенный период
времени (месяц, квартал, год), на одну денежную единицу производственных
фондов, капитала, оборота (реализованной продукции) инвестиций, текущих
издержек производства. При анализе хозяйственной деятельности предприятия и
разработке планов развития производства различают показатели рентабельности
капитала и продукции, инвестиций и оборота, рентабельность производства и др.
Рентабельность изделия Ри можно
определить по формуле (14)
Ри=(Пр/С/С пол.)*100%(14)
где Пр - прибыль от реализации
продукции;
С/Спол - полная себестоимость её
изготовления.
Ри=2872,14/20679,43*100%=13%
Программное обеспечение имеет две
особенности существенно отличающих его от других видов товаров. С одной стороны
это авторское произведение. С другой стороны созданную программу легко
размножить (Затраты на копии ничтожно малы).
Цены устанавливаются в зависимости
от их назначения и разработки: уникальные, по заказу, специализированные и
универсальные рыночные.
Определяющими факторами для
формирования рыночной цены являются:
потребность (спрос) программных
продуктах определенного типа;
количество потенциальных покупателей
и их финансовые возможности;
наличие конкурентов;
качество;
удобство в пользовании;
реклама.
Заключение
Нам была поставлена задача разработать
лабораторный стенд и методический комплекс для проведения лабораторных и
практических работ по теме "Дешифраторы". Для достижения этой задачи
мы работали в программе Electronics
Workbench, создавая
принципиальные и монтажные схемы. Рассчитывали, покупали необходимый нам
материал. Занимались монтажными работами по установке беспаечной макетнойплаты
. Разработали 2 лабораторные работы. Всё это описали в нашей пояснительной
записке.
В лабораторной работе №1 исследуется дешифратор
с 2-мя адресными входами (микросхема КР1533ИД14). В методическом комплексе
(Приложение) рассматривается теория и практика. В практической части необходимо
собрать принципиальную и монтажную схему в Electronic
Workbench, а так же на
беспаечной макетной плате.
В лабораторной работе №2 исследуется дешифратор
с 4-мя адресными входами (микросхема КР514ИД1). В методическом комплексе
(Приложение) рассматривается теория и практика. В практической части необходимо
собрать принципиальную и монтажную схему в Electronic
Workbench, а так же на
беспаечной макетной плате.
Используемая литература
1. Гусев В. Г., Гусев Ю.
Н. "Электроника" Москва 2008г
2. Алексеев В.Е.
Организация технического творчества студентов М. 2009
г., с. 23-38.
3. Комский Д.М. Основы
теории творчества. Екатеринбург, 2003 г., с. 28-45.
4. Игумнов Д. В., Королев
Г. В., Громов И. С. "Основы микроэлектроники" Москва 2011г
5. Нефедов В. И.
"Основы радиоэлектроники" Москва 2012г
6. Опадчий
"Аналоговая и цифровая электроника" Москва 2009г
7. Сентурия С., Уэдлок Б.
"Электронные схемы и их применения" Москва 2013г
8. #"892072.files/image050.gif">
Здесь индекс i функции fi
вычисляется по формуле
Каждое уравнение дешифратора представляет одну
из конъюнкций совершенной дизъюнктивной нормальной формы соответствующего
набора таблицы истинности.
По способам построения дешифраторы
классифицируются на линейные, прямоугольные и пирамидальные.
Для линейного дешифратора число каскадов k
равно единице, число клапанов (схем И, ИЛИ-НЕ) М=2n
и общее число входов в клапаны М= n
2n
Если разрядность дешифрируемого слова n
больше
максимально возможного числа входов клапана в используемой базе элементов, то
для реализации функций необходимо объединить схемы в каскад из нескольких
клапанов. В таком случае дешифратор уже не будет линейным (однокаскадным).
Если строить схему дешифратора по методу
каскадов, т.е. первый каскад для дешифрации двух переменный (x1,x2),
затем использовать выходы первого каскада для построения дешифратора из трех
переменных (x1,x2,x3),
выходы второго каскада для построения дешифратора из четырех переменных (x1,x2,x3,x4)
и т.д., то на n
-м каскаде схемы дешифратора будет 2n
элементов "И", а общее число всех элементов определяется из
соотношения
M=4+8+16+…+2n=2(2n-2)
Полный дешифратор, построенный по методу
каскадов, является пирамидальным дешифратором (k=n-1).
Схема пирамидального дешифратора представлена на рис.1, на первый каскад
которого поступает сигнал синхронизации дешифрации работы C.
Поскольку любую функцию дешифратора из системы
логических функций полного дешифратора в базисе "И/НЕ" на n=m+s
входов можно представить в виде конъюнкции двух соответствующих функций
для полных дешифраторов на m
и s=n-m
входов (например,
), то пирамидальный
дешифратор представляет собой полный дешифратор на n
входов,
построенный за счет многократного объединения полного дешифратора на m=2,3,…n
-1
входа и полного дешифратора на один вход s=1.
Быстродействие пирамидального дешифратора
определяется временем дешифрирования tдш=kτсрk
, где τсрk
- среднее время задержки сигнала формирования функции на клапанах k-го
каскада дешифратора. Тогда с увеличением числа каскадов быстродействие
пирамидального дешифратора, построенного на одинаковых элементах, уменьшается в
k раз. Поэтому для
повышения быстродействия и экономии оборудования, сложные дешифраторы строятся,
как правило, прямоугольными. Прямоугольные дешифраторы строятся путем
объединения линейных дешифраторов на меньшее число входов (рис.2) m
и s схемами,
реализующими конъюнкцию
. Дешифратор,
построенный по принципу разбиения n
"почти пополам"(s>1),
обычно называется прямоугольным дешифратором.
Функциональная схема прямоугольного дешифратора
для четырехразрядного (n=4)
входного слова показана на рис. 2. Количество клапанов "И" в
двухкаскадном (K=2)
прямоугольном дешифраторе можно определить по формуле
Вопросы для закрепления
теоретического материала к практическому занятию:
1 Расскажите принцип работы линейного
дешифратора, его назначение и характеристики.
Определите быстродействие
пирамидального дешифратора на три входа.
Определите быстродействие
прямоугольного дешифратора на шесть входов.
Задания для практического занятия:
1. Собрать
схему дешифратора в соответствии с заданным вариантом и провести её
исследование по методике, используя пакет Electronics Workbench.
Вариант 1- DС(0,3),
прямоугольный, базис 2И/НЕ;
Вариант 2- DС(0,4),
пирамидальный, базис 2ИЛИ/НЕ;
Вариант 3- DС(0,4),
линейный, базис 5ИЛИ/НЕ;
Вариант 4- DС(0,3),
пирамидальный, базис 2И/НЕ;
Вариант 5- DС(0,4),
прямоугольный, базис 3И/НЕ.
Построить временные диаграммы работы
дешифратора, используя все кодовые входные комбинации. Определить состояние
выходов в соответствии с заданным преподавателем входным набором.
3 Изучить работу микросхемы КР1533ИД14.
В EWB
составить принципиальную схему работы микросхемы КР1533ИД14.
В EWB составить монтажную схему работы
микросхемы КР1533ИД14.
Собрать схему с микросхемой КР1533ИД14 на
беспаечной макетной плате.
Отчет по работе должен содержать:
·
схему дешифратора в соответствии с
вариантом; уравнения, по которым построена схема в заданном базисе; описание
работы, распечатки временных диаграмм работы;
·
фотография
собранной схемы на макетной плате;
·
индивидуальные выводы в одном
предложении, которые начинаются со слов: "Установлено, что…",
"Показано, что…".
Инструкция по выполнению
практической работы.
Перед началом работы познакомится с
базовыми логическими элементами и изучить Electronics Workbench.
Порядок выполнения отчета по
практической работе.
Отчет должен содержать:
1 Название работы.
2 Цель работы.
Задание и его решение.
Вывод по работе.
Лабораторная
работа № 2
Тема:"Дешифраторы.
Микросхема КР514ИД1".
Учебная цель: изучение работы
дешифратора.
Образовательные результаты,
заявленные во ФГОС третьего поколения:
Студент должен
уметь:
использовать типовые средства
вычислительной техники и программного обеспечения;
знать:
виды информации и способы ее
представления в электронно-вычислительной машине.
Задачи лабораторной
работы:
Изучить работу дешифратора
на 4 адресных входа.
2 Научиться составлять таблицы
истинности работы дешифраторов на несколько адресных входов
и временные диаграммы.
3 Научиться строить принципиальные и
монтажные схемы в EWB.
4 Научиться составлять схемы дешифраторов
на беспаечной макетной плате.
Обеспеченность занятия (средства
обучения):
1 Рабочая тетрадь (обычная).
2 Ручка и карандаш
простой.
ПО Еlectronic workbench.
4 Беспаячная макетная плата.
5 Микросхема дешифратора КР514ИД1.
6 Комплект перемычек.
7 Резисторы.
8 Кнопки.
9 Светодиоды.
10 7-сегментный индикатор.
11 Блок питания.
Краткие теоретические и
учебно-методические материалы по теме лабораторной
работы:
В работе используется 7-ми
сегментный индикатор, он может быть красного цвета (с яркостью 15-20 мКд и
выше) или зелёного, но повышенной яркости (от 50 мКд и выше). В теме
"Цифровые индикаторы" установка произвольного числа (от 0 до 9) на
индикаторе выполнялась с помощью семи переключателей, то есть, для каждого
числа нужно было установить свой набор в ручную! В
цифровых схемах роль переключателей обычно выполняют специальные микросхемы
дешифраторы-преобразователи кода (здесь микросема
КР514ИД1). Выходов у дешифратора семь, их столько же, сколько сегментов
(светодиодов) в цифре индикатора (индикаторная "точка" не считается).
Дешифратор преобразует двоично-десятичный код на входах (выводы 5, 1, 2, 4) в
семипозиционный код (семь выходов - A, B, C, D, E, F, G) управления
семисегментными светодиодными индикаторами. На этом этапе работы состояние
двоично-десятичного кода определяется состояниями кнопок, подключённых к входам
дешифратора (выводы 5, 1, 2 и 4). Вместо кнопок можно использовать простые
перемычки.
Схема подключения индикатора к
дешифратору выглядит совсем просто, так как внутри самой микросхемы находятся
токоограничивающие сопротивления. Особенностью дешифратора
КР514ИД1
является то, что он используется с индикаторами, у которых светодиоды
объединены катодами, а их аноды соединяются с соответствующими выходами
дешифратора.
Справка: Для работы с
индикаторами с общим анодом (ОА) используются дешифраторы КР514ИД2, при этом,
обязательно устанавливаются токоограничивающие сопротивления !!!
Чтобы сегмент (светодиод) индикатора
засветился, на выходе дешифратора должен быть высокий уровень напряжения (в
таблице он обозначен "1"). Соответственно при нулевом уровне
напряжения (в таблице он обозначен "0") сегмент светиться не будет.
Например, для вывода числа 8 необходимо чтобы светились все сегменты индикатора
(A, B, C, D, E, F, G), а при выводе числа 1 - только сегменты B и C, смотрите
таблицу :
Вопросы для закрепления
теоретического материала к практическому занятию:
Расскажите
различие между 7-сегментным индикатором с общим анадом и общим катодом.
Задания для практического занятия:
1 Собрать схему 7-сегментного
индикатлора в Electronics Workbench
и установить, с помощью ключей, цифру, заданную преподавателем.
2 В EWB
составить принципиальную схему работы микросхемы КР514ИД1.
В EWB составить монтажную схему работы
микросхемы КР514ИД1.
Собрать схему с микросхемой КР514ИД1 на
беспаячной макетной плате.
Отчет по работе должен содержать:
·
схему дешифратора в соответствии с
вариантом; уравнения, по которым построена схема в заданном базисе; описание
работы, распечатки временных диаграмм работы;
·
фотография
собранной схемы на макетной плате;
·
индивидуальные выводы в одном
предложении, которые начинаются со слов: "Установлено, что…",
"Показано, что…".
Инструкция по выполнению
практической работы
Перед началом работы познакомится с
базовыми логическими элементами и изучить Electronics Workbench.
Порядок выполнения отчета по
практической работе
Отчет должен содержать:
1 Название работы.
2 Цель работы.
Задание и его решение.
Вывод по работе.