Исследование регистров
Министерство
образования Российской Федерации
Лабораторная работа
ЭЛЕКТРОНИКА И СХЕМОТЕХНИКА
Исследование
регистров
Москва 2015
Цель работы: изучение принципов построения
регистров сдвига, способов преобразования параллельного кода в последовательный
и обратно, сборка схем регистров сдвига и их экспериментальное исследование.
Теоретические сведения
Регистр - операционный узел ЭВМ, предназначенный
для выполнения микроопераций записи, хранения, преобразования и считывания
слова (или части слова) данных и простейших поразрядных логических операций.
Регистры осуществляют кратковременное хранение
информации в течение одного или нескольких циклов работы устройства.
Регистр представляет набор триггеров, число
которых равно или кратно разрядности регистра, и комбинационных схем. Триггер
служит для хранения одного разряда двоичного слова, т.е. является одноразрядным
регистром. В регистрах применяются синхронные D- и DV-триггеры с динамическим и
статическим управлением записью.
Комбинационные схемы обеспечивают запись и
считывание информации из регистра, преобразование и сдвиг слова, хранящегося в
регистре, вправо или влево на требуемое число разрядов, преобразование
последовательного кода слова в параллельный и наоборот.
В регистрах можно выполнять поразрядные
логические операции: логическое сложение, логическое умножение, сложение по
модулю два, эквивалентность, инверсию.
Записью (или вводом, или приемом) называется
занесение нового слова данных в регистр. Данные - это числа, команды, управляющие
коды и другие упорядоченные последовательности букв двоичного алфавита. Каждая
буква представляется двоичным сигналом. Частным случаем записи является
операция начальной установки регистра, например, всех разрядов в нуль или в
единицу.
Кратковременное хранение информации оказывается
необходимым при выполнении арифметических и логических операций над словами
данных, а также при согласовании скорости работы различных устройств ЭВМ.
Считывание (или вывод) - выдача данных из
регистра и передача в другие узлы и устройства.
Основными признаками классификации регистров
являются способы ввода и вывода информации из регистра, а также представление
вводимой и выводимой информации.
По способу ввода и вывода информации различают
следующие типы регистров:
· - параллельные (или регистры памяти),
· - последовательные,
· - параллельно-последовательные,
· - универсальные или
многофункциональные.
В параллельных регистрах ввод и вывод слов
данных выполняется во всех разрядах одновременно. Время ввода (вывода) слова
равно времени ввода (вывода) одного разряда и равно длительности такта Т.
Основная функция параллельного регистра - хранение слова информации.
В последовательных регистрах все разряды слова
вводятся в регистр и выводятся из него последовательно во времени один за
другим. Время ввода (вывода) n-разрядного слова равно nТ, где Т - период
следования тактирующих сигналов. Последовательные регистры называются также
регистрами сдвига, или сдвигающими (сдвиговыми).
В параллельно-последовательных регистрах ввод
слова осуществляется параллельным кодом, а вывод - последовательным кодом.
В последовательно-параллельных регистрах ввод
слова осуществляется последовательным кодом, а вывод - параллельным.
В универсальных регистрах реализуется несколько
названных выше способов ввода и вывода информации.
По количеству линий передачи информации
различают однофазные и парафазные регистры. В однофазных регистрах каждых
разряд слова передается по одной линии в виде прямого значения переменной Di
или ее инверсии Di , в парафазных - по двум линиям прямым Di и инверсным i
значениями в каждом разряде.
По используемой системе синхронизации различают
однотактные и многотактные регистры. Однотактные регистры управляются одной
последовательностью синхронизирующих сигналов, многотактные - несколькими.
По направлению передачи (сдвига) данных регистры
разделяются на однонаправленные и реверсивные. В однонаправленных регистрах
сдвиг данных выполняется или влево, или вправо. Сдвиг данных от старших
разрядов к младшим называется правым сдвигом, а от младших к старшим - левым
сдвигом.
Параллельный регистр, или регистр памяти,
представляет собой набор разрядных схем, не связанных между собой. Параллельные
регистры предназначены для ввода, хранения и вывода двоичных слов параллельным
кодом.
В интегральной схематехнике параллельные
регистры всего выполняются на синхронных D- или DV-триггерах с независимыми
информационными входами и объединенными тактовыми входами, а также
объединенными входами начальной установки. Параллельные регистры с однофазным
входом на синхронных D- триггерах со статическим и динамическим управлением
записью показаны на рис. 3, а, б соответственно. Прием слова осуществляется за
один такт.
Типичными примерами параллельных регистров с
тремя состояниями выхода являются регистры микросхем ИР22 и ИР23, которые
имеются как в сериях ИМС ТТЛШ, так и КМОП - логики (например микросхемы ТТЛШ
КР1533ИР22, КР1533 ИР23, КМОП-логики КР1554 ИР22, КР1554 ИР23). Регистры ИР22 и
ИР23- восьмиразрядные с тремя состояниями выходов. Третье состояние выхода
реализуется логическими элементами (ЛЭ) с тремя состояниями выхода, входы
которых в каждом разряде соединены с выходами триггеров регистра. На
объединенные входы EZ ЛЭ подается управляющий сигнал EZ (или ОЕ), разрешающий
или запрещающий выходы регистра. Регистры ИР22 построены на синхронных
D-триггерах со статическим управлением записью, т.е. прием информации в регистр
выполняется при С=1, а фиксация входного кода при С=0, т.е. регистр является
прозрачным при С=1 и EN=0. Регистры ИР22 построены на D- триггерах с
динамическим управлением записью. Прием информации в регистр выполняется
перепадом 0/1 сигнала С. Такой регистр является непрозрачным.
Быстродействие регистров памяти оценивается
временем задержки распространения сигнала в трактах вход С - выход Qi, вход R -
выход Q, вход EN - выход Qi.
Регистры сдвига
Регистры сдвига представляют собой набор
разрядных схем, содержащих триггеры, связанные между собой непосредственно или
через комбинационные схемы.
Регистры сдвига выполняют сдвиг двоичного слова
вправо или влево по регистру в зависимости от управляющих сигналов,
преобразование последовательного кода слова в параллельный и параллельного в
последовательный. Для этого каждый разряд регистра должен принимать информацию
с входной линии или из одного из разрядов, хранить ее и передавать хранящуюся
информацию в другие разряды регистра или на выходную линию.
Регистры сдвига с однофазной синхронизацией
строятся на cинхронных D-триггерах с динамическим управлением записью.
Функциональная схема 4-разрядного регистра сдвига вправо приведена на рис. 1.
Входные данные DR в
последовательном коде поступают на вход D триггера нулевого разряда регистра
сдвига. Для передачи информационных сигналов из одного разряда в другой при
сдвиге вправо выход Qi триггера
i-го разряда регистра соединен с входом Di+1 триггера (i+1)-го разряда, т.е. Di+1 = Qi. для
всех разрядов от 0 до n-2.
Рис. 1
регистр сдвиг код
Рис. 2
Время задержки распространения сигнала в
регистре сдвига от входа С до любого выхода Q
равна времени задержки распространения сигнала одного триггера от входа С до выхода
Q.
В регистре сдвига влево выход Qi триггера i-го
разряда регистра соединен с входом Di-1 триггера (i-1)-го
разряда, т.е. Di-1 =
Qi. для всех разрядов от 0 до n-2.
В реверсивных регистрах сдвига выполняется сдвиг
информации как вправо (от нулевого разряда к (n-1)-
му), так и влево (от (n-1)-го
к нулевому).
Универсальные регистры сдвига выполняют также и
другие микрооперации, например, параллельного ввода данных, хранения и др.
Режим работы регистра обычно задается управляющим кодом, поступающим на входы
выбора режима. Сигналы выбора режима коммутируют цепи сдвига влево и вправо,
параллельного ввода в соответствии с выполняемой микрооперацией. При этом
регистр может иметь последовательный и параллельный ввод и вывод информации.
Синтез универсального регистра, как регулярной
структуры, сводится к выбору типа триггера и построению комбинационной схемы,
выполняющей передачу и прием информации в триггер данного разряда.
На рис. 3 приведена логическая схема
универсального 8- разрядного регистра, состоящего из двух интегральных схем
(ИС) 74LS194
(отечественный аналог К555ИР11).
Порядок выполнения работы
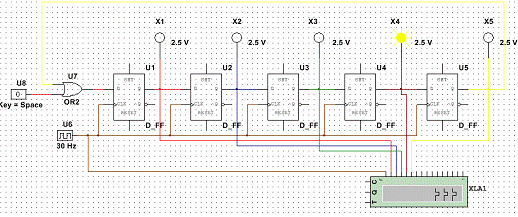
Исследование регистра сдвига вправо:
Рис. 3. Схема регистра сдвига вправо
Вывод. Графики регистра сдвига вправо совпадают
с данными графиками в начале работы, что означает, что построения были
проведены верно. Имеет место отличие характера импульсов, что связано с
порядком подключения выходов регистра к анализатору.
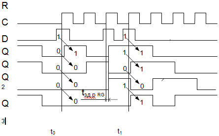
Рис 4.
Графики регистра сдвига вправо
Исследование регистра сдвига влево:
Рис. 5.
Схема регистра сдвига влево
Вывод. Графики регистра сдвига влево совпадают с
данными графиками в начале работы, что означает, что построения были проведены
верно. Имеет место отличие характера импульсов, что связано с порядком
подключения выходов регистра к анализатору.

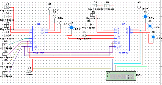
Исследование универсального регистра на ИС
К555ИР11(74LS194):
Рис. 7.
Исследование схемы 8-разрядного регистра сдвига
Вывод
Входная последовательность: 00010111
Рис. 9. Исследование работы регистра в
динамическом режиме
Выходная последовательность: 00010111
Обе последовательности совпадают, что означает,
что схема собрана правильно. График же иллюстрирует работу регистра в динамическом
режиме, при смене значений входов S0
и S1, а так же анализ
максимально возможной частоты генератора прямоугольных импульсов. Временной
промежуток