Исследование интегральных и логических схем и триггеров

  • Вид работы:
    Практическое задание
  • Предмет:
    Информатика, ВТ, телекоммуникации
  • Язык:
    Русский
    ,
    Формат файла:
    MS Word
    77,92 Кб
  • Опубликовано:
    2015-06-18
Вы можете узнать стоимость помощи в написании студенческой работы.
Помощь в написании работы, которую точно примут!

Исследование интегральных и логических схем и триггеров

Лабораторная работа

Тема: Исследование интегральных и логических схем и триггеров.

Цель работы: ознакомится на практике с работой некоторых логических схем и триггеров в интегральном исполнении серии К 561.

Используемое оборудование и аппаратура:

.Источник питания постоянного тока (5-12) В.

.Цыфровые микросхемы К561ЛЕ5, ЛА7, ЛП2, ТМ2, ТВ1.

.Электронно-лучевой осциллограф С1-68.

.Монтажные провода.

Выполнение работы

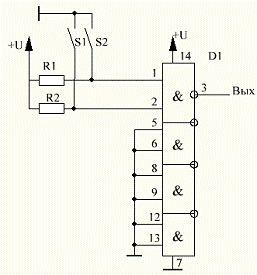
Выставим источник постоянного тока (БП) на 12 В и подключим его к первой схеме.

D1-К561ЛЕ

После того как собрали схему поочередно установим все 4 возможных комбинации входных сигналов элементов 2ИЛИ-НЕ и при помощи осциллографа определим состояние выходного элемента.

X1

X2

Y

0

0

1

1

0

0

1

0

1

1

0


Сменим микросхему на D1-К561ЛА7

триггер логический микросхема

Проведем аналогичные операции и составим таблицу истинности логического элемента 2И-НЕ.

X1

X2

Y

0

0

1

1

0

1

1

1

1

1

0


Установим микросхему D1-К561ЛП2.


Составим таблицу истинности логического элемента ИСКЛЮЧАЮЩЕЕ ИЛИ.

X1

X2

Y

0

0

0

1

0

1

0

1

1

1

0


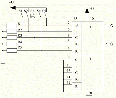
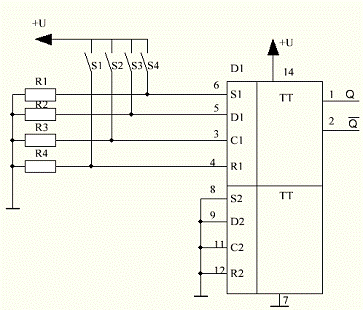
Возьмем цифровую микросхему D1-К561ТМ2

Триггер (триггерная система) - класс электронных устройств, обладающих способностью длительно находиться в одном из двух устойчивых состояний и чередовать их под воздействием внешних сигналов. Каждое состояние триггера легко распознаётся по значению выходного напряжения. По характеру действия триггеры относятся к импульсным устройствам - их активные элементы (транзисторы, лампы) работают в ключевом режиме, а смена состояний длится очень короткое время.

Отличительной особенностью триггера как функционального устройства является свойство запоминания двоичной информации. Под памятью триггера подразумевают способность оставаться в одном из двух состояний и после прекращения действия переключающего сигнала. Приняв одно из состояний за «1», а другое за «0», можно считать, что триггер хранит (помнит) один разряд числа, записанного в двоичном коде.

D1-K561 ТВ1

Вывод: в ходе выполнения лабораторной работы мы исследовали несколько интегральных и логических схем и триггеров.

Контрольные вопросы

.Как осуществить логическую операцию ИЛИ-НЕ при наличии микросхем И-НЕ?

Не (А или В) = не А и не В = не (не (не А и не В)) - на входах инверторы, потом И-НЕ, на выходе инвертор.

.Как будет меняться состояние триггера микросхемы К561ТВ1 при подаче на тактирующий вход С серии прямоугольных импульсов, если на входах R, S, I, K присутствуют сигнал Лог.0?

На входах R, S, I, K станет Лог.1.

.Составьте схему симметричного RS триггера из логических элементов И-НЕ.

Похожие работы на - Исследование интегральных и логических схем и триггеров

 

Не нашли материал для своей работы?
Поможем написать уникальную работу
Без плагиата!
Без нейросетей!