Измерение характеристик сигналов стереофонического радиовещания

  • Вид работы:
    Дипломная (ВКР)
  • Предмет:
    Информатика, ВТ, телекоммуникации
  • Язык:
    Русский
    ,
    Формат файла:
    MS Word
    1,33 Мб
  • Опубликовано:
    2016-01-20
Вы можете узнать стоимость помощи в написании студенческой работы.
Помощь в написании работы, которую точно примут!

Измерение характеристик сигналов стереофонического радиовещания

МОСКОВСКИЙ ТЕХНИЧЕСКИЙ УНИВЕРСИТЕТ СВЯЗИ И

ИНФОРМАТИКИ

КОЛЛЕДЖ ТЕЛЕКОММУНИКАЦИЙ










ДИПЛОМНАЯ РАБОТА

Тема: Измерение характеристик сигналов стереофонического радиовещания

Выполнил: студент группы Р-41 Саури А.Д.

Руководитель: Смирнов А.В.







МОСКВА 2014

Содержание

1. Теоретическая часть

Введение

.1 Способы передачи и воспроизведения стереофонического эффекта

.1.1   Способы формирования стереофонических сигналов

.2 Системы стереофонического радиовещания

.2.1 Обзор систем

.2.2 Система с полярной модуляцией

.2.3 Система с пилот-тоном

.2.4 Система с двойной частотной модуляцией

.3 Стереофонические радиоприемники

.3.1 Структурная схема стереофонического радиоприемника

.3.2 Высокочастотный тракт стереофонического радиоприемника

.3.3 Стереодекодеры

.3.3.1 Декодеры с полярным детектором

.3.3.2 Суммарно-разностные декодеры

.3.3.3 Декодеры с переключением

Заключение теоретической части

. Практическая часть

.1 Описание лабораторного стенда

.1.1 Структурная схема и принцип работы

.1.2 Радиоприемник (Магнитола Sony)

.1.3 Буферный усилитель

.1.4 Цифровой осциллограф PCSGU250, ПК и ПО PC-LAB2000LT

.2 Результаты экспериментального исследования сигналов стереофонического радиовещания

.2.1 Порядок проведения измерений

.2.2 Результаты измерений системы с пилот-тоном

.2.3 Результаты измерений системы с ПМК

Заключение

Список используемой литературы

1. Теоретическая часть

Введение

Стереофонический эффект и его составляющие.

Задача, поставленная перед домашними стереофоническими устройствами, формулируется обычно таким образом: слушатель, находясь в домашней обстановке, в комнате квартиры, должен получить более полное, чем при монофонии, впечатление о звуковой картине, создающейся в студии, концертном или театральном зале. При этом важно, чтобы впечатление от звучания было близко к тому, которое ожидает слушатель на основе опыта, сложившегося у него от посещения концертных залов, театров и т. д. Звучание должно удовлетворять определенному эстетическому условию, «слуховому ожиданию».

В некоторых литературных источниках, особенно популярных, утверждается, что главная задача стереофонии - предоставить слушателю возможность определять направление на источник звука, заниматься своеобразной звуковой локацией. Действительно, при стереофоническом воспроизведении можно определить направление на звучащий источник. Но это - не реальный, не истинный источник, а лишь его отображение, кажущийся источник звука (КИЗ). Его положение не совпадает с положением звучащего источника в первичном помещении.

А главное, локализационные эффекты не могут быть самоцелью. Вряд ли слушателю доставит эстетическое удовольствие сознание того, что звуки виолончели или деревянных духовых исходят из центра звуковой картины, а звучание контрабасов доносится справа. Слушатель воспринимает звучание в целом.

Наконец, можно встретить суждение, что задачей стереофонии является полное повторение ощущений, которые испытывает слушатель, находясь в зале. Эта задача, хотя не очень привлекательная, невыполнима. Ощущения человека, находящегося в концертном зале, театре, складываются в результате взаимодействия различных органов чувств.

Правда, при передаче легкой, эстрадной, особенно «электронной» музыки, драматических постановок (радиоспектаклей) дело обстоит несколько иначе. Здесь удается значительно усилить впечатление по сравнению с исходным звучанием. «Слуховое ожидание» как истинная реальность в этих случаях слушателю практически неизвестно, и звуковая картина создается во вторичном помещении звукорежиссером совместно с руководителем музыкального или драматического ансамбля с помощью чисто технических средств. В этих случаях с помощью стереофонии получают подчас совершенно новые акустические эффекты, создают более сильные впечатления, не имеющие аналогий в мире естественных звуков.

Общая реакция слушателя формируется под воздействием некоторых объективных и субъективных причин: параметров аппаратуры, технического качества, звукового материала, эстетического (музыкального) вкуса и подготовленности слушателя, влияния господствующей в данное время моды, обстановки, в которой происходит слушание, эмоционального состояния слушателя и многого другого.

Основными признаками стереофонического звучания, отличающими его от монофонического, в настоящее время считаются: большая прозрачность звучания; лучшее пространственное впечатление; правильность передачи тембров инструментов; лучшая передача «акустической атмосферы» первичного помещения; чистота звучания.

Под прозрачностью (ясностью, четкостью, разделимостью) звучания понимают возможность ясно различить партию того или иного инструмента, голоса солиста в общем звучании ансамбля. Чтобы лучше представить себе это понятие, достаточно вспомнить, как ясно различаются голоса солистов в оперных дуэтах, трио, квартетах при непосредственном слушании и как невыразительно, слитно, неразличимо звучат эти же ансамбли при монофоническом воспроизведении. Стереофония возвращает этим звучаниям первоначальную ясность. Прозрачность звучания, благодаря бинауральным свойствам слуха, проявляется даже в случаях, когда формируемые звуковые образы близки по тембру, ритмическому рисунку, динамике звучания.

Под пространственным впечатлением понимают разнесенность отдельных составляющих стереофонической звуковой картины по фронту, т. е. вдоль линии, соединяющей громкоговорители, и в глубину от нее. При этом расположение отдельных источников звука, музыкальных инструментов может быть четка локализовано. Возможность воздействовать на слушателя изменением направления прихода звука может в отдельных случаях явиться художественным средством, подчеркнуть конфликтность различных музыкальных тем, их противопоставление или, наоборот, объединение. Этот фактор усиления эмоционального воздействия звучания невозможен в монофонической системе, где все составляющие ансамблевого звучания исходят из одной точки - одного громкоговорителя.

Правильность передачи тембров инструментов, их естественность и богатство определяются не только самими тембральными свойствами музыкальных инструментов и голосов, но и интерференционными процессами в помещении. В. общем случае частотные зависимости звукового давления возле левого и правого уха неодинаковы, так как положения пространственных максимумов и минимумов звукового давления не совпадают. Так, если какая-либо частотная составляющая сложного сигнала у одного уха оказывается ослабленной, то у другого уха эта составляющая будет иметь иной, больший уровень, и тембральные искажения уменьшатся. Это положение имеет место не только при непосредственном слушании в первичном помещении) но и при прослушивании звучания через громкоговорители стереофонической системы во вторичном помещении. Напротив, при монофоническом воспроизведении интерференционные искажения сигналов, возникшие в первичном помещении, будут воздействовать на правое и левое ухо одинаково. По этой причине подавляются одинаковые составляющие спектра и тембр искажается в большей степени. Итак, относительная независимость звуков, воспринимаемых левым и правым ухом при непосредственном прослушивании в первичном помещении или через стереофоническую систему во вторичном помещении способствуют уменьшению тембральных интерференционных искажений.

Лучшая передача «акустической атмосферы», акустики помещения, его размеров также объясняется наличием нескольких каналов передачи. Специалисты, говоря об «акустической атмосфере» первичного помещения, имеют в виду не только его большую или меньшую «гулкость», но и свойственную ему окраску звучания - теплоту, мягкость, светлость, звонкость. Важность передачи акустической атмосферы первичного помещения особенно велика в тех случаях, когда локализованные, пространственные ощущения уходят на второй план.

Чистота звучания определяется величиной частотных и нелинейных искажений и уровнем помех. Перечисленные выше положительные качества стереофонического воспроизведения настолько велики, что слушатели в меньшей степени, чем при монофонии, реагируют на различные искажения и помехи, предпочитая стереофоническое звучание при ограниченной по сравнению с монофонией ширине полосы частот и довольно значительном, до 20%, коэффициенте гармоник, хотя такие нелинейные искажения уверенно заметны. Порог заметности помех при стереофоническом приеме составляет примерно -60 дБ, однако даже при отношении сигнал-помеха 35... 40 дБ стереофония все еще предпочитается монофонии.

Роль перечисленных составляющих стереофонического восприятия в различных жанрах вещательных передач не одинакова. Так, локализацнонные ощущения при музыкальных передачах сами по себе имеют второстепенное значение; наоборот, при постановочных передачах (радиоспектаклях) они служат важным выразительным средством, заменяя в известной степени зрительные ощущения.

Комплекс ощущений, свойственный стереофонии, является результатом воздействия на слушателя всего двух сигналов. Эти сигналы представляют собой совокупности большого числа пар сигналов, формирующихся в стерео- фонических микрофонах или формируемых искусственным путем в пульте звукорежиссера при звучании отдельных музыкальных инструментов или голосов исполнителей. Каждая пара сигналов, создаваемая одним источником, различается уровнями и временем поступления в микрофон и обладает довольно большой корреляционной связью (коэффициент корреляции более 0,25). В помещении слушателя эти различия определяют положение кажущегося источника звука (КИЗ) на линии (базе), соединяющей два громкоговорителя. Общие сигналы левого и правого каналов и их реверберационные продолжения, как правило, мало коррелированны.

Итак, в основе восприятия всех ощущений, отличающих стереофонию от монофонии, лежат закономерности пространственного слуха и, прежде всего, явления локализации кажущихся источников звука и демаскировки пространственно разнесенных звуковых образов. Стереофония предпочитается слушателями перед монофонией лишь тогда, когда существует пространственная звуковая картина, в которой ощущается, по крайней мере, несколько составных частей, несколько КИЗ. Если число источников сводится к одному, стереофония теряет преимущество перед монофонией.

.1 СПОСОБЫ ПЕРЕДАЧИ И ВОСПРОИЗВЕДЕНИЯ СТЕРЕОФОНИЧЕСКОГО ЭФФЕКТА

стереофонический сигнал модуляция декодер

Стереофоническая вещательная система должна обеспечить передачу и воспроизведение ряда признаков, свойственных стереофонии: прозрачность звучания, пространственное впечатление, правильность передачи тембров музыкальных инструментов и голосов, баланс звучностей различных оркестровых групп инструментов и певческих голосов, «акустическую атмосферу» первичного помещения. Как уже указывалось ранее, задача воссоздания во вторичном помещении акустического поля первичного помещения даже при превосходных параметрах качества электрических каналов передачи представляется неосуществимой.

При формировании и передаче акустической информации по электрическим каналам, как правило, прибегают к различным преобразованиям сигналов. Эта преобразования чаще всего проводят в два этапа.

На первом этапе (первичной записи) заготавливают фонограммы некоторого числа сигналов, принятых микрофонами. Иногда уже на этом этапе производят некоторые преобразования сигналов при приеме звука микрофонами. Только ненаправленный микрофон достаточно точно отображает изменения звукового давления в точке расположения микрофона.

На втором этапе (в процессе перезаписи) сигналы подвергают дальнейшим преобразованиям; устанавливают соотношение уровней сигналов, определяющее баланс громкостей оркестровых групп и голосов солистов, регулируют динамический диапазон и тембры, создают различие уровней и временные сдвиги между сигналами Л и П, чтобы скомпоновать задуманную звуковую панораму. Часть преобразований обусловлена соображением технического характера - необходимостью приспособить параметры (свойства) сигналов к свойствам, возможностям электрических каналов передачи и к условиям домашнего слушания.

При формировании стереофонических сигналов приходится учитывать специфическое условие, называемое совместимостью с монофонией. Это - возможность воспроизведения стереофонических сигналов монофоническими устройствами с достаточно удовлетворительным качеством. Различают художественную (эстетическую) и техническую совместимость. Под художественной совместимостью понимают возможность слушать стереофоническую передачу с помощью монофонических устройств. А техническую совместимость обеспечивают суммарно-разностным преобразованием исходных сигналов Л и П. Монофонические приемные устройства получают суммарный сигнал, а стереофонические - сумму и разность, преобразуемую затем в сигналы Л и П. Требование совместимости усложняет процесс формирования сигналов н систему стереофонического вещания, но оно необходимо для удовлетворения интересов владельцев монофонических устройств.

Обобщенную структуру каналов систем стереофонического вещания изображают схемой рис. 1. На входе каналов находятся микрофоны, магнитофоны и иные источники электрических сигналов F1, F2..., Fq, на выходе - громкоговорители (или головные телефоны), к которым подводятся сигналы f1, f2,..., fн.

Рис.1 Обобщенная схема системы электрической передачи звука

Символом Т обозначена совокупность устройств, с помощью которых из Q первичных сигналов образуют N канальных сигналов ф1, ф2, ..., фn. Совокупность Т заключает в себе смесительные и коммутационные устройства, регуляторы уровня и тембра, особые стереофонические регуляторы, многоканальный магнитофон, на котором записывается Q -дорожечная фонограмма. Символом R обозначена совокупность устройств, с помощью которых N канальных сигналов преобразуются в Н воспроизводимых. В общем случае Q, N и H не равны:

Q достигает 20 ...30, N составляет 1, 2, 4, значительно реже - больше, Н обычно 1, 2, 4. На основе обобщенной структуры была предложена следующая классификация систем вещания:


Наибольшее распространение получили двухканальные системы. Для воспроизведения, как правило, используются две акустические системы АС, каждая из которых представляет собой две и более громкоговорящие головки, заключенные в общий ящик (футляр).

Система АВ

Первой системой, получившей практическое применение в процессе развития стереофонии, стала система АВ.

Структурная схема звукопередачи по системе АВ показана на рис. 2. При этом имеются два микрофона: левый Мл и правый Мп, расставленные по фронту перед исполнителями, например перед оркестром. Звуковые волны, исходящие от одних и тех же инструментов, воздействуют на микрофоны с различными фазами и интенсивностью, в зависимости от того, на каком расстоянии от источника расположен данный микрофон, поэтому система АB называется фазово-интенсивностной.

При использовании системы АВ следует учитывать следующее. Во-первых, при слишком большом расстоянии между микрофонами у слушателя может возникнуть впечатление «разрыва» образа, скачка звука от одного громкоговогорителя к другому, «провала центра», отсутствия не прерывности звуковой картины по азимуту, невозможности различать в этой картине отдельные источники звука.

Рис2.Стереофоническая система АВ

Чем больше расстояние между микрофонами, тем меньшим оказывается угол восприятия стереофонической картины. Во-вторых, при чрезмерно близком расположении источников звуков к линии микрофонов может возникнуть такой же нежелательный эффект, причем еще в большей степени. В-третьих, чем меньше расстояние между микрофонами, тем более правильной получается звукопередача источников, расположенных под различными углами к оси симметрии микрофонов. Однако слишком сближать микрофоны тоже нельзя. Минимальное расстояние ограничивается необходимостью приема каждым из микрофонов различной информации. При помещении обоих микрофонов в одну точку пространства они в системе АВ воспринимают одинаковую информацию, и стереоэффект исчезает.

Система XY

В этой системе локализация источников звука обеспечивается только различием интенсивности звука, воспринимаемой обоими микрофонами, поэтому система называется интенсивностной. Фазовые сдвиги между сигналами микрофонов Мл и Мп отсутствуют.

Схема стереофонической звукопередачи по системе ХУ приведена на рис.3. Два микрофона направленного действия (в данном случае - двусторонненаправленные) объединяются в единой конструкции так, чтобы их диафрагмы находились по возможности ближе друг к другу, напри- мер рядом или на одной вертикали друг над другом.

Рис.3 Стереофоническая система XY микрофонов

Оси максимальной чувствительности располагаются по двум ортогональным направлениям таким образом, что образуют равные углы с плоскостью симметрии, делящей звуковое поле пополам (чаще всего 45°).

С учетом характеристик направленности микрофонов источник звука И1 будет восприниматься только микрофоном Мл, источник звука ИЗ - только микрофоном Мп, имеющими в этих направлениях максимальную чувствительность. Источник звука И2, находящийся в центре звукового поля, в одинаковой степени воспринимается микрофонами Мл и Мп и при воспроизведении будет слышен звучащим из центра. Источники звука, расположенные между источниками И1 и И2, будут создавать больший по уровню сигнал на микрофоне Мл и при прослушивании будут восприниматься слева от центра. Источники звука, расположенные между источниками И2 и ИЗ, будут слышны при воспроизведении справа.

Система MS

Эта система является фактически одной из разновидностей системы ХУ, например, когда один из микрофонов Мм имеет круговую характеристику направленности, а второй микрофон Ms - косинусоидальную характеристику, как это показано на рис. 2.3,г.

В системе MS стереофонический сигнал делится на «сигнал звука» , или сигнал М (от немецкого слова Mittel -середина) и на «сигнал направления», или сигнал S (от немецкого слова Seite - сторона). Сигнал М представляет собой обычную суммарную монофоническую информацию, т. е. сумму левого и правого сигналов. Сигнал S содержит информацию о звуковом поле слева и справа от микрофона, т. е. информацию о расположении источников звука вдоль фронта. Сигнал S представляет собой разность интенсивностей звуковых волн, воздействующих от одного и того же источника на диафрагму микрофона с двух сторон - слева и справа.

Для получения информации левого X и правого У каналов системы стереопередачи необходимо произвести преобразования сигналов с помощью суммарно-разностных преобразователей СРП (рис. 4). Сигнал левого канала стереопары представляет собой сумму сигналов M и S, т. е. X=M+S, а сигнал правого канала - разность сигналов М и S, т. е. У=М-S. В этом легко убедиться, изобразив характеристики направленности микрофонов М (круг) и S (косинусоида) в декартовой системе координат (рис. 5а). В декартовой системе зависимость чувствительности микрофона Е от угла падения M и S (а) круговой характеристики имеет вид прямой линии М, а для косинусоидальной характеристики - отрезок косинусоиды S.

Рис.4 Стереофоническая система MS

Рис. 5 Диаграммы направленности микрофонов и характеристики сигналов звуковой волны для стереопары X и Y(б).

Если в одном канале напряжения сигналов М и S сложить (M+S), а в другом канале из напряжения сигнала М вычесть напряжение сигнала S (т. е. М-S), то для каждого из каналов стереопередачи зависимость выходного напряжения от угла падения звуковой волны на микрофон представляется кривыми M+S =X и М-S = Y, как это показано на рис. 5б. Таким образом, видно, что системы ХУ и MS эквивалентны, и переход от одной из них к другой осуществляется с помощью простейшей операции суммарно-разностного преобразования сигналов.

Система MS требует наличия в составе звукорежиссерского пульта дополнительных узлов: суммарно-разностных преобразователей, стереорегуляторов направления и базы. Преимущество системы MS перед системой ХУ заключается в том, что при этой системе техника регулирования проще, она во многом идентична технике регулирования обычной монофонической передачи. В этой системе легко регулировать как общую ширину базы, так и ширину участков базы, занятых отдельными группами исполнителей, а также регулировать направления на источники.

Комбинированные системы

Рассмотренные выше системы АВ, ХУ и MS основаны на использовании двух обычных монофонических микрофонов либо применительно к системам ХУ и MS - одного стереофонического микрофона, представляющего собой два монофонических микрофона, скомпонованных в одном корпусе. Однако по мере развития стереофонии, особенно с появлением многоканальной звукозаписи, системы стереофонической звукопередачи стали постепенно усложняться. Микрофоны стали устанавливать около каждой группы инструментов, каждой группы исполнителей, отдельно для солиста, отдельно для некоторых инструментов и т. д. Все эти сигналы сначала записываются, а затем «сводятся». Получается стереофонический оригинал, с которого потом снимают стереофонические и монофонические вещательные дубли. Системы стереофонической звукопередачи, с использованием большого числа микрофонов, получили название полимикрофонных систем. Некоторые из них:

Полимикрофонная система AB

Полимикрофонная система XY

Смешанная система AB и XY

Система MS c несколькими одиночными микрофонами

Система с двойным преобразованием сигналов

Выводы о стереосигналах

Для формирования стереосигнала требуется не менее двух микрофонов, расположенных как в разных точках (Система AB) первичного помещения (студии, зала), так и в одной точке, но расположенных под некоторым углом друг к другу (Система XY), либо с различной диаграммой направленности (Система MS).

Принцип системы MS, заключающийся в том, что передаются сумма и разность сигналов Л и П, применяется для формирования сигнала стереофонического радиовещания, что позволяет обеспечить прием стереопередач на монофонические устройства.

Для воспроизведения стереосигнала, полученного при помощи системы MS, необходим дополнительный блок суммарно-разностного преобразования, который будет преобразовывать сигналы M и S в сигналы Л и П, и при определенной доработке на нем можно выполнять регулировку ширины стереобазы.

.2 СИСТЕМЫ СТЕРЕОФОНИЧЕСКОГО РАДИОВЕЩАНИЯ

1.2.1 Обзор систем

Принципиально стереофоническое вещание можно организовать в любом диапазоне радиоволн или в любой многопрограммной системе проводного вещания. Чаще всего используется радиовещание в диапазоне метровых волн. Ввиду большой ширины частотных каналов и применения частотной модуляции реализуются высокие параметры качества. Сети радиовещания в диапазоне MB сложились давно и широко развиты. Их перевод на стереофоническое вещание производится сравнительно просто, без больших материальных и денежных затрат.

Для радиовещания в диапазоне MB с ЧМ выделены следующие полосы частот: у нас - 66 ... 74 и 100 ... 108 МГц, в Западной Европе - 88... 104 МГц, в США -88... 108 МГц. Для построения систем двухканальной стереофонии вводят поднесущую частоту, которую модулируют по амплитуде или по частоте. Международным консультативным комитетом по радиовещанию (МККР) для диапазона МВ-ЧМ рекомендованы три системы:

. Система с полярной модуляцией (система ЧМ-АМ), разработанная Л. М. Кононовичем, с амплитудной модуляцией поднесущей частоты 31,25 кГц (эта частота равна удвоенной строчной частоте 15,625 кГц отечественного стандарта вещательного телевидения).

. Американская система с пилот-тоном (ЧМ-АМ), разработанная инженерами фирмы Zenith-General Electrik, с амплитудной модуляцией поднесущей частоты 38 кГц при частоте пилот-тона 19 кГц.

. Шведская система Берглунда с частотной модуляцией поднесущей частоты 33,5 кГц и сжатием динамического диапазона сигнала на поднесущей (система ЧМ-ЧМ).

Системы 1 и 2 близки по структуре и параметрам. Главное различие: в системе 1 амплитуда несущей на стороне передачи подавляется в 5 раз (ее уровень уменьшается на 14 дБ) и вновь восстанавливается до исходной величины из оставшейся части в приемнике; в американской системе поднесущая подавляется практически полностью (в 100 раз или на 40 дБ) и вновь образуется в приемнике путем удвоения частоты пилот-тона 19 кГц, передаваемого малым уровнем. Частичное или полное подавление амплитуды поднесущей улучшает энергетические показатели радиопередатчика.

Система 3 отличается большей помехоустойчивостью, чем системы 1 и 2, благодаря сжатию динамического диапазона сигнала, передаваемого на поднесущей, и применению частотной модуляции поднесущей. Обеспечивается такое большое переходное затухание между трактами, по которым передаются сигналы П и Л, что по ним вместо стереосигнала можно передавать две независимые монофонические программы.

Наряду с системами стереофонии, действующими в диапазоне MB, все шире применяются системы, использующие диапазон ГМВ, а в отдельных случаях и проводные системы. Полоса частот, выделяемая для этих систем, не превышает ±10 кГц (исключение составляет система МПВ-Т, в которой полоса частот простирается до 15 кГц), поэтому применять поднесущую частоту для образования второго канала передачи в этих системах невозможно. Мыслимыми решениями в этих случаях могут быть применение двойной модуляции несущей частоты вида АМ-ЧМ или АМ-ФМ, двукратной однополосной и квадратурной амплитудной модуляции (ДОМ и КАМ).

Немаловажной задачей при разработке всех перечисленных систем стереофонического вещания явилось достижение их совместимости с монофоническими системами. Более просто эта задача решается в системах с поднесущей частотой. В основном канале передается сумма сигналов М = Л + П, а в канале на поднесущей- разность сигналов S = Л-П. Сложнее эта задача решается в системах с комбинированными видами модуляции: АМ-ЧМ, АМ-ФМ, ДОМ и КАМ.

Для организации стереофонических систем применимы цифровые методы. С их помощью получают системы с практически одинаковыми каналами, малыми искажениями, но ценой значительного усложнения аппаратуры и многократного расширения полосы пропускания каналов передачи.

1.2.2 Система с полярной модуляцией

Идея полярной модуляции ПМ впервые описана в 1939 г. А. И. Косцовым. Положительные полупериоды высокочастотного колебания промодулированы одним сигналом, например сигналом П, а отрицательные полупериоды - другим, например, Л (рис. 6а). Спектр полярно-модулированного колебания (рис. 6б) содержит поднесущую частоту fп, промодулированную

Рис.6 Осциллограмма (а) и спектр (б) полярно - модулированного колебания при fп >fл.

по амплитуде сигналами П и Л, и низкочастотную составляющую с частотами Fп и Fл, обусловленную асимметрией положительных и отрицательных полуволн высокочастотного колебания. Составляющие П и Л выделяют полярным детектором, простейшая схема которого изображена на рис.7.

Полярно-модулированное колебание ПМК можно представить в форме


Введем обозначения


Тогда


В вышеприведенных выражениях Um- амплитуда поднесущей частоты, mл и mп -коэффициенты модуляции поднесущей сигналами Л и П.

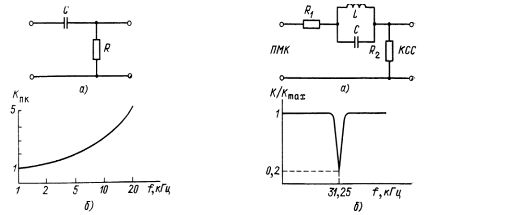
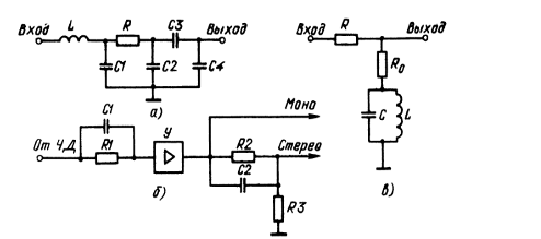
Спектр ПМК содержит звуковые частоты, поэтому он не может быть непосредственно излучен антенной радиопередатчика. Этим спектром после дополнительных преобразований модулируют по частоте несущую радиопередатчика MB . Последовательность преобразований видна из рис 8а,б. Для повышения помехозащищенности исходных сигналов Л и П в области верхних частот, где уровни спектральных составляющих существенно меньше, чем на средних частотах, сигналы подвергают частотным предыскажениям с помощью предыскажающего контура ПК, реализованного в виде RС - цепи с постоянной времени т = 50 мкс

Рис.7 Полярный детектор

Схема цепи предыскажений показана на рис. 9а, а ее АЧХ- на рис. 9б.

Рис.8 Структурная схема передающей (а) и приемной (б) частей системы с полярной модуляцией

Далее сигналы поступают на стереомодулятор, состоящий из формирователя ПМК и подавителя поднесущей. Одна из возможных схем подавителя поднесущей изображена на рис. 10а, а его АЧХ - на рис. 10б. Спектр ПМК изображен на рис. 11а, его измененная форма после подавления поднесущей на рис. 11б - штриховой линией, а форма спектра КСС с учетом частотных предыскажений на этом же рисунке - сплошной линией. Здесь же для сравнения показаны спектры КСС системы с пилот-сигналом (рис. 11в) и системы ЧМ-ЧМ (рис. 11г).

В ходе развития системы с полярной модуляцией были разработаны, испытаны и внедрены в практику несколько методов формирования КСС.

Рис.9 Схема (а) и АЧХ (б)           Рис.10 Схема (а) и АЧХ (б)

цепи предыскажений             цепи подавления поднесущей

Рис.11 Спектры ПМК (а) и комплексного стереосигнала в системах с полярной модуляцией (б), с пилот-тоном (в) и с ЧМ - ЧМ (г).

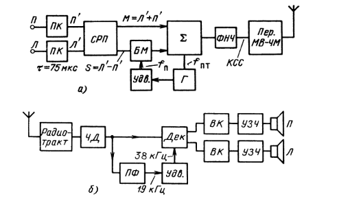
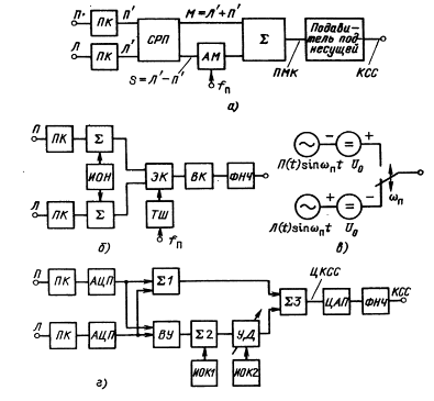
При суммарно-разностном методе (рис. 12а) из сигналов Л и П, подвергшихся частотным предыскажениям, образуется суммарный и разностный сигналы М = Л+П и S = Л-П, второй модулирует по амплитуде поднесущую частоту, полученную от задающего генератора поднесущей. Далее сигнал М и амплитудно-модулированное колебание складываются и образуют ПМК. После частичного подавления поднесущей формируется КСС. Метод не обеспечивает хорошей стабильности амплитуд и фаз между двумя частями спектра КСС, что приводит к уменьшению переходного затухания между каналами.

Большее переходное затухание обеспечивает ключевой метод (рис. 12б). В сигналы, прошедшие цепи предыскажений, с помощью сумматоров Σ вводится постоянная составляющая, определяющая уровень поднесущей. Постоянная составляющая вырабатывается источником опорного напряжения ИОН. Триггер Шмитта ТШ, управляемый частотой поднесущей попеременно открывает электронный ключ ЭК для входных сигналов. С выхода ЗК снимается КСС. Он проходит через цепь, устраняющую предыскажения, созданные в цепях предыскажений на входе каналов, и поступает на ФНЧ с линейной ФЧХ, устраняющий гармоники поднесущей частоты и продукты их модуляции.

Рис.12 Схемы формирования КСС суммарно-разностным (а), ключевым (б,в) и цифровым (г) способами

Схематически принцип действия ключевого стерео модулятор а иллюстрируется рис. 12в. Достоинством этого метода является отсутствие цепи подавления поднесущей, являющейся источником нестабильности параметров модулятора и причиной уменьшения переходного затухания. По ключевому методу действует стереомодулятор МОД-16. В нем обеспечивается неравномерность АЧХ в полосе частот до 46 кГц менее 1 дБ, ап на частоте 100 Гц не менее 36 дБ, 42 дБ на частоте 315 Гц, 50 дБ на частоте 1000 Гц и 40 дБ на частоте 10000 Гц, уровень фона и других помех - не более -70 дБ.

Еще более высокая точность формирования КСС достигается цифровыми методами (рис. 12г). В аналого-цифровых преобразователях АЦП сигналы Л и П преобразуются в цифровую форму. С помощью сумматора Σ1 и вычитающего устройства ВУ образуются сумма и разность цифровых сигналов. К цифровому разностному сигналу в сумматоре 2Σ добавляется константа 0,2 от источника опорного кода ИОК1. Далее сигнал поступает на управляемый цифровой делитель напряжения УД, коэффициент передачи которого изменяется ступенчатым цифровым кодом, формируемым источником опорного кода ИОК2. С помощью УД устанавливается необходимое соотношение между тональной и надтональной частями КСС.

Выходной сигнал УД и суммарный сигнал Л' + П' складываются в сумматоре Σ3, образуя цифровой КСС. Затем цифровой сигнал с помощью цифро-аналогового преобразователя ЦАП и фильтра нижних частот ФНЧ преобразуется в аналоговый КСС. При цифровом преобразовании существенно уменьшаются паразитные продукты преобразования и нестабильность параметров КСС, обусловленная изменениями температуры и питающих напряжений.

Сформированный в стереомодуляторе сигнал поступает на вход частотного модулятора радиопередатчика МВ. В стереодекодере радиоприемника (см. рис. 5.3,6) сигналы подвергаются обратным преобразованиям. Восстановление амплитуды поднесущей до величины, необходимой для нормального детектирования полярно-модулированного сигнала, происходит в цепи, схема которой инверсна по отношению к схеме рис. 5.5,а. Затем в детекторе ПМК выделяются сигналы Г’ и Л', после чего они проходят восстанавливающий контур (RС-цепь), восстанавливаются исходные спектры сигналов П и Л. Сигналы усиливаются усилителями звуковых частот УЗЧ и воспроизводятся громкоговорителями.

Монофонические радиоприемники воспринимают только низкочастотную часть спектра КСС. Надтональная часть КСС не детектируется и не воспроизводится.

Выше изложено лишь самое общее представление о процессах, происходящих в системех с полярной модуляцией. Существенно усложняет техническую реализацию системы требование большого переходного затухания между каналами П и Л. Переходное затухание характеризует степень разделимости этих сигналов. По определению:


Здесь U'л-напряжение на выходе левого канала, U’ п -напряжение на выходе правого канала, если на входе каналов U’л ≠ 0 , а Uп = 0. Если ап=∞, то разделение сигналов Л и П идеально, если ап=0, сигналы Л и П становятся одинаковыми, их отношение равно единице, и звуковая панорама стягивается в одну точку. Слушатель, находящийся на оси симметрии стереофонической звуковоспроизводящей системы, воспринимает вместо широкой панорамы один кажущийся источник звука, расположенный посередине базы громкоговорителей. В соответствии с требованиями, предъявляемыми к системе стереофонического вещания в целом, переходное затухание должно быть не менее 30 дБ, При ап = 20 дБ сужение звуковой панорамы уже начинает ощущаться.

Переходное затухание между каналами зависит от ширины полосы частот радиоканала, формы АЧХ и ФЧХ тракта КСС, точности преобразования ПМК в КСС в стереомодуляторе передатчика и КСС в ПМК в приемнике (заметим, что в системе с пилот-тоном- от точности восстановления фазы подавленной поднесущей).


Ширина полосы частот Δf радиоканала и ап связаны соотношением

где fп - частота поднесущей. Например, при ап = 30 дБ и fn = = 31,25 кГц необходима ширина полосы частот радиоканала не менее 176 кГц.


Уменьшают ап спады АЧХ на верхних и нижних частотах. Первые обусловлены недостаточной шириной полосы пропускания радиотракта и паразитными емкостями устройств, вторые - недостаточной величиной переходных (разделительных) емкостей в межкаскадных цепях. Для областей верхних и нижних частот справедливы соотношения

где fсp и Fcp- частоты среза на уровне -3 дБ; fn - частота поднесущей; n - число переходных RС-цепей, a F- нижняя частота, на которой определяется ап. Подставив ап = 30 дБ; fn = = 31,25 кГц, n = 2 и F=100 Гц, получаем: fср=88 кГц, Fcp=3,1 Гц. Эти требования весьма жестки и трудно реализуемы.


Важное значение имеет точность восстановления уровня и фазы поднесущей частоты при приеме. При расхождении фаз поднесущей на Δϕ

При отклонении фазы поднесущей в приемнике на 11° от фазы поднесущей исходного ПМК ап=40 дБ, а при отклонении на 20° ап = 30 дБ. При Δϕ = 90° ап = 0, т. е. передача становится монофонической. Чтобы получить ап = 30 дБ, точность восстановления уровня поднесущей должна составлять примерно 0,5 дБ.

Довольно жесткие требования предъявляются к стабильности коэффициентов передачи сквозных каналов Л и П. Расхождение коэффициентов передачи на 1 дБ приводит к смещению кажущегося источника звука на 6°, расхождение на 2 дБ - к смещению почти на 15° и т. д. Поддержание равенства коэффициентов передачи и их стабильности во времени - сложная техническая задача.

Большие трудности возникают из-за подавления и последующего восстановления уровня поднесущей частоты. Резкое изменение АЧХ в области поднесущей частоты (см. рис. 10б) приводит к столь же резким отклонениям ФЧХ от линейного закона, поскольку в основе первого и второго явления лежит одна и та же причина - сильное влияние реактивных элементов цепей подавления и восстановления уровня поднесущей частоты. Добиться точной компенсации возникших фазо-частотных искажении невозможно, и это приводит к нежелательным фазовым сдвигам сигналов Л и П в области частот, близкой к fп.

Несмотря на отмеченные сложности, система с полярной модуляцией выдержала испытание временем, и область ее применения расширяется, а многочисленные усовершенствования сделали ее конкурентоспособной в соревновании с другими системами. Несомненным преимуществом системы с полярной модуляцией по сравнению с другими системами является простота ее внедрения в телевизионное вещание ввиду рационального выбора поднесущей частоты.

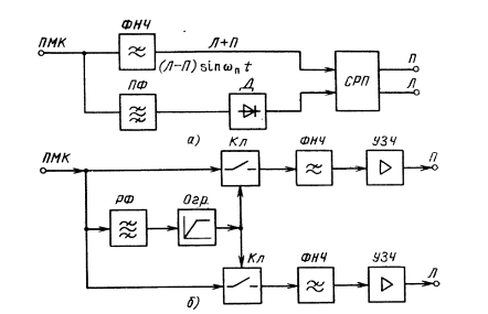
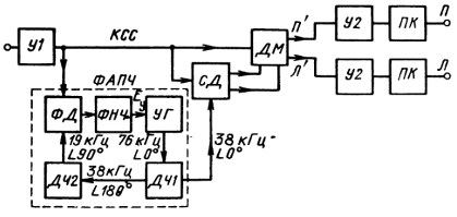
1.2.3 Система с пилот-тоном

Как уже указывалось, главным отличием системы с пилот-тоном от системы с полярной модуляцией является практически полное подавление поднесущей частоты. Для ее восстановления передается пилот-тон. Он располагается в области частот между низкочастотной и высокочастотной частями спектра модулирующих частот (см. рис. 11в). Чтобы разместить пилот-тон и облегчить его выделение в радиоприемнике, высокочастотную часть спектра пришлось сместить вправо по оси частот. Соответственно увеличилась и поднесущая частота. Увеличение верхней границы спектра модулирующих частот повлекло за собой заметное расширение спектра частотно-модулированных колебаний. Полоса частот, занимаемая спектром системы с пилот-тоном, по разным оценкам составляет 190... 266 кГц против 140 ... 190Гц для системы с полярной модуляцией. Структурные схемы передающей и приемной частей системы с пилот-тоном представлены рис.13. Как и в системе с полярной модуляцией, исходные сигналы П и Л для повышения помехозащищенности подвергаются предыскажениям с помощью RС-цепи. Ее постоянная времени 75 мкс вместо 50 мкс в системе с полярной модуляцией, поэтому подъем АЧХ на частоте 10 кГц составляет 13,3 дБ, на частоте 15 кГц - 16,7 дБ вместо соответственно 10,3 и 13,6 дБ в системе с полярной модуляцией. Далее производится суммарно-разностное преобразование в СРП. Разностный сигнал S = Л’- П‘ с помощью балансного модулятора Бм смещается в область более высоких частот и в сумматоре Σ смешивается с сигналом М=Л’+П' и пилот-тоном с частотой fпт=19 кГц, вырабатываемой генератором Г. От этого же генератора пилот-тон подается на удвоитель частоты Удв и далее с частотой fп = 38 кГц на балансный модулятор БМ.

Рис.13 Структурная схема передающей (а) и приемной (б) частей системы с пилот-тоном

Выражение для КСС можно представить в виде:


где kUm - амплитуда пилот-тона (k<1); остальные обозначения имеют тот же смысл, что и в предыдущем параграфе.

Рис.14 Развернутая структурная схема стереодекодера с фазовой автоподстройкой частоты и синхронным детектированием разностного сигнала в системе с пилот-тоном (вместо ПК следует читать ВК )

Декодирование сигналов в системе с пилот-тоном производится с помощью стереодекодера, схема которого изображена на рис. 14. Рассматриваемый стереодекодер действует по ключевому принципу. В нем используется фазовая автоподстройка частоты ФАПЧ. В ее схему входят управляемый генератор прямоугольных импульсов УГ с частотой 76 кГц, первый и второй делители частоты ДЧ1 и ДЧ2, уменьшающие частоту УГ соответственно до 38 и 19 кГц, фазовый детектор ФД и фильтр нижних частот ФНЧ. В фазовом детекторе частота пилот-тона, входящего в состав КСС, сравнивается с частотой 19 кГц, полученной в результате деления частоты 76 кГц, вырабатываемой УГ. Если частота пилот-тона лежит в полосе захвата ФАПЧ, то на выходе ФНЧ появится управляющее напряжение Еу, воздействующее на частоту УГ. В режиме синхронизации частоты УГ и пилот-тона равны, а их фазы отличаются на 90°. Чтобы исключить влияние на режим захвата составляющих КСС, лежащих близко к пилот-тону, полоса захвата ФАПЧ должна быть существенно уже ширины промежутка между надтональной и тональной частями спектра КСС, т. е. уже 23-15=8 кГц. Обычно ширина захвата составляет 2... 3 кГц.

Напряжение УГ, синхронизированное по частоте (Δω=0) и фазе (Δϕ =π/2) с пилот-тоном, поступает на делитель частоты ДЧ1. В нем формируются две противофазные последовательности импульсов, каждая с частотой следования 38 кГц. Последовательность, противофазная с пилот-сигналом, поступает на делитель частоты ДЧ2. Последовательность прямоугольных импульсов с частотой следования 19 кГц на выходе ДЧ2 отличается по фазе в режиме синхронизации от пилот-тона на 90°. Последовательность прямоугольных импульсов, снимаемая со второго выхода ДЧ1 и синфазная с напряжением частоты 2fпт, поступает на один из входов синхронного детектора СД. На второй его вход через усилитель У1 подается КСС. В синхронном детекторе оба сигнала перемножаются. В результате на его выходах образуются противофазные сигналы, низкочастотные части которых, равные Л'- П' и П'-Л', складываются в декодирующей матрице ДМ с КСС. Низкочастотная часть выходных сигналов ДМ представляет собой сигналы Л' и П’. После усилителей У2 оба сигнала поступают на цепи коррекции предыскажений, восстанавливающие исходный спектр сигналов П и Л.

Помимо устройства ФАПЧ, синхронного детектора, декодирующей матрицы и цепей коррекции предыскажений, в состав стереодекодера входит еще не показанное на схеме устройство опознавания режима работы передатчика («Моно» или «Стерео»), управляющее световым индикатором и переключающее декодер в режим «Моно», когда уровень помех при стереовоспроизведении становится недопустимо большим (аналогичные устройства имеются и в стереодекодерах системы с полярной модуляцией).

Параметры качества систем с полярной модуляцией и пилот-тоном практически одинаковы, но стереодекодер второй системы существенно сложнее стереодекодера первой.

1.2.4 Система с двойной частотной модуляцией

В Швеции была предложена система стереофонического радиовешания, в которой поднесущая частота модулируется не по амплитуде, а по частоте. Модулированная поднесущая затем модулирует по частоте несущую радиопередатчика. Эту систему часто называют системой с двойной ЧМ и обозначают ЧМ-ЧМ. Как и в других системах, сигналы П и Л подвергают суммарно-разностному преобразованию. Суммарный сигнал М передается обычным способом и принимается монофоническими приемниками. Разностный сигнал модулирует по частоте поднесущую 33,5 кГц (рис. 11г). Максимальная девиация частоты поднесущей составляет 10 кГц. Спектр ЧМ колебания теоретически бесконечен, но практически он может быть ограничен частотами 33,5+15 кГц. Для передачи сигнала М отведено 80% максимальной девиации частоты передатчика, для передачи сигнала частотно-модулированной поднесущей - 20%.

Отличительной чертой системы является сжатие динамического диапазона сигнала S. Коэффициент сжатия γсж=0,5, временные параметры сжимателя таковы; постоянная времени при нарастании сигнала 2 мс, при спаде сигнала - 20 мкс. Расширитель, находящийся в приемнике, восстанавливает исходный динамический диапазон, поэтому его коэффициент расширения γР=2, т. е. обратен у сжимателя. Применение частотной модуляции поднесущей и сжатие динамического диапазона существенно повышает помехоустойчивость канала S и переходное затухание между каналами. Благодаря этому система универсальна: вместо стереофонического сигнала можно передавать два независимых монофонических сигнала.

.3 СТЕРЕОФОНИЧЕСКИЕ РАДИОПРИЕМНИКИ

1.3.1 Структурная схема стереофонического радиоприемника

Для приема стереофонических сигналов предназначены разнообразные устройства: радиоприемники, радиолы, тюнеры. Радиолой называют сочетание радиоприемного и электропроигрывающего устройства. Тюнером называют радиоприемное устройство без оконечных усилителей звуковых частот и акустических систем. Тюнеры подключают к электрофонам и магнитофонам, снабжены названными выше блоками.

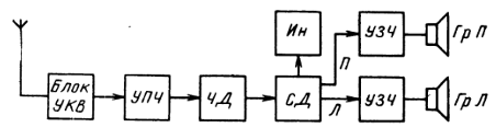
Типовая структурная схема стереофонического радиоприемника приведена на рис. 6.1. Как и в обычном монофоническом радиоприемнике, входной сигнал, принятый антенной, поступает сначала на блок УКВ (преселектор, усилитель высокой частоты УВЧ, преобразователь частоты), а затем на усилитель промежуточной частоты УПЧ и частотный детектор ЧД.

Рис.15 Типовая структурная схема стереофонического радиоприемника

Схема стереофонического радиоприемника отличается от монофонического тем, что после частотного детектора ЧД вводится стереодекодер СД, выделяющий из комплексного стереофонического сигнала КСС сигналы левого и правого стереоканалов. Эти сигналы поступают на двухканальный стереофонический усилитель звуковой частоты УЗЧ и на два громкоговорителя Гр.Л и Гр.П, а точнее - на две акустические системы. Стереоприемник имеет сдвоенные регуляторы громкости и тембров, а также регулятор стереобаланса.

В стереофонический радиоприемник обычно вводят индикатор наличия стереофонической передачи Ин. Радиослушатель определяет по индикатору, какая на данной частоте идет передача - монофоническая или стереофоническая. В том случае, когда по программе объявлена стереофоническая передача, в ней может быть до 30% монофонических фрагментов. Если радиослушатель, принимающий в диапазоне MB объявленную стереофоническую программу, обнаруживает на слух, что программа звучит как монофоническая, он по индикатору может определить, из-за чего это происходит: неисправен приемник или действительно передается монофонический фрагмент.

Стереофонический радиоприемник работает в иных условиях, чем монофонический. Прежде всего, при стереоприеме значительно увеличивается уровень шумов и помех, так как полоса пропускания у него более широкая, чем у монофонического приемника. В радиоприемнике предусматриваются меры для повышения помехозащищенности.

Шумы в приемнике представляют собой сумму атмосферных, промышленных, космических шумов, шумов антенны и внутренних шумов самого приемника. Составляющая шума на выходе частотного детектора тем больше, чем дальше она отстоит по частоте от несущей.

Большое значение при стереоприеме имеет выбор приемной антенны. Применение многоэлементной направленной антенны существенно увеличивает принимаемый полезный сигнал и, следовательно, улучшает отношение сигнал-помеха. Уменьшению шумов способствует подавление паразитной AM в тракте приемника. В монофонических радиоприемниках подавление AM проверяется только на одной частоте модуляции 1 кГц. В стереофонических радиоприемниках подавление AM должно осуществляться и проверяться во всем диапазоне модулирующих частот КСС до 46,25(53) кГц.

Стереофонический радиоприемник должен принимать и детектировать без искажений ЧМ-колебания в широкой полосе частот, более чем втрое шире полосы модулирующих частот монофонического сигнала. Это предъявляет особые требования к характеристикам усилителя промежуточной частоты и частотного детектора радиоприемника.

Для уменьшения шумов при приеме стереофонических программ во многих странах применяется система шумоподавления «Дол-би-Б». Принцип действия этой системы заключается в том, что в тракте радиопередатчика включается сжиматель (компрессор), который поднимает уровни слабых сигналов и, таким образом, «отрывает» их от уровня шумов радиоканала, а в тракте радиоприемника включается расширитель (экспандер), восстанавливающий исходный сигнал.

1.3.2 Высокочастотный тракт стереофонического радиоприемника

Радиотракт приемника, предназначенного для приема радиостанций диапазона MB ЧМ, рассчитан на работу в диапазоне частот 66... 74, 88-108 МГц. Более широкая полоса пропускания радиотракта достигается уменьшением добротности контуров. При двух настраиваемых контурах в этом тракте с добротностью Q = 50 полоса пропускания УВЧ составляет 1,4 МГц, поэтому амплитудно- и фазо-частотные характеристики радиоприемника определяются в основном избирательными элементами тракта промежуточной частоты.

На выходе блока УКВ имеется один или два контура ПЧ со средней частотой fпч=10,7 МГц. Два контура с критической связью Q=50 обеспечивают полосу пропускания 300 кГц.

Ограничение полосы пропускания радиотракта приемника ЧМ сигналов ведет к появлению паразитной амплитудной модуляции, спаду АЧХ на верхних модулирующих частотах и появлению нелинейных искажений. Паразитная амплитудная модуляция подавляется ограничителем, не показанным на рис. 6.1. Неравномерность АЧХ можно уменьшить корректирующими цепями, которые включаются после частотного детектора.

Рассмотрим три экстремальных варианта стереосигнала.

Вариант 1. Сигнал М максимален, сигнал S отсутствует. При этом имеется большая вероятность попадания гармоник сигнала М в область надтональных частот, т. е. в область S. После детектирования в стереодекодере эти частоты создают призвуки, которые ощущаются в выходном сигнале. Например, при передаче частоты 10 кГц ее третья гармоника создает после декодирования стереосигнала составляющую звуковой частоты 31,25-3*10 = 1,25 кГц (для ПМК), 38 - 3*10 = 8кГц ( для пилот-тона ).

Вариант 2. Сигнал S максимален, сигнал М отсутствует. В этом случае образуются комбинационные частоты ввиду взаимодействия верхней и нижней боковых полос модуляции. Например, при модуляции частотой 10 кГц появляются боковые составляющие 31,25 + 10 = 41,25 кГц и 31,25-10=21,25 кГц, которые при нелинейности третьего порядка создают составляющую звуковой частоты 21,25*2-41,25 = 1,25 кГц (для ПМК). Соответственно для системы с пилот-тоном боковые составляющие 28 и 48 кГц и звуковая составляющая 8кГц.

Вариант 3. Сигнал имеется только в одном канале. При этом комбинационные частоты образуются также ввиду взаимодействия между гармониками звуковой частоты канала М и боковыми полосами модуляции в канале S. Например, при модуляции той же частотой 10 кГц образуется составляющая звуковой частоты 21,25-10*2=1,25 кГц для ПМК и 8кГц для Пилот-тона.

Следует учитывать, что преобладают искажения третьего и других нечетных порядков, так как при симметричной резонансной кривой радиоприемника искажения четных порядков теоретически отсутствуют.


Чтобы нелинейные искажения были минимальными, радиотракт приемника должен иметь по возможности линейную горизонтальную амплитудно-частотную характеристику K=F1 (ω) и линейную наклонную фазо-частотную характеристику ϕ= F2(ω), как это показано на рис. 16.

В теории частотной модуляции показано, что основным источником нелинейных искажений является нелинейность ФЧХ радиотракта, свойственная системам с ограниченной полосой пропускания. Рис.16 Идеализированные

При монофоническом приеме верхняя характеристики ВЧ тракта частота модуляции составляет 15 кГц. Установлено, что с учетом различных факторов, возможных нестабильностей в радиотракте радиоприемника (уход частоты гетеродина, неточная настройка контуров и др.), для высококачественного моноприема следует иметь полосу пропускания тракта в пределах 120... 180кГц.

При стереофоническом приеме верхняя модулирующая частота значительно выше - 46,25 кГц (53кГц). Кроме того, модулирующий сигнал при стереофонии является более сложным, содержащим несколько частотных составляющих даже в самых простых случаях. Аналитические расчеты нелинейных искажений при стереофоническом приеме весьма сложны, поэтому вопрос о ширине полосы пропускания тракта промежуточной частоты решается экспериментально. Обследование большого числа серийно выпускаемых приемников показало, что переход к стереофонии требует расширения полосы тракта промежуточной частоты не менее чем на 20%, до значений 150 ...210 кГц. Более широкую полосу частот следует обеспечивать в радиоприемниках более высокого класса. В первых образцах стереофонических радиоприемников тракт промежуточной частоты строился по схеме «с распределенной селекцией», при которой селективные (контурные) элементы чередуются с усилительными (рис. 17а). Селективными элементами СЭ при этом служат связанные контуры с коэффициентом связи примерно 0,8, при котором получаются малые нелинейные искажения. Такие тракты легко настраивать, так как каждый селективный элемент настраивается самостоятельно. Однако в транзисторных радиоприемниках схема с разделенной селекцией обладает серьезными недостатками. Во-первых, форма резонансной кривой радиоприемника зависит от уровня входного сигнала. При изменении уровня меняются входные и выходные параметры транзисторов, изменяются паразитные обратные связи в УПЧ. Из-за этого изменяются степень связи между контурами и частота настройки. В результате возникают большие нелинейные искажения, может даже нарушиться устойчивость работы тракта. В новых радиоприемниках схема с распределенной селекцией не применяется. Вместо нее получила распространение схема с сосредоточенной селекцией (рис.17б). На входе тракта промежуточной частоты, обычно после согласующего каскада, расположен фильтр сосредоточенной селекции ФСС, состоящий из ряда настроенных контуров и обеспечивающий необходимые селективные свойства тракта. За ФСС следует импульсный (безынерционный) ограничитель Огр и частотный детектор ЧД. Фильтр сосредоточенной селекции настраивается так, чтобы он имел оптимальную форму АЧХ и ФЧХ для неискаженного прохождения стереофонического сигнала. При этом обеспечивается достаточная защита тракта от соседних радиостанций.

Рис.17 Структурные схемы тракта промежуточной частоты с распределенной (а) и сосредоточенной (б) селекциями

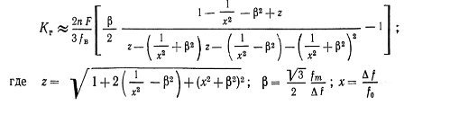
В качестве фильтра сосредоточенной селекции применяют полосовой фильтр, состоящий из n звеньев. Одно из звеньев фильтра показано на рис. 6.4,а. Коэффициент гармоник модулирующего напряжения


χ - обобщенная расстройка; Q - добротность катушек фильтра; n - число звеньев фильтра; F - модулирующая частота; fm - девиация частоты; Δf=2FB - ширина полосы частот, f0 - резонансная частота контура; FB - верхняя модулирующая частота.

Результаты подсчета коэффициента гармоник для одного звена фильтра показаны на рис. 6.4,6. При этом за параметр γ принята величина, пропорциональная потерям в фильтре:


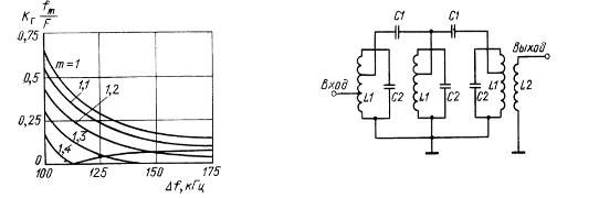
Из графиков видно, что оптимальная характеристика получается при γ = 0,7. Но такое значение γ можно получить только при большой добротности контуров Q. Например, при fо =10,7 МГц и fm=50 кГц получаем, что добротность Q = 176, что не реализуемо. Для решения проблемы необходимо вместо звеньев k применять фильтры, состоящие из звеньев типа m. В этом случае коэффициент гармоник


m - параметр фильтра. Результаты расчета по этой формуле приведены на рис. 18. Из графиков видно, что оптимальным является значение m=1,3.


Одним из возможных вариантов фильтра сосредоточенной селекции на входе тракта промежуточной частоты является сочетание нескольких слабо связанных одиночных контуров (рис. 19). Резонансная кривая такого фильтра по мере увеличения числа контуров стремится к колоколообразнои форме (кривой Гаусса). Уравнение резонансной кривой этого фильтра следующее:

Фазо-частотная характеристика такого фильтра близка к оптимальной прямолинейной. Однако амплитудно-частотная характеристика имеет в полосе пропускания большую неравномерность, что приводит к значительной паразитной амплитудной модуляции.

Коэффициент передачи при такой слабой связи между контурами мал, поэтому от тракта промежуточной частоты требуется большой коэффициент усиления и хорошая защищенность от паразитных связей и наводок.

В результате анализа необходимой полосы пропускания радиоприемников при -стереоприеме, с учетом нестабильности гетеродина, было принято решение расширить ее по сравнению с монофоническим приемом со 120 до 140 кГц. При этом максимальная ширина полосы пропускания была увеличена всего на 10 кГц и принята равной 190 кГц вместо 180 кГц.

Рис.18 Коэффициент гармоник       Рис.19 Схема фильтра из

для фильтров типа m               нескольких слабо связанных контуров

Подавление паразитной амплитудной модуляции при стереофоническом радиоприеме должно обеспечиваться во всем диапазоне модулирующих частот, т. е. в диапазоне комплексного стереофонического сигнала 30 ... 46 250 Гц. Величина подавления амплитудной модуляции должна быть такой, чтобы можно было получить небольшие шумы, и нелинейные искажения.

Частотный детектор - один из источников амплитудно-частотных искажений комплексного стереосигнала.

Рис.20 Схема выходной части детектора (а), частотного корректора (б) и восстановление поднесущей частоты (в)

Обычно источником таких искажений являются конденсаторы, установленные на выходе детектора (рис. 20а).

Конденсатор С1 предназначен для шунтирования токов промежуточной частоты. В стереофонических радиоприемниках его емкость может быть уменьшена до пределов, обеспечивающих устойчивость работы высокочастотного тракта, обычно примерно до 30 пФ. Распределенная емкость С2 определяется емкостью монтажа. Она может достигать заметной величины, если стереодекодер удален от частотного детектора. Постоянная времени RC паразитных интегрирующих цепей, образующихся на выходе частотного детектора, не должна превышать 0,1 мкс. Следовательно, при выходном сопротивлении детектора 10 кОм выходная емкость не должна превышать 10 пФ.

Однако на практике не удается избежать некоторого спада амплитудно-частотной характеристики на верхних модулирующих частотах, поэтому после частотного детектора вводят частотную коррекцию. Один из вариантов, с двухзвенной частотной коррекцией, приведен на рис. 20б. Первое звено коррекции расположено перед каскадом усиления звуковой частоты, который обеспечивает получение стандартного сигнала на входе тракта звуковой частоты радиоприемника при монофоническом приеме: 250 мВ на резисторе 500 кОм. Второе звено коррекции включено на входе стереодекодера.

.3.3 СТЕРЕОДЕКОДЕРЫ

Стереодекодер предназначен для выделения из комплексного сигнала информации левого Л и правого П стереоканалов. Известны три вида декодеров полярно-модулированных колебаний: суммарно-разностные, с полярным детектором и с переключением (или с перемножением) сигналов.

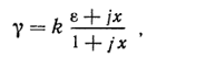
Основными элементами стерео декодер а являются: цепь восстановления поднесущей, которая преобразует КСС в ПМК, и устройство детектирования ПМК. Цепь восстановления поднесущей частоты приведена на рис. 20в. Естественно, что АЧХ коэффициента передачи этой цепи должна быть обратной АЧХ цепи подавления поднесущей


Где ε = 5 - степень восстановления поднесущей; х - обобщенная расстройка, k - коэффициент, не зависящий от частоты.

Ясно, что это выполняется при условии  (рис.20в).

Для неискаженного воспроизведения стереофонической передачи должны выполняться следующие два условия: одинаковая добротность контуров на передающей и приемной сторонах и одно и тоже отношение резонансного сопротивления контура к включенному последовательно с ним активному сопротивлению.

Обычно выбирают соотношение ,где апн - переходное затухание, которое необходимо получить на нижних модулирующих частотах. Например, если на частоте 30 Гц требуется получить переходное затухание 20 дБ, то следует выбрать R = 20R0.

Отклонение добротности контура от величины Q=100 зависит от нормируемого переходного затухания на нижней частоте и определяется по формуле


Таким образом, если апн = 20 дБ, то отклонение добротности от 100 составит ∆Q = ±250/10= ±25 %.

Точность восстановления ПМК зависит от настройки контура LC. Расстройка контура приводит не только к снижению переходного затухания между стереоканалами Л и П, но и к увеличению нелинейных искажений.

Известно, что для получения переходного затухания 20 дБ и коэффициента гармоник Кг= 1 % необходимо, чтобы расстройка восстанавливающего контура не превышала ±0,25%. Для высококачественного стерео приема необходимо, чтобы нестабильность частоты настройки контура не превышала ±0,1 %.

В первых стереоприемниках применялись только декодеры с полярным детектором. Они отличались простотой, но не обеспечивали высоких качественных показателей. Суммарно-разностные декодеры могут обеспечить высокие качественные показатели, но при условии высокой стабильности параметров элементов схемы. В последнее время чаще всего применяются стереодекодеры с переключением. Этот тип декодеров обеспечивает высококачественное и стабильное детектирование. Но и первые два типа стереодекодеров не потеряли своей актуальности, поэтому кратко -рассмотрим особенности работы каждого из них.

Рис. 21 Полярно-модулированное колебание (а) и схемы, иллюстрирующие принцип его детектирования (б,в)

1.3.3.1 Декодеры с полярным детектором

Для детектирования полярно-модулированных колебаний (рис. 21а) может применяться схема, состоящая из двух детекторов различной полярности. Принцип разделения двух AM сигналов ясен из рис. 21б, а на рис. 21в полярный детектор изображен вместе с интегрирующими RС-цепями. Верхняя часть схемы выделяет огибающую положительных полупериодов (сигналы канала Л), а нижняя часть схемы - отрицательных полупериодов (сигналы канала П). Если бы можно было выделить огибающую в неискаженном виде, то детектор был бы идеальным. Однако для достижения этого нужно иметь постоянную времени τ = RC, близкую к бесконечности. Но при такой большой постоянной времени конденсатор не успевает разряжаться от периода к периоду поднесущей и напряжение на выходе не успевает изменяться в соответствии с изменением огибающей. В результате появляются большие нелинейные искажения детектированного колебания. Практика показывает, что постоянная времени не должна превышать -максимальная звуковая частота модуляции. Для FB=15 кГц максимальная постоянная времени RС-16 мкс. В этом случае .переходное затухание между стереоканалами 27 дБ, а коэффициент гармоник 0,8 %. С учетом нелинейных характеристик диодов реальный коэффициент гармоник составляет 1 ... 1,5 %

Путем незначительного усложнения полярного детектора можно увеличить переходные затухания между стереоканалами. Например, для увеличения переходного затухания можно перейти от «чистого» полярно-модулированного колебания к колебанию с несколько увеличенной надтональной частью в виде:


где b > 1- коэффициент. Оптимальное значение коэффициента b в зависимости от инерционности детектора ΩвRC показано на рис. 22а.

Рис. 22 зависимость коэффициента b от инерционности детектора (а), корректирующая RC-цепь(б) и схема компенсации переходных искажений (в)

Для увеличения надтональной части МПК в тракт вводится корректирующая RС-цепь, схема которой приведена на рис. 22б. Для этой схемы коэффициент

Переходное затухание может быть увеличено также введением перекрестных связей между каналами, когда в канал Л вводится часть сигнала из канала П, а в канал П - часть сигнала из канала Л. В полярном детекторе проникновение сигналов из канала в канал происходит в той же фазе, поэтому для компенсации сигналы нужно вводить в противофазе. На рис.22в показана одна из возможных схем компенсации переходных помех. В этой схеме при условии R>R0 часть напряжения δ, переходящая из одного канала в другой, определяется соотношением δ≈Rэ/R.

1.3.3.2 Суммарно-разностные декодеры

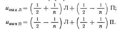
Принцип построения таких декодеров поясняется рис.23а. Сначала спектр ПМК разделяется фильтрами на тональную часть, несущую информацию сигналов Л + П, и надтональную часть, представляющую собой поднесущую, модулированную по амплитуде сигналом Л-П. В результате детектирования сигнала (Л-П) sin ωπt выделяется разностный сигнал Л-П. Затем с помощью суммарно-разностного преобразователя СРП выделяются сигналы каналов Л и П:

(Л + П) + (Л - П) = 2Л; (Л + П) - (Л - П) = 2П.

Рис. 23 Схема декодеров: суммарно-разностного(а) и с переключением(б)

Фильтр нижних частот ФНЧ выделения сигнала Л+П представляет собой RC-цепъ компенсации предыскажений с постоянной времени τ =50 мкс. Полосовой фильтр ПФ выделения надтональной части ПМК представляет собой колебательный контур с добротностью Q = 4,9. Резонансная кривая при этой добротности также соответствует кривой компенсации предыскажений τ = 50 мкс. Таким образом, на входе суммарно-разностного преобразователя частотные характеристики трактов передачи сигналов Л+П и Л-П совпадают.

1.3.3.3 Декодеры с переключением

Принцип действия такого декодера основан на том, что цепь полярно-модулированного колебания периодически, с частотой поднесущей, переключается с одного канала на другой. Фактически реализуется перемножение двух напряжений: полярно-модулированного сигнала и прямоугольных импульсов единичной амплитуды, следующих с частотой повторения поднесущей ©п и имеющих длительность т. В результате получаются сигналы:


x1 и х2 - спектральные функции последовательностей импульсов, сдвинутых по фазе на полпериода.


Если время включения τ мало, т. е. τ < Т, то сигналы стереоканалов полностью разделяются:

Поскольку выходное напряжение пропорционально отношению τ/T, а τ/ T<<1, выходное напряжение может получиться очень маленьким. Чтобы не допустить этого, для переключения используют широкие импульсы в пределе равные τ=Т/2. В этом случае выходные сигналы будут равны:


Переходное затухание между стереоканалами при этом составляет всего лишь 13 дБ. Для увеличения переходного затухания осуществляют компенсацию переходных помех методом подмешивания сигналов (в противофазе) из одного канала в другой.

Упрощенная структурная схема декодера с переключением показана на рис. 23б. Полярно-модулированные колебания поступают на два ключа Кл (левого и правого каналов) и на резонансный фильтр РФ. Резонансный фильтр выделяет поднесущую ωπ. Ограничитель Огр .служит для устранения остаточной амплитудной модуляции и формирования прямоугольных импульсов. Эти прямоугольные импульсы подаются на управляющие входы ключей. Фильтры нижних частот ФНЧ ослабляют надтональные составляющие сигналов. Выходные усилители УЗЧ осуществляют усиление напряжения сигналов до необходимого значения. Кроме того, в них компенсируются .переходные помехи между каналами.

Фаза выделенной поднесущей должна с достаточной точностью соответствовать фазе поднесущей в полярно-модулированном колебании. Расхождение по фазе на 11° приводит к снижению переходных затуханий до 40 дБ, расхождение на 20° - до 30 дБ, при разбалансе фаз на 90° переходные затухания между стереоканалами равны нулю, при разбалансе фаз более чем на 90° сигналы в каналах Л и П меняются местами.

Заключение теоретической части

Радиосигнал формируется путем модуляции несущего колебания комплексным стереофоническим сигналом (КСС).

Применение КСС обусловлено принципом совместимости стереосигнала с монофоническими приемниками.

Перед модуляцией несущей частоты радиопередатчика, осуществляется частичное, либо полное подавления поднесущей, в зависимости от системы РВ. Это действие необходимо для уменьшения девиации, а следовательно и уменьшения ширины спектра, передаваемого сигнала, поскольку поднесущая частота имеет большую амплитуду по отношению к разностному сигналу, но не несет в себе ни какой информации.

Передача и прием сигналов стереофонического радиовещания требует расширения трактов ПЧ и РЧ, как на приемной стороне, так и на передающей. И существуют более жесткие требования к АЧХ, ФЧХ и коэффициенту нелинейных искажений в этих трактах.

Для разделения КСС по каналам (Л и П) и получения стереофонического звучания необходим стереодекодер. В нем будет восстановлена поднесущая частота, продетектирован суммарный и разностный сигналы, и в итоге получены сигналы Л и П.

Некоторые параметры стереофоничиских систем РВ:

Параметр

ПМК

Пилот-тон

Частота поднесущей, кГц

31,25

38 19 (пилот-тон)

Постоянная времени предыскажающей цепи, мкс

50

75

Девиация, кГц

50

75

Подавление поднесущей, db

14

60 (полностью)

Расчетная ширина спектра радиоканала, кГц

192,5

256

Верхняя частота спектра КСС (при Fн = 0), кГц

46,25

53


2. Практическая часть

Цель данного проекта состоит в том, что бы изучить временные диаграммы и спектр полного (комплексного) стереофонического сигнала в системе с пилот-тоном и по возможности в системе с ПМК. Следовательно, потребуется стереофонический радиоприемник (далее приемник) в качестве источника сигнала, анализатор спектра и осциллограф для получения изображений спектра и временных диаграмм.

.1 ОПИСАНИЕ ЛАБОРАТОРНОГО СТЕНДА

Из выше поставленных целей вытекает следующий состав оборудования:

Радиоприемник FM диапазона (88-108МГц). Для выполнения данного дипломного проекта был использован магнитофон SONY CFS-W338L SM (далее магнитола), который имеет на борту приемник диапазонов УКВ и FM (66-108МГц) с функцией переключения в режим «МОНО». В приемнике магнитолы были найдены контрольные точки, в которых возможно просмотреть спектр стереофонического сигнала.

Буферный усилитель, необходим для защиты компонентов приемника от внешних воздействий, а так же для лучшего согласования с измерительными приборами.

Анализатор спектра и осциллограф, которые представляют собой приставку цифрового осциллографа PCSGU250 связанную по USB c ПК, на котором установлено необходимое ПО. Вывод информации и изображений спектра и временных диаграмм осуществляется на монитор ПК.

2.1.1 Структурная схема и принцип работы






Рис.23 Структурная схема лабораторного стенда

На рис.23 показана структурная схема лабораторного стенда с использованием выше описанного оборудования. Демодулированный сигнал с контрольных точек приемника поступает на буферный усилитель, в нем усиливается и поступает на цифровой осциллограф. Далее идет цифровая обработка сигналов в осциллографе/ПК и осуществляется вывод информации на монитор ПК в виде спектрограммы или осциллограммы .

Рис.24. Плата приемника и установленный внутрь корпуса магнитофона буферный усилитель

Фактически, буферный усилитель помещен в корпус магнитофона (Рис.24) для предотвращения его механического повреждения, а так же предотвращения потери электрического контакта в местах пайки соединительных проводов. Таким образом из магнитофона выходят коаксиальные кабели с BNC разъемами, которые напрямую подключаются ко входу осциллографа. Таким образом, сборка стенда для работы осуществляется путем подключения коаксиальных кабелей к цифровому осциллографу, а его в свою очередь к ПК с последующим запуском необходимого ПО.

Далее будут более детально рассмотрены все составляющие лабораторного стенда.

Рис.25. Готовый к работе стенд

2.1.2 Радиоприемник (Магнитола Sony)

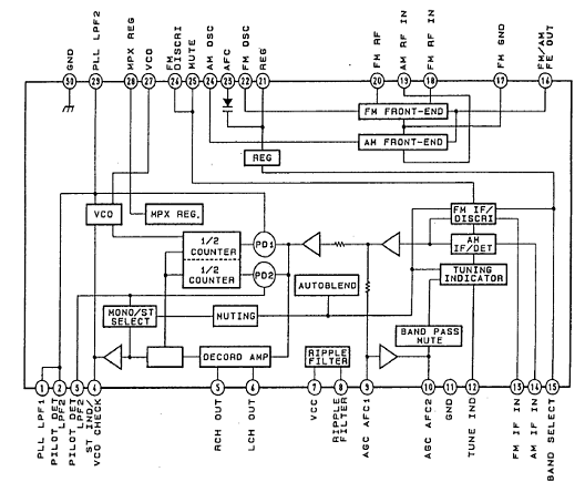
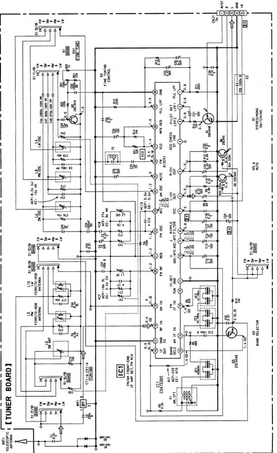
Большая часть узлов радиоприемника, используемого в лабораторном стенде, реализована в виде интегральной схемы CXA1538 производства Sony (рис.26).

Сигналы с антенны через внешние полосовые фильтры поступают на выводы 18 и 19 микросхемы. Блоки FM Front-End и AM Front-End включают усилители радиочастоты, гетеродины и смесители. Необходимые для работы этих схем колебательные контуры и фильтры на дискретных элементах подключаются к выводам 20 - 24 (рис.3). Сигнал на промежуточной частоте (455 кГц для АМ и 10,7 МГц для ЧМ) через внешние пьезоэлектрические полосовые фильтры поступает на входы промежуточной частоты 13 и 14. В блоке FM IF/Diskri выполняется демодуляция сигналов ЧМ, а в блоке AM IF/Det - демодуляция сигналов АМ.

Далее сигнал через усилители поступает на фазовые детекторы PD1 и PD2, где осуществляется декодирование комплексного стереосигнала (КСС). Для этого необходимо восстановить по пилот-тону поднесущее колебание. Управляемый напряжением генератор VCO (Voltage Control Oscillator) вырабатывает колебания с частотой 76 кГц, то есть в 4 раза больше частоты пилот-тона и в 2 раза больше частоты поднесущей.

Рис.26. Структура интегральной схемы CXA1538

На выходе первого делителя частоты (верхний "1/2 Counter" на рис.2) получается частота поднесущей 38 кГц, которая поступает на второй делитель частоты, вырабатывающий колебания с частотой 19 кГц, и на декодирующую схему ("DECOD AMP"), на которую поступает также КСС с демодулятора ЧМ через буферные усилители. В декодирующей схеме из надтональной составляющей КСС выделяется разностный сигнал Л-П. В результате его сложения с тональной составляющей Л+П выделяется сигнал левого канала Л, а в результате вычитания - сигнал правого канала П.

Автоматическая подстройка генератора осуществляется с помощью фазовых детекторов PD1 и PD2. Колебания с частотами 38 кГц и 19 кГц поступают на левые входы фазовых детекторов. КСС подается на их правые входы. Сигналы с выходов фазовых детекторов (вывод 1 микросхемы) через внешний ФНЧ поступают на вход управления генератора (вывод 29). Фазовая автоподстройка частоты (ФАПЧ или PLL) обеспечивает синфазность колебаний на выходе генератора VCO с пилот-тоном в КСС.

В лабораторном стенде для исследования выводятся сигналы с выхода фазового детектора, работающего на частоте 19 кГц (вывод 3 микросхемы), и сигнал правого канала после схемы декодирования (вывод 5 микросхемы). Сигналы выводятся через дополнительные буферные усилители, не показанные на схемах.

Рис.27. Плата тюнера радиоприемника

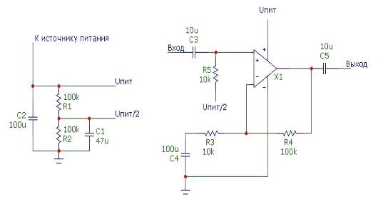
2.1.3 Буферный усилитель

Буферный усилитель построен на операционном усилителе (далее ОУ) NE5532 выполненном в виде микросхемы, корпус DIP-8 и имеет два канала (Рис.28).

Данный ОУ имеет хорошие параметры: малый собственный шум, широкий диапазон питающих напряжений, высокую частоту единичного усиления , высокое входное сопротивление.

В данном проекте используется схема типового включение ОУ в качестве не инвертирующего усилителя с однополярным источником питания

Рис.28 NE5532 Вид сверху

Рассмотрим схему (Рис.29) одного канала более детально. Сигнал поступает через блокировочный конденсатор С3 на не инвертирующий вход усилителя X1, через резистор R5 поступает постоянная составляющая равная половине питания, что необходимо поскольку источник питания однополярный. Цепь R4R3 - ООС, которая обеспечивает стабильную работу усилителя, а так же отношением этих резисторов можно задать коэффициент усиления. Конденсатор C4 предотвращает КЗ по постоянному току в ООС. Конденсатор C5 - так же блокировочный. Делитель R1R2 задает напряжение равное половине питания, конденсаторы C2,C1 являются фильтрами по питанию. Питание схемы осуществляется от бортового источника питания магнитолы.

Рис.29 Схема одного канала буферного усилителя

2.1.4 Цифровой осциллограф PCSGU250, ПК и ПО PC-LAB2000LT

PCSGU250 - это полная USB лаборатория в одном приборе. Прибор заменит в измерительном инструментарии инженера двухканальный осциллограф, спектроанализатор, самописец, функциональный генератор и плоттер Бодэ. С помощью генератора пользователь может создавать сигналы индивидуальной формы с помощью специального редактора сигналов. А для автоматизации измерений можно генерировать последовательности осциллограмм с помощью файла или порта компьютера.

Общие характеристики

маркеры для амплитуды/напряжения и частоты/времени;

развязка по входу: DC, AC и земля;

разрешение 8 бит;

сохранение скриншота дисплея и данных измерений;

габаритные размеры: 205x55x175 мм;

* Не рекомендуется использовать для питания прибора USB хаб. Это может привести к сбою в работе программного обеспечения.

Спектроанализатор

диапазон частот 0... 120 Гц до 12 МГц;

линеарная и логарифмическая шкала;

принцип работы: анализатор Фурье;

разрешение спектроанализатора: 2048 линий;

входные каналы 1 или 2;

функция масштабирования.

Самописец

временная шкала: 20 мс/дел...2000 с/дел;

макс, длина записи: 9,4 часа/экран;

автоматическая запись в течение года;

автоматическое сохранение данных;

максимальное число выборок: 100/с;

минимальное число выборок: 1/20 с.

Функциональный генератор

частотный диапазон: синус 0.005 Гц ... 1000 кГц;

частотный диапазон: меандр и пила 0.005 Гц ...500 кГц;

расширенная библиотека сигналов;

- амплитудный диапазон: 100 мВ ампл. до 10 В ампл. (1 кГц, 600 Ом), выходной импеданс 50 Ом.

Осциллограф

полоса пропускания: два канала от DC до 12 МГц, ±3 дБ;

входной импеданс: 1 МОм/30 пФ;

максимальное входное напряжение: 30 В (AC+DC);

временная развертка: 0,1 мкс...500 мс/дел;

развертка по вертикали: 10 мВ.,.3 В/дел;

показания: True RMS, dBV, dBm, пиковые измерения, рабочий цикл, частота и др.;

длина записи: 4К/канал;

скорость выборки: 250 Гц...25 МГц;

сохранение истории.

Плоттер Бодэ

автоматическая синхронизация осциллографа и генератора;

частотный диапазон: 1 кГц, 10 кГц, 100 кГц, 500 кГц;

начальная частота: 10 Гц, 100 Гц, 1 кГц, 10 кГц.

Минимальные требования к ПК:

IBM совместимый ПК с операционной системой Windows™ 2000/XP/Vista;

VGA дисплей (1024x768);

10 МБ свободного места на диске;

мышка;

CD или CD/DVD-ROM плейер;

свободный USB порт.

Запуск программы

Найти ярлык программы Pc-Lab2000LT (в меню Пуск - Программы - Pc-Lab2000LT). Кликнуть на ярлыке для запуска программы. Может появиться сообщение loading, please wait (идет загрузка, подождите). На корпусе прибора загорится светодиод.

При запуске программы автоматически подгружается модуль осциллографа и генератора, показанный на рисунке ниже. Если возникла ошибка в работе (например, если прибор не определился компьютером) отключить и повторно подключить USB кабель. Провести процедуру включения повторно.

Примечания:

При первом включении питания осциллографа он автоматически проведет процесс самокалибровки.

Модуль осциллографа (Рис.30)

Модуль осциллографа представляет набор удобных функций для работы с цифровым записывающим осциллографом.

Подключить тестируемое устройство ко входу осциллографа (следить за максимальным значением на входе осциллографа).

Рис.30 Окно осциллографа

начать измерения с помощью кнопки;

Trigger OFF (6);

нажатьRUN (7);

выбрать требуемый канал и настройки вертикальной развертки volts/div или нажать режим автоматических настроек "Auto-set";

выбрать необходимую горизонтальную развертку (8);

Для триггерного запуска:

выбрать канал триггера (5);

выбрать наклон сигнала (4);

установить триггер на ON (6);

с помощью движкового переключателя выбрать уровень триггера (3). С левой стороны появится индикатор триггера (1).

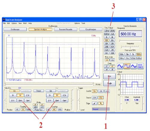
Модуль спектроанализатора (Рис.31)

Модуль спектроанализатора - мощный инструментарий, позволяющий визуализировать частотный спектр сигнала с помощью анализатора Фурье.

Рис.31 Окно спектроанализатора

подключить вход осциллографа к тестируемой цепи (следить за максимальным значением на входе осциллографа)

проанализировать сигнал в режиме осциллографа

убедиться, что сигнал не выходит за пределы экрана

запустить анализатор спектра

выбрать требуемый частотный диапазон, убедиться, что установленные настройки позволят отобразить сигнал на дисплее полностью(3)

- при необходимости выбрать канал и настройки по вертикали(2).

.2 РЕЗУЛЬТАТЫ ЭКСПЕРИМЕНТАЛЬНОГО ИССЛЕДОАНИЯ СИГНАЛОВ СТЕРЕОФОНИЧЕСКОГО РАДИОВЕЩАНИЯ

2.2.1 Порядок проведения измерений

- Проверить выполнение требований по ТБ.

Изучить структурную схему стереодекодера радиоприемника.

На принципиальной схеме радиоприемника (рис. 27) найти выходы сигналов каналов, выход и фильтр схемы фазовой автоподстройки частоты.

Подключить прибор PCSGU250 к персональному компьютеру и радиоприемнику в соответствии с рис.32.

Рис.32

Разъем USB прибора PCSGU250 соединить с разъемом USB персонального компьютера стандартным USB кабелем. Коаксиальные кабели с разъемами BNC, выведенные из радиоприемника, подключить к входам прибора PCSGU250. Сетевой шнур радиоприемника подключить к сети переменного тока 220 В. Регулировку громкости радиоприемника вывести на минимум.

Включить персональный компьютер. Запустить программу "PC-Lab 2000 LT". Убедиться, что на передней панели прибора PCSGU250 светится индикатор "Ready".

Исследовать временные диаграммы и спектры сигналов стереофонического вещания с пилот-тоном

Включить радиоприемник. Установив небольшой уровень громкости, настроить приемник на какую-либо радиостанцию FM диапазона (87 - 108 МГц). Переключая режимы "Стерео/Моно", проверить наличие стереофонической передачи. Установить режим "Стерео"

Выбрать режим "Oscilloscope" прибора PCSGU250. Включить осциллограф, нажав кнопку "Run". Установить скорость развертки (справа от экрана осциллографа) 1 мс/дел. Установить диапазоны напряжений и смещения уровней в двух каналах (под экраном) так, чтобы получить осциллограммы. Зафиксировать осциллограммы, отжав кнопку "Run".

Переключить приемник в режим "Моно". Получить и зафиксировать осциллограммы сигналов в обоих каналах. Сравнить с осциллограммами в режиме "Стерео".

Включить режим радиоприемника "Стерео". Включить режим прибора PCSGU250 "Spectrum Analyzer". Установить диапазон частот ("Freq.Range") 60 кГц. Диапазоны напряжений оставить как в предыдущем пункте. Включить канал 1. Включить анализатор кнопкой "Run". Получить спектр и зафиксировать его, отжав кнопку "Run".

Включить курсоры, выбрав в меню пункт "View" - "Markers (FFT) f&V". Переместить мышью вертикальный курсор так, чтобы он совпал с вершиной пика пилот-тона в спектре. Убедиться по индикатору под экраном, что частота пилот-тона примерно 19 кГц.

Включить канал 2 и получить спектр сигнала на выходе декодера. Установить вертикальный курсор на пик, соответствующей поднесущей частоте. Убедиться, что частота поднесущей равна 38 кГц.

Переключить радиоприемник в режим "Моно". Получить спектры сигналов в двух каналах. Отметить на них положение пилот-тона. Записать, есть ли на этих спектрах поднесущая и надтональная часть КСС.

Переключить радиоприемник в режим "Стерео".

Исследовать спектры сигналов стереофонического радиовещания с полярной модуляцией

Включить режим прибора PCSGU250 "Spectrum Analyzer", канал 1. Контролируя спектр сигнала, настроить радиоприемник на какую-либо радиостанцию в диапазоне 66 - 74 кГц, ведущую вещание в системе с полярной модуляцией. Признаком настройки на такую радиостанцию будет наличие в спектре пика на частоте поднесущей 31,25 кГц. Зафиксировать спектр. Установить вертикальный курсор на этот пик. Зарисовать спектр в отчет, отметив измеренное значение частоты поднесущей.

Получить спектр сигнала на выходе декодера, переключив прибор на канал 2. Измерить частоту поднесущего колебания.

2.2.2 Результаты измерений системы с пилот-тоном

Горизонтальная развертка -1мс/дел для осциллографа и 60/120кГц для спектрографа, разрешение по напряжению устанавливается исходя из уровня сигнала, и выбирается достаточным для нормального наблюдения сигналов.

Сигналы на выходах противофазные.

Выход ФД - Синий (1).

Выход стереодекодера (П) - Красный (2).

Временные диаграммы КСС на выходе ФД и стереодекодера в режиме стерео приема.

Временные диаграммы КСС на выходе ФД и стереодекодера в режиме моно приема.

Спектрограммы КСС на выходе ФД:


в стерео режиме

в моно режиме

Спектрограммы КСС на выходе стереодекодера:


в стерео режиме

в моно режиме


На временных диаграммах видно сильное «уплотнение» колебания при стерео режиме, и на оборот при моно режиме более «чистое» колебание, это может говорить о наличии высокочастотных составляющих. На спектрограммах видны два характерных подъема в районе 19кГц и 38кГц, при чем подъем на частоте 19кГц присутствует постоянно не зависимо от включенного режима(моно/стерео). При переключении в моно режим подъем в районе 38 кГц пропадает что соответствует подавлению поднесущей, а следовательно и подавлению стереоэффекта, поскольку разностная (надтональная) часть сигнала не детектируется. Из этого следует, что пилот-тон присутствует в принимаемом радиосигнале всегда, а поднесущая частота восстанавливается или нет, в зависимости от режима приема и отношения сигнал/шум в радиоканале (блок AUTOBLEND в ИМС CXA1538).

2.2.3 Результаты измерений системы с ПМК

Поскольку радиоприемник в данной магнитоле имеет стереодекодер для детектирования только пилот тона, то на выходе стереодекодера будет только монофонический сигнал, и о наличие стерео эффекта будет возможно судить только по спектрограммам.

Временные диаграммы будут иметь следующий вид (параметры измерительных приборов те же, что и в предыдущем пункте):

Спектр КСС на выходе ФД


Спектр КСС на выходе стереодекодера


На представленных выше осциллограммах так же присутствует «уплотнение» колебания на выходе ФД, а на выходе стереодекодера данное «уплотнение» отсутствует, что свидетельствует о том, что надтональная часть не проходит через стереодекодер.

По спектрограммам можно говорить о том, что принимаемый сигнал стереофонический, поскольку присутствует ярко выраженная поднесущая частота (подъем в районе 31,12 кГц) и небольшие колебания амплитуды спектральных составляющих около нее (20кГц-40кГц).

Заключение

В данном дипломном проекте был разработан лабораторный стенд для изучения спектра стереофонического сигнала. Были получены спектрограммы и осциллограммы сигналов в системах с ПМК и пилот-тоном, которые соответствуют спектрам описанным в теоретической части. Принцип работы стереодекодера радиоприемника магнитолы соответствует принципу работы стереодекодера с фазовой автоподстройкой частоты и синхронным детектированием разностного сигнала. Так же было подробно описано используемое оборудование, структурная схема и приведена методика проведения измерений.

Список используемой литературы

1.Стереофоническое вещание И.А.Богларов, 1993-600M.

.Звуковое и телевизионное вещание: Учебник для техникумов А.В.Выходец, В.И.Коваленко, М.Т.Кохно - М.:Радио и связь, 1987.

3.Радиовещание и электроакустика Ковалгин Ю.А. - М.:Радио и связь, 1999.

4. www.ti.com <http://www.ti.com> - Texas Instruments <https://www.google.ru/url?sa=t&rct=j&q=&esrc=s&source=web&cd=1&cad=rja&ved=0CC8QFjAA&url=http%3A%2F%2Fwww.ti.com%2Fproduct%2Fne5532&ei=qszuUuTQEIic4wSgyoCQBg&usg=AFQjCNG_pLR58eB95APyHLStF8mMpZNASQ&bvm=bv.60444564,d.bGE> - NE5532.pdf.

. www.promelec.ru <http://www.promelec.ru> - CXA1538.pdf.

. www.platan.ru <http://www.platan.ru> - Pc-Lab2000LT.pdf.

Похожие работы на - Измерение характеристик сигналов стереофонического радиовещания

 

Не нашли материал для своей работы?
Поможем написать уникальную работу
Без плагиата!
Без нейросетей!