Жидкокристаллические дисплеи и панели
Государственное
автономное образовательное учреждение среднего
Профессионального
образования Республики Карелия
«Индустриальный
колледж»
КУРСОВАЯ
РАБОТА
Тема:
«Жидкокристаллические дисплеи и панели»
Студента
Захарова Дмитрия Юрьевича
Петрозаводск
2015 г.
Оглавление
Введение
Глава 1. Теоретическая часть
.1 Жидкокристаллический дисплей
.2 Плазменная панель
.3 Преимущества и недостатки
Глава 2. Решение задач
Заключение
Список литературы
Введение
Тема «Жидкокристаллические дисплей и плазменные
панели» имеет большое значение, потому что в современном мире очень много
приборов используют графический или текстовый вывод для отображения информации
на экране. В последние годы данное направление развивается стремительно
появляются всё новые технологии, улучшаются старые.
Цель курсовой работы.
Изучить принцип работы жидкокристаллических
дисплеев.
Изучить принцип работы плазменных панелей.
Сравнить принцип работы ЖК дисплеев и плазменных
панелей.
Отметить плюсы и минусы ЖК дисплеев и плазменных
панелей.
Глава 1. Теоретическая часть
.1 Жидкокристаллический дисплей
жидкокристаллический электронный
транзистор диод
Экраны LCD (Liquid Crystal Display,
жидкокристаллические мониторы) сделаны из вещества (цианофенил), которое
находится в жидком состоянии, но при этом обладает некоторыми свойствами,
присущими кристаллическим телам. Фактически это жидкости, обладающие
анизотропией свойств (в частности, оптических), связанных с упорядоченностью в
ориентации молекул.
Дисплей на жидких кристаллах используется для
отображения графической или текстовой информации в компьютерных мониторах,
телевизорах, телефонах, цифровых фотоаппаратах, электронных книгах,
навигаторах, планшетах, электронных переводчиках, калькуляторах, часах и т. п.,
а также во многих других электронных устройствах.
Как ни странно, но жидкие кристаллы старше ЭЛТ
почти на десять лет, первое описание этих веществ было сделано еще в 1888 году.
Однако долгое время никто не знал, как их применить на практике: есть такие
вещества и все, и никому, кроме физиков и химиков, они не были интересны. Итак,
жидкокристаллические материалы были открыты еще в 1888 году австрийским ученым
Ф. Ренитцером, но только в 1930-м исследователи из британской корпорации
Marconi получили патент на их промышленное применение. Впрочем, дальше этого
дело не пошло, поскольку технологическая база в то время была еще слишком
слаба. Первый настоящий прорыв совершили ученые Фергесон (Fergason) и Вильямс
(Williams) из корпорации RCA (Radio Corporation of America). Один из них создал
на базе жидких кристаллов термодатчик, используя их избирательный отражательный
эффект, другой изучал воздействие электрического поля на нематические
кристаллы. И вот, в конце 1966 года, корпорация RCA продемонстрировала прототип
LCD - цифровые часы. Значительную роль в развитии LCD-технологии сыграла
корпорация Sharp. Она и до сих пор находится в числе технологических лидеров.
Первый в мире калькулятор CS10A
был произведен в 1964 г. именно этой корпорацией. В октябре 1975-го уже по
технологии TN LCD были изготовлены первые компактные цифровые часы. Во второй
половине 70-х начался переход от восьмисегментных жидкокристаллических
индикаторов к производству матриц с адресацией каждой точки. Так, в 1976 году
Sharp выпустила черно-белый телевизор с диагональю экрана 5,5 дюйма,
выполненного на базе LCD-матрицы разрешением 160х120 пикселов.
Жидкие кристаллы - это вещества,
молекулы которых обладают высокой подвижностью, и склонны к упорядоченной
ориентации в электрическом поле. Удельное сопротивление жидких кристаллов
велико и достигает от 
до 
Ом. При комнатной температуре в
отсутствие электрического поля ориентация молекул жидких кристаллов хаотична,
ввиду чего вещество не прозрачно. При возникновении электрического поля
происходит упорядочивание молекул, и в результате вещество становится оптически
прозрачно. Упрощённую конструкцию жидкокристаллического индикатора можно увидеть
на рисунке 1
Рис. 1
На рисунке цифрами обозначено:
- стекло или подобный прозрачный материал;
- плѐнки прозрачных электродов, образующих
матрицу;
- жидкие кристаллы;
- металлическая поверхность.
Прозрачный электрод изготавливают в форме цифр
или символов, в соответствии с тем, какое изображение желают получить. Между
токопроводящими пленками нужных в данный момент прозрачных электродов и
металлическим основанием подсоединяют генератор, вырабатывающий переменное
напряжение амплитудой от 2 до 15 В и частотой от десятков до тысяч герц.
Достоинства жидкокристаллических индикаторов
заключено в чрезвычайно низком энергопотреблении и невысоком питающем
напряжении.
Недостатки состоят в малом времени наработки на
отказ, в обязательном наличии источника внешнего освещения.
Жидкие кристаллы можно отнести к одному из трѐх
видов: смектическим, нематическим или холестерическим.
В смектическом (рисунок 2) жидком кристалле
молекулы расположены слоями, которые могут легко скользить один по другому,
обусловливая текучесть жидкого кристалла. Слои расположены периодично друг
относительно друга. Внутри слоёв, в боковых направлениях, строгая периодичность
в расположении молекул отсутствует.
Нематические (рисунок 3) жидкие кристаллы не
имеют такой слоистой структуры, как смектические. Молекулы беспорядочно
сдвинуты в направлении своих длинных осей. Наблюдается лишь ориентационный
порядок в расположении молекул: все молекулы ориентированы вдоль одного
преимущественного направления. Если посмотреть на препарат в микроскоп, можно
увидеть тёмные тонкие нити. Это места, где молекулы резко меняют свою
ориентацию. Эти нити называют - дисинклинациями. При определённых температурах
смектики могут превращаться в нематики.
Рис. 2
Рис. 3
Холестерические жидкие кристаллы образуют в
основном соединения холестерина и других стероидов. Структура жидких кристаллов
такая же, как и у нематических, но дополнительно закручена в направлении,
перпендикулярном длинным осям молекул.
Интересной особенностью обладают холестерических
(рисунок 4) жидких кристаллов является то, что падающий на тонкий слой
кристалла луч света может претерпевать селективное отражение, т.е. закон
отражения для белого света в этом случае не выполняется. Лучи различной длины
волны будут отражаться под разными углами. Вследствие этого холестерическая
плёнка будет выглядеть в отражённом свете ярко окрашенной.
Рис. 4
Простые приборы с дисплеем (электронные часы,
телефоны, плееры, термометры и пр.) могут иметь монохромный или 2-5-цветный
дисплей. Многоцветное изображение формируется с помощью RGB-триад.(аббревиатура
английских слов Red, Green, Blue - красный, зелёный, синий) - аддитивная
цветовая модель, как правило, описывающая способ синтеза цвета для
цветовоспроизведения (рисунок 5)
Рис. 5
Конструктивно дисплей состоит из следующих
элементов (рисунок 6):
ЖК-матрицы (первоначально - плоский пакет
стеклянных пластин, между слоями которого и располагаются жидкие кристаллы; в
2000-е годы начали применяться гибкие материалы на основе полимеров);
· источников света для подсветки;
· контактного жгута (проводов);
· корпуса, чаще пластикового, с
металлической рамкой для придания жёсткости.
Состав пикселя ЖК-матрицы:
· два прозрачных электрода;
· слой молекул, расположенный между
электродами;
· два поляризационных фильтра,
плоскости поляризации которых (как правило) перпендикулярны.
Рис. 6
Если же к электродам приложено напряжение, то
молекулы стремятся выстроиться в направлении электрического поля, что искажает
винтовую структуру. При этом силы упругости противодействуют этому, и при
отключении напряжения молекулы возвращаются в исходное положение. При
достаточной величине поля практически все молекулы становятся параллельны, что
приводит к непрозрачности структуры. Варьируя напряжение, можно управлять
степенью прозрачности.
Если постоянное напряжение приложено в течение
долгого времени, жидкокристаллическая структура может деградировать из-за
миграции ионов. Для решения этой проблемы применяется переменный ток или
изменение полярности поля при каждой адресации ячейки (так как изменение
прозрачности происходит при включении тока, вне зависимости от его полярности).
Во всей матрице можно управлять каждой из ячеек
индивидуально, но при увеличении их количества это становится трудновыполнимо,
так как растёт число требуемых электродов. Поэтому практически везде
применяется адресация по строкам и столбцам.
Сами по себе жидкие кристаллы не светятся. Чтобы
изображение на жидкокристаллическом дисплее было видимым, нужен источник света.
Источник может быть внешним (например, Солнце), либо встроенным (подсветка).
Обычно лампы встроенной подсветки располагаются позади слоя жидких кристаллов и
просвечивают его насквозь (хотя встречается и боковая подсветка, например, в
часах).
Внешнее освещение
Монохромные дисплеи наручных часов и мобильных
телефонов большую часть времени используют внешнее освещение (от Солнца, ламп
комнатного освещения и так далее). Обычно позади слоя пикселей из жидких
кристаллов находится зеркальный или матовый отражающий слой. Для использования
в темноте такие дисплеи снабжаются боковой подсветкой. Существуют также
трансфлективные дисплеи, в которых отражающий (зеркальный) слой является
полупрозрачным, а лампы подсветки располагаются позади него.
Подсветка лампами накаливания
В прошлом в некоторых наручных часах с
монохромным ЖК-дисплеем использовалась сверхминиатюрная лампа накаливания. Но
из-за высокого энергопотребления лампы накаливания являются невыгодными. Кроме
того, они не подходят для использования, например, в телевизорах, так как
выделяют много тепла (перегрев вреден для жидких кристаллов) и часто
перегорают.
Электролюминесцентная панель
Монохромные ЖК-дисплеи некоторых часов и
приборных индикаторов используют для подсветки электролюминесцентную панель.
Эта панель представляет собой тонкий слой кристаллофосфора (например, сульфида
цинка), в котором происходит электролюминесценция - свечение под действием
тока. Обычно светится зеленовато-голубым или жёлто-оранжевым светом.
Подсветка газоразрядными («плазменными») лампами
В течение первого десятилетия XXI века
подавляющее большинство LCD-дисплеев имело подсветку из одной или нескольких
газоразрядных ламп (чаще всего с холодным катодом - CCFL, хотя недавно стали
использоваться и EEFL). В этих лампах источником света является плазма,
возникающая при электрическом разряде через газ. Такие дисплеи не следует
путать с плазменными дисплеями, в которых каждый пиксель сам светится и
является миниатюрной газоразрядной лампой.
Светодиодная (LED) подсветка
В начале 2010-х получили распространение
ЖК-дисплеи, имеющие подсветку из одного или небольшого числа светодиодов (LED).
Такие ЖК-дисплеи (в торговле нередко называемые LED TV или LED-дисплеями) не
следует путать с настоящими LED-дисплеями, в которых каждый пиксель сам
светится и является миниатюрным светодиодом.
Важнейшие характеристики ЖК-дисплеев:
1. тип матрицы определяется технологией, по
которой изготовлен ЖК-дисплей;
2. класс матрицы; стандарт ISO 13406-2
выделяет четыре класса матриц;
ISO 13406-2 - Стандарт ISO на визуальную
эргономику ЖК-дисплеев. Полное название
«Ergonomic requirements for work with visual displays based on flat panels -
Part 2: Ergonomic requirements for flat panel displays». Известен
потребителям как стандарт на «Битые пиксели»
Дефектные пиксели
Стандарт различает 4 класса качества
ЖК-дисплеев, для каждого из которых допускается определенное количество
неработающих пикселей из миллиона:
Класс 1: 0 дефектных пикселей на миллион.
Класс 2: до 2 дефектов типа 1 и 2 или до 5
дефектов типа 3 на миллион.
Класс 3: до 5 дефектных пикселей типа 1; до 15 -
типа 2; до 50 дефектных субпикселей на миллион.
Класс 4: до 150 битых пикселей на миллион.
Среди массово выпускаемых ЖК-панелей практически
нет продукции 4-го класса.
В стандарте определено 4 типа дефектных
пикселов:
Тип 1: постоянно горящие пиксели.
Тип 2: постоянно негорящие пиксели.
Тип 3: пиксели с другими дефектами, включая
дефекты сабпикселов (ячеек RGB, составляющих пиксель), т.е. постоянно горящие
красные, зелёные или голубые сабпиксели.
Тип 4 (группа дефектных пикселов): несколько
дефектных пикселов в квадрате 5 x 5 пикселов.
3. разрешение - горизонтальный и
вертикальный размеры, выраженные в пикселях.
В отличие от ЭЛТ-мониторов, ЖК имеют одно
фиксированное разрешение, остальные достигаются интерполяцией (ЭЛТ-мониторы также имеют фиксированное количество
пикселей, которые также состоят из красных, зеленых и синих точек. Однако из-за
особенностей технологии при выводе нестандартного разрешения в интерполяции нет
необходимости);
4. размер точки (размер пикселя) -
расстояние между центрами соседних пикселей. Непосредственно связан с
физическим разрешением;
. соотношение сторон экрана (пропорциональный формат) - отношение ширины к
высоте (5:4, 4:3, 3:2 (15÷10),
8:5 (16÷10),
5:3 (15÷9),
16:9 и др.);
6. видимая
диагональ - размер самой панели, измеренный по диагонали. Площадь дисплеев
зависит также от формата: монитор с форматом 4:3 имеет большую площадь, чем с
форматом 16:9 при одинаковой диагонали;
7. контрастность
- отношение яркостей самой светлой и самой тёмной точек при заданной яркости
подсветки. В некоторых мониторах используется адаптивный уровень подсветки с
использованием дополнительных ламп, приведённая для них цифра контрастности
(так называемая динамическая) не относится к статическому изображению;
. яркость
- количество света, излучаемое дисплеем (обычно измеряется в канделах на
квадратный метр);
. время
отклика - минимальное время, необходимое пикселю для изменения своей яркости.
Составляется из двух величин:
· время буферизации (input lag). Высокое значение мешает в динамичных играх; обычно умалчивается;
измеряется сравнением с кинескопом в скоростной съёмке. Сейчас (2011) в
пределах 20-50 мс; в отдельных ранних моделях достигало 200 мс;
· время переключения. Указывается в характеристиках монитора.
Высокое значение ухудшает качество видео; методы измерения неоднозначны. Сейчас
практически во всех мониторах заявленное время переключения составляет 2-6 мс;
10. угол
обзора - угол, при котором падение контраста достигает заданного, для разных
типов матриц и разными производителями вычисляется по-разному, и часто не
подлежит сравнению. Некоторые производители указывают в тех. параметрах своих
мониторов углы обзора такие к примеру как: CR 5:1 - 176/176°, CR 10:1 -
170/160°. Аббревиатура CR (англ. contrast ratio) обозначает уровень контрастности при указанных углах обзора
относительно перпендикуляра к экрану. При углах обзора 170°/160° контрастность
в центре экрана снижается до значения не ниже чем 10:1, при углах обзора
176°/176° - не ниже чем до значения 5:1.
Таким образом, полноценный монитор с ЖК-дисплеем
состоит из высокоточной электроники, обрабатывающей входной видеосигнал,
ЖК-матрицы, модуля подсветки, блока питания и корпуса с элементами управления.
Именно совокупность этих составляющих определяет свойства монитора в целом,
хотя некоторые характеристики важнее других.
Основные технологии при изготовлении ЖК
дисплеев: TN+film, IPS (SFT, PLS) и MVA. Различаются эти технологии геометрией
поверхностей, полимера, управляющей пластины и фронтального электрода. Большое
значение имеют чистота и тип полимера со свойствами жидких кристаллов,
применённого в конкретных разработках.
Время отклика ЖК мониторов, сконструированных по
технологии SXRD (англ. Silicon
X-tal
Reflective
Display
- кремниевая отражающая жидкокристаллическая матрица), уменьшено до 5 мс.
Компании Sony
<https://ru.wikipedia.org/wiki/Sony>, Sharp
<https://ru.wikipedia.org/wiki/Sharp> и Philips
<https://ru.wikipedia.org/wiki/Philips> совместно разработали
технологию PALC (англ. plasma addressed liquid crystal -
плазменное управление жидкими кристаллами), которая соединила в себе
преимущества ЖК (яркость и насыщенность цветов, контрастность) и плазменных
панелей (большие углы обзора по горизонтали и вертикали, высокая скорость
обновления). В качестве регулятора яркости в этих дисплеях используются
газоразрядные плазменные ячейки, а для цветовой фильтрации применяется
ЖК-матрица. Технология PALC позволяет адресовать каждый пиксель дисплея по
отдельности, а это означает наилучшую управляемость и качество изображения.
TN + film (Twisted Nematic + film) (рисунок 7)-
самая простая технология. Слово «film» в названии технологии означает
«дополнительный слой», применяемый для увеличения угла обзора (ориентировочно -
от 90 до 150°). В настоящее время приставку «film» часто опускают, называя
такие матрицы просто TN. Способа улучшения контрастности и углов обзора для
панелей TN пока не нашли, причём время отклика у данного типа матриц является
на настоящий момент одним из лучших, а вот уровень контрастности - нет.
Матрица TN + film работает следующим образом:
если к субпикселям не прилагается напряжение, жидкие кристаллы (и
поляризованный свет, который они пропускают) поворачиваются друг относительно
друга на 90° в горизонтальной плоскости в пространстве между двумя пластинами.
И поскольку направление поляризации фильтра на второй пластине составляет как
раз угол в 90° с направлением поляризации фильтра на первой пластине, свет
проходит через него. Если красные, зеленые и синие субпиксели полностью
освещены, на экране образуется белая точка.
К достоинствам технологии можно отнести самое
маленькое время отклика среди современных матриц, а также невысокую
себестоимость. Недостатки: худшая цветопередача, наименьшие углы обзора.
Технология IPS (англ. in-plane switching), или SFT (super fine TFT) (рисунок
8), была разработана компаниями Hitachi
<https://ru.wikipedia.org/wiki/Hitachi> и NEC в 1996 году.
Эти компании пользуются разными
названиями этой технологии - NEC использует «SFT», а Hitachi - «IPS».
Технология предназначалась для
избавления от недостатков TN + film. Хотя с помощью IPS и удалось добиться
увеличения угла обзора до 178°, а также высокой контрастности и цветопередачи,
время отклика осталось на низком уровне.
Рис. 7.
По состоянию на 2008 год, матрицы, изготовленные
по технологии IPS (SFT), - единственные из ЖК-мониторов, всегда передающие
полную глубину цвета RGB - 24 бита, по 8 бит на канал. По состоянию на 2012 год
выпущено уже много мониторов на IPS матрицах (e-IPS производства LG.Displays),
имеющих 6 бит на канал. Старые TN-матрицы имеют 6-бит на канал, как и часть
MVA.
Если к матрице IPS не приложено напряжение,
молекулы жидких кристаллов не поворачиваются. Второй фильтр всегда повернут
перпендикулярно первому, и свет через него не проходит. Поэтому отображение чёрного
цвета близко к идеалу. При выходе из строя транзистора «битый» пиксель для
панели IPS будет не белым, как для матрицы TN, а чёрным.
При приложении напряжения молекулы жидких
кристаллов поворачиваются перпендикулярно своему начальному положению и пропускают
свет.
IPS в настоящее время вытеснено
технологией Н-IPS, которая наследует все преимущества технологии IPS с
одновременным уменьшением времени отклика и увеличением контрастности.
Цветность лучших Н-IPS панелей не уступает обычным мониторам ЭЛТ. Н-IPS и более
дешевая e-IPS активно используется в панелях размером от 20". LG Display
<https://ru.wikipedia.org/wiki/LG_Display>, Dell
<https://ru.wikipedia.org/wiki/Dell>, NEC
<https://ru.wikipedia.org/wiki/NEC>, Samsung <https://ru.wikipedia.org/wiki/Samsung>,
Chimei
<https://ru.wikipedia.org/w/index.php?title=Chimei&action=edit&redlink=1>
остаются единственными производителями панелей по данной технологии.IPS (Advanced Super IPS -
расширенная супер-IPS) - также была разработана корпорацией Hitachi в 2002
году. В основном улучшения касались уровня контрастности обычных панелей S-IPS,
приблизив его к контрастности S-PVA панелей. AS-IPS также используется в
качестве названия для мониторов корпорации NEC (например, NEC LCD20WGX2)
созданных по технологии S-IPS, разработанной консорциумом LG Display.
H-IPS A-TW (Horizontal
IPS with Advanced True White Polarizer) - разработана
LG Display для корпорации
NEC. Представляет
собой H-IPS панель с цветовым фильтром TW (True White - «настоящий белый») для
придания белому цвету большей реалистичности и увеличения углов обзора без
искажения изображения (исключается эффект свечения ЖК-панелей под углом - так
называемый «глоу-эффект»). Этот тип панелей используется при создании
профессиональных мониторов высокого качества.(Advanced Fringe Field Switching,
неофициальное название - S-IPS Pro) - дальнейшее улучшение IPS, разработана
компанией BOE Hydis
<https://ru.wikipedia.org/w/index.php?title=BOE_Hydis&action=edit&redlink=1>
в 2003 году. Увеличенная напряжённость электрического поля позволила добиться
ещё больших углов обзора и яркости, а также уменьшить межпиксельное расстояние.
Дисплеи на основе AFFS в основном применяются в планшетных ПК, на матрицах
производства Hitachi Displays.
Технология VA (сокр. от vertical alignment -
вертикальное выравнивание) была представлена в 1996 году компанией Fujitsu.
Жидкие кристаллы матрицы VA при выключенном напряжении выровнены
перпендикулярно по отношению ко второму фильтру, то есть не пропускают свет.
При приложении напряжения кристаллы поворачиваются на 90°, и на экране
появляется светлая точка. Как и в IPS-матрицах, пиксели при отсутствии
напряжения не пропускают свет, поэтому при выходе из строя видны как чёрные
точки.
Наследницей технологии VA стала
технология MVA (multi-domain vertical alignment),
разработанная компанией Fujitsu
<https://ru.wikipedia.org/wiki/Fujitsu> как компромисс между TN и IPS
технологиями. Горизонтальные и вертикальные углы обзора для матриц MVA
составляют 160° (на современных моделях мониторов до 176-178°), при этом,
благодаря использованию технологий ускорения (RTC), эти матрицы не сильно
отстают от TN+Film по времени отклика. Они значительно превышают характеристики
последних по глубине цветов и точности их воспроизведения.
Достоинствами технологии MVA являются
глубокий чёрный цвет (при перпендикулярном взгляде) и отсутствие как винтовой
структуры кристаллов, так и двойного магнитного поля. Недостатки MVA в
сравнении с S-IPS: пропадание деталей в тенях при перпендикулярном взгляде,
зависимость цветового баланса изображения от угла зрения.
Аналогами MVA являются технологии:
· PVA (patterned
vertical alignment) от
Samsung;
· Super PVA от
Sony-Samsung (S-LCD);
· Super MVA от CMO;
· ASV (advanced
super view), так
же
называется
ASVA (axially symmetric vertical alignment)
от
Sharp.
Матрицы MVA/PVA считаются компромиссом между TN
и IPS, как по стоимости, так и по потребительским свойствам.
PLS-матрица (plane-to-line
switching)
была разработана компанией Samsung как альтернатива IPS и впервые
продемонстрирована в декабре 2010 года. Предполагается, что эта матрица будет
на 15 % дешевле, чем IPS.
Достоинства:
· плотность пикселей выше по сравнению
с IPS (и аналогична с *VA/TN);
· высокая яркость и хорошая
цветопередача;
· большие углы обзора;
· полное покрытие диапазона sRGB;
· низкое энергопотребление, сравнимое
с TN.
Недостатки:
· время отклика (5-10 мс) сравнимо с
S-IPS, лучше чем у *VA, но хуже чем у TN.
Компания Samsung не давала описания технологии
PLS. Сделанные независимыми наблюдателями сравнительные исследования матриц IPS
и PLS под микроскопом не выявили отличий. То, что PLS является разновидностью
IPS, косвенно признала сама корпорация Samsung своим иском против корпорации
LG: в иске утверждалось, что используемая LG технология AH-IPS является
модификацией технологии PLS.
.2 Плазменная панель
Плазма представляет собой ионизированный газ.
Концентрации положительных и отрицательных зарядов в плазме равны. Подавляющая
часть вещества Вселенной находится в состоянии плазмы: и звезды, и
галактические туманности, и межзвездная среда. Мы знаем, что около Земли плазма
существует тоже.
Летом 1964 года появился первый плазменный
дисплей. На современные панели он был похож весьма отдаленно. Смешно, но он
состоял всего из одного единственного пикселя. Сейчас в каждой панели их -
миллионы.
Естественно, дисплей из одного пикселя - не
дисплей. Однако, не прошло и десяти лет, как приемлемые результаты были
достигнуты.
В 1983 году компания IBM представила 19 дюймов
(48 см) оранжевый на черном монохромный дисплей который был способен отображать
до четырех одновременных терминальных сессий. Из-за тяжелой конкуренции с
монохромным ЖК-дисплеев, в 1987 году компания IBM планирует закрыть свой завод
в штате Нью-Йорк, крупнейший плазмы в мире, в пользу обрабатывающей ЭВМ. следовательно,
Ларри Вебер стал соучредителем стартапа компании Plasmaco с Стивен Глобус, а
также Джеймс Кихоу, кто был в IBM директор завода, и купил завод от IBM. Вебер
остался в Урбана являясь техническим директором до 1990 года, затем переехал в
северной части штата Нью-Йорк для работы в Plasmaco.
В 1992 году, компания Fujitsu представила первый
в мире 21-дюймовый (53 см) полноцветный дисплей. Это был гибрид, плазменного
дисплея, созданного в университете штата Иллинойс
Плазменная панель - устройство (рисунок 8)
отображения информации, монитор, основанный на явлении свечения люминофора под
воздействием ультрафиолетовых лучей, возникающих при электрическом разряде в
ионизированном газе, иначе говоря в плазме.
Рис. 8
Плазменная панель представляет собой матрицу
газонаполненных ячеек, заключенных между двумя параллельными стеклянными
пластинами, внутри которых расположены прозрачные электроды, образующие шины
сканирования, подсветки и адресации. Разряд в газе протекает между разрядными
электродами (сканирования и подсветки) на лицевой стороне экрана и электродом
адресации на задней стороне.
Особенности конструкции:
· суб-пиксель плазменной панели
обладает следующими размерами 200 мкм x 200 мкм x 100 мкм;
· передний электрод изготовляется из
оксида индия и олова, поскольку он проводит ток и максимально прозрачен.
· при протекании больших токов по
довольно большому плазменному экрану из-за сопротивления проводников возникает
существенное падение напряжения, приводящее к искажениям сигнала, в связи с чем
добавляют промежуточные проводники из хрома, несмотря на его непрозрачность;
· для создания плазмы ячейки обычно
заполняются газами - неоном или ксеноном (реже используется гелий и/или аргон,
или, чаще, их смеси) с добавлением ртути.
Существующая проблема в адресации миллионов
пикселей решается расположением пары передних дорожек в виде строк (шины
сканирования и подсветки), а каждой задней дорожки - в виде столбцов (шина
адресации). Внутренняя электроника плазменных экранов автоматически выбирает
нужные пиксели. Эта операция проходит быстрее, чем сканирование лучом на
ЭЛТ-мониторах. В последних моделях PDP обновление экрана происходит на частотах
400-600 Гц, что позволяет человеческому глазу не замечать мерцания экрана.
Работа плазменной панели состоит из трех этапов:
. Инициализация, в ходе которой
происходит упорядочивание положения зарядов среды и её подготовка к следующему
этапу (адресации). При этом на электроде адресации напряжение отсутствует, а на
электрод сканирования относительно электрода подсветки подается импульс
инициализации, имеющий ступенчатый вид. На первой ступени этого импульса
происходит упорядочивание расположения ионной газовой среды, на второй ступени
разряд в газе, а на третьей - завершение упорядочивания.
. Адресация, в ходе которой происходит
подготовка пикселя к подсвечиванию. На шину адресации подается положительный
импульс (+75 В), а на шину сканирования отрицательный (-75 В). На шине
подсветки напряжение устанавливается равным +150 В.
. Подсветка, в ходе которой на шину
сканирования подается положительный, а на шину подсветки отрицательный импульс,
равный 190 В. Сумма потенциалов ионов на каждой шине и дополнительных импульсов
приводит к превышению порогового потенциала и разряду в газовой среде. После
разряда происходит повторное распределение ионов у шин сканирования и
подсветки. Смена полярности импульсов приводит к повторному разряду в плазме.
Таким образом, сменой полярности импульсов обеспечивается многократный разряд
ячейки.
Один цикл «инициализация - адресация -
подсветка» образует формирование одного подполя изображения. Складывая
несколько подполей можно обеспечивать изображение заданной яркости и контраста.
В стандартном исполнении каждый кадр плазменной панели формируется сложением
восьми подполей.
Таким образом, при подведении к электродам
высокочастотного напряжения происходит ионизация газа или образование плазмы. В
плазме происходит емкостной высокочастотный разряд, что приводит к
ультрафиолетовому излучению, которое вызывает свечение люминофора: красное,
зелёное или синее. Это свечение, проходя через переднюю стеклянную пластину
попадает в глаз зрителя.
.3 Преимущества и недостатки
Плазма и ЖК-панели: экспресс-сравнение
Лучше узнать плюсы и минусы плазменных панелей
можно в сравнении с их ближайшими конкурентами - LCD-телевизорами. Несмотря на
внешнее сходство жидкокристаллических и плазменных панелей, в них применяются
разные технологии.
Плазменная панель - это две стеклянные пластины,
в проеме между которыми находится газообразная смесь. Сквозь газ пропускаются
электрические разряды, и заряженный газ формирует картинку на экране, «зажигая»
пиксели (простейшие элементы изображения).
ЖК-панели используют иную, «просветную» матрицу.
Это - поляризованные слои прозрачного вещества, содержащего жидкие кристаллы,
которые откликаются на пропускание (или блокирование) тока. Подсветкой служит
флуоресцентная лампа, установленная внутри экрана.
Преимущества плазменных панелей:
. Большая поверхность излучения.
. Высокий уровень контрастности и глубины
цветов, особенно по черному.
. Богатство оттенков и хорошая
цветонасыщенность.
. Более натуральная передача движений.
. Главным достоинством технологии
изготовления плазменных панелей является возможность производить очень широкие
экраны.
Возможные НЕДОСТАТКИ плазменных панелей:
. Экран может выгорать как следствие
высокой рабочей температуры.
. Генерируется большее количество тепла.
. Видна пикселизация - сегменты, зерно.
Особенно - при отклонении угла обзора по вертикали.
. Средний ресурс составляет 30 000 часов,
то есть 9 лет, исходя из 8 часов просмотра в день.
5. Высокая цена
Преимущества ЖК-панелей:
. Низкая рабочая температура исключает
выгорание экрана.
. Апробированная технология
. Широкий угол обзора, особенно по
вертикали.
. Высокие показатели работы особенно по
контрастности, яркости, интенсивности цвета.
. Ресурс определен в 60,000 часов, после
чего заменяется источник света (лампа), но не экран.
. Небольшое потребление энергии, экран не
излучает радиацию
Возможные Недостатки ЖК-панелей:
. Контрастность и интенсивность основных
цветов подавляют полутона и оттенки.
. Проблема шлейфа (остаточного
изображения или «кадра-призрака») не искоренена окончательно и усложняет
качественную натуральную передачу движения.
. Возможность обесцвечивания пикселей в
виде черных или белых точек.
Глава 2. Решение задач
Задача №1
Расчет выпрямителя источников электропитания
электронных устройств.
Требуется:
1. Начертить принципиальную электро-схему
однофазного мостового выпрямителя и описать работу.
. Выбрать тип диодов выпрямителя.
. Рассчитать действующие значение
напряжение вторичной обмотки трансформатора U2,
тока обмотки трансформатора I2.
. Определить габаритную мощность
трансформатора.
. Рассчитать параметры элементов Г -
образного сглаживающего RC
фильтра.
. Построить переменные диаграммы:
.1 напряжения и тока во вторичной обмотке
трансформатора
.2 напряжения и тока в активной нагрузке при
отсутствии сглаживающего фильтра.
Дано: Pвых
0,01, UHср
20В IHср
1А
Решение:
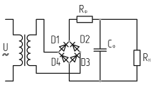
Схема однофазного мостового выпрямителя (рисунок
9)
Рисунок 9
Рассчитываемый выпрямитель состоит из
трансформатора, 4 диодов и сглаживающего фильтра. Диоды выпрямителя собраны по
однофазной мостовой схеме. При этом к одной диагонали моста подключают
вторичную обмотку трансформатора, а к другой - нагрузочное устройство.
При выборе типа диода необходимо знать:
максимальное обратное напряжение на диоде (Uобр),
среднее значение прямого тока через каждый диод (Iпр.ср.).
Для обеспечения надежной работы в выпрямителях
требуется выполнения условий превышения значений прямого тока и обратного
напряжения примерно на 30% по сравнению с расчетным.
Где U2m
- амплитудное значение напряжения вторичной обмотки на трансформаторе
Средний прямой ток каждого диода мостового
выпрямителя
Iпр.ср.=0,5
Iн.ср=0,5
1=0,5
1,3=0,65
На основании выполненных расчетов по справочной
литературе выбираем соответствующий тип диода с указанием основных его
параметров.
Д229Ж Uобр.макс.100В
Iпр.макс.0,7А
Определение габаритной мощности трансформатора.
Действующие значение напряжения вторичной
обмотки трансформатора U2
U2=
Сопротивление нагрузке
Максимальный ток вторичной обмотки
трансформатора
Действующие значение тока вторичной обмотки
трансформатора.
Габаритная мощность трансформатора для
однофазной мостовой схемы выпрямителя.
Где S1
и
S2
расчетные мощности первичной и вторичной обмотки трансформатора.
Расчет сглаживающего фильтра
Сглаживающим фильтром называют
устройство, предназначенное для уменьшения пульсаций выпрямленного напряжения.
Коэффициент пульсаций на входе фильтра равен отношению амплитуды первой
гармоники выпрямленного напряжения 
к среднему значению этого
напряжения Uн.ср.
Для уменьшения коф-ента пульсации в
выпрямительном устройстве небольшой мощности применяются сглаживающие фильтры,
состоящие из резистора и емкости. В данной задаче рекомендовано использовать Г
- образный RC фильтр.
Коф-ент сглаживающего фильтра.
Если выразить сопротивление в Ом, а емкость в
мкФ, то при частоте напряжения питающей сети fc=50Гц.
можно получить следующею формулу
Величина сопротивления фильтра 
определяется исходя из оптимальной
величины КПД фильтра (обычно 0,6-0,8) отсюда 
Значение емкости сглаживающего фильтра
Рабочее напряжения конденсатора
Для питания электронных устройств небольшой
мощности обычно применяют двухполупериудные выпрямители двух типов: мостовые и
с выводом средней точки вторичной обмотки трансформатора
Двухполупериудный мостовой выпрямитель обладает
лучшими технико-экономическими показателями, а именно повышенная частота
пульсаций, относительно небольшое обратное напряжение, хорошее использование
трансформатора, возможность работы от сети переменного тока без трансформатора.
Временные диаграммы (рисунок 10)
Рис. 10
Задача №2
Перевод чисел из двоичной системы счисления в
десятичную.
Выполнить перевод координат (таблица 1) в
десятичную систему счисления и отметить точку на координатной плоскости, приняв
за начало отсчёта точку А(60;20). Правильно сделав перевод и соединив
последовательно все точки, получите рисунок.
Табл. 1. Двоичная система исчисления
|
№ точки
|
Двоичная
|
№ точки
|
Двоичная
|
|
x
|
y
|
|
x
|
y
|
|
1
|
1000000
|
10101
|
22
|
1000111
|
11101
|
|
2
|
1000000
|
10110
|
23
|
1000110
|
11101
|
|
3
|
1000001
|
10110
|
24
|
1000110
|
11110
|
|
4
|
1000001
|
10111
|
25
|
1000101
|
11110
|
|
5
|
111111
|
10111
|
26
|
1000101
|
11111
|
|
6
|
111111
|
11000
|
27
|
1000111
|
11111
|
|
7
|
111101
|
11000
|
28
|
1000111
|
11110
|
|
8
|
111101
|
11010
|
29
|
1001000
|
11110
|
|
9
|
111110
|
11010
|
30
|
1001000
|
11101
|
|
10
|
111110
|
11011
|
31
|
1001001
|
11101
|
|
11
|
1000000
|
11011
|
32
|
1001001
|
11100
|
|
12
|
1000000
|
11001
|
33
|
1001010
|
11100
|
|
13
|
111111
|
11001
|
34
|
1001010
|
10101
|
|
14
|
111111
|
11011
|
35
|
1000111
|
10101
|
|
15
|
1000001
|
11011
|
36
|
1000111
|
10110
|
|
16
|
1000001
|
11010
|
37
|
10110
|
|
17
|
1001001
|
11010
|
38
|
1001000
|
10111
|
|
18
|
1001001
|
11011
|
39
|
1000011
|
10111
|
|
19
|
1001000
|
11011
|
40
|
1000011
|
10101
|
|
20
|
1001000
|
11100
|
1
|
1000000
|
10101
|
|
21
|
1000111
|
11100
|
|
|
|
Табл. 2. Десятичная система исчисления (таблица
3)
|
№ точки
|
десятичная
|
№ точки
|
десятичная
|
|
х
|
у
|
|
х
|
у
|
|
1
|
64
|
21
|
22
|
71
|
29
|
|
2
|
64
|
22
|
23
|
70
|
29
|
|
3
|
65
|
22
|
24
|
70
|
30
|
|
4
|
65
|
23
|
25
|
69
|
30
|
|
5
|
63
|
23
|
26
|
69
|
31
|
|
6
|
63
|
24
|
27
|
71
|
31
|
|
7
|
61
|
24
|
28
|
71
|
30
|
|
8
|
61
|
26
|
29
|
72
|
30
|
|
9
|
62
|
26
|
30
|
72
|
29
|
|
10
|
62
|
27
|
31
|
73
|
29
|
|
11
|
64
|
27
|
32
|
73
|
28
|
|
12
|
64
|
25
|
33
|
74
|
28
|
|
13
|
63
|
25
|
34
|
74
|
21
|
|
14
|
63
|
27
|
35
|
71
|
21
|
|
15
|
65
|
27
|
36
|
71
|
22
|
|
16
|
65
|
26
|
37
|
72
|
22
|
|
17
|
73
|
26
|
38
|
72
|
23
|
|
18
|
73
|
27
|
39
|
67
|
23
|
|
19
|
72
|
27
|
40
|
67
|
21
|
|
20
|
72
|
28
|
1
|
64
|
21
|
|
21
|
71
|
28
|
|
|
|
Задача №3
Однополупериодный выпрямитель.
В транзисторном усилительном каскаде (рисунок
11) мощность входного сигнала Рвх при входном токе Iвх.
Определить коэффициент усиления каскада по напряжению, если сопротивление
резистора в цепи коллектора равно Rк,
сопротивление нагрузки равно Rн,
а статический коэффициент усиления тока базы h21э=40.
Значения величин выбрать по варианту.
Рис. 11
Дано Рвх 0,170 мВт Iвх
550 мкА Rк
4700 Ом Rн
400 Ом h21э=40
Решение: определяем входное сопротивление
каскада:
Определяем сопротивление эквивалентной нагрузки
в колекторной цепи каскада:
Задача №4
Используя семейство выходных характеристик
транзистора КТ312А в системе с общим эмиттером (рисунок 12), определить
выходное сопротивление транзистора при токе базы IБ
0,6мА и напряжениях на коллекторе UК
5, 10, 15В. Построить график зависимости Rвых=
f (UК).
По рис 10 определяем Iк
при: Uк=5В
Iк=23мА,
Uк=10В
Iк=25мА,
Uк=15В
Iк=26мА
Рис. 12
На рисунке 13 мы видим график зависимости Rвых=
f (UК)
Рис. 13
Задача №5
Определить частоту следования импульсов в
транзиторном мультивибраторе (рисунок 14) если RБ1=15
кОм, RБ2=6,8
кОм, СБ1=4700 пФ, СБ2=0,05 мкФ.
Рис. 14
Период колебаний транзисторного мультивибратора.
Частота импульсов
Задача №6
Для схемы однополупериодного выпрямителя
(рисунок 15) определить выпрямленное напряжение U0,
если амплитуда напряжения первичной обмотки трансформатора U1m
= 200 В, коф-ент трансформации n
= 1.43.
Рис 15
Коэффициент трансформации трансформатора - это
величина, выражающая масштабирующую (преобразовательную) характеристику
трансформатора относительно какого-нибудь параметра электрической цепи
(напряжения, тока, сопротивления и т.д.).
Заключение
В данной работе мы рассмотрели ЖК панели и
плазменные панели. Узнали разницу в принципе работы данных устройств, их плюсы
и минусы. В целом принцип работы схож и назначение этих устройств.
ЖК и плазменные панели как бы ведут соревнование
между собой в качестве отображаемой картинки. В последнее время их
совершенствование идет быстро и думаю, что в ближайшем будущем развитие
технологий только ускорится.
Решены задачи на изучения характеристик
полупроводниковых приборов и электронных устройств:
. Полевые транзисторы
. МДП транзистор
. Диоды
. Полупроводниковые выпрямители
. Усилительные каскады
. Двоичные системы счисления в
электроники
Список литературы
1. История открытия жидких
кристаллов. История открытия жидких кристаллов - раздел Образование
[Электронный ресурс] // режим доступа http://allrefs.net/c12/3u5e2/p1/
. Москатов Евгений
Анатольевич «Электронная техника. Начало» 2010
. Мухин И.А. Как выбрать
ЖК-монитор? Компьютер-бизнес-маркет №4(292), январь 2005.
. Мухин И.А. Развитие
жидкокристаллических мониторов BROADCASTING Телевидение и радиовещание: 1 часть
- № 2(46) март 2005. С. 55-56; 2 часть - №4(48) июнь-июль 2005.
. Мухин И.А. Современные
плоскопанельные отображающие устройства BROADCASTING Телевидение и радиовещание
№1(37), январь-февраль 2004.
. Мухин И.А., Украинский О.В.
Способы улучшения качества телевизионного изображения, воспроизводимого
жидкокристаллическими панелями Материалы доклада на научно-технической
конференции «Современное телевидение». Москва, март 2006.