Аналого-цифровой преобразователь на переключаемых конденсаторах

  • Вид работы:
    Курсовая работа (т)
  • Предмет:
    Информатика, ВТ, телекоммуникации
  • Язык:
    Русский
    ,
    Формат файла:
    MS Word
    944,98 Кб
  • Опубликовано:
    2016-03-08
Вы можете узнать стоимость помощи в написании студенческой работы.
Помощь в написании работы, которую точно примут!

Аналого-цифровой преобразователь на переключаемых конденсаторах

МИНИСТЕРСТВО ОБРАЗОВАНИЯ РЕСПУБЛИКИ БЕЛАРУСЬ

УЧРЕЖДЕНИЕ ОБРАЗОВАНИЯ

ГОМЕЛЬСКИЙ ГОСУДАРСТВЕННЫЙ ТЕХНИЧЕСКИЙ УНИВЕРСИТЕТ ИМЕНИ П. О. СУХОГО

Факультет автоматизированных и информационных систем

Кафедра «Промышленная электроника»



РАСЧЕТНО-ПОЯСНИТЕЛЬНАЯ ЗАПИСКА

к курсовому проекту

по дисциплине «Микроэлектроника и микросхемотехника»

на тему:

«Аналого-цифровой преобразователь на переключаемых конденсаторах»


Исполнитель

студент гр. ПЭ-41

Пекурин А.В.

Руководитель ст. преподаватель

Захаренко Л.А.



Гомель 2015

Содержание

Введение

.Выбор типа АЦП на переключаемых конденсаторах

.Функциональная схема сигма-дельта АЦП

. Расчет элементов функциональной схемы

.1 Расчет элементов аналоговой части сигма-дельта АЦП

.2 Расчет элементов цифровой части сигма-дельта АЦП

.Расчет блока питания

.Расчет погрешностей работы схемы

Заключение

Список литературы

Приложение

Введение

Современные измерительные системы и схемы управления широко используют принцип цифрового преобразования сигналов. Цифровые устройства применяются везде, где требуется высокая точность и хорошая повторяемость преобразований, а результаты должны храниться в течение длительного времени, а также в тех случаях, когда алгоритм преобразования сложен или требуется высокая помехоустойчивость. Поскольку подавляющее большинство сигналов окружающего мира имеет аналоговую природу, сигналы, предназначенные для цифровой обработки, должны быть подвергнуты дискретизации, квантованию и кодированию. И обратно: если на выходе системы требуется получить аналоговый сигнал, то должна быть выполнена операция декодирования и, возможно, интерполяция. Подобные операции выполняются АЦП и ЦАП соответственно, которые могут быть построены на переключаемых конденсаторах.

Первые попытки создания безрезистивных преобразователей были предприняты в середине 1970-х годов. Эти схемы в каком-то смысле были предвестниками широкого распространения схем с переключаемыми конденсаторами, датируемого 1977 г., когда был изготовлен в интегральном исполнении фильтр с переключаемыми конденсаторами. Базовыми элементами для построения АЦП и ЦАП с использованием схемотехники переключаемых конденсаторов являются конденсаторы, матрицы конденсаторов, ключи, ОУ, источники опорного напряжения.

Для управления работой преобразователей на переключаемых конденсаторах применяют многофазные генераторы, сигналы которых могут иметь весьма сложный вид. Применение многофазных генераторов в АЦП обусловлено алгоритмом работы таких преобразователей. Некоторые фазы могут быть использованы для исключения различных паразитных эффектов. Например, МОП ОУ имеет достаточно большое напряжение смещения нуля и температурный дрейф. Поэтому рекомендовано применять схемы с переключаемыми конденсаторами с компенсацией дрейфа.

1. Выбор типа АЦП на переключаемых конденсаторах

Существует много различных типов АЦП на переключаемых конденсаторах (АЦП многотактного интегрирования, с автоматической коррекцией нуля, сигма-дельта АЦП и др.). АЦП многотактного интегрирования имеют ряд недостатков. Во-первых, нелинейность переходной статической характеристики операционного усилителя, на котором выполняют интегратор, заметным образом сказывается на интегральной нелинейности характеристики преобразования АЦП высокого разрешения. Для уменьшения влияния этого фактора АЦП изготавливают многотактными. Например, 13-разрядный AD7550 выполняет преобразование в четыре такта. Другим недостатком этих АЦП является то обстоятельство, что интегрирование входного сигнала занимает в цикле преобразования только приблизительно третью часть. Две трети цикла преобразователь не принимает входной сигнал. Это ухудшает помехоподавляющие свойства интегрирующего АЦП. В-третьих, АЦП многотактного интегрирования должен быть снабжен довольно большим количеством внешних резисторов и конденсаторов с высококачественным диэлектриком, что значительно увеличивает место, занимаемое преобразователем на плате и, как следствие, усиливает влияние помех.

Эти недостатки во многом устранены в конструкции сигма-дельта АЦП (в ранней литературе эти преобразователи назывались АЦП с уравновешиванием или балансом зарядов). Так же очень хорошо подходят для изготовления по современным технологиям высокой степени интеграции. В схемах такого типа аналоговая часть существенно менее сложна, чем цифровая. Для получения большой разрядности преобразования не требуется включения в состав схемы дополнительных элементов. Аналоговая часть преобразователя поддается реализации с помощью переключаемых конденсаторов.

Своим названием эти преобразователи обязаны наличием в них двух блоков: сумматора (обозначение операции - ∑) и интегратора (обозначение операции - ∆ ). Один из принципов, заложенных в такого рода преобразователях, позволяющий уменьшить погрешность, вносимую шумами, а следовательно увеличить разрешающую способность - это усреднение результатов измерения на большом интервале времени.

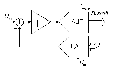
Основные узлы АЦП - это сигма-дельта модулятор и цифровой фильтр. Схема n-разрядного сигма-дельта модулятора первого порядка приведена на рис. 1. Работа этой схемы основана на вычитании из входного сигнала Uвх(t) величины сигнала на выходе ЦАП, полученной на предыдущем такте работы схемы. Полученная разность интегрируется, а затем преобразуется в код параллельным АЦП невысокой разрядности. Последовательность кодов поступает на цифровой фильтр нижних частот.

Рис.1.1. Структурная схема сигма-дельта модулятора

Порядок модулятора определяется численностью интеграторов и сумматоров в его схеме. Сигма-дельта модуляторы N-го порядка содержат N сумматоров и N интеграторов и обеспечивают большее соотношение сигнал/шум при той же частоте отсчетов, чем модуляторы первого порядка.

Рис.1.2. Сигма-дельта АЦП

Наиболее широко в составе ИМС используются однобитные сигма-дельта модуляторы, в которых в качестве АЦП используется компаратор, а в качестве ЦАП - аналоговый коммутатор. Принцип действия пояснен в табл. 1 на примере преобразования входного сигнала, равного 0,6 В, при Uоп=1 В. Пусть постоянная времени интегрирования интегратора численно равна периоду тактовых импульсов. В нулевом периоде выходное напряжение интегратора сбрасывается в нуль. На выходе ЦАП также устанавливается нулевое напряжение. Затем схема проходит через показанную в табл. 1 последовательность состояний.

Таблица 1.1

Uвх=0,6 В

Uвх=0 В

N такта

U∑, В

Uи, В

Uк, бит

UЦАП, В

N такта

U∑, В

Uи, В

Uк, бит

UЦАП, В

1

0,6

0,6

1

1

1

1

1

1

1

2

-0,4

0,2

1

1

2

-1

0

0

-1

3

-0,4

-0,2

0

-1

3

1

1

1

1

4

1,6

1,4

1

1

4

-1

0

0

-1

5

-0,4

1,0

1

1

5

1

1

1

1

6

-0,4

0,6

1

1

6

-1

0

0

-1

7

-0,4

0,2

1

1

7

1

1

1

1

8

-0,4

-0,2

0

-1

8

-1

0

0

-1

9

1,6

1,4

1

1

9

1

1

1

1

10

-0,4

1,0

1

1

10

-1

0

0

-1

11

-0,4

0,6

1

1

11

1

1

1

1

12

-0,4

0,2

1

1

12

-1

0

0

-1

13

-0,4

-0,2

0

-1

13

1

1

1

1

14

1,6

1,4

1

1

14

-1

0

0

-1

15

-0,4

1,0

1

1

15

1

1

1

1

16

-0,4

0,6

1

1

16

-1

0

0

-1


В тактовые периоды 2 и 7 состояния системы идентичны, так как при неизменном входном сигнале Uвх=0,6 В цикл работы занимает пять тактовых периодов. Усреднение выходного сигнала ЦАП за цикл действительно дает величину напряжения 0,6 В:

(1-1+1+1+1)/5=0,6.

Для формирования выходного кода такого преобразователя необходимо каким-либо образом преобразовать последовательность бит на выходе компаратора в виде унитарного кода в последовательный или параллельный двоичный позиционный код. В простейшем случае это можно сделать с помощью двоичного счетчика. Возьмем в нашем примере 4-разрядный счетчик. Подсчет бит на выходе компаратора за 16-титактный цикл дает число 13. Несложно увидеть, что при Uвх=1 В на выходе компаратора всегда будет единица, что дает за цикл число 16, т.е. переполнение счетчика. Напротив, при Uвх=-1 В на выходе компаратора всегда будет нуль, что дает равное нулю содержимое счетчика в конце цикла. В случае, если Uвх=0 то, как это видно из табл. 2, результат счета за цикл составит 810 или 10002. Это значит, что выходное число АЦП представляется в смещенном коде. В рассмотренном примере верхняя граница полной шкалы составит 11112 или +710, а нижняя - 00002 или -810. При Uвх=0,6 В, как это видно из левой половины табл. 2, содержимое счетчика составит 1310 в смещенном коде, что соответствует +5. Учитывая, что +8 соответствует Uвх=1 В, найдем

*1/8=0,625 > 0,6 В.

При использовании двоичного счетчика в качестве преобразователя потока битов, поступающих с выхода компаратора, необходимо выделять фиксированный цикл преобразования, длительность которого равна произведению Kсч fтакт. После его окончания должно производиться считывание результата, например, с помощью регистра-защелки и обнуление счетчика.

2. Функциональная схема сигма-дельта АЦП

Принципиальная схема сигма-дельта-модулятора приведена на рис. 3. Такая схема может входить в качестве составной части в сигма-дельта-АЦП. Схема модулятора состоит из интегратора на переключаемых конденсаторах, в котором исключено влияние паразитных емкостей, компаратора, а также цифровой схемы управления, которая вырабатывает четыре управляющие последовательности сигналов с одинаковыми фазовыми сдвигами. Период переключения Т' будет состоять из последовательных периодов интегрирования, которые будем обозначать символом IP. Поэтому напряжение на выходе интегратора можно записать в виде V0(i,j), где i - период интегрирования, а j - номер фазы управляющих сигналов (j=1, 2, 3, 4).

Работа схемы во время i-гo периода интегрирования происходит следующим образом. В фазе 1 ключи S1 и S4 замкнуты, в результате чего конденсатор bC1 заряжен до напряжения Ui. В фазе 2 замкнуты ключи S3 и S5, благодаря чему заряд с конденсатора bC1 будет перенесен на конденсатор С1. Напряжение на выходе интегратора определяется следующим образом:

(i,2) = U0 (i,1) + bUi

Обозначим состояние на выходе компаратора через at, причем

 

В фазе 3 замкнуты ключи S3 и S5, если ai=1, или S2 и S4,

Рис.2.1. Аналоговая часть сигма-дельта АЦП

если аi = -1. В фазе 4 будут замкнуты ключи S2 и S5, если аi=1, или S3 и S5, если аi = -1. Напряжение U0 тогда будет


где Uref - опорное напряжение.

Рассмотрим теперь последовательность, состоящую из периодов интегрирования IPi (1<i<p). Пусть перед началом первого периода напряжение U0 = 0, а напряжение Ui занесено в устройство выборки-хранения. Во время 1Рi компаратор будет сравнивать с нулем напряжение U0(1, 2) =bUi, откуда определяется состояние на выходе компаратора:


Во время IP2 с нулем будет сравниваться напряжение (2, 2) =b(2Ui - aiU ref), откуда получим


Наконец в фазе 1Рp с нулем будет сравниваться напряжение U0(p,2) что даст


Выходной код N1 получим с помощью счетчика в соответствии со следующим выражением:


Как видно из приведенных рассуждений, разрядность преобразователя зависит от количества периодов интегрирования. Например, для получения разрядности 8 бит необходимо осуществить р = 256 периодов интегрирования.

Итак, все сводиться к построению цифровой схемы управления ключами и схемы для своевременного снятия кода. Зададимся частотой генератора

тг = 100 кГц.

3. Расчет элементов функциональной схемы

.1 Расчет элементов аналоговой части сигма-дельта АЦП

Рис. 3.1.1 Аналоговая часть сигма-дельта АЦП

Выберем МС аналоговых ключей из [3]:

КР590КН2:отк = 100 Омвкл = 0.5 мксвх1 = 4.1-13.2 Ввх0 = 0 - 0.8 В

Uпит = 12 Вмакс.имп = 100 мА

В момент замыкания ключа по нему будет протекать максимальный ток:

 < Iмакс.имп

Рассчитаем необходимые емкости:

Т.к. конденсатор должен успевать заряжаться за время одного такта

= 1\fтг = 1\100кГц = 10 мкс, то T = (3-5)t, где t = 2RкСmax.

Следовательно,

Выбираем C1=C2 < Cmax из [1]: КМ - (М75) - 50 В - 430 нФ  10%

ОУ выбираем прецизионный для уменьшения влияния на Uвх [5]:

КР140УД25А:пит = см = 0.03 Ввх = 80 нА= 92дБвых = 1.7 В\мкспот = 140 мА

В качестве компаратора берем МС К554СА3 из [3]:

Параметры МС: пит = 15 Всм = 3мВвх = 1мкАпотр = 6 мА

Выход МС с открытым коллектором, выбираем ограничительный резистор.

Расчет по току I0 мах (ТТЛ) = 1.6 мА= 5В\1.6мА = 3.125 кОм

Выбираем [1] резистор: МЛТ- 0.5 - 3к ±5%

.2 Расчет элементов цифровой части сигма-дельта АЦП

Цифровая схема управления (рис 2.1) нужна для управления ключами, которые задают алгоритм работы сигма-дельта АЦП, а так же для своевременного снятия кода с выхода компаратора, подсчета битов и формирования двоичного 8-разрядного кода в смещенном виде.

Согласно алгоритму работы (п.2) составим таблицу истинности, которая будет отображать последовательность замыкания ключей.

Таблица 3.2.1

Номер такта

ai

A3

A2

A1

A0

S1

S2

S3

S4

S5

0(5-й)

x

0

0

0

0

0

0

0

0

0

1

x

0

0

0

1

1

0

0

1

0

2

x

0

0

1

0

0

0

1

0

1

3

1

1

0

1

1

0

0

1

1

0


0

0

0

1

1

0

1

0

1

0

4

1

1

1

0

0

0

1

0

0

1


0

0

1

0

0

0

1

0

1

где A0-A3 - независимые переменные-S5 - ключи, упр. логическим уровнем (1 - замкнут,0 - разомкнут)- выходной код компаратора, полученный в 2 такте

В 3-м такте выбирается одна из строк, в зависимости от ai, полученном во 2-м такте (4 такт - аналогично). После 4-го такта последовательность повторяется. Информационный бит снимается в начале 0-го(5-го) такта.

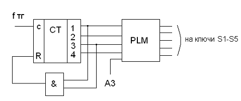
Реализовать такую таблицу истинности можно различными способами, например, с помощью 4-разрядого счетчика и программируемой логической матрицы (ПЛМ). Т.е. счетчик подсчитывает импульсы тактового генератора, и выходной код подается на ПЛМ, запрограммированную по таблице 3.2.2. Счетчик считает до 5-ти и сам себя обнуляет как показано на рис 3.2.1 через логический элемент 2И -

МС КМ555ЛИ1 (4 эл. 2И) из [5].

Рис. 3.2.1 Схема управления ключами

МС счетчика выбираем из [5]: КР1533ИЕ5 (Iпот = 13 мА)

МС ПЛМ выбираем из [4]: КР556РТ1 (Iпот = 180 мА).

ПЛМ прошивается согласно таблице 3.2.2.

Таблица 3.2.2

A15-A4

A3

A2

A1

A0

D0

D1

D2

D3

D4

D5-D7

0

0

0

0

0

0

0

0

0

0

0

0

0

0

0

1

1

0

0

1

0

0

0

0

0

1

0

0

0

1

0

1

0

0

1

0

1

1

0

0

1

1

0

0

0

0

0

1

1

0

1

0

1

0

0

0

1

1

0

0

0

1

0

0

1

0

0

0

1

0

0

0

0

1

0

1

0


Чтобы реализовать выбор одной из строк в 3 и 4 такте, в зависимости от кода компаратора в конце 2-го такта, необходимо организовать дополнительный сигнал, высокий уровень которого будет возникать во время 3 и 4 такта. Т.е нужно реализовать операцию деления fтг на 4, а после подать на ЛЭ 2И: на 1 вход - fтг\4, на 2 вход - ai.

Деление частоты на 4 сформируем с помощью 2-х D-триггеров, включенных по схеме T-триггеров как показано на рис.3.2.2. Триггеры выбираем из [4]: МС К555ТМ2 (2 D-триггера): Iпот = 8 мА.

Рис.3.2.2 Схема выбора строки в 3 и 4 такте

На рис.3.2.3 приведены диаграммы, поясняющие работу данной схемы.

Для снятия бита во время 5-го такта подаем на входы ЛЭ 2И -ai и Rсч.

Импульс на Rсч появляется как раз в 5 такте, во время обнуления счетчика.

Поток битов на выходе ЛЭ 2И, образованных в 5-м такте поступают и подсчитываются на 8 разрядном счетчике, собранном из 2-х 4-разрядных.

В качестве счетчиков выбираем МС К1533ИЕ5 [5].

Рис.3.2.3 Диаграммы напряжений, управляющих схемой

Итак, получаем, что выходной код АЦП на выходах счетчика формируется в 256*5 = 1280 такте ТГ. Следовательно, для сохранения кода в регистр сформируем сигнал разрешения на запись Сreg с f = fтг\1280 (рис.3.2.3).

Он же выведен отдельно для внешнего устройства для сигнализации об окончании преобразования (выход W):

- преобразование завершено

- идет преобразование

Сделаем это с помощью 3-х 4-разрядных счетчика и элемента 2И(рис.3.2.4).

Рис.3.2.4 Делитель частоты на 1280

= 0010 1000 00002

Высокий уровень на выходе 2И записывает код в регистр (К555ИР35 из [4]: пот = 27 мА) и обнуляет счетчики через цепь задержки, причем = T тг (10мкс).

Задаемся значением R = 470 Ом, тогда

 

Выбираем R и С из справочника [1]:: МЛТ- 0.5 - 470 ±5%: КМ - (М75) - 50 В - 21нФ  10%

Так как все преобразования выполняются от тактового генератора, то нет необходимости строить стабильный генератор. Выбираем простой генератор прямоугольных импульсов с нестабильность частоты 30% и рассчитываем его на частоту генерации f тг = 100кГц. (рис.3.2.5).

Рис. 3.2.5 Генератор прямоугольных импульсов

Выбираем инверторы из справочника [5]: К155ЛН1 (6 инверторов)

Расчет R и C аналогичен приведенному выше.Выбираем те же значения [1]:: МЛТ- 0.5 - 470 ±5%: КМ - (М75) - 50 В - 21нФ  10%

Генератор соединен с остальной схемой через ключ, который замкнут при высоком уровне на управляющем входе ключа (вход Е):

- разрешение на преобразование

- преобразование запрещено

Т.к. АЦП является медленным, то для работы с быстрыми сигналами необходимо поставить на входе устройство выборки и хранения (УВХ).

Выбираем из справочника [3]: МС КР1100СК2 со следующими параметрами:хр = 10мкс при Схр = 1000пФ (1)пит = 12 Ва зд = 100..250 нсупр: р.выборки 2.4..7 В

р.хранения <1.5 Всм = 5..30 мВвх < 10 Впот = 6.5 мАуст = 0.4 - 0.8 мкс

Подсчитаем время Tхр, которое должен хранить конденсатор Cxp входное напряжение:хр = Tтг x 256 x 5 = 10мкс x 256 x 5 = 12800 мкс = 12.8 мс

Следовательно из (1) требуемая емкость хр = (12800мкс x 1000пФ)\10 мкс = 1280000 пФ = 1.28 мкФ

Выбираем С из справочника [1]: К50 - 35 - 40 В - 1.3мкФ  10%упр подается в момент обнуления 3-х счетчиков сигналом Сreg.

4.Расчет блока питания

Блок питания в общем случае содержит 5 каналов:

+5 В 5% - для цифровых ТТЛ МС (ЛЭ, счетчики, триггеры, ПЛМ) и Uоп

12 В 5% - для МС ключей, УВХ

15 В 5% - для МС ОУ, компаратора

Стабилизаторы рассчитываются на выходное напряжение и ток. При проектировании стабилизаторов необходимо определить средний ток потребления Iп и максимальный ток Iпмакс по каждому каналу путем суммирования токов всех нагрузок данного канала.

потр5 = 180 + 8 +13x6 + 8.8 + 33 + 27 = 334.8 мАпотр12 = 6.5 + 100 = 106.5 мАпотр15 = 6 + 140 = 146 мА

Т.е. рассчитываем источник питания на I = 0.6A.

Входное (выпрямленное) напряжение выбирают из условия:

в = Uвх = (Uвых+Uмин) ×(1+ Кн +Кп) (7.1)

где Кн =0,1- коэффициент нестабильности сети,

Кп = 0,05-коэффициент пульсаций,мин - минимальное напряжение на стабилизаторе.

в = Uвх =  (В)

Выбираем стабилизаторы на 15 В [6]: КР1180ЕН15, КР1179ЕН15

Рис. 6.1 Схема включения стабилизатора КР1180ЕН15 (+15 В)

Выбираем конденсаторы С1, С2 [1]:

С1: К50 - 40 - 63 В - 0.33 мкФ  10%;: К50 - 6 - 25 В - 1 мкФ  10%.

Рис. 6.2 Схема включения стабилизатора КР1179ЕН15 (-15 В).

Выбираем конденсаторы С1, С2, С3 [1]:

С1: К50 - 16 - 25 В - 30 мкФ  10%;: К53 - 16 - 32 В - 0.01 мкФ  10%;: К50 - 6 - 25 В - 10 мкФ  10%.

Выбираем стабилизаторы на 12 В [6]: КР1180ЕН12, КР1179ЕН12

Они подсоединяются к выходам стаб-в на 15 В ( Uвх = 12 + 2.5 = 14.5 В).

Рис. 6.3 Схема включения стабилизатора КР1180ЕН12 (+12 В)

Выбираем конденсаторы С1, С2 [1]:

С1: К50 - 40 - 63 В - 0.33 мкФ  10%;: К50 - 6 - 25 В - 1 мкФ  10%.

Рис. 6.4 Схема включения стабилизатора КР1179ЕН12 (-12 В).

Выбираем конденсаторы С1, С2, С3 [1]:

С1: К50 - 16 - 25 В - 30 мкФ  10%;: К53 - 16 - 32 В - 0.01 мкФ  10%;: К50 - 6 - 25 В - 10 мкФ  10%.

Выбираем стабилизатор на +5 В [7]:

Подключаем его к выходу стабилизатора на 12 В (Uвх = 5+2.5 = 7.5 В).

Но на стабилизаторе будет падать 12-5=7 В, следовательно рассеиваемая мощность Pст = Uст Iпотр5 = 7*0.35 =2.45 Вт < 10 Вт из Приложения.

Рис. 6.5 Схема включения стабилизатора 142ЕН5А (+5 В)

Выбираем конденсаторы С1, С2 [1]:

С1: К50 - 40 - 63 В - 0.33 мкФ  10%;: К50 - 6 - 25 В - 1 мкФ  10%.

Выберем выпрямитель, выполненный на блоках диодов, т.е. мостах (Рис.6.6).

 

Рис. 6.6 Схема выпрямителя

= 220 В U2 =  В=  Апр = 1 В

Требования к диодам:

 (A)

 (В)

Выбираем диоды [2]: КД226А 8 х шт.

Параметры выбранных диодов:пр.ср = 1.7 (А);обр.макс = 100 (В).

Рассчитаем емкость конденсаторов С3 и С4. Т.к. конденсаторы симметричны, то их емкости одинаковы.

р = 7 мс

  (мкФ)

Выбираем С3 и С4 [1]: K50 - 18 - 300 В - 560 мкФ+50%

Выбор трансформатора:

Действующие значения напряжений и токов вторичных обмоток трансформатора:

цифровой преобразователь конденсатор импульс

 (В)

 (А)  (Вт)

Выбираем трансформатор [1]: ТПП232

Параметры выбранного трансформатора:

Таблица 6.1

Мощность,  В А, тип и размер сердечника, мм

Ток первичной обмотки, А

 Напряжение вторичных обмоток, В

Допустимый ток вторичных  обмоток, А



11 - 12 13 - 14

15 - 16  17 - 18

19 - 20 21 -22


90 ШЛМ 20160.11 / 0.0615.04102.630.255






Рис. 6.7 Трансформатор

5. Расчет погрешностей работы схемы

Разрядность АЦП 8 бит, следовательно входной сигнал квантуется на 28 = 256 уровней. Тогда 1 уровень р равен:

р = Uоп / 256 = 5 В / 256 = 0.0195 = 19.5 мА

Следовательно, схема чувствительна только к сигналам амплитуда которых ≥ 19.5 мВ (но ≤ 5 В).

Прецизионный ОУ в интеграторе вносит ошибку за счет Uсм =30мкВ.

Компаратор имеет Uсм = 3 мВ, что тоже может привести к ошибке в одном из разрядов, поэтому применяется балансировка, однако будет влиять температурный дрейф.

Вместе ОУ+компаратор вносят ошибку максимум в одном разряде, т.к. Uсмк + Uсмоу = 30мкВ+3мВ = 3.03мВ.

Так же ошибку составляют различные задержки прохождения управляющих сигналов. С целью уменьшения этой составляющей ошибки fтг выбрана не максимально-возможная для схемы(для увеличения быстродействия).

Заключение

В данном курсовом проекте разработали схему 8-разрядного сигма-дельта АЦП на переключаемых конденсаторах, работающего на частоте 100 кГц. Такое устройство может быть использовано на промышленных объектах и в бытовых установках для преобразования медленных аналоговых сигналов, например различных датчиков температуры, движения и т.д. Устройство отличается простотой аналоговой части: конденсаторы, ключи, ОУ, источники опорного напряжения и соответственно легко поддается реализации. Для получения большей разрядности преобразования не требуется включения в состав схемы дополнительных элементов, а лишь немного измениться цифровая часть

преобразователя на переключаемых конденсаторах. Так же основной целью курсового проекта являются обсуждение типовых схем АЦП на переключаемых конденсаторах, принцип действия которых основан на общеизвестных алгоритмах, а также демонстрация новых алгоритмов, реализация которых возможна с использованием переключаемых конденсаторов; закрепление теоретических знаний по дисциплине путем инженерного проектирования электронного устройства.

Литература

1. Резисторы, конденсаторы, трансформаторы, дроссели, коммутационные устройства РЭА: Справочник/ Н.Н. Акимов и др.

Мн.: Беларусь, 1994.

. Диоды: Справочник / О.П.Григорьев, В.Я.Замятин, Б.В.Кондратьев, С.Л.Пожидаев. - М.: Радио и связь, 1990.

. Цифровые и аналоговые интегральные микросхемы: Справочник /

. В. Якубовский и др.- М.: Радио и связь, 1989.

. Цифровые интегральные микросхемы: Справочник \ П.П. Мальцев, Н.С. Долизе, М.И. Критенко и др. - М.: Радио и связь,

.

Электронный справочник радиолюбителя: цифровые и интегральные микросхемы \ Шульгин О.А., Шульгина И.Б.,

Воробьев А.Б.

. Нефедов А.В. Интегральные микросхемы и их зарубежные аналоги. Справочник. Т. 9.-М.: ИП РадиоСофт, 1999.- 512 с.

. Электронный справочник по стабилизаторам напряжения (К,КР)142ЕН (5,8,9).

Приложение

Похожие работы на - Аналого-цифровой преобразователь на переключаемых конденсаторах

 

Не нашли материал для своей работы?
Поможем написать уникальную работу
Без плагиата!
Без нейросетей!