|
№
|
Наименование
нагрузки
|
Значение
нагрузки при γf=1 , кН/м2
|
γf
|
Значение
нагрузки при γf>1 ,
кН/м2
|
|
1 2 3
|
Постоянная
- Перегородки -собств. вес пола (керамогранит 15мм) - собств. вес плиты
|
0,5 0,6 3,40
|
1,3 1,3 1,1
|
0,55 0,78 3,74
|
|
Итого:
|
=4,5
|
|
=5,07
|
|
1
|
Временная - полная
|
рн = 3,5
|
1,2
|
4,2
|
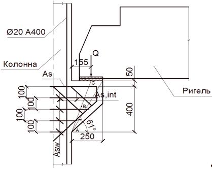
Определение расчетных силовых факторов для
расчета плиты:
Момент в середине пролета от полной расчетной
нагрузки:
, где γп
=1
Момент в середине пролета от полной нормативной
нагрузки:
Момент от длительно действующей нормативной
нагрузки:
Величина расчетной поперечной силы на опоре:
Расчет прочности плиты по сечению, нормальному к
продольной оси:
Плиту проектирую из тяжелого бетона класса В25 с
характеристиками:
Rb = 14,5 МПа - расчетное сопротивление бетона
осевому сжатию;
Rbt = 1,05 МПа - расчетное сопротивление бетона
осевому растяжению;
γb1 = 0,9 -
коэффициент условия работы.
В качестве рабочей продольной использую арматуру
класса А400
с расчетным сопротивлением растяжению Rs
= 355 МПа; Еs
= 2×105 МПа.
Привожу поперечное сечение плиты к
эквивалентному тавровому сечению:
Рисунок 4 - Схема эквивалентного сечения плиты
1) Рабочая высота сечения:
Так как
,
то в расчет вводится вся ширина сжатой полки:
) Определяю положение нейтральной оси:
;
,
Вывод: нейтральная ось проходит в полке. В этом
случае справедливы формулы расчета для элементов прямоугольного сечения. При
этом ширина сечения принимается равной ширине сжатой полки.
3) Определяю значение коэффициента α:

, значит, высота
сечения достаточна для восприятия расчетного момента, следовательно, постановка
арматуры в сжатой зоне по расчету не требуется.
4) Определяю требуемое количество арматуры в
растянутой зоне:
;
;
Принимаю 4Ø14
А400
;
Определяю процент армирования:
Оптимизирую и принимаю 4Ø14
А400
;
Рисунок 5 - Схема продольного армирования плиты
Расчет прочности плиты по сечению, наклонному к
продольной оси.
Расчет изгибаемых железобетонных элементов по
бетонной полосе между наклонными сечениями производят из условия:
Где Q - поперечная сила в нормальном сечении
элемента;
φb1
- коэффициент, принимаемый равным 0,5;
;
;
;
;
Вывод: прочность бетонной полосы между
наклонными сечениями обеспечена.
Расчет изгибаемых элементов по наклонному
сечению производят из условия
,
где Q- поперечная сила в нормальном сечении от
внешней нагрузки;
Qb1-
поперечная сила, воспринимаемая бетоном в наклонном сечении;
;
;
,
значит, поперечную арматуру ставим
конструктивно.
Принимаю арматуру А240 Ø8
Конструктивно принимаю сетку
Расчет плиты по предельным состояниям второй
группы
Рисунок 7- Схема эквивалентного сечения плиты



1) Вычисляю приведенную площадь сечения:
Площадь нижней продольной арматуры:
Ø
,
;
Определю коэффициент
;
Площадь верхней продольной арматуры:
Ø
,
;
Площадь сетки:
Определю площадь бетона:
;
;
;
2) Вычисляю статический момент приведенной
площади:
;
Статический момент площади бетона:
;
3) Центр тяжести приведенного сечения:
;
) Вычислю момент инерции приведенного сечения:
Момент инерции бетона:
5) Определяю приведенный момент
сопротивления сечения:
;
Упругопластичный момент сопротивления сечения:
6) Определяю момент трещинообразования и сравню
его с максимальным изгибающим моментом:
;
Таким образом, в растянутой зоне образуются
трещины.
Расчет ширины раскрытия нормальных трещин
Расчет по раскрытию трещин производят из
условия:
,
гдеacrc
- ширина раскрытия трещин от действия внешней нагрузки;
Значения acrc,ult
принимают равными из условия обеспечения сохранности арматуры:
,3 мм- при продолжительном раскрытии трещин;
,4 мм- при непродолжительном раскрытии трещин;
Ширину раскрытия трещин aсrс
определяют
исходя из взаимных смещений растянутой арматуры и бетона по обе стороны трещины
на уровне оси арматуры и принимают:
при продолжительном раскрытии:
при непродолжительном раскрытии:
напряжение в
продольной растянутой арматуре в нормальном сечении с трещиной от
соответствующей внешней нагрузки;
базовое (без учета
влияния вида поверхности арматуры) расстояние между смежными нормальными
трещинами;
коэффициент,
учитывающий неравномерное распределение относительных деформаций растянутой
арматуры между трещинами;
коэффициент,
учитывающий продолжительность действия нагрузки и принимаемый:
,0 - при непродолжительном действии нагрузки;
,4 - при продолжительном действии нагрузки;
коэффициент,
учитывающий профиль продольной арматуры:
,5 - для арматуры периодического профиля (,
А400, А500, В500);
коэффициент,
учитывающий характер нагружения:
,0 - для изгибаемых и внецентренно сжатых
элементов;
,2 - для растянутых элементов;
. При продолжительном раскрытии трещин:
приведенный диаметр арматуры;
площадь сечения растянутого бетона;
- добавочный
коэффициент;
должно быть меньше 400мм и 40·ds,
и больше 100мм и 10·ds,
поэтому принимаю
1.3 Расчет разрезного ригеля
Согласно разбивочной схеме (рис.1) ригель
представляет собой разрезную трехпролетную конструкцию с шарнирным опиранием
концов на кирпичные стены здания.
Рисунок 8 - Схема разрезного ригеля
Расчетные пролеты ригеля:
крайний:
средний:
Принимаю нагрузку на ригель равномерно
распределенную.
Рисунок 9 - Расчетная схема ригеля
Задаюсь сечением ригеля при условиях:
Задаюсь сечением ригеля:
.
Постоянная расчетная нагрузка, действующая на
ригель:
Расчетная временная
нагрузка на ригель:
Изгибающие моменты в сечениях ригеля по его
длине определяются по формуле:
;
Поперечная сила на опорах ригеля:
;
Необходимую расчетную высоту сечения ригеля из
бетона класса В25 при
определяю по
максимальному изгибающему моменту.
При ширине ригеля bр
=350мм; x
= 0,30.
Расчетная высота определяется:
;
;
Принимаю
.
Расчет продольной арматуры.
В качестве продольной арматуры в ригеле
использую арматуру периодического профиля класса А400 с
.
Средний ригель, нижняя арматура.
Определяем значение h0:
Определяем значение коэффициента α:
;
;
;
,
значит, высота сечения достаточна для восприятия
расчетного момента, следовательно, постановка арматуры в сжатой зоне по расчету
не требуется.
Определяем требуемое количество арматуры в
растянутой зоне:
;
;
Принимаем 2Ø20+4Ø25
А400
;
Определяем процент армирования:
,
следовательно, продольной арматуры поставлено
достаточно.
Средний ригель, верхняя арматура.
Рассчитывается из
условий обеспечения прочности при транспортировке
Находим собственный
вес ригеля по формуле
Изгибающий момент
при транспортировке рассчитываем по формуле
Определяем значение h0:
Определяем значение коэффициента α:
значит, высота сечения достаточна для восприятия
расчетного момента, следовательно, постановка арматуры в сжатой зоне по расчету
не требуется.
Определяем требуемое количество арматуры в
растянутой зоне:
Принимаем 3Ø8
А400
Изгибающий момент в середине пролета
определяются по формуле:
;
Поперечная сила на опорах ригеля:
;
Крайний ригель, нижняя арматура
Определяем значение h0:
Определяем значение коэффициента α:
значит, высота
сечения достаточна для восприятия расчетного момента, следовательно, постановка
арматуры в сжатой зоне по расчету не требуется.
Определяем требуемое количество арматуры в
растянутой зоне:
Принимаю
Ø18 А400
4Ø25 А400
Определяем процент армирования:
Крайний ригель, верхняя арматура
Рассчитывается из
условий обеспечения прочности при транспортировке
Находим собственный
вес ригеля по формуле
Изгибающий момент
при транспортировке рассчитываем по формуле
Определяем значение h0:
Определяем значение коэффициента α:
значит, высота
сечения достаточна для восприятия расчетного момента, следовательно, постановка
арматуры в сжатой зоне по расчету не требуется.
Определяем требуемое количество арматуры в
растянутой зоне:
Принимаем 3Ø8 А400
Расчет поперечной арматуры
В качестве поперечной арматуры в ригеле
используем арматуры класса А400,
Средний ригель
Расчет изгибаемых железобетонных элементов по
бетонной полосе между наклонными сечениями производят из условия:
где Q - поперечная сила в нормальном сечении
элемента;
φb1
- коэффициент, принимаемый равным 0,3;
Следовательно, прочность бетонной полосы между
наклонными сечениями обеспечена.
Расчет изгибаемых элементов по наклонному
сечению производят из условия
где Q - поперечная сила в нормальном сечении от
внешней нагрузки;
Qb1
-
поперечная сила, воспринимаемая бетоном в наклонном сечении;
Значит поперечную
арматуру устанавливаем по расчету.
Поперечная сила,
воспринимаемая бетоном:
Определяем требуемую
интенсивность поперечного армирования:
Согласно
конструктивным требованиям шаг у опоры хомутов не должен превышать
и не должен превышать 300мм.
Назначаем шаг хомутов при опоре
Согласно
конструктивным требованиям шаг хомутов в средней части пролета не должен
превышать
и не должен превышать 500мм.
Назначаем шаг
хомутов в пролете -
Определяем требуемое количество поперечной арматуры:
Диаметр поперечной
арматуры сравниваем с диаметром продольной арматуры:
Принимаем хомуты Ø10 А400
площадью сечения 78,5 мм2 с шагом 200 мм у опор и шагом 300 мм в
пролете.
Определяем прочность
наклонного сечения на действие поперечной силы:
Поперечная сила, воспринимаемая бетоном над
наклонной трещиной:
где с - длина проекции наиболее опасного
наклонного сечения на продольную ось:
Дальнейший расчет
веду по
Поперечная сила,
воспринимаемая хомутами в наклонном сечении:
где с0 - проекция наклонной трещины
на продольную ось:
Принимаем с0=1,2 мм.
Определяем поперечную силу в конце опасного
наклонного сечения:
Прочность наклонного сечения на действие
поперечной силы обеспечена.
Крайний ригель
Расчет изгибаемых железобетонных элементов по
бетонной полосе между наклонными сечениями производят из условия:
где Q - поперечная сила в нормальном сечении
элемента;
φb1
- коэффициент, принимаемый равным 0,3;
Следовательно, прочность бетонной полосы между
наклонными сечениями обеспечена.
Расчет изгибаемых элементов по наклонному
сечению производят из условия
где Q - поперечная сила в нормальном сечении от
внешней нагрузки;
Значит поперечную
арматуру устанавливаем по расчету.
Поперечная сила,
воспринимаемая бетоном:
Определяем требуемую
интенсивность поперечного армирования:
превышать
и не должен превышать 300мм.
Назначаем шаг хомутов при опоре
Согласно
конструктивным требованиям шаг хомутов в средней части пролета не должен
превышать
и не должен превышать 500ммНазначаем шаг хомутов в пролете -
Определяем требуемое количество поперечной
арматуры:
Диаметр поперечной
арматуры сравниваем с диаметром продольной арматуры:
Принимаем хомуты Ø10 А400
площадью сечения 78,5 мм2 с шагом 200 мм у опор и шагом 300 мм в
пролете
Определяем прочность
наклонного сечения на действие поперечной силы:
Поперечная сила, воспринимаемая бетоном над
наклонной трещиной:
где с - длина проекции наиболее опасного
наклонного сечения на продольную ось:
Дальнейший расчет
веду по
Поперечная сила,
воспринимаемая хомутами в наклонном сечении:
где с0 - проекция наклонной трещины
на продольную ось:
Принимаем с0=1,2 мм.
Определяем поперечную силу в конце опасного
наклонного сечения:
Прочность наклонного сечения на действие
поперечной силы обеспечена.
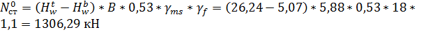
.4 Расчет колонны
Принимаю к расчету наиболее нагруженную колонну
среднего ряда. Расчет колонны производится в наиболее нагруженном сечении - у
обреза фундамента. Нагрузку на колонну с учетом ее веса определяем от
опирающихся на нее трех вышележащих перекрытий. Колонну рассчитываю как
внецентренно сжатый железобетонный элемент со случайным эксцентриситетом.
. Расчетная длина колонны нижнего этажа:
К расчету принимаю колонну сечением 400x400
мм из бетона класса В15:
,
Продольная арматура класса А240:

Поперечная арматура класса А240: 

2. Нагрузка на колонну в уровне обреза
фундамента:
Рисунок 12 - Расчетная схема колонны
3. Определяю коэффициент, учитывающий
длительность действия нагрузки, ползучесть бетона и гибкость:

4.Определяю требуемое количество продольной
арматуры в колонне:
требуемое количество арматуры находим из
условия:
Принимаю 4Ø16А240
=804мм2.
Вывод:продольной
арматуры поставлено достаточно.
5. Поперечная арматура:
Принимаю поперечные стержни в каркасах диаметром
10 мм из стали класса А240. Поперечную арматуру располагаем с шагом для сварных
каркасов
.
Принимаю S=300 мм.
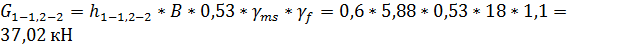
Расчет консоли колонны
К расчету принимаю консоль из бетона класса В15:
,
Арматура класса А400
.Наибольшая
нагрузка на консоль колонны
(на опоре В).
Нагрузка на короткую консоль, входящую в жесткий узел рамной конструкции,
принимаем равномерно распределенной по фактической площадке опирания ригеля
.
Необходимая длина площадки опирания ригеля на
консоль колонны из условия обеспечения прочности ригеля на местное смятие:
Минимальный вынос консоли с учетом зазора 60 мм
между колонной и торцом ригеля:
.
Принимаю вынос консоли l1=300 мм.
Принимаю
-
фактическое опирание ригеля на консоль.
Напряжение смятия в бетоне консоли под концом
ригеля:
Следовательно, прочность бетона при смятии
обеспечена.
Расстояние от точки приложения опорного давления
до грани колонны:
.
Необходимая расчетная высота сечения консоли
шириной 30см у грани колонны:
Принимаю наибольшее значение:
Полная высота консоли у грани колонны:
.
Принимаю h=400 мм.
Высота свободного края консоли:
Принимаю:
Рисунок 13 - Размеры консоли колонны
Расчет армирования
консоли
Расчет продольной
арматуры
1) Рабочая высота консоли:
;
)Определяем значение коэффициента α:
;
;
;
) Определяем требуемое количество продольной
арматуры:
Принимаю продольную арматуру 2Ø20
А400 c
;
Армирование
внутренней зоны консоли
При
консоль
армируется отогнутыми стержнями и горизонтальными хомутами по всей высоте.
Общее количество отогнутой и поперечной арматуры, располагаемой на верхней
половине участка от точки приложения опорного давления до примыкания наклонной
грани консоли к колонне должно быть не менее:
Шаг поперечной арматуры подбираю из условия:
,
Принимаю
горизонтальные хомутыØ8 А240 с
шагомSw=100
мм.
Участок АВ пересекает два стержня из двух
каркасов,
таким образом, поперечной арматуры на участке: 4Ø8А240,
.
Принимаю отогнутую арматуру 2Ø12
А240,
Рисунок 14 - Армирование консоли колонны
При конструировании колонны выполняю проверку на
усиление монтажа.
Рисунок 15 - К проверке колонны на усилие
монтажа.
;
;
;
, значит, высота
сечения достаточна для восприятия расчетного момента, следовательно, постановки
арматуры в сжатой зоне по расчету не требуется
;
;
Принимаю 2Ø5 А400
.
Вывод: корректировка армирования колонн не
целесообразна.
2. Проектирование монолитного варианта
перекрытия
Компоновка перекрытия

Определяем длину второстепенных балок из
условия, что крайние пролеты второстепенных балок рекомендуется уменьшать на
10%.
Принимаю длину среднего пролета 6,02 м.
>0,9
,46>5,42 проверка выполнена
Шаг второстепенных балок принимаю в пределах от
1,0 м до 2,0 м. Крайние плиты рекомендуется уменьшать примерно на 20%.
Принимаю шаг балок:
>0,8
1,3>1,27 проверка выполнена
Рисунок 17 - Схема
разбивки балочной клетки
Расчет монолитной плиты перекрытия
Для расчета принимаю толщину плиты
Задаюсь приближенно размерами сечения
второстепенной балки:
Принимаю высоту второстепенной балки 500 мм.
Принимаю ширину второстепенной балки 200 мм.
Задаюсь размерами главной балки:
Принимаю высоту главной балки 600 мм
Принимаю ширину главной балки 350 мм.
Рисунок 18 - Схема к расчету плиты
Определяю нагрузки на плиту:
постоянная:
Полная постоянная нагрузка:
- временная
Нормативная:
Расчетная:
Полная расчетная нагрузка:
;
проверка
выполняется
Рисунок 19 - Расчетная схема плиты
Определяю расчетные изгибающие моменты:
В крайнем пролете:
В среднем пролете:
Над опорой B
при армировании плоскими сетками:
Определение толщины плиты:
Для монолитного перекрытия принимаю бетон В25 с 
с арматурой класса B500
Необходимую толщину плиты определяю при среднем
оптимальном коэффициенте армирования
по
максимальному моменту
и ширине плиты
Относительная высота сечения:
При
требуемая
рабочая высота плиты равна:
Принимаю:
Расчет рабочей арматуры в плите
Крайний пролет
Расчетный момент:
Рабочая высота сечения:
Определяю значение коэффициента α:
Значит, толщина плиты достаточна для восприятия
расчетного момента, следовательно, постановка арматуры в сжатой зоне по расчету
не требуется. Определяю требуемое количество арматуры в растянутой зоне:
Принимаю: шаг 100 мм 10 стержней Ø4
мм
С-3 в осях 1 - 2 и 7 - 8:
С-4 в осях 2 - 7:
Средний пролет
Расчетный момент:
Рабочая высота сечения:
Определяем значение коэффициента α:
Значит, толщина плиты достаточна для восприятия
расчетного момента, следовательно, постановка арматуры в сжатой зоне по расчету
не требуется. Определяю требуемое количество арматуры в растянутой зоне:
Принимаю: шаг 200 мм 6 стержней Ø4
С-1 в осях 1 - 2 и 7 - 8:
С-6 в осях 2 - 7:
Крайняя опора.
Расчетный момент:
Рабочая высота сечения:
Определяю значение коэффициента α:
Значит, толщина плиты достаточна для восприятия
расчетного момента.
Определяю требуемое количество арматуры:
Принимаю: шаг 200 мм 6 стержней Ø6
С-5 в осях 1 - 2 и 7 - 8:
С-8 в осях 2 - 7:
Средняя опора.
Расчетный момент:
Рабочая высота сечения:
Определяем значение коэффициента α:
Значит, толщина плиты достаточна для восприятия
расчетного момента, следовательно, постановка арматуры в сжатой зоне по расчету
не требуется.
Определяю требуемое количество арматуры в
растянутой зоне:
Принимаю: шаг 200 мм 6 стержней Ø6
С-2 в осях 1 - 2 и 7 - 8:
С-7 в осях 2 - 7:
Рисунок 20 -
Армирование плит сетками
3. Расчет простенка
Простенок выполняем из глиняного кирпича М150 на
растворе М100.
Рисунок 1 - К расчету простенка
. Определяем расчетные силовые факторы:
Рисунок 2 - К определению расчетных силовых
факторов
. Определяем расчетную длину:
. Определяем момент в сечении 1-1:
, принимаем
Ригель опираем на кладку, усиленную в местах
опирания горизонтальными сетками.
. Определяем продольную силу и момент в сечении
2-2:
Рисунок 3 - К определению момента в сечении 2-2
. Определяем эксцентриситет
в
сечении 2-2:
. Проверяем несущую способность простенка:
Вывод: несущая способность простенка
обеспечивается.
железобетонный ригель колонна
арматурный
4. Спецификация арматурных изделий
|
Позиция
|
Обозначение
|
Наименование
|
Кол.
|
Масса,
кг
|
Общий
вес, кг
|
|
Сборная
плита П-1
|
|
Каркасы
плоские
|
|
ЯГТУ
270800.62-08 КП
|
К-1
|
3
|
10,29
|
11,11
|
|
1
|
ЯГТУ
270800.62-08 КП
|
Ø4Вр500 l
=170 мм
|
44
|
0,02
|
0,84
|
|
2
|
ЯГТУ
270800.62-08 КП
|
Ø10
А400
l=5150мм
|
3
|
3,47
|
3,47
|
|
3
|
ЯГТУ
270800.62-08 КП
|
Ø16 А400 l=5150мм
|
3
|
6,8
|
|
Сетки
|
|
ЯГТУ
270800.62-08 КП
|
С-1
|
1
|
5,1
|
5,1
|
|
1
|
ЯГТУ
270800.62-08 КП
|
Ø3
Вр500
l=1050мм
|
16
|
0,06
|
1,89
|
|
2
|
ЯГТУ
270800.62-08 КП
|
Ø3
Вр500
l=5100мм
|
4
|
0,29
|
1,16
|
|
Закладные
изделия
|
|
Пт-1
|
ЯГТУ
270800.62-08 КП
|
Ø8
А240
l=600мм
|
4
|
0,24
|
0,96
|
|
Ригель
Р1
|
|
|
|
|
|
|
|
Каркасы
плоские
|
|
ЯГТУ
270800.62-08 КП
|
К-1
|
2
|
97,56
|
113,76
|
|
1
|
ЯГТУ
270800.62-08 КП
|
Ø25
А500
l=7490мм
|
1
|
19,9
|
19,9
|
|
2
|
ЯГТУ
270800.62-08 КП
|
Ø28
А500
l=7490мм
|
1
|
25,1
|
25,1
|
|
3
|
ЯГТУ
270800.62-08 КП
|
Ø10
А500
l=7490мм
|
1
|
3,2
|
3,2
|
|
4
|
ЯГТУ
270800.62-08 КП
|
Ø8
А400
l=760мм
|
28
|
0,3
|
8,4
|
|
5
|
ЯГТУ
270800.62-08 КП
|
Ø8
А400
l=720мм
|
1
|
0,28
|
0,28
|
|
Закладные
изделия
|
|
Мд-1
|
ЯГТУ
270800.62-08 КП
|
240х300х20
|
1
|
11,3
|
11,3
|
|
Мд-2
|
ЯГТУ
270800.62-08 КП
|
200х300х40
|
1
|
18,84
|
18,84
|
|
Пт-2
|
ЯГТУ
270800.62-08 КП
|
Ø8
А240
l=600
|
2
|
0,235
|
0,47
|
|
|
|
|
|
|
|
Колонна
К-1
|
|
|
|
|
|
|
|
Каркасы
|
|
|
К-1
|
|
|
|
|
1
|
ЯГТУ
270800.62-08 КП
|
Ø20
А400
l=6520
|
4
|
16,08
|
64,32
|
|
ЯГТУ
270800.62-08 КП
|
Ø6
А240
l=290
|
15
|
0,06
|
0,96
|
|
|
|
|
|
|
|
|
К-2
|
|
|
|
|
ЯГТУ
270800.62-08 КП
|
К-2
|
2
|
4,8
|
5,6
|
|
1
|
ЯГТУ
270800.62-08 КП
|
Ø6
А240
l=400
|
1
|
0,08
|
0,08
|
|
2
|
ЯГТУ
270800.62-08 КП
|
Ø6
А240
l=600
|
1
|
0,13
|
0,13
|
|
3
|
ЯГТУ
270800.62-08 КП
|
Ø6
А240
l=800
|
1
|
0,17
|
0,17
|
|
4
|
ЯГТУ
270800.62-08 КП
|
Ø6
А240
l=900
|
1
|
0,2
|
0,2
|
|
5
|
ЯГТУ
270800.62-08 КП
|
Ø16
А400
l=900
|
1
|
1,42
|
1,42
|
|
6
|
ЯГТУ
270800.62-08 КП
|
Ø10
А240
l=240
|
2
|
0,14
|
0,28
|
|
7
|
ЯГТУ
270800.62-08 КП
|
Ø10 А240
l=425
|
2
|
0,26
|
0,52
|
|
Закладные
изделия
|
|
Мд-4
|
ЯГТУ
270800.62-08 КП
|
350х350х20
|
2
|
10,99
|
21,98
|
|
Мд-5
|
ЯГТУ
270800.62-08 КП
|
150х150х25
|
1
|
4,4
|
4,4
|
|
Пт-3
|
ЯГТУ
270800.62-08 КП
|
Ø8
А240
l=950
|
2
|
0,28
|
0,56
|
|
Мд-3
|
ЯГТУ
270800.62-08 КП
|
Труба
Ø16
С235
|
1
|
0,96
|
0,96
|
|
|
|
|
|
|
|
Плита
монолитная
|
|
|
|
|
|
|
|
Сетки
|
|
|
ЯГТУ
270800.62-08 КП
|
С-1
|
|
|
|
|
1
|
ЯГТУ
270800.62-08 КП
|
Ø5
В500
l=5110мм
|
12
|
0,73
|
8,76
|
|
2
|
ЯГТУ
270800.62-08 КП
|
Ø5
В500
l=1220мм
|
25
|
0,171
|
4,39
|
|
|
|
|
|
|
|
|
ЯГТУ
270800.62-08 КП
|
С-2
|
|
|
|
|
1
|
ЯГТУ
270800.62-05 КП
|
Ø5
В500
l=5780мм
|
13
|
0,83
|
12,48
|
|
2
|
ЯГТУ
270800.62-05 КП
|
Ø5
В500
l=1380мм
|
28
|
0,19
|
5,56
|
|
|
|
|
|
|
|
|
ЯГТУ
270800.62-05 КП
|
С-3
|
|
|
|
|
1
|
ЯГТУ
270800.62-05 КП
|
Ø5
В500
l=860мм
|
8
|
0,12
|
1,19
|
|
2
|
ЯГТУ
270800.62-05 КП
|
Ø5
В500
l=1380мм
|
6
|
0,19
|
1,14
|
|
|
ЯГТУ
270800.62-05 КП
|
С-4
|
|
|
|
|
1
|
ЯГТУ
270800.62-05 КП
|
Ø5
В500
l=5110мм
|
8
|
0,73
|
5,88
|
|
2
|
ЯГТУ
270800.62-05 КП
|
Ø5
В500
l=830мм
|
25
|
0,11
|
2,98
|
Список использованной литературы
1. Голышев
А. Б. , Кудзис А. П. Проектирование железобетонных конструкций. Учебное пособие
для вузов: М.1985.
2. Байков
В.Н., Сигалов Э.Е. Железобетонные конструкции. Уч. для вузов: М.: Стройиздат.
1991.
3.
СП
63.13330.2012 Бетонные и железобетонные конструкции.
4) СП 1513330 Каменные и
армокаменные конструкции.