Проектирование кровельных настилов с применением деревянных конструкций
Содержание
Исходные данные
. Технико-экономическое обоснование
выбранной конструкции сооружения
.1 Определение основных размеров
сооружения в плане и профиле
.2 Выбор типа ограждающих
конструкций: кровля по прогонам и обрешетке, клеефанерные панели, асбоцементные
ребристые листы
.3 Сравнение вариантов конструкций
ограждения и выбор оптимального его варианта
. Расчет дощатоклееной армированной
балки
.1 Расчет дощатоклееной армированной
балки постоянного сечения
.2 Расчет дощатоклееной армированной
двускатной балки
. Статический расчет поперечной рамы
. Конструктивный расчет стоек
.1 Расчет крайней стойки
.2 Расчет средней стойки
. Расчет опорных узлов рамы
. Обеспечение пространственной
неизменяемости сооружения в процессе его монтажа и в законченном виде
. Краткие указания по изготовлению
элементов сооружения и его монтажу
Литература
Исходные данные
|
1.
Пролет l, м
|
10
|
|
2.
Высота рамы до карнизного узла H,
м
|
4
|
|
3.
Пролетная конструкция
|
Дощатоклееная
армированная балка
|
|
4.
Материал кровли
|
Рубероид
|
|
5.
Шаг рам, м
|
3
|
|
6.
Порода древесины
|
Кедр
|
|
7.
Длина здания, м
|
66
|
|
8.
Расчетная температура воздуха в отапливаемом сооружении, 0С
|
15
|
|
9.
Относительная влажность, %
|
85
|
|
10.
Район строительства
|
Томск
|
. Технико-экономическое обоснование
выбранной конструкции сооружения
.1 Определение основных
размеров сооружения в плане и профиле
Рисунок 1 - Схема поперечника
Определим геометрические размеры
стоек. Принимаем уклон i=3%. Тогда высота второй и третьей
стойки будет равна
; высота
балки в середине второго пролета будет равна
Рисунок 2 - Конструктивная схема рамы
1.2
.2 Выбор типа ограждающих
конструкций: кровля по прогонам и обрешетке, клеефанерные панели, асбоцементные
ребристые листы
Расчет элементов теплой рулонной кровли
построечного изготовления
Рисунок 3 - Конструкция вентилируемой теплой
совмещенной рулонной кровли
Эскизный расчет верхнего настила
По весу снегового покрова г. Томск относится к IV
району, для которого s0
= 0,7. Sg; Sg=2,4кПа
=> s0 =0,7.2,4=1,7кПа
Нагрузки на рабочий настил собираем с полосы 1м
при
μ=1
в соответствии с приложением 3 [1],
Принимаем ориентировочно массу
кровли и верхнего настилаgn=0,18кПа.
Поверхностные нагрузки на верхний
настил равны:
нормативная
расчетная
где для снега
, т.к.
Принимаем расстояние между
поперечинами, на которые укладывается верхний настил - 1,05 м, так, чтобы между
ними в свету было расстояние, равное размерам плит утеплителя (500х1000 мм).
Для досок верхнего настила принимаем
древесину кедра 3-го сорта, для которой согласно п. 6.1.4.3 [1] расчетное
сопротивление изгибу
Определяем толщину верхнего настила.
Из условия прочности на 1-е загружение:
где
, т.к. настил проектируем из кедра
(т.6.5[1]),
для 3-го КУЭ, т.к. φ = 85%
(т.6.3[1]).
Из условия прочности на 2-е
загружение:
Из условия жесткости при 1-м
загружении:
Принимаем для изготовления доски
стандартной толщины 22 мм.
Рисунок 4 - Расчетные схемы
элементов настила
Поверочные расчеты верхнего настила
Изгибающий момент при 1-м загружении
для полосы 1 м:
где уточненная постоянная нагрузка
где
g=120 кг/м
полезная
нагрузка на 1 м
;
K=1,3
коэффициент надежности;
Момент сопротивления и момент
инерции верхнего настила:
Напряжения изгиба при 1-м
загружении:
<
Изгибающий момент во 2-м загружении:
Напряжения изгиба при 2-м загружении
при условии исключения клавишной работы досок, т.е. при подшивке бруска снизу
посередине пролета:
<
Если отказаться от подшивки бруска
снизу, то временную монтажную нагрузку надо прикладывать к отдельной доске.
Примем доски шириной 150х22, тогда согласно п. 10.2.3[1] на одну доску
приходится P/2, т.е.
изгибающий момент составит:

<
Прочность досок шириной 150 мм и
толщиной 22 мм обеспечена и при возможной клавишной работе без
распределительного бруска.
Проверим жесткость настила при
нормативной нагрузке:
Эскизный расчет нижнего настила
Принимаем шаг прогонов 1м.
Поскольку нижний настил укладывается
под углом 45° к прогонам, его пролет равен:
Поверхностные нагрузки на нижний
настил включают только постоянную нагрузку от собственного веса настила,
пароизоляции и утеплителя.
Нормативное сопротивление
теплопередаче ограждающих конструкций принимаем
Толщину утеплителя определяем по
формуле:
, где
- коэффициент теплоотдачи
внутренней поверхности ограждающей конструкции,
Вт/(м2 °С);
- коэффициент теплоотдачи наружной
поверхности ограждающей конструкции для зимних условий,
Вт/(м2 °С);
- коэффициент теплопроводности
теплоизоляционного слоя, Вт/(м °С).
Принимаем в качестве утеплителя
плиты полужесткие минераловатные на битумном связующем со следующими
характеристиками:

Посчитаем нагрузку:
нормативная
расчетная
Требуемая толщина нижнего настила
при
:
Из условия прочности отдельных досок
(при клавишной их работе) при 2-м загружении и из условия жесткости:
Принимаем стандартные доски толщиной
32 мм, что с учетом острожки с одной стороны даст
что больше
Поверочные расчеты нижнего настила
Проверку прочности досок нижнего
настила выполним только для стадии изготовления. Рассмотрим отдельную доску
нижнего настила 150х35 мм, для которой:
Прочность обеспечена. Проверим
жесткость нижнего настила:
;
Окончательно принимаем для нижнего
настила доски 150х32 в заготовке с последующей их острожкой с одной стороны до
толщины 27 мм.
Сбор нагрузок на прогон
Вычислим поверхностные нагрузки от
кровли.
Таблица 1 - Нагрузки от кровли, кПа
|
Наименование
нагрузки
|
Нормативная
величина нагрузки
|
γf
|
Расчетная
величина нагрузки
|
|
1
Постоянная от собственного веса:
|
|
а)
трехслойного гидроизоляционного ковра
|
0,12
|
1,3
|
0,156
|
|
б)
верхнего настила толщиной 22 мм (0,022x5)
|
0,11
|
1,1
|
0,121
|
|
в)
поперечных ребер 50 x 150 с шагом 1,05 м (0,05x0,150x5Ó1,05)
|
0,036
|
1,1
|
0,0396
|
|
г)
продольных ребер 50 x 50 с шагом 1,25 м (0,05x0,05x5:1)
|
0,01
|
1,1
|
0,011
|
|
д)
утеплителя из минераловатных плит толщиной 170мм плотностью 50кг/м3
|
0,085
|
1,2
|
0,102
|
|
е)
пароизоляции из полиэтиленовой пленки
|
0,02
|
1,1
|
0,022
|
|
ж)
нижнего настила толщиной 27 мм (0,027х5)
|
0,135
|
1,1
|
0,1485
|
|
з)
прогонов (ориентировочно)
|
0,05
|
1,2
|
0,06
|
|
и)
приборов освещения (5 кг/м2)
|
0,05
|
1,2
|
0,06
|
|
И
т о г о постоянная
|
0,616
|
|
0,720
|
|
2
Снеговая для г. Томска (IV район) S0 = 1,7 кПа; µ = 1
(0,621/1,7
=0,365 < 0,8, γf= 1,6)
|
1,7
|
|
2,4
|
|
И
т о г о полная
|
2,316
|
|
3,12
|
Погонные нагрузки на прогон:
;
где 1- шаг прогонов.
Изгибающий момент в середине
разрезного прогона при пролете
Примем прогон из кедра 2-го сорта с
МПа (табл.
6.4 [1]).
Требуемый момент сопротивления:
Задавшись соотношением сторон
, вычислим
требуемую высоту и ширину бруса:
С учетом острожки бруса с трех
сторон, принимаем брус 100х175, что дает в чистоте прогон с сечением 90х170(h).
Поверочные расчеты разрезного
прогона
Геометрические характеристики
прогона:
Распределенная нагрузка от массы
прогона:
Полные нагрузки на прогон
составляют:
Изгибающий момент и напряжения в 1-м
загружении:
<
Изгибающий момент во 2-ом загружении
Поэтому проверку на 2-ое загружение
можно не делать.
Проверка жесткости прогона:
;
.
Жесткость прогона достаточна.
Приведенный расход древесины на 1 м2
для запроектированного кровельного настила вычисляем по формуле:
;
Проектирование утепленной кровельной
панели с асбестоцементными обшивками под рулонную кровлю (вариант заводского
изготовления)
Исходные данные:
Номинальные размеры панели в плане-1,5
3 м; обшивки
из плоских асбоцементных листов толщиной 10мм; район строительства-г. Томск (IV район по
снегу, s0=1,7 кПа);
уклон кровли-3%.
Определим предельное расстояние
между продольными ребрами из условия прочности верхней обшивки на местный изгиб
от силы P=1,2кН:
где fm,90,d =11,5МПа -
расчетное сопротивление асбоцементных листов
Теперь определим предельное
расстояние между ребрами из условия жесткости асбоцементной обшивки по формуле:
где Ea=10000МПа=107кПа;
Теперь определим предельное
расстояние между ребрами из условия жесткости асбоцементной обшивки по формуле
что меньше
Примем
ориентировочную нагрузку от собственного веса панели
Полные погонные нагрузки на панель:
нормативная -
расчетная
Изгибающий момент и поперечная сила
в панели:
Так как асбоцементные обшивки в
работе продольных ребер не учитываются, определим их требуемые размеры при
Рассчитаем толщину утеплителя.
Утеплитель - заливной пенопласт плотность
Принимаем продольные ребра из
настроганных досок 40х150(h)мм, поставленных на ребро. При этом
воздушный продух над утеплителем
- 120=30мм, что достаточно для
вентиляции внутреннего пространства панели.
Рисунок 5 - Конструкция коробчатой
кровельной панели с плоскими асбестоцементными обшивками
Поверочные расчеты асбоцементной
панели
Таблица 2 - Нагрузки от кровли, кПа
|
Наименование
нагрузки
|
Нормативная
величина нагрузки
|
γf
|
Расчетная
величина нагрузки
|
|
1
Постоянная от собственного веса:
|
|
|
|
|
а)
трехслойного рулонного ковра
|
0,12
|
1,3
|
0,16
|
|
б)
асбоцементных обшивок δ=10мм 0,381,20,46
|
|
|
|
|
в)
утеплитель(заливочный пенопласт) δут=120
мм, 0,061,30,08
|
|
|
|
|
г)
продольных ребер 0,131,10,14
|
|
|
|
|
д)
поперечных рёбер 20%
|
0,02
|
1,1
|
0,022
|
|
е)
приборов освещения 0,051,20,06
|
|
|
|
|
Итого
постоянная:
|
|
|
|
|
-для
обшивки верхней
|
0,31
|
|
0,39
|
|
-для
ребер
|
0,76
|
|
0,92
|
|
2
Снеговая для г.Томска (IV район)
|
1,7
|
|
2,4
|
Проверка прочности и жесткости
верхней асбоцементной обшивки на местный изгиб
Момент сопротивления и момент инерции полосы
обшивки шириной b=100см при
толщине δ=1см:
Максимальный изгибающий момент от
полной равномерно распределенной нагрузки (1-е загружение) при l=a0=0,48м.
Изгибающий момент от временной
монтажной нагрузки (2-е загружение)
Напряжения изгиба при первом
загружении
То же при втором загружении
Проверка жесткости асбоцементной
обшивки при
дает
Следовательно, прочность и жёсткость
асбоцементных обшивок обеспечена.
Проверка прочности продольных ребер
Так как асбоцементные обшивки в работе ребер не
учитываются, рассмотрим только 4 ребра сечением 40х150, но на действие только
нормальной составляющей нагрузки, так как обшивки воспринимают скатную
составляющую.
Полная нагрузка на все ребра
где α=arctg
0,03=1,720; cos α=0,9995;
sin α=0,030.
Изгибающий момент в середине панели
Момент сопротивления всех ребер
Напряжения изгиба
где fm,d = 13 МПа
(таблица 6.4 [1]), k’mod (таблица
6.3 [1]).
Касательные напряжения в ребрах при
поперечной силе в панели
Проверка жесткости рёбер при
Приведенный расход древесины на
асбоцементную панель
1.3 Сравнение вариантов
конструкций ограждения и выбор оптимального его варианта
Рассчитав оба варианта приходим к
выводу, что кровельные панели заводского изготовления намного выгоднее, так как
они по приведенному расходу древесины (
), значительно превосходят элементы
кровли построечного изготовления (
). Принимаем вариант теплой рулонной
кровли построечного изготовления.
2. Расчет дощатоклееной
армированной балки
В соответствии с конструктивной схемой требуется
запроектировать армированную двускатную дощатоклееную балку и дощатоклееную
армированную балку постоянного сечения отапливаемого производственного здания
при следующих исходных данных: пролет здания 10 м, кровля рулонная теплая
заводского изготовления, шаг балок 3 м, район строительства - г. Томск,
материал конструкции - кедр, уклон кровли - 3%.
2.1 Расчет дощатоклееной
армированной балки постоянного сечения
Нагрузки определяем в таблице 3.
Таблица 3 - Нагрузки от кровли, кПа
|
Наименование
нагрузки
|
Нормативная
величина нагрузки
|
γf
|
Расчетная
величина нагрузки
|
|
1
Постоянная от собственного веса:
|
|
|
|
|
а)
трехслойного рулонного ковра
|
0,12
|
1,3
|
0,16
|
|
б)
асбоцементных обшивок δ=10мм 0,381,20,46
|
|
|
|
|
в)
утеплитель(заливочный пенопласт) δут=120
мм, 0,061,30,08
|
|
|
|
|
д)
поперечных рёбер 20%
|
0,02
|
1,1
|
0,022
|
|
е)
приборов освещения 0,051,20,06
|
|
|
|
|
ж)
дощатоклееной балки 0,1851,10,204
|
|
|
|
|
Итого
постоянная:
|
0,945
|
|
1,126
|
|
2
Снеговая для г.Томска (IV район)
|
1,7
|
|
2,4
|
Расчетный пролет балки при высоте сечения стоек hk=0,4
м равен LP=L-2a+LОП=10-2·0,2+0,3=9,9м, где LОП=300мм- длина площадки опирания
балки на стене.
Погонные нагрузки на балку:
Нормативные:
Постоянная:
Снеговая:
- Полная
Расчетные:
Постоянная:
- Снеговая:
Полная
Расчетные усилия в балке:
максимальный:
максимальный:
Для отапливаемого производственного
здания при влажности
и
температуре воздуха до 35 °С класс условий эксплуатации - 3, следовательно
коэффициент условий работы
.
Отношение длительно действующей
нагрузки к полной
,
.
При толщине досок после острожки:
а=50-6=44 мм
Нормальные напряжения при изгибе:
σизг= fm,d·
kmod· kt·
kh· kб·
kr· kx
=15·0,85·1·0,8·0,95·1·0,9=8,72МПа;
,d=15(ТКП 45-5.05-146-2009 таб. 6.4 вар 1в для 2
сорта);=0,85( для КУЭ3 таб 6.3 ТКП 45-5.05-146-2009) ;=1 (ТКП 45-5.05-146-2009
п 6.1.4.7) ;=0,8(ТКП 45-5.05-146-2009таб. 6.8) ;б=0,95(ТКП 45-5.05-146-2009таб.
6.9) ;=1(ТКП 45-5.05-146-2009 таб. 6.10);x=0,9(ТКП
45-5.05-146-2009 таб. 6.5).
Нормальные напряжения на скалывание:
σск= fv,0,d
· kmod· kt·
kh· kб·
kr· kx
=1,5·0,85·1·0,8·0,95·1·0,9=0,872 МПа;
fv,0,d=1.5(ТКП
45-5.05-146-2009 таб. 6.5 вар 5б для 2 сорта).
Ширина балки должна быть не менее
где a=d+5=16+5=21мм;
Таким образом b=150 мм >
6,8.21=142,8 мм. Следовательно, принятая ширина сечения балки b=150 мм
достаточна.
Принимаем 4&16 S400 А=8,04
см2, коэффициент армирования m=0,01,
коэффициент приведения арматуры к древесине
Требуемый момент сопротивления:
приведенного сечения
деревянного сечения
Требуемая высота из условия
прочности на изгиб:
Из условия прочности на скалывание:
Из условия жесткости требуемый
момент инерции приведенного и деревянного сечений:
Требуемая рабочая высота балки из
условия жесткости:
Высота балки: h=
+a=0,54+0,021=0,561
м.
Окончательно принимаем: h=13.0,044=0,572
м.
Тогда рабочая высота балки h0=0,572-0,021=0,551
м.
Выполним проверочные расчеты
принятого сечения балки:
Коэффициент армирования:
Приведенный момент инерции:
Приведенный момент сопротивления:
Приведенный статический момент
площадки сечения выше нейтральной оси:
Проверка нормальных напряжений:
Проверка касательных напряжений:
Жесткость балки обеспечена.
Рисунок 6 - К расчету дощатоклееной
балки с двойным армированием:
а) конструктивная схема; б)
расчетная схема; в) эпюра моментов и поперечных сил балки
Рисунок 7 - Поперечное сечение 1-1
дощатоклееной балки с двойным армированием
2.2
.2 Расчет дощатоклееной армированной
двускатной балки
При ширине балки b=0,16
м возможный диаметр арматуры найдем из условия b≥6,8a,
тогда а = d + 5≤b/6,8
= 160/6,8 = 23,5 мм, отсюда d
≤
18,5 мм.
Принимаем у нижней грани 2&12
S400 A=2,26
см2.
Требуемый момент инерции приведенного сечения из
условия жесткости балки:
Требуемый момент инерции по
древесине:
Отсюда находим требуемую высоту
балки в середине пролета:
Окончательно принимаем:
в середине пролета: h = 0,038.19 = 0,722
м;
на опоре: hоп = 0,038.15 = 0,57 м.
Уклон кровли при этом:
Расчетное сечение двускатной балки
находится от опор на расстоянии:
Высота расчетного сечения балки:
Рабочая высота армированной балки:
Изгибающий момент в расчетном
сечении:
Момент инерции:
Коэффициент армирования:
Момент сопротивления приведенного
сечения:
рама балка кровля
конструкция
Проверка прочности балки в расчетном
сечении по нормальным напряжениям:
Проверка прочности по касательным
напряжениям:
Проверим жесткость двускатной
армированной балки. Момент инерции в середине пролета:
где
Момент инерции приведенного сечения:
Коэффициенты:
Прогиб с учетом только деформаций
изгиба:
Абсолютный прогиб с учетом
деформаций сдвига:
Жесткость балки обеспечена
Рисунок 8 - Конструктивная схема дощатоклееной
двускатной балки
Рисунок 9 - Поперечные сечения дощатоклееной
двускатной балки
3. Статический расчет
поперечной рамы
Нагрузка Аg
равна реакции ригеля от собственной массы всех конструкций покрытия:
для крайних колонн:
для средней:
где
Нагрузка от собственной массы
колонны высотой Н с сечением b x h
(150х260)для крайних колонн:
для стойки 2 (b x h = 160x 300):
Нагрузка Ар равна реакции ригеля от
снеговой нагрузки на кровле.
На крайние стойки:

на средние стойки:
Вертикальная снеговая нагрузка,
действующая на скаты кровли и направляемая вверх, при малоуклонных кровлях не
учитывают, на эту нагрузку проектируют элементы ограждения и крепления
элементов кровли.
Горизонтальные ветровые нагрузки
действуют на раму в виде равномерно распределяемых нагрузок Ра и Р0, и
горизонтально расположенных сосредотачиваемых сил W и W’:
Для города Томск (III-й район по
ветровой нагрузке)
кПа.
Значение коэффициентов :
;
;
(знак “-” - направление от
поверхности).
Определяем неизвестные в верхних срезах колон:
Сжимающее усилие в стойках. От веса
всех конструкции и собственного веса стоек:
От снеговой нагрузки:
Максимальные изгибающие моменты в
стойках от ветровой нагрузки:
Определим невыгодные комбинации
усилий:
для расчета стоек, комбинация №1:
комбинация №2:
комбинация №3:
Для расчета заземленной стойкой:
Определим условия сжимающих усилий
по трем комбинациям усилий от крайних стоек:
Следовательно, расчетной является
комбинация №3
Рисунок 11 - Эпюра изгибающих
моментов М и продольной силы N для крайних стоек
Определим условия сжимающих усилий
по трем комбинациям усилий от средних стоек:
Следовательно, расчетной является
комбинация №3
Рисунок 12 - Эпюра изгибающих
моментов М и продольной силы N для средних стоек
4. Конструктивный расчет стоек
4.1 Расчет крайней стойки
Для стоек принимаем доски из кедр II сорта,
толщиной 44 мм.
Сечение стойки b×h=150×260мм
где=49,12кН;=b.h=
0,15.0,26=0,039 м2;=5,69 кН.м;
Условие прочности выполнено.
Выполним расчет на устойчивость
плоской формы деформирования:
Условие выполнено
4.2 Расчет средней стойки
Сечение стойки b×h=160×300мм
где=97,49кН;=b.h=
0,16.0,3=0,048 м2;
M=5,28 кН.м;
Условие прочности выполнено.
Выполним расчет на устойчивость
плоской формы деформирования:
Условие выполнено.
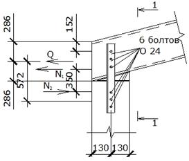
5. Расчет опорных узлов рамы
Для крайней стойки: 
Геометрические характеристики
сечения крайней стойки
Краевые напряжения:
Длина сжатой зоны:
Анкерное усилие, действующее на
пластину с приваренными к ней стержнями:
Принимаем 2 арматурных стержня
диаметром 16 мм (S400).
Нагрузка на один стержень:
Продольная составляющая усилия:
Поперечная составляющая усилия:
Расчетная несущая способность
стержня на растяжение:
,
где,
- расчетное сопротивление
арматурного стержня растяжению,
для арматуры S400;
- расчетная площадь поперечного
сечения стержня,
Расчетная несущая способность
стержня как нагеля:
Несущая способность стержней:
Прочность стержней обеспечена.
Перерезывающая сила и касательные
напряжения:
Несущая способность соединения на
вклеенных поперек волокон стержнях:
;
где,
- расчетное сопротивление древесины
срезу поперек волокон в соединений с круглыми арматурными стержнями
периодического профиля
d - диаметр
отверстия под вклеенный стержень,d=16+5=21мм=0,021м;
kn4 -
коэффициент, учитывающий неравномерность снижение несущей способности
соединения в зависимости от вида напряженного состояния в зоне установки
стержней:
kn5 -
коэффициент, учитывающий изменение расчетного сопротивления древесины срезу
поперек волокон в зависимости от диаметра стержней:
kn6 -
коэффициент, учитывающий неравномерность нагружения стержней, kn6=0,87:
Длина заделки достаточна.
Проверим возможность пересечения
встречных стержней:
Стержни не пересекаются.
Для средней стойки:
Геометрические характеристики
сечения крайней стойки
Краевые напряжения:
Длина сжатой зоны:
Анкерное усилие, действующее на
пластину с приваренными к ней стержнями:
Принимаем 2 арматурных стержня
диаметром 12 мм (S400).
Нагрузка на один стержень:
Продольная составляющая усилия:
Поперечная составляющая усилия:
Расчетная несущая способность
стержня на растяжение:
где,
- расчетное сопротивление
арматурного стержня растяжению,
для арматуры S400;
- расчетная площадь поперечного
сечения стержня, равна 3,14см2.
Расчетная несущая способность
стержня как нагеля:
Несущая способность стержней:
Прочность стержней обеспечена.
Перерезывающая сила и касательные
напряжения:
Несущая способность соединения на
вклеенных поперек волокон стержнях:
;
Длина заделки достаточна.
Проверим возможность пересечения
встречных стержней:
Стержни не пересекаются.
Рисунок 14 - Крепление стоек к
фундаменту: а) крайние стойки, б) средние стойки
6. Обеспечение пространственной
неизменяемости сооружения в процессе его монтажа и в законченном виде
Пространственные крепления, воспринимающие
ветровые усилия, служат также для предупреждения выпучивания сжатого контура
плоскостных деревянных конструкций. В большинстве случаев сжатый пояс в них
раскрепляют прогонами кровли, которые должны быть прочно прикреплены к верхнему
поясу, и настилам кровли.
Основным типом поперечных вертикальных связей
являются жесткие связи, соединяющие попарно вдоль здания соседние конструкции.
Вертикальные связи не следует делать непрерывными по всей длине здания, так как
при обрушении по какой-либо причине одной из несущих конструкций она перегрузит
через связи соседние конструкции, что может привести к последовательному
обрушению всего покрытия.
Устройство вертикальных связей в виде подкосов
нецелесообразно. Если по длине здания будет действовать снеговая нагрузка
различной интенсивности, то подкосы не предупредят, а наоборот, будут
способствовать выпучиванию закрепляемого ими пояса фермы.
Связи выполняют следующие функции:
создание геометрической неизменяемости
сооружения;
обеспечение устойчивости сжатых
элементов;
восприятие нагрузок, действующих из
плоскости несущих конструкций, и передача их через другие элементы каркаса на
фундаменты;
перераспределение нагрузок между
элементами каркаса;
фиксированное положение и обеспечение
устойчивости конструкции во время монтажа.
7. Краткие указания по изготовлению
элементов сооружения и его монтажу
С целью уменьшения габаритных размеров балок по
высоте применяем армирование. Армирование может быть одиночным с расположением
арматуры в растянутой зоне и двойным - с расположением арматуры в растянутой и
сжатой зонах.
При изготовлении элементов из древесины нужно
помнить об общих положениях. Таких как, сушка, антисептирование и обработка
огнезащитными составами.
Сушка является одной из основных и самых сложных
операций технологического процесса, которую проводят для повышения удельной
прочности древесины, предохранение от загнивания, предупреждение коробления
деревянных элементов при эксплуатации, а так же для улучшения склеивания,
пропитки и отделки древесины.
пиломатериалов, прошедших предварительную
атмосферную сушку до влажности 20-25% и сушку в камерах до технологической
влажности 8-12%;
пригодных для применения клеев;
производственных помещений, в которых
поддерживаются
заданные температурно-влажностные
параметры воздуха;
оборудования, обеспечивающего
качественное выполнение
технологических операций;
квалифицированных кадров;
нормативной документации на конструкции
и процессе их изготовления.
Отклонение в размерах шаблонов, кондукторов и
других приспособлений для изготовления элементов деревянных конструкций от
размеров, указанных в проектной документации, не должны превышать 1 мм.
При сборке, транспортировке и монтаже
конструкций в их элементах не должны возникать дополнительные напряжения.
Если конструкция нагружена или опирается не так,
как предусмотрено проектной документацией, то временные условия опирания
следует рассматривать как соответствующий случай нагружения, включая возможные
динамические составляющие.
Искривления при подъеме из горизонтального в
вертикальное положение рам не допускается.
Литература
1. ТКП 45-5.05-146-2009 (02250)
Деревянные конструкции. Строительные нормы проектирования. Минстройархитектуры
РБ.-Мн.,2009
. Ребеко В.Я. Проектирование
кровельных настилов с применением деревянных конструкций. - Гомель: БелИИЖТ
2006
. Ребеко В.Я. Проектирование
шарнирных рам с жестко защемленными стойками из древесины и пластмасс. Ч
I.
Балки и стойки - Гомель: БелИИЖТ, 1985
. Ребеко В.Я. Проектирование
шарнирных рам с жестко защемленными стойками из древесины и пластмасс. Ч
II.
Примеры расчета балок- Гомель: БелИИЖТ, 1988
. СНиП II-23-81*.
Стальные конструкции. Нормы проектирования. -М., 1988