Проектирование конструкций одноэтажного производственного здания

  • Вид работы:
    Курсовая работа (т)
  • Предмет:
    Строительство
  • Язык:
    Русский
    ,
    Формат файла:
    MS Word
    120,03 Кб
  • Опубликовано:
    2016-02-16
Вы можете узнать стоимость помощи в написании студенческой работы.
Помощь в написании работы, которую точно примут!

Проектирование конструкций одноэтажного производственного здания

Оглавление

1. Исходные данные

2.      Компоновка поперечной рамы

3. Определение нагрузок на раму-блок

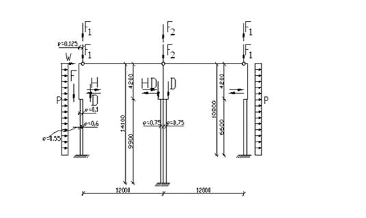
3.1 Расчетная схема рамы

3.2 Постоянные нагрузки

.4 Временные нагрузки

.4.1 Снеговая нагрузка

.4.2 Крановая нагрузка

.4.3 Ветровая нагрузка

.5 Статический расчет рамы-блока

.5.1 Вычисление геометрических характеристик сечений колонн

3.5.2 Определение реакций верха колонн рамы-блока от единичного смещения

.5.4 Загружение снеговой нагрузкой

.5.5 Загружение крановой нагрузкой

.5.6 Загружение ветровой нагрузкой

4. Расчет прочности двухветвевой колонны среднего ряда

. Расчет внецентренно нагруженного фундамента под среднюю двухветвевую колонну

.1 Данные для расчета

.2 Определение геометрических размеров фундамента

.3 Расчет арматуры фундамента

. Расчет и конструирование панели оболочки КЖС

.1 Исходные данные для проектирования

.1.2 Подсчет нагрузок и усилий

.1.3 Расчет панели КЖС по общей несущей способности и устойчивости

.1.4 Характеристики предварительного напряжения

.1.5 Расчет прочности наклонных сечений

.1.6 Расчет поля оболочки на изгиб между диафрагмами

Список используемой литературы


1. Исходные данные:

Шаг колонн - 12 м.

Размеры пролетов - 24 м.

Отметка головки крановых путей - 9.6

Грузоподъемность мостовых кранов - 50/10 т.с

Вид строительной конструкции - КЖС

Расчетное сопротивление грунта - 0,22 Мпа

Длина здания - 96 м.

Тип местности по ветровой нагрузки - В

Район строительства - Курган

Задание на проектирование конструкций одноэтажного каркасного производственного здания:

Требуется запроектировать в сборном железобетоне основные несущие конструкции одноэтажного каркасного производственного здания с мостовыми кранами.


2. Компоновка поперечной рамы

Устройство фонарей не предусмотрено.

Покрытие:

основные конструкции - балка пролетом 12м, весом 160 кН

подкрановые балки ж/б предварительно напряженная, высотой 1,4м

наружные стены панельные, навесные.

Колонны: кр. колонны проектируют сплошными прямоугольного сечения ступенчатыми

ср. колонна - сквозные двухветвевые.

Отметки головок крановых рельс h = 9,6 м.

Высота кранового рельса 150 мм.

Отметка подкрановой балки h - 150мм = 9,45м.

Габаритные размеры крана по высоте Нcr = 3150 мм (для крана грузоподъемности Q = 50 т.).

Зазор между нижним поясом фермы и краном a1 = 100 мм.

Высота кранового рельса КР-80 с прокладками hr = 150 мм.

Высота подкрановой балки hсв = 1400 мм при шаге 12 м.

Отметка обреза фундамента а2 = 0,15 м.

Для колонн крайнего ряда длина надкрановой части составит:

H1 = Нcr1+hcr+hсв = 3150+100+150+1400 = 4800 мм.

Колонна крайних рядов имеет длину от обрезов фундамента до верха подкрановой консоли:

H2 = 9,6-(1,4+0,15)+0,15 = 7,9 м.

Полная длина колонны:

H = H1+ H2 = 4800+7900 = 12700 мм.

Окончательно полную высоту колонны H необходимо назначить так, чтобы отметка верха колонны была бы кратной 0,6 м. Таким образом принимаем H = 12,6 м.

Для колонн среднего ряда длина надкрановой и подкрановой части колонны составит:

H1 = 3150+100+150+1400 = 4800 мм.

H2 = 12600-4800 = 7800 мм.

Высота сечения надкрановой части крайних колонн назначается из условия размещения кранового оборудования при «нулевой» привязке:

h1 = λ-B1-70 = 750-300-70 = 380 мм,

где В1 = 300 мм - расстояние от оси кранового рельса до края моста крана.

Высота поперечного сечения подкрановой части этих же колонн из условия обеспечения требуемой прочности и жесткости:

h2 = ≥1/14 H2 = 7,8/14 = 0,557м = 557 мм.

Принимаем h2 = 600 мм.

Ширина поперечного сечения крайних колонн из условия обеспечения достаточной жесткости должна быть не менее 1/25 Н, т.е.

b≥12,6/25 = 0,504 м = 504мм.

Принимаем b = 600 мм.

Назначаем размеры поперечного сечения:

подкрановой части h* b = 600*600 мм

надкрановой части h* b = 380*600 мм

Для двухветвевой колонны среднего ряда размеры сечения надкрановой части из условия надежного опирания подстропильных конструкций принимаем равным h1 = 600 мм. и b = 600 мм.

Высоту сечения подкрановой части можно назначить так, чтобы ось ветви совпадала с осью подкрановой балки. Тогда при высоте поперечного сечения ветви hbr = 300 мм получим

h2 = 2 λ+ hbr = 2·750+300 = 1800 мм

Назначаем размеры поперечного сечения двухветвевой колонны среднего ряда:

надкрановая часть:

h* b = 600*600 мм

подкрановая часть:

h* b = 600*1800 мм

высота ветви: hbr = 300 мм.

3. Определение нагрузок на раму-блок

Наружные стены - керамзитобетонные панели, остекленение - ленточные, постоянные нагрузки, грузовые площади от покрытия действующие для:

крайнего ряда

A1 = L·a = 12·24/2 = 144 м2

среднего ряда

A2 = L·a = 12·24 = 288 м2 ,где

l - пролёт

a - шаг балок

.1 Расчетная схема рамы


3.2 Постоянные нагрузки

Распределенные по поверхности нагрузки от веса покрытия приведены в табл.1.1. Все расчетные нагрузки определены с коэффициентом надежности по назначению здания γn = 0,95.

Таблица 1

Постоянные нагрузки на покрытие

Элементы покрытия

Нагрузка,Па

γf


нормативная

расчетная




при γf = 1

при γf>1


1. Постоянная





1.1 Водоизоляционный ковер (три слоя рубероида на мастике)

90

86

111

1,3

1.2 Асфальтовая стяжка γ = 18 кН/м3, t = 20 мм.

360

342

445

1,3

1.3 Минераловатный плитный утеплитель γ = 4 кН/м3, t = 150 мм.

600

570

741

1,3

1.4 Пароизоляция - два слоя пергамина на мастике

48

46

60

1,3

1.5 Плита покрытия сводчатого типа КЖС

2250

2138

2352

1,1

Итого

3348

3182

3709

-

g = 3.7 кН/м2


3.3 Расчётные нагрузки и эксцентриситеты

Их приложения, действующие на колонны крайнего и среднего ряда.

Колонна крайнего ряда:

от веса покрытия

G1 = g A1 = 3,7·144 = 532,8 кН

Эксцентриситет относительно оси надкрановой части:

e1 = h1/2-175 = 380/2-175 = 15 мм.

от веса надкрановой части

G2 = 0,6·0,38·4,8·2,5·9,81·1,1·0,95 = 28,05 кН

Эксцентриситет относительно геометрической оси подкрановой части колонны

e2 = ( h1- h2)/2 = (600-380)/2 = 110 мм.

от веса подкрановой части одной колонны

G3 = 0,6·0,6·8,4·2,5·9,81·1,1·0,95 = 77,5 кН

Эксцентриситет относительно своей оси равен нулю

от стеновых панелей

tw = 300 мм - толщина панелей

G4 = 120 кН

Эксцентриситет относительно оси подкрановой части:

e4 = (tw+ h2)/2 = (300+600)/2 = 450 мм.

от веса подкрановой балки и крановых путей

G5 = (114,8·1,4+1,5·12)·1,1·0,95 = 186,76 кН

Эксцентриситет относительно оси подкрановой части колонны

e3 = λ- h2/2 = 750-600/2 = 450 мм.

Колонна среднего ряда:

от веса покрытия

G6 = 532,8·2 = 1065,6 кН

от веса надкрановой части

G7 = 0,6·0,38·4,8·2,5·9,81·1,1·0,95 = 44,3 кН

от веса подкрановой части при числе отверстия n = 4

G8 = 69.4 кН

от веса подкрановых балок и крановых путей

G9 = 2·1,1·0,95·(160,72+1,5·12) = 712,1 кН

Эксцентриситет e4 = λ = 750 мм.

.4 Временные нагрузки

.4.1 Снеговая нагрузка

Расчётная нагрузка на колонну:

крайнего ряда

S1 = Sg·A1 = 1,8·144 = 259,2 кН

Sg = 1,8 ( по СНиП 2.01.07-85* ”Нагрузки и воздействия”)

среднего ряда

S2 = Sg·A2 = 1,8·288 = 518,4 кН

.4.2 Крановая нагрузка

Pn,max = 46,5т.с = 465 кН

Pn,min = 11,8т.с. = 118 кН

Горизонтальное давление (тормозная сила)

Tn = 1,7 т.с. = 17 кН

Для определения расчетного максимального давления на колонны строится линия влияния опорных реакций от воздействия 2-х сближенных кранов.

Габариты крана: ширина В = 6,65 м.

база крана Аcr = 5,25 м

Σy = 1 + 0,535 + 0,883 + 0,445 = 2,863

Расчетное максимальное и минимальное давление от 2-х сближенных кранов по крайнему ряду колонну:

Dmax,l = ψ·Pn,min·Σy· γf·γn = 0,85·465·2,863·1,1·0,95 = 1182,5 кН

Dmin,l = Dmax,l·(Pn,min/ Pn,max) = 1182,5·(118/465) = 300 кН

Расчётная тормозная сила:

Тr = ψ·Tn Σy·γf·γn = 0,85·17·2,863·1,1·0,95 = 43,23кН, где

ψ = 0,85- для крайнего ряда колонн

ψ = 0,8 для среднего ряда

Расчётное максимальное давление Dmax от 4-х кранов у средней колонны:

Вертикальное давление:

Dmax,r = ψ·2·Pn,max·Σy γf·γn = 0,7 ·2·465·2,863·1,1·0,95 = 1947,7кН

Dmin,r = Dmax,r·( Pn,min/ Pn,max) = 1947,7 ·(118/465) = 494,25 кН

Тr = ψ·Tn Σy· γf·γn = 0,7·2·17·2,863·1,1·0,95 = 71,2 кН

3.4.3 Ветровая нагрузка

Тип местности - В, для района - II скоростной напор ветра W0 = 0,3kH/м2 (табл. 5

СНиП 2.01.07-85*), γf· = 1,4.

Скоростной напор ветра на разной высоте определяется по формуле:

W = kw·c γf·γn

kw - коэффициент ветрового давления, принимаемый по табл.6 СНиП 2.01.07-85*

c - аэродинамический коэффициент принимаемый по прил. 4 СНиП 2.01.07-85*

Для открытой местности коэффициент k:

В k

≤ 5 м 0,5

≤ 10 м 0,65

≤ 20 м 0,85

Коэффициент k, учитывающий изменение ветрового давления по высоте здания, по формуле:

на отметке 12,450 k1 = 0,65+(0,85-0,65)·(12,45-10)/10 = 0,699

на отметке 13,650 k2 = 0,65+(0,85-0,65)·(13,65-10)/10 = 0,723

Скоростной напор ветра:

на отметке 5,000 w1 = w0· k = 0,5·0,3 = 0,15 кПа

на отметке 10,000 w2 = 0,65·0,3 = 0,19 кПа

на отметке 12,450 w3 = 0,699·0,3 = 0,2097 кПа

на отметке 13,650 w4 = 0,723 ·0,3 = 0,217 кПа

Переменный по высоте колонны скоростной напор заменяем равномерно распределенным, эквивалентным по моменту в заделке колонны:

weq = 2·Ma/H2 =


Аэродинамические коэффициенты:

c = 0,8 с наветренной стороны

c = -0,6 с заветренной стороны

Расчетная нагрузка на колонну крайнего ряда до отметки 13,200 м

с наветренной стороны:

Wа = c·weq·B· γf·γn = 0,8 ·0,186·12·1,4·0,95 = 2,375 кН/м, где

В = 12, шаг колонн или ширина рамного блока.

с заветренной стороны:

Wp = 0,6 0,186·12·1,4·0,95 = 1,781 кН/м.

W = (c1+c2)·( weq+wmax)·(Hmax-·H0)·B/2

wmax - ветровое давление на отметке Hmax;

Hmax - отметка конька фонаря или наивысшей точки покрытия;

H0 - отметка верха колонны;

.5 Статический расчет рамы-блока

.5.1 Вычисление геометрических характеристик сечений колонн

Моменты инерции сечения колонны среднего ряда:

надкрановой части

подкрановой части

Коэффициенты для вычисления реакций по формулам:


k1 = 0 для сплошной колонны

Моменты инерции сечения колонны крайнего ряда:

надкрановой части

подкрановой части


где с = h2-hbr = 1800-300 = 1500 мм - расстояние между осями ветвей

Коэффициенты для вычисления реакций по формулам:

, где

- момент сечения ветви колонны

n = 4 -число панелей (отверстий) в подкрановой части двухветвевой колонны.

3.5.2 Определение реакций верха колонн рамы-блока от единичного смещения

Верхним концам колонны придаем горизонтальное смещение  = 1 и определяем реакции В в основной системе от этого смещения:

для колонн крайнего ряда

для средней колонны


Суммарная реакция верха колонн

.5.3 Загружение рамы-блока постоянной нагрузкой

Определяем реакции колонн в основной системе (т. е. с несмещаемыми верхними концами) по формулам:


где М1 = G1·е1 = 532,8·0,015 = 8 кН

М2 = -G1·е2- G2·е2- G4·еw· G5·е3 =

= -532,8*0,11-28,05*0,11- 120*0,45+186,76*0,45 = -31,65 кН·м

моменты в сечениях I- I и III- III от внецентренного приложения постоянной нагрузки.

Согласно принятому правилу знаков, положительная реакция направлена вправо.

для колонны среднего ряда

 е = 0

Суммарная реакция верха колонны в заданной системе:

Перемещение верха колонн в заданной системе:


Cdim = 1, коэффициент, учитывающий пространственную работу каркаса при действии крановых нагрузок.

Упругие реакции верха колонн в заданной системе для крайних колонн или крайнего ряда.

для колонн крайнего ряда


для колонн среднего ряда


Проверка: (-8,05-17,3)/7,9 = -3,21 кН

Усилия в сечениях колонн:

для колонн крайнего ряда

МI- I = М1 = 8 кН·м

М II-II = М1e,l·H1 = 8+3,25·4,8 = 23,6 кН·м

М III-III = М II-II+ М2 = 23,6-31,65 = -8,05 кН·м

МIV-IV = М1+ М2+ Вe,l·H = 8+(-31,65)+3,25·12,6 = 17,3 кН·м

Проверка: (-8,05-17,3)/7,9 = -3,21 кН

N II-II = G1+G2 = 532,8+28,05 = 560,85 кН

N III-III = N II-II+ G4+G5 = 560,85+120,+186,76 = 867,61 кН

NIV-IV = N III-III+ G3 = 867,61+77,5 = 945,11 кН

для колонн среднего ряда

МI- I = М II-II = М III-III = МIV-IV = 0 кН·мII-II = G6+G7 = 1065,6+44,3 = 1109,9 кН III-III = N II-II+ G9 = 1109,9+712,3 = 1822 кНIV-IV = N III-III+ G8 = 1822+69,4 = 1891,4 кН

.5.4 Загружение снеговой нагрузкой

Последовательность расчёта ни чем не отличается от вышеприведенной.

реакция верха колонн ряда А в основной системе:

,

где M1 = S1·e1 = 259,2·0,015 = 3,88 кН2 = -S1·e2 = -259,2·0,11 = -28,5 кН

реакция верха колонн ряда Б в основной системе:

Суммарная реакция в основной системе:


Перемещение верха колонн в заданной системе


сdim-коэффициент, учитывающий пространственный характер работы каркаса здания;

Упругие реакции верха колонн в заданной системе:

для колонн ряда А


для колонн ряда Б


Усилия в сечениях колонн:

для колонн крайнего ряда

МI- I = М1 = 3,88 кН·м

МII-II = М1e,l·H1 = 3,88+1,015·4,8 = 8,76 кН·м

МIII-III = М II-II+ М2 = 8,76+(-28,5) = -19,74 кН·м

МIV-IV = М1+ М2+ Вe,l·H = 3,88+(-28,5)+1,015 ·12,61 = -11,83 кН·м


Проверка: (-19,74-(-11,83))/7,9 = -1,001 кН

для колонн ряда Б

Значение М = 0

NI- I = N II-II = N III-III = NIV-IV = S2 = 518, 4 кН

3.5.5 Загружение крановой нагрузкой

Последовательно рассматриваем загружение крановой нагрузкой пролетов АБ и БВ при различном положении тележки с грузом в пролете.

Кран в пролете АБ

Давление Dmax,l на крайней колонне

Вертикальное давление Dmax,l = 1182,5 приложено с эксцентриситетом e3 = 0,45м, создавая момент

Mmax = M2 = 1182,5·0,45 = 532,12 кН·м

Одновременно на средней колонне действует Dmin,l = 300 кН с эксцентриситетом e4 = 0,75м, создавая момент

Mmin = M2 = -300·0,75 = -225 кН·м.

Реакция верха левой стойки рамы-блока в основной системе


то же средней стойки


Суммарная реакция в основной системе


Перемещение верха колонн в заданной системе


сdim = 3,4при шаге колонн 12 м

Упругие реакции верха колонн в заданной системе:



для колонн ряда Б


для колонн ряда B

Усилия в сечениях колонн:

для колонн крайнего ряда

МI- I = 0 кН·м

МII-II = Вe,l·H1 = -45,8·4,8 = 219,84 кН·м

МIII-III = М II-II+ М2 = 219,84 +532,12 = 312,28кН·м

МIV-IV = М2+ Вe,l·H = -532,2+(-45,8)·12,6 = -44,96 кН·м


Проверка: (312,28+44,96)/7,9 = -45,2кН

для колонн ряда Б

МI- I = 0 кН·м

МII-II = Вe,m·H1 = 22,15·4,8 = = 106,32кН·м

МIII-III = М II-II-+М2 = 106,32-225 = -118,68кН·м

МIV-IV = М2+ Вe,l·H = -532,2+(-45,8)·12,6 = -44,96 кН·м


Проверка: (-118,68-+44,96)/7,9 = -20,71кН

NII-II = 0 кН

NIII-III = NIV-IV = Dmin,l = 300 кН

Горизонтальная тормозная сила Тl у ряда А

Реакция верха двух колонн ряда А в основной системе


Реакции ;

Суммарная реакция в основной системе

Перемещение


Упругие реакции верха колонн в заданной системе:

для колонн ряда А


для колонн ряда Б


- для колонн ряда B


Усилия в сечениях колонн:

для колонн крайнего ряда

М II-II = М III-III = Вe,l·H1- Тl· hсв = ±22,45·4,8±43,23·1,4 = ±47,27кН·м

МIV-IV = Вe,l·H- Тl· (Н2 -hсв) = ±22,45·12,6±43,23(7,9-1,4) = ±119,08 кН·м


Проверка: (±47,27±119,08)/7,9 = -21,06кН

для колонн среднего ряда

МII-II = М III-III = Вe,m ·H = ±5,59·4,8 = ±26,83кН·м

МIV-IV = Вe,m·H = ±5,59·12,6 = ±70,43кН·м


Давление Dmax,l на средней колонне

Момент в узле средней колонне от вертикального давления крана: Mmax = Dmax,l · e4 = 1182,5·0,75 = 886,87кН·м.Одновременно на крайней стойке действует давление

Dmin,l = 300 кН с эксцентриситетом e4 = 0,75м, создавая момент Mmin = M2 = 300·0,45 = 135 кН·м.

Реакция верха левой стойки рамы-блока в основной системе


то же средней стойки


Суммарная реакция в основной системе


Перемещение верха колонн в заданной системе


сdim = 3,4при шаге колонн 12 м

Упругие реакции верха колонн в заданной системе:

для колонн ряда А


для колонн ряда Б


для колонн ряда B


Усилия в сечениях колонн:

для колонн крайнего ряда

М II-II = -11,82*4,8 = -60,1кН·м

М III-III = М II-II2 = -60,1+135 = 74,9кН·м

МIV-IV = -12,52*12,6+135 = -22,75кН·м


Проверка:(74+22,75)/7,9 = 12,36кН

для колонн среднего ряда

М II-II = 32,445*4,8 = 155,74 кН·м

М III-III = М II-II2 = 155,74-886,87 = -731,13кН·м

МIV-IV = 32,445·12,6-886,87 = -478,063кН·м


Проверка:(-731,3+478,063)/7,9 = -32,03 кН

N II-II = 0 кН

N III-III = NIV-IV = Dmax,l = 1182,5 кН

Горизонтальная тормозная сила Тl у ряда А

Реакция верха двух колонн ряда А в основной системе


реакции ;

Суммарная реакция в основной системе

Перемещение


Упругие реакции верха колонн в заданной системе:

для колонн ряда А


для колонн ряда Б


Усилия в сечениях колонн:

для колонн крайнего ряда

М II-II = М III-III = Вe,l·H1 = ±0,313·4,8 = ±1,5кН·м

МIV-IV = Вe,l·H = ±0,313·12,6 = ±3,94 кН·м

N II-II = N III-III = NIV-IV = 0 кН

для колонн среднего ряда

М II-II = М III-III = ±9,218·4,8±42,23·1,4 = ±14,88 кН·м

МIV-IV = ±9,218·12,6±42,23(7,9+1,4) = ±276,58 кН·м

N II-II = N III-III = NIV-IV = 0 кН

Кран в пролете БВ

Усилия в сечениях колонн при загружении крановой нагрузкой пролёта БВ определяется аналогично.

Загружение средней колонны от 4-х кранов.

Данное загружение предусмотрено для получения максимальной продольной силы в средней колонне когда на неё действует Dmax,l слева и справа от 2-х кранов в каждом пролёте.

Вертикальное давление кранов принимаем с коэффициентом сочетания ψ = 0,7

Dmax,l = (0,7/0,85)·1182,5 = 973,82 кНmin,l = (0,7/0,85)·300 = 247,05 кНmax,r = (0,7/0,85)·1947,7 = 1603,98 кНmin,r = (0,7/0,85)·494,25 = 407,02 кН

Узловой момент, создаваемый разностью вертикальных давлений:

М2 = -973,82·0,75+1603,98·0,75 = 472,68 кН·м

Одновременно на крайней левой колонне действует узловой момент, М2 = Dmin,l,·e3 =

,05·0,45 = 111,17 кН·м,

а на правой крайней - момент М2 = -Dmin,r e3 = -407,02·0,45 = -183,16 кН·м.

Реакции верха колонн рамы-блока в основной системе:

по ряду А


по ряду Б

по ряду В


Суммарная реакция в основной системе


Перемещение


Упругие реакции верха колонн в заданной системе:

для колонн ряда А


для колонн ряда Б


для колонн ряда B


Усилия в сечениях колонн:

для колонн крайнего ряда

М II-II = -9,37·4,8 = -45кН·м

М III-III = -45+111,7 = 66,17 кН·м

МIV-IV = -9,37·12,6+111,17 = -6,892кН·м

Проверка: (66,17+6,89)/7,9 = 9,25кН

N II-II = N III-III = NIV-IV = Dmin,l = 247,05 кН

для колонн среднего ряда

М II-II = -17,3·4,8 = -83,04кН·м

М III-III = -83,04+472,63 = 389,59кН·м

МIV-IV = -17,3·12,6+472,62 = -254,64кН·м

Проверка: (389,59-254,64)/7,9 = 17,08кН

N II-II = 0 кН

N III-III = NIV-IV = Dmax,l+ Dmax,r = 973,2+1603,98 = 2577,8 кН

3.5.6 Загружение ветровой нагрузкой

Давление ветра слева направо

Реакции верха колонн в основной системе:

по ряду А


по ряду Б

по ряду В

Суммарная реакция верха колонн в основной системе с учетом сосредоточенной силы:


Перемещение верха колонн рамы-блока


Упругие реакции верха колонн в заданной системе:

для колонн ряда А


для колонн ряда Б


для колонн ряда B


Усилия в сечениях колонны рамы блока:

для колонн крайнего ряда

М II-II = М III-III = Be,l·H1+(Wa·H2)/2 = -8.71·4,8+(2,375*4,82)/2 = -14,44

кН·м

МIV-IV = Be,l·H+(Wa·H2)/2 = -8.71·12,6+(2,375*12,62)/2 = 78,8кН·м


Проверка:(74+22,75)/7,9 = 12,36кН

для колонн среднего ряда

МII-II = 32,445*4,8 = 155,74 кН·м

МIII-III = М II-II2 = 155,74-886,87 = -731,13кН·м

МIV-IV = 32,445·12,6-886,87 = -478,063кН·м

; II-II = N III-III = NIV-IV = 0 кН

для колонн среднего ряда

МII-II = МIII-III = 19,5·4,8 = 93,6 кН·м

МIV-IV = 19,5·12,6 = 245,7 кН·м

NII-II = N III-III = NIV-IV = 0 кН

Давление ветра справа налево

При изменение направление ветра усилия в стойках рамы-блока будут обратно симметричны.

Таблица 2

Нагрузка

Коэф. сочетан.

Номер загр.

Усилия в сечениях колонны при γf>1




II-II

III-III

IV-IV




M

N

M

N

M

N

Q

постоянная

1

1

23.6

560,85

-8,05

867,61

17,3

945,11

-3.25

снеговая

1

2

8,76

518,4

-19,74

518,4

-11,83

518,4

-1.015


0,9

3

7,88

464,6

-17,76

464,6

-10,64

464,6

-0.91

Dmax,l на лев. кол.

1

4

-219,84

0

312,28

118,25

-44,96

1182,5

45.8


0,9

5

197,82

0

281,07

1064,3

-40,46

1064,3

41.22

Tl у ряда А

1

6

+/-47,27

0

+/-47,27

0

+/-119,08

0

+/-28


0,9

7

+/-42,54

0

+/-48,54

0

+/-107,17

0

+/-17.72

Dmax,l на сред. кол

1

8

-60,1

0

74,9

0

-22,75

300

12,52


0,9

9

-54,09

0

67,41

0

-20,48

270

11,27

Tl у ряда Б

1

10

+/-1,5

0

+/-1,5

0

+/-3,94

0

+/-0,313


0,9

11

+/-1,35

0

+/-1,35

0

+/-3,06

0

+/-0,28

Ветровая слева

1

22

-14,44

0

-14,44

0

78,8

0

-21,215


0,9

23

-13,0

0

-13,0

0

70,92

0

-19,09

Ветровая справа

1

24

14,44

0

14,44

0

-78,8

0

21,215


0,9

25

13,0

0

13,0

0

-70,92

0

19,09

Вариант 1 - основное сочетание с учетом крановых и ветровых нагрузок

Mmax

M

N

M

N

N

Q



Номера загружений



1+3+23

1+3+23

1+3+23



18.48

1027.45

302,56

1931,91

77,59

1411,71

-23,25


Mmin

M

N

M

N

M

N

Q



1+5+7+25

1+5+7+25

1+5+7+25



-276.96

560.85

22.71

1334,21

94,02

2009,41

75,78


Nmax

M

N

M

N

M

N

Q



1+3+23

1+3+5+7+23

1+3+5+7+25



18.48

1027.45

346.32

2398.51

83.38

2476.01

74.87


Вариант 2 то же, без учет а крановых и ветровых нагрузок

32.36

1079.25

-27.79

1386.01

5.78

1463.51

-4.26


Таблица 3

Нагрузка

Коэф. сочетан.

Номер загр.

Усилия в сечениях колонны при γf>1




II-II

III-III

IV-IV




M

N

M

N

M

N

Q

постоянная

1

1

0

1109,9

0

1822

0

1891,4

6,49

снеговая

1

2

0

518,4

0

518,4

0

518,4

2,03


0,9

3

0

466,56

0

466,56

0

466,56

1,83

Dmax,l на лев. кол.

1

4

106,32

0

-118,68

300

-44,96

300

-22,15


0,9

5

95,69

0

-106,27

270

-40,46

270

-19,93

Tl у левой колонне

1

6

+/-26,83

0

+/-26,83

0

+/-70,45

0

+/-5,59


0,9

7

+/-24,15

0

+/-24,15

0

+/-63,4

0

+/-5,03

Dmax,l на сред. кол

1

8

106,32

0

-118,68

0

118,68

0

-22,15


0,9

9

95,69

0

106,81

0

106,81

0

-19,93

Dmax,l и Dmax,r на средней колонне

1

10

-83,04

0

389,59

2557,8

254,64

2557,8

17,3


0,9

11

-74,73

0

350,63

2302,02

229,17

2302,02

15,57

Tl на средней колонне

1

12

+/-26,83

0

+/-26,83

0

+/-70,45

0

+/-5,591


0,9

13

+/-24,14

0

+/-24,14

0

+/-64,40

0

+/-5,03

Ветровая слева

1

14

93,6

0

93,6

0

245,7

0

-19,5


0,9

15

84,24

0

84,24

0

221,1

0

-17,56

Ветровая справа

1

16

-93,6

0

-93,6

0

-245,7

0

19,5


0,9

17

-84,24

0

-84,24

0

-221,1

0

17,56

Вариант 1-основное сочетание с учетом крановых и ветровых нагрузок

Mmax

M

N

M

N

M

N

Q



Номера загружений



1+3+9+11+15

1+3+11+13+15

1+3+5+7+15



204,07

1576,46

459,01

4590,58

244,07

2627,9

-24,13


Mmin

M

N

M

N

M

N

Q



1+16

1+9+11+17

1+9+11+17



-93,6

1109,9

166,91

1822

-50,92

1891,4

9,14


Nmax

M

N

M

N

M

N

Q



1+3+9+11+15

1+3+11+13+15

1+3+11+13+17



204,07

1576,46

459,01

4590,58

71,44

4659,98

46,47


Вариант 2 то же, без учета крановых и ветровых нагрузок

0

1628,3

0

2340,4

0

2409,8

8,52


каркасный колонна фундамент железобетонный панель

4. Расчет прочности двухветвевой колонны среднего ряда

Данные для расчета

Бетон тяжелый класса Б20, Rb = 11,5МПа, Rbt = 0,9 МПа, Eb = 24*103МПа.

Арматура класса А-400, d>10 мм, Rs = Rsc = 365 Мпа, Es = 2*105МПа.

Сечение колонны bxh = 60х60 см, при а = а1 = 4 см, полезная высота сечения ho = 56 см. В сечение действует 3 комбинации расчетных усилий.

Усилия

Mmax

Mmin

Nmax

М, кНм

204,07

-93,6

204,07

N, Кн

1576,46

1109,9

1576,46


Усилия от продолжительного действия нагрузки Ml = 0, Nl = 1109,9кН.

Вычисляем:

e0 = M/N = 204,07/1576,46 = 0,13 м.

Расчетная длина надкрановой части плоскости изгиба: при учёте крановых нагрузок

l0 = 2H2 = 2*4,8 = 9,6 м;

без учёта l0 = 2,5H2 = 2,5*4,8 = 12 м

Так как минимальная гибкость плоскости изгиба l0/h = 9,6/0,6 = 16>4.8, необходимо учитывать влияние прогиба колонны.

Установим значение коэффициента условия работы бетона γb2, для чего определим моменты внешних сил относительно центра тяжести растянутой( менее сжатой) арматуры с учётом и без учёта крановых и ветровых нагрузок:

МII = М+N(0,5h-а) = 204,07+1576,46(0,5·0,6-0,04) = 613,95 кНм;

МI = МI+NI(0,5h-а) = 0+1628,3 (0,5·0,6-0,04) = 423,36 кНм;

Условная критическая сила


Где

φ1 = 1+β(M1l/M) = 1,47; β = 1; M1l = M1+Nl(0,5ho-a) =

= 0+1109,9 (0,5*0,6-0,04) = 288,57кНм;1 = 423,36 кНм

δ = eo/h = 130 /600 = 0,216

δmin = 0,5-0,01(l0/h)-0,01Rbγb2 = 0,5-0,01*9,6/0,6-0,01*12,65 = 0,553,

принимаем δ = 0,553

v = Es/Eb = 200000/24000 = 8,33


Относительная высота сжатой зоны

Граничное значение относительной высоты сжатой зоны бетона


Где ;

δs1 = Rs = 365 Мпа


Площадь арматуры назначаем по конструктивным соображениям,

As = 0,002*60*56 = 67,2 см2 Принимаем 3 Ø18 А-400 с As = 763мм2

Сечение 2-1 в заделке колонны

Высота сечения двухветвевой колонны 120 см, сечения ветви bxh = 50х25, ho = 21 см,

Расстояние между осями ветвей с = 95 см, расстояние между осями распорок при четырех панелях s = H1/n = 7.8/4.8 = 1.62 м, высота сечения распорок 40 см. В сечениях действуют три комбинации расчетных усилий.

Усилия

Mmax

Mmin

М, кНм

244.07

-50,92

71,14

N, Кн

2627,9

1891,4

4659,98

Q, Кн

-24,13

9,14

46,47


Усилия от продолжительного действия нагрузки Ml = 0, Nl = 1576.46 кН., Q = 0

L0 = ψH1 = 1,5x7,8 = 11,7м. Приведенный радиус инерции двухветвевой колонны в плоскости изгиба


Вычисляем:

e0 = M/N = 71,14/4659,98 = 0,15 м,

M1l = 0+940,69(0,95/2) = 446,9 кНм; M1 =

= 149+1433,3(0,95/2) = 829,67 кНм

β = 1; δ = eo/h = 0,12 /1,2 = 0,1;


Коэффициент η = 1(1-4659,98/13764) = 1,2

Определяем усилия в ветвях колонны по формуле

Nbr = N/2±Mη/c = 4659,98/2±320*1,2/0,95 = 2330±417 кН

Nbr1 = 1745кН

Nbr2 = 911кН

Вычисляем:

Mbr = (Q·s)/4 = 46,47*1,94/4 = 12,9кНм

e0 = 12,9/1745 = 0,007<0,01 м

e = ea+h/2-a = 10+25/2-4 = 105мм

Подбор сечений арматуры ведем по формулам.

Где 0,6


Имеем расчетный случай ζ = 0,969 > ζy = 0,58. Армирование ветвей принимаем симметричное. Вычисляем


Принимаем 3Ø 14 А 400 Аs = 462 мм2

Расчет подкрановой части колонны.

Значение случайного эксцентриситета: e0≥h/30 = 25/30 = 0,883 см

ea≥1/600H = 1130/600 = 1,8 см

e = 1,8+0,5(46-4) = 22,8 см

M1l = 0+940,69*0,228 = 214,5 кНм; M1 = 0+1433,3*0,228 = 326,8 кНм

β = 1; φl = 1+214,5/326,8 = 1,65

δ = 1,8/50 = 0,036< δmin = 0,2457, I = 2(25*503/12) = 5,21*103см4

Is = 2/12,56*(50/2-4)2 = 0,1108*105см4

Коэффициент η = 1(1-1433,3/3905) = 1,57


При


Имеем расчетный случай ζ = 0,62 > ζy = 0,611. Армирование ветвей принимаем симметричное. Вычисляем

В подкрановой части колонны с каждой стороны, параллельной плоскости поперечной рамы, установлено по 4Ø 14 А 400 Аs = 616 мм2

Расчет распорки

Размеры сечения распорки

bs = 0,5 м; hs = 0,4 м; а = а’ = 0,04 м; h0 = 0,36 м

Наибольшая поперечная сила в подкрановой части колонны действует в комбинации Mmax и равна Q = 35,9 кН.

Усилия в распорке:

Ms = Q·S/2 = 35,9*1,94/2 = 34,8 кНм;

QS = Q·S/c = 35.9*1.94/0.95 = 73,3 кН

Продольную арматуру распорки подбираем как для изгибаемого элемента прямоугольного профиля. Так как эпюра моментов в распорке двузначная, принимаем симметричное армирование:


Принимаем по 2Ø 14 А 400 Аs = 308 мм2

Необходимость поперечной арматуры в распорке проверяем из условий, обеспечивающих отсутствие наклонных трещин:

Qs = 73,3кН<2,52Rbtbh0 = 2,5*0,99*600*360 = 519,75 кН

Qs = 73,3кН< φb4(1+ φb) Rbtbh02/с =

= 1,5(1+0)*0,99*600*3602/900 = 128,3 кН

Rbt = 1,1*0,9 = 0,99МПа; φn = 0;

с = сmax = 2,5·h0 = 2.5*360 = 900 мм

Оба условия выполняются, т.е поперечная арматура по расчету не нужна. Конструктивно принимаем хомуты Ø 6 А 240 с шагом S = 150 мм.

Верхняя распорка армируется продольным и поперечными стержнями и отгибами.

5. Расчет внецентренно нагруженного фундамента под среднюю двухветвевую колонну

.1 Данные для расчета

Грунты основания-пески пылеватые средней плотности, маловлажные;

Расчетное сопротивлении грунта R0 = 0,22 МПа;

Бетон тяжелый класса В12.5, Rbt = 0,66 МПа;

Арматура из горячекатаной стали класса А-300, Rs = 280 МПа;

Вес единицы объема материала фундамента и грунта на его обрезах γm = 20 kH/м3.

На фундамент в уровне его обреза передается от колонны следующие усилия: М = 149 кН*м; N = 1433,3 kH; Q = 14,1 kH.

Нормативное значение усилий определено делением расчетных усилий на усредненный коэффициент надежности по нагрузке γf = 1.15, т.е.

Мn = 129,6 kH*м; Nn = 1246,5 kH; Qn = 12,3 kH

5.2 Определение геометрических размеров фундамента

Глубину стакана фундамента принимают 90 см, что согласно данным должно быть не менее значений:


где d = 1.8 см - диаметр продольной арматуры колонны λ = 33 для бетона класса В12,5.

Расстояние от дна стакана до подошвы фундамента принято 250 мм. Полная высота фундамента Н = 900+250 = 1150 мм принимается 1200, что кратно 300 мм. Глубина заложения фундамента при расстоянии от уровня чистого пола до верха фундамента 150 мм Н1 = 1200+150 = 1350 мм = 1,35 м. Фундамент трехступенчатый, высота ступеней принята одинаковой 40 см.

Предварительно площадь фундамента определяют по формуле:


здесь 1,05 - коэффициент, учитывающий наличие момента.

Назначая отношение сторон b/a = 0.8, получают:

 

Принимают a×b = 3,6×3 м.

Т.к. заглубление фундамента больше 2м, ширина подошвы более 1м, необходимо уточнить расчетное сопротивление грунта основания по формуле:


где к1 = 0,05 для пылеватых песков; В0 = 1м; d0 = 2м;

При пересчете размеров фундамента с уточненными значением R получают: а = 5,6м, b = 4,5м. Площадь подошвы фундамента А = 3,6×3 = 10,8 м2, момент сопротивления:

Определяют рабочую высоту фундамента из условия прочности на продавливание по формуле:

где h = 1,2 м - высота сечения колонны; bcol = 0,5 м - ширина сечения колонны;

р = N/A = 1246,5 /10,8 = 115,4 kH/м2;

Rbt = γb2*Rbt = 1,1×0,66 = 0,726 МПа = 726 кН/м2

Полная высота фундамента Н = 0,4+0,05 = 0,45м<1,2м. Следовательно, принятая высота фундамента достаточна.

Определяем краевое давление на основание. Изгибающий момент в уровне подошвы:


Нормативная нагрузка от веса фундамента и грунта на его обрезах:


При условии, что

.3 Расчет арматуры фундамента

Определяем напряжения в грунте под подошвой фундамента в направлении длинной стороны а без учета веса фундамента и грунта на его уступах от расчетных нагрузок:


где Мf = M+QH = 149+14,1×1.2 = 165,9 kH/м2

Расчетные изгибающие моменты:

·  в сечении 1-1


где аi = a1 = 4,5 м,


·  в сечении II-II

где аi = a1 = 2.2 м,


·  в сечении III-III

где аi = a1 = 1.2 м,


Требуемое сечение арматуры

Принимаем 12Ø10 А-300с As = 9,42 см2. Процент армирования

Арматура укладываемая параллельно меньшей стороне фундамента, определяется по изгибающему моменту в сечении IV-IV:


Принимаем 10Ø14 А-300 c As = 11.56 см2. Процент армирования

6. Расчет и конструирование панели-оболочки КЖС

.1 Исходные данные для проектирования

Требуется запроектировать панель-оболочку пролетом 24 м для покрытия отапливаемого одноэтажного производственного здания. Район по весу снегового покрытия III, расчетная температура наружного воздуха -40С, влажность помещений не более 70%. Здание относится к II классу, коэффициент надежности по назначению 0,95.

Бетон панели тяжелый класса В30 с расчетными характеристиками при коэффициенте γb2 = 1: Rbt = 1,2 Мпа; Rb,ser = 22 Мпа; Rbt,ser = 1,8 Мпа; Eb = 29000Мпа; предаточная прочность бетона Rbp = 0,8*30 = 24 Мпа, коэффициент условий работы бетона γb2 = 0,9. Изделие подвергается тепловой обработке при атмосферном давление.

Напрягаемая арматура диафрагм - стержневая термическая упрочненная класса Ат-VCK(Rs = 680 Мпа; Rs,ser = 785 Мпа; Es = 19*104 Мпа); армирование оболочки панели - сварными сетками из проволоки Ø5 Вр-500(Rs = 360 Мпа); сварные каркасы диафрагм - с поперечной арматурой класса A-400(при Ø<10 мм -Rsw = 285Мпа, при Ø>10 мм Rs = Rsc = 365 Мпа, Rsw = 290 Мпа, Es = 2*105Мпа). Натяжение арматуры-механическим способом на упоры формы.

.1.2 Подсчет нагрузок и усилий

Номинальные размеры КЖС в плане BxL = 3x24 м.

Высота сечения в середине пролета h = L/20 = 24000/20 = 1200мм; а по оси опоры -hsup≥0,01L = 0,01*24000 = 240 мм, принимаем hsup = 250 мм для увязки с размерами анкеров из уголка 250х160х20. Длина нижнего горизонтального участка x3-6 = 1,5hsup = 1,5*250 = 380 мм. Угол наклона нижней поверхности оболочки у опоры α = 270. Расчетный пролет панели.

L0 = L-2*150 = 24000-300 = 23700мм

Хорда сегмента

L = L0-2*50 = 23700-100 = 23600 мм

Очертание верхней поверхности оболочки панели принято по параболе с уравнением y = 4fx(l-x)l2, откуда и находим ординаты “у”.

Подъем оболочки в середине пролета

f = h-hsup = 1200-250 = 950 мм

Толщина стенок b1 диафрагм в крайнем кессоне на расстояние менее 1м от оси опоры равно 100 мм, на остальной части крайнего кессона b1 = 50 мм, а в остальных кессонах b1 = 40 мм. Усредненные размеры сечения вертикальных ребер жесткости 80х80 мм.

Наименование нагрузки

Нагрузка, кПа

Коэффициент надежности по нагрузке γf


Нормативная

Расчетная при




γf = 1

γf>1


Постоянная

0,03*3 = 0,09

0,086

0,11

1,3

1. От веса кровли





3 слоя рубероида





-асфальтовая стяжка (t = 20 мм γ = 18 кН/м3)

0,02*18 = 0,36

0,342

0,44

1,3

- плитный утеплитель (t = 150мм γ = 4кН/м3 )

0,15*4 = 0,6

0,57

0,74

1,3

2.От веса панели КЖС

2,22

2,11

2,32

1,1

Итого

3,27

3,108

3,61


Снеговая полная

1,0

0,95

1,33

1,4

То же длительная

0,5

0,475

0,665

1,4

Всего

4,27

4,06

4,94


В т.ч длительная

3,77

3,6

4,3



При данных геометрических размерах и плотности материала γ = 25 кН/м3 масса панели равна 16 т, тогда распределенная нагрузка от собственного веса составит- 160/(3*24) = 2,22 кН/м2.

Подсчет нагрузок в таблице

Усилия от расчетных нагрузок с коэффициентом γf = 1

От полной нагрузки

Mn = qnBl02/8 = 4,06*3*23,72/8 = 855 кНм

Qn = qnBl0/2 = 4,06*3*23,7/2 = 144кН

где qn = gn+sn = 3,108+0,95 = 4,06

От постоянной и длительной действующей нагрузки

Mnl = qnlBl02/8 = 3,6*3*23,72/8 = 758 кНм

Qnl = qnlBl0/2 = 3,6*3*23,7/2 = 128кН

где qnl = gn+snl = 3,108+0,475 = 3, 6

От собственного веса панели

Mnw = qnwBl02/8 = 2,11*3*23,72/8 = 444,4 кНм

Подсчет нагрузок на плиту КЖС

Усилия от расчетных нагрузок с коэффициентом γf>1

M = qBl02/8 = 4,94*3*23,72/8 = 1041 кНм

Q = qBl0/2 = 4,94*3*23,7/2 = 176 кН

Момент от собственного веса панели

Mw = qwBl02/8 = 2,32*3*23,72/8 = 489 кНм

6.1.3 Расчет панели КЖС по общей несущей способности и устойчивости

Подбор продольной арматуры

Требуемая площадь напрягаемой продольной арматуры в нижнем поясе диафрагмы

мм2

Где z0 = h-a-hf/2 = 1200-50-30/2 = 1135 мм

Для обеспечения требуемой трещиностойкости панели (отсутствия трещин в диафрагмах) увеличим площадь сечения арматуры на 20% т.е

. По сортаменту принимаем 4 Ø 25 Aт-VCK (Asp = 1964 мм2), т.е. по 2 стержня в каждой диафрагме.

Проверка толщины оболочки

Требуемая толщина оболочки в середине пролета из условия прочности


Что меньше принятой конструктивно hf1 = 30мм

Минимальная толщина оболочки в приопорной части панели


что меньше принятой конструктивно толщины оболочки hf = 50 мм на данном участке. Здесь X = 1140 мм - абсцисса рассматриваемого сечения (точка 4), которую находим из равенства толщин h4-5 = h3-4 для точки 4;

Мх = 330 кН-м - изгибающий момент в рассматриваемом сечении;

a1~50мм - расстояние по горизонтали понизу от оси рабочей арматуры до боковой продольной грани диафрагмы

Проверка оболочки по устойчивости

Проверка производится на условные критические напряжения, для чего требуется определить геометрические характеристики приведенного сечения в середине пролета.

1. αs = Es/Eb = 19*104/29*103 = 6,55

2.      Площадь приведенного сечения

Ared = A1+2(A2+…+A8sA9) =

= 2940 * 30 + 2 [220 * 45 / 2 + 1170 * 40 + 50(150 - 40) + 15 * 20 + 45 *

* 125/22 + 33 * 60 / 2 + 60 * 100 + 6,55 * 982] =

= 88200+2[4950+46800+5500+300+2812+990+6000+6432] = 235768 мм2

3. Статический момент площади приведенного сечения относительно нижней грани диафрагмы

Sred = 88200 * 1185 + 2[4950*(1200 - 45) + 46800*1170/2 + 5550 * (1200 -

55)+300*(1200-70)+2812*(1200-95)+990*111+6000*50+6432*50] =

191,7*106мм3

.   Расстояние от центра тяжести сечения до нижней грани диафрагмы

yred = Sred/Ared = 191,7*106/235768 = 813 мм

то же, до верхней грани оболочки

h- yred = 1200-813 = 387 мм

то же, до середины оболочки

y0 = h- yred-hf1/2 = 387-30/2 = 372 мм

эксцентриситет усилия предварительного обжатия

eop = yred-a = 813-50 = 763 мм

.   Момент инерции приведенного сечения относительно его центра тяжести


. Момент сопротивления приведенного сечения для крайнего нижнего волокна

Wred,b = Ired/yred = 4619*107/813 = 56,8*106мм3

то же, для крайнего верхнего волокна

Wred,l = Ired/(h-yred) = 4619*107/387 = 119,4*106мм3

Проверяем толщину оболочки по устойчивости


что меньше конструктивно принятой толщины 30 мм; в приведенной формуле l05 = 2940-2*370 = 2200 мм пролет оболочки в свету между вутами.

Следовательно, по всем проверкам толщина оболочки удовлетворяет условиям прочности и устойчивости.

Геометрия КЖС на приопорных участках.

Уравнение верхней поверхности оболочки

y = 4fx(l-x)/l2 = 4*950*x(23600-x)/236002 = 68228x(23600-x)*10-10

В опорной зоне между точками 3-4 изменение толщины; оболочки описывается уравнением


Однако нижняя поверхность оболочки на некотором расстоянии от опоры имеет конструктивные изломы: горизонтальный приопорный участок длиной 380 мм переходит в наклонный под углом α = 27°, пересекающийся с криволинейной нижней поверхностью. Отметки нижней поверхности оболочки определяются как разности (у-h3-4).

Уравнение секущей плоскости

y1 = -240+tg27(x-380) = -240+0,5(x-380)

от х = 380 до х = 1140мм - места пересечения. В месте пересечения плоскости с параболической поверхности по ее образующей делают плавное закругление небольшого радиуса с тем, чтобы избежать концентрации напряжений.

Ординаты всех точек поверхности приведены в таблице.

Абсцисса Х, мм

Величина ординат


y

h3-4

y- h3-4

y1

0

0

240

-240

-240

200

32

150

-118

-240

400

63

100

-37

-230

600

94

75

19

-130

800

124

60

64

-30

1000

154

50

104

70

1140

175

45

130

140

1200

183

43

140

-

1400

212

37

175

-

1600

240

33

207

-

1800

268

30

238

-

2000

295

30

-


Подбор торцевой арматуры и анкеров.

Площадь торцевой арматуры определяется по формуле

As1 = N1/Rs

 и

Здесь gw = 2,32кН/м2-расчетная нагрузка от собственного веса, bs = 2,94-2*0,05 = 2,84м - расстояние по горизонтали между осями продольной рабочей арматуры КЖС.

Принимаем к расчету N1 = 161 кН. Тогда требуемое сечение арматуры класса А-III составит:

As1 = 161*103/365 = 441мм2

Принимаем 2 Ø18 А-400 (As1 = 509 мм2)

Требуемая площадь рабочей поверхности анкера напрягаемой арматуры

Где М1 = 4,94*3*23,7*1,5/2- = 246,8кНм - изгибающий момент на всю ширину панели в сечении, расположенной на расстояние 1,5 м от рабочей поверхности анкера

Z1 = 4*950*1500*(23600-1500)/236002+250-50 = 426мм, расстояние по вертикали от оси рабочей арматуры диафрагм до оси оболочки в этом же сечение.

Предварительно в качестве анкера был принят уголок 250х160х20.

Тогда требуемая длина уголка


Принимаем l2 = 100 мм

6.1.4 Характеристики предварительного напряжения

Для расчета прочности наклонных сечений диафрагм, проверки

Прочности нормальных сечений оболочки между диафрагмами и для расчета плиты КЖС по II группе предельных состояний необходимо такие параметры, как величина начального предварительного напряжения арматуры δsp, потери предварительного напряжения δl, усилия обжатия P0, коэффициент точности натяжения γsp и др.

Величину начального предварительного напряжения принимаем максимально допустимой.

δsp = 0,95Rs,ser = 0,95*785 = 745 Мпа

Коэффициент точности натяжения арматуры

γsp = 1±∆ γsp = 1+0,1 = 1,1

Потери предварительного напряжения арматуры до обжатия бетона

от релаксации напряжения

δ1 = 0,1δsp-20 = 0,1*745-20 = 54,5 Мпа

Наименование параметра и формула

Ед изм.

Величина параметра при значении коэффициента γsp



0,9

1

1,1

Предварительное напряжение до обжатия бетона δsp0 = (δsp- δ1- δ2- δ3) γsp = 556γsp

Мпа

514,3

571,5

628,6

Усиление в натянутой арматуре до обжатия бетона P0 = δsp0Asp = δsp0*1520

кН

1010

1122,2

1234

Напряжение в бетоне при обжатии на уровне центра тяжести напрягаемой арматуры при(y = eop = 244мм) δbp0 = P0/Ared+(P0eop-Mw)y/Ired = = P0/211868+(P0*244-272*106)*244/4600*107

Мпа

8,9

10,8

12,7

Уровень обжатия δbp0/Rbp = δbp0/24

-

0,371

0,45

0,529

Коэффициент α. α = 0,25+0,025Rbp = 0.85


0,85

0,85

0,85

Потери от быстронатекающией ползучести δ6 = 34δbp0/Rbp

Мпа

12,6

15,3

18

Первые потери δlos1 = ( δ1+ δ23) γsp+ δ6

Мпа

168,8

188,8

208,9

Усилия обжатия с учетом первых потерь P1 = ( γspδsp- δlos1)Asp = (745γsp- δlos1)1520

кН

985

1092

1199

Потери от усадки бетона, δ8 = 35 Мпа

МПа

35

35

35

Напряжение в бетоне на уровне напрягаемой арматуры (y = eop = 244мм) δbp1 = P1/Ared+(P1eop-Mw)y/Ired = = P1/211868+(P1*244-272*106)*244/4600*107

Мпа

8,5

10,32

12,12

δbp1/Rbp = δbp1/24


0,354

0,43

0,505

Потери от ползучести бетона При уровне δbp/Rbp≤0,75, δ9 = 128δbp/Rbp

Мпа

45,3

55

64,6

Полные потери предварительного напряжения δlos = δlos1+ δ8+ δ9 Усилия обжатия с учетом полных потерь P2 = ( γspδsp- δlos) Asp = (745γsp- δlos)1520

Мпа  Мпа

249  828

279  915

309  1002


от разности температур натянутой арматуры в зоне нагрева и упоров, восприминающих усилие натяжения при прогреве бетона

δ2 = 1,25∆t = 1,25*65 = 81 Мпа

от деформации анкеров натянутой арматуры


Где ∆l = 1,25+0,15d = 1,25+0,15*25 = 5 мм-смещение натягиваемых стержней в инвертарных зажимах

L = 25000мм-длина натягиваемых стержней

Определение параметров предварительного напряжения.

6.1.5 Расчет прочности наклонных сечений

Часть поперечной силы Qd, воспринимаемую диафрагмами определяют по формуле


Где Qx - поперечная сила в рассматриваемом сечение панели, Mx-изгибающий момент в том же сечении, z- плечо внутренний пары сил в том же сечении, φx-угол наклона оси оболочки в том же сечении.

К расчету прочности наклонных сечений

Расчетные параметры

Размер ность

Значения в расчетных параметров



0,6

1,0

1,4

2,0

Qx = Qmax-qx = 131-4,94*3*х

кН

167

161,2

155,3

146,4

Mx = Qmaxx-0,5qx2

кНм

102,9

168,5

231,9

322,4

Наклон оболочки tgφ = y/x


0,157

0,154

0,151

0,147

Наименьшая суммарная толщина стенок диафрагм b = 2b1

мм

200

100

100

80

h0 = y+hsup-a = y+130

мм

294

354

412

494

z = h0-h3-4/2

мм

257

329

394

479

Поперечная сила в диафрагмах Qd

Н

104,1

82,3

66,4

47,5

Горизонтальная проекция расчетного наклонного сечения с = х

мм

600

1000

1400

2000

Для всех сечений bf-b>3hf Поэтому принимаем bf-b = 3hf

мм

225

150

111

90

φf = 0,75(bf-b)hf/(bh0)≤0,5

-

0,215

0,159

0,074

0,05

φn = 0,1P2/(γb2bRbrh0)≤0,5

-

0,5

0,5

0,5

0,5

k = (1+ φf+ φn)≤1,5

-

1,5

1,5

1,5

1,5

Mb = φb2b2Rbt bh02

кНм

56

40,6

55

63,2

Qb,min = φb3b2Rbt bh02

кН

57,2

34,4

40

38,4

q1 = g+s/2 = 3,61*3+0,5*1,33*3 = 12,83

кН/м

12,83

12,83

12,83

12,83

кН

53,6

45,6

53

57


Qb1/0,6

кН

89,3

76

88,3

95

При Qd>Qb1/0,6, qsw = (Qd-Qb1)2/Mb

кН/М

46

33

-

-

При Mb/h0+Qb1>Qd>Qb1/0,6 qsw = (Qd2-Qb12)/4Mb

кН/м

-

-

7,3

-

qsw≥ (Qd-Qb1)/2h0

кН/м

86

52

16,3

-

qsw≥ qsw,min≥ Qb,min/2h0

кН/м

97,3

48,6

48,5

39

Smax = φb4b2Rbt bh02/Qd

мм

269

247

414

666


В соответствии с конструктивными требованиями принимаем шаг хомутов S1 = 150 мм на приопорных участках длиной l1 = 0,1l0 = 0,1*23,7 = 2,4м. Тогда требуемая площадь сечения хомутов при наибольшем значении интенсивности поперечного армирования qsw = qsw,min = 97,3кН/м.

Asw = qswS1/Rsw = 97,3*150/285 = 51,2мм2

Принимаем хомуты из стержней Ø6 A-400 (Asw = 57мм2, при числе хомутов в сечение n = 2) и располагаем их с шагом 150 мм на приопорных участках диафрагм длиной по 2,4 м. На остальной части пролета панели в вертикальных ребрах жесткости диафрагм устанавливаются стержни подвески Ø10 A-400.

.1.6 Расчет поля оболочки на изгиб между диафрагмами

Расчет сводится к определению изгибающей нагрузки qb, передающейся на диафрагмы при изгибе оболочки, для разных схем загружения временной (снеговой) нагрузкой и наиболее неблагоприятного влияния усилия предварительного напряжения. Найденная нагрузка сравнивается с несущей способностью оболочки в предельном состоянии, т.е. при ее изломе.

Равномерное загружение панели полной нагрузкой.

Исходные данные для расчета

Полная расчетная нагрузка

q = s+g = 3,61+1,33 = 4,94 кН/м2

δsp = 1,1*745 = 820мПа; γsp = 1,1; P2 = 1002 кН; δlos = 309Мпа

z0 = 1135мм, y0 = 372мм, eop = 763 мм, b0 = B = 3м, bf = 2940мм

hf = 30мм, Аsp = 1964мм2, α = 6,55

Вертикальные нагрузки на 1 м2, эквивалентная по нормальной силе воздействию усилия обжатия P2


Коэффициент влияние формы сечения панели

X = bf hf z0 y0/Ired = 2940*30*1135*372/4619*107 = 0,806

Предельная нагрузка, воспринимаемая панелью в состояние предельного равновесия


Выгиб панели от сил предварительного напряжения


Прогиб панели в предельном состояние по прочности


Расчетный прогиб при нагрузке 1,4(g+s)


Расчетная нагрузка на 1м2 ,приложенная непосредственно к оболочке, с учетом её собственного веса, но за вычетом веса диафрагм

qm = (0,75+0,0825)*1,1+(0,11+0,44+0,74)+1,33 = 3,54 кН/м2

где (0,75+0,0825)-вес полки и ее вутов

(0,11+0,44+0,74)-вес кровли

Расчетная изгибающая нагрузка на 1м2, передаваемая на диафрагмы за счет изгиба оболочки


Загружение постоянной нагрузкой g и снеговая s1, расположенная на левой стороне пролета

Отношение снеговой и постоянных нагрузок

γ = s/g = 1,33/3,61 = 0,37

Заменяющая нагрузка

qs = g+s/2 = 3,61+1,33/2 = 4,28 кН/м2

Расчетный прогиб панели в середине пролета при действие заменяющей нагрузке qs


Расчетная изгибающая нагрузка на 1м2, передаваемая на диафрагмы при одностороннем загружении оболочки снегом.


На правой половине пролета панели, где снеговая нагрузка отсутствует, создается отрицательная(направленная вверх) изгибающая нагрузка, которую определяем при коэффициенте точности натяжения P2 = 828кН, δsp = 0,9*745 = 670Мпа, δlos = 249 Мпа

1. Вертикальная нагрузка, эквивалентная по нормальной силе, возникающей в оболочке от предварительного напряжения

Выгиб панели от предварительного напряжения

2. Прогиб панели вначале текучести арматуры диафрагм

3. Расчетный прогиб при снеговой нагрузке на левой половине пролета


4. Нагрузка, приложенная непосредственно к оболочке на правой половине пролета

qm = 0,916+1,29 = 2,2 кН/м2

.   Расчетная изгибающая нагрузка на 1м2, передаваемая на диафрагмы за счет изгиба оболочки на правой половине пролета панели.


Таким образом, наибольшая изгибающая нагрузка, передаваемые на диафрагмы, соответствует загружению снегом левой половины пролета и составляет qb,max = qb,l = 0,97кн/м2.

Подбор сечения арматуры оболочки.

Момент от наибольшей изгибающей нагрузки qb,max с учетом перераспределения усилий при изломе оболочки.

M = qb,maxlo52/16 = 0.97*2.22 /16 = 0.293 кНм/м

Где lo5 = 2940-2*(150+220) = 2200мм = 2,2м- пролет оболочки в свету между вутами.

Подберем площадь сечения арматуры на I м ширины оболочки, полагая, что армирование будет производиться сеткой из обыкновенной арматурной проволоки Ø 5Вр-500(Rs = 360МПа)

1. h0 = hf/2 = 30/2 = 15мм

2.      αm =

.       

.       

Можно принять 4 Ø 5 Вр-500 (As = 78,5 мм2) с шагом 250мм. Однако по п. 5.36 [4] в плитах толщиной до 150 мм шаг стержней должен быть не более 200мм, поэтому принимаем на 1м ширины оболочки 5Ø5 Вр-500 с шагом 200 мм 5 = 98,2мм2); процент армирования  = 98,2 / 150 = 0,65% > 0,3%. Эта арматура устанавливается в оболочке поперек пролета панели.

В продольном направлении достаточно принять конструктивную арматуру по минимальному проценту армирования.

As = 0.002bh0 = 0.002*1000*15 = 30мм2

Принимаем на 1м пролета оболочки 5Ø3 Вр-500 (As = 36 мм2)

Найдем величину предельной изгибающей нагрузки, которую способна воспринять оболочка с принятым армированием


Несущая способность оболочки обеспечена.

Проверка прочности сопряжения оболочки с диафрагмой.

Проверяются на изгиб сечения 1-1 и 2-2 (рис- 5.20) при действии на оболочку расчетных изгибающих нагрузок, найденных выше. Изгибающие моменты MI и МII в этих сечениях принимаются одинаковыми и определяются по формуле

Момент M1 воспринимается поперечной арматурой сетки оболочки, где на 1м предусмотрено 5Ø5 Вр-I 5 = 98,2мм2). Тогда предельный момент, воспринимаемый сечением 1-1


Где

h0 = h-15 = 75-15 = 60мм -рабочая высота сечения 1-1

Следовательно, несущая способность вута достаточна и дополнительное армирование его не требуется. По конструктивным соображениям в вутах устанавливаем сетки из Ø 5 Вр-500.

Момент M2 воспринимается вертикальными стержнями - подвесками, расположенными в ребрах жесткости диафрагм(по два стержня Ø10 А-400 в каждом ребре). Тогда при b = 12b1 = 12*40 = 480мм и h0 = 150/2 = 75 мм в сечение 2-2

Высота сжатой зоны бетона


Несущая способность сечения

.1.7 Расчет КЖС по II-ой группе предельных состояний

Расчет выполняется на усилил от нагрузок с коэффициентом надежности γf = l и с коэффициентом точности натяжения γsp = 1.

Расчет по образованию нормальных трещин.

Рассматривается сечение в середине пролета панели

Исходные данные

Изгибающий момент от расчетных усилий Mn = 855кНм

Усилия обжатия с учетом всех потерь P2 = 915кН

Эксцентриситет усилий обжатия eop = 763 мм

Момент сопротивления приведенного сечения по нижней грани

Wred,b = 56,8*106мм3

то же, для крайнего верхнего волокна

Wred,l = 119,4*106мм3

1. Максимальное напряжение в сжатой зоне бетона в стадии эксплуатации


2. Коэффициент, учитывающий неупругие деформации сжатого бетона

 принимаем 1

3. Расстояние от центров тяжести приведенного сечения до верхней ядровой точки.


4. Упругопластический момент сопротивления по нижней грани сечения панели


5. Момент образования нормальных трещин


Поскольку Mcrc = 1061>Mn = 855 кНм, то при эксплуатационной нагрузке нормальные трещины не образуются

Определение прогиба панели

Исходные данные для вычисления прогиба те же. Прогиб определяется с учетом длительного действия нагрузки и предварительного напряжения по формуле


Где qsh = 0,475 кН/м2-кратковременная часть нагрузки, q1 = 3,6 кН/м2-постояная и длительно действующая нагрузки


Эквивалентная по моменту в середине пролета равномерно распределенная нагрузка от сил предварительного напряжения

 Мпа

сумма потерь предварительного напряжения от быстронатекающей ползучести, усадки и ползучести бетона на уровне предварительного напряжения арматуры,  - то же на уровне крайнего сжатого волокна бетона, φb2 = 2, φb1 = 0,85.

Определим потери входящее в сумму δ1

1. Напряжение в крайнем верхнем волокне бетона при обжатии панели


Сжатие

.       

.       

.       

.       

Прогиб панели

Что меньше предельно допустимого прогиба [flim] = l0/250 = 23700/250 = 95 +мм, т.е жесткость панели достаточна.

Список используемой литературы

1. СНиП 2.03.01-84* «бетонные и железобетонные конструкции»

2.      СНиП2.01.07-85* «Нагрузки и воздействия»

.        Байков В.Н. Сигалов Э.Е. «Железобетонные конструкции». 1987г. М.: Высш. шк.

.        Бондаренко В.Н. Суворкин Д.Г. «железобетонные и каменные конструкции» М.: Высш. шк. -1987 г.

.        Проектирование и расчет железобетонных и каменных конструкций: учебник пособие / Под. Ред. Е.А. Попова. М.: Стройиздат. 1989г.

6. А.И. Заикин «Железобетонные конструкции одноэтажных промышленных зданий» М; Высш. шк -2002 г.

Похожие работы на - Проектирование конструкций одноэтажного производственного здания

 

Не нашли материал для своей работы?
Поможем написать уникальную работу
Без плагиата!
Без нейросетей!