Управление технологическими процессами
Введение
технологический фракционный нефть тепловой
Нефть это ведущий ресурс мировой экономики, она является
самым ценным и востребованным ресурсом на планете на сегодняшний день. Нефть
определяет внешнюю и внутреннюю политику всех стран. Колебание цены на нефть
сказывается сразу на всех секторах экономики.
Именно поэтому комплексная характеристика роли нефти в
мировом хозяйстве является как никогда актуальной в современном мире.
Продукты переработки нефти могут быть
твердыми и газообразными. Они нашли широкое применение в различных отраслях.
Основное различие между ними заключается в том, что каждое вещество имеет свой
набор углеводородов.
Нефтяная продукция достаточно
разнообразна. К ней относятся не только бензин и дизельное топливо, но также
керосин, масла, битум, мазут, полиэтилен и целая серия других продуктов. Можно
с полной уверенностью сказать о том, что связанные с нефтепереработкой
материалы встречаются повсюду, и человечество пока не может обойтись без этого
ценного природного ресурса.
В последнее время требования к качеству
нефтепродуктов повысились, потому что появился новый технический регламент в
соответствии с требованиями Европы (европейское качество топлив и выхлопов
автомобилей), следовательно необходима более глубокая переработка с получением
большого количества светлых нефтепродуктов.
Целью данной работы является выполнение технологического
расчета блока стабилизации на установке ЭЛОУ АВТ-6.
Задачами данной курсовой работы являются:
Выбор и обоснование технологической схемы блока стабилизации;
Материальный и теплой расчеты установки.
В связи с этим тема является актуальной.
1. Теоретическая часть
1.1 Назначение, сырье и продукты процессов
Процессы перегонки нефти осуществляют на
атмосферных трубчатых (AT) и вакуумных трубчатых (ВТ) или атмосферно -
вакуумных трубчатых (АВТ) установках [7, c. 125].
В зависимости от направления использования
фракций установки перегонки нефти принято именовать топливными, масляными или
топливно-масляными и соответственно этому - варианты переработки нефти.
На установках AT осуществляют неглубокую
перегонку нефти с получением топливных (бензиновых, керосиновых, дизельных)
фракции и мазута. Установки ВТ предназначены для перегонки мазута. Получаемые
на них газойлевые. масляные фракции и гудрон используют в качестве сырья
процессов последующей (вторичной) переработки их с получением топлив, смазочных
масел, кокса, битумов и других нефтепродуктов.
Современные процессы перегонки нефти
являются комбинированными с процессами обезвоживания и обессоливания, вторичной
перегонки и стабилизации бензиновой фракции: ЭЛОУ - AT, ЭЛОУ - АВТ, ЭЛОУ-АВТ -
вторичная перегонка и т.д. [7, c. 135].
С химической точки зрения нефть - это
сложная смесь углеводородов с примесью различных соединений серы, азота и
кислорода. Ее запах также может быть различным, так как зависит от присутствия
в ее составе ароматических углеводородов, сернистых соединений. После
переработки такого сырья мы получаем нефтепродукты.
Нефти различных месторождений значительно различаются по
фракционному составу и, следовательно, по потенциальному содержанию дистиллятов
моторного топлива и смазочных масел. Большинство нефтей содержит 10-30%
бензиновых фракций, выкипающих до 200% и 40-65% керосиногазойлевых фракций,
перегоняющихся до 350°С. Известны месторождения легких нефтей с высоким
содержанием светлых (до 350°С).
Углеводный состав нефти - является
наиболее важным показателем их качества, определяющим выбор метода переработки,
ассортимент и эксплуатационные свойства получаемых нефтепродуктов.
В исходных нефтях содержатся в различных
соотношениях все классы углеводов, кроме алкенов.
Основными нефтяными фракциями являются:
) Газолиновая фракция, собираемая от 40 до 200°С, содержит
углеводороды от С5Н12 до С11Н24.
При дальнейшей перегонке выделенной фракции получают газолин (tкип =
40-70°С), бензин; (tкип = 70-120°С), авиационный, автомобильный и
т.д.
) Лигроиновая фракция, собираемая в пределах от 150 до 250°С,
содержит углеводороды от С8Н18 до С14Н30.
Лигроин применяется как горючее для тракторов. Большие количества лигроина
перерабатывают в бензин.
) Керосиновая фракция включает углеводороды от С12Н26
до С18Н38 с температурой кипения от 180 до 300°С. Керосин
после очистки используется в качестве горючего для тракторов, реактивных
самолетов и ракет.
) Газойлевая фракция (tкип> 275°С), по-другому
называется дизельной фракцией.
) Остаток после перегонки нефти - мазут - содержит
углеводороды с большим числом атомов углерода в молекуле. Мазут также разделяют
на фракции перегонкой под уменьшенным давлением, чтобы избежать разложения. В
результате получают соляровые масла (дизельное топливо), смазочные масла
(автотракторные, авиационные, индустриальные и др.), вазелин (технический
вазелин применяется для смазки металлических изделий с целью предохранения их
от коррозии, очищенный вазелин используется как основа для косметических
средств и в медицине). Из некоторых сортов нефти получают парафин (для
производства спичек, свечей и др.). После отгонки летучих компонентов из мазута
остается гудрон. Его широко применяют в дорожном строительстве. Кроме
переработки на смазочные масла мазут также используют в качестве жидкого
топлива в котельных установках [7, c. 143].
Основными продуктами вторичной перегонки бензина являются:
. Фракция 30-850С - используется как компонент
товарного автомобильного бензина, сырье установок изомеризации;
. Фракция 85-180°С - головная фракция бензина, которая
обладает достаточно высокой детонационной стойкостью, используется для
регулирования пусковых свойств и упругости паров товарных автобензинов обычно используется
только головная фракция бензина н.к. - 85°С.
1.2 Физико-химические основы
Нефть представляет собой сложную смесь парафиновых,
нафтеновых и ароматических углеводородов, различных по молекулярному весу и
температуре кипения. Кроме того, в нефти содержаться сернистые, кислородные и
азотистые органические соединения.
Для производства многочисленных продуктов различного
назначения и со специфическими свойствами применяют методы разделения нефти на
фракции и группы углеводородов, а также изменение ее химического состава.
Различают первичные и вторичные методы переработки нефти [8, c. 86].
На современных НПЗ основным первичным процессом служит
разделение нефти на фракции, т.е. ее перегонка.
Перегонка (дистилляция) - это процесс физического разделения
нефти и газов на фракции (компоненты), различающиеся друг от друга и от
исходной смеси по температурным пределам кипения.
Перегонка (дистилляция) - это процесс физического разделения
нефти и газов на фракции (компоненты), различающиеся друг от друга и от исходной
смеси по температурным пределам (или температуре) кипения. По способу
проведения процесса различают простую и сложную перегонку. Простая перегонка
осуществляется постепенным, однократным или многократным испарением.
Перегонка с постепенным испарением состоит в постепенном
нагревании нефти от начальной до конечной температуры с непрерывным отводом
конденсацией образующихся паров. Этот способ перегонки нефти и нефтепродуктов в
основном применяют в лабораторной практике при определении их фракционного
состава [2, c.
143].
При однократной перегонке жидкость (нефть) нагревается до
заданной температуры, образовавшиеся и достигшие равновесия пары однократно
отделяются от жидкой фазы - остатка. Этот способ, по сравнению с перегонкой с
постепенным испарением, обеспечивает при одинаковых температуре и давлении
большую долю отгона.
Это важное его достоинство используют в практике
нефтеперегонки для достижения максимального отбора паров при ограниченной
температуре нагрева во избежание крекинга нефти.
Перегонка с многократным испарением заключается в
последовательном повторении процесса однократной перегонки при более высоких
температурах или низких давлениях по отношению к остатку предыдущего процесса.
Из процессов сложной перегонки различают перегонку с дефлегмацией
и перегонку с ректификацией [2, c. 157].
При перегонке с дефлегмацией образующиеся пары конденсируют,
и часть конденсата в виде флегмы подают навстречу потока пара. В результате
однократного контактирования парового и жидкого потоков уходящие из системы
пары дополнительно обогащаются низкокипящими компонентами, тем самым несколько
повышается четкость разделения смесей.
Процесс ректификации предназначен для разделения жидких
неоднородных смесей на практически чистые компоненты или фракции, которые различаются
по температуре кипения.
Физическая сущность ректификации, заключается в двухстороннем
массо- и теплообмене между потоками пара и жидкости при высокой тербулизации
контактирующих фаз. В результате массообмена отделяющиеся от горячей жидкости
пары обогащаются низкокипящими, а жидкость - высококипящими компонентами. При
определенном числе контактов между парами и жидкостью можно получить пары,
состоящие в основном из низкокипящих, и жидкость - из высококипящих компонентов
[2, c.
192].
На установки первичной перегонки нефти основным аппаратом
процесса ректификации является ректификационная колонна - вертикальный аппарат
цилиндрической формы. Внутри колонны расположены тарелки - одна над другой. На
поверхности тарелок происходит контакт жидкой и паровой фаз. При этом наиболее
легкие компоненты жидкого орошения испаряются и вместе с парами устремляются
вверх, а наиболее тяжелые компоненты паровой фазы, конденсируясь, остаются в
жидкости. В результате в ректификационной колонне непрерывно идут процессы конденсации
и испарения [2, c. 204].
При ступенчатом осуществлении процесса ректификации контакт
пара и жидкости может происходить в противотоке, в перекрестном токе и
прямотоке [2, c.
207].
На установках АВТ вырабатывают бензины широкого фракционного
состава: н.к-140°С или н.к-180°С. Поскольку в качестве сырья требуются более
узкие бензиновые фракции, осуществляют вторичную перегонку бензина, в основе
которого лежит процесс перегонки. Вторичная перегонка бензина предназначена для
получения из него узких фракций, которые используют как сырье каталитического
риформинга для получения индивидуальных ароматических углеводородов - бензола,
толуола, ксилолов. для этого бензиновый дистиллят разделяют на фракции 62-85°С
(бензольную), 85-120°С (толуольную) и 120-140°С (ксилольную). Более тяжелая
фракция 140-180°С используется как сырьё каталитического риформинга для
получения высокооктанового компонента бензина [2, c. 215].
1.3 Технологические схемы и параметры процессов
Стабилизацию бензина осуществляют на АВТ.
Ректификационная колонна стабилизации бензина имеет диаметр (1,2-1,6 м), часть
колонны, которая расположена над вводом сырья, иногда имеет меньший диаметр,
чем отгонная ее часть, так как количество паровой фазы значительно меньше, чем
жидкой. Число тарелок в такой колонне 35-40. Нестабильный бензин до поступления
в колонну нагревают в теплообменниках до 80-85°С. При давлении в колонне
0,6-0,7 МПа температура паров наверху около 60°С, а внизу 130-140°С. Тепло
внизу колонны подводится через ребойлер, где в качестве теплоносителя
используют водяной пар или один из горячих потоков АВТ (циркуляционное орошение
атмосферной колонны) [8, c. 92].
Верхним продуктом является в этой колонне
газовая головка бензина С1-С4 в количестве от 3,5-4%
(мас.) от исходного нестабильного бензина, небольшую часть этой головки
отбирают виде несконденсированного сухого газа С3-С4 с
небольшой примесью пентанов. Остаточным продуктом колонны стабилизации является
стабильный бензин, в котором отсутствуют углеводороды С1-С3 и
сведено к минимуму бутанов.
Схема стабилизации бензина на АВТ,
показана на рисунке 1 [9, c. 201]:
- колонна стабилизации, 2 - ребойлер, 3 -
теплообменник, I и IV - нестабильный и стабильный бензины; II - углеводородный «сухой»
газ; III - сжиженный газ; V - водяной пар.
Рисунок 1 - Схема стабилизации бензина на
АВТ.
Остаточным продуктом является стабильный
бензин, в котором отсутствуют углеводороды С1-С3 и
сведено к минимуму бутанов.
После стабилизации бензина идет вторичная
перегонка стабилизированного бензина.
Для вторичной перегонке широких бензиновых фракций на
несколько узких фракций используют технологические схемы: одно-, двух- и
трехколонные, причем все схемы прямого потока с отбором в каждой колонне
целевых фракций в виде дистиллята. Технологические схемы установок одноколонных
и двухколонных ВПБ изображены на рисунке 2 [9, c. 202].
I - сырье; II - фракция н. к. - 62°С; III - фракция 62-85°С; IV - фракция 85-105°С; V-105-140°С; VI - фракция 140-180°С; VII - фракция 85-130°С.
Рисунок 2 - Технологические схемы установок вторичной
перегонки бензиновых фракций: а - одноколонные; б - двухколонные
Трехколонная схема вторичной перегонки бензина представлена
на рисунке 3 [9, c. 203]:
,2,3 - ректификационные колонны, 4 - стрипинг, 5 - ребойлеры,
6 - печь, 7 - теплообменники.
Рисунок 3 - Технологическая трехколонная схема вторичной
перегонки бензина
Для стабилизации и вторичной перегонки прямогонных бензинов
применяют в основном двухколонные схемы, включающие колонну стабилизации и
колонну вторичной перегонки бензина на фракции н.к. - 85 и 85-180°С.
Как наиболее экономически выгодной схемой разделения
стабилизированного бензина на узкие ароматические УВ фракции признана
последовательно-параллельная схема соединения колонн вторичной перегонки.
В соответствии с этой схемой прямогонный бензин после
стабилизации разделяется сначала на две промежуточные фракции (н.к. - 105°С и
105-180°С), каждая из которых затем направляется на последующее разделение на
узкие целевые фракции изображено на рисунке 4 [9, c. 205].
- колона стабилизации; 2-5 - колонны вторичной перегонки; 1 -
нестабильный бензин; I - фракция С5 - 62°С; III - фракция 65-105°С;
V - фракция 85-106°С; VI - фракция 105-140°С; VII - фракция 140-180°С; VIII -
сжиженная фракция С2-С4; IХ - сухой газ (С1-С2);
Х - водяной пар.
Рисунок 4 - Принципиальная схема блока стабилизации и
вторичной перегонки бензина установки ЭЛОУ-АВТ-6 [6]
В соответствии с этой схемой прямогонный бензин после
стабилизации разделяется сначала на две промежуточные фракции (н.к. - 105°С и
105-180°С), каждая из которых затем направляется на последующее разделение на
узкие целевые фракции [9, c. 206].
.4 Способы регулирования параметров процесса
Задача управления сводится к поддержанию заданных или
оптимальных значений величин, определяющих протекание технологического
процесса.
На установке регулируют и контролируют: температуру,
давление, уровень. Установка ВПБ РЕОТЕК полностью автоматизирована и
предназначена для работы с минимальным количеством обслуживающего персонала.
Управление осуществляется с помощью контроллера (Yokogawa) (рисунок 5) [12, c. 74].
Рисунок 5 - Блок управления и контроля
Регулирование давления осуществляется датчиком измерения
давления МЕТРАН-150 (рисунок 6), он предназначен для непрерывного
преобразования в цифровой токовый выходной сигнал.
Принцип действия: измерительный блок датчиков состоит из
корпуса 1 и емкостной измерительной ячейки 2. Измеряемое давление передается
через разделительные мембраны 3 и разделительную жидкость к измерительной
мембране. Воздействие давления вызывает изменение положения измерительной
мембраны. Изменение положения мембраны приводит к появлению разности емкостей
между измерительной мембраной и пластинами конденсатора. Разность емкостей
измеряется АЦП, преобразуется электронным преобразователем в соответствующий
выходной сигнал. [12, c. 77].
Рисунок 6 - Датчик измерения давления
Температура измеряется датчиком Метран 280 (рисунок 7).
Конструктивно «Метран-280» состоит из термозонда и электронного модуля,
встроенного в корпус соединительной головки, преобразующего сигнал от чувствительного
элемента в выходной унифицированный 4-20 мА с наложенным HART-сигналом [12, c. 78].

Рисунок 7 - Датчик измерения температуры Метран 280
Измерение расхода производится датчиком расхода Метран -
150RFA. Расходомер предназначен для измерения объемного расхода среды (вода,
пар, газ и другие энергоносители) методом перепада давления с использованием
осредняющей напорной трубки Annubar 485 в качестве первичного измерительного преобразователя
и передачи информации для управления технологическими процессами и
использования в учетно-расчетных операциях, показан на рисунке 9 [12, c. 74]:
Рисунок 8 - датчик расхода
Принцип действия расходомеров основан на
измерении расхода среды (жидкости, газа, пара) методом переменного перепада
давления с использованием осредняющей напорной трубки.
2. Расчетная часть
.1 Характеристика сырья и продуктов. Фракционный
состав нефти. ИТК нефти
Сырьем для НПЗ является нефть из Восточной Сибири
Серноводского месторождения.
Серноводская нефть имеет шифр: 1.2.2.4 [1].
Правдинская нефть характеризуется сравнительно невысоким удельным весом - 854,3
кг/м3, низким содержанием серы - 0,04%, значительным содержанием
асфальто-смолистых веществ (смол силикагелевых 16,6%, асфальтенов 5,8%).
Содержание парафина составляет 0,43-1,5% при температуре
плавления 55°С. Выход легких фракций после перегонки нефти - 59,79%.
Дистилляты нефти являются хорошим сырьем для каталитического
риформинга, так как содержание нафтеновых углеводородов более 20 мас.%.
Суммарный выход базовых дистиллятов и остаточных масел
составляет более 25%.
Содержание нафтеновых углеводородов 26% из этого следует, что
облагораживание бензинов возможно с помощью каталитического риформинга.
Смесь тяжелых газов получаем в жидком состоянии в емкости
орошения стабилизационной колонны в виде рефлюкса, который можно использовать
как товарный сжиженный газ, т.к. содержание метана и этана в нем составляет
< 5%, что соответствует норме.
Фракция 28-85°С используется как компонент товарных бензинов.
Фракция 120-140°С может быть использована для получения
топлива ТС-1.
Фракция 240-350 °С может быть использована
только как компонент летнего дизельного топлива, для получения товарного
продукта необходимо смешать ее с маловязким компонентом.
Фракция 350-500 °С используется как
компонент масляных дистиллятов (парафинистый (350-450°С), автоловый
(450-500°С)).
Остаток выше 500 имеет высокую условную вязкость (23,78)
температуру застывания -18°С. Его можно использовать в качестве компонента
масла М-10Г2. При этом смешивать с маловязким компонентом [5, c. 174].
Особенности геологического строения Серноводской группы
месторождений и системы их разработки, многообразие геолого-промысловых условий
и характеристик продуктивных пластов требуют в конкретных условиях применения
эффективных методов воздействия на призабойную зону скважин и дальнейшее
совершенствование соответствующих методов.
Физико-химические свойства нефти и составляющих ее фракций
оказывают влияние на выбор ассортимента и технологию получения нефтепродуктов.
При определении направления переработки нефти стремятся максимально полезно
использовать индивидуальные природные особенности их химического состава. [4, c. 243].
В данной работе приведены основные принципы выбора и
обоснования технологической схемы установки и технологический расчет АВТ,
перерабатывающей Серноводскую нефть Восточной Сибири. Объем перерабатываемой
нефти 6 млн. т/год. Потенциальное содержание фракций приведено в таблице 1.
Таблица 1 - Потенциальное содержание Сервоноводской нефти
|
№ фракции
|
Температура выкипания фракции при 760 мм рт.
мт.,°С
|
Выход (на нефть), %
|
Плотность фракции, кг/м3
|
Молярная масса фракции, кг/кмоль М
|
|
|
Отдельных фракций
|
Суммарный
|
|
|
|
1
|
До 28 (газ до С4)
|
3,42
|
3,42
|
-
|
-
|
|
2
|
28-42
|
2,57
|
5,99
|
0,6200
|
-
|
|
3
|
42-63
|
2,79
|
8,78
|
0,6450
|
-
|
|
4
|
63-88
|
2,92
|
11,70
|
0,6725
|
-
|
|
5
|
88-103
|
2,97
|
14,67
|
0,7006
|
100
|
|
6
|
103-121
|
2,97
|
17,64
|
0,7230
|
-
|
|
7
|
121-134
|
2,97
|
20,61
|
0,7400
|
-
|
|
8
|
134-146
|
3,05
|
23,66
|
0,7530
|
-
|
|
9
|
146-163
|
3,32
|
26,98
|
0,7615
|
137
|
|
10
|
163-177
|
3,23
|
30,21
|
0,7728
|
-
|
|
11
|
177-192
|
3,18
|
33,39
|
0,7822
|
-
|
|
12
|
192-205
|
3,13
|
36,52
|
0,7927
|
-
|
|
13
|
205-228
|
3,53
|
40,05
|
0,8015
|
180
|
|
14
|
228-243
|
3,27
|
43,32
|
0,8121
|
-
|
|
15
|
243-255
|
3,31
|
46,63
|
0,8168
|
-
|
|
16
|
255-275
|
3,31
|
49,94
|
0,8232
|
-
|
|
17
|
275-290
|
3,32
|
53,26
|
0,8290
|
-
|
|
18
|
290-305
|
3,32
|
56,58
|
0,8341
|
240
|
|
19
|
305-321
|
3,32
|
59,90
|
0,8430
|
-
|
|
20
|
321-342
|
3,31
|
63,21
|
0,8500
|
-
|
|
21
|
342-363
|
3,50
|
66,71
|
0,8600
|
-
|
|
22
|
363-385
|
3.45
|
70,16
|
0,8678
|
-
|
|
23
|
385-405
|
3,40
|
73,56
|
0,8760
|
-
|
|
24
|
405-429
|
3,40
|
76,96
|
0,8825
|
-
|
|
25
|
429-449
|
3,53
|
80,49
|
0,8910
|
386
|
|
26
|
449-465
|
3,50
|
83,99
|
0,8981
|
-
|
|
27
|
465-475
|
3,31
|
87,30
|
0,9026
|
430
|
|
28
|
Остаток
|
12,70
|
100
|
0,9190
|
-
|
Исходя из данных, перечисленных в выше указанной таблице 1,
построим ИТК для узкой фракции, кипящей от 85-1800 С.
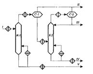
2.2 Выбор и обоснование технологической схемы
Выбор направления переработки нефти и ассортимента получаемых
нефтепродуктов определяется физико-химическими свойствами нефти, уровнем
развития техники нефтепереработки и потребностями в товарных нефтепродукта [3, c. 94].
Различают три основных варианта переработки нефти:
) топливный;
) топливно-масляный;
) нефтехимический (комплексный).
Экономически целесообразным вариантом переработки
Серноводской нефти является топливный. На основании определенного шифра
1.2.2.4, можно сказать, что Серноводская нефть, малосернистая со средним
содержанием светлых дистиллятов с высоким содержанием низкокачественных масел и
с высоким содержанием парафина. В связи с тем, что выход отдельных фракций
пригодных для топливного варианта составляет: бензиновая (н.к.-1800С)
- 33,39%; керосиновой (180-3000С) - 26,37%; дизельной (200-3200С)
- 26,70%. выбираем двухколонную схему с колонной стабилизации бензина и с одной
ректификационной колонной, так как нужно получить две фракции: н.к.-850С
и 85-1800С [13, c. 174].
На рисунке 9 изображена принципиальная схема двухколонной
стабилизации бензина [11, c. 231]:
- нестабильная нефть; ІІ - сухой газ; III - сжиженный газ; IV
- газовый бензин; V-стабильная нефть газовый бензин; V-стабильная нефть
Рисунок 9 - Принципиальная схема двухколонной стабилизации
бензина
Нестабильную нефть из промысловых резервуаров после нагрева в
теплообменнике и пароподогревателе до температуры около 60°С подают на верхнюю
тарелку первой стабилизационной колонны К-1. В К-1 поддерживается избыточное
давление от 0,2 до 0,4 МПа с целью создания лучших условий для конденсации
паров бензина водой или воздухом.
Температуру низа К-1 поддерживают в пределах 130-150°С
циркуляцией части стабильной нефти, нагретой в печи. Стабильную нефть,
выводимую с низа К-1 после охлаждения в теплообменнике и холодильнике,
направляют в резервуары.
Легкие фракции нефти, выводимые с верха К-1, охлаждают в
конденсаторе-холодильнике и подают в газосепаратор С-1, где сверху выводят
сухой газ, состоящий из метана и этана, а снизу - сконденсированный бензин,
который после нагрева в теплообменнике направляется в колонну К-2 для стабилизации.
Давление в К-2 поддерживают в пределах 1,3-1,5 МПа
Температуру низа К-2 регулируют в пределах 130…160°С рециркуляцией части
стабилизированного бензина через паровой кипятильник.
Требуемую температуру верха К-2 (40-50°С) обеспечивают
подачей части сжиженного газа в виде холодного орошения колонны. С верха К-2
выводят газ, тяжелую часть которого (пропан и бутан) конденсируют в
конденсаторе-холодильнике и отделяют в газосепараторе С-2 от
несконденсировавшейся сухой части.
2.3 Материальный и тепловой балансы установки
Материальный баланс составляется на основе потенциального
содержания фракций с учетом выбранного ассортимента и времени работы установки.
Число дней работы установки АВТ зависит от продолжительности текущих
капитальных ремонтов и, ровно 340 в год (8160 часов.)
Мощность установки 6 000 000 тонн в год.
Таблица 2 - Материальный баланс АВТ
|
Наименование продуктов
|
% масс
|
Расход
|
|
На нефть
|
На установку
|
т/год
|
т/сутки
|
кг/ч
|
|
Взято:
|
|
|
|
|
|
|
Нефть обессоленная
|
100
|
100
|
6000000
|
17647,05
|
735294,11
|
|
Получено:
|
|
|
|
|
|
|
Газ до 30 0С
|
3,42
|
3,42
|
205200
|
603,52
|
25147,05
|
|
30-62
|
5,36
|
5,36
|
321600
|
881,09
|
36712,08
|
|
62-85
|
2,92
|
2,92
|
175200
|
480,00
|
20000,00
|
|
85-105
|
2,97
|
2,97
|
178200
|
488,22
|
20342,50
|
|
105-120
|
3,17
|
3,17
|
190200
|
521,09
|
21712,08
|
|
120-145
|
2,77
|
2,77
|
455,34
|
18972,50
|
|
145-165
|
3,32
|
3,32
|
199200
|
545,75
|
22739,58
|
|
165-180
|
3,23
|
3,23
|
193800
|
530,96
|
22123,33
|
|
180-250
|
1,9
|
1,9
|
11400
|
31,29
|
1301,25
|
|
250-350
|
22,25
|
22,25
|
1335000
|
3657,53
|
152397,08
|
|
350-450
|
15,25
|
15,25
|
915000
|
2506,85
|
104452,08
|
|
450-500
|
8,75
|
8,75
|
525000
|
1438,36
|
59931,67
|
|
Остаток
|
24,125
|
24,125
|
1447500
|
396,44
|
16518,33
|
|
Итого
|
100
|
100
|
6000000
|
17647,05
|
735294,11
|
Материальный баланс установки стабилизации бензина
составляется исходя из материального баланса установки АВТ. В таблице 4
представлен материальный баланс установки стабилизации бензина.
Таблица 4 - Материальный баланс установки стабилизации
бензина
|
Температура выкипания фракции,°С
|
Массовый%
|
Расход
|
|
на нефть
|
на установку
|
т/год
|
т/сутки
|
кг/час
|
|
Взято:
|
|
Бензиновая фракция н.к -180
|
33,39
|
100,00
|
2003400,00
|
5892,35
|
245514,70
|
|
Получено:
|
|
Газ
|
3,42
|
3,42
|
68516,28
|
201,51
|
8396,60
|
|
30-180
|
29,97
|
96,58
|
1934883,72
|
5690,84
|
237118,09
|
|
Итого:
|
33,39
|
100
|
2003400,00
|
5892,35
|
245514,70
|
|
|
|
|
|
|
|
Содержание фракции бензина 30-180°С составляет 33,39 (мас%)
на нефть. Необходимо пересчитать выход в процентах на нефть в проценты на
фракцию, согласно потенциальному содержанию их в сырье. (таблица 7).
Таблица 7 - Содержание узких фракций в бензине
|
Фракция
|
Выход
|
|
На нефть %
|
На фракцию мас.%
|
|
30-45
|
2,57
|
8,57
|
|
45-60
|
5,36
|
17,87
|
|
60-75
|
8,28
|
27,61
|
|
75-100
|
11,25
|
37,51
|
|
100-115
|
14,22
|
47,41
|
|
115-125
|
17,9
|
57,31
|
|
125-140
|
20,24
|
67,48
|
|
140-155
|
23,56
|
78,55
|
|
155-170
|
26,76
|
89,32
|
|
170-180
|
33,39
|
100
|
|
|
|
|
Для технологического расчета основного оборудования второй
колонны производим построение кривой ИТК для бензина.
Для построения кривой ОИ бензина при давлении 0,1 МПа (760
мм. рт. ст.) надо знать тангенс угла наклона кривой ИТК и температуру выкипания
50% по кривой ИТК.
Тангенс угла наклона рассчитываем по формуле 1 [1, c. 46]:
tg ÐИТК =
(1)
Рассчитываем: tg ÐИТКбензина =
= 1,7
Затем по графику Обрядчикова и Смидович по данным tgÐИТК и t50% находят на оси ординат (в верхней ее части) степень отгона по
ИТК, соответствующую 100% отгона по ОИ, и (в нижней ее части) степень отгона по
ИТК, соответствующую 0% отгона по ОИ. 0% отгона по ОИ соответствует 23% отгона
по ИТК, 100% отгона по ОИ - 67% отгона по ИТК.
Полученные значения определяют положение линии ОИ при
давление 0,1МПа.
За температуру ввода сырья принимают температуру отгона 50%.
Температура ввода сырья составила 150°С.
Температура низа колонны принимается на 20°С ниже температуры ввода
сырья [4, с. 124]: tниза = 130°С.
Содержание фракции 30-85°С составляет 8,28% масс.
на нефть.
Необходимо пересчитать выход в процентах на нефть в проценты
на фракцию, согласно потенциальному содержанию их в сырье.
Содержание узких фракций во фракции 30-85°С представлены в таблице
8.
Таблица 8 - Содержание узких фракций во фракции 30-85°С
|
Узкая фракция
|
Выход на нефть массовый%
|
Выход на фракцию массовый%
|
|
30-45
|
2,57
|
15,85
|
|
45-65
|
5,36
|
33,06
|
|
65-85
|
8,28
|
51,07
|
По полученным данным строим кривую ИТК.
Для построения кривой ОИ по методу Обрядчикова и Смидовича
при давлении 0,1 МПа (760 мм. рт. ст.) надо знать тангенс угла наклона кривой
ИТК и температуру выкипания 50% по кривой ИТК.
По формуле 1 рассчитываем тангенс угла наклона:
tg ÐИТК =
= 0,8
Температуру погона определяют по нулевой точке на ОИ. Давление в этой
зоне колонны можно рассчитать по формулам 2 [11, c. 9]:
Р = Рап
(2)
где: Рап - давление в колонне, МПа;
Gфр - количество нефтепродукта, кг/ч;
Gв.п. - количество водяного пара,
подаваемого в колонну, составляет 1,2% на бензин, кг/ч
Мфр - молекулярная масса нефтепродукта, кг
При использовании кривой ИТК данной фракции можно определить
средне - объемную температуру кипения tср.об., которая равна температуре выкипания 50% по ИТК:
tср.об. = 58°С.
Для определения tср.мол. необходимо знать угол наклона кривой разгонки,
который рассчитывается по формуле 3 [11, c. 8]:
(3)
Рассчитываем:
Средняя молекулярная температура фракции рассчитывается по формуле
4 [11, c. 8]:
tср.мол = tср.об. - к (4)
где: к - корректирующая добавка, равная 3 [10, c. 86].
Рассчитываем: tср.мол = 58 - 3 = 55°С
Рассчитываем молекулярную массу фракции 30-85°С по формуле 5 (формула
Войнова) [11, c. 13]:
Мфр = 60 + 0,3t + 0,001
(5)
где: t - средняя молекулярная температура кипения фракции.
Рассчитываем: Mфр = 60 + 0,3
55 + 0,001
552 = 77,61
кг
Рассчитываем давление в зоне верхнего погона по формуле 2:
Р = 0,1
= 0,080 МПа = 660 мм. рт. ст
Находим точку пересечения линии ОИ и ИТК фракции и пересчитываем
на давление 660 мм. рт. ст. Пересчет на давление 660 мм. рт. ст. проводим по
графику Кокса [5, с. 75].
Определяем температуру вывода погона по точке пересечения ИТК
и ОИ фракции 28-85, t28-85=51°С
Содержание фракции 85-180°С 20,7% масс. на нефть
Пересчитаем проценты выхода на нефть в проценты на фракции.
Содержание узких фракций во фракции 85-180°С представлены в таблице
9.
Таблица 9 - Содержание узких фракций во фракции 85-180°С
|
Узкая фракция
|
Выход на нефть массовый%
|
Выход на фракцию масссовый%
|
|
85-103
|
11,25
|
7,81
|
|
103-120
|
14,22
|
9,88
|
|
120-136
|
17,90
|
12,43
|
|
136-150
|
20,24
|
14,06
|
|
150-162
|
23,56
|
16,37
|
|
162-171
|
26,76
|
18,58
|
|
171-180
|
29,97
|
20,82
|
По полученным данным строим кривую ИТК.
По аналогичной методике строим кривую ОИ при 0,1МПа.
По формуле 1 рассчитываем тангенс угла наклона:
tg ÐИТК =
= 1,3
Температуру погона определяют по нулевой точке на ОИ.
Давление в этой зоне колонны можно рассчитать по формуле 2 [11, c. 15]:
Р = Рап
(3)
где: Рап - давление в колонне, МПа;
Gфр - количество нефтепродукта, кг/ч;
Gв.п. - количество водяного пара,
подаваемого в колонну, кг/ч
Мфр - молекулярная масса нефтепродукта, кг
При использовании кривой ИТК данной фракции можно определить tср.об, которая равна
температуре выкипания 50% по ИТК: tср.об. = 58°С
Для определения tср.мол. необходимо знать угол наклона кривой разгонки,
который рассчитывается по формуле 3 [11, c. 8]:
(4)
Рассчитываем:
Средняя молекулярная температура фракции рассчитывается по формуле
4 [10, c. 86]:
tср.мол = tср.об. - к (5)
где: к - корректирующая добавка равная 5 [10, c. 86].
Рассчитываем tср.мол = 132,5 - 5 = 127,5°С
Рассчитываем молекулярную массу фракции 85-180°С по формуле
5:
Mфр = 60 + 0,3
127,5 + 0,001
127,52 =
100,65 кг
Рассчитываем давление в зоне нижнего погона по формуле 2:
Р = 0,1
= 0,077 МПа = 577 мм. рт. ст
Находим точку пересечения линии ОИ и ИТК фракции и
пересчитываем на давление 577 мм. рт. ст. Пересчет на давление 600 мм. рт. ст.
проводим по графику Кокса [5, с. 75].
Определяем температуру вывода погона по точке пересечения ИТК
и ОИ фракции 85-180, t85-180=158°С
Тепловой баланс колонны:
Тепловой баланс колонны учитывает все тепло, вносимое и
выносимое из колонны.
Согласно закону сохранения энергии, можно написать (без учета
потерь в окружающую среду) [4, с. 63]:
(6)
где: SQвх - суммарное тепло, входящее в колонну, Вт или кДж/ч;
SQвых - суммарное тепло, выходящее из колонны,
Вт или кДж/ч.
Тепло вводимое в колонну:
1) С сырьем нагретым до t0 [11, c. 63]:
(7)
где: t0 - температура ввода сырья,°С;
G - масса сырья, кг/ч;
e - массовая доля отгона светлых нефтепродуктов, е = 0,333
[10, с. 120]
,
- энтальпия паров и жидкости, кДж/кг;
Энтальпия пара рассчитывается по формуле 8:
(8)
Необходимо произвести пересчет на
[11, c. 65]:
(9)
где:
- 0,7728 (по паспорту нефти);
- средняя температурная поправка,
= 0,000805 [4, с. 145].
Рассчитываем:
Рассчитываем энтальпию пара по формуле 8:
кДж/кг
Энтальпия жидкости рассчитывается по формуле 10:
(10)
Рассчитываем:
кДж/кг
Рассчитываем количество тепла с сырьём нагретым до t0 по формуле 7:
=278832656,08 кДж/ч
2) Тепло, вводимое с водяным паром [11, c. 67]:
(11)
где:
= 2881 кДж/кг [4, с. 147];
= 2562 кДж/кг [4, с. 148].
Расход водяного пара составляет 5% на бензин [10, с. 124]:
Рассчитываем количество водяного пара:
Gв.п.= 0,05 · 1798200= 80370,00 кг/ч
Рассчитываем тепло вводимое с водяным паром по формуле 11:
кДж/ч
) Общее количество тепла вводимое в колонну составляет [11, с.
69]:
Qвх. = Qс + Qв.п. = 278832656,088+ 25638030,00=
304470686,08 кДж/ч
Тепло выводимое из колонны:
1) С парами ректификата рассчитывается по формуле 12 [11, c. 72]:
QD = D ·
(12)
где:
- энтальпия пара на верху колонны
Считая, что углеводородных газов образуется не более 0,1%
масс. [4, с. 372]
D = 1798200· 0,001 = 1607,40 кг/ч
= 0,6200 (по паспорту нефти)
Средняя температурная поправка, при
= 0,6200
= 0,000897 [3].
Необходимо произвести пересчет на
по формуле 9:
tD - температура верха колонны, принимаем tD =185°С. [4, с, 385]
а - определим по приложению 21 [4]: а=370,47 кДж/кг
Рассчитываем энтальпию пара на верху колонны по формуле 8:
= (4 - 0,6204) · 370,47 - 308,99 = 943,05 кДж/кг
Рассчитываем тепло выводимое из колонны с парами ректификата
по формуле 12: QD = 1607,40 ·943,05 = 1515858,57кДж/ч
) С фракцией 30-85°С [11, c. 74]:
Количество тепла выводимое из К-1 отдельных фракций
рассчитывается по формуле 13:
(13)
где: Gфр - расход фракции, кг/ч;
- энтальпия фракции, кДж/кг
= 0,6725 (по паспорту нефти)
Необходимо произвести пересчет на
по формуле 9:
Рассчитываем энтальпию фракции 30-85°С по формуле 10:
кДж/кг
Рассчитываем тепло, выводимое из колонны с фракцией 30-85°С по формуле 13:
= 39411,76 · 165,66 = 6528952,16кДж/ч
) С фракцией 85-180°С
Количество тепла выводимое из колонны отдельных фракций
рассчитывается по формуле 13:
(13)
где: Gфр - расход фракции, кг/ч;
- энтальпия фракции, кДж/кг
= 0,7728 (по паспорту нефти)
а - определим по приложению 21 [4]:
= 264,76 кДж/кг
Рассчитываем среднее значение относительной плотности по формуле
9:
Рассчитываем энтальпию фракции 85-180°С по формуле 10:
кДж/кг
Рассчитываем количество тепла выводимое из колонны с фракцией
85-180°С по формуле 13:
= 220367,64 · 300,41 =47336661,14кДж/ч
4) Общее тепло выводимое из колонны составляет:
Qвых.=QD+Qн.к.-85+Q85-180=1515858,57+6528952,16+47336661,14=
55381471,87кДж/ч
Разность между теплом, входящим в колонну и выходящим из нее,
необходимо снимать циркуляционным орошением [11, c. 85]:
Тепло циркуляционного орошения рассчитывается по формуле 14:
Qц.о = Qвх -Qвых (14)
Рассчитываем: Qц.о = 304470686,08 - 55381471,87= 249089214,21кДж/ч
Результаты расчета теплового баланса занесем в таблицу 10.
Таблица 10 - Тепловой баланс колонны
|
Продукт
|
Тепло входящее
|
Продукт
|
Тепло выходящее
|
|
t,°С
|
G, кг/ч
|
Q, кДж/ч
|
|
t,°С
|
G, кг/ч
|
Q, кДж/ч
|
|
н.к. - 180°С
|
90
|
1607400,00
|
278832656,08
|
|
|
|
|
|
|
|
|
30-85°С
|
56,5
|
39411,76
|
6528952,16
|
|
Водяной пар
|
90
|
80370,00
|
2563803,00
|
85-180°С
|
132,5
|
220367,64
|
47336661,14
|
|
|
|
|
Циркуляционное орошение
|
80
|
-
|
227530845,78
|
|
Итого
|
-
|
-
|
281396459,08
|
Итого
|
-
|
-
|
281396459,08
|
Расчет диаметра колонны
Диаметр колонны определяется в зависимости от максимального
расхода паров и их допустимой скорости в свободном сечении колонны и
рассчитывается по формуле 15 [13, c. 54]:
d = 1,128
(15)
u - допустимая скорость пара, м/с
Объем паров проходящих через сечение колонны рассчитывается
по формуле 16 [13, c.
71]:
v = 22,4
(16)
где: T - температура системы, К;
Р - давление в системе, МПа;
Gфр - расход фракции, кг/ч;
Мфр - молекулярная масса фракции, кг.
Рассчитываем молекулярную массу фракции 30 - 180°С по формуле
5:
Мфр = 60 + 0,3· 104 + 0,001· 1042
=93,28 кг
Рассчитываем объем паров проходящих через сечение колонны по
формуле 17:
V =22,4 ·
м3/с
Скорость паров в ректификационной колонне примем 1 м/с [4, с. 56].
Рассчитываем диаметр: d =
= 4,13 м
Расчет высоты колонны
Общая высота колонны, равна сумме высот отдельных ее секций по
формуле 17 [11, c. 86]:
(17)
где:
- высота сепарационного пространства верха, м
- высота тарелок верхней части колонны, м
- высота питательной части, м
- высота тарелок нижней части колонны, м
- высота сепарационного пространства низа, м
- высота опоры, м
Высота тарелок верхней и нижней части колонны рассчитывается
по формуле 18 [11, c. 87]:
h2(4) = hт ·(n - 1) (18)
где: h2(4) - высота тарелок верхней или нижней части
колонны, м;
hт
[11, c. 86];
n - действительное число тарелок в верхней или нижней части
колонны принимаем nв = 25; nн =30 [11, c. 88]:
Рассчитываем высоту тарелок верхней части колонны: h2 = 0,6 ·(25 - 1) = 14,4 м
Рассчитываем высоту тарелок нижней части колонны: h4 = 0,6 ·(30 - 1) = 17,4 м
Принимаем [11, c. 92]:
Высота сепарационного пространства верха - 2,2 м
Высота питательной части - 2,0 м
Высота сепарационного пространства низа - 2,7 м
Высота опоры - 1,8 м
Находим общую высоту колонны по формуле 17:
H = 2,2 + 17,4 + 14,4 + 2,0 + 2,7 + 1,8 = 40,5 м
2.4 Расчет и подбор аппаратов
Внизу ректификационной колонны расположен теплообменник,
который повторно нагревает жидкость и вводит образовавшиеся пары обратно в
колонну несколькими секциями выше. Это улучшает сепарацию, т.к. повышает
температуру в колонне.
Рейболер - это горизонтальный теплообменный аппарат, имеющий
две рабочие зоны: трубное пространство и межтрубное пространство, каждое из
которых имеет свое расчетное давление, расчетную температуру и материальное
исполнение подогревателя (кипятильника) низа (куба) колоны.
По данным расчета материального, теплового балансов и
размеров колонны для рейболера были получены результаты [14]:
Диаметр теплообменника = 800 мм
Размер труб = 25´2 мм
Число труб = 456
Длина труб = 4000 мм
Коэффициент теплопередачи = 1,5 кВт/м2×К
Температура на входе в трубное пространство = 30°С
Температура на выходе из трубного пространства = 74,1°С
Необходимая поверхность теплообмена = 147,08 м2
Расчетная поверхность теплообмена = 169,45 м2
Запас по поверхности теплообмена = 13%
2.5 Автомаматическое регулирование
Установки вторичной перегонки бензина позволяют
перерабатывать прямогонный бензин в дефицитные нефтепродукты: высокооктановые
компоненты, растворители и т.д.
Установки РЕОТЕК полностью автоматизированы и предназначены
для работы с минимальным количеством обслуживающего персонала.
Автоматизированная система управления технологическим
процессом (АСУ ТП) - группа решений технических и программных средств,
предназначенных для автоматизации управления технологическим оборудованием на
промышленных предприятиях. В данной курсовой работе применяются три уровня АСУ
ТП [14].
1. Нижний - это уровень датчиков, измерительных устройств, контролирующих
управляемые параметры, а также исполнительных устройств.
. Средний - уровень контроллеров, получает информацию с контрольно-измерительного
оборудования и датчиков о состоянии технологического процесса.
. Верхний - уровень промышленного сервера, сетевого оборудования, уровень
операторских и диспетчерских станций. На этом уровне идет контроль хода
производства: обеспечивается связь с нижними уровнями, откуда осуществляется
сбор данных, визуализациия и диспетчеризациия (мониторинг) хода технологического процесса.
Технологический объект управления установка вторичной
перегонки бензина является взрывоопасным объектом, поэтому при проектировании
системы автоматизации следует учитывать требования безопасности для опасных
объектов данного типа.
Оборудование установки вторичной перегонки бензина РЕОТЕК
[15]:
) измерительные приборы - ПГ МЕТРАН - в промышленной Группе
«Метран» осуществляется полный цикл работ для автоматизации техпроцессов в
промышленности: разработка интеллектуальных измерительных приборов.
) преобразователи частоты (Fuji Electric) - экономичные
компактные преобразователи частоты, для электродвигателей мощностью от 0.1 до
3.7 кВт:
универсальные преобразователи частоты, для электродвигателей
мощностью от 0.4 до 630 кВт;
универсальный пульт управления с ЖК дисплеем и подсветкой.
Дроссели звена постоянного тока DCR (Fuji Electric).
) контроллеры (Yokogawa) - удобный инструмент для решения
задач автоматизации с малым количеством контуров управления. В спектре
локальных контроллеров.
) программное обеспечение (Citect) - программный продукт,
представляющий собой систему мониторинга, управления и сбора данных. Данная
система предназначена для управления технологическими процессами.
Задача управления сводится к поддержанию заданных или
оптимальных значений величин, определяющих протекание технологического
процесса, повышения эффективности производства и качества выпускаемой
продукции.
Заключение
Блок вторичной перегонки обеспечивает разделение бензина на
более узкие фракции с целью получения высокооктанового бензина. Перед вторичной
перегонкой бензинов нестабильный бензин направляется на установку стабилизации
бензина, при стабилизации удаляются сжиженные газы С2-С4.
Главным аппаратом установки являются ректификационные колонны
- оснащенные внутренними теплообменными и массообменными устройствами и
вспомогательными узлами, предназначенный для разделения жидких смесей на
фракции.
В курсовой работе изучено назначение, сырье и продукты
процесса стабилизации, физико-химические основы процесса, технологические схемы
и параметры процесса, а также способы регулирования этих параметров.
Изучен фракционный состав Серноводской нефти.
Произведен выбор и обоснование технологической схемы
установки ЭЛОУ-АВТ производительностью 6 млн. т/год, предназначенной для
стабилизации Серноводской нефти по топливному варианту.
Подобраны технологические параметры для колонны, подобрана и
изображена технологическая схема с нанесением автоматизации на формате А3.
Рассчитаны материальный и тепловой баланс стабилизационной
колонны, построены кривые ИТК и ОИ фракции 30-850С и 85-1800С,
для определения температур и давления верха и низа колонны:
Температура верха составила 510С;
Температура низа составила 1580С;
Давление верха составило 0,08 МПа;
Давление низа составило 0,07 МПа.
Блок стабиллицации имеет следующие размеры:
Диаметр колонны равен 4,45 м.
Высота равна 40,5 м.
Список литературы
1. Ахметов,
С.А. Технология глубокой переработки нефти и газа: учебное пособие / С.А.
Ахметов. - Уфа.: Гилем, 2008. - 671 с.
2. Ахметов,
С.А. Экологическая химмотология топлив и масел / Ахметов С.А. - Уфа: УГНТУ,
2008. - 150 с.
. Гусейнов,
Д.А. Технологические расчеты процессов переработки нефти: учебное пособие /
Д.А. Гусейнов. - М.: Химия, 2007. - 300 с.
. Дриацкая,
З.В. Нефти средней Азии, Казахстана, Сибири и о. Сахалин. Четвертый том:
справочное пособие / З.В. Дриацкая. - М.: Химия, 2004. - 787 с.
5. Кудимов,
А.В, Сборник номограмм для проведения технологических расчетов процессов
нефтепереработки: учебное пособие/ А.В. Кудимов. - М.: Химия, 2009. - 180 с.
. Мановян,
А.К. Технология первичной переработки нефти и природного газа: учебное пособие
/ А.К. Мановян. - М.: Химия, 2008. - 568 с.
. Пархоменко,
В.Е. Технология переработка и нефти и газа: учебное пособие / В.Е. Пархоменко.
- М.: Химия, 2010. - 459с
. Плановский,
А.Н. Процессы и аппараты химической и нефтехимической технологии: учебное
пособие / А.Н. Плановский. - М.: Химия, 2012. -302 с.
9. Рабинович,
В.А. Краткий химический справочник: справочник / В.А. Рабинович. - М.:
Книгодел, 2010. - 193 с.
. Сарданашвили,
А.Г. Примеры и задачи по технологии переработки нефти и газа: учебное пособие /
А.Г. Сарданашвили. - М.: Химия, 2014.-256 с.
. Сотскова
Е.Л., Основы автоматизации технологических процессов переработки нефти и газа:
учебник для студ. учреждений сред. проф. образования / Е.Л. Сотскова. - М.:
Академия, 2014. - 304 с.
12. Танатаров,
М.А. Технологический расчеты установок переработки нефти: учебное пособие /
М.А. Танатаров. - М.: Химия, 2005. - 193 с.