Геологическое строение и разработка Чекмагушевского нефтяного месторождения

  • Вид работы:
    Отчет по практике
  • Предмет:
    Геология
  • Язык:
    Русский
    ,
    Формат файла:
    MS Word
    76,43 Кб
  • Опубликовано:
    2015-05-20
Вы можете узнать стоимость помощи в написании студенческой работы.
Помощь в написании работы, которую точно примут!

Геологическое строение и разработка Чекмагушевского нефтяного месторождения

Содержание

1. Информация о предприятии, краткие сведения о районе нефтяных и газовых месторождений

2. Схема организационной структуры НГДУ "Чекмагушнефть"

. Должностная инструкция по рабочей профессии

4. Контроль и поддержание оптимальных режимов разработки и эксплуатации скважин

4.1 Технология термометрирования

4.2 Технология расходометрии

5. Контроль за работой наземного и скважинного оборудования на стадии эксплуатации

5.1 Технология измерения динамического уровня, дебита при эксплуатации скважин

.2 Технология отбора проб

.3 Технология борьбы с осложнениями в скважинах

.3.1 Отложения парафина

.3.2 Отложения солей

.3.3 Механические примеси

6. Профилактика и безопасность условий труда на нефтяных и газовых месторождениях

6.1 Промышленная безопасность на предприятии или в цехе

.2 Экологическая безопасность на предприятии или в цехе

.3 Котельная как источник выбросов

.4 Факельные установки по сжиганию газа

Литература

. Информация о предприятии, краткие сведения о районе нефтяных и газовых месторождений

Компания ООО "НГДУ "Чекмагушнефть"

Компания зарегистрирована 19 октября 2002 года регистратором Межрайонная инспекция МНС России N23 по Республике Башкортостан. Управляющий организации - Сахаутдинов Рустам Вилович. Компания ООО "НГДУ "Чекмагушнефть" находится по адресу 452320, Республика Башкортостан, г. Дюртюли, ул. Ленина, 9, основным видом деятельности является "Предоставление услуг по бурению, связанному с добычей нефти, газа и газового конденсата". Организация также осуществляет деятельность по следующим неосновным направлениям: "Деятельность в области архитектуры; инженерно-техническое проектирование; геолого-разведочные и геофизические работы; геодезическая и картографическая деятельность; деятельность в области стандартизации и метрологии; деятельность в области гидрометеорологии и смежных с ней областях, мониторинга состояния окружающей среды, ее загрязнения; виды деятельности, связанные с решением технических задач, не включенные в другие группировки", "Производство пластмассовых плит, полос, труб и профилей". Основная отрасль компании - "Нефтедобывающая промышленность". Организации присвоен ИНН 0260007287, ОГРН 1020201754869.

Чермасанское месторождение нефтяное месторождение находится в северо-западной части Башкортостана. В 90 км к юго-востоку от Арланского месторождения на территории Кушнаренковского частично Карача-Елгинского и Чекмагушевского районов. Открыто в 1953 г. Введено в разработку в 1957 г. Геологический разрез месторождения является типичным для платформенной части республики, представлен отложениями четвертичной, третичной, пермской, каменноугольной и девонской систем, а также додевонским осадочным комплексом (вендской серией). В тектоническом отношении месторождение приурочено к Бирской седловине. По ТТНК оно располагается в пределах Чермасанского вала, приуроченного к верхнетурнейскому борту северо-восточного склона Актаныш-Чишминской ветви Камско-Кинельской системы некомпенсированного прогиба.

На Чермасанском месторождение валообразном поднятии выявлена серия куполовидных поднятий, размеры которых составляют от 2 до 3,5 км по ширине и до 11,5 км по длинной оси. Все они объединены в единую крупную залежь в ТТНК. Отмечается совпадение структурных планов, начиная от кровли турнейского яруса до кунгурского яруса нижней перми. Однако контрастность структуры постепенно сглажена снизу вверх.

Промышленная нефтеносность приурочена к терригенным отложениям девона (на южной и северной периклиналях), ТТНК (бобриковский и тульский горизонты), а также к карбонатным отложениям турнейского яруса нижнего карбона и каширского горизонта среднего карбона

Основным объектом разработки являются пласты песчаников ТТНК. Залежи остальных объектов второстепенные. ТТНК характеризуется сложным строением и представляет собой переслаивание пластов песчаников, аргиллитов, глинистых углистых сланцев и глинистых маломощных известняков.

2. Схема организационной структуры НГДУ "Чекмагушнефть"

В состав нефтегазодобывающего управления "Чекмагушнефть" входят следующие структурные подразделения:

- 4 цеха добычи нефти и газа;

цех комплексной подготовки и перекачки нефти;

2 цеха подземного ремонта скважин;

цех сбора, подготовки и транспортировки газа;

цех технического обслуживания и ремонта оборудования;

цех научно-исследовательских и производственных работ;

цех поддержания пластового давления;

2 участка по подготовке задавочной жидкости;

центральная инженерно-технологическая служба;

база материально-технического обеспечения;

аппарат управления предприятием.

Имеются четыре действующих месторождений (карта месторождений представлена в приложениях №1):

- Ахтинское (ЦДНГ -5)

Саитовское (ЦДНГ - 4)

Чермасанское (ЦДНГ- 3)

-Карача-Елгинское; (ЦДНГ-2)

-Чекмагушевское (ЦДНГ -1)

Таким образом, добычу нефти и газа осуществляют четыре цеха по добыче.

Рисунок 1 - Организационная структура Чекмагушевского НГДУ

3. Должностная инструкция по рабочей профессии

Общие положения

Должность "Оператор по добыче нефти и газа 4-го разряда" относится к категории "Рабочие".

Квалификационные требования - профессионально-техническое образование. Повышение квалификации. Стаж работы по профессии оператора по добыче нефти и газа 3 разряда - не менее 1 года.

Знает и применяет в деятельности:

основные данные о нефтяное и газовое месторождение;

режимы залежей;

физико-химические свойства нефти, газа и газового конденсата;

технологический режим обслуживаемых скважин;

устройство и принцип работы установок комплексной подготовки газа, групповых замерных установок, систем сбора и транспортировки нефти, газа, газового конденсата, закачки и отбора газа, контрольно-измерительных приборов, аппаратуры, средств автоматики и телемеханики;

техническую характеристику и правила эксплуатации наземного промышленного оборудования, установок, трубопроводов и приборов;

общие понятия о методах интенсификации добычи нефти и газа, исследования скважин, разработка нефтяных и газовых месторождений, подземный и капитальный ремонт скважин;

основы техники и технологии бурения и освоения нефтяных и газовых скважин;

правила эксплуатации промышленного электрооборудования и работы на электротехнических установках.

Оператор по добыче нефти и газа 4-го разряда назначается на должность и освобождается от должности приказом по организации (предприятию/учреждению).

Оператор по добыче нефти и газа 4-го разряда подчиняется непосредственно

Оператор по добыче нефти и газа 4-го разряда руководит работой

Оператор по добыче нефти и газа 4-го разряда во время отсутствия, замещается лицом, назначенным в установленном порядке, которое приобретает соответствующие права и несет ответственность за надлежащее выполнение возложенных на него обязанностей.

Характеристика работ, задачи и должностные обязанности

Ведет технологический процесс за всеми способами добычи нефти, газа, газового конденсата, закачки и отбора газа и обеспечивает бесперебойную работу скважин, установок комплексной подготовки газа, групповых замерных установок, дожимных насосных и компрессорных станций, станций подземного хранения газа и другого нефтепромыслового оборудования и установок.

Участвует в работах по освоению скважин, вывод их на заданный режим; опрессовывает трубопроводы и технологическое оборудование под руководством оператора более высокой квалификации.

Проводит профилактические работы против гидратообразований, отложений парафина, смол, солей и расчет реагентов для проведения этих работ.

Измеряет величины различных технологических параметров с помощью контрольно-измерительных приборов.

Снимает и передает параметры работы скважины, контролирует работу средств автоматики и телемеханики.

Участвует в работах по исследованию скважин.

Несет материальную ответственность за сохранность имущества установки комплексной подготовки газа, продуктов технологического процесса и производства (нефти, газа, газового конденсата).

Обеспечивает постоянный контроль и бесперебойную работу сосудов, работающих под давлением, водонагревательного оборудования, установок регенерации ингибиторов.

Знает, понимает и применяет действующие нормативные документы, касающиеся его деятельности.

Знает и выполняет требования нормативных актов об охране труда и окружающей среды, соблюдает нормы, методы и приемы безопасного выполнения работ.

Права

Оператор по добыче нефти и газа 4-го разряда имеет право предпринимать действия для предотвращения и устранения случаев любых нарушений или несоответствий.

Оператор по добыче нефти и газа 4-го разряда имеет право получать все предусмотренные законодательством социальные гарантии.

Оператор по добыче нефти и газа 4-го разряда имеет право требовать оказание содействия в исполнении своих должностных обязанностей и осуществлении прав.

Оператор по добыче нефти и газа 4-го разряда имеет право требовать создание организационно-технических условий, необходимых для исполнения должностных обязанностей и предоставление необходимого оборудования и инвентаря.

Оператор по добыче нефти и газа 4-го разряда имеет право знакомиться с проектами документов, касающимися его деятельности.

Оператор по добыче нефти и газа 4-го разряда имеет право запрашивать и получать документы, материалы и информацию, необходимые для выполнения своих должностных обязанностей и распоряжений руководства.

Оператор по добыче нефти и газа 4-го разряда имеет право повышать свою профессиональную квалификацию.

Оператор по добыче нефти и газа 4-го разряда имеет право сообщать обо всех выявленных в процессе своей деятельности нарушениях и несоответствиях и вносить предложения по их устранению.

Оператор по добыче нефти и газа 4-го разряда имеет право ознакамливаться с документами, определяющими права и обязанности по занимаемой должности, критерии оценки качества исполнения должностных обязанностей.

Ответственность

Оператор по добыче нефти и газа 4-го разряда несет ответственность за невыполнение или несвоевременное выполнение возложенных настоящей должностной инструкцией обязанностей и (или) неиспользование предоставленных прав.

Оператор по добыче нефти и газа 4-го разряда несет ответственность за несоблюдение правил внутреннего трудового распорядка, охраны труда, техники безопасности, производственной санитарии и противопожарной защиты.

Оператор по добыче нефти и газа 4-го разряда несет ответственность за разглашение информации об организации (предприятии/учреждении), относящейся к коммерческой тайне.

Оператор по добыче нефти и газа 4-го разряда несет ответственность за неисполнение или ненадлежащее исполнение требований внутренних нормативных документов организации (предприятия/учреждения) и законных распоряжений руководства.

Оператор по добыче нефти и газа 4-го разряда несет ответственность за правонарушения, совершенные в процессе своей деятельности, в пределах, установленных действующим административным, уголовным и гражданским законодательством.

Оператор по добыче нефти и газа 4-го разряда несет ответственность за причинение материального ущерба организации (предприятию/учреждению) в пределах, установленных действующим административным, уголовным и гражданским законодательством.

Оператор по добыче нефти и газа 4-го разряда несет ответственность за неправомерное использование предоставленных служебных полномочий, а также использование их в личных целях.

4. Контроль и поддержание оптимальных режимов разработки и эксплуатации скважин

.1 Технология термометрирования

Термометрирование позволяет определять параметры пласта не только при водонапорном режиме, как это было показано, но и при режиме растворенного газа. Правда, метод определения этих параметров достаточно сложный.

Контрольное термометрирование характерных точек оборудования РУ ВВЭР-1000 проводится в период пусконаладочных работ в составе проектной системы пусконаладочных измерений (СПНИ) с целью экспериментального подтверждения того, что оборудование данной РУ по условиям изготовления, монтажа и эксплуатации соответствует требованиям проекта в части непревышения интенсивности температурных воздействий. В процессе термоконтроля должны быть выявлены возможные процессы, не предусмотренные проектом и влияющие на ресурс оборудования, определены и отработаны мероприятия, обеспечивающие проектные условия проведения эксплуатационных режимов. Для получения полной картины условий натурных испытаний на прочность необходимо наряду с данными термометрирования располагать сведениями о полях деформаций исследуемой детали и в первую очередь в зонах максимальных термомеханических напряжений.

Следует также отметить, что до настоящего времени промышленностью не выпускаются надежно работающие токосъемные устройства, позволяющие производить термометрирование вращающихся с высокими окружными скоростями роторов ВД и СД. Зарубежные формы широко применяют для исследования теплового состояния так называемые тепловизоры и даже целые комплексы типа Термовизион - 780, в состав которых входят: мощная ЭВМ, кино - и фотоаппаратура и другие устройства для регистрации, обработки и графического представления материала. Для этой цели один из указанных ГМК был переоборудован на систему испарительного ВТО атмосферного давления, а другой оставлен с существующей системой открытого водяного охлаждения с градирней. В объем измерений по каждому агрегату входило индицирование рабочего, процесса, термометрирование как деталей - так и охлаждающих сред, определение износов, изменения качества и расхода смазочного масла МС-20 и нагарообразования, а также оценка накипеобразования в области зарубашечного пространства силовых цилиндров.

В НАТИ проведена большая работа по созданию моторной установки для испытаний масел групп Б, В, Г Была принята двухконтурная система охлаждения, оборудована система наддува, повышена прочность и жесткость основных узлов двигателя. Для выбора режима испытания и обеспечения воспроизводимости получаемых результатов предусмотрено термометрирование цилиндропоршневой группы и изучено влияние температуры и состава охлаждающей жидкости, а также нагрузки и давления наддува на тепловое состояние поршневой группы.

Существующие экспериментальные методики и аналитические методы оценки теплового и напряженного состояний рабочих и сопловых лопаток газовых турбин основаны на рассмотрении, как правило, натурной лопатки или модели, геометрически ей подобной. Весьма сложная геометрическая форма лопатки не позволяет использовать методы точного аналитического решения задач нестационарной теплопроводности и термоупругости. Вследствие этого в настоящее время анализ термонапряженного состояния лопаток газовых турбин.

При проводении на основании термометрирования весьма сложных, трудоемких и дорогостоящих экспериментах в натурных условиях либо в условиях, близких к натурным, на специальных стендах с использованием приближенных методик численных расчетов.

Большое внимание при обследовании уделяется термометрированию с помощью "черного ящика". Данное устройство состоит из микропроцессорного запоминающего устройства и термопар, вмонтированных в изделие, в котором необходимо получить температурный график во времени. В процессе нагрева запоминающее устройство фиксирует поступающий от термопар сигнал с частотой 1-60 сек. и в результате разработанная методика позволяет получить достоверную информацию о температурных полях в изделиях и их изменении во времени.

Технология термометрирования с помощью "черного ящика" является достаточно гибкой и позволяет обследовать с ее помощью широкий круг нагревательных, термических и обжиговых печей как периодического, так и непрерывного действия.

Методика обследования с помощью "черного ящика" позволяет: а) получить достоверные данные о поле температур в садке изделий, сделать вывод о влиянии конструкции печи на тепловой и температурный режимы работы агрегата;

б) определить соответствие реального температурного режима технологической инструкции;

в) выяснить причину неравномерности нагрева изделий, которая может являться возможной причиной брака;

в) составить тепловой баланс и определить качественные показатели работы теплового агрегата;

е) оптимизировать теплотехнические и технологические процессы путем выдачи рекомендаций по корректировке режимов, изменению конструкции и возможной замене оборудования печи и/или проведения работ по реконструкции.

.2 Технология расходометрии

Расходометрия заключается в измерении скорости перемещения жидкости в колонне скважины спускаемыми в нее на каротажном кабеле приборами, получившими название расходомеров. С их помощью решаются следующие основные задачи: в действующих скважинах выделяют интервал притока или поглощения жидкости интервалами строят профили притока или приемистости по отдельным участкам пласта или для пласта в целом. Различают гидродинамические и термокондуктивные расходомеры, которые по условиям измерения делятся на пакерные и беспакерные.

Измерительным элементом гидродинамического расходомера является турбинка с лопастями, расположенная в канале так, что через нее проходит поток жидкости, заставляющий ее вращаться. При вращении турбинка приводит в действие магнитный прерыватель тока, по показаниям которого определяют частоту ее вращения. Чем выше дебит, тем быстрее вращается турбинка и тем больше импульсов в единицу времени поступит в измерительный канал.

Частота импульсов преобразуется блоком частотомера в пропорциональную ей величину напряжения и по линии связи поступает на поверхность, где фиксируется регистрирующим прибором.

Применяют пакерные, с управляемым пакером и беспакерные приборы.

Пакерный прибор РГД-5 дает возможность измерять весь приток жидкости в эксплуатационной колонне нагнетательной скважины диаметром 146-168 мм. Спуск беспакерного прибора или с управляемым пакером ДГД-8 возможен также при наличии в колонне насосно-компрессорных труб диаметром 50,8-63,5 мм.

Расходометрия является одним из основных методов исследования динамики отбора и поглощения жидкости в добывающих и нагнетательных скважинах. Методы расходометрии позволяют выделить интервал притока или поглощения жидкости в действующих скважинах, выявить наличие перетока жидкости по стволу скважины, определить суммарный дебит ( расход) жидкости отдельных пластов, построить профиль притока ( приемистости) как по отдельным участкам пласта, так и для пласта в целом и провести разделение добычи жидкости из совместно эксплуатируемых пластов. Расходометрия ставится в технологических и наблюдательных скважинах ПВ для оценки фильтрационных свойств проницаемых зон в условиях заданных режимов в пределах рудовмещающего горизонта. Измерения производятся при устаноЕившемся гидродинамическом уровне на стадии возбуждения скважин (откачки, нагнетания, наливы) при двух-трех ступенях положения раствора. Необходимость дальнейшей детализации с шагом менее 1-2 м устанавливается из анализа графиков измерения расхода жидкости от глубины скважины. Перед производством расходометрии очищают стенки скважины и рабочей части фильтра от шлама и глинистого раствора. С помощью расходометрии также определяются нарушения герметичности эксплуатационных и обсадных колонн (их место, число), а также утечки растворов через образовавшиеся отверстия.

Механическая расходометрия позволяет устанавливать количество поглощаемой жидкости по пластам или их частям (интервалам), оценивать полноту участия пластов в заводнении.

Отечественная расходометрия нуждается не в отдельных, а во многих экземплярах ОРУ, которые начинают становиться принадлежностью НИИ, ОКБ, заводов. Они должны быть относительно недорогими, компактными и удобными в эксплуатации.

Механическая дебитометрия - расходометрия производится с помощью глубинных приборов с датчиком турбинного типа - свободно вращающейся вертушкой. Частота вращения вертушки пропорциональна объемному расходу жидкости. Меньшее применение получили приборы с датчиками других типов - поплавковыми, дисковыми и др. Результаты исследования механическими дебитомерами представляются в табличном и графическом видах. Таблица содержит сведения о глубине Я каждой точки измерения и дебите жидкости q в каждой точке.

Термокондуктивная дебитометрия - расходометрия основана на зависимости температуры подогреваемого термодатчика от скорости потока. Термодатчиком в приборах служит резистор, нагреваемый током до температуры выше температуры окружающей среды. К сожалению, на показания датчика влияет не только скорость потока, но и ряд других, трудно учитываемых факторов. Поэтому диаграммы термокондуктивных расходомеров используются главным образом для качественной интерпретации - выделения работающих w неработающих пластов, но не для получения количественных сведений о дебитах отдельных интервалов.

Применяемый в настоящее время весьма ограниченный комплекс геофизических исследований скважин (ГК, КС, кавернометрия, расходометрия и в отдельных скважинах ГГК) устаревшей аппаратурой, а также наземные методы электроразведки ВЭЗ и сейсморазведки МПВ в неблагоприятных геолого-технических условиях не удовлетворяют требованиям полного и объемного изучения массива горных пород. В этот комплекс входят: электромагнитная локация муфт, гамма-каротаж, термометрия, барометрия, влагометрия, расходометрия (механическая и термокондуктивная), плотностометрия.

Планирование и проведение миграционного эксперимента наиболее эффективно при осуществлении предварительных или параллельных гидрогеофизических исследований в опытных скважинах (расходометрия, резистивиметрия, термометрия), которые позволяют: дифференцировать проницаемость (трещиноватость) опробуемого комплекса по вертикали и обоснованно выбрать интервал опробования, осуществить контрольные определения естественных и опытных скоростей фильтрации в точках расположения наблюдательных скважин вести непрерывное прослеживание индикаторной волны по наблюдательной скважине.

Исключительно важными и полезными дополнениями для успешного планирования и проведения эксперимента являются гидрогеофизические исследования в опытных скважинах (расходометрия, резистивиметрия и термометрия), которые, в частности, позволяют:

) детализировать гидрогеологическое строение опытного участка. Выделить различающиеся по проницаемости профильные зоны для более обоснованного выбора опытных интервалов;

) оценить интенсивность внутрискважинных перетоков и тем самым наметить оптимальные точки отбора проб и желательную степень их дифференциации вдоль ствола скважины;

) определить направление и скорость регионального потока подземных вод, а также осуществить контрольные определения скоростей фильтрации в точках расположения наблюдательных скважин в процессе инъекции индикатора в пласт;

) вести непрерывное прослеживание индикаторной волны по наблюдательным скважинам;

) оценить гидрохимическую инерционность пьезометров.

Особое место отводится гидрогеофизическим работам в оценке качества изоляции опытных интервалов и состояния фильтров скважин.

Наконец, сочетание запусков и расходометрии не только увеличивает вероятность правильной диагностики фильтрационного процесса при откачке но и заметно повышает качество интерпретации запусков; в частности, если расходометрия наблюдательной скважины при откачке выявляет наличие интенсивных перетоков по ее стволу, то более надежно устанавливаются возможные интервалы миграции трассера.

Для решения поставленных задач применяется следующий комплекс геофизических работ: электрический каротаж КС; каротаж ПС; индукционный каротаж ИК; кавернометрия; инклинометрия; акустический каротаж АК; термометрия; токовый каротаж ТК; резистивиметрия; расходометрия; гамма-каротаж ГК; каротаж НСД (по нейтронам спонтанного деления); радиометрический промер кер-нового материала.

Таким образом, из всех приведенных выше методов определения поглощающих горизонтов наиболее приемлемыми в данное время являются следующие: метод наблюдений в процессе бурения, кавернометрия, радиоактивный каротаж, термометрия и резистивиметрия, применение электроимпульсных приборов (расходометрия), гидрогеологические наблюдения и фотографирование стенок скважин. В практике бурения геологоразведочных скважин больше используют кавернометрию, резистивиметрию, расходометрию и метод наблюдений в процессе бурения.

При осуществлении проектов по тепловому воздействию такая программа должна включать: поверхностные и глубинные термометрические измерения и исследования; геотермические исследования скважин и пластов; замеры притоков нефти, воды, газа и поступления песка; замеры уровней и пластовых давлений; глубинная расходометрия и влагометрия (профили приемистости пласта и притока); химические и физико-химические исследования продукции скважин. Гидродинамические методы выполняются с остановкой бурения и основаны на измерении расхода раствора.

От перепада давления в системе скважина - пласт при доливе, нагнетании раствора в скважину (пласт) или отборе его из пласта. К гидродинамическим методам относятся опрессовка ствола скважины или отдельных интервалов, расходометрия. исследование при кратковременных установившихся отборах или нагнетаниях (различных) раствора, прослеживание за изменением положения уровня жидкости в скважине. Установка ЛСК-01 предназначена для выполнения гидродинамических исследований скважин приборами с местной регистрацией и проведения ремонтных работ с помощью инструмента, спускаемого на проволоке. По заявке потребителей (заказчиков) завод может поставлять лебедку с понижающим редуктором для производства глубинного расходометрия.

Комплекс геофизических исследований выбирается исходя из поставленных проектом разработки задач с учетом геологического строения залежи, конструкции скважин на данном месторождении и режима их эксплуатации. В этот комплекс входят: электромагнитная локация муфт, гамма-каротаж, термометрия, барометрия, влагометрия, расходометрия (механическая и термокондуктивная), плотностометрия. Причем в зависимости от поставленной проектом задачи эти исследования могут быть выполнены на двух - пяти режимах работы скважины при различных депрессиях на пласт.

Информативность одиночных опробований несколько повышается при параллельном использовании гидрогеофизических методов. Так, расшифровке результатов одиночных откачек в многослойных толщах, в закарстованных или неравномерно трещиноватых породах способствует расходометрия скважин. Расходомерами определяют распределение расхода потока по стволу скважины при откачке, а также в естественных (не нарушенных опробованием) условиях. По данным таких измерений строится эпюра расходов воды, протекающей по стволу скважины, а их изменение в пределах того или иного участка определяет собой приток к скважине AQ - в пределах этого участка. Интерпретация таких данных позволяет оценить фильтрационную неоднородность опробуемого пласта (или системы пластов) по вертикали. Эффективно использование расходометрии и для оценки изменения сопротивления прискважинной зоны вдоль рабочей части (фильтра) скважины.

Появление менеджеров по бизнес-направлениям положительно отразилось на работе завода. Было передано на пользующиеся спросом исполнения большое количество механизмов, тем самым ликвидированы запасы на складе готовых изделий. Поэтапная модернизация предусматривает как повышение качества сборки и надежности работы прибора при эксплуатации, так и расширение потребительских характеристик контроллера. Это направление полностью курирует продуктовый директор по промышленным контроллерам. Отмечены результаты работы бизнес-единицы.

Геофизические наблюдения - измерение в скважинах физических полей, обусловленных захоронением отходов. Измерение радиоактивных излучений - гамма-каротаж позволяет устанавливать распределение гамма-излучающих радиоактивных нуклидов.

Бета-каротаж позволяет определять также непрерывно по разрезу активность жидкости в скважине без подъема проб на поверхность. Термометрия (или термокаротаж) позволяет контролировать изменение температуры из-за радиогенного тепловыделения отходов и их возможное вертикальное перераспределение.

Резистивиметрия позволяет определить солесодержание жидкости в скважине, расходометрия - профиль поглощения жидкости по разрезу пласта-коллектора

5. Контроль за работой наземного и скважинного оборудования на стадии эксплуатации

5.1 Технология измерения динамического уровня, дебита при эксплуатации скважин

Дебит - это главная характеристика скважины, которая показывает, какое максимальное количество воды она может дать в единицу времени. Дебит измеряется в м3/час, м3/день, л/мин. Чем больше дебит скважины, тем выше её производительность, тем более производительный насос можно использовать для подачи воды. Для определения дебита скважины потребуется высокопроизводительный насос и, желательно, большая мерная ёмкость для выкаченной воды. Для исследования глубиннонасосных скважин применяют специальные глубинные манометры - лифтовые, которые устанавливают под насосом. Такие манометры спускают в скважины на трубах вместе с насосом. Часовой механизм манометра заводится на длительное время (до 10 суток и более). За этот период проводят весь цикл исследования скважины.

Исследование насосной скважины с непосредственным замером забойных давлений глубинным манометром связано с остановками скважины и потерей добычи нефти. Поэтому такие исследования насосных скважин проводят в исключительных случаях: при необходимости определения пластовых давлений в различных частях залежи.

Для построения карт изобар или для разовой проверки данных, полученных при исследовании скважин другими методами.

В большинстве случаев Технология измерения динамического уровня, дебита при эксплуатации скважин при исследовании глубиннонасосных скважин находят зависимость "дебит - динамический уровень <#"887364.files/image002.jpg">

Рисунок 2 - Схема эхометрической установки.

Эхолот состоит из пороховой хлопушки 1, представляющей собой тройник из сваренных под углом двух цельнотянутых труб. Открытый конец прямой трубы (колена хлопушки), на который навинчен конус, при помощи резиновой трубки герметично вставляется в отверстие планшайбы на устье скважины. В верхнем конце этой прямой трубы имеется ударник - устройство для возбуждения взрыва пороха, заряд которого помещен в специальной гильзе. В средней части трубы находится пламегаситель 2, представляющий собой металлическую шайбу с мелкими отверстиями, которая, понижая температуру пороховых газов, предотвращает взрыв газовой среды в межтрубном пространстве скважины. Выстрел производят ударом руки по ударнику.

В другой трубе, приваренной под углом к прямой трубе, помещен термофон 3. Это вольфрамовая нить, по которой протекает постоянный электрический ток силой 0,2-0,3 А, нагревающий ее до температуры 100°С. Термофон получает питание от батарейки напряжением 3-6 В. Звуковые импульсы, воздействуя на вольфрамовую нить, вызывают изменение ее температуры, в результате чего изменяется сила тока в цепи термофона. Это изменение силы тока в цепи термофона передается через усилитель 4 регулятору 5, который фиксирует соответствующие пики на диаграмме 6, движущейся с постоянной скоростью от электромоторчика 7. Эхолот питается от сети напряжением 220 В.

При создании взрыва в хлопушке звуковая волна распространяется по стволу скважины со скоростью звука, отражается от уровня жидкости и снова возвращается к устью скважины, где улавливается термофоном.

Так как определение скорости распространения звука в газовой среде скважины связано со значительными техническими трудностями, на колонне насосных труб устанавливают отражатели звука - реперы, расстояние от которых до устья скважины предварительно точно измеряют.

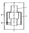
Репер (рисунок 3) представляет собой патрубок длиной 300-400 мм, который приваривают к верхнему торцовому концу муфты насосной трубы и спускают в скважину ближе к уровню жидкости, но так, чтобы он не мог оказаться под уровнем.

- насосная труба; 2 - репер; 3 - стопорный винт; 4 - обсадная колонна.

Рисунок 3 - Схема установки репера.

Рисунок 4 - Типовая эхограмма.

По времени прохождения звуковой волны до репера (что фиксируется на эхограмме) определяют скорость звука в скважине и по ней уже находят глубину стояния динамического уровня.

Лента прибора движется с постоянной скоростью, равной 100 мм/с, и по измеренному расстоянию между пиками (отражение волн рисуется на эхограмме в виде пик) можно определить время прохождения звука до репера и до уровня (рисунок 4).

.2 Технология отбора проб

Таблица 1- Методы отбора проб

Применение

Тип тары

Процедура

Жидкости с давлением паров  по Рейду более чем 13,8 кПа  и не более чем 101 кПа  (14,7 фунт/кв. дюйм -  psia) [3]

Резервуары для  хранения, судовые/  баржевые танки,  автоцистерны, ж/д  цистерны

Отбор проб  бутылкой

Жидкости с давлением паров  по Рейду 101 кПа (14,7 psia) и менее

Резервуары для  хранения с кранами  для слива

Отбор проб  желонкой.  Отбор пробы  из крана

Донный отбор жидкостей с  давлением паров по Рейду  13,8 кПа (2 psia) или менее

Резервуары для  хранения с кранами  для слива

Отбор проб  из крана

Жидкости с давлением паров  по Рейду 101 кПа (14,7 psia) или менее

Трубопроводы или  линии

Отбор проб  из линии

Жидкости с давлением паров  по Рейду 13,8 кПа (2 psia)  или менее

Резервуары для  хранения, суда,  баржи

Отбор проб  бутылкой

Жидкости с давлением паров  по Рейду 13,8 кПа (2 psia)  или менее

Свободно или открыто выгружающийся поток

Отбор проб  черпаком

Жидкости с давлением паров  по Рейду 13,8 кПа (2 psia)  или менее

Цистерны, бочки,  канистры

Отбор проб  с помощью  трубки

Отбор со дна или желонкой  жидкостей с давлением паров  по Рейду 13,8 кПа (2 psia)  или менее

Автоцистерны,  резервуары для  хранения

Отбор проб  желонкой


"Проба - это порция продукта, извлеченная из общего объема продукта, содержащая или не содержащая компоненты в тех же пропорциях, которые присутствуют в общем объеме".

5.3 Технология борьбы с осложнениями в скважинах

К основным осложнениям при эксплуатации скважин относятся: отложения парафина, отложения солей, отложения смол и асфальтенов, вынос песка из пласта, прорыв воды.

Отложения парафина на стенках НКТ, устьевой арматуре приводит к снижению производительности скважины.

В результате парафинизации внутренних стенок труб уменьшается их внутреннее сечение. Запарафинирование поверхностных коммуникаций приводит к удорожанию внутрипромысловой перекачке нефти.

Борьба с отложениями парафина введется следующими способами:

) Механическим, при котором парафин со стенок труб периодически удаляется специальными скребками и выносится струей на поверхность. В скважину, оборудованную ЭЦН, скребки опускают на проволоке в НКТ. В скважинах оборудованных ШГН применяют непрерывную очистку труб скребками, устанавливаемыми на штангах.

) Применение НКТ, с гладкой внутренней поверхностью (покрытие внутренней поверхности эмалями, лаками, стеклом).

) Тепловым, при котором скважина промывается парами или горячей нефтью (закачка в затрубное пространство, при этом парафин расплавляется и выносится потоком из скважины по НКТ). Для получения водяного пара используют ППУ, для нагретой нефти - агрегат депарафинизации передвижной АДН.

) Химический - впрыск в поток пластовой жидкости ингибиторов, предотвращающих кристаллизацию парафина в НКТ и их закупорку - ингибитор ХТ-48.

) Закачка ПАВ (водо- и нефтерастворимые поверхностно-активные вещества).

) Закачка растворителей (бензин, толуол, керосин),

) Физический - применение магнитного поля (увеличивает число центров кристаллизации в потоке и предотвращает отложения парафина).

5.3.1 Отложения парафина

Часто встречающимся осложнением при работе фонтанных скважин является выпадение из нефти парафина, солей, вынос песка, прорывы газа.

По содержанию парафина нефти принято делить на три класса:

- беспарафинистая (содержит менее 1% парафина по массе); 2 -слабопарафинистая (содержит 1-2% парафина по массе); 3 - парафинистая (содержит более 2% парафина по массе).

Безводная девонская нефть Чекмагушевского нефтяного месторождения,например, содержит от 3,7 до 5,5% парафина: пласт Д1 - 5%, пласт Дп - 6%,турнейский - 1,9%, угленосный - 3,7%. Месторождения содержат 15-20% парафина.

Добыча нефти при наличии в ней парафина осложняется выпадением парафиновых отложений в трубах, затрубном пространстве, в выкидных линиях, в резервуарах.

Парафиновые отложения состоит из парафина, нефти, смолистых компонентов нефти, а также воды, твердых частиц, глины и песка.

В условиях Башкирии затраты на депарафинизацию промыслового оборудования составляют около 10% от себестоимости добываемой нефти.

Начало отложения парафина отмечается на глубине 800-900 м. Наибольшие отложения наблюдаются примерно на глубине 100-200 м.

Фонтанный лифт диаметром 73 мм при дебите скважины 75 т/сут. Полностью запарафинивается примерно за пять суток. За это время в лифте скапливается более 1000 кг парафина. Средний дебит скважины при этом снижается до 50 т/сут.

Рассмотрим некоторые факторы, влияющие на выпадение парафина из нефти. В пластовых условиях парафин обычно находится в растворенном состоянии. При снижении давления и температуры нарушается первоначальное физико-химическое равновесие. В результате начинает выделяться из раствора парафин в виде мельчайших кристаллов, которые сначала находятся в нефти во взвешенном состоянии, а впоследствии осаждаются на твердых поверхностях оборудования.

Выпадению парафина способствует снижение температуры в лифте. Температура начала кристаллизации парафина для месторождений Татарии Башкирии находится в пределах 15-35 градусов С. Снижение температуры в лифтовых трубах происходит в связи с выделением газа из нефти, которое обусловлено в свою очередь снижением давления по мере перемещения частиц газа в нефти от забоя скважины к устью, а также при снижении устьевого давления.

Метод борьбы с парафином, в основу которого положено свойство парафина прилипать только к шероховатым поверхностям. Группой ученых объединения "Башнефть" и НГДУ "Чекмагушнефть", институтов "УралНИТИ" и "ОФ ВНИИКанефтегаз" были разработаны рецептуры материалов и созданы установки для их нанесения на внутреннюю поверхность насосно-компрессорных труб. Были испытаны поверхности, выполненные из стекла, эмали, эпоксидной смолы. Свойство покрытий различны: стекло температуростойко, кислотоупорно, но хрупко. Вследствие больших нагрузок, действующих на насосно-компрессорные трубы в скважине и разных величин деформаций металла и стекла, стекло отделяется от труб, осыпается, образуя стеклянные пробки.

Эмаль более прочна, чем стекло, стойка к агрессивным жидкостям, но также разрушается при механическом воздействии. Следует сказать, что процесс нанесения стекла и эмали требует нагрева трубы до 700оС и выше, что вызывает изменения в структуре металла и ведет к снижению прочности.

Следует упомянуть и метод борьбы с парафином, заключающийся в периодическом соскабливании его с поверхности НКТ. Для этой цели была создана целая система, состоящая из скребков переменного сечения, опускаемых в НКТ на проволоке специальной лебедкой, программного реле времени и концевых выключателей.

Конструктивно скребки были выполнены так, что при движении вниз они уменьшали свой диаметр, что обеспечивало им свободной проход даже при наличии на стенках труб отложений парафина. При подъеме же они увеличивали диаметр и срезали парафин.

Скребки в некоторых нефтяных районах применяются и в настоящее время. Очистка устьевой арматуры, а также труб от парафина производится парафинизационным передвижным агрегатом, представляющим собой автомобиль, на котором установлен нагреватель.

5.3.2 Отложения солей

Интенсификация процессов добычи путем заводнения нефтяных пластов позволяет резко увеличить нефтедобычу, однако наблюдаемое при этом опреснение пластовых вод приводит, на ряде месторождений, к образованию гипсовых отложений.

Образование отложений неорганических солей происходит в скважинах, нефтепромысловом оборудовании, системе сбора, подготовки нефти и воды, а также в призабойной зоне пласта. По преимущественному содержанию в отложениях неорганических солей определенного вида выделяются две группы солей: карбонатные и сульфатные.

Самым распространенным видом отложений неорганических солей являются осадки, содержащие в основном сульфат кальция (60-80%) и карбонаты кальция и магния (5-16%). Влага и углеводородные соединения составляют 7-27%. При определенных условиях каждая молекула сульфата кальция связывает две молекулы воды, в результате чего образуются кристаллы гипса, поэтому такие осадки называют гипсовыми отложениями. Если при этом в составе осадков содержится более 15% твердых и тяжелых углеводородных соединений нефти, то они классифицируются как гипсоуглеводородные отложения.

В составе отложений в виде примесей присутствуют до 0,5-4,0% окислов железа и до 0,5-3,0% кремнезема, наличие которых объясняется коррозией оборудования и выносом песчинок жидкостью в процессе эксплуатации скважины.

Изучение структуры позволяет выделить три вида осадков.

. Плотные микро и мелкокристаллические осадки. В поперечном сечении таких осадков не удается выделить отдельные слои, поскольку отложения представлены сравнительно однородными кристаллами длиной до 5 мм с равномерным включением твердых углеводородов. В ряде случаев такие осадки имеют накипеобразный характер.

. Плотные осадки с преобладанием кристаллов гипса средних размеров 5-12 мм с включением твердых и жидких углеводородов. При поперечном срезе образца отложений хорошо различим слой мелкозернистого осадка толщиной 3-5 мм в пристенной части, затем прослеживается слой среднекристаллического осадка призматического или игольчатого строения. В этом слое преобладают кристаллы длиной 5-12 мм. В наружном слое пространство между средними и крупными кристаллами заполнено более мелкими.

. Плотные крупнокристаллические осадки. Крупные игольчатые кристаллы гипса образуют каркас. Между крупными кристаллами гипса длиной 12-25 мм находятся более мелкие кристаллы солей и углеводородные соединения. В некоторых случаях в насосно-компрессорных трубах (НКТ) нет сплошных отложений гипса, а осадок представлен в виде одиночных друз кристаллов длиной 20-27 мм с включением у их оснований мелких

Методы предотвращения солеобразований

Для удаления солей применяют различные способы в зависимости от характера солевых отложений, места отложения неорганических солей и их состава. Для ликвидации отложений солей в обсадной колонне применяют механический способ - разбуривание солевых пробок с последующей дополнительной перфорацией в интервале продуктивного пласта.

На промыслах России и за рубежом широко используют химические способы удаления солей. Нередко различные способы используются одновременно для обеспечения более полного удаления солей. Отложения сульфата бария удаляются, как правило, механическим способом. Поэтому в каждом случае, в зависимости от состава солевых отложений, необходимо выбирать соответствующие методы и реагенты, чтобы обеспечить наибольшую эффективность проводимых обработок.

Для удаления гипса наибольшее распространение получили следующие реагенты: водный раствор едкого натра (каустической соды), водные растворы соляной кислоты с добавкой хлористого натрия или хлористого аммония, водные растворы углекислого натрия (кальцинированной соды).

На скважинах НГДУ "Чекмагушнефть" наблюдалось отложение солей в призабойной зоне.

Это наиболее ярко проявилось при испытании ингибиторов, в тщательно оборудованных для постоянной подачи ингибитора скважинах. Хвостовики были спущены до интервала перфорации, ингибитор подавали постоянно с помощью дозировочных насосов, работа которых находилась под постоянным наблюдением. Тем не менее, через 3-4 месяца эксплуатации дебит скважин начал снижаться. Подъем оборудования и его ревизия показали полное отсутствие отложений солей на поверхности оборудования. После проведения обработок призабойной зоны продуктивность скважин была восстановлена.

Бывают случаи солепроявления за счет неправильного прорыва вод различного состава к забою скважины.

Таким образом, даже при должной организации работ по предупреждению отложений солей не исключается необходимость в периодическом проведении работ по удалению отложения неорганических солей. Эффективность действия каждого реагента оценивают по скорости растворения образцов, причем исследования проводят при различных температурах (от -7 до +80оС) и различной концентрации исходного раствора реагента (от 5 до 35 массовых долей % ).Из всех испытанных реагентов для удаления гипса наиболее эффективен и технологичен 20-25%-ый раствор едкого натра. Солянокислотная обработка эффективна только тогда, когда в составе отложений в большем количестве присутствуют карбонаты. Для повышения эффективности обработок рекомендуется применение стимуляторов растворения осадков.

5.3.3 Механические примеси

Механические примеси, содержащиеся в откачиваемой глубинным насосом жидкости, не только приводят к абразивному износу самого насоса и оборудования, но могут привести к сложным авариям. При остановках насоса механические примеси осаждаются из жидкости и накапливаются над насосом, попадают в зазор между плунжером и цилиндром и заклинивают плунжер.

Конструкция штангового насоса следующая. Плунжер в верхней своей части жестко закрепляется с одной или несколькими полыми штангами, которые наглухо закрыты и соединены с колонной обычных штанг. На полых штангах смонтированы кольцевые наклонные полки-пескоприемники. Над полками выполнены отверстия, через которые добываемая насосом жидкость из плунжера поступает в подъемные трубы. Полки-пескоприемники выполнены, во-первых, наклонными и, во-вторых, каждая нижерасположенная полка имеет несколько больший диаметр кольца, чем вышерасположенная. Такое конструктивное расположение полок обеспечивает равномерное заполнение механическими примесями межполочных объемов при остановках насоса и снижает гидромеханическое сопротивление потоку жидкости при выходе из плунжера и поступлении в подъемные трубы.

Кроме того, при последующем запуске насоса в работу осевший в межполочных объемах песок полностью выносится из них под действием струи жидкости из отверстий.

Наклон полок-пескоприемников позволяет обеспечить лучшие условия смыва механических примесей при любой производительности насоса, сократить общее число полок.

6. Профилактика и безопасность условий труда на нефтяных и газовых месторождениях

нефтяной месторождение скважина расходометрия

6.1 Промышленная безопасность на предприятии или в цехе

Персонал производственных объектов в зависимости от условий работы и принятой технологии производства должен быть обеспечен соответствующими средствами коллективной защиты. Каждый производственный объект, где обслуживающий персонал находится постоянно, необходимо оборудовать круглосуточной телефонной (радиотелефонной) связью с диспетчерским пунктом или руководством участка, цеха, организации.

На рабочих местах, а также во всех местах опасного производственного объекта, где возможно воздействие на человека вредных и (или) опасных производственных факторов, должны быть предупредительные знаки и надписи.

Рабочие места, объекты, подходы к ним, проходы и переходы в темное время суток должны быть освещены.Искусственное освещение должно быть выполнено в соответствии с установленными нормативами и, кроме особых случаев, оговоренных настоящими Правилами, обеспечить установленный санитарными нормами уровень освещения. Замеры уровня освещенности следует проводить перед вводом объекта в эксплуатацию, после реконструкции помещений, систем освещения, а также ежегодно на рабочих местах.

В производственных помещениях, кроме рабочего, необходимо предусматривать аварийное освещение, а в зонах работ в ночное время на открытых площадках аварийное или эвакуационное освещение.

Светильники аварийного (эвакуационного) освещения должны питаться от независимого источника. Вместо устройства стационарного аварийного (эвакуационного) освещения допускается применение ручных светильников с аккумуляторами.

Выбор вида освещения производственных объектов и вспомогательных помещений должен производиться с учетом максимального использования естественного освещения.

Расстояние между отдельными механизмами должно быть не менее 1 м, а ширина рабочих проходов - 0,75 м. Для передвижных и блочно-модульных установок и агрегатов ширина рабочих проходов допускается не менее 0,5 м.

Объекты, для обслуживания которых требуется подъем рабочего на высоту до 0,75 м, оборудуются ступенями, а на высоту выше 0,75 м лестницами с перилами. В местах прохода людей над трубопроводами, расположенными на высоте 0,25 м и выше от поверхности земли, площадки или пола, должны быть устроены переходные мостики, которые оборудуются перилами, если высота расположения трубопровода более 0,75 м.

Маршевые лестницы должны иметь уклон не более 60° (у резервуаров не более 50°), ширина лестниц должна быть не менее 65 см, у лестницы для переноса тяжестей не менее 1 м. Расстояние между ступенями по высоте должно быть не более 25 см. Ступени должны иметь уклон вовнутрь 2-5°С обеих сторон ступени должны иметь боковые планки или бортовую обшивку высотой не менее 15 см, исключающую возможность проскальзывания ног человека. Лестницы должны быть с двух сторон оборудованы перилами высотой 1 м.

Лестницы тоннельного типа должны быть металлическими шириной не менее 60 см и иметь, начиная с высоты 2 м, предохранительные дуги радиусом 35-40 см, скрепленные между собой полосами. Дуги располагаются на расстоянии не более 80 см одна от другой. Расстояние от самой удаленной точки дуги до ступеней должно быть в пределах 70-80 см.

Лестницы необходимо оборудовать промежуточными площадками, установленными на расстоянии не более 6 м по вертикали одна от другой.Расстояние между ступенями лестниц тоннельного типа и лестниц-стремянок должно быть не более 35 см.

Рабочие площадки на высоте должны иметь настил, выполненный из металлических листов с поверхностью, исключающей возможность скольжения, или досок толщиной не менее 40 мм и, начиная с высоты 0,75 м, перила высотой 1,25 м с продольными планками, расположенными на расстоянии не более 40 см друг от друга, и борт высотой не менее 15 см, образующий с настилом зазор не более 1 см для стока жидкости.

На площадках обслуживания, выполненных до выхода настоящих Правил. Допускается просверливание отверстий диаметром не менее 20 мм по периметру настила площадки при расстоянии между отверстиями не менее 250 мм.

Работы, связанные с опасностью падения работающего с высоты, должны проводиться с применением предохранительного пояса.

Предохранительные пояса и фалы следует испытывать не реже двух раз в год статической нагрузкой, указанной в инструкции по эксплуатации завода-изготовителя, специальной комиссией с оформлением акта. При отсутствии таких данных в инструкции по эксплуатации испытание следует проводить статической нагрузкой 225 кгс в течение пяти минут.

Для пожаровзрывоопасных производств (установки подготовки нефти, резервуарные парки и т.п.) применение деревянных настилов запрещается.Допускается временное применение деревянных настилов из досок толщиной не менее 40 мм при ведении работ с лесов во время ремонта полностью остановленных оборудования и аппаратов, зданий и сооружений.

Все потенциально опасные места объектов нефтегазодобычи (открытые емкости, трансмиссии и т.п.) должны иметь ограждения, закрывающие доступ к ним со всех сторон.

Открывать дверцы ограждений или снимать ограждения следует после полной остановки оборудования или механизма. Пуск оборудования или механизма разрешается только после установки на место и надежного закрепления всех съемных частей ограждения.

Высота перильных ограждений должна быть не менее 1,25 м (для приводных ремней не менее 1,5 м), высота нижнего пояса ограждения должна равняться 15 см, промежутки между отдельными поясами должны составлять не более 40 см, а расстояние между осями смежных стоек не более 2,5 м.

При использовании перильных ограждений для приводных ремней с внешней стороны обоих шкивов на случай разрыва ремня устанавливаются металлические лобовые щиты.

Допускается использование перильных ограждений для закрытия доступа к движущимся частям оборудования и механизмов, если имеется возможность установки ограждений на расстоянии более 35 см от опасной зоны. При отсутствии такой возможности ограждение должно быть выполнено сплошным или сетчатым.

Высота сетчатого ограждения движущихся элементов оборудования должна быть не менее 1,8 м. Механизмы высотой менее 1,8 м ограждают полностью. Размер ячеек сеток должен быть не более 30x30 мм. Сетчатое ограждение должно иметь металлическую оправу (каркас).

.2 Экологическая безопасность на предприятии или в цехе

Весь промышленный комплекс Чекмагушевского месторождения представляет серьезную экологическую опасность. Технологическое оборудование, сырье, а также химические вещества, используемые в технологическом процессе, в любой момент могут оказаться в окружающей среде. При авариях возможно возникновение взрывов, пожаров и загрязнение территорий химическими опасными веществами. Характерными причинами аварий могут являться нарушения режимов нормальной эксплуатации технологических линий, повреждение оборудования, нарушение герметичности емкостей хранения химических реагентов, газового конденсата и т. д. При авариях в основном загрязняется атмосферный воздух, почвенный покров, опасности также подвергается обслуживающий персонал и население близлежащих территорий.

Анализ экологической безопасности показал, основную угрозу для окружающей среды на Чекмагушевском месторождении представляют:

местная котельная, использующая в качестве топлива попутный добываемый газ;

факельная установка по сжиганию газа, полученного при очистке пластовой воды;

промливневые стоки.

Технический же процесс промышленной подготовки нефти и газа полностью исключает сбросы или выбросы загрязняющих веществ в окружающую среду, так как полностью герметизирован и автоматизирован.

.3 Котельная как источник выбросов

Котельная используется для местного отопления производственных помещений в холодный период времени.

В качестве сырья используют газ. При сжигании газа образуются вредные вещества, такие как оксиды азота, двуокись серы, сероводород и углекислый газ. Газ, поступающий на котельную, подвергается предварительной очистке в технологическом процессе. Но полностью избавить газ от вредных примесей невозможно, можно только снизить концентрацию вредных веществ до минимума.

Котельная Чекмагушевского месторождения располагается в южной части технологического комплекса и огорожена забором. Место под строительство котельной выбрано с учетом розы ветров (преобладание северных ветров) и рельефа местности (на возвышенности). Организована санитарно-защитная зона с радиусом 150 м.

Предлагаемые мероприятия по снижению воздействия на окружающую среду

С целью уменьшения влияния вредных выбросов газовой котельной на окружающую среду возможно применение следующих мероприятий:

посадка в санитарно-защитной зоне лесополос с газоустойчивыми деревьям и кустарникам (боярышник обыкновенный, смородина золотистая, клен ясенелистный, клен татарский и т.д.), а так же деревьям с высокими пылезащитными свойствами (вяз гладкий, ясень остролистый, можжевельник и т.д.);

увеличение высоты трубы котельной до нескольких десятков метров, что обеспечит более эффективное рассеивание веществ в атмосферном воздухе.

Санитарно-технические:

объединение мелких источников в единый источник одной аспирационной сетью;

установка газоочистного оборудования, снижающего концентрации вредных веществ в выбросах на основе процессов: адсорбции, каталитического сжигания. Например, применение мокрого скруббера, угольного адсорбера, печей сжигания, системы нейтрализации отработавших газов и так далее.

Эти мероприятия должны существенно снизить вредное воздействие выбросов котельной на природу и человека.

.4 Факельные установки по сжиганию газа

Газ, выделяющийся при очистке пластовой воды, направляется на утилизацию в факельные системы.

Похожие работы на - Геологическое строение и разработка Чекмагушевского нефтяного месторождения

 

Не нашли материал для своей работы?
Поможем написать уникальную работу
Без плагиата!
Без нейросетей!