Сверхвысокочастотный нагрев
Введение
В настоящее время значительно повысилось внимание к исследованию
наноразмерных элементов, в частности, наночастиц разнообразных металлов. В
основном это связано с тем, что наноразмерные объекты имеют различия с
макрообъектами своими свойствами. Это привело к раскрытию новых возможностей
применения наночастиц для производства новейших материалов с другими
физическими и химическими свойствами, которые находят все большее применение в
разнообразных сферах техники и науки.
Разработано немалое количество методов синтеза
наноразмерных частиц. Совершенно все методы получения наноструктурированных
материалов можно разделить на два крупных класса - химические и физические, так
как большинство этих методов не выходят за рамки лабораторных изысканий то масса
производимых наночастиц незначительна, что сказывается на их внедрении в
промышленность.
Исходя из этого, первостепенной задачей является разработка методов
производства наноразмерных частиц с требуемыми свойствами и в масштабах,
применяемых в промышленности.
Наиболее перспективным способом изготовления коллоидных растворов
наноразмерных частиц меди является метод химического восстановления при
воздействии сверхвысокочастотного электромагнитного поля.
Использование сверхвысокочастотного нагрева в первую
очередь связано с тем, что такой нагрев отличается от классических методов и
имеет ряд преимуществ:
высокое качество нагревания раствора, как за счет
равномерного тепловыделения, так и в результате быстроты процесса, отсутствии в
процессе термической обработки загрязнения материала;
усиление процесса нагрева за счет объемного нагрева
из-за проникновения электромагнитной волны вглубь раствора;
точность в управлении технологического процесса за
счет возможности точного дозирования сверхвысокочастотного электромагнитного
поля;
снижение вредоносного влияния на окружающую среду и
улучшение условий труда обслуживающему персоналу [1].
Все эти преимущества приведут к тому, что сверхвысокочастотное
электромагнитное излучение обеспечивает стремительное и равномерное нагревание
всей массы реакционного материала, что приведет к однородности в условиях
нуклеации и роста зародышей и, в конечном итоге к получению наночастиц
минимального размера и однотипной конфигурации.
Основываясь на вышеизложенном, можно заключить, что целью данной работы
будет разработка технологического процесса и оборудования для синтеза
наночастиц меди из растворов солей в СВЧ электромагнитном поле в промышленных
масштабах.
Глава 1. Наноматериалы: технология получения, свойства и получение
наночастица
электромагнитный медь микроволновый
1.1 Основные понятия в нанотехологиях
В последние годы нанотехнология становится одной из наиболее важных и
перспективных областей знаний в физике, биологии, химии и технических науках.
Нанотехнология уже обеспечивает новые направления в технологическом развитии в
различных сферах деятельности человека. Основной принцип развития
нанотехнологии базируется на понимании того, что частицы имеющие размеры менее
100 нм, а точнее от 1 до 100 нм, придают материалам и веществам совершенно иные
свойства, что в свою очередь позволяет создавать материалы с различными
свойствами[2].
Так называемые наночастицы - это мельчайшие структуры, размером не больше
одной миллионной метра. Форма наночастиц зависит от методов получения, они могут
иметь гексагональную, сферическую, игольчатую, хлопьевидную, форму, аморфную
или мелкокристаллическую структуру. Вследствие того, что они состоят из около
ста или меньшего количества атомов, в основном это материалы из зерен или
монокристаллы, их свойства отличаются от свойств атомов связанных в объемном
веществе.
В настоящий момент в научно-технической литературе еще не определили
точные различия между терминами «кластер», «наночастица» и «квантовая точка». В
основном термин «кластер» применим к частицам с небольшим числом атомов, термин
«наночастица» относят для более крупных атомов, чаще всего он применяется для
описания свойств углерода и металлов. «Квантовой точкой» обычно называют
частицы островков или проводников, квантовые ограничения которых (носителей
зарядов или экситонов) влияют на их свойства.
В литературе присутствует достаточно условная классификация кластеров
атомов на основании размера и их связи между размероми частиц и количествами
составляющих их атомов. Считают, что у неорганической молекулы имеется до 10
атомных кластеров, у наночастицы - до 105 атомных кластеров, а у объемного
материала - более 105.
Данное определение в основе которого лежат только размеры атомных
кластеров не совсем приемлемо, поскольку не учитывает различий между наночастицами
и молекулами. Большинство молекул состоят из более 25 атомов, а особенно
молекулы биологического происхождения. Почти не представляется возможным
обусловить четкую грань между ними. Потому как их можно создать, и дроблением
объемного материала и посредством сборки атомов. Размеры у наночастиц меньшие
чем критические длины, характеризующиеся множеством физических явлений, и
придают им уникальные свойства. Большинство физических свойств определяется
отдельной критической длиной и специфическим расстоянием тепловой диффузии, или
длиной рассеивания.
Электропроводность металлов зависит, в основном от расстояния, которое
проходит электрон между двумя соударениями колеблющихся атомов или атомов
примесей в твердом теле, а именно расстоянием средней длины свободного пробега,
или свойственная им длина рассеяния. Если размер у частиц меньше расстояния
средней длины свободного пробега, то вполне вероятно появление новых, а то и
иных физических и химических свойств [3].
.2 Методы получения наночастиц
В настоящее время известны десятки различных методов создания
наноструктурированных материалов. Имеющиеся методы получения наноструктур
условно разделяют на два основных класса - это физические и химические методы.
Выбор методов получения наночастиц определяют сферой их применения, нужным
набором свойств и выбором характеристик конечного продукта. Форма наночастиц,
содержание примесей, гранулометрический состав, величина удельной поверхности и
содержание примесей колеблются в зависимости от методов получения в наночастиц
в широких пределах.физическим способам получения наночастиц металлов относят
методы, с использованием газовых испарений, низкотемпературной плазмы,
молекулярных пучков, электровзрыв, катодного распыления, механическое
диспергирование в его различных вариантах, ударные волны, электровзрыв,
лазерную электродисперсию, сверхзвуковые струи [3].
Методы химического получения наноматериалов охватывают различные реакции
и процессы, в том числе процессы газофазной химической реакции, процессы
осаждения, пиролиза или термического разложения, восстановления,
электроосаждения или гидролиза. Регулировка образования и скорости роста
зародышей новой фазы осуществляют с помощью изменений соотношения количеств
реагентов, степени пресыщения, температуры процесса. В основном, химические
методы многостадийны, и включают в себя некий набор из вышеперечисленных
процессов [3].
.2.1 Метод испарения металла
Метод испарения металла - это процесс, основанный на сочетании испарения
металла в потоке инертного газа c последующей конденсацией в камере,
находящийся при определенной температуре. Испарение металла происходит при
помощи низкотемпературной плазмы, молекулярных пучков, газового испарения,
катодного распыления, ударной волны, электровзрыва, лазерной электродисперсии,
сверхзвуковой струи и различных методах механического диспергирования.
Сначала вещество испаряют, используя подходящие методы нагрева. Далее
пары вещества смешивают с потоком с инертного газа. В основном применяют аргон
или ксенон. После этого полученную паро-газовую смесь обращают на подложку
(поверхность образца), предварительно охлажденную до температуры 4-77 К. При
чем образование наночастиц на поверхности образца является неравновесным
процессом и зависит от ряда факторов: температуры охлаждаемого образца, степени
разбавления с инертным газом, скорости достижения поверхности образца, скорости
конденсации и т.д. Полученные наночастицы методом конденсации нескольких
веществ на охлаждаемой поверхности позволяет легко вводить в их состав разные
добавки. А в процессе контролируемого нагрева, повышая подвижность наночастиц,
создавать новые и необычные химические синтезы [3].
.2.3 Метод термического разложения в растворе
В настоящее время этот способ применяется способ получения нанопорошков с
размером частиц в пределах 20-300 нм. Наиболее изученными на сегодняшний день
является термическое разложение соединений на основе азидов, оксалатов,
перхлоратов, стифнатов, перманганатов, карбонатов, гидратов, цитратов,
ацетатов, гидроксидов, алкоголятов. Процесс получения нанопорошков включает в
себя следующие реакции - термолиз, окисление и гидролиз. К преимуществам
данного метода следует отнести низкую температуру процесса, малые реакционные
объемы, отсутствие трудоемких и неэффективных способов промывки и фильтрования
готовых продуктов, регулируемую дисперсность и высокую чистота получаемого
порошка.
Недостатками являются сложность контроля и регулирования размеров частиц
при одновременном конкурентном протекании процессов разложения исходного
соединения и спекание частиц конечного продукта под воздействием температуры.
Тем более что получаемые этим методом порошки отличаются высокой химической
активностью [4].
.3 Свойства наночастиц
Основные изменения свойств наноматериалов и наночастиц происходят в
диапазоне размеров кристаллитов в пределах 10..100нм. У наночастиц доля атомов,
находящихся в тонком поверхностном слое приблизительно 1 нм, по сравнению с
микрочастицами заметно повышается.
Так,
например, оказывается, что наночастицы некоторых материалов обладают очень
хорошими каталитически
<#"882401.files/image001.gif">
Рисунок 2.1. - Микроволновый нагреватель жидких сред
Микроволновый нагреватель состоит из диэлектрической трубы, заполненной
нагреваемой жидкостью и коаксиальной линии с центральным проводником в виде
цилиндрической спирали, установленной снаружи.
Коаксиальная линия соединена на одном конце с генератором
электромагнитных колебаний, а на другом конце с согласованной нагрузкой.
Внешний проводник коаксиальной линии (экран) имеет ступенчатую форму и образует
три участка с разными волновыми сопротивлениями Z1, Z2, Zн, удовлетворяющими
следующему соотношению:
, (2.1)
где
Zo волновое сопротивление коаксиального ввода энергии; Z1 волновое
сопротивление первого участка длиной l1, примыкающего к вводу энергии; Z2
волновое сопротивление второго участка длиной l2, примыкающего к первому
участку; Zн волновое сопротивление рабочего участка. Длины l1 и l2 первого и
второго участков выбраны из условий:
(2.2)
где
n1 и n2 замедление фазовой скорости волны на первом и втором участках
соответственно, k волновое число вакуума. Длина рабочего участка выбирается
произвольно в соответствии с технологическим процессом термообработки.
Предлагаемое
устройство включает коаксиальный ввод энергии 1, установленный в цилиндрическом
экране 2, и проводник 3 в виде цилиндрической спирали, намотанной на
диэлектрическую трубу 4. Проводник 3 соединен с внутренним проводником 5
коаксиального ввода 1, а с другой стороны с согласующей нагрузкой 6.
Цилиндрический экран 2 имеет участок длиной l2, на котором радиус экрана d2
меньше радиуса экрана d1 на остальной его части. Длины участков l1 и l2 равны
друг другу. Нагреваемая жидкость пропускается внутри трубы 4. Необходимость
обеспечения эффективного взаимодействия электромагнитной волны спирали 3 с
обрабатываемой средой 7 заставляет увеличить радиус экрана d1 по сравнению с
радиусом спирали b, что приводит и к увеличению волнового сопротивления спирали
3 по сравнению с волновым сопротивлением ВЧ тракта, соединяющим спираль 3 с
газогенератором ВЧ-энергии (на чертеже не показано). Выполняя экран 2 с
уступом, на котором его радиус уменьшен до величины d2, обеспечивающей
уменьшение волнового сопротивления спирали, в частности до волнового
сопротивления соединительного тракта (обычно это 50 или 75 Ом), достигают требуемого
согласования [6].
.2
Устройство для СВЧ обработки жидких диэлектрических материалов (патент
№2078404)
Изобретение
относится к СВЧ технике, в частности к технологическим применениям СВЧ
излучения для термообработки жидких диэлектрических материалов. Изобретение
предназначено для решения технических задач исключения пригорания
обрабатываемого жидкого продукта на стенках рабочей камеры, улучшение
равномерности и увеличения КПД нагрева. Сущность изобретения: достигается
использованием вращающейся рабочей камеры в виде цилиндра или усеченного
конуса, на внутреннюю поверхность которой сверху наливается обрабатываемая
жидкость, удерживаемая на поверхности центробежной силой и постепенно стекающая
в приемную воронку, а СВЧ мощность подается в камеру сверху через рупорный
излучатель. С целью повышения эффективности и однородности нагрева предлагается
также использовать камеру в форме усеченного конуса со специально выбранными
размерами и углом раскрыва, рис.2.2.
Рисунок 2.2 - Устройство для СВЧ-обработки жидких диэлектрических
материалов
Установка для СВЧ обработки жидких диэлектрических продуктов содержит
подвижную рабочую камеру 4, имеющую форму цилиндра или усеченного конуса,
расположенный сверху источник СВЧ мощности 1 (магнетрон), соединенный отрезком
волновода 2 с излучателем 3.
Конкретная реализация устройства поясняется рис.3.6, где 1 магнетрон; 2
отрезок волновода; 3 рупор; 4 рабочая камера; 5 сливная воронка; 6 - заливное
устройство.
Рабочая камера заявляемого устройства при подаче жидкого диэлектрического
продукта представляет собой сверхразмерный металлодиэлектрический волновод типа
"полый канал в диэлектрике", нагрев продукта в котором происходит в
приповерхностном слое жидкости на границе воздух-жидкость.
Устройство работает следующим образом: на внутреннюю боковую поверхность
вращающейся рабочей камеры 4 с помощью заливного устройства 6 разливается
обрабатываемый жидкий продукт, прижимающийся к поверхности камеры центробежной
силой, а СВЧ мощность подается от расположенного сверху камеры на оси вращения
источника 1 через отрезок волновода 2 и излучатель (рупор) 3. Толщина
захваченного вращающейся поверхностью камеры слоя жидкости регулируется ее
расходом и скоростью вращения камеры и выбирается достаточной для подавления
СВЧ волны на стенках камеры, что исключает подгорание продукта. Под действием
силы тяжести жидкий продукт стекает по стенкам камеры в воронку и далее в
приемный резервуар, нагревается до заданной температуры. Перемешивание жидкости
осуществляется за счет различия ее скорости по глубине. В целях повышения
эффективности (КПД) нагрева и уменьшения высоты рабочей камеры она может быть
выполнена в виде усеченного конуса, угол раскрыва которого выбирается из
условия равномерности нагрева жидкости по высоте камеры [7].
.3 Экспериментальная лабораторная установка GWR-900-2450
Экспериментальная лабораторная установка GWR-900-2450 предназначена для
облучения потока раствора СВЧ излучением, разработана в НИЦ им.Н.Тесла.
Установка проточного типа предназначена для непрерывного воздействия СВЧ
энергией потока раствора и позволяет максимально приблизить эксперимент к
технологическому процессу.
В установке GWR волновод и резонаторная камера представляют собой трубу
прямоугольного сечения размерами 45×90 мм (рис. 2.3). На широкой стенке
волновода установлен специальный разъем для подключения магнетрона. Штуцеры для
входа и выхода обрабатываемого раствора находятся у резонаторной камеры. В
резонаторной камере находится фторопласт, форма и размер которого определяются
из условия эффективного использования сверхвысокочастотного излучения во время
работы. На входе и выходе раствора на установке установлены термосопротивления
для измерения и регулирования температуры проходящего раствора во время
проведения эксперимента.
Рисунок 2.3.- Внешний вид лабораторной установки GWR 900-2450 без резонансной камеры: 1 - Панель оператора
ОВЕН ИП 320, 2 - Волновод с фланцевым соединением, 3 - Разъем (220 В), 4 -
Переключатели типа ROCKER, 5 - Клеммы подключения измерительных датчиков, 6 -
Вентилятор, 7 - Клемма заземления
Геометрические размеры волновода и резонаторной камеры установки
(СВЧ-трактов) строго нормированы, что обусловлено согласованием волновых
сопротивлений составных элементов и эффективным использованием СВЧ волн при
регенерации. Используемая в установке мономодовая система волновода и
резонаторной камеры позволила увеличить КПД излучения почти до 90 % при
использовании в качестве обрабатываемой жидкости полярные вещества. На передней
панели установки располагается панель оператора, с помощью которой
устанавливаются параметры работы установки: время работы и излучаемая мощность
магнетрона. Также можно задать значение температуры раствора (на входе или
выходе) для автоматического включения или отключения узла генерации СВЧ. Во
время работы на дисплее отображаются значения температур на входе и выходе,
температуры магнетрона, значение излучаемой мощности, общее и оставшееся время
работы установки.
Технические характеристики установки GWR-900-2450:
рабочее давление (избыточное): 0-0,1 МПа
температура воды на входе в резонансную камеру, не более: 1000С
потребляемая мощность СВЧ источника: 1,3 кВт
максимальная температура нагрева: 1500С
параметры электропитания: напряжение: 220 В, частота: 50±0,1 Гц
Габаритные размеры д×ш×в: 530×200×430 мм
Проведя анализ всей информации можно определить
следующие преимущества СВЧ термообработки перед традиционными способами:
увеличение скорости процесса термообработки за счет
объемного нагрева раствора;
значительное сокращение времени реакции;
высокое качество нагрева за счет равномерности
тепловыделения;
высокая точностью управления технологическим процессом
благодаря возможности точного дозирования СВЧ энергии;
На основе этих достоинств можно сделать вывод, что использование СВЧ
энергии является способом интенсификации химического процесса. Эти достоинства
будут учитываться при проектировании электротехнологической установки СВЧ.
Глава 3. Процесс получения водного раствор наночастиц меди в СВЧ электромагнитном
поле
.1 Метод получения наночастиц меди в поле СВЧ
.1.1 Предпосылки метода
В последнее время было проведено много исследований в области
производства наночастиц с применением СВЧ энергии. Параметры, которые влияют на
образование размера и распределение по среднему размеру дисперсных наночастиц
оксида меди описаны ниже. Они включают в себя природу и концентрацию
стабилизатора (поли (винилпирролидон), б-циклодекстрин, и мицеллы), характер
образования наночастиц меди, природу, концентрацию и силу восстановителя
(спирт, диметилсульфоксид и др.), и уровень кислотности исходного раствора.
Термическое восстановление с помощью диметилсульфоксида и ацетата меди приводит
к образованию наночастиц в диапазоне 4,9-7,4 нм при 2,45 ГГц СВЧ воздействии в
течение 1 и 4 мин, T= 140-1600С в
зависимости от длительности воздействия СВЧ на раствор. СВЧ воздействие при
синтезе наночастиц дает меньшие и более узкие распределения частиц меди, чем
при традиционном методе нагрева.
Почти во всех предыдущих исследованиях процесса с помощью СВЧ
воздействия, кроме как источника тепла, была незначительна, интерес вызывал
лишь процесс при органическом синтезе и в синтезе наночастиц. Проведенные
эксперименты подтвердили формирование единых зерен наночастиц в растворе с
равномерным увеличением температуры через однородное увеличение СВЧ
воздействия. Эффект от нагрева был ключевым фактором при синтезе наночастиц, в
среднем, одинаковым размером частиц. Из чего следует, что некоторые специальные
тепловые эффекты СВЧ энергии должны быть использованы для синтеза наночастиц
металлов.
В работах отечественных ученых предлагается изучение метода синтеза и
процесса получения наноразмерных материалов на основе термического разложения
производных N,N' - динитромочевины (ДНМ), а именно: медной соли ДНМ . Анион ДНМ
является относительно термически нестойким соединением, способным под действием
температуры разрушаться. ДНМ - хороший комплексообразователь, что дает
возможность синтеза широкого ряда солей с различными катионами металлов, в том
числе и смешанными.
.2 Экспериментальная часть
Целью эксперимента является разработка метода
получения коллоидных растворов наночастиц меди при воздействии СВЧ, с заданными
свойствами наночастиц. Одним из основных свойств является стабильность раствора
и размер частиц от 120 до 200 нм, это связанно с тем, что бактерицидный эффект
наночастиц сильно зависит от их размера. Только наночастицы диаметром менее
двухсот нм способны взаимодействовать с бактерией. В рамках данной работы было
проведено несколько опытов.
.2.1 Методы исследования наночастиц
При исследовании размеров наночастиц можно использовать несколько
различных методов, а именно: метод визуального наблюдения за системой,
просвечивающая, электронная микроскопия, метод динамического рассеяния света,
спектроскопия в видимом и ближним к ультрафиолету диапазоне. Однако, метод
визуального наблюдения за системой может дать только общие предварительные
закономерности относительно исследуемой дисперсности. К наиболее надежным
методам стоит отнести инструментальные методы: просвечивающую электронную
микроскопию, метод динамического рассеяния света, спектроскопию в видимом и
ближним к ультрафиолету диапазону. В нашем случае за основу был взят метод
динамического рассеяния света.
Данный метод определения размера наночастиц, основанный на анализе
спектра рассеянного света, называют методом динамического рассеяния света
(ДРС). В литературе встречаются и другие названия этого метода, например,
фотонная корреляционная спектроскопия (ФКС). В англоязычной литературе данный метод
называют Dynamic Light Scattering (DLS). Данный метод позволяет определять
точные размеры частиц в диапазоне от 0,5 нанометров до нескольких микрон.
Измерение интегральной интенсивности рассеиваемого света в англоязычной
литературе называют Static Light Scattering (SLS). С помощью SLS, измеряют
интенсивность рассеиваемого под разными углами (индикатриса рассеянного света)
и при разных концентрациях рассеивателей (растворов, макромолекул, коллоидных
частиц), можно измерить молекулярную массу рассеивателей (по диаграмме Зима).
Основываясь на результатах проведенных измерений интенсивности прошедшего
света, определяют коэффициент оптической плотности.
Броуновское движение оптических неоднородностей (дисперсных частиц,
молекул и др.) в растворе приводит к изменениям локальной концентрации частиц.
Вследствие чего появляются локальные флуктуации показателя преломления, которые
являются причиной изменения интенсивности рассеянного света. Коэффициент
диффузии частиц обратно пропорционален времени релаксации изменения
интенсивности рассеянного света. Это время, в свою очередь, есть время
затухания экспоненциальной временной корреляционной функции рассеянного света,
которая измеряется с помощью цифрового коррелятора. Размер частиц
рассчитывается по формуле Стокса-Эйнштейна, которая связывает размер частиц с
их коэффициентом диффузии и вязкостью раствора[8].
.2.2 Оборудование и реактивы
Ацетат меди (CH3COO)2Cu представляет собой
тёмно-сине-зелёные кристаллы моноклинной сингонии, растворимые в воде (7,1
г/100г воды), также растворим в спиртах, эфире. Ацетат меди не горит, но
окрашивает пламя в нежно-салатовый цвет. Диметилсульфоксид (ДМСО) - химическое
вещество с формулой - (CH3)2SO. Бесцветная жидкость, важный биполярный
апротонный растворитель. Нашел широкое применение в различных областях химии, а
также в качестве лекарственного средства. Основным способом получения ДМСО
является окисление диметилсульфоксида. В промышленности этот процесс проводят с
использованием азотной кислоты. ДМСО является побочным продуктом целлюлозно-бумажной
промыш-ленности
В лабораторных условиях для равномерного и
селективного окисления диметилсульфоксида можно использовать ацетат меди в
системе растворитель - вода. Однако способы получения ДМСО в лабораторных
условиях малоприменимы на практике. Это обусловлено неудобствами работы с
диметилсульфидом, а также низкой товарной стоимостью готового растворителя.
Лабораторная СВЧ установка.
Эксперименты проводились на лабораторной СВЧ установке с КБВ на круглом
нерегулярном волноводе (рис.3.1). Установка состоит из следующих основных
узлов: СВЧ генератора, сменной камеры с бегущей волной на круглом нерегулярном
волноводе и блока измерения температуры.
Рисунок 3.1 - Камера с бегущей волной на круглом нерегулярном волноводе
СВЧ генератор состоит из блока управления и блока магнетрона. Мощность
СВЧ генератора составляет 600Вт при частоте 2450МГц с длинной волны 12,25см,
сечение выходного фланца 45*90мм.
Камера на круглом нерегулярном волноводе для согласования с СВЧ
генератором выполнена с применением волноводно-коаксиального перехода с входным
фланцем 45*90мм. Обрабатываемый материал был помещен в стеклянную пробирку
длиной 70мм, расположенной по оси поглощающей части камеры.
Измерение наночастиц меди проводились с помощью анализатора Zetasizer Nano ZS компании Malvern Instruments.
Анализатором проверялись наиболее важные параметры, характеризующие
наночастицы.
Размер частиц и молекул - определение размера частиц в диапазоне от 0,3
нм до 10 микрон методом динамического рассеивания света с использованием
технологии NIBS (неинвазивного обратного рассеяния).
Дзета-потенциал - определение дзета-потенциала в растворе методом
электрофоретического рассеяния света с использованием технологии M3-PALS (использование быстро и медленно переменного
электрического поля наряду с фазовым и частотным анализом рассеянного света).
Для исключения перекрёстного загрязнения при измерениях дзета-потенциала
образцов на анализаторах Nano ZS, использовались
уникальные одноразовые капиллярные кюветы.
Функционирование полностью автоматизировано, благодаря заданию параметров
работы системы в стандартном протоколе измерения[9].
Таблица 3.1
|
Спецификация Zetasizer Nano ZS
|
|
Измерение размера частиц
|
|
Размер
|
0.3 нм - 10.0 мкм*
|
|
Минимальный объём образца
|
12 микролитров
|
|
Диапазон концентраций
|
от 0.1 мг/мл до 40% (объёмных/весовых)*
|
|
Измерение дзета-потенциала
|
|
Размер
|
3.8 нм - 100 мкм*
|
|
Минимальный объём образца
|
0.75 мл
|
|
Максимальная проводимость
|
200 м/cм
|
|
Общие спецификации
|
|
Диапазон термостабилизации образца
|
Встроенный безводный термоконтроллер:от 0ºC до 90ºC
|
|
|
|
Лазер
|
4 мВт, 633 нм, He-Ne
|
|
Ослабление
|
Автоматическое, в диапазоне пропускания 100 - 0.0003 %
|
|
Детектор
|
Лавинный фотодиод, квантовая эффективность > 50% для
длины волны 633 нм
|
|
Класс лазера
|
Class 1, в соответствии EN 60825-1:2001 и CDRH
|
|
Габариты
|
320 мм, 600 мм, 260 мм
|
|
Вес
|
20 кг
|
|
* Зависит от природы образца
|
Лабораторные весы
Лабораторные весы ВК-600 фирмы ЗАО «Масса-К» снабжены
жидкокристаллическим индикатором с подсветкой, под счет суммарной массы
продукта, также имеется процентное взвешивание, счетный режим, интерфейс RS-232
для связи с ПК, могут работать от встроенного аккумулятора.
Технические характеристики:
наибольший предел взвешивания: 600 г
цена деления: 0,01 г
интервал взвешивания: от 0,5 г до 500 г (± 0,05)
габаритные размеры весов: 180x220x85 мм
габаритные размеры платформы: d-120 мм
масса весов, нетто/брутто: 2 / 2,3 кг
диапазон рабочих температур: от +10 до +40 0С
Измеритель температуры.Thermometers 56X предназначены для бесконтактного измерения температуры.
Прибор определяет температуру поверхности объекта путем измерения количества
инфракрасной энергии, излучаемой поверхностью объекта, также поддерживает
контактное измерение температуры с помощью термопары типа К.
Общие характеристики:
диапазон измерения температуры от -40 до +550 оС
погрешность при температуре окружающей среды ˂ 0 оС: 0,1 - 1,0 оС
˃ 0 оС: ± 1,0 оС
- время реакции ˂ 500 мс
- питание oт 2 батареек
(щелочные или NiCD)
вес (с батарейками): 560 г
Глава 4. Анализ методов измерения диэлектрических параметров
.1 Измерение диэлектрических параметров
В основу разработки технологического процесса получения из растворов
наночастиц меди при воздействии СВЧ излучения, а также аппаратуры для
реализации процесса, важно исследовать диэлектрические характеристики
обрабатываемого раствора. От значений диэлектрических характеристик зависят
величины удельной мощности СВЧ излучения и глубина проникновения СВЧ энергии в
растворе. Диэлектрические параметры обрабатываемого раствора зависят от частоты
СВЧ излучения, температуры и химического состава раствора.
Диэлектрические параметры раствора описываются комплексной
диэлектрической проницаемостью:
; (4.1)
Действительная
часть
- диэлектрическая проницаемость, влияет на количество
энергии, которую может запасти раствор в форме электромагнитного поля. Мнимая
часть
-коэффициент поглощения (фактор потерь), является
мерой того, сколько энергии может быть рассеяно в форме теплоты. Тангенс угла
диэлектрических потерь
определяет отношение энергии, которая расходуется на
нагрев, к энергии, запасенной за период электромагнитных колебаний:
(4.2)
.1.1
Метод двух толщин
При
исследовании диэлектрических характеристик данным методом образец исследуемого
диэлектрика толщиной d располагается в волноводе вплотную к короткозамыкающей
пластине и без зазоров прилегает ко всем стенкам волновода. Второй конец
волновода - развязывающий аттенюатор (10 - 20dB) подключенный
к генератору.
Размеры
волновода (или длина волны генератора СВЧ
)
выбираются таким образом, чтобы в волноводе распространялся основной тип
колебаний. В отсутствие диэлектрика в волноводе устанавливается стоячая волна с
узлами, расположенными на расстоянии
друг от
друга и от короткозамыкающей пластинки, где
- длина
волны в волноводе, связанная с граничной длиной волны и соотношением:
(4.3)
Напряженность
электрического поля в узлах стоячей волны достигает нуля, так как амплитуда
отраженной волны равна амплитуде падающей волны. Напряженность поля в узлах не
достигает нуля, так как амплитуда отраженной волны, за счет поглощения в
образце, становится меньше амплитуды падающей волны. Причем все минимумы
стоячей волны будут смещаться в сторону исследуемого образца, поскольку длина
волны в образце меньше длины волны в пустом волноводе.
Данные
изменения картины стоячей волны зависят от свойств исследуемого диэлектрика и
связаны с его электрическими характеристиками, определенным соотношением,
которое получается в результате решения соответствующей электродинамической
задачи. Решение этой задачи, учитывающей условия на границах раздела приводит к
решению комплексного трансцендентного уравнения. Связывающего характеристики
диэлектрического образца с измеряемыми величинами, коэффициентом бегущей волны
(или коэффициентом стоячей волны) и положением узла стоячей волны относительно
поверхности образца.
Это
уравнение имеет вид:
(4.4)
где
- коэффициент бегущей волны, d - толщина
исследуемого образца;
-
расстояние от поверхности образца до первого узла стоячей волны;
-
фазовый угол, соответствующий расстоянию
-
постоянная распространения в образце.
Правая
часть уравнения (4.4) содержит, величины 
и
которые определяются при помощи волноводной
измерительной линии, установленной между генератором и секцией исследуемого
образца и имеющей такое же поперечное сечение, что и секция, содержащая
образец.
Коэффициент
бегущей волны (КБВ), обратно пропорциональный величине коэффициента стоячей
волны (КСВ), определяется по лежащим вблизи узла стоячей волны точкам. Если
выбирать точки, показания в которых индикаторного прибора при квадратичной
характеристике детектора в два раза превышают его показание в минимуме, то
определяется из формулы:
; (4.5)
где
- расстояние между точками удвоенного минимума
(рис.4.2):
Рисунок.4.1. - Эпюра стоячей волны в волноводе: а -
без образца; б - с образцом
Рисунок.4.2. - График удвоенного минимума
В волноводе длину волны определяют с помощью
измерительной волноводной линии за счет определения расстояния между двумя
соседними минимумами стоячей волны при отсутствии образца.
Расстояние
между первым узлом стоячей волны и образцом
определяется из выражения:
; (4.6)
где
- толщина исследуемого образца;
-
смещение любого узла, обусловленное внесением образца.
Полученные
значения величин
,
и
, а также предварительно измеренная толщина образца
позволяют определить постоянную распространения
, связанную с
и
, следующей формулой:
. (4.7)
При вычислении постоянной распространения возникают
принципиальные трудности, связанные с невозможностью аналитического решения
уравнения и неоднозначностью, обусловленной периодичностью входящих в него функций.
Трансцендентное уравнение (4.4) может быть решено строго при
использовании двух образцов с кратными толщинами (d и 2d). Этот метод хорош тем, что исключает неоднозначность
определения ε’ и ε”, связанную с периодичностью
функций, входящих в (4.4)[10].
Для образцов с толщинами d и 2d
на основании (4.4) можно записать:
,
; (4.8)
где
X1, Y1 и X2, Y2 - экспериментально определяемые величины для
образцов толщиной d1= d и d2 = 2d соответственно. Используя формулу для тангенса
двойного угла, при d2 = 2d1 получаем:
; (4.9)
откуда
определяются комплексная постоянная распространения и значения ε’ и ε”.
Полученные
соотношения могут быть применены не только для волноводов различных типов
(прямоугольные, круглые и т.п.), но и для коаксиальных линий при измерении на
более длинных волнах. При использовании коаксиальных линий, для которых λ= ∞, приведенные формулы для ε' и ε"
несколько упрощаются за счет того, что все слагаемые, содержащие
могут быть приравнены к нулю.
Образцы
в этом случае изготовляются в виде плоских шайб, устанавливаемых у
закороченного конца коаксиальных линии. Диаметр отверстия в центре шайбы должен
быть точно равен диаметру центрального проводника, так как в противном случае
неизбежны значительные погрешности в измерениях
(4.10)
где
р - 0,1,2,3,..., а λ, - длина волны в образце, которая связана с параметрами
волновода и образца, а также с длинной волны в свободном пространстве.
Для
определения точного значения λ,
производится предварительное измерение ε' с образцом, имеющим толщину, определяемую из ориентировочно
известного значения проницаемости. По полученному таким образом значению ε' изготовляется образец.
Образец
должен иметь вид плоскопараллельной пластинки, изготовленной с высокой степенью
точности, так как даже небольшое нарушение плоскопараллельности приводит к
размыванию узлов стоячей волны и создает условия, благоприятствующие
возникновению высших типов колебаний в образце. Толщина образца измеряется
микрометром с погрешностью, не превышающей 0,01мм.
В
случае измерения жидкостей последние заливаются в вертикально расположенную
измерительную секцию волновода так, чтобы ось волновода была строго
перпендикулярна к поверхности жидкости. Толщина слоя жидкости измеряется при
помощи контактного устройства, состоящего из длинной металлической иглы,
укрепленной на подходящем измерительном инструменте, погружаемой в волновод.
Момент соприкосновения иглы с поверхностью жидкости отмечается чувствительным
пробником[5].
.1.2
Графический способ решения трансцендентного уравнения
Графический
способ определения постоянной распространения λl пригоден для
любых значений ε' и ε"
исследуемого диэлектрика и связан с графическим представлением некоторых
функций.
Записывая
уравнение
(4.11)
можно получить, разделяя мнимую и действительную части и выражая для С и ξ:
(4.12)
(4.13)
которые
вычисляются по экспериментально измеренным величинам Кб, λв и xm. Вводя для комплексной постоянной распространения λl,
обозначение:
(4.14)
можно
записать на основании (10):
(4.15)
График
этой функции для различных значений С и ξ может быть использован для определения величин Т и λl, по
которым находятся действительная и мнимая части постоянной распространения
постоянная затухания и фазовая постоянная
(4.16)
(4.17)
.1.3
Способ последовательных приближений
При
использовании способа последовательных приближений постоянная распространения
у1 записывается обычно в виде
, а
правая часть уравнения (10) в виде:
(4.18)
В
этих обозначениях уравнение можно записывается следующим образом:
(4.19)
Причем
величины Х и Y полностью определяются данными, полученными из эксперимента.
Производя разделение мнимой и действительной части последнего соотношения,
получим:
(4.20)
(4.21)
Принимая
за первое приближение значение а = О, получим
(4.22)
Находя
по таблицам функции
(по известной величине Х) значение b подставляем его
в уравнение для Y, далее находим второе приближение для а. Полученное
значение а снова подставляем в уравнение для Х, получая второе приближение для
b, которое после подстановки дает следующее приближение для а. Повторяя
описанную процедуру до тех пор, пока каждый новый шаг будет давать значения а и
b, незначительно отличающийся от предыдущих значений, можно получить для а и b
величины, приближенные к истинным с заданной степенью точности.
Способ
последовательных приближений дает точные результаты, определяемые
достоверностью экспериментальных данных, требуя довольно кропотливых и
длительных вычислений[5].
.1.5
Решение трансцендентного уравнения в случае малых потерь
При
исследовании диэлектриков с малыми потерями тангенса диэлектрических потерь (tgδ< 1,15) решение уравнения (4.4) значительно
упрощается, так как для диэлектриков с малыми потерями можно пренебречь
величинами
и α1.
Представляя постоянную распространения в виде
получим
простые соотношения для
и
:
(4.23)
(4.24)
Откуда:
(4.25)
(4.26)
Для
тангенса угла потерь получаем:
(4.27)
Если
исследуемый диэлектрик будет обладать очень малыми потерями, сравнимыми с
потерями в волноводе, то рассчитанное по приведенной выше формуле в значение
необходимо ввести поправку на потери в волноводе. Для
внесения этой поправки из полученного значения
следует
вычесть
(
- угол
потерь волновода), так как при малых потерях последние складываются аддитивно,
то значение
измеряется в пустом волноводе (т.е. при ε'=1) и вычисляется по формуле
(4.28)
где
l - расстояние от короткозамкнутого конца волновода до стоячей волны, в котором
производится измерение, (Кб)в - коэффициент бегущей волны, измеренный в пустом
волноводе. [5]
.1.7
Проведение эксперимента и обработка результатов
Измерения
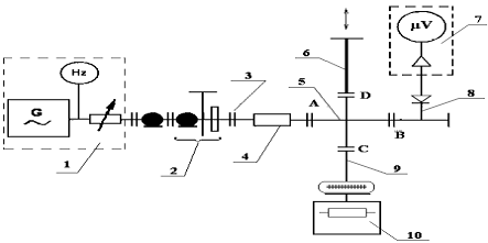
проводились на лабораторной установке. На рис.4.2 приведена ее блок-схема [1].
Рисунок
4.2 - Блок-схема установки для измерения диэлектрических параметров с помощью
волноводного моста: 1 - СВЧ генератор; 2 - волноводно-коаксиальный переход; 3 -
соединение волноводов; 4 - аттенюатор; 5 - двойной волноводный тройник; 6 -
подвижный реактивный короткозамыкатель; 7 - индикаторный прибор; 8 -
детекторная головка; 9 - короткозамкнутая волноводная секция с исследуемым
образцом; 10 - электронагреватель
Мощность генератора СВЧ ГЧ-80 подается в плечо А
двойного волноводного тройника (волноводного моста), выполненного на
прямоугольном волноводе подается с помощью СВЧ кабеля через
волноводно-коаксиальный переход. В двойном волноводном тройнике мощность
делится на части, в плечах С и D. К
плечу С болтами крепится специальная короткозамкнутая волноводная секция, где
помещен образец исследуемого диэлектрика. К плечу D болтами крепится подвижный реактивный короткозамыкатель, к
плечу В - детекторная головка, сигнал с которой регистрируется индикаторным
прибором.
Чтобы нагреть исследуемый диэлектрик в установке
предусмотрен электронагреватель сопротивления косвенного нагрева, с помощью
которого устанавливается и регистрируется заданная температура.
Лабораторная
установка позволяет провести измерения
и
исследуемого образца волноводным методом,
использующим характер распределения поля в волноводе.
Если
плечи С и D имеют одинаковую длину и нагружены одинаковыми
сопротивлениями, т.е. электрически симметричны, то энергия СВЧ, поступающая от
СВЧ генератора в плечо А, поделится между плечами С и D пополам. При
этом энергия в плечо В не поступает.
Если
подключить нагрузку к плечу С или D, принятую за эталонную
(короткозамыкатель), а к другому - исследуемую нагрузку (короткозамкнутую
волноводную секцию с исследуемым диэлектриком), то часть энергии поступает в
плечо В и характеризует отличие исследуемой нагрузки от эталонной. Это свойство
волноводного моста и используется для измерения
и
.
В
отсутствии исследуемого образца диэлектрика в короткозамкнутой волноводной
секции подбирается такое положение поршня подвижного короткозамыкателя в плече D,
при котором электродинамическая симметрия плеч С и D нарушается. Перемещением
поршня в плече D вновь добиваются относительной электродинамической
симметрии плеч С и D т.е. минимального показания индикаторного прибора,
величина которого зависит от потерь электромагнитной энергии в образце
исследуемого диэлектрика.
Таким
образом, показания индикаторного прибора и величина смещения поршня определяют
искомые величины
и
.
Результаты измерений обрабатывались в программе Microsoft Excel. С помощью программы был проведен расчет ε’, ε” и tgδ по уравнениям (4.10) и (4.11)
методом двух толщин с выводом результатов в таблице в Microsoft Excel. В таб.4.3 представлены значения, полученные в ходе
измерений.
Таблица 4.1. Результаты эксперимента
|
ε’
|
ε”
|
tgδ
|
|
T=200C
|
25.23
|
45.65
|
1.8
|
Эти параметры используются для дальнейшего проектирования СВЧ камеры
электротехнологической установки.
.1.8 Синтез наночастиц меди
В нашем эксперименте для получения наночастиц использовали
диметилсульфоксид и ацетат меди. Раствор для проведения эксперимента готовили
путем введения ацетата меди в раствор диметилсульфоксида до полного растворения
выпадающего осадка гидроокиси металла. После чего раствор подвергали нагреву в
СВЧ поле до температуры 1000С.
Концентрация компонентов:
Ацетат меди - 1г
Диметилсульфоксид - 90 мл
Для точного приготовления раствора использовалась химическая посуда
(мерная посуда, стакан) и лабораторные весы ВК-600 (ЗАО «Масса-К»).
В качестве условий проведения синтеза были мощность СВЧ воздействия,
продолжительность СВЧ воздействия и охлаждение раствора после нагрева. В
результате эксперимента получено 8 образцов с различными условиями синтеза
(табл.3.1). Объем одного образца в колбе около 15 мл. Для измерения температуры
использовали цифровой мультиметр Mastech M 838 с подключенной к нему термопарой
К-типа.
Таблица 4.2 Условия проведения синтеза
|
№ образца
|
Р, Вт (%)
|
t, сек
|
Охлаждение раствора
|
|
1
|
300(50)
|
20
|
-
|
|
2
|
300(50)
|
30
|
-
|
|
3
|
150(25)
|
60
|
-
|
|
4
|
300(50)
|
90
|
-
|
|
5
|
150(25)
|
120
|
-
|
|
6
|
150(25)
|
600
|
-
|
|
7
|
150(25)
|
1200
|
-
|
|
8
|
150(25)
|
420
|
-
|
.2 Обработка и обсуждение результатов
.2.1 Результаты эксперимента
Распределение наночастиц меди по размерам определялись методом
динамического рассеивания света на приборе Zetasizer Nano ZS (Malvern, угол
рассеивания 173°) с пределами измерений от 0.3 до 6 мкм. Программное
обеспечение (Dispersion Technology Software, Malvern) позволяет с высокой точностью определять средний
размер наночастиц исходя из распределения интенсивности светорассеяния по
размерам частиц, объемного содержания и числа частиц.
Прибор Zetasizer Nano использовался также и для определения
дзета-потенциала частиц. В этом режиме работы на основе эффекта Доплера
определяется распределение частиц по электрофоретической подвижности и по
формуле Смолуховского вычисляется среднее значение дзета-потенциала.
Приведенные ниже значения размера наночастиц и их дзета-потенциала
являются результатами усреднения по шести последовательным циклам измерений.
Полученное в каждом цикле значение является, в свою очередь, результатом
автоматической обработки 10-15 "прогонов". В процессе измерений
кювету с исследуемым раствором термостатировали при температуре 200C. Образцы исследовались через 48
часов после нагрева раствора в СВЧ поле.
Для получения результатов измерения, соответствующих параметрам исходного
образца, препараты, содержащие частицы меди, разводили в 10 раз водой Milli-Q. В табл.3.3 и на рис.4.3 отражены результаты измерений
среднего размера частиц.
Таблица 4.3 Результаты эксперимента
|
d.nm
|
№8
|
№7
|
№6
|
№5
|
№4
|
№3
|
№2
|
№1
|
|
295,3
|
0
|
0
|
0
|
0
|
0
|
0
|
0
|
0
|
|
342
|
0
|
0
|
0
|
0
|
0
|
0
|
0
|
0
|
|
396,1
|
0
|
0
|
0
|
0
|
0
|
0
|
0
|
0
|
|
458,7
|
0
|
0
|
0
|
0
|
0
|
0
|
0
|
0
|
|
531,2
|
0
|
0
|
0
|
0
|
0
|
0
|
2,5
|
|
615,1
|
0
|
0
|
0
|
0
|
0
|
0
|
0
|
10,7
|
|
712,4
|
0
|
0
|
0
|
0
|
0
|
1,4
|
1,9
|
20
|
|
825
|
0
|
2,4
|
0
|
3,7
|
0
|
11,1
|
8,4
|
24,9
|
|
955,4
|
4,9
|
50,7
|
0
|
11,9
|
4
|
22,3
|
16,5
|
22,5
|
|
1106
|
23,4
|
46,3
|
1,3
|
20,3
|
19
|
27,1
|
22
|
14,3
|
|
1281
|
34,6
|
0,7
|
27,4
|
24,1
|
31,4
|
22,6
|
22,2
|
5,1
|
|
1484
|
27,2
|
0
|
41,9
|
21,3
|
29,5
|
12,4
|
17
|
0
|
|
1718
|
9,8
|
0
|
26,8
|
13,6
|
15
|
3,1
|
9,3
|
0
|
|
1990
|
0
|
0
|
2,6
|
5
|
1,1
|
0
|
2,7
|
0
|
Рисунок 4.3 - Графики распределения по размерам частиц меди
5. Разработка СВЧ установки
Проведя анализ всех предыдущих глав можно придти к выводу, что
использование СВЧ энергии для получения коллоидных растворов наночастиц меди
является перспективной технологией. Для дальнейшей реализации данной технологии
предполагается разработка СВЧ установки непрерывного действия для получения
коллоидных растворов НЧС в промышленных масштабах, что позволит ее применять на
предприятиях, нуждающихся в использовании данного продукта.
.1 Общая схема СВЧ установки непрерывного действия для получения
наночастиц меди
СВЧ установка состоит из рабочей камеры, обеспечивающей эффективное
взаимодействие СВЧ энергии с обрабатываемым раствором, источника СВЧ энергии и
систем загрузки - выгрузки и контроля за технологическими параметрами.
Синтез наночастиц меди производится в СВЧ камере
проточного типа 4, с помощью СВЧ излучения, подводимого от высокочастотного
блока источника СВЧ энергии 5. Исходные компоненты раствора смешиваются в
специальной емкости 1, после чего реакционная смесь подается с помощью насоса 2
по радиопрозрачным диэлектрическим трубкам, из химически инертного материала, в
СВЧ камеру, где происходит нагрев до температуры около 1000С. СВЧ блок 4-5
может быть выполнен с одной рабочей камерой, запитываемой от одного генератора,
или с несколькими рабочими камерами, включенными по потоку продукта
последовательно и запитываемыми от своих СВЧ генераторов меньшей мощности.
После нагрева раствор проходит через чиллер 7, где он охлаждается до
температуры 250С, это необходимо для предотвращения дальнейшего роста частиц,
которые могут образовываться из-за остаточного тепла СВЧ энергии.
Последний этап процесса - это поступление готового раствора в сборник
продукта 9, после чего раствор может быть использован в дальнейшем
производстве. СВЧ установка оборудована средствами измерения температуры 6,
давления 3 и системы управления устройством 8, с помощью которого задаются
параметры (скорость подачи реагентов, температура нагрева и охлаждения),
которые могут быть изменены в ходе процесса. Общая компоновка СВЧ установки
представлена на рис.5.1.
Рисунок .5.1. - Общая компоновка СВЧ установки: 1 - реакционная смесь, 2
- дозировочный насос, 3 - датчик давления, 4 - микроволновая камера, 5 -
источник СВЧ энергии, 6 - датчик температуры, 7 - чиллер, 8 - система
управления, 9 - сборник продуктов
.2 Синтез КБВ СВЧ установки
Под синтезом камеры с бегущей волной предполагается определение
геометрических размеров рабочей камеры, с помощью которых обеспечивается
получение равномерного тепловыделения в объеме обрабатываемого раствора. Задача
синтеза решают на базе решения краевой задачи электродинамики или методом
эквивалентных схем.
.2.1 Синтез КБВ с помощью метода эквивалентных схем
При синтезе КБВ на базе решения краевой задачи электродинамики наиболее
трудоемким является решение дисперсионного уравнения волновода, частично
заполненного обрабатываемой средой.
С помощью метода эквивалентных схем можно существенно ускорить
проектирование рабочей камеры и получить общий алгоритм решения задачи синтеза
КБВ, собранных на линиях передачи, показанных на рис.5.2.
Поскольку
наибольшая неравномерность нагрева может возникнуть вдоль оси волновода КБВ, то
для решения задачи синтеза достаточно иметь выражение для погонной мощности
потерь
, рассчитанное для волн квази-Н10 или квази-Т. Но
тогда необходимо знать постоянную распространения этих волн. Наиболее просто
получить выражение этой величины с помощью метода эквивалентных схем.
Удобную
для расчетов эквивалентную схему линии передачи (рис.5.2) удается построить при
распространении в ней волны одного типа, а достоверность результатов расчета
параметров линии передачи с помощью этой схемы в значительной степени
определяется точностью задания параметров эквивалентной схемы.
Выберем
параметры эквивалентной схемы так, чтобы постоянная распространения, найденная
из эквивалентной схемы, равнялась постоянной распространения этой же волны,
найденной из соответствующего дисперсионного уравнения.
Рисунок
5.2. - Эквивалентная схема бесконечно малого участка волновода, частично
заполненного обрабатываемой средой
Найдем
параметры эквивалентной схемы круглого волновода с обрабатываемым стержнем
вдоль оси волновода. Для волны типа Е при n = 0 запишем дисперсионное уравнение
в виде
(5.1)
где
,
Так
как среда с
бывает обычно без потерь, то
. Обмен энергии между воздушным слоем и обрабатываемой
средой характеризуется потоком
, а
потому определим погонное сопротивление
,
характеризующее влияние обрабатываемой среды на волновые свойства линии, как
, (5.2)
где
;
, то из (5.13)
(5.3
а)
(5.3
б)
Из эквивалентной схемы постоянная распределения равна
, (5.4)
и записывается как
(5.5)
Сравнивая (5.4) и (5.5), получим два уравнения, из которых
,
; (5.6)
где
Так
как при оптимальной толщине обрабатываемой среды энергия переносится в основном
квази - Т волной в воздушном слое, то
- входное сопротивление квадрата поверхности
обрабатываемой среды при распространении волны по радиусу к оси волновода.
Тогда
(5.7
а)
(5.7
б)
(5.7
в)
Зависимости
от
приведены
на рис.5.4 и рис.5.5.
Соотношения
(5.7) тем точнее, чем точнее выполняется условие
, (5.8)
причем,
чем больше
, тем точнее эквивалентная схема, вплоть до достаточно
толстых слоев обрабатываемого объекта.
Рисунок
5.4.- Зависимость
для круглого волновода с поглощающим стержнем вдоль
оси
Рисунок
5.5.- Зависимость
для круглого волновода с поглощающим стержнем вдоль
оси
.2.2 Согласование рабочих камер
Рабочие камеры должны быть хорошо согласованными с питающим трактом, поскольку
в этом случае максимально используется СВЧ энергия. О степени согласования
обычно судят по коэффициенту стоячей волны по напряжению KстU , расчет которого сводится к определению входного
сопротивления камеры:
(5.9)
где
- коэффициент отражения от рабочей камеры; Zвх -
входное сопротивление питающего камеру СВЧ тракта; Z0 - волновое
сопротивление питающего камеру СВЧ тракта.
5.2.3. Входное сопротивление КБВ
Для согласования КБВ с линией передачи используют так называемые
согласующие экраны (рис.5.6).
Рис.5.6 Согласующий экран рабочей камеры на квазикоаксиальном волноводе
Рассмотрим далее короткозамкнутую неоднородную линию длиной l с погонным
сопротивлением Rn+jXn.
Аппроксимируем
участок DDz этой линии отрезком однородной линии (волновод сравнения).
Пренебрегая неоднородностями в сечениях к; к+1, будем считать линию длиной z
нагрузкой участка DDz. Тогда:
, (5.10
а)
, (5.10
б)
где
Uк+1, Iк+1 - напряжение и ток на входе участка DDz; Uк, Iк -
напряжение и ток на нагрузке участка DDz;
oк+1, ggк+1 - волновое сопротивление и постоянная
распространения участка DDz, причем:
где,
в свою очередь,
; Zo к+1 - волновое сопротивление участка DDz в
отсутствие потерь.
Деля
соотношение (5.10 а) на (5.10 б) и устремив DDz®®dz, приходим к уравнению для
входного сопротивления неоднородной линии с потерями:
, (5.11
а)
которое
можно записать в виде:
, (5.11
б)
(5.11
в)
Если
Xп << Rп, то соотношение (5.11 а) можно
упростить:
, (5.12)
откуда
при Zвх(0) = 0 получим:
(5.13)
.2.4
Согласующий экран КБВ
Рассмотрим
способ расчета неоднородного согласующего профиля. Если в системе уравнений
(5.11 б, в) потребовать, чтобы
, (5.14)
то
общее решение уравнения (5.11 в), учитывая, что одно его частное решение Im
Zвх(z)=0, имеет вид:
.
Тогда
из (5.11 б) при Im Zвх(z)= 0
(5.15)
и при Z0=Rn l имеет место полное согласование рабочей камеры с линией
передачи.
Подставив (5.15) в (5.14), получим уравнение относительно Z0(z), решение
которого имеет вид
, (5.16
а)
где
Rпр, Xпр - активная и реактивная составляющие сопротивления обрабатываемой
среды, на которые рассчитывается согласующий профиль камеры.
Полное согласование в этом случае имеет место при
=Rп l , (5.16
б)
где Z0 - волновое сопротивление сверхвысокочастотного разъема КБВ.
Если вдоль оси z в коаксиальном или квазикоаксиальном волноводе
изменяется внешний проводник, то при воздушном заполнении над обрабатываемой
средой
(5.17)
Из-за
экспоненциальной зависимости в (5.26) подобные согласующие экраны часто
называют экспоненциальными.
.3.3 Расчет СВЧ камеры
Исходные данные:
Частота работы магнетрона f=
2450МГц
Длина волны λ= 0,125 м
Радиус камеры на входе Db=0,09
м
T= 250C: ε’= 45,23, tgδ= 0,85
T=1000C: ε’= 45,23, tgδ= 0,84
Расчет:
Т.к. значения ε’ и tgδ при нагрева практически не
изменяются, то принимаем средне для них значения:
ε’= 45,23
tgδ= 0,8
Рассчитываем
соотношение
:
Далее
по номограмме подбираем значения FR и FX в соответствии с методикой описанной ранее:
FR= 36 FX= 0
при
Рассчитываем
радиус канала
м
Из
зависимостей
выразим Rп и Xп:
;
где
;
Находим
длину камеры:
Рассчитаем
геометрию согласующего экрана по (5.17):
м
.4
Расчет мощности СВЧ установки
Для определения параметров и типа генератора СВЧ
проведем расчет требуемой мощности по заданной производительности и параметрам
жидкости [11].
, (5.22)
где
m = ρ·G
- масса
продукта, кг.
Производительность
установки: G = 50 л/ч = 0,05 м3/ч.
Удельная
теплоемкость Cp = 2609 Дж/(кг·К), удельная плотность ρ= 1104 кг/м3,время t = 1ч = 3600с.
ΔТ = Ткон - Тнач = 100 - 25 = 750С.
кВт
В
качестве источника СВЧ энергии выбираем источник питания магнетрона серии ИПМ -
3-1-0 разработанный ООО НПП «Инситек» и магнетроном 2M285-04ARCM фирмы LG.
Источник
предназначен для преобразования электрической энергии переменного тока
напряжения 220/380В, промышленной частоты в электрическую энергию постоянного
тока.
Источник выполнен в виде двух блоков: блока питания и
блока генератора. На блоке питания предусмотрен разъём для дистанционного
управления источником.
Сверхвысокочастотный - блок имеет минимально возможные
для данного магнетрона размеры и содержит узлы, обеспечивающие непосредственно
работу магнетрона:
волноводную насадку,
накальный трансформатор,
систему водяного (воздушного) охлаждения,
соленоид,
блокировки.
Блок питания содержит источник питания (накала, анода,
соленоида), обеспечивающий стабилизацию тока анода магнетрона при колебаниях
напряжения сети на уровне ±10% не хуже ±2%.
Источник имеет защиту в следующих случаях:
при пробое и искрениях в магнетроне;
при срыве (перескоках на другую частоту) генерации;
при исчезновении тока соленоида;
при перегреве магнетрона;
в случае неприсоединенной нагрузки.
Управление источником осуществляется, с персонального
компьютера через оптически развязанный интерфейс RS-485/Modbus
также имеется ручное управление током, напряжением, мощностью и частотой.
.5 Выбор элементов СВЧ установки
.5.1 Перистальтический насос
Для осуществления технологического процесса необходимо произвести выбор
насоса на рассчитанную производительность 50 л/ч. Среди существующего
оборудования выбираем трубочный перистальтический насос фирмы VERDERFLEX, серии
SMART S20
Перистальтический насос - насос для перекачки жидкостей, текущих по
гибким трубкам. Принцип действия основан на том, что ролики передавливают
трубку с жидкостью, и двигаясь вдоль трубки, проталкивают жидкость вперёд.
Насосы этой серии имеют 3 уровня управления, позволяющие программировать
и изменять работу насоса по различным параметрам. Насос может управляться
вручную, автоматически и программироваться на автоматическую работу.
Данный насос может использоваться для подачи высоковязких, абразивных и
химически агрессивных веществ при невысоком уровне напора. Конструкция насоса
позволяет перекачивать жидкости абсолютно без протечек.
Особенности насоса SMART S20
Производительность: от 500 до 3200 мл/мин.
Прочный алюминиевый корпус, покрытый защитным слоем краски с уровнем
пылевлагозащиты IP55 / NEMA 4.
Легкочитаемый экран с подсветкой.
3 ролика на головке
Широкий выбор материалов трубок
Отсутствие смазки
Общие характеристики насоса SMART S10:
масса: 12,5 кг
напряжение: 115/230 В
частота: 50/60 Гц
мощность: 250 Вт
.5.2 Установка охлаждения жидкости
По технологическому процессу после нагрева раствора в СВЧ камере, его
необходимо охладить до температуры 250С, для этого можно воспользоваться
чиллером.
Установки охлаждения жидкости применяются для охлаждения хладоносителей:
воды и растворов гликоля, а также других жидкостей, не вызывающих коррозию
медных сплавов.
Для выбора модели установки необходимы следующие данные:
Объемный расход охлаждаемой жидкости G= 0,05 м³/ч
Требуемая (конечная) температура охлажденной жидкости Ткж= 250С;
Температура входящей в установку охлаждения жидкости Тнж= 1000С;
Удельная теплоемкость охлаждаемой жидкости Cp= 2609 Дж/(кг·0С);
Удельная плотность жидкости ρ = 1104 кг/м3.
Формула расчета требуемой холодопроизводительности установки для
охлаждения раствора:
, (5.23)
Рассчитаем требуемую мощность установки:
Дж = 3
кВт.
Принимаем
установку охлаждения жидкости фирмы ООО "Ксирон Холод" ВМТ - 4.
Установка охлаждения жидкости представляет собой изделие полной заводской
готовности, смонтированное на единой раме. Все составные части контура
хладагента соединены трубопроводами. Контур испытан на прочность и
герметичность.
Технические данные:
Хладагент
холодопроизводительность: 5,6 кВт
потребляемая мощность: 1,9 кВт
объем емкости 50 л
производительность 1,7 м3/ч
масса: 125 кг
Размеры
длина: 840 мм
ширина: 560 мм
высота: 1400 мм
.5.3 Элементы системы измерения и управления технологическим процессом
СВЧ установки
При выборе элементов системы измерения и управления можно воспользоваться
каталогом продукции компании «ОВЕН». Сегодня компания ОВЕН - крупнейший
российский разработчик и производитель средств автоматизации для различных
отраслей промышленности и занимает лидирующие позиции не только на российском
рынке, но и в странах ближнего зарубежья.
Компания ОВЕН предлагает самый широкий среди российских производителей
ассортимент выпускаемой продукции. Он включает в себя более 80 наименований
приборов, которые могут использоваться для построения систем автоматизации
любого уровня:
программируемые логические контроллеры (ПЛК); модули ввода/вывода;
операторские панели; преобразователи интерфейса.
общепромышленные регуляторы, регуляторы уровня, специализированные
контроллеры, таймеры, счетчики, блоки питания.
датчики: температуры, давления, уровня.
Программируемый логический контроллер ОВЕН ПЛК 154
Контроллер ОВЕН ПЛК 154 предназначен:
для создания систем управления малыми и средними объектами
построение систем диспетчеризации
Построение системы управления и диспетчеризации на базе ОВЕН ПЛК возможно
как с помощью проводных средств - используя встроенные интерфейсы Ethernet,
RS-232, RS-485, так и с помощью беспроводных средств - использую радио, GSM,
ADSL модемы.
Модуль ввода аналоговых сигналов МКСИ-03
Преобразователь измерительный МКСИ-03 является модульным, проектно
компонуемым микропроцессорным групповым преобразователем и предназначен для
ввода информации от аналоговых датчиков состояния технологических объектов,
управление производится по интерфейсу RS-485.
Технические характеристики:
Количество входных аналоговых сигналов - до 48.
Электрическое питание от сети переменного тока:
напряжение - 220 В с допускаемым отклонением от -15 до +10%;
частота - 50 Гц с допускаемым отклонением ±2%.
Потребляемая мощность - не более 40 ВА.
Степень защиты внутренних элементов, обеспечиваемая оболочкой, - IP 20 по
ГОСТ 14254-96.
Габаритные размеры - не более 335×175×220 мм.
Масса - не более 5,0 кг.
Термопреобразователь сопротивления ДТС
Термопреобразователь (датчик температуры) предназначен для непрерывного
измерения температуры различных рабочих сред (например, пар, газ, вода, сыпучие
материалы, химические реагенты и т.п.), не агрессивных к материалу корпуса
датчика. В качестве термодатчика принимаем ТПТ-1 фирмы ЗАО "Электронные
технологии и метрологические системы"
Глава 6. Организационно - экономический раздел
Бизнес- план разработан для организации производства и налаживания
выпуска модернизированной установки СВЧ диэлектрического нагрева. Структура и
содержание основных разделов бизнес-плана проводится ниже.
.1 Резюме
Бизнес- план документ, разрабатываемый новой или действующей фирмой,
компанией, в котором систематизируются основные аспекты намеченного
коммерческого мероприятия. Процедура разработки бизнес- плана позволяет
предвидеть возможные проблемы, избегать ошибок в управлении, распознавать и оценивать
два основных вида рисков, присутствующих в любом бизнесе: внутренний, над
которым предприниматель в целом имеет контроль (персонал, товарно-материальные
запасы, месторасположение бизнеса), и внешний (экономические условия, поведение
партнеров, конкурентов, новое законодательство, погода), т. е. то, что
предприниматель не в состоянии изменить.
Бизнес- план является объектом интеллектуальной собственности, предметом
коммерческой тайны и подлежит соответствующей защите.
.1.1 Краткое описание продукта
Установка СВЧ диэлектрического нагрева питается от трехфазной
электрической сети промышленной частоты (380 В, 50 Гц).
Таблица 6.1 Технические характеристики установки
|
Наименование
|
Ед. изм.
|
Величина
|
|
Напряжение питающей сети
|
В
|
380
|
|
Количество генераторов
|
шт
|
1
|
|
Частота
|
Мгц
|
2450
|
|
Габаритные размеры
|
м
|
1,2х1х0,3
|
|
Ресурс работы
|
лет
|
10
|
6.1.2 Цель проекта
Целью проекта является создание СВЧ установки для получения коллоидных
растворов наночастиц металлов. Планируется внедрить установку в
фармацевтическую отрасль, химическая промышленность.
.1.3Партнёры по бизнесу
На данном этапе в партнерах по бизнесу нет необходимости.
.1.4 Финансовые результаты
Для создания СВЧ установки для получения коллоидных растворов наночастиц
металлов необходимы капиталовложения. Финансирование будет проводится за счет
спонсорских средств, собственных средств и кредита банка.
.2 Описание рынка
.2.1 Основные характеристики рынка
Рынок сбыта СВЧ установок для получения ноночастиц металлов в Российской
Федерации и Саратовской области не освоен. Завоеванию рынка сбыта
благоприятствует то, что Саратов является крупным железнодорожным узлом, речным
портом, имеет развитую сеть шоссейных дорог и воздушное авиасообщение. Развитые
транспортные коммуникации способствуют продвижению продукции на рынок соседних
регионов и облегчают связь с поставщиками.
.2.2 Сегментация рынка
Наиболее возможными покупателями предлагаемой продукции являются
предприятия фармацевтической отрасли, химической промышленности. Первоначально
планируется создать сеть сбыта на региональном рынке. Вместе с тем
целесообразно для увеличения рынка сбыта начать поиск и переговоры с
представителями в других регионах страны. После завоевания устойчивого рынка
сбыта в Российской Федерации необходимо провести исследования возможных поставок
оборудования в страны ближнего и дальнего зарубежья.
.2.3 Конкуренция
Основным конкурентом СВЧ установки являются производители наночастиц
металлов с использованием традиционного метода нагрева обрабатываемого
материала. Залогом успеха в освоении рынка является высокое качество
технологического процесса, увеличенный срок службы, отечественная элементная
база, облегчающая сборку и ремонт установки, и минимальное количество
обслуживающего персонала во время эксплуатации оборудования.
.3 Сущность проекта
Рисунок 6.1.- Товарный знак предприятия НПФ «Сандарт»
Поскольку установки СВЧ диэлектрического нагрева являются оригинальными
изделиями, то права на установку и её производство необходимо защитить
патентом.
.3.1 Место размещения производства
Предприятие расположено в Заводском районе города Саратова. Место выбрано
ввиду относительно малой платы за земельный участок, достаточного количества
потенциального контингента квалифицированного персонала, наличия разветвленной транспортной
инфраструктуры, удобства поставок комплектующих элементов и поставок заказчику
готовой продукции.
.4 Производственный план
.4.1 Характеристика технологического процесса
Процесс производства включает в себя три основных этапа:
.подготовка производства
. проверка эксплуатационных параметров и режимов работы
. изготовление продукции.
Новый технологический процесс не содержит в себе принципиально новых и
неотработанных операций, что позволит минимизировать затраты и время на
освоение выпускаемой продукции. После сборки изделие проходит стадии
регулирования и проверки качества и надежности.
.5 Стратегия маркетинга
Целесообразно принимать участие в специализированных выставках. Данные
мероприятия имеют своей целью убедить потребителей в преимуществе производимого
нами товара. Для повышения конкурентоспособности необходимо улучшать качество и
надежность продукции, стремится снижать цену изделия, применять современные
ресурсосберегающие технологии.
6.6 Организационный план
.6.1 Форма собственности
Предприятие является научно производственной фирмой.
.6.2 Отношения с местной администрацией
Администрация Саратовской области проявляет особенную заинтересованность
в развитии промышленности на своей территории. В связи с этим можно
рассчитывать на поддержку деятельности предприятия администрацией, так как
промышленные предприятия нуждаются в производимой нами продукции.
.7 Риск проекта
В ходе реализации проекта могут возникнуть ситуации, в которых цели,
поставленные в проекте, могут быть полностью или частично не достигнуты.
В таблице проанализированы возможные виды рисков, влияющих на выполнение
задач проекта, и способы уменьшения их последствий.
Таблица 6.2 Возможные риски проекта
|
Виды рисков
|
Способы уменьшения последствий риска
|
|
Остановка производства основными поставщиками
|
Изучение возможности заключения договоров с другими
поставщиками в случае срыва поставок
|
|
Нехватка кадров необходимой квалификации
|
Своевременная организация повышения квалификации персонала,
работающего персонала
|
|
Стихийные бедствия
|
Своевременные страхования зданий и оборудований в страховых
компаниях
|
|
Неплатежи со стороны заказчиков
|
Включение в договор на поставку пункты о неустойке,
введение полной или частичной предоплаты
|
|
Действия конкурентов
|
Удержание цен на уровне цен конкурирующих предприятий
|
6.8 Финансовый план
.8.1 Расчет годовых издержек у потребителя
Основные технико-экономические показатели ЭТО представлены в таблице 4.3
Таблица 4.3 Основные технико-экономические показатели ЭТО
|
Наименование показателей
|
Обозначение
|
Ед. изм.
|
Величина
|
|
Мощность
|
Р
|
кВт
|
3
|
|
Частота
|
F
|
МГц
|
2450
|
|
Действительный годовой фонд времени работы ЭТО
|
t
|
ч/год
|
2000
|
|
Оптовая цена ЭТО
|
Ц
|
тыс. руб
|
350
|
|
Срок службы ЭТО
|
Т
|
лет
|
10
|
|
Количество обслуживающего персонала: - оператор - электрик
|
N
|
чел.
|
1 1
|
.8.2 Расчет
текущих годовых затрат у потребителя
Затраты
на технологическую электроэнергию состоят из платы за израсходованную
электроэнергию
, тыс.руб/год:
(6.1)
где
b - ставка одноставочного тарифа, 3,05
(данные практики);
P- мощность
t -
действительный годовой фонд времени работы установки,
.
тыс.руб/год.
Заработная
плата с начислением основных производственных рабочих, тыс.руб/год:
(6.2)
где
- коэффициент, учитывающий среднюю дополнительную
заработную плату (оплата очередных и дополнительных отпусков и другого
непроработанного времени ) основных производственных рабочих (
) рекомендации консультанта;
-
коэффициент, учитывающий единый социальный налог,
данные
практики;
t -
действительный годовой фонд времени работы установки,
;
z
- часовая тарифная ставка основных производственных
рабочих, занятых на этом оборудовании, электрик 150
, оператор 250
(данные
практики)
тыс.руб./год.
Затраты
на ремонт оборудования
, тыс.руб/год:
(6.3)
где
Ц - цена единицы ЭТО, равная 25 тыс.руб.;

-
норматив отчислений на текущий ремонт, составляет 10% (данные практики)
.
тыс.руб./год.
Результаты
расчетов представлены в таблице 4.4.
Таблица
4.4 Годовые издержки потребителя
|
Наименование
|
Обозначение
|
Ед. изм.
|
Величина
|
|
Затраты на технологическую электроэнергию
|
Иэ
|
тыс.руб/год
|
18,3
|
|
Затраты на заработную плату с начислениями
|
Изп
|
тыс.руб/год
|
1154,4
|
|
Затраты на ремонт
|
Ирем
|
тыс.руб/год
|
2,5
|
|
Итого
|
И
|
тыс.руб/год
|
1175,2
|
6.9 Расчет
срока окупаемости инвестиций методом интегральных показателей
К числу интегральных показателей экономической эффективности относится:
-
Интегральный эффект (
)или чистый дисконтированный доход (ЧДД);
- Индекс доходности (ИД);
Внутренняя норма доходности (ВНД);
Дисконтированный срок окупаемости инвестиций .
определяется
как сумма текущих (годовых) эффектов за весь расчетный период, приведенная к
начальному шагу, или как превышение интегральных результатов (доходов) над
интегральными затратами (расходами). Величина интегрального эффекта (чистого
дисконтированного дохода) вычисляется по формуле
(6.4)
где
- затраты без капитальных вложений на t-ом
шаге расчёта;
T -
продолжительность расчетного периода, или горизонт расчета;
t - номер шага
расчета, как правило, по годам, начиная с момента начала осуществления проекта;

-
результат (доходы), достигаемые на t-м шаге расчета;
-
коэффициент дисконтирования;
- сумма
дисконтированных инвестиций, определяется по формуле
(6.5)
где
, тыс.руб.- инвестиции t-го года
ИД
представляет собой отношение суммы приведенных эффектов к величине
дисконтированных капиталовложений.
,
ВНД
представляет собой ту норму дисконта, при которой величина приведенных эффектов
равна приведенным капиталовложениям.
Если
расчет ЧДД проекта дает ответ на вопрос, является он эффективным или нет при
заданной норме дисконта, то ВНД проекта определяется в процессе расчета и затем
сравнивается с требуемой инвестором нормой дохода на вкладываемый капитал. В
случае, когда ВНД равна или больше требуемой инвестором нормы дохода на
капитал, капиталовложение в этот проект оправданно. Срок окупаемости -
минимальный временной интервал (от начала осуществления проекта). За пределами,
которого
становится положительным. Другими словами, этот
период (измеряемый в годах или месяцах), после которого первоначальные вложения
и другие затраты покрываются суммарными результатами (доходами) его
осуществления. Срок окупаемости находится графически после определения
. Предпочтение отдается проектам с минимальным сроком
окупаемости. После определения интегральных показателей экономической
эффективности проекта необходимо оценить финансовое состояние предлагаемого
проекта (вариантов проекта). В качестве критериев финансовой оценки
используется рентабельность продукции.
Рентабельность
продукции вычисляется по формуле:
(6.6)
где
- валовая прибыль от производственно-хозяйственной
деятельности;
-
капиталовложения на t-том году расчета.
В
дополнение к стоимостным показателям в оценке эффективности проекта следует
использовать производительность труда, удельные расходы и потери
электроэнергии, трудоемкость обслуживания системы.
Расчет
ожидаемых технико-экономических показателей установки представленных в таблице
4.5.
.10 Пример
расчета ожидаемых технико-экономических показателей
. Выручка от реализации услуг:
(6.7)
где 1,5 - коэффициент рентабельности услуг (данные практики).
. Валовая прибыль:
(6.8)
.
Налоги:
(6.9)
Где
0,2- коэффициент учитывающий налог обложения (рекомендации консультанта)
.
Чистая прибыль:

(6.10)
.
Чистый доход без дисконтирования:
(6.11)
(6.12)
.
Коэффициент дисконтирования:
, (6.13)
где
E - норма доходности рубля, %.
.
Чистый дисконтированный доход:
(6.14)
(6.15)
.
Рентабельность продукции, %:
(6.16)
Ожидаемые
технико-экономические показатели проекта представлены в таблице 4.5.
Таблица 4.5 Ожидаемые технико-экономические показатели проекта
|
Наименование
|
Обозначения
|
Единицы измерения
|
2015
|
2016
|
2017
|
2018
|
2019
|
2020
|
2021
|
2022
|
|
Выручка
|
В
|
тыс. руб.
|
-
|
1762,8
|
1762,8
|
1762,8
|
1762,8
|
1762,8
|
1762,8
|
1762,8
|
|
Капиталовложение
|
К
|
тыс. руб.
|
25
|
-
|
-
|
-
|
-
|
-
|
-
|
-
|
|
Затраты на производство
|
И
|
тыс. руб.
|
-
|
1175,2
|
1175,2
|
1175,2
|
1175,2
|
1175,2
|
1175,2
|
1175,2
|
|
Валовая прибыль
|
тыс.
руб.-608,4608,4608,4608,4608,4608,4608,4
|
|
|
|
|
|
|
|
|
|
|
Налоги и сборы
|
Н
|
тыс. руб.
|
-
|
121,68
|
121,68
|
121,68
|
121,68
|
121,68
|
121,68
|
121,68
|
|
Чистая прибыль
|
тыс.
руб.-486,72486,72486,72486,72486,72486,72486,72
|
|
|
|
|
|
|
|
|
|
|
Чистый дисконтированный доход без дисконтирования
|
ЧД
|
тыс. руб.
|
-25
|
486,72
|
486,72
|
486,72
|
486,72
|
486,72
|
486,72
|
486,72
|
|
Коэффициент дисконтирования
|
о.е.10,910,830,750,680,620,560,51
|
|
|
|
|
|
|
|
|
|
|
Чистый дисконтированный доход
|
ЧДД
|
тыс. руб.
|
-25
|
442,92
|
403,9
|
365,04
|
330,9
|
301,8
|
272,6
|
248,2
|
|
ЧДД с нарастающим итогом
|
тыс.
руб.-25417,92821,821186,861517,761819,562092,162340,36
|
|
|
|
|
|
|
|
|
|
|
Рентабельность продукции
|
р
|
%
|
-
|
27,6
|
27,6
|
27,6
|
27,6
|
27,6
|
27,6
|
27,6
|
Используя данные таблицы 4.5 построим график, рис.4.2, изменения ЧДД с
нарастающим итогом во времени.
Рисунок
4.2. - Графическое определение срока окупаемости проекта.
Анализируя
результаты представленных в таблице 4.5 и на рисунке 4.2, 4.3 выполним
технико-экономическое обоснование проекта, представленном в таблице 4.6.
Рисунок
4.3. - Графическое определение срока окупаемости проекта с 2015 по 2017 год.
Анализируя
результаты представленные в таблице 4.5 и на рисунке 4.2, 4.3 выполним
технико-экономическое обоснование проекта, представленном в таблице 4.6.
Таблица
4.6 Технико-экономическое обоснование проекта
|
Показатели
|
Обозначение
|
Ед. изм.
|
Величина показателей
|
|
Интегральный эффект
|
ЭИНТ
|
тыс.руб
|
2340,36
|
|
Рентабельность продукции
|
P%
|
%
|
27,6
|
|
Срок окупаемости
|
ТОК
|
лет
|
1,3
|
Вывод
Срок окупаемости проекта был определен благодаря использованию
интегральных показателей экономической эффективности инвестиций. За горизонт
расчета (7 лет) были определены эффекты или будущие доходы, которые были
приведены к настоящему моменту времени, т.е. учитывалась разноценность денег во
времени. Горизонт расчета будущих расходов определяется исходя из следующих
факторов:
нормативных сроков службы оборудования;
требования инвестора;
ожидаемой массы прибыли.
На основании анализа показателей экономической эффективности проекта
можно сделать вывод о том, что проект экономически выгоден и в него стоит
вкладывать средства, так как определяющий критерий эффективности инвестиций -
ЧДД имеет положительное значение и составляет за 7 лет 2340,36 тыс.руб. Срок
окупаемости проекта составляет 1,3 года, что считается нормальным при сроке
службы установки 7 лет.
Глава 7. Безопасность электроустановки
Безопасность электроустановки -- это состояние, при котором соблюдаются
правовые нормы, выполняются эколого-защитные, отраслевые и ведомственные
правила (требования), а также за счет проведения комплекса организационных,
экономических, эколого-защитных, санитарно-гигиенических,
санитарно-эпидемиологических, инженернотехнических и специальных мероприятий
обеспечивается гарантированное поддержание опасных и вредных факторов в
нормативной величине, предотвращается вероятность возникновения аварий и
катастроф.
.1 Особенности воздействия опасных и вредных производственных факторов
при работе с СВЧ техникой
При выполнении технологического процесса по получению наночастиц с
помощью СВЧ энергии возможно воздействие на работающих следующих опасных и
вредных производственных факторов:
) возможность поражения электрическим током;
)повышенная температура поверхности оборудования и обрабатываемого
материала;
) электромагнитное излучение;
) поражение электрическим током;
) психофизические перегрузки.
Концентрация напряженности электромагнитного поля регламентируется СанПиН
2.2.4.1191-03 «Электромагнитные поля в производственных условиях».
Гигиенические требования к микроклимату на рабочих местах установлены
государственным стандартом ГОСТ 12.1.005-88 «Общие санитарно-гигиенические
требования к воздуху рабочей зоны», СанПиН 2.2.4.548- 96 «Гигиенические
требования к микроклимату производственных помещений». В холодный период года
температура воздуха должна составлять 22 - 24 0С, относительная влажность
воздуха 60 - 40 %, скорость движения воздуха 0,1 м/с; в теплый период года
температура воздуха должна составлять 23 - 25 0С, относительная влажность
воздуха 60 - 40 %.
Требования к уровням шумов устанавливаются стандартом ГОСТ 12.1.003- 83
«Шум». Общие требования безопасности (с изменением №1), СН 2.2.4/2.1.8.562-96
«Шум на рабочих местах, в помещениях жилых и общественных зданий и на
территории жилой застройки» не должен превышать 60дБ.
Напряжение прикосновения и ток, протекающий через тело человека при
работе с электрооборудованием, не должны превышать 8 В и 1 мА соответственно,
согласно ГОСТ 12.1.038-82 «ССБТ. Электробезопасность. Предельно допустимые
уровни напряжений прикосновения и токов».
Требования к системе пожарной безопасности, организационно-технические
мероприятия по обеспечению пожарной безопасности должны обеспечиваться в
соответствии с требованиями ГОСТ 12.1.004-91 «ССБТ. Пожарная безопасность.
Общие требования»,
.2 Требования к оборудованию
Оборудование для получения наночастиц с помощью СВЧ энергии должно
отвечать требованиям ГОСТ 12.2.003-91 «ССБТ. Оборудование производственное.
Общие требования безопасности».
Рабочее место должно обеспечивать возможность удобного выполнения работ в
положении сидя или стоя или в положениях и сидя, и стоя, конструкция
производственного оборудования должна обеспечивать такие физические нагрузки на
работающего, при которых энергозатраты организма в течение рабочей смены не
превышали бы 1046,7 кДж/ч в соответствии с ГОСТ 12.2.049-80 «ССБТ. Оборудование
производственное. Общие эргономические требования».
Согласно СанПиН 2.2.2/2.4.13.40-03 «Санитарно - эпидемиологические
правила и нормативы». Пульты управления и общие эргономические требования при
работе оператора в положении сидя, средства отображения информации и органы
управления, умещающиеся в зоне, ограниченной снизу плоскостью, отстоящей от
пола не менее чем на 700 мм и не более чем на 1500 мм по фронту, располагают на
фронтальной панели. Если располагаемые на панели элементы не умещаются в
указанных пределах, используют трапециевидную, многогранную или полукруглую
форму панелей. Диаметр полукруглой и многогранной панелей должен быть не менее
1200 мм.
Оборудование должно обеспечивать максимальную степень автоматизации и
механизации процесса получения наночастиц.
Установки СВЧ нагрева должны иметь системы независимого охлаждения и
продувки рабочей камеры установки нейтральными или инертными газами.
Конструкция оборудования должна обеспечивать возможность обезжиривания
элементов, соприкасающихся с кислородом.
Пульт управления СВЧ установки должен иметь красную кнопку «стоп»,
обеспечивающую отключение электроэнергии и подачи сырья в рабочую камеру
установки.
При эксплуатации СВЧ оборудования для получения наночастиц металлов
необходимо осуществлять постоянный контроль, систематический осмотр и
профилактический ремонт в соответствии с инструкцией по его эксплуатации.
Эксплуатация детонационного оборудования на производственных участках
должна производиться после приемки их специальной комиссией с участием инженера
по технике безопасности, сотрудника МЧС, технического инспектора профсоюза и
представителя СЭС.
7. 3 Электробезопасность СВЧ установки
Под электробезопасностью понимается такая эксплуатация установки, при
которой исключается возможность воздействия электрического тока на человека.
Основными причинами являются случайное соприкосновение или приближение на
опасное расстояние к токоведущим частям, появление напряжение на металлических
частях оборудования в результате повреждения изоляции или ошибочных действий
персонала.
При эксплуатации электроустановки необходимо соблюдать ПОТ Р М-016-2001
«Межотраслевые правила по охране труда при эксплуатации электроустановок».
Персонал должен пройти проверку знаний правил и инструкций по технической
эксплуатации. Персонал обязан соблюдать требования настоящих правил, инструкцию
по охране труда, указания, полученные при инструктаже.
Подготовку объекта, сборку цепей, ремонт необходимо проводить при
отсутствии напряжения или остаточного заряда на объекте.
Для обеспечения нормальной работы электроустановок и защиты от поражения
электрическим током необходимо применять рабочую изоляцию -- электрическая
изоляция токоведущих частей.
Защитное заземление. Защитным заземлением называется преднамеренное
электрическое соединение с землей или ее эквивалентом металлических токоведущих
частей, которые могут оказаться под напряжением. Защитное заземление
предназначено для устранения опасности поражения электрическим током в случае
прикосновения к корпусу и другим нетоковедущим металлическим частям,
оказавшимся под напряжением вследствие замыкания на корпус и по другим
причинам. Защитное заземление должно быть выполнено согласно ПУЭ, и
соответствовать требования ГОСТа 12.1.030 -- 81.
Блокировка. Блокировка - это устройство, предотвращающее попадание
работающих под воздействие поражающего фактора (напряжение, электромагнитное
излучение) в результате ошибочных действий. Например, при работе установки СВЧ
нагрева категорически запрещается открывать дверцу установки, так как
работающий сразу же оказывается под воздействие мощных электромагнитных полей.
Блокировка позволяет моментально отключить питание установки и тем самым
исключить воздействие вредного фактора на человека.
.4 Электромагнитная безопасность
В нашем случае защита от воздействия электромагнитных полей
обеспечивается следующими способами:
. СВЧ фильтры. Узел соединения СВЧ генератора (магнетрона) с источником
питания содержит переходные конденсаторы, которые вместе с дросселями образуют
СВЧ фильтр для защиты от проникновения СВЧ излучения из магнетрона.
. Уменьшение параметров излучения. Уменьшение параметров излучения в
самом источнике излучения достигается за счет применения самосогласованных
нагрузок и поглотителей мощности. В качестве нагрузки генератора вместо
открытых излучателей применяют поглотители мощности, представляющие собой
коаксиальные или волноводные линии, частично заполненные поглощающими
материалами (чистым графитом или в смеси с цементом, песком и резиной;
пластмассами; порошковым железом в бакелите, керамикой, деревом, водой и т.д.)
. Ослабление излучения. Достигается применением во фланцевых соединениях
бронзовых прокладок, дроссельных фланцев или использование в зазоре фланцевого
соединения специальных металлических хомутов, покрытых радиопоглощающим
материалом с облучаемой стороны.
. Экранирование источников излучения. Используется для ослабления
интенсивности электромагнитного поля на рабочем месте или устранения опасных
зон излучения. В местах согласования генератора СВЧ энергии и волновода,
волновода и рабочей камеры возможны утечки СВЧ излучения, поэтому необходимо
экранировать эти места с помощью стальных экранов.
. Ограничение времени пребывания персонала в рабочей зоне. Применяется
для электрического поля частотой 50 Гц и излучений в диапазоне 300 МГц -- 300
ГГц.
.5 Требования к производственным помещениям
Помещение, предназначенное для эксплуатации СВЧ установки должно
удовлетворять требованиям действующих строительных, санитарных норм и правил
проектирования промышленных предприятий.
Полы производственного помещения должны удовлетворять требованиям СНиП
2.03.13-88 «Полы», иметь ровную нескользкую поверхность (отклонение от
заданного уклона не более 0,2 %), допускать влажную уборку.
Помещение, в котором происходят работы с СВЧ аппаратурой, должно быть
обеспечено комбинированным освещением не менее чем 400лк в соответствии с СП
52.13330.2011 «Естественное и искусственное освещение».
Конструктивные решения производственных зданий должны отвечать
требованиям СНиП 21-01-97 «Пожарная безопасность зданий и сооружений» и СНиП
3103-2001 «Производственные здания», также необходимо провести инструктаж по
технике пожарной безопасности согласно приказу МЧС РФ от 12декабря 2007 г. N
645"Об утверждении Норм пожарной безопасности "Обучение мерам
пожарной безопасности работников организаций".
Помещения должны быть оборудованы приточно-вытяжной вентиляцией и
отоплением в соответствии с требованиями СП 73.13330.2012 «Внутренние
санитарно-технические системы зданий».Согласно СНиП 41-01-2003 «Отопление,
вентиляция и кондиционирование» системы вытяжной вентиляции с механическим
побуждением следует предусматривать с одним резервным вентилятором,
обеспечивающим расход воздуха, необходимый для поддержания в помещениях
концентрации горючих газов, паров или пыли, не превышающей 10 % нижнего
концентрационного предела распределения пламени (НКПРП) газо-, паро- и
пылевоздушных смесей.
.6 Требования к обслуживающему персоналу
Согласно выше перечисленным способам защиты от электромагнитных полей и
от поражения электрическим током необходимо неукоснительное соблюдение
следующих мер безопасности во время работы:
. для обслуживающего персонала, а так же для всех работников, связанных с
эксплуатацией установки СВЧ нагрева, обязательно соблюдение правил технической
эксплуатации электроустановок и правил техники безопасности при эксплуатации
электроустановок (ПОТ РМ -- 016 -- 2001).
. Перед началом работы проверить целостность защитного заземления СВЧ
установки.
. Произвести контрольный замер плотности потока мощности по возможным
местам утечек и на рабочем месте.
. Категорически запрещается включать установку СВЧ нагрева с открытой
дверцей.
. Запрещается открывать дверцу во время технологического процесса.
Открывать дверцу установки, после того как установка будет отключена от
электрической сети.
. При выводе в ремонт электроустановку необходимо обесточить, выключив ее
из сети питания и заземлить.
. При ремонте источника СВЧ энергии необходимо разрядить емкость в цепи
питания генератора СВЧ энергии, куском изолированного провода.
. По окончании ремонта необходимо убрать весь монтажный мусор, особого
внимания требует волновод. Наличие постороннего предмета внутри волновода может
привести к серьезному повреждению электроустановки и нанести вред
обслуживающему персоналу.
. При отклонениях величины излучения СВЧ генератора от нормативной
величины необходимо принять меры к выявлению причин отклонений и их устранению.
. При возникновении аварийной ситуации (появление дыма, возгорания)
необходимо сделать следующее:
обесточить электроустановку;
вызвать пожарную охрану;
воспользоваться первичными средствами пожаротушения (при наличии
возгорания).
оказать доврачебную помощь пострадавшим.
Заключение
Предложен метод синтеза наночастиц меди с помощью СВЧ энергии. Данный
метод получения наночастиц металла в растворах относится к группе химических
методов, основанных на восстановлении ионов металла до атомов в условиях,
благоприятствующих формированию наночастиц. Для получения наночастиц
использовали ацетат меди ХЧ, диметилсульфоксид марки ЧДА. Реакция происходит
при температуре раствора 1000С.
На основе данного метода синтеза был проведен ряд
опытов. В результате которых был получен раствор наночастиц меди.
В ходе работы над проектом были проанализированы существующие типы СВЧ
установок для нагрева жидкостей, сделан обзор патентной литературы и было
принято решение, что для реализации метода синтеза НЧМ в промышленных масштабах
необходимо разработать собственную СВЧ установку непрерывного действия, с
требуемыми параметрами.
Для разработки технологического процесса были исследованы диэлектрические
характеристики раствора.
Выполнен синтез КБВ на нерегулярном круглом волноводе, выбран источник
СВЧ энергии. Основным преимуществом разработанной установки является
возможность значительно сократить продолжительности температурного воздействия
на раствор и значительно повысить равномерность нагрева.
Список используемой литературы
1.
Архангельский Ю.С. СВЧ Электротермия. - Саратов: Сарат. гос. техн. ун-т, 1998.
- 408с.
. Шавшукова
С.Ю. Исторические этапы развития микроволновой техники дл научных исследований
и промышленных процессов: Автореф. дис. канд. техн. наук: Спец.: 07.00.10/ С.Ю.
Шавшукова; УГНТУ. - Уфа, 2008. - 48с.
. Внукова
Н.Г. Наноматериалы и Нанотехнологии: Учеб. пособие/ Н.Г. Внукова, Г.Н. Чурилов
- Красноярск: Сибир. фед. ун-т, 2007. - 103с.
. Казанцев
И.В., Синтез наноразмерного оксида меди/ Ильясов С.Г., Зайковский В.И.//
Ползуновский вестник.-2010.- № 4-1.- С. 20-23
.
Наноматериалы. Классификация, особенности свойств, применение и технологии
применения: Учеб. пособие/ Балоян Б.М., Колмаков А.Г., Алымов М.И., Кротов А.М.
- М: 2007. - 107 с.
. Пат.
2074530 Российская Федерация, МПК6 Н05В6/64. Микроволновый нагреватель жидких
сред/ Пчельников Ю.Н., Елизаров А.А.; заявитель и патентообладатель Товарищ. с
ограниченной ответственностью «Научно-техническое предприятие «Ликташ».-
№5045196/09; за-явл. 02.06.1992; опубл. 27.02.1997.
. Пат.
2078404 Российская Федерация, МПК6 Н05В6/64. Устройство для СВЧ-обработки
жидких диэлектрических сред / Давидович М.В., Сучков С.Г.; заявитель и
патентообладатель Давидович М.В.- №2003106020/09; за-явл. 24.12.1992; опубл.
27.04.1997.
. Брандт А.А.
Исследование диэлектриков на сверхвысоких частотах:
Учеб. для
вузов/ А.А. Брандт. - М.: Физматгиз, 1963. - 404 с.
.
Архангельский Ю.С. Установки диэлектрического нагрева. СВЧ установки: Учебное
пособие. - Саратов: Сарат.гос.техн.ун-т, 2003. - 344с.