Проектирование системы электроснабжения карьера
Введение
Технически прогресс в горной промышленности определяется значительным
увеличением выпуска существующих горных машин и комплексов, освоением новых
высокопроизводительных машин. Большое внимание при этом должно уделяться
повышению их качества, надежности -одно из важнейших задач современности, что
связано с непрерывным ростом интенсификации технологических процессов горного
производства, повышением производительности оборудования и увеличением
воздействующих на него нагрузок.
Горнопромышленный комплекс Казахстана - важнейший базовый элемент
народного хозяйства, играет определяющую в нем роль и является поставщиком
большей части минерального сырья и топлива. Горнодобывающая промышленность
признана одним из приоритетных, определяющих экономический потенциал страны в
целом, ее экспортные возможности. На территории Казахстана сосредоточены
огромные минеральные богатства мирового значения. По запасам вольфрама и барита
Республика занимает первое место в мире; второе - по запасам хромовых,
фосфорных и урановых руд; третье - по запасам меди, серебра, свинца и цинка;
четвертое - по запасам молибдена; шестое - по запасам золота; восьмое - по
запасам железных руд. Как известно, одно из ведущих мест в мире Казахстан
занимает по запасам нефти и газа.
Главное предназначение горного дела - обеспечение общества минерально-сырьевой
продукцией и сохранение для дальнейшего использования подземного пространства
недр.
Приоритетом на ближайшую и дальнюю перспективы является разработка
научно-технической стратегии развития горной науки в недропользовании
республики.
Цель курсового проекта: систематизация, расширение и закрепление
теоретических знаний в области проектирования и эксплуатации систем
электроснабжения горных предприятий. В ходе курсового проектирования решаются практические
задачи, связанные с передачей, преобразованием, распределением электроэнергии
проводятся необходимые расчеты и технико-экономические обоснования.
1.
Характеристика электроприёмников
На современных открытых горных разработках широко применяют
высокопроизводительные механизированные установки и комплексы с электроприводом
оснащены значительным количеством электротехнических изделий, на условия
эксплуатации которых, существенное влияние оказывают климатические и
горнотехнические факторы.
На проектируемом карьере в соответствии с индивидуальным заданием
применяется следующее оборудование: экскаваторы на вскрыше, экскаваторы на
добыче, буровые станки, водоотливные установки и другие потребители
электрической энергии.
Карьерные
экскаваторы типа ЭКГ, являются основным типом выемочно-погрузочного
оборудования при разработке скальных горных пород. Экскаваторы ЭКГ выпускают с
ковшами емкостью от 4,6 до 16 м
, на
гусеничном ходу, с электрическим приводом и мощным рабочим оборудованием,
прямой механической лопатой. Карьерные экскаваторы используются для разработки
любых горных пород, но главным образом они предназначены для разработки
скальных пород с нижней погрузкой в транспортные сосуды.
электроснабжение
карьер ток напряжение
Таблица 1 Технические характеристики экскаватора ЭКГ-6,3У
|
Параметры
|
Значения
|
|
Вместимость ковша, м3
|
6,3
|
|
Тип сетевого двигателя
|
СДЭ2-16-46-6У2
|
|
Мощность, кВт
|
1250
|
|
Номинальное напряжение, кВ
|
6
|
|
К.П.Д. %
|
96
|
|
Номинальный ток, А
|
140
|
|
Тип ТСН
|
ТМЭ-160/6
|
|
Мощность ТСН, кВ·А
|
160
|
Экскаваторы типа ЭШ предназначены для выемки грунтов I и II категорий
крепости при производстве вскрышных работ по бестранспортной схеме с укладкой
породы в выработанное пространство или на борт забоя с предварительным
рыхлением в зимнее время.
Таблица 2 Технические характеристики экскаватора ЭШ 14,50У
|
Параметры
|
Значения
|
|
Вместимость ковша, м3
|
14
|
|
Тип сетевого двигателя
|
СДЭ-2-16-46-6
|
|
Мощность, кВт
|
1460
|
|
Номинальное напряжение, кВ
|
6
|
|
К.П.Д., %
|
95,5
|
|
Номинальный ток, А
|
250
|
|
Тип ТСН
|
ТМЭ-250/6
|
|
Мощность ТСН, кВ·А
|
250
|
В карьерах применяются станки типа СБР для бурения скважин и шпуров.
Существуют следующие виды бурения: ударно - канатное, огневое, шпуровое, ударно
- поворотное, вращательное и ударно - вращательное.
В данном курсовом проекте используется буровой станок шарошечный типа СБР
- 160 А-24.
Широкое применение станки СБШ получили на вскрышных и добычных работах.
Техническая характеристика бурового станка СБР - 160 А-24 приведена в таблице
3.
Таблица 3 Техническая характеристика бурового станка
|
Параметры
|
Значения
|
|
Установленная мощность, кВт
|
184
|
|
Подводимое напряжение, В
|
380
|
Для осушения карьера используются открытые водоотливные установки. Их
устанавливают на нижних и на верхних горизонтах и подводят дренажные камеры, из
которых затем по системе трубопроводов вода удаляется за пределы карьера.
Основным электрооборудования водоотливных установок являются приводные
двигатели и пускозащитная аппаратура. Для привода насосов применяются
асинхронные электродвигатели с короткозамкнутым ротором напряжением до 1 кВ и
выше 1 кВ, мощность и количество двигателей указаны в задании.
В зависимости от требований обеспечения бесперебойности и надежности
электроснабжения потребители электроэнергии в соответствии с Правилами
устройства электроустановок (ПУЭ) подразделяются на три категории. Отнесение
потребителей к определенной категории производится на основе анализа
последствий нарушений электроснабжения, так как степень резервирования
электроснабжения влияет на капитальные затраты.
Таблица 4
Категории потребителей
|
Категории
|
Потребители
|
|
I
|
-
|
|
II
|
Экскаваторы, водоотливные
установки
|
|
III
|
Буровые станки, наружное
освещение
|
.
Выбор схемы электроснабжения
Основные источники электроснабжения большинства карьеров - мощные
районные и объединенные энергосистемы. В районах, удаленных от энергетических
систем, карьеры питаются от местных электростанций. Выбор обосновывают
близостью источника питания, его надежностью, мощностью, уровнем напряжения,
возможностью повышения надежности электроснабжения за счет питания от
нескольких источников.
Построение схемы внешнего электроснабжения (от выводов районных
подстанций (РПС) до вводов на шины главных понизительных подстанций (ГПП)
предприятий) зависит от многих факторов: площади и глубины карьера, способов
разработки месторождения, мощности главных приводов горных машин, системы
транспорта, технических параметров, схемы и расстояния до ближайшего источника
питания.
С учетом расстояния от РПС до ГПП равное 25000 м, площади 10,14 км2,
количества и мощности электроприемников, принимаем питание карьера от РПС по
одной двухцепной воздушной линии электропередачи (ВЛ), на металлических опорах
напряжением 110 кВ в зависимости от произведенного в дальнейшем расчета и
выбора рода тока и величины напряжения. По характеру присоединения
электроприемников к линиям электропередачи внешнюю схему электроснабжения
принимаем радиальной.
Местоположение ГПП выбирается на поверхности, у границы карьерного поля,
на рабочем борту карьера, вне зоны действия взрывных работ.
Так как на карьере имеются потребители II-й категории, то от РПС до ГПП прокладываются две линии. В
нормальном режиме все питающие ЛЭП должны находиться под нагрузкой и работать
раздельно.
Для проектируемого карьера, имеющего среднюю территорию горных разработок,
предполагается соорудить одну ГПП с первичным напряжением 110 кВ,
получающих питание от одной РПС.
Открытые распределительные устройства (ОРУ) ГПП оборудуются по
упрощенному варианту с установкой отделителей и короткозамыкателей.
По характеру присоединения электроприемников к линиям электропередачи
принимаются радиальные двухступенчатые схемы с применением двух промежуточных
карьерных распределительных пунктов (КРП). Применение карьерных
распределительных пунктов сокращает протяженность распределительной сети, время
подключения передвижных электроприемников, снижаются объемы и сроки
строительных и монтажных работ при сооружении системы электроснабжения.
В зависимости от расположения распределительных ВЛ и КЛ относительно
фронта горных работ принимается комбинированная схема , которая предполагает
прокладывание линий вдоль и поперек уступов карьера.
Конструктивно карьерные распределительные сети выполняются
комбинированными, т.е. воздушно - кабельными.
.
Расчёт освещения карьера
Электрическое освещение предназначено обеспечить: безопасное передвижение
людей и всех видов транспорта в карьере, возможность выполнения основных и
вспомогательных работ, а также возможность общего наблюдения за работами.
Цель расчета - определение необходимого количества светильников, их
мощности и типа, которые способны своим световым потоком создать освещенность
не ниже установленных норм.
Расчет производится по методу светового потока. Суммарный световой поток
осветительных установок ΣФ, необходимый для создания минимальной освещенности
Ен = 0,2 лк, определяется по формуле:
ΣФ = Ен ∙ S ∙ kз ∙
kп,
где Ен - минимальная освещенность, лк;
S -
площадь карьера, м2;
kз -
коэффициент запаса;
kп -
коэффициент, учитывающий потери света
= 0,2∙10140000∙1,5∙1,5
= 4563000 лм
Для
общего освещения карьера применяются светильники типа ОУКсН, техническая
характеристика которых представлена в таблице 5.
Таблица
5 Характеристика светильника
|
Тип светильника
|
кпд, %
|
Максимальная сила света, кд
|
Размеры светильника
|
|
|
|
L,мм
|
B,мм
|
H,мм
|
|
ОУКсН
|
76
|
650000
|
2500
|
840
|
1610
|
Осветительные приборы комплектуются ксеноновыми лампами типа ДКсТ,
обеспечивают близкий к солнечному спектру излучения, высокое качество
цветопередачи.
Таблица 6 Характеристика лампы ДКСТ-20000
|
Лампа
|
Мощность, кВт
|
Напряжение, В
|
Ток, А
|
Световой поток, лм
|
|
ДКСТ
|
20
|
380
|
56
|
694000
|
Ксеноновые трубчатые лампы в осветительном оборудовании используются в
качестве протяженного источника излучения с большой единичной мощностью,
обеспечивают излучения близкое к солнечному спектру, высокое качество
цветопередачи.
Количество светильников, определяется по формуле:
n =
,
n
шт.
где
ФЛ - световой поток лампы, лм;
-
коэффициент использования лампы
Требуемая
высота мачты определяется по формуле
где
- максимальная сила света, кд
4. Расчёт электрических нагрузок
Расчет электрических нагрузок производится с целью последующего выбора
трансформатора ГПП, ПКТП, сечения проводов питающих линий, выбора и размещения
компенсирующих устройств.
Этот этап проекта является весьма ответственным, т.к. хроническая
недогрузка трансформатора ухудшает его энергетические показатели, а перегрузка
ведет к преждевременному выходу из строя.
Расчет электрических нагрузок производится по методу коэффициента спроса,
так как этот метод, на основании многочисленного опыта проектирования и
эксплуатации, считается наиболее применимым для расчета нагрузок в горной
промышленности.
Расчетные активная РР и реактивная QР мощности определяются из выражений:
РР = ΣРНОМ ×КС;
QР = РР ×tq
Р,
где
КС - коэффициент спроса, справочная величина;
tq
- cоответствует
характерному для данной группы электроприемиков
cos
, определяемому по справочным материалам
Результаты
расчета записываются в таблицу 7
Таблица
6 Расчет электрических нагрузок
Наименование
потребителей n, шт. Pном, кВт ΣPном, кВт 
Pр,
|
кВтQр, квар
|
|
|
|
|
|
Экскаваторы типа ЭКГ-6,3У
|
4
|
1250
|
5000
|
0,6
|
3000-1452
|
|
|
|
ТСН экскаватора типа
ЭКГ-6,3У ТМЭ-250/6
|
4
|
160
|
640
|
0,6
|
384338,7
|
|
|
|
Экскаваторы типа ЭШ 14.50У
|
4
|
1460
|
5840
|
0,55
|
3212-1554,6
|
|
|
|
ТСН экскаватора типа ЭШ
14.50У ТМЭ-250/6
|
4
|
250
|
1000
|
0,55
|
550392,7
|
|
|
|
Буровой станок типа СБР-160
А-24
|
10
|
184
|
1840
|
0,6
|
1104788,3
|
|
|
|
Насосы водоотлива
|
2
|
420
|
840
|
0,8
|
672504
|
|
|
|
Наружное освещение
|
10
|
20
|
200
|
1,0
|
2000
|
|
|
|
Итого
|
|
|
|
|
|
9122
|
-982,9
|
Полная расчетная мощность определяется по формуле:
SР =
;
SР =
Полная
расчетная мощность, с учетом потерь в трансформаторе, определяется по формуле:
SР =
,
где
- активные потери мощности в трансформаторе, кВт,
=
;
-
реактивные потери мощности в трансформаторе, квар,
.
SР =
. Компенсация реактивной мощности
Показателем
качественного использования электрической энергии, является коэффициент
мощности карьера, cos
КР, который определяется по результатам расчета
электрических нагрузок по формуле:
cos
=
cos
=
=0,98
Если
выполняется условие cos
сos
, то дополнительных компенсирующих устройств не
требуется. Если cos
< сos
, то необходимо использовать компенсирующие
устройства, в качестве которых применяют батареи статических конденсаторов
Энергосистемой
задается cos
Условие
cos
кр ≥ cos
с
выполняется 0,98 > 0,95
6. Выбор
рода тока и величины напряжения
Род тока определяется, главным образом, электроприводом горнотранспортных
машин и механизмов. Для большинства карьерных машин и механизмов применяется
переменный трехфазный ток. Постоянный ток, требуемый для экскаваторных
электроприводов системы генератор - двигатель, получают путем преобразования
переменного тока различными установками (полупроводниковые выпрямительные
агрегаты двигатель - генератор, ртутные и и т.д.).
При решении задачи о рациональном напряжении внешнего электроснабжения в
общем случае следует предварительно определить нестандартное напряжение, при
котором имели бы место минимальные затраты. Расчетное значение напряжения UР, кВ определяется по формуле:
UР = 4,34 ×
,
UР = 4,34 ×
,
где
LВЛ - длина питающей линии, км;
-
расчетная активная мощность, МВт.
UР = 56,6кВ
Исходя
из расчетного значения UР целесообразно выбрать стандартное напряжение 110 кВ.
Напряжения
для внутрикарьерных электрических сетей выбираются в зависимости от типа
двигателей горнорудного оборудования. Подвод электроэнергии к экскаваторам
осуществляется напряжением 6 кВ. Для буровых станков применяется напряжение 380
В. Для освещения и электрифицированного инструмента используется напряжение
380, 220 и 127 В.
7. Выбор
силовых трансформаторов
Выбор числа трансформаторов главной понизительной подстанции на карьерах
производится с учетом расчетной нагрузки и категории потребителей
электроэнергии. Так как на карьере имеются потребители II категории, то к установке принимается 2 силовых
трансформатора, что обеспечивает резервирование питания. На ГПП устанавливают
силовые трансформаторы с регулированием под нагрузкой (с РПН).
Расчетная мощность трансформатора ГПП Sтр, кВ · А, определяется с учетом допустимой перегрузки
трансформатора.
SТ.Р. =
,
где КП - коэффициент перегрузки трансформатора, Кn = 1.4;
сos
- коэффициент мощности карьера
По
справочнику принимается трансформатор с ближайшим большим значением мощности.
Технические данные трансформатора записываются в таблицу 3.
SТ.Р. =
=6648,7 кВ·А
По справочнику выбираем трансформатор ближайший по мощности типа ТДН
10000/110
Таблица 8 Технические данные ТДН 10000/110
|
Тип
|
Мощность, кВ·А
|
Потери мощности
|
Uк.з, %
|
Iх.х, %
|
|
|
Рх.х, кВт
|
Рк.з, кВт
|
|
|
|
ТДН 10000/110
|
10000
|
18
|
60
|
10,5
|
0,9
|
Выбранный трансформатор проверяется по нагрузке в номинальном режиме
КЗ.Н.
=
Выбранный
трансформатор проверяется по нагрузке в номинальном режиме
КЗ.Н.
=
КЗ.Н.
=
КЗ.Н.
=0,46
,46
< 0,7
При
проектировании и эксплуатации подстанций необходимо стремиться к тому, чтобы
фактическая нагрузка трансформаторов была
близка к экономической.
Коэффициент
загрузки сравнивается с экономическим коэффициентом загрузки.
КЗ.Э
=
,
где
- потери мощности в стали трансформатора, кВт;
- потери
в меди трансформатора, кВт;
КПП
- коэффициент повышения потерь, КП = 0,02 ÷ 0,13
QХХ - потери
реактивной мощности при холостом ходе, квар;
QХХ = 0,01 × IХХ ×SТ.Н.
QК.З.- потери
реактивной мощности при коротком замыкании
трансформатора, квар;
QК,З, = 0,01 × UК.З.
×SТ.Н.
∆Qxx =
= 90 квар
∆Qкз =
= 1050 квар
kзэ =
= 0,49
Производится
проверка трансформаторов по перегрузочной способности при аварийном отключении
одного из них
КЗ.А
=
Кn
КЗ.А
=
=0,9
Мощность
передвижных трансформаторов рассчитываются по формуле:
Sт =
,
где
kc - коэффициент спроса;
Руст
- активная мощность оборудования, кВт;
cosφ - коэффициент
мощности
Определяется
полная расчетная мощность трансформатора для передвижной однотрансформаторной
ПКТП
Sт =
= 157,7 кВА
Выбирается
по справочнику ближайший по мощности стандартный трансформатор, технические
данные приводятся в таблице 6
Таблица
9 Технические данные трансформатора ТМ-250/6-10
|
Тип
|
Мощность, кВА
|
Потери мощности
|
Uкз, %
|
Ixx, %
|
|
|
Рхх, кВт
|
Ркз, кВт
|
|
|
|
ТМ-250/6-10
|
250
|
0,94
|
3,7
|
4,5
|
2,3
|
8. Расчёт токов короткого замыкания
Соединение между собой через малые сопротивления отдельных элементов
электроустановок, находящихся под напряжением, приводит к процессу, называемому
короткое замыкание. Основные причины к. з. - нарушение изоляции токоведущих
частей вследствие старения или механических повреждений; перекрытие
неизолированных проводников птицами или животными; прямые удары молнии в
провода ВЛ или открытые распределительные устройства (ОРУ); ошибочное действие
обслуживающего персонала.
В системах трехфазного переменного тока возможны несколько видов
короткого замыкания: трехфазное, когда все три фазы соединяются непосредственно
между собой или через землю; двухфазное, когда две фазы соединяются
непосредственно между собой или через землю; однофазное, когда фаза соединяется
с землей.
Токи короткого замыкания рассчитываются для выбора электрических
аппаратов, расчета установок релейной защиты, режимов энергосистем и других
практических задач.
Целью расчета является определение следующих величин:
Iуст -
действующее значение установившегося тока к.з., кА;
iуд -
мгновенное значение ударного тока к. з., кА;
Iуд -
действующее значение ударного тока к. з., кА
Sкз -
мощность трехфазного короткого замыкания, мВА
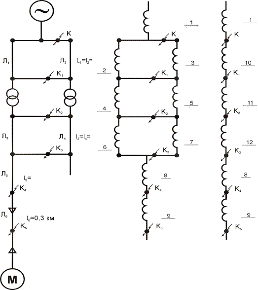
По схеме замещения (рисунок 1, б и в) определяется сопротивление системы,
в точке К:
х1
=
,
х1
=
= 0,028
где
Sσ - базисная мощность, МВА;
Sк - мощность
трехфазного короткого замыкания, МВА
Определяется
реактивное сопротивление линий Л1 и Л2:
х2
= х3 =
,
х2
= х3 =
= 0,075
где
х0 = 0,4 Ом/км (для ВЛ) - реактивное сопротивление 1 км линии
l1 - длина
воздушной линии от РПС до ГПП, км
Uσ1 - номинальное напряжение на линии, кВ
Параллельное
включение линий Л1и Л2
х10
=
= 0,0375
Находится
реактивное сопротивление трансформаторов Т1 и Т2
х4
= х5 =
,
где
Uк - напряжение короткого замыкания трансформатора, %;
Sтном -
номинальная мощность трансформаторов, МВА
Параллельное
включение трансформаторов Т1 и Т2
х4
= х5 =
= 1,05
х11
=
= 0,525
Определяется
реактивное сопротивление линий Л3 и Л4
х6
= х7 =
,
х6
= х7 =
= 1,3
где
Uσ2 - номинальное напряжение на линии, кВ;
l3 - длина
воздушной линии от ГПП до КРП, км.
Рисунок
1 Схема к расчету токов к.з.
Параллельное
включение линий Л3 и Л4 х12 =
= 0,65
Находится
реактивное сопротивление линии Л5
х8
=
,
х8
=
= 1,3
где
l5 - длина воздушной линии от КРП до КРН, км
Находится
реактивное сопротивление линии Л6
Х9
=
= 0,06
где
x0 = 0,08 Ом/км реактивное сопротивление 1 км кабельной
линии;
l6 - длина
кабельной линии от КРП до потребителя, км.
Результирующие
сопротивления до точек короткого замыкания, приведенные к базисному напряжению:
До
точки К1
х13
= х1 + х10
х13
= 0,028 + 0,0375= 0,065
До
точки К2
х14
= х13 + х11
х14
= 0,065 + 0,525 = 0,59
До
точки К3
х15
= х14 + х12
х15
= 0,59 + 0,65 = 1,24
До
точки К4
х16
= х15 + х8
х16
= 1,24 + 1,3 = 2,54
До
точки К5
х17
= х16 + х9
х17
= 2,54+ 0,06 = 2,6
Рассчитываются
базисные токи на соответствующих ступенях напряжения:
Iσ1 =
Iσ1 =
=
0,5 кА
Iσ2 =
=
9,18 кА
Рассчитываются
относительные и абсолютные значения токов при трехфазном коротком замыкании в
соответствующих точках:
В
точке К1:
Iк1* =
Iк1* =
= 15,4
Iк1 = Iк1* × Iσ1 Iк1 = 15,4×0,5 = 7,7 кА
iуд1 = 2,55 × Iк1 iуд1
= 2,55 ×
7,7 = 19,64 кА
Iуд1 = 1,52 ×Iк1 Iуд1
= 1,52 ×
19,64 = 11,7 кА
В
точке К2:
Iк2* =
Iк2* =
= 1,69
Iк2 = Iк2* ×Iσ2 Iк2 = 1,69×9,18 = 15,5 кА
iуд2 = 2,55 × Iк2 iуд2
= 2,55 ×
15,5 = 39,5 кА
Iуд2 = 1,52 ×Iк2 Iуд2
= 1,52 ×15,5 = 23,6 кА
В
точке К3:
Iк3* =
Iк3* =
= 0,8
Iк3 = Iк3* × Iσ2 Iк3 = 0,8 ×9,2 = 7,34 кА
iуд3 = 2,55 ×Iк3 iуд3
= 2,55 ×
7,34 = 18,7 кА
Iуд3 = 1,52 ×Iк3 Iуд3
= 1,52 ×
7,34 = 11,16 кА
В
точке К4:
Iк4* =
Iк4* =
= 0,39
Iк4 = Iк4* × Iσ2 Iк4 = 0,39× 9,2 = 3,6 кА
iуд4 = 2,55 × Iк4 Iуд4
= 2,55 ×
3,6 = 9,18 кА
iуд4 = 1,5×3,7 = 9,4
кА Iуд4 = 1,52 × 3,6 = 5,47 кА
В
точке К5:
Iк5* =
Iк5* =
= 0,38
Iк5 = Iк2* × Iσ2 Iк5 = 0,38 × 9,2 = 3,49 кА
iуд5 = 2,55 × Iк5 iуд5
= 2,55 × 3,49 = 8,9 кА
Iуд5 = 1,52 × Iк5 Iуд5
= 1,52 × 3,49 = 5,3 кА
Рассчитываются мощности короткого замыкания в точках К1-К5:
В точке К1:
Sк1 =
Sк1 =
= 1533,7 МВА
В
точке К2:
Sк2 =
Sк2 =
=169,1 МВА
В
точке К3:
Sк3 =
Sк3 =
= 80,1 МВА
В
точке К4:
Sк4 =
Sк4 =
= 39,28 МВА
В
точке К5:
Sк5 =
Sк5 =
= 38,08 МВА
Таблица 10 Результаты расчета токов короткого замыкания
|
Точки к.з
|
U, кВ
|
Хрез., Ом
|
Iк, кА
|
iуд, кА
|
Iуд, кА
|
Sк, МВА
|
|
К1
|
115
|
0,065
|
7,7
|
19,64
|
11,7
|
1533,7
|
|
К2
|
6,3
|
0,59
|
15,5
|
39,5
|
23,6
|
169,1
|
|
К3
|
6,3
|
1,24
|
7,34
|
18,7
|
11,46
|
80,1
|
|
К4
|
6,3
|
2,54
|
3,6
|
9,18
|
5,47
|
39,28
|
|
К5
|
6,3
|
2,6
|
3,49
|
8,9
|
5,3
|
38,08
|
9. Расчет электрических сетей карьера
Электрические сети выбираются по конструктивному исполнению,
марки проводника, сечения проводника. Сечение питающей внешней электролинии
выбирается по экономической плотности тока. Расчетный ток нагрузки определяется
по формуле:
,
А
где:
- номинальное напряжение, кВ;
Проверяется
по экономической плотности тока:
,
где:
- экономическое сечение,
;
- экономическая
плотность тока,
;
Выбирается провод марки АС-70, с Iдл.доп = 265А, так как в соответствии с ПУЭ сечение
высоковольтных линий 110 кВ должно быть не менее 70 мм2.
Iдл.доп.
> Iр ,
,7А < 265А
Производится проверка по допустимой потере напряжения:
,
;
,98%
< 5% условие выполняется.
Окончательно
выбираем провод АС-70.
Расчет внутренних ЛЭП производится аналогично. Но в соответствии с ПУЭ по
экономической плотности тока не производят расчёта сетей напряжением до 1000В
при длительности использования максимума нагрузки до 5000ч. в год, шин и
ответвлений к отдельным электроприёмникам напряжением до 1000 В; временных
сетей напряжением выше 1000 В (со сроком службы 3-5 лет), к которым относятся и
распределительные сети напряжением 6 кВ карьера.
Производим расчет ВЛ от ГПП до КРП.
Расчетный ток для групповых электроприемников определяется по
формуле:
,
где: Рн - номинальная мощность, кВт;
Кс - коэффициент спроса;
Принимаем
2ВЛ АС-95 с Iдп = 330 А.
Производится
проверка по допустимой потере напряжения:
,
,03%
< 5% условие выполняется.
Окончательно
выбираем провод АС-95. Нагрузки на каждую линию из определяются исходя из
условий , определяющих возможность подключения к одной передвижной ВЛ выше 1000
В установленное количество потребителей:
·
не более 4÷5
передвижных КТП;
·
не более трех
одноковшовых экскаваторов с ковшом вместимостью до 5 м3 и трех ПКТП;
·
не более двух
одноковшовых экскаваторов с ковшом вместимостью до 13м3 и двух ПКТП;
·
не более одного
одноковшового экскаватора с ковшом вместимостью свыше 13 м3 и двух ПКТП;
Находим расчетный ток внутрикарьерной ВЛ 1 к которой подключены два
экскаватора ЭКГ-6,3У и буровой станок СБР-160 А-24:
В
соответствии с ПУЭ, для передвижных внутрикарьерных ЛЭП, должны применяться
алюминиевые провода марки А. По механической прочности сечение внутрикарьерных
линий, а также ВЛ II класса выполненное алюминиевыми проводами не должно
быть менее 35 мм2.
Следовательно,
применяем алюминиевый провод А-50 с Iдп=215 А.
Производится проверка по допустимой потере напряжения:
,
,21%
< 5% условие выполняется.
Окончательно
выбираем провод А-50. Расчет остальных воздушных ЛЭП производится
аналогично, результаты расчета и выбора приводятся в таблице 10 .
Производим расчет кабеля для питания экскаватора ЭКГ-15:
,
где ηн - к.п.д. экскаваторных токоприемников,
SТСН -
полная мощность трансформатора собственных нужд, кВ·А;
А
Ток
расчетный с коррекцией на температуру окружающей среды:
,
где
К1 - температурный коэффициент.
А
Выбираем
кабель марки КГЭ 3х50+1х16
Iдл.доп = 145 А.
Производим
проверку по допустимой потере напряжения:
ΔUдоп.=
5%
0,44 % < 5 %
Принятое
сечение жилы кабеля проверяется на термическую стойкость воздействия токов
короткого замыкания, то есть нахожу минимальное сечение жилы кабеля по
термической стойкости к токам короткого замыкания:
Smin =
,
где I∞ - ток бесконечности,
установившееся значение токов к. з.;
tп -
приведенное время периодической составляющей токов, с;
с - коэффициент, зависящий от максимально-допустимой и начальной
температуры кабеля.
Smin =
= 22,2мм2
Окончательно
принимаем кабель марки КГЭ 3х50+1х16.
Расчет
сечения кабеля для питания буровых станков марки СБР-160 А-24:
,
где η - к.п.д. токоприемника,
ки - коэффициент использования
Ток с поправкой на температурный коэффициент:
Так как расчетный ток значительной величины принимаем два кабеля марки
КГ:
Окончательно
принимаем два кабеля марки 2КГ 3х70+1х16 с Iдл.доп.=200А
Производится проверка по допустимой потере напряжения
∆Uдоп%
> ∆U% ,
,
,
%
> 3,1% - условие выполнено, следовательно кабели выбираем окончательно, так
как они проходят проверки по допустимой потере напряжения.
Расчеты
остальных воздушных и кабельных ЛЭП проводятся аналогично, результаты расчетов
сведены в таблицу 8.
Таблица 11 Технические данные ЛЭП
|
Наименование ЛЭП
|
UнкВ
|
Iр,А
|
Iдоп.,А
|
S,мм2
|
Uр, %
|
Марка провода
|
|
РПС - ГПП
|
110
|
48,7
|
265
|
70
|
0,98
|
АС-70
|
|
ГПП - КРП
|
6
|
225,4
|
330
|
95
|
4,03
|
2АС-95
|
|
ВЛ1
|
6
|
209,4
|
215
|
50
|
4,63
|
А-50
|
|
ВЛ2
|
6
|
209,4
|
215
|
50
|
4,21
|
А-50
|
|
ВЛ3
|
6
|
215
|
215
|
50
|
4,33
|
А-50
|
|
ВЛ4
|
6
|
215
|
215
|
50
|
3,9
|
А-50
|
|
ВЛ5
|
6
|
45,5
|
170
|
35
|
0,9
|
А-35
|
|
ВЛ6
|
6
|
45,5
|
170
|
35
|
1,28
|
А-35
|
|
ВЛ7
|
6
|
80,8
|
170
|
35
|
1,4
|
А-35
|
|
ЭШ-14,50
|
6
|
174
|
175
|
70
|
0,38
|
КГЭ 3х70+1х16
|
|
КЛ к ЭКГ-15
|
6
|
142,9
|
145
|
50
|
0,44
|
КГЭ 3х50+1х16
|
|
КЛ к СБШ
|
0,4
|
184,75
|
200
|
70
|
3,1
|
2КГ 3х70+1х16
|
. Выбор
электрооборудования ГПП
Электрическая аппаратура выбирается по условиям длительной работы, по
номинальным параметрам и проверяется по условиям короткого замыкания.
В зависимости от принятой схемы на высокой стороне ГПП выбираются
разъединители типа РНД(3) - 110 У/1000У1,отделители типа ОД - 110/1000У1,
короткозамыкатели типа КЗ -110У, разрядники типа РВС - 110.
Условия выбора разъединителя:
Uном ≥
Uном. уст ;
Iном ≥
Iрасч.уст ;
iy д ≥
iy ;
I2нтс
х tнтс ≥ I2∞ х tn
По номинальным параметрам выбирается разъединитель типа РНД (З) - 110 (Б)
(У) / 1000 УХЛ
Разъединитель служит для создания видимого разрыва в цепи.
Таблица 12 Данные для выбора разъединителя типа РНД (З)-110(Б)(У)/1000
|
Расчетные
|
Паспортные
|
|
Uном. уст = 110 кВ
|
Uном = 110 кВ
|
|
Iрасч.уст =48,7 А
|
Iном =1000 А
|
|
iy=19,64 кА
|
i y=80 кА
|
|
8,92х1=79,21 кА2с
|
7,72х3=177,9 кА2с
|
Так как условия выбора выполняются, то принятый разъединитель отвечает
требованиям.
Для управления разъединителем выбирается привод ПР-У1.
Условия выбора отделителя:
Uном ≥
Uном. уст ;
Iном ≥
Iрасч.уст ;
Iд ≥
iy ;
I2нтс
х tнтс ≥ I2∞ х tn
По номинальным параметрам выбирается отделитель типа ОД - 110/1000. Отделитель отключает поврежденный участок.
Таблица 13 Данные для выбора отделителя типа ОД - 110/1000 У1
|
Расчетные
|
Паспортные
|
|
Uном. уст = 110 кВ
|
Uном = 110 кВ
|
|
Iрасч.уст =48,7 А
|
Iном =1000 А
|
|
iy=19,64 кА
|
iy=80 кА
|
|
7,72х1=177,9 кА2с
|
31,52х3=2976 кА2с
|
Условия выбора выполняются, выбираем отделитель типа ОД - 110/1000 У1 с
приводом ПРО - 1У1.
Условия выбора короткозамыкателей:
Uном ≥
Uном. уст ;
Iд ≥
iy ;
I2нтс
х tнтс ≥ I2∞ х tn
По номинальным параметрам выбирается короткозамыкатель КЗ-110-У1
Таблица 14Данные для выбора отделителя типа КЗ-110- У1
|
Расчетные
|
Паспортные
|
|
Uном. уст = 110 кВ
|
Uном = 110 кВ
|
|
iy=48,7 кА
|
iyy=51 кА
|
|
7,72х3=177,9кА2с
|
202х3=1200 кА2с
|
Условия выбора выполняются, выбираем короткозамыкатель КЗ-110-У1.
Условие выбора разрядника:
Uном ≥
Uном. уст
Выбираем вентильный разрядник РВС-110.
Таблица 15 Характеристика разрядника типа РВС-110
|
Uдоп
|
Uпроб
|
Uимп
|
Uном
|
|
110 кВ
|
200 кВ
|
250 кВ
|
110 кВ
|
Для защиты оборудования на 6 кВ от коммутационных перенапряжений
принимается разрядник РВС-110.
Для стороны низшего напряжения выбираем следующее оборудование:
Условия выбора выключателей:
Uном ≥
Uном. уст ;
Iном ≥
Iрасч.уст ;
Iд ≥
iy ;
I2нтс
х tнтс ≥ I2∞ х tn
Определяется расчетный ток нагрузки для выключателя ввода
Iр=
По номинальным параметрам выбирается выключатель типа BB/TEL -10/20-1000-У2
Преимущество выключетеля: высокое быстродействие, большой срок службы (до
25 лет), несложное обслуживание, небольшие затраты на эксплуатацию, широкий
диапазон температур окружающей среды (от -70оС до +200оС), высокая механическая
и электрическая стойкость, небольшие масса и габаритные размеры, бесшумность
при работе, полная взрыво- и пожаробезопасность, отсутствие масляного и
компрессорного хозяйства, быстрота восстановления электрической прочности
(10-15)·103 В/мин, устойчивость к ударным и вибрационным нагрузкам
Таблица 16 Данные для выбора силового выключателя BB/TEL-10/20- 1000
У2
|
Расчетные
|
Паспортные
|
|
Uном. уст = 110 кВ
|
Uном = 110 кВ
|
|
Iраб.max =893,7 А
|
|
Iy=39,5 кА
|
Iy=81 кА
|
|
15,52∙3=720,75 кА2с
|
202∙3=1200 кА2с
|
Все гарантируемые заводом каталожные величины больше расчётных,
следовательно, выключатель выбран правильно. Окончательно принимаем вакуумный
выключатель типа BB/TEL-10/20-1000 - У2
Комплекты распределительного устройства типа КРУ комплектуются
трансформаторами тока типа ТЛМ-10-2.
Многовитковые трансформаторы тока ТЛМ - 10 с литой изоляцией,
малогабаритные, на номинальные первичные токи до 1500А предназначены для работы
в цепях переменного тока напряжением 6 - 10 кВ. Трансформатор представляет
собой литой блок с изоляцией на основе эпоксидной смолы, состоящий из двух
трансформаторов с различным назначением (измерение и защита), с одной первичной
обмоткой. Трансформаторы катушечные на ленточном сердечнике.
Таблица 17 Технические данные трансформатора тока ТЛМ-10-2
|
Показатели
|
ТЛМ-6 УТЗ
|
|
Номинальное напряжение, кВ
Номинальный ток, А: Первичной обмотки Вторичной обмотки Номинальная нагрузка
в классе точности 0,5 Электродинамическая стойкость, кА Термическая
стойкость, кА/с
|
6 600 5 15 100 23,3(3)
|
Трансформаторы тока нулевой последовательности марки ТЗЛ выполняются с
защитой от замыкания на землю, с литой изоляцией. Предназначены для схем
релейной защиты от замыкания на землю путём трансформации возникших токов
нулевой последовательности; встраиваются в КРУ.
Таблица 18 Характеристика трансформатора тока ТЗЛ
|
Показатели
|
ТЗЛ
|
|
Наибольший внешний диаметр
охватываемого кабеля, мм Ток термической стойкости 1с Масса, кг.
|
70 0,14 3,5
|
Трансформаторы напряжения типа НТМИ-6-66 У3 дают возможность измерения
междуфазного напряжение сети, осуществлять контроль за состоянием изоляции сети
и отводить на землю статические заряды линии. Предназначены для питания,
защиты, сигнализации в электрических сетях с изолированной нейтралью.
Таблица 19 Характеристика трансформатора НТМИ-6-66 У3
|
Показатели
|
НТМИ-6-66 У3
|
|
Номинальное напряжение
обмотки, В Первичной Основной вторичной Номинальная мощность В·А в классе
точности: 0,5 1 Предельная мощность, В·А
|
6000 100 75 150 640
|
Для защиты оборудования на 6 кВ от коммутационных перенапряжений
применяется разрядник РВО-6 на Uном - 6 кВ; UПР = 16 - 19 кВ
Для расчета и выбора шины ГПП определяется расчетный ток нагрузки
с учетом температуры окружающей среды:
,
где
К1 - поправочный коэффициент на температуру.
Принимаются
алюминиевые шины прямоугольного сечения. Размеры однополюсных шин 100х10
Iдоп. = 1150 А
Sвыб. = 480 мм2
Проверяем
выбранные шины на динамическую стойкость при коротком замыкании. Наибольшая
сила (даН), действующая на шины при трёхфазном коротком замыкании определяется
по формуле:
= 109,8даН

Рисунок
2 Расположение шин на опорных изоляторах
Определяется
изгибающий момент:
Мизг.
=
Мизг.
=
= 1317,6 даН см
Определяется
момент сопротивления шин при расположении плашмя:
W =
, W =
= 16,6 см2
Определяется напряжение материала шин при изгибе:
Gрасч. =
,
Gрасч. =
= 155 даН/с
Так
как Gрасч.< Gдоп., 155 < 650 даН/см2, то
выбранные шины по механической прочности принимаются. Gдоп.-допустимое
напряжение материала шин.
Выбранные
шины размером 100х10 проверяются на термическую стойкость при токах короткого
замыкания
Определяется
минимальное сечение шин:
Smin. =
,
Smin. =
= 17,3мм2
где
С - коэффициент для алюминиевых шин.
Так
как выбранное сечение 360 мм2 > 17,3 мм2, шины по термической стойкости
проходят.
Окончательно
принимаются алюминиевые шины размером 100х10
Все
изоляторы выбираются по напряжению, роду установки и допустимой механической
нагрузки, а проходные - дополнительно по номинальному току.
По
техническим характеристикам выбираем опорный изолятор ИО-6-375 У3 для
применения шины в помещении ГПП.
Uном.из ³ Uном.уст
Выполняется
проверка по допустимой механической нагрузке из условия:
Fрасч. ≤
0.6 х Fразр.
Fрасч = 113 даН,
Fразр.= 375 даН
- минимальное разрушающее усилие на изгиб.
даН
< 225 даН, удовлетворяет условию.
Выбираем
проходные изоляторы типа ИП-10/1000-750 У3.
Условия
выбора:
Uном.изг .³ Uном.уст.
Iном.изг. ³ Iрасч.
Fрасч. < 0,6
х Fразр
Таблица
20 Данные для выбора проходного изолятора
|
Расчетные
|
Паспортные
|
|
Uном.из г = 6 кВ
|
Uном = 10 кВ
|
|
Iрасч.= 917,3А
|
Iном.из г = 1000А
|
|
Fрасч = 113
даН
|
0,6хFразр
= 750х0,6 = 450 даН
|
. Защитное
заземление
Защитное заземление предназначено для снижения до безопасной величины
напряжения относительно земли на нетоковедущих металлических частях
электроустановок.
В соответствии с ПТЭ и ПТБ, на карьерах должны быть заземлены корпуса и
металлические части всех электрифицированных машин, механизмов и инструментов
(экскаваторов, буровых станков, конвейеров, электросверл и др.), а также
трансформаторов и электрических аппаратов, измерительных приборов и
осветительной аппаратуры, каркасы РУ и приключательных пунктов, броня кабелей,
железобетонные и металлические опоры ЛЭП.
В качестве заземлителей следует применять: вертикально забиваемые
стальные трубы, угловую сталь, металлические стержни или горизонтально
проложенные полосы, круглую сталь и др. Заземлители (электроды) закладываются в
грунт ниже уровня его промерзания. Число электродов и их конструкция
определяются проектом или расчетом, с условием, чтобы сопротивление заземления
не превышало 4ом.
В случаях опасности усиленной коррозии следует применять омедненные или
оцинкованные заземлители.
В качестве заземляющих проводников применяют, как правило, сталь: при
прокладке по опорам воздушных ЛЭП - стальные провода марки ПС или ПСМ; при
прокладке в земле, в зданиях и по конструкциям - сталь круглого сечения или
прямоугольную. Максимальные сечения заземляющих проводников приведены в
Правилах устройства электроустановок.
В осветительных и кабельных ЛЭП четырехпроводной системы и в гибких
кабелях передвижных машин для заземления используются медные и алюминиевые
провода и жилы кабелей.
Все соединения заземляющей сети должны обеспечивать надежный контакт.
Присоединение заземляющих проводов к заземлителям и корпусам оборудования, а
также соединение между заземляющими проводниками должны производиться сваркой
или болтами. В наружной заземляющей сети и в сырых помещениях болтовые
соединения должны быть лужеными или сметь защитные покрытия.
Последовательное присоединение заземляемых объектов к заземляющей сети не
допускается. Заземляющий провод должен быть защищен от механических
повреждений, а места присоединения проводов - доступны для осмотра и испытаний.
Состояние изоляции электроустановок должно соответствовать нормам
действующих электротехнических правил и стандартов. Контроль за состоянием
изоляции производится периодическим измерением сопротивления изоляции или
специальными приборами постоянного контроля изоляции.
Изоляция на действующих установках проверяется периодически, так как с
течением времени под воздействием влаги, пыли, едких паров и температуры она
может прийти в негодность. В нормальных производственных помещениях (на
поверхности карьера) изоляцию электроустановок проверяют не менее одного раза в
год. При отсутствии постоянного контроля за изоляцией электроустановок,
работающих на открытом воздухе, как на поверхности, так и в
карьере, ее необходимо проверять ежемесячно.
На карьере широко применяются реле утечки РУВ-2 и РУН-2, изготовляемые в
рудничном взрывобезопасном или нормальном исполнении. В отличие от асимметров
реле РУВ работают на оперативном постоянном токе, они срабатывают в случаях
касания человеком голых токоведущих частей установки, а также при снижении общего
сопротивления изоляции до опасной величины (одной фазы до 3500ом, двух - до
7000ом, трёх - до10500ом каждая).
Защита от однофазного замыкания на землю в карьерных сетях 6кВ. в
качестве основной имеет избирательную защиту, а резервной - защиту максимального
напряжения нулевой последовательности. В комплект первой входят
магнитно-токовое реле МТР-77, кабельный неразъёмный трансформатор тока КНТ-36 и
магнитный усилитель частоты УМ-37.
Более простой и надёжной защитой от замыкания на землю в карьерных сетях
напряжением 6кВ. является защита с трансформаторами тока нулевой
последовательности типа ТНП и реле ЭТД-551/60. Её можно устанавливать как на
подстанциях, так и в отдельных высоковольтных ячейках на приключательных
пунктах. Трансформатор ТНП имеет две обмотки - подмагничивания и вторичную.
Обмотка подмагничивания питается от трансформатора напряжения.
При отсутствии тока замыкания на землю в кабеле магнитные потоки,
созданные в магнитопроводах ТНП током подмагничивания, наводят во вторичной
обмотке равные и прямо противоположные э.д.с. Благодаря этому, напряжение и ток
во вторичной обмотке отсутствуют. При появлении замыкания на землю в
электрической цепи после РВНО-6, в кабеле, проходящем через ТНП, появляется ток
замыкания на землю. В результате в ТНП возникают одинаково направленные
магнитные потоки, накладывающиеся на потоки подмагничивания. Это вызывает
появление тока во вторичной обмотке трансформатора ТНП, к которой подключена
катушка реле ЭТД-551/60. Реле срабатывает и шунтирует катушку минимального
напряжения РН, которая отключает масляный выключатель
12. Электробезопасность
Все подстанции должны быть оснащены полным комплектом изолирующих,
ограждающих и вспомогательных защитных средств. К изолирующим относятся
оперативные и измерительные штанги, изолирующие клещи, указатели тока и
напряжения, изолирующие устройства и приспособления для ремонтных работ.
На подстанциях должен быть необходимый комплект диэлектрических перчаток
и бот. На всю длину рабочего оборудования прокладывают диэлектрические коврики
(резиновые) или изолирующие подставки.
К ограждающим защитным средствам относятся переносные заземления -
закоротки, временные ограждения (щиты, ширмы), ограждения - клетки,
габаритники, изолирующие накладки, защитные очки, предохранительные пояса, монтерские
кости.
К вспомогательным защитным средствам относят специальные плакаты, которые
делятся на предостерегающие, запрещающие, разрешающие и напоминающие.
Правила ТБ требует, чтобы оперативное обслуживание электрооборудование
подстанций и электросетей напряжением 6 кВ и выше выполняли лица, знающие их
схемы, должностных и эксплуатационные инструкции, особенности оборудования и
прошедшие проверку знаний по ПТЭ и ПТБ. Руководители смен, бригад и лица,
обслуживающие данные электроустановки, должен иметь квалификационную группу по
ТБ.
При осмотре электроустановок одним человеком запрещено проходить за
ограждения, входить в камеру РУ, выполнять какие-либо работы.
Работы в действующих электроустановках в отношении мер безопасности
разделены на 4-е категории: тоже, без снятия напряжения вблизи и на токоведущих
частях, находящихся под напряжением тоже, без снятия напряжения вблизи и на
токоведущих частях, находящихся под напряжением.
Большое значение для безопасности работы в электроустановках имеют
организационные мероприятия. Оформление работ нарядом или распоряжением, допуск
к работе, надзор во время работы, оформление перерыва в работе, перевод на
другое рабочее место, окончание работы. Наряд выдается перед началом работ,
выписывается в 2-ух экземплярах, а при передаче по телефону в 3-ех экземплярах.
При работе по наряду в состав бригады должны входить не менее 2-ух
человек.
Распоряжение на выполнение работ носит разовый характер и действует
только в течении суток.
Все работы на подстанциях должны производиться с выполнением технических
мероприятий, обеспечивающие их безопасность. Все токоведущие части должны быть
ограждены в соответствии с требованиями Правил техники безопасности.
Электротехнический персонал, обслуживающий электроустановки должен ясно
представлять технологические особенности своего предприятия (цеха), строго
соблюдать трудовую и производственную дисциплину, знать и выполнять Правила
техники безопасности, местные инструкции и другие директивные материалы.
Список литературы
1 Ф.Н. Самохин, А.М. Маврицын. Электрооборудование и
электроснабжение
открытых горных работ - М.: Недра, 1979.
В.И. Щуцкий, Н.И.Чеботаев. Электрификация открытых горных
работ
- М.: Недра, 1987.
3 М.Н. Чулков. Электрификация карьеров. Сборник задач и
упражнений -
М.: Недра,1994.
4 М.И. Щадов, Р.Ю. Подэрни. Справочник механика открытых
работ - М.:
Недра, 1989.
5 Справочник энергетика карьера. Под общей редакцией
В.А.Голубева-
М.: Недра,1986.
В.А. Котлярчук, А.Ф. Гончаров. Электроснабжение экскаваторов
- М.:
Недра:, 1987.
Справочник по проектированию электроснабжения. Под общей
редакцией
Бабырина и др. - М.:Энергоиздат, 1980
8 Правила безопасности при эксплуатации электрооборудования и
сетей на
открытых горных работах - Алматы, 1994.
Единые правила безопасности при разработке месторождений
полезных
ископаемых открытым способом - М.: Недра, 1987.