Расчёт ленточного конвейера производительностью Q=100 т/ч
МИНИСТЕРСТВО
ОБРАЗОВАНИЯ И НАУКИ РОССИЙСКОЙ ФЕДЕРАЦИИ
ФГБОУ ВПО
«МАГНИТОГОРСКИЙ ГОСУДАРСТВЕННЫЙ ТЕХНИЧЕСКИЙ УНИВЕРСИТЕТ ИМ. Г.И. НОСОВА»
ИНСТИТУТ
ГОРНОГО ДЕЛА И ТРАНСПОРТА
Кафедра ГМ и
ТТК
КУРСОВОЙ
ПРОЕКТ
по
дисциплине «Машины непрерывного транспорта»
на тему:
«Расчёт ленточного конвейера производительностью Q
= 100 т/ч»
Исполнитель: Дорогин А.О., студент 4
курса, группа КП-08
Магнитогорск,
2012
Задание
на курсовой проект по дисциплине «Машины
непрерывного транспорта»
Студент группы КП-08 Дорогин А.О
Рис. 1
Спроектировать ленточный конвейер по следующим
исходным данным: транспортируемый материал - магнезит; производительность 100
т/ч; плотность материала 1,8 т/м3, длина конвейера 65м. Режим работы
- средний.
В конструкции привода использовать
цилиндрический редуктор и ременную передачу.
Введение
В курсовом проекте рассчитан ленточный конвейер,
производительностью 100т/ч, длиной 65м, транспортируемый материал - магнезит с
плотностью 1,8 т/м3. Режим работы М5.
конвейер двигатель барабан
1. Описание конвейера
Разные типы конвейеров применяются, что ни
говори, во всех областях промышленности. Главными задачами устройств этого типа
являются осуществление погрузки и выгрузки, а также транспортировки различных
грузов в течение производственного процесса.
Наиболее распространенным типом конвейера
является ленточный конвейер. Ввиду своей простоты, а также легкости в
обслуживании и определенной универсальности применения он является просто
незаменимым устройством на том или ином промышленном объекте. Благодаря своим
возможностям ленточный конвейер обеспечивает непрерывную транспортировку
различных грузов (от самых мелких, незначительных и сыпучих до
крупногабаритных).
Одним словом, ленточный конвейер представляет
собой специальный механизм, предназначенный для бесперебойной транспортировки
материалов и грузов. В качестве основного несущего и тягового механизма здесь
выступает эластичная лента. Конвейеры ленточные нормального, а также тяжелого
исполнения применяются для осуществления транспортировки штучных, сыпучих и
кусковых грузов в различных направлениях: наклонном и горизонтальном.
Разрешается отклонение не более 18 градусов.
Рисунок 1 - Кинематическая схема конвейера
Конвейеры ленточные легкого типа: используются
для транспортировки штучных единиц, грузов, а также материалов с сыпучей
структурой. Ширина ленты может быть: 400-1200 мм (в зависимости от
характеристик конвейера). Для того, чтобы разгрузить конвейер, используются
характерные тележки, устанавливаемые на ленту (800, 1000, 1200 либо 1400 мм), а
также сбрасыватели плужковые (650, 800, 1000, 1200, 1400 и 1600 мм).
. Расчёт ленточного конвейера
Исходные данные:
Производительность: Q
= 100 т/ч.
Материал - магнезит (хрупкий, кристаллический
минерал)
Плотность материала: р = 1,8 т/м3.
Длина конвейера: l
= 65 м.
Режим работы - М5
Необходимая ширина ленты определяется по
формуле:
Предполагаем, что лента должна иметь ширину в
пределах 400-500 мм;
где Кп - коэффициент площади поперечного сечения
груза на ленте (табл 4.11 стр.130)

- Скорость движения ленты конвейера
принимаем равной 1,25 м/с (табл. 4.12 стр. 130)
Кβ -
коэффициент уменьшения сечения груза на наклонном конвейере (табл. 4.10 стр.
129)


0,36 м
Выбираем ленту шириной В = 400 мм,
резинотроссовую общего назначения, предварительно типа 2РТЛ-1500, прочность
1500 Н/мм и масса 1 м2 mл = 28 кг/м2
Для обеспечения заданной расчётной
производительности Qр = 100 т/ч при принятой ширине
ленты В= 400 мм, скорость ленты должна составлять:

Оставляем принятую скорость 1,25
м/с, что даёт возможность уменьшить на 10% заполнение ленты грузом при
расчётной производительности
Проверяем ширину ленты по кусковатости груза
а = (60+10)/2 = 35 (стр. 30)

, следовательно, принимаем ширину
ленты равной 400 мм
Выбираем расстояния между
роликоопорами:
на верхней ветви lр.в = 1,4 м и на
нижней lр.н = 2,8 м
Масса вращающихся частей желобчатой роликоопоры mр.в
=
7 кг, mр.н =
4 кг
Отсюда линейные силы тяжести, определяемые по
формулам:
где lр.в
- расстояние между роликоопорами на верхней ветви
lр.н - расстояние
между роликоопорами на нижней ветви
mр.в
- масса вращающихся частей верхней роликоопоры
mр.н - -
масса вращающихся частей нижней роликоопоры

- масса 1м2 ленты, кг
Определяем линейную силу тяжести
транспортируемого груза по средней производительности:
Где 
- плановая средняя массовая
производительность равная 2400 т/сутки
Т - время работы конвейера равное 24
часам
Кэ - общий эксплуатационный
коэффициент
Кв - коэффициент использования
конвейера по рабочему времени равный 0,9
Кн - коэффициент неравномерности
загрузки равный 0,8
Общее сопротивление движению ленты в летнее
время:
Где Wв
- коэффициент сопротивления движению верхней ветви ленты равный 0,025 (стр.
131)
Wн - коэффициент
сопротивления движению нижней ветви ленты равный 0,022 (стр. 131)
Кд - обобщённый коэффициент местных
сопротивлений на оборотных барабанах равный 1,7 (стр. 131)
Lг - длина
горизонтальной проекции расстояния между осями концевых барабанов конвейера, 65
м
Определяем мощность приводного двигателя в
летнее время по формуле:
Где Кз - коэффициент запаса равный 1,15
(стр.138)

- общий КПД механизмов привода,
равный 0,8 (стр. 116)
На конвейере устанавливаем двухбарабанный
привод. Для футерованного барабана при средних производственных условиях
принимаем коэффициент трения ленты о поверхность барабана µ=0,4; общий угол
обхвата (а1+а2)=400о
Тогда тяговый фактор 
и выражение 
Дальнейший расчёт ведем для условий
работы конвейера в летнее время
Определяем расчётное натяжение
ленты:
Где W- общее
сопротивление движению ленты в летнее время
Кз - коэффициент запаса равный 1,15
(стр.138)
Расчётный коэффициент запаса
прочности ленты:
Где Ко - номинальный запас прочности
равный 7 [1.стр. 104]
Кст - коэффициент прочности
стыкового соединения концов ленты равный 0,9 [1.стр. 104]
Кт - коэффициент конфигурации трассы
конвейера равный 1 [1.стр. 104]
Кр - коэффициент режим работы
конвейера равный 1 [1.стр.104]
Необходима прочность резинотросовой
ленты:
Где Sнб -
расчётное натяжение ленты
К’ - расчётный коэффициент запаса
прочности ленты равный 7,8
В - ширина ленты равная 400мм
Резинотросовая лента типа 2РТЛ-1500
имеет прочность 1500 Н/мм
И максимальное допускаемое натяжение
Sрт.д = 180 Н/мм
Выполняем проверку:
Принимаем диаметры барабанов:
Приводной барабан: Dб= 0,8м
Оборотные барабаны перед приводными:

После приводных барабанов: Do’= 
Натяжной барабан Dн =
[1.табл. 4.3, формула 4.27]
По таблице 4.8 выбираем коэффициент
распределения нагрузки между приводными барабанами Кф=2
Вычисляем натяжение ленты, сбегающей
со второго барабана:
Вычисляем натяжение ленты,
набегающей на второй барабан и сбегающей с первого барабана:
Этим заканчивается обобщённый
приближённый расчёт. Корректировка расчёта не требуется.
. Тяговый расчет конвейера
Подробный тяговый расчет конвейера
при установившемся движении центы выполняется методом последовательного
суммирования всех сил сопротивления движению ленты на всей трассе конвейера от
точки сбегания ленты с приводного барабана, до точки набегания ленты на
приводной барабан.
Для выполнения тягового расчета
контур всей трассы конвейера по ходу движения ленты разделяется на отдельные
участки по виду сопротивлений: горизонтальные, наклонные, повороты, загрузка и
т.д. Нумерация точек и расчет начинается с точки сбегания лент с приводного
барабана и продолжается по всему контуру трассы до конечной точки расчета. Для
определения действительных натяжений в каждой точке трассы, при использовании
фрикционного привода, за основу берем теорию фрикционных приводов традиционных
ленточных конвейеров, и тяговый расчет проводим аналогично.
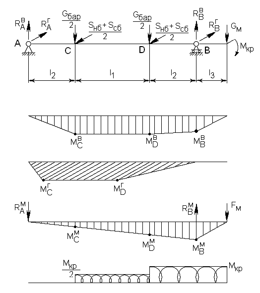
Рисунок 2 - Схема к тяговому расчёту
конвейера
Натяжения ленты на различных
участках:
Участок 1-2
Н = 51,2 кН
Участок 2-3
= 51,2 кН
Участок 3-4

= 52,2 кН
Участок 4-5
= 52.2 кН
= 54.4 кН
Участок 6-7

= 54,4 кН
Участок 7-8
=56.1 кН
Участок 8-9
=58,2 кН
Участок 9-10
=61,2 кН
Рисунок 3 - График натяжения ленты
4. Расчёт дополнительных усилий при пуске
конвейера
Определение максимального натяжения ленты с
учетом динамических пусковых нагрузок.
где
- пусковое натяжение сбегающей
ветви, создаваемое НУ;
- сопротивление верхней грузовой
ветви, рассчитанное с учетом пускового коэффициента сопротивления движению;
- сопротивление нижней холостой
ветви, рассчитанное с учетом пускового коэффициента сопротивления движению;
Где а - ускорение ленты при пуске;
; Б -
коэффициент, учитывающий длину конвейера;
- относительное удлинение.
Где
- коэффициент безопасности; f - коэффициент
внешнего трения.
Принимаем, что α = 0.1 м/с2.
Т.к.
0.1 < 0,33, то груз не
проскальзывает по ленте.
Проверяем выбор прочности ленты при
номинальном запасе прочности [2,с.104]:
Принятое
число прокладок ленты проходит при номинальном запасе прочности.
Сравниваем
с
наибольшим расчетным натяжением ленты
:

.
Зная ускорение, определяем
минимальное время пуска:
.
Определяем время пуска конвейера по
пусковым характеристикам электродвигателя привода:
Где
- коэффициент, учитывающий упругое
удлинение ленты [2,с.135];
- статический момент
электродвигателя
- общее окружное усилие
- частота вращения барабана
- средний пусковой момент
электродвигателя
- маховый момент движущихся частей
конвейера
где
- коэффициент приведения
вращающихся частей механизма привода к ротору двигателя;
- маховый
момент ротора электродвигателя (принимают по каталогу электродвигателя);
- общий КПД
механизмов привода;
-
номинальная частота вращения ротора двигателя;
- коэффициент, учитывающий, что
окружная скорость части вращающихся масс меньше скорости ленты;
- суммарная
масса вращающихся частей конвейера (роликоопоры верхней и нижней ветвей,
барабана) [1, т. 4.75].
, 27 > 16 с., следовательно,
условие соблюдается.
Максимальный прогиб ленты на
грузовой и холостой ветвях.
Прогиб ленты грузовой ветви:
где [f] -
допустимый прогиб ленты грузовой ветви;
- минимальное натяжение после
загрузочного устройства. Так как условие не выполняется, то уменьшаем шаг
расстановки роликов: грузовой ветви lгр = 1,1 м;
холостой ветви lx = 2,5∙ lгр =2,5∙1,1
=2.75м; в зоне загрузки lз = 0,5∙
lгр = 0,5∙1,1
= 0,55 м. Делаем перерасчет, следовательно, условие соблюдено.
Прогиб ленты холостой ветви, где
,
Выбор муфты
Выбираем зубчатую муфту типа М3-1
Таблица 1 - Характеристика муфты
|
Условное
обозначение зубчатых муфт при заказе
|
d;
мм (предельное отклонение по Н7) от… до
|
d1;
мм (предельное отклонение по Н9) от… до
|
d2;
мм (предельное отклонение по Н7) от… до
|
l
, мм
|
D,
мм
|
e,
мм.
|
Крутящий
момент, кНм, не более
|
Угловая
скорость рад/сек.
|
Динамический
момент, кг·м2
|
|
Муфта
1-1600 (М3-1)
|
25…55
|
20,
30, 40
|
55
|
300
|
5
|
1,6
|
385
|
0,02
|
Рисунок 3 - Муфта зубчатая МЗ-1
5. Определение мощности привода
По каталогу уже выбран двигатель. Выбираем
двигатель
А-12-32-3 с N
= 30 кВт, n = 1500 об/мин.
Передаточное число редуктора:
Принимаем редуктор Ц2-350 с
передаточным числом i=40 и мощностью на тихоходном валу 24,4 кВт.
Рисунок 4 - Редуктор Ц2-350
Таблица 2 - Типоразмер редуктора
Ц2-350
|
Aт
|
А1
|
А2
|
А3
|
А4
|
B
|
В1
|
В2
|
В3
|
|
мм
|
|
400
|
198
|
335
|
475
|
810
|
526
|
450
|
526
|
334
|
|
H
|
H1
|
H2
|
h
|
L
|
L1
|
L2
|
M
|
d
|
n
|
|
мм
|
шт
|
|
705
|
320
|
95
|
35
|
1703
|
930
|
458
|
460
|
25
|
8
|
|
|
|
|
|
|
|
|
|
|
|
|
|
|
|
|
|
|
6. Расчет
и выбор тормоза
Тормоз для конвейеров выбирают по тормозному
моменту Мт на валу электродвигателя. Этот момент препятствует обратному
движению рабочего органа конвейера под действием силы тяжести перемещаемого
груза при отключении электрического питания. Требуемый тормозной момент на валу
электродвигателя:
Выбираем типоразмер тормоза: тормоз
ТКГ-300 ГОСТ 24.290.08-82, имеющий следующие параметры: Тт.н. = 800
Нм; Dт.ш. = 300 мм; Вк
= 140 мм; hшт тах = 50 мм; Lуст = 500 мм; ттор
= 80 кг. Типоразмер электрогидравлического толкателя - ТГМ-50.
Рис 5 - Тормоз типа ТКГ-300
7. Расчет вала приводного барабана
Определяем силу, действующую со
стороны муфты на вал, вследствие неизбежной несоосности соединяемых валов
,

где
- окружная сила на муфте;
- расчетный
диаметр.
Для зубчатых муфт расчетный диаметр
равен
Окружная сила на муфте:
Следовательно, нагрузка от муфты на
вал
Принимаем
.
Составляем расчетную схему вала
(рис. 4), прикладывая к валу найденные ранее нагрузки, и определяем реакции
опор, задавшись длинами
,
и
. Реакции
опор от силы
определяем
отдельно, так как она меняет свое направление с течением времени.
Реакции опор в горизонтальной
плоскости из условия равновесия
,
откуда
,
откуда
Реакции опор в вертикальной
плоскости из условия равновесия
,
откуда
,
откуда
Реакции опор от силы
из условия
равновесия
,
откуда
,
откуда
Определим изгибающие моменты в
характерных сечениях вала:
в сечении C:
в сечении D:
в сечении B:
;
Определим суммарные изгибающие и
эквивалентные моменты:
в сечении C:
в сечении D:
в сечении B:
Материал вала сталь 40ХН. Характеристики
материала [6, табл.8; с.90]:
.
- запас прочности по статической
несущей способности.
Определяем диаметр вала в наиболее нагруженном
сечении:
С учетом ослабления сечения
шпоночными пазами увеличиваем сечение на 15%.
. Принимаем
.
Остальные диаметры назначаем
конструктивно по нормальному ряду размеров. В целях унификации принимаем
диметры вала в подшипниковых опорах одинаковыми и равными 90 мм. Диаметры вала
под ступицами также принимаем одинаковыми и равными 110 мм. Диаметр вала между
ступицами - 100 мм.
. Расчет подшипников вала приводного
барабана
Схема для расчета подшипников см.
рис. 6 данного курсового проекта.
Радиальная нагрузка на опору A:
Радиальная нагрузка на опору B:
Опорой приводного вала на раму
являются двухрядные сферические роликоподшипники. Расчет ведем по наиболее
нагруженному подшипнику. На подшипник действуют только радиальные усилия,
равные
.
Предварительно принимаем роликовые радиальные
сферические двухрядные подшипники 1318 по ГОСТ 5720-75* С = 200 кН, Со
= 176 кН.
Определяем эквивалентную динамическую нагрузку
,
где
- коэффициент долговечности.
Номинальная эквивалентная нагрузка
определяется по зависимости
,
где
- кинематический коэффициент,
учитывающий снижение долговечности при неподвижном внутреннем кольце
подшипника;
-
коэффициент безопасности при нагрузке с незначительными толчками;
-
температурный коэффициент при
. Тогда
и
Расчетная долговечность проверяем по
динамической грузоподъёмности:
где
- коэффициент, учитывающий
вероятность безотказной работы;
- коэффициент, учитывающий
совместное влияние качества металла и условий эксплуатации;
- частота
вращения приводного вала
-
показатель степени для роликоподшипников.
, что удовлетворяет требованиям.
Проверяем выбранный подшипник по статической
грузоподъёмности:
,
.
. Расчет шпоночных соединений приводного
барабана
Основным для соединений с призматическими
шпонками является условный расчет на смятие.
Шпонка под ступицами приводного
барабана: для вала диаметром
по ГОСТ 23360-78 предназначена
шпонка со следующими размерами: ширина шпонки
; высота шпонки
; глубина
паза на валу
; длина
шпонки
.
Если принять для упрощения, что
нормальные напряжения в зоне контакта распределены равномерно и плечо главного
вектора давления равно
, то
,
где
- рабочая длина шпонки;
- глубина
врезания шпонки в ступицу колеса;
- допускаемое напряжение смятия для
шпонки, изготовленной из стали 45 [1, с. 89].
Принимаем длину шпонки равную
в
соответствии с длиной ступицы. Тогда
. По формуле (2) проверяем напряжения
в зоне контакта.
≤
,
Проверку прочности шпонок на срез обычно не
проводят, так как это условие соблюдается при использовании стандартных сечений
шпонок.
Шпонка под зубчатой муфтой: для вала
диаметром
по ГОСТ
23360-78 предназначена шпонка со следующими размерами: ширина шпонки
; высота
шпонки
; глубина
паза на валу
; длина
шпонки
.
Если принять для упрощения, что
нормальные напряжения в зоне контакта распределены равномерно и плечо главного
вектора давления равно
, то
,
где
- рабочая длина шпонки;
- глубина
врезания шпонки в ступицу колеса;
- допускаемое напряжение смятия для
шпонки, изготовленной из стали 45 [1, с. 89].
Принимаем длину шпонки равную
в
соответствии с длиной ступицы. Тогда
. По проверяем напряжения в зоне
контакта.
≤
.
Проверку прочности шпонок на срез обычно не
проводят, так как это условие удовлетворяется при использовании стандартных
сечений шпонок.
. Расчет концевого вала барабана
Рис. 7. Схема нагружения вала
Составляем расчетную схему вала
(рис. 7), прикладывая к валу найденные ранее нагрузки, и определяем реакции
опор, задавшись длинами
,
и
.
Реакции опор в горизонтальной
плоскости из условия равновесия
,
откуда
,
откуда
Реакции опор в вертикальной
плоскости из условия равновесия
,
откуда
,
откуда
Определим изгибающие моменты в характерных
сечениях вала:
в сечении C:
в сечении D:
в сечении B:
;
Определим суммарные изгибающие и
эквивалентные моменты:
в сечении C:
в сечении D:
в сечении B:
Материал вала сталь 40ХН. Характеристики
материала [6, табл.8; с.90]:
.
- запас прочности по статической
несущей способности.
Определяем диаметр вала в наиболее нагруженном
сечении:
С учетом ослабления сечения
шпоночными пазами увеличиваем сечение на 15%.
. Принимаем
.
Остальные диаметры назначаем
конструктивно по нормальному ряду размеров. В целях унификации принимаем
диметры вала в подшипниковых опорах одинаковыми и равными 80 мм. Диаметры вала
под ступицами также принимаем одинаковыми и равными 90 мм. Диаметр вала между
ступицами - 80 мм.
. Расчет подшипников вала концевого
барабана
Схема для расчета подшипников см.
рис. 5 данного курсового проекта.
Радиальная нагрузка на опору A:
Радиальная нагрузка на опору B:
Опорой приводного вала на раму
являются двухрядные сферические роликоподшипники. Расчет ведем по наиболее
нагруженному подшипнику. На подшипник действуют только радиальные усилия,
равные
.
Предварительно принимаем двурядные
шарикоподшипники 111316 по ГОСТ 5720-75* средней серии. С = 110кН, Со
= 60кН.
,
где
- коэффициент долговечности.
Номинальная эквивалентная нагрузка
определяется по зависимости
,
где
- кинематический коэффициент,
учитывающий снижение долговечности при неподвижном внутреннем кольце
подшипника;
-
коэффициент безопасности при нагрузке с незначительными толчками;
-
температурный коэффициент при
. Тогда
и
Расчетная долговечность проверяем по
динамической грузоподъёмности:
,
где
- коэффициент, учитывающий
вероятность безотказной работы;
- коэффициент, учитывающий
совместное влияние качества металла и условий эксплуатации;
- частота
вращения приводного вала
-
показатель степени для роликоподшипников.
, что удовлетворяет требованиям.
Проверяем выбранный подшипник по
статической грузоподъёмности:
,
.
12. Расчет шпоночных соединений вала
концевого барабана
Основным для соединений с
призматическими шпонками является условный расчет на смятие.
Шпонка под ступицами приводного
барабана: для вала диаметром
по ГОСТ 23360-78 предназначена
шпонка со следующими размерами: ширина шпонки
; высота шпонки
; глубина
паза на валу
; длина
шпонки
.
Если принять для упрощения, что
нормальные напряжения в зоне контакта распределены равномерно и плечо главного
вектора давления равно
, то
,
где
- рабочая длина шпонки;
- глубина
врезания шпонки в ступицу колеса;
- допускаемое напряжение смятия для
шпонки, изготовленной из стали 45 [1, с. 89].
Принимаем длину шпонки равную
в
соответствии с длиной ступицы. Тогда
. По формуле проверяем напряжения в
зоне контакта.
≤
,
Проверку прочности шпонок на срез обычно не
проводят, так как это условие соблюдается при использовании стандартных сечений
шпонок
Список используемой литературы
1. Спиваковский А.О., Дьячков В.К.
Транспортирующие машины: Учеб. пособие для машиностроительных вузов.- 3-е изд.-
М.: Машиностроение, 1983.-487с.
. Конвейеры: Справ./ Ю.А. Пертен. -
М.: Машиностроение, 1984. - 367с.
. Зенков Р.Л., Ивашков И.И., Колобов
Л.Н. Машины непрерывного транспорта. - 2 -е изд., перераб. и доп. - М.:
Машиностроение, 1987. - 432 с.: ил.