Влияние пероксидной отбелки на эффективность биологической отбелки сточных вод

  • Вид работы:
    Дипломная (ВКР)
  • Предмет:
    Экология
  • Язык:
    Русский
    ,
    Формат файла:
    MS Word
    1,68 Мб
  • Опубликовано:
    2015-07-27
Вы можете узнать стоимость помощи в написании студенческой работы.
Помощь в написании работы, которую точно примут!

Влияние пероксидной отбелки на эффективность биологической отбелки сточных вод

Министерство образования и науки Российской Федерации

Сыктывкарский лесной институт (филиал)

федерального государственного бюджетного образовательного учреждения высшего профессионального образования

"Санкт-Петербургский государственный лесотехнический университет имени С.М. Кирова"

Кафедра "Целлюлозно-бумажного производства, лесохимии и промышленной экологии"





Пояснительная записка выпускной квалификационной работы

Влияние пероксидной отбелки на эффективность биологической отбелки сточных вод










Сыктывкар 2015

Реферат

"Влияние пероксидной отбелки на эффективность биологической очистки сточных вод" проект, СЛИ, кафедра ЦБП, ЛХ и ПЭ. Сыктывкар 2015 г. - Гр. часть 4 л. ф. А1; ПЗ 62 с., 10 рис., 12 табл., 15 источников.

Отбелка, целлюлоза, белизна, диоксид хлора, водород, пероксид водорода, серная кислота.

Проведена мягкая ECF-отбелка лиственной целлюлозы с исходной жесткостью 11,4 ед. Каппа вязкость 963 мл/г и белизна 52,1 по схеме: КЩО- Н2SO4 - Пщ - Д - Пщ, при снижении расхода диоксида хлора до 0,5% от массы а.с.ц по сравнению с ECF-отбелкой на производствах ЦБП, где предусмотрен расход этого реагента 1,3-1,5%.

Для установления значимости факторов (расхода пероксида водорода, продолжительности отбелки и температуры), определяющих качественный показатель (белизна целлюлозы) получены 8 образцов целлюлозы. Методом регресионного анализа определены коэффициенты для оценки их значимости. Результаты обработки экспериментальных данных методом регресионного анализа показали, что наибольнший показатель белизны получен при тестовом значении х2, которому соответствует расход пероксида водорода на 2 ступени 2% от массы а.с.ц , продолжительности 180 мин, 80°С. Именно при этих параметрах были получены получены высокие показатели белизны (88% при расходе перксида водорода 3,%).

Установлено, что соотношение содержания пероксида водорода и фенолов в фильтратах 2 ступени отбелки соответствует установленным данным патентов, которые показали высокую степень деструкции фенолов при отношении 1:1.

Распределение суммарного расхода пероксида водорода между делигнифицирующими ступенями отбелки для исследования содержания остаточного пероксида водорода в фильтратах отбекли составляло: 2% от массы а.с.ц на 2 ступени и 1,0% на 4 ступени отбекли (суммарный расход пероксида водорода 3%), учитывая что на производстве высокие расходы диоксида хлора обусловлены незначительым содержанием этого реагента на ступени ЩОП (0,2%) и Щп (0,1%)

Рассчитан материальный и тепловой баланс отбелки лиственной целлюлозы и определены объемы фильтратов, направляемых на биологическую очистку.

На основании проверенных расчетов сделать следующий вывод: при сокращении объема фильтратов направляемых на биологический очистки экономический эффект составил 15224093,6 руб./год.

Оглавление

Введение

1. Литературный обзор

.1 Модернизация очистных сооружений на Монди СЛПК

.2 Роль остаточного пероксида водорода в повышении эффективности биологической очистки

.3 Патентный поиск по повышению эффективности биологической очистки при участии пероксида водорода

1.3.1 Способ биологической очистки сточных вод от фенола

.3.2 Способ биологической очистки сточных вод от органических соединений

.3.3 Способ биодеструкции фенола

.3.4 Способ аэробной биологической очистки сточных вод

.3.5 Способ биологической очистки сточных вод

. Методическая часть

2.1 Методика отбелки целлюлозы

.2 Метод определения белизны целлюлозы

.3 Методика определения вязкости целлюлозы

.4 Метод определения химического потребления кислорода (ХПК)

.5 Метод определения прочности на разрыв

.6 Метод определения сопротивления раздиранию

.7 Методика озонирования

.8 Методика определения глубины делигнификации

. Экспериментальная часть

.1 Методика отбелки лиственной целлюлозы

.2 Определения остаточного пероксида водорода в фильтратах отбелки

.3 Отбелка лиственной целлюлозы для установления факторов, определяющих эффективность отбелки на 2 ступени

.4 Определение показателя ХПК фильтратов отбелки лиственной 1-4 ступенях отбелки

4. Материальный баланс мягкой ECF- отбелки лиственной целлюлозы

.1 Эколого-экономическая часть

.1.1 Объем оборотной воды мягкой ECF- отбелки лиственной целлюлозы

.1.2 Содержание остаточного пероксида водорода в фильтратах мягкой ECF-отбелки и возможность повышения эффективности биологической очистки

5. Охрана труда

.1 Общие требования безопасности

.2 Характеристика химических реагентов для проведения исследований

.3 Инструктаж по технике безопасности для работ в исследовательской лаборатории

Заключение

Библиографический список

Введение

Целлюлозно-бумажная промышленность по воздействию на окружающую среду является одной из проблемных по величине токсичных выбросов в атмосферу и сбросов в водоемы, поскольку в отбелке используются хлорсодержащие реагенты, которые могут содержаться в готовой продукции.

Экологические проблемы предусматривают изменение природной среды в результате антропогенных воздействий, ведущее к нарушению структуры и функционирования природных систем и приводящее к негативным социальным, экономическим и иным последствиям.

Известно, что ECF-технология (без использования молекулярного хлора) отвечает мировым унифицированным критериям допустимой меры загрязнения окружающей среды и влияния вредных веществ на здоровье и является "самой доступной технологией" - ВАТ-технологией ("Best Available Technology") в том случае, когда соблюдается минимум содержания хлорсодержащих органических соединений (ХОС). ВАТ-технология при этом не предписывает применения какого-либо определенного способа отбелки. Это создает предпосылки к реализации различных вариантов схем отбелки при внедрении технологий ECF.

Одним из таких вариантов является мягкой ECF-отбелка, предусматривающая сокращение хлорсодержащих отбеливающих реагентов. При этом речь идет о диоксиде хлора, поскольку при отбелке этим реагентов после целлюлозы, прошедшей кислородно-щелочную обработку, возникают проблемы, как образование молекулярного хлора при отбелке и получении этого реагента, и невозможность в перспективе перехода к замкнутому водопользованию и др.

Поэтому актуальны исследования не только в разработке мягкой ECF - отбелки целлюлозы, цель которой установить, при каком минимальном расходе диоксида хлора можно получить беленую целлюлозу с высокими качественными показателями, но и максимально использовать пероксид водорода, который является основным делигнифицирующим реагентом.

Эти исследования важны и потом, что, целлюлозно-бумажная промышленность (ЦБП) относится к ведущим отраслям народного хозяйства Республики Коми, так как регион располагает огромными лесосырьевыми ресурсами - метод полного факторного планирования эксперимента.

Задачи дипломного проекта

- провести отбелку целлюлозы по схеме: КЩО - Н2SO4 - Пщ - Д - Пщ. при суммарном расходе пероксида водорода 3% и расходе диоксида хлора 0,5% и определить качественные показаетли целлюлозы:

белизну;

вязкость;

разрывную длину;

- провести кислотно-пероксидную делигнификацию (Н2SO4 -Н2О2) лиственной целлюлозы с целью определения оптимальных значений факторов (температура, расход пероксида водорода, продолжительность отбелки) методом регресионного анализа;

рассчитать материальный и тепловой баланс;

определить избыток оборотной воды на 1-4 ступенях отбелки и направления их использовнаия;

определить остаочный пероксид водорода на 2 и 4 ступенях отбелки методом титриметрического титрования;

на основе патентного поиска по опрелелению соотношения содержания фенолов в стоках и остаточного пероксида водорода, обеспечивающего окислительный стресс микроорганизмов для эффективной деструкции фенолов при биологической очистке, аналогично установить соотношение в фильтратах мягкой ECF-отбелки.

1. Литературный обзор

.1 Модернизация очистных сооружений на Монди СЛПК

марта 2015 г на Монди СЛПК состоялось торжественное открытие новой станции механической очистки сточных вод. Компания реализует масштабный проект по модернизации очистных сооружений. Инвестиции компании в первые два этапа проекта уже составили около 840 миллионов рублей.

Сегодня очистные сооружения Монди СЛПК - комплекс производственных установок и технологических процессов, через которые проходят свыше 80 миллионов кубометров воды в год.

В результате реализации проекта по модернизации очистных сооружений повысилась эффективность их работы, улучшились качественные показатели сточных вод и безопасность труда. Это самая современная станция по очистке сточных вод.

В ходе первого этапа проекта модернизирован аэротенк №3, вторичные отстойники №4 и №7, завершено строительство станции механической очистки сточных вод Сыктывкара и Эжвы, а также камеры смешения. В настоящее время проводится модернизация преаэратора второй ступени. На втором этапе будет модернизирован аэротенк №4, три вторичных отстойника, выполнена активация буферных емкостей. Третий этап проекта по модернизации очистных сооружений пока находится в разработке.

Официальное открытие новой станции механической очистки сточных вод состоялось 3 марта. В мероприятии, имеющем большое значение для коммунального хозяйства г. Сыктывкара и Эжвинского района приняли участие руководители Монди СЛПК, руководители муниципальных администраций, представители природоохранных ведомств, а также региональные СМИ.

Компания Монди ежегодно инвестирует в развитие предприятия, уделяя большое внимание природоохранным мероприятиям, направленным на охрану водных ресурсов региона. В результате реализации проекта по модернизации очистных сооружений мы повысим эффективность их работы, улучшим качественные показатели сточных вод и безопасность труда, - сказал генеральный директор Монди СЛПК Клаус Пеллер.

По словам руководителя администрации г. Сыктывкара Ивана Поздеева, запустив в эксплуатацию станцию механической очистки сточных вод, предприятие сделало очередной шаг в сторону улучшения экологической обстановки в столице республики, и, в первую очередь, в Эжвинском районе города.

Сбросы недостаточно очищенных сточных вод влияют на экосистему водных объектов, отрицательно сказываются не только на экологической, но и на санитарной безопасности населенных пунктов. Понимая всю важность данного вопроса, Монди СЛПК проводит большую работу по снижению отрицательного воздействия на окружающую среду. "Уверен, что этот проект, который, к слову, смело можно называть социальным, принесет только положительные результаты" - сказал И. Поздеев.

Очистные сооружения Монди СЛПК - это комплекс производственных установок и технологических процессов, через который проходит свыше 80 миллионов кубометров воды в год, из которых 30% составляют хозяйственно-бытовые стоки Сыктывкара, Эжвинского района и Северного промышленного узла (включая промышленные стоки Зеленецкой птицефабрики, с. Зеленец и хозяйственно-бытовые стоки с. Выльгорт).

Сточные воды, поступающие на Монди СЛПК, помимо механической очистки от песка, крупного мусора и других минералов, проходят также биологическую очистку от органических соединений с помощью "активного ила", который состоит из питающихся органикой микроорганизмов. Для поддержания их деятельности требуется постоянно насыщать сточные воды кислородом - это обеспечивают особые мембранные аэраторы, подающие воздух в специальные емкости (аэротенки), куда осуществляется также подача "активного ила". На станции биологической очистки сточных вод Монди СЛПК находятся в эксплуатации 8 аэротенков. Вторичные отстойники - последняя стадия биологической очистки, на которой происходит осветление (отделение) ила от воды. Отделенный ил направляется вновь на аэротенки, для очищения сточных вод.

.2 Роль остаточного пероксида водорода в повышении эффективности биологической очистки

Научные исследования в области экологических проблем направлены на усовершенствование технологии отбелки целлюлозы, а также снижение токсичности стоков, поскольку целлюлозно-бумажная промышленность остаётся по-прежнему водоёмкой и потенциально опасной для окружающей среды. Для этого надо владеть методами определения качественных показателей, как целлюлозы, так и стоков отбельного производства.

Актуальность исследований еще заключается и в необходимости повышения эффективности биологической очистки от фенольных соединений в сточных водах отбельного производства,

Новая производственная схема водопользования при ЕCF-отбелке на лиственном потоке предприятия (A/D0 - Еор - D1) все еще функционирует при суммарном расход диоксида хлора 15 кг/т.

Поэтому существует опасность сброса в водные объекты токсичных органических соединений, обладающих канцерогенными свойствами. Их присутствие ухудшает качества природных вод, поскольку в них могут содержаться диоксины, предшественниками которых являются хлорфенолы. Основными источниками выбросов вредных веществ в атмосферу в цехе отбелки лиственной целлюлозы являются башни и фильтры отбельного производства.

Поэтому в отбелке в качестве основного делигнифицирующего реагента целесообразно применять пероксид водород в щелочной среде. Это важный момент, поскольку ECF-отбелка является условно бесхлорной, вследствие образования молекулярного хлора, как при получении этого реагента, так и при отбелке этим реагентом.

Поэтому одним из направлений повышения эффективности биологической очистки является мягкая ECF-отбелка, которая позволяет существенно сократить диоксид хлора и снизить содержание хлорорганических соединений, поступающих на станцию биологической очистки.

Из литературных источников известно, чтообы активный ил при биологической очистке стоков работал эффективнее, микроорганизмам в нем необходимо создать окислительный стресс. Для этого в активный ил необходимо добавить небольшое количество пероксида водорода и обеспечить его подсветку. При таких условиях в активном иле уничтожаются 95-99% органических загрязнений, включая соединения фенольного характера.

Благодаря высокой способности природных микроорганизмов адаптироваться к условиям окружающей среды, перспективны исследования способов очистки стоков с использованием микроорганизмов, обладающих определенным набором ферментных систем.

При стрессовых состояниях значительно изменяется их изоферментный состав, возможно за счет изменений четвертичной структуры белка фермента, рисунок 1.

Сочетание этого фактора с модернизацией станции биологической очистки, предусматривающей повышение аэрации, повышает жизнедеятельность аэробов активного ила при утилизации органических соединений, рисунок 2.

Рисунок 1 - Четвертичная структура белка -фермента

Рисунок 2 - Микрофотография некоторых микроорганизмов активного ила

отбелка целлюлоза сточный фильтрат

Пероксидаза катализирует окисление органических соединений (фенол, пирокатехин, пирогаллол, гидрохинон, резорцин, гваякол, ароматические кислоты и другие соединения) с помощью пероксида водорода, рисунок 3.

Рисунок 3 - Участие пироксидазы в окислении пирокатехина

Субстратная специфичность пероксидазы к природным субстратам максимальна в щелочной и нейтральных средах. В качестве доноров водорода наиболее интенсивно используются природные фенольные соединения (пирогаллол, гваякол и др.). В процессах окисления принимают участие ионы металлов, например марганца, рисунок 4.

Рисунок 4 - Схема окисления фенолов в присутствии ионов марганца

.3 Патентный поиск по повышению эффективности биологической очистки при участии пероксида водорода

 

.3.1 Способ биологической очистки сточных вод от фенола

Известен способ очистки сточных вод от трудноокисляемых соединений путем предварительной обработки перекисью водорода перед подачей на биологическую очистку. Этот способ предусматривает предокисление пероксидом водорода сточных вод и дальнейшее направление их на биологическую очистку.

Формула изобретения: способ биологической очистки сточных вод от фенола активным илом, включающий адаптацию активного ила, отличающийся тем, что очистку проводят активным илом и пероксидом водорода, причем активный ил предварительно адаптируют к высоким концентрациям фенола не более 3,0 г/л и пероксидом водорода не более 3 г/л. Результаты представлены в таблице 1.

Таблица 1 - Показатели процесса биодеструкции фенола

Показатели процесса

Предложенный способ

Прототип


Пример 1

Пример 2


Концентрация фенола до очистки, г/л

3,0

3,0


Концентрация фенола после очистки, г/л

0,05

0,18


ХПК до очистки, мг О2/л

295

374

364,2

ХПК после очистки, мг О2/л

212

430,5

26,6

Степень очистки, %

95

94

92,7

Концентрация активного ила в конце процесса деструкции, г/л по сухим веществам

3,96

2,64

2,9

Скорость потребления фенола, г/л*ч

до 0,33

до 0,27

0,025

Режим

Непрерывный

Непрерывный

Допустимая концентрация фенолов, г/л

Не более 3,0

Не более 0,5


Предлагаемый способ позволяет осуществлять процесс очистки в непрерывных условиях, значительно повысить скорость процесса, причем процесс совместного биологического и химического окисления проводится в одном объеме и одновременно, что значительно упрощает аппаратурное оформление биологической очистки. Однако, содержание фенолов не должно превышать 3 г/л.

Непрерывный процесс совместного и одновременного окисления фенолов активным илом и пероксидом водорода проводят на лабораторных моделях аэротенков - смесителей объемом 5 л, которые работают круглосуточно.

Используются модельные сточные воды, содержащие, г/л: Na2HPO4 - 10,1, (NH4)2SO4 - 1,0, KH2РO4 - 2,7, MgSO4*7H2O - 0,2, MnSO4 - 0,01, FeSO4*7H2O - 0,05, Са(NO3)2 - 0,03, в качестве загрязнителя - фенол в концентрациях 0,5-3,0 г/л.

Степень очистки оценивается спектрофотометрическим методом при длине волны, равной 270 нм.

1.3.2 Способ биологической очистки сточных вод от органических соединений

Формула изобретения: способ биологической очистки сточных вод от органических соединений, в частности, от фенолов и их производных, активным илом, включающий обработку активного ила перекисью водорода, отличающийся тем, что активный ил предварительно адаптируют к потреблению фенола при внесении фенола в концентрации не более 2 г/л и перекиси водорода в концентрации не более 3 г/л, а очистку проводят в периодическомрежиме с внесением высококонцентрированных сточных вод порциями не более 5 г/л по фенолам и перекиси водорода порциями не более 20г/л непосредственно в среду биоокисления в течение всего процесса без оттока жидкой среды. Результаты представлены в таблице 2.

Таблица 2 - Показатели эффективности биологической очистки

Показатели процесса

Пример 1 без адаптации с адаптацией к Н2О2

Пример 2 (с адаптацией к Н2О2)

Концентрация фенола в исходном стоке, г/л

2,0

2,0


Количество суммарно внесённого фенола, г/л ХПК до очистки, мг О2/л

8,0

100,0

364,2

ХПК после очистки, мг О2/л



26,6

Степень очистки, %

85

99,95

92,7

Концентрация активного ила в конце процесса деструкции, г/л по сухим веществам

2,6

17,0

2,9

Скорость потребления фенола, г/л*ч

до 0,3

до 0,8

0,025

Режим

Периодический с дополнительным внесением высококонцентрированных сточных вод и перекиси водорода

Непрерывный

Допустимая концентрация фенолов, г/л

Не более 5,0

Не более 0,5


Недостатками такого способа является проведение процесса в периодическом режиме.

Используются модельные сточные воды, содержащие, г/л: Na2HPO4 - 10,1, (NH4)2SO4 - 1,0, KH2РO4 - 2,7, MgSO4*7H2O - 0,2, MnSO4 - 0,01, FeSO4*7H2O - 0,05, Са(NO3)2 - 0,03, в качестве загрязнителя - фенол в концентрации 2,0. Адаптацию микроорганизмов, формирующих активный ил, к потреблению фенола проводят в периодическом режиме биоокисления вплоть до одномоментно вносимых концентраций фенола 2 г/л в течение 1,5 мес. путем культивирования микроорганизмов в колбах на качалке. Процесс биодеструкции фенола проводят на лабораторной модели аэротенков-смесителей в биореакторе с мешалкой объемом 5 л [5].

1.3.3 Способ биодеструкции фенола

Формула изобретения: изобретение относится к биотехнологии и может быть использовано в процессе биологической очистки промышленных сточных вод, почвы, шламов. Способ предусматривает выращивание лигнолитического гриба Panus (Lentinus) tigrinus BKM F-3616D на жидкой питательной среде Чапека-Докса, дополненного лигносульфанатом, содержащей калий фосфорнокислый двузамещенный, сульфат железа, сульфат магния, нитрат натрия, сульфат меди, хлорид калия, сахарозу и лигносульфонат, соответственно.

Получение 3-4-суточного инокулята этого гриба. Внесение в фенолсодержащие стоки с биогенными факторами 3-4-суточного инокуляталигнолитического гриба Panus (Lentinus) tigrinus BKM F-3616D. Изобретение позволяет осуществлять очистку стоков от фенолов с более высокими концентрациями.

Результаты представлены в таблице 3.

Таблица 3 - Показатели биодеструкции фенола

Обработка

Максимальная концентрация фенола, г/л

Убыль фенолов, г/л

Pseudomonasputida

0,25

0,23

Pseudomonas species и Alcaligenes species

1,50

1,35

Panus (Lentinus) tigrinus BKM F-3616D, выращенный на среде Чапека-Докса с лигносульфонатом

30

22,50


Технический результат заключается в очищении стоков и субстратов с высокой концентрацией фенолов (до 30 г/л).

Способ биодеструкции фенола, предусматривающий внесение микроорганизма в фенолсодержащие стоки с биогенными факторами, отличающийся тем, что в качестве микроорганизма используют 3-4-суточный инокулятлигнолитического гриба Panus (Lentinus) tigrinus BKM F-3616D, выращенного на жидкой среде Чапека-Докса, дополненной лингосульфонатом, включающей, г/л: калий фосфорнокислый двузамещенный - 1,0; сульфат железа - 0,01; сульфат магния - 0,5; нитрат натрия - 3,0; сульфат меди - 0,22; хлорид калия - 0,5; сахароза - 30,0; лигносульфонат - 15,0.

 

.3.4 Способ аэробной биологической очистки сточных вод

Формула изобретения: изобретение относится к области биологической обработки промышленных или бытовых сточных вод. Проводят механическую обработку сточной воды и отделяют от нее твердый осадок. Обрабатываемую воду отстаивают в первичном отстойнике и отделяют от нее сырой осадок. Аэробную биологическую очистку воды активным илом осуществляют в аэротенке. Смесь сточной воды и активного ила отстаивают во вторичном отстойнике. Перед подачей возвратного активного ила обратно в аэротенк осуществляют его физико-механическую обработку путем ультразвукового воздействия в роторном аппарате с модуляцией потока, в который одновременно подают атмосферный воздух. Очищенную воду отводят из очистных сооружений. Изобретение позволяет повысить эффективность и качество процесса биологической очистки сточных вод.

Ультразвук, действуя на возвратный активный ил, повышает метаболическую активность микрофлоры, удельная скорость потребления кислорода возрастает, и происходит ускорение процесса биологического окисления органических загрязнений сточных вод.

Так как технологический процесс очистки сточных вод требует предотвращения вымывания активного ила из системы очистных сооружений, то размеры флокул должны быть достаточными для того, чтобы обеспечить седиментацию ила во вторичных отстойниках за время, обусловленное конструкционными параметрами отстойников.

Формула для расчёта наименьшего допустимого размера частицы ила:

 , (1)

где ρ1 и ρ2 - плотности частицы и жидкости соответственно; η - динамическая вязкость жидкости; V - объем отстойника; Q - объёмная скорость потока жидкости в отстойник; h - глубина отстойника; g - ускорение свободного падения.

Для получения значений размеров флокул, обеспечивающих оптимальную скорость и качество биологического окисления органических загрязнений, используется разработанная ячеечная модель процесса биологического окисления флокулами активного ила. Режим обработки в РАМП выбирается таким образом, чтобы обеспечить размер флокул как по формуле 1, так и требованиям ячеечной модели.

Активный ил, осажденный во вторичном отстойнике, в дальнейшем именуемый возвратным активным илом, с помощью насоса подается по трубопроводу на вход аэротенка. В тракт трубопровода встраивается роторный аппарат с модуляцией потока для осуществления физико-механического воздействия на поток возвратного ила.

Для насыщения иловой суспензии растворенным кислородом одновременно с возвратным активным илом в роторный аппарат с модуляцией потока подают атмосферный воздух и производят диспергирование иловоздушной смеси. Обработанный возвратный ил подается на вход аэротенка, где смешивается с поступающей сточной водой .

 

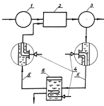
.3.5 Способ биологической очистки сточных вод

Формула изобретения:

. Способ биологической очистки сточных вод, включающий первичное отстаивание, обработку активным илом в аэротенках, вторичное отстаивание и возврат циркуляционного активного ила в аэротенки. Отличается тем, что возвратный циркуляционный активный ил после вторичного отстаивания перед обработкой в аэротенках предварительно регенерируют кислородсодержащей смесью, погружением в него аэратора с возможностью управления временем пребывания кислорода в иловой смеси.

. Способ по п. 1, отличающийся тем, что предварительную регенерацию возвратного циркуляционного активного ила производят погружением аэратора в поток ила непосредственно в магистрали.

. Способ по п. 1, отличающийся тем, что предварительную регенерацию возвратного циркуляционного активного ила производят погружением аэратора в камеру циркуляционного активного ила.

На рисунке 6 представлена схема для реализации данного способа. Способ биологической очистки сточных вод включает отстаивание в первичном отстойнике 1, обработку активным илом в аэротенках 2, вторичное отстаивание во вторичном отстойнике 3 и возврат циркуляционного активного ила в аэротенки 2. Возвратный циркуляционный активный ил после вторичного отстаивания перед обработкой в аэротенках аэрируют кислородсодержащей смесью погружением в него аэратора 4. Аэратор 4 погружают в поток ила непосредственно в магистраль 5 или в камеру 6 циркуляционного активного ила с возможностью управления временем пребывания кислорода в иловой смеси, рисунок 5.

Рисунок 5 - Схема реализации регенерации активного ила

В результате предварительной регенерации циркуляционного активного ила повышается его метаболическая активность и резко сокращается массовый расход воздуха на аэрацию в аэротенках, что приводит к значительному сокращению электроэнергии (как минимум в 2 раза), а также позволяет быстро восстанавливать нормальную работу сооружений (2-3 суток) в случае резкого увеличения токсичности стоков. БПК5 определяется равным не более 3 мг/л.

2. Методическая часть

.1 Методика отбелки целлюлозы

Небеленую целлюлозу из хвойных пород с заданной жесткостью 11,3 Каппа, вязкостью 840 мл/г после КЩО подвергают обработке серной кислотой с расходом 3% от массы в.с.ц., с концентрацией массы 10% при выдерживании целлюлозной суспензии при 900С в течение 60 минут, затем целлюлозную массу отделяют, промывают и обрабатывают пероксидом водорода при той же концентрации массы (с расходами Н2О2 2,0% и гидроксида натрия 1,2%, сульфата магния 0,25%) при 800С и продолжительности 120 мин., затем целлюлозу отделяют, промывают и обрабатывают диоксидом хлора при температуре 70 0С с расходом 0,5% при концентрации массы, продолжительности обработки аналогичной второй ступени, затем целлюлозу промывают и подвергают обработке пероксидом водорода (с расходами Н2О2 1,5% и гидроксида натрия 1,2% от массы абс. сухой целлюлозы) при концентрации массы 10%, при 900С и продолжительности обработки 120 мин., тщательно промывают и высушивают.

Фильтраты лиственной целлюлозы были получены по аналогичной методике (исходная жесткость 11,8 ед. Каппа, вязкость 940 мм/г)

.2 Метод определения белизны целлюлозы

Метод основан на измерении в синей области спектра при эффективной длине волны 457 нм коэффициента диффузного отражения поверхности светонепроницаемой стопы образцов по отношению к коэффициенту отражения абсолютного рассеивания, принимаемого за 100%.

Аппаратура, посуда, реактивы

фотометр белизны, соответствующий требованиям ГОСТ 30116;

рабочие эталоны;

воронка Бюхнера с внутренним диаметром 90 мм ГОСТ 9147;

колба для фильтрования под вакуумом вместимостью 1000-2000 см3; ГОСТ 25336;

насос вакуумный лабораторный;

валик металлический массой 1000-1500 г;

рН-метр лабораторный;

бумага фильтровальная ГОСТ 12026;

фильтры из хлопчатобумажной белой ткани ГОСТ 29298;

фильтры обеззоленные марки "синяя лента";

весы лабораторные общего назначения ГОСТ 24104 с пределом взвешивания не более 1000 г и погрешностью взвешивания ± 0,03 г;

анализатор влажности

горка сушильная с регулируемой температурой 80 С ± 2 С;

стакан мерный вместимостью 250-300 см3 ГОСТ 25336;

кислота серная ГОСТ 4204, 0,1 н раствор;

вода дистиллированная ГОСТ 6709.

Выполнение анализа

Из отобранной пробы целлюлозы изготавливают не менее двух отливок минимальной массой 1 м2 200 г.

Отобранную пробу влажной целлюлозы тщательно перемешивают, берут навеску, содержащую 1,3 г (а.с.в), помещают в мерный стакан и заливают дистиллированной водой до метки (~150 см3).

Измеряют рН образовавшейся суспензии. Значение рН должно составлять 4,0-5,5, если значение рН больше 5,5, то добавляют раствор серной кислоты по каплям до достижения требуемого значения рН.

При необходимости измерения белизны при более высоких значениях рН (при калибровке белизны со ступеней щелочения он-лайн прибора каппа-брайт), целлюлоза должна испытываться при рН=6,5±0,5 и это значение необходимо указать в отчете об испытаниях.

Из полученной суспензии изготавливают отливку следующим образом.

Помещают фильтр из х/б ткани в воронку Бюхнера и смачивают водой. Устанавливают воронку так, чтобы дно располагалось горизонтально, и наливают в нее суспензию целлюлозы. Проводят обезвоживание путем отсасывания.

Избегают избыточного прохождения воздуха через отливку и после исчезновения зеркала отлива отсасывание прекращают.

Извлекают отливку вместе с фильтром из воронки, осторожно отделяют от отливки полотняный фильтр и заменяют его фильтром марки "синяя лента", сверху закрывают ее другим фильтром марки "синяя лента".

Отливку с фильтрами помещают между листами фильтровальной бумаги, сложенной в 4 слоя, и прокатывают валиком 4-5 раз. После отжима от отливки отделяют влажную фильтровальную бумагу и фильтры, прокладывают в два слоя белой бумагой и сушат на горке при температуре 80С ± 2 С до содержания влажности 10-15%.

Для определения белизны пробы изготавливают две отливки. Высушенные отливки маркируют на верхней стороне и складывают в стопку. Отливки следует защищать от загрязнения и воздействия света.

Для измерения белизны применяют спектрофотометр L&W Elrepho SE 070R. Испытания проводят в соответствии с инструкцией к прибору. Белизну целлюлозы измеряют только на верхней стороне образца (5 точек). Считывают показания прибора до 0,01%. Верхний испытуемый образец перекладывают вниз и измеряют белизну второго образца.

Выражение результатов

За результат испытания принимают среднее арифметическое значение двух измерений белизны, округленное до 0,1%.

2.3 Методика определения вязкости целлюлозы

Концентрацию целлюлозы вычисляют из ожидаемого числового предела вязкости целлюлозы.

Вязкость определяют с помощью двух капиллярных вискозиметров, измеряя время истечения раствора.

Аппаратура

Полиэтиленовые баночки (52 см3), в которые загружаются 50 см3 раствора с целлюлозой, и удаляется остаток воздуха сжатием баночки.

Калибровочный вискозиметр на 2 см3 капиллярного типа, имеющий водяную рубашку для воды с постоянной температурой.

Вискозиметр для определения вязкости проб целлюлозы на 1 см3.

Термостат, поддерживающий 25°С ± 0,1.

Кусочки медной проволоки, примерно 3 мм диаметром и 10-20 мм длиной. Перед использованием медных кусочков очистить их разбавленной HNO3, после чего хорошо промыть дистиллированной водой и дать подсохнуть.

Встряхивающий прибор для баночек с раствором (СЭД) и целлюлозы.

Реагенты

Раствор СЭД 1 моль/л.

Глицерин, водный раствор, 650 г глицерина / 1 кг раствора.

Калибровка вискозиметра

Определить время истечения для дистиллированной воды, раствора глицерина и 0,5 М раствора СЭД (смесь равных по объему дистиллированной воды и 1М раствора СЭД) в калибровочном вискозиметре.

Повторить измерения дважды и подсчитать средний результат.

Вычислить коэффициент вязкости f и постоянную вискозиметра h по следующим формулам:

;

с.д. - время истечения раствора глицерина в калибровочном вискозиметре, с (d = 0,57 ± 0,02 мм);..д. время истечения раствора глицерина в калибруемом вискозиметре, с (d = 0,8 ± 0,05 мм)сед время истечения для 0,5М раствора СЭД в калибровочном вискозиметре, с (d = 0,57 ± 0,02 мм)

Фактор f - константа, выражающая связь между двумя вискозиметрами, а константа h зависит от f и от используемого растворителя, tсед определяют каждый раз при использовании свежего раствора.

Примечания

Отношение времени истечения для раствора (СЭД) к дистиллированной воде tСЭД/tH2O должно находиться между пределами 1,27-1,29.

Использование двух различных вискозиметров для калибровки необходимо. Т.к. существует большое различие между вязкостью раствора образца и растворителя.

Приготовление образца

При наличии костры ее необходимо удалить вручную или с помощью пинцета. Для определения вязкости целлюлозы необходимо определить влажность исследуемого образца. Взять навеску образца, исходя из предполагаемой вязкости исследуемого образца по следующей таблице 4.

Таблица 4 - Определение массы навески

Предельное число вязкости (η), мл/г

Количество пробы, г а.с.в.

400-500

0,250

651-850

0,200

851-1100

0,150

1101-1200

0,130

1201-1300

0,120

13011400

0,110


Если приблизительное число предельной вязкости (η) неизвестно, проведите пробное тестирование на пробе массой 0,150 г. На основе полученных данных выберите необходимое количество пробы и повторите еще раз.

Подготовка тестируемого раствора

В полиэтиленовую баночку поместить навеску образца целлюлозы, добавить 50 мл 0,5 М раствора СED. Закрыть баночку, удалить весь остаток воздуха сжатием баночки и плотно закрыть. Поставить на магнитную мешалку и перемешивать с помощью магнита при скорости 800 1/мин пока целлюлоза полностью не растворится. Обычно это занимает примерно 60 минут.

Определение времени истечения

Довести температуру тестируемого раствора до 250С, а вискозиметра до 25±0,10С. Раствор (СED) залить в вискозиметр с помощью груши, когда мениск достигнет верхней метки, включить секундомер и засечь время истечения раствора до нижней метки с точностью до ± 0,2 с (tt.t). Провести не менее двух измерений и подсчитать средний результат.

Расчет

Соотношение вязкости вычислить по уравнению:

ηсоотн = h·t t.t ,

где h - константа, полученная при калибровке в с-1;t.t - время истечения тестируемого раствора, с.

Показатели произведения [η]·с, которые соответствуют величине для ηсоотн, произведение [η]·с эквивалентно величине предельного числа вязкости [η] и концентрации тестируемого раствора С.

Максимальная точность достигается, когда произведение [η]·с близко по значению 3,0. Следовательно, концентрацию целлюлозы с следует подобрать так, чтобы произведение [η]·с было равно 3,0±0,4. Эта цифра соответствует соотношению вязкости между 6,6-10,4. Если произведение [η]·с меньше 2,6 или выше 3,4, то следует повторить тест. Выбрать концентрацию на основе полученного результата, чтобы произведение было как можно ближе к 3,0.

Вычислить концентрацию с по весу пробы и влажности. Объем тестируемого раствора равен 50 мл. По уравнению вычислить предельное число вязкости [η]:

,

где [η]·с - произведение эквивалентное предельному числу вязкости и концентрации тестируемого раствора;

С - концентрация целлюлозы.

Выполнить не менее двух тестов и вычислить среднее значение.

Примечание 1. Согласно методике SCAN предельное число вязкости записывается в мл/г. Общего коэффициента пересчета предельного числа вязкости и другими вязкостями, определяемыми другими методами и выраженными в МПа с, нет.

Пример:= 0,0821 c-1 (получается при калибровании);t.t =100 c (измеряется);

С=0,00396 г/мл (рассчитывается по весу пробы и влажности);

ηсоотношение = h·t t.t = 0,0821·100 = 8,21.

Соответствующее значение для [η]·с, взятое из таблицы, равно 2,967 и


2.4 Метод определения химического потребления кислорода (ХПК)

Аппаратура, реактивы и вспомогательные материалы

весы лабораторные с точностью 0,01 г;

воронка Бюхнера;

колба для фильтрования под вакуумом, вместимостью 1000-2000 см3 по ГОСТ 25336;

насос вакуумный лабораторный;

вода дистиллированная по ГОСТ 6709;

цилиндр мерный вместимостью 100 см3;

эксикатор;

фильтр бумажный;

стакан химический емкостью 800 см3;

сушильный шкаф с регулируемой температурой (105±2) С;

анализатор влажности;

дезинтегратор со скоростью 3000 об/мин;

Выполнение анализа

Из отобранной пробы влажной целлюлозы берут навеску, содержащую 7,5 г а.с. волокна, разбавляют в стакане дистиллированной водой температурой 20±5˚С до 500 мл.

С помощью дезинтегратора размешивают пробу в течение 10 минут.

Сразу после дезинтегрирования целлюлозную суспензию помещают на фильтр с известным весом на воронку Бюхнера и отфильтровывают. Далее промывают отливку целлюлозы на фильтре в воронке водой трижды по 100 мл. Извлекают целлюлозную отливку с волокном и высушивают в сушильном шкафу при t =1050С до постоянной массы. Помещают отливку в эксикатор и охлаждают до комнатной температуры. Массу а. с. целлюлозы записывают с точностью до 0,01 г.

Фильтрат с промывными водами переносят в цилиндр и фиксируют объем V, мл. Проверяют, чтобы фильтрат не содержал волокно или другие видимые частицы.

Определяют ХПК согласно методике ПНД Ф 14.1:2:4. 190-03 ("Методика определения бихроматной окисляемости в пробах природных, питьевых и сточных вод фотометрическим методом с применением анализатора жидкости "Флюорат - 02").

Примечания:

Для получения точных результатов важно качество воды. При дезинтегрировании и фильтровании используйте дистиллированную воду. Проверяйте качество воды (содержание ХПК холостой пробы) - 1 раз в неделю

Показатель холостой пробы обычно ниже, чем нижняя граница определения

Выражение результатов

Рассчитать ХПК в кг на а.с тонну целлюлозы:


где: V - общий объём воды, пошедший на фильтрование и промывку, мл;

Х - содержание ХПК, измеренное фотометрическим методом, мг/л;

Х0 - содержание ХПК холостой пробы, измеренное фотометрическим методом, мг/л;- а.с. масса отливки целлюлозы (с фильтром), г;ф - а.с. масса фильтра, г;

- числовой множитель для перевода мл в л;

Результат округляют до первого десятичного знака.

2.5 Метод определения прочности на разрыв

Сущность метода заключается в определении усилия, вызывающего разрушение образца. Прочность на разрыв характеризуется разрывной длиной (км) и индексом прочности при растяжении (Нм/г).

Подготовка проб

Отбор проб целлюлозы - по ГОСТ 7004-93.

Для испытания целлюлозы изготовляют по пять отливок по ГОСТ 14363.4-89.

Из каждой отливки вырезают по два образца шириной (15,00,1) мм и длиной не менее 150 мм по схеме, указанной в ГОСТ 14363.4-89

Образцы должны быть с ровными кромками, чистыми, без складок, вмятин и морщин.

Аппаратура

Горизонтальная разрывная машина SE 062 ф. Lorentzen and Wettre:

абсолютная погрешность измерения удлинения не должна превышать для машин:

с предельной нагрузкой до 300 Н (30 кгс) включ. - 0,5 мм;

зажимы должны удерживать образец без скольжения в течение всего испытания;

- расстояние между зажимами регулируемые и обеспечивают установку значений (1001) мм;

скорость перемещения подвижного зажима должна быть переменной с плавной регулировкой и ее отклонение при любом установочном значении не должно превышать 5%;

Нож с ограничителем для нарезания образцов требуемой ширины, обеспечивающий параллельность сторон.

Секундомер;

Весы лабораторные электронные прецизионные GM-612 с погрешностью взвешивания не более 0,01 г.

Подготовка к испытанию

Образцы подвергают кондиционированию в соответствии с ИСО 187:1990.

Образцы взвешивают на электронных весах и рассчитывают массу 1 м2:


где n - количество отливок;

Σm - суммарный вес отливок;

,5 - количество отливок в 1 м2;

,

отливки = πR2, Rотливки = 0,0989 м;

Расстояние между зажимами разрывной машины устанавливают для полуфабрикатов 100 мм.

Скорость испытания подбирают так, чтобы разрыв образца наступил через (205) с от начала нагружения.

Проведение испытания

Испытания проводят в кондиционных условиях по ИСО 187:1990 при температуре и относительной влажности воздуха, указанных в нормативно-технической документации на продукцию.

Образец закрепляют в зажимах разрывной машины, не касаясь его испытуемой части, с силой натяжения не более 0,3 Н (0,03 кгс) так, чтобы он не скользил во время испытаний, и чтобы прилагаемая сила имела направление, параллельное его краям.

Испытывают не менее 10 образцов полуфабрикатов.

Следует отбраковать все показания для тех образцов, которые разрушаются в зоне в пределах 2 мм от линии зажима.

Обработка результатов

Нажать калькуляцию для проведения расчетов и вывода результатов на принтер.

.6 Метод определения сопротивления раздиранию

Сущность метода заключается в определении усилия, необходимого для раздирания определенной длины предварительно надрезанного испытуемого образца, состоящего из наложенных друг на друга четырех образцов, с помощью маятника, который создает это усилие при перемещении перпендикулярно плоскости испытуемого образца. Работа, совершаемая при раздирании испытуемого образца, измеряется потерей потенциальной энергии маятника.

Среднее значение усилия раздирания (среднее арифметическое показаний - отношение проделанной работы к общей длине разрыва испытуемых образцов) указывается стрелкой или индуцируется на цифровом индикаторе приборов. Сопротивление раздиранию вычисляют, исходя из среднего значения усилия раздирания и количества образцов.

Подготовка проб и изготовление отливок для определения сопротивления раздиранию по ГОСТ 14363.4-89

Подготовка и испытание образцов производится в тех же атмосферных условиях, в которых производилось их кондиционирование.

Подготовка образцов

Образцы вырезают длиной (75±1,0) мм и шириной (63±0,5) мм. Для нарезания образцов имеется специальный нож. Количество образцов должно быть - 20 шт., для проведения 5 испытаний. Образцы не должны иметь складок, морщин или других видимых дефектов.

Аппаратура

Образцы испытывают на приборе "РБ" согласно инструкции к прибору. Прибор "РБ" состоит из маятника со шкалой и фрикционной стрелкой, смонтированного на стояке так, что он может свободно колебаться относительно горизонтальной оси, двух зажимов для закрепления испытуемого образца, один из которых закреплен на стойке, другой - на маятнике. Шкала прибора имеет 100 делений.

Образцы нарезают по шаблону. Испытуемые образцы вставляют длинной стороной в зажимы до упора, закрепляют и надрезают с помощью ножа. Резким нажатием на тормоз освободить маятник, который при падении раздирает образец. Произвести отсчет показаний по шкале, зафиксированных стрелкой. Если направление линии раздирания отклоняется от направления линии надреза боле, чем на 10 мм, то полученный результат не учитывать и испытания повторить.

Обработка результатов

Сопротивление раздиранию (абсолютное сопротивление раздиранию) F, мН, вычисляют по формуле:


где - среднеарифметическое показаний по шкале, гс;

Р - цена деления шкалы (8 гс);- количество образцов, подвергнутых одновременному испытанию;

,81- коэффициент перевода несистемных единиц в системные.

Сопротивление раздиранию (абсолютное сопротивление раздиранию) F, гс, вычисляют по формуле:


где - среднеарифметическое показаний по шкале, гс;

Р - цена деления шкалы (8 гс);- количество образцов, подвергнутых одновременному испытанию.

Индекс сопротивления раздиранию: отношение сопротивления раздиранию к массе образца площадью 1 м2 (~75 г), выраженное в миллиньютонах, умноженное на квадратный метр и деленное на грамм (мН·м2/г).

.7 Методика озонирования

Для исследования был применен озонатор: Г-3188; производительность 400 мг/ч, с расходом озона 6,67 мг/мин, рисунок 6.

В реакционный сосуд с фильтратами отбелки помещен термометр и проведена обработка озоном в течение 1 мин при 230С, затем проведено анализ на содержание остаточного перокисда водорода.

Рисунок 6 - Озонирование фильтратов отбелки

.8 Методика определения глубины делигнификации

Спектрофотометрическое определение содержания лигнина в целлюлозе в расчете глубины делигнификации (ГД) в образцах 3 ступени с использованием кислоты и фильтратов 1 ступени.

Навеску 0,4000+/- 0,0005 г исследуемой целлюлозы взвешивают на аналитических весах, помещают в бюксы, добавляют 15 мл 14% азотной

кислоты и перемешивают до однородной массы на магнитной мешалке. Затем помещают бюксы в термостат при температуре 70°С +/-0,05 на 20 мин (по секундомеру). По истечении времени термостатированиябюксы с целлюлозной массой перенося в сосуд с водой и охлажают до комнатной температуры в течение 10 мн (по секундомеру). Охлажденную суспензию отфильтровывают на стеклянном пористом фильтре, полученный фильтрат фотометрируют на спектрофотометре ПЭ 5400УФ при длине волны 425 нм в кювете толщиной 10 мм относительно чистой 14% азотной кислоты.

Полученные значения оптической плотности D425 для каждого образца нормируют относительно оптической плотности исходной целлюлозы D0425.

Глубину делигнификации- долю растворенного при обработке лигнина вычисляем по формуле:

ГД = (1-D/D0) х 100 %,

где- содержание лигнина в хорошо промытой сульфатной целлюлозе;-оптическая плотность раствора целлюлозы после обработки;-оптическая плотность раствора исходной целлюлозы.

3. Экспериментальная часть

3.1 Методика отбелки лиственной целлюлозы

Схема мягкой ECF-отбелки лиственной целлюлозы:

КЩО - Н2SO4 - Пщ - Д - Пщ,

Где КЩО - кислородно-щелочная обработка;

П - пероксид водорода в щелочной среде,

Д - диоксид хлора,

Пщ - пероксид водорода в щелочной среде.

Объект исследования: фильтраты 2 и 4 ступеней отбелки лиственной сульфатной целлюлозы.

Методика отбелки

Небеленую целлюлозу из лиственных пород жесткостью 11,4 ед. Каппа (исходная вязкость 963 мл/г и белизна 52,1% после КЩО) подвергают обработке на 1 ступени серной кислотой с расходом 3% от массы а.с.ц., концентрации массы 10% при выдерживании целлюлозной суспензии 60 минут при 90С, последующую обработку целлюлозы проводят пероксидом водорода в щелочной среде в отсутствии с расходами Н2О2 2,0%, NaOH 1,2%, при 80С и продолжительности 120 мин, затем целлюлозу тщательно промываю и на 3 ступени обрабатывают диоксидом хлора с расходом 0,5% при 70С и продолжительности 120 мин, после промывки проводят отбелку пероксидом водорода в щелочной среде с расходами Н2О2 1,5%, NaOH 1,2%, при 90С и продолжительности 120 мин, затем целлюлозу тщательно промывают и высушивают, табл. 5.

Таблица 5 - Результаты отбелки лиственной целлюлозы по схеме: КЩО- Н2SO4 - Пщ - Д - Пщ

 Расход реагентов, %

Белизна, % / вязкость, мг/г

1 ступень H2SO4, %; Т С; ,мин

2 ступень Н2О2/NaOH, %; Т С; мин

3 ступень ClO2, %; Т С; , мин

4 ступень Н2О2/NaOH, %; Т С; ,мин


3; 90; 60

2,0/1,2;

0,5; 70, 120

1,0/1,0; 90, 120

86,5/832

Механические показатели

Разрывная длина, 8,33 км

Индекс разрывной длины 81,6 Н.м/г

Раздирание, 60,7 гс

Индекс раздирания 7,6 мН.м2/г


Определение вязкости, рисунке 7

Лиственная целлюлоза. Масса навески 0,1821 г

Концентрация раствора = м/V=0,1821/50=0,003642 г/мл

Придельное число вязкости Ѣ = ƞ/ С =3,031/0,003642=832 мг/г

Ƞ - находили по времени истечения

Время истечения = 90,5 с

Постоянная вискозметра h=0,094 с-1

Рисунок 7 - Определение вязкости

.2 Определения остаточного пероксида водорода в фильтратах отбелки

Содержание остаточного пероксида водорода представлено в таблицах 6-7.

Таблица 6 - Содержание остаточного пероксида водорода 2 ступени отбелки лиственной целлюлозы при различных расхода пероксида водорода

Расходы реагентов и режим отбелки

Объем тиосульфата натрия, мл

Содержание ост. Н2О2,мг/л

Ср. Н2О2, мг/л

Н2О2%

NaOH %

мин

ТС

1

2

3

1

2

3


2

1,2

180

80

4,5

4,7

4.6

0,306

0,320

0,313

3,12 10-1

2,5

1,5

180

80

2,3

2,3

2,5

0,156

0,156

0,17

1,6 10-1

2

1,2

120

80

0,07

0,07

0,07

0,0047

0,0047

0,0047

4,7 10-3

2,5

1,5

120

80

0,2

0,2

0.2

0,0136

0,0136

0,0136

1,36 10-2


Таблица 7 - Остаточный пероксид водорода в фильтратах отбелки лиственной целлюлозы после 2 и 4 ступени

Расходы реагентов и режим отбелки

Объем тиосульфата натрия, мл

Содержание ост. Н2О2,мг/л

Ср. Н2О2, мг/л

Н2О2%

NaOH %

 , мин

ТС

1

2

3

1

2

3


 Ступень 2

2

1,2

120

90

3,1

3,15

3,12

0,211

0,211

0,212

2,1 10-1

 Ступень 4

1,5

1,2

120

90

0,05

0,03

0,03

0,003

0,002

0,002

2,5 10-3


В таблице 8 представлен параметр окисления при анализе фильтратов 2 ступени.

Таблица 8 - Определение глубины делигнификации в образцах лиственной целлюлозы, 2 ступень

Длина волны, D

Показатель оптической плотности, D

Среднее значение D %

D347 / D286


1

2

3



D347

1,268

1,192

1,28

1,246

0,63

D286

1,974

1,933

2,003

1, 976




3.3 Отбелка лиственной целлюлозы для установления факторов, определяющих эффективность отбелки на 2 ступени

Получено уравнение регрессии, которое показывает зависимость изучаемого параметра (функции отклика) белизны целлюлозы от влияния независимых переменных факторов, представленных в таблице 9.

Таблица 9 - Определение значимого фактора по уравнению регрессии


Зависимость показателя белизны от ряда факторов представлена на рисунках 4-5.

Наиболее значимым фактором оказалась продолжительность ступени отбелки (х2), а не расход пероксида водорода на этой ступени (х2). При расходе 2% и продолжительность ступени 180 мин. при 800С достигнут наибольший показатель белизны целлюлозы, рисунки 8-9.

Рисунок 8 - Зависимость белизны целлюлозы от ряда факторов (Н2О2 2,0% от массы а.с.ц)

 

Рисунок 9 - Зависимость белизны целлюлозы от ряда факторов (Н2О2 2,5 % от массы а.с.ц)

.4 Определение показателя ХПК фильтратов отбелки лиственной 1-4 ступенях отбелки

Результаты по определению ХПК представлены в табл. 10 и рис. 10.

Рис 10 - Показатели ХПК лиственной целлюлозы до и после озонирования 1-4 ступенях отбелки.

Таблица 10 Показатели ХПК лиственной целлюлозы до и после озонирования

Режим

1 ступень

2 ступень

3 ступень

4 ступень

до озонирования

295

704

374

865

Озонирование 23С, 1 мин

212

689

430,5

729,5



Таким образом, при невысокой температуре и продолжительности 1 мин, существенного снижения показателя при озонировании не наблюдается. Показатели ХПК не превышают показатель ХПК в сточных водах производства, поэтому следует ожидать их эффективную биологическую очистку.


4. Материальный баланс мягкой ECF- отбелки лиственной целлюлозы

Параметры технологического режима отбелки лиственной сульфатной целлюлозы (схема: КЩО- H2SO4 - П - Д - Пщ)

Производительность небеленого лиственного потока 1014,72 т/сут,704,66 кг/мин, 42,28 кг /час.

Наименование стадий и операций

Показатель

Значение показателя

Ступень обработки целлюлозы серной кислотой

Расход серной кислоты, кг/т а. с. ц. Концентрация серной кислоты, г/л Концентрация массы, % Температура на ступени, С Время обработки, мин рН на выходе

 30 49 10 90 60 мин 1,8-2,0

Ступень стабилизированной отбелки пероксидом водорода (П)

Концентрация массы, % Расход гидроксида натрия, кг/т а. с. ц. Расход пероксида водорода, кг/т а. с. ц. Расход сульфата магния, кг/т а. с. ц. Время обработки, мин Температура обработки, С, не менее рН массы на входе

10 12 20 - 120 80 11,4

Отбелка целлюлозы диоксидом хлора (ступень Д)

Концентрация массы, % Расход диоксида хлора, кг/ т а. с. ц. Время обработки, мин Температура обработки, С рН массы на выходе

10 5,0 120 70 4,4

Отбелка целлюлозы пероксидом водорода в щелочной среде (ступень Пщ)

Концентрация массы, % Расход пероксида водорода, кг/ т а. с. ц. Расход гидроксида натрия, кг/ т а. с. ц. Время обработки, мин Температура обработки, С рН массы на выходе

10 15 12 120 90 10,5-11,3


Ступень обработки целлюлозы раствором серной кислоты

После промывки и сгущения целлюлозы до концентрации 10% на барабане вакуум-фильтра она попадает в шнек-рыхлитель в количестве 42,28 т/ч), или 704,66 кг/мин абсолютно сухого волокна, что соответствует объему (для разбавления массы до См=10% используются кислые стоки после промывки массы на 3 ступени):

704,66 /0,1 =7047 лмин

Затем масса поступает в приемную трубу насоса "МС", где подогревается острым паром до температуры 90 С.

Из приемной трубы масса насосом "МС" подается в смеситель химикатов, где смешивается с раствором серной кислоты. Расход серной кислоты составляет 30 кг/т абсолютно сухого волокна. Концентрация раствора серной кислоты 49 г/л.

Расход пара рассчитан на энергию, необходимую для нагрева массы.= (704,66кг*1,34 кДж/кг*К+ 7046,6 кг *4,19кДж/кг*К).

(90-72,4С)=536263,17 кДж

Д (расход пара) = Q/ i (удельная энтальпия пара кДж/кг 193,67 кг/мин, при 0,8 Мпа 2769 = 193,35 кг = 274,844кг на тонну целлюлозы.

Объем раствора серной кислоты составит:

[42, 28 х 30/49х 60] 1000 =431,4 л/мин

Из смесителя волокнистая суспензия концентрацией поступает в башню отбелки целлюлозы.

[704,7 /7047 + 431,4+ 193,7] х 100 = 9,2%

Химические потери при обработке кислотой составляют 2,5%, следовательно, для дальнейшей отбелки поступит волокна:

,7 х 0,975 = 687,1 кг/мин

Концентрация массы на выходе башни отбелки составит:

,1 / (7047 + 431,4+ 193,7) х 100 = 8,95%

Для разбавления массы на выходе из башни с концентрации 8,95% до концентрации 4,0% требуется оборотной воды: 9499,62 л/мин

Расчеты по компьютерной программе

Для разбавления массы с концентрацией 4,0% до концентрации 1,25% перед фильтром требуется оборотной воды: 37787,39 л/ин

Промывка массы на вакуум-фильтре проводится горячей водой объемом и фильтратами ступени отбелки диоксидом хлора, 8 м3/т: 5496,35 л/мин

На промывку сетки барабана вакуум-фильтра расходуется 700 л/мин фильтрованной воды. После промывки масса сгущается до концентрации 10%, с ней уходит в шнековую ванну жидкости

,1 /0,1= 6871 л/мин

В бак фильтрата с вакуум-фильтра поступает оборотной воды (на 10% сгущения): 54289,39 л/мин

На разбавление массы в башне и перед фильтром используется оборотной воды: 47287,82.

Количество воды находится в обороте. 7002,38 л/мин


Ступень стабилизированной отбелки пероксидом водорода (П)

В шнек-рыхлитель поступает раствор гидроксида натрия концентрацией 70 г/л в количестве 12 кг/т, расход его составит:

[40,68 х 12/ 70 х 60]1000 = 116,23 л/мин

Во всасывающий патрубок насоса подается раствор пероксида водорода концентрацией 420 г/л в количестве 20 кг/т, его расход равен:

[40,68 х 20/420 х 60]1000 = 32,3 л/мин

Кроме того, во всасывающий патрубок насоса подается вода для снижения концентрации пероксида водорода: 32,3 х10= 320,3 л/мин


В башню щелочения поступает абсолютно сухого волокна

,1 кг/мин и жидкости:

+ 116,2+ 320,3+ 67,6 = = 7375,1 л/мин.

Химические потери на ступени щелочной обработки составляют 2,0%, следовательно, для дальнейшей отбелки поступит волокна:

,1 х 0,998 = 685,88 кг/мин

Концентрация массы на выходе башни щелочения будет равна:

[ 685,88 /7375,1] 100 = 9,3%

Расчеты по компьютерной программе

Разбавление массы внизу башни щелочения с концентрации 9,1% до проводят до концентрации 4,0% оборотной., а перед фильтром концентрацию 4,0%доводят до концентрации 1,25% также оборотной водой.

Для промывки массы на вакуум-фильтре поступает горячая вода

м3/т: 5386,42 л/мин.

На промывку сетки от волокна и минеральных отложений на подсеточный спрыск подается 700 л/мин свежей фильтрованной воды. После промывки масса сгущается до концентрации 10% и поступает в ванну шнека-рыхлителя; она содержит жидкости: 6733,03 л/мин.

В бак фильтрата ступени щелочения с вакуум-фильтра поступит оборотной воды: 53217,61л/мин.

Из этого количества на разбавление массы в башне и перед вакуум-фильтром используется: 46616,60 л/мин.

Избыток оборотной воды составляет: 6516,0 л/мин.

тупень отбелки диоксидом хлора

После промывки и сгущения массы до концентрации 10% на барабане вакуум-фильтра, она направляется в приемную трубу насоса "МС", где подогревается острым паром до температуры 700С.

Из приемной трубы масса насосом "МС" подается в смеситель химикатов, где смешивается с раствором двуокиси хлора. Расход двуокиси хлора 5 кг/т, концентрация раствора двуокиси хлора 7 г/л в ед. ClO2. Объем раствора двуокиси хлора составит:

[40,4 х 5 /7 х 60 ]1000 =480,9 л/мин.

Из смесителя волокнистая суспензия концентрацией поступает в башню ступени отбелки двуокисью хлора.

В башню щелочения поступает абсолютно сухого волокна поступает

,3 кг/мин и жидкости:

+ 480,9+ 21,026 = = 7234,9 л/мин.

Концентрация массы на выходе из башни отбелки двуокисью хлора составит: [673,3/7234,9]100 = 9,3.

Химические потери при отбелке на первой ступени двуокисью хлора составляют 0,50%, следовательно, для дальнейшей отбелки поступит волокна: 673,3 х 0,95 =639,6 кг/мин.

Расчет по компьютерной программе включает объемы воды:

для разбавления массы на выходе из башни с концентрации 9,3% до концентрации 4,0%;

для разбавления массы на выходе из башни с концентрации 4,0% до концентрации 1,25%;

для промывки массы на вакуум-фильтре (8 м3/т);

для промывки сетки барабана вакуум-фильтра и после сгущения массы до концентрации 10%, объем воды, которая уходит в шнековую ванну


На разбавление массы в башне и перед вакуум-фильтром оборотной воды требуется: 45235,21 л/мин.

Избыток оборотной воды составляет: 6417,6 л/мин.

Вторая ступень отбелки целлюлозы пероксидом водорода (Пщ)

В шнек-рыхлитель поступает раствор гидроксида натрия концентрацией 70 г/л в количестве 12 кг/т, расход его составит:

[38,4 х12/70х60] 1000= 109,7 л/мин.

Во всасывающий патрубок насоса подается раствор пероксида водорода концентрацией 420 г/л в количестве 15 кг/т, его расход равен:

[38,4 х15/420х60] 1000= 22,9 л/мин.

Кроме того, во всасывающий патрубок насоса подается вода для снижения концентрации пероксида водорода.

Расход воды составит:

,9 10 = 229 л/мин.

После промывки и сгущения массы до концентрации 10% на барабане вакуум-фильтра она поступает в ванну шнека рыхлителя, посредством которого масса направляется в приемную трубу насоса "МС", где подогревается острым паром до температуры 90 С.

В башню щелочения поступает абсолютно сухого волокна

,6 кг/мин и жидкости:

+109,7+ 229 + 145,82 = 6750,5 л/мин.

Концентрация массы составит: [639,6 /6750,5] 100 = 9,5%

Химические потери при отбелке на первой ступени двуокисью хлора составляют 0,50%, следовательно, для дальнейшей отбелки поступит волокна: 639,6 х 0,95 =607,6 кг/мин.

Концентрация массы на входе из башни:

[697,6/ 6750,5] 100 = 9%

Расчет по компьютерной программе


Избыток оборотной воды представлен в таблице 12

4.1 Эколого-экономическая часть

На основе объемов оборотной воды 2и 4 ступеней отбелки, в которых содержится остаточный пероксид водорода можно определить соотношение остаточного пероксида водорода и. содержащихся в фильтратах отбелки фенолов, которое может составлять 0,02 и 0,013 мг/л соответственно для этих ступеней отбелки,


4.1.1 Объем оборотной воды мягкой ECF- отбелки лиственной целлюлозы

В таблице 11 представлены объемы оборотной воды и направления с учетом комбинированного противотока, а именно фильтраты 1 ступени следует направлять на КЩО, а фильтраты 3 ступени, по аналогии с производством, направлять на промывку на 1 ступень отбелки.

Таблица 11 - Оборотная вода по ступеням отбелки

Ступени отбелки

 Объемы оборотной воды по ступеням отбелки и направления использовнаия


Объемы избытка оборотной воды, л/мин

 Направления использования оборотной воды, л/мин

1 ступень

7002,38

на КЩО

2 ступень

 6601,5

на биологическую очистку

3 ступень

6417,6

на промывку массы 1 ступени

4 ступень

6622

на биологическую очистку

Итого общий объем / биоочистка, л/мин

 26643,48


4.1.2 Содержание остаточного пероксида водорода в фильтратах мягкой ECF-отбелки и возможность повышения эффективности биологической очистки

Наличие остаточного пероксида водорода в фильтратах, поступающих на биологическую очистку, можно косвенно связать с повышением эффективности биологической очистки. Так как при этом возможен окислительный стресс микроорганизмов, который вызывает участие пероксидаз в деструкции фенолов.

Для фильтратов 2 ступени мягкой ECF-отбелки содержания остаточного пероксида водорода (0,21 мг/л) может показать высокую степень очистки при аналогичном содержании фенолов.

В таблице 12 представлены объемы фильтратов и содержание остаточного перокисда водорода.

Таблица 12 - Содержание остаточного перкоксида водорода в избытке оборотной воды

Ступени отбелки

Оборотная вода лиственного потока




Обьем фильтратов

Остаточный Н2О2


л/мин

м3/сут

м3/т

мг/л

кг/л

2 (оптимальные факторы отбелки)

6601,5

950,5

0,93

2,1 10-1

2,1.10-7

4

6622,0

953,6

0,94

2,5 10-3

2,5 10-9



5. Охрана труда

.1 Общие требования безопасности

К работе со стеклянной химической посудой, теплопередающими устройствами (термостат), минеральными кислотами допускаются лица не моложе 18 лет, прошедшие медосмотр, не имеющие противопоказаний, а также прошедшие инструктаж, обучение безопасным методам работы и проверку знаний, правил безопасности проведения работ.

Работающий обязан перед началом работы надеть халат, иметь при себе полотенце и, по мере надобности, очки или защитный экран, резиновые перчатки, фартук. В помещении должна находиться аптечка для оказания первой медицинской помощи, средства пожаротушения.

Теплопередающие устройства, в дальнейшем термостат, применяются в химических лабораториях в качестве нагревательных устройств при проведении химических реакций, для варки целлюлозы и других химических и физических операций и экспериментов. В этих помещениях должны находиться первичные средства пожаротушения (огнетушители, асбестовое одеяло, песок), аптечка для оказания первой помощи.

В лабораториях чаще всего неосторожное обращение со стеклянной химической посудой и ампулами (неумелое сгибание трубок, вставление трубки или термометра в отверстие пробки и т. п., разрыв приборов во время работы под уменьшенным давлением) приводит к порезам и ранениям.

При надевании резиновых трубок на стеклянные трубки следует предварительно смачивать стеклянную трубку и внутренние края резиновой трубки или отверстие в пробке водой, глицерином или вазелиновым маслом. Острые края стеклянных трубок должны быть оплавлены. Во всех случаях необходимо защищать руки полотенцем во избежание ранения от поломки стекла.

При закрывании тонкостенного сосуда пробкой следует держать его горловину как можно ближе к пробке. Нагретый сосуд нельзя закрывать притертой пробкой до тех пор, пока он не охладится. Нагревая жидкость в пробирке, необходимо держать последнюю так, чтобы отверстие было направлено в сторону от себя и соседей по работе.

При переносе сосудов с горячей жидкостью следует пользоваться полотенцем, сосуд при этом необходимо держать обеими руками: одной - за дно, другой - за горловину.

При работе с термостатом надо прежде проверить наличие воды. Для этого нужно налить в термостат воду и включить нагреваться, установив заданную температуру и закрыв крышкой.

Не следует переполнять термостат водой, так как при установке туда термостойкой колбы горячая вода может перелиться через край, тем самым приведя к ожогу. Следует пользоваться поддоном под нагревательным прибором.

Строго запрещается переносить все виды нагревательных приборов до их охлаждения. По окончании нагревания в термостате колбу вынимают, предварительно надев резиновые перчатки.

При термических ожогах первой степени обожженное место надо присыпать двууглекислым натрием, крахмалом или тальком. Помогают также примочки из свежеприготовленных 2%-х растворов бикарбоната натрия (питьевой соды) или марганцовокислого калия. Лучшими средствами для примочек являются 96%-й этиловый спирт или заварка чая. При более тяжелых ожогах необходимо немедленно отправить пострадавшего в травматологический пункт.

.2 Характеристика химических реагентов для проведения исследований

Пероксид водорода (H2O2) (молекулярная масса 34,016) - при нормальных условиях прозрачная жидкость с "металлическим" привкусом. Плотность пероксида водорода при температуре 200С составляет 1,450 г/см3, при температуре - 200С (в твердом состоянии) 1,71 г/см3; температура плавления - 0,430С (легко переохлаждается); температура кипения 150,20С; теплота плавления 12,5 кДж/моль (-0,430С); теплота преобразования 51,62 кДж/моль (250С), при концентрации 1-10% сравнительно безопасен. Работа с концентрированным пероксидом водорода связана с определенной опасностью. Пары пероксида могут вызвать поражение слизистой оболочки носа и горла, а поражение парами высокой концентрации может привести к катару верхних дыхательных путей и отеку легких. При соприкосновении с органическими веществами, со щелочами перекись водорода разлагается с выделением газообразного кислорода, который обладает антисептическими свойствами и способствует механической очистке тканей.

Гидроксид натрия (NaOH) - бесцветные кристаллы, при обычной температуре имеют устойчивую решетку, плотность 2,13 г/см3, температура плавления 3200С, температура кипения 13780С. Выпускаемый промышленностью технический продукт - белая твердая непрозрачная масса с лучистым изломом. Гидроксид натрия гигроскопичен, при соприкосновении с водой выделяется большое количество тепла. Водные растворы имеют сильно щелочную реакцию и при взаимодействии с кислотами образуют растворимые в воде соли. Гидроксид натрия вызывает ожог кожи и слизистых оболочек глаз. Особенно опасно попадание даже маленьких количеств NaOH в глаза. Все работы с гидроксидом натрия должны проводиться в защитных очках и перчатках.

Серная кислота - это сильная двухосновная кислота. Безводная серная кислота - бесцветная маслянистая жидкость, застывающая в кристаллическую массу при +10,370С, при температуре 2790С кипит с разложением до образования азеотропной смеси. Попадание кислоты на тело человека может вызвать ожог кожи и слизистых оболочек глаз. Во избежание перегрева и образования брызг при разбавлении концентрированную серную кислоту вводят в воду постепенно.

Кислород в освобожденном состоянии при обычных условиях - двухатомный газ без цвета и запаха. Кислород сгущается при температуре -182,98 С и давлении 760 мм. рт. ст. в бледно-синюю жидкость, которая при температуре -218,70С затвердевает, образуя синие кристаллы. При температуре 0 С и давлении 760 мм. рт. ст. 1 литр кислорода весит 1,43 г; плотность жидкого кислорода 1,13 г/см3 (-182,980С), плотность твердого жидкого кислорода 1,46 г/см3 (-252,7 С).

Кислород плохо растворим в воде: при температуре 20 С и нормальном атмосферном давлении в 1 м3 воды растворяется 0,031 см3 кислорода, а при 0 С - 0,049 см3 или 0,074 кг О2 в 1 м3 воды. Для отбелки целлюлозы применяется так называемый технологический кислород, содержащий 90-98% чистого О2, а также технологический кислород с содержанием 99,2-99,7% О2. На заводы кислород поступает в виде газа в цистернах и баллонах под давлением 4-5 МПа. Молекулярный кислород не относится к числу токсичных и взрывоопасных веществ. Однако обращение с ним требует строгого соблюдения специальных правил по технике безопасности, так как в атмосфере кислорода многие материалы способны воспламеняться, в том числе с взрывом.

.3 Инструктаж по технике безопасности для работ в исследовательской лаборатории

Перед началом исследований необходимо получить инструктаж у руководителя, ознакомиться с лабораторией и местом проведения экспериментов, изучить и проверить исправность электросистемы, подвода воды и вентиляционной системы помещения.

В ходе работы соблюдать следующие требования:

) регулярно выходить из лаборатории на перерыв;

) следить за ходом эксперимента, в случае отклонения обратиться к руководителю;

) химическую посуду, использованную в ходе опытов, тщательно промыть и повесить на сушилку;

) не допускать чрезмерного загромождения рабочего места, после работы привести его в порядок.

Заключение

1. Проведена мягкая ECF-отбелка лиственной целлюлозы с исходной жесткостью 11,4 ед Каппа вязкость 963 мл/г и белизна 52,1 по схеме: КЩО- Н2SO4 - Пщ - Д - Пщ, при снижении расхода диоксида хлора до 0,5% от массы а.с.ц по сравнению с ECF-отбелкой на производствах ЦБП, где предусмотрен расход этого реагента 1,3-1,5%.

. Распределение суммарного расхода пероксида водорода между делигнифицирующими ступенями отбелки для исследования содержания остаточного пероксида водорода в фильтратах отбекли составляло: 2% от массы а.с.ц на 2 ступени и 1,0% на 4 ступени отбекли (суммарный расход пероксида водорода 3%), учитывая что на производстве высокие расходы диоксида хлора обусловлены незначительым содержанием этого реагента на ступени ЩОП (0,2%) и Щп (0,1%)

. Качественные показатели цеелюлозы:

белизна 86,5% при суммарном расходе окислителей 4,3 на ед остаточного лигнина;

вязкость 832 мл/г:

- механические показатели (разрывная длина 8,33, сопротивление раздиранию 60,7 , индекс разрывной длины 81,6, индекс раздирания 7,6.

. Для установления значимости факторов (расхода пероксида водорода, продолжительности отбелки и температуры), определяющих качественный показатель (белизна целлюлозы) получены 8 образцов целлюлозы. Методом регресионного анализа определены коэффициенты для оценки их значимости. Результаты обработки экспериментальных данных методом регресионного анализа показали, что наибольнший показатель белизны получен при тестовом значении х2, которому соответствует расход пероксида водорода на 2 ступени 2% от массы а.с.ц , продолжительности 180 мин, 80°С. Именно при этих параметрах были получены получены высокие показатели белизны (88% при расходе перксида водорода 3%).

5. Определены показателя ХПК в фильтратах мягкой ECF-отбелки до и после озонирования, при этом установлено, что озонирование снижает этот показатель только на 1 и 4 ступени, поэтому режим этого процесса предусматривает повышение температуры и продолжительность озонирования.

. Рассчитан материальный и тепловой баланс отбелки лиственной целлюлозы и определены объемы фильтратов, направляемых на биологическую очистку.

7. Установлено, что соотношение содержания пероксида водорода и фенолов в фильтратах 2 ступени отбелки соответствует установленным данным патентов, которые показали высокую степень деструкции фенолов при отношении 1:1.

. При сокращении объема фильтратов направляемых на биологический очистки экономический эффект составил 15224093,6 руб./год.

Библиографический список

1. Способ отбелки сульфатной целлюлозы [Текст]: пат. 2413046 Российской Федерации / Э.И. Федорова, А.В. Кузиванова. - №2009135185; опубл. 27.02.2011, Бюл. №6. - С. 5-6.

. Федорова Э.И. Применение пероксида водорода в отбелке и очистке стоков [Текст] / Э.И. Федорова, Л.А. Никулина, И.В. Липин // Целлюлоза Бумаги Картона. - 2006. - №3. - С. 52-54.

. Федорова Э.И. Отбелка мягкой ECF-отбелки целлюлозы к отбелке без хлорорганических соединений в готовой продукции и в стоках отбельного производства. [Текст] / Э.И. Федорова, А.В. Кузиванова, Е.В. Карелова // Целлюлоза. Бумага. Картон. - 2011. - №10. - С. 46-48.

4. Способ биологической очистки сточных вод от фенола [Текст]: пат. 2188164 Рос. Федерации / В.В. Сафронов <http://www.findpatent.ru/byauthors/60772/>, А.Е. Кузнецов.  <http://www.findpatent.ru/byauthors/36427/>- Режим доступа: [http://www.findpatent.ru/patent/218/2188164.html]. - (Дата обращения: 21. 05. 2015).

. Способ биологической очистки сточных вод от органических соединений [Текст]: пат. 2209186 Рос. Федерации / А.Е. Кузнецов, В.В. Сафронов. - Режим доступа: [http://www.findpatent.ru/patent/220/2209186.html]. - (Дата обращения: 22.05. 2015).

. Способ биодеструкции фенола [Текст]: пат. 2345957 Российской Федерации / Д.А. Кадималиев, <http://www.findpatent.ru/byauthors/343919/> В.В. Ревин, <http://www.findpatent.ru/byauthors/352844/> Н.А. Атыкян <http://www.findpatent.ru/byauthors/359968/>, А.Б. Рубин, А.А. Паршин, О.С. Надеждина, К.В. Шайтан. - Режим доступа: [http://www.findpatent.ru/patent/234/2345957.html]. - (Дата обращения: 22.05. 2015).

. Способ аэробной биологической очистки сточных вод [Текст]: пат. 2388705 Российской Федерации / О.В. Маршалов, В.Ф. Юдаев, В.И. Биглер, - Режим доступа: [http://www.findpatent.ru/patent/238/2388705.html]. - (Дата обращения: 23.05. 2015).

8. Способ биологической очистки сточных вод [Текст]: пат. 2119461 Российской Федерации / Г.В. Лобов, Э.Г. Васина, С.П. Дыдыкин, И.В. Жуков, В.С. Демина. - Режим доступа:

[http://www.findpatent.ru/patent/211/2119461.html]. - (Дата обращения: 23.05. 2015).

. ГОСТ 30437-96. Целлюлоза. Метод определения белизны [Текст]. [Электронный ресурс]. - Введ. 2001-07-01 // СПС "КонсультантПлюс". - (Дата обращения: 15.06.2015).

. Литература. SCAN-СМ 15:99. Скандинавское отделение по тестированию целлюлозы, бумаги и картона. Вязкость в растворе куприэтилендиамина. [Текст]: [док. внутреннего пользования] / Монди СЛПК. - Сыктывкар.

. SCAN - CM 45:00. ХПК и общее содержание углерода, выделяемые при промывке. [Текст]: [док. внутреннего пользования] / Монди СЛПК. - Сыктывкар.

. ГОСТ 13525.1-79. Методы определения прочности на разрыв и удлинения при растяжении [Электронный ресурс]. - Введ. 1985-01-03 // СПС "КонсультантПлюс". - (Дата обращения: 15.06.2015).

. Руководство по эксплуатации. "Горизонтальная разрывная машина ф. Lorentzen and Wettre". [Текст].

. ГОСТ 14363.4-89. Целлюлоза. Метод подготовки проб к физико-механическим испытаниям [Электронный ресурс]. - Введ. 2011-01-01 // СПС "КонсультантПлюс". - (Дата обращения: 15.06.2015).

. ГОСТ 13525.3-97. Полуфабрикаты волокнистые и бумага. Метод определения сопротивления раздиранию (метод Эльмендорфа) [Электронный ресурс]. - Введ. 2011-01-01 // СПС "КонсультантПлюс". - (Дата обращения: 15.06.2015).

Похожие работы на - Влияние пероксидной отбелки на эффективность биологической отбелки сточных вод

 

Не нашли материал для своей работы?
Поможем написать уникальную работу
Без плагиата!
Без нейросетей!