Сравнение пассажирского тепловоза и электровоза

  • Вид работы:
    Курсовая работа (т)
  • Предмет:
    Транспорт, грузоперевозки
  • Язык:
    Русский
    ,
    Формат файла:
    MS Word
    902,29 Кб
  • Опубликовано:
    2016-02-15
Вы можете узнать стоимость помощи в написании студенческой работы.
Помощь в написании работы, которую точно примут!

Сравнение пассажирского тепловоза и электровоза

ВВЕДЕНИЕ

локомотив тяга электровоз

Курсовая работа, основанная на сравнении основных показателей пассажирского тепловоза с электрической передачей переменно-постоянного тока ТЭП70БС (Рис.1) и пассажирского электровоза постоянного тока ЧС7. В данной курсовой работе с помощью исходных данных предстоит:

. Определить основное сопротивление движения при различных видах тяги.

. Определить среднюю скорость движения и время хода по участку.

. Определить касательную мощность локомотивов.

. Определить расход энергоресурсов различных видов тяги.

. Сравнить Тепловоз ТЭП70 с электровозом ЧС7.

. Выполнить индивидуальное задание, на тему «Верхнее строение пути»

. Сделать выводы по проделанной курсовой работе

Рис.1. ТЭП70БС-120, ТЧ-1 Минск-Сортировочный, Бел. Ж.Д., статус эксплуатации: действующий

Рис.2. ЧС7-078, ТЧЭ-1 Москва-Пассажирская-Курская, Моск. Ж.Д., статус эксплуатации: действующий.

1. ИСХОДНЫЕ ДАННЫЕ К КУРСОВОЙ РАБОТЕ

локомотив тяга электровоз

Тепловоз ТЭП70БС, 1 секция

Электровоз ЧС7, 1 секция электровоз двухсекционный, а секция как самостоятельная единица работает только при аварийной схеме в ограниченном интервале времени.

Путь бесстыковой,

Длина участка обращения = 1200 км

Вес пассажирского вагона = 604 кН

Число пассажирских вагонов = 30

Расчетный подъём = 5 ‰ = 5 Н/кН

Расчётная скорость ТЭП70БС = 48 км/ч

Длительная скорость ЧС7 = 91 км/ч

Конструкционная скорость ТЭП70БС и ЧС7 = 160 км/ч

Служебный вес ТЭП70БС = 1323 кН

Служебный вес ЧС7 = 1686 кН

2. ОПРЕДЕЛЕНИЕ ОСНОВНОГО СОПРОТИВЛЕНИЯ ДВИЖЕНИЮ ПОЕЗДА ПРИ РАЗЛИЧНЫХ ВИДАХ ТЯГИ

.1 Основное удельное сопротивление движению локомотивов

wo1 = 1.9 + 0.008 * V + 0.00025 * V^2 = Н/кН [4].

ТЭП70БС: wo1 = 1,9 + 0,008 * 48 + 0,00025 * 48^2 = 2,86 Н/кН, (1. ЧС7: wo1 = 1,9 + 0,008 * 91 + 0,00025 * 91^2 = 4,70 Н/кН,

Vк: wo1 = 1,9 + 0,008 * 160 + 0,00025 * 160^2 = 9,58 Н/кН.

.2 Основное удельное сопротивление движению пассажирских вагонов

wo2 = 0.7 + (80 + 1.6 * V + 0.023 * V^2. / qo = Н/кН, (2.

ТЭП70БС: wo2 = 0.7 + (80 + 1.6 * 48 + 0.023 * 48^2. / 151 = 2,09 Н/кН,

ЧС7: wo2 = 0.7 + (80 + 1.6 * 91 + 0.023 * 91^2. / 151 = 3,46 Н/кН,

Vк: wo2 = 0.7 + (80 + 1.6 * 160 + 0.023 * 160^2. / 151 = 6.82 Н/кН.

.3 Общее полное сопротивление движению поезда

Wк = (Wo + Wi. / 1000 = ((wo1 + iр. * Р + (wo2 + iр. * Q. / 1000 = кН, (3.

ТЭП70БС:

Vр: Wk = ((2.86 + 5. * 1323 + (2.09 + 5. * 18120. / 1000 = 139 кН,

Vк: Wk = ((9.58 + 5. * 1323 + (6.82 + 5. * 18120. / 1000 = 233 кН,

ЧС7:

V∞: Wk = ((4.70 + 5. * 1686 + (3.46 + 5. * 18120. / 1000 = 170 кН,

Vк: Wк= ((9.58 + 5. * 1686 + (6.82 + 5. * 18120. / 1000 = 248 кН.

Все полученные данные оформляем в таблице 1:

Таблица 1 Результаты расчётов величины общего полного сопротивления движению поезда Wк.

Расчетная величина

ТЭП70БС

ЧС7


Vr, км/ч

Vk, км/ч

V∞, км/ч

Vк, км/ч

Wo1, Н/кН

2.8

9.58

4.08

9.58

Wo2, Н/кН

2.0

6.82

3.34

6.82

Wk, кН

139

233

170

239


3. ОПРЕДЕЛЕНИЕ СРЕДНЕЙ СКОРОСТИ ДВИЖЕНИЯ И ВРЕМЕНИ ХОДА ПО УЧАСТКУ

Среднюю скорость Vср движения поезда на расчётном подъёме определяем методом пересечения тяговых характеристик Fк=f(V. и характеристик Wк=f(V. локомотивов, т.е. Fк=Wк.

По данным справочника тяговых расчётов 1987 года строим: тяговую характеристику Fкт=f(V. и Wкт=f(V. для тепловоза ТЭП70БС (Рис. 3., тяговую характеристику Fкэ=f(V. и Wкт=f(V. для электровоза ЧС7 (Рис. 4..

Для ТЭП70БС средняя скорость получилась равной 56 км/ч, а для ЧС7 126 км/ч. Сила тяги для ТЭП70БС получилась равной 148 кН, а для ЧС7 204 кН.

Время хода по участку:

t = 60 * L / Vср = мин. (4.

Во главе с тепловозом ТЭП70БС:

t = 60 * 1200 / 56 = 1285 мин = 21 ч 25 мин,

Во главе с электровозом ЧС7:

t = 60 * 1200 / 126 = 571 мин = 9 ч 31 мин.

4. ОПРЕДЕЛЕНИЕ КАСАТЕЛЬНОЙ МОЩНОСТИ ЛОКОМОТИВОВ

Для ТЭП70БС:

Nкт = Nк = Fкт * Vт / 3.6 = кВт, (5.

Для ЧС7: Nкэ = Pк = Fкэ * Vэ / 3.6 = кВт, (6.

Результаты расчётов оформляем в таблице 2:

Таблица 2. Расчёты касательной мощности локомотивов

V, км/ч

Fкт, кН

Nкт, кВт

Fкэ, кН

Pк, кВт

0

397

0

390

0

10

333

925

390

1083

20

295

1639

390

1500

29

273

2199

390

3142

40

206

2294

390

4333

50

165

2294

390

5416

60

138

2294

390

6500

70

118

2294

390

7583

80

103

2294

390

8667

90

92

2294

346

8650

100

83

2294

320

8888

110

75

2294

298

9106

120

69

2294

230

7667

126

65

2294

204

7140

130

64

2294

188

6789

140

59

2294

154

5989

150

55

2294

132

5500

52

2294

115

5111


По данным таблицы 2 строим совмещённые графики Nк = f(V. для тепловоза ТЭП70БС и Pк = f(V. для электровоза ЧС7 (Рис. 5..

5. ОПРЕДЕЛЕНИЕ РАСХОДА ЭНЕРГОРЕСУРСОВ РАЗЛИЧНЫМИ ВИДАМИ ТЯГИ

.1 Расход дизельного топлива тепловозом ТЭП70БС

.1.1 Расход ДТ по выполненной механической работе, т

Етмех = (Fктср * L. / (Qнр * ηтт.=т , (6.

Етмех = (148 * 1200. / (42700 * 0.33. = 12.6 т.

.1.2 Расход ДТ по данным ПТР

По данным ПТР 1985 года [2] строим зависимость Gмин = f(V. (рис. 6.:

При Vсрт = 56 км/ч минутный расход топлива одной секцией ТЭП70БС Gмин равен 11.15 кг/мин,

Етптр = Gмин * nс * tт / 1000 = т, (7.

Етптр = 11.15 * 1 * 1285 / 1000= 14.33 т.

.2 Расход электроэнергии электровозом ЧС7

.2.1 Расход ЭЭ по выполненной механической работе

Aмех = (Fксрэ * Vсрэ * tэ. / (ηэт * 3600.= кВт, (8.

Амех= (204 * 126 * 571. / (0,35 * 3600.=11648 кВт*ч.

.2.2 Расход ЭЭ по данным ПТР

По данным справочника тяговых расчётов 1987 года [5] строим зависимость Iд = f(V. (рис. 7.:

При Vсрэ = 126 км/ч, средний ток ЧС7 равен 304 А.

Аптр = ( Uкс * Iдср * tэ. / (60 * 1000.= кВт, (9.

Аптр= (3300 * 304 * 571. / (60 * 1000. = 9547 кВт * ч

6. СРАВНЕНИЕ ТЕПЛОВОЗА ТЭП70БС С ЭЛЕКТРОВОЗОМ ЧС7

.1.1 Стоимость перевозок во главе с пассажирским тепловозом ТЭП70БС

Ст = ст * Еср = ст * ((Ептрт + Емехт. / 2. , (10.

Ст= 7592 * ((14.33 + 12.6. / 2. = 102226 рублей 28 копеек.

.1.2 Стоимость перевозок во главе с пассажирским электровозом ЧС7

Сэ = сэ * Аср = сэ * ((Аптр + Амех. / 2. , (11.

Сэ= 0.85 * ((9547 + 11648. / 2. = 9007 рублей 88 копеек.

.2 Оценка эффективности ТЭП70БС и ЧС7 по расходу энергоресурсов

Э = Сэ / Ст, (12.

Э=9007.88 / 102226.28 = 0.08 или 8%.

.3 Сравнение локомотивов по тяговым характеристикам

Относительная сила тяги тепловоза

fкт = Fкт / Fктvк , (13.

Относительная сила тяги электровоза

fкэ = Fкэ / Fкэvк , (14.

Относительная скорость тепловоза и электровоза:

v = V / Vк , (15.

Все результаты относительных параметров локомотивов оформляем в таблице 3:

Таблица 3 Расчёты относительных параметров локомотивов

V, км/ч

v

Fкт, кН

fкт

Fкэ, кН

fкэ

0

0

397

7.63

390

3.39

10

0.06

333

6.4

390

3.39

20

0.12

295

5.67

390

3.39

30

0.18

273

5.29

390

3.39

40

0.25

206

3.96

390

3.39

Vсрт

0.35

170

2.84

-

-

Vсрэ

0.79

-

-

204

1.77

50

0.31

165

3.17

390

3.39

60

0.37

138

2.65

390

3.39

70

0.43

118

2.27

390

3.39

80

0.5

103

1.98

390

3.39

90

0.56

92

1.77

346

3.01

100

0.62

83

1.6

320

2.78

110

0.68

75

1.44

298

2.59

120

0.75

69

1.33

230

2

130

0.81

64

1.23

188

1.63

140

0.87

59

1.13

154

1.34

150

0.93

55

1.06

132

1.15

1

52

1

115

1


По данным таблицы 3 строим совмещённый график fкт = f(V. для тепловоза ТЭП70 и fкэ = f(V. для электровоза ЧС7 рис. (8..

Вывод

По итогам выполненных расчётов видно, что стоимость перевозок при электрической тяге составляет 9007 рублей 88 копеек, а при тепловозной 102226 рублей 28 копеек. У ЧС7 касательная мощность равна 7140 кВт, произведение основных относительных параметров движения равно 1.4, а у ТЭП70БС касательная мощность постоянна и равна 2294 кВт, произведение основных относительных параметров движения равно 0.994. Следовательно, для данного участка обращения железной дороги длиной 1200 км на бесстыковом пути с подъёмом в 5 ‰ для перевозки пассажирского состава весом одного вагона в 604 кН и числом вагонов равным 30 безусловно выгоднее использовать электровоз ЧС7, чем тепловоз ТЭП70БС.

7. ИНДИВИДУАЛЬНОЕ ЗАДАНИЕ.

.1 Верхнее строение пути


Верхнее строение пути предназначено для направления движения колесных пар подвижного состава, восприятия вертикальных и горизонтальных, а также тяговых и тормозных сил от проходящих по нему поездов и передачи этих сил земляному полотну. К верхнему строению пути относят следующие элементы: рельсы; скрепления (стыковые и промежуточные., подрельсовое основание (шпалы, брусья, рамы, плиты., балластный слой, дополнительные элементы (противоугоны, контррельсы, поперечные стяжки и др.. и стрелочные переводы.

Все элементы верхнего строения пути взаимосвязаны и образуют единую систему, взаимодействующую с подвижным составом и земляным полотном. Рельсы, соединенные со шпалами, образуют рельсошпальную решетку.

Тип верхнего строения пути в значительной мере определяется массой I-го погонного метра укладываемых рельсов, грузонапряженностью линии, скоростями движения поездов и осевыми нагрузками.

На железных дорогах России приняты следующие типы верхнего строения пути. Первый тип (особо тяжелый. - с термически упрочненными рельсами типа Р75 (массой около 75 кг/м. длиной 25 м с деревянными или железобетонными шпалами 1840-2000 штук на 1 км, уложенными на щебеночный балластный слой при грузонапряженности свыше 80 млн т-км/км брутто в год и скоростях движения пассажирских поездов более 120 км/ч.

Третий тип (нормальный. - с рельсами массой около 51 кг/м (Р50. с эпюрой шпал - 1840 шпал на 1 км на щебеночном или гравийном балласте при грузонапряженности менее 15 млн т-км/км. Кроме того, на второстепенных линиях пока еще сохранились легкие типы верхнего строения пути с рельсами типов Р43, Р38 и другие. Балластом на таких линиях может служить гравий, песок, отходы асбеста и ракушечник.

Главные пути на станциях, разъездах и обгонных пунктах должны иметь такой же тип верхнего строения пути, как и на перегоне.

Рельсы и скрепления

Рельсы являются главнейшим элементом верхнего строения пути. Они предназначены для направления движения экипажных частей локомотивов и вагонов; восприятия вертикальных (от веса., горизонтальных поперечных и горизонтальных продольных статических и динамических сил от колесных пар подвижного состава и их передачи к нижележащим элементам верхнего строения пути и подвижному составу. Рельсы также являются электрическими проводниками для передачи сигнального тока на участках с автоблокировкой и обратного тока на участках с электрической тягой.

Первые в мире металлические рельсы были изготовлены в 1767 г. в Великобритании. В России первые чугунные рельсы были применены в 1788 г. для путей на Александровском пушечном заводе в Петрозаводске. Первые отечественные катанные стальные рельсы были изготовлены на Путиловском заводе в Петербурге. Применять их при строительстве железных дорог России стали во 2-й половине XIX в.

Рельсы работают в тяжелых эксплуатационных условиях. Для надежной работы рельсы должны быть прочными, износоустойчивыми, одновременно твердыми и вязкими (не хрупкими., так как они воспринимают ударно-механические нагрузки от движущихся поездов.

Рациональной формой рельсов являются двутавр с широкой подошвой основания. Такая форма обеспечивает оптимальное сопротивление изгибу рельса в вертикальном и горизонтальном направлениях, наибольшее сопротивление скручиванию и опрокидыванию, необходимый запас метала на износ в зоне контакта с бандажами колес. Высокая жесткость двутавровой формы рельсов способствует уменьшению сопротивления движению и затрат энергоресурсов на тягу поездов.

 

Рис.9. Стандартный профиль рельса типа Р65: 1 - головка рельса; 2 - шейка; 3 - подошва.

Стандартный профиль рельсов железных дорог России показан на рис. 9. Основные характеристики профилей наиболее распространенных типов рельсов приведены в таблица 4; в обозначении типа рельсов буква Р означает «рельс», а цифра - округленную массу 1-го погонного метра рельса в кг.

Основным типом рельсов на железных дорогах нашей страны являются рельсы Р65, уложенные в рельсовую колею, длина которой составляет 87,7 % от общей протяженности дорог; рельсы Р75 - 2,9 %; Р50 - 8,8 %; Р43 и легче - 2,4 %. Для сравнения, на железных дорогах США 1-го класса применяют более тяжелые типы рельсов, которые им'еют массу погонного метра 65,63-69,40 кг/м, а на ряде линий - 76,9 кг/м, при допускаемой нагрузке от колесной пары на рельсы 2П= 300-320 кН. На железных дорогах Западной Европы в основном применяют рельсы с массой погонного метра 60,34 кг/м при 2П = 225-250 кН.

Поверхность катания средней части головки рельса (см. рис.9.. цилиндрическая, имеющая радиус 500 мм. Ближе к краям головки рельса эта поверхность плавно переходит к поверхностям меньшего радиуса, равного 80 мм, а для сопряжения головки рельса с боковыми гранями применяют радиус 15 мм.

Таблица 4.Основные характеристики рельсов, применяемых на железных дорогах России

Тип рельса

Масса, кг/м

Размеры, мм



Рельс

Головка

Шейка

Подошва



Н

В

hг

bг

Н

В

hг

Р75

74.41

192

150

55.3

75.08

192

150

55.3

Р65

64.72

180

150

45.0

75.08

180

150

45.0

Р50

51.67

152

132

42.0

72.0

152

132

42.0


Такая форма головки рельса с выпуклым криволинейным очертанием обеспечивает уменьшение размеров контактной площадки при взаимодействии колес локомотивов и вагонов с рельсами. При этом обеспечивается уменьшение сопротивления движению поездов по рельсовой колее.

Боковые грани головок стандартных профилей рельсов делают наклонными, величина 1 принята равной 1:20. Нижние грани головки рельса и верхние грани подошвы служат опорными поверхностями для накладок, их выполняют наклонными 1:т = 1:4 (см. рис. 8.6..

Для уменьшения концентрации напряжений в рельсе сопряжения головки и подошвы с шейкой делаются плавными с определенными радиусами.

В настоящее время отечественная промышленность серийно выпускает рельсы стандартной длины 25 м. Тем не менее в эксплуатации все еще находится значительное количество рельсов длиной 12,5 м. Необходимо отметить, что применение рельсов длиной 25 м позволяет существенно экономить металл за счет уменьшения числа стыков и стыковых скреплений, снизить основное сопротивление движению подвижному составу и уменьшить расходы по текущему содержанию пути. По оценке специалистов замена рельсов типа Р65 длиной 12,5 м на стандартные 25-метровые позволяет экономить 3,9 т металла на каждый километр пути.

Рельсы стандартной (25 м. длины около концов имеют по три отверстия. После укладки в путь рельсы стыкуются с помощью специальных стыковых накладок, которые охватывают смежные рельсы с двух сторон и соединяются с рельсами и между собой стыковыми болтами.

Для укладки на внутренних нитях кривых участков пути изготавливают укороченные рельсы длиной 24,92 и 24,84 м, а при укладке стрелочных переводов используют рельсы длиной 12,5 м и укороченные рельсы (12,46; 12,42 и 12,38 м..

Рельсы изготавливают прокатом из специальной рельсовой стали марки М76 или М754, которую получают в мартеновских или конвертных печах. Рельсовые стали являются высокоуглеродистыми и обычно содержат (в %.: углерода 0,71-0,82; марганца 0,75-1,05; кремния 0,18-0,4; мышьяка - не более 0,15. Содержание вредных примесей фосфора и серы в стали не должно превышать 0,035 и 0,045 % соответственно. Добавки в химический состав железа углерода, марганца, кремния и мышьяка повышают твердость и износостойкость рельсовой стали, обеспечивая при этом ее достаточною вязкость. Так, например, добавление мышьяка повышает ударную вязкость рельсовой стали.

Термоупрочнение рельсов выполняется либо по всей длине (объемное упрочнение. путем нагрева до 800 °С и отпуска в масле, или только головки рельса нагревом током высокой частоты. Твердость по Брин- нелю поверхности катания головки рельса составляет НВ 341-388. Готовые рельсы на заводах проходят специальные испытания и дефектоскопический неразрушаюший контроль, по результатам которых их разделяют на сорта и группы с соответственной маркировкой. На шейке нового рельса через 2,5-3 м наносится следующая маркировка: марка завода-изготовителя, год и месяц изготовления, тип рельса и другие данные.

Основной показатель работы рельсов в пути - срок службы. Для каждого типа рельсов установлены предельные нормы грузоборота (млн т., который может быть провезен по участку до первой сплошной смены рельсов: для рельсов типов Р65 и Р75 - 500 млн т, для рельсов типа Р50 - 350 млн т. После истечения срока службы рельсы снимают, проводят дефектоскопический неразрушающий контроль и ремонтируют, а затем вновь укладывают в путь, но на менее напряженные линии. На скоростных магистралях применяют только новые рельсы.

Повышение сроков службы рельсов достигается применением бесстыкового пути (с длиной плетей до 800 м.; повышением качества рельсовой стали, ее термоупрочнением и легированием, совершенствованием поперечных профилей, шлифовкой поверхности катания и смазкой боковой рабочей грани головки рельсов в кривых, повышением качества текущего содержания рельсов и пути в целом.

Основным элементом верхнего строения бесстыкового пути являются рельсовые плети длиной 250-800 м, между которыми уложены 3-4 уравнительных рельса длиной (каждый. 12,5 м, предназначенные для возможного линейного изменения длины плетей под воздействием температуры.

Рельсовые плети бесстыкового пути изготавливают на рельсосварочных предприятиях электроконтактной сваркой из новых термоупрочненных рельсов типа Р65 стандартной длины (25 м. без болтовых отверстий. Сварные стыки на плетях отмечаются двумя вертикальными полосами, нанесенными на расстоянии 100 мм краской внутри колеи и расположенными симметрично относительно оси стыка.

Для создания рельсовых плетей проектной длины, например равной длине блок-участка, плети длиной до 800 м вывозят на специальных поездах от места изготовления на перегон и сваривают в пути путевой рельсосварочной машиной (ПРСМ..

Следует отметить, что в последние годы на сети железных дорог страны стали внедрять бесстыковой путь, не имеющий уравнительных рельсов. В этом случае сварные рельсовые плети, равные длине блок-участка (2,5-3 км., соединяются между собой мощными электроизолирующими стыковыми накладками.

Применение бесстыкового пути позволяет снизить основное сопротивление движению поездов (до 15 %. и, соответственно, расходы энергоресурсов на тягу поездов, сократить объемы ремонтных работ по выправке пути, повысить срок службы верхнего строения пути и комфортабельность езды пассажиров поездов и др. Особенно эффективно применение бесстыкового пути на расчетных подъемах, что позволяет увеличить весовые нормы грузовых поездов на участке.

Рельсовые скрепления предназначены для соединения рельсов между собой прикрепления рельсов к подрельсовому основанию. Как элемент верхнего строения пути рельсовые скрепления участвуют в восприятии нагрузок от локомотивов и вагонов на железнодорожный путь.

Все рельсовые скрепления подразделяются на стыковые, служащие для соединения рельсов между собой вдоль пути, и промежуточные - для прикрепления рельсов к шпалам, рамам, плитам и т.п.

Стыковые скрепления выполняются в виде плоских накладок, соединяющих рельсы при помощи болтов. При укладке в путь между рельсами оставляют зазоры (стыки. для возможности линейного изменения дайны рельсов под воздействием температуры. Таким образом, стыком называют место соединения рельсов.

Стыки рельсов могут размещаться на одной шпале, сдвоенных шпалах и на весу. Наилучшим является стык на весу, так как в этом случае обеспечивается большая упругость пути и, соответственно, меньшее динамическое воздействие пути на проходящий по нему подвижной состав.

Стыковые плоские накладки, которые соединяют рельсы между собой на прямом пути, должны быть достаточно длинными, чтобы уменьшить излом упругой линии, возникающий в стыке, и, как следствие - ударно-динамическое воздействие колес подвижного состава на путь и пути на узлы локомотивов и вагонов. Применение длинных стыковых накладок в кривых участках пути также позволяет обеспечить нужную плавность изгиба рельсовых нитей без образования заметных углов в стыках рельсов. В последнее время стыковые накладки для рельсов Р65 и Р75 изготавливают длиной 1000 и 800 мм.

В настоящее время для устройства пути применяют в основном так называемые двухголовые стыковые накладки с четырьмя болтовыми отверстиями (рис. 10, а. для рельсов Р75 и Р65 и с шестью - для рельсов Р50 (рис. 10, б.. Стыковые накладки перекрывают стык с обеих сторон рельса и стягиваются болтами с круглой головкой и с овальным подголовником. Последний при завинчивании гайки предупреждает проворот болта. Для размещения подголовков болтов в стыковых накладках отверстия овальной и круглой формы чередуются. Болты вставляются в отверстия накладок и рельсов поочередно головками наружу или внутрь колеи. Под гайки устанавливают пружинные шайбы, которые предотвращают ослабление затяжки болтов в процессе эксплуатации. На рис. 11. показана конструкция рельсового стыка. Все элементы стыковых скреплений должны обладать высокой прочностью; особые требования предъявляют к двухголовым накладкам, которые изготавливают из высокопрочной мартеновской стали с содержанием углерода 0,45-0,62 % и подвергают закалке.

Рис.10. Двухголовая четырехдырная (а. накладка к рельсам Р65 и Р75 и шестидырная (б. к рельсам Р50

Рис.11. Конструкция рельсового стыка: 1 - рельс; 2 - накладка; 3 - шпала; 4 - болты; 5 - балласт; 6 - промежуточные рельсовые скрепления.

В результате достигается твердость двухголовых накладок по Бринелю в пределах 255-388 НВ. Такое повышенное внимание к деталям стыковых скреплений обусловлено тем, что стык - самое напряженное место рельсовой колеи, работающее под воздействием ударно-динамических и механических нагрузок от колес проходящего по нему подвижного состава.

На участках железных дорог, оборудованных автоблокировкой, атак- же на электрифицированных линиях рельсы являются токопроводящими. Для создания рельсовой электрической цепи соседние рельсы через стык соединяют с помощью рельсовых соединителей.

В качестве рельсовых соединителей для прохождения сигнального тока на линиях с автоблокировкой применяют оцинкованную проволоку диаметром 5 мм, которая с помощью специальных штепселей соединяет в цепь рельсовую нить. В ряде случаев в качестве рельсовых соединителей применяют короткие соединители в виде стального троса, которые привариваются к головкам соседних рельсов одной нитки. На электрифицированных линиях для пропуска обратного тока по стыкам рельсов ставят соединители из медного провода, концы которого приваривают к рельсам.

Для изолирования рельсовых электрических цепей соседних блок- участков на линиях с автоблокировкой на границах блок-участков применяют еще одну разновидность стыковых скреплений рельсов - электроизолирующий стык. Известны два принципиально различающихся типа таких стыков: металлические разборные и клееболтовые. В стыках первого типа изоляцию обеспечивают прокладками и втулками из диэлектрических материалов (фибры, текстолита, полиэтилена и других материалов. либо ставится прокладка из трикона, имеющая очертание рельса.

В клееболтовых стыках металлические накладки, изолирующие прокладки из стеклоткани и болты с изолирующими втулками склеивают эпоксидным клеем с концами рельсов в монолитную конструкцию. Этот тип электроизолирующего стыка в последние годы получает все большее распространение на сети железных дорог России.

Промежуточные рельсовые скрепления обеспечивают надежную и упругую связь с подрельсовым основанием, не допуская продольного смещения и опрокидывания рельсов, позволяют сохранять постоянство ширины колеи и обеспечивают надежное прижатие рельсов к основанию. На участках с автоблокировкой, обслуживаемых электрической тягой, эти скрепления также должны обеспечивать надежную электрическую изоляцию рельсов и железобетонных шпал друг от друга.

Различают три вида промежуточных скреплений: раздельные, нераздельные и смешанные.

При раздельном скреплении подкладки, имеющие уклон верхней поверхности 1:20 внутрь колеи, самостоятельно крепятся к шпалам с помощью болтов или шурупов, а рельс уже к подкладкам - жесткими или упругими клеммами и клеммными болтами. Для деревянных шпал применяют раздельные скрепления типа Д2 и Д4, для железобетонных - типа КБ.

При нераздельном скреплении рельс и его подкладки прикрепляются к шпале одними и теми же костылями или шурупами. Различают нераздельное костыльное скрепление с подкладками, имеющими три костыльных отверстия, для деревянных шпал и тип ЖБ - для железобетонных шпал. Такой вид скрепления применятся в основном при рельсах легких типов.

Смешанные скрепления на деревянных шпалах являются наиболее распространенной конструкцией промежуточных рельсовых скреплений на сети железных дорог нашей страны. В отличие от нераздельного скрепления при данном виде скрепления подкладки крепятся к шпалам дополнительными костылями.

Одной из самых распространенных конструкций промежуточных смешанных скреплений для деревянных шпал на отечественных железных дорогах является костыльное соединение типа ДО.

Рис.12. Промежуточное смешанное скрепление типа ДО для деревянных шпал: 1 - рельс; 2 - стыковая подкладка; 3 - шпала; 4 - основные костыли; 5 - обшивочные костыли

На рис.12. показана конструкция смешанного костыльного рельсового скрепления типа ДО. Подкладки 2 скрепления ДО имеют пять костыльных отверстий. Применяемые для скрепления ДО костыли подразделяются на основные 4 и обшивочные 5.

Тремя основными костылями 4 (из них два с внутренний стороны. рельс 1 вместе с подкладкой пришивается к шпале, а двумя обшивочными костылями подкладка 2 дополнительно крепится к шпале 3. Основные костыли 4 предназначены для обеспечения максимально возможного прижатия подошвы рельса 1 к подкладке и шпале. Они также удерживают рельс от бокового сдвига (поддерживают постоянство ширины колеи. и препятствуют его опрокидыванию.

Обшивочные костыли 5 прижимают подкладку к шпале, препятствуют сдвигу подкладки и уменьшают возможную вибрацию верхнего строения пути под воздействием проходящих поездов. Для уменьшения интенсивности износа шпал в эксплуатации между шпалой и подкладкой устанавливают резиновую прокладку. Длина обычных костылей составляет 165 мм, а масса одного костыля - 0,378г.

Преимуществами смешанного скрепления являются: простота конструкции, небольшая масса, сравнительная легкость зашивки, перешивки и разборки пути. Основные недостатки - возможность угона пути и недостаточная упругость рельсо-шпальной решетки.

На отечественных железных дорогах также используется раздельное скрепление типа КД с двумя клеммными болтами, которые прижимают рельс к подкладке, а подкладка к шпале крепится четырьмя шурупами. Такое скрепление позволяет обходиться без применения противо- угонов и обеспечивает более равномерное прижатие рельса к подкладке. Основным недостатком его является быстрое ослабление затяжки клеммных болтов, что требует осуществлять постоянное наблюдение в эксплуатации и подтягивание болтов. При этом также заметно увеличено число деталей скрепления.

На участках с железобетонными шпалами в основном применяют промежуточные скрепления типа КБ и типовые так называемые бесподкладочные скрепления типа ЖБ.

Противоугоны. Под действием касательной силы тяги, создаваемой колесами локомотивов при взаимодействии с рельсами и продольных сил поезда, может произойти продольное смещение рельсо-шпальной решетки по балласту или рельсов по шпалам, называемое угоном пути. Угон пути происходит в сторону движения поездов. В результате угона на звеньевом пути изменяются размеры стыковых зазоров: в одних местах зазоры увеличиваются, в других - могут исчезнуть совсем. При понижении температуры окружающего воздуха в местах с увеличенными зазорами может произойти срезка стыковых болтов, разрыв стыков и нарушение целостности рельсовой колеи.

 

Рис.13. Пружинный противоугон для рельсов типа Р65

Для предотвращения угона пути на подошве рельса закрепляют про- тивоугоны, которые нижней частью упираются в боковую поверхность шпал и удерживают их от перемещений. Из различных конструкций противоугонов наиболее простыми и эффективными в эксплуатации являются пружинные противоугоны (рис.13.., которые состоят из одной детали и воспринимают продольные силы не менее 8 кН даже после пятикратной их перестановки. Масса пружинного противоугона для рельсов типа Р65 и Р75 составляет 1,28 кг, а для рельсов Р50 - 1,15 кг.

Подрельсовые опоры и балластный слой

Подрелъсовые опоры (подрельсовые основания. предназначены для:

•              восприятия и передачи на балластный слой вертикальных, боковых и продольных усилий от рельсов;

•              обеспечения стабильности стандартной ширины колеи, подуклон- ки рельсовых нитей и положения рельсовой колеи в плане и профиле;

•              выполнения функций диэлектрика, т.е. обеспечивают электрическую изоляцию двух нитей рельсов друг от друга на участках с автоблокировкой и централизацией стрелок и сигналов.

Подрельсовые опоры выполняются в виде шпал, переводных брусьев (на стрелочных переводах. и мостовых брусьев. На искусственных сооружениях (мостах, тоннелях и т.д.. в качестве подрельсовых опор также используют блочные или монолитные железобетонные основания.

Шпалы - основной вид подрельсового основания. Материалом для шпал служат дерево и железобетон. В некоторых странах с тропическим климатом (Индия, Индонезия и другие. получили распространение металлические шпалы, так как деревянные шпалы, уложенные в путь, в этих странах очень быстро разрушаются термитами.

Наибольшее распространение на железных дорогах России получили деревянные шпалы, которые уложены примерно на 70 % развернутой железнодорожной сети. Их изготовляют из древесины хвойных пород деревьев - сосны (70 %., ели, пихты и лиственницы. К достоинствам деревянных шпал относятся: сравнительно небольшая масса (70 кг., простота скрепления рельсов, упругость, простота изготовления, высокие диэлектрические свойства, малая чувствительность к ударам и колебаниям температуры и высокая устойчивость в щебеночном балласте. Серьезным недостатком деревянных шпал является сравнительно небольшой срок службы. Средний срок службы шпал в сравнительно суровых климатических условиях России не превышает 15 лет. Изготовление деревянных шпал для отечественных железных дорог требует большого объема дефицитной и дорогой строевой древесины. Так, чтобы изготовить деревянные шпалы для 1 км железнодорожного пути, нужно вырубить примерно 2 га строевого леса с деревьями диаметром не менее 26-28 см, т.е. возраста порядка 100 лет.

Деревянные шпалы подразделяются на три вида (рис.14..: обрезные, полуобрезные и необрезные, а также на три типа: I - для главных путей, II - для станционных и подъездных путей, III - для малодеятельных путей промышленных предприятий. Типы шпал отличаются друг от друга размерами поперечного сечения. Длина деревянных шпал стандартная - 275±2 см.

Рис.14.Формы и размеры поперечных сечений деревянных шпал: а - обрезых; б - полуобрезных; в - необрезных

Для особо грузонапряженных линий применяют также шпалы длиной 280 см. Для продления срока службы и защиты от гниения деревянные шпалы перед установкой в путь пропитывают масляными антисептиками (креозотом или антраценом.. Пропитка шпал производится на специальных шпалопропиточных заводах.

Железобетонные шпалы на отечественных железных дорогах применяют с 1959 г.

В настоящее время промышленность серийно выпускает цельнобрусковые шпалы типа Ш-1-1 (рис.15.. для раздельного клеммно-болтового скрепления КБ, изготовленные из предвари» тельно напряженного железобетона. Шпалы типа Ш-1-1 имеют переменное (по длине. поперечное сечение с уменьшенной жесткостью в средней части. Железобетонные шпалы более долговечны (срок службы - 30-50 лет. и обеспечивают лучшую устойчивость пути по сравнению с деревянными. Существенными недостатками шпал типа Ш-1-1 являются большая масса (каждая 265 кг., повышенная (в 2-3 раза. жесткость пути, сложная конструкция скрепления с рельсами, электропроводность, хрупкость и повышенная чувствительность к ударам. Особо повышенная повреждаемость железобетонных шпал в эксплуатации наблюдается в зоне стыков, так как бетон плохо работает на ударную нагрузку. В этой связи применение железобетонных шпал признано эффективным на бесстыковом пути и на линиях с высокоскоростным движением пассажирских поездов. Так, например, железобетонные шпалы достаточно эффективно используются на скоростной железнодорожной линии Москва-Санкт-Петербург.

Одной из важных характеристик железнодорожного пути является расстояние между шпалами: чем меньше это расстояние, тем меньше деформация пути и сопротивление движению подвижного состава. Порядок расположения шпал по длине пути называется эпюрой шпал. На российских дорогах применяют следующие эпюры: 1400, 1600, 1840 и 2000 шпал на 1 км. На главных путях железных дорог применяется эпюра шпал 1840 шт./км, т.е. укладывают по 46 шпал на каждое стандартное рельсовое звено (25 м.. В кривых радиусом менее 1200 м применяют увеличенную эпюру по сравнению с прямыми участками пути. Например, если на прямом участке эпюра шпал - 1840 штук, то в кривой она составляет уже 2000 шпал на 1 км пути. Материал шпал на эпюру влияния не оказывает.

В рельсовом стыке шпалы укладывают на меньшем расстоянии, чем на остальной части пути. Так, например, при рельсах Р65 и Р75 расстояние между осями стыковых шпал равно 42,0 см (см. рис.11... Расстояние между осями остальных шпал рельсового звена одинаковое и составляет 54,6 см при эпюре 1840 шт./км и 50,2 см при эпюре 2000 шт./км. В процессе эксплуатации происходит так называемый угон пути, в результате чего расстояние между осями шпал рельсового пути может измениться. Максимальное допустимое отклонение в расстояниях между осями соседних шпал не должно превышать 8 см.

Балластный слой укладывают в виде призмы на основную площадку земляного полотна. Назначение балластной призмы: гашение части энергии от проходящих поездов; поддержание постоянства положения и устойчивости рельсо-шпальной решетки в плане и профиле пути; распределение динамических нагрузок от локомотивов и вагонов на возможно большую площадь земляного полотна; отвод вод от верхнего строения пути. Балластный слой также препятствует переувлажнению и пересыханию верхнего слоя грунта земляного полотна.

Материалами для балласта служат: щебень, гравий, гравийно-песчаная смесь, отходы асбестового производства и крупнозернистый песок. В качестве балласта иногда также применяют ракушечник, металлические шлаки и другие местные материалы.

Щебеночный балласт, получаемый при дроблении природных прочных горных пород, является лучшим балластным материалом, так как в наиболее полной мере отвечает своему назначению. На этот балласт, как правило, укладывают главные и приемо-отправочные пути станций, по которым предусмотрен безостановочный пропуск поездов, а также часто стрелочные переводы и деповские пути.

Асбестовый балласт в основном применяют для балластировки главных и приемо-отправочных путей станций на железнодорожных линиях, построенных в районах его месторождений (например, Урал., а также на участках с интенсивным загрязнением верхнего строения пути сыпучими грузами с проходящих поездов. Этот балласт представляет собой песчано-щебеночную смесь с добавлением отходов асбестового производства (концерн «Асбест» Баженовского месторождения..

Асбестовый балласт не является перспективным балластным материалом для использования на главных путях магистралей. Он имеет неудовлетворительную водопроницаемость [1], кроме того, его применение представляет определенную опасность для здоровья людей. При этом практически невозможна его очистка для повторного применения; существуют серьезные проблемы с захоронением огромных объемов балласта, отслужившего свой срок.

Гравийный и гравийно-песчаный балласты получают из смеси, образовавшейся в результате разрушения горных пород. Эти балласты являются наименее подходящими балластными материалами, их применяют на малодеятельных линиях, станционных соединительных и подъездных путях, а также используют в качестве подушки под щебеночный и асбестовый балласты.

Толщина балластного слоя из щебня под шпалой зависит от грузонапряженности линии и материала шпал и составляет 25-35 см при деревянных и 30-40 см при железобетонных шпалах. Балластная призма выполняется с откосами полуторной крутизны (1:1,5.. Ширина балластной призмы на скоростных однопутных и особо грузонапряженных линиях, а также на железных дорогах I и II категорий принимается равной 3,85 м.

В процессе эксплуатации балласт загрязняется и засоряется частицами, попадающими с поездов и надуваемыми ветром. Поэтому для балласта устанавливают сроки службы, по истечении которых производят его очистку или частичную замену.

Стрелочными переводами называются путевые устройства, служащие дляперевода подвижного состава с одного пути на другой. Они позволяют объединить два или три рядом расположенных пути в один и наоборот - разветвить один путь на два.

Обыкновенные одиночные стрелочные переводы являются наиболее распространенным (около 98 %. видом соединений и пересечений рельсовых путей. Такой стрелочный перевод состоит из четырех основных частей (рис.16..: стрелки с переводным механизмом, соединительной части, крестовин с контррельсами (крестовинной части. и переводных брусьев или другого подрельсового основания. Можно отметить, что помимо обыкновенных одиночных стрелочных переводов также существуют двойные и перекрестные стрелочные переводы.

Стрелка современного стрелочного перевода состоит из двух рамных рельсов 2, двух остряков 1, двух комплектов корневых устройств 3, переводного механизма 7, опорных и упорных приспособлений. Рамные рельсы изготавливают из обычного профиля.

Остряки 1 предназначены для направления движения экипажной части подвижного состава на прямой или боковой путь. Они представляют собой рельсы с одним заостренным концом и соединены поперечными стрелочными тягами, с помощью которых один из остряков плотно прижимается к рамному рельсу, а другой - отходит от свободного рамного рельса на величину, достаточную для свободного прохода гребней колес колесных пар подвижного состава. Узел, в котором происходит поворот остряка, называют корнем остряка 3, а противоположный конец - острием.

Рис.15. Схема одиночного обыкновенного стрелочного перевода:

1- остряк; 2- рамный рельс; 3- корень остряка; 4- контррельс; 5 - крестовина; 6 - упорная часть переводной кривой; 7 - переводной механизм; 8 - переводные брусья; 9- усовик; а - угол крестовины

Переводной механизм 7 с внешними замыкателями обеспечивает плотное прилегание одного из остряков 1 к рамному рельсу 2 при движении подвижного состава по стрелочному переводу.

Крестовинная часть состоит из сердечника 5, двух усовиков 9 и двух контррельсов 4. Промежуток между боковыми гранями усовика 9 и сердечника 5 представляет собой желоб, по которому осуществляется переход гребней колесных пар двигающегося подвижного состава на другой путь.

Контррельсы 4 направляют гребни колесных пар в соответствующий желоб крестовины. Сама крестовина обеспечивает прохождение колес колесных пар подвижного состава в местах пересечения рельсовых нитей путей. Точку пересечения продолжения рабочих граней сердечника крестовины называют ее математическим центром (точка С на рис.16.., а самое узкое место между усовиками - горлом крестовины.

Крутизну крестовины в плане определяет угол а между рабочими гранями ее сердечника.

Соединительная часть стрелочного перевода представляет собой прямой участок и переводную кривую, соединяющих стрелку и крестовину. Переводная кривая обычно выполняется в виде дуги круга и служит для плавного сопряжения двух смежных прямых участков железнодорожного пути. Радиус этой кривой зависит угла крестовины; чем меньше угол, тем больше радиус и тем выше допускаемые скорости движения поездов по стрелочным переводам. Так, например, в стрелочных переводах марки 1/11 радиус переводной кривой составляет 300 м.

Стрелочные переводы крепят с помощью специальных башмаков, подошв, прокладок, шурупов и костылей к деревянным или железобетонным переводным брусьям 8, которые укладывают на балластную призму. Наиболее широкое распространение получили деревянные переводные брусья, которые по сравнению с железобетонными основаниями имеют те же достоинства, что и деревянные шпалы.

Стрелочные переводы, используемые на сети железных дорог страны, различаются в зависимости от марки крестовины. Маркой крестовины стрелочного перевода называют тангенс угла а крестовины и обозначается 1/N, т.е.

tg а = 1 /N, (16.

где N - целое число, которое показывает, во сколько раз длина сердечника крестовины больше его ширины.

На отечественных железных дорогах применяют следующие марки крестовины и, соответственно, стрелочных переводов: 1/6; 1/9; 1/11; 1/18 и 1/22. Наибольшее распространение получили стрелочные переводы с маркой крестовины 1/11 усиленной конструкции с гибкими остряками и литой крестовиной. Такие переводы обеспечивают движение пассажирских поездов по прямому пути со скоростью до 140 км/ч, а на участке Москва- Санкт-Петербург до 200 км/ч. Стрелочные переводы более пологих марок 1/18 и 1/22 применяют на маршрутах в трудных эксплуатационных условиях в порядке исключения и по согласованию с ОАО «РЖД». На приемо-отправочных путях грузового движения согласно ПТЭ допускается установка стрелочных переводов не круче 1/9. Выпускаемые промышленностью стрелочные переводы подразделяются на левые и правые. Стрелочный перевод считается левым, если по нему подвижной состав поворачивает налево от главного пути, и правым, если поворот подвижного состава происходит направо. Другим распространенным устройством для соединения двух параллельных путей являются съезды. В зависимости от расположения соединенных путей съезды бывают простые (несокращенные., сокращенные и перекрестные. Простой съезд состоит из двух одиночных стрелочных переводов и соединительного пути, укладываемого между корнями их крестовин. Сокращенные съезды применяют при соединении двух далеко отстоящих друг от друга путей для уменьшения общей длины соединения. Перекрестный съезд представляет собой пересечения двух простых съездов с помощью глухого ромбического пересечения марки 1/N и имеет четыре стрелочных перевода. Перекрестные съезды применяют в стесненной стрелочной горловине станций.

Основы устройства рельсовой колеи

Под рельсовой колеей понимают две геометрические линии, проходящие вдоль пути по внутренним рабочим граням головок рельсов. Важнейшим параметром рельсовой колеи является ее ширина - расстояние между внутренними рабочими гранями головок рельсов, измеренное в плоскости вероятного контакта головок рельсов с гребнями колес колесных пар подвижного состава - примерно 13 мм ниже поверхности катания головок рельсов. Ширина колеи отечественных магистральных железных дорог сохранилась почти без изменений со времени постройки Петербург-Московской железной дороги (1851 г., когда ширина колеи была принята 1524 мм (5 футов.. В начале 70-х гг. XX в. ширина колеи на прямых участках пути была несколько сужена и стала равной 1520 мм с допусками в сторону уширения 8 мм и в сторону сужения - 4 мм, т.е. 1520+* мм.

В соответствии с ПТЭ на прямых участках пути рельсовые нити должны находиться на одном уровне (допуск +6 мм.. Как уже отмечалось ранее (см. гл. 6., стандартный профиль (сечение. бандажа колесных пар локомотива (см. рис. 6.2. состоит из двух конических поверхностей: основной с конусностью 1:10 (уклон 1:20. и боковой с конусностью 1:3,5 (уклон 1:7.; гребня г, а также торцовой фаски под углом 45° (уклон 1:1.. Конусность поверхности катания бандажа способствует центрированию колесной пары в рельсовой колее и облегчает прохождение подвижным составом кривых участков пути.

Из-за конической формы бандажей рельсы по отношению к шпалам устанавливают с наклоном внутрь колеи (под уклонкой., равным 1:20. Заданный наклон рельсов обеспечивается формой рабочей поверхности подкладок, устанавливаемых между рельсами и шпалами.

Устройство рельсовой колеи напрямую связано с конструкцией и размерами ходовой части локомотивов и вагонов. Гребни колес колесных пар размещаются внутри колеи, поэтому расстояние между внутренними гранями гребней колес колесной пары всегда меньше ширины колеи.

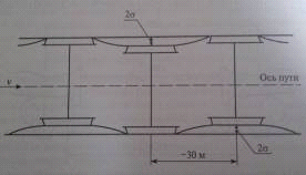
При центральном (по оси пути. положении колесной пары локомотива в рельсовой колее (рис.17.. между гребнями ее колес и боковыми внутренними гранями рельсов обязательно должны оставаться зазоры σ1 и σ 2 (минимум по 3-3,5 мм каждый.. Эти зазоры предотвращают заклинивание колесной пары в колее.

Рис.17. Центральное (по оси пути. положение колесной пары на прямом участке рельсовой колеи

Из-за конической формы поверхности бандажей и при наличии зазоров σ 1и σ 2 при движении экипажей по прямому горизонтальному пути гребни бандажей колесных пар локомотивов и вагонов длительно не прижимаются к головке одного из рельсов, а, ударяясь о нее, совершают «виляющее» движение внутри колеи. Именно такое «виляющее» движение колесных пар обеспечивает эксплуатационную надежность, минимизацию затрат энергии на тягу поездов и на содержание рельсовой колеи и подвижного состава из-за уменьшения абразивного износа кон- тактируемых поверхностей.

На движение экипажа подвижного состава оказывают влияние большое число случайных факторов (извилистость пути, толчки по длине поезда, стыки рельсов, неравномерный износ рельсов и др... Вследствие этого колесная пара постоянно перемещается в поперечном оси пути направлении и, поочередно ударяясь гребнями о боковые грани рельсов, совершает виляние в пределах суммарного зазора 2 σ (рис. 18... Период виляния одной колесной пары составляет примерно 20-30 м.

Необходимо отметить, что виляние колесных пар при движении подвижного состава в колее является одной из основных причин возникновения сил трения скольжения (сил сопротивления движению. как в поперечном, так и в продольном направлениях, на преодоление которых необходимо затрачивать работу силы тяги локомотива.

Исследованиями, проведенными профессором МИИТа Г.М. Шахунянцем, было установлено, что уменьшение ширины колеи отечественных железных дорог с 1524 мм (5 футов, существовала в период 1851 - 1972 гг.. до 1520 мм не приведет к увеличению основного сопротивления движению и не повлияет на безопасность движения поездов. Зато сокращение суммарного зазора 2 σ уменьшает силу удара гребня колеса о рельс и, соответственно, боковой износ головок рельсов.

Величина 2 σ зависит от величины проката бандажей и износа рельсов, а также технологических погрешностей по ширине колеи 1520+8-4 мм и расстояния между колесными центрами колесной пары 1440-1+3 мм.

В процессе эксплуатации рельсы колеи вследствие воздействия сил трения скольжения от колесных пар состава изнашиваются. Наибольшему износу подвергается внутренняя грань наружного рельса в кривых. При достижении величины предельного износа, устанавливаемой ПТЭ, рельсы заменяют на новые.

Рис.18.Схема движения колесной пары по прямому горизонтальному пути

ЗАКЛЮЧЕНИЕ

В ходе выполнения курсовой работы по дисциплине «Локомотивы (общий курс.» с помощью исходных данных я выполнил следующие действия:

1. определил основное сопротивления движению поезда при различных видах тяги,

. определил среднюю скорость движения и время хода по участку,

. определил касательную мощность локомотивов,

. определил расход энергоресурсов различными видами тяги,

. сравнил тепловоз тэп70бс с электровозом чс7

.выполнил индивидуальное задание, связанное с системами диагностики и безопасности движения,

.сделал выводы по проделаной курсовой работе.

СПИСОК ИСПОЛЬЗОВАННОЙ ЛИТЕРАТУРЫ

1. Руднев В.С., Белов В.А. Сравнение основных показателей тепловозной и электрической тяги: Методические указания к курсовой работе по дисциплине «ЛОКОМОТИВЫ (ОБЩИЙ КУРС.». - М.: МИИТ, 2014. - 24 с.

2. Правила тяговых расчётов для поездной работы. М.: Транспорт, 1985, - 287 с.

. Руднев В.С. и др. / Локомотивы (общий курс. / М.: Маршрут, 2011. - 582 с.

. Руднев В.С. и др. / Теория локомотивной тяги / М.: Маршрут, 2009. - 448 с.

. Гребенюк П.Т. и др. / Справочник. Тяговые расчёты. / М.: Транспорт, 2010, - 272 с.

Похожие работы на - Сравнение пассажирского тепловоза и электровоза

 

Не нашли материал для своей работы?
Поможем написать уникальную работу
Без плагиата!
Без нейросетей!