Проектирование заготовки для изготовления детали 'вал'
Введение
1. Анализ исходных данных
.1 Описание детали
.2 Материал детали
. Выбор заготовки
.1 Описание способов получения заготовок класса «вал»
. Сравнительный анализ конструкции заготовок
.1 Заготовка из сортового проката
.2 Заготовка штампованная
.2.1. Способ получения заготовки
.2.2. Класс точности штамповки
.2.3 Группа стали
.2.4 Конструктивные характеристики штампованной заготовки
.2.5 Группа сложности
.2.6 Исходный индекс паковки
. Сравнительный анализ экономической эффективности
получения заготовок из проката и горячей объёмной штамповкой
.1 Расчёт стоимости заготовки из проката
.2 Расчёт стоимости штампованной заготовки
. Назначение припусков на механическую обработку
.1. Основные припуски на механическую обработку
.2. Дополнительные припуски на механическую обработку
.2.1. Первый дополнительный допуск
.2.2 Второй дополнительный допуск
.2.3. Штамповочные уклоны
.2.4 Радиусы закруглений
. Допуски и допускаемые отклонения размеров поковки
Заключение
Список литературы
Введение
Заданием на курсовой проект служит
чертеж детали корпус, изготовленный из стали 45.
Необходимо осуществить выбор и
проектирование заготовки для изготовления данной детали.
Для выполнения этой работы в
определённой последовательности необходимо будет затронуть ряд вопросов:
. Осуществить
предварительный выбор двух наиболее пригодных методов получения заготовки для
заданной детали с учётом заданного типа производства, свойств материала
заготовки, формы и размеров заготовки, требованиям к точности
. Провести сравнительный
анализ заготовок по критерию применимости для заданного типа производства,
назначить припуски и допуски на размер заготовок, произвести расчёт массы
заготовки, определить коэффициент использования металла.
. Выбрать заготовку и способ
её получения на основании сравнительного анализа стоимости двух типов
заготовок.
. Начертить эскиз заготовки.
Важным этапом разработки
технологического процесса механической обработки является расчет припусков.
Установление правильных размеров
припусков на обработку - ответственная технико-экономическая задача.
Назначение чрезмерно больших
припусков приводит к непроизводительным потерям материала, превращаемого в
стружку, увеличению трудоемкости механической обработки; повышению расхода
режущего инструмента и электрической энергии; возрастанию потребности в
оборудовании и рабочей силе. При этом затрудняется построение операций на
настроенных станках, снижается точность обработки в связи с увеличением отжатий
в технологической системе.
Недостаточно большие припуски не
обеспечивают удаления дефектных слоев материала и необходимой точности и
шероховатости обрабатываемых поверхностей, вызывают ужесточение требований к
точности исходных заготовок и приводят к удорожанию последних.
.
Анализ исходных данных
1.1 Описание детали
Деталь корпус представляет собой
деталь из класса «вал».
Изготавливается из стали 45
ГОСТ1050-88.
.2 Материал детали
заготовка вал прокат штамповка
Сталь 45 конструкционная
углеродистая качественная.
Сталь 45 подвергается процедуре
закалки при температуре 840 °С. с охлаждением в воде и высоким отпуском при 600
°С, что соответствует твёрдости в состоянии поставки 170 НВ.
Сортамент стали 45 составляют:
сортовой и фасонный прокат (ГОСТы
1050-88, 2590-2006, 2591-2006, 2879-2006, 8509-93, 8510-86, 8239-89, 8240-97,
10702-78);
калиброванный пруток (ГОСТы 1050-88,
7417-75, 8559-75, 8560-78,);
шлифованный пруток и серебрянка
(ГОСТ 14955-77);
толстый лист (ГОСТы 1577-93,
19903-74);
тонкий лист (ГОСТ 16523-97);
полоса (ГОСТы 103-2006, 1577-93,
82-70);
лента (ГОСТ 2284-79);
проволока (ГОСТ 17305-91, 5663-79)
поковки и кованые заготовки (ГОСТы
1133-71 и 8479-70);
трубная продукция (ГОСТы, 8732-78,
8733-74, 8734-75, 8731-74, 21729-76).
Использование в
промышленности: вал-шестерни, коленчатые и распределительные валы, шестерни,
шпиндели, бандажи, цилиндры, кулачки, и другие нормализованные, улучшаемые и
подвергаемые поверхностной термообработке детали, от которых требуется
повышенная прочность. 
.
Таблица 1.1
Химический состав материала в
процентах
|
Материал детали
|
Содержание элементов, %
|
Твёрдость материала, НВ
|
|
С
|
Si
|
Mn
|
Fe
|
P
|
S
|
Cu
|
Ni
|
As
|
|
|
|
|
|
|
|
Не более
|
|
|
Сталь 45
|
0,42-0,5
|
0,17-0,37
|
0,5-0,8
|
До 0,25
|
97
|
0,035
|
0,04
|
0,25
|
0,25
|
0,08
|
170
|
Таблица 1.2
Механические свойства стали 45 в
состоянии поставки
|
Наименование и марка
|
σв, МПа
|
σт,
МПа
|
δ5,
%
|
ψ,%
|
KCU, кДж/м2
|
Плотность, кг/м3
|
|
Сталь 45
|
600
|
440
|
16
|
40
|
59
|
7826
|
Таблица 1.3
Режимы термической обработки стали
45
|
Наименование операции
|
Температурный режим, ◦С
|
Охлаждающая среда
|
Твёрдость HВ
|
|
Закалка
|
840
|
вода
|
170
|
|
Отпуск
|
600
|
Воздух
|
|
Таблица 1.4
Механические свойства стали 45 после
термической обработки
|
Наименование и марка
|
σв, МПа
|
σт,
МПа
|
δ5,
%
|
ψ,%
|
KCU, кДж/м2
|
Твёрдость НВ
|
|
30ХГСА
|
690
|
315
|
14
|
44
|
59
|
167-207
|
Таблица 1.5
Технологические свойства материала
сталь 45
|
Свариваемость:
|
трудносвариваемая
|
|
Интервал температур ковки, оС
|
700-1250
|
высокая
|
|
Обрабатываемость резанием
|
В горячекатаном состоянии при НВ 170-179 и σв,=640
МПа
|
|
Склонность к отпускной хрупкости
|
Не склонна
|
.
Выбор заготовки и метода её получения
2.1 Описание способов получения
заготовок класса «вал»
Заготовками для деталей
класса «вал» наиболее часто служат либо сортовой прокат, либо штамповка.
Отливка применяется в редких случаях: при изготовлении крупных валов из чугуна.
Сортовой прокат применяется для изготовления средних и мелких деталей с
небольшим перепадом диаметров по ступеням вала (до 10-15 мм на 100 мм длины).
Штамповка применяется для изготовления средних и крупных валов сложной
конфигурации, с большим перепадом диаметров, а также при специальных
требованиях к структуре металла и при достаточно больших объёмах выпуска.
.
Проведём сравнительный
анализ получения заготовок из сортового проката и методом горячей объёмной
штамповки по конструктивным критериям, по коэффициенту использования металла и
по экономическим критериям для решения вопроса о выборе метода получения
заготовки.
3. Сравнительный анализ
конструкции заготовок
Предварительно выбираем
два типа заготовок: сортовой прокат и штамповка, исходя из того, что тип
производства- серийное, а точность изготовления детали обычная. Оба вида
заготовок можно использовать в условиях серийного производства. 
.
.1 Заготовка из
сортового проката
Назначаем диаметр
сортового проката по ГОСТ 2590-2006. Так, как вал имеет больше двух уступов,
диаметр проката назначаем по наибольшему диаметру детали - ⌀42
мм. Отношение L/D=82/48=1.95
12 мм, выбираем диаметр
проката 45 мм, так, как данный диаметр имеет высокий квалитет точности..
Отклонения: верхнее
+0.4; нижнее -0.7
Рассчитаем припуск на
длину заготовки по ГОСТ 2590-88. Для случая отрезания проката на токарном
станке примем по таблице припуск 5 мм.

=82+2
.
Допуск на длину по ГОСТ
2590-88 составляет 1 мм.
Масса заготовительного
отхода для проката:
расх (L)=
,
где Hрасх (L)-
норма расхода материала по длине проката; L- длина проката, мм; Lзаг-
длина заготовки, мм; n- целое число заготовок, получаемое из одной мерной
длины.
расх=
Hрасх (L)
,
где 
- площадь поперечного
сечения, см2; 
- плотность материала,
г/см2.расх (L)=
;расх= 92,3-
кг
Коэффициент
использования металла:
КИМ=
,
где Мдет -
масса детали; Мзаг- масса заготовки.
Мдет=Vдет
,
где Vдет-
объём детали, 
- плотность материала.дет=

=32,
см3.дет=32,15
.
Масса заготовки в данном
случае- это масса простой пространственной фигуры, в которую может быть вписана
заготовка.. Такой пространственной фигурой является цилиндр с радиусом
основания 21 мм, высотой 82мм.заг=
КИМ=
=0.28
Так, как коэффициент
использования металла меньше 0.5, то заготовку по данному параметру нельзя
считать технологичной. 
.
.2 Заготовка
штампованная
.2.1 Способ получения
заготовки
Так, как самый точный
квалитет поверхности заготовки - H9; тип производства- серийное; деталь имеет
относительно простую форму, то возможно получение заготовки методом горячей
штамповки на кривошипном горячештамповочном прессе. Заготовку получаем в
закрытом штампе, состоящем из двух частей с плоскостью разъёма по оси
заготовки, так, как деталь имеет относительно симметричную форму. 
.
Поверхность разъёма
штампа имеет плоскую форму.
Для того, чтобы
рассчитать массу детали, рассчитаем геометрические размеры заготовки, назначив
припуски на все размеры, затем рассчитаем коэффициент использования металла.
Припуски на размеры
заготовки, полученной горячей объёмной штамповкой, назначаются исходя из класса
точности, группы стали, степени сложности заготовки, её расчётной массы и
исходного индекса поковки по таблицам ГОСТ 7505-89.
3.2.2 Класс точности
штамповки
Так, как заготовку
получаем на кривошипном горячештамповочном прессе в закрытом штампе, класс
точности штамповки - Т3 (по ГОСТ7505-89).
.2.3 Группа стали
Так, как сталь содержит
свыше 0,35 до 0,65 процента углерода, то по ГОСТ 7505-89 группа стали- М1..
.2.4 Конструктивные
характеристики штампованной заготовки
Степень сложности.
Определяется отношением
массы поковки к массе простой пространственной фигуры, в которую может быть
вписана заготовка 
Мпр=
,
где Мпр-
расчётная масса поковки; Мд- масса детали; kр-
коэффициент, зависящий от формы штампованной заготовки.
Так, как деталь- вал
относительно простой удлинённой формы с прямой осью, то kр= 1.6
(принимаем максимальный коэффициент).
Мпр=
.
Увеличим габаритные
линейные размеры детали в 1.05 раза.

см
Мф=86,1

=
=0,43, следовательно
степень сложности поковки - С2.
.2.5 Группа сложности/bср=82/34,5=2,37,
так, как соотношение свыше 1,5, то группа сложности- четвёртая.
.2.6 Исходный индекс
поковки принимаем по таблицам ГОСТ 7505-89 исходя из того, что масса поковки
свыше до 0,5 кг, группа стали М1, степень сложности поковки - С2; класс
точности Т3; принимаем исходный индекс 9.
4. Назначение припусков
на механическую обработку
4.1 Основные припуски на
механическую обработку
Назначаем по таблице ГОСТ 7505-89.
Таблица 4.1
Основные припуски на механическую
обработку
|
Исходный индекс поковки
|
Длина и диаметр детали, мм
|
Шероховатость Rz
|
Номинальный размер, мм
|
Припуск, мм
|
Размер для заготовки, мм
|
|
9
|
До 40
|
⌀36
|
1.3 2=2.636-3.6=32.4
|
|
|
40-100
|
20
|
⌀42
|
1.4 2=2.842+2.8=44.8
|
|
|
До 40
|
20
|
⌀27
|
1.3 2=2.627+2.6=29.6
|
|
|
40-100
|
20
|
82
|
1.4 2=2.882+2.8=84.8
|
|
|
До 40
|
20
|
15
|
2.6
|
15-2.6=12,4
|
|
До 40
|
20
|
28
|
1.3
|
28+1,3=29,3
|
.2 Дополнительные припуски на
механическую обработку
Назначаем по таблице ГОСТ 7505-89
для компенсации смещения по поверхности разъёма штампа. Отклонений от
плоскостности и прямолинейности, отклонения межцентрового и межосевого
расстояний, отклонений угловых размеров, изогнутости поковки.
.2.1 Первый дополнительный
припуск, учитывающий смещение по поверхности разъёма штампа назначаем в
зависимости от массы и класса точности поковки
Так, как масса поковки 0,4 кг, класс
точности Т3, поверхность разъёма штампа плоская, то принимаем 0.1 мм.
.2.2 Второй дополнительный
припуск, учитывающий отклонение от плоскостности назначаем по таблице в
зависимости от наибольшего размера и класса точности поковки.
Так, как наибольший размер поковки
находится в пределах до 100 мм, класс точности Т3, то по таблице принимаем
припуск 0.2мм
Таблица 4.2
Дополнительные припуски на
механическую обработку
|
Размер для заготовки, мм
|
Первый дополнительный припуск (смещение поверхности разъёма
штампа), мм
|
Второй дополнительный припуск (отклонение от плоскостности), мм
|
Окончательный чертёжный размер, мм
|
|
⌀ 32.4
|
-
|
32.4-0.2=32.2
|
⌀32.0
|
|
⌀ 44.8
|
-
|
44.8+0.2=45.0
|
⌀45.0
|
|
⌀ 29,6
|
-
|
29.6+0.2=29.8
|
⌀30.0
|
|
82
|
84.8+0.1=84.9
|
-
|
85
|
|
15
|
12,4+0.1=12,5
|
-
|
12
|
|
28
|
29.3+0,1=29.4
|
-
|
29
|
Зная габаритные размеры заготовки,
рассчитаем её массу и коэффициент использования металла.
Масса штампованной заготовки:
Мзаг =
.
Коэффициент
использования металла: КИМ=
=
4.2.3 Штамповочные уклоны
Назначаем на все поверхности,
расположенные параллельно движению деформирующего инструмента по таблице ГОСТ
7505-89.
Принимаем для пресса без
выталкивателей уклоны наружных поверхностей: 7°. Внутренних поверхностей -10°.
.2.4 Радиусы закруглений
Минимальную величину радиусов
наружных углов устанавливаем по таблице ГОСТ 7505-89 в зависимости от массы
поковки и глубины полости ручья штампа.
Так, как масса поковки 0.58 кг
попадает в интервал до 1 кг, а глубина полости ручья штампа - 21 мм, то есть от
10 до 25 мм, принимаем радиусы наружных углов 1.6°; внутренних углов- 3,2°.
Назначаем допуски наружных размеров,
учитывающие недоштамповку и двухсторонний износ штампов по ГОСТ 7505-89.
Таблица 5.1
Допуски и допускаемые отклонения на
размер поковки
|
Исходный индекс поковки
|
Длина и диаметр детали, мм
|
Номинальный размер, мм
|
Допуск, мм
|
Допускаемые отклонения, мм
|
|
9
|
До 40
|
⌀32
|
1.2
|
|
|
40-100
|
⌀45
|
1.4
|
|
|
До 40
|
⌀30
|
1.2
|
|
|
40-100
|
85
|
1.4
|
|
|
До 40
|
12
|
1.2
|
|
|
До 40
|
28
|
1.2
|
|
.
Сравнительный анализ экономической эффективности получения заготовок из проката
и горячей объёмной штамповкой
6.1 Расчёт стоимости заготовки
из проката
С=Мз
,
где 
- массы заготовки и
готовой детали соответственно, кг; S- цена одного килограмма металлопроката; 
- стоимость одного кг
отходов 
Цена одного килограмма
стали -27 рублей; стоимость 1 кг стальной стружки -7 рублей.
С= 0.89
19,55 рубля
6.2 Расчёт стоимости
штампованной заготовки
С=
руб,
где 
стоимость одного
килограмма штамповки (для штамповок, получаемых на кривошипных
горячештамповочных прессах 75 руб); 
- коэффициент сложности
(для гладких, простых поковок, получаемых за 1-2 перехода -0,8); 
- коэффициент материала
(для стали нелегированной 1,0); 
- коэффициент массы
заготовки (так, как масса заготовки до 10 кг, то принимаем 1.04); N-годовая
программа выпуска, тыс. шт. Так, как тип производства - крупносерийное, годовая
программа выпуска 50 000 штук. Принимаем N=50 000 штук.
С=
=42,68 руб.
Экономически более
оправданно получение заготовки из проката. Рассчитаем экономический эффект от
выбранного вида изготовления заготовки:
Э=
, рублей,
где 
стоимость заготовки по
первому (более дешёвому) и второму (более дорогому) варианту соответственно; 
- стоимость металла,
уходящего в стружку, руб/кг; N- годовой объём выпуска, шт. (1, стр.42).
Э=
=1048000
.
Таблица 6.1
Сравнительная
характеристика штампованной заготовки и заготовки, полученной из проката
|
Заготовка
|
Масса, кг
|
Коэффициент использования металла
|
Себестоимость, руб
|
|
Штампованная
|
0,58
|
0,43
|
42,68
|
|
Полученная из проката
|
0,89
|
0,28
|
19,55
|
Так, как экономический эффект
положителен, то к изготовлению принимаем заготовку, полученную штамповкой.
Несмотря на то, что штампованная заготовка имеет более высокую стоимость по
сравнению с заготовкой из проката, в условиях крупносерийного и массового
производства получение заготовок горячей объёмной штамповкой обеспечивает
значительную экономию металла на операциях механической обработки.
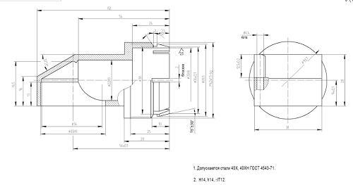
Заключение
В ходе работы был осуществлён и
экономически обоснован выбор получения заготовки для детали «корпус»,
изготавливаемой из стали 45.
Способом получения заготовки
является горячая объёмная штамповка на кривошипном горячештамповочном прессе в
симметричном закрытом штампе с плоской поверхностью разъёма.
На заготовку были назначены
припуски, допуски на размеры и отклонения с использованием справочных
материалов - таблиц ГОСТ и справочников.
В результате выполнения работы был
разработан чертёж и назначены технические требования на штампованную заготовку.
Список литературы
1. Х.М. Рахимянов,
Б.А. Красильников, Э.З. Мартынов. Технология машиностроения: Учебное пособие. -
Новосибирск: Изд-во НГТУ, 2008. - 253 с.
2. Косилова А.Г.,
Мещеряков Р.К., Калинин М.А. Точность обработки, заготовки и припуски в
машиностроении. Справочник технолога.-М.: «Машиностроение», 1976. - 288 с.
. Маталин
А.А.Технология машиностроения: Учебник. 3-е изд.,стер.-Спб.:Издательство
«Лань», 2010.-512 с.