Проектирование технологического процесса и оснастки для изготовления детали 'корпус водила нижнего'
Министерство
образования и науки Российской Федерации
Санкт-Петербургский
государственный политехнический университет
Пояснительная
записка к выпускной квалификационной работе
на присвоение
квалификации "бакалавр"
Проектирование
технологического процесса и оснастки для изготовления детали "корпус
водила нижнего"
Т.Р. Назмитдинов
Направление подготовки:
.62 - "Машиностроение"
Группа 43304/20
Руководитель работы:
профессор, к.т.н. В.И. Никифоров
Санкт-Петербург
Реферат
деталь водило фрезерование резание
Стр. 119, рис. 27, табл. 10, прилож. 3
Переход, рабочий ход, установка, операция, технология, степень свободы,
конструкторская база, тип производства, технологическая база, погрешность
базирования, опорная точка, технологическая размерная цепь, замыкающее звено,
припуск, допуск, режимы резания.
Представлен технологический процесс изготовления детали "корпус
водила нижнего"; разработаны маршрутные, операционные карты и карты
эскизов; рассчитан наладочный размер для одной из операций и припуск на
механическую обработку; назначены режимы резания; рассчитаны составляющие
штучно-калькуляционного времени.
Работа содержит в себе последовательное решение основных технологических
задач по подготовке к производству изделия на предприятии и проектированию новых
и совершенствования существующих технологических процессов изготовления и
ремонта изделий.
Проект содержит отработанный в соответствии с действующей
нормативно-технической документацией чертеж детали "корпус водила
нижнего". В проекте разработан маршрутный технологический процесс
изготовления детали и технологическая операция для фрезерования пазов, выбрано
оборудование и режущий инструмент для данной операции. Рассчитаны параметры
режима резания.
Оглавление
Введение
1.
Проектирование технологического процесса изготовления детали "корпус водила нижнего"
1.1 Исходные
данные для выполнения проекта
.2 Определение типа производства
.3 Выбор типа
заготовки и способа ее получения
1.4 Назначение припусков на обработку
1.5 Анализ
исходных данных
.6 Разработка технологического маршрута
изготовления детали
1.7 Уточнение типа производства
1.8
Проектирование технологических операций
2.
Проектирование приспособления для детали "корпус водила нижнего"
2.1
Техническое задание на проектирование приспособления
.2 Маршрутный
технологический процесс
2.3 Разработка заданной технологической
операции с назначением режима резания и расчётом действующих сил процесса
2.4 Разработка схем базирования и
закрепления заготовки. Расчёт погрешности базирования
2.5 Элементы
конструкции и расчет пневмодвигателя
.6 Расчет
пружины
.7
Прочностной расчет
2.8 Расчет
трубопроводов
2.9 Паспорт
приспособления
2.10
Принципиальная схема пневмопривода
3.
Проектирование металлорежущих инструментов
3.1
Проектирование фасонного резца
.2 Проектирование комплекта метчиков
.3 Проектирование червячной фрезы для
цилиндрических зубчатых колес
Библиографический
список
Приложение
Введение
Технология машиностроения - наука, занимающаяся изучением закономерностей
процессов изготовления машин, с целью использования этих закономерностей для
обеспечения выпуска машин заданного качества, в установленном производственной
программе количестве и при наименьших хозяйственных затратах.
Эффективностью производства, его технический прогресс, качество
выпускаемой продукции во многом зависят от опережающего развития производства
нового оборудования, машин, станков и аппаратов, от всемирного внедрения
методов технико-экономического анализа, обеспечивающего решение технических
вопросов и экономическую эффективность технологических и конструкторских
разработок.
В данной работе представлены основные этапы разработки технологических
процессов изготовления типовых деталей.
Цель курсового проекта заключается в приложении теоретических знаний,
полученных на лекциях, в решении практических задач, а также в знании структуры
и элементов технологического процесса, умения производить расчеты при решении
различных технологических задач, знание правил составления технологической
документации и правил оформления технологических эскизов и чертежей.
Для достижения поставленной цели были использованы знания, полученные на
лекциях и практических занятиях по одноимённой дисциплине.
1. Проектирование
технологического процесса изготовления детали "корпус водила нижнего"
.1 Исходные данные для выполнения проекта
Исходными данными для курсового проекта служат чертёж детали (приложение
3) и количество деталей в партии - 25000 шт.
.2 Определение типа производства
На первом этапе проектирования тип производства ориентировочно может быть
определен в зависимости от массы детали и объема выпуска по таблице 1.1 [16, с.
182.]
Таблица 1.1
Годовая программа выпуска деталей по типам производств
|
Тип производства
|
годовой объем выпуска деталей одного наименования, шт
|
|
легкие, до 20 кг
|
средние, 20…300 кг
|
тяжелые, более 300 кг
|
|
Единичное
|
До 100
|
До 10
|
1…5
|
|
Мелкосерийное
|
101…500
|
11…200
|
6…100
|
|
Среднесерийное
|
501…5000
|
201…1000
|
101…300
|
|
Крупносерийное
|
5001…50000
|
1001…5000
|
301…1000
|
|
Массовое
|
Свыше 50000
|
Свыше 5000
|
Свыше 1000
|
Поскольку объем выпуска 25000 шт., а масса детали 1,97 кг, производство -
крупносерийное.
Размер партии определяется:
потребностью деталей на определенном промежутке времени и условием
быстрого их использования;
затраты на наладку должны быть минимальными.
Практически величину партии определяют из условия бесперебойной работы
сборочного подразделения. Бесперебойная работа обеспечивается определенным
запасом деталей на промежуточном складе. В зависимости от размеров детали запас
составляет: для крупных деталей - 2-3 дня, для мелких - 5-10 дней. На основании
этого рекомендуется упрощенно определять количество деталей в партии по формуле
[3]:
П = Q
/Ф,
где П - количество деталей в партии; Q - годовой объем выпуска деталей
одного наименования вместе с запчастями; τ - нормативный срок хранения деталей
на складе 7 дней; Ф - число рабочих дней в году по обработке данной детали: 273
дня.
П = 25000
7/273 = 642 шт.
Крупносерийное производство характеризуется узкой номенклатурой и большим
объемом выпуска изделий, непрерывно изготавливаемых или ремонтируемых в течение
продолжительного времени.
Основные признаки крупносерийного производства:
Изделия изготавливают в большом количестве длительное время, конструкция
изделия меняется плавно. Рабочая сила низкой квалификации при наличии
настройщиков, оборудование автоматизированное, полная взаимозаменяемость при
сборке.
Массовому производству присуща поточная форма организации производства,
при которой операции обработки или сборки машины закреплены за определенным
оборудованием или рабочими местами, оборудование распложено в порядке
выполнения операций, а изготовляемая деталь передается с одной операции на
следующую сразу после выполнения предшествующей операции, как правило, с
помощью специальных транспортных устройств.
1.3 Выбор типа заготовки и способа ее получения
От выбора заготовок в значительной степени зависит характер
технологического процесса обработки заготовки и эксплуатационные свойства
детали. Чем в большей степени приближается форма заготовки к форме готовой
детали, тем меньше расходуется материала при обработке и тем меньше
затрачивается при этом средств и времени.
Материал детали - сталь конструкционная легированная хромистая 40Х ГОСТ
4543-71.
Рассмотрим два метода получения заготовки:
. Штамповкой
. Литьем в песчано-глинистые формы.
Расчет коэффициента использования материала и сравнение результатов для
различных вариантов получения заготовки [4]:
Коэффициент использования материала можно найти по формуле:
где
- масса детали,
- масса заготовки.
) Рассчитаем массу детали:
Рис. 1.1 Расчет массы детали
=
+
+
+
=
=3,14
=
=3,14
=
=3,14
=
=3,14
=
=3,14
=
=3,14
=
3(3,14
=
)=3(3,14
=a
b
h=0,022
=
3(3,14
=
3(3,14
=
0,00025
) Штампованная заготовка.
Допуски и размеры штампованной заготовки определим по ГОСТ 7505-89
(поковки стальные штампованные).
Материал - сталь 40Х (по ГОСТ 4543-71), масса детали - 1,97 кг.
Рис. 1.2. Расчет массы штамповки
(1.5)
г
=
+
=
=3,14
=
=3,14
=
= 3,14
=
=3,14
=
0,00037
Подставим в формулу (1.2) найденную массу поковки:
) Литая заготовка.
Так как сталь 40Х не льется, то заменяем ее на похожую по своим свойствам
литейную сталь - сталь Л50. Масса детали - 1,97 кг.
Рис. 1.3. Расчет массы отливки
(1.5)

=
=
=3,14
=
=3,14
=
=3,14
=
=3,14
=
0,00048
Подставим в формулу (1.2) найденную массу отливки:
Коэффициент использования материала достаточно высок и вполне
удовлетворяет требованиям серийного производства.
Коэффициент использования материала у штампованной заготовки больше.
Сравнение методов получения заготовки на основании расчета стоимости
заготовки с учетом ее черновой обработки
Расчет стоимости заготовки производится по формуле [15,стр.195]:
где
- средняя часовая зарплата основных рабочих по тарифу,
руб./чел.-ч;
- цена 1 кг отходов, руб.;
- оптовая цена на материал в
зависимости от метода получения заготовки;
- масса отходов материала, кг; Т -
время черновой обработки заготовки, ч;
- цеховые накладные расходы.
) Расчет стоимости заготовки из литья.
= 3,8 кг;
=27000 руб./т;
= 1,83 кг;
= 2980руб./т;
= 250 руб./ чел.-ч;
= 70%.[4. с. 32]
Расчет основного времени на черновую обработку литой заготовки,
включающего точение 7 поверхностей, сверление, фрезерование пазов, сверление
девяти отверстий, по формуле: [3. с. 172]:
По формуле (1.6) определим стоимость заготовки:
) Расчет стоимости штампованной заготовки.
= 2,87 кг;
= 31500 руб./т;
= 0,9 кг;
= 2980 руб./т;
= 250 руб./ чел.-ч;
= 70%. [3. с. 32]
Расчет основного времени на черновую обработку штампованной заготовки,
включающего точение 7 поверхностей, зенкерование, фрезерование пазов, сверление
девяти отверстий, по формуле: [3,с.172]:
По формуле (1.6) определим стоимость заготовки:
Рис. 1.4. Общий вид заготовки
Вывод.
После расчета коэффициента использования материала и стоимости заготовки,
полученные данные заносим в таблицу для сравнения.
Сравнение расчета коэффициента использования материала и стоимости
заготовки.
Таблица 1.2
|
№
|
К
|
См
|
|
штамповка
|
0,68
|
130,23
|
|
литье
|
0,51
|
148,15
|
В результате сравнения видно, что коэффициент использования материала
выше и стоимость меньше у штампованной заготовки. Целесообразнее выбрать
штамповку.
.4 Назначение припусков на обработку
Так как заготовкой для изготовления детали является штампованная поковка,
то необходимо определить припуски на обработку. Припуски штампованной заготовки
регламентируются ГОСТ 7505-89.
Припуски необходимо назначить только на обрабатываемые поверхности. Те
поверхности, которые не подвергаются обработке, изготавливаются по номинальным
размерам детали.
В таблице.1.3 приведены значения припусков на обрабатываемые поверхности:
Таблица 1.3.
|
Номинальный размер детали, мм
|
Припуск на механическую обработку, мм
|
Размер штампованной заготовки, мм
|
|
∅125
|
3
|
∅
|
|
∅68
|
3
|
∅
|
|
∅45
|
2,5
|
∅
|
|
∅58
|
3
|
∅
|
|
63
|
3
|
|
|
27
|
1
|
|
|
52
|
2
|
|
|
16
|
2
|
|
1.5 Анализ исходных данных
Анализ чертежа детали
Данная деталь относится к классу фланец, т.е. деталь, круглой формы с
равномерно расположенными отверстиями для болтов и шпилек, где L/D<2. Для
обеспечения требуемой твердости необходима закалка с низким отпуском, а также
необходимо химическое оксидирование поверхности.
Обработка поверхностей на токарных операциях окончательно недопустима,
т.к. необходимая точность не будет полностью обеспечена. Конструкция фланца
обеспечивает свободный подвод и отвод инструмента.
Выделим основные виды поверхностей (рис. 1.5):
,6,9, - наружные цилиндрические поверхности;
,10,14,15,17,18 - внутренние цилиндрические поверхности;
,5,8,11,13, - торцевые поверхности;
,19 - плоскости;
- резьба;
,21,22,23,24,25 -фаски;
,4 - канавки.
Рис. 1.5. Эскиз детали
В зависимости от вида обрабатываемой поверхности могут использоваться:
для обработки наружных и внутренних цилиндрических, и торцовых
поверхностей - токарно-револьверные станки на этапах - черновом, получистовом,
чистовом;
круглошлифовальные станки на этапах повышенной, высокой и особо высокой
точности;
для обработки фигурных пазов - вертикально-фрезерный станок;
В зависимости от вида применяемого оборудования, установка детали может
производиться в трехкулачковом патроне, с упором в торец, цанговом патроне,
специализированные приспособления.
В качестве инструмента в серийном типе производства с небольшим объемом
выпуска, в основном, используется универсальный режущий инструмент. Однако на
определенных операциях возможно применение специализированного и специального
режущего инструмента.
Анализ технологичности изделия
Деталь - Фланец выполнен из низколегированной конструкционной хромистой
стали 40Х ГОСТ 4543-71 и проходит термическую обработку.
Изготавливается штамповкой, поэтому конфигурация наружного контура и
внутренних поверхностей не вызывает значительных трудностей при получении
заготовки.
Деталь достаточно технологична, допускается применение
высокопроизводительных методов обработки.
Технологические задачи изготовления детали
Исходя из чертежа (приложение 3) были выявлены следующие
технологические задачи:
) Точность размеров поверхностей: наружная цилиндрическая поверхность
ш60k6, внутренние цилиндрические поверхности ш116Н7, ш15Н7 и ш12Н7. Так же
габаритные размеры ш125h11и размер 63h11. Остальные
допуски по ГОСТ 30893.1-m
) Точность формы. Особые требования к точности формы поверхностей не
предъявляется, т.е. погрешность формы не должна превышать 1/3 поле допуска на
размер.
) Точность взаимного расположения задана допусками радиального биения в
пределах 0,02 мм.
) Качество поверхностного слоя. Шероховатость ответственных
цилиндрических поверхностей: для наружных Ra =1,25 мкм, внутренних Ra=3,2.
1.6
Разработка технологического маршрута изготовления детали
Определение класса детали и выбор типового технологического
процесса
Данная деталь относится к классу фланец, т.е. деталь, круглой формы с
равномерно расположенными отверстиями для болтов и шпилек.
Типовой маршрут для изготовления деталей класса фланец, включает в себя
следующие операции:[17]
Заготовительная
Литьё, ковка, штамповка.
Термическая.
Отжиг.
Токарно-револьверная.
Базирование по наружной поверхности к торцу в патроне - подрезка
свободного торца, зенкерование отверстия , точение наружных поверхностей (с
припуском под шлифование), растачивание канавок и фасок.
Токарно-револьверная.
Базирование по отверстию и торцу в цанговом патроне - подрезка второго
торца, точение наружных поверхностей, растачивание внутренних поверхностей,
точение фасок.
Слесарная.
Снятие получившихся приливов.
Вертикально-фрезерная.
Фрезерование фигурных пазов. Базирование по отверстию и торцу в цанговом
патроне
Вертикально-фрезерная.
Фрезерование плоскостей. Базирование по отверстию и торцу в цанговом
патроне
Вертикально-сверлильная с ЧПУ.
Сверление, зенкерование, развертывание отверстий, нарезка резьбы.
Базирование по отверстию и торцу в цанговом патроне
Слесарная
Термическая.
Закалка, низкий отпуск, для получения заданной твердости.
Круглошлифовальная.
Шлифование наружной поверхности после токарной обработки.
Алмазно-расточная .
Тонкое растачивание поверхности.
Моечная.
Контрольная.
По аналогии с типовым маршрутом изготовления шкивов составим маршрут
обработки детали "корпус водила нижнего".
Для этого необходимо разработать теоретическую схему базирования и схему
установки заготовки на первой операции, используя чертежи заготовки и
соответствующей ей детали, выбрать черновые базы для первой операции
механической обработки.
Выбор технологических баз
За черновую базу на первой операции целесообразно выбрать самую развитую
поверхность детали, а именно поверхность 9 на рис. 5. Выбор данной черновой
технологической базы позволяет за один установ подготовить наибольшее
количество промежуточных баз для последующей обработки. Выбор данной черновой
базы также обусловлен тем, что она совпадает с конструкторской базой и связана
размером с необрабатываемой поверхностью. Первая операция по обработке данной
детали будет производиться на токарно-револьверном станке.
Закрепление заготовки будет производиться в трехкулачковом патроне, за
поверхность 9.
Рис. 1.6. Теоретическая схема базирования на операцию 015
Чистовую базу выбираем из соображений обеспечения устойчивости и
наименьших деформаций детали от сил зажима и усилий резания. Выбрав в качестве
чистовой технологической базы торец и отверстие, мы обеспечим выполнение
принципа постоянства баз, тем самым избавимся от погрешностей. Спроектируем
технологический маршрут так, чтобы максимально использовать, получаемую на
начальных операциях, технологическую базу.
Разработка технологических маршрутов изготовления точных поверхностей
детали
Наиболее точными поверхностями являются:
· три глухих отверстия диаметром Ш15Н7;
· три глухих отверстия диаметром Ш10Н7;
· три отверстия l=14 диаметром Ш12Н7.
· цилиндрическая поверхность Ш60k6
· цилиндрическая поверхность Ш116H7
Для получения заданных параметров точности необходимо назначить на
поверхности следующие операции:
Для отверстий Ш15Н7:
· сверление;
· зенкерование;
· развертывание.
Для отверстий Ш10Н7:
· сверление;
· зенкерование;
· развертывание.
Для отверстий Ш12Н7:
· сверление;
· зенкерование;
· развертывание.
Для цилиндрической поверхности Ш60k6:
· черновое точение;
· чистовое точение;
· шлифование
Для цилиндрической поверхности Ш116H7:
· черновое растачивание;
· чистовое растачивание;
· тонкое растачивание
Характеристика термической обработки
После заготовительной операции заготовку необходимо подвергнуть
термической обработке, а именно отжиг - вид термической обработки металлов и
сплавов, заключающийся в нагреве до определённой температуры, выдержке и
последующем, обычно медленном, охлаждении. Цели отжига - снижение твёрдости для
повышения обрабатываемости, улучшение структуры и достижение большей
однородности металла, снятие внутренних напряжений.
Для того чтобы получить необходимую твердость после механической
обработки необходимо включить термообработку, она включает в себя:
1. Закалка - нагрев до 830-8500 С и охлаждение в масле. При закалке вала
из стали 40Х с охлаждением в масле возникают меньшие остаточные напряжения, а
следовательно, и меньшая деформация. Структура стали после закалки - мартенсит;
твердость HRС не ниже 56.
. Отпуск - с нагревом до 550-5800С. Для предупреждения отпускной
хрупкости вал после отпуска следует охладить в масле. Структура стали после
отпуска - сорбит, твердость HRС не ниже 63.
Разработка дифференцированного маршрута изготовления детали
Для каждой поверхности назначается типовой план ее обработки, выбираются
экономически целесообразные методы и виды обработки при выполнении каждого
технологического перехода в соответствии с принятым оборудованием.
Назначаются основные этапы обработки основных поверхностей заданной
детали. Определяется необходимость введения отделочного этапа (шлифование,
развертывание, хонингование, притирка, полирование, суперфиниширование и т.д.)
Устанавливается необходимость специального этапа обработки детали (термическая
обработка, покрытие, ультразвуковой контроль, и т.д.).
На этапе черновой обработки необходимо снять дефектный слой с заготовки,
подготовив тем самым комплект промежуточных технологических баз для последующей
обработки детали. Этап включает в себя обработку торцевых поверхностей 1, 8,11
,13 цилиндрических поверхностей 3,6,9,17; фаски 20,21,22,23,24,25,обработку
плоскостей 12,19 и расточку отверстий 7,10,18. Данная операция выполняется на
токарно-револьверном станке, вертикально-фрезерном, вертикально сверлильном с
ЧПУ.
После этапа черновой обработки следуют этапы чистовой обработки детали,
которые включают в себя операции: токарно-револьверную,
вертикально-сверлильную.
Чистовая токарно-револьверная операция включает в себя обработку
цилиндрических поверхностей фасонным резцом 2,3,4,5,6; зенкерования отверстия
14; обработку цилиндрических поверхностей 9,24 .
Заключительным этапом чистовой обработки является вертикально-сверлильная
операция с ЧПУ, на которой получаются отверстия, предварительно обработанные на
предыдущих этапах отверстия 18,7,10, зенкерованием.
На этапе отделочной обработки протягиваем отверстия 7,10,18 на
Вертикально сверлильном станке с ЧПУ, предварительно обработанные.
Затем Шлифуем цилиндрическую поверхность 3 на кругло-шлифовальном станке.
Заключительным этапом отделочной работы является расточка внутренней
цилиндрической поверхности 17 на алмазно-расточном станке.
Рис 1.7. Схема дифференцированного маршрута изготовления детали
"корпус водила нижнего"
Для каждой поверхности назначается типовой план ее обработки, выбираются
экономически целесообразные методы и виды обработки при выполнении каждого
технологического перехода в соответствии с принятым оборудованием.
Окончательный технологический маршрут приведен в таблице 1.4.
Таблица 1.4
Окончательный технологический маршрут
|
Технологическая операция
|
Номера
|
Число рабочих ходов
|
Полная запись содержания элемента технологической операции
|
|
Номер
|
Наименование
|
Установ
|
Позиции (позиции станка)
|
Переходов
|
|
|
|
015
|
Токарно-револьверная
|
А
|
I
|
-
|
-
|
Установить и закрепить заготовку
|
|
|
|
|
1
|
1
|
Подрезать торец 1
|
|
|
|
|
2
|
1
|
Зенкеровать отверстие 14
|
|
|
|
|
3
|
1
|
Точить поверхность 6 начерно
|
|
|
|
|
4
|
1
|
Точить поверхности 2,3,4,5,6 начисто
|
|
|
|
|
5
|
1
|
Точить поверхность 8
|
|
|
|
|
6
|
3
|
Снять фаски 20,21,22
|
|
020
|
Токарно-револьверная
|
А
|
I
|
-
|
-
|
Установить и закрепить заготовку
|
|
|
|
|
1
|
1
|
Подрезать торец 13
|
|
|
|
|
2
|
1
|
Точить поверхность 9 начерно
|
|
|
|
|
3
|
|
Точить поверхность 9 начисто
|
|
|
|
|
4
|
1
|
Расточить поверхность 15
|
|
|
|
|
5
|
1
|
Расточить поверхность17 начерно
|
|
|
|
|
6
|
1
|
Расточить поверхность 17 начисто
|
|
|
|
|
7
|
3
|
Снять фаски 23,24,25
|
|
025
|
Слесарная
|
|
|
|
|
|
|
030
|
Вертикально-фрезерная
|
А
|
I
|
-
|
-
|
Установить и закрепить заготовку
|
|
|
|
|
1
|
1
|
Фрезеровать фигурные пазы 19(1)
|
|
|
|
II
|
2
|
1
|
Фрезеровать фигурные пазы 19(2)
|
|
|
|
III
|
3
|
1
|
Фрезеровать фигурные пазы 19(3)
|
|
035
|
Вертикально-фрезерная
|
А
|
I
|
-
|
-
|
Установить и закрепить заготовку
|
|
|
|
|
1
|
1
|
Фрезеровать поверхность 12(1)
|
|
|
|
II
|
2
|
1
|
Фрезеровать поверхность 12(2)
|
|
|
|
III
|
3
|
1
|
Фрезеровать поверхность 12(3)
|
|
040
|
Вертикально -сверлильная с ЧПУ
|
А
|
I
|
-
|
-
|
Установить и закрепить заготовку
|
|
|
|
|
1
|
3
|
Сверлить 3 сквозных отв. 18
|
|
|
|
II
|
2
|
3
|
Зенкеровать 3 сквозных отв. 18
|
|
|
|
III
|
3
|
3
|
Протянуть 3 сквозных отв. 18
|
|
|
|
IV
|
4
|
3
|
Сверлить 3 сквозных отв. 16
|
|
|
|
V
|
5
|
3
|
Зенкеровать 3 сквозных отв. 16
|
|
|
|
VI
|
6
|
3
|
Развернуть 3 сквозных отв. 16
|
|
|
|
VII
|
7
|
3
|
Сверлить 3 отв. 10 на l=14
|
|
|
|
VIII
|
8
|
3
|
Зенкеровать 3 отв. 10 на l=14
|
|
|
|
XI
|
9
|
3
|
Развернуть 3 отв. 10 на l=14
|
|
|
|
X
|
10
|
3
|
Нарезать резьбу 7
|
|
Технологическая операция
|
Номера
|
Число рабочих ходов
|
Полная запись содержания элемента технологической операции
|
|
Но-мер
|
Наименование
|
Установ
|
Позиции (позиции станка)
|
Переходов
|
|
|
|
045
|
Слесарная
|
|
|
|
|
|
|
050
|
Термическая
|
|
|
|
|
|
|
055
|
Кругло-шлифовальная
|
А
|
I
|
-
|
-
|
Установить и закрепить заготовку
|
|
|
|
|
1
|
n
|
Шлифовать поверхность 3
|
|
060
|
Алмазно-расточная
|
А
|
I
|
-
|
-
|
Установить и закрепить заготовку
|
|
|
|
|
1
|
1
|
Расточить поверхность 17
|
|
065
|
Моечная
|
|
|
|
|
|
|
070
|
Контроль
|
|
|
|
|
|
.7 Уточнение типа производства
Для уточнения типа производства необходимо произвести расчёт коэффициента
закрепления операции (Кзо), [3. с. 20]:
Где:
Такт выпуска рассчитывается по формуле[3, стр. 21]:
где FД - фонд рабочего времени (примем 4015 часов) [3. с. 23]- количество
деталей в партии
при расчете FД учтем потери от нормального фонда 11 %,
Среднее штучное время по расчетам на операциях составляет:

, следовательно тип производства -
крупносерийный, изменений в технологическом процессе не требуется
.8 Проектирование технологических операций
005 Заготовительная.
Таблица 1.5
Нормирование технологических операций
|
№ опер.
|
То , мин
|
Тв , мин
|
Топер , мин
|
Торг , мин
|
Ттех , мин
|
Тотд, мин
|
Тшк , мин
|
|
15
|
3,669
|
2,28
|
5,949
|
0,48
|
0,36
|
0,18
|
6,99
|
|
20
|
1,65
|
1,67
|
3,32
|
0,27
|
0,2
|
0,1
|
3,9
|
|
30
|
7,17
|
0,42
|
7,59
|
0,6
|
0,46
|
0,23
|
8,9
|
|
40
|
0,96
|
2
|
2,96
|
0,24
|
0,18
|
0,09
|
3,49
|
|
55
|
3,375
|
1,51
|
4,885
|
0,39
|
0,29
|
0,15
|
5,73
|
|
60
|
0,74
|
0,4
|
1,14
|
0,09
|
0,07
|
0,03
|
1,35
|
Назначение припусков на обработку
Необходимо определить общий и операционные припуски и размеры на
обработку поверхности диаметром ш60k6 детали "Корпус водила нижнего"
расчетно-аналитическим методом. Заготовкой для детали является штамповка.
Рис. 1.8. Эскиз детали.
Таблица 1.6.
Технологический маршрут изготовления заданной поверхности детали и
технологическая оснастка
|
Технологическая операция
|
Технологический переход
|
Технологическая оснастка
|
|
Номер
|
Наименование
|
Содержание
|
Оборудование
|
Приспособление
|
|
15
|
Токарно-револьверная
|
Черновое точение
|
Токарно-револьверный станок
|
Трехкулачковый самоцентрирующий патрон
|
|
30
|
Токарно-револьверная
|
Чистовое точение
|
Токарно-револьверный станок
|
Трехкулачковый самоцентрирующий патрон
|
|
55
|
Кругло-шлифовальная
|
Шлифование
|
Кругло-шлифовальный 3А110
|
Цанговый патрон
|
Технологический маршрут обработки поверхности ш60к6 :
) Точить начерно поверхность 1;
) Точить начисто поверхность 1;
) Шлифовать поверхность 1;
Схема расположения операционных и общих припусков на размер
Рис. 1.9. Схема расположения операционных и общих припусков.
Таблица 1.7
|
Технологический переход
|
Элементы припуска, мкм
|
Расчетный припуск, 2Zmin, мм
|
Расчетный размер, Dномрасч, мм
|
Принимаемый операционный размер, D, мм
|
Допуск, d, мм
|
Предельные размеры
|
Предельные значения припусков
|
|
|
|
|
|
|
|
|
|
Dmin
|
Dmax
|
2Zmin
|
2Zmax
|
|
Заготовка
|
150
|
250
|
43
|
-
|
1,6
|
62,64
|
62,7
|
1
|
62,2
|
63,2
|
1,6
|
3,6
|
|
Точение черновое
|
50
|
50
|
2,58
|
110
|
1,04
|
61,1
|
0,3
|
61,1
|
61,4
|
1,04
|
2,34
|
|
Точение Чистовое
|
30
|
30
|
0,129
|
100
|
0,4
|
60,374
|
60,4
|
0,074
|
60,4
|
60,474
|
0,4
|
0,774
|
|
Шлифование
|
10
|
20
|
0,005
|
90
|
0,3
|
60,021
|
60,021
|
0,019
|
60,002
|
60,021
|
0,3
|
0,393
|
Рис. 1.10. Схема пространственных отклонений.
Определение остаточных пространственных отклонений ρост для последующих переходов:
ƍзаг·ky
где ky- коэффициент уточнения формы
Принимаем:
для чернового точения;
для чистового точения;
для шлифования.
Где
мм[4, стр.73];
= 43мм
Следовательно:
ƍток.черн.=0,06∙43=2,58 мкм
ƍток.чист.=0,05∙2,58=0,129 мкм
ƍшлиф.=0,04∙0,129=0,005 мкм
Определение погрешности
где
мкм погрешность закрепления;
мкм
мкм
для чернового точения:
Zmin=
2(0,15+0,25+
=1,04мм
для чистового точения:
Zmin=
0,05+0,05+
)=0,4 мм
для шлифования поверхности:
Zmin=
0,03+0,03+
)=0,3 мм
Определение расчетного размера заготовки на предыдущем технологическом
переходе
60,021+0,074+0,3=60,395мм
60,4+0,3+0,4=61,1мм
61,1+0,5+1,04 =62,64мм
Определение
и
Определение общего максимального и минимального припусков
1,6+1,04+0,4+0,3+0,019+0,5=3,904мм
1,6+1,04+0,4+0,3-0,5=2,84мм
Операционные размеры:
Заготовка 62,7±0,5
Токарная черновая
Токарная чистовая
Шлифование
Термическая.
Заготовку подвергают термической обработке - отжигу, для обеспечения
равномерной структуры металла и снятия внутренних напряжений.
Токарно-револьверная.
На данной операции необходимо лишить заготовку пяти степеней свободы.
Установочной технологической базой является самая развитая часть заготовки -
торец. Данная база лишает заготовку трех степеней свободы и совпадает с
конструкторской базой, что благоприятно влияет на точность механической
обработки. Трехкулачковый патрон лишает двух степеней свободы в радиальном
направлении.
Для выполнения данной операции был выбран токарно-револьверный станок
1Г325. Данный станок полностью удовлетворяет нас габаритами, ценой и его
мощности хватит для обработки данной детали.
Для выполнения операции необходимо использовать 6 резцов с материалом
режущей части Т15К6, фасонный резец Р18 и зенкер Р6М5 . Прямой проходной резец
используется для подрезки торцов, для обработки цилиндрических поверхностей.
Зенкер для обработки отверстия. Отогнутый проходной резец для снятия фасок.
Расточной резец используется для снятия фаски в отверстии. Твердый сплав Т15К6
режущей части резцов выбран исходя из того, что он обладает приемлемой
стойкостью. Контроль размеров осуществляется штангенциркулем, для
цилиндрических поверхностей , и калибром-пробкой для отверстия.
Согласно операционной карте, операция включает в себя 10 переходов.
Режимы резания выбраны из условий жесткости технологической системы, а именно:
глубина резания обеспечивает съем большей части припуска, подача выбрана
максимально возможная, ограниченная мощностью станка и параметром шероховатости
на обрабатываемые поверхности.
Основное времяτо рассчитано с учетом перебега и длины обрабатываемого
участка детали.
Суммарное основное время данной операции - τо=3,669 мин.
Вспомогательное время - τв=2,28 мин.
Штучное время - τшт=6,99 мин.
Токарно-револьверная.
На данной операции необходимо лишить заготовку пяти степеней свободы.
Установочной технологической базой является торец. Трехкулачковый патрон лишает
двух степеней свободы в радиальном направлении.
Для выполнения данной операции был выбран токарно-револьверный станок
1Г325. Данный станок полностью удовлетворяет нас габаритами, ценой и его мощности
хватит для обработки данной детали.
Для выполнения операции необходимо использовать 8 резцов с материалом
режущей части Т15К6 для черновых поверхностей и Т5К10 для чистовых. Прямой
проходной резец используется для подрезки свободного торца, для обработки
цилиндрических поверхностей на чистовую и черновую обработки. Отогнутый
проходной резец для снятия фасок. Расточные резцы используется для расточки как
черновых так и чистовой поверхности. Твердый сплав Т15К6 режущей части резцов
выбран исходя из того, что он обладает приемлемой стойкостью. Контроль размеров
осуществляется штангенциркулем и калибр-скобой.
Согласно операционной карте, операция включает в себя 10 переходов.
Режимы резания выбраны из условий жесткости технологической системы, а именно: глубина
резания обеспечивает съем большей части припуска, подача выбрана максимально
возможная, ограниченная мощностью станка и параметром шероховатости на
обрабатываемые поверхности.
Основное времяτо рассчитано с учетом перебега и длины обрабатываемого
участка детали.
Суммарное основное время данной операции - τо=1,65 мин.
Вспомогательное время - τв=1,67 мин.
Штучное время - τшт=3,9 мин.
Расчет размерной цепи
На операции 20 будем использовать схему базирования по торцу и
внутреннему диаметру.
В качестве установочной базы примем торец детали; ось отверстия будет
служить направляющей базой, лишающей заготовку еще двух степеней свободы.
Рис. 1.11. Схема базирования и закрепления заготовки
Из-за несовпадения конструкторской и технологической баз возникает
погрешность базирования. В этом случае погрешность базирования неизбежна,
необходимо построить размерную цепь.
Основными соотношениями, используемыми при расчете технологических
размерных цепей методом на максимум и минимум, являются [8]:
где nи p - соответственно числа увеличивающих и уменьшающих звеньев
размерной цепи, m- полное число звеньев.
Рис. 1.12. Размерная цепь
В операции 20 возникает погрешность базирования, вызванная несовпадением
конструкторской и технологической баз. Проведем проверку, определим допуск на
наладочный размерАН:
Допуск получился отрицательным, значит необходимо произвести перерасчет
допусков составляющих звеньев. Замыкающим звеном размерной цепи является
конструкторский размер, определим допуски и предельные отклонения составляющих
звеньев размерной цепи по способу равных квалитетов точности из следующего
соотношения:
где a- коэффициент, определяющий точность, с которой следует получать все
составляющие звенья размерной цепи;
единица допуска, характеризующая ту
часть допуска, которая изменяется с изменением размера.
полученное значение числа единиц допуска находится между квалитетами
точности IT6, IT7.
Выполним размер А2 по 7 квалитету точности (39-0,025), а допуск на
наладочный размер определим из формулы:
Искомый размер АН является уменьшающим, для определения отклонений
воспользуемся равенствами (1.15).
Окончательные данные: необходимо ужесточить размер 39h12до 39h7, а
наладочный размер для операции 20 принимается со следующими отклонениями АН =
мм.
Слесарная.
Снятие получившихся после обработки приливов.
Вертикально-фрезерная.
Необходимо лишить заготовку 6ти степени свободы. Установочной базой
является торец. Цанговый патрон лишает двух степеней свободы в радиальном
направлении. Подводимая опора лишает вращения относительно оси.
Фрезерование пазов выполняется на вертикально фрезерном станке модели
6Н81Г. Инструмент для фрезерования - концевая фреза ш28. Материал фрезы -
быстрорежущая сталь Р6М5. Контроль полученных размеров осуществляется
калибр-скобой и штангенциркулем.
Суммарное основное время данной операции - τо=7,17 мин.
Вспомогательное время - τв=0,42 мин.
Штучное время - τшт=8,9 мин.
Пример расчета режимов резания для операции 30
) Инструмент: Фреза концевая(цельная) материал Р6М5;
) Глубина резания при фрезеровании t = 1,4 мм; [15, стр. 282].
) Подачу для фрезерования выбираем по таблице 35 [15].= 0,16 мм/об
) Период стойкости фрезы выбираем по таблице 40 [15]. T=90мин.
) Скорость резания определяем по формуле [15]:
где D = 28 мм - диаметр фрезы, B=22мм - ширина обработки,=3 - число
зубьев фрезы.
Коэффициенты Сv, q, x, y, u, p, m выбираются из таблицы 39 [15] .
Сv = 46,7; q = 0,45; x=0,5; y = 0,5; u=0,1; p=0,1; m = 0,33.
где
- коэффициент, учитывающий влияние физико-механических
свойств обрабатываемого материала на скорость резания; таблица 1 [6]
= 1 - коэффициент, учитывающий влияние инструментального
материала на скорость резания; таблица 6[15]
коэффициент, учитывающий влияния состояния поверхности
заготовки на скорость резания; таблица 5 [15]
6) Определим частоту вращения шпинделя станка: [15]
Выбираем частоту вращения меньшую по паспорту станка= 600об/мин.
) Пересчитаем скорость резания: [15]
) Оперделим минутную подачу: [6]
=0,16
) Определим силы резания: [15]
Коэффициенты Сp, x, y, u, q, w выбираются из таблицы 41 [15] .
Сp = 68,2; x=0,86; y = 0,72; u=1,0; q=0,86; w = 0.
=1
10) Проверка по мощности станка
Мощность резания определяется по формуле [15]:
Мощность двигателя станка 6Н81Г 4 кВт,
исходя из этого:
,
следовательно, станок обеспечивает необходимую мощность резания.
) Рассчитаем основное время
: [3]
длина обрабатываемой поверхности,
длина врезания фрезы;
длина перебега фрезы,
скорость движения подачи
число рабочих ходов
;
мм; ,
мм/мин;
Штучно-калькуляционное время в серийном производстве определяется по
формуле:
Тшк = То + Тв + Торг + Ттех + Тотд + Тпз / n
Основное время для переходов было определено ранее в пункте 11.
Определим составляющие штучного времени:
Основное время: То = 7,17 мин.
Вспомогательное время:
Тв = tуст + tпер + tиз
где tуст - время на установку и снятие детали; tупр - время на управление
станком, связанное с переходом; tиз - время на контрольное измерение.
Определим по таблицам [5] составляющие вспомогательного времени:
мин
Тв = 0,13 0,06 + 0,23 =0,42 (мин)
Оперативное время:
Топер = То + Тв = 7,17+0,42 = 7,59 (мин)
Время организационного обслуживания:
Торг = 0,08 Топер = 0,6 мин
Время технического обслуживания:
Ттех = 0,06 Топер = 0,46 мин
Время отдыха:
Тотд = 0,03 Топер = 0,23 мин
Подготовительно - заключительное время, затраченное на партию
изготовленных изделий [13]:
Для фрезерных операций Тпз = 12 мин.
Штучно-калькуляционное время:
Тшк = 7,17 + 0,42 + 0,6 + 0,46 + 0,23 + 12/642 = 8,9 (мин)
Вертикально-фрезерная.
Необходимо лишить заготовку 6ти степени свободы. Установочной базой
является торец. Цанговый патрон лишает двух степеней свободы в радиальном
направлении. Подводимая опора лишает вращения относительно оси.
Фрезерование пазов выполняется на вертикально фрезерном станке модели
6Н80Г. Инструмент для фрезерования - концевая фреза ш28. Материал фрезы -
быстрорежущая сталь Р6М5. Контроль полученных размеров осуществляется
калибр-скобой и штангенциркулем.
Вертикально-сверлильная с ЧПУ.
На данной операции необходимо лишить заготовку шести степеней свободы.
Установочной технологической базой является торец. Цанговый патрон лишает двух
степеней свободы в радиальном направлении. Подводимая опора лишает вращения
относительно оси.
Для выполнения данной операции был выбран вертикально-сверлильный станок
с ЧПУ марки CDMP2012.
Для выполнения операции необходимо использовать 3сверла ш10, ш12, ш15 , 3
зенкера ш10, ш12, ш15, 3разверктки ш10, ш12, ш15 и метчик ш10.Сверла
используются для получения отверстий. Зенкеры для чистовой обработки
получившихся отверстий. Развертки для отделочной работы, чтобы получить
требуемый квалитет. Метчик для нарезания резьбы. Контроль размеров
осуществляется калибр-пробками, калибр-пробками для метрической резьбы и
глубиномером.
Согласно операционной карте, операция включает в себя 12 переходов.
Режимы резания выбраны из условий жесткости технологической системы.
Основное времяτо рассчитано с учетом перебега и длины обрабатываемого
участка детали.
Суммарное основное время данной операции - τо=0,95 мин.
Вспомогательное время - τв=2 мин.
Штучное время - τшт=3,49 мин.
Слесарная
Снятие получившихся приливов.
Термическая.
Заготовку подвергают термической обработке - Закалка + низкий отпуск, для
получения заданной твердости.
Круглошлифовальная.
На данной операции необходимо лишить заготовку пяти степеней свободы.
Цанговый патрон лишает четырех степеней свободы в радиальном направлении. Торец
лишает одну степень свободы.
Операция выполняется на кругло-шлифовальном станке модели 3А110
Используем шлифовальный круг 25А50НС1Б для обработки цилиндрической
поверхность с высокой точностью.
Суммарное основное время данной операции - τо=3,375мин.
Вспомогательное время - τв=1,51 мин.
Штучное время - τшт=5,73мин.
Алмазно-расточная.
На данной операции необходимо лишить заготовку пяти степеней свободы.
Цанговый патрон лишает четырех степеней свободы в радиальном направлении. Торец
лишает одну степень свободы.
Операция выполняется на алмазно-расточном станке модели 2705В с
использованием специального приспособления, обеспечивающего базирование детали
и расположение обрабатываемых отверстий на заданном межосевом расстоянии.
Для получения точной поверхности используем алмазный расточной резец, т.к. после термообработки твердость заготовки будет повышенная.
Суммарное основное время данной операции - τо=0,74 мин.
Вспомогательное время - τв=0,4 мин.
Штучное время - τшт=1,35 мин.
Моечная.
Промыть деталь.
Контрольная.
Производят измерение размеров и геометрических параметров полученной
детали.
2. Проектирование
приспособления для детали "корпус водила нижнего"
.1 Техническое задание на проектирование
приспособления
Спроектировать станочное приспособление изготовления детали "корпус
водила нижнего" на вертикально-фрезерной операции в условиях
крупносерийного производства. Приспособление должно быть снабжено
механизированным приводом для закрепления заготовки.
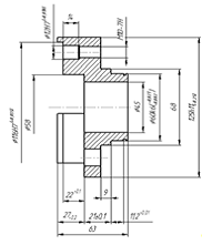
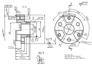
Рис. 2.1.Чертеж детали
Количество деталей в партии - 25000 шт.
Тип производства - крупносерийное.
Материал детали - Сталь 40Х.
Масса детали - 1,97
кг.
Чертеж детали (приложение 1.4).
.2 Маршрутный
технологический процесс
Данная деталь относится к классу фланец, т.е. деталь, круглой формы с
равномерно расположенными отверстиями для болтов и шпилек, где L/D<2. Для
обеспечения требуемой твердости необходима закалка с низким отпуском, а также
необходимо химическое оксидирование поверхности.
Для составления маршрута технологического процесса, воспользуемся типовым
технологическим процессом изготовления деталей, относящихся к классу деталей
типа фланец. [17]
Типовой маршрут изготовления фланца.
Рассмотрим основные операции механической обработки для изготовления
фланца с типовыми конструктивными элементами и требованиями к ним. Материал -
сталь 40Х.
Заготовительная
Литьё, ковка, штамповка.
Термическая.
Отжиг.
Токарно-револьверная.
Базирование по наружной поверхности к торцу в патроне - подрезка
свободного торца, зенкерование отверстия , точение наружных поверхностей (с
припуском под шлифование), растачивание канавок и фасок.
Токарно-револьверная.
Базирование по отверстию и торцу в цанговом патроне - подрезка второго
торца, точение наружных поверхностей, растачивание внутренних поверхностей,
точение фасок.
Слесарная.
Снятие получившихся приливов.
Вертикально-фрезерная.
Фрезерование фигурных пазов. Базирование по отверстию и торцу в цанговом
патроне
Вертикально-фрезерная.
Фрезерование плоскостей. Базирование по отверстию и торцу в цанговом
патроне
Вертикально-сверлильная с ЧПУ.
Сверление, зенкерование, развертывание отверстий, нарезка резьбы.
Базирование по отверстию и торцу в цанговом патроне
Слесарная
Термическая.
Закалка, низкий отпуск, для получения заданной твердости.
Круглошлифовальная.
Шлифование наружной поверхности после токарной обработки.
Алмазно-расточная.
Тонкое растачивание поверхности.
Моечная.
Контрольная.
Выбор технологических баз.
За черновую базу на первой операции целесообразно выбрать самую развитую
поверхность детали, а именно наружную поверхность. Выбор данной черновой
технологической базы позволяет за один установ подготовить наибольшее
количество промежуточных баз для последующей обработки. Выбор данной черновой
базы также обусловлен тем, что она совпадает с конструкторской базой и связана
размером с необрабатываемой поверхностью. Первая операция по обработке данной
детали будет производиться на токарно-револьверном станке.
Закрепление заготовки будет производиться в трехкулачковом патроне, за
наружную поверхность.
Чистовыми технологическими базами на последующих операциях будут служить
подготовленные на черновой операции поверхности и основное отверстие.
Проектирование окончательного технологического маршрута.
Определяющим фактором при разработке маршрутного технологического
процесса является тип и организационная форма производства. С учетом типа
детали и вида обрабатываемых поверхностей устанавливается рациональная группа
станков для обработки основных поверхностей детали.
Для каждой поверхности назначается типовой план ее обработки, выбираются
экономически целесообразные методы и виды обработки при выполнении каждого
технологического перехода в соответствии с принятым оборудованием.
Назначаются основные этапы обработки основных поверхностей заданной
детали. Определяется необходимость введения отделочного этапа (хонингование,
притирка, полирование, суперфиниширование и т.д.) Устанавливается необходимость
специального этапа обработки детали (термическая обработка, покрытие,
ультразвуковой контроль, и т.д.).
Окончательный технологический маршрут приведен в таблице 2.1.
Рис. 2.2.Обрабатываемые поверхности.
Таблица 2.1.
Технологическая карта
|
Технологическая операция
|
Номера
|
Число рабочих ходов
|
Полная запись содержания элемента технологической операции
|
|
Номер
|
Наименование
|
Установ
|
Позиции (позиции станка)
|
Переходов
|
|
|
|
015
|
Токарно-револьверная
|
А
|
I
|
-
|
-
|
Установить и закрепить заготовку
|
|
|
|
|
1
|
1
|
Подрезать торец 1
|
|
|
|
|
2
|
1
|
Зенкеровать отверстие 14
|
|
|
|
|
3
|
1
|
Точить поверхность 6 начерно
|
|
|
|
|
4
|
1
|
Точить поверхности 2,3,4,5,6 начисто
|
|
|
|
|
5
|
1
|
Точить поверхность 8
|
|
|
|
|
6
|
3
|
Снять фаски 20,21,22
|
|
020
|
Токарно-револьверная
|
А
|
I
|
-
|
-
|
Установить и закрепить заготовку
|
|
|
|
|
1
|
1
|
Подрезать торец 13
|
|
|
|
|
2
|
1
|
Точить поверхность 9 начерно
|
|
|
|
|
3
|
|
|
|
|
4
|
1
|
Расточить поверхность 15
|
|
|
|
|
5
|
1
|
Расточить поверхность17 начерно
|
|
|
|
|
6
|
1
|
Расточить поверхность 17 начисто
|
|
|
|
|
7
|
3
|
Снять фаски 23,24,25
|
|
Технологическая операция
|
Номера
|
Число рабочих ходов
|
Полная запись содержания элемента технологической операции
|
|
Номер
|
Наименование
|
Установ
|
Позиции (позиции станка)
|
Переходов
|
|
|
|
025
|
Слесарная
|
|
|
|
|
|
|
030
|
Вертикально-фрезерная
|
А
|
I
|
-
|
-
|
Установить и закрепить заготовку
|
|
|
|
|
1
|
1
|
Фрезеровать фигурные пазы 19(1)
|
|
|
|
II
|
2
|
1
|
Фрезеровать фигурные пазы 19(2)
|
|
|
|
III
|
3
|
1
|
Фрезеровать фигурные пазы 19(3)
|
|
035
|
Вертикально-фрезерная
|
А
|
I
|
-
|
-
|
Установить и закрепить заготовку
|
|
|
|
|
1
|
1
|
Фрезеровать поверхность 12(1)
|
|
|
|
II
|
2
|
1
|
Фрезеровать поверхность 12(2)
|
|
|
|
III
|
3
|
1
|
Фрезеровать поверхность 12(3)
|
|
040
|
Вертикально -сверлильная с ЧПУ
|
А
|
I
|
-
|
-
|
Установить и закрепить заготовку
|
|
|
|
|
1
|
3
|
Сверлить 3 сквозных отв. 18
|
|
|
|
II
|
2
|
3
|
Зенкеровать 3 сквозных отв. 18
|
|
|
|
III
|
3
|
3
|
Протянуть 3 сквозных отв. 18
|
|
|
|
IV
|
4
|
3
|
Сверлить 3 сквозных отв. 16
|
|
|
|
V
|
5
|
3
|
Зенкеровать 3 сквозных отв. 16
|
|
|
|
VI
|
6
|
3
|
Развернуть 3 сквозных отв. 16
|
|
|
|
VII
|
7
|
3
|
Сверлить 3 отв. 10 на l=14
|
|
|
|
VIII
|
8
|
3
|
Зенкеровать 3 отв. 10 на l=14
|
|
|
|
XI
|
9
|
3
|
Развернуть 3 отв. 10 на l=14
|
|
|
|
X
|
10
|
3
|
Нарезать резьбу 7
|
|
045
|
Слесарная
|
|
|
|
|
|
|
050
|
Термическая
|
|
|
|
|
|
|
055
|
Кругло-шлифовальная
|
А
|
I
|
-
|
-
|
Установить и закрепить заготовку
|
|
|
|
|
1
|
n
|
Шлифовать поверхность 3
|
|
060
|
Алмазно-расточная
|
А
|
I
|
-
|
-
|
Установить и закрепить заготовку
|
|
|
|
|
1
|
1
|
Расточить поверхность 17
|
|
065
|
Моечная
|
|
|
|
|
|
|
070
|
Контроль
|
|
|
|
|
|
Рис 2.3. Схема дифференцированного маршрута изготовления детали
"Корпус водила нижнего"
.3 Разработка
заданной технологической операции с назначением режима резания и расчётом
действующих сил процесса
Расчет режимов резания.
Пример расчета режимов резания для операции 30
Инструмент: Фреза концевая (цельная)
материал Р6М5;
Глубина резания при фрезеровании t = 1,4 мм; [15, стр.282].
Подачу для фрезерования выбираем по таблице 35 [15].= 0,16 мм/об
Период стойкости фрезы выбираем по таблице 40 [15]. T=90мин.
Скорость резания определяем по формуле [15]:
где D = 28 мм - диаметр фрезы, B=22мм - ширина фрезерования,=3 - число
зубьев фрезы.
Коэффициенты Сv, q, x, y, u, p, m выбираются из таблицы 39 [15].
Сv = 46,7; q = 0,45; x=0,5; y = 0,5; u=0,1; p=0,1; m = 0,33.
где
- коэффициент, учитывающий влияние физико-механических
свойств обрабатываемого материала на скорость резания; таблица 1 [6]
= 1 - коэффициент, учитывающий влияние инструментального материала
на скорость резания; таблица 6[15]
коэффициент, учитывающий влияния состояния поверхности
заготовки на скорость резания; таблица 5[15]
Определим частоту вращения шпинделя станка: [15]
Выбираем частоту вращения меньшую по паспорту станка= 600 об/мин.
Пересчитаем скорость резания: [15]
Оперделим минутную подачу: [15]
=0,16
Определим силы резания: [15]
Коэффициенты Сp, x, y, u, q, w выбираются из таблицы 41 [15] .
Сp = 68,2; x=0,86; y = 0,72; u=1,0; q=0,86; w = 0.
=1
Проверка по мощности станка
Мощность резания определяется по формуле [15]:
Мощность двигателя станка 6Н81Г 4 кВт, исходя из этого:
, следовательно,
станок обеспечивает необходимую мощность резания.
2.4 Разработка
схем базирования и закрепления заготовки. Расчёт погрешности базирования
Анализ требований точности.
По чертежу необходимо фрезеровать фигурные пазы (рис. 2.4).
Рис. 2.4. Операционный эскиз
Предъявляются следующие требования точности:
точность размеров не превышает 11 квалитета.
шероховатость поверхности - шероховатость поверхности задана по чертежу
Ra3,2.
Выбор технологической базы.
На данной операции будем использовать схему базирования по плоскости и
отверстию.
В качестве установочной базы примем торец детали, она лишает трех
степеней свободы. Направляющей базой будет являться отверстие, т.е цанга лишает
2х степеней свободы. Опорной базой, лишающей шестой степени свободы, является
подводимый упор.
Конструкторская и технологическая базы совпадают, поэтому погрешность
базирования не будет.
Рис. 2.5. Выполняемые размеры
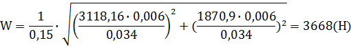
Расчёт усилия закрепления
Закрепление будет производиться энергией сжатого воздуха преобразуемой в
механическую энергию, с помощью пневмодвигателя - пневмокамеры и мембраны.
Необходимое усилие закрепления находим из сил резания, возникающих на
данной операции. Составим для этого силовую схему приспособления.
Из схемы видно, что основная сила резания Pz действует поперёк оси детали
и следовательно её основная составляющая гасится самой конструкцией
приспособления. Однако момент силы Pz относительно оси детали пытается как бы провернуть
заготовку, уравновесим её силой трения в паре цанга-деталь.
Рис. 2.6. Силы действующие на заготовку.
Запишем уравнение статики относительно оси z:
где
Запишем уравнение статики относительно оси x:
где
Сформулируем усилие закрепления для этого геометрически суммируем
и
.
где
коэфицент трения.
Из расчета известна Pz = 3118,16(H); Py = 1870,9 (Н)
Коэффициент трения принимаем по справочнику f = 0,15 как сталь по стали
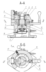
шлифованная и нешлифованной.
.5 Элементы
конструкции и расчет пневмодвигателя
Определим силу Q, развиваемую на двигателе для обеспечения силы
закрепления W [14].
Так, как цанговый патрон представляет собой клиновый механизма, то
следовательно к нему применима расчетная формула:
Выведем отсюда необходимую нам силу закрепления Q:
Из расчета известна W =3668 (H)
Угол трения в паре цанга-корпус
Угол наклона клина (в цанге)
Коэффициент запаса принимаем как на чистовой операции K = 1,5
Итого необходимая сила закрепления составляет:
Усилие пневмокамеры определяется по формуле:
Рис. 2.7. Схема плоской резинотканевой мембраны.
Отсюда найдем диаметр диска
пневмокамеры:=диаметр диска, d=0,7D- давление сжатого воздуха принимаем равным
p = 0,4 МПа
Усилие возвратной пружины
возьмем 15% от Q:
P=
Примем ближайший диаметр по ГОСТ, следовательно
,
d=0,7D=0,7
Выбираем из таблицы IV.39(1) коэффициенты=9;
; S=1,4;
c=0,4;
.6 Расчет
пружины
По классификации пружин (ГОСТ 13764-86) выбираем пружину винтовую
цилиндрическую сжатия из стали круглого сечения. Из классификации следует что
для данных режимов работы подходят пружины II класса. Необходимое усилие лежит
в пределах 236 - 10000 Н.
Окончательно выбор ведем по ГОСТ 13772-86: Пружины винтовые
цилиндрические сжатия и растяжения II класса, разряда 4 из стали круглого
сечения.
Рис. 2.8. График зависимости между нагрузкой и ходом пружины сжатия
(
- начальная (предварительная
нагрузка); конечная (рабочая) нагрузка; предельная нагрузка;
- осадка пружины при начальной,
конечной и предельной нагрузках;
- длина пружины в свободной
состоянии и после приложения начальной, конечной и предельной нагрузок;
Зная усилие на штоке, начальную нагрузку принимают в пределах 5-15% от
известного усилия.
По классификации пружин (ГОСТ 13764-86) выбираем пружину винтовую
цилиндрическую сжатия из стали круглого сечения. Из классификации следует, что
для данных режимов работы подходят пружины II класса. Необходимое усилие лежит
в пределах 1,5 - 1400 Н.
Окончательно выбор ведем по ГОСТ 13770-86: Пружины винтовые
цилиндрические сжатия и растяжения II класса, разряда 1 из стали круглого
сечения.
Выберем ближайшую к силе
пружину сжатия:
.
Из полученного результата расчета выбираем пружину №378 ГОСТ 13770-86 с
параметрами:
Сила пружины при максимальной деформации:
; наружный диаметр пружины: D=45 мм;
диаметр проволоки: d=4 мм; жесткость одного витка: c1=15,68 Н/мм; наибольший
прогиб одного витка: s3=13,52 мм.
Толщина мембраны t выбирается в зависимости от ее диаметра D по таблице
IV.16. [2]. t = 3 мм.
.7 Прочностной
расчет
Наиболее нагруженным является резьбовое соединение на штоке
Расчет резьбы на срез витков.
Условие прочности на срез:
где
- допускаемые касательные напряжения,
Касательные напряжения определяются по формуле:
где
- нагрузка;
- внешний диаметр резьбы; Н - глубина завинчивания; К≈0,87
- коэффициент полноты резьбы; Кm≈0,6 - коэффициент неравномерности нагрузки
по виткам резьбы.
Коэффициент запаса:
Прочность обеспечена.
Расчет резьбы на смятие витков.
Условие прочности на смятие:
где
- допускаемые нормальные напряжения,
Напряжения смятия определяются по формуле:

где
- внутренний диаметр резьбы; z - количество работающих
витков; p - шаг резьбы.
Коэффициент запаса:
Прочность обеспечена.
.8 Расчет
трубопроводов
Для определения необходимого сечения воздухопроводных труб воспользуемся
формулой.
где D - диаметр полости двигателя; d - диаметр воздухопровода круглого
сечения; L - длина хода поршня; V - скорость протекания воздуха в
воздухопроводе (V = 17…25 м/с); t - время срабатывания пневмодвигателя (примем 1 с), тогда
Диаметр воздухопровода выбираем равный 5,5 мм. Радиус изгиба
металлических трубопроводов должен быть больше 3d, то есть больше 16,5 мм,
примем радиус 25 мм.
2.9 Паспорт
приспособления
Описание работы приспособления.
Принцип работы и конструкция приспособления показаны на рисунке8.
Сжатый воздух из сети через штуцер 16 подается в пневмоцилиндр корпуса 1
и действует на мембрану 2. Развиваемая в результате этого сила передается через
диск и шарикоподшипник 4 на три штыря 5, которые поднимают стакан 6, помещенный
в крышку корпуса 9. Поднимаясь, стакан конусным отверстием сжимает конус цанги
7; обрабатываемая деталь при этом закрепляется. При отключении подачи воздуха
пружина 10 возвращает стакан 6 и остальные детали с мембраной в исходное
положение.
Для перехода на следующую позицию цангу вместе с обрабатываемой деталью
поворачивают рукояткой 13. При движении рукоятки по часовой стрелке
эксцентриковый диск 12 выталкивает фиксатор 17 из паза делительного диска 15, а
собачка 14 под действием пружины 18 попадает в очередной его паз. При обратном
движении рукоятки собачка поворачивает делительный диск с диском 11 и
укрепленной на нем цангой обрабатываемой деталью до тех пор, пока фиксатор 17
не попадет в следующее гнездо делительного диска и тем самым не зафиксирует
поворот детали на 120
. Кольцо 8 предохраняет прорези цанги от попадания стружки.
Рис. 2.9. Конструкция приспособления
.10 Принципиальная
схема пневмопривода
Рис. 2.10. Схема работы пневмосистемы
- вентиль, 2 - фильтр-влагоотделитель, 3 - регулятор давления, 4 - манометр, 5 - реле давления,
6 - распределительный кран, 7 - дроссель, 8 - пневмокамера
3. Проектирование металлорежущих инструментов
.1 Проектирование
фасонного резца
Исходные данные
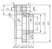
Эскиз детали:
Рис. 3.1 Эскиз детали.
Материал детали: бронза;
Направление вращения: правое;
Суппорт: передний;
Тип резца: дисковый.
Расчёт параметров резца
Выбор величины заднего угла a.
Для дисковых резцов a принимают в пределах 10…12° [10, с. 3].
Принимаем a=12°.
Выбор переднего угла g.
В зависимости от обрабатываемого материала детали (латунь), выбираем
передний угол g =3° [10, с. 4].
Расчет наибольшей глубины профиля детали
.
Наибольшая глубина профиля детали вычисляется по формуле:
, (3.1)
где
- наибольший диаметр детали, мм;
- наименьший диаметр детали, мм.
По формуле (5) получаем:
Узловые точки профиля детали.
Устанавливаем узловые точки профиля.
Под узловой точкой понимают все точки профиля одного радиуса (диаметра),
в которых пересекаются линии разного типа или одного типа, но с разными параметрами.
Рис. 3.2 Узловые точки.
Узловую точку с наименьшим радиусом, равным
принимаем за базовую точку.
Вычислим радиусы всех узловых точек:
Выбор габаритных и присоединительных размеров резца.
В зависимости от глубины профиля tmax выбираем габаритные и
присоединительные размеры резца [10, с.7]:
Расчет установочных и эксплуатационных параметров.
Для призматических резцов - смещение оси резца относительно линии резцов
станка
, смещение передней грани (или
плоскости заточки) от оси резца
[10, с. 6]:
(3.2)
Получаем:
Расчет глубины профиля резца от базовой линии.
Рассчитаем для всех узловых точек глубину профиля резца от базовой линии
[10, с. 6]:
· в плоскости передней грани по формуле:
, (3.3)
где
. (3.4)
· в профильной плоскости (нормальной к задней поверхности):
(3.5)
По формулам (3.3), (3.4), (3.5) получаем:

Таблица 3.1.
Сводная таблица
полученных результатов
|
№ узловой точки i
|
ri
|
hi=ri-rб
|
hpi
|
hxi
|
|
1
|
34
|
5,5
|
5,505
|
5,266
|
|
2
|
34
|
5,5
|
5,505
|
5,266
|
|
3
|
30
|
1,5
|
1,502
|
1,448
|
|
4
|
30
|
1,5
|
1,502
|
1,448
|
|
5
|
28,5
|
0
|
0
|
0
|
|
6
|
28,5
|
0
|
0
|
0
|
|
7
|
30
|
1,5
|
1,502
|
1,448
|
|
8
|
30
|
15
|
1,502
|
1,448
|
Эскиз взаимного расположения резца и детали.
Для установления взаимосвязи между расположением фасонного резца на станке
и узлами станка выполним эскиз в двух проекциях (вид сверху, вид сбоку со
стороны передней бабки) взаимного расположения резца и детали.
Рис. 3.3 Эскиз взаимного расположения резца и детали.
Выбор материала для изготовления резца и корпуса резца.
Выберем материал для изготовления фасонного резца по рекомендациям [10]:
быстрорежущая сталь Р18.
Основные физико-механические свойства стали Р18:
Плотность ρ=8,75 г/см3;
Твердость после отжига 255 HB;
после закалки и отпуска HRСэ 63;
Предел прочности при изгибе σи=3000 МПа;
Ударная вязкость ан=2,0·105 Дж/м2;
Температура закалки 1270°С;
отпуска 560°С;
Теплостойкость 620°С.
3.2 Проектирование комплекта метчиков
Исходные данные.
Метчик
.
Количество: 2 шт.
Обрабатываемый материал: сталь 40Х.
Для проектирования метчика данные представим в виде:
номинальный наружный диаметр резьбы в гайке: D=10 мм;
шаг резьбы: P=0,75 мм;
степень точности резьбы: 7H;
число метчиков в комплекте: m=2;
обрабатываемый материал: сталь40Х.
Расчет комплекта метчиков.
Рис. 3.4.Поле допуска гайки и метчика.
Определение номинального внутреннего и среднего диаметра резьбы.
Номинальный внутренний диаметр резьбы, мм, (рис. 3.4):
(3.6)
Средний диаметр резьбы, мм:
(3.7)
Вычисления производим с точностью до 0,001мм.
Получаем по формулам (3.6), (3.7):
;
.
Принимаем номинальные наружный, внутренний и средний диаметры резьбы
метчика равными соответственно:
.
Выбор верхних и нижних предельных отклонений номинальных наружного,
внутреннего и среднего диаметров от номинального профиля.
Согласно ГОСТ 16093-81 верхние ES и нижние EI отклонения диаметров:
Допуск на диаметр D не устанавливается.
Расчет предельных размеров в гайке.
Рассчитаем предельные размеры резьбы в гайке:
(3.8)
(3.9)
(3.10)
(3.11)
(3.12)
По формулам (3.8)-(3.12) получаем:
.
.
.
.
.
Определение класса точности метчика.
Определяем класс точности метчика в зависимости от полей допусков
нарезаемой резьбы по рекомендациям [10, стр. 29].
Для поля допуска 7H класс точности метчика - 3.
Выбор нижних и верхних предельных отклонений наружного и среднего
диаметров резьбы чистового метчика, допуск на половину угла профиля a/2 и предельные отклонения шага
резьбы ТР/2.
Выбор нижних и верхних предельных отклонений наружного и среднего
диаметров резьбы чистового метчика, допуск на половину угла профиля a/2 и предельные отклонения шага
резьбы ТР/2 осуществляем по ГОСТ 16925-93.
Расчет предельных размеров наружного и среднего диаметров резьбы всех
метчиков в комплекте, расчет длины режущей части.
Для комплекта из трех метчиков рассчитаем предельные размеры наружного и
среднего диаметров резьбы (для чернового, среднего и чистового метчика), а так
же длину режущей части lp [10, с.29].
Для чистового метчика:
- Наружный диаметр dN резьбы метчика:
. (3.13)
Получаем:
. (3.14)
Получаем по формуле (9):
.
- Средний диаметр d2N резьбы метчика:
.(3.15)
Получаем:
.
(3.16)
Получаем:
.
- Длина режущей части:
(3.17)
Получаем:
.
Для чернового метчика:
- Наружный диаметр dN резьбы метчика:
(3.18)
Получаем:
.
(3.19)
Получаем:
.
- Средний диаметр d2N резьбы метчика:
(3.20)
Получаем:
.
(3.21)
Получаем:
.
- Длина режущей части:
(3.22)
Получаем:
.
Наибольший внутренний диаметр для всех метчиков в комплекте принимаем
одинаковым:
Получаем:
Нижнее отклонение
и форма впадины не регламентированы.
Расчет диаметра метчиков по переднему торцу.
Диаметр метчиков по переднему торцу рассчитывается по формуле:
(3.23)
Получаем:
.
Определение углов режущей части всех метчиков в комплекте.
Определяем углы φ режущей части для всех метчиков в комплекте по
формуле:
(3.24)
Для чистового метчика:
.
Принимаем
.
Для чернового метчика:
.
Принимаем
.
Выбор переднего и заднего углов.
В зависимости от обрабатываемого материала выбираем передний γ
и задний α
углы [10, с. 30].
Для заданного материала (Сталь 40Х):
g = 3°;
a =5°.
Выбор числа зубьев метчиков.
Выбираем число зубьев метчиков по ГОСТ 3266-81:
для резьб с dN <17мм принимаем z=3.
Определение падения затылка по вершинам витков режущей части.
Рис. 3.5 Падение затылка
На рис. 3.5 (а) представлено торцовое сечение метчика по режущей части.
Падение затылка по вершинам витков режущей части, мм:
(3.25)
Получаем:
.
Для всех метчиков комплекта принимается одно и то же К=0,6 мм.
Т.к. рассчитываемый метчик имеет 3 класс точности, затылование
производится так же по профилю резьбы.
Затылование по профилю К1 на чертеже указывают на ширине пера метчика (в
отличие от К) на внутреннем диаметре (см. рис.3.5 (б) на котором представлено
торцовое сечение метчика по калибрующей части).
Затылование по К1 назначают по ГОСТ 3449-84 в зависимости от dN [10,
с.31]: К1 = 0,03 мм.
Выбор габаритных размеров метчиков, формы и размеров стружечных канавок.
Выбираем по ГОСТ 3266-81
габаритные размеры для коротких метчиков с проходным хвостовиком для
метрической резьбы:=10 мм;=0,75 мм;= 69 мм;= 19 мм;= 8 мм;
Профиль стружечных
канавок:=4,5 мм;=3;=2,88=1,5=1,5 мм.=4,13=2,8=6,60=6,60
Размеры квадрата для
хвостовика [2, с.192]:
а=8 мм;=11 мм.
Выбор материала рабочей части
метчика.
Метчики выполняем цельными.
Материал метчика - Р6М5 с твёрдостью после закалки HRCЭ 64.
.3 Проектирование червячной фрезы для цилиндрических
зубчатых колес
Исходные данные.
Параметры зубчатой части
нарезаемого колеса:
Нормальный модуль:
;
Наибольшее число зубьев:
;
Угол наклона зубьев:
;
Направление зубьев: правое.
Параметры исходной рейки:
Угол профиля:
;
Коэффициент высоты головки
зуба:
;
Коэффициент радиального
зазора:
;
Степень точности нарезаемого
колеса:10;
Вид обработки: черновая;
Припуск на толщину зуба
колеса:
.
Расчет червячной фрезы.
Выбор основных габаритных
размеров фрезы.
Выбираем основные габаритные
размеры фрезы по ГОСТ 9324-80Е, ориентируясь на рекомендации для фрез типа 2.
Так как заданный модуль
является стандартным, принимаем размеры по этому
модулю [12, с. 528]:
;а0 =80 мм;= 32 мм;= 50 мм;= 4 мм;= 71 мм;= 10 мм.
Определение размеров исходной
инструментальной рейки.
Модуль:
m0=mn (3.26)=mn=3,5 мм;
- Шаг зубьев:
Р0=pm0 (3.27)
Р0=pm0=3,14·3,5=10,99
мм;
- Угол профиля:
α0 = α (3.28)
α0 = α = 20˚;
- Высота головки зуба:
(3.29)
;
- Высота ножки зуба:
(3.30)
;
- Высота зуба:
(3.31)
;
- Радиус закругления головки зуба:
(3.32)
;
Примем
- Радиус закругления ножки зуба:
(3.33)
;
Примем
- Толщина зуба:
(3.34)
.
Определение геометрических параметров режущей части фрезы.
Фреза предназначена для чернового вида обработки, поэтому принимаем:
Передний угол: γa=6є;
Задний угол: αа=12˚;
Падение затылка для шлифованного участка:
(3.35)
Получаем:
.
Падение затылка для нешлифованного участка:
(3.36)
Получаем:
.
Расчет глубины стружечной канавки.
Глубина стружечной канавки рассчитывается по формуле:
, (3.37)
где r =1 мм - радиус закругления вершины канавочной фрезы.
Получаем:
.
Расчет диаметра расчетного цилиндра фрезы.
Диаметр расчетного цилиндра фрезы рассчитывается по формуле:
(3.38)
Получаем:
Выбор числа заходов и направления нарезки фрезы.
Для чистовых фрез число заходов n0=2 [10, с. 48].
Направление нарезки фрезы: правое.
Определение угла подъема нарезки фрезы на расчетном цилиндре.
Угол подъема нарезки фрезы на расчетном цилиндре вычисляется из формулы:
(3.39)
(3.40)
По формуле (3.40) получаем:
.
Угол наклона и направление стружечных канавок.
Угол наклона стружечных канавок:
(3.41)
Получаем:
.
Направление винтовых стружечных канавок принимается противоположным
направлению витков нарезки, т. е. левое.
Определение шага винтовых стружечных канавок.
Шаг винтовых стружечных канавок вычисляем по формуле:
(3.42)
Получаем:
.
Определение угла профиля стружечных канавок.
Угол профиля стружечных канавок вычисляется по формуле:
(3.43)
Значение
, полученное по формуле (3.43) необходимо округлить до
значений 18, 22, 25 или 30°. Получаем:
.
Определение размеров профиля нарезки фрезы в нормальном сечении.
Искомые размеры принимаем равными соответствующим размерам
инструментальной рейки [10, с. 48]:
Расчет размеров профиля нарезки фрезы в осевом сечении.
Осевой шаг нарезки фрезы:
(3.44)
Получаем:
.
Ход витков нарезки:
(3.45)
Так как рассчитываемая фреза является архимедовой фрезой, следует
рассчитать угловые параметры нарезки:
Расчетный профильный угол:
(3.46)
(3.47)
По формуле (3.47) получаем:
.
Углы профиля зубьев для левой стороны:
(3.48)
.
Размеры профиля по высоте и радиусы закругления у ножки и головки зуба
принимаем такими же, как для исходной инструментальной рейки.
Определение угла установки фрезы на станке.
При нарезании зубчатого колеса фреза должна быть установлена на станок
под углом:
(3.49)
Получаем:
.
Расчёт длины нарезки lр и общей длины l фрезы.
Длина нарезки фрезы lр рассчитывается по формуле:
(3.50)
Получаем:
.
Общая длина фрезы l:
(3.51)
.
По ГОСТ 9324-80 Е [2, с.528] принимаем общую длину фрезы равной
.
Выбор размеров шпоночного паза.
В зависимости от диаметра
посадочного отверстия фрезы d выбираем размеры шпоночного паза b, c1, R [12, с.
170]:= 32 мм;=8 мм (Н7);=34,8 мм (Н12);=1,2 мм.
Допустимые отклонения на основные
размеры фрезы и шероховатость обработанных поверхностей.
Таблица 3.2
|
Параметр
|
Обозначение
|
Допуск
|
|
Диаметр посадочного отверстия
|
fd
|
H6
|
|
Радиальное биение буртиков
|
fy
|
12 мкм
|
|
Торцовое биение буртиков
|
ft
|
10 мкм
|
|
Радиальное биение по вершинам зубьев
|
frda
|
63 мкм
|
|
Профиль передней поверхности
|
80 мкм
|
|
Разность соседних окружных шагов
|
fu0
|
80 мкм
|
|
Накопленная погрешность окружного шага стружечных канавок
|
FP0
|
160 мкм
|
|
Направление стружечных канавок
|
fx
|
± 125 мкм
|
|
Профиль зуба
|
ff0
|
25 мкм
|
|
Толщина зубьев
|
TS0
|
- 63 мкм
|
|
Осевой шаг
|
fPx0
|
± 14 мкм
|
|
Накопленное отклонение шага на длине любых трех шагов
|
fPx30
|
± 22 мкм
|
|
Винтовая линия фрезы от зуба к зубу
|
fh10
|
20 мкм
|
|
Винтовая линия фрезы на одном обороте
|
fh0
|
32 мкм
|
|
Винтовая линия фрезы на трех оборотах
|
fh30
|
50 мкм
|
|
Погрешность зацепления от зуба к зубу
|
FPb10
|
20 мкм
|
|
Погрешность зацепления на длине активной части
|
FPb0
|
40мкм
|
Выбор материала для изготовления фрезы.
В соответствии с техническими требованиями червячные фрезы должны
изготавливаться из быстрорежущей стали (ГОСТ 19265 - 73) с твёрдостью рабочей
части 63 - 66 HRCэ.
Выбираем материал фрезы сталь Р6М5, твёрдость которой составляет 62 - 66
HRCЭ.
Библиографический
список
1. Ансеров
М.А. Приспособления для металлорежущих станков; Л., "Машиностроение",
1975 г.
. Анухин
В.И. Допуски и посадки. Учебное пособие. 4-изд. - СПб.: Питер, 2007. - 207 с.
. Горбацевич
А.Ф., Шкред В.А. Курсовое проектирование по технологии машиностроения. - Минск:
Высшая школа, 1983.
. ГОСТ
16925-71. Метчики. Допуски на резьбу.
. ГОСТ
26645-85. Отливки из металлов и сплавов.
. ГОСТ
3266-81. Метчики машинные и ручные. Конструкция и размеры.
. ГОСТ
9523-84. Хвостовик инструментов. Диаметры, квадраты и отверстия под квадраты.
Размеры.
. Жуков
Э.Л., Кобчиков В.С., Никифоров В.И. Основы технологии машиностроения: Учеб. пособие. СПБ: изд-во Политехн. ун-та 2008. 155 с.
. Приспособления
для металлорежущих станков, справочник. А.К. Горошкин. М:
"Машиностроение", 1979, 301 с.
. Режущие
инструменты: Учебное пособие / В.Ф. Истомин, Ю.М. Панкратов;
СПбГТУ. СПб., 1993. 80 с.;
. Современные
приспособления к металлорежущим станкам. Н.И. Зависляк. Издательство
"Машиностроение", Ленинград, 1967, 260 с.
. Справочник
инструментальщика / И.А. Ординарцев, Г.В. Филиппов, А.
Н. Шевченко и др. Под общей ред. И.А. Ординарцева. - Л.: Машиностроение.
Ленингр. отд-ние, 1987. - 846 с.
. Справочник
нормировщика-машиностроителя. Т. II, М., 1961.
. Справочник
станочные приспособления под редакцией Б.Н. Вардашкина и В.В. Данилевского том
1, том 2; М., "Машиностроение", 1984г.
. Справочник
технолога-машиностроителя: в 2-х т. Т. 2 / Под
ред. А.Г. Косиловой и Р.К. Мещерякова. - 4-е изд., перераб. и доп. - М.:
Машиностроение, 1985. 496 с.
. Технология
машиностроения. Часть1: учеб. пособие / Э.Л. Жуков, И.И. Козарь, Б.Я. Розовский,
В.В. Дегтярев, А.М. Соловейчик; под ред. С.Л. Мурашкина. СПб.: Изд-во Политехн.
ун-та, 2008, 277 с
. Технология
машиностроения. Часть 2: учеб. пособие / Э.Л. Жуков, И.И. Козарь, Б.Я.
Розовский, В.В. Дегтярев, А.М. Соловейчик; под ред. С.Л. Мурашкина. СПб.:
Изд-во Политехн. ун-та, 2008, 295 с.
Приложение
Сводная ведомость
|
Номер чертежа
|
Название
|
Количество листов
|
|
1
|
Корпус водила нижнего
|
1
|
|
2
|
Покованная штамповка
|
1
|
|
3
|
Операционные эскизы
|
2
|
|
4
|
Приспособление для вертикально-фрезерной операции
|
2
|
|
5
|
Пневмосхема приспособления
|
1
|
|
6
|
Резец фасонный дисковый
|
1
|
|
7
|
Фреза червячная
|
1
|
|
8
|
Комплект метчиков
|
1
|
|
ИТОГО ЛИСТОВ:
|
10
|