Проектирование элементов технологического процесса изготовления детали

  • Вид работы:
    Курсовая работа (т)
  • Предмет:
    Другое
  • Язык:
    Русский
    ,
    Формат файла:
    MS Word
    341,83 Кб
  • Опубликовано:
    2012-11-26
Вы можете узнать стоимость помощи в написании студенческой работы.
Помощь в написании работы, которую точно примут!

Проектирование элементов технологического процесса изготовления детали

Санкт-Петербургский Государственный Политехнический университет

Кафедра: «Технология конструкционных материалов и материаловедение»









ПОЯСНИТЕЛЬНАЯ ЗАПИСКА К КУРСОВОМУ ПРОЕКТУ

ПО ТЕХНОЛОГИИ МАШИНОСТРОЕНИЯ

«ПРОЕКТИРОВАНИЕ ЭЛЕМЕНТОВ ТЕХНОЛОГИЧЕСКОГО ПРОЦЕССА ИЗГОТОВЛЕНИЯ ДЕТАЛИ»


Выполнил: группа 4046/20

студент Смирнов П. А.

Проверил: преподаватель Никифоров В. И.




Санкт-Петербург

год

РЕФЕРАТ


Стр.35, рис. 20, табл.4.

РАБОЧИЙ ХОД, ПОЗИЦИЯ, УСТАНОВ, ОПЕРАЦИЯ, ТЕХНОЛОГИЯ, ТЕХНОЛОГИЧНОСТЬ, БРИПУСК, ДОПУСК, ЗАГОТОВКА, ДЕТАЛЬ, КОНСТРУКТОРСКАЯ БАЗА, ТЕХНОЛОГИЧЕСКАЯ БАЗА, ТИП ПРОИЗВОДСТВА.

В данном курсовом проекте представлена разработка структуры технологической операции для детали «Планшайба»; разработана схема базирования и установки заготовки в приспособлении; назначены технологические базы для черновой обработки детали «Стойка»;

произведен расчет технологических размерных цепей; произведена отработка чертежа детали «Вал» на технологичность; сделан расчет припусков и операционных размеров.

Работа проведена с целью подготовки к выполнению деятельности технолога-машиностроителя, которая основана на последовательном решении технологических задач в областях проектирования новых и совершенствования существующих технологических процессов изготовления и ремонта изделий.

Работы выполнены на основе теории, технологий, положений, принципов науки «Технология машиностроения».

ВВЕДЕНИЕ

Машиностроение является одной из важнейшей отраслью народного хозяйства, определяющей уровень и темпы развития всех других отраслей промышленности, сельского хозяйства, энергетики, транспорта и др.

Быстрое развитие машиностроительного производства настоятельно требовало научного решения вопросов, связанных с изготовлением машин, что привело к возникновению науки о технологии машиностроения. Технология машиностроения - наука, изучающая закономерности процессов изготовления машин, с целью использования этих закономерностей для обеспечения выпуска машин, требуемого качества, в установленном производственной программой количестве и при наименьших затратах труда.

Технология машиностроения развивалась с развитием крупной промышленности, накапливая соответствующие методы и приемы для изготовления машин.

К технологии машиностроения относятся следующие области производства: технология литья, технология обработки давлением, технология сварки, технология механической обработки, технология сборки машин. То есть технология машиностроения охватывает все этапы процесса изготовления машиностроительной продукции. Однако сложившиеся понятие «технологии машиностроения» обозначает преимущественно процессы механической обработки заготовок для изготовления деталей и сборки машин. Это объясняется тем, что в машиностроении заданные формы деталей с требуемой точностью их параметров и необходимым качеством поверхностного слоя достигаются в основном путем механической обработки.

В процессе механической обработки возникает наибольшее число проблем, связанных с выполнением требований к качеству машин, заданных конструктором.

Процесс механической обработки реализуется достаточно сложной технологической системой, включающей в себя металлорежущий станок, станочную оснастку, режущий инструмент и заготовку.

Результаты научных исследований и обобщения производственного опыта в технологии машиностроения позволяют вооружить инженерно-технических работников знаниями, необходимыми для решения больших и сложных задач, поставленных перед машиностроителям.

1. Разработка структуры технологической операции

.1 Индивидуальное задание

Задание № 11

.2 Операционный эскиз и дополнительные исходные данные по заданию

Исходные данные

Таблица 1.1.

1

2

3

4

5

6

11

План-шайба

 Рис. 1.

 Единичное

Вертикально - фрезерный

Паз фрезеровать концевой фрезой, а затем фрезой типа «ласточкин хвост»


Рис. 1.1. Эскиз операции

1.3 Структура технологической операции изготовления детали “Планшайба”

Таблица № 2

Тех. операция

Номер

Наименование перехода

Наименование операции

Установ

Позиция

Переход


05

Вертикально -фрезерная

А

I

1

Установить и закрепить заготовку





2

Фрезеровать паз 1 l = 50, h = 50




II

3

Повернуть накладной стол





4

Фрезеровать паз 2 l = 50, h = 50





5

Снять концевую фрезу, установить фрезу типа «ласточкин хвост»





6




III

7

Повернуть накладной стол





8

Фрезеровать паз 1





9

Раскрепить и снять деталь


1.4 Наименование и эскиз технологического перехода

Рис. 1.2. Операционный эскиз технологического перехода № 2

.       
РАЗРАБОТКА СХЕМ БАЗИРОВАНИЯ И УСТАНОВКИ ЗАГОТОВКИ

2.1 Номер индивидуального задания и цель работы

Индивидуальное задание № 5

Цель работы: Разработать теоретическую схему базирования заготовки и схему установки её на станке.

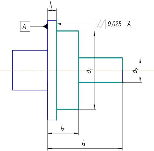
Рис. 2.1. Индивидуальное задание

2.2 Основные технологические задачи

Точность взаимного расположения: допуск параллельности торца e1 относительно базы А не более 0,025мм.

Выдерживается длина шеек e1 и e2 относительно торца фланца.

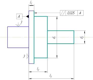
2.3 Теоретическая схема базирования, совмещенная с операционным эскизом и системой координат OXYZ

Рис. 2.2. Теоретическая схема базирования, совмещенная с операционным эскизом и системой координат

2.4 Выбор технологических баз

Для базирования данной заготовки её необходимо лишить пяти степеней свободы.

Так как на чертеже задан допуск параллельности целесообразно технологической базой принять торец фланца.

Так как на данной операции выдерживаются размеры e1 и e2, технологической базой следует выбрать торец фланца от которого откладываются данные размеры.

База лишающая степеней свободы 1,2 и 3 - установочная, так как лишает заготовку возможности перемещения по оси Х, а так же вращения по ОХ и ОУ.

База лишающая степеней свободы 3 и 4 - направляющая, так как лишает заготовку возможности перемещения по оси У и Z.

2.5 Схема установки заготовки в приспособлении

деталь чертеж вилка планшайба

Рис. 3. Схема установки заготовки

3. Назначение технологических баз для черновой обработки


.1 Цель работы

Разработать схему установки заготовки и теоретическую схему базирования на первой технологической операции.

3.2 Сведения о заготовке

Заготовка получена с помощью литья. Точность отливки соответствует 9 классу точности (ГОСТ 26645-85).

Литейные уклона располагаются на всех поверхностях перпендикулярных плоскости разъёма, и составляют 37`. Поверхности параллельные плоскости разъёма формы не имеют литейных уклонов.

Расположение заготовки в форме, плоскость разъёма, а так же прибыли, выпоры и литниковая система.

Рис. 3.1. Эскиз заготовки с литниковой системой

3.3 Технологические задачи первой операции. Схема обработки на первой операции. Метод обработки и тип станка

На первой операции технологической задачей является снятие припуска с заготовки и приближение её формы к форме готовой детали, а так же создание поверхности для последующих технологических операций.

Обработку предполагается производить на вертикально - фрезерном станке.

Рис. 3.2. Схема обработки на первой операции

3.4 Теоретическая схема базирования заготовки на первой операции, совмещённая с операционным эскизом

Рис. 3.3. Теоретическая схема базирования заготовки на первой операции, совмещённая с операционным эскизом.

Выбор данной схемы базирования основан на том, что конструктором на чертеже был задан размер связывающий обрабатываемую поверхность с необрабатываемой (размер l=20). Поэтому принимаем данную поверхность за явную технологическую базу.

База лишающая степеней свободы 1,2 и 3 - установочная, так как лишает заготовку возможности перемещения по оси Z, а так же вращения вокруг ОХ и ОУ.

База лишающая степеней свободы 4 и 5 - установочная, так как лишает заготовку возможности перемещения по оси Y, а так же вращения по оси Z.

База лишающая степени свободы 6 - опорная, так как лишает заготовку возможности перемещения по оси X.

3.5 Эскиз второй технологической операции

Рис. 3.4. Схема обработки на второй операции

Использование черновой базы вторично возможно, так как на выдерживаемые размеры не влияет.

4. Расчет технологических размерных цепей


.1 Номер индивидуального задания

Индивидуальное задание № 14.

4.2 Эскиз детали

Рис. 4.1. Эскиз детали

4.3 Формулировка задачи, тип задачи (прямая, обратная)

В данном примере используется прямая (проектная) задача: по заданному номинальному размеру и отклонениям замыкающего звена требуется определить номинал и предельные отклонения неизвестного составляющего звена. Замыкающее звено в этом случае называется исходным.

4.4 Технологические размерные цепи по каждому операционному эскизу

Эскиз операции 05

Рис. 4.2. Эскиз операции 05

Эскиз операции 10

Похожие работы на - Проектирование элементов технологического процесса изготовления детали

 

Не нашли материал для своей работы?
Поможем написать уникальную работу
Без плагиата!
Без нейросетей!