Электрические свойства образца композиционного материала [Cu2O]x[Cu2Se]100-x
Содержание
Задание
на выпускную квалификационную работу
Реферат
Введение
.Литературный
обзор
.1
Основные параметры, характеризующие термоэлектрические материалы
.2
Традиционные термоэлектрические материалы и их совершенствование
.2.1
Теллуриды висмута и свинца
.2.2
Сплавы Si - Ge
.2.3
Соединения таллия
1.3 Пути улучшения термоэлектрической
добротности однородных материалов
.3.1 Выбор оптимальной концентрации носителей
.3.2 Выбор оптимальной ширины запрещённой зоны
.3.3 Модификация химического состава
1.4
Наноструктурированные материалы
.4.1
Сверхрешётки и системы с квантовыми ямами
.4.2
Квантовые проволоки
.4.3
Нанокомпозиты
.5
Термовольтаический эффект в поликристаллическом SmS
.
Получение образцов. Методика эксперимента
.1
Получение образцов
.2
Методика эксперимента
.
Результаты эксперимента и их обсуждение
.1
Температурная зависимость э.д.с
Заключение
Список
использованных источников
Введение
В настоящее время самым удобным и широко
используемым видом энергии является электрическая энергия. Для ее выработки
применяются множество различных устройств-преобразователей, так называемых
генераторов электрической энергии таких как: ядерные реакторы, солнечные
батареи, ветряные генераторы, самые распространенные тепловые генераторы и др.
Одними из таких генераторов являются термоэлектрические, позволяющие напрямую
превращать тепловую энергию в электрическую. Поскольку излишней тепловой
энергии в окружающей среде предостаточно, они являются весьма перспективными
для повсеместного использования. Однако, низкий коэффициент полезного действия
делает область применения такого рода преобразователей весьма специфичной. В
связи с этим не вызывает вопросов актуальность исследований направленных на
улучшение параметров используемых сейчас и разработку новых термоэлектрических
материалов. Одними из таких материалов являются композиты на основе селенидов
меди.
В данной работе исследовались электрические
свойства образца композиционного материала [Cu2O]x[Cu2Se]100-x,
имеющий в одном направлении градиент по фазовому составу, что привело к
градиенту количества носителей заряда вдоль того же направления.
1.Литературный обзор
.1 Основные параметры, характеризующие
термоэлектрические материалы
Эффективность термоэлектрического преобразования
энергии определяется величиной, называемой термоэлектрической добротностью [2]:
, (1)
где σ−проводимость;
S−
термоэдс;
χ − теплопроводность.
Термоэлектрическая добротность имеет
размерность обратной температуры и зависит только от физических свойств
материала. Добротность чаще всего используется в виде безразмерной комбинации:
, (2)
где T−
рабочая или средняя температура преобразователя, равная:
, (3)
где
и
−
температуры горячего и холодного спаев соответственно.
Формула термоэлектрической
добротности, введенная А.Ф. Иоффе, отражает тот факт, что при данной разности
температур производство электричества будет происходить тем эффективнее, чем
больше термоэдс и чем ниже непродуктивные потери тепла в преобразователе:
омические и за счет теплопроводности. Чтобы их минимизировать, нужна высокая
электрическая проводимость и низкая теплопроводность термоэлектрического
материала[2].
Термоэлектрическая добротность
непосредственно связана с эффективностью работы устройства, поэтому это очень
удобный параметр для сравнения потенциальной эффективности преобразователей,
использующих различные материалы. Значения ZT = 1 при
комнатной температуре сегодня считаются хорошими; возрастание добротности до 2 −
3 привело бы к увеличению КПД термоэлектрических преобразователей примерно до
20% и к резкому расширению области их применения, а величина ZT около 3-4
представляется достаточной для того, чтобы термоэлектрические устройства могли
конкурировать по эффективности с электрическими генераторами и холодильными
агрегатами обычной конструкции.
Из приведенных выше формул видно,
что высококачественный термоэлектрический материал должен одновременно иметь
высокую электропроводность, большую термоэдс и низкую теплопроводность.
Термоэдс и электрическая проводимость определяются только электронными
свойствами материала и поэтому их часто объединяют в величину, которую называют
фактором мощности:
(4)
Теплопроводность же есть сумма
электронного вклада (χe) и
решеточного вклада (χL):
. (5)
Следовательно, чтобы максимально
увеличить термоэлектрическую добротность, электронная проводимость должна быть
как можно большей при наименьшей теплопроводности.
Однако закон Видемана-Франца
показывает, что проводимость связана с электронной теплопроводностью:
, (6)
где Lo−
постоянная Лоренца.
Для статистики вырожденного газа
носителей заряда L0 имеет
значение
, (7)
а для невырожденного газа -
, (8)
где kB −
постоянная Больцмана,
e −
заряд электрона.
Увеличение электрической
проводимости сопровождается не только увеличением теплопроводности, но и
падением термоэдс, так что оптимизировать величину ZT оказывается
проблематично.
Металлы имеют высокую электрическую
проводимость, большую теплопроводность и низкую термоэдс. Полупроводники и
диэлектрики имеют, напротив, высокую термоэдс и электронный небольшой вклад в
теплопроводность, но концентрация носителей заряда и электропроводность у них
малы, что ведёт к низкому термоэлектрическому фактору мощности. Лучшими
известными термоэлектрическими материалами оказываются сильно легированные
полупроводники или полуметаллы с концентрацией электронов порядка 1019
см-3.
С технологической точки зрения одним
из самых простых решений для выбора оптимального термоэлектрического материала
является выбор оптимального уровня легирования, т.е. такого, который
обеспечивает максимальное значение термоэлектрической добротности. При
увеличении концентрации газ носителей заряда (для определённости электронов)
становится вырожденным, когда уровень Ферми ЕF (электрохимический
потенциал) попадает в зону проводимости, а энергия Ферми, т.е. расстояние от
уровня Ферми до дна этой зоны, превосходит kBT. Энергия и
скорость частиц определяются при этом величиной энергии Ферми и почти не
зависят от температуры, поэтому электронные потоки с холодного и горячего
концов образца различаются незначительно и термоэдс оказывается мала.
Значения ZT
термоэлектрических материалов, используемых в настоящий момент в
промышленности, близки к единице. На рисунках 1.1 и 1.2 показаны типичные
значения термоэлектрической добротности для многих промышленных и перспективных
материалов, работающих в различных температурных диапазонах [3].
Рисунок 1.1 - Термоэлектрическая
добротность ряда используемых и перспективных материалов
Рисунок 1.2 - Безразмерная термоэлектрическая
добротность некоторых распространённых и перспективных материалов
Как видно из графиков, значение термоэлектрической
добротности ZT<2.
Однако значения ZT
лабораторных образцов при комнатной температуре лежат в диапазоне 2-3.
Таким образом, несмотря на общепринятую
качественную оценку эффективности материалов по величине Z, на самом деле
принимать в расчет следует произведение ZТ. Например, самую высокую добротность
Z среди всех термоэлектриков имеет сплав Вi-Sb:
до 6.10-3 К-1 при 100 К без магнитного поля и до 11.10-3
К-1 в магнитном поле. При комнатной температуре наивысшую Z имеют
материалы на основе твердых растворов (Вi, Sb)2(Те, Sе)3
- до 3,2.10-3 К-1, что дает ZТ~ 1, т.е. значительно выше,
чем для Вi-Sb. С другой стороны, для высокотемпературных генераторных
материалов Z значительно ниже, но при рабочих температурах до 1000 К может
также приближаться к единице. Это как раз тот уровень эффективности, к которому
подошли в 70-80-е годы и который для реально используемых материалов пока не
удается превзойти.
1.2 Традиционные
термоэлектрические материалы и их совершенствование
К практическому использованию
эффекта термоэлектрического охлаждения и обратного ему эффекта
термоэлектрической генерации тока подтолкнули прогнозы, сделанные А.Ф.Иоффе в
середине 1950-х гг. [8]. Согласно его выводам, эффективные
термоэлектрические материалы следует искать среди узкозонных полупроводников,
образованных постпереходными элементами 5 и 6 периодов. Такие вещества должны
иметь большие значения фактора мощности, обусловленные высокой концентрацией
носителей и их большой эффективной массой, но относительно низкую
теплопроводность, поскольку их кристаллическая структура построена из тяжелых
атомов. Последовавшие за этим прогнозом исследования привели к созданию
семейства термоэлектрических преобразователей на основе легированных теллуридов
висмута и свинцах [2]. Эти материалы применяются уже в течение полувека без
существенного повышения их добротности.
.2.1 Теллуриды висмута и свинца
Рисунок 1.3 - Кристаллическая
структура
(а) и
(б)
Чередующиеся вдоль оси с ромбоэдрической
решетки слои из атомов висмута и теллура объединены в блоки, содержащие по пять
слоев. Внутри блока атомы связаны прочными ковалентными взаимодействиями, тогда
как между блоками действуют ван-дер-ваальсовы силы. Совершенно другую структуру
имеет PbTe,
кристаллизующийся по типу каменной соли. Соединение Bi2Te3
характеризуется
заметной областью гомогенности и в зависимости от состава внутри этой области
имеет разный тип проводимости - р или n
[9]. Варьируя методы синтеза, можно получать Bi2Te3
с
заданной концентрацией носителей определенного типа. Теплопроводность этого
теллурида не зависит от состава. Она сильно анизотропна в монокристаллическом
теллуриде висмута, а для керамического образца составляет ~1.9Вт• м-1
• К-1, что приводит к значению ZT
≈
0.6 для оптимальных составов внутри области гомогенности и оптимальной
морфологии образца [10]. Введение в Bi2Te3
сурьмы
или селена позволило заметно снизить теплопроводность и получить для твердых
растворов Bi2Te3-xSex
и
Bi2-xSbxTe3
значения
ZT,приближающиеся
к 1 (рисунок 1.4) [11,13]. Имеющиеся в литературе сведения о дальнейшем
легировании твердых растворов противоречивы, однако указания на существенное
улучшение термоэлектрической добротности в результате такого легирования
отсутствуют [14,15]. Для улучшения свойств термоэлектрических материалов на
основе теллурида висмута применяют оптимальные методы синтеза, которые включают
горячее прессование, плазменно-искровое спекание и экструзию [16,17].
Термоэлектрические свойства
чистого теллурида свинца не представляют особого интереса. Однако легирование
донорными или акцепторными добавками приводит к возникновению значительной
электропроводности р- или n-типа,
а создание твердого раствора PbxSn1-xTe
вызывает понижение теплопроводности. Наиболее перспективным считается
легирование элементами 13-й группы; кроме того, успешно применяется легирование
теллуридом сурьмы [18,19]. При комнатной температуре термоэлектрическая
добротность легиованного PbxSn1-xTe
не превышает 0.1, однако при повышении температуры достигает максимума ZT=0.75
при
T
=700 К (см. рисунок 1.5) [20].
- Bi2Te3,
2 - PbTe, 3 -
Рисунок 1.4 - Зависимость
добротности традиционных термоэлектрических материалов от температуры.
Установлено также, что способ
приготовления керамического материала существенно влияет на его добротность
[21,22]. В литературе имеются сведения о «взаимном допировании» Bi2Te3и
PbTe. Установлено, что
при введении до 1 мол.% теллурида висмута в теллурид свинца сохраняется
структурный тип каменной соли. Отмечается, что при таком легировании
одновременно происходит увеличение электронного и снижение решеточного вклада в
теплопроводность, так что суммарная теплопроводность не изменяется, в то время
как термоэдс и электропроводность возрастают; в результате термоэлектрическая
добротность увеличивается вдвое при комнатной температуре по сравнению с чистым
РbТе [23].
композиционный
термоэлектрический материал висмут
1.2.2 Сплавы Si
- Ge
Особое положение в семействе
традиционных термоэлектриеских материалов занимают так называемые сплавы Si-
Ge, с химической
точки зрения представляющие собой твердый раствор SixGe1-x.
Элементные кремний и германий
кристаллизуются в структурном типе алмаза. Обладая очень прочной и симметричной
кристаллической решеткой, они имеют слишком высокую теплопроводность, чтобы
быть хорошими термоэлектрическими материалами (150 и 63 Вт∙
∙
соответственно
при комнатной температуре). Однако теплопроводность можно понизить до значений
порядка 5-10 Вт∙
∙
в результате образования твердого раствора [23]. Установлено, что при
формировании твердого раствора не происходит упорядочения атомов кремния и
германия в кристаллической структуре и не нарушается подвижность носителей
заряда. Химическая устойчивость твердого раствора SixGe1-x
при высоких температурах, в частности по отношению к окислению, создает
предпосылки для использования термоэлектрических материалов на его основе при
высокой температуре (1000-1200К), при этом эффективность достигает значения 0.9
для х ≈0.3 (см. рисунок 3) [23].
Сплавы Si-Ge
предназначены только для высокотемпературных применений, поэтому при выборе
легирующих добавок во внимание принимаются следующие соображения. Во-первых,
легированный сплав должен иметь достаточно высокую химическую устойчивость при
Т < 1200 К; во-вторых, размер атома не должен быть слишком большим, чтобы не
происходило искажения алмазоподобной структуры. В литературе описано легирование
сплавов
разного
состава бором. Исследования показывают, что такое легирование приводит к
заметному увеличению термоэдс вплоть до 103 мкВ
, однако увеличения
показателя добротности при этом не происходит, в основном из-за уменьшения
электропроводности [23].
.2.3 Соединения таллия
В последние годы возник интерес
к соединениям таллия как перспективным термоэлектрическим материалам. Тому есть
две причины. Во-первых, таллий похож по химическому и кристаллохимическому
поведению на некоторые щелочные металлы. Он предпочтительно образует соединения
в степени окисления +1, его ионный радиус очень близок к ионному радиусу калия,
но электроотрицательность высока [23]. Замена калия на таллий может привести к
уменьшению ширины запрещенной зоны соединений в результате существенного
уменьшения ионности химической связи и к повышению электропроводности.
Во-вторых, таллий - тяжелый элемент, поэтому его введение в полупроводник, в
том числе в теллурид висмута или свинца, должно приводить к уменьшению
теплопроводности.
Рисунок 1.5 - Кристаллические
структуры Tl9BiTe6
Исследование сложных теллуридов
таллия показало, что некоторые представители этого класса соединений имеют
перспективные термоэлектрические свойства. Внедрением таллия в теллурид висмута
получен ряд новых соединений, и исследованы их свойства. Установлено, что
наилучшие термоэлектрические свойства демонстрирует соединение Tl9BiTe6.
Оно кристаллизуется в структурном типе Tl5Te3
[23].
В структуре можно выделить перовскитоподобную последовательность слабо
искаженных октаэдров из атомов теллура, внутри которых расположены
(статистически) атомы висмута или таллия (рисунок 1.6).
Рисунок 1.6 - Зависимости
теплопроводности таллий содержащих полупроводников от температуры
Остальные атомы таллия
располагаются в пустотах между октаэдрами таким образом, что каждый атом таллия
образует только три относительно короткие (0.31 - 0.35 нм) связи с атомами
теллура. Две особенности этой структуры обеспечивают низкую теплопроводность
соединения: большое содержание тяжелых атомов (атомные доли таллия и висмута в
сумме составляют 2/3) и статистическое чередование атомов висмута и таллия в
октаэдрических позициях. Как следствие, теплопроводность Tl9BiTe6
составляет
всего 0.4 Вт ∙
∙
при
комнатной температуре, максимум термоэлектрической добротности достигает 0.89
при 580 К, а с помощью повышающего электропроводность легирования удалось
добиться термоэлектрической добротности ZT=1.2
при 500 К [23].
Следует отметить, что таллий
очень токсичен. Тем не менее, обнаружение эффективных термоэлектрических
материалов среди соединений таллия имеет большое значение, поскольку создание и
исследование вещества с высоким показателем добротности позволяет накапливать
знания о взаимосвязи структура-свойство.
. 3 Пути улучшения
термоэлектрической добротности однородных материалов
.3.1 Выбор оптимальной
концентрации носителей
Один из самых простых с
технологической точки зрения и поэтому практически всегда используемый метод
улучшения термоэлектрических свойств полупроводникового материала - выбор
оптимального уровня легирования, т. е. такого, который обеспечивает
максимальное значение термоэлектрической добротности. Как уже упоминалось выше,
существование оптимального уровня концентрации электронов связано с тем, что
при увеличении электронной концентрации проводимость обычно растёт, а термоэдс
падает. Это падение можно понять, вспомнив механизм возникновения термоэдс.
Если в образце с электронной
проводимостью существует перепад температуры, то электроны на горячем конце
имеют более высокие энергии и скорости, чем на холодном, и более интенсивно
диффундируют к холодному концу, чем двигающиеся им навстречу электроны с
холодного конца, имеющие меньшие энергии и скорости. В результате возникает
поток электронов с горячего конца на холодный, и на холодном конце образуется
отрицательный заряд, а на горячем остаётся нескомпенсированный положительный.
Таким образом возникает объёмная термоэдс.
Ясно, что если материал
содержит носители заряда разных знаков, то их вклады в термоэдс будут
вычитаться, потому что и электроны, и дырки идут с горячего конца образца на
холодный, однако приносят с собой заряды противоположного знака. По этой
причине хороший материал для термоэлектрических применений должен иметь
монополярную проводимость [2].
Вернёмся теперь к зависимости
термоэдс от концентрации носителей заряда. При увеличении концентрации газ
носителей заряда (для определённости электронов) становится вырожденным, когда
уровень Ферми ЕF(электрохимический
потенциал) попадает в зону проводимости, а энергия Ферми, т. е. расстояние от
уровня Ферми до дна этой зоны, превосходит kgT.
Энергия
и скорость частиц определяются при этом величиной энергии Ферми и почти не
зависят от температуры, поэтому электронные потоки с холодного и горячего
концов образца различаются незначительно и термоэдс оказывается мала.
К этому заключению можно прийти
и другим путём. Когда распределение электронов становится вырожденным, роль
состояний, лежащих глубоко под уровнем Ферми, делается мала, и транспорт
электронов в основном осуществляется по состояниям в слое энергий шириной
порядка
около
уровня Ферми. Термоэдс связана с энергией Пельтье П (переносимая энергия в
расчёте на один электрон) соотношением Кельвина S=
П/
(см.,
например, [5]). Энергия Пельтье получается суммированием вкладов (Е - ЕF)
от электронов с энергиями Е, близкими к уровню Ферми, при этом вклады состояний
электронного типа с Е > ЕF
и дырочного типа с Е < ЕFимеют
разные знаки и могут быть различными по величине из-за изменения плотности
состояний и времени релаксации. В случае сильного вырождения, например, в
металлах, относительные изменения плотности состояний малы и уменьшаются с
ростом уровня Ферми; соответственно, термоэдс оказывается малой и падает при
увеличении концентрации.
Заметно больших значений
термоэдс и термоэлектрической добротности можно ожидать в случае
полупроводников и полуметаллов в условиях, когда концентрация не слишком мала,
но сильное вырождение отсутствует. На рисунке 1.6 приведены результаты расчёта
проводимости, термоэдс и фактора мощности для РbТе
- одного из распространённых термоэлектрических материалов, полученные на
основе уравнений электронной кинетической теории с учётом вклада, как
электронов, так и дырок [6]. Видно, что наибольшее значение фактора мощности в
материале n-типа получается,
когда уровень Ферми электронов лежит вблизи края зоны проводимости. Тогда
сильного вырождения ещё нет, а асимметрия плотности состояний и вкладов
носителей заряда с Е > ЕF
и Е < ЕF
значительна. Кроме того, при таком положении уровня Ферми оказывается очень
мала концентрация дырок, уменьшающих термоэдс в материале с электронной
проводимостью.
Отметим ещё, что в условиях
прыжковой проводимости по локализованным состояниям характерная энергия прыжка
может существенно превышать kgT,
так что соответствующие значения термоэдс могут заметно превосходить её
величину при зонной проводимости металлического типа [7].
Рисунок 1.7 - Зависимость
термоэдс, электропроводности и фактора мощности в PbTe
от энергии Ферми [6]
В то же время проводимость и
фактор мощности при этом оказываются очень малыми, поэтому термоэлектрические
преобразователи обычно работают в режиме, когда механизм электронного переноса
является зонным. Он и рассматривается в дальнейшем.
1.3.2 Выбор оптимальной ширины
запрещённой зоны
Многие полупроводниковые
материалы, используемые в термоэлектрических преобразователях, представляют
собой сплавы или твёрдые растворы, зонная структура которых меняется при
изменении состава сплава. В таких материалах за счёт изменения состава имеется
возможность варьировать параметры их зонной структуры с целью оптимизации их
термоэлектрических свойств.
Одним из фундаментальных
параметров электронного спектра в полупроводнике является ширина запрещённой
зоны Eg,
и вопрос о наилучшем выборе её величины неоднократно привлекал внимание
исследователей. При этом в разных работах делались различные предположения о
том, как ведёт себя эффективная масса носителей при изменении Eg,
но оказалось, что результаты от этого зависят слабо.
В параболической модели спектра
между этими двумя величинами нет связи, так что эффективная масса постоянна.
При таком простейшем предположении, неплохо работающем для полупроводников с
непрямой в p-пространстве
щелью, данная задача была теоретически рассмотрена в статье [8]. Оказалось, что
в случае невырожденной статистики носителей заряда для получения наилучших
термоэлектрических характеристик ширина запрещённой зоны полупроводника должна
существенно превосходить kgТ.
Причина этого проста: при такой ширине запрещённой зоны и уровне Ферми, лежащем
вблизи дна зоны проводимости или потолка валентной зоны, концентрация неосновных
носителей и их вклад в транспорт становятся пренебрежимо малыми, а это, как
было объяснено выше, способствует возрастанию термоэдс.
Случай полупроводника с прямой
щелью и кейновским электронным спектром был рассмотрен в работе [9]. На основе
решения уравнения Больцмана для электронов было показано, что и в этом случае
оптимальная ширина запрещённой зоны, при которой термоэлектрическая добротность
максимальна, должна существенно превышать kgT,
а уровень Ферми должен быть расположен вблизи края зоны проводимости.
Приведённая в работе оценка (Eg
>
10kgТ) связана с тем,
что при меньшей ширине запрещённой зоны в системе появляются дырки, а это
уменьшает термоэдс материала. Если данное неравенство нарушается, то, чтобы
избежать появления дырок, оптимальный уровень Ферми смещается вверх, входя в
зону проводимости, но при этом величина фактора мощности оказывается меньшей,
чем при более широкой щели (рисунок 1.8 и 1.9). Эти выводы вполне согласуются с
полученными ранее для параболического зонного спектра [8].
Небольшое расхождение
оптимальных положений уровня Ферми на рисунке 1.7 и 1.9 может быть связано,
во-первых, с тем, что в РbТе
при комнатной температуре Eg
<
10kgT, а
во-вторых, с тем, что в [9] оптимизировался не фактор мощности Р, а
термоэлектрическая добротность ZT,
в которую была подставлена некоторая постоянная теплопроводность решётки;
необходимость уменьшения электронной составляющей теплопроводности могла при
этом несколько сместить оптимальный уровень химического потенциала вниз по
сравнению с результатами [6], где определялся максимум только фактора мощности.
Рисунок 1.8 - Зависимость
термоэлектрической добротности от ширины щели для параболической и
непараболической модели спектра и для двух механизмов рассеяния электронов [9]
Рисунок 1.9 - Зависимость
оптимального положения уровня Ферми от ширины щели для параболической и
непараболической моделей спектра и для двух механизмов рассеяния электронов [9]
Таким образом, результаты
рассмотренных работ показывают, что в хорошем термоэлектрике щель в спектре
должна быть значительно больше температуры (например, Еg > 10 kgT
[9]), а уровень Ферми должен располагаться вблизи дна зоны основных носителей
заряда.
На практике термоэлектрики
часто работают при температурах, несколько превосходящих десятую часть ширины
их запрещённой зоны. Так, максимум термоэлектрической добротности теллурида
висмута с Еg = 0,16 эВ приходится на 400 К, а в РbТе
- на 600 К, при том, что Еg при такой температуре у него равняется
0,36 эВ [10].
.3.3 Модификация химического
состава
Ещё один стандартный способ
улучшения термоэлектрических свойств материала состоит в модификации его
химического состава путём приготовления его твёрдых растворов и сплавов или путём
выращивания новых химических соединений на его основе. Возникающие при этом
изменения не сводятся только к вариации запрещённой зоны.
Как отмечалось выше, РbТе
- один из лучших термоэлектрических материалов, используемых для
термоэлектрических генераторов в диапазоне температур 400-800 К [11]. Его
сплавы с SnTe и PbSe,
т.е. тройные или четверные твёрдые растворы типа Pb1-xSnxTe1-ySey,
а также аналогичные сплавы (GeTe)1-x(AgSbTe2)x,
называемые TAGS по первым
буквам названий входящих в них элементов, в течение многих лет были лучшими
термоэлектрическими материалами при температурах около 700 К. С точки зрения
термоэлектрических применений, одно из основных преимуществ твёрдых растворов
по сравнению с чистыми веществами - более низкая теплопроводность решётки,
обусловленная рассеянием фононов на структурном беспорядке. Тот же самый
беспорядок в гораздо меньшей степени отражается на электронах, поскольку в силу
их большей скорости тепловая длина волны у электронов значительно больше, чем у
фононов [12].
Напротив, введение в PbTe
элементов III группы таблицы Менделеева: In,
Ga и T1
- отражается в основном на его электронных свойствах, приводя к появлению
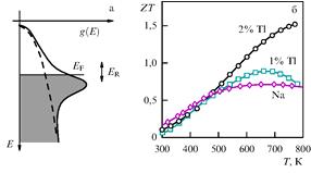
резонансных состояний на фоне разрешённых зон [13-15]. С точки зрения улучшения
термоэлектрических свойств этого материала наиболее интересным оказывается
добавление T1 в концентрации до
2 ат.%, в результате чего на фоне валентной зоны PbTe
образуется примесная зона (рисунок 1.10а), расположенная примерно на 60 мэВ
ниже потолка валентной зоны и имеющая ширину около 30 мэВ [14]. Возникающие в
окрестности примесной зоны резкие изменения плотности состояний могут при
соответствующем выборе положения уровня Ферми приводить к существенному
возрастанию термоэдс по сравнению с материалом, в котором такой зоны нет. Это видно,
например, из известной формулы Мотта, применимой в случае вырожденной
статистики электронов [16]:
Здесь v-скорость
носителей, τ-их время
релаксации, g-плотность
состояний.
Рисунок 1.10 - (а) Схема
электронной плотности состояний в валентной зоне PbTe
(штриховая линия) и Tlx
Te
(сплошная линия), в последнем плотность состояний увеличена за счёт уровней T1.
Термоэлектрическая добротность возрастает, когда уровень Ферми дырок
лежит
в интервале энергии
вблизи этих
уровней. (б) Измеренная температурная зависимость ZT
в
P
Te
и T10,01Pb0,99Te
по сравнению со стандартным PbTe:
Na [17]
В экспериментах [17],
проведённых на образцах Tlx
Te,
действительно наблюдался двукратный рост термоэлектрической добротности
P
Tпо
сравнению с исходным PbTe
(рисунок 1.12б). Возрастания термоэдс при увеличении концентрации дырок в
диапазоне (2,5-5,5) х 1019
обнаружено не было, но, что важно, не наблюдалось и её убывания, обычно
происходящего при росте концентрации. Необычное отсутствие убывания 5
связывалось в [17] именно с быстрым ростом плотности состояний в окрестности
примесной зоны T1.
Теплопроводность
P
Te
не зависела от уровня легирования, проводимость же увеличивалась с ростом
концентрации дырок, и её рост, не сопровождающийся падением термоэдс, и
приводил к увеличению термоэлектрической добротности.
Более глубокие изменения
свойств исходного материала происходят в сплавах PbTe
и AgSbTe2,
называемых LAST. В них
атомы Ag и Sb
занимают места Pb,
и образуется система полупроводниковых соединений AgPbmSbTe2+m,
весьма перспективная для высокотемпературных термоэлектрических приложений,
таких, например, как утилизация остаточного тепла выхлопных газов автомобильных
двигателей или выработка электричества за счёт тепла сгорания органического
топлива. При m =
10 или 18 и оптимальном уровне легирования такие полупроводники n-типа
обеспечивают термоэлектрическую добротность ZT
= 2,2 при 800 К [19]. Авторы этой работы связывают превосходные
термоэлектрическе свойства AgPbmSbTe2+m
с его специфической микроструктурой: электронная микрофотография показывает,
что в материале имеются области, обогащённые наночастицами AgSb
(размером 3-5 нм), а также присутствует модуляция состава с периодом 20-30 нм.
И то и другое часто оказывается весьма благоприятно для термоэлектрических
приложений, в основном в силу того, что благодаря неоднородностям увеличивается
рассеяние фононов и уменьшается решёточная теплопроводность. Действительно, в
этих соединениях при температуре выше 700 К теплопроводность имеет величину
менее 1,1 Вт (мК)-1 [19], тогда как только решёточная часть
теплопроводности РbТе при 300 К
составляет 2,3 Вт (мК)-1 [20]. Как показал детальный анализ,
проведённый в [10], именно малость теплопроводности является основной причиной
фактически двукратного увеличения термоэлектрической добротности сплавов по
сравнению с Рbе. Электронные
параметры сплава тоже изменяются, и очень существенно: проводимость при 800 К
уменьшается примерно в 6 раз, а термоэдс возрастает почти в два с половиной
раза по сравнению с РbТе, однако результирующая величина фактора мощности
увеличивается при этой температуре лишь до 28 мкВт (см К2)-1
по сравнению с 25 мкВт (см К2)-1 в Рbе [10].
Результаты расчётов
электронного зонного спектра AgPbmSbTe2+m,
проведённых в работе [21], показывают, что в этом веществе, помимо структурных
изменений, происходит существенная модификация плотности электронных состояний.
Оказалось, что вид плотности состояний около потолка валентной зоны и дна зоны
проводимости в AgPbmSbTe2+m
чувствителен к локальному упорядочению пар Ag-Sb.
Наличие этих пар приводит к более быстрому увеличению плотности состояний на
краях разрешённых зон по сравнению с однородным РbТе из-за появления отчётливо
выраженных резонансных состояний. Таким образом, природа электронных состояний
около максимума валентной зоны и дна зоны проводимости в соединениях AgPbmSbTe2+m
существенно иная, чем в в РbТе. Эти результаты вместе с экспериментами по
дифракции электронов [19] указывают на то, что AgPbmSbTe2+m
- не классические твёрдые растворы, а уникальные гетерогенные
наноструктурированные системы, имеющие высокий потенциал для термоэлектрических
применений.
Ряд более сложных соединений
был создан и на основе теллурида висмута Bi2Te3;
так, четверные соединения (Bi1-
xSbx)2(Se1-
уTey)3
- один из основных современных материалов для термоэлектрических холодильников.
Другим примером термоэлектрического материала на основе теллурида висмута
служит CsBi4Te6
- вещество, растущее в виде игольчатых кристаллов и имеющее (при
соответствующем уровне легирования) высокую термоэлектрическую добротность,
достигающую максимального значения ZT
= 0,8 при температуре 225 К, гораздо ниже комнатной [22]. Проводимость этого
материала - дырочного типа, концентрация дырок порядка 1019 см-3,
а подвижность около 1 х 103 см2 ∙ (В ∙ с)-1.
Вдоль оси иголок его теплопроводность составляет около 1,5 Вт (м К)-1
при 250 К, но фактор мощности велик: Р = 50 мкВт (см К2)-1,
что и приводит к высокому значению добротности. Зонная структура CsBi4Te6
была рассчитана в статье [23], и оказалось, что материал имеет непрямую
запрещённую зону шириной 0,08 эВ. Оценки, проведённые в [23], дали для Eg
интервал 0,05-0,11 эВ. Термоэлектрические характеристики материала n-типа
несколько хуже, чем у образцов р-типа проводимости. Таким образом,
термоэлектрические характеристики CsBi4Te6
оказываются сравнимыми с характеристиками сплава висмута с сурьмой - одного из
лучших термоэлектрических материалов для низкотемпературных применений.
В большинстве полупроводниковых
соединений и сплавов теплопроводность решётки имеет величину не менее 1 Вт (м
К)-1 = 10 мВт (см К)-1 [20]. Согласно модели,
предложенной в работе [23], следует ожидать, что наиболее низкой
теплопроводностью будут обладать соединения, которые характеризуются низкой
температурой плавления, большой средней массой входящих в них атомов и большими
размерами элементарной ячейки. Трёхкомпонентное соединение с переменной валентностью
Tl9BiTe6,
в котором ионы Bi3+
случайным образом замещают ионы Tl1+
в определённых узлах кристаллической решётки, удовлетворяет всем этим
критериям. Действительно, его теплопроводность весьма низка - около 0,75 Вт (м
К)-1 при 300 К [23]. Оценка электронного вклада в теплопроводность
по закону Видемана-Франца, исходя из измеренного удельного сопротивления 1,6
мОм см, даёт xe
0,4 Вт (м К)-1 при 300 К, что приводит к величине решёточного вклада
в теплопроводность от 0,3 до 0,4 Вт (мК)-1 .
В работе [23] были выращены
образцы Tl9BiTe6
с ещё меньшей теплопроводностью 0,39 Вт (м К)-1, причём её
электронная часть xe
по оценкам оказалась менее 0,1 Вт (м К)-1 при комнатной температуре.
Концентрация дырок в этом материале составляет (1,5-2) х х1019 см-3,
ширина запрещённой зоны не меньше 0,4 эВ. Фактор мощности оказался близким к 1
мВт (мК2)-1 при температуре 250-400 К, а
термоэлектрическая добротность ZT
= 1,2 при 500 К, тогда как у наиболее распространённых материалов, работающих
при этих температурах, Bi2-xSbxTe3-
Sey и (GeTe)0,85(AgSbTe2)0,15,
добротность составляет около 0,8.
Значительное понижение
теплопроводности Tl9BiTe6
указывает
на наличие сильного фононного рассеяния в этом материале. Проведённый в работе
[23] анализ показал, что это рассеяние обусловлено не малой разницей масс ионов
висмута и таллия (около 2 %), а различием их электронных состояний (Tl1+
или Bi3+).
По этой причине можно ожидать, что и другие материалы со случайным
расположением атомов с разной валентностью также могут иметь низкую
теплопроводность.
Поиск новых классов хороших
термоэлектрических материалов - задача ещё более сложная, чем модификация уже
известных, и материалы, перспективные с этой точки зрения, появляются нечасто.
Недавно в работе [23] был предложен новый тип термоэлектрических материалов,
обладающий многими привлекательными свойствами. Речь идёт о бинарных сплавах Mg2Si1-xSnx
с электронной проводимостью, имеющих высокую термоэлектрическую добротность ZT
= 1,1 в температурном интервале 600-870 К, как и у лучших современных
промышленно производимых материалов. Преимущества этих сплавов перед широко
используемыми состоят в том, что они недороги, устойчивы к повышенным
температурам, технологичны и не содержат ядовитых веществ. Найдут ли они себе
широкое применение, покажет будущее.
.4 Наноструктурированные материалы
Одним из важнейших направлений, по которым в
последние годы был достигнут прогресс в области создания новых
термоэлектрических материалов, явилось применение неоднородных материалов.
Электронная кинетика в таких материалах может заметно усложняться, в частности,
из-за появления круговых токов, величина которых зависит от структуры и
геометрии системы [3]. Тем не менее, введение размера компонентов как
дополнительного параметра системы облегчает решение задачи улучшения
термоэлектрической добротности.
Наноструктурированные материалы и структуры представляют
значительный интерес для термоэлектрических применений. К их числу относятся
сверхрешётки, системы с квантовыми ямами, проволоками и точками, а также
всевозможные композиты с нерегулярными включениями нанометрового размера.
.4.1 Сверхрешётки и системы с квантовыми ямами
Расчёты фактора мощности и термоэлектрической
добротности в системах с квантовыми ямами и проволоками показали, что на эти
величины оказывают своё влияние изменения электронной плотности состояний,
обусловленные понижением размерности [3]. Позже внимание привлекли и
сверхрешётки из квантовых проволок и точек [3]. Вычисления предсказывали
значительное увеличение Р и Z
при уменьшении поперечных размеров ям и проволок, обусловленное возрастанием
термоэдс за счёт особенностей плотности состояний на дне нижней подзоны
размерного квантования.
С помощью модели Кронига - Пенни были
рассмотрены структуры с ямами конечной глубины, хотя рассеяние по-прежнему
описывалось в приближении постоянного времени релаксации. Было найдено, что при
конечной высоте барьеров между ямами фактор мощности сначала увеличивается при
уменьшении ширины ямы в соответствии с первоначальными ожиданиями, а затем
начинает уменьшаться из-за туннелирования электронов сквозь барьеры, проходя
через максимум при промежуточных значениях толщины. Было также показано, что
при уменьшении высоты барьеров фактор мощности заметно падает. Имеются и другие
возможности улучшения термоэлектрических характеристик систем с квантовыми
ямами по сравнению с массивными образцами [3].
Устройства на основе теллурида висмута могут
работать при температурах вблизи комнатной и поэтому находят основные
применения в разнообразных холодильных устройствах. Для использования в
термоэлектрических генераторах требуются материалы, которые способны работать
при более высоких температурах; к числу таких материалов относится теллурид
свинца. Следует отметить, что обычно измеряется полная теплопроводность
сверхрешётки, а для выделения решёточной компоненты из неё вычитается
электронный вклад, рассчитанный по закону Видемана-Франца. Как известно, этот
закон справедлив при упругом рассеянии носителей заряда [3]. Поскольку в
теллуриде свинца при комнатной температуре большую роль играет неупругое
рассеяние на продольных оптических фононах, к результатам, полученным с помощью
этого закона для сверхрешёток на основе РbТе,
следует относиться с осторожностью. Кроме того, недавно было показано, что в
сверхрешётках постоянная Лоренца может существенно изменяться по сравнению с её
величиной в однородном и изотропном материале и даже осциллировать при
изменении толщины слоёв [3].
1.4.2 Квантовые проволоки
Ещё один объект, который в последнее время
привлекает внимание с точки зрения его возможных термоэлектрических применений,
- это квантовые проволоки и их массивы. Как и у сверхрешёток, наличие
гетерограниц меняет как электронные, так и фононные свойства систем с квантовыми
проволоками (рисунок 1.11). Рассмотрим сначала их электронные свойства.
В квантовых проволоках фактор мощности может
заметно увеличиваться по сравнению как с объёмными материалами, так и с
квазидвумерными слоями (рисунок.1.12). Причиной этого служит большая степень
квантового ограничения движения носителей в них, приводящая к более резким
особенностям электронной плотности состояний на краю разрешённой зоны.
Существенное увеличение добротности происходило при толщинах, меньших тепловой
де-бройлевской длины волны электрона [3]. При надлежащем выборе толщины
проволоки и электронной концентрации
Рисунок 1.11 - Решеточная теплопроводность как
функция толщины для нанопроволок из InSb,InAs,GaAs
и InP. На вставке
показан электронный вклад в теплопроводность
расчёт (по-прежнему в приближении постоянного
времени релаксации) предсказывал значительный рост термоэлектрической
добротности для малых толщин.
Аналогичные результаты были получены и в других
работах [3], где была развита теоретическая модель электронного транспорта в
квантовых висмутовых проволоках цилиндрической формы. Исходя из зонной
структуры Вi и по-прежнему пользуясь квазиклассической теорией транспорта в
приближении постоянного времени релаксации, авторы рассчитали ZT
для проволок разных диаметров и кристаллических ориентаций. Результаты
показали, что для термоэлектрических применений наиболее благоприятно
тригональное направление проволоки и что при
Рисунок 1.12 - Зависимость фактора мощности
нанопроволоки от ее толщины при оптимальном выборе уровня легирования для четырех
материалов А3-В5 при комнатной температуре
диаметре меньше 10 нм получается ZT
> 1. Была также исследована роль тяжёлых дырок в Т-экстремуме, и оказалось,
что ZT можно было
бы значительно увеличить, особенно в материале p-типа,
если бы удалось уменьшить их концентрацию.
В описанных выше в этом разделе статьях внимание
авторов было сосредоточено в основном на электронных свойствах нанопроволок.
Ясно, однако, что, как и в сверхрешётках, наличие границ может приводить к
повышенному рассеянию фононов, снижению теплопроводности проволок и увеличению
их термоэлектрической добротности.
С помощью решения уравнения Больцмана была
рассчитана решёточная теплопроводность свободной проволоки. Диффузное и
зеркальное отражение фононов от поверхности проволоки учитывались с помощью
соответствующих граничных условий на функцию распределения фононов. Это
объясняется большим отношением поверхности к объёму у проволоки по сравнению со
слоем, что ведёт к возрастанию поверхностного рассеяния фононов и понижению
теплопроводности. При уменьшении диаметра проволок наблюдалось сильное
уменьшение их теплопроводности и изменение её температурной зависимости [3].
Это было объяснено сокращением длины свободного пробега фононов за счёт
поверхностного рассеяния, а также, возможно, и изменением фононного спектра в
наиболее тонких проволоках за счёт квантового ограничения движения фононов.
Существенного падения теплопроводности можно
ожидать и в нанопроволоках из других материалов, если их толщина становится
меньшей длины свободного пробега фононов в однородном материале. Это
подтвердили расчёты решёточной теплопроводности нанопроволок, выращенных из
полупроводников типа АIII-ВV
и АII-ВVI(рисунок 1.13).
Накопление данных об электронных и фононных
свойствах нанопроволок позволило обратиться к изучению их термоэлектрических
характеристик. Детальные теоретические исследования термоэлектрических свойств
полупроводниковых нанопроволок состава III-V показали, что их фактор мощности
возрастает при уменьшении толщины, но рост этот имеет ограниченный характер,
аналогичный тому, который был получен для структур пониженной размерности на
основе PbTe. Были
рассчитаны тепловые и электронные свойства нанопроволок, причём основой расчёта
служило кинетическое уравнение Больцмана, а приближение постоянного времени
релаксации не использовалось. Свободные нанопроволоки, однако, неудобны для
практических применений.
Рисунок 1.13 - Зависимость рассчитанной
добротности ZT от толщины
квантовой проволоки при диффузионном рассеянии фононов на ее границах для
проволок InSb, InAs,
GaAs и InP.
На вставке рост ZT
показан в логарифмическом масштабе
Оказалось, что за счёт квантового размерного
эффекта для электронов матрицы можно получить увеличение фактора мощности, если
надлежащим образом выбрать параметры структуры, период сверхрешётки и толщину
проволок. Расчётное увеличение фактора мощности по сравнению с материалом
матрицы достигает 2,5 раз в композите на основе РbТе
и 3,5 раз в композите на базе InSb
при периоде структуры 5-10 нм и комнатной температуре. На основе измерений
термоэдс, удельной проводимости и коэффициента Нернста-Эттингсгаузена для
плёнок PbTe было
предположено, что одним из таких нетрадиционных механизмов могло служить
асимметричное рассеяние потенциальными барьерами, высота которых зависит от
положения уровня Ферми, определяющего заряд некоторых неизвестных приграничных
состояний. Микроскопическая модель этого типа рассеяния ещё не развита
1.4.3 Нанокомпозиты
Как ясно из изложенного выше, одно из важнейших
изменений физических свойств гетероструктур и систем пониженной размерности,
приводящее к увеличению термоэлектрической добротности − это понижение их
теплопроводности за счёт рассеяния фононов на поверхностях и гетерограницах.
Однако задача уменьшения решёточной теплопроводности вещества может быть решена
и другими путями, не связанными с дорогим и сложным процессом роста
сверхрешётки или структуры с квантовыми ямами или проволоками. Выше уже
упоминалось, что атомы замещения в сплавах эффективно рассеивают фононы,
уменьшая тем самым теплопроводность кристаллических веществ до так называемого
предельного значения в сплаве. Аналогичную роль, и еще более эффективно, могут
выполнять и неоднородности нанометровых размеров.
Разумеется, в нанокомпозитах, содержащих такие
неоднородности, могут изменяться не только фононные, но и электронные свойства,
и изменения последних тоже отражаются на термоэлектрических характеристиках
композитов. Начнём, однако, с теплопроводности.
Уже из формулы Рэлея для сечения рассеяния σ
~a2/λ4.
где a
−
размер рассеивателя. а λ−
длина волны, видно, что если точечные дефекты в сплавах эффективно рассеивают
коротковолновые фононы, то наночастицы будут дополнительно рассеивать фононы со
средними и большими длинами волн, в результате чего может значительно
уменьшиться теплопроводность. Это подтвердила и более подробная теоретическая
модель. В ней же для In0,53Ga0,47As.
содержащего включения частиц ЕrАs
размером 1−4 нм, было экспериментально обнаружено почти двукратное
уменьшение теплопроводности по сравнению с предельным значением в сплаве и
двукратное увеличение термоэлектрической добротности этого материала.
При этом оказывается, что для уменьшения
решёточной теплопроводности вовсе не нужно упорядоченного расположения
нановключений. На рисунке 1.16 представлены результаты расчётов
теплопроводности наноструктур Ge
- Si с включениями
различных размеров и формы. Из рисунка видно, что теплопроводность практически
не зависит от конкретной структуры нанокомпозита и типа упорядочения включений,
а только от площади границ раздела, содержащейся в единице объёма, которая
определяется концентрацией и размерами включений. Из рисунка 1.14 видно также,
что теплопроводность нанокомпозита может оказаться значительно меньше
минимальной теплопроводности сплава, состоящего из тех же компонентов. Это
показывает, что использование нанокомпозитов с целью увеличения
термоэлектрической добротности имеет хорошие перспективы.
Однако уменьшение теплопроводности решётки - не
единственное следствие введения нановключений в термоэлектрический материал:
как отмечалось выше, в нанокомпозитах могут изменяться процессы распространения
и рассеяния не только фононов, но и электронов.
Действительно, в описанных нанокомпозитах с
частицами ZrO2
при увеличении их содержания возрастала абсолютная величина термоэдс. Сама
термоэдс изменялась при этом от минус 155 до минус 170 мкВ ∙ К-1,
что было объяснено рассеянием носителей заряда на границах нановключений. В
результате уменьшения теплопроводности и увеличения термоэдс термоэлектрическая
добротность ZT композита
при 800 К увеличивалась от значения 0,55 в отсутствие нановключений до 0,75 в
образцах, содержащих 9% частиц ZrO2.
Заметим, что возрастание термоэдс за счёт рассеяния электронов на
гетерограницах - важный механизм, в которых он проявляется особенно ярко.
Рисунок 1.14 − Расчетная величина
теплопроводности наноструктурированных материалов с неоднородностями различного
размера и формы
Как уже отмечалось ранее, РbТе,
легированный Аg. и Sb,
образует четверные соединения АgРb2nSbTe2n+2,
и выпадающие из них включения нанометровогоразмера, состоящие из второй фазы,
обогащённой Аg и Sb,
приводят к повышению ZT
такого композита до величины 2,2 при 800 К. Влияние микро- и
нанонеоднородностей на термоэлектрические свойства наблюдалось и в других
нанокомпозитах на основе теллурида свинца.
Таким образом, существует несколько путей
повышения термоэлектрической добротности материалов, но последнее слово
остается за экспериментом. Учитывая вышесказанное, в работе была поставлена
задача исследовать электрическое сопротивление и термовольтаический эффект
системы [Cu2O]x[Cu2Se]100-x.
.5 Термовольтаический эффект в
поликристаллическом SmS
Впервые наблюдался термовольтаический эффект в
поликристаллическом образце SmS с искусственно созданным градиентом
концентрации избыточных относительно стехиометрического состава ионов самария.
Генерация электрического напряжения 12−22.5 мВ наблюдалась
в интервале температур 370−485 K. Показано, что специфическая для
SmS генерация электрического напряжения за счет термовольтаического эффекта
может возникать в температурном интервале 100−1800 K.
Известно, что при равномерном нагревании
образцов SmS в условиях отсутствия внешних градиентов температуры возникает
электрическое напряжение. Необходимым условием для этого является наличие в
образце градиента концентрации дефектных, избыточных относительно
стехиометрического состава ионов самария [24]. В термовольтаический эффект
наблюдался на тонкопленочной двухслойной структуре типа сэндвич, изготовленной
на основе SmS, где для создания градиента использовались различные отклонения
от стехиометрического состава слоев. В данной статье описаны результаты
различных экспериментов по наблюдению термовольтаического эффекта в объемном
образце SmS с градиентом концентрации избыточных относительно
стехиометрического состава ионов самария, полученным путем термодиффузии.
Для изготовления образца был использован
поликристалл в форме параллелепипеда с размерами 4.4 ×
6.8 × 7.7 мм. Он
имел типичные для моносульфида самария электрические свойства, параметр
кристаллической решетки и величину области когерентного рассеяния (ОКР)
рентгеновского излучения 80 нм. На одну из граней поликристаллического образца
наносился раствор соли SmCl3. После этого образец сушился и
нагревался в атмосфере аргона при T = 1100◦C в
течение 3 часов. Время и температура отжига подбиралась таким образом, чтобы
глубина проникновения диффундирующих избыточных ионов самария (x) составляла
примерно 0.5 мм:
,
(9)
где D - коэффициент диффузии самария в
SmS. Поскольку величина D для Sm в SmS пока не измерена, для оценки
глубины проникновения мы воспользовались таковой для диффузии европия в SmS D
= 10−7 cm2/s
, так как Eu является ближайшим аналогом Sm, имея близкий атомный
вес, электронную структуру и одинаковый параметр кристаллической решетки
моносульфида (
). После проведения
диффузии на противоположные грани образца (расстояние 4.4 мм) напылялись
контактные площадки из никеля.
Эксперимент проводился следующим образом.
Образец прижимался одной из граней с напыленным контактом к плоскому
нагревателю резистивного типа. Выходной сигнал снимался с контактных площадок с
помощью прижимных токовыводов. Температура образца измерялась с помощью двух
термопар, прикрепленных к контактным площадкам. Вся система находилась в
форвакууме. Нагрев происходил плавно при неизменной мощности, выделяемой на
нагревателе. Выходной сигнал с образца, а также сигналы с термопар подавались
на АЦП персонального компьютера в непрерывном режиме. Разница в показаниях
термопар составляла при различных температурах от 0 до 3 K. Зависимость
выходного сигнала от усредненной по показаниям двух термопар температуры
представлена на рисунке 1.15. Она получена при плавном повышении
температуры[24].
Наблюдается скачкообразное увеличение выходного
сигнала при T1 = 373 K и его резкое падение при
T2 = 485 K. На основании имеющейся модели
термовольтаического эффекта следует полагать, что в обоих случаях скачки
электрического напряжения связаны с экранировкой кулоновского потенциала
избыточных ионов самария электронами проводимости. В результате при T = T1
происходит спонтанная коллективная активация электронов с примесных уровней в
зону проводимости в области образца с максимальной локальной концентрацией этих
уровней Ni max. По мере повышения температуры
активация электронов происходит в областях со все меньшими значениями Ni
.
Рисунок 1.15 - Зависимость напряжения,
генерируемого в SmS за счет термовольтаического эффекта от температуры образца
При T = T2 область
генерации электрического напряжения выходит из зоны градиента Ni
. При этом реализуется ситуация, когда Ni = Ni0,
где Ni0 - значение концентарции примесных донорных
уровней в исходном образце SmS. Напряженность возникающего при
термовольтаическом эффекте электрического поля
(10)
где K - коэффициент эффекта. При
достижении температуры T2, при которой начинается
коллективная активация электронов по всему объему образца (а не только в части
образца, где gradNi ≠ 0), термовольтаический эффект
прекращается. Таково объяснение наблюдаемой на рисунке 1.15 генерации
электрического напряжения на качественном уровне[24].
С использованием модельных представлений,
основанных на равенстве боровского и дебаевского радиусов дефектных
(избыточных) ионов в момент начала генерации , можно провести оценочные расчеты
различных особенностей термовольтаического эффекта. Правильность этих
представлений была проверена на расчете давлений фазового перехода
полупроводник−металл в SmS при сопоставлении результатов с
экспериментальными данными [24].
Обращает на себя внимание такая особенность
эффекта, как возможность его возникновения при весьма низких температурах,
начиная от T = 300 K. Особенно ярко она проявляется в тонкопленочных
структурах [24], проявилась она и в данном эксперименте. Известно, что энергия
активации примесных кровней Ei в материалах на основе SmS
(например, в материалах с избытком самария в области гомогенности) может
изменяться вплоть до Ei = 0 эВ[8]. В связи с этим были исследованы
зависимости температуры от величины Ei , поскольку
представляет интерес определить, в каких пределах может изменяться величина T2.
Поскольку по литературным данным для SmS
стехиометрического состава Ei = (0.045 ± 0.015)
эВ, были рассчитаны кривые зависимостей T1 от Ei
в этом интервале энергий. Генерация эдс начинается тогда, когда при повышении
температуры значение эффективного боровского радиуса примеси aB
и дебаевского радиуса экранирования электрического потенциала этой примеси
электронами проводимости aD становятся равными друг другу:
=
,
(11)
|
Где
ε0 = 18 -
статическая диэлектрическая проницаемость SmS,
|
|
|
интеграл Ферми, μ
- приведенный химический потенциал. Из условия aB = aD
при значениях m* = m0, Ei
= 0.03−0.06 эВ, приведенных выше, в результате
численного расчета были найдены значения T , при которых происходит
делокализация электронов с уровней Ei , для случая
произвольного вырождения при различных Ni.
Рисунок 1.16 - Расчетные зависимости
температуры возникновения генерации от глубины залегания примесных
уровней.
Расчет по модели: 1 - Ni
= 1021, 2 - Ni = 5 · 1020.
Пунктирными линиями отмечены экспериментальные значения T1,
T2 и Ei .Имея такое семейство кривых
(рисунок 1.16), можно оценить не только температурный интервал проявления
термовольтаического эффекта в SmS, но и величину K в формуле (10) для
исследуемого образца. Для этого необходимо знать величину Ei
и величины Nmax и Ni0. Энергия
активации электронов проводимости в температурном интервале возникновения
эффекта была определена из измерений температурной зависимости электросопротивления.
Они были измерены после проведения диффузии по стандартной методике
четырехзондовым методом на постоянном токе[24]. Результаты приведены на рисунок
1.17. Полученная энергия активации Ei = 0.042 эВ. Это
хорошо согласуется с величиной Ei для SmS стехиометрического
состава [24] без искусственно созданного gradNi . Результат
этот можно понять, только если предположить, что избыточные ионы самария
становятся в кристаллической структуре образца на те же позиции, на которых
находятся дефектные ионы самария в SmS стехиометрического состава, т. е. на
границах ОКР [24].
Рисунок 1.17 - Температурная зависимость
электросопротивления поликристалла SmS с градиентом концентрации
примесных уровней Ni . Черные кружки - данные, снятые в
процессе нагрева, белые - в процессе охлаждения.
Величина Ni0 может
быть оценена по величине ОКР. Согласно полученной в [24] зависимости величины Ni
от размера ОКР, при величине ОКР, равной 80 нм, Ni 7∙
, что и соответствует значению Ni0. С другой
стороны, величины Nmax и Ni0
могут быть определены из рисунка 2 по экспериментальным значениям T1,
T2 и Ei . Рассматривая Ni
как параметр, через экспериментальные точки в координатах T от Ei
можно провести соответствующие расчетные кривые (см. рисунок 1.16), определив
таким образом величины Ni . В нашем случае эти величины равны
порядка 5 · 1020 cm−3 и
порядка 1021 cm−3, что
соответствует значениям Ni0 и Ni
max. Из рисунка 1.16 видно, что генерация может начинаться при T
= 100 ÷ 1800 K.
Пользуясь этими данными, можно оценить градиент
концентрации
избыточных ионов самария:
grad
Если взять среднее значение величины
генерируемого напряжения U
= 17 мВ, то величина напряженности электрического поля
E =
=
0.34В/см (12)
Тогда
K =
(13)
Степень общности полученного результата пока не
ясна, поскольку величина K оценена впервые. Сложность здесь состоит в определении
gradNi . Как показано в [24], эффективным в смысле повышения
величины эффекта (E) может быть допирование SmS лишь в пределах 50.5
at.% самария (состав Sm1.02S).
2. Получение образцов. Методика эксперимента
.1 Получение образцов
В моей работе был исследован массивный
градиентный образец состава ([Cu2O]90[Cu2Se]10)
- ([Cu2O]60[Cu2Se]40),
полученный методом двустадийного горячего прессования. Брикетирование
производилось при комнатной температуре, в воздушной атмосфере и давлении P
= 400 МПа. Остаточная пористость, рассчитанная по формуле:
(2.1)
где
-
теоретическая плотность;
- фактическая
плотность;
составляла 38 %. Горячее прессование осуществлялось
в воздушной атмосфере при температуре Т = 873 К с выдержкой в течение 6 минут
при давлении Р = 600 МПа. Остаточная пористость, вычисленная по формуле (2.1)
составила 2 %.
Рентгено - фазовый анализ полученного порошка
показал, что он на 98,62 % состоит из Cu1.8Se
и всего лишь на 1.38 % из Cu2O
(рисунок 2.1, 2.2). Появление оксида меди на диаграммах связано с его
содержанием в исходном порошке Cu,
что в свою очередь обусловлено нарушением условий его хранения.
Для получения шихты композитов, используемых при
изготовлении образца, производилось смешивание исходных компонентов в
необходимой пропорции в планетарной шаровой мельнице в халцедоновых барабанах
при отношении массы шаров к массе порошковой смеси 10:1 в течение 4 часов в
воздушной среде.
Рисунок 2.1 - Рентгенограмма синтезированного Cu2Se
Рисунок 2.2- Фазовая диаграмма Cu2Se
2.2 Методика эксперимента
Термовольтаический эффект измерялся на
спроектированной и собранной нами установке, принципиальная схема которой
представлена на рисунке 2.3 .
Образец помещался между двух зондов и
фиксировался с помощью зажима. Далее он нагревался в фоновой печке. Температура
образца контролировалась с помощью хромель-капелевых термопар, причем перепад
температуры на торцах образца не превышал 0,3 оС. Измерения э.д.с. и
температуры производились при помощи вольтметров В7-40.
Схема измерения термовольтаического эффекта
представлена на рисунке 2.3. Данная схема принципиально не отличается от
дифференциального метода измерения термоэдс, за исключением отсутствия нагрева
одного из контактов.
Поверхностные сопротивления торцов градиентных
образцов измерялись двузондовым методом, при нормальных условиях омметром Щ 306
- 1. Принципиальная схема установки представлена на рисунке 2.4.
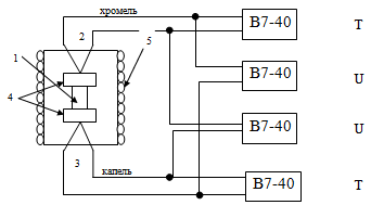
- образец; 2, 3 - термопары хромель-капель; 4 -
контактные площадки(зонды); 5 - фоновая печь.
Рисунок 2.3 - Схема измерения
термовольтаического эффекта
Рисунок 2.4 - Схема установки для измерения
поверхностного электрического сопротивления
3. Результаты эксперимента и их обсуждение
Поверхностные электрические сопротивления
синтезированных композитов, измеренные на противоположных концах исследуемого
градиентного образца ([Cu2O]90[Cu2Se]10)
- ([Cu2O]60[Cu2Se]40),
отличается на четыре порядка. Это говорит нам о том, что концентрация носителей
на концах образца будет отличаться примерно также на четыре порядка. Из этого
следует, что при увеличении температуры количество носителей заряда на торцах
образца будет возрастать пропорционально количеству примеси, вследствие чего
возникнет их диффузионное движение в сторону меньшей концентрации. В результате
возникает электрическое поле Едиф, направленное в сторону движения
носителей заряда. В свою очередь ионнизированая примесь, находящаяся в
кристаллической решетке будет создавать Ереш. направленное в противоположную
сторону. Суперпозиция этих полей может служить достаточно логичным объяснением
наблюдаемого эффекта, который должен пропасть при возникновении собственной
проводимости используемых полупроводниковых соединений.
.1 Температурная зависимость эдс
термовольтаического эффекта
Полученные в ходе эксперимента температурные
зависимости эдс термовольтаического эффекта представлены на рисунке 3.1. Для
исключения влияния погрешности измерительной ячейки и температурных полей
фоновой печи измерения термовольтаического эффекта производились с изменением
ориентации образца относительно зондов установки.
Полученные температурные зависимости
термовольтаического эффекта имеют монотонно возрастающий характер. Для
дальнейшего анализа полученных результатов построим график зависимости э.д.с.
термоволдьтаического эффекта образца от температуры (рис. 3.2) с учетом
погрешности измерительной установки, используя следующее выражение
а - прямая ориентация образца (первое
измерение); б - обратная ориентация образца (первое измерение); в - прямая
ориентация образца (второе измерение); г - обратная ориентация образца (второе
измерение);
Рисунок 3.1 - Зависимость э.д.с.
термовольтаического эффекта от температуры
, (3.1)
где Uпр
- эдс термовольтаического эффекта при одной ориентации образца;
Uобр
- эдс термовольтаического эффекта при другой ориентации образца.
Рисунок 3.2 - Усредненная зависимость э.д.с.
термовольтаического эффекта от температуры
Из полученной зависимости видно, что
термовольтаический эффект полученного образца с повышением температуры
монотонно возрастает от 0 мВ (при 300 К) до 3 мВ (при 750 К).
Для исследования временной зависимости
термовольтаического эффекта синтезированные образцы подвергались временным
испытаниям, которые проводились в воздушной среде при температуре Т = 628 К в
течение 6 часов, показания при этом записывались через каждые 10 минут.
Результаты представлены на рисунке 3.3.
Из рисунка 3.3 видно, что э.д.с.
термовольтаического эффекта практически не меняется со временем. Данный
результат свидетельствует о том, что наблюдаемый нами эффект в синтезированных
композитах не является фактом релаксационных явлений, возникаемых в образце, а
связан с различной концентрацией носителей заряда при высоких температурах.
а - прямая ориентация;
б - обратная ориентация;
Рисунок 3.3 - Временная зависимость э.д.с.
термовольтаического эффекта
В заключение отметим, что возникающий при
равномерном нагреве градиентного образца термовольтаический эффект дает большие
перспективы в разработке термоэлектрических генераторов. Например: в отличие от
классических преобразователей, работающих на эффектах Пельтье и Зеебека,
генератор, работающий на термовольтаическом эффекте, не требует охлаждения, что
упрощает его конструкцию в несколько раз. Еще более важным является поиск
градиентных полупроводников, у которых термовольтаический эффект возникает в
области температур, близких к комнатной. В этом случае такой преобразователь
будет использовать тепловую энергию окружающей среды, что существенно повысит
его эффективность. Области возможного применения такого рода материалов весьма
обширны.
Заключение
. В ходе выполнения выпускной
квалификационной работы были исследованы электрические свойства градиентного
образца композита на основе селенида меди ([Cu2O]90[Cu2Se]10)
- ([Cu2O]60[Cu2Se]40).
Установлено, что электрическое сопротивление на противоположных концах образца
отличается на 4 порядка.
. Выявлено, что при равномерном повышении
температуры образца, вдоль направления градиента фазового состава возникала
э.д.с. термовольтаического эффекта, величина которой монотонно возрастала от 0
(при 300 К) до 3 мВ (при 750 К).
. Показано, что на временных зависимостях
эдс термовольтаического эффекта синтезированного образца при Т=625 К и
длительности 6 часов исследуемая величина практически не изменялась, что
говорит о температурной стабильности измеряеемого эффекта.
. Сделан вывод о больших перспективах в
разработке градиентных полупроводниковых материалов, области возможного
применения которых весьма обширны.
Список использованных источников
1 Thermoelectrics
handbook: macro to nano / edited by D.M. Rowe. - New York: Taylor& Francis
Group, LLC, 2006. - 954 c.
2
Иоффе А.Ф. Полупроводниковые термоэлементы / А.Ф. Иоффе. - Москва-Ленинград,
1956. - 188 с.
Дмитриев
А.В. Современные тенденции развития физики термоэлектрических материалов / А.В.
Дмитриев, И.П. Звягин - Успехи физических наук. - 2010. - №8. - С. 821 - 837.
Гриднев
С.А., Калинин Ю.Е., Макагонов В.А., Шуваев А.С. Перспективные
термоэлектрические материалы // Альтернативная энергетика и экология. - 2013, 1
часть 2 - С.117 - 125.
Анатычук
Л.И., Семенюк В.А. Оптимальное управление свойствами термоэлектрических
материалов и приборов. - Черновцы: Прут, 1992. - 364 с.
6
Cao Y.Q., Zhu T.J. and Zhao X.B. Low thermal conductivity and improvedfigure of
merit in fine-grained binary PbTe thermoelectric alloys // J. Phys. D: Appl.
Phys. 2009. V. 42. N 015406 (6pp).
Glatz
A. and. Beloborodov I.S. Thermoelectric performance of weakly coupled granular
materials // EPL, 2009. V. 87. N
57009 (pp.1-4).
ВоронинА.Н.,
ГринбергР.З. //Труды 2-й Междунар. конф. по порошковой металлургии. // Прага.
Чехословакия.1996. с
117.
9 Okamoto Y., Miyata A.,
Sato Y., Takiguchi <http://jjap.jsap.jp/cgi-bin/findarticle?journal=JJAP&author=H%2ETakiguchi>
H., Kawahara T. and Morimoto J. The Measurement of Annealing Cycle
Effect of Si-Ge-Au Amorphous Thin Film with Anomalously Large Thermoelectric
Power by Using Photoacoustic Spectroscopy // Jpn. J. Appl. Phys. 2003/ V.42
<http://jjap.jsap.jp/archive/JJAP-42.html>. P. 3048-3051.
10
Riffat S. and Ma X. Thermoelectrics: a Review of Present and Potential
Applications // Applied Thermal Engineering, 2003. Vol. 23, pp. 913-935.
HeremansJ.P.
Low-Dimensional Thermoelectricity // Acta Physica Polonica A, 2005. Vol. 108,
№4, P. 609-634.
Ezzahri
Y., Zeng G., Fukutani K., Bian Z. and Shakouri A. A Comparison of Thin Film
Microrefrigerators Based on Si/SiGe Superlattice and Bulk SiGe //J.
Microelectronics, 2008. V.39, pp. 981-991.
Venkatasubramanian
R., Siivola E., Colpitts T. and O’Quinn B. Thin-film Thermoelectric Devices
with High Room-temperature Figures of Merit. // Nature, 2001. Vol. 431, pp.
597-602.
Venkatasubramanian
R., Colpitts T., Watko E., Lamvik M. and El-Masry N. MOCVD of Bi2Te3,
Sb2Te3 and Their Superlattice Structures for Thin-film
Thermoelectric Applications. // Journal of Crystal Growth, 1997. Vol. 170, pp.
817-721.
Funahashi
R., Matsubara I. Thermoelectric properties of Pb- and Ca-doped (Bi2Sr2O4)xCoO2
whiskers // Appl. Phys. Lett.,
2001. V.79. №3. P.
362-365.
Булат
Л.П., Пшенай-Северин Д.А. Влияние туннелирования на термоэлектрическую
эффективность объемных наноструктурированных материалов // Физика твердого
тела, 2010. T. 52, вып.
3. C. 452-458.
Lin
H., Bozin E. S.,Billinge S. L., Quarez E., Kanatzidis M. G. Nanoscale clusters
in the high performance thermoelectric AgPbmSbTem+2
// Phys. Rev. B, 2005. V. 72. N 174113 (pp1-7).
Harman
T., Taylor P., Walsh M. and La Forge B. Quantum Dot Superlattice Thermoelectric
Materials and Devices // Science, 2002. Vol. 297, pp. 2229-2232.
Avto
Tavkhelidze. Large enhancement of the thermoelectric figure of merit in a
ridged quantum well // Nanotechnology, 2009. V. 20. N 405401 (6pp).
Boukai
A., Bunimovich Y., Tahir-Kheli J., Yu J-K, Goddard III. W. and Heath J. Silicon
Nanowires as Efficient Thermoelectric Materials // Nature Letters, 2008. Vol.
451, pp. 168-171.
Hochbaum
A., Chen R., Delgado R., Liang W., Garnett E., Najarian M., Majumdar A. and
Yang P. Enhanced Thermoelectric Performance of Rough Silicon Nanowires //
Nature Letters, 2008. Vol. 451, pp. 163-167.
Keyani
J. and Stacy A.M. Assembly and Measurement of a Hybrid Nanowire-bulk
Thermoelectric Device // Appl. Phys. Lett.,
2006. Vol. 89, P.
233106.
24
Каминский В.В. Термовольтаический эффект в поликристаллическом SmS
<http://peisv.viniti.ru/showa.php?id=576318> // Каминский В.В., Дидик
В.А., Казанин М.М. и др. // Письмо в ЖТФ, 2009. T. 35, № 21.
С. 16-22.