Повышение технических показателей штамповки детали 'Пистон', путем уменьшения количества технологических переходов и операций, увеличения экономии металла
Повышение технических показателей
штамповки детали «Пистон», путем уменьшения количества технологических
переходов и операций, увеличения экономии металла
Аннотация
Объектом разработки является технология изготовления детали «Пистон» методом
листовой штамповки.
Целью данной работы является повышение технических показателей штамповки
детали «Пистон», путем уменьшения количества технологических переходов и
операций, увеличения экономии металла.
Результатом данной работы является разработка ресурсосберегающего
технологического процесса листовой штамповки детали «Пистон». Подобран вариант
раскроя, позволяющего повысить коэффициент использования металла на 0,184.
Содержание
Введение
. Анализ технологичности формы, конструктивных элементов детали
и свойств материала
. Выбор и обоснование вариантов технологического процесса
листовой штамповки детали
. Определение формы и размеров исходной заготовки
4. Раскрой листового
материала
.1 Анализ и выбор возможных
вариантов раскроя
.2 Выбор размеров листа
.3 Расчет коэффициента
раскроя и коэффициента использования металла. Выбор способа разрезки и
определение вида оборудования для резки
. Технологические расчеты
.1 Определение формы и
размеров заготовки по переходам
.2 Расчет потребных сил
штамповки, построение графика расчетных нагрузок
.3 Выбор оборудования
. Расчет и конструирование
оснастки
.1 Выбор конструкций и
описание работы штампов
.2 Расчет исполнительных
размеров рабочих элементов штампа
.3 Определение центра
давления штампа
.4 Проверочный прочностной
расчет деталей штампов
. Выбор смазки и способ ее
нанесения
Заключение
Библиографический список
Приложения
Введение
В настоящее время во всех машиностроительных технологиях и отраслях
промышленности все большее распространение получают детали, полученные ковкой
или листовой штамповкой. На данный момент доля таких деталей составляет около
80% и постоянно увеличивается.
Листовая штамповка в последнее время применяется для изготовления
большего числа деталей. Увеличение числа деталей, получаемых методами листовой
штамповки, связано с тем, что во всех отраслях промышленности идет постоянный
поиск методов наиболее рационального изготовления тех или иных деталей, как с
точки зрения их технологичности, так и с точки зрения экономической эффективности
их изготовления. Также листовая штамповка получила широкое применение из-за
того, что многие детали невозможно изготовить никакими другими методами.
Листовая штамповка является одним из наиболее прогрессивных методов
обработки деталей, так как в большинстве случаев позволяет получать детали, не
требующие дальнейшей механической обработки. В методах листовой штамповки
имеются самые благоприятные условия для максимальной механизации и
автоматизации производственных процессов, что в свою очередь будет способствовать
быстрейшему выполнению задач по повышению эффективности производства и качества
выпускаемой продукции.
В техническом отношении холодная листовая штамповка позволяет:
получать детали весьма сложных форм, изготовление которых другими
методами обработки невозможно или затруднительно;
создавать прочные и жесткие, но легкие по массе конструкции деталей при
небольшом расходе материала;
получать взаимозаменяемые детали с достаточно высокой точностью размеров,
преимущественно без последующей механической обработки.
За основу данного проекта была взята базовая технология штамповки детали
«Пистон».
1. Анализ технологичности формы, конструктивных элементов детали и
свойств материала
В представленной работе разрабатывается технологический процесс на
изготовление детали «Пистон». Данная деталь, представленная на чертеже
1405.041500.050, применяется в жаровых трубах двигателя внутреннего сгорания.
Деталь имеет цилиндрическую форму с небольшим фланцем и отверстием в дне.
По заводской (базовой) технологии все элементы этой детали изготавливаются
методами холодной листовой штамповки со слесарной обработкой между операциями
(зачистка заусенцев).
Анализа формы детали показывает, что наиболее целесообразным и
осуществимым вариантом основной операции является вытяжка детали из плоской
заготовки, поэтому анализ технологичности необходимо выполнять исходя из
условий технологичности деталей, изготовляемых вытяжкой.
Важнейшими критериями технологичности при вытяжке деталей круглой формы с
фланцем являются радиусы закругления между вертикальными стенками и дном и
между боковыми стенками.
В детали эти радиусы составляют соответственно 5,33•S и 5,33•S, что обеспечивает значительный резерв технологичности [1,
табл.35, стр. 45].
Радиус сопряжения вертикальной стенкой и фланца составляет 1,33•S, что меньше допустимого. Диаметр
наименьшего пробиваемого отверстия равен 15•S и вполне допустим [1, табл.27, стр.43].
Таким образом, рассматриваемая деталь в основном технологична, и для нее
можно разрабатывать технологический процесс без предварительного внесения
каких-либо изменений в чертеж детали. Наличие радиуса сопряжения между
вертикальной стенкой и фланцем меньше минимально допустимого потребует
проведения вытяжки с большим радиусом с последующей правкой (калибровкой)
детали до чертежных размеров.
Деталь «Пистон» изготавливается из жаростойкого и жаропрочного сплава,
марки ХН50ВМТЮБ-ВИ (ЭП648-ВИ). Механические и химические свойства сплава
приведены в табл. 1 и табл. 2. На рисунке 1.1 показана деталь Пистон.
Таблица 1 - Механические свойства сплава.
|
Сплав
|
s0.2, МПа
|
sв, МПа
|
y, %
|
d10, %
|
HB,МПа
|
|
ХН50ВМТЮБ-ВИ
|
550
|
930
|
18
|
17
|
2410-3410
|
Таблица 2 - Химический состав сплава.
|
Марка сплава
|
Содержание элементов (не
более), %
|
|
С
|
Si
|
Mn
|
S
|
P
|
Cr
|
Ni
|
|
ХН50ВМТЮБ-ВИ
|
0,10
|
0,40
|
0,50
|
0,010
|
0,015
|
32,0-35,0
|
основа
|
|
Mo
|
Fe
|
W
|
Ti
|
Al
|
B
|
Nb
|
|
2,3-3,3
|
≤4,0
|
4,3-5,3
|
0,5-1,1
|
0,5-1,1
|
≤0,008
|
0,5-1,1
|
|
|
|
|
|
|
|
|
|
|
|
Рисунок 1.1 - Пистон
Для штамповки данной детали необходимо использовать следующие операции
листовой штамповки:
Вырубка;
Вытяжка, несколько операций;
Пробивка дна;
Калибровка радиусов;
Обрезка фланца;
Промежуточная термообработка.
При выполнении операций следует соблюдать определенную последовательность
их выполнения. Калибровку, пробивку и обрезку фланца следует выполнять только
после завершения вытяжки. Промежуточную термообработку следует выполнять между
вытяжками и после последней вытяжки.
Можно совместить следующие операции:
Вырубка и первая вытяжка;
Последняя вытяжка и калибровка;
Обрезка фланца и пробивка дна.
2.
Выбор и обоснование вариантов технологического процесса листовой штамповки
детали
По базовой технологии деталь «Пистон» изготавливается по следующему
технологическому процессу:
1. Резка листа на полосы;
. Контроль;
. Лакирование;
. Вырубка;
.Лакирование;
. Первая вытяжка;
. Обжиг;
. Закалка;
. Слесарная;
.Лакирование;
. Вторая вытяжка;
.Обжиг;
.Закалка;
.Лакирование;
. Третья вытяжка;
. Обжиг;
. Закалка;
. Лакирование;
. Калибровка + пробивка;
. Обжиг;
. Слесарная;
. Обрезка фланца;
. Слесарная;
. Обдувка;
. Слесарная;
. Маркирование;
. Контроль.
Проанализировав форму и конструктивные элементы детали «Пистон», а также
на основании анализа базового технологического процесса можно предложить
следующие альтернативные варианты технологического процесса:
Вариант 1
1. Резка листа на полосы;
. Контроль;
. Лакирование;
. Вырубка + вытяжка;
. Обжиг;
. Закалка;
. Слесарная;
. Лакирование;
. Калибровка + пробивка;
. Обжиг;
. Слесарная;
. Обрезка фланца;
. Слесарная;
. Обдувка;
. Слесарная;
. Маркирование;
. Контроль.
Вариант 2
1. Резка листа на полосы;
. Контроль;
. Лакирование;
. Вырубка + вытяжка;
. Обжиг;
. Закалка;
. Слесарная;
. Лакирование;
. Калибровка;
. Обжиг;
. Слесарная;
. Обрезка фланца
. Пробивка дна;
. Лакирование;
.Отбортовка;
. Обдувка;
. Маркирование;
. Контроль.
По базовому варианту деталь вытягивается за три операции. При
небольшой относительной глубине вытяжку можно делать за две операции, при этом
уменьшить размеры заготовки, так при обрезке фланца оставался достаточно
большой припуск. Обязательной операцией должна быть разупрочняющая термообработка
после каждой вытяжки.
Из предложенных вариантов изготовления детали «Пистон»
наилучшим является вариант 2, так как из всех предложенных вариантов он
является наиболее технологичным. В первом варианте предложено объединение
операции калибровка с пробивкой, что значительно усложнит изготовление оснастки
для осуществления данного перехода.
Второй вариант имеет преимущества перед всеми вариантами, в
том числе и перед базовым, так как уменьшение операций приводит к уменьшению
затрат на изготовление штамповой оснастки, так же уменьшение нормы времени на
изготовление одной детали. Этот вариант примем для детальной проработки.
3. Определение формы и размеров исходной заготовки
Основным правилом для определения размеров заготовок при вытяжке является
равенство объемов заготовки и готовой детали, так как в процессе пластической
деформации объем металла остается постоянным.
Рассматриваемый случай относится к вытяжке без утонения материала.
Следовательно, определение размеров заготовок производится по равенству
площадей поверхности заготовки и детали (с припуском на обрезку).
Вместо вычисления размеров заготовки путем разбивки поверхности детали на
отдельные элементы размеров заготовок для наиболее распространенных форм
вытягиваемых деталей можно использовать формулы [2,стр.95]. На рисунке 3.1
приведена заготовка перед обрезкой фланца и пробивкой дна, её будем
использовать для расчета исходной заготовки.
Рисунок 3.1 - Расчетная заготовка.
Ширину заготовки определяем по формуле:
(3.1),
где
Таким
образом, ширина заготовки:
Длину
заготовки определяем по формуле:
(3.2),
где
Таким
образом, длина заготовки:
Рассмотренные геометрические формулы, естественно не отражают
технологических особенностей вытяжки и, в частности, фактического утонения
металла. При вытяжке как в начальной, так и в конечной стадии в результате
утонения материала происходит увеличение поверхности заготовки, которое
завышает полученный расчётный диаметр заготовки. А истинный диаметр заготовки
находится с учётом коэффициента увеличения поверхности b [2,стр. 99,табл 33]:
,
(3.3)
где
DД и DР - действительные и расчётные размеры заготовки;
β - коэффициент увеличения поверхности, b=0,98
(табл.33,[3])..
Припуск
на обрезку детали составляет: по
- 1мм,
по
- 1,6 мм на сторону [2, стр.99,табл 34,35]. Тогда,
действительный диаметр заготовки с учётом двухстороннего припуска на обрезку
равен:
D = DД + 2d; (3.4)
D1
= 23,903 + 2*1 =
25,903 ≈26 мм;
D2
= 25,687 + 2*1,6 =
28,887 ≈29 мм.
Принимаем действительные размеры заготовки D1=26 мм, D2=29, рис 3.2.
Рисунок 3.2 - Эскиз заготовки.
4. Раскрой листового материала
.1
Анализ и выбор возможных вариантов раскроя
Для получения заготовки по базовой технологии лист размерами 770х1420 мм
режут на полосы, шириной 43,5 мм, рис. 4.1.
Рисунок 4.1 - Базовый вариант раскроя листа.
Рассмотрим дополнительно несколько вариантов раскроя листа на полосы:
Вариант первый - однорядный раскрой полосы, при резке листа поперек его длины,
рис. 4.2.
Вариант второй - однорядный раскрой полосы, при резке листа вдоль его
длины, рис. 4.3.
Рисунок 4.2 - Первый вариант раскроя листа.
Рисунок 4.3 - Второй вариант раскроя листа.
4.2
Выбор размеров листа
Размеры листа выбираем в соответствии с ГОСТ 19904-90,
рис 4.4.
Однорядный раскрой полосы, при резке листа поперек его длины :
1. 700x2200 мм;
2. 1100x2200 мм;
. 1450x3800 мм.
Однорядный раскрой полосы, при резке листа вдоль его длины :
1. 500x1100
мм;
2. 1100x2600 мм;
. 1450x3700 мм.
Рисунок 4.4 - Размеры проката
4.3 Расчет коэффициента раскроя и коэффициента
использования металла. Выбор способа разрезки и определение вида оборудования
для резки
Коэффициент использования металла определяется по формуле:
,
МД
- масса готовой детали, кг;
Н
- норма расхода на одну деталь, кг.
Норма
расхода определяется по формуле:
,
где
М - масса единицы основного материала, используемого для штамповки, кг;
n - количество
деталей, получаемых в результате раскроя единицы основного материала, шт.
Для
определения рационального варианта раскроя листа определим коэффициент
использования, коэффициент раскроя и норму расхода металла по первому варианту
для нескольких листов в соответствии с ГОСТ 19904-90.
1. Выберем следующие размеры листов:
Однорядный раскрой полосы, при резке листа поперек его длины :
) 700x2200 мм;
) 1100x2200 мм;
) 1450x3800 мм.
Масса детали «Пистон»: МД = 0,002 кг.
Массы выбранных листов определяются по формуле:
,
где
V - объем единицы листового материала (листа),
;
ρ- плотность материала, кг/
.
кг;
кг;
кг.
кг;
кг;
кг;
кг.
Коэффициент
раскроя металла определяется по формуле:

,
где
Мз- масса заготовки для одной детали, вычисляемая как масса
материала со сторонами, которые равны ширине полосы (ленты) и шагу штамповки,
кг;
Мд
- масса готовой детали, кг.
Масса
заготовки вычисляется по формуле:
,
где
Vз- объем
материала заготовки для одной детали,м3;
-
плотность материала, кг/м3.
кг;
кг;
;
.
Таблица 3 - Варианты раскроя листа при штамповке детали «Пистон».
|
Первый вариант, при
размерах листа по ГОСТ 19904-90
|
Второй вариант, при размерах
листа по ГОСТ 19904-90
|
Базовый вариант
|
|
700×2200
|
1100×2200
|
1450×3800
|
550×1100
|
1100×2600
|
1450×3700
|
710×1420
|
|
Количество деталей n, шт
|
1820
|
2870
|
6534
|
697
|
3395
|
6348
|
576
|
|
Норма расхода металла H, кг
|
0,005651
|
0,005632
|
0,005633
|
0,00579
|
0,005627
|
0,005645
|
0,01169
|
|
Коэффициент использования
металла Ки
|
0,353920
|
0,355114
|
0,3550506
|
0,3454
|
0,355429
|
0,354296
|
0,171
|
|
Коэффициент раскроя металла
Кр
|
0,4
|
0,4
|
0,4
|
0,4
|
0,4
|
0,4
|
0,294
|
Из выполненных расчетов видно, что применение в качестве исходного
материала листа 1100x2600 с однорядным
раскроем вдоль его длины наиболее эффективно. Выбор этого варианта раскроя
позволяет повысить коэффициент использования металла на 0,184 по сравнению с
базовым вариантом и уменьшить норму расхода металла на 0,006 кг.
Условное обозначение:
Лист
Исходный
материал поступает на завод в виде листов, которые предварительно перед
штамповкой разрезают на полосы. Резка листа на полосы является заготовительной
операцией перед штамповкой и проводится на гильотиновых ножницах, рис. 4.5.
Для
выбора оборудования необходимо знать силу резания и габаритные размеры
разрезаемого материала.
Определим
силу резания [2, табл. 2, стр. 10]:
,
где S -
толщина материала, мм;
φ=2…50 - угол скоса гильотинных ножей;
σср-сопротивление
срезу, МПа;
σср=(0,6…0,8)σВ=(0,6…0,8)930=(558…744)
≈650 МПа
.
С
учетом возможного притупления ножей сила может возрасти на 30% и составит:
.
1 - верхний подвижный нож;
- лента;
- нижний неподвижный нож.
Рисунок 4.5 - Схема гильотинных ножниц.
Резка листа на полосы осуществляется на гильотинных ножницах, и в
результате получаем полосы длиной 2600 мм и шириной 31,4 мм.
По рассчитанной силе резания и размерам листа выбираем кривошипные
наклонные ножницы модели Н406А.
Технические характеристики кривошипных наклонных ножниц модели Н406А
представлены в табл. 4.
Таблица 4 - Технические характеристики кривошипных ножниц модели Н406А.
|
Наибольшие размеры
разрезаемого листа, мм
|
толщина
|
6,3
|
|
ширина
|
5000
|
|
Ход ножа, мм
|
155
|
|
Число ходов ножа в минуту
|
25
|
|
Расстояние между стойками к
свету, мм
|
5050
|
|
Угол наклона верхнего ножа
|
1º30’
|
|
Наибольшая длина листа
отрезаемого по упору, мм
|
1000
|
|
Расстояние от уровня пола
до верхней кромки нижнего ножа, мм
|
800
|
|
Электродвигатель
|
тип
|
АОС-72-4
|
|
Мощность, кВТ
|
20
|
|
число об/мин
|
1350
|
|
в плане
|
3945×6450
|
|
высота
|
2600
|
|
Вес ножниц, тонн
|
29,242
|
|
|
|
|
5.
Технологические расчеты
.1
Определение формы и размеров заготовки по переходам
В соответствии с выбранным вариантом технологического процесса для
изготовления детали «Пистон» необходимо выполнить следующие операции:
1. Разрезка листа на полосы;
. Контроль;
. Лакирование;
. Вырубка + вытяжка;
. Обжиг;
. Закалка;
. Слесарная;
. Лакирование;
. Калибровка;
. Обжиг;
. Слесарная;
. Обрезка фланца ;
. Пробивка дна;
. Лакирование;
. Отбортовка;
. Обдувка;
. Маркирование;
. Контроль.
Полосу подают в штампы для выполнения совмещенных операций вырубки и
вытяжки. Для определения размеров детали после вытяжки необходимо определить
количество потребных операций и максимальную высоту (глубину) вытяжки.
Наибольшая высота вытяжки, которую можно выполнить за одну вытяжку,
,
где k1 - коэффициент, определяемый по [3, табл. 20, стр.
35].
Первую
вытяжку фланцем необходимо выполнить таким образом, чтобы при последующих
вытяжках диаметр фланца DФ не
изменялся.
При
Таким
образом, получаем, что k1=0,82
По
[3, табл. 20, стр. 35], определяем значение коэффициента вытяжки m1:
Определим
наибольшую высоту детали и диаметр, которые можно получить за вытяжку:
.
Определили
наибольшую высоту и диаметр детали, которую можно получить за вытяжку
инженерным методом.
Таким
образом, установили, что за первую операцию можно вытянуть эту цилиндрическую
деталь высотой не более 11,48 мм, а так как нам необходимо получить деталь
высотой 6 мм, можно сделать вывод, что деталь по требуемым размерам можно
получить за одну операцию вытяжки.
На
качество вытяжки очень сильное влияние оказывает радиус сопряжения между
боковыми стенками и фланцевой частью детали. Чем больше этот радиус, тем меньше
вероятность образования дефектов при вытяжке. Поэтому для улучшения течения
металла в месте сопряжения боковых стенок и фланца увеличим этот радиус при
проведении вытяжки до 2 мм, затем выполним операцию калибровки для уменьшения
этого радиуса до размера, требуемого по чертежу детали - 1 мм.
5.2
Расчет потребных сил штамповки, построение графика расчетных нагрузок
Рассчитаем силы, необходимые для изменения формы заготовки на каждом из
технологических переходов.
Вырубка и вытяжка.
Силу вырубки найдем по формуле [3, стр. 19]:
p= 1,3σсрSL;
Это сила соответствует ходу пуансона равному 1,6 мм.
где p - сила вырубки, кН;
-
периметр контура вырубки, мм;
- толщина
материала, мм;
-
сопротивление срезу, зависящее от механических свойств металла, относительной
толщины заготовки, скорости процесса, МПа. Принимается по таблице [2, табл. 221, стр. 510]; 1,3- коэффициент,
учитывающий износ кромок.
=650 МПа;
=90,1818
мм;
кН;
Полная сила вырубки составляет:
=
кН;
Сила
вытяжки определяется по формуле [3, стр. 24]:
p= kσвSLв;
Эта
сила соответствует ходу пуансона равному 6 мм.
где
- периметр сечения вытягиваемой детали в плоскости,
перпендикулярной к направлению вытяжки, мм;
-
коэффициент, учитывающий радиальное напряжение в зависимости от технологических
параметров [3, табл. 10, стр. 26], принимаем
=0,85;
- предел
прочности, МПа. Принимается по таблице [2, табл. 221, стр. 510],
;
мм;
Полная
сила вытяжки:
кН;
Построим
по полученным данным график технологических нагрузок, используя типовые графики
[4, стр. 184], рис. 5.1.
-вырубка;
2-вытяжка
Рисунок
5.1 - График технологических нагрузок:
Рабочий
ход штампа совмещенного действия равен 6,8 мм.
Определим
работу, необходимую для выполнения операций вырубки и вытяжки.
Эскиз заготовки после вырубки и вытяжки представлен на рис. 5.2.
Работу
при вырубке находим для определения запаса энергии, которой должен обладать
пресс. Работа при вырубке находим по формуле [3, стр. 22].
;
где
- усредненная сила вырубки, кН, составляет (в долях от
силы
)
=60…65%
[3, табл. 7, стр. 22].
=
кН;
рабочий
ход пуансона, осуществляемого вырубку, мм
Рабочий
ход
ползуна при вырубке с параллельными режущими ребрами
пуансона и матрицы равен толщине материала S, т.е.
0,8 мм.
Дж;
Отсюда
полная работа вырубки:
39,7 Дж;
Полную
работу операции вытяжки с прижимом определяется по формуле:
,кДж
где
- сила вытяжки, кН;
-глубина вытяжки, мм;
PПРЖ - сила прижима;
кДж.
Рисунок 5.2 - Эскиз заготовки после вырубки и вытяжки
Калибровка.
Эскиз заготовки после калибровки представлен на рис. 5.3.
Сила калибровки, если она выполняется без правки, невелика, и
поэтому ее обычно не рассчитывают.
Рисунок 5.3 - Эскиз заготовки после калибровки
Обрезка фланца.
Эскиз заготовки после обрезки фланца представлен на рис. 5.4.
Силу
обрезки фланца найдем по формуле ([3],стр.19):
Работу
при обрезке фланца находим для определения запаса энергии, которой должен
обладать пресс. Работу находим по формуле ([3], стр.22), кДж:
Рисунок 5.4 - Эскиз заготовки после обрезки фланца
Пробивка дна.
Эскиз заготовки после пробивки дна представлен на рис. 5.5.
Силу
пробивки отверстия определим по формуле:
кН;
Работа
при пробивке:
кДж.
Рисунок 5.5 - Эскиз заготовки после пробивки дна
Отбортовка.
Эскиз заготовки после отбортовки представлен на рис. 5.6.
Сила, необходимая для отбортовки :
,
где
- диаметр получаемого отверстия,
- диаметр исходного отверстия.
Рисунок 5.6 - Эскиз заготовки после отбортовки
5.3
Выбор оборудования
Выбор оборудования осуществляется по типовым графикам технологических
нагрузок [4, рис. 7.1, стр. 128], номинальному рабочему графику и расчетным
силам деформирования. На основании выполненных расчетов установили, что наибольшие
силы деформирования будут при вырубке заготовки и вытяжке и обрезке фланца.
Поэтому пресс выбираем именно по этим силам:
кН,
кН,
кН.
Номинальный
ход пресса при вырубке и обрезке фланца:
;
где a=0,06мм коэффициент, который
определяется по типовому графику [4, стр. 128].
Номинальный ход пресса при вытяжке:
листовой штамповка деталь пистон
;.
Суммарный
номинальный ход будет равен:
;
Номинальная
сила пресса должна составлять не менее:
При
вырубке:
кН,
При
обрезке фланца:
кН,
При вытяжке:
кН.
Сила
пресса обычно берется значительно больше расчетной силы для увеличения запаса
жесткости и повышения надежности и долговечности пресса и штампа.
По
расчетам номинальной силы деформирования и номинального хода пресса выбираем
пресс однокривошипный простого действия открытый не наклоняемый с номинальной
силой 250 кН модели КД2322. Технические характеристики пресса представлены в
табл. 5.
Таблица
5 - Технические характеристики пресса модели КД2322.
|
Параметр
|
Норма
|
|
Номинальная сила, кН
|
250
|
|
Ход ползуна, мм наибольший
наименьший
|
80 5
|
|
Частота ходов ползуна,
мин-1 непрерывных нерегулируем одиночных
|
180 56
|
|
Наибольшее расстояние между
столом и его нижнем положении при наибольшем ходе, мм
|
280
|
|
Величина регулировки
расстояния между столом и ползуном, мм
|
55
|
|
Расстояние от оси ползуна
до станины, мм
|
190
|
|
Размеры стола, мм слева
направо спереди назад
|
500 340
|
|
Размеры отверстия в столе
|
250×170
|
|
Мощность электродвигателя,
кВт
|
2,5
|
|
Габаритные размеры, мм в
плане высота
|
1200×1220
2140
|
|
Масса, т
|
2,21
|
Для калибровки, пробивки и обрезки фланца также выбираем
данный пресс.
6.
Расчет и конструирование оснастки
.1
Выбор конструкций и описание работы штампов
Штамп совмещенного действия для вырубки и вытяжки
В штампе совмещенного действия выполняются следующие операции: вырубка
исходной заготовки и вытяжка с фланцем. Для выполнения этих операций будем
использовать штамп с нижним расположением вырубной матрицы и вытяжного пуансона
и верхним расположением пуансон-матрицы, служащей для вырубки исходной
заготовки и последующей вытяжки из нее цилиндрического стакана. Для снятия
полосы с вырубного пуансона после вырубки необходимо предусмотреть съемник. Для
снятия готовой детали с вытяжного пуансона, а также для выталкивания готовой
детали из пуансон-матрицы применяются нижний и верхний выталкиватели.
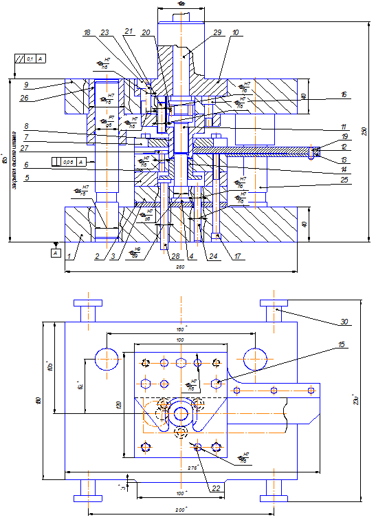
Штамп работает следующим образом. Полоса исходного материала
устанавливается на матрице 7 и фиксируется на ней упором 36 и планкой 17. При
опускании верхней плиты режущая кромка пуансон-матрицы 9 осуществляет вырубку
исходной заготовки. После вырубки заготовка ложится на вытяжной пуансон и при
дальнейшем опускании верхней плиты пуансон-матрица 9 выполняет вытяжку
цилиндрического стакана необходимой высоты. Выталкиватель 15 при вытяжке играет
роль прижима, т.е. он прижимает заготовку к торцу пуансон-матрицы 9. Удаление
детали после штамповки из вырубной матрицы осуществляется при помощи
выталкивателя 19, получающего движение от толкателя 37. Для удаления детали из
пуансон-матрицы 9 служит выталкиватель 15 посредством штифта 30. Деталь
удаляется вручную пинцетом.
Штамп для калибровки
В штампе для калибровки выполняется следующая операция: калибровка
заготовки. Для выполнения этой операции будем использовать штамп с нижним
расположением калибровочной матрицы и верхним расположением калибровочного
пуансона.
Штамп для обрезки фланца
В штампе для обрезки фланца выполняется следующая операция: обрезка
фланца заготовки. Для выполнения этой операции будем использовать штамп с
верхним расположением вырубной матрицы и нижним расположением пуансона.
Штамп для пробивки дна.
В штампе для пробивки дна выполняется следующая операция: пробивка дна
заготовки. Для выполнения этой операции будем использовать штамп с нижним
расположением матрицы и верхним расположением пуансона.
Штамп для отбортовки.
В штампе для отбортовки выполняется следующая операция: отбортовка
заготовки. Для выполнения этой операции будем использовать штамп с нижним
расположением матрицы и верхним расположением пуансона для отбортовки.
Схемы штампов приведены в приложениях.
6.2
Расчет исполнительных размеров рабочих элементов штампа
Инструмент для вырубки.
При вырубке заготовки матрица определяет размер детали и поэтому она
является основной рабочей деталью, а пуансон дорабатывается по матрице с
определенным зазором.
Исполнительные
размеры матрицы определяются по формуле
,
где
LН -
номинальный размер детали(заготовки), мм;
ПИ
- припуск на износ матрицы;
-
предельные отклонения исполнительного размера матрицы.
Припуск
на износ и предельные отклонения исполнительного размера матрицы составляют для
размера заготовки 29 мм:
ПИ
=0,140мм;
=0,035мм.
Таким
образом, исполнительный размер матрицы будет составлять:
мм;
Припуск
на износ и предельные отклонения исполнительного размера матрицы составляют для
размера заготовки 26 мм:
ПИ
=0,120мм;
=0,035мм.
Таким
образом, исполнительный размер матрицы будет составлять:
мм.
Исполнительные
размеры сопрягаемой детали (пуансона) подгоняются по размерам основной детали с
зазором z и допуском на зазор Dz.
;
При
S=0,8 мм z=0,063 мм, Dz=+0,020 ([4], табл.14, стр.67).
мм;
мм.
Форма
и наружные размеры матрицы определяются формой и размерами штампуемой детали.
Высоту вырубной матрицы определим по формулам:
где HM -толщина матрицы;
S -
толщина штампуемого материала;
КМ =1,3 ([6], стр.76), a=29 мм и b=26
мм.
Из двух значений выбираем большее значение НМ и округляем его
до большего стандартного значения.
Получили Нм=20 мм.
Далее определим наружный размер матрицы.
Наружный диаметр матрицы принимается в зависимости от размеров рабочей
зоны матрицы a=29 и b=26 и должен составить ([4], табл.17, стр. 75) A=120 мм и B=100 мм.
Для крепления матрицы с такими размерами необходимо использовать винты М8
и штифты диаметром 6 мм ([4], табл.18, стр.77). Координаты отверстий для
крепления матрицы определяют по следующей формуле (см. рис.6.1):
мм;
мм.
Из
двух значений выбираем большее значение
и округляем его до большего стандартного значения.
Получили
Нм=75 мм.
Вырубной
пуансон в данном случае совмещается с матрицей для вытяжки поэтому его полная
высота с учетом расположения в нем выталкивателя составит 50 мм с учетом
возможности переточки.
Аналогично
определяем исполнительные размеры матрицы и пуансона для операций обрезка
фланца и пробивка дна, табл.6.
Таблица 6 - Исполнительные размеры матрицы и пуансона для операций
обрезка фланца и пробивка дна.
Инструмент для вытяжки
Исполнительные размеры инструмента для вытяжки будем определять с учетом
допуска на готовую деталь, так как вытяжка в нашем случае выполняется за одну
операцию.
,
где
В - номинальный размер изделия;
D
-предельное отклонение номинального размера штампуемого изделия;
zвт -односторонний зазор при вытяжке, который для стали
определяется по формуле:
,
где
S - толщина штампуемого материала, мм.
.
Таким
образом, исполнительные размеры пуансона и матрицы для вытяжки составят:
мм;
мм.
Наружные
размеры вытяжной матрицы будут равны исполнительным размерам вырубного
пуансона.
6.3
Определение центра давления штампа
Для правильной уравновешенной работы штампа необходимо вырубаемый или
вытягиваемый контур расположить на матрице таким образом, чтобы центр давления
совпадал с осью хвостовика. В противном случае в штампе возникают перекосы,
несимметричность зазора, износ направляющих, а возможна и поломка штампа.
Так как заготовка, получаемая на первом технологическом переходе
осесимметричная в плане, то геометрические центры штампа для совмещенной
вырубки и вытяжки и детали совпадают с осью симметрии заготовки.
6.4
Проверочный прочностной расчет деталей штампов
Расчет вырубной матрицы
Проверка пробивных и вырубных матриц выполняется специальным расчетом,
основанным на определении напряжений, возникающих в опасном сечении. Опасным
является сечение, проходящее через отверстия, острые углы и др. При расчете
исходят из того, что сила, распирающая матрицу в опасном сечении, составляет не
менее 40 % технологического усилия. Проверку выполняем по[5, стр. 15].
,
где
[σр]-
допускаемое напряжение на разрыв ( [σр]=250 МПа
);
Р-
технологическая сила (сила пробивки), Н;
F- площадь
опасного сечения, мм2 .
В
нашем случае для вырубной матрицы опасным будет являться сечение, проходящее
через ось симметрии через отверстия под штифты.
Площадь
опасного сечения определили графически, используя чертеж матрицы и она
составляет 3422 мм2.
.
Таким образом, получили, что расчетное напряжение на разрыв не превышает
допустимого напряжения, следовательно, условие прочности пуансон-матрицы на
разрыв выполняется.
Форма и наружные размеры матрицы определяются формой и размерами штампуемой
детали. Высоту вырубной матрицы определим по формулам:
где HM -толщина матрицы;
S -
толщина штампуемого материала;
КМ =1,3 ([5], стр. 76), a=29 мм и b=26
мм.
Из двух значений выбираем большее значение НМ и округляем его
до большего стандартного значения.
Получили Нм = 20 мм.
Далее определим наружный размер матрицы.
Наружный диаметр матрицы принимается в зависимости от размеров рабочей
зоны матрицы a=29 и b=26 и должен составить [5, табл. 17, стр. 75] A=120 мм и B=100 мм.
Для крепления матрицы с такими размерами необходимо использовать винты М8
и штифты диаметром 6 мм [5, табл. 18, стр. 77]. Координаты отверстий для
крепления матрицы определяют по следующей формуле:
мм;
мм.
Из
двух значений выбираем большее значение
и округляем его до большего стандартного значения.
Получили
Dм = 75 мм.
Расчет
вырубного пуансона
Вырубной пуансон необходимо проверять на смятие опорной поверхностью
головки пуансона поверхности плиты и на сжатие и продольный изгиб самого
пуансона в наименьшем сечении [5]. Напряжение смятия поверхности головки
вычисляют по формуле:
,
где
Р - технологическая сила, воспринимаемая пуансоном, Н;
Fгол.
-площадь поверхности головки пуансона, мм2.
[σсм]=300…400
МПа.
мм2.
МПа.
Расчетное
напряжение на смятие не превышает допустимого напряжения, следовательно,
условие прочности на смятие для пробивного пуансона выполняется.
Проверку
на сжатие осуществляется с учетом продольного изгиба.
Определим
коэффициент φ
понижения допускаемого напряжения σсж,
зависящий от условной гибкости пуансона и учитывающий возможную потерю
устойчивости пуансона (его продольный изгиб), который зависит от параметра:
,
где
hп - длина
рабочей части пуансона, мм;
Fраб - площадь рабочей части пуансона, мм;
I - минимальный
осевой момент инерции поперечного сечения рабочей части пуансона, мм4.
.
φ=0,72 ([5], стр. 102).
Напряжение
сжатия вычисляется по формуле:
,
где
Р - сила воспринимаемая пуансоном, Н;
Fк - площадь контакта рабочего торца пуансона со
штампуемым материалом, мм2;
[σсж ] -
допускаемое напряжение на сжатие для стали У8А составляет 1600 МПа.
МПа<
[σсж].
Расчетное
напряжение на сжатие не превышает допустимого напряжения, следовательно,
условие прочности на сжатие для пробивного пуансона выполняется.
Так
как напряжение смятия σсм не
превышает 100 МПа, то подкладную плитку под пуансон ставить необязательно.
Выбор
плит штампа и направляющих узлов
Размеры
в плане нижней и верхней плит определяются из конструктивных соображений по
размерам пакета. Габаритные размеры нижней плиты должны обеспечивать
возможность крепления нижней части штампа на столе пресса. Размеры в плане
верхней плиты не должны превышать размеров нижней плиты и также должны
обеспечить возможность крепления к ползуну пресса.
Для
изготовления плит штампов необходимо по возможности использовать стандартные
заготовки. Поэтому выбираем для плит штампа совмещенного действия заготовки по
ГОСТ 13114-75. Размеры плит выбираются из стандартного ряда с учетом
возможности размещения на них пакета и направляющих узлов и составляют 250x180
мм. Высота нижней плиты выбирается в зависимости от площади ее опорной
поверхности на основании опытных данных [4, стр.41].
Площадь
опорной поверхности нижней плиты будет составлять не менее 450 см2,
поэтому высота нижней плиты в данном случае должна составлять 40 мм.
Выбор
размеров направляющих узлов основан на габаритных размерах нижней плиты и
действующей на нее силе [4, стр. 17]. При заднем расположении направляющих
узлов диаметр направляющих колонок определяется по формуле:
,
а затем увеличивается до следующего стандартного значения [4, стр.41].
мм.
Принимаем
dнп=25 мм.
Габаритные
размеры верхней плиты принимаем равными габаритным размерам нижней плиты 250x180
мм, а ее толщину выбираем в зависимости от размеров хвостовика, которые в свою
очередь определяются размерами отверстия в ползуне пресса. В выбранном для
выполнения данного технологического перехода прессе диаметр отверстия под
хвостовик составляет 100 мм, поэтому выбираем хвостовик с буртиком по ГОСТ
16718-71 диаметром 100 мм и длинной 85 мм. Длина посадочной части хвостовика
составляет 20 мм, поэтому толщина верхней плиты должна составлять не менее 20
мм, в данном случае составляет 40 мм.
7.
Выбор смазки и способ ее нанесения
Так как основной операцией в технологическом процессе
является вытяжка, то подбор смазки будем вести именно для вытяжки.
Назначение смазки при вытяжке заключается в уменьшении трения
между материалом и инструментом, снижении напряжения в металле и предохранении
штампов и изделий от налипания, задиров и царапин.
Смазка должна обладать следующими свойствами:
- давать хорошее прилипание и равномерное
распределение смазывающего слоя по поверхности;
- легко удаляться с поверхности детали;
- не портить механически и химически
поверхность инструмента и детали;
- быть химически стойкой и безвредной.
По заводской базовой технологии применяется лакирование. В
данном варианте технологии листовой штамповки детали «Пистон» также будет
использоваться лакирование, ЛАК ПЕРХЛОРВИНИЛ АК-113 по ГОСТ 23832-79 с двух
сторон.
Нанесение лака будет производиться вручную кистью в вытяжной
камере.
Заключение
В данной работе была проанализирована базовая (заводская) технология и
предложены два варианта разработки технологического процесса изготовления
детали «Пистон», проведен анализ рационального варианта технологического
процесса получения детали «Пистон», спроектирован рациональный раскрой
листового материала, выполнены технологические расчеты, спроектирована
оснастка.
Цель проекта, а именно повышение показателей эффективности
использования металла и сокращение технологических операций и переходов при
изготовлении детали «Пистон» методом листовой штамповки в условиях
мелкосерийного производства, была достигнута. За счёт обоснованного уменьшения
размеров исходной заготовки и выбора рационального раскроя полосы. Был
предложен новый рациональный вариант технологии изготовления детали, который
позволяет сократить время изготовления детали, и не усложняет конструкцию
штампов.
Библиографический
список
1. Ресурс пластичности металлов при обработке давлением
/ Богатов А.А., Мижрицкий О. И., Смирнов С. В. - М.:Металлургия, 2014. - 144с.
2. Романовский В.П. Справочник по холодной штамповке. -
6-е изд. перераб и доп. - Л.: Машиностроение, 2009. - 520 с.
. Технология листовой штамповки. Курсовое
проектирование / Стеблюк В.И. и др.-Киев: Вища школа. Головное изд-во,2009. -
280 с.
. Кузнечно-штамповочное оборудование: Учебник для
машиностроительных вузов / А.Н. Банкетов, Ю.А. Бочаров и др.; Под ред. А.Н.
Банкетова. - 2-е изд., перераб. и доп. - М.: Машиностроение, 2012. - 576 с.
. Справочник конструктора штампов: Листовая
штамповка/Под общ. ред. Л.И.Рудмана. - М.: Машиностроение
Приложение А (справочное)
Схема штампа совмещенного действия для вырубки и вытяжки.
Приложение Б (справочное)
Схема штампа для калибровки.
Приложение В (справочное)
Схема
штампа для обрезки фланца.
Приложение Г (справочное)
Схема
штампа для пробивки дна.
Приложение Д (справочное)
Схема штампа для отбортовки.