Проектирование автоцистерны для перевозки светлых нефтепродуктов, на шасси автомобиля КАМАЗ
Задание на
курсовой проект
Спроектировать АЦ для перевозки светлых нефтепродуктов, на шасси
автомобиля КАМАЗ, максимальный объемом перевозимого груза 9,5 м3, с 2 видами
одновременно перевозимого груза.
Содержание
Задание на курсовой проект
Введение
. Определение вместимости цистерны
. Определение геометрических размеров цистерны
. Выбор конструкционного материала
. Определение расчетного давления в цистерне
. Расчет толщины стенки цистерны
. Расчет устойчивости цистерны
. Выбор насосного оборудования
. Определение числа волнорезов
. Оборудование цистерны
.1 Насос
.2 Клапан дыхательный
.3 Донный клапан
.4 Фильтр предварительной очистки
.5 Ограничитель уровня налива
.6 Перепускной клапан
.7 Манометр «POCMA» коррозионностойкий и виброустойчивый.
.8 Кран шаровой ДУ-80
.9 Клапан малых дыханий К5852
.10 Наливной люк
.11 Уровнемер герконовый магнитный поплавковый ПМП-118
.2 Площадка и лестница
.13 Заземляющее устройство УЗА-4К-01
.14 Напорно-всасывающие рукава Gassoflex Ду 75 мм
.15 Быстроразъемное соединения (БРС) Камлок Ду-80 тип B
.16 Блок управления
.17 Огнетушитель ОП-4
. Описание технологических операций
Заключение
Список сокращений
Список использованных источников
Введение
В настоящее время для транспортирования энергоносителей используют
железнодорожный, водный, автомобильный и трубопроводный транспорт. Наиболее
удобным и выгодным видом перевозки опасных грузов является автомобильный
транспорт.
Автотранспортом можно перевозить все типы углеводородных жидкостей. В
нашей стране его применяют для транспортирования нефтепродуктов и сжиженных
углеводородных газов.
Автомобильный транспорт используется для завоза нефтегрузов потребителям,
удаленным на небольшое расстояние от источников снабжения (наливных пунктов,
складов и баз). Например, автотранспортом отгружаются нефтепродукты с нефтебаз
в автохозяйства, на автозаправочные станции и сельские склады горючего.
Основными достоинствами автомобильных перевозок являются:
- высокая маневровая подвижность, позволяющая быстро сосредо-тачивать
транспортное средство в необходимом количестве и в нужном месте;
- способность доставки грузов от склада отправителя до склада получателя
без дополнительных перевалок в пути следования;
более высокая скорость доставки грузов, а в некоторых случаях и более
короткий путь перевозки;
широкая сфера применения по видам сообщений, возможность доставки груза
небольшими партиями.
Одним из видов автомобильного транспорта, предназначенного для перевозки
опасных грузов, являются АЦ, которые значительно упрощают нашу жизнь. В них
сосредоточено много механизмов, которые уменьшают время слива, время налива,
увеличивают безопасность.
1. Определение вместимости цистерны
Геометрическая вместимость цистерны должна быть больше эксплуатационной
на величину расширения НП, объема невыбранного остатка и объема занимаемого
внутреннего оборудования, м3:
(1)
автоцистерна перевозка
нефтепродукты
где
коэффициент, учитывающий объем невыбранного остатка и объем,
занимаемый внутренним оборудованием цистерны;
эксплуатационная вместимость цистерны, м3;
коэффициент, учитывающий объем температурного расширения НП.
м3.
Коэффициент, учитывающий объем невыбранного остатка и объем, занимаемый
внутренним оборудованием цистерны:
(2)
где
то же, что в формуле (1).
Коэффициент, учитывающий объем температурного расширения НП:
(3)
где
относительный коэффициент температурного расширения НП;
максимальный эксплуатационный перепад температур.
Для расчетов принимаем
оC-1,
оC.
Геометрическая вместимость цистерны по формуле (1):
м3.
Вычисленное значение геометрической вместимости не должна быть больше чем
предельная вместимость цистерны.
Найдем предельную вместимость цистерны, м3:
(4)
где
допустимая грузоподъемность транспортной базы, т;
масса специального оборудования, т;
плотность перевозимого НП, т/м3.
Выбираем в качестве 2 перевозимых видов топлива бензина, марки АИ-95
неэтилированный с плотностью
т/м3 и бензин АИ-98 с плотностью
т/м3 [1].
Для проектирования АЦ принимаем шасси автомобиля КамАЗ 53215. Допустимая
грузоподъемность
кг.
Технические характеристики базового шасси КамАЗ 53215:
колесная формула: 6
4;
снаряженная масса: 7500 кг;
полная масса: 19650 кг;
длина шасси: 7190 мм;
ширина шасси: 2500 мм;
высота шасси: 2850 мм.
На АЦ масса специального оборудования по отношению к допускаемой
грузоподъемности транспортной базы составляет при использовании углеродистых и
легированных сталей 20-32%:
(5)
где
то же, что в формуле (4).
т.
Предельная вместимость цистерны по формуле (4):
м3.
Проверяем выполнения условия:
(6)
где
то же, что в формуле (1);
то же, что в формуле (4).
условие выполняется.
2.
Определение геометрических размеров цистерны
Есть разные виды цистерн, цилиндрические, эллиптическая и чемоданная.
Выбираем эллиптическую форму поперечного сечения.
Площадь поперечного сечения цистерны, м2:
(7)
где
размер большей полуоси элипса, м;
размер малой полуоси элипса, м;
Значение подбираем исходя из размеров базового шасси. Для расчетов
принимаем
м,
м.
м2.
Длина цистерны, м:
(8)
где
то же, что в формуле (1);
то же, что в формуле (7).
м.
3. Выбор
конструкционного материала
Выбираем материал, из которого будет изготовлена цистерна, необходима
учитывать ГОСТ 380-94 и ГОСТ 5520-79 [2] [3]. Для проектирования выбираем сталь
низколегированную 10Г2С1.
Массовая доля элементов, %: С=0,12, Si=0,8-1,1, Mn=1,3-1,65,
S
0,04, Р
0,035, Ni
0,3, Cr
0,3, N
0.008, Cu
0,3, As
0,08.
Механические характеристики:
предел текучести
т=345 Н/мм2;
временное сопротивление разрыву
в=490 Н/мм2.
Допускаемые напряжения, Н/мм2:
(9)
где
нормативное допускаемое напряжение, Н/мм2;
поправочный коэффициент, учитывающий условия эксплуатации
цистерны.
Для расчетов принимаем
За нормативное допускаемое напряжение принимаем меньшее из двух значений:
(10)
где
предел текучести стали, Н/мм2.
(11)
где
временное сопротивление разрыву, Н/мм2.
По формуле (10):
Н/мм2.
По формуле (11):
Н/мм2.
Принимаем
Н/мм2.
Тогда по формуле (9) допускаемые напряжения:
Н/мм2.
4.
Определение расчетного давления в цистерне
Расчетное давление в цистерне, МПа:
(12)
где
- давление насыщенных паров НП в зависимости от вида НП,
МПа;
- коэффициент вертикальных нагрузок;
- гидростатическое давление, МПа;
- коэффициент горизонтальных нагрузок;
- расчетное динамическое давление, МПа.
Для расчетов принимаем
Давление насыщенных паров
МПа [4].
(13)
где
- то же, что в формуле (12).
Гидростатическое давление, Па:
(14)
где
- высота налива НП, принимаем 1,4 м;
- то же, что в формуле (4);
- ускорение свободного падения,
.
Па = 0,010713 МПа.
Расчетное динамическое давление, МПа:
(15)
где
- масса продукта, кг;
- максимальная скорость, развиваемая автоцистерной,
принимаем 25 м/с;
- тормозной путь автомобиля, м;
то же, что в формуле (7).
(16)
где
- то же, что в формуле (15).
м.
Масса продукта, кг:
(17)
где
- то же, что в формуле (1);
- то же, что в формуле (4).
кг.
Расчетное динамическое давление по формуле (15):
Па
МПа
Расчетное давление в цистерне по формуле (12):
МПа.
5. Расчет
толщины стенки цистерны
Толщина стенки автомобильной цистерны определяется по следующей формуле:
(18)
где
- толщина стенки цистерны;
то же, что в формуле (9);

то же, что в формуле (12);
коэффициент учитывающий уменьшение прочности сварных швов,
принимаем 0,1;
- внутренний диаметр цистерны, м.
Эквивалентный диаметр цистерны, м:
(19)
где
- то же, что в формуле (7).
м.
Толщина стенки цистерны по формуле (18):
мм.
Исходя из ГОСТ 50913-96, цистерны, имеющий внутренний диаметр менее 1,8
должны иметь толщину стенки не менее 5 мм [5]. По сортаменту ГОСТ 5520-79
принимаем значения толщины стенки 7 мм [3]
6. Расчет
устойчивости цистерны
Нарушение устойчивости АЦ в продольном направлении возможно при аварии. К
случаям поперечного нарушения устойчивости относятся боковое скольжение и
опрокидывание, которые могут возникнуть при движении по наклонной плоскости или
радиусу, а так же от воздействия бокового давления.
Вероятность бокового опрокидывания зависит от соотношения ширины
транспортной базы и высоты центра тяжести и оценивается коэффициентом боковой
устойчивости против опрокидывания:
(20)
где B - ширина колеи;
Z -
высота центра тяжести.
Ширина колеи для автомобиля КамАЗ 53125 равна 2,05 м, высота центра
тяжести равна 1,2 м.
Скорость опрокидывания, м/с:
(21)
где R - радиус поворота базы автомобиля,
м;
то же, что в формуле (20);
то же, что в формуле (20);
- то же, что в формуле (14).
Радиус поворота базы автомобиля КамАЗ 53215 равен 9,8 м.
Скорость скольжения автомобиля при повороте:
(22)
где
- коэффициент сцепления шин с дорогой;
то же, что в формуле (21);
- то же, что в формуле (14).
Для сухого асфальта принимаем коэффициент сцепления шин с дорогой равный
0,8.
При повороте боковой занос возникает раньше, чем опрокидывание, учитывая
поперечный крен на повороте 6-7%, предельную скорость поворота рассчитывается и
уменьшается на 15%, м/с:
(23)
где
то же, что в формуле (21);
м/с.
Опрокидывающий момент, Н
м:
(24)
где
- то же, что в формуле (21);
то же, что в формуле (39);
то же, что в формуле (43).
Удерживающий момент, Н
м:
(25)
где
- полная масса автомобиля, равна 19650 кг;
то же, что в формуле (20);
то же, что в формуле (14).
Условие устойчивости:
(26)
где
- то же, что в формуле (25);
- то же, что в формуле (24).
Условие выполняется, ограничение скорости при повороте автомобильной
цистерны не требуется.
7. Выбор
насосного оборудования
Требуемая производительность насоса, м3/ч:
(27)
где n - количество отсеков;
V -
объем отсеков, м3.
м3/ч.
Для перекачки данного топлива выбираем насос 1СВН-80А с подачей
м3/ч [6].
Секундный расход, м3/с:
(28)
где Qн - номинальная производительность,
м3/ч.
м3/с.
Диаметр необходимого трубопровода, м:
(29)
где W - скорость перекачивания, м/с;
- то же, что в формуле (28).
Для расчетов принимаем
м/с.
м.
По ГОСТ 50913-96 принимаем диаметр трубопровода
м [5].
Уточняем скорость перекачивания:
(30)
где
- то же, что в формуле (29);
- то же, что в формуле (28).
м/с.
Следующим пунктом подсчитаем число Рейнольдса:
(31)
где
- кинематическая вязкость нефтепродукта, сСт;
- то же, что в формуле (29);
- то же, что в формуле (30).
Кинематическая вязкость бензина при t = 20o
равна 0,6 сСт.
Давление во всасывающем трубопроводе:
(32)
где Ра - атмосферное давление, Па;
- то же, что в формуле (4);
- то же, что в формуле (14);
- высота взлива нефтепродукта, м;
- то же, что в формуле (30);
- то же, что в формуле (29);
ξ - коэффициент местных потерь;
λ - коэффициент гидравлического
сопротивления;
L -
длина всасывающего трубопровода, м.
Высота взлива
м.
Длину всасывающего трубопровода примем равной 4 м [3].
Коэффициент гидравлического сопротивления:
(33)
где
- то же, что в формуле (31);
Коэффициент местных потерь ξ складывается из гидравлических
сопротивлений напорного трубопровода:
сопротивление 2 входов,
;
сопротивление 6 кранов шаровых,
;
сопротивление фильтра грубой очистки,
;
сопротивление выхода,
.
(34)
Давление во всасывающем трубопроводе по формуле (51):
Потери в нагнетательном трубопроводе:
(35)
где ξ - то же, что в формуле (34);
λ - то же, что в формуле (32);
L -
длина нагнетательного трубопровода, м;
- то же, что в формуле (29);
- то же, что в формуле (14);
- то же, что в формуле (30).
Длину нагнетательного трубопровода примем равной 4 м [3].
Потери в нагнетательном трубопроводе по формуле (35):
Напор, создаваемый насосом на выходе, должен быть больше потерь в
нагнетательном трубопроводе:
(36)
где Н - напор, создаваемый насосом на выходе, м.
- то же, что в формуле (35).
Напор, создаваемый насосом 1СВН-80А на выходе, равен 26 м.
Условие выполняется.
10.
Определение числа волнорезов
Для АЦ должно выполняться следующее условие - расстояние между двумя
волнорезами должно быть меньше 1,75 м, но объем цистерны между двумя
волнорезами не должен превышать 7,5 м3. Таким образом, число волнорезов для
проектируемой цистерны: 2 штуки. Толщина перегородок, волнорезов должна быть не
менее толщины стенки цистерны, то есть в нашем случае это 7 мм [3].
11.
Оборудование цистерны
.1 Насос
Таблица 1 - Технические характеристики насоса 1СВН-80А
|
Наименование показателя
|
1СВН-80А
|
|
Тип насоса
|
самовсасывающий, вихревой,
одноступенчатый, горизонтальный
|
|
Подача, /ч
|
32
|
|
Напор, м
|
26
|
|
Частота вращения, об/мин
|
1450
|
|
Мощность насоса, кВт
|
7,5
|
Рисунок 1 - Габаритные и присоединительные размеры насоса 1СВН-80А
Насос 1СВН-80А (рисунок 1) предназначен для перекачивания чистых, без
механических включений, жидкостей: воды, бензина, керосина, дизельного топлива,
спирта и других нейтральных жидкостей в диапазоне температур от -40°C до +50°C
и плотностью не более 1000 кг/м3.
Привод насоса осуществляется от двигателя машины или трактора, через
коробку отбора мощности и промежуточную трансмиссию или от электродвигателя при
стационарной установке. Технические характеристики насоса представлены в
таблице 1 [6].
11.2 Клапан
дыхательный
Клапан дыхательный УД 2-80 (рисунок 2), устройство с пневмоуправлением,
предназначено для системы отвода паров из цистерны при заполнении и сливе
нефтепродукта. При транспортировании нефтепродукта выполняет функцию
дыхательного клапана. При опрокидывании цистерны предотвращает утечку
нефтепродукта в окружающую среду, а огневой предохранитель защищает от
проникновения пламени.
Устройство дыхательное УД 2-80 выполняет следующие функции:
открывается при возникающем давлении воздуха;
предотвращает опасное повышение давления в цистерне;
предотвращает опасное понижение давления в цистерне;
обеспечивает герметичность цистерны в случае её опрокидывания.
Устройство дыхательное предназначено для эксплуатации в районах с
умеренным климатом при температуре окружающего воздуха от минус 45 до плюс 50
°С.
Огневой предохранитель, входящий в состав устройства дыхательного
защищает от проникновения пламени.
Технические характеристики дыхательного клапана представлены в таблице 2
[6].
При увеличении давления внутри резервуара (автоцистерны) паров топлива
свыше 0,25кгс/см2 (это происходит в результате закачивания топлива или при
температурном его расширении) клапан давления поднимается, сжимая пружину. Пары
топлива через зазор между корпусом и крышкой выходят в атмосферу. Давление в
резервуаре (автоцистерне) снижается и по достижении 0,25кгс/см2 клапан давления
под действием пружины закрывается.
Таблица 2 - Технические характеристики дыхательного клапана УД 2-80
|
Наименования показателя
|
УД 2-80
|
|
Пропускная способность
|
45...55
|
|
Рабочее избыточное
давление, МПа
|
0,005...0,0063
|
|
Рабочее вакууметрическое
давление, МПа
|
0,0015...0,0025
|
|
Избыточное давление полного
открытия, МПа
|
0,0080...0,0100
|
|
Вакууметрическое давление
полного открытия, МПа
|
0,0025...0,0032
|
|
Температура окружающей
среды, °С
|
-40...+50
|
|
Масса, кг, не более
|
3,7
|
Рисунок 2 - Клапан дыхательный УД 2-80
.3 Донный
клапан
Донный клапан Ф100 Civacon (рисунок 3) предназначен для нижнего слива НП
из АТЗ. Конструкция донного клапана проста, обеспечивает безопасность, защиту
окружающей среды, позволяет использовать донный клапан в сочетании с другими
изделиями.
Устанавливается на автомобильных средствах транспортировки и заправки
светлых НП.
Донный клапан является запорной арматурой, устанавливается на дне
цистерны. Защитная сетка донного клапана препятствует проникновению грязи,
посторонних предметов, как при сливе, так и при наливе НП. Технические
характеристики донного клапана представлены в таблице 3 [6].
Таблица 3 - Технические характеристики донного клапана
|
Рабочее давление, бар
|
5
|
|
Максимальная пропускная
способность, л/мин
|
2 500
|
|
Операционное давление
воздуха, бар
|
3 - 7,5
|
|
Внешний диаметр, мм
|
222
|
|
Условный проход, мм
|
|
Диаметр по крепежным
отверстиям, мм
|
190
|
|
Диаметр по сетчатому
фильтру, мм
|
149
|
|
Температура эксплуатации,
°C
|
-40...+50
|
- корпус; 2 - фитинг; 3 - поршень запирающий; 4 - пружина; 5- поршень
управляющий пневмоцилиндра; 6 - рукоятка; 7 - шток; 8 - кольцо; 9 - стакан;
- кольцо; 11 - кольцо; 12 - фильтр; 13 - толкатель.
Рисунок 3 - Ф100 Civacon
11.4 Фильтр
предварительной очистки
Фильтр Ду80, DN-80, предназначен для очистки топлива от крупных
механических примесей и грязи. Фильтр имеет быстросъемный механизм крепления
крышки картриджа. Фильтрующий элемент состоит из корпуса, перфорированных пластин
и металлических сеток. Фильтр картридж является разборным, что позволяет
произвести тщательную очистку [6].
Таблица 4 - Технические характеристики фильтра
|
Условный диаметр, мм
|
80
|
|
Поток, л/мин
|
1000
|
|
Сетка фильтра, меш.
|
80
|
|
Размер проходящих частиц,
мм
|
не более 0,18
|
Рисунок 4 - Фильтр Ду80, DN-80.
.5
Ограничитель уровня налива
Ограничитель уровня налива 784.00.00.00 (рисунок 5) предназначен для
подачи сигнала о превышении предельного уровня продукта в цистерне при её
нижней загрузке. Ограничитель уровня работает в сочетании с пневматическим
донным клапаном и наборным блоком управления, которые запутываются от
пневматической сети автомобиля.
При заполнении цистерны до определенного уровня, ограничитель подает пневматический
сигнал на закрытие донного клапана, через который шло заполнение цистерны.
Технические характеристики ограничительного клапана представлены в таблице 5
[7].
Таблица 5 - Технические характеристики ограничительного клапана
|
Рабочее избыточное давление
сети автомобиля, МПа
|
0,55
|
|
Минимальное погружение
трубки, мм
|
50
|
|
Максимальное погружение
трубки, мм
|
150
|
|
Температура окружающей
среды, °С
|
-40...+50
|
|
Масса, кг, не более
|
3,2
|
Рисунок 5 - Ограничитель уровня налива
.6
Перепускной клапан
Клапан перепускной (рисунок 6) установлен в напорном патрубке насоса и
предназначен для сообщения напорной магистрали насоса со всасывающей при
увеличении давления в напорной магистрали выше предельно допустимого. Корпус
клапана литой из алюминиевого сплава. В корпус заармировано седло клапана, к
которому пружиной прижат клапан. Пружину 5 регулируют на соответствующее для
данной системы давление гайкой 4. При повышении давления в напорном
трубопроводе более указанного, клапан открывается и перепускает часть жидкости
обратно во всасывающий трубопровод насоса. В этом случае насос работает «на
себя». Так как насос в проектируемой АЦ имеет привод от двигателя автомобиля,
установка перепускного клапана обязательна [8].
Рисунок 6 - Перепускной клапан. 1 - корпус; 2 - крышка; 3 - прокладка; 4
- гайка; 5 - пружина; 6 - направляющая; 7 - клапан; 8 - шпилька.
.7 Манометр
«POCMA» коррозионностойкий и виброустойчивый.
Манометры устанавливаются в целях регулирования избыточного давления и
вакуума в цистерне. В данном случае установлен манометр POCMA. Принцип действия прибора основан на
изменении деформации пружины под действием давления. Шкала прибора черная, с
отметками и цифрами, покрытыми светящимся составом постоянного действия.
Основная приведенная погрешность данного манометра составляет порядка 1
%. Данный прибор обладает хорошей устойчивостью к отрицательным температурам -
интервал работы составляет от -60 до +50 °С. Также, он обладает малой массой -
не более 0,2 кг. Диапазон измерений - 0,1-1,6 МПа. Диаметр корпуса составляет
порядка 100мм, то есть устройство весьма компактно (Рисунок 7) [8].
Рисунок 7 - манометр POCMA
.8 Кран
шаровой ДУ-80
Шаровые краны относятся к запорной арматуре и имеют небольшие габариты,
малое гидравлическое сопротивление и высокие эксплуатационные качества.
Благодаря этому шаровые краны получили широкое применение на различных
трубопроводах, в том числе и на трубопроводах больших диаметров.
Таблица 6 - Технические характеристики крана шарового ДУ-80
|
Рабочее давление
|
До 1,6 МПа
|
|
Температура рабочей среды
|
до + 200 С
|
|
Вес
|
2,3 кг
|
|
Производитель
|
Россия
|
Рисунок 8 - Кран шаровой ДУ-80
Краны предназначены для трубопроводов, транспортирующих воду, нефть,
природный газ и т.д. Фланцевое соединение, могут устанавливаться на
трубопроводе в любом рабочем положении (Рисунок 8) [12].
.9 Клапан
малых дыханий К5852
Клапан дыхательный (малых дыханий) К5852 для впуска/выпуска воздуха,
предотвращает понижение давления в автоцистерне при транспортировке светлых
нефтепродуктов, а также обеспечивает герметичность цистерны при её перекосах,
вплоть до переворота. Клапан устанавливается на крышке люка автоцистерны
(Таблица 7) [7].
Таблица 7 - характеристики К5852
|
рабочее избыточное
давление, МПа
|
0,0063 - 0,0080
|
|
рабочее вакуумметрическое
давление, МПа
|
0,0025 - 0,0032;
|
|
избыточное давление полного
открытия затвора, МПа
|
0,0080 - 0,0100
|
|
вакуумметрическое давление
полного открытия затвора. МПа
|
0,0032 - 0,0050
|
|
Температура окружающей
среды, °C
|
-40…+50
|
Рисунок 9 - Клапан К5852
.10 Наливной
люк
Крышка горловины (рисунок 10) предназначена для оснащения АТЗ с верхним и
нижним наливом НП и авиационных топлив, устанавливается на автомобильных
средствах транспортирования и заправки НП. Заливной люк снабжен механизмов
двойного открытия: первый - нажатием на педаль, второй - нажатием на рычаг.
Первый этап - предварительное открытие для сброса возможного внутреннего
давления в отсеке и второй этап - окончательное открытие. Она выполняет функцию
сбросного клапана, который необходим в случае механического воздействия на
котёл цистерны, при котором резко изменяется объём отсека и необходимо
производить сброс продукта на величину изменения объёма для сохранения
герметизации. Образцы крышки люка с установленными на ней приборами в закрытом
состоянии подвергаются испытаниям на специальном стенде по методике евро
стандарта. Технические характеристики наливного люка представлены в таблице 8
[6].
Таблица 8 - Технические характеристики наливного люка
|
Наименование показателя
|
Наливной люк
|
|
Диаметр заливной горловины,
мм
|
300
|
|
Температура окружающей
среды, °С
|
-40 +50
|
|
Материал крышки люка
|
Сталь 09Г2С по ГОСТ
27772-88
|
Рисунок 10 - Наливной люк
11.11
Уровнемер герконовый магнитный поплавковый ПМП-118
Уровнемер ПМП-118, ПМП-138 является составной частью измерительной
системы «СЕНС» и в комплект входит магнитный поплавковый преобразователь
ПМП-118 (ПМП-138), вторичные устройства: блок питания БП-9В-1А, сигнализатор
МС-К-500-2. Также можно использовать различные другие приборы, которые
поддерживают протокол измерительной системы СЕНС.
Устройства ПМП осуществляют измерения уровня и температуры,
преобразовывает и вычисляет, и отображает числовые значения параметров
контролируемой среды. Измерения уровня жидкой среды исполняется с помощью
поплавка с интегрированным магнитом, который магнитным полем влияет на
чувствительные элементы (герконы). Герконы расположены в ряд с интервалом,
который обеспечивает непрерывное измерение. Измерение температуры является
многоточечным, с использованием интегральных датчиков температуры, одинаково
распределенным по длине направляющей (не более 8 точек). Для вычислений средней
температуры жидкой среды применяются показания датчиков температуры, которые
находятся под поверхностью жидкой среды, а для температуры паров - над
поверхностью.
Устройству ПМП - можно устанавливать не более восьми пороговых значений
измеряемых или вычислительных параметров (уровня, температуры, объема, масса,
процентного заполнения и др.), при достижении которых передаются команды
управления вторичными устройствами измерительной системы СЕНС (Рисунок 11)
[13].
- Корпус; 2 - Верхний и нижний ограничитель поплавка; 3 - направляющая; 4
- поплавок.
Рисунок 11 - уровнемер герконовый магнитный поплавковый ПМП-118
.2 Площадка и
лестница
Для беспрепятственного доступа к горловине и удобству обслуживания персонала,
на цистерну ставят специальные площадки и лестницы. Площадка выполненной из
просечного листа с противоскользящим эффектом. Лестницы и поручни изготавливают
из стальных труб круглого сечения, являются не складными (рисунок 12) [6].
Рисунок 12 - Площадка обслуживания, поручень и лестница
11.13
Заземляющее устройство УЗА-4К-01
Устройство заземления автоцистерн и др. транспортных ёмкостей с целью
отвода зарядов статического электричества при проведении слива-налива с
одновременным постоянным контролем сопротивления заземляющей цепи не более 90
Ом и подсоединением к транспортной ёмкости при помощи зажима из материала,
предотвращающего образование статического электричества УЗА-4К-01. Состоит из
блока контроля заземления и сигнализации БКЗС-01 и комплекта владельца
автоцистерны КВА-КП-01. Комплект владельца автоцистерны КВА-КП-01 состоит из
заземляющего проводника, оконцованного наконечниками для подсоединения к
клеммам, установленным в БКЗС-01 и зажима для подсоединения к автоцистерне
(Рисунок 13) [14].
Рисунок 13 - Заземляющее устройство УЗА-4К-01
Таблица 9- Технические характеристики
|
Маркировка взрывозащиты
|
1ExibsIIBT6
|
|
вид сигнализации и функции
|
световая и блокировка
включения насоса, контроль сопротивления цепи заземления
|
|
напряжение питания, В
|
220
|
|
диапазон температур, град.
С
|
от минус 50 до плюс 40
|
|
длина заземляющего
проводника, м
|
5,0 / 7,5 / 10,0 / 15,0
|
|
габаритные размеры БКЗС-01,
мм
|
150х150х77
|
|
масса УЗА-4К-01 не более,
кг
|
1,7
|
11.14 Напорно-всасывающие рукава Gassoflex Ду 75 мм
Армированные полимерные рукава (рисунок 14) универсального назначения
GASSOFLEX предназначены для перекачки углеводородных веществ, химических
соединений, прочих жидкостей, обладающих повышенной химической активностью при
температуре до +150° С. Основные преимущества рукавов GASSOFLEX:
универсальность применения, благодаря своей устойчивой внутренней
изоляции они могут применяться для перекачки углеводородов и химических
веществ;
гибкость, две проволочные спирали, внутренняя и наружная обеспечивают
повышенную прочность и минимальные радиусы изгиба с целью адаптации ко всем
типам нагрузок и операций подачи;
легкость и стойкость к воздействию давления, толщина стенок определяется
заранее в соответствии с давлением, которое должен выдерживать шланг;
простота подбора шланга, три основных компонента (внутренние и внешние
проволочные спирали и изоляция) могут выбираться в соответствии с пожеланиями
заказчиков (нержавеющая сталь, оцинкованная сталь, полипропилен,
политетрафторэтилен). Технические характеристики представлены в таблице 10 [6, 15].
Таблица 10 - технические характеристики
|
Вид
|
Напорно-всасывающий
|
|
Внутренний диаметр, мм
|
75
|
|
Рабочее давление, атм.
|
до 10
|
|
Длина рукава, м
|
4
|
|
Армировка
|
Гальванизированная сталь
|
|
Среда
|
Светлые нефтепродукты
|
Рисунок 14 - Напорно-всасывающие рукава Gassoflex Ду 75 мм
.15
Быстроразъемное соединения (БРС) Камлок Ду-80 тип B
Быстроразъемные соединения (БРС) Камлок (cam-lock, camlocks, cam lock) -
это система универсальных самоблокирующихся быстроразъемных соединений
кулачкового типа, которая позволяет мгновенно присоединить рукав (шланг) к
сливному трубопроводу цистерны или соединить несколько шлангов между собой.
Соединения типа КАМЛОК состоит из двух основных частей: ответная часть и
приемная часть. Применение быстроразъемных соединений типа КАМЛОК позволяет
сократить временные затраты и повысить уровень проводимых работ. Фиксация
ответной части внутри приемной части происходит при помощи ручек, расположенных
по бокам последней. В момент соединения двух частей, ручки расположены под
углом 90° к корпусу приемной части. Опуская ручки вниз, их выступы попадают в
паз, и соединение надежно фиксируется, одновременно происходит уплотнение за
счет совмещения головки ответной части с прокладкой, расположенной внутри
ответной части. Устройство кулачков обеспечивает устойчивое к вибрации
соединение без использования дополнительного фиксирующего шплинта или других
приспособлений (Рисунок 15) [6].
Рисунок 15 -(БРС) Камлок типа B
.16 Блок
управления
Control Box - это полностью оборудованный блок управления, содержащий
бортовой монитор Onboard Monitor, бортовые розетки Dual Socket и панель
пневмоуправления Pneumatic Air Control Panel. Блок управления изготавливается в
вертикальном и горизонтальном исполнениях (рисунок 16).
Панель пневмоуправления обеспечивает простой, но надежный контроль за
пневматической системой автоцистерны во время погрузочно-разгрузочных операций.
Рисунок 16 - Блок управления Civacon Control
Box
Бортовые розетки предназначены для соединения датчиков перелива со
стационарным монитором, установленным на наливном терминале, посредством вилки
и кабеля.
Блок управления работает в связке с системой предотвращения переполнения
и контроля остатков продукта в отсеках [16].
.17
Огнетушитель ОП-4
Автоцистерну бензовоза комплектуют средствами пожаротушения. На данной
автомобиле установлены два порошковых огнетушителя ОП-4. Т
Технические характеристики приведены в таблице 11 [17].
Таблица 11 -Технические характеристики огнетушителя ОП-4
|
Масса заряда, кг
|
4±0,2
|
|
Рабочее давление, мПА
|
1,4±0,2
|
|
Длина выброса, м, не менее
|
3
|
|
Время работы, сек, не менее
|
10
|
|
Огнетушащая способность
|
2А, 55В
|
|
Габариты, мм
|
130×420
|
|
Масса, кг
|
6,0
|
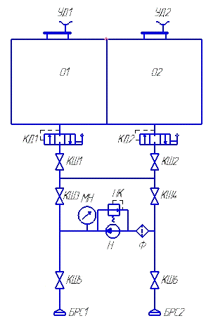
12. Описание
технологических операций
АЦ может осуществлять несколько различных операций по перекачке наливу и
выдачи НП. На рисунке 17 представлена гидравлическая схема АЦ.
Рисунок 19 - Гидравлическая схема
УД1-УД2 -Дыхательное устройство; 01-02 - Отсеки автоцистерны, КД1-КД2 -
Клапан донный, КШ1-КШ6 - Кран шаровой, Ф - Фильтр грубой очистки, Н - Насос, ПК
- Клапан перепускной, МН - Манометр, БРС1-БРС2 - Быстроразъемное соединение.
Последовательность действий для выполнения технологических операций:
для слива цистерны своим насосом, двух отсеков вместе, необходимо открыть
клапан донный КД1, КД2, открыть кран шаровой КШ1, КШ2, КШ4, КШ5, слив будет
происходить через быстроразъемное соединение БРС1, остальные краны должны быть
закрыты;
для слива топлива из первого отсека своим насосом, нужно открыть клапан
донный КД1, кран шаровой КШ1, КШ4, КШ5, слив будет происходить через быстроразъемное
соединение БРС1, остальные краны должны быть закрыты;
для слива из второго отсека своим насосом, нужно открыть клапан донный
КД2, кран шаровой КШ2, КШ4, КШ5, слив будет происходить через быстроразъемное
соединение БРС1, остальные краны должны быть закрыты;
для слива цистерны самотеком из двух отсеков вместе, необходимо открыть
нужно открыть клапан донный КД1, КД2, кран шаровой КШ1, КШ2, КШ3, КШ4, КШ5,
КШ6, слив будет происходить через быстроразъемное соединение БРС1, БРС2;
для слива самотеком из первого отсека, необходимо открыть клапан донный
КД1, кран шаровой КШ1, КШ3, КШ5, слив будет происходить через быстроразъемное
соединение БРС1, остальные краны должны быть закрыты;
для слива самотеком из второго отсека, необходимо открыть клапан донный
КД2, кран шаровой КШ2, КШ4, КШ6, слив будет происходить через быстроразъемное
соединение БРС2, остальные краны должны быть закрыты;
для нижнего налива цистерны, с помощью собственного насоса, необходимо
открыть кран шаровой КШ6, КШ3, КШ1, КШ2 и клапан донный КД1, КД2, кран шаровой
КШ5 и КШ4 должны быть закрыты. Если необходимо наполнить первый отсек, то при
такой же схеме закрыть кран шаровой КШ2 и клапан донный КД2, если же необходимо
заполнить второй отсек - закрыть кран шаровой КШ1 и клапан донный КД1;
для перекачки топлива насосом автоцистерны, необходимо открыть КШ6, КШ5,
вход жидкости будет производится через БРС2, выход перекачиваемого вещества
через БРС1, все остальные краны должны быть закрыты.
Заключение
Спроектированная АЦ предназначена для перевозки светлых нефтепродуктов,
по дорогам общего пользования и раздачи топлива на АЗС как самотекам, так и
через собственный насос. Оно является экономически выгодным, универсальным и
удобным средством транспортирования топлива.
Расчет цистерны по нагрузкам как для емкости для транспортирования
светлых нефтепродуктов обеспечивает безопасность доставляемого топлива.
Оборудование, установленное на цистерну, отвечает требованиям стандарта,
поэтому оно доступно и вследствие этого, легко заменяемо.
Список
сокращений
НП - нефтепродукт;
АЦ - автомобиль-цистерна;
Список использованных источников
1 ГОСТ Р 51866-2002 Топлива моторные. Бензин неэтилированный.
Технические условия. - Введ. 31.01.2002. - Москва : Стандартинформ, 2002. - 42
с.
Гост 380-94 Сталь углеродистая обыкновенного качества.
Технические условия. - Взамен 380-88; Введ. 01. 01. 1998. - Москва:
Стандартинформ, 1998. - 8 с.
ГОСТ 5520-79 Прокат листовой из углеродистой,
низколегированной и легированной стали для котлов и сосудов, работающих под
давлением. Технические условия. - Взамен ГОСТ 5520-69 ; введ. 01.01.1980. -
Москва : Стандартинформ, 1980. - 16 с.
ГОСТ 51105-97 Топлива для двигателей внутреннего сгорания.
Неэтилированный бензин. Технические условия. - Введ. 09. 12. 1997. - Москва:
Стандартинформ, 1997. - 23с.
ГОСТ Р 50913-96 Автомобильные транспортные средства для
транспортирования и заправки нефтепродуктов. Типы, параметры и общие
технические требования. - Введ. 10.06.1996. - Москва : Стандартинформ, 2009. -
20 с.
УралСпецТранс [Электронный ресурс]: база данных содержит
сведения об оборудовании для спецтехники, различные марки базового шасси и т.д.
- Режим доступа: http://www.uralst.ru.
ОАО «Промприбор» [Электронный ресурс]: база данных содержит
сведения об оборудовании для спецтехники, нефтебаз и т. д. - Режим доступа:
http://www.prompribor.ru/index.htm.
Рыбаков, К. В. Автомобильные цистерны для транспортирования
нефтепродуктов : учебное пособие / К. В. Рыбаков, В. Д. Савин, В. А. Митягин. -
Москва : Транспорт, 1993. - 160 с.
Энергопоток, промышленное оборудование [Электронный ресурс]:
база данных содержит сведения об запорном оборудовании - Режим доступа:
http://1armatura.ru.
НПП Сенсор, научно-производственное предприятие [Электронный
ресурс]: база данных содержит сведения об приборов КИП и оборудования для
нефтегазовой отрасли - Режим доступа: http://www.nppsensor.ru.
Резервуарное оборудование [Электронный ресурс]: база данных
содержит сведения об оборудовании различного назначения, технические
характеристики и т.д. - Режим доступа: www.азснефтебаза.рф.
Спецавто ГРАЗ [Электронный ресурс]: база данных содержит
сведения об оборудовании для спецтехники, различные марки базового шасси и т.д.
- Режим доступа: http://www.graz.ru.
HelloTrade [Электронный ресурс]: база данных содержит информацию о
различных товарах, продуктах и оборудовании и т.д. - Режим доступа:
http://www.hellotrade.com.
Брандсервис [Электронный ресурс]: база данных содержит
сведенья о противопожарном оборудовании. - Режим доступа:
http://www.brandservic.ru/about.