Строительство новой районной электрической станции установленной мощностью 2500 МВт
СОДЕРЖАНИЕ
Введение
. Дaнные
проeктируемой стaнции и рaсчетной
схeмы
.1 Выбор
типов генераторов
.2
Проектирование структурной схемы станции
.3 Выбор
трансформаторов
.4 Выбор
источников питания системы собственных нужд станции
.5 Выбор
схем распределительных устройств
.6
Технико-экономическое сравнение вариантов главной схемы
. Расчет
токов короткого замыкания
.1 Расчет
токов короткого замыкания на шинах РУ 500 кВ. (К1)
.2 Расчет
токов короткого замыкания на выводах генератора (К2)
.3 Расчёт
токов короткого замыкания на шинах РУ 220 кВ (К3)2
. Выбор
электрических аппаратов и токоведущих частей
.1 Выбор
высоковольтных выключателей
.2 Выбор
разъединителей
.3 Выбор
сборных шин и токоведущих шин
.4 Выбор
измерительных трансформаторов тока
.5 Выбор
измерительных трансформаторов напряжения
.6 Выбор
ОПН
Заключение
Список
литературы
Введение
На современном этапе своего
развития человечество уже не способно отказаться от использования
электроэнергии. В связи с этим повсеместно происходит строительство новых и
реконструкция старых электростанций. Проектирование новой электростанции
включает в себя решение ряда вопросов, зачастую взаимосвязанных: выбор
мощности, типа топлива, расположения, количества распределительных устройств и
их номинальных напряжений. Также для проектируемой станции производится выбор
энергогенерирующего и коммутационного оборудования.
В своем курсовом проекте я
рассмотрел вопрос строительства новой районной электрической станции
установленной мощностью 2500 МВт, основным топливом которой будет являться газ,
выработка электроэнергии производится на двух напряжениях: 220 киловольт для
обеспечения местной электрической сети и 500 киловольт для связи с
энергетической системой и соседней РЭС.
1. ДАННЫЕ ПРОЕКТИРУЕМОЙ СТАНЦИИ И РАСЧЕТНОЙ
СХЕМЫ
Таблица 1. Данные проектируемой станции и
расчетной схемы
1.1 Выбор типов
генераторов
На проектируемой электростанции устанавливаются
однотипные турбогенераторы номинальной мощностью не менее 500 МВт. В качестве
такого может быть выбран генератор ТВВ-500-2, технические характеристики
которого указаны в таблице 1.1
Выбранные на основе заданной мощности генераторы
по справочным данным тип и параметры турбогенераторов РЭС заносим в таблицу
1.1.1[1]:
Таблица 1.1 Технические характеристики
турбогенератора ТВВ-500-2ЕУ3
1.2 Проектирование
структурной схемы станции
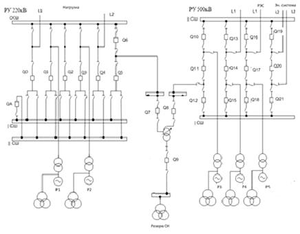
Рисунок 1.2.1 Структурная схема РЭС (Вариант 1)
Рисунок 1.2.2 Структурная схема РЭС (Вариант 2)
1.3 Выбор блочных
трансформаторов и автотрансформаторов связи
Блочные трансформаторы выбираем, учитывая
проходящую через них мощность при работе генератора на полную мощность.
Расчёт произведём для двух разработанных
вариантов структурной схемы РЭС.
Для первого варианта.
Мощность, необходимая для обеспечения
собственных нужд.
,
где, учитывая тип топлива станции - газ, процент
расхода мощности на собственные нужды
,
коэффициент спроса
[3].
Мощность блочных трансформаторов выбирается
исходя из следующего условия:
По справочнымлданным на стороне
220 кВ выбираем трансформатор ТДЦ-630000/220, исполнения 242/20 кВ, с
параметрами: Sт.ном=630МВА>565,7МВА;
Рx = 380кВт; Pк=
1300 кВт; Ukв-н=11%;
цена 579тыс.р.
На стороне 500кВ выбираем
блочныеотрансформаторы типа ТДЦ-630000/500, исполнения 525/20 кВ, с
параметрами: Sт.ном=630МВА>565,7МВА;
Рх = 500 кВт; Рк=1300кВт; UкВ-Н=
14%; цена 670тыс.р.
Мощность, которая подводится к шинам 220 кВ от
блока 500 МВт в интервалы времени:
От 0 до 6 ч. и от 22 до 24ч:
= 896,2 МВА.
От 6 до 22ч:
= 1131,5 МВА.
Полная мощность, которая выдаётся с шин 220 кВ
станции в сеть местного района нагрузки в интервалы времени:
От 0 до 6 ч. и от 22 до 24ч:
,
где
принимаем
равным
=0,85.
= 611,8 МВА,
764,7 МВА.
Переток мощности между РУ 220 кВ и РУ 500 кВ при
нормальном состоянии схемы станции в различные интервалы времени:
От 0 до 6 ч. и от 22 до 24ч:
.
От 6 до 22ч:
.
Переток мощностей при отключении при аварии
блока на стороне 220 кВ:
От 0 до 6 ч. и от 22 до 24ч.:
.
От 6 до 22ч.:
.
По данным расчета перетоков мощности построены
графики. Эти графики необходимы для выбора автотрансформаторов связи.
Рисунок 1.3.1 График перетоков мощности между РУ
220 и РУ 500 для различных режимов
Максимальная мощность, подводимая блоком к РУ
220 кВ:
Минимальная мощность, подводимая блоком к РУ 220
кВ:
где
-
технологический минимум блока при условии, что вид топлива - газ.
Поскольку выполняются условия :
,
.
Значит? выбираем один АТ связи,
т. к. в случае его повреждения блок обеспечивает надежное питание сети 220 кВ
[3].
Выберем номинальную мощность АС по следующему
условию:
,
где
-
допустимый коэффициент систематической нагрузки [1].
По справочным данным выберем АТ
типа АТДЦН-50000/500/220 с параметрами: Sном
= 500 МВА; Рх = 220 кВт; Pк
вн-сн = 1050 кВт; цена 375 тыс.р. [1]. Кп.сист=1,05.
Рассчитаем фактический коэффициент
систематической нагрузки по формуле:
т.е меньше
допустимого.
Для второго варианта.
Максимальная нагрузка СН одного блока:
,
где
-
аналогично расчётам для первого варианта структурной схемы.
Номинальную мощность блочных трансформаторов
выберем по следующему условию:
.
По данным из справочного материала
на стороне 220 кВ выбираем трансформатор ТДЦ-630000/220, исполнение 242/20 кВ,
параметры: Sт.ном=630МВА>565,7МВА;
Рx = 380кВт; Pк=
1300 кВт; Ukв-н=11%;
цена 579тыс.р.
На стороне 500кВ выбираем
блочные трансформаторы типа ТДЦ-630000/500, исполнение 525/20 кВ, с
параметрами: Sт.ном=630МВА>565,7МВА;
Рх = 500 кВт; Рк=1300кВт; UкВ-Н=
14%; цена 670тыс.р. [1].
Мощность, которая подводится к шинам 220 кВ от
блока 500 МВт в следующие интервалы времени:
От 0 до 6 ч. и от 22 до 24ч:
= 448,1 МВА.
От 6 до 22ч:
= 565,7 МВА.
Полная мощность, которая выдаётся с шин 220 кВ в
местную сеть нагрузки в интервалы времени:
От 0 до 6 ч. и от 22 до 24ч:
,
= 611,8 МВА,
764,7 МВА.
Переток мощности между РУ 220 кВ и РУ 500 кВ при
нормальном состоянии схемы станции в различные интервалы времени:
От 0 до 6 ч. и от 22 до 24ч:
От 6 до 22ч:
Переток мощностей при ремонтном отключении блока
на стороне 220 кВ:
От 0 до 6 ч. и от 22 до 24ч.:
От 6 до 22ч.:
По данным расчета приведенным выше перетоков
мощности построен график.
Рисунок 1.3.2 График перетоков мощности между РУ
220 и РУ 500 для различных режимов
Максимальная мощность, подводимая блоком к РУ
220 кВ:
Минимальная мощность подводимая блоком к РУ 220
кВ:
Так как не выполняются следующие условия:
тогда выбираем два АТ связи, т.
к. в случае аварийного повреждения одного АТ, блок не сможет обеспечить
надежное питание сети 220 кВ [3].
Выберем номинальную мощность АС по следующему
условию:
где
- допустимый коэффициент
систематической нагрузки.
По справочным данным выберем АТ
типа АТДЦТН-50000/500/220, параметры: Sном
= 500 МВА; Рх = 230 кВт; Uкв-с=11%,
Кп.сист=1,1. Цена=375 млн. руб. [1].
Номинальная мощность этой
группы АТ:
Фактический коэффициент
систематической нагрузки:
т.е. меньше допустимого.
1.4 Выбор источников
питания системы СН станции
При осуществлении выбора источников питания СН и
их сравнительной оценке необходимо учесть нагрузки собственных нужд.
Собственное потребление электроэнергии зависит от типа электростанции, вида
топлива и способов его сжигания, параметров пара, типа турбогенератора и его
мощности, наличия турбопривода у части механизмов.
Напряжение СН выбирают равным 6 кВ. Так как
рабочих трансформаторов 5, то значит резервный выбираем 1. На РЭС питание СН
осуществляется ответвлениями от генераторов блока через трансформаторы.
Мощность рабочего трансформатора СН для блока мощностью 500 МВт:
Sн.max=22,5
МВА.
Выбираем трансформатор ТРДНС-25000/35 с
параметрами [1]:
Sт.ном.= 25 МВА; Uвн=20
кВ, Uнн=6,3 кВ. Цена =
62000 т.р.
1.5 Выбор схем распределительных устройств
Исходя из исходных данных выберем схему с двумя
рабочими и обходной системами шин и полуторную схему [1].
Рисунок 1.5.1 Структурная схема РЭС (схема 1)
Рисунок 1.5.2 Структурная схема РЭС (схема 2)
1.6
Технико-экономическое сравнение вариантов главной схемы электрических
соединений
Вариант 1:
Для схемы 1:
) Рассчитаем капиталовложения в выбранное
электрооборудование:
Расчёт капиталовложений в выбранные выше
трансформаторы:
Выберем по условиям номинального напряжения
следующие выключатели: на стороне 220 ВНВ-220Б- 63/3150ХЛ1, цена = 85179 руб.;
на стороне 550 ВНВ-500А-63/3150У1, цена = 105350 руб.
Выбираем разъединители: на стороне 220 РДЗ
2-220/3150, цена = 440 руб.; на стороне 550 РДЗ 500/3150, цена = 1600 руб. [1].
Капиталовложения в тран-ры и РУ:
2) Стоимость
потерь электроэнергии:
Потери электроэнергии за год в одном
трансформаторе типа ТЦ-630000/220 на РУ 220 кВ:
где Рx, Pк - потери мощности в трансформаторе при
номинальной нагрузке; Тр - средняя продолжительность ремонта трансформатора -
30; Sпр.1 -мощность, которая проходит через трансформатор за время t1, с 0 до 6
ч и с 22 до 24ч. = 448,1 МВА, t1= 8ч; Sпр.2-мощность, которая проходит через
трансформатор за время t2, с 6 до 22ч. =565,7 МВА ; t2=16ч; Среднее число дней
работы трансформатора за год 356.
Потери электроэнергии за год в одном
трансформаторе ТЦ-630000/500:
Потери электроэнергии за год в АТ связи:
) Амортизационные отчисления за год:
где
-
норма амортизационных отчислений.
) Издержки за год на обслуживание
электроустановки:
) Эксплуатационные издержки за год:
)Расчёт минимума приведённых затрат:
Вариант 2 :
) Рассчитаем капиталовложения в выбранное
электрооборудование:
Расчёт капиталовложений в выбранные выше
трансформаторы:
Выберем по условиям исходного напряжения
выключатели: на стороне 220 ВВБ-220Б- 40/2000ХЛ1, цена = 37870 руб.; на стороне
550 ВВБ-500А-40/2000У1, цена = 98170 руб.
Выбираем разъединители: на стороне 220 РНД -
220/3200У1, цена = 600 руб.; на стороне 550 РНД 500/3200, цена = 3210 руб. [1].
Капиталовложения в тран-ры и РУ:
) Стоимость потерь электроэнергии:
Потери электроэнергии за год в одном трансформаторе
типа ТЦ-630000/220, на РУ 220 кВ:
Потери электроэнергии за год в одном
трансформаторе ТЦ-630000/500:
Потери электроэнергии за год в АТ связи:
) Амортизационные отчисления за год:
) Издержки за год на обслуживание
электроустановки:
) Эксплуатационные издержки за год:
) Расчёт минимума приведённых затрат:
По результатам расчётов первый вариант схемы
оказался менее затратным. Его мы принимаем в качестве главной схемы РЭС. В
связи с этим дальнейший расчет мы ведем только для этого варианта.
Таблица 1.6.1 Принятое к установке оборудование
и его стоимость
|
Наименование
оборудования
|
Стоимость
единицы, р.
|
Кол-во
единиц, шт.
|
Общая
стоимость, млн.р.
|
|
Трансформаторы
блочные 220 кВ
|
579000
|
2
|
1158000
|
|
Трансформаторы
блочные 500 кВ
|
670000
|
3
|
2010000
|
|
Автотрансформаторы
|
375000
|
1
|
375000
|
|
Трансформаторы
собственных нужд
|
62000
|
5
|
310000
|
|
Ячейка
выключателя 220 кВ
|
85179
|
9
|
766611
|
|
Ячейка
выключателя 500 кВ
|
105350
|
13
|
1369550
|
|
Издержки
|
551943
|
|
Приведенные
затраты
|
1233595
|
.
2. РАСЧЁТ ТОКОВ КОРОТКОГО ЗАМЫКАНИЯ
генератор станция ток трансформатор
Расчет токов короткого замыкания в данном
курсовом проекте проводился с целью дальнейшего выбора электрических аппаратов,
токоведущих частей.
Составим схему замещения, в которой все элементы
заменим на соответствующие индуктивные сопротивления:
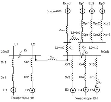
Рисунок 2.1 Исходная схема замещения
проектируемой станции
2.1 Расчет токов
короткого замыкания на шинах РУ 500 кВ (К1)
За базисное значение напряжения принимаем
величину равную 515 кВ [3]:
,
36,4 Ом;
54,6 Ом.
Двухобмоточные трансформаторы:
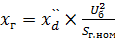
,
Ом;
Ом.
АТ:
,
Ом;
Ом.
ВЛ:
,
Ом;
Ом;
Сопротивление энергосистемы можно определить по
формуле:
Рисунок 2.1.1 Схема замещения проектируемой
системы после преобразования
Сверхпереходные ЭДС от всех источников
рассчитаем по выражению ниже:
,
.
,
.
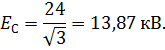
кВ;
;
;
.
Преобразование треугольника относительных
сопротивлений в звезду производится по формулам:
Рисунок 2.1.2 Схема замещения после
преобразования треугольника сопротивления в звезду
Производим замену верхней части схемы одной
ветвью:
Находим эквивалентную ЭДС системы:
Рассчитаем эквивалентное сопротивление в ветви
генераторов Г1-Г2:
Рисунок 2.1.3 Упрощённая схема замещения
проектируемой станции, РЭС и системы
Начальное значение периодической составляющей
тока к.з. для каждой ветви можно определить по приведенной ниже формуле:
Суммарный периодический ток к.з. рассчитаем:
Ударный ток рассчитаем по:
,
где
-ударный
коэффициент и определяется по формуле [3]:
,
Ударный коэффициент определяют по справочнику:
для напряжения 500кВ - 1,85 [3].
;
;
.
От всех источников ударный ток в месте КЗ
рассчитаем:
.
Ниже приведён расчёт периодических составляющих
тока:
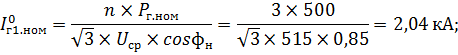
. Номинальный ток генератора , который приведен
к ступени точки КЗ:
. По найденному выше значению
генератора
определяем отношение:
. Находят отношение для кривой [3], которая
соответствует найденному выше отношению для τ=0,035 с
:
,
Рисунок 2.1.4 Типовые кривые изменение во
времени периодических составляющих тока к.з. при различных удаленностях точки
к.з.
4. По рассчитанным выше α
и
находим:
А периодическая составляющая тока:
,
Постоянная времени определяем по справочнику:
для напряжения 500 кВ

За базисное значение напряжения принимаем
величину равную 24 кВ [3]:
0,08 Ом;
0,12 Ом.
0,14 Ом;
Рисунок 2.2.1 Схема замещения проектируемой
системы после преобразования
Сверхпереходные ЭДС от всех источников
рассчитаем по выражению ниже:
;
Преобразование треугольникa
относительных сопротивлений в звезду произведём по формулам:
0,1 Ом;
0,09 Ом;
0,08 Ом.
Рисунок 2.2.2 Схема замещения после
преобразования треугольника сопротивления в звезду
Производим замену верхней части схемы одной
ветвью:
Найдём эквивалентную ЭДС системы:
Эквивалентное сопротивление в ветви генераторов
Г1-Г2 найдем по формуле приведенной ниже:
Эквивалентное сопротивление в ветви генераторов
Г3-Г5 найдём по формуле приведенной ниже:
Рисунок 2.2.3 Упрощённая схема замещения
проектируемой станции
Начальное значение периодической составляющей
тока к.з. для каждой ветви можно определить по приведенной ниже формуле:
;
.
Суммарный периодический ток к.з. рассчитаем:
Ударный ток рассчитаем по
:
,
Ударный коэффициент определяют по справочнику:
для турбогенератора - 1,976 [3].
;
;
От всех источников ударный ток в месте КЗ
рассчитаем:
Ниже приведён расчёт периодических составляющих
тока:
. Номинальный ток генератора , который приведен
к ступени точки КЗ:
. По найденному выше значению
генератора
определяем отношение:
Находят отношение для кривой, которая
соответствует найденному выше отношению для τ=0,035 с
:
. Зная α и
,
которые рассчитаны выше определим:
А периодическая составляющая тока:
Постоянная времени турбогенератора 

2.3 Расчёт токов
короткого замыкания на шинах РУ 220 кВ (К3)
За базисное значение напряжения принимаем
величину равную 230 кВ [3]:
;
7,3 Ом;
10,8 Ом.
;
;
;
Рисунок 2.3.1 Схема замещения после
преобразования треугольника сопротивления в звезду
Сверхпереходные ЭДС от всех источников
рассчитаем по выражению ниже:
;
Преобразование треугольника относительных
сопротивлений в звезду производится по формулам:

Производим замену верхней части схемы одной
ветвью:
66,1 Ом.
Найдём эквивалентную ЭДС системы:
Начальное значение периодической составляющей
тока к.з. для каждой ветви можно определить по приведенной ниже формуле:
Значение суммарного периодического тока
рассчитаем к.з.:
Ударный ток рассчитаем по:
,
Ударный коэффициент определяется по справочнику:
для напряжения 220 кВ -1,72 [3].
;
;
От всех источников ударный ток в месте КЗ
рассчитаем:
Определим периодические составляющие тока ниже:
. Номинальный ток генератора , который
приведен к ступени точки КЗ:
. По найденному выше значению
генератора
определяем отношение:
. Находят отношение для кривой (рис.2.1.4.),
которая соответствует найденному выше отношению для τ=0,035
с:
,
.
3. По
рассчитанным выше α и
находим:
.
Определение апериодических составляющих тока:
Постоянная времени, определенная по справочнику:
для напряжения 220 кВ 
;
;
Результаты всех произведенных выше расчётов
сводим в таблицу 2.3.1
Таблица 2.3.1. Результаты расчета токов К3
|
Точка
КЗ
|
Источник
|
,кА
|
,кА
|
,кА
|
,кА
|
|
К1
(шины РУ ВН, РЭС)
|
Ветвь
генераторов, присоединённых к РУ ВН
|
6,7
|
17,4
|
6,2
|
5,7
|
|
Ветвь
генераторов, присоединённых к РУ СН
|
1,5
|
2,1
|
2,3
|
1,9
|
|
Ветвь
системы
|
4,4
|
11,4
|
2,5
|
3,7
|
|
Суммарное
значение
|
12,6
|
30,9
|
13
|
11,3
|
|
К2
(выводы генераторного блока)
|
Ветвь
генераторов, присоединённых к РУ ВН
|
53
73
|
148
203
|
111
65
|
159
93
|
|
Ветвь
генератора, присоединённая к РУ СН
|
115
|
348
|
47
|
67
|
|
Суммарное
значение
|
335
|
816,7
|
317
|
238
|
|
К3
(шины РУ СН)
|
Ветвь
генераторов, присоединённых к РУ ВН и ветвь системы с РЭС
|
3,8
2,53
|
9,2
6,1
|
3,8
2,53
|
1,6
1,01
|
|
Ветвь
генераторов, присоединённых к РУ СН
|
10,9
|
26,4
|
10,1
|
4,6
|
|
Суммарное
значение
|
17,2
|
40,7
|
16,43
|
7,21
|
5.
3. ВЫБОР ЭЛЕКТРИЧЕСКИХ
АППАРАТОВ И ТОКОВЕДУЩИХ ЧАСТЕЙ
3.1 Выбор
высоковольтных выключателей
От правильного выбора электрической аппаратуры
будет зависеть надежность работы при нормальных и аварийных режимах. Выбор
производится по Uн , длительному номинальному току Iдл, отключающей
способности, производят проверку на термическую и динамическую стойкость [1].
Для правильного выбора выключателей необходимо
рассчитать рабочий форсированный ток и тепловой импульс тока по формулам ниже:
Таблица 3.1.1 Данные воздушного выключателя
ВНВ-220Б- 63/3150ХЛ1
|
Расчетные
величины
|
Каталожные
данные выключателя (тип)
|
Условия
выбора
|
|
Uуст
|
220
|
Uн
|
220
|
Uуст£
Uн
|
|
Iраб.Форс
|
1,5
|
Iдл.н
|
3,1
|
Iраб.Форс £
Iдл.н
|
|
Iпо
|
17,2
|
Iпр.с
|
63
|
Iпо £
Iпр.с
|
|
iу
|
40,7
|
iпр.с
|
162
|
iу£
iпр.с
|
|
Iпt
|
16,43
|
Iотк.н
|
63
|
Iпt£
Iотк.н
|
|
35,6bн130,5 £
|
|
|
|
|
|
Bк
|
22,2
|
Iт и tт
|
7938
|
Bк£
Iт
2 .tт
|
Таблица 3.1.2 Данные воздушного выключателя
ВНВ-500А-63/3150У1
|
Расчетные
величины
|
Каталожные
данные выключателя (тип)
|
Условия
выбора
|
|
Uуст
|
500
|
Uн
|
500
|
Uуст£
Uн
|
|
Iраб.Форс
|
0,7
|
Iдл.н
|
3,1
|
Iраб.Форс £
Iдл.н
|
|
Iпо
|
12,6
|
Iпр.с
|
63
|
Iпо £
Iпр.с
|
|
iу
|
30,9
|
iпр.с
|
162
|
iу£
iпр.с
|
|
Iпt
|
13
|
Iотк.н
|
63
|
Iпt£
Iотк.н
|
|
29,6 130,5 £
|
|
|
|
|
|
Bк
|
9,9
|
Iт и tт
|
7938
|
Bк£
Iт 2 .tт
|
3.2 Выбор
разъединителей
Для надежной работы выбор разъединителей
производим по номинальному напряжению, длительному номинальному току и
проверяем их на термическую и динамическую стойкость. Выбор производим по
справочным данным [1].
Таблица 3.2.1 Разъединитель РДЗ-2-220/3150,
выбранный для РУ 220 кВ
|
Расчетные
величины
|
Каталожные
данные разъединителя (тип)
|
Условия
выбора
|
|
Uуст
|
500
|
Uн
|
500
|
Uуст£
Uн
|
|
Iраб.Форс
|
|
Iдл.н
|
3,1
|
Iраб.Форс £
Iдл.н
|
|
Iпо
|
17,2
|
Iпр.с
|
102
|
Iпо £
Iпр.с
|
|
iу
|
40,7
|
iпр.с
|
125
|
Iпt£
Iотк.н
|
|
Bк
|
|
Iт и tт
|
4800
|
Bк£
Iт
2 .tт
|
Таблица 3.2.2 Разъединитель РДЗ-500/3150,
выбранный для РУ 500 кВ
|
Расчетные
величины
|
Каталожные
данные разъединителя(тип)
|
Условия
выбора
|
|
Uуст
|
500
|
Uн
|
500
|
Uуст£
Uн
|
|
Iраб.Форс
|
|
Iдл.н
|
Iраб.Форс £
Iдл.н
|
|
Iпо
|
12,6
|
Iпр.с
|
63
|
Iпо £
Iпр.с
|
|
iу
|
30,9
|
iпр.с
|
160
|
Iпt£
Iотк.н
|
|
Bк
|
|
Iт и tт
|
4800
|
Bк£
Iт
2 .tт
|
3.3 Выбор сборных и
токоведущих шин
Сборные шины выбираются по допустимому току из
условия нагрева в длительном режиме. Они должны обладать достаточной
механической прочностью, чтобы выдерживать механические усилия во время
короткого замыкания. С целью выявления наиболее нагруженного участка производим
расчет перетоков мощности на участках сборных шин в нормальном и аварийном
режиме [3].
Рассмотрим ОРУ 220 кВ. Примем условие, что линии
нагружены практически равномерно:
Рисунок 3.3.1 Перетоки мощности на участках
сборных шин в нормальном режиме
Максимальные перетоки мощности возникают от D
к автотрансформатору. Расчетный ток рассчитывается для максимально загруженного
участка по Smах:
Для каждой фазы шин выберем два сталеалюминевых
провода марки АС 500/64 с номинальным сечением 500 мм2 и допустимым I
-
Произведём проверку сборных шин РУ 220 кВ на
термическую стойкость при коротком замыкании. Эта проверка состоит в следующем:
необходимо сравнить t проводов в
момент отключения КЗ с допустимой t.
(для сталеалюминевых шин - 2000).
Начальную t
проводов найдем по формуле, приведенной ниже:
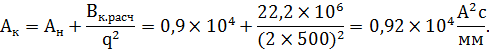
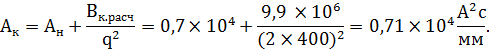
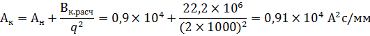
По рисунку 3.3.2. [1] определим начальное
значение удельного теплового импульса:
Рисунок 3.3.2 Кривые для
определения величины Ак
Конечное значение теплового импульса рассчитаем:
По кривым зависимости Jн
от Ак определим конечную температуру: Jк=
65°С<200°С; следовательно, провода сборных шин РУ 220 кВ удовлетворяют
условию проверки на термическую стойкость.
Выбор ошиновки шин. Выбор сечения производится
по экономической плотности тока, которая зависит от вида проводника и числа
часов использования максимальной нагрузки в год.
Экономическое сечение определим ниже:
Применяем для ошиновки сталеалюминевые провода
АС-1000/56 по 2 провода на фазу, сечением 1000мм2.
Проверим сборные шины на термическую стойкость:
Определим начальное значение удельного теплового
импульса по рисунку 3.3.2 [3]:
Расчёт конечного значения теплового импульса
приведен ниже:
Выборка проводов сборных шин ОРУ 500кВ.
Примем условие, что линии нагружены практически
равномерно:
Рисунок 3.3.3 Перетоки мощности на участках
сборных шин в нормальном режиме
Расчетный ток Iраб. форс. определяется для
наиболее загруженного участка по максимальной мощности перетока Smах по
выражению ниже:
Выберем для каждой фазы шин два сталеалюминевых
провода марки АС-400/18 с номинальным сечением 400 мм2 и допустимым током
Произведем проверку сборных шин РУ 500 кВ на
термическую стойкость при коротком замыкании. Проверка аналогична для шин РУ
220 кВ:
Начальную t
проводов найдем по формуле, приведенной ниже:
По рисунку 3.3.2 [1] определим начальное
значение удельного теплового импульса:
Конечное значение теплового импульса рассчитаем:
Выбор ошиновки шин. Выбор сечения производится
по экономической плотности тока, зависящей от вида проводника и числа часов
использования годовой максимальной нагрузки.
Экономическое сечение
определим ниже:
Применяем для ошиновки сталеалюминевые провода
АС-600/72 по 2 провода на фазу.
Проверим сборные шины на термическую стойкость:
Определим начальное значение удельного теплового
импульса по рисунку 3.3.2 [3]:
Расчёт конечного значения теплового импульса
приведен ниже:
3.4 Выбор измерительных
трансформаторов тока
Измерительные ТТ служат для преобразования
значений первичного тока до значений, наиболее подходящих для подключения
измерительных приборов, реле защиты. Выборку трансформатора тока производим по
справочной литературе [1].
Трансформаторы тока выбирают по напряжению
первичной цепи, номинальному току и по виду защиты.
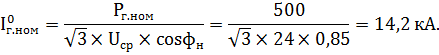
Для РУ 220 кВ с учётом исходных условий выберем
трансформатор ТВТ220-I-4000/5,
имеющим следующие параметры:
Номинальный вторичный ток = 5 А.
Класс точности = 1.
Кратность тока = 25.
Таблица 3.4.1 Данные ТТ ТВТ-220-I-4000/5
для РУ 220кВ
|
Расчетные
величины
|
Каталожные
данные трансформатора
|
Условия
выбора
|
|
|
Uуст
|
220
|
Uн
|
220
|
Uуст£
Uн
|
|
|
Iмакс
|
|
I1н
|
3,2
|
Iраб.Форс £
Iдл.н
|
|
|
Bк.расч
|
|
Bк.дов
|
700
|
Bк£
Iт
2 .tт
|
|
|
,Ом0,87 ,Ом13 =
1,17
< 1,2
|
|
|
|
|
|
|
Таблица 3.4.2 Мощности, потребляемые каждым
прибором в цепи ТТ
|
Прибор
|
Тип
прибора
|
Нагрузка
фаз
|
|
|
А
|
В
|
С
|
|
Амперметр
|
Э-335
|
0,5
|
-
|
-
|
|
Ваттметр
|
Ц-42303
|
0,5
|
-
|
0,5
|
|
Варметр
|
Ц-42308
|
0,5
|
-
|
0,5
|
|
счетчик
активной энергии
|
Меркурий-233А
|
2,5
|
-
|
2,5
|
|
счетчик
реактивной энергии
|
Меркурий-233АR
|
-
|
2,5
|
2,5
|
|
мощность
прибора
|
|
4
|
2,5
|
4,5
|
По классу точности трансформатор можно проверить
по выражению:
Где
-
переходное сопротивление контактов (0,1 Ом)
Допустимое сечение кабеля:
К установке выберем кабель АВВГ с номинальным
сечением 5
Сопротивление выбранного кабеля определим:
Следовательно, условие по классу точности
выполняется.
Для РУ 500 кВ с учётом исходных условий выберем
трансформатор ТВТ 500 - I - 1500/1 04, имеющим следующие параметры:
Номинальный вторичный ток = 1 кА.
Класс точности = 3.
Кратность тока = 14,4.
Таблица 3.4.3 Данные ТТ ТВТ-500 - I - 1500/1 для
РУ 500 кВ
|
Расчетные
величины
|
Каталожные
данные трансформатора
|
Условия
выбора
|
|
|
Uуст
|
500
|
Uн
|
500
|
Uуст£
Uн
|
|
|
Iмакс
|
|
I1н
|
1
|
Iраб.Форс £
Iдл.н
|
|
|
Bк.расч
|
|
Bк.дов
|
85
|
Bк£
Iт
2 .tт
|
|
|
,Ом0,87 ,Ом0,9Z2p
£
Z2н =
1,17
< 1,2
|
|
|
|
|
|
|
По классу точности трансформатор можно проверить
по формуле:
Где
-
переходное сопротивление контактов (0,1 Ом)
Допустимое сечение кабеля:
К установке выберем кабель АВВГ с номинальным
сечением 5
Сопротивление выбранного кабеля определим:
Следовательно, условие выполняется.
3.5 Выбор
измерительных трансформаторов напряжения
Выбор и проверка трансформатора напряжения
производим по его суммарной нагрузке, которая определяется по подключенным
приборам, по классу точности, мощности на низкой стороне [1]. Тип ТН выбирается
в зависимости от его назначения.
Производим выбор трансформаторов напряжения для
установки на РУ 220 кВ. Приборы, которые подключены к ТН, занесены в таблицу
3.5.1.
Таблица 3.5.1 Суммарная нагрузка подключенных
приборов
Место установки и перечень приборов Тип
прибора
,
|
ВАЧисло
о обмотокCos φSin φЧисло
п приборов P, ВтQ,
ВАр
|
|
|
|
|
|
|
|
|
Ваттметр
|
Ц-42303
|
1,5
|
2
|
1
|
0
|
2
|
6
|
-
|
|
Варметр
|
Ц-42308
|
1,5
|
2
|
1
|
0
|
2
|
6
|
-
|
|
Счетчик
активной энергии
|
Меркурий-233АR
|
2
|
2
|
0,35
|
0,94
|
2
|
3,04
|
7,4
|
|
Вольтметр
|
Э-8033
|
2
|
1
|
1
|
0
|
1
|
2
|
-
|
|
Частотомер
|
В-80
|
7
|
1
|
1
|
0
|
1
|
7
|
-
|
|
Осциллограф
|
-
|
10
|
1
|
1
|
0
|
1
|
10
|
-
|
|
Счетчик
реактивной энергии
|
Меркурий-233АR
|
3
|
2
|
0,35
|
0,94
|
1
|
2,28
|
5,55
|
|
Итого
|
-
|
-
|
-
|
-
|
-
|
-
|
38,2
|
12,5
|
Ниже рассчитана суммарная потребляемая мощность:
Произведём выборку трансформатора
напряжения типаоЗНОГ-220-У1 с справочными параметрами:
= 220кВ,
В,
напряжение дополнительной вторичной обмотки:
= 100В,
в классе
точности 0,5: 400 ВА, схема соединения обмоток
/
/
.
Т.к. мощность ТН
= 400ВА, что
больше расчетной мощности
= 38,5 ВА, то
выбранный трансформатор подходит к установке на станции.
Таблица 3.5.2 Выборка трансформатора напряжения
|
Расчетные
величины
|
Каталожные
данные выключателя (тип)
|
Условия
выбора
|
|
220
|
220
|
Uуст£
Uн
|
|
____
|
0,5
|
В
зависимости от назначения
|
|
37,5
|
400
|
S2£
S2н
|
Произведём выборку трансформаторов
напряжения для РУ 500 кВ. Выбираем трансформатор напряжения типа ЗНОГ-500-83У3
с параметрами:
= 500кВ,
В,
напряжение дополнительной вторичной обмотки:
= 100В,
в классе
точности 0,5: 400 ВА, схема соединения обмоток
/
/
.
Т.к. мощность Т.Н.
= 400ВА, что
больше расчетной мощности
= 38,5 ВА,
значит, выбранный ТН подходит к установке на станции.
Таблица 3.5.2 Выбор трансформатора напряжения
|
Расчетные
величины
|
Каталожные
данные выключателя (тип)
|
Условия
выбора
|
|
500
|
500
|
Uуст£
Uн
|
|
____
|
0,5
|
В
зависимости от назначения
|
|
37,5
|
400
|
S2£
S2н
|
3.6 Выбор ОПН
Выбор ОПН производим исходя из величин
номинального напряжения и наибольшего остающегося напряжения [1].
Для РУ 220 кВ выбираем ОПН-220У1 с параметрами:
Определяем допустимое расчётное напряжение по
формуле:
Таблица 3.6.1 Каталожные данные параметров
ОПН-220У1
|
Расчетные
величины
|
Каталожные
данные разрядника (тип)
|
Номер
условия
|
Условия
выбора
|
|
Uуст,
кВ
|
220
|
Uн,
кВ
|
220
|
1
|
Uуст
≥
Uн;
|
|
Uд.расч,
кВ
|
614
|
Uост,
кВ
|
360
|
2
|
Uд.расч
≥ Uост
|
Для установки на РУ 500 кВ выбираем ОПН 500ХЛ1 с
следующими параметрами:
= 500 кВ,
=
750 кВ.
Определяем допустимое расчётное напряжение по
формуле:
Таблица 3.6.2 Каталожные данные параметров ОПН
500ХЛ1
|
Расчетные
величины
|
Каталожные
данные разрядника (тип)
|
Номер
условия
|
Условия
выбора
|
|
Uуст,
кВ
|
500
|
Uн,
кВ
|
500
|
1
|
Uуст
≥
Uн;
|
|
Uд.расч,
кВ
|
1304
|
Uост,
кВ
|
750
|
2
|
Uд.расч
≥ Uост
|
Заключение
В данном курсовом проекте был произведен расчет
электростанции типа РЭС мощностью 500 МВт. Принятая для расчета схема полностью
удовлетворяет всем требованиям экономичности, надежности энергоснабжения
потребителей, как в нормальных режимах работы, так и в аварийных. Также
обеспечивает гибкость и возможность расширения системы.
Примененная в курсовом проекте схема с двумя
рабочими и обходной системой шин позволяет производить ремонт и отключение
силового оборудования ОРУ 220 и ОРУ 500 кВ без прекращения энергоснабжения потребителей,
а так же использование малого количества выключателей и обладание достаточно
высокой надежности схемы.
Согласно расчетам связи был установлен один
автотрансформатор, обеспечивающий необходимый переток мощности между ОРУ 220 кВ
и ОРУ 500 кВ.
Применение воздушных выключателей серии ВНВ
обосновывается тем, что выключатели этой серии более экономичны по расходу
сжатого воздуха, имеют большое быстродействие при коммутациях, стабильность
механических характеристик и малую разновременность срабатывания элементов
полюса за счет механической системы управления дугогасительными устройствами.
Также воздушные выключатели более ремонтнопригодны, особенно в сравнении с
элегазовыми.
Расчёт токов короткого замыкания в трёх точках
схемы производился для определения предельного тока отключения в этих точках
КЗ. Это необходимо для правильного выбора оборудования, которое обеспечит
нормальную работу станции в аварийном или ремонтном режиме. Выбор главной схемы
и электрических аппаратов отражен в графической части курсового проекта.
Список литературы
1. Неклепаев Б.Н., Крючков И.П.
Электрическая часть электростанций и подстанций: Справочные материалы для
курсового и дипломного проектирования. М.: Энергоатомиздат, 2003. 608с
2. Рожкова Л.Д., Козулин В.С.
Электрооборудование станций и подстанций. М.: Энергоатомиздат, 2004. 648с
. Баран С.А. Методические указания к
курсовому проекту по курсу электрические станции и подстанции. 2012. - 76 с
. Правила устройства
электроустановок / Министерство энергетики РФ. М.: Госэнергонадзор, 2000. 522с