|
Номер варианта
|
F1,
кН
|
F2,
кН
|
М1,
кН∙м
|
М2,
кН∙м
|
q, кН/м
|
[σ], МПа
|
|
10
|
-
|
15
|
50
|
5
|
1.5
|
160
|
2.1 Основные расчётные формулы
При изгибе стержней в сечениях возникают изгибающие моменты М и
поперечные силы Q. Они
определяются методом сечений. Величина поперечной силы в произвольном сечении
балки равна алгебраической сумме всех внешних поперечных сил, действующих на балку
по одну сторону от рассматриваемого сечения.
Величина изгибающего момента М в сечении равна алгебраической
сумме моментов всех внешних сил по одну сторону от сечения. Между этими
внутренними силовыми факторами имеется следующая связь:
поперечная сила равна первой производной от изгибающего момента по
координате, направленной вдоль оси балки
. (2.1)
В
свою очередь, между поперечной силой Q и распределённой внешней
нагрузкой q имеется аналогичная взаимосвязь
. (2.2)
Чтобы изучить работу балки от внешних сил и реакции, необходимо построить
эпюры (графики) распределения внутренних силовых факторов - поперечной силы и
изгибающего момента по её длине.
Сечение, в котором действует наибольший изгибающий момент, называют
опасным. В каждой точке балки возникает нормальное напряжение σ,
которое линейно
изменяется по высоте сечения.
(2.3)
где
у - координата слоя балки, в котором определяются напряжения;
Iх - осевой
момент инерции сечения относительно главной оси.
Наибольшее
напряжение возникает в нижнем и верхнем слоях сечения
(2.4)
где
- момент сопротивления изгибу относительно оси х.
Прочность балки оценивается по максимальному нормальному напряжению в
опасном сечении. Условия прочности балки имеют вид неравенства:
(2.5)
где
σП - предельное напряжение материала, из которого
изготовлена балка; [n] - коэффициент запаса прочности.
В
сечениях балки возникает касательное напряжение, которое определяется по высоте
не линейно (2.6)
(2.6)
где
b -
ширина слоя сечения;
- статический момент площади над слоем.
Касательные напряжения равны нулю в верхнем и нижнем слоях балки и имеют
наибольшее значение в слое, проходящем через центр тяжести сечения. Они
учитываются при оценке балки на межслойный сдвиг. Касательное напряжение между
слоями балки не должны превышать допускаемого
(2.7)
где
-
предельное напряжение (или
- предел
текучести, или
- предел прочности при сдвиге).
При
изгибе балки её сечения имеют поперечные перемещения у, которые называют
прогибами, и угловые перемещения
.
Между
прогибом, углом поворота и изгибающим моментом в этом сечении имеются следующие
дифференциальные связи:
(2.8)
где
E·Iх -
параметр, характеризующий жесткость балки на изгиб.
Для дифференциальных уравнений (2.8) получены универсальные решения,
пригодные для любой балки с прямой осью и постоянной жесткостью:
(2.9)
, (2.10)
где
и у0 - начальные параметры -
угол поворота и прогиб сечения, расположенного в начале координат;
а,
b, c, d-
координаты приложения соответственно сосредоточенного момента m,
силы F и распределенной нагрузки q.
В
практических расчетах часто после расчета на прочность производится проверка
выполнения условий жесткости.
(2.11)
где
[у] и [
] - допускаемый прогиб и угол поворота сечения,
которые устанавливаются на основании опыта эксплуатации аналогичных
конструкций.
2.2 Правила знаков внутренних силовых факторов при построении
эпюр сил и моментов
Правила знаков для внутренних усилий, применяемые в машиностроении:
1.
Продольная сила
считается положительной,
если она вызывает растяжение отсеченной части и отрицательной, если
вызывает ее сжатие.
.
Поперечная сила
считается положительной,
если она вращает отсеченную часть по ходу часовой стрелки и отрицатель
ной, если вращение происходит против хода часовой стрелки.
.
Изгибающий момент положителен, если сжаты верхние волокна отсеченной
части, и отрицателен, если сжаты нижние волокна. Эпюра изгибающих
моментов строится на сжатых волокнах.
.
Правило знаков для крутящего момента удобно принимать произвольным.
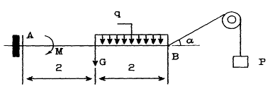
Задание: Для балки, изображенной на рисунке 2.1, а, построить эпюры
поперечных сил и изгибающих моментов. Из расчета на прочность по нормальным
напряжениям подобрать номер двутавра. Проверить прочность выбранного двутавра
по главным напряжениям, используя третью теорию прочности. Построить изогнутую
ось балки.
Исходные данные: F1=10 кН; M1=15
кНм ;q=5 кН/м;
а=3 м; b=1.5
м; с=1.5 м; [σ]=160 МПа.
Рисунок 2.1 - Схема балки, эпюр поперечных сил и изгибающих моментов
Решение:
1.
Определим реакции опор
и
,
составив для этого условия равновесия:
;
;
.
.
Сделаем проверку:
Реакции
найдены правильно.
3. Построение эпюр.
Для построения эпюр разобьём балку на три участка и составим уравнение
для Q и М.
I участок:
При
z=0
При
z=a 
II участок:
.
При z=a
При z=a+b
III
участок:
.
.
При
z1=0
.
При
z1=с
.
На
этом участке график поперечной силы пересекает ось эпюры (рис. 2.1, б).
Следовательно, в точке, где
,
изгибающий момент имеет экстремум. Найдём его. Из условия
получаем:
Изгибающий
момент при z1=2,75:
.
По
этим данным строим эпюру поперечных сил (рис. 2.1, б) и изгибающих моментов
(рис. 2.1, в).
4. Подберём сечение балки. Наибольший изгибающий момент (рисунок 2.1, в)
равен 60,6 кН∙м. Необходимый момент сопротивления:
По таблицам сортамента (приложение В) ближайшими к этому значению
являются Wх=467 cм3 (двутавр №30а) и Wх=597cм3 (двутавр №30).
. Проверим, годится ли двутавр №30. Напряжения в нём будут равны:
То
есть перенапряжение составляет:
что
допустимо.
Рисунок
2.2 Схема сечения двутавра.
Таким образом, в соответствии с расчётом по нормальным напряжениям
следует принять двутавр №30а. Обратим, однако, внимание на то, что сечении над
левой опорой балки действуют одновременно значительный изгибающий момент М=20
кН∙м и большая поперечная (перерезывающая) сила Q=55 кН (рис. 2.1). Поэтому в
этом сечении надо сделать проверку по главным напряжениям.
6. Проверим условие прочности по третьей теории прочности. Из таблиц
сортамента выпишем для двутавра №30а: Iх=7780 см4; h=300 мм; t= 10,7 мм; d=6,5 мм.
Тогда в точке К сечения (рис. 2.2)
.
Согласно
третьей теории прочности должно выполняться условие:
В
нашем случае:
.
7. Определим перенапряжение в точке К.
Перенапряжение составляет:
что
допустимо велико (не более 5%).
Таким
образом, надо использовать двутавр того же размера. Окончательно принимаем
двутавр №30.
Часть III. Динамический расчет движения автомобиля
Цель работы: освоение студентами основных методов динамического расчета
механических систем; определение целесообразных областей использования каждого
из этих методов.
Основные вопросы, подлежащие разработке:
Задачу решить двумя способами:
с помощью теоремы об изменении кинетической энергии механической системы;
с помощью с помощью дифференциальных уравнений движения механической
системы.
В результате выполнения работы должны быть определены все основные
параметры динамики движения автомобиля.
Исходные данные:
Условие задачи, схема движения автомобиля, значение параметров в таблице
3 согласно заданию.
Таблица 3 - Номера вариантов и исходные данные
|
№ п.п.
|
v, км/ч
|
Р1, кН
|
Р2, Н
|
ρ,
см
|
r, см
|
fк, см
|
п
|
|
2
|
35
|
2
|
21
|
25
|
30
|
0,11
|
0,25
|
3.1 Определение динамических характеристик автомобиля с
помощью теоремы об изменении кинетической энергии
Задание. Какой путь s прошел по прямой до остановки
автомобиль, если в момент выключения мотора он двигался со скоростью v =75
км/ч=9,7 м/с. Вес кузова автомобиля с водителем и пассажирами
равен
=2 кН, вес каждого из четырех колес
= 21 Н. Радиус инерции колеса относительно оси,
проходящей через его центр инерции перпендикулярно к плоскости материальной
симметрии, равен
= 25 см, радиус колеса r =30 см.
Коэффициент трения качения колес о шоссе
=0.11 см.
За
какое время и на каком расстоянии может быть остановлен тормозом автомобиль,
идущий по горизонтальному пути со скоростью v=75 км/ч, если
сопротивление движению, развиваемое при торможении, составляет
(п - коэффициент пропорциональности, Р -
вес автомобиля, С - центр тяжести автомобиля).
Колеса автомобиля катятся без скольжения. Силой сопротивления воздуха
пренебречь (рис. 3.1).
Рисунок 3.1
Решение 1. При движении автомобиля направо направление положительного
отсчета угла поворота φ колес выбираем по часовой стрелке.
Запишем теорему об изменении кинетической энергии системы материальных
точек:
. (3.1)
где
- кинетическая энергия автомобиля в первом положении;
- кинетическая энергия во втором положении
автомобиля;
- работа внешних сил, приложенных к автомобилю;
- работа внутренних сил, приложенных к автомобилю.
Рисунок 3.2
Изобразим
внешние силы, приложенные к автомобилю (рис. 3.2):
и
- силы
тяжести колес;
и 2
- нормальные
силы реакций, смещенные относительно центра тяжести колес в сторону движения на
величину коэффициента трения качения
; 2
и 2
- силы
трения колес о шоссе, направленные в сторону, противоположную движению (после
выключения двигателя все колеса автомобиля оказываются ведомыми). Внутренние
силы не изображаем, считая автомобиль неизменяемой системой и пренебрегая
силами внутреннего трения. Следовательно, сумма работ всех внутренних сил
автомобиля равна нулю. Теперь уравнение (3.1) принимает вид
. (3.2)
Сумма работ всех внешних сил системы на искомом перемещении s равна
(3.3)
(коэффициенты
«4» соответствуют числу колес автомобиля).
Так
как разность высот Δh при
перемещениях точек приложения сил
и 4
равна нулю, то
. (3.4)
При качении колес без скольжения их мгновенные центры скоростей К находятся
в точках касания. Силы трения всегда приложены к колесам в точках, совпадающих
с мгновенными центрами скоростей К и перемещаются вместе с ними.
Мощность этих сил трения, вычисляемая по формуле
где
- скорость мгновенного центра скоростей равна
.
Следовательно,
работа сил трения на конечном перемещении, равная интегралу от мощности по
времени, тоже равна нулю:
. (3.5)
Учитывая,
что радиусы колес и коэффициенты трения качения для всех четырех колес
одинаковы, приводим вычисленные суммы работ пар качения к одному колесу, считая
нормальное давление равным
. Так как
коэффициент трения качения
является
плечом пары трения качения, то момент пары трения качения
будет
.
Элементарная работа пары трения качения равна
(3.6)
(работа
отрицательна, так как направление момента пары трения качения противоположно
направлению угла поворота φ колес),
где dφ
- элементарное угловое перемещение колеса
вокруг мгновенного центра скоростей К. Учитывая, что dφ связано с элементарным перемещением ds центра тяжести
С колеса зависимостью
, получим
. (3.7)
Подставляя
значение dφ из формулы (3.7) в (3.6), находим:
. (3.8)
Для вычисления суммарной работы пары трения качения на конечном
перемещении центра тяжести С колеса остается взять от выражения δA по формуле (3.8) определенный
интеграл в пределах от 0 до s. После вычислений получим:
. (3.9)
Подставляя значения A(P1), 4A(P2),
4A(Fтр), 4A(Mтк) из формул
(3.4), (3.5) и (3.9) в (3.3), находим сумму работ всех внешних сил, приложенных
к автомобилю на его перемещении, равном s:
. (3.10)
Переходим к вычислению кинетических энергий автомобиля в его начальном и
конечном положениях. Так как в конечном положении, т.е. в момент остановки,
скорости всех точек равны нулю, то
. (3.11)
Запишем
кинетическую энергию
автомобиля, состоящего из кузова с водителем и
пассажирами и четырех колес, в виде
. (3.12)
Кузов с водителем и пассажирами совершает поступательно движение, поэтому
. (3.13)
Колеса совершают плоское движение, поэтому
; (3.14)
так
как
, то формула (3.14) принимает вид
. (3.15)
Внося
значения
и 4
из
формул (3.13) и (3.15) в (3.12), находим кинетическую энергию автомобиля в ее
начальном положении:
. (3.16)
Подставляя
значения
,
и
из
формул (3.10), (3.11) и (3.16) в уравнение (3.2) и решив это уравнение
относительно s, получим:
м.
3.2 Определение динамических характеристик движения автомобиля с помощью
дифференциальных уравнений
Решение
2. За ось координат примем ось х,
направленную вдоль пути торможения автомобиля. Начальными условиями будут:
,
,
. Задаваемые силы - вес автомобиля
и сила сопротивления движению при
,
.
Дифференциальное уравнение движения автомобиля будет иметь вид (рис. 3.2):
.
Интегрируем это уравнение дважды и получаем:
.
По
начальным условиям находим постоянные интегрирования
и
:
, тогда
.
По
условию задачи требуется найти время остановки автомобиля, т.е. при v=0
(
). Из первого уравнения находим это время:
с.
Подставляя во второе уравнение движения автомобиля, находим путь
пройденный автомобилем до полной остановки:
м.
Часть IV. Расчет цилиндрических зубчатых передач
.1 Основные расчетные зависимости для стальных цилиндрических
зубчатых колес
Расчет на контактную прочность рабочих поверхностей зубьев
А. Межосевое расстояние (проектный расчет):
.
Б.
Расчетное (рабочее) контактное напряжение (проектный расчет):
)
Задан момент на шестерне:
.
)
Задано окружное усилие:
;
.
Во
всех случаях
. Знак плюс в выражении
при
внешнем зацеплении, знак минус - при внутреннем.
Обозначения:
i -
передаточное число;
-
расчетный момент на шестерне:
, где К
- коэффициент нагрузки;
-
расчетное окружное усилие,
;
В - ширина зубчатого колеса:
-
коэффициент ширины колеса;
-
допускаемое контактное напряжение;
-
коэффициент, учитывающий повышение нагрузочной способности за счет увеличения
суммарной длины контактных линий; для прямозубых колес
=1; для косозубых при угле наклона на делительном
цилиндре
=1,35 (при твердости рабочих поверхностей зубьев не
более НВ350);
=1,5 (при твердости выше НВ350) ; для косозубых
и шевронных колес при
не зависимо от твердости
=1,15.
Расчет
зубьев на изгиб
А.
Проверочный расчет.
.
По заданному моменту:
.
.
По заданному окружному усилию:
Б.
Проектный расчет.
.
Примечание: 1. Модуль следует определять для того из
сцепляющихся колес, для которого произведение
меньше.
.
При расчете по заданному моменту расчетный момент и число зубьев должны
относиться к одному и тому же зубчатому колесу (
и
либо
и
).
Обозначения:
-
расчетное и допускаемое напряжение изгиба для зуба шестерни или зубчатого
колеса;
- при одностороннем действии нагрузки;
- при переменном направлении изгиба зубьев;
-
коэффициент, учитывающий уменьшение момента сопротивления опасного сечения зуба
вследствие износа. Для закрытых передач
=1; для
открытых передач
=1,25÷1,5,
большие значения при ожидаемом
интенсивном износе;
у
- коэффициент формы зуба. Принимается
по таблице П20 в зависимости от числа зубьев, действительного z для
прямозубых и фиктивного для косозубых и шевронных
или конических
рассчитываемого
колеса;
- угол
наклона зуба на делительном цилиндре;
- угол
делительного конуса;
-
нормальный модуль зацепления; для прямозубых колес
= т;
-
коэффициент, учитывающий повышение изгибной прочности зубьев косозубых и
шевронных колес по сравнению с прямозубыми; для прямозубых колес
=1,0, для косозубых и шевронных
=1,4;
z - число
зубьев шестерни или колеса;
-
коэффициент ширины колеса (для конических колес - длины зуба).
Таблица 4.1 - Размерность величин, входящих в расчетные зависимости
|
Обозначение
|
В международной системе
единиц (СИ)
|
В системе МГКСС и
внесистемных единиц
|
|
Нкг
|
|
|
|
Н·мкг·см
|
|
|
|
Н/м2кг/см2
|
|
|
|
А
|
м
|
см
|
|
В
|
м
|
см
|
|
мсм
|
|
|
|
мсм
|
|
|
|
мсм или
мм
|
|
|
|
Н/м2кг/см2
или кг/мм2
|
|
|
.2 Методические указания к выполнению задания
Таблица 4.2 - Исходные данные
|
№ варианта
|
N1
|
ω1
|
T
|
i
|
|
2
|
4
|
44
|
6000
|
4
|
Задание. Рассчитать зубчатую передачу (зубчатые колеса
подъемного механизма z1 и z2) одноступенчатого
цилиндрического редуктора с косозубыми колесами (рис. 4.1) при
= 4,0 квт;
= 44 рад/с;
i = 4. Расчетный срок службы зубчатых колес Т =
6 000 ч. Передача нереверсивная.
Решение.
.
Угловая скорость тихоходного вала
.
Рисунок
4.1
.
Материалы шестерни и колеса в целях получения наименьших габаритов передачи
выбираем с повышенными механическими свойствами. Для шестерни принимаем сталь
40ХН, улучшенную с механическими характеристиками (см. табл. П21): σв =
883 Мн/м2; σТ =
686 Мн/м2 ; НВ 265 (считаем, что диаметр заготовки
будет не более 150 мм). Для колеса принимаем сталь 40×11, нормализованную с механическими характеристиками: σв =
736 Мн/м2; σТ =
550 Мн/м2; НВ 220 (считаем, что диаметр заготовки
будет не более 500 мм).
При
выборе материалов учтено, что твердость зубьев колеса должна быть на 25 ÷ 50 единиц Бриннеля ниже твердости зубьев шестерни.
.
Допускаемое контактное напряжение, так как перепад твердостей материалов
шестерни и зубчатого колеса незначителен, определяем для материала зубчатого
колеса*
.
Коэффициент
режима
.
Число
циклов нагружения каждого зуба колеса за весь срок службы
Где
.
Так
как Nц >
107 то kpк = 1 и
.
Допускаемые напряжения изгиба
так
как Nц > 5∙104 (см. п. 3 расчета).
Для
шестерни
принимаем σ-1 = 400 МН/м2;
[п] = 1,5 - коэффициент запаса по табл. П23; для поковок стальных,
подвергнутых улучшению, kσ = 1,6 - коэффициент концентрации
напряжений у корня зуба - по табл. П24; при этих значениях для шестерни
.
Для зубчатого колеса
принимаем
σ-1 = 350 МН/м2.
При
тех же значениях [п] и kσ
.
.
Вращающий момент на ведущем валу
то
же на ведомом валу
.
Межосевое расстояние из условия контактной прочности
.
а)
Расчетный момент на валу шестерни
где
К = 1,3 - коэффициент нагрузки при симметричном расположении колес.
б)
Коэффициент ширины колеса
принимаем равным 0,3.
*
При большом перепаде твердости (НВшест - НВколеса
≥ 100) принимают для косозубых колес расчетное значение
.
в)
Коэффициент повышения нагрузочной способности для непрямозубых колес kn = 1,35.
Подставив
числовые значения, получим
,
принимаем
A = 170 мм.
.
Нормальный модуль зацепления
.
В
соответствии с ГОСТом 9563-60 принимаем тп = 2,5 мм
(см. табл. П19).
.
Число зубьев и угол наклона зубьев.
Примем
предварительно угол наклона зубьев β = 10°, тогда суммарное число зубьев
Число
зубьев шестерни
,
тогда
.
Фактическое
передаточное отношение
.
Угол
наклона зубьев (уточненное значение)
.
.
Диаметры делительных окружностей
.
Значения
dд1 и dд2 следует вычислять
с точностью до сотых долен миллиметра и проверять точное соблюдение равенства
.
В
нашем случае это равенство соблюдается
В
нашем случае это равенство соблюдается
.
Ширина шестерни и колеса
;
.
.
Уточненное значение коэффициента нагрузки найдем, предварительно определив
окружную скорость
.
При
такой окружной скорости можно принять 9-ю степень точности зубчатого
зацепления. Так как для косозубых колес обычно не применяют степень точности
ниже восьмой, примем 8-ю степень точности. При этом по табл. П26 динамический
коэффициент Кдин = 1,1. При постоянной нагрузке передачи
коэффициент концентрации нагрузки Кц= 1,0 и общий коэффициент
нагрузки К = Кдин ∙Kкц = 1,1,
т. е. меньше принятого предварительно и поэтому проверка рабочих контактных
напряжений не нужна.
.
Проверка прочности зубьев на изгиб
.
а)
Коэффициент формы зуба (табл. П20) выбираем по фиктивному числу зубьев
б)
Ширина колеса В2= 51 мм; шестерни В1
= 55 мм.
в)
Нормальный модуль тп = 2,5 мм.
г)
knu = 1,4.
д)
Окружное усилие (номинальное и расчетное)
где
К = 1,1 (см. п. 11 расчета)
е)
Сравнительная оценка прочности зубьев шестерни и колеса на изгиб
;
Расчет
ведем для зубьев шестерни, как менее прочных.
Расчетные
напряжения изгиба
Сводная
таблица основных параметров редуктора
|
№ п.п
|
Параметры
|
Значения параметров
|
|
1
|
Мощность на ведущем валу
|
|
|
2
|
Передаточное число
|
i = 4
|
|
3
|
Угловая скорость: Ведущего
вала Ведомого вала
|
450 об/мин=44 рад/с
105 об/мин=11 рад/с
|
|
4
|
Тип передачи
|
Косозубая
|
|
5
|
Межосевое расстояние
|
А=170 мм
|
|
6
|
Число зубьев: Шестерни
Колеса
|
z1= 27
z2=107
|
|
7
|
угол наклона
зубьев
|
β=10о9’
|
|
8
|
Модуль нормальный
|
тп=2,5 мм
|
|
9
|
Коэффициент шестерни колеса
|
ΨА=В/А=0,3
|
|
10
|
Диаметры делительных
окружностей Шестерни Колеса
|
dд1
= 68,84 мм dд2
= 272,96 мм
|
Заключение
Таким
образом, в данном курсовом проекте были выполнены задания по определению
реакций опор, расчёт балки на прочность и жёсткость, динамический расчет
движения автомобиля и расчет цилиндрических зубчатых передач. Данные задания
позволили усвоить материалы учебной дисциплины, а также получить практические
навыки при решении конкретных задач, которые могут встретиться в практической
деятельности.
Список литературы:
1. Пономарев
А.И. Основы функционирования систем сервиса: методические указания для
выполнения курсовой работы. - Калуга: Издательство СПбГЭУ, 2014. - 64 с.
2. Е.Росляков,
И.Кравчук, В.Гладкевич, А.Дружинин. «Энергосиловое оборудование систем
жизнеобеспечения». Учебник - СПб: Политехника, 2012. - 350 с.: ил.
. «Многоцелевые
гусеничные и колесные машины.» Под ред. Акад., докт. техн. наук,проф.
Г.И.Гладкова - М: Транспорт, 2011. - 214 с.
. Скойбеда
А.Т. и др. «Детали машин и основы конструирования.» Учебник М:, Высшая школа,
2010. - 584 с.
. Яблонский
А.А., Никифорова В.М. Курс теоретической механики. - СПб: Изд. «Лань», 2009. -
788 с.
. Костенко
Н.А. и др. Сопротивление материалов: Учеб. пособие.- М..: Высш. шк., 2007.- 430
с.
. Фролов
К.В. и др. Теория механизмов и машин: Учеб. для втузов. - М.: Высш. шк.,2011. -
496 с.
. Иванов
М.Н. Детали машин: Учеб. для втузов. - М.: Высш. шк., 2010.- 383 с.