Поэтажный расчет статической балки

  • Вид работы:
    Контрольная работа
  • Предмет:
    Строительство
  • Язык:
    Русский
    ,
    Формат файла:
    MS Word
    3,53 Mb
  • Опубликовано:
    2010-11-24
Вы можете узнать стоимость помощи в написании студенческой работы.
Помощь в написании работы, которую точно примут!

Поэтажный расчет статической балки

Министерство образования и науки Российской Федерации

Московский институт коммунального хозяйства и строительства







Контрольная работа

по дисциплине: Строительная механика



Студент:

Специальность: 290700

Шифр: ТВ

Проверил:






Москва 2009

Расчет многопролетной статически определимой балки

Определяем реакции опор и строим эпюры моментов М и поперечных сил Q.

Изображаем расчетную схему

Рис.1 – Расчетная схема.

Выделяем главные балки АВ, DE и второстепенную ВС. Строим поэтажную схему.

Рис. 2 – поэтажная схема.

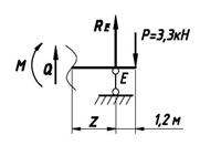
Расчет балки верхнего этажа.

Определим реакции опор.

; кН;

;  кН;

Проверка:

; - верно;

Начало координат выбираем в крайней левой точке. Рассмотрим равновесие отсеченной части бруса:


В сечении возникают внутренние усилия:

;

;

;

0<z<10;

При z=0 получаем: кН; ;

При z=10 получаем: кН; ;

кН.

Последовательно рассчитываем балки нижнего этажа.

Балка АВ.


Начало координат выбираем в крайней правой точке. Рассмотрим равновесие отсеченной части бруса:


В сечении возникают внутренние усилия:

;

;

;

0<z<10;

При z=0 получаем: кН; ;

При z=10 получаем: кН;  кН;

Так как на участке действует равномерно распределенная нагрузка моменты вычисляем в трех точках.

При z=5 получаем  кН;

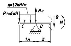
Балка СDE.


Определим реакции опор.

; кН;

;  кН;

Проверка:

; - верно;

Расчетная схема имеет четыре силовых участка. Рассмотрим первый участок.

Начало координат расположим в точке С. Рассмотрим равновесие отсеченной части бруса.

В сечении возникают внутренние усилия:


;

;

;

0<z<1;

При z=0 получаем: кН; ;

При z=1 получаем: кН;  кН;

Второй участок.

Начало координат расположим в точке D. Рассмотрим равновесие отсеченной части бруса.



;

;

;

0<z<2,2;

При z=0 получаем: кН; кН;

При z=2,2 получаем: кН;  кН;

Третий участок.

Начало координат расположим в крайней правой точке. Рассмотрим равновесие отсеченной части бруса.В сечении возникают внутренние усилия:

 

;

;

;

0<z<1,2;

При z=0 получаем: кН; кН;

При z=1,2 получаем: кН; кН;

Четвертый участок.

Начало координат расположим в точке Е. Рассмотрим равновесие отсеченной части бруса.

В сечении возникают внутренние усилия:


;

;

;

0<z<7,8;

При z=0 получаем: кН; кН;

При z=1,2 получаем: кН; кН;

Составляя эпюры, построенные для отдельных элементов, строим окончательные эпюры M и Q.

Ориентируясь на поэтажную схему строим линии влияния для балки CDE, а затем учитываем влияние балки BC.

Вычисление усилий по линиям влияний:

 кНм;

 кН;

 кН.

Расчет плоской статически определимой фермы

При действии узловой внешней нагрузки в стержнях возникают только продольные усилия (растяжение или сжатие). Расчет заключается в определении этих усилий.

рис2_1.JPG

Рис . Расчетная схема.

Определение усилий в стержнях фермы.

Определяем опорные реакции.

;

кН;

; кН;

Так как ферма симметрична опорные реакции равны кН;

Определяем усилия в стержнях.

рис2_2.JPG

Усилие N1-2 и усилие N1-А определим способом вырезания узлов. Рассмотрим узел 1.

 кН (сжат);


Так как рассматриваемая ферма с параллельными поясами усилие NА-2 определим способом проекций, проектируя все силы на вертикаль. Проводим сечение и рассматриваем равновесие левой части.

рис2_2.JPG

;

 кН (сжат);

Усилие NА-3 определим способом моментной точки.

рис2_2.JPG

Проводим сечение и рассматриваем равновесие левой части, за моментную точку принимаем точку 2.

;

кН;

кН;

N2-3 определим способом проекций, проектируя все силы на вертикаль. Проводим сечение и рассматриваем равновесие левой части.

;

 кН;

рис2_3.JPG

Усилие N2-4 определим способом моментной точки. Проводим сечение и рассматриваем равновесие левой части, за моментную точку принимаем точку 3.

;

кН (сжат);

Усилие N3-5 определим способом моментной точки. Проводим сечение и рассматриваем равновесие левой части, за моментную точку принимаем точку 4.

кН;

N3-4 определим способом проекций, проектируя все силы на вертикаль. Проводим сечение и рассматриваем равновесие левой части.

;

 кН (сжат);


Усилие N4-6 определим способом моментной точки. Проводим сечение и рассматриваем равновесие левой части, за моментную точку принимаем точку 5.

;

кН (сжат);

N4-5 определим способом проекций, проектируя все силы на вертикаль. Проводим сечение и рассматриваем равновесие левой части.

;

 кН;


Усилие N5-7 определим способом моментной точки. Проводим сечение и рассматриваем равновесие левой части, за моментную точку принимаем точку 6.

;

кН;

N5-6 определим способом проекций, проектируя все силы на вертикаль. Проводим сечение и рассматриваем равновесие левой части.

;

 кН (сжат);


Усилие N7-6 определим способом вырезания узлов. Рассмотрим узел 7.

Так как в узле сходятся три стержня, два из которых лежат на одной прямой и узел не нагружен:

; кН;


Так как рассматриваемая ферма симметрична, то усилия стержней расположенных с правой стороны от стойки 6-7 будут соответственно равны симметричным, расположенным с левой стороны.

Построение линий влияния усилий в стержнях фермы.

Исходными служат линии влияния опорных реакций RА и RB.

Проводим сечение I-I.

Груз Р=1 справа от узла 7. Рассмотрим равновесие левой части фермы.


;

;


;

Груз Р=1 слева от узла 5. Рассмотрим равновесие правой части фермы.

;

;

;

Проводим сечение II-II.

Груз Р=1 справа от узла 5. Рассмотрим равновесие левой части фермы.


;


Груз Р=1 слева от узла 3. Рассмотрим равновесие правой части фермы.



Вырезаем узел 7.

а) сила в узле:

;

б) сила вне узла

;

Определение расчетных усилий в элементах фермы.

Определяем усилия от временной нагрузки.

Умножаем узловую временную нагрузку Pврем=1,7кН на положительные ординаты линии влияния для определения Nmax, и отрицательных для Nmin.

 кН;

 кН;

 кН;

 кН;

 кН;

 кН;

кН;

Определение расчетных усилий.

Расчетные усилия определяем по формулам:

;

;

Номер стержня

Усилия от постоянной нагрузки N

Усиление от временной нагрузки

Расчетное усилие

N-

Nmax

Nmin

N4-5

1

1,7

-0,85

2,7

0,15

N4-6

-8

-

-6,8

-8

-14,8

N5-7

9

7,65

-

16,65

9

N5-6

-1,41

1,2

-2,399

-0,21

-3,809

N6-7

0

1,7

-

1,7

0



Не нашли материал для своей работы?
Поможем написать уникальную работу
Без плагиата!
Без нейросетей!