Одноступенчатый цилиндрический редуктор

  • Вид работы:
    Курсовая работа (т)
  • Предмет:
    Другое
  • Язык:
    Русский
    ,
    Формат файла:
    MS Word
    294,46 Кб
  • Опубликовано:
    2015-10-21
Вы можете узнать стоимость помощи в написании студенческой работы.
Помощь в написании работы, которую точно примут!

Одноступенчатый цилиндрический редуктор

Содержание

ВВЕДЕНИЕ

.        Описание кинематической схемы

.        Энерго-кинематический расчет

.        Расчет цилиндрической зубчатой передачи

.        Расчет валов редуктора

.        Расчет открытой ременной передачи

.        Проверочный расчет подшипников

.        Выбор смазки редуктора

.        Проверка прочности шпоночного соединения

.        Подбор муфты

.        Выбор типа корпуса редуктора и определение размеров его основных элементов

.        Выбор посадок зубчатых колес и подшипников

ЗАКЛЮЧЕНИЕ

Введение

Машиностроению принадлежит ведущая роль среди других отраслей экономики, так как основные производственные процессы выполняют машины. Поэтому и технический уровень многих отраслей в значительной мере определяет уровень развития машиностроения.

Повышение эксплуатационных и качественных показателей, сокращение времени разработки и выделение новых машин, повышение их надежности и долговечности - основные задачи конструкторов-машиностроителей.

Большие возможности для совершенствования труда конструкторов дает применение ЭВМ, позволяющие оптимизировать конструкции, автоматизировать значительную часть процесса проектирования. Различные конструктивные решения можно использовать для создания графической базы данных, используемой при проектировании.

Конструирование - процесс творческий. Известно, что каждая конструктивная задача может иметь несколько решений. Нужно по определенным критериям сопоставить конкурирующие варианты и выбрать один из них оптимальный для данных конкретных условий.

Рекомендации по конструированию сопровождаются анализом условий работы узлов и деталей, их обработки и сборки.

1.     
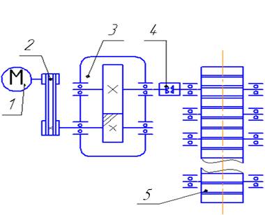
Описание кинематической схемы

- Электродвигатель АИР132S6; 2 - Клиноременная передача; 3 - Одноступенчатый цилиндрический редуктор; 4 - Муфта зубчатая; 5 - Пластинчатый конвейер;

Электродвигатель


Двигатель марки АИР132М8 с повышенным скольжением, предназначен для привода механизмов общего назначения, работает от сети 380В, 50 и 60 Гц, режим работ М8 по ГОСТ 183, степень защиты IP54 по ГОСТ 17494, способ охлаждения IC0141 по ГОСТ 20459, 6, климатическое исполнение У2, по ГОСТ 15150. Завод "Электродвигатель" г. Могилев.

Номинальная частота вращения ротора n=960 мин-1. Номинальная мощность Р=5,5 кВт.

2. Энергокинематический расчет

Определение общего коэффициента полезного действия привода

;

Где , = 0,94…0,96 - КПД ременной передачи;

=0,94…0,97 - КПД зубчатой цилиндрической передачи;

 = 0,98 - КПД соединительной муфты;

=0,99 - КПД подшипников качения (одна пара);

 = 0,950,960,980,99 = 0,846

Определение потребной мощности электродвигателя в кВт

 (кВт)

Где  кВт (согласно техническому заданию)

По каталогу принимаем электродвигатель серии АИР132М8 основного исполнения с номинальной мощностью Р = 5,5 кВт и частотой вращения n = 960

Определение частоты вращения вала привода в

()

Где  - согласно техническому заданию

Определение передаточных чисел ступеней привода

Общее передаточное число привода

 

Примем для открытой гибкой ременной или цепной передачи

 ,

Тогда

 

Принимаем для передачи редуктора стандартное передаточное число

 

Уточним передаточное число открытой гибкой передачи

==

Определение частот вращения валов привода в

 = 712 ()

 ()

()

()

Определение мощностей на валах привода в кВт

 (кВт)

 (кВт)

 (кВт)

 (кВт)

Определение величины крутящих моментов на валах привода в Нм

 (Нм)

 (Нм)

 (Нм)

(Нм)

Свод данных в таблицу

Вал

n,

Т, Нм

1-Вал

4,519

712

60,613

2 - Быстроходный вал (входной) вал редуктора

4,338

237,33

176,27

3 - Тихоходный (выходной) вал редуктора

4,035

47,769

806,679

4 - Вал привода

4

47,769

806,679


Результаты расчета цилиндрической косозубой передачи редуктора

Исходные данные :

Крутящий момент на валу колеса , Нм = 806,679

Частота вращения вала колеса n, = 47,769

Ресурс работы передачи  = 25000 часов

Ресурс - это число циклов работы, количество км пробега автомобиля и т.д. Lh - это срок службы.

Режим работы легкий

Материал колес


Шестерня Сталь 40ХН

Колесо Сталь 40ХН

Механические характеристики

Предел текучести  ,Мпа

630

630


Твердость зубьев Н, HВ

260

235


3. Расчет цилиндрической зубчатой передачи

Крутящий момент на валу шестерни

(Нм)

Частота вращения вала колеса

()

Передаточное число в соответствии с ГОСТ 2185-66

 

Срок службы передачи

 = 25000 часов

Частота вращения вала шестерни

 = 237,33 ()

Режим работы: легкий

Материалы зубчатых колес и их механические характеристики

шестерня - 40ХН по ГОСТ 1050 - 88, термообработка - улучшение

колесо - 40ХН по ГОСТ 1050 - 88, термообработка - улучшение

:= 260 - твердость поверхности материала шестерни в ед. НВ;

:= 235 - твердость поверхности материала колеса в ед. НВ.

Межосевое расстояние

Предварительное значение межосевого расстояния:

 = 176,78 мм, где K=10

в соответствии с заданной твердостью зубьев.

Окружная скорость:

= 0,82 м/с

Отсюда степень точности зубчатой передачи: 9(передача низкой точности).

Уточним значение межосевого расстояния:

, где ,

,

где

,

где = 0,26 (табличное значение), = 1,04,

 = 2,0. Таким образом,

Подставляем найденные значения в формулу межосевого расстояния:

= 172.77 мм

Вычисленное значение округляем до стандартного .

Предварительные основные размеры колеса


 мм

Ширина:

 (соответствует значению по ГОСТ 6636-69)

Модуль передачи

Максимально допустимый модуль:

 

Минимальное значение модуля:

 

 для косозубых передач;

, где = 1,04 (табличное значение),

=,

 = .

Из полученного диапазона модулей принимаем стандартный .

Суммарное число зубьев и угол наклона

Минимальный угол наклона зубьев косозубых колес:

 

Суммарное число зубьев:

 

Действительное значение угла наклона зуба:

 

Число зубьев шестерни и колеса

Число зубьев шестерни:

 

Число зубьев колеса:

 

Фактическое передаточное число

 

Диаметры колес

Делительные диаметры:

шестерни:

-колеса:  мм

Диаметры окружностей вершин и впадин зубьев колес внешнего зацепления:

 

,

где , где

 мм

 

 

Размеры заготовок

Чтобы получить при термической обработке принятые для расчета механические характеристики материала колес, требуется:

 

 

 

Силы в зацеплении

- окружная:

- радиальная:

- осевая:

Проверка зубьев колес по напряжению изгиба

Расчетное напряжение изгиба:

- в зубьях колеса:

,

где ,

- в зубьях шестерни:

 

Полученные результаты расчета показали, что спроектированная передача удовлетворяет условиям работоспособности. Следовательно, прочность зубьев на изгиб обеспеченна.

4. Расчет валов редуктора

Выбор материала валов

Для всех валов редуктора при малых и средних нагрузках выбирают относительно мягкие углеродистые стали с твердостью 180…240 НВ.

Марка стали         Твердосать НВ, не ниже ВТТ-1-1

σ

τ







 



МПа



45

200

560

280

150

250

150

 0


Где σВ - предел прочности; σТ, τТ - пределы текучести; σ-1, τ-1 - пределы выносливости при изгибе и кручении; ψσ, ψτ - коэффициенты, характеризующие чувствительность материала к асимметрии цикла нагружения.


Расчет валов

Ориентировочный расчет вала проводится только на кручение по пониженным допускаемым напряжениям, так как известен только крутящий момент Т, передаваемый валом.

Ведущий вал.

;

мм;

округляем до dk1=35 мм;

Диаметры остальных участков вала находят последовательным изменением предыдущего участка на 2…5 мм.

 мм

 мм

 мм

Ведомый вал.

Диаметр выходного конца вала:

,

 мм

округляем до dk2 =55 мм

 мм

 мм

 мм

dk - диаметр входного (выходного) конца вала;

dп - диаметр вала под подшипник;

dз.к - диаметр вала под зубчатое колесо;

dб - диаметр буртика.

Эскизная компоновка редуктора

Вычерчиваем в зацеплении шестерню и зубчатое колесо. Принимаем зазор от торца шестерни до внутренней стенки редуктора X=0мм, т.к. окружная скорость колес V= 0,82 м/с < 2,5 м/с, то предусматриваем расстояние от внутренней стенки редуктора до торца подшипника расстояние у= (6…10)мм для размещения мазеудерживающих колец. В качестве опор валов намечаем радиальные шарикоподшипники, которые выбираем по диаметру вала под подшипником.

Ведущий вал.

=40 мм.

Принимаем подшипник 50208 с размерами мм.

Ведомый вал.

мм.

Принимаем подшипник 212 с размерами мм.


Замером определяем расстояние на ведомом валу:

мм.

Определяем расстояние от середины опоры ведущего вала, до середины шкива клиноременной передачи:

;

Примем мм.

Проверочный расчет вала на статическую прочность

Ведомый вал

Составляем расчетную схему вала. Изображаем схему нагружения вала в плоскости XZ.


Реакции опор

;

H.

Определяем изгибающие моменты по нагруженным участкам вала в вертикальной плоскости XZ:


при z1 = 0   Нм

при z1 =  Нм.

Строим эпюру . Изображаем схему нагружения вала в плоскости YZ.

Определяем реакцию опор:

;

H.

Определяем изгибающие моменты, действующие в плоскости YZ:


при z1 = 0   Нм

при z1 =  Нм.

Определяем величины суммарных изгибающих моментов в сечение вала по формуле:

;

;

Hм;

Эквивалентный момент в этом сечении равен:

,

 Нм

Уточненный расчет ведомого вала на усталостную прочность.

Расчет проводим со всеми необходимыми в общей методике расчета вала

Коэффициент запаса прочности находится по формуле:

;

nσ и nτ - коэффициенты запаса прочности, соответственно, по нормальным и касательным напряжениям.

,

,

здесь (поверхностное упрочнение не предусматриваем);

σТ и τТ - средние значения нормальных и касательных напряжений;

σа и τа - амплитудные значения нормальных и касательных напряжений.

,

,

x - момент сопротивления при изгибе;

Wρ - полярный момент сопротивления.

Так как опасное сечение находится под зубчатым колесом, то моменты сопротивления при изгибе и кручении

,

,

где    b = и t1- размеры шпоночного паза

Моменты инерции

 мм3

 мм3

Напряжения при изгибе и кручении

Нормальное напряжение:  МПа;

σТ = 0 МПа (т.к. цикл нагружения симметричен).

Касательное напряжения:  МПа

Концентраторами напряжений в этом случае являются шпоночный паз и посадка. Для шпоночного паза принимаем

Кσ = 1,75; Кτ = 1,5; Εσ = 0,88; Ετ = 0,81,

тогда

;

;

Для посадки отношение ;

Общий коэффициент запаса прочности

Условие прочности выполняется, так как 5,25 > [n].

Так как опасное сечение под зубчатым колесом, то прочность обеспечена.

. Расчет открытой ременной передачи


Выбор типа ремня

По передаваемой мощности и предполагаемой скорости ремня выбирают тип клинового ремня:

Тип Б: b0 = 17 мм; bр = 14 мм; h = 10,5 мм; А = 138 мм2.

Определение диаметра меньшего шкива

= 60,6 Н·м = 60600 Н·мм

1= = 184,6 мм

Уточнив диаметр по ГОСТ 17383-73 получаем: d1ГОСТ= 180 мм

Определение диаметра большего шкива.

Относительное скольжение ремня берем e= 0,01 как для передачи с регулируемым натяжением ремня

Передаточное отношение ременной передачи:

р = n1/n2 = 712/237 = 3

d2=d1·iкл/р(1-e) = 180·3 (1-0,015) = 532 мм

Уточнив диаметр по ГОСТ 17383-73 получаем: d2ГОСТ= 560 мм

Определение межосевого расстояния

Минимальное межосевое расстояние определим по формуле

min= 0,55(d1+d2)+h = 0,55·(180+560)+10,5 = 417,5 мм

Максимальное межосевое расстояние:

max= (d1+d2)·2 = (180+560)·2 = 1480 мм

Возьмем а из интервала между amin и amax

= (amin+amax)/2 = (200+80)/2 ≈ 950 мм

Определение длины ремня

= 2a+ 0,5p(d1+d2) + = 2*950+0,5*p*(180+560)+(/(4*950) = 3100

Согласно ГОСТ 1284.1-80, длину ремня можно принять равной Lp= 3150 мм.

Итак, в передаче используется ремень Б-3150 Т ГОСТ 1284.1-80

Уточнение межосевого расстояния

= = 616,7мм

Определение угла обхвата


Определение числа ремней

= (NтребCP)/(P0CLCaCz) = (5,5·0,9)/(1,3·1,07·0,89·0,95) = 6,677

Ср = 0,9 - коэффициент режима работы

СL= 1,07 по ГОСТу 12843-80 коэффициент, учитывающий влияние длины ремня

Сα= -(0,89) - коэффициент, учитывающий влияние угла обхвата (приα1 = 1450).

Сż= 0,95 - коэффициент, учитывающий число ремней в передаче, предполагая, что их количество не превысит 3).

Ро = 1,3 кВт - мощность, допускаемая для передачи одним ремнем.

= (pd1nэд)/60 =(px0,18x60,6)/60 = 0,6 м/c

Определение силы натяжения ветви ремня


Определение силы, действующей на ведущий вал редуктора от ременной передачи

B = 2F0 zsin(a1/2) = 2·1205·7·sin(145 0/2) = 16026 H (следует учитывать, что нагрузка распределяется на 7 ремней).

Определение ширины обода шкива


6. Проверочный расчет подшипников

Подшипники ведомого вала

Определяем суммарные радиальные реакции опор:


Определяем эквивалентную динамическую нагрузку. Для радиальных подшипников с короткими цилиндрическими роликами:

,

где    Fr1 - радиальная нагрузка;

Кσ = 1,0…1,2 - коэффициент безопасности;

КТ = 1 - коэффициент, учитывающий температуру подшипника

V = 1 - коэффициент, учитывающий вращение колец подшипника;

 Н

Расчетная динамическая грузоподъемность определяется по формуле:

,

где n= 47,769 об/мин - частота вращения вала;

р = 3 - показатель степени;

Рэ - эквивалентная динамическая нагрузка;

Lh - требуемая долговечность.

Требуемая долговечность подшипников

,

где    Тлет = 3 года - срок службы;

Кг = 0,5 - коэффициент годовой загрузки;

Ксут = 0,9 - коэффициент суточной загрузки.

Требуемая долговечность подшипников

 ч

Расчетная динамическая грузоподъемность

 кН

Так как , то условие выполнено.

Следовательно, выбранные подшипники удовлетворяют заданному режиму работы.

7. Выбор смазки редуктора

Для уменьшения потерь мощности на трение и снижения интенсивности износа трущихся поверхностей, а также для предохранения их от заедания, задиров, коррозии и лучшего отвода теплоты трущиеся поверхности деталей должны иметь надежную смазку.

В настоящее время в машиностроении для смазывания передач широко применяют картерную систему. В корпус редуктора или- коробки передач

заливают масло так, чтобы венцы колес были в него погружены. При их вращении масло увлекается зубьями, разбрызгивается, попадает на внутренние стенки корпуса, откуда стекает в нижнюю его часть. Внутри корпуса образуется взвесь частиц масла в воздухе, которая покрывает поверхность расположенных внутри корпуса деталей.

Картерную смазку применяют при окружной скорости зубчатых колес и червяков от 0,3 до 12,5 м/с. При более высоких скоростях масло сбрасывается с зубьев центробежной силой и зацепление работает при недостаточной смазке. Кроме того, заметно увеличиваются потери мощности на перемешивание масла и повышается его температура.

Выбор смазочного материала основан на опыте эксплуатации машин. Принцип назначения сорта масла следующий: чем выше окружная скорость колеса, тем меньше должна быть вязкость масла, чем выше контактные давления в зубьях, тем большей вязкостью должно обладать масло. Поэтому требуемую вязкость масла определяют в зависимости от контактного напряжения и окружной скорости колес. Предварительно определяют окружную скорость, затем по скорости и контактным напряжениям находят требуемую кинематическую вязкость и марку масла.

В настоящее время широко применяют пластичные смазочные материалы ЦИАТИМ-201 и ЛИТОЛ-24, которые допускают температуру нагрева до 130°С.

Предельно допустимые уровни погружения колес цилиндрического редуктора в масляную ванну , наименьшую глубину принято считать равной модулю зацепления. Наибольшая допустимая глубина погружения зависит от окружной скорости вращения колеса. Чем медленнее вращается колесо, тем на большую глубину оно может быть погружено.

В соосных редукторах при расположении валов в горизонтальной плоскости в масло погружают колеса быстроходной и тихоходной ступеней. При расположении валов в вертикальной плоскости погружают в масло шестерню и колесо, расположенные в нижней части корпуса. Если глубина погружения колеса окажется чрезмерной, то снижают уровень масла и устанавливают специальное смазочное колесо.

В конических или коническо-цилиндрических редукторах в масляную ванну должны быть полностью погружены зубья конического колеса или шестерни.

8. Проверка прочности шпоночного соединения

Все шпонки редуктора призматические со скругленными торцами, размеры длины, ширины ,высоты ,соответствуют ГОСТ23360-80. Материал шпонок - сталь 45 нормализованная. Все шпонки проверяются на смятие из условия прочности по формуле:


Допускаемое напряжение смятия [dсм]=200Мпа

Ведущий вал: 237·103 Н·мм;

Ведомый вал: 67,8·103 Н·мм;


9. Подбор муфты

Муфта упругая втулочно-пальцевая по ГОСТ 21424-75.

Отличается простотой конструкции и удобством монтажа и демонтажа. Обычно применяется в передачах от электродвигателя с малыми крутящими моментами. Упругими элементами здесь служат гофрированные резиновые втулки. Из-за сравнительно небольшой толщины втулок муфты обладают малой податливостью и применяются в основном для компенсации несоосносги валов в небольших пределах (1...5 мм;  0.3…0,6 мм;  до 1 ).

Материал полумуфт - чугун СЧ20.

Материал пальцев - сталь 45.

Для проверки прочности рассчитывают пальцы на изгиб, а резину - по напряжениям смятия на поверхности соприкасания втулок с пальцами. При этом полагают, что все пальцы нагружены одинаково, а напряжения смятия распределены равномерно по длине втулки:


где z - число пальцев, z = 6. Рекомендуют принимать  = 1,8...2 МПа.

Тогда

10. Выбор типа корпуса редуктора и определение размеров его основных элементов

Корпуса редукторов имеют коробчатую конструкцию, как правило, довольно сложной конфигурации. Поэтому их в большинстве случаев получают методом литья и крайне редко - сваркой .

Отливки из серого чугуна (СЧ12, СЧ15, СЧ18 ГОСТ 1412 - 85) наиболее распространены в машиностроении для изготовления корпусных деталей. Это обусловлено хорошими литейными свойствами серого чугуна, его хорошей обрабатываемостью на металлорежущих станках, низкой стоимостью, достаточно высокой износостойкостью.

Для удобства сборки редукторов их корпуса выполняют разъемными по плоскости, проходящей через оси редукторных валов. Для удобства обработки плоскость разъема корпуса располагают параллельно его установочной плоскости.

При конструктивном оформлении контуров корпуса из центров колес редукторных передач проводят тонкими линиями дуги окружностей радиусами

,

где dа1(2) - внешние диаметры зубчатых колес соответствующих передач редуктора.

В данном случае из центра зубчатого цилиндрического колеса.- необходимая величина зазора между наружными поверхностями зубчатых колес и внутренней поверхностью корпуса редуктора, мм.


 мм,

где k - величина зазора, требуемого для компенсации неизбежной неточности положения в отливке внутренней поверхности крышки картера.

a > 8 мм.

Толщину δ, мм, вертикальных стенок и днища картера редуктора рекомендуется по условию обеспечения необходимой жесткости корпуса в зависимости от величины номинального вращающего момента ТТ на тихоходном валу редуктора:


Однако найденную по этой формуле величину толщины стенок картера необходимо согласовать с технологически минимальной толщиной стенок литых деталей Smin по условию δ ≥ Smin. Значения Smin определяют по графикам в зависимости от материала отливки и габаритных размеров картера. Отсюда Smin=6 мм и .

Обычно крышка картера имеет более низкую (по сравнению с картером) нагруженность.

Поэтому с целью экономии материала и снижения массы корпуса толщину ее стенок δ1 рекомендуется назначать на 10 % меньше толщины стенок картера δ, но при этом δ1 должна быть больше технологически минимальной толщины стенок литых деталей Smin. В связи с вышеизложенным назначение толщины стенок крышки картера ведут по следующему условию:

δ1=Smin=6 мм.

Необходимый наружный диаметр d резьбы крепежных болтов определяют из условия прочности стержня винта при обеспечении герметичности стыка картера с его крышкой в номинальном режиме эксплуатации редуктора. В связи с тем, что номинальная нагрузка на стыковочные крепежные винты корпуса редуктора пропорциональна номинальному вращающему моменту ТТ на его тихоходном валу, наружный диаметр d, мм, резьбы рассматриваемых болтов рекомендуется определять по следующему условию:

,

Следовательно, d=16 мм.

Диаметры отверстий d0, необходимых для прохода через фланцы стержня крепежного болта, назначаем в зависимости от вида его резьбы:

d0= 17 мм.

В местах размещения подшипниковых опор валов редуктора на стыковочных фланцах его корпуса предусматривают приливы.

Необходимый наружный диаметр dф резьбы фундаментных (крепящих редуктор к плите, раме и др.) болтов или шпилек (ГОСТ 22032 - 76) определяет прочность их стержней при обеспечении нераскрытия стыка корпуса редуктора с основанием, на котором он устанавливается, в номинальном режиме эксплуатации изделия. В связи с тем, что внешняя нагрузка на фундаментные шпильки пропорциональна номинальному вращающему моменту ТТ на тихоходном валу редуктора, наружный диаметр dф, мм, резьбы рассматриваемых крепежных деталей рекомендуется определять по следующему условию:


Следовательно dв= 21мм.

Количество фундаментных шпилек определяется условием наличия напряжений сжатия на всей поверхности стыка опорных лап корпуса редуктора с фундаментной плитой (рамой), обеспечивающим нераскрытие этого стыка в процессе эксплуатации редуктора.

Картер редуктора служит еще и резервуаром для смазочного масла. При работе зубчатых передач редуктора масло постепенно загрязняется продуктами износа, с течением времени оно стареет, свойства его ухудшаются. Поэтому масло, налитое в корпус редуктора, необходимо периодически менять.

Отработанное масло нужно слить таким образом, чтобы не производить разборку установки, в которой используется редуктор. Для этой цели в корпусе редуктора предусматривают сливное отверстие, закрываемое пробкой.

11. Выбор посадок зубчатых колес и подшипников

Стандарт СЭВ рекомендует применять преимущественно посадки колес в системе отверстия и шестерни в системе вала. Применение системы отверстий предпочтительнее, поскольку при этом сокращается номенклатура дорогих инструментов. Систему вала применяют при технологической целесообразности использования гладких валов, сопряженных с деталями, имеющими различные предельные отклонения.

Принимаем рекомендуемые посадки зубчатых колес на валы: ,

По рекомендациям примем следующие посадки подшипников:

наружные кольца подшипников качения в корпус:

внутренние кольца подшипников качения на валы:

Заключение

В результате выполнения задания по курсовому проектированию была разработана типовая конструкция одноступенчатого горизонтального цилиндрического косозубого редуктора общего назначения. Данный редуктор предназначен для длительной работы.

Выполнение задания разделено на 2 этапа. Первым этапом задания является пояснительная записка, а вторым - графическая часть.

Пояснительная записка состоит из необходимых расчетов отдельных деталей и узлов редуктора и содержит пояснения этих расчетов.

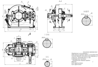
Графическая часть представляет собой сборочный чертеж. Сборочный чертеж выполнен на полнокомплектный редуктор и сопровождается соответствующей спецификацией.

Пояснительная записка и чертеж выполнены в соответствии со всеми требованиями, предъявляемыми к нормативно-технической документации на производстве.

В процессе проектирования редуктора были усвоены и закреплены знания по следующим предметам: теоретическая механика; сопротивление материалов; детали машин; техническая графика; допуски, посадки и технические измерения; стандартизация и качество продукции.

Спроектированный редуктор может применяться для привода различных типов рабочих машин - например, ленточных конвейеров - и соответствует всем нормам, предъявляемым к данному типу редукторов

Похожие работы на - Одноступенчатый цилиндрический редуктор

 

Не нашли материал для своей работы?
Поможем написать уникальную работу
Без плагиата!
Без нейросетей!