|
Наименование параметров
|
Единица измерения
|
Числовое значение
|
|
1.Наибольший диаметр высверливаемого отверстия
|
Мм
|
30
|
|
2.Наибольшая глубина высверливаемого отверстия(фрезеруемого
паза)
|
Мм
|
90
|
|
3.Наибольшая длина фрезерного паза
|
Мм
|
125
|
|
4.Наибольшая ширина фрезеруемого паза
|
Мм
|
16
|
|
5.Найбольшая частота вращения шпинделя
|
мин-1
|
10000
|
|
6.Частота колебаний шпинделя в мин
|
Мм
|
150…300
|
|
7.Найбольшая скорость подачи стола
|
м/мин
|
3
|
|
8.Габаритные размеры станка: длина ширина высота
|
мм мм мм
|
1350 1000 1400
|
|
9.Угол наклона стола
|
Град
|
|
|
11. Масса станка
|
Кг
|
630
|
2.4 Технологические операции, выполняемые на станке
Горизонтальные сверлильно-пазовальные станки модели
СВПГ предназначены для:
сверления и выборки пазов в изделиях из дерева;
выборка гнезд для шипов;
обработка пазов, канавок, кромок;
фугования кромок;
поверхностного фрезерования;
выборки четверти и паза;
для форматной обработки и раскроя плит;
для профильного раскроя и другие операции.
На станке можно обрабатывать паз шириной до 16 мм,
глубиной 90 мм и длиной 125мм. Цикл работы станка полуавтоматический. Заготовка
на столах устанавливается по упорам. Зажим, рабочий ход, возврат в исходное
положение, освобождение зажимов происходят автоматически.
Станки являются универсальными и могут быть
использованы во всех цехах и мастерских по деревообработке
.5 Функциональная схема станка
На станке СВПГ-2 базирующими устройствами являются: стол и прижимные
линейки.
На рис. 2.1 указаны следующие детали станка:
- станина; 2 - вал промежуточный; 3 - кривошип; 4 - стол; 5 - опора
шпинделя; 6 - шпиндель; 7 - приемник левый; 8 - ограждение; 9 - пульт
управления; 10 - приемник правый; 11 - прижим; 12 - пневмооборудование; 13 -
элетрооборудование.
Рис. 2.1 Общий вид
2.6 Кинематическая схема
На рис. 3.1. показан двухсторонний одношпиндельный
горизонтальный сверлильно-фрезерный станок СВПГ-2. Рабочий шпиндель 1 с
патроном 2 для крепления фрез приводится во вращение от электродвигателя 7
через плоскоременную передачу 13. От этого же электродвигателя через другую
передачу вращение передается на клиноременный вариатор 8. Ведомым шкивом
вариатора служит обод кривошипного барабана 9. Затем через шатун 12 движение
передается на шарнирно-рычажную систему 5, которая преобразует качательное
движение шатуна в возвратно-поступательное движение шпинделя.
Амплитуда качания (до 125 мм) шпинделя, а
следовательно и длина паза изменяется установкой подпружиненного пружиной
ползуна 11 кривошипа на требуемый радиус, что может быть выполнена без
установки станка.
Рис. 2.2. Кинематическая схема
Это достигается соосным расположением вала
кривошипного барабана и винта настройки, перемещаясь внутри вращающегося в
подшипниках корпуса, подпятником действует на угловой рычаг 10, управляющий
положение ползуна и кривошипа. Положение винта, а следовательно, и ползуна
кривошипа фиксируется рукояткой. При сверлильных работах кривошип
устанавливается по центру барабана 9. Вариатор 8 служит для изменения числа
качаний шпинделя (150…300 мин-1) с помощью маховичка, перемещающего
вал едущего шкива. Столы станка 15 перемещаются по направляющим 14
пневмоцилиндрами 4 со скоростью до 5 м/мин, и снабжены пневмоприжимами 3.
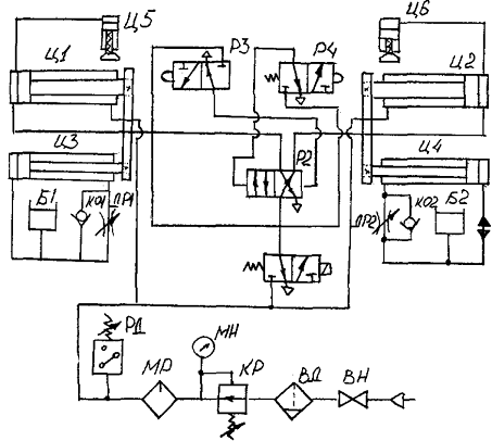
Пневматическая схема обеспечивает работу станка в полуавтоматическом цикле.
Прижим заготовок, рабочая подача и возврат столов
обеспечивается пнемогидросхемой. Узел подготовки воздуха состоит из вентиля Н,
влагоотделителя ВД, клапана редукционного(регулятора давления) КР, манометра
МН, маслораспылителя МР и реле давления РД.
Рабочая подача столов и возврат их в исходное
положение осуществляется с помощью пневмоцилиндров Ц1 и Ц2, штоки которых
жестко связаны со штоками гидроцилиндров Ц3 и Ц4 соответственно. Гидроцилиндры
предназначены для регулирования скорости подачи столов и быстрого отвода стола
в исходное положение.
Рис. 2.3. Схема пневмогидравлическая
Пневмоцилиндры Ц5 и Ц6служат для прижима заготовок к
столам в процессе рабочего и холостого ходов стола.
Пневмогидросистема включается действие нажатием кнопки
«Подача», при этом включается электромагнит распределителя Р1. В положении,
показанном на схеме, работает правый стол. Сжатый воздух через распределители
Р1 и Р2 поступает в полости цилиндров Ц2 и Ц6. Прижим Ц6 удерживает
обрабатываемую деталь, цилиндр Ц2 совершает рабочую подачу. Воздух на штоковой
полости цилиндра Ц2 выжимается в магистраль. Цилиндр Ц2 включен по
дифференциальной схеме. Со штоком пневмацилиндра Ц2 жестко связан шток
гидроцилиндра Ц4. Поршень гидроцилиндра Ц4 при подаче стола вытесняет масло из штоковой
полости. Вытесненное масло проходит через цель дросселя ДР2, изменением ширины
которой регулируется величина рабочей подачи стола. Обратный клапан КО2 в этом
направлении масло не пропускает. Для компенсации разности объемов полостей
гидроцилиндра Ц4 служит бачок Б2. При нажатии упором стола на кулачок
распределителя Р4 последний преключается воздух через распределитель Р4
подается к распределителю Р2 и переключает его (в работу включается левая
позиция). В результате этого поршневая полость цилиндра Ц2 осуществляет
холостой ход. Масло из поршневой полости цилиндра Ц4 вытесняется в штоковую
через дроссель ДР2 и обратный клапан КО2. Основной поток масла проходит через
КО2, чем обеспечивается быстрый отвод стола. Правый стол возвращается исходное
положение и прижим Ц6 отпускает заготовку.
Одновременно с возвратом правого стола начинается
аналогичный цикл левого стола. Разница скоростей рабочей подачи и возврата
позволяет произвести замену заготовки.
.7 Описание конструкции станка
На сверлильно-пазовальных станках выбирают
продолговатые глухие и сквозные гнезда с закругленными краями. Наиболее часто
такие гнезда изготавливают в деталях, сопрягаемых под углом.
Гнезда продолговатой формы получают в результате
комбинированного перемещения сверла или концевой фрезы и заготовки.
Одновременно совершаются два движения подачи - поперечное (шпинделя с фрезой) и
продольное(стола с заготовкой навстречу фрезе).
На станке с помощью плиты с шарнирной опорой закреплен
электродвигатель с удлиненным валом. В патроне закреплен закрепляется концевая
фреза. Плита электродвигателя кинематически связана кривошипным механизмом с
валом гидродвигателя. В вертикальных направляющих станины на суппорте подвижно
крепится стол, который может передвигаться в горизонтальных направлениях суппорта
к режущему инструменту и от него. Зажимы служат для закрепления детали.
Базирование детали осуществляется по плоскости стола и прижимного угольника
2.8 Требования к качеству обработанной поверхности, факторы, влияющие на
качество обработки
При резании различают следующие поверхности обрабатываемой поверхности:
обрабатываемая, обработанная и поверхность резания.
Качество обработанной поверхности характеризуется геометрически -
величиной и формой неровностей поверхности, и физически - свойствами древесины
в поверхностном слое детали.
Качество резания, силовые и энергетические параметры в значительной мере
от формы и размеров срезаемого слоя и стружки.
На качество обработки древесины влияет:
порода древесины;
влажность;
температура;
толщина срезаемого слоя;
вид резания;
угол резания;
задний угол;
острота лезвия;
скорость резания.
Влияние породы древесины. На обрабатываемость, т. е. на силовые и
качественные показатели процесса резания, влияют структура и механические
свойства, которые различны у древесины разных пород.
Влияние влажности. При увеличении влажности до предела гигроскопичности
снижаются показатели механической прочности древесины и ,следовательно,
уменьшается сила резания.
При открытом резании древесины, имеющей влажность выше предела гигроскопичности,
свободная влага попадает на поверхности лезвия и действует как смазка. При этом
уменьшается коэффициент трения и дополнительная сила резания.
При закрытом резании, когда с древесиной активно взаимодействуют задние
поверхности вспомогательных лезвий (боковые поверхности зубьев) и даже
поверхности корпуса инструмента, влияние влажности древесины проявляется
по-другому: при увеличении влажности повышаются упругие свойства древесины,
усиливается «защемление» лезвия в пропиле, увеличивается сила резания.
Влияние температуры. Прочность древесины, особенно влажной, при
нагревании древесины уменьшается. Это вызывает уменьшение силы резания.
Влияние толщины срезаемого слоя. Известно, что сила резания и ее
составляющие - касательная и нормальная - складываются из сил, действующих со
стороны отдельных элементов лезвия: режущей кромки, передней и задней
поверхностей.
Для расчетов процесса резания необходимы численные значения касательной и
нормальной сил резания, удельной работы резания, а также параметров шероховатости
для различных толщин срезаемого слоя.
Влияние вида резания. Сила резания для трех главных видов различна:
наименьшая требуется для поперечного резания, для продольного резания в тех же
условиях она больше примерно в 2 раза, для торцового - в 5-6 раз.
Влияние
угла резания. Угол резания
определяет
положение передней поверхности лезвия относительно плоскости резания. Его
величина влияет на силу резания по передней поверхности лезвия, а
следовательно, и на общую силу резания.
2.9 Конструкция режущего инструмента, подготовка его к
работе
В качестве режущего инструмента используются концевые фрезы с
дополнительными сверлильными режущими кромками на торце инструмента.
По способу применения на станке фрезы делятся на насадные и концевые.
Концевые фрезы имеют хвостик для закрепления в патроне
или шпинделе станка. Различают концевые фрезы по числу резцов и форме режущей
части. В зависимости формы зубьев фрезы бывают двух типов: затылованные и с
прямой задней гранью зубьев (остроконечные).
Для создания положительного заднего угла незатылованные концевые фрезы
устанавливаются в патронах с эксцентриситетом между осями вращения патрона и
отверстия под хвостик фрезы. За счет этого ширина удаляемого припуска превышает
диаметр фрезы.
По мере распространения обрабатывающих центров ассортимент концевых фрез
значительно расширился, в том числе и за счет перспективного инструмента с
алмазными режущими элементами для фугования кромок, поверхностного
фрезерования, выборки четверти и паза, для форматной обработки и раскроя плит;
для профильного раскроя. Несмотря на высокую стоимость и затраты на подготовку
к работе, в ряде случаев такой инструмент незаменим при фрезеровании
труднообрабатываемых древесных материалов и древесины, позволяет увеличить
вдвое толщину срезаемого слоя, скорость подачи.
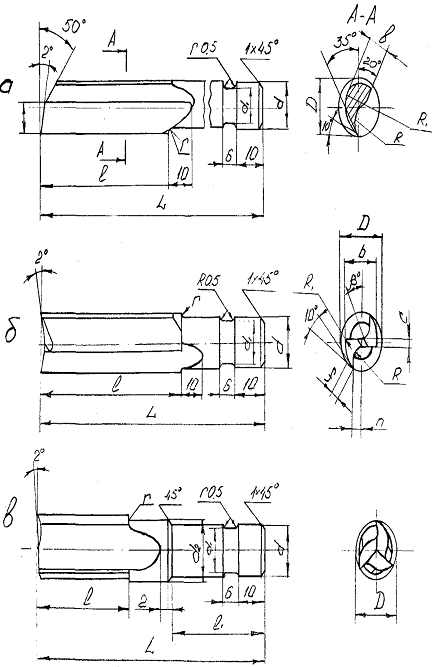
Фрезы.Форма и размеры концевых пазовых фрез определены
ГОСТ 8994-92. Концевые пазовые (затылованные) фрезы бывают одно, двух- и
трехрезцовые с прямыми или винтовыми канавками(см. рис. 2.4).
Рис. 2.4. Конструкция концевых фрез: а - однорезцовая
фреза;
б - двурезцовая; в - трехрезцовая
При глубоком фрезеровании гнезда шириной до 10 мм
целесообразно выбирать однорезцовыми фрезами, до 15 мм − двурезцовыми и
свыше 15 мм − трехрезцовыми (см. рис 3.8).
Градация размеров пазовых концевых фрез обычно
осуществляется через 1 мм до диаметра 8 мм и через 2 мм − свыше 8 мм.
Такая градация вполне приемлема, если учесть, что при широких пазах(свыше 15
мм) относительная разница в 1 мм мало сказывается на прочности соединения
деревянных деталей.
Длина пазовых концевых фрез должна быть не больше, чем
требуется для обработки соответствующей глубины гнезда, так как упругий отжим
фрезы, приводящий к разбивке паза, зависит от длины консольной части фрезы.
Общая длина фрезы
где
l − рабочая
длина;
−
длина хвостовой части;
−
длина шейки фрезы.
Длина
рабочей части фрезы l колеблется в зависимости от глубины гнезда в пределах
(3÷8) (2.2)
При
этом большие значения коэффициента относятся к малым диаметрам фрез. В
зависимости от глубины гнезда рабочая длина фрезы равняется
l=h+10÷15 мм (2.3)
Длина
хвостовика фрезы в зависимости от ее диаметра колеблется в пределах
l1=40÷50 мм.
Длина
шейки фрезы
l2=10÷15 мм.
Сердцевина
фрезы
А=(0,25÷0,4)∙D (2.4)
При
обработке гнезд шириной свыше 12 мм особые преимущества в отношении расхода
мощности и точности фрезерования представляет трехрезцовая фреза с переменным
шагом.
Выборка
продольных гнезд на современных пазовально-фрезерных станках СВПГ-2 концевыми
пазовыми фрезами производится при одновременном осуществлении трех движений:
вращательного и переодического качательного фрезы и осевого обрабатываемой
заготовки. Обе главные режущие кромки фрезы - боковая и торцевая находятся под
стружкой в течение полного оборота. Из-за переменной скорости качательного
переодического движения (продольной подачи) от кривошипного механизма подачи на
оборот фрезы Uo достигает значительных размеров (5-9 мм). Из-за
неблагоприятных условий резания древесины при таких параметрах резания фреза
испытывает области поперечного ребра(перемычки) значительные усилия, приводящие
к отжиму ее и перекосу обрабатываемого гнезда или к поломке при форсированных
подачах.
Так
же на станке СВПГ-2 применяются сверла для просверливания отверстий в торце
заготовки.
2.10
Последовательность наладки и настройки станка
Установка
режущего инструмента
Перед
установкой режущего инструмента необходимо тщательно очистить цангу и
шпиндельную гайку от консервации. Откинув ограждение до упора в станину,
вставить цангу в посадочное гнездо шпинделя и закрепить ней режущий инструмент
(станок снабжен цангами трех типоразмеров для зажима режущего инструмента с
посадочными поверхностями диаметрами 8,10 и 12).
Ограждение
инструмента установить в рабочее положение и закрепить винтом.
Установка
стола
Для
настройки стола на необходимое расстояние рабочей поверхности стола от шпинделя
необходимо отвернуть стопорный винт с перекидной рукояткой на 2…3 оборота,
маховичком подъема-опускания стола поднять(опустить) стол на требуемый размер,
ориентируясь по школе настройки. Винтом зажима зафиксировать стол.
Для
настройки наклона стола необходимо вынуть фиксатор нулевого положения стола,
отпустить винт фиксации поворота стола, повернуть стол на необходимый угол и
зажать винт фиксации поворота стола.
Фиксирование
стола в нулевом положении производится специальными фиксатором.
Настройка
на глубину пазования (сверления)
Глубина
пазования определяется длиной хода стола и вылетом инструмента. Глубину паза
(отверстия) при длинном инструменте настраивают и ограничивают упором для
установки хода и автоматического переключения обратной подачи стола.
Величина
перебега стола устанавливается, исходя из условий обработки. При этом
необходимо учитывать, что в станке расстояние между инструментом при его
максимальной длине и заготовкой конструктивно заложено величиной 12 мм.
Настройка
на длину пазования
Длина
паза зависит от амплитуды качания шпинделя. Величина амплитуды качания шпинделя
устанавливается винтом установки длины паза кривашипно-шатунного механизма.
Размер
амплитуды качания устанавливается по шкале и контролируется по пазу
(минимальная величина амплитуды качания шпинделя не должна быть более 4 мм).
Настроенную
величину амплитуды качания шпинделя зафиксировать гайкой.
Настройка
на сверление отверстия
При
настройке на сверление необходимо повернуть рукоятки Ι расфиксировать механизм регулирования числа колебаний
шпинделя и повернуть рукоятку ΙΙ
так, чтобы эксцентрик на оси промежуточного вала вошел в сопротивление со
шкивом кривошипа и затормозил его(см. рис. 2.1). При этом ремень вариаторный
должен провиснуть и его необходимо снять со шкива вариатора.
Установка
скорости радиальной подачи шпинделя
Скорость
радиальной подачи шпинделя определяется числом колебаний (двойных ходов)
шпинделя в минуту. Число двойных ходов шпинделя должно подчиняться зависимости
=15 м/мин для длины паза l свыше 50 мм,
где z − число
двойных ходов шпинделя; l −
длина паза, мм.
Для
длины паза до 50 мм z≤300, или необходимо пользоваться графиком
зависимости. Число колебаний шпинделя устанавливается рукояткой ΙΙ. Для этого поворачиваем рукоятку Ι против часовой стрелки на 1/2 -3/4 оборота и
поворотом рукоятки ΙΙ против часовой стрелки увеличиваем оборот шкива
кривошипа(или же, поворачивая рукоятку ΙΙ по часовой стрелке, уменьшаем число оборотов шкива
кривошипа), удерживая рукоятку в установленном положении, зажимаем рукояткой Ι весь механизм поворотом ее по часовой стрелке(см.
рис. 2.1).
Установка
скорости осевой подачи
Скорость
осевой подачи регулируется дросселем ΙΙΙ(см. рис. 2.1). При выборе скорости осевой подачи
учитывают материал обрабатываемых изделий, размеры выбираемых пазов и
отверстий. Критерием правильности выбранной подачи является стойкость режущего
инструмента при требуемой точности и максимальной производительности.
Установка
прижима
Установка
в требуемое положение прижима производится вручную и фиксируется рукояткой ΙV.
Для удобства установки обрабатываемых изделий зазор между изделием и прижимом в
исходном положении должен быть равен 2…4 мм.
Выводы
и рекомендации
Прежде
чем начать работу на станке, необходимо изучить технику безопасности, затем в
зависимости от породы древесины подлежащей обработки, выбрать соответствующий
инструмент.
Перед
пуском станка залить масло в маслораспылитель узла подготовки воздуха и в бачок
пневмогидросистемы.
Убедившись
в нормальной работе всех механизмов станка, можно приступить к настройке его
для работы.
Так
как станок пазиционного типа встраивание его в автоматическую линию или гибкую
переналаживаемую систему невозможно.
2.11 Требования техники безопасности работы на станке
При работе на станке СВПГ-2 на рабочего могут воздействовать следующие
опасные факторы:
.возможность соприкосновения работающего с вращающимися механизмами
станка;
.возможность соприкосновения работающего с острыми кромками режущего
инструмента;
.возможность возникновения на рабочем месте повышенного шума и вибрации
вследствие неправильной установки и балансировки инструмента, повышенного
износа деталей станка и нарушение технологических операций при подготовке
инструмента к работе;
.возможность выброса заготовки вследствие нарушений режимов эксплуатации
станка и не соблюдение норм и правил техники безопасности;
.возможность поражения работающего электрическим током следствие того,
что все исполнительные механизмы станка работают от напряжения 380 В;
.недостаточная освещенность рабочего места
Для устранения опасных производственных факторов при эксплуатации станка
предусмотрены следующие меры безопасности:
1.Станок сверлильно-пазовальный модели СВПГ-2 удовлетворяет требованиям
ГОСТ 12.2.026.0-90/10/.
.На станке установлен быстровращающийся шпиндель, представляющий
повышенную опасность. Поэтому в станке предусмотрены система быстрой остановки
рабочих органов течение 6 сек. с момента выключения электродвигателей при
нажатии кнопки «Стоп».
.Конструкция сверлильного шпинделя, представляющая повышенную опасность,
выполнена в соответствии с расчетными данными на прочность, жесткость и
виброустойчивость.
.Для снижения уровня шума и вибрации предусмотрено устанавливать станок
на виброопоры.
.В конструкции станка предусмотрены блокировки, обеспечивающие
невозможность:
работы станка при открытом ограждении инструмента;
работы станка при открытых дверках электрошкафа.
В станке предусмотрены кожухи и ограждения, исключающие случайное
прикосновение человека с движущимися элементами и режущим инструментом.
.Пульт управления станка вынесен за пределы рабочей зоны станка согласно
требованиям ГОСТ 12.1.012-90/11/ и ГОСТ 12.1.003-83/12/.
.Для предотвращения соприкосновения рабочего с режущим инструментом и
другими подвижными элементами, используемыми станке, предусмотрены защитные
ограждения в соответствии с ГОСТ 16.2.061-84/13/.
.Окраска ограждения, сигнальные цвета и знаки безопасности на
оборудовании, а также символы органов управления выполнены в соответствии с
требованиями ГОСТ 12.4.040-78/14/.
.Во избежание травмирования работающего вращающимся инструментом,
включение электродвигателей невозможна при снятом ограждении главного рабочего
органа.
.Все электрооборудование и пускорегулировочная аппаратура станка
размещены в электрошкафу, выполненном в соответствии с ГОСТ 12.2.026.3-86/10/.
.Во избежание недостаточной освещенности рабочего места, станок оснащен
местным освещением в соответствии с ГОСТ 12.2.026.3-86.
.Все металлические части станка, которые могут оказаться под напряжением
выше 12 В, соединены с нулевым приводом соответствии с требованиями ГОСТ
12.1.030-81/12/. Для защиты от поражения электрическим током, в случае пробоя
на корпусе, предусмотрены защитные зануление в соответствии с требованиями
ПУЭ-86.
Мероприятия, обеспечивающие безопасность эксплуатации сверлильного станка
марки СВПГ-2 выполнены в соответствии с ГОСТ 12.2.026.0-93.
Перед пуском станка и в процессе его обслуживания должны выполняться
следующие требования:
Перед работай станка под нагрузкой необходимо произвести пробный пуск на
холостом ходу, проверить правильность работы механизмов и системы отключения
станка кнопкой «Общий стоп». Запрещается пуск станка при любой неисправности. В
процессе работы станка необходимо:
−не оставлять рабочее место и не отвлекаться в процессе работы
станка;
−не подавать станок заготовки, не соответствующие требованиям по
ширине, высоте и длине;
−не допускать к работающему станку посторонних лиц.
Смазку узлов станка и мелкий ремонт производить только после полного
выключения станка. Электрооборудование обслуживается отделом главного
энергетика.
Все органы управления вынесены на пульт в виде кнопок с символикой их
обозначения.
Рабочее место станочника должно быть хорошо освещено, и убрано в конце
рабочего дня. Загромождение рабочего места не допускается.
2.12 Выводы по разделу
Для высверливания отверстий и пазов приняли решение использовать
сверлильно-пазовальный станок модели СВПГ-2. В данном разделе привели
технические данные станка, функциональную и кинематическую схемы, описали его
принцип действия.
Станок предполагает в качестве режущего инструмента использовать сверла и
концевые пазовые фрезы. Производительность станка и качество в значительной
мере зависят от конструкции качества подготовки режущего инструмента.
Руководствуясь задачей курсового проекта, передовой практикой и специальными
исследованиями, определили оптимальные параметры станка.
В разделе рассмотрели вопросы, связанные с подготовкой режущего
инструмента, контролем качества продукции, дефектами обработки мероприятиями по
их устранению, обеспечением техники безопасности и охраны окружающей среды.
сверление деталь древесина резание
3. Расчетная часть
.1 Кинематический расчет механизмов резания и подачи
Рабочий шпиндель с патронами для крепления фрез проводится о вращение от
электродвигателя через плоскоременную передачу.
По
данным кинематической схемы:
; d3=280 мм; d2=40 мм.
Рис. 4.1. Кинематическая схема
Определим передаточное отношение(U) по формуле:
, (3.1)
Частота
вращения шпинделя станка находится по формуле:
, (3.2)
мин-1.
3.2 Расчет полезной мощности механизма резания и подачи, исходя из
технической характеристики привода станка, построение ручьевой диаграммы
Полезная мощность на резание находится по формуле:
, (3.3)
P=
.
Рис.
4.2. Ручьевая диаграмма
.3
Расчет сил резания
Рассчитаем
для сверла диаметром 20 мм среднее условное давление резания (для центровых
сверл), порода сосна.
, (3.4)
где
С − подача на сверло.
Используем
формулу:
(3.5)
где
d − диаметр
отверстия(20 мм);
z − число заходов(2);
n − число оборотов(10500 мин-1);
Р
− мощность двигателя(2,2 кВт).
Преобразуем
формулу
,4∙С=1,44
С=1,02
мм.
Подача
находится:
, (3.6)
м/мин.
3.4 Расчет рациональных усилий подающих, зажимных и прижимных устройств
станка, обеспечивающих его работу
Сила резания ровна:
(3.7)
где
V - средняя скорость резания, м/с.
, (3.8)
м/с
Н.
Крутящий
момент находится по формуле:
, (3.9)
Н∙м.
Определим
Fa по формуле:
,(3.10)
Н.
Необходимое
тяговое усилие обеспечивается гидроприводом станка.
3.5 Построение графика скоростей для рассматриваемого оборудования
При d=20мм:
1,4∙С=1,44
Скорость подачи находится:
,
м/мин.
При d=10мм:
,4∙С=7,44
С=5,3
мм.
м/мин.
При d=30мм:
,4∙С=0,24
С=0,17
мм.
м/мин.
.6
Расчет потребного количества дереворежущего и абразивного инструмента на год
Различают
три вида исчисления потребности в режущем инструменте: годовую потребность,
переходящий запас инструмента на складе предприятия, оперативный фонд
инструмента в работе и заточке. Годовой расходный фонд, шт., можно вычислить из
количества и длительности работы основного технологического оборудования (2,
табл.11.1) по формуле:
l- число рабочих
дней в году, l=260дней; Tсм - продолжительность смены, ч,
Tсм =8 ;
ч.
шт.
Потребное
число абразивных инструментов в год для заточки данного вида дереворежущего
инструмента определяется по формуле:
ba - расход
абразивного инструмента на одну заточку, шт.
шт.
.7
Выводы по разделу
Получение
высокой точности пиломатериалов, сравнительно меньшие потери древесины в опилки
и достаточно высокую производительность определяет кинематика процесса резания,
которая обуславливается сложением двух механизмов - резания и подачи.
Провели
кинематический расчет механизмов резания и подачи. Нашли оптимальную скорость
резания и скорость подачи которые равны Vр = 5,5 м/с и U=21,6 м/мин соответственно.
Из
данных кинематической схемы станка вычислили придаточное число для определения
максимальной частоты врвшения шпинделя которая равна 10500 мин-1.
Графически
проследили как скорость подачи зависит от диаметра сверла и сделали вывод -
зависимость парабалическая.
4.
Конструкторская часть
.1
Назначение и область применения станка проектируемого объекта
Проектированным
объектом является прижимное устройство, расположенное на плите станка.
Количество устройств - 1 шт. Назначением данного проектируемого объекта
является точная установка данной заготовки для фиксации расположения сверла
относительно намеченного места сверления. Область применения включает в себя
области проведения технологических операций, где сам станок не дает точного
расположения режущего элемента относительно заготовки и где есть необходимость
в фиксации самой заготовки.
.2
Анализ существующих конструкций аналогичного типа
Для
точного расположения заготовки относительно режущего инструмента возможно
использование линейки, прикрепленной на плите станка. Однако этот способ не
эффективен, так как требует тщательной и точной установки и прочной фиксации
заготовки, что в таких условиях маловероятно. Используя прижимное устройство
можно достигнуть этих условий
.3
Обоснование необходимости проектирование прибора, приспособления и других устройств
Прижимное
устройство предназначено для станка СВПГ-2, для прижима древесины или другого
пиломатериала к станку. Линейка служит для измерения высверливаемого отверстия.
Оно необходимо, так как линейка из которого оно состоит, и ползун относительно
стойки в вертикальном направлении, имеют установочные перемещения. На основании
и стойке нанесены шкалы, а на линейке и ползуне нанесены нониусы для установки
требуемых размеров между базовыми поверхностями приспособления.
.4
Разработка и обоснование технических требований к проектируемому объекту
Так
как есть необходимость в сверлении 4-х отверстий и более, то предусматриваем 2
прижимных устройства расположенных на некотором расстоянии см. пункт 4.5 Выбор
материала приспособления осуществляем из соображений необходимой прочности
устройства и экономических соображений. Выбрали материал линейки и других
деталей приспособления - алюминий. Размеры и конструкцию см. в пунктах 4.5 и
4.6.
.5
Техническая характеристика проектной разработки
Техническая характеристика сведена в таблицу 4.1.
Таблица 4.1. Техническая характеристика проектной разработки
|
Деталь приспособлений
|
Материал
|
Параметры Мм
|
|
|
Шкала делений
|
В
|
L
|
|
линейка
|
Алюминий
|
1000
|
10
|
1050
|
|
основание
|
Сталь
|
---
|
26
|
150
|
|
пластина
|
Сталь
|
---
|
60
|
90
|
|
стойка
|
Алюминий
|
---
|
24
|
130
|
|
ползун
|
---
|
36
|
18
|
|
рычаг
|
Сталь
|
---
|
56
|
94
|
.6 Описание конструкции
Приспособление включает основание 1 с закрепленной на ней стойкой 2 ,
линейку 3, ползун 4, пластины 5 и 6, а также рычаг 7, подвижно закрепленный на
оси 8 и винты фиксации 9 и 10.

.7 Выводы по разделу
В данном разделе спроектировано прижимное приспособление. Назначение -
точная установка заготовки относительно сверла и измерение высверливаемого отверстия.
Рассмотрена конструкция аналогичного типа и обоснована необходимость
проектирования приспособления. Указана техническая характеристика деталей
приспособления и описана конструкция.
5. Экономическая часть
.1 Расчет производительности станка и мероприятия по ее повышению
Производительность машин определяется принципиальными (технологическими)
схемами, режимами обработки и конструктивными особенностями. Производительность
технологического оборудования − один из важнейших технических
показателей. Различают фактическую, цикловую и технологическую
производительность.
Фактическая производительность называют производительность машины,
определяемую числом деталей, производимых в единицу времени, у учетом всех
видов потереть времени (шт/ч):
, (5.1)
где
− длительность рабочего цикла обработки одной
детали, мин;
−
сумма длительностей всех внецикловых операций по изготовлению одной детали,
мин;
−
подготовительное время на подготовку и заключительные
операции
при обработки партии n деталей, мин;
Кс
− коэффициент, учитывающий степень совмещения внецикловых операций с
цикловыми;
n − число деталей в партии.
Часто
вместо длительности рабочего цикла вводят другое понятие − ритм работы
оборудования
, мин. Длительность внецикловых операций
включает длительность технического обслуживания
рабочего места, длительность организационного обслуживания и перерывов на
отдых.
Закономерности
длительности цикловых операций не зависят от закономерностей, влияющих на время
внецикловых операций, поэтому производительность автоматов часто рассчитывают
по длительности рабочего цикла
.
Производительность оборудования, определяющую по продолжительности рабочего
цикла без учета потерь времени на внецикловые операции, называют цикловой или
конструктивной (шт/ч):
(5.2)
Фактическая
производительность с учетом внецикловых потерь меньше цикловой, шт/ч:
, (5.3)
где
− эксплутационный коэффициент, учитывающий все
внецикловые потери времени.
Коэффициент
называют коэффициентом использования оборудования по
времени.
Длительность
рабочего цикла, мин, определяют по формуле:
, (5.4)
где
− длительность рабочих ходов;
−
длительность холостых ходов при обработке;
−
коэффициент степени совмещения времени холостого хода и рабочего;
i − число деталей, одновременно обрабатываемых на
каждой позиции машины.
По
формулам (5.2) и (5.4) находим цикловую часовую производительность машин, шт/ч:
, (5.5)
Из
формулы можно сделать вывод, что цикловую производительность можно повысить
различными методами. Например, увеличить числа одновременно обрабатываемых
деталей при сохранении прочих равных условий едет к пропорциональному повышению
производительности машины путем уменьшения длительности рабочих ходов.
.2
Расчет себестоимости обработки единицы изделия
При
рассмотрении постановки задачи режима резания, ее решение сводится обычно к
определению режима резания, обеспечивающего наименьшую себестоимость обработки
заготовки.
При
этом можно вычислить неполную себестоимость, т.е. исключить из нее те
составляющие, которые не меняются с изменением режима резания. (Например,
стоимость заготовки). Такая неполная себестоимость называется технологической.
Основным
нормативным показателем, который используется при определении расходов по
станку, является технологическая себестоимость одной минуты работы станка
(станкоминуты)
где
- действительный годовой фонд времени станка при
односменной работе, определяемый как часть номинального дохода за вычетом
простоев, не связанных с заменой режущего инструмента;
- число
смен работы станка;
-
номинальная зарплата производственного рабочего, получаемая при выполнении
данной операции;
- часть
номинальной зарплаты цехового персонала, отнесенная на выполнение данной
операции;
- часть
оплаты работ по рационализации и совершенствованию производства цеха,
отнесенная на выполнение данной операции;
-
основные производственные фонды по данной операции;
- норма
амортизационных отчислений по основным фондам;
- затраты
на текущий ремонт основных производственных фондов по данной операции;
- затраты
на содержание основных производственных фондов по данной операции;
- затраты
на оснастку по данной операции;
- затраты
на силовую электроэнергию по данной операции;
-
общезаводские расходы, отнесенные к данной операции;
-
внутризаводские расходы, отнесенные к данной операции;
- расходы
на освоение производства новых видов продукции, отнесенные к данной операции.
Выводы и рекомендации по проекту.
По результатам выполненных расчетов можно сделать следующие выводы:
правильная подготовка и эксплуатация сверлильно-пазовального станка позволяет
повысить производительность; благодаря конструкции станка на нем можно
производить несколько видов обработки.
Приведенные данные о методах заточки дереворежущего инструмента,
конструкциях заточных станков свидетельствуют о совершенствовании подготовки
дереворежущего инструмента. Следует отметить постоянное улучшение конструкций
дереворежущих станков, инструментальных и абразивных материалов. Это ставит
перед отечественной промышленностью задачу улучшения конструкции и повышения
качества выпускаемого оборудования для обработки древесины.
Выводы и рекомендации по проекту
По результатам выполненных расчетов можно сделать следующий вывод:
правильная подготовка и эксплуатация сверлильного станка позволяет повысить
производительность.
Приведенные данные о методах заточки дереворежущего инструмента,
конструкциях заточных станков свидетельствуют о совершенствовании подготовки
дереворежущего инструмента. Следует отметить постоянное улучшение конструкций
дереворежущих станков, инструментальных и абразивных материалов. Это ставит
перед отечественной промышленностью задачу улучшения конструкции и повышения
качества выпускаемого оборудования для обработки древесины.
Работы в области совершенствования механической обработки древесины и
создания новых типов деревообрабатывающих станков должны быть направлены на
решение следующих основных задач:
· обеспечить более полное и в отдельных случаях комплексное
использование древесины;
· добиться снижения потерь древесины на отходы;
· повысить производительность в деревообрабатывающих
производствах, применяя наиболее совершенные технологические процессы и
высокопроизводительное оборудование;
повысить качество изделий из древесины
Список литературы
1. Ф.М. Манжос. Дереворежущие станки.
2. А.Э. Грубе, В.И. Санев. Основы теории и расчета
деревообрабатывающих станков, машин и автоматических линий.
. А.Л. Бершадский, Н.И. Цветков. Резание древесины.
. Ф.М. Манжос. Дереворежущие станки.
. А.Э. Грубе, В.И. Санев. Основы теории и расчета
деревообрабатывающих станков, машин и автоматических линий.
. А.Л. Бершадский, Н.И. Цветков. Резание древесины.
. И.З. Винников, М.И. Френкель. Устройство сверлильных
станков и работа на них.
. П.С. Афанасьев. Конструкции деревообрабатывающих
станков.
. М.Д. Бавельский. Гидропневмоавтоматика
деревообрабатывающего оборудования.
. В.В. Амалицкий, В.В. Амалицкий. Оборудование
отрасли.
. Кузнецов. Атлас конструкций деревообрабатывающего
оборудования.
. Зотов. Подготовка и эксплуатация дереворежущего
инструмента.
. Н.В. Маковский. Теория и конструкции
деревообрабатывающих машин.