Реконструкция системы электроснабжения и релейной защиты подстанции
Аннотация
Дипломная работа состоит из введения, трех глав, заключения и списка
использованной литературы.
В первой главе рассмотрены показатели экономической эффективности,
Классификация показателей эффективности и принципы оценки экономической
эффективности РЗ.
Во второй главе предоставлена информация о проекте подстанции «Бишкуль»,
в вкратце даны сведения защиты.
В третьей главе автором, рассчитаны показатели экономической
эффективности, расчет технико-экономических показателей подстанции и дан вывод
о экономической целесообразности выполнения данного проекта.
В заключении кратко изложены конкретные задачи, которые решались в
дипломной работе.
Содержание
Введение
Глава 1. Теоретические основы
методики расчета экономической эффективности от внедрения релейной защиты
подстанции
.1 Понятие эффективности РЗА
.2 Показатели экономической
эффективности
.3 Классификация показателей
эффективности
.4 Классификация показателей
надежности
.5 Оценка показателей
надежности
.6 Оценка показателей
эффективности
.7 Принципы оценки
экономической эффективности РЗ
Глава 2 Описание проекта по
внедрению релейной защиты на п/с "Бишкуль" 110/10 кВ
.1 Описание и характеристика
Электроэнергетики Казахстана
.2 Устройство защиты
трансформатора Siprotek
Глава 3. Оценка экономической
эффективности внедрения релейной защиты на п/с "Бишкуль" 110/35/10 кВ
.1 Основные направления
совершенствования техники и технологии в ПЭС
.2 Экономическая
эффективность внедрения релейной защиты на «Бешикуль» 110/10 кВ
.3 Расчет
технико-экономических показателей подстанции
.4 Расчет эксплуатационных
издержек
.5 Расчет себестоимости и
прибыли на передачу электроэнергии
.6 Показатели
финансово-экономической эффективности инвестиций
Вывод по главе
Заключение
Список использованной
литературы
Введение
Актуальность дипломной работы:
Статистика показывает, что многолетние работы по переводу релейной защиты
в Казахстане на современную элементную базу во многих случаях привели к
усложнению схем, снижению общей эффективности защиты и существенному увеличению
процента неправильных действий. В некоторых случаях процент неправильных
действий защиты достигает 40-50%. Большое количество неправильных действий
защиты происходит по вине обслуживающего персонала. Многие комплекты и
устройства РЗА, находящиеся в эксплуатации в энергосистемах, выработали свой
ресурс, что привело к росту частоты отказов РЗА, связанных со старением
аппаратуры.
Целью данной работы является определение экономических показателей
эффективности, дающих объективную и обоснованную характеристику планируемого
проекта. В ходе работы было уделено внимание важным аспектам и направлению в
проведении анализа экономической эффективности.
Так же были выполнены определенные задачи:
. Определение экономической эффективности;
. Расчет эксплуатационных издержек;
. Расчет себестоимости и прибыли на передачу электроэнергии;
. Расчет технико-экономических показателей подстанции.
Работа содержит в себе полный проектный выбор высоковольтного
оборудования устройств релейной защиты и измерения, также сделано
технико-экономическое сравнение различных вариантов для оборудования,
закладываемого в проектирование. Проектный расчет содержит в себе полный список
защит, требуемый ПУЭ касательно электрической подстанции, а именно максимальная
токовая защита силового трансформатора с основной дифференциальной защитой,
газовая защита реле Бухгольца. Защиты линий 110кВ максимальная токовая защита,
токовая отсечка и как основная дистанционная защита линии.
В то же время внедрение микропроцессорных терминалов защиты в практику в
настоящее время является насущной необходимостью. Рассматривается вопрос о
применении оптоэлектронных трансформаторов тока, использовании
«интеллектуальных» комплектов РЗА, совмещающих функции нескольких защит,
устройств автоматики и т.д. В связи с этим назрела потребность в анализе
надёжности «типовых схем» релейной защиты основных элементов подстанций и сетей
напряжением 110-750 кВ и разработке рекомендаций по оптимизации структуры
комплектов защиты.
Предметом исследования является надёжность функционирования систем РЗА,
схемы резервирования комплектов релейной защиты применительно к защищаемым
объектам.
При решении поставленных в работе задач использованы: методы исследования
информации, методы исследования процессов вычислительные эксперименты.
Практическая ценность и реализация результатов работы. Повышение
надёжности РЗА является эффективной мерой предотвращения аварийных последствий,
вызываемых отказами в её функционировании.
Глава 1. Теоретические основы методики расчета экономической
эффективности от внедрения релейной защиты подстанции.
1.1 Понятие
эффективности РЗА
Роль системы РЗА - минимизировать отрицательный эффект от возникающих в
энергосистеме разного рода повреждений и анормальных режимов. Кроме того,
внедрение в практику более совершенных (например, быстродействующих) защит в
ряде случаев улучшает характеристики использования имеющегося силового
оборудования (скажем, повышает пропускную способность линий электропередачи),
что дает дополнительный положительный эффект.
Понятие «эффективность РЗА» характеризует степень целесообразности
применения устройства или системы в определенных условиях.
Сама по себе система РЗА не обладает собственной эффективностью, так как
не производит реальный материальный продукт, она эффективна только
применительно к конкретному объекту, который она обслуживает. Иными словами,
устройства РЗА в энергосистеме выполняют сервисные функции и эффективны лишь
постольку, поскольку влияют на эффективность работы первичного оборудования.
Таким образом, термин «эффективность» применительно к РЗА имеет особый
смысл и может быть определен как свойство системы РЗА снижать отрицательный
эффект от повреждений в энергосистеме.
1.2
Показатели экономической эффективности.
Измерение
эффективности производства предполагает установление критерия экономической
эффективности, который должен быть единым для всех звеньев экономики - от
предприятия до народного хозяйства в целом. Таким образом общим критерием
экономической эффективности производства является рост производительности
общественного труда. В настоящее время экономическая эффективность производства
оценивается на основе данного критерия, выражающегося в максимизации роста
национального дохода (чистой продукции) на единицу труда. На уровне предприятия формой единого критерия эффективности его
деятельности может служить максимизация прибыли
Экономический эффект - это абсолютный показатель (прибыль, доход от
реализации и т.п.), характеризующий результат деятельности предприятия.
Основной показатель, характеризующий экономический эффект от деятельности
производственного предприятия, - это прибыль.
Эффективность производства находит конкретное количественное выражение во
взаимосвязанной системе показателей, характеризующих эффективность
использования основных элементов производственного процесса. Система
показателей экономической эффективности производства должна соответствовать
следующим принципам:
- обеспечивать взаимосвязь критерия и системы конкретных показателей
эффективности производства;
определять уровень эффективности использования всех видов, применяемых в
производстве ресурсов;
- обеспечивать измерение эффективности производства на разных уровнях
управления;
стимулировать мобилизацию внутрипроизводственных резервов повышения
эффективности производства
1.3
Классификация показателей эффективности
Эффективность РЗА зависит от свойств защищаемого объекта, т.е. от его
аварийности и аварийности окружающей его части электрической системы, от
функций, которые объект выполняет в энергосистеме.
Основной составляющей эффективности РЗА является достигнутый технический
уровень устройств и систем РЗА, включающий в себя ряд показателей (табл. 1):
· техническое совершенство (быстродействие, селективность,
чувствительность);
· надежность функционирования;
· уровень технологии аппаратных средств;
· уровень программного обеспечения;
· функциональность;
· возможность интеграции в систему АСУ ТП (АСУ Э и др.).
Показатели технического совершенства и надежности функционирования
устройств и систем РЗА должны рассматриваться в плане их соответствия основным
требованиям защиты объектов энергосистем.
Уровень технологии определяет исполнение устройством встроенных в него
алгоритмов. Это касается и каждой отдельной функции, и полной функциональной
структуры и относится как к аппаратному обеспечению (АО), так и к программному
обеспечению (ПО) устройства.
Многофункциональная структура МП РЗА является их существенным
преимуществом. Однако, если ее неправильно использовать, она может создать
много проблем. Проблемы возникнут и в случае, когда предлагаемые схемы
недостаточно выверены. Современные интеллектуальные устройства МП РЗА
функционально самостоятельны. Однако их возможности могут быть полностью
реализованы только тогда, когда эти устройства становятся неотъемлемой частью
АСУ ТП. Они должны иметь возможность легко встраиваться в современные системы
связи других подсистем: в автоматизированные системы управления подстанции,
мониторинга, диспетчеризации и др.
Дополнительные составляющие, отнесенные в таблице 1 к влияющим факторам,
сказываются как на надежности функционирования, так и на реализованных
показателях технического совершенства. Это и условия работы РЗА
(электромагнитная среда и др.), и существующая система технического
обслуживания (ТО) и ремонта, и качество нормативно-технической документации
(НТД), в том числе методических материалов по выбору параметров срабатывания, и
уровень информационного обеспечения в части режимов работы объектов
(определяемый главным образом характеристиками измерительных трансформаторов
тока и напряжения).
На отдельные показатели, а следовательно, на эффективность систем РЗА в
целом существенно влияет также человеческий фактор.
Таким образом, эффективность систем РЗА является более общей
характеристикой по сравнению с надежностью систем РЗА.
1.4
Классификация показателей надежности
Свойство надежности в принципе присуще отдельно взятому устройству РЗА и
без его взаимодействия с защищаемым объектом. Реально используемые на практике
показатели надежности, как правило, учитывают некоторые характеристики
защищаемого объекта. Показатели надежности устройств РЗА в общем случае
различны при использовании одного и того же устройства на разных силовых
объектах.
Таблица 1.1
Характеристика
обслуживаемого объекта и его роль в энергосистеме
|
|
Технический уровень
|
Техническое совершенство
Надежность Уровень технологии Функциональность
|
Быстродействие
Селективность Чувствительность Срабатывание и несрабатывание Аппаратного
обеспечения Возможность интеграции в систему АСУ ТП
|
|
Влияющие факторы
|
Условия
функционирования системы Система ТО и ремонта Уровень НТД Уровень
Информационного обеспечения
|
Как известно, к РЗА объектов электроэнергетической системы предъявляются
следующие основные требования:
· срабатывать при повреждениях на объекте в зоне действия
защиты;
· не срабатывать при отсутствии повреждений на защищаемом
объекте;
· не срабатывать при повреждениях вне зоны действия защиты.
· В соответствии с этими требованиями классифицируют отказы
системы РЗА:
· отказы в срабатывании (отказы в срабатывании при повреждениях
в зоне действия защиты);
· ложные срабатывания (срабатывания при отсутствии повреждений
на защищаемом объекте);
· излишние срабатывания (срабатывания при повреждениях вне зоны
действия защиты).
И, как следствие, в надежности РЗА выделяют два показателя:
· надежность срабатывания (при повреждении защищаемого
объекта);
· надежность несрабатывания (при отсутствии повреждения на
защищаемом объекте).
Одной из основных задач сегодня является разработка и внедрение в
практику комплекса мероприятий, повышающих эффективность и надежность устройств
и систем РЗА. При этом следует отметить, что, как правило, способы улучшения
показателей надежности одного вида отрицательно влияют на показатели другого
вида. Аспекту надежности несрабатывания в настоящее время уделяется
недостаточное внимание. Статистические данные, полученные Филиалом ОАО
«Инженерный центр ЕЭС» - «Фирма ОРГРЭС», показывают, что подавляющее количество
отказов в функционировании устройств релейной защиты - это ложные и излишние
срабатывания. Именно эти виды неправильных действий защиты (ненадежность)
наносят наибольший ущерб. Так, судя по некоторым зарубежным источникам, отказы
в функционировании релейной защиты сопровождаются убытками, которые соизмеримы
с потерями из-за повреждений самого ненадежного элемента силовой схемы сети -
линии электропередачи.
В России около половины всех неправильных действий РЗА происходят из-за
ошибок персонала на этапах проектирования, изготовления, наладки и эксплуатации
этих систем.
1.5 Оценка
показателей надежности
Известен ряд показателей надежности функционирования системы РЗА: средний
процент правильных или неправильных действий, коэффициенты готовности и
неготовности РЗА к выполнению своих функций, математическое ожидание снижения
эффективности изза неидеальной надежности релейной защиты, параметры потоков
ложных и излишних срабатываний, параметр потока отказов защиты в срабатывании и
т.д. При решении разных типов задач применяют те показатели, которые
соответствуют поставленной цели [3]. Основной используемый в России
статистический показатель, относящийся к надежности, - процент неправильных
действий (либо дополняющий его до 100 процент правильных действий). Этот
показатель используется при оценке результатов эксплуатации РЗА.
Процент неправильных действий D,% определяют следующим образом:

где

-
параметр потока излишних срабатываний;

-
параметр потока ложных срабатываний;

-
параметр потока отказов в срабатываний релейной защиты;

-
параметр потока заявок на срабатывание.
На
пркатике вместо величины 
обычноо
испульзуется величина 

, где 
-
параметр потока отказов РЗ, 
- парпметр
потока отказов устройства РЗ в срабатывании при повреждении защищаемого
объекта.
Процент
правильных действий 
определяется
по формуле:

В
зарубежной практике надежность систем релейной защиты оценивается тремя
показателями:
· надежностью срабатывания D:

· ндежностью несрабатывания S:

· общей надежностью R:

В,,:
Nс - количество правильных срабатываний защиты; Nf - количество отказов в
срабатывании; NU - количество ложных и излишних срабатываний.
Представляется,
что оценка результатов эксплуатации устройств и систем РЗА показателями…(5)
более информативна и дает большие возможности для сопоставления надежности
различных вариантов исполнения систем РЗА и разработки рекомендаций по
повышению их надежности и эффективности. Целесообразно в отечественной практике
также перейти к оценке эксплуатационной надежности РЗА посредством этих
показателей, отдельно выделив при этом ложные и излишние срабатывания,
поскольку их последствия для энергосистемы могут существенно отличаться. В
некоторых странах (например, в Норвегии) ведется также статистическая оценка
недоотпуска электроэнергии и ущербов, возникающих при неправильных действиях
релейной защиты в энергосистемах. Эти данные наиболее представительны и
позволяют достаточно точно оценить эффективность инвестиций в новые системы
РЗА. Желательно хотя бы выборочно фиксировать такие данные и в отечественной
практике.
1.6 Оценка
показателей эффективности
При расчете показателей эффективности в процессе разработки и
проектирования систем РЗА необходимо учитывать все элементы, которые входят в
состав рассматриваемого канала РЗА (измерительные трансформаторы тока и
напряжения, кабели, собственно устройства РЗА, цепи оперативного тока, выходные
цепи защиты и т.д.).
Предлагается [3] использовать следующий интегральный показатель
эффективности:
где М[Э] - математическое ожидание снижения эффективности из- за
неидеальных характеристик устройства РЗА; k1, kСТ.i, kСТ.j -
стоимостные коэффициенты, учитывающие стоимость последствий рассматриваемого
отказа в функционировании (в денежном или другом выражении);
qРЗi, qРЗj - коэффициенты
неготовности (или усредненные на расчетном интервале времени значения функций
неготовности) системы РЗА, учитывающие как отказы в функционировании из-за
неидеального технического уровня, так и отказы из-за неидеальной надежности;
Wi, Wj - параметры потоков повреждений
соответственно вне зоны защиты и на защищаемом объекте;
ТО.СР - средняя наработка на отказ в режиме дежурства.
В стоимостные коэффициенты и параметры потоков соответствующих событий
учитывают особенности работы защищаемого объекта. Первый элемент в правой части
оценивает эффективность в режиме дежурства, второй - в режимах внешних КЗ,
третий - в режимах повреждений защищаемого объекта.
Этот показатель позволяет более достоверно оценить эффективность
инвестиций в мероприятия, направленные на совершенствование РЗА.
Показатели эффективности и надежности релейной защиты и автоматики в
большой степени зависят не только от вида защищаемого объекта, но и функций,
выполняемых им в энергосистеме. Поэтому исполнение системы РЗА, оптимальное для
одного объекта, может оказаться неэффективным для другого объекта такого же
вида (линии, трансформатора, сборных шин и т.д.). Для каждого объекта в
процессе проектирования должны быть выбраны оптимальный состав и алгоритм
взаимодействия элементов РЗА.
Надо признать, что этап внедрения МП РЗА в энергосистемах России начат
без должной подготовки в плане обеспечения эффективности этой техники.
Разработка и реализация комплекса мероприятий, обеспечивающих повышение уровня
надежности новых систем РЗА по сравнению с системами, используемыми в настоящее
время, является актуальной задачей. При ее решении особое внимание следует
уделить проблеме повышения эксплуатационной надежности.
Формирование базы данных, необходимых для выполнения расчетов показателей
надежности, требует построения системы мониторинга уровня эксплуатационной
надежности техники разных производителей, системы сбора информации по
надежности комплектующих элементов, системы анализа причин и последствий
отказов РЗА.
Разработка и внедрение в практику четких и сравнительно простых методик
оценки надежности и эффективности потребует времени и средств, но эту работу
необходимо выполнить, так как это позволит обоснованно решать вопросы
инвестиций при осуществлении различных проектов. Должны также разрабатываться
методы и средства, обеспечивающие высокий уровень надежности систем РЗА на всех
этапах их жизненного цикла.
При выполнении расчетов должно учитываться влияние на надежность и
эффективность систем РЗА решений по дальнему и ближнему резервированию, наличие
устройств АПВ, УРОВ и других моментов, способных в какой-то степени
скомпенсировать те негативные последствия, которые будут вызваны отказами
защиты и повреждениями выключателей.
При оценке предложений по структурному резервированию систем РЗА
необходимо принимать во внимание причины, которые могут привести к
одновременным отказам всех устройств. Это означает, например, что для двух
взаимно резервирующих устройств защиты коэффициент неготовности системы будет
определяться как :
………(2)
где Qi - коэффициент неготовности каждого из взаимно резервируемых
устройств (блоков);< 1 - коэффициент, учитывающий взаимозависимость функционирования
каналов и существование общих причин неправильных действий. Значение
коэффициента k может меняться в широких границах (в зависимости от
помехозащищенности, качества программного обеспечения, конструкции
микропроцессорного терминала). Так, коэффициент k снижается при использовании
обоими комплектами защиты одного трансформатора напряжения, при наличии общих
цепей питания оперативным током и т.д. Для повышения эффективности эксплуатации
РЗА необходимо разработать и внедрить в практику апробированную систему ТО
устройств МП РЗА и их ремонта.
1.7 Принципы
оценки экономической эффективности РЗ
К эффективности функционирования РЗ (как совокупности надежности и
технического совершенства РЗ) предъявляются вполне
определённые требования [1], обеспечиваемые мероприятиями, реализация которых
вносит соответствующий вклад в обеспечение эффективности. Анализ содержания
задач по обеспечению эффективности РЗ показывает, что многие из них решаются на основе оценки предлагаемых мероприятий.
Это задачи, в которых определяются:
· степень удовлетворения требований к уровню надёжности РЗ;
· целесообразность реализации тех или иных конкретных
мероприятий по повышению надёжности;
· наиболее эффективные мероприятия для реализации в конкретном
случае применения РЗ.
При выборе критерия оценки мероприятий по обеспечению эффективности
систем РЗ необходимо учитывать следующие положения:
· к показателям большинства видов РЗ предъявляются
количественные требования;
· повышение надёжности и технического совершенства приводит к увеличению
эффективности функционирования РЗ;
· реализация любого мероприятия требует определённых
материальных затрат
Известно, что существуют достаточно много критериев оценки экономической
эффективности. Например, целесообразность реализации того или иного мероприятия
в конкретной системе РЗ можно оценивать, сравнивая показатели стоимостного
значения выигрыша вполезном эффекте использования РЗ от повышения её надёжности
ΔС и затраты на реализацию мероприятия
по повышению надёжности Сз (при условии, что затраты в «базовом» варианте равны
нулю). Тогда критерий целесообразности реализации мер по повышению надёжности
РЗ определится как

Критерий
представляет собой выигрыш в полезном эффекте использования РЗ при реализации
рассматриваемого мероприятия, приходящийся на единицу затрат при его
реализации. Мероприятие по повышению надёжности можно считать целесообразным,
если стоимостное значение выигрыша превышает затраты на его реализацию, то есть
Еэ > 1.
Для
оценки целесообразности мер по повышению надёжности РЗ можно использовать и
другой критерий, представляющий собой разность ΔС и Сз. При этом значение ΔС может быть определено из соотношения
DС =С -С,
где
С и С0 - стоимостные значения полезного эффекта использования РЗ при условии,
что рассматриваемое мероприятие соответственно реализовано (С) или не
реализовано (С0).
Труды
Нижегородского государственного технического университета им. Р.Е. Алексеева №
1(98)
Во-первых,
понятие народнохозяйственного ущерба устарело, так как затраты сетевой компании
не должны сравниваться с эффектом, возникающим у потребителя. Во-вторых,
численные значения удельных ущербов давно не актуализировались, что вынуждает
обращаться к зарубежным источникам, которые далеко не всегда соответствуют
отечественным условиям в силу принципиальных различий производственных систем.
В-третьих, удельные ущербы изначально предназначались для оценки проектов
электроснабжения в масштабе района электрической сети и крупнее. Поэтому при
оценке надёжности устройств РЗ на одном присоединении или в рамках одного
предприятия эти ущербы не отражают истиной величины технико-экономических
потерь.
С
точки зрения надёжности основной функцией РЗ является снижение ущерба У при
аварийных ситуациях в электроэнергетической системе (ЭЭС). Защита, обладающая
высоким техническим совершенством, может существенно повысить надёжность
функционирования как самой ЭЭС, так и электроснабжения потребителей. Так как
любая электрическая сеть не может быть абсолютно надежной, есть вероятность
возникновения ущерба от ненадежности у потребителей УП и ущерба сетевой
организации УСО. Эти вероятности определяются ложными и излишними (при
повреждениях вне зоны защиты) срабатываниями РЗ, отказами в срабатывании.
Процент неправильных действий устройств РЗ, выполненных на электромеханических
(электромагнитных) элементах по данным [1] составляет 0,1-0,6%; для реле на
интегральных микросхемах - 0,3%; для защит на базе микропроцессоров - 5%. На
этом основании становится очевидным необходимость разработки и использования
автоматизированных поверочных комплексов.
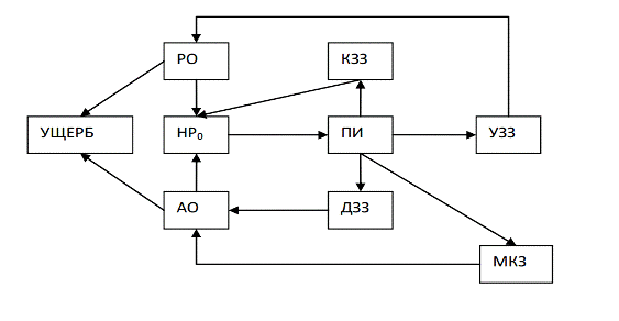
Известно,
что доля однофазных замыканий на землю (ОЗЗ) в современных электрических сетях
доходит до 70%. Доля кратковременных ОЗЗ в их общем числе составляет 70-90%.
Простейшая диаграмма состояний электрической сети при возникновении ОЗЗ [4]
представлена на рис. 1.
Рисунок
1.1. Диаграмма состояний электрической сети при возникновении ОЗЗ:
НР0
- нормальный режим сети; ПИ - пробой изоляции фазы сети на землю; КЗЗ -
кратковременное, самоустранившееся ОЗЗ; УЗЗ - устойчивое ОЗЗ; ДЗЗ -
двойное замыкание на землю; МКЗ - междуфазное короткое замыкание в месте
повреждения; АО - автоматическое отключение повреждённого элемента; РО -ручное
отключение повреждённого элемента при устойчивом повреждении.
Возможность получения положительного эффекта от фиксации
кратковременных самоустраняющихся ОЗЗ определяется наличием информации о
кратковременных пробоях изоляции. В кабельных сетях промышленных предприятий
каждому устойчивому ОЗЗ предшествуют 2-3 кратковременных пробоя с интервалом
времени 40-50 мин и более, а для электродвигателей 6 кВ - от нескольких часов
до нескольких суток.
При выборе перспективного варианта РЗ уровень надежности сети по
отношению к существующему должен измениться. Выбранному варианту РЗ будут
соответствовать прогнозные ущербы потребителей УП и сетевой организации УСО, а
также затраты потребителей ЗП и затраты сетевой организации ЗСО, связанные с
монтажом и обслуживанием устройств РЗ (изменением уровня надежности сети).
Предлагается следующий алгоритм оценки экономической эффективности РЗ.
Шаг 1. Если при отказе элементов электрической сети нельзя пренебречь
вероятностью катастрофических последствий (У З), то любое
повышение уровня её надежности можно считать оправданным.
Шаг 2. Если вероятностью катастрофических последствий можно пренебречь
(ущерб соизмерим с затратами), то для оценки эффективности выбранного варианта
РЗ необходимо сравнить ∆З с ∆У, где ∆У - разность величин
ожидаемых ущербов до и после реализации выбранного варианта РЗ, а ∆З -
разность величин ожидаемых затрат до и после реализации выбранного варианта РЗ.
Если ∆ЗП < ∆УП ,
то выбор системы РЗ с точки зрения потребителей оправдан.
Если ∆ЗСО < ∆УСО ,
то выбор оправдан с точки зрения сетевой организации.
Замечания:
· если реализация выбранного варианта
РЗ производится силами потребителей или в сети потребителей (на промышленных
предприятиях), то ЗСО = 0 и обоснование модернизации можно проводить только по
условию;
· если реализация выбранного варианта
РЗ производится силами сетевой организации, то ЗП = 0 и обоснование
модернизации можно проводить только по условию;
· условия (1-2) должны использоваться с
учетом дисконтирования для приведения прогнозных величин З и У в соизмеримый
вид по фактору времени к текущему моменту. Дисконтирование выполняется путём
умножения будущих денежных потоков (потоков платежей) на коэффициент
дисконтирования Kd:
= 1 / (1 + i) n,
где i - процентная ставка, о.е.; n - номер периода (года).
Величина ∆У может быть вычислена двумя способами: как
разность абсолютных значений ущербов У при разных вариантах устройств РЗ
(естественно, что при этом необходим независимый расчет У для каждого варианта);
и исходя из относительного технического эффекта (например, РЗ1 лучше РЗ2 по
параметру П1).
Как правило, расчет затрат З производится довольно легко на
основании информации о стоимостях устройств РЗ, их монтажа и обслуживания [3].
Основными проблемами обоснования будут являться:
определение технического эффекта устройств РЗ, особенно новых
разработок. Численные значения могут быть получены либо на основании экспертной
информации от заводов-изготовителей, либо из новых публикаций;
определение величин ущербов У.
Для повышения эффективности и надежности систем РЗА
необходимо:
· использовать устройства высокого
технического уровня, адаптированные к российским условиям;
· развивать системы мониторинга уровня
эксплуатационной надежности и системы сбора данных о причинах отказов РЗА;
· выполнить комплекс
научно-исследовательских работ, связанных с разработкой и внедрением в практику
обоснованных и достаточно простых методик оценки надежности и эффективности
систем РЗА, а также рекомендаций по повышению надежности аппаратных и
программных средств и методов повышения эксплуатационной надежности устройств.
Отдельного исследования требуют вопросы назначенного срока
эксплуатации устройств РЗА на современной элементной базе, а также вопросы,
относящиеся к технологии эксплуатации устройств РЗА на этапе старения.
Последнее чрезвычайно актуально для большого количества устройств РЗА на
традиционной элементной базе, срок эксплуатации которых в стране превысил 25-30
лет.
Надежность систем РЗА должна оцениваться с учетом новых
возможностей по резервированию
Глава 2
Описание проекта по внедрению релейной защиты на п/с "Бишкуль" 110/10 кВ
2.1 Описание
и характеристика Электроэнергетики Казахстана
Наблюдающиеся в последние годы высокие темпы развития экономики
Казахстана (рост ВВП на 9-10% в год) сопровождаются ростом объемов
электропотребления - прирост составляет 5-7% в год. По итогам 2007 года
потребление электроэнергии по стране в целом составило 76,4 млрд. кВтч, что на
6,5% выше, чем за 2006 год. В настоящий момент, ввиду высоких темпов развития
экономики в целом, перед электроэнергетикой стоят задачи по быстрому
наращиванию мощностей электростанций, развитию национальной и региональных
электрических сетей. Согласно прогнозным данным, электропотребление Казахстана
к 2015 году составит 125 млрд. кВтч, а к 2020 году увеличится до 140 млрд.
кВтч. Таким образом, ожидаемый прирост электропотребления к 2020 году
относительно текущего уровня составит более 80%.
Рисунок 2.1 - Перспективы производства электроэнергии в Казахстане
В данных условиях важнейшей государственной задачей является обеспечение
необходимых объемов расширения, модернизации существующих и строительства новых
объектов электроэнергетики, которые должны обеспечить покрытие потребности
Республики Казахстан в электроэнергии, а также создание экспортного,
транзитного потенциала, необходимых резервов мощности.
Правительство осуществляет поддержку планов развития отрасли. Утверждён
распоряжением Премьер-Министра от 31.05.2007г «План мероприятий по развитию
электроэнергетической отрасли Республики Казахстан на 2007 - 2015 годы», в
котором обозначены все необходимые объекты, требующие строительства и
расширения до 2015 года, а также разработан перечень мер по обеспечению
выполнения этого плана, в частности:
· Разработка прогнозного баланса электроэнергии на 2007-2015гг;
· Подготовка перечня объектов электроэнергетики, подлежащих
реконструкции, модернизации и расширению, а также строительства новых
энергетических объектов;
· Повышение инвестиционной привлекательности отрасли;
· Разработка прогнозных уровней цен на производство,
транспортировку и поставку электроэнергии;
· Стимулирование энергосберегающих технологий и рационального
использования энергоресурсов;
· Развитие и вовлечение в энергобаланс страны возобновляемых
источников энергии;
· Создание основ и определение основных направлений развития
атомной энергетики.
Для реализации мер согласно утвержденному Правительством Республики
Казахстан Плану мероприятий в период до 2015 года необходимо привлечение в
отрасль инвестиций в размере $23.5 млрд. Из них в сектор генерации необходимо
вложить $12,9 млрд. До 2015 года планируется ввод 8164 МВт генерирующей
мощности, из них за счет строительства новых - 5456 МВт и расширения
действующих электростанций - 2708 МВт. В числе проектов по развитию генерации:
. Строительство Балхашской ТЭС мощностью - 2640 МВт;
. Расширение Экибастузкой ГРЭС-2 (блок №3 и №4) - 1050 МВт;
. Строительство ТЭЦ-3 в г.Астана - 240 МВт;
. Расширение ТЭЦ-2 г.Алматы - 240 МВт;
. Строительство Карагандинской ТЭЦ-4 - 570 МВт;
. Расширение ТЭЦ-2 г.Астана - 240 МВт;
. Строительство ГТЭС Agip КСО - 235МВт;
. Строительство Мойнакской ГЭС - 300 МВт.
В части сетевого строительства АО «KEGOC» реализует и планирует следующие
проекты по развитию Национальной электрической сети:
. Проект «Модернизация Национальной электрической сети Казахстана»
Реализация проекта повысит технический уровень оборудования подстанций
НЭС РК, обеспечит энергоэффективность и надежность работы НЭС РК, посредством
установки на подстанциях современного высоковольтного оборудования, средств
автоматизации подстанций и релейной защиты, систем диспетчерского контроля,
сбора данных и управления энергией SCADA/EMS, автоматизированной системы
коммерческого учета электроэнергии (АСКУЭ), цифровой корпоративной
телекоммуникационной сети. Модернизация НЭС реализуется в два этапа: I-ый этап
будет завершен в 2009г, срок реализации II-го этапа 2008-2017гг. Общая
стоимость проекта - $798,4 млн. Для реализации проекта привлечены займы МБРР
($140 млн. для первого этапа) и ЕБРР ($45 млн. для первого этапа и 255 млн.
евро для второго этапа).
. Проект «Строительство второй линии электропередачи 500 кВ транзита
Север-Юг Казахстана».
Проектом предусмотрено сооружение линии электропередачи протяженность -
1095 км, со строительством ПС-500кВ Шу и реконструкцией существующих ПС,
расположенных по маршруту транзита. Усиление транзита позволит обеспечить
электроэнергией дефицитные южные области Казахстана в объеме до 7,5 млрд.кВтч,
за счет увеличения пропускной способности с 630 МВт до 1350 МВт, увеличить
транзитный потенциал, а также надежность и устойчивость параллельной работы
энергосистем Казахстана, России и Центральной Азии.
До конца 2008г планируется осуществить ввод в эксплуатацию первого
участка транзита - ЮКГРЭС-Шу, что позволит увеличить пропускную способность
сетей в Южном направлении на 100 МВт.
Стоимость проекта - $364,2 млн. Планируемый срок завершения - 2009г. Для
реализации проекта привлечены займы МБРР ($100 млн.), ЕБРР ($147,8 млн.) и БРК
(на общую сумму 9,7 млрд. тенге).
. Также АО «KEGOC» осуществляется техническое сопровождение проекта
«Строительство межрегиональной линии электропередачи Северный Казахстан -
Актюбинская область», который реализуется АО «Батыс транзит» с использованием
механизма ГЧП на основе концессионного соглашения с МЭМР РК. Реализация проекта
позволит присоединить электрические сети Актюбинской области к ЕЭС Казахстана и
обеспечит энергетическую независимость региона от импорта российской
электроэнергии. Стоимость проекта составляет $165,8 млн. Планируемый срок
реализации - декабрь 2008г.
В ближайшей перспективе АО «KEGOC» планируется реализация еще двух
проектов развития НЭС РК, имеющих стратегическое значение для республики:
Проект «Строительство ПС 500 кВ Алма с присоединением к НЭС Казахстана
линиями напряжением 500 кВ, 220 кВ».
Целью проекта является обеспечение надежности электроснабжения
Алматинского региона, выдача мощности первой очереди Балхашской ТЭС (1320 МВт),
создание технической возможности развития городов-спутников Алматы,
строительства индустриального парка г.Алматы, инфраструктуры Азиатских игр 2011
года и других прорывных проектов Алматинского региона. Стоимость проекта - $250
млн. Необходимый срок реализации 2008-2014 годы.
Проект «Выдача мощности Мойнакской ГЭС».
Проект позволит осуществить выдачу мощности Мойнакской ГЭС в размере до
300 МВт в пиковых режимах. Стоимость проекта - $62,5 млн. Реализация проекта
необходима к моменту окончания строительства Мойнакской ГЭС, ориентировочно -
2011г.
Для реализации этих двух проектов планируется привлечение займа МБРР в
размере 300 млн. долларов США.
Объем инвестиций в Национальную электрическую сеть до 2015 года составит
1,6 млрд. долларов США.
В секторе передачи и распределения электроэнергии в краткосрочной
перспективе наиболее актуальная задача - реабилитация региональных
электрических сетей. Комплексная модернизация распределительных сетей требует
привлечения инвестиций порядка 7 млрд. долларов США.
Экономика Казахстана характеризуется высокой долей энергоёмких
производств. По экспертным оценкам энергоемкость ВВП республики превышает
аналогичный показатель развитых стран в 2,5-4 раза (США- в 2,5 раза, Дании- в
3,5, Японии - в 4,0 раза).
Главной причиной повышенной энергоемкости ВВП Казахстана является
преобладание в структуре ВВП доли материального производства и технологическое
несовершенство производственных мощностей основных отраслей промышленности
республики, отсутствие соответствующей аппаратуры учета и контроля
использования энергоресурсов, относительная дешевизна энергоресурсов.
Разрабатывается новая Государственная программа энергосбережения,
направленная на обоснованное снижение удельного энергопотребления в
производственном и коммунально-бытовом секторах, реализацию экономически
обоснованного потенциала энергосбережения с перспективой снижения энергоемкости
валового национального продукта.
Правительством Казахстана в сотрудничестве с Европейским Банком
реконструкции и развития разработан «План мероприятий по развитию устойчивой
энергетики», предусматривающий привлечение инвестиций в реализацию мероприятий
по энергосбережению и повышению энергоэффективности экономики республики.
Ведутся подготовительные работы с МБРР по созданию специального фонда
энергосбережения.
В настоящее время основу электроэнергетики Казахстана составляют тепловые
электростанции, работающие на угле - 13 490 МВт, что составляет 71%
установленной мощности всех электростанций Казахстана. Наличие ресурсной базы с
развитой инфраструктурой, открытый способ разработки месторождений позволяют
обеспечить низкую стоимость угля и, следовательно, невысокую конечную
себестоимость производства тепловой и электрической энергии.
Однако, рост электропотребления и экологические последствия при широком
использовании органического топлива для генерации, повышение цен на
энергоносители уже сегодня ставят вопросы вовлечения в энергобаланс Казахстана
возобновляемых источников электроэнергии (ВИЭ).
Министерством охраны окружающей среды разработан проект закона «О
поддержке использования возобновляемых источников энергии» и в настоящее время
рассматривается заинтересованными государственными органами.
По предварительным оценкам экономически возможный потенциал ВИЭ, который
может быть использован для производства электроэнергии, составляет порядка:
,5 млрд.кВтч/год - энергия малых рек (строительство малых ГЭС),
млрд.кВтч/год - энергия ветра (строительство ВЭС),
млрд.кВтч/год - солнечная энергия.
Технический потенциал значительно выше, и может быть использован в более
отдаленной перспективе.
В настоящее время в Казахстане осуществляются пилотные проекты по
использованию энергии ветра и малых рек.
На фоне глобального роста потребности в энергии и цен на энергоносители,
наличие в Казахстане значительных запасов урановых руд (около 19% от
общемировых) и инфраструктуры по промышленной добыче урана предопределяет
возможность диверсификации структуры генерирующих мощностей страны путем
развитием атомной энергетики.
В настоящее время МЭМР совместно с АО НАК «Казатомпром» разрабатывается
программа «Основные направления развития атомной энергетики в Республике
Казахстан на 2008-2030 годы». Программой предусмотрено следующее:
. Разработка нормативной базы и схемы размещения АЭС.
. Создание государственной структуры управления атомной энергетикой и
регулирования ее безопасности.
. Построение вертикально-интегрированной компании ядерного топливного
цикла на базе предприятий АО «НАК «Казатомпром».
. Строительство и ввод в эксплуатацию АЭС.
. Научно-техническое обеспечение эксплуатации АЭС и инновационное
развитие атомной энергетики.
В рамках исследований направлений по созданию основ атомной энергетики в
Казахстане, Правительственным Планом мероприятий предусмотрена разработка
технико-экономического обоснования строительства АЭС в г.Актау, мощностью 900
МВт, с вводом первого энергоблока (300 МВт) к 2015г. В Казахстане имеется
положительный опыт эксплуатации атомного энергоблока на базе ТОО
«МАЭК-Казатомпром». В перспективе проект Актауской АЭС послужит базой для
оценки целесообразности строительства новых АЭС на других площадках ЕЭС
Казахстана.
Учитывая инерционность развития электроэнергетической отрасли, связанную
с продолжительными сроками реализации проектов по строительству объектов
электроэнергетики, наряду с обеспечением реализации Правительственного Плана
мероприятий до 2015г, уже сегодня необходимо рассматривать вопросы развития
отрасли в перспективе до 2030г.
В этот период в различных регионах страны необходимо строительство шести
крупных тепловых электростанций мощностью по 1000 -2000 МВт каждая (в
Костанайской, Павлодарской, Актюбинской, Алматинской, Мангистауской,
Восточно-Казахстанской областях). Холдинг «Самрук», Министерство энергетики и
минеральных ресурсов работают в настоящее время над определением типов
электростанций по виду используемого топлива. Имеющийся гидропотенциал
Казахстана позволяет осуществить в перспективе и строительство
гидроэлектростанций общей мощностью до 1450 МВт.
Развитие НЭС Казахстана в долгосрочной перспективе предполагает
строительство протяженных линий 500кВ для объединения электрических сетей
областей Западной зоны Казахстана с центральным и южным регионами Казахстана,
обеспечения передачи мощности новых крупных электростанций в дефицитные
регионы, что является частью решения вопросов энергонезависимости страны.
Перечисленные выше перспективные проекты находятся в фокусе внимания
Казахстанской компании по управлению электрическими сетями «KEGOC», являющейся
Системным оператором Единой электроэнергетической системы Казахстана
Акционерное общество «KEGOC» создано в 1996 году в соответствии с
постановлением Правительства Республики Казахстан «О некоторых мерах по
структурной перестройке управления энергетической системой Республики
Казахстан».
Уставный капитал Компании - 75,6 млрд.тенге. В соответствии с Указом
Президента Республики Казахстан с 2006г в права акционера АО «KEGOC» вступило
Акционерное общество «Казахстанский холдинг по управлению государственными
активами «САМРУК». На балансе АО «KEGOC» находятся 74 электрических подстанций
напряжением 35-1150кВ с установленной мощностью трансформаторов 32 тыс. МВА.
Общая протяженность линий электропередачи АО «KEGOC» - 23,4 тыс.км.
АО «KEGOC», как Системный оператор ЕЭС Казахстана, выполняет следующие
основные функции:
· обеспечивает надежность работы ЕЭС РК;
· взаимодействует с энергосистемами сопредельных государств по управлению
и обеспечению устойчивости режимов параллельной работы;
· оказывает системные услуги по передаче электрической энергии по
Национальной электрической сети, обеспечивает ее техническое обслуживание и
поддержание в эксплуатационной готовности;
· оказывает системные услуги по технической диспетчеризации и
регулированию электрической мощности, осуществляя централизованное
оперативно-диспетчерское управление режимами работы ЕЭС РК;
· осуществляет организацию функционирования балансирующего рынка
электроэнергии.
В настоящее время АО "KEGOC" делегированы права по
представительству Республики Казахстан в международных интеграционных
объединениях, осуществляющих сотрудничество в электроэнергетической сфере.
В частности, АО "KEGOC" является представителем от Казахстана в
Электроэнергетическом Совете СНГ, главном координационном органе
электроэнергетической сферы в Содружестве Независимых Государств.
Рисунок 2.2 - Международное сотрудничество единого энергетического
проекта
Компаниями Холдинга «Самрук» рассматривается вопрос участия в
международных проектах по развитию электроэнергетики. Одним из них является
проект строительства в Кыргызстане Камбаратинских ГЭС-1 и ГЭС-2 мощностью 1900
МВт и 360 МВт соответственно. Для реализации данного проекта создано товарищество
с равнодолевым участием Казахстана (АО «КазКуат»), России, Кыргызстана.
Северный и Центральный регион. В него входят Акмолинская,
Восточно-Казахстанская, Карагандинская, Костанайская и Павлодарская области.
Энергетическое хозяйство этих областей объединено в единую сеть и имеет тесную,
развитую связь с энергосистемой Российской Федерации. На территории данного
региона расположены крупнейшие энергопроизводящие мощности страны: Экибастузкая
ГРЭС-1 и ГРЭС-2, Аксуская ГРЭС, Карагандинская ТЭЦ-3, Усть-Каменогорская ТЭЦ,
Шульбинская ГЭС. Львиная доля производства электроэнергии приходится на
электростанции Экисбастуза (до 4000 МВт). В связи с наличием значительных
месторождений угля в регионе преобладает угольная электроэнергетика. Он не
только самообеспечен электроэнергией, но и имеет потенциал для ее экспорта.
Электроэнергетика является одним из важнейших элементов
топливно-энергетического комплекса, обеспечивая более 7% всего объема
промышленного производства республики. Только в 2012 году отечественные энергетики
произвели 88,7 млрд кВт/ч электроэнергии, из которых 8,3 млрд кВт/ч было
поставлено в другие страны (на 22% больше, чем за предыдущий год).
Показательно, что около 86-88% всей электроэнергии в Казахстане вырабатывается
на теплоэлектростанциях.
Говоря об основных характеристиках казахстанской энергосистемы,
необходимо отметить, что она отличается неравномерностью расположения ее
объектов по всей территории страны. Условно отечественный энергокомплекс можно
разделить на три крупных региона:
Северный и Центральный регион. В него входят Акмолинская,
Восточно-Казахстанская, Карагандинская, Костанайская и Павлодарская области.
Энергетическое хозяйство этих областей объединено в единую сеть и имеет тесную,
развитую связь с энергосистемой Российской Федерации. На территории данного
региона расположены крупнейшие энергопроизводящие мощности страны: Экибастузкая
ГРЭС-1 и ГРЭС-2, Аксуская ГРЭС, Карагандинская ТЭЦ-3, Усть-Каменогорская ТЭЦ,
Шульбинская ГЭС. Львиная доля производства электроэнергии приходится на электростанции
Экисбастуза (до 4000 МВт). В связи с наличием значительных месторождений угля в
регионе преобладает угольная электроэнергетика. Он не только самообеспечен
электроэнергией, но и имеет потенциал для ее экспорта[2].
Южный регион. Объединяя общей сетью Алматинскую, Жамбылскую,
Кызылординскую и Южно-Казахстанскую области, этот регион имеет развитую связь с
энергетическими системами Кыргызстана и Узбекистана. Не имея собственных
источников топлива и, соответственно, крупных электростанций, он зависит от
импорта электроэнергии из соседних государств. Для решения этой проблемы в 1998
году была введена в строй транзитная электрическая линия "Экибастуз - Нура
- Агадырь - ЮКГРЭС - Алматы" мощностью 500 кВ. Она связала Южный регион с
энергоисточниками Северного и Центрального Казахстана. Тем самым была
обеспечена относительная независимость от импорта энергии из
центральноазиатских государств. Следующим шагом стало начало строительства
второй магистральной линии "Север - Юг" в конце 2004 года.
В настоящее время большинство фирм-производителей устройств релейной
защиты и электроавтоматики (РЗА) прекращает выпуск электромеханических реле и
переходит на микропроцессорную элементную базу. Это объясняется следующими
достоинствами микропроцессорных устройств.
1. Элементная база (промежуточные трансформаторы, электронная часть,
выходные устройства) у большинства устройств РЗА получается практически
одинаковой. Отличие заключается в программном обеспечении.
2. В силу идентичности устройства комплектов различного назначения,
достигается высокая степень автоматизации производства с минимальной долей
ручного труда.
3. Микропроцессорные устройства РЗА органически входят в
автоматизированную систему управления технологическим процессом (АСУ ТП)
электрической части сетей и систем и обеспечивают высокую степень
информатизации электроэнергетических процессов. В конечном счете это (со
временем) должно повысить надежность электроэнергетических сетей и систем.
4. Микропроцессорные устройства являются интеллектуальными системами,
обладающими возможностью совершенствования путем изменения программного
обеспечения и использования более перспективных принципов выполнения
(алгоритмов) защиты. Изменение алгоритмов и программ возможно осуществлять в
ходе эксплуатации.
5. Эти устройства не требуют использования мощных ТТ и ТН, т. к. их
потребление по цепям тока и напряжения крайне мало (единицы вольт и
миллиамперы).
Широкое внедрение микропроцессорных устройств сдерживается их высокой
стоимостью и практически отсутствием в России производства микропроцессорной
техники. Однако это явление временное и в перспективе микропроцессорная техника
в РЗА альтернативы не имеет (другие устройства с нею со временем будут
неконкурентоспособны).
Центральным элементом рассматриваемых устройств является микропроцессор -
однокристальная электронно-вычислительная машина (ЭВМ) с оперативным (ОЗУ) и
постоянным (ПЗУ) запоминающими устройствами, таймером, устройствами ввода и
вывода.
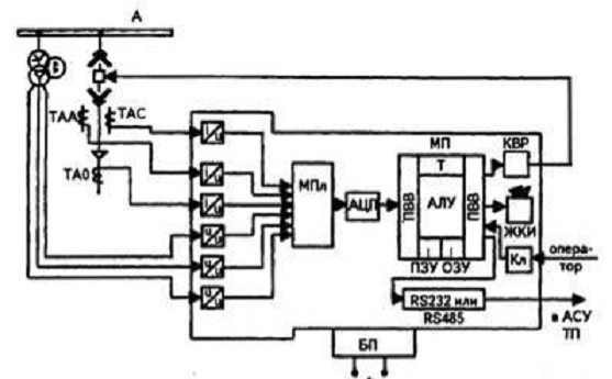
Структурная схема устройств защиты линии приведена на рис.2.3
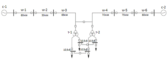
В проекте предоставлена главная схема подстанции, на которой указаны
основные параметры подстанции, длинны линий, связь подстанции с энергетической
системой, а также количество силовых трансформаторов. Данная схема показана на
рисунке 2.4.
Рисунок 2.3. Упрощенная структура микропроцессорного устройства релейной
защиты линии 6-10 кВ
Рисунок 2.4 - Схема подстанции - 110/10/10кВ
Устройство подразделяется на аналоговую и цифровую части. В состав
аналоговой части входят преобразователи «ток - напряжение» (промежуточные
трансформаторы тока i/u), «напряжение - напряжение» (промежуточные
трансформаторы напряжения u/u) и коммутатор аналоговых сигналов (мультиплексор
МПл). Входным элементом цифровой части является аналогово-цифровой
преобразователь (АЦП). Выходные сигналы (в цифровой форме) АЦП подаются на
входы портов ввода-вывода (ПВВ) микропроцессора. Благодаря мультиплексору
удается с помощью одного достаточно дорогостоящего АЦП последовательно
осуществлять преобразование нескольких аналоговых сигналов в цифровую форму.
Арифметико-логическое устройство (АЛУ) микропроцессора по программе,
заложенной в постоянное запоминающее устройство (ПЗУ), с участием оперативного
запоминающего устройства (ОЗУ) производит обработку информации и принимает
решение о необходимости отключения защищаемой линии.
Если такая необходимость есть, то срабатывают одно или несколько выходных
реле из их комплекта (КВР), через контакты которых подается сигнал на
отключение выключателя Q. Данные о срабатывании выходных реле, параметрах срабатывания
устройства защиты и др. могут быть выданы для персонала на жидкокристаллический
индикатор (ЖКИ). Требуемая информация может быть передана в АСУ ТП с помощью
интерфейса RS232 или RS485. Коррекция программ, заложенных в ПЗУ, и настройка
устройства может производиться с помощью клавиатуры (КЛ). Электропитание
устройства осуществляется с помощью блока питания (БП).
Характеристики микропроцессорных устройств релейной защиты во
многом повторяют характеристики аналогичных устройств, выполненных на
электромеханической или электронной элементной базе.
2.2
Устройство защиты трансформатора Siprotek
Типы устройств релейной защиты трансформато¬ров. Для защиты понижающих
трансформаторов мощностью 1 MB-А и более от повреждений и не¬нормальных режимов
предусматриваются сле¬дующие основные типы релейной защиты. Продольная
дифференциальная защита - от КЗ всех видов в обмотках и на их выводах;
применяется на трансформаторах начиная с мощности 6,3 MB-А, но может устанавливаться
и на трансформаторах меньшей мощности (но не менее 1 MB-А). Токовая отсечка без
выдержки времени - от КЗ всех видов на выводах трансформатора со сто¬роны
питания; применяется на трансформаторах, не оборудованных продольной
дифференциальной за-щитой.
Устройство дифференциальной защиты SIPROTEC 7UT612
используется для быстрого и селективного отключения оротких замыканий в
двухобмоточных трансформаторах всех классов напряжения, а также во вращающихся
электрических машинах, например, генераторах и двигателях, на коротких
двухконцевых линиях и сборных шинах с числом присоединений не более 7.
Конкретное применение устройства может быть определено при
его конфигурации. Это позволяет максимально адаптировать реле к защищаемому
объекту. Кроме функции дифференциальной защиты устройство включает резервную
максимальную токовую защиту для 1 обмотки/нейтральной точки звезды.
Дополнительно возможно использовать ограниченную защиту от низко- или
высокоомными замыканий на землю, защиту обратной последовательности и защиту
при отказе выключателя. Устройство позволяет выполнять измерение и контроль до
12 различных температур с помощью внешних термо датчиков (RTD-boxes), поэтому
возможно полностью контролировать термическое состояние трансформатора.
Устройство защиты может применяться для трехфазных и однофазных
трансформаторов. Кроме этого, встроенная тепловая модель позволяет
контролировать уровень оммических потерь в установке.
Газовая защита - от всех видов повреждений внутри бака (кожуха)
трансформатора, сопровождаю¬щихся выделением газа из трансформаторного масла, а
также от понижения уровня масла в баке; в соот¬ветствии с ГОСТ 11677-85 газовое
реле устанавли¬вается на всех масляных трансформаторах с расши¬рителем начиная
с мощности 1 MB-А, в связи с чем для таких трансформаторов должны быть
выполнены и электрические цепи газовой защиты. Для сухих трансформаторов
выполняется манометрическая за¬щита. Максимальная токовая защита со стороны
пи¬тания- от КЗ всех видов на выводах и внутри транс¬форматора, а также от
внешних КЗ, т. е. повреждений на шинах щита НН и на отходящих линиях НН (на
случай отказа их собственных защитных и коммута¬ционных аппаратов).Специальная
токовая защита нулевой последо¬вательности- от КЗ на землю в сети НН,
работаю¬щей с глухозаземленной нейтралью.
Рисунок 2.5 - Перечень защитных функций.
Основные защиты - дифференциальная, газовая, токовые максимальные защиты,
и в том числе отсечка, действуют на отключение трансформатора как со сто¬роны
высшего напряжения (выключателем), так и со стороны низшего напряжения
(автоматом).
Газовая защита силового трансформатора.
В каждом силовом трансформаторе мощностью 6,3 МВА и более устанавливается
газовая защита, цель которой защищать трансформатор от внутренних повреждений,
к которым можно отнести межвитковые короткие замыкания, утечку масла из бака, а
также его возгорание. Газовая защита трансформаторов является наиболее
чувствительной и универсальной защитой от внутренних повреждений. Она
устанавливается на трансформаторах с масляным охлаждением, имеющих расширитель
для масла. Этот вид защиты основан на том, что любые повреждения в
трансформаторе, включая повышенный нагрев масла, приводят к химическому
разложению трансформаторного масла, а также органических материалов изоляции
обмотки, в результате чего внутри трансформатора происходит выделение газа.
Этот газ воздействует на специальные приборы газовой защиты, которые подают
сигнал предупреждения или производят отключение трансформатора. Газовая защита
реагирует на такие повреждения, как междувитковое замыкание в обмотках
трансформатора, на которые дифференциальная и максимально-токовая защита не
реагирует; так как в подобных случаях величина тока замыкания оказывается
недостаточной для срабатывания защиты.
Характер повреждения в трансформаторе и размеры повреждения сказываются
на интенсивности образования газа. Если повреждение развивается медленно, чему
соответствует медленное газообразование, то защита дает предупреждающий сигнал,
но отключение трансформатора не производит.
Интенсивное и даже бурное газообразование, свидетельствующее о коротком
замыкании, создает в системе газовой защиты сигнал такой величины, который
помимо предупреждения вызывает отключение неисправного трансформатора. Газовая
защита трансформаторов вызывает предупреждающий сигнал и в том случае, когда
понижается уровень масла в баке. Газовая защита трансформаторов осуществляется
при помощи специальных газовых реле, монтируемых в металлический кожух,
врезанных в маслопровод между баком и расширителем.
Рисунок 2.6 - Газовое реле поплавкового типа
- корпус, 2,5 - контакты, 3 - стержень, 4 - изоляция выводов, 6 - крышка,
7 - рамка, 8 - ось, 9 - верхний поплавок, 10 - нижний поплавок.
Конструкция и установка наиболее распространенного газового реле типа
ПГ-22 показана на рисунке 4.3 У газовых реле этого типа внутри кожуха на
шарнирах укреплены два поплавка, представляющие собой полые металлические
цилиндры, а на них - ртутные контакты, соединенные гибкими проводниками с
выводными зажимами на крышке реле. Верхний поплавок является сигнальным
элементом защиты. В нормальном состоянии, когда реле полностью заполнено
маслом, поплавок всплывает и его контакт при этом разомкнут. При медленном
газообразовании газы, поднимающиеся к расширителю, постепенно заполняют реле и
вытесняют масло. С понижением уровня масла поплавок, опускаясь, поворачивается
на своей оси, при этом происходит замыкание ртутных контактов и посылается
предупреждающий сигнал.
При дальнейшем медленном газообразовании реле подействовать на отключение
не может, так как оно заполняется газом лишь до верхней кромки отверстия, после
чего газы будут проходить в расширитель.
Нижний поплавок, расположенный напротив отверстия маслопровода, является
отключающим элементом. Если газообразование происходит бурно, то возникает
сильный поток газов из трансформатора в расширитель через газовое реле, при
этом нижний поплавок опрокидывается, замыкает ртутные контакты, что приводит в
действие аппарат, отключающий трансформатор.
Так как при коротких замыканиях внутри бака трансформатора сразу
возникает бурное газообразование, отключение трансформатора происходит быстро,
через 0,1-0,3 с. Несколько позже, уже после отключения трансформатора
срабатывает и сигнализация.
Для трансформаторов мощностью 6,3 тыс. кВА и выше установка газовой
защиты обязательна. Для трансформаторов мощностью от 1000 до 4000 кВА она
обязательна только при отсутствии дифференциальной или максимально-токовой
защиты с выдержкой времени 0,5-1 с. Для трансформаторов мощностью 400 кВА и
выше, устанавливаемых внутри цеха, газовая защита обязательна. Для обеспечения
правильной работы газовой защиты должны быть выполнены определенные правила при
установке трансформатора и при установке реле в трубопроводе. Трансформаторы
должны устанавливаться так, чтобы крышка имела подъем не менее 1 - 1,5% к
горизонтали, а трубопровод от трансформатора к расширителю - подъем не менее 2
- 4%; при этом трубопровод должен присоединяться в наиболее высоком месте
крышки трансформатора. Таким образом, трубопровод и установленное в нем газовое
реле имеют наклон на 3 - 5,5% к горизонтали. Крышка реле будет иметь такой же
наклон к горизонтали. Имевшиеся ранее рекомендации об обязательности
горизонтального положения крышки газового реле являются ошибочными. Для
указанного подъема крышки трансформатора применяют металлические подкладки под
катки трансформатора, как показано на рисунке 4.4.
Рисунок 2.7-Схема установки трансформатора с наклоном крышки и
трубопровод
- газовое реле; 2-расширитель;
- кран в трубопроводе; 4 - подкладка под катки
Подъем крышки и трубопровода по направлению к газовому реле нужен для
свободного и быстрого прохождения выделяющихся из масла газов (при большом их
количестве) в реле и в расширитель, что обеспечивает быстрое срабатывание
газовой защиты. В случае же выделения из масла незначительного количества
воздуха и газа в процессе нормальной работы трансформатора, например, после
доливки масла в трансформатор, срабатывания газовой защиты не должно происходить.
В последнем случае газ, не скапливаясь под крышкой бака, постепенно проходит по
трубопроводу в расширитель.
Газовая защита переключателя РПН.
В случаях применения реле РГЧЗ-66 для защиты от внутренних повреждений в
отсеках переключателей ответвлений РПН трансформаторов большой мощности реле
устанавливаются в трубопроводах с внутренним диаметром 25 мм.
Контактор помещен в отсек, заполненный маслом и связанный со своим
отсеком в расширителе трубопроводом диаметром 25 мм.