Расчёт электрических нагрузок завода
1. Введение
В современном мире невозможно представить работу
промышленности, сельского хозяйства, транспорта, связи без использования
электроэнергии. Уровень развития электроэнергетики в наиболее общем виде
показывает уровень экономического развития любой страны.
Но всего полтора века назад считалось, что у
электрической энергии нет будущего, из-за огромных потерь в линиях. В середине
прошлого века применялся только постоянный ток, источником которого были
дорогие гальванические батареи. Создание генераторов с приводом от паровых
машин позволило расширить возможности применения постоянного тока.
Первый шаг в создании современной электропередачи был
сделан русскими учеными П.Н. Яблочковым и И.Ф. Усагиным. Они впервые предложили
использовать переменный ток, создали первый трансформатор и разработали простую
конструкцию генератора переменного тока. В 1889г. М.О. Доливо-Добровольский
предложил использовать трехфазную систему и разработал конструкцию простого
трехфазного двигателя переменного тока. Триумф трехфазной системы
электропередачи, которой мы пользуемся до сих пор, пришел в 1891г., когда были
произведены испытания системы Доли во-Добровольского на линии длинной 170 км.
При напряжении 28300 В КПД системы составил 79%. И вот уже более 100 лет в
мировой энергетике доминируют трехфазные системы передачи электроэнергии. А в
1893г. в Новороссийске была построена первая в мире трехфазная электростанция
мощностью 1200 кВт. Строил эту электростанцию русский инженер-путеец А.
Шенснович.
Сейчас Российская энергетика - это 700 электростанций
общей мощностью 215 млн. кВт. Почти 70% - это тепловые конденсационные
электростанций и теплоэлектроцентрали, в основном на высоких и сверхвысоких
параметрах пара; более 20%-гадровлические и 10% - атомныеэлектростанции. Этими
электростанциями в 2007г. было выработано 694,8млрд. кВт-ч электроэнергии. В
эксплуатации находится 2,5 млн. км линий электропередачи всех классов и
напряжений, в том числе 150 тыс. км - сети напряжением от 220 до 1150 кВ.
Более 90% этого потенциала сосредоточенно в единой
энергетической системе России (ЕЭС России). Объективной особенностью продукции
электроэнергетики является невозможность ее складирования или накопления,
поэтому основной задачей энергосистемы является наиболее рациональное
использование продукции отрасли. Электрическая энергия, в отличие от других
видов энергии, может быть конвертирована в любой другой вид энергии с
наименьшими потерями, причем ее производство, транспортировка и последующая
конвертация значительно выгодней прямого производства необходимого вида энергии
из энергоносителя.
ЕЭС России - сложнейший автоматизированный комплекс
электрических станций и сетей, объединенный общим режимом работы с единым
центром диспетчерского управления. Основные сети ЕЭС России напряжением от 330
до 1150 кВ объединяют в параллельную работу 70 региональных энергосистем.
Структура ЕЭС позволяет функционировать и осуществлять управление на трех
уровнях: межрегиональном (ЦДУ в Москве), межобластном (объединенные
диспетчерские управления) и областном (местные ДУ). Такая структура в сочетании
с интеллектуальной противоаварийной автоматикой и новейшими компьютерными
системами позволяет быстро локализовать аварию без значительного ущерба для ЕЭС
и зачастую даже для местных потребителей. Центральный диспетчерский пункт в
Москве полностью контролирует и управляет работой всех станций, подключенных к
нему.
ЕЭС России распределена по семи часовым поясам и тем
самым позволяет сглаживать пики нагрузки энергосистемы за счет
"перекачки" избыточной электроэнергии в энергодефицитные районы. К
удобствам ЕЭС можно отнести и возможность размещения электростанций в районах,
расположенных в дали от потребителей и богатых
энергоресурсами. Транспортировка электроэнергии обходится во много раз дешевле,
чем транспортировка газа, нефти или угля и при этом происходит мгновенно и не
требует дополнительных транспортных затрат.
Российская энергосистема считается одной из самых
надежных в мире. Более чем за 40 лет эксплуатации системы в России в отличие от
США (1965,1977 гг.), Франции (1978г.), Канады (1989 г.) не произошло ни одного
глобального нарушения энергоснабжения.
Образовываются крупные неиспользуемые резервы
мощности, которые возросли за последнее время с 7 до 30%. Число часов
использования крупных высокоэффективных энергоблоков ТЭС мощностью 300, 500,
800, 1200 мВт снизилось до 2000-4000 часов. Это приводит к росту удельного
расхода топлива на отпущенный 1 кВт-ч (по отрасли в целом он составляет 345,6
г/(кВт-ч)). Возросли потери электроэнергии в сетях. В целом по ЕЭС России они
составляют 10,3%, в системообразующих сетях РАО ЕЭС России - 4,9%. Это вызвано,
прежде всего, тем, что в связи с изменением структуры энергопотребления
увеличилась доля электроэнергии передаваемой по сетям напряжением 6-10 кВ и
ниже, имеющими более высокие удельные потери.
На технико-экономические показатели влияют износ
оборудования, его техническое состояние, не своевременное и не в полном объеме
выполненное ремонтно-профилактическое обслуживание. Это ухудшение в большой
степени связано с недостаточным финансированием из-за неплатежей потребителей.
Оптимизация режимов ЕЭС в значительной степени мешают
перебои с топливообеспечением ТЭС, когда загружать приходится не самые
экономичные блоки, а те, где имеется топливо. Это следствие недостатка
оборотных средств для приобретения топлива.
Не смотря на трудности переходного периода энергетики,
стабильно выполняют свою главную задачу - обеспечивают бесперебойное
электроснабжение страны. Огромную роль в этом играет то, что отрасль работает
на отечественном оборудовании, имеет отечественное топливо и не зависит от
поставок импортного сырья и запчастей.
Не смотря на финансовые трудности, принимаются
программы технического перевооружения и реконструкции отрасли: вводятся в строй
новые генерирующие мощности - энергоагрегаты на Харанорской, Псковской,
Нижневартовской ГРЭС, на Новосибирской ТЭЦ-5, ТЭЦ в г. Йошкар-Оле, Челябинской
ТЭЦ-3, Ирганайской ГЭС. Введены в действие транзит 500 кВ Балаковская АЭС -
Трубная - Ростовская АЭС- Тихорецкая, ЛЭП-500 кВ Пытьях - Нелымский и Тюмень -
Курган.
К декабрю 2002 года запущен второй блок Харанойской
ГРЭС, второй гидроагрегат Ирганайской ГЭС мощностью 107 МВт на пониженном
напоре, первый блок Мутновской ГеоТЭС на Камчатке (25 МВт).
К 2010 году производство электроэнергии достигнет
694,8 млрд.кВт.час. из них 125,9 Млрд. кВт.ч. на ГЭС. Сегодня ведется
строительство 16 ГЭС общей мощностью 9 млн. кВт. Достраиваются Аушигерская,
Бурейская, Богучанская, Зарамагских, Зеленчукских, Ирганайская,
Усть-Среднеканская ГЭС. Они должны быть введены до 2006 года (первые очереди).
Также планируется достройка Вилюйской ГЭС-3, Ирганайской в течение 9 лет.
ОАО «Дагэнерго» является одной из территориальных
акционерных обществ энергетики и электрофикации. Дагестанская энергосистема
формировалась под воздействием жесткой потребности общества в тепловой и
электрической энергии. Ее история началась в 1927г. со строительства
Гергебильской ГЭС на реке Кара-Койсу. Сегодня энергосистема Дагестана - это 8
электростанций установленной мощностью 1563 мВт., более 33 тыс. км.линий
электропередачи, 212 подстанция 35 кВ и выше мощностью более 3000 МВА, и более
6500 трансформаторов 6,10 кВ. В средний по водности год вырабатывается до 3600
млн. кВт-ч электроэнергии и 900 тыс. Гкал тепловой энергии.
В декабре 2001 г, состоялся запуск второго агрегата
Ирганайской ГЭС. Состоялся запуск Гунибской ГЭС, 2007г Гельбахская ГЭС
мощностью 44 МВт, Амсарская ГЭС мощностью 1,0 МВт, Магинская ГЭС мощностью 1,2
МВт, Агульская ГЭС мощностью 0,6 МВт. Существует ряд перспективных проектов
постройки каскада ГЭС на Андийском Койсу и Геотермальной электростанции в селе
Тарумовка.
Настоящее и будущее Дагестанской электроэнергетики -
это гидроэнергетика, основанная на широком использовании энергетического
потенциала многочисленных горных рек, общая потенциальная энергетическая
мощность которых составляет 6300 МВт, а суммарный гидроэнергетический потенциал
равен 45 млрд. кВт-ч в год. Наличие столь уникальной возможности освоения
гидроэнергетических ресурсов определяет основные направления развития энергосистемы
Дагестана.
В качестве основных задач развития Российской
энергетики можно выделить следующие направления:
Сохранение ЕЭС России.
Снижение энергоемкости производства.
Повышение коэффициента использования электростанций.
Скорейшее обновление парка электростанций.
Приведение экологических параметров электростанций к
уровню мировых стандартов.
Стабильно работающая и развивающаяся Единая
Энергетическая Система - залог единства и будущего России.
2. Общая часть проекта
.1 Краткая характеристика предприятия
Электромеханический завод принадлежит, к машиностроительной отросли
промышленности. Работает завод в две смены. Время использования максимума
активной нагрузки 5000 часов . Размеры завода 500х 800 метров Общая площадь
завода 400000м2 . Производственная площадь 18000м2 . Имеется 11 цехов . Среда в
районе завода нормальная . Напряжение распределительной сети 6 кВ . Питается
завод от районной подстанции пс 110/6кВ , с двумя трансформаторами по16МВА , на
расстоянии 28км
Насосы,
вентиляторы работают в длительном режиме. В зависимости от технологии
производства коэффициент мощности составляет 0,8 , коэффициент использования
0,7 . Вентиляторы и насосы имеют мощность от 20 до 55 кВт. Режим работы
продолжительный , cos
= 0.8 ,
коэффициент использования 0,6 - 0,7 ,а также предусматривается компрессоры с
высоковольтными двигателями с опережающим коэффициентом мощности. В этих же
цехах работают мостовые краны грузоподъёмностью 5-10 тонн . . Коэффициент
мощности 0,5 , режим работы повторно-кратковременный , ПВ-25% .
Основным
потребителями в механическом, сборочном, нестандартного оборудования цехах
являются металлообрабатывающие станки .
Асинхронные
двигатели станков имеют низкий cos
=0,5 , и
минимальный коэффициент использования 0,12-0,17 . Мощности двигателей станков
от 4 до 40 кВт . Работают станки в длительном режиме , отдельные наладочные
агрегаты и станки в кратковременном режиме. Осветительные установки цехов
выполнены по системе комбинированного освещения. Светильники представляют собой
однофазную нагрузку, но они группируются так чтобы равномерно распределить
нагрузку по фазам. Характер нагрузки продолжительный , cos
=0,95.Продолжительные
перерыв питания освещения приводят к нарушению нормальной деятельности завода.
Поэтому предусматривается питание от независимого источника питания. Наружное
освещение питается от цеховых подстанций
По
требованиям к надежности электроснабжения потребителей на заводе имеются все
три категории. К первой категории относятся потребители литейного цеха ковкого
чугуна.
Оборудование
остальных цехов относятся ко 2 и 3 категории. Потребители первой категории ,
согласно ПУЭ , питаются от двух независимых источников, по двум линиям , с
установкой на трансформаторной подстанции двух трансформаторов с применением
АПВ (Автоматическое повторное включение ) и АВР (Автоматическая включения
резерва ) . Перерыв работы допускается только на время работы коммутационных
аппаратов и АВР .
Потребители
второй категории, согласно ПУЭ, также питается от двух трансформаторов, по двум
линиям и от двух независимых источников питания. Как исключения допускается
питание по одной воздушной линии 10 кВ и более или от одной кабельной линии при
наличии в ней двух и более кабелей от одного трансформатора. В этом случае
должно быть предусмотрена включение резерва действиями дежурного персонала.
Питание потребителей третей категории по одной линии от одного трансформатора,
по радиальной или магистральной линии. Предусмотреть таким образом, чтобы
перерыв в электроснабжении, необходимым для ремонта или замены поврежденного
элемента сети не превышала 24часов
3. Расчёт электрических нагрузок завода
.1 Расчёт нагрузок высокого напряжения
На ВН 6кВ установлены с инхронные двигатели СТДП-500-2УХЛ4 Технические
данные UH=6, PH=500 , η=0,96, n=500об/мин, cos
φ=0,9 (опережающий)
(Л.7, стр. 226, табл. 4.33.).Число двигателей 3-рабочих , 1-резервный.
Двигатели ВН предназначены для привода компрессоров, то есть работает с постоянным
графиком нагрузки. Поэтомурасчётные нагрузки и среднесменная нагрузка равны
=Pcm=Kзаг•PH, Kзаг=0,9 коэффициент загрузки.
Для рабочих двигателей;
Вн=PcmВн=n•Kзаг•PH=4•0,9•500=1800 кВт
Определяем значения тангенса фи для высоковольтной нагрузки.
Реактивная
мощность QmВн=QcmВн=PmВн•tg
φ/η=1800•0,484/0,96=908,104
кВар
3.2 Расчёт нагрузки низкого напряжения
Расчётные осветительные нагрузки: Pp.o.=Kc.o.•Py.o.
Для заводоуправления : Pp.o.=84•0,85=71,4 кВт: Kc.o. берется (Л.6, стр.
13)
Предусматриваем к установке на заводе пять цеховых подстанций и нагрузку
рассчитываем для каждой из подстанций.
Для КТП №1 питающей цеха №1, №5, определяется среднесменная мощность
Расчетная
мощность
Определяем
значения коэффициента мощности первого цеха.
Определяем
значения коэффициента тангенса фи первого цеха.
Для
остальных цехов и КТП расчёт производится аналогично. Результаты заносятся в
таблицу №1 "Расчёт осветительных нагрузок "в таблицу №2 "Расчёт
нагрузок НН "
Определяем
всего по заводу расчётную мощность освещения:
PΣp.o.=ΣPp.o.=706,51кВт
Среднесменная
активная мощность:
PΣcm=ΣPcm=7522кВт
Среднесменная
реактивная мощность:
QΣcm=ΣQcm=7706,7кВар
Расчёт
осветительных нагрузок и значения Pcm и Qcm Таблица 11
|
№ цеха
|
Pyo кВт
|
Kc
|
Ppo кВт
|
Pcm кВт
|
Qcm кВар
|
Pm кВт
|
Qm кВар
|
КТП/
|
|
1.Завода управления
|
84
|
0,85
|
71,40
|
110
|
100
|
137
|
100
|
1
|
|
2.Литейный цех
|
130
|
0,9
|
117,00
|
845
|
1120
|
1150
|
1120
|
2
|
|
3. Котельная
|
37
|
0,87
|
32,19
|
130
|
117
|
142
|
117
|
2
|
|
4. Сварочный цех
|
45
|
0,89
|
40,05
|
208
|
132
|
208
|
132
|
3
|
|
5. Компрессорная
|
116
|
0,86
|
99,76
|
994
|
1037
|
1200
|
1037
|
1
|
|
6. Механический цех
|
56
|
0,88
|
49,28
|
1120
|
730
|
1340
|
810
|
4
|
|
7. Сборочный цех.
|
28
|
0,87
|
24,36
|
890
|
1240
|
970
|
1240
|
5
|
|
8. Кузнечнопрессовый
|
140
|
0,86
|
120,40
|
936
|
1136
|
936
|
1136
|
6
|
|
9.Термический
|
120
|
0,85
|
102
|
1260
|
1340
|
1450
|
1340
|
3
|
|
10. Окрасочный
|
20
|
0,87
|
17,40
|
550
|
355
|
650
|
355
|
7
|
|
11.Цех нестандартного
оборудования
|
18,7
|
0,9
|
16,83
|
479
|
399,7
|
622,6
|
429,3
|
8
|
|
12. Складское помещение.
|
18
|
0,88
|
15,84
|
0
|
0
|
0
|
0
|
3
|
|
Итого:
|
|
|
706,51
|
7522
|
7706,7
|
8805,6
|
7816,3
|
|
Расчёт нагрузок НН Таблица 12
|
0
|
№ КТП
|
№ цехов
|
Рро кВт
|
Pcm кВт
|
Qcm кВар
|
Scm кВ•А
|
Pm кВт
|
Qm кВар
|
Sm кВ•А
|
cos
|
tan
|
|
1
|
КТП 1
|
1,5,
|
171,16
|
1104
|
1137
|
1708,45
|
1337
|
1137
|
1888,73
|
0,799
|
0,754
|
|
2
|
КТП 2
|
2,3,
|
149,19
|
975
|
1237
|
1671,52
|
1292
|
1237
|
1899,26
|
0,759
|
0,858
|
|
3
|
КТП 3
|
4,9,12,
|
157,89
|
1468
|
1472
|
2193,24
|
1658
|
1472
|
2337,57
|
0,777
|
0,811
|
|
4
|
КТП 4
|
6,
|
49,28
|
1120
|
730
|
1378,45
|
1340
|
810
|
1608,17
|
0,864
|
0,583
|
|
5
|
КТП 5
|
7,
|
24,36
|
890
|
1240
|
1540,67
|
970
|
1240
|
1589,45
|
0,626
|
1,247
|
|
6
|
КТП 6
|
8,
|
120,40
|
936
|
1136
|
1551,28
|
936
|
1136
|
1551,28
|
0,681
|
1,075
|
|
7
|
КТП 7
|
10,
|
17,40
|
550
|
355
|
669,30
|
650
|
355
|
755,94
|
0,883
|
0,532
|
|
8
|
КТП 8
|
11,
|
16,83
|
479
|
399,7
|
636,87
|
622,6
|
429,3
|
770,17
|
0,830
|
0,671
|
|
Сумма
|
|
706,51
|
7522
|
7706,7
|
11349,78
|
8805,6
|
7816,3
|
12400,57
|
0,773
|
0,822
|
Среднесменная полная мощность НН
кВА
Расчетная
активная мощность: PΣm
=ΣPm=8805,60 кВт
Расчетная
реактивная мощность: QΣm
=ΣQm=7816,30 квар
Расчетная
полная мощность НН
кВА
Коэффициент
мощности нагрузок НН
Расчетная
полная мощность нагрузки на НН и на ВН без компенсаций.
Коэффициент
мощности нагрузок НН и ВН
3.3 Расчет
картограммы нагрузок
Картограмма нагрузок строится на плане завода и отражает распределение
активной расчетной мощности и мощности освещения. Для наибольшей нагрузки цеха
№ 8 задаемся радиусом круга -5 см. Определяем масштаб картограммы нагрузок.
кВТ/см2
Принимаем
М=20 кВТ/см2; Определяем радиус цеха №8
см
Для
остальных цехов расчет аналогичен. Результат заносим в таблицу №13. Определяем
величину угла на окружности определяющего уровня мощности освещения о суммарной
активной мощности.
Для
цеха №8:
Для
остальных цехов расчет аналогичен. Результаты заносим в таблицу 13.
Таблица
13. Расчет картограммы нагрузок
|
№ цехов
|
Pm кВт
|
Рро кВт
|
Pm+Ppo кВт
|
R см
|
угол а
|
X см
|
y см
|
|
1
|
137
|
71,40
|
208,40
|
1,82
|
123,34
|
80
|
120
|
|
2
|
1150
|
117,00
|
1267,00
|
4,49
|
33,24
|
110
|
|
3
|
142
|
32,19
|
174,19
|
1,67
|
66,53
|
320
|
110
|
|
4
|
208
|
40,05
|
248,05
|
1,99
|
58,13
|
650
|
110
|
|
5
|
1200
|
99,76
|
1299,76
|
4,55
|
27,63
|
100
|
300
|
|
6
|
1340
|
49,28
|
1389,28
|
4,70
|
12,77
|
280
|
320
|
|
7
|
970
|
24,36
|
994,36
|
3,98
|
8,82
|
400
|
320
|
|
8
|
936
|
120,40
|
1056,40
|
4,10
|
41,03
|
480
|
300
|
|
9
|
1450
|
102,00
|
1552,00
|
5
|
23,66
|
650
|
280
|
|
10
|
650
|
17,40
|
667,40
|
3,26
|
9,39
|
650
|
380
|
|
11
|
622,6
|
16,83
|
639,43
|
3,19
|
9,48
|
430
|
100
|
|
12
|
0
|
15,84
|
15,84
|
0,50
|
360,00
|
540
|
160
|
3.4 Определение центра нагрузок
Центр нагрузок определяется по методу определения центра тяжести тела в
технической механике. В центре нагрузок устанавливается ГПП. При этом
сокращаются до минимума расходы на распределительную сеть и потери энергии.
Выбираем систему координат, чтобы все потребители разместились в первом
квадрате. Считаем, что центр нагрузки каждого цеха совпадает с геометрическим
центром тяжести плоской фигуры. Определяем координаты всех одиннадцати нагрузок
завода.
Так для цеха № 8 x 8=480 см y 8=300 см
Определяем координаты центра нагрузок.
=(80•208,40+250•1267,00+320•174,19+650•248,05+100•1299,76+280•1389,28+400•994,36+480•1056,40+650•1552,00+650•667,40+430•639,43+540•15,84+)/(208,40+1267,00+174,19+248,05+1299,76+1389,28+994,36+1056,40+1552,00+667,40+639,43+15,84+)=389,01
см
=(120•208,40+110•1267,00+110•174,19+110•248,05+300•1299,76+320•1389,28+320•994,36+300•1056,40+280•1552,00+380•667,40+100•639,43+160•15,84+)/(208,40+1267,00+174,19+248,05+1299,76+1389,28+994,36+1056,40+1552,00+667,40+639,43+15,84+)=256,00
см
Следовательно
ГПП завода оптимально разместить вблизи точки с
координатами0=389,01см;y0=256,00см.С учетом застройки территории располагаем
ГПП возле цеха №7
3.5 Компенсация реактивной мощности
.5.1 Распределение НБК в цеховой сети
Предусматриваем установку КУ на цеховых подстанциях с подключением их к
шинам Н.Н. Предусматриваем на заводе установку 8 КТП напряжением 6/0,4кВ. КТП
установлены для цехов КТП 1- цеха 1,5, КТП 2- цеха 2,3,КТП 3- цеха 4,9,12,КТП
4- цеха 6, КТП 5- цеха 7, КТП 6- цеха 8,КТП 7- цеха 10, КТП 8- цеха 11,
3.5.2 Определение мощности КУ для КТП
Для КТП 1 определяем мощность компенсирующих устройств по формуле.
ку=(Pp.o.+Pм)•(tg φ1-tg φэ) tg φэ=0,4
Принимаем
к установке КУ в количестве 7 комплектов УКБ - 0,38 - 75 УЗку=7•75=525 квар.
Мощность
нагрузки КТП 1 после компенсации
Для
остальных КТП расчет аналогичен. Результаты вносим в таблицу 14 "Выбор
компенсирующих устройств".
Таблица
14. Выбор компенсирующих устройств
|
№ КТП
|
Ppo+Pm кВт
|
Qky p кВар
|
Qky кВар
|
tg p
|
cos p
|
Nky кол.
|
Тип КУ
|
Sp ky кВ•А
|
Scm ky кВ•А
|
|
КТП1
|
1508,16
|
533,89
|
525
|
0,799
|
0,927
|
7
|
УКБ-0,38-75
|
1627,60
|
1414,42
|
|
КТП2
|
1441,19
|
660,07
|
675
|
0,759
|
0,932
|
9
|
УКБ-0,38-75
|
1546,89
|
1256,84
|
|
КТП3
|
1815,89
|
746,33
|
750
|
0,777
|
0,929
|
10
|
УКБ-0,38-75
|
1954,16
|
1778,99
|
|
КТП4
|
1389,28
|
254,24
|
225
|
0,864
|
0,922
|
3
|
УКБ-0,38-75
|
1507,42
|
1273,67
|
|
КТП5
|
994,36
|
842,22
|
825
|
0,626
|
0,923
|
11
|
УКБ-0,38-75
|
1077,49
|
1004,13
|
|
КТП6
|
1056,40
|
713,07
|
675
|
0,681
|
0,917
|
9
|
УКБ-0,38-75
|
1152,61
|
1152,61
|
|
КТП7
|
667,40
|
88,10
|
75
|
0,883
|
0,922
|
1
|
УКБ-0,38-75
|
723,76
|
632,73
|
|
КТП8
|
639,43
|
246,2
|
225
|
0,830
|
0,916
|
3
|
УКБ-0,38-75
|
697,77
|
555,16
|
Для выбора мощности трансформаторов определяем среднесменную мощность с
учетом КУ
Результаты
заносим в таблицу №4.
Определяем
мощность всего завода с учетом нагрузки НН и ВН и КУ. Среднесменная мощность
завода после КУ
Расчетная
мощность завода после КУ
Коэффициент
мощности после компенсации
4. Выбор места, числа и мощности трансформаторов
.1 Выбор числа и мощности трансформаторов цеховых подстанций
В общем случае выбор количество трансформаторов
(автотрансформаторов) на подстанциях определяется составом потребителей,
мощностью нагрузки, количеством необходимых номинальных напряжений. Как
правило, на подстанциях предусматривается установка двух трансформаторов
(автотрансформаторов). Причем, целесообразно по возможности устанавливать
трехфазные трансформаторы.
Мощность каждого трансформатора на подстанции
определяется по выражению
,
где
nт, Sт - количество и единичная мощность трансформаторов;
Smax -
максимальная нагрузка подстанции в нормальном режиме;
Кав
- допустимый коэффициент перегрузки трансформаторов в аварийных случаях (Кав =
1,4 для двухтрансформаторной подстанции);
nотк - число
аварийно отключенных трансформаторов (nотк = 1).
При
этом предполагается, что при аварийном выходе одного трансформатора, оставшийся
будет обеспечивать нормальную, нагрузку подстанции с учетом допустимой
перегрузки.Затем выбирают ближайшее большее стандартное значение номинальной
мощности трансформатора с учетом требуемых номинальных напряжений. После выбора
параметров всех основных элементов сети необходимо изобразить схемы
рассматриваемых вариантов развития электрической сети
Выбираем два трансформатора по 1600кВА.
Коэффициент загрузка в нормальном режиме определяется:
что
меньше допустимого 0,9-0,95 (Л.2, стр. 281, Табл. 4.6).
Коэффициент
загрузка в аварийном режиме:
То
есть при отключении одного трансформатора оставшийся перегрузится на 2 % ,что
допустимо согласно ПУЭ перегрузка до 40% допускается в течении 5 суток не более
6 часов в сутки . Для остальных КТП выбираем числа и мощности трансформаторов
аналогично. Результаты сведены в Таблицу 15
Выбор
цеховых трансформаторов. Таблица 15
|
№ КТП
|
№ цехов
|
Sm кВ•А
|
Scm кВ•А
|
n
|
Sp кВ•А
|
Sn кВ•А
|
Beta нт
|
Beta ат
|
Kатегория
|
|
КТП1
|
1,5,
|
1627,60
|
1414,42
|
2
|
1011,31
|
1600
|
0,509
|
1,017
|
II- III
|
|
КТП2
|
2,3,
|
1546,89
|
1256,84
|
2
|
898,64
|
1000
|
0,773
|
1,547
|
II- III
|
|
КТП3
|
4,9,12,
|
1954,16
|
1778,99
|
2
|
1271,98
|
1600
|
0,611
|
1,221
|
II- III
|
|
КТП4
|
6,
|
1507,42
|
1273,67
|
2
|
910,67
|
1000
|
0,754
|
1,507
|
I,II.III
|
|
КТП5
|
7,
|
1077,49
|
1004,13
|
2
|
717,95
|
1000
|
0,539
|
1,077
|
II- III
|
|
КТП6
|
8,
|
1152,61
|
1152,61
|
2
|
824,12
|
1000
|
0,576
|
1,153
|
II- III
|
|
КТП7
|
10,
|
723,76
|
632,73
|
2
|
452,40
|
630
|
0,574
|
1,149
|
II- III
|
|
КТП8
|
11,
|
697,77
|
555,16
|
2
|
396,94
|
400
|
0,872
|
1,744
|
II- III
|
4.2 Выбор числа и мощности трансформаторов ГПП
Выбор числа трансформаторов ГПП производим из категории надежности
электроснабжения. Так как имеются потребители первой и второй категории, то
количество трансформаторов принимаем два. Мощность каждого из них:
Выбираем
два трансформатора по 10000кВА.
Таблица 16
|
Тип
|
Sн МВА
|
Напряжение обмотки, кВ
|
Потери, кВт
|
UК.,З, %
|
Iхх, %
|
Габариты, м
|
|
|
|
|
|
|
Длина
|
Ширина
|
Высота
|
|
|
ВН
|
НН
|
Рхх
|
Рк.з
|
|
|
|
|
|
|
ТДН
|
10
|
115
|
11
|
14
|
86
|
10,5
|
0,9
|
6,33
|
3,7
|
5,55
|
Коэффициент загрузка в нормальном режиме определяется:
что
меньше допустимого 0,9-0,95 (Л.2, стр. 281, Табл. 4.6).
Коэффициент
загрузка в аварийном режиме:
То
есть при отключении одного трансформатора оставшийся перегрузится на 17 % ,что
допустимо согласно ПУЭ перегрузка до 40% допускается в течении 5 суток не более
6 часов в сутки .
5. Технико-экономический расчёт по выбору внешнего напряжения завода
.1 Варианты электроснабжения завода
Первым вариантом предусматривается электроснабжение ГПП
электромеханического завода от подстанции "Д", на напряжении 110 кВ,
длина воздушной линии 28 км.
Рис 1
Вторым вариантом предусматривается электроснабжение ГПП
электромеханического завода от подстанции "В", на напряжении 35 кВ,
длина воздушной линии 36 км.
5.2 Расчёт
годовых приведённых затрат для первого варианта.
Определяем ток в ВЛ -110 кВ:
Экономическая
плотность тока для сталеалюминевых проводов , при=5000 ч. (Л.8, стр. 243 ,
Табл.4-6)
э=1,1A/mm2
(Л.7, стр. 548 , Табл.10.1)
Экономическое
сечение проводов ВЛ-110 кВ:
Так
как по условию образованию коронного разряда для ВЛ-110 кВ минимальное сечение
допускается 70 мм2 принимаем 2 линии с проводом АС-70.
Стоимость
одного километра 2 цепной линии ВЛ-110 кВ c АС-70 на железобетонных опорах
равна 712 тыс. руб./км (Л. 8, стр.119, Табл.2-9)
Капитальные
затраты на ВЛ-110 кВ: Кл=19936,0 тыс. руб.
Капитальные
затраты на ГПП КТП 110/10 c двумя трансформаторами по 10000 кВА Кп=10559тыс.
руб./км (Л. 8, стр.134, Табл.2-21)
Годовые
издержки на амортизацию
Где
αa=6,4
% (для подстанций)
αa=2,4 % (для ВЛ) (Л. 7, стр.549,
Табл.10.2)=(6,4•10559/100)+(2,4•19936,0/100)=1154,2 тыс. руб.
Годовые
издержки, эксплуатацию и текущий ремонт
=
тыс. руб
Где
αp=3
% (для подстанций)
αp=0,4 % (для ВЛ) (Л. 7, стр.549, Табл.10.2)
Активное
и индуктивное сопротивление ВЛ-110 кВ
,
=0,428
Ом/км ro=0,428 Ом/км xo=0,444 Ом/км(Л. 7, стр.432, Табл.7.38)
Передается
Pm=11312,11 кВт, Qm=3916,3 кВт.
Время
максимальных потерь
(0,124+5000/10000)2•8760=3411
час
Потери
энергии в ВЛ-110 кВ
UΔWл=β•ΔWл
где
β=7183
руб/кВт•год=81,998 коп/кВт•час,
UΔWл=81,998•231435,66=189,772 тыс.руб
Технические
данные трансформаторов на ГПП ТДН 10000/110=14 кВт; Pкз86кВт; Uk%=10,5%;
Ix=0,9% (Л.7, стр. 146, Табл.3.6)
Определяем
потери энергии за год в трансформаторах ГПП
β=Sn/SH=11705,26/10000= 1,17
Стоимость
потерь энергии за год в трансформаторах ГПП
UΔWт=β•ΔWт=81,998•446241,2400=365,908 тыс.руб
Определяем
годовые приведённые затраты попервому варианту
ЗI=Ua+Up+UΔWл+UΔWт+0,12•(Кп+Кл)=
=1154,2+396,5+189,77+365,91+0,12•(10559+19936,0)=5765,8
тыс. руб.
.3 Расчёт годовых приведённых затрат для второго варианта
Приведенные затраты определяются аналогично как для первого варианта.
Приведенные затраты второго варианта:
ЗII=Ua+Up+UΔWл+UΔWт+0,12•(Кп+Кл)=
,5+315,8+1723,07+294,540+0,12•(8349+16340,4)=6222,7 тыс. руб.
Выводы.
Так как ЗI=5765,8 < ЗII=6222,7 , то экономически приемлемым является
первый вариант присоединения ГПП агрегатного завода с напряжением 110 кВ
5.4 Выбор схемы распределения энергии по заводу
В основу выбора схемы ГПП , схем цеховых подстанций и схемы
электроснабжения положены рекомендации СН 174-75. Распределение энергии по
заводу предусматривается радиальными, двух кабельными линиями к каждой КТП на
стороне 6кВ. Между КТП 6 и КТП 5 предусматривается связь двумя кабельными
линиями на напряжение 0,4кВ . ГПП питается двумя тупиковыми линиями ВЛ- 110 кВ
и для неё принята типовая схема КТП с выключателями на вводе 110 кВ силовых
трансформаторов, и выключателем в цепи перемычки со стороны трансформаторов. На
напряжение 6кВ предусматривается две секции шин с АВР на секционном
выключателе. Цеховые подстанции выполняется бесшиными со стороны 6кВ . КТП1
имеет 2 секции шин на 6кВ межсекционный выключатель с АВР и питается с РУ цеха
№3. Для РУ предусматривается четыре фидера два для питания высоковольтных СД, а
остальные для присоединения КТП2. Схема электроснабжения завода приведены на
листе.
6. Расчёт токов короткого замыкания
.1 Цель расчета токов короткого замыкания
нагрузка напряжение замыкание подстанция
Большая часть аварий в энергосистеме вызвана короткими замыканиями. Часто
они сопровождаются повреждениями оборудования и частичными или полным
расстройством электроснабжения предприятия.
При возникновении короткого замыкания общее электрическое сопротивление
системы уменьшается, вследствие чего токи в ветвях системы значительно
возрастают. Одновременно напряжение в отдельных частях электросистемы
уменьшается, что приводит к нарушению работы электроприемников, питающихся от
поврежденных участков. Токи КЗ могут значительно превышать токи нагрузки этого
участка. Они могут быть опасны для электрооборудования, так как недостаточно
прочное в механическом отношении оборудование, может быть разрушено. Во
избежание разрушений, поломок оборудования, оно должно обладать достаточной
электродинамической и термической стойкостью, то есть должно выдерживать без
повреждения действие наиболее возможных токов короткого замыкания.
Вычисление токов короткого замыкания производится для:
сопоставления и выбора наиболее рациональной схемы электроснабжения;
выбора электрических аппаратов, изоляторов, силовых кабелей;
выбора средств ограничения токов короткого замыкания;
проектирование защитного заземления.
При расчете короткого замыкания определяют следующие величины:
I// -
действующее значение периодической составляющей токов короткого замыкания.
- iу
- ударный ток короткого замыкания.
При расчете токов КЗ в сетях свыше 1000 В учитываются только индуктивные
сопротивления электрических машин, силовых трансформаторов, воздушных и
кабельных линий.
Электрическая связь ГПП завода с системой осуществляется через 2-х цепную
линию электропередачи, протяженностью 42км каждая и через два понижающих
трансформатора мощностью 10000 кВА. Нормальный режим работы - раздельная работа
трансформаторов.
Для заданного в электрической схеме места короткого замыкания, составляем
схему замещения и путем постоянного преобразования приводим ее к одному
эквивалентному сопротивлению, с одной стороны которого приложена результирующая
ЭДС, а с другой стороны находится точка короткого замыкания. Зная
результирующую ЭДС, и результирующее сопротивление по закону Ома определяем
величину тока короткого замыкания.
Наиболее характерными точками короткого замыкания будут точки К1, К2 и
К3.
6.2 Расчётная схема
Расчет токов к.з выполняет для точек К1 на напряжение 110 кВ и К2 на
напряжение 6кВ. Принимаем метод относительных единиц. За базисную мощность
принимаем Sб=1400 МВ•А.За базисное напряжение Uб=6,3кВ для точки К-2, а для
точки К-1 базисное напряжение 115кВ.
Рис 2
6.3 Определение реактивных сопротивлений схемы замещения
Формулы для определения реактансов приведены (Л-3, стр. 362, Таб-7.2)
Для
энергосистемы:
Для
ВЛ 110 кВ:
Для
трансформаторов ГПП:
7.4 Схема замещения
Составляем
схему замещения для точки К-1
рис
3
Определяем
результирующее сопротивление схемы.
Определяем
расчётное сопротивление схемы замещения
Составляем
схему замещения для точки К-2
рис
4
Определяем
результирующее сопротивление схемы.
Определяем
расчётное сопротивление схемы замещения
6.5 Определение токов К.З
Определяем кратность установившегося тока по кривым
(Л.8, стр. 313, Рис. 5-4) при xрасч*1=1,218<3
Определяем токи для точки К-1 по расчётным кривым.
Номинальный ток для системы:
Установившийся
ток к.з: K∞1=0,95;
Сверхпереходной
ток к.з: Ko1=0,86;
Определяем
токи для точки K-2 xрасч*2=8,568>3
Базисный
ток для точки K-2 :
Ток
К.З для точки K-2:
Определяем
ударный ток К-1,К-2.; Ky=1,9(Л.8, стр. 321, Табл. 5-4)
;
7. Выбор основного коммутационного оборудования подстанции
.1 Выбор коммутационных аппаратов
Выбор электрических аппаратов и проводников
производится на основе сформулированных для них расчётных условий и данных
электропромышленности о параметрах и технико-экономических характеристиках
выпускаемого и осваиваемого перспективного электрооборудования.
Аппараты, шины и кабели на станциях и подстанциях
выбираются по условиям длительной работы и проверяются по условиям короткого
замыкания в соответствии с . Изоляция электрических аппаратов и кабелей должна
соответствовать номинальному напряжению установки. При выборе аппаратов
необходимо учитывать род установки (в помещении или на открытом воздухе),
температуру окружающего воздуха, влажность и загрязнённость помещения и т. д.
Выбор и проверку оборудования производят по
номинальным значениям тока и напряжения. Составляются таблицы сравнения
расчётных и допустимых величин. При этом для обеспечения надёжной безаварийной
работы расчётные величины должны быть меньше допустимых. Основными условиями
выбора электрических аппаратов и токоведущих частей являются:
- условие длительного режима работы:
а) выбор по напряжению;
б) выбор по нагреву длительно протекающим
номинальным током;
- условие устойчивости при протекании сквозных токов
короткого замыкания:
а) проверка на электродинамическую стойкость;
б) проверка на термическую стойкость.
7.2 Выбор
выключателей
Выключатели являются основными коммутационными
аппаратами и служат для отключения и включения цепей в различных режимах
работы.
При выборе выключателей необходимо учитывать основные
требования, предъявляемые к ним. Выключатели должны надёжно отключать любые
токи: нормального режима и КЗ, а также малые индуктивные и ёмкостные токи без
появления при этом опасных коммутационных перенапряжений. Для сохранения
устойчивой работы системы отключение коротких замыканий должно производиться
как можно быстрее; выключатель должен быть приспособлен для быстродействующего
АПВ. Конструкция выключателя должна быть простой, удобной для эксплуатации и
транспортировки, выключатель должен обладать высокой ремонтопригодностью,
взрыво- и пожаробезопасностью.
Выключатели выбирают по типу, номинальному напряжению
установки, длительному номинальному току и проверяют по отключающей
способности, динамической и термической стойкости.
Расчётным видом короткого замыкания при проверке
выключателей на электродинамическую динамическую и термическую стойкость
является трёхфазное короткое замыкание. Проверку по отключающей способности
выполняют по большему току, в данном случае по току однофазного короткого
замыкания.
Проверка выключателей по условиям короткого замыкания
производится:
1)
на электродинамическую стойкость:
)
на термическую стойкость:
;
)
на отключающую способность:
по
периодической составляющей;
по
полному току КЗ;
;
)
на включающую способность:
)
по параметрам восстанавливающегося напряжения.
Проверку по параметрам восстанавливающегося напряжения обычно не делают,
так как для большинства систем реальные условия восстановления напряжения на
контактах выключателя соответствуют тем, в которых испытан выключатель.
Определим токи рабочего форсированного режима:
·
рабочий
форсированный ток линий:
Iр.форс.АТ=
Таблица 17
|
Условия выбора
|
Расчётные значения
|
|
Тип выключателя
|
Масляный малообъёмный
ВМТ-110 Б-25/1250
|
|
110кВ = 110кВ
|
|
|
 1250 А
> 73.56 А
|
|
|
Условия проверки
|
Расчётные значения
|
65кА> 16.98
кА;
402 × 3 > 6,3192 × (0,06
+0,078);
|
4800 кА2× c >3,51 кА2× с
|
|
|
25кА > 6,319 кА
|
|

65 кА
> 16,98 кА;
Результаты выбора и проверки выключателей,
устанавливаемых в ОРУ 110кВ типа BMT-110Б-
25/1200 У1 в приведены табл. 16
7.3 Выбор разъединителей
Разъединители предназначены для отключения и включения цепей без тока и
для создания видимого разрыва цепи в воздухе. В установках небольшой мощности
разрешается отключать разъединителем ненагруженные трансформаторы, включать и
отключать нагрузочный ток линий до 15 А при напряжении 10 кВ и ниже, отключать
в определённых пределах зарядный ток воздушных и кабельных линий и ток
замыкания на землю.
Для обеспечения надёжной и безопасной эксплуатации
разъединителей следует стремиться к применению разъединителей преимущественно
трёхполюсного типа. Чтобы исключить ошибочные действия с разъединителями,
устанавливают блокировки (механические, электрические), которые разрешают
оперировать с разъединителями только в том случае, если связанный с ними
выключатель отключён.
Разъединители выбирают по номинальному напряжению и длительному
номинальному току и проверяют в режиме короткого замыкания на динамическую и
термическую стойкость.
Выбор разъединителей производится:
– по
напряжению установки:
по
длительному номинальному току:
по
конструкции, роду установки.
Проверка разъединителей производится:
- по электродинамической стойкости:
по
термической стойкости:
Результаты выбора и проверки разъединителей приведены в табл18 Таблица 18
|
Условия выбора
|
Расчётные значения
|
|
Тип разъединителя
|
РНД3.1(2)-110/1000У1
|
|
110кВ = 110кВ
|
|
|
 1000 А
> 73,56 А
|
|
|
Род установки
|
На открытом воздухе
|
|
Условия проверки
|
Расчётные значения
|
|
80кА > 16,98кА
|
|
31,52
-4>6,3192 .(0,06 + 0,078);
|
3969 кА2 × с>3,51 кА2 × с
|
|
7.4 Выбор трансформаторов тока
Выбор трансформаторов тока произведён по следующим условиям:
По типу;
По
номинальному току:
где IH - номинальный ток ТТ;
IРАБ.ФОРС - ток рабочего форсированного режима.
По
номинальному напряжению:
где
UH - номинальное напряжение ТТ;
UH РУ - номинальное напряжение РУ, где устанавливается ТТ;
По
классу точности:
где
z2H - номинальная вторичная нагрузка ТТ;
z2 РАСЧ -
вторичное расчетное сопротивление.
Выполнение этого условия сведено к выбору сечения контрольного кабеля,
соединяющего трансформатор с подключенными к нему приборами.
Допустимое сечение кабеля qК ДОП
определено по формуле:
,
где r - удельное
сопротивление жил контрольного кабеля :
lРАСЧ
- расчетная длина контрольного кабеля :
-
сопротивление приборов, подключаемых к трансформатору;
SПР - мощность
всех приборов в наиболее нагруженной фазе;
I2H -
номинальный вторичный ток ТТ;
rK -
сопротивление контактных соединений (при числе приборов более трех rK =
0,1 Ом,.
Проверка
трансформаторов тока по условиям КЗ проведена по следующим выражениям :
Электродинамическая
стойкость:
,
где iдин - ток электродинамической
стойкости ТТ;
Термическая стойкость:
,
где
- допустимый тепловой импульс ТТ;
-
расчетный тепловой импульс;
7.5 Выбор трансформаторов тока на стороне 110 кВ
Так
как трансформаторы тока стоят в одних цепях с выключателями, то расчетные
величины для них те же что и для выключателей.
Приняты
к установке трансформаторы тока типа ТФЗМ-110Б-I11 У1 с
первичным номинальным током I1H = 1000. А, вторичным номинальным током I2H =
5. А, с классами точности вторичных обмоток 0,5/10Р /10Р, с номинальной
вторичной нагрузкой в классе 0,5 z2H = 1,2 Ом.
Номинальные
параметры, расчетные величины в их цепях и соотношения между ними сведены в
таблицу 19.
Выбор
и проверка трансформаторов тока Таблица 19
|
Параметры ТТ
|
Соотношение
|
Расчетные величины для
выбора ТТ.
|
|
Uн = 110 кВ
|
=
|
UнРУ = 110 кВ
|
|
Iн = 1000 А
|
>
|
Iраб.форс =73,56А
|
|
z2н = 1,2 Ом
|
>
|
z2 расч = 1,147 Ом
|
|
iдин = 62 кА
|
>
|
iу = 16,98кА
|
|
BK ДОП =4800
|
>
|
BK РАСЧ =3,51кА2*с
|
|
Далее приведен подробный выбор трансформаторов тока по классу точности.
Для определения мощности, потребляемой приборами в цепях трансформаторов
тока, определен перечень приборов согласно, определены потребляемые каждым
прибором мощности. Результаты сведены в таблицу 20
Таблица 20
|
№
|
Прибор
|
Тип прибора
|
Нагрузка фазы, ВА
|
|
|
|
А
|
B
|
C
|
|
1
|
Амперметр
|
Э-335
|
0,5
|
0,5
|
0,5
|
|
2
|
Ваттметр
|
Д-335
|
0,5
|
-
|
0,5
|
|
3
|
Варметр
|
Д-335
|
0,5
|
-
|
0,5
|
|
4
|
ФИП
|
И-676
|
3
|
3
|
3
|
|
5
|
Счетчик активной энергии
|
И-680
|
2,5
|
2,5
|
-
|
|
6
|
Счетчик реактивной энергии
|
СР4-4676
|
-
|
2,5
|
2,5
|
|
Sпр, ВА
|
7
|
8,5
|
7
|
На основе табл.20 определяем:
,
Необходимо определить допустимое сечение контрольного кабеля.
, где lрасч
= 100 м [4];
r = 0,0283 Ом×мм2/м - для алюминиевого контрольного
кабеля;
К установке принят кабель АКВВГ с алюминиевыми жилами сечением 4 мм2.
Определено сопротивление выбранного кабеля:
Ом.
Необходимо определить суммарное сопротивление вторичной обмотки:
;
Из сравнения видно, что условие проверки по классу точности выполняется.
7.6 Выбор трансформатора напряжения на стороне
110 кВ
Трансформатор напряжения в ОРУ-110 кВ питает обмотки напряжения
измерительных приборов, ошиновок, линий.
Используя учебник [4, с.635] и справочник [2, с.387], составим табл.21
для подсчета мощности приборов.
Полная потребляемая суммарная мощность
.
Таблица 21
|
Место установки и перечень
приборов
|
n
|
Тип прибора
|
Sном.об, ВА
|
Число обмоток
|
Cosj
|
Sinj
|
Общее число приборов
|
P, Вт
|
Q, Вт
|
|
Тупиковые ЛЭП
|
|
|
|
|
|
|
|
|
|
|
- ваттметр
|
2
|
Д-335
|
1,5
|
2
|
1
|
0
|
2
|
6
|
-
|
|
- варметр
|
2
|
Д-335
|
1,5
|
2
|
1
|
0
|
2
|
6
|
-
|
|
- счетчик активной энергии
|
2
|
САЗ-И681
|
2
|
2
|
0,38
|
0,925
|
4
|
16
|
14,8
|
|
- ФИП
|
|
ФИП-Б
|
|
|
|
|
|
|
|
|
Сборные шины 110кВ: -
вольтметр
|
1
|
Э-335
|
2
|
1
|
1
|
0
|
1
|
2
|
-
|
|
- вольтметр регистрирующий
|
|
Н-393
|
10
|
1
|
1
|
0
|
1
|
10
|
|
|
Итого
|
|
|
|
|
|
|
|
39
|
14,8
|
Примем к установке 3 однофазных трехобмоточных трансформатора напряжения
типа НКФ-110-58Т1
с номинальной мощностью в классе 0,5 S2Н = 400 В·А, со следующими
параметрами:
класс напряжения, кВ 110
номинальное первичное напряжение, В 110000/√3
номинальное основное вторичное напряжение, В 100/√3
номинальная мощность, В·А в классе (0,5) 400
предельная мощность, В·А 2000
>
,
т.е. условие проверки по классу точности выполняется.
7.7 Выбор выключателей для РУ-6 кВ
Выбор выключателей производят:
по номинальному напряжению;
-по
номинальному току:
где
здесь
Smax- максимальная мощность подстанции с учетом перегрузки
трансформаторов.
Выбираем
для РУ-6 кВ масляный выключатель ВМПЭ-10-1600-20У3, со следующими параметрами:
Таблица 22
|
Номинальное напряжение U
ном, кВ
|
10
|
|
Наибольшее рабочее
напряжение U max, кВ
|
12
|
|
Номинальный ток I HQ, А
|
1600
|
|
Номинальный ток отключения I HO, кА
|
20
|
|
Нормированное содержание
апериодической составляющей в токе КЗ b, %
|
23
|
|
Допустимая скорость
восстанавливающегося напряжения СВН доп, кВ/мкс
|
-
|
|
Наибольший пик предельного
сквозного тока i НС, кА
|
52
|
|
Действующее значение
сквозного тока I НС, кА
|
20
|
|
Ток термической стойкости I
ТС, кА
|
20
|
|
Время термической стойкости
t ТС, сек
|
8
|
|
Время отключения t
ВО, сек
|
0,095
|
|
Собственное время отключения
t СВ, сек
|
0,05
|
Проверка выключателей на отключающую способность
В качестве расчетного для этой проверки возьмем ток трехфазно короткого
замыкания, так как он больше тока однофазного короткого замыкания. Для этого
вида короткого замыкания необходимо знать периодическую Iпt и апериодическую iпt составляющие тока короткого
замыкания в момент расхождения контактов выключателя t в цепи:
t=tрз min + tсв=0,01+0,045=0,055сек.
пt=8,357 кА, iпt=4,82
кА.
Сравним эти токи с соответствующими параметрами выключателя:
IHQ=20кА
³ Iпt=4,07 кА.
Условие проверки по периодической составляющей тока короткого замыкания
выполняется.
Условие
проверки по полному току выполняется.
Проверка
выключателя на термическую стойкость
В
качестве расчетного для этой проверки принимаем ток трехфазного короткого
замыкания.
Необходимо
проверить выполнение условия: bк.доп³bк.расч.
Допустимый
тепловой импульс для выключателя:
Расчетный
тепловой импульс:
Тепловой
импульс периодической составляющей тока короткого замыкания:
здесь:
Тепловой
импульс апериодической составляющей тока короткого замыкания:
Условие
проверки по термической стойкости выполняется.
Проверка
выключателя на динамическую стойкость
Расчет
производим при трехфазном коротком замыкании.
Условие
проверки на динамическую стойкость выполняе
7.8 Выбор трансформатора собственных нужд
На
подстанции 110/10 кВ необходимо установить два трансформатора собственных нужд.
Трансформаторы собственных нужд подключаются к стороне низкого напряжения 10
кВ. Трансформаторы собственных нужд должны работать отдельно, каждый на свою
секцию с АВР на секционной связи.
Мощность
трансформатора собственных нужд определяется по формуле:
где
ксн- коэффициент максимальной нагрузки собственных нужд
(принимаем
ксн =1,5% /4/).
Принимаем к установке трансформатор типа ТМ 160/6,
подключаемый к КРУ-6кВ.
7.9 Выбор трансформаторов напряжения на стороне
6 кВ
Перечень приборов для определения трансформатора напряжения сведем в
таблицу 22
Полная потребляемая суммарная мощность
.
Примем к установке 3 однофазных трехобмоточных трансформатора напряжения
типа НОЛ-0,8-6УТ2, с номинальной мощностью в классе 0,5 S2Н = 75 В·А, со следующими
параметрами:
класс напряжения, кВ 6
номинальное первичное напряжение, В 6000
номинальное основное вторичное напряжение, В 100
номинальное основное вторичное напряжение, В 100
номинальная мощность, В·А в классе (0,5) 75
предельная мощность, В·А 630
>
,
т.е. условие проверки по классу точности выполняется.
Вторичная нагрузка трансформатора напряжения Таблица 23
|
Место установки и перечень
приборов
|
n
|
Тип прибора
|
Sном.об, ВА
|
Число обмоток
|
COSj
|
SINj
|
Общее число приборов
|
P, Вт
|
Q, Вт
|
|
Тупиковые ЛЭП - ваттметр -
варметр - счетчик активной энергии Сборные шины 10 кВ - вольтметр Вводные
ячейки 10 кВ - ваттметр - варметр - счетчик активной энергии - счетчик
реактив. энергии
|
10 1
|
Д-335 Д-335 САЗ-И681
Э-335 Д-335 Д-335 САЗ-И681 СРУ-И676
|
1,5 1,5 2 2 1.5 1.5 2 2
|
2 2 2 1 2 2 2 2
|
1 1 0,38 1 1 1 0,38 0,38
|
0 0 0,925 0 0 0 0,925 0,925
|
10 10 10 1 1 1 1 1
|
30 30 15,2 2
3 3 1.52 1.52
|
- -
37 - - - 3.7 3.7
|
|
Итого
|
|
|
|
|
|
|
|
86,24
|
44,4
|
7.10 Выбор токоведущих частей
Выбор токоведущих частей выполним для сборных шин ОРУ-110 кВ.
Выбор сечения сборных шин ОРУ-110 кВ произведем по нагреву наиболее
нагруженого участка.
Исходя из мощности наиболее нагруженного участка, определим ток на этом
участке:
Учитывая,
что сборные шины будут располагаться в распределительном устройстве открытого
типа, по таблице выберем для каждой фазы шин один сталеалюминевый провод марки
АС-70/11 с номинальным сечением по алюминию 70 мм2 и суммарным допустимым током
Iдоп=265А.
Проверка
сборных шин ОРУ-110 кВ на термическую стойкость при коротких замыканиях
Проверка
проводится при трехфазном коротком замыкании и заключается в сравнении
температуры проводов в момент отключения короткого замыкания Q°к с
допустимой температурой Q°доп. Для сталеалюминевых проводов Qдоп=200°С /5/.
Для
вычисления Q°к предварительно определим начальную температуру
проводов:
где
Q°ср- температура воздуха (Q°ср=37°С);
Q°ср.н - нормированная
температура воздуха (Q°ср.н=25°С);
Q°дл.доп- допустимая
температура проводов в длительном режиме
(Q°дл доп=70°С ).
Зная
Q°н, по кривой 4 рис 1.1 /Л-3/ определим начальное значение удельного
теплового импульса: Ан=0,3×104 А2/мм2.
Конечное
значение удельного теплового импульса определим по выражению:
где
q-сечение провода АС70/11,4 по алюминию (q=70мм2);
bк.расч- расчетный
тепловой импульс от протекания полного тока
трехфазного
короткого замыкания на шинах (bк.расч=3,51 кА2×с).
Зная
Ак, по той же кривой определим конечную температуру:
Таким
образом, провода сборных шин ОРУ-110кВ удовлетворяют условию проверки по
термической стойкости.
Проверка
проводов фаз сборных шин ОРУ-110 кВ на схлестывание
В
нашем случае, ток трехфазного короткого замыкания на шинах 110 кВ меньше 20 кА
(Iк1=3,89 кА), то проверка проводов фаз сборных шин
ОРУ-110 кВ на схлестывание не производится.
Проверка
по условиям коронного разряда.
В
нашем случае проверку не производим. Сечение выбранных проводов сборных шин
больше минимально-допустимого по условиям коронирования.
8. Релейная защита и автоматика, измерения и учёт
.1 Перечень релейных защит
Для силовых трансформаторов с обмоткой высшего напряжения110 кВ
предусматривается релейная защита от многофазных замыканий в обмотках и на их
выводах, внутренних повреждений; сверхтоков, обусловленных внешними К.З.;
сверхтоков обусловленных перегрузкой; понижения уровня масла; Предусматриваем
продольную дифференциальную защиту, действующую на отключение выключателей без
выдержки времени; максимальную токовую защиту от внешних к.з. действует на
отключение выключателей; максимальной токовой защиты от перегрузки, действующей
на сигнал; газовую защиту.
8.2 Расчёт дифференциальной защиты
Рассчитываем ДФЗ двухобмоточного силового трансформатораТМН-10/110.
Ток силового трансформатора на стороне ВН:
На
стороне НН:
Принимаем
коэффициенты трансформации:
Определяем
вторичный ток в плечах ДТЗ соответствующий номинальной мощности трансформатора
:
Определяем
ток небаланса
ка=1;
кодн=0,5 (Л.3, стр. 450); f=0,1; Iк макс=8,576 кA
Определяем
ток срабатывания реле по условию отстройки от тока небаланса с коэффициентом
надёжности кн=1,3
Определяем
число витков основной обмотки БНТ:
Принимаем
3 витков.
На
вторичной стороне число витков:
Предварительно
принимаем ω2=ωур 2=2 витков.
Уточнённый
ток небаланса:
Суммарный
ток небаланса: Iнб=429+1405=1834 A
Уточнённый
ток срабатывания реле:
Принимаем
ток срабатывания 120 A
Определяем
коэффициент чувствительности:
Так
как 2,08>1,5, то требования по чувствительности к РЗ удовлетворенны
8.3 Поясняющая схема релейной защиты трансформатора
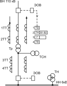
В поясняющей схеме:
ТТ, 2ТТ-трансформаторы тока на стороне 35кВ
ТТ, 4ТТ- трансформаторы тока на стороне 10кВ
. ТДТ- дифференциальная токовая защита
. Т,Н,В1,В2 -Максимальная токовая с пуском по напряжению с двумя
выдержками времени.
. Г -Газовая защита
. Т,В Максимальная токовая защита от перегруза
ЭОВ-электромагнит отключения выключателя
Рис 5
8.4 Схема АВР секционного выключателя
Схема на рис предусматривает нормальное восстановление схемы после
исчезновения напряжения. Источником переменного оперативного тока является
трансформаторы собственных нужд Т3 и Т4 нормально каждая секция получает
питания от трансформатора Т1 и Т2 через выключатели Q1 и Q2 выключатель Q3
отключен.
Рис 6
При исчезновении напряжения, питания 1 секции шин реле КТ1 и КТ2
срабатывает и с выдержкой времени замыкает свои контакты в цепи УА1. Контакты
КТ1:1 и КТ2:1 включены последовательно, что исключает ложное отключение
выключателя при неисправностях в цепи напряжения ( реле КТ1 и КТ2 включены на
разные трансформаторы). Одновременно реле КТ1 и КТ2 размыкают свои размыкающие
контакты в цепи КТ3 реле
Рис 7
КТ3 обесточивается и замыкает размыкающий контакт в цепи УА1.0
Выдержка времени реле КТ1 и КТ2 выбирается больше времени действия
устройства АПВ линии. Если АПВ окажется успешной , то схема вернётся в обратное
положение. При неуспешном АПВ замыкающие контакты КТ1:1 и КТ2:1 замыкаются и
выключатель УА1.0 снова отключается и замыкает свои контакты в цепи УА3.В
Выключатель Q3 включается и подаёт напряжение на 1 секцию шин подстанции
реле КТ2 возвращается в исходное положение, катушки реле КТ1 и КТ2 по прежнему
будут без напряжения. Если АВР отключается неуспешно при устойчивом К.З на 1
секции шин, то выключатель Q3 отключается под действием своей защиты и 1 секция
шин выводится в ремонт.
При восстановление напряжения на шины схема предусматривает
автоматическое восстановления нормального положения схемы. Реле КТ1 при
восстановлении напряжение размыкает свои замыкающие контакты в цепи УА1.0 и
замыкает размыкающий контакт в цепи реле КТ3, котором проскальзывающим
контактом подаёт напряжение на электромагнит включения УА1.В, выключатель Q1
включается и размыкающим контактом отключает выключатель Q3. Схема
автоматически восстанавливается. При исчезновении напряжения на 2 секции шин
схема АВР действует аналогична
9. Канализация электроэнергии по заводу
.1 Выбор сечения кабельных линий распределительной сети
Сечение кабельных линий выбираем по экономической плотности тока и
проверяем по нагреву в нормальном и аварийном режиме. Для КЛ, питающей КТП1
расчётный ток
Экономическая
плотность 1,2(Л.7, стр. 548, Табл. 10.1)
Экономическое
сечение
. Выбираем кабель 2хАСБ-3х120
Проверяем
по нагреву в аварийном режиме.
Допустимый
ток для 2хАСБ-3х120Iдоп=190 A>Iрасч=174,328 A (Л.9, стр.56,Табл.23)
следовательно, по нагреву кабель соответствует. Для остальных кабельных линий
результат выбора заносим в таблицу 24. Длину кабельных линий измеряем по плану
с учётом масштаба
Выбор
сечений кабельных линий Таблица 24
|
Наименов КЛ
|
Ток КЛ (А)
|
Ток 1 кабеля (А)
|
Эконом. сеч. (мм2)
|
Допуст. ток (А)
|
jэ (А/мм2)
|
n кол. каб.
|
Марка кабеля
|
|
|
ГПП-КТП1
|
174,328
|
87,164
|
72,637
|
190
|
1,2
|
2
|
2хАСБ-3х120
|
да
|
|
ГПП-КТП2
|
81,191
|
40,595
|
33,829
|
85
|
1,2
|
2
|
2хАСБ-3х35
|
да
|
|
ГПП-КТП3
|
102,567
|
51,283
|
42,736
|
110
|
1,2
|
2
|
2хАСБ-3х50
|
да
|
|
ГПП-КТП4
|
79,119
|
39,560
|
32,967
|
85
|
1,2
|
2
|
2хАСБ-3х35
|
да
|
|
ГПП-КТП5
|
56,554
|
28,277
|
23,564
|
70
|
1,2
|
2
|
2хАСБ-3х25
|
да
|
|
ГПП-КТП6
|
60,496
|
30,248
|
25,207
|
70
|
1,2
|
2
|
2хАСБ-3х25
|
да
|
|
ГПП-КТП7
|
37,988
|
18,994
|
15,828
|
42
|
1,2
|
2
|
2хАСБ-3х16
|
да
|
|
ГПП-КТП8
|
36,623
|
18,312
|
15,260
|
42
|
1,2
|
2
|
2хАСБ-3х16
|
да
|
Нагрузка для кабельной линии ГПП-КТП1 складывается из нагрузки высокого
напряжения и нагрузки низкого напряжения с учётом компенсирующих устройств
Выбираем
кабель 2хАСБ-3х120, Проверяем по нагреву в аварийном режиме.
Допустимый
ток для 4хАСБ-3х70 Iдоп=190*2=380 A>Iрасч=304,8 A
9.2 Проверка сечения кабельных линий по току к.з.
Термическая стойкость КЛ проверяется по току к.з. в точке 3
рис 9
Сопротивление до шин ГПП по току к.з.
Удельное
сопротивление кабеля;ro=0,27 Ом/км, xo=0,08 Ом/км (Л.9, стр. 78, Табл. 50)
Сопротивление
кабеля:
;
;
Результирующее
сопротивление до точки К2
рез=xc+X/2=0,778+0,778/2=0,796:rрез=R/2=0,121/2=0,061:
Ток
к.з. в точке к2
По
одному кабелю проходит половина тока к.з.8,358/2=4,179 кА; I"к2=4,179 кА
Тепловой
импульс определяется.
Минимальное
сечение по термической стойкости.
Так
как g =120> gmjn =22,97мм2 принятое сечение
не проходит по термической стойкости принимаем новый кабель АСБ-3х120.
10.
Организационно-технологическая часть
.1 Система
планово-предупредительного ремонта электрооборудования
Электрооборудование и электроустановки при
использовании и хранении подвергаются воздействию различных эксплуатационных
факторов, в результате чего изнашиваются и стареют. Из-за износа и старения
увеличивается опасность появления отказов, приводящих к нарушению работоспособности
оборудования. Своевременным устранением причин, вызывающих появление
неисправностей, можно предупредить возникновение отказов. Цель внедрения
системы планово предупредительного ремонта и технического обслуживания
электрооборудования - поддерживать электротехническое оборудование и сети в
состоянии полной работоспособности, предупреждать их преждевременный износ и
выход из строя за счет комплекса организационно-технических мероприятий,
осуществляемых энергетическими службами в плановом порядке. Система ППР
представляет собой совокупность взаимосвязанных средств, документации
технического обслуживания и ремонта и исполнителей, необходимых для поддержания
и восстановления качества изделий, входящих в эту систему. При эксплуатации
изделий предусматривается два вида профилактических мероприятий: техническое
обслуживание и ремонт.
10.2 Основной объем работ при техническом
обслуживании
В объем работ технического обслуживания
трансформаторов аппаратов и силовых преобразователей входят следующие работы:
осмотры оборудования по графику, определяемому местными условиями, но не реже 1
раза в месяц.
Для энергетического оборудования отнесенного к
основному и для оборудования работающего в условиях агрессивных сред и
повышенной влажности осмотры проводятся не реже 2 раза в месяц.
Ежесуточные осмотры оборудования с постоянным
дежурством.
В местной инструкции для оперативного персонала
указывается конкретный состав оборудования осматриваемого каждой сменой. При
этом должен предусматриваться и осмотр в ночное время не реже одного раза в
месяц, контроля за отсутствием разряда и свечения контактов.
Повседневный контроль за режимами работы и
оборудования и в частности за нагрузками за соответствием их требованиям
правилам ПТБ и ПТЭ, инструкцией заводов изготовителей и местных инструкций.
Отключение оборудования в аварийных ситуациях в
соответствии с требованиям ПТЭ и ПТБ, и в порядке, предусмотренном местными
условиями.
Участие в приемке оборудования и рабочего места после
монтажа ремонта и наладки и испытания.
В объем осмотров производимых как в порядке
техобслуживания, так и по графику как самостоятельные операции входят следующие
работы:
Контроль за показаниями термометра манометров
вакуумметров за уровнем масла в маслонаполненных аппаратах;
Контроль за состоянием кожухов уплотнений кранов;
Проверка отсутствия течи масла и состояния
маслоочистительных устройств;
устройств непрерывной регенерации масла, термосифонных
фильтров и влага поглощающих патронов, а также масло сборных устройств;
Визуальная проверка состояния изоляторов отсутствия
пыли, сколов, разрядов;
Проверка наличия исправности и соответствия
требованиям ПТБ и ПТЭ ограждения, предупредительных плакатов и надписей,
средств защиты и сроки их испытания, переносных заземлений, противопожарных
средств;
Проверка пломб у счетчиков и реле, их
работоспособности (приборов);
контроль состояния ошиновки кабелей, отсутствия
нагрева контактных соединений;
- проверка отсутствия свечения и подгаров контактов, изменения цвета
термоиндикаторных красок и пленок;
- Тщательная проверка состояния сети заземления, в том
числе мест наложения переносного заземления;
Проверка исправности сигнализации, положения
указателей, состояния пробивных предохранителей;
Кроме того при осмотре
Реакторов токоограничивающих - проверяются бетонные
колонки на отсутствие сколов, прочность вмазки крепежных деталей, целостность
лакового покрытия бетонных колонок, исправность изоляции витков, отсутствие их
деформации и замыкания между собой, отсутствие повреждений у опорных изоляторов
и надежность их крепления к бетонным колонкам;
Масляных выключателей и разъеденителей-проверяется
состояние контактов, работа приводного механизма пружинного и масляного буферов
отключающих пружин, указателей уровня масла, производится залив или слив масла,
проверяется состояние ножей и изоляторов у разъеденителей и устраняются мелкие
дефекты;
трансформаторов тока и напряжения проверяются на
нагрев токоведущие части и магнитопровода, отсутствие изоляционной массы,
исправность вторичных цепей;
При осмотре РУ необходимо проверять состояние
помещения, исправность дверей, жалюзей, отсутствие течи в кровле, наличие и
исправность замков, отопления, вентиляции, освещения. Результаты осмотра вносят
в карту осмотра, в которой предусматриваются соответствующие показатели
состояния частей и деталей оборудования и его дефекты, обнаруженные во время
осмотра . Обнаруженные дефекты заносятся в журнал дежурного персонала .
10.3 Основной объем работ при
текущем ремонте
В объем текущего ремонта входят работы,
предусмотренные осмотрами и техобслуживание, и кроме того:
Для трансформаторов и автотрансформаторов:
устранение всех дефектов, при очередном осмотре -
удаление грязи из расширителя и доливка трансформаторного масла, протирка всех
изоляторов, подтяжка всех болтовых соединений, разборка и очистка масло
указателя, проверка работы переключателя напряжения, проверка и ремонт
механизма переключателя у автотрансформатора, очистка и ремонт охлаждающих
устройств, измерение изоляции обмоток после ремонта в соответствии с нормами.
Для реакторов токоограничивающих:
ремонт бетонных колонок, крепежных изделий, измерение
сопротивления изоляции обмотки относительно болтов крепления ,при необходимости
замена опорных изоляторов, восстановление лакового покрытия и ремонт изоляции
витков .
Для масляных выкл, выкл нагрузки, разъеденителей,
заземляющих ножей, короткозамыкателей, отделителей и их приводов:
разборка аппарата, проверка состояния, ремонт и замена
-контактов, осей, измерение и регулировка хода подвижной части, одновременности
замыкания и размыкания контактов, проверка и регулировка механизма свободного
расцепления, измерение и регулировка расстояния между бойком и рычагом
отключающего устройства, ремонт приводов, замена дефектных изоляторов,
испытание и замена масла, смазка трущихся частей привода не замерзающей
смазкой, проверка и ремонт сигнализации и блокировок, проверка и замена
крепежных деталей, испытание вводов встроенных тр-ов тока, измерение
сопротивления постоянному току контактов, шунтирующих сопротивлений,
дугогасительных устройств, обмоток включающих и отключающих катушек, испытание
изоляции повышенным напряжением в соответствии с ПТБ и ПТЭ при эксплуатации
электроустановок потребителей.
Для трансформаторов тока и напряжения:
очистка изоляторов, проверка контактов первичных и
вторичных цепей, проверка заземляющих болтов и шунтирующих перемычек, измерение
сопротивления изоляции цепей в соответствии с ПТЭ.
Для трубчатых и вентильных разрядников:
-проверка состояния поверхности разрядника, расположения зон выхлопа,
измерение внутреннего диаметра, внутреннего и внешнего искровых промежутков
трубчатого разрядника, измерение сопротивления элемента вентильного разрядника,
тока проводимости и пробивных напряжений.
Для предохранителей:
проверка целостности, соответствия схемам, действующим
нагрузкам и нормам, замена плавких вставок при необходимости и регулировка
плотности вжима контактной части .
10.4 Основной объем работ при
капитальном ремонте
В объем капремонта входят работы среднего ремонта и
кроме того:
Для трансформаторов и автотрансформаторов:
слив масла из бака со взятием пробы для химанализа,
демонтаж для эл. аппаратов переключателя напряжения и бака расширителя,
отсоединение выводов от катушек, выемка сердечника из бака, демонтаж радиаторов
очистка и промывка бака сухим маслом, разболчивание и расшихтовка при
необходимости верхнего ярма магнитопровода с расспресовкой и снятием катушек,
их замена, или ремонт изоляции обмоток ВН и НН, сушка и пропитка обмоток, при
необходимости смена межлистовой изоляции и перешихтовка эл. стали
магнитопровода после сборки без обмоток, установка обмоток катушек ВН и НН на
стержни магнитопровода, навар выводов обмоток и их изолировка, установка
присоединяющих устройств и изолирующих планок, расклинивание обмоток, проверка
мегаомметром стяжных шпилек с заменой дефектной изоляции, ревизия и ремонт бака
с промывкой сухим маслом, ремонт расширителя и выхлопной трубы, ремонт
радиаторов и спускного крана, установка сердечника в бак, монтаж крышки и
выводов катушки, и переключателя, ремонт масло очистительных устройств, заливка
масла в трансформатор и проверка бака на герметичность . После ремонта
трансформатор подлежит испытаниям в размере ПТЭ;
Для реакторов токоограничивающих:
замена отдельных бетонных колодок и витков крепежа и
лакового покрытия;
Для масляных выкл, выкл нагрузки, разъединителей,
отделителей и короткозамыкателей:
полная разборка всех узлов, ремонт арматуры и
разборкабака, ремонт и замена контактов дугогасительных камер, регулировка
контактов и привода, правильность включения ножей и очистка их от нагара, испытание
отдельных узлов на эл.прочность, капремонт приводов, проведение полного объема
послеремонтных испытаний предусмотренных ПТЭ и ПТБ;
Для трансформаторов напряжения:
проверка и промывка маслом магнитопровода и обмоток,
их замена при необходимости смена масла, проведение испытаний согласно ПТЭ и
ПТБ;
Для трубчатых и вентильных разрядников:
проведение испытаний предусмотренных ПТЭ и ПТБ;
10.5 Составление ведомости на
запасное оборудование и материалы, необходимые для эксплуатации
электрооборудования
Рассматриваем работы, выполняемые на цеховых
подстанциях.
Испытание изоляции. Измерение коэффициента абсорбции.
Измерение угла диэлектрических потерь.
Измерение сопротивления обмоток постоянному току.
Измерение междуфазных сопротивлений на всех обмотках
трансформатора.
Измерение коэффициента трансформации. Измерение тока и
потерь холостого хода. Проверка работы переключающих устройств.
Проверка группы соединения трехфазного трансформатора.
Включение трансформатора, поставка под напряжения.
Необходимые приборы и приспособления:
Мегаомметр на 2500 В типа М4101/5.
Прибор ПКВ-7.
Мост Р5026, трансформатор НОМ-10.
Мост постоянного тока РЗЗЗ.
Портативный стенд ПСНТ треста Сибэлектромонтаж.
Амперметр Д5017 (Зшт).
Ваттметр Д5031 (2шт).
Приспособление для снятия круговой диаграммы.
Фазометр д-120.
Индикатор низкого напряжения ПУ-8 2.
Указатель напряжения выше 1000 В.
Токоизмерительные клещи.
Набор инструмента НЭ.
Набор инструмента НЭ.
10.6 Описание технологии и
расчет потребности в основных изделиях и материалах, приспособлениях и
специальном инструменте для ремонта оборудования
Рассмотрим объем работ при капитальном ремонте силовых
трансформаторов.
Слив масла из бака со взятием пробы для химического
анализа .Демонтаж электроаппаратуры и расширителя. Отсоединение выводов от
катушек. Очистка и промывка бака расширителя сухим маслом. Выемка сердечника из
бака. При необходимости разболчивание и расшифтовка ярма магнитопровода с
распрессовкой и снятием катушек, их заменой и ремонтом изоляции обмоток низкого
и высокого напряжений.
Пропитка м и сушка обмоток. Переизолировка стали.
Установка катушек на стержне магнитопровода, наварка на катушки выводов и их
изолировка. Установка присоединяющих швеллеров, изолирующих планок и
расклинивание обмоток сердечника в бак, монтаж крышки и выводов катушек. Ремонт
охлаждающих и маслоочистных устройств. Заливка трансформаторного масла.
Наружная окраска трансформатора. Испытание повышенным напряжением промышленной
частоты изоляции обмоток вместе с вводами в течение одной минуты при
номинальном напряжении оборудования 3,6,10 кВ.
Проверка целостности заземления ярмовых балок,
прессующих колец и магнитопровода. Фазировка трансформатора. Проверка работы
переключающего устройства и снятие круговой диаграммы. Измерение сопротивления
изоляции до и после ремонта. Трех- и пятикратное включение толчком на
номинальное напряжение.
НОРМЫ РАСХОДА ОСНОВНЫХ МАТЕРИАЛОВ НА РЕМОНТ ТРАНСФОРМАТОРОВ И
АВТОТРАНСФОРМАТОРОВ.
Таблица 13
|
МАТЕРИАЛ
|
Нормы расхода материалов на
100чел-ч трудоёмкости ремонта для трансформаторов и автотрансформаторов
мощностью кВ.А
|
|
50-100
|
180-400
|
630-1000
|
1600-3500
|
4000-6300
|
|
Черные материалы
|
|
Швеллер, кг
|
-
|
10
|
20
|
27
|
30
|
|
Сталь сортовая
|
20/4
|
22/5
|
25/6
|
30/7
|
35/10
|
|
Метизы
|
|
Проволока бандажная
|
|
|
|
|
|
|
0,08
|
0,05
|
-
|
-
|
-
|
|
Проводка рояльная
|
|
|
|
|
|
|
0,03
|
-
|
-
|
-
|
-
|
|
Электроды
|
0,1/0,0
|
0,2/0,1
|
0,3/0,15
|
0,4/0,2
|
0,6/0,3
|
|
Крепёжные изделий
|
3,6/1
|
5,6/1,5
|
6,5/2
|
8/2,5
|
10/3
|
|
Цветные материалы
|
|
Литьё из алюминиевых
сплавов
|
1,5
|
1,3
|
-
|
-
|
-
|
|
Медь шинная
|
2,6
|
4
|
7,3
|
16
|
16
|
|
медь прутковая
|
2,3
|
4
|
7,2
|
9,5
|
11
|
|
Лента медная'
|
0,3
|
0,5
|
0,7
|
1,5
|
1,5
|
|
Припой оловянно- Свинцовый
|
0,016/
|
0,04/
|
0,045/
|
0,05/0,02
|
|
|
/0,01
|
/0,02
|
/0,02
|
|
|
|
Припой медно- Фосфористый
|
0,036/
|
0,045/
|
0,06/0,01
|
|
|
|
0,018
|
/0,02
|
|
-
|
-
|
|
Кабельные изделия
|
|
Провод установочный. м
|
2/1
|
2/1
|
1/0,5
|
1/0,5
|
1/0,5
|
|
Провод медный, алюминиевый
кг
|
53/22
|
83/36
|
145/62
|
170/73
|
185/79
|
|
Электро изоляционные
материалы
|
|
Картон эл изоляционный
|
6,6/1
|
10,5/1
|
16,5/1
|
123,8/1,6
|
23,2/1,7
|
|
Кабельная бумага
|
0,6/0,5
|
10,75/0
|
1/0,6
|
1,1/0.6
|
1,2/1,6
|
|
Телефонная бумаг
|
2
|
2
|
3,6
|
5
|
6
|
|
Лакоткань 700ммм
|
0,66/
|
1/0,15
|
2,1/0,2
|
2,1/0,21
|
3,6/0,3
|
|
/0,13
|
|
|
|
|
|
Лента киперная,м
|
66
|
100/25
|
127/40
|
131/41
|
140/42
|
|
Лента тафтяная,м
|
33/10
|
50/12
|
91/18
|
107/24
|
110/28
|
|
Гетинакс кг
|
-
|
-
|
14
|
19
|
22
|
|
Лента асбестовая Эл
изоляционная
|
|
0,2/
|
0,27/
|
0,43/
|
0,45/0,09
|
|
10,2/0,0
|
/0,04
|
1 /0,05
|
/0,08
|
|
|
Бумага для оклейки эл стали
кг
|
1,7
|
2,15
|
3,2
|
5,2
|
7,5
|
|
Лакокрасочные материалы
|
|
|
Лаки эл изоляционные. кг
|
4/0,7
|
5,5/0,8
|
10/1.5
|
12/1,6
|
14/1,8
|
|
Эмали грунтовые кг
|
1,3/1,3
|
2/2
|
2,5/2,5
|
3,1/3,1
|
3,5/3,5
|
|
21
|
0
|
!
|
!
|
!
|
!
|
|
Химикаты
|
|
Масло трансформ- аторное
|
0,23/
|
0,3/0,3
|
0,58/
|
1,2/1,2
|
1,3/1,3
|
|
/0,23
|
|
/0,58
|
|
|
|
Бензин авиационный
|
1/0,5
|
1,2/0,6
|
1,5/0,7
|
1,8/0,9
|
2/1
|
|
Растворители
|
-
|
1,5/0,7
|
1,6/0,8
|
2/1
|
2,5/1,2
|
|
Масло стойкая резина
|
0,1/0,1
|
0,3/0,3
|
0,4/0,4
|
0,5/0,5
|
0,6/0,6
|
|
Резина профильная
|
|
0.35/
|
0,28/
|
0,28/
|
0,28/
|
|
|
/0,12
|
/0,09
|
/0,09
|
/0,09
|
|
Прочие материалы
|
|
Шнур кручёный
|
-
|
0,12/
|
0,3/0,3
|
0,36/0,36
|
0,37/0,37
|
|
Обтирочный материал
|
|
0,12
|
|
|
|
|
0,5/0,2
|
0,6/0,3
|
0,8/0,4
|
0,9/0,5
|
1,4/1,7
|
|
Древесина твёрдых пород
м*м*м
|
0,01
|
0,02
|
0,03
|
0,042
|
0,054
|
|
|
|
|
|
|
|
|
|
|
|
|
11. Безопасность жизнедеятельности
.1 Анализ производственных воздействий ГПП на
окружающую среду
На подстанции сосредоточено большое количество трансформаторного масла
(силовые трансформаторы, масляные выключатели), которое может попадать в почву,
загрязняя ее и ближайшие водоемы. Это возможно при авариях маслонакопительнных
аппаратов, сопровождающихся выбросом и разливом масла, а также при проведении
ремонтных и профилактических работ. Наличие на подстанциях конденсаторной
батареи с пропиткой трихлорсифенилом может также привести к попадению этого
вещества в окружающею среду.
Территория подстанции может загрязниться не только трансформаторным
маслом, но и другими нефтепродуктами: бензином, растворителем, смазкой для
подшипников, пропиточными лаками, битумом, кабельным маслом, а также
электролитом.
Указанные вещества загрязняют поверхностный сток, образующийся при
осадках и таянии снегов. Атмосферные осадки собирают загрязнения из атмосферы,
которые также попадают в поверхностный сток и наряду с нефтепродуктами
поступают в водоем.
На подстанции также образуются бытовые сточные воды (душевая, туалет)
загрязнение органическими веществами.
Подстанция является источником энергетических загрязнений окружающей
среды:
шума (водоносная, трансформаторы с принудительным охлаждением);
электрических полей с промышленной частоты ( оборудование ОРУ, ВЛ).
11.2 Анализ возможности возникновения
чрезвычайных ситуаций на подстанции
На подстанции возможны взрывы и пожары.
В результате внутренних повреждений (витковые и междуфазные к.з.), а
также коротких замыканий на выводах силовых трансформаторов возможно загорание
масла вследствие нарушения герметичности, выброс или разлив горючего масла,
распространение пожара на большую площадь. Для изоляции некоторых марок
проводов кабелей применяется поливинилхлорид, который при нагревании выделит
хлористый водород, а также имеются другие горючие материалы: полиэтилен, кабельный
пластик, резина, бумага, битум, масло. Кабельные муфты содержат 8... 12 кг
горючей изоляционной массы. В силу этого провода и кабели являются не только
горючими, но и распространяющими горение. Пожар в кабельных помещениях
возникает в результате недопустимого нагрева изоляции токами нагрузки и к.з.
сопровождаясь ростом температуры до 600-800°С, а также обильным дымовы
делением. Скорость распространения огня в вертикальном направлении составляет
0,45-0,5м/мин, в горизонтальном-0,18 - 0,17 м/мин, по площади - 0,08-0,17
м2/мин.
Пожары, взрывы, разрушения и опасность гибели людей на подстанции могут
являться следствием перенапряжений - атмосферных и внутренних.
Атмосферные перенапряжения возникают в результате грозовой деятельности.
Внутренние повреждения являются следствием феррорезонансных явлений
(контур, емкость проводов - индуктивность трансформаторов) и дуговых замыканий
на землю в сетях 35 и 6 кВ с изолированной нейтралью.
Наибольшие перенапряжения возникают при перемежающейся дуге. Они
охватывают всю сеть и могут быть длительными.
К авариям в электроустановках могут привести ошибки персонала, прежде
всего при оперативных переключениях.
11.3 Мероприятия и средства по обеспечению
технике безопасности
Защита от прикосновений к токоведущим частям. Проектом предусмотрено
ограждения:
территория ОРУ-110 кВ - внешним забором высотой 2м
вспомогательных сооружений (маслохозяйства), расположенных на территории
ОРУ - внутренним забором высотой 1,6м;
токоведущих частей - смешанными ограждениями высотой 2м (для ОРУ) и
высотой 1,8м (для ЗРУ).
Ограждения токоведущих частей имеют приспособления для запирания на
замок. Конструкция шкафов КРУ обеспечивает защиту обслуживающего персонала от
случайного прикосновения к токоведущим частям, заключенными в оболочку со степенью
защиты IP20.
Все токоведущие части, которые могут оказаться под напряжением после
выведения выдвижного элемента в ремонтное положение, ограждаются автоматически
закрывающимися шторками, имеющими устройства для запирания на замок.
При проектировании ТП, РЩ соблюдены изоляционные расстояния, предписанные
ПЗУ. (см - разрез подстанции).
.4 Контроль изоляции
В сети напряжением 6 кВ с изолированной нейтралью предусмотрен постоянный
контроль изоляции с действием на сигнал и последующим контролем асимметрии
напряжения. Для этого используется вторичная обмотка трансформатора напряжения
НТМИ-10, соединения в разомкнутый треугольник.
11.5 Защита от электрической дуги
Выключатели и приводы снабжены указателями положения выключателя (включен
или отключен), а также световой сигнализацией положения (включено красный,
отключено зеленый).
Приводы разъединителей снабжены механическими указателями положения
главных и заземляющих ножей с подписями о включении и отключении. Заземляющие
ножи окрашиваются в черный цвет. Рукоятка приводов заземляющих ножей
окрашивается в красный цвет, а рукоятка других приводов цвета оборудования.
Конечные положения механизма ручных приводов как главных, так и заземляющих
ножей фиксируются упорами. В конечных положениях приводы запираются на замок.
Предусмотрена оперативная блокировка, исключающая возможность:
*включения выключателей и разъединителей на заземляющие ножи;
*включения заземляющих ножей на ошиновку, неотделенную разъединителями от
ошиновки, находящейся под напряжением;
*включения и отключения разъединителями тока нагрузки. В шкафах КРУ
предусмотрена блокировка не допускающая;
*включение выключателя при положении выдвижного элемента в промежутке
между рабочими и контрольными положениями;
*перемещение выдвижного элемента из контрольного (разобщенного) положения
в рабочее при включенных ножах заземляющего разъединителя;
*вкатывания и выкатывания выдвижного элемента с разъединяющими контактами
под нагрузкой. В проекте применены шкафы КРУ, конструкция которых обеспечивает
локализацию аварии в пределах шкафа при возникновении к.з. внутри КРУ путем
применения:
*дугоуловителей, защищающих сборные шины от разрушения электрической
дугой;
*разгрузочных клапанов для снятия избыточного давления внутри шкафа в
момент возникновения электрической дуги.
Локализационная способность КРУ обеспечивает;
отсутствие прожогов оболочки в зоне обслуживания;
отсутствие срыва (открытия) дверей и крышек шкафа;
выброс продуктов горения в необслуживаемую зону;
отсутствие переброса дуги в другие шкафы.
Детали приводов коммутационных аппаратов закрываются кожухами
(заключаются в оболочки). Оболочки закрывают опасную зону и снимаются только
при помощи инструмента. При открытии и закрывании дверей и люков оболочки
исключается возможность их прикосновения к движущимся частям приводов.
11.6 Расчет заземляющего
устройства
Одним из видов защиты от прикосновения к нетоковедущим
частям оказавшимися под напряжением является выравнивание потенциалов путем
устройства контура заземления.
Защитное заземление-это преднамеренное электрическое
соединение какой либо части установки с заземляющим устройством для обеспечения
безопасности персонала. Заземляющее устройство состоит из заземлителя (трубы,
уголки, стержни, прутки) и заземляющих проводников. В качестве заземлителей в первую
очередь используются естественные заземлители: проложенные в земле
водопроводные трубы, броня и оболочка кабелей, стальные конструкции зданий и
так далее. Дополнительно рассчитываются искуственные заземлители. Рекомендуется
для заземления использовать прутковые заземлители диаметром 20 мм и длиной 3
метра и стальные полосы сечением не менее 48 мм , толщина не менее 4 мм.
Глубина заложения согласно ПУЭ должна быть не менее 0,7 м.
Заземление устраивается в виде полосы, или контура
заложенного по периметру подстанции, стержни соединяются с полосой сваркой. Для
улучшения условий растекания тока на подстанциях с напряжением 35-110-220 кВ и
более применяется уравнительная сетка. При этом за счёт взаимного экранирования
стальных полос и вертикальных заземлмителей уменьшается напряжение шага.
Согласно ПУЭ сопротивление заземления в установках 6-35 кВ не должно превышать
10 Ом, в установках выше 110 кВ - 0,5 Ом, до 1 кВ - 4 Ом.
Присоединению к заземлению подлежат все неподвижные
части электрических машин и аппаратов, а также нейтрали трансформаторов и
нулевые шины РУ.
Рассчитывается заземляющее устройство для главной
понизительной подстанции 110/10 в следующем порядке:
Рассчитать
заземляющее устройство для Г П П 110/6 кВ площадью 12
20 м2; pi = 500 Ом
м ; h1=2м;
р2 = 60 Ом
м; t= 0,7 м; tв = 5 м; tp, 3
= 0,12 с;
to в = 0,08 с;
Естественных заземлмителей нет.
Для
в = 0,12 + 0,08 = 0,2с находим Unр
доп = 400 В.
здесь
М = 0,806 при р1/р2 = 500/60 = 8,3;
Г
- 125 м по плану (рис. 15 а).
рис.
15
В
что
в пределах допустимого (меньше 10 кВ).
По
формуле определяем RР.ДОП
Ом.
Действительный
план заземляющего устройства (рис. 18, б) преобразуем в расчетную квадратную
модель (рис. 7-29, б) со стороной
м
Число
ячеек по стороне квадрата
принимаем
т = 3.
Длина
полос в расчетной модели
м.
Длина
сторон ячейки
м.
Число
вертикальных заземлителей по периметру контура при условии, а/1В=1
принимаем nв = 12.
Общая длина вертикальных заземлителей
LB = lBnB
= 5
12 = 60 м,
Относительная
глубина
для
р1/р2 = 8,3; а/1В = 1
определяем
рэ/р2 = 1,4, тогда рэ = 1,4 р2 = 1,4
-60= 84
Ом
м.
Ом
что
больше R3. доп = 1,23 Ом.
Найдем
напряжение прикосновения:
что
больше допустимого значения 400 В.
Необходимо
принять меры для снижения Unp путем расширения заземляющего устройства за
территорию подстанции или путем использования естественных заземлителей.
Допустим,
что на подстанции могут быть использованы естественные заземлители системы
трос-опоры линии ПО кВ общим сопротивлением 2 Ом, Тогда необходимое
сопротивление искусственных заземлителей по (7-12)
Ом
Таким
образом, сопротивление заземляющего контура подстанции удовлетворяет требованию
Общее
сопротивление заземляющего устройства подстанции с учетом естественных
заземлителей.
Ом
тогда
напряжение прикосновения
В
что
меньше допустимого значения 400 В.
Возможен
другой путь уменьшения Unp. Применим подсыпку слоем гравия толщиной 0,2 м по
всей территории подстанции, Удельное сопротивление верхнего слоя почвы (гравия)
в этом случае будет рв, с = 3000 Ом
м, тогда
Подсыпка
гравием не влияет на растекание тока с заземляющего устройства, так как глубина
заложения заземлителей 0,7 м больше толщины слоя гравия, поэтому соотношение p1/p2 и
величина М остаются неизменными.
В
Ом
что
меньше R3 = 2,044 Ом. Напряжение прикосновения
В
что
больше допустимого.
Из
расчета видно, как эффективна подсыпка гравием на территории ОРУ.
Определим
максимально допустимый ток однофазного к. з. на данной подстанции:
А
При
больших токах к. з. необходимо снижение величины R3 за счет
учащения сетки полос или дополнительных вертикальных электродов.
11.7 Техника безопасности при ремонте распределительных
устройств
Работы в действующих электроустановках должны проводится по наряду.
В случаях, предусмотренных Правилами, разрешается выполнение работ по
распоряжению.
Запрещается самовольное проведение работ, а так же расширение рабочих
мест и объема задания, определенных нарядом или распоряжением.
Капитальные ремонты электрооборудования выше 1000 В, а так же ВЛ
независимо от напряжения, должны выполнятся по техническим картам или ППР.
Запрещается прикасаться без применения электрозащитных средств к изоляторам
оборудования, находящегося под напряжением.
Весь персонал, находящийся в помещениях с действующим
электрооборудованием электростанций и подстанций (за исключением щитов
управления, релейных и ему подобных), в ЗРУ и ОРУ, в колодцах, туннелях и траншеях,
а так же участвующий в обслуживании и капитальных ремонтах ВЛ, обязан
пользоваться защитными касками.
Для безопасного проведения работ должны выполняться следующие
организационные мероприятия:
назначение лиц, ответственных за безопасное ведение работ;
выдача наряда и распоряжения;
выдача разрешения на подготовку рабочих мест и на допуск;
подготовка рабочего места и допуск;
надзор при выполнении работы;
перевод на другое рабочее место;
оформление перерывов в работе и ее окончания.
Ответственными за безопасное ведение работ являются:
выдающий наряд, отдающий распоряжение;
руководитель работ;
лицо, дающее разрешение на подготовку рабочего места и на допуск;
лицо, подготавливающее рабочее место;
допускающий;
производитель работ;
наблюдающий;
член бригады.
Для подготовки рабочего места при работе, требующей снятие напряжения,
должны быть выполнены в указанном порядке следующие технические мероприятия:
проведены необходимые отключения и приняты меры, препятствующие
ошибочному или самопроизвольному включению коммутационной аппаратура;
вывешены запрещающие плакаты на приводах ручного и на ключах
дистанционного управления коммутационной аппаратурой;
проверено отсутствие напряжения на токоведущих частях, которые должны
быть заземлены для защиты людей от поражения электрическим током;
установлено заземление (включены заземляющие ножи, установлены переносные
заземления);
ограждены при необходимости рабочие места или оставшиеся под напряжением
токоведущие части и вывешены на ограждениях плакаты безопасности. В зависимости
от местных условий токоведущие части ограждаются до или после их заземления.
В электроустановках выше 1000 В с каждой стороны, откуда коммутационным
аппаратом может быть подано напряжение на рабочее место, должен быть видимый
разрыв, образованный отсоединением или снятием шин и проводов, отключением
разъединителей, снятием предохранителей, а так же отключением отделителей и
выключателей нагрузки, за исключением тех, у которых автоматическое включение
осуществляется пружинами, установленными на самих аппаратах.
Трансформаторы напряжения и силовые трансформаторы, связанные с
выделенными для работ участком электроустановки, должны быть отключены так же и
со стороны напряжения до 1000В для исключения возможности обратной
трансформации.
В электроустановках выше 1000В для предотвращения ошибочного или
самопроизвольного включения коммутационных аппаратов, которыми может быть
подано напряжение к месту работы, должны быть приняты следующие меры:
у разъединителей, отделителей, выключателей нагрузки ручные
приводы в отключенном положении заперты на механический замок;
у разъединителей, управляемых оперативной штангой, стационарные
ограждения заперты на механический замок;
у приводов коммутационных аппаратов, имеющих дистанционное
управление, отключают силовые цепи и цепи управления, а у пневматических
приводов, кроме того на подводящем трубопроводе сжатого воздуха закрыта и
заперта на механический замок задвижка и выпущен сжатый воздух, при этом
спускные клапаны оставлены в открытом положении;
у грузовых и пружинных приводов, включающихся через груз или
включающие пружины, они должны быть приведены в нерабочее положение.
При работе в отсеке шкафов КРУ тележку с оборудованием необходимо
выкатить; шторку отсека, в котором токоведущие части остались под напряжением,
запереть на замок и вывесить плакат "Стой, Напряжение"; в отсеке, где
предстоит работать, вывесить плакат "Работать здесь".
При работах вне КРУ на подключенном к ним оборудовании или на отходящих
ВЛ или КЛ тележку с выключателем необходимо выкатить из шкафа; шторку или
дверцу запереть на замок и на них вывесить плакат "Не включать! Работают
люди" или "Не включать! Работа ни линии".
При этом допускается:
при наличии блокировки между заземляющими ножами и тележкой с
выключателями устанавливать тележку в контрольное положение после включения
этих ножей;
при отсутствии такой блокировки или заземляющих ножей в шкафах
КРУ устанавливать тележку в промежуточное положение между контрольным и
выкаченным при условии запирания её на замок. Тележка может быть установлена в
промежуточное положение независимо от наличия заземления на присоединении.
11.8 Противопожарная безопасность на подстанции
Прекращение горения может быть достигнуто следующими методами:
прекращением доступа в зону горения окислителя (кислорода воздуха) или
горючего вещества, а также снижением их поступления до величин, при которых
горение невозможно;
охлаждением зоны горения ниже температуры самовоспламенения или
понижением температуры горящего вещества ниже температуры воспламенения;
разбавлением горючих веществ негорючими;
интенсивным торможением скорости химических реакции в пламени;
механическим срывом (отрывом) пламени сильной струей газа или воды.
На этих принципиальных методах и основаны известные способы и приёмы
прекращения горения в условиях пожара.
Здания и сооружения энергетических и сетевых предприятий должны
эксплуатироваться в соответствии с требованиями ПТЭ.
Во всех производственных, вспомогательных и служебных зданиях должен
соблюдаться установленный противопожарный режим для обеспечения нормальных ми
безопасных условий труда персонала в соответствии с требованиями Правил и
"Инструкции о мерах пожарной безопасности в административных и служебных
зданиях".
Курение разрешается только в специально отведенных и оборудованных
местах, у которых должны быть вывешены знаки безопасности по действующему
государственному стандарту.
Использованные промасленные обтирочные материалы надо складывать в
специальные металлические ящики, вместимостью не более 0,5 м с надписью
"для ветоши" и регулярно удалять для утилизации.
Надежная эксплуатация трансформаторов и масляных реакторов и их пожарная
безопасность должна обеспечиваться:
соблюдением номинальных и допустимых режимов работы в
соответствии с ГТТЭ;
соблюдением норм качества масла, и особенно его изоляционных
свойств и температурных режимов;
содержанием в исправном состоянии устройств охлаждения,
регулирования и защиты оборудования;
качественным выполнением ремонтов основного и вспомогательного
оборудования, устройств автоматики и защиты.
Маслоприемные устройства под трансформаторами и реакторами,
маслоотводы (или специальные дренажи) должны содержаться в исправном
состоянии для исключения при аварии растекания масла и попадания его в
кабельные каналы и другие сооружения.
Вводы кабельных линий в шкафы управления, защиты и автоматики, а так же в
разветвительные (соединительные) коробки на трансформаторах и масляных
реакторах должны быть тщательно уплотнены несгораемым материалом.
Горловина выхлопной трубы трансформатора не должна быть направлена на рядом
(ближе 30 м) установленное оборудование и сооружения, а так же на пути прохода
персонала. В необходимых случаях должны устанавливаться отбойные щиты.
При возникновении пожара на трансформаторе (или масляном реакторе) он
должен быть отключен от сети всех напряжений, если не отключился от действия
релейной защиты. Персонал должен проконтролировать включение стационарной
установки пожаротушения (при её наличии), вызвать пожарную охрану и далее
действовать по оперативному плану пожаротушения.
Запрещается при пожаре на трансформаторе (или масляном реакторе) сливать
масло из корпуса, так как это может привести к распространению огня на его
обмотку и затруднить тушение пожара.
В местах установки пожарной техники должны быть оборудованы и обозначены
места заземления. Места заземления передвижной пожарной техники определяются
специалистами энергетических объектов с представителями гарнизона пожарной
охраны и обозначаются знаком заземления.
На территории ОРУ следует периодически скашивать и удалять траву.
Запрещается выжигать сухую траву на территории объекта и прилегающих к
ограждению площадках.
Допускается на территории ОРУ на отдельных участках иметь декоративный
кустарник или низкорослые деревья лиственных пород, в том числе фруктовые, при
условии, что они не мешают общему обзору территории, а расстояние между
деревьями и токоведущими частями исключают возможность электрического
перекрытия.
Первичные средства пожаротушения в помещении ЗРУ должны размещаться у
выходов.
На территории ОРУ первичные средства должны размещаться на специальных
постах в удобном для персонала месте (в помещениях щитов, в тамбурах камер и
т.п.)
В местах установки на ОРУ передвижной пожарной техники (в соответствии с
оперативным планом пожаротушения) должны быть обозначены и оборудованы места
заземления.
Подстанция должна быть укомплектована первичными средствами
пожаротушения:
главный щит управления: 4 огнетушителя ОУ-5 и один ОУ-25; помещение
релейных щитов: 4 огнетушителя ОУ-5 и один ОУ-25; помещение КРУ: 2 огнетушителя
ОУ-5 или ОП-5; трансформаторы: 2 огнетушителя ОПВХ-10, ящик с песком
вместимостью 0,5м' /10/.