Расчёт симметричной трёхфазной цепи 'на одну фазу'

  • Вид работы:
    Курсовая работа (т)
  • Предмет:
    Физика
  • Язык:
    Русский
    ,
    Формат файла:
    MS Word
    257,5 Кб
  • Опубликовано:
    2015-12-10
Вы можете узнать стоимость помощи в написании студенческой работы.
Помощь в написании работы, которую точно примут!

Расчёт симметричной трёхфазной цепи 'на одну фазу'

Министерство образования Российской Федерации

Федеральное государственное бюджетное образовательное учреждение

высшего профессионального образования

"Ивановский государственный энергетический университет

имени В.И. Ленина"

Кафедра "Теоретических основ электротехники и электротехнологии"








Курсовой проект

по ТОЭ-I


Выполнил:

студент гр. 2-28

Мартынов В.А.




Иваново 2014

Исходные данные:

 (кВ)

(кВ)

(Ом)

(Ом)

(Ом)

(Ом)

(Ом)

(Ом)

(Ом)

(Ом)

(Ом)

(Ом)

(Ом)

(Ом)

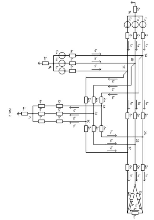
Схема трёхфазной цепи в однолинейном исполнении

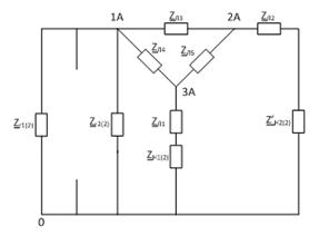
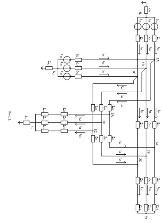
.        Схема исследуемой трёхфазной цепи в развёрнутом виде с отражением в ней режимов работы нейтралей и схем соединения фаз приёмников представлена на рис. 2.

.        Расчёт симметричной трёхфазной цепи производится "На одну фазу". Для составления расчётной схемы фазы А, заменим треугольник сопротивлений эквивалентной звездой (рис. 3.), при этом:

 (Ом)

Токи в нейтральных проводах в соответствии с первым законом Кирхгофа равны нулю, а потенциалы всех нейтральных точек вне зависимости от того, соединены они с землёй или нет, имеют одинаковые значения ().

Режим работы симметричной трёхфазной цепи не изменится, если все нейтральные точки соединить проводом, не имеющим сопротивления так, как это показано пунктиром на рис. 3.




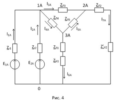
Расчётная схема фазы А исследуемой симметричной трёхфазной цепи представлена на рис. 4.


.        Произведём расчёт цепи методом узловых потенциалов. Направленный граф схемы фазы А представлен на рис. 5.


Матрица инцинденций схемы будет иметь вид:



Комплексные проводимости ветвей исследуемой цепи:

(См)

(См)

(См)

(См)

(См)

(См)

(См)

Матрица проводимостей ветвей:


Матрица столбец ЭДС ветвей:


Матрица узловых проводимостей (См):


Матрица узловых токов (кА):


Потенциалы узлов (кВ):


Токи ветвей фазы А (кА):



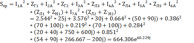
4.      Составим баланс комплексных мощностей для рассматриваемой цепи (МВа):


.        Комплексный ток  фазы А определён выше и равен (кА). Так как в симметричной трёхфазной цепи токи соответствующих ветвей фаз А, В и С равны по величине и сдвинуты по фазе на 120º, то

 (кА)

 (кА)

Где

Комплексы фазных напряжений четвёртой ветви, при принятой нумерации узлов на рис. 5, будут соответственно равны:

 (кВ)

 (кВ)

 (кВ)

Линейные напряжения  между фазами узла 1 трёхфазной цепи определяется через фазные напряжения по формулам:

 (кВ)

 (кВ)

 (кВ)

Векторная диаграмма токов четвёртой ветви трёхфазной цепи и топографическая диаграмма фазных и линейных напряжений на этих ветвях представлены на рис. 6.

.        Мгновенные значения токов и фазных напряжений четвёртой ветви определяется через комплексные значения этих величин:

 (кА)

 (кА)

 (кА)

 (кВ)

 (кВ)

 (кВ)

Задаваясь значениями wt на периоде изменения синусоидальных величин (от 0 до 360º), построим зависимости величин, приведённые на рис. 6 а) б).


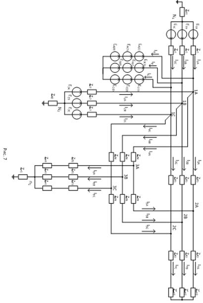
.        В узле 1А рассматриваемой цепи произошло короткое замыкание - замыкание между фазами В и С без касания земли. В соответствии с принципом компенсации любую поперечную несимметрию в трёхфазной цепи можно заменить тремя несимметричными источниками ЭДС(), значения которых до окончания расчёта являются неизвестными. Эти три несимметричных источника разложим на симметричные составляющие приняв фазу А за основную.


В результате получим схему, представленную на рис. 7, при этом режим работы нейтрали соединённых звездой девять источников ЭДС будет зависеть от вида поперечной несимметрии - в нашем случае нейтраль будет изолирована, так как касания с землёй нет.

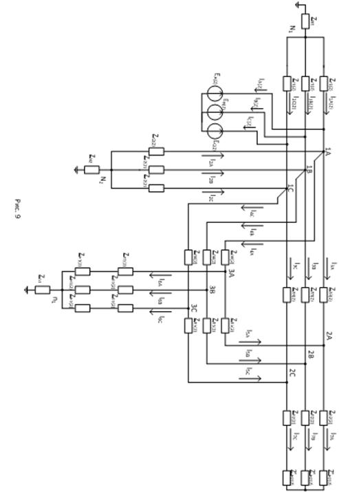
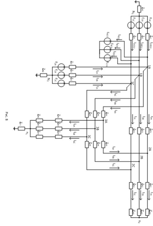
Для расчёта несимметричного режима в соответствии с принципом суперпозиции рассмотрим три частичных схемы прямой, обратной и нулевой последовательностей, представленные соответственно на рис. 8, 9, 10. Каждая из этих частичных схем будет являться симметричной и её расчёт можно проводить на одну фазу.







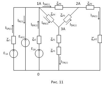
.        Расчётная схема фазы А для токов прямой последовательности (рис. 11) составляется точно так же, как для симметричного режима трёхфазной цепи, при этом сопротивления ветвей будут также равны сопротивлениям симметричного режима, рассмотренного ранее.

трёхфазный цепь ток приёмник

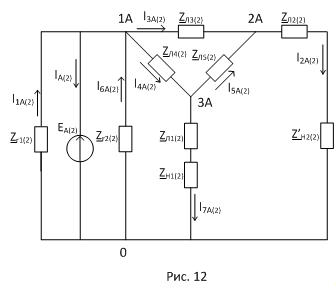
Симметричная трёхфазная система обратной последовательности отличается от симметричной системы прямой последовательности только порядком чередования фаз. Следовательно, для составления расчётной схемы на одну фазу для токов обратной последовательности можно использовать такой же подход, как для схемы прямой последовательности (рис. 12). При этом необходимо помнить, что сопротивления фаз вращающихся электрических машин (Г1, Г2 и Н1) будут иметь значения, отличающиеся от сопротивлений для токов прямой последовательности.



Токи нулевой последовательности соответствующих ветвей фаз А, В и С равны по величине и совпадают по фазе. Геометрическая сумма этих токов будет равна утроенному значению тока нулевой последовательности одной из фаз. Следовательно, в соответствии с первым законом Кирхгофа в нейтральном проводе, имеющим сопротивление , будет протекать утроенной значение тока нулевой последовательности. Если же у трехфазного источника или приёмника нейтральных провод отсутствует (нейтраль изолирована от земли), то в соответствии с первым законом Кирхгофа геометрическая сумма токов всех фаз будет равна нулю, и токи этих фаз не будут содержать симметричных составляющих нулевой последовательности.

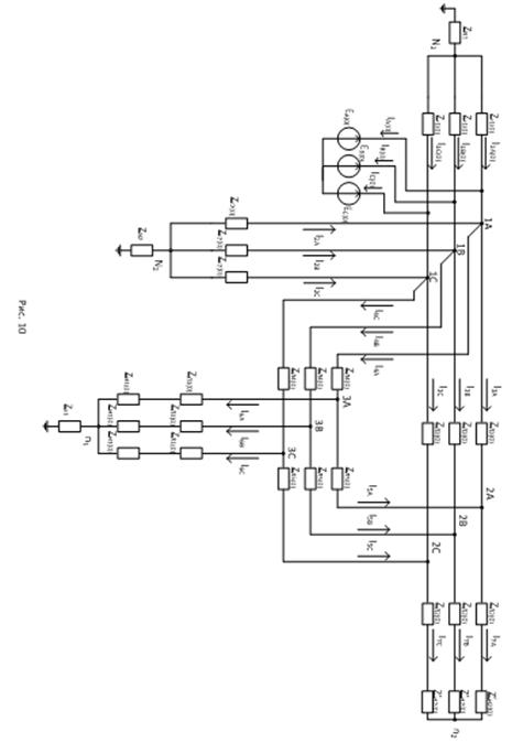
Расчётная схема на одну фазу (А) для токов нулевой последовательности исследуемой цепи представлена на рис. 13. Сопротивления нейтралей входят утроенными значениями в ветви тех фаз, нейтрали которых заземлены. Поскольку фазы приёмника Н2 изолированы от земли и не содержат составляющих нулевой последовательности, то в этой ветви появится разрыв. То же самое произойдёт и в ветви с источником ЭДС нулевой последовательности, поскольку короткое замыкание без касания земли. Следовательно данную схему рассчитывать не нужно - получится лишь четыре неизвестных (прямой и обратной последовательностей), два уравнения составятся по первым двум схемам на рис. 11, 12, а ещё два уравнения по виду несимметрии.


Пересчитаем сопротивления ветвей.

Для токов обратной последовательности (рис. 12):

(Ом)

(Ом)

(Ом)

(Ом)

(Ом)

(Ом)

(Ом)

(Ом)

(Ом)

 (Ом)

Для токов нулевой последовательности (рис. 13):

(Ом)

(Ом)

(Ом)

(Ом)

(Ом)

(Ом)

(Ом)

(Ом)

(Ом)

 (Ом)

Схемы, приведённые на рис. 11,12 содержат неизвестные источники ЭДС .

Для их определения воспользуемся теоремой об активном двухполюснике - заменим по отношению к этим источникам оставшуюся часть цепи схемами замещения, представленными на рис 14.


Для определения параметров , , рассмотрим схему представленную на рис. 11 без источника ЭДС  (режим холостого хода по отношению к этому источнику). Эта схема была рассчитана ранее при анализе симметричного режима, следовательно, потенциал  (напряжение холостого хода) будет равен

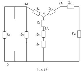
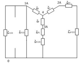
Для нахождения  в схеме примем равными нулю все ЭДС источников - рассмотрим пассивный двухполюсник (рис. 15). Проведём эквивалентные преобразования.


Преобразуем треугольник сопротивлений в эквивалентную звезду (рис. 16):

 (Ом)

 (Ом)


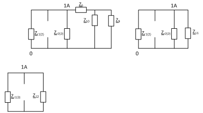
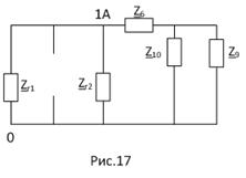
Заменяя последовательно и параллельно соединённые сопротивления (рис. 17, 18), получим схему, представленную на рис. 19.

 (Ом)

 (Ом)


 (Ом)


 (Ом)


Окончательно  из схемы на рис. 19 будет равно:

 (Ом)

Для определения  (рис. 14) необходимо рассмотреть схему пассивного двухполюсника для токов обратной последовательности. Эта схема по своему виду ничем не будет отличаться от схемы на рис. 15, но параметры источников и первого приёмника изменятся.





Производя преобразования, аналогичные приведённым выше, получаем:

 (Ом)

 (Ом)

 (Ом)

 (Ом)

 (Ом)

 (Ом)

 (Ом)

 (Ом)

.        Схемам на рис. 14 соответствуют уравнения, составленные по второму закону Кирхгофа:


Для определения четырёх неизвестных величин, запишем два дополнительных уравнения через симметричные составляющие фазы А, определяющие заданный вид несимметрии (замыкание фаз В и С без касания земли):


Решив полученную систему уравнений, получаем следующие симметричные составляющие токов и ЭДС фазы А:

(кА)

(кА)

(кВ)

(кВ)

Токи короткого замыкания фаз В и С несимметричного участка:

(кА)

(кА)

Напряжение между точками 1А, 1В, 1С и местом короткого замыкания:

 (кВ)

 (кВ)

 (кВ)

10.    Определим ток в ветви с ЭДС  в несимметричной цепи по второму закону Кирхгофа:

Ток прямой последовательности:

(кА)

Ток обратной последовательности:

(кА)

Ток нулевой последовательности равен нулю.

Фазные токи в четвёртой ветви определятся через симметричные составляющие:

 (кА)

 (кА)

 (кА)

Похожие работы на - Расчёт симметричной трёхфазной цепи 'на одну фазу'

 

Не нашли материал для своей работы?
Поможем написать уникальную работу
Без плагиата!
Без нейросетей!