Разработка электрической части ТЭЦ 800 МВт
Введение
Стратегия развития электроэнергетики россии на
период до 2030 г.
Основные проблемы текущего состояния
электроэнергетики России:
* Нарастающий дефицит мощности в ряде
энергосистем страны (Московской, Ленинградской, Тюменской и др.) и связанный с
этим отказ в присоединениях к сетям новых потребителей и введение различного
рода ограничений потребителей.
* Лавинообразное нарастание процесса старения
основного оборудования электростанций и сетей.
* Недостаточные объемы инвестиций в
электроэнергетику - до 2006 года.
* Снижение экономической эффективности работы
отрасли (рост потерь электроэнергии, рост удельной численности персонала
отрасли, снижение эффективности использования капитальных вложений).
* Нерациональная политика цен на первичные
энергоресурсы, при которой угольные электростанции являются
неконкурентоспособными и не могут развиваться.
* Резкое сокращение кадрового,
научно-технического, строительно-монтажного потенциала отрасли.
* Сокращение потенциала в отраслях
отечественного энергомашиностроения и электромашиностроения, серьезное
отставание в сфере разработок, освоения и внедрения новых технологий
производства, транспорта, распределения и потребления электроэнергии.
Главные цели стратегии:
* Полное удовлетворение потребностей экономики и
населения в электроэнергии и тепле с использованием собственных энергетических
ресурсов и высокоэффективных технологий.
* Обеспечение энергетической безопасности страны
* Повышение эффективности производства,
транспорта, распределения и использования электроэнергии до уровня развитых
мировых держав.
* Обеспечение надежности работы ЕЭС России и
надежности электроснабжения потребителей на уровне развитых стран.
* Выполнение экологических нормативов в
соответствии с принятыми международными обязательствами и национальными
стандартами.
Пути достижения указанных целей:
* Развитие генерирующих мощностей и
электрических сетей на основе оптимальных решений, обеспечивающих минимизацию
затрат в рыночных условиях (с учетом имеющих рисков) на развитие
электроэнергетики.
* Широкое внедрение новых высокоэффективных
технологий производства, транспорта и распределения электроэнергии и, тем
самым, построение электроэнергетики на качественно новом технологическом
уровне.
* Создание эффективной системы управления
функционированием и развитием ЕЭС, ОЭС и региональных энергосистем,
обеспечивающей минимизацию затрат в новых либерализованных условиях.
* Эффективная политика государства в
электроэнергетике.
1.
Выбор генераторов
Согласно заданию на курсовой проект на станции
установлено пять генераторов по 160МВт.
Принято: ТВВ-160-2ЕУ3 (3. с.76 т.2.1)
Таблица 1 - Технические данные генераторов
|
Тип
|
Рном,
МВт
|
Sном, МВт
|
Uном, кВ
|
Iном, кА
|
cosφ
|
Хd̓̓̓
̓̓
|
|
ТВВ-120-2ЕУ3
|
200
|
235.3
|
15.75
|
0.85
|
0.85
|
0,1805
|
2. Выбор двух вариантов схем
Согласно заданию необходимо разработать
электрическую часть ТЭЦ 800 МВт.
Питание потребителей осуществляется на стороне
10кВ по двадцати кабельным линиям мощностью 39,6/32,4 МВт каждая.
Связь с энергосистемой осуществляется на стороне
220кВ по четырем воздушным линиям.
Топливо на станции - мазут.
Место сооружения - Западная Сибирь.
С учётом надёжности электроснабжения
потребителей составляем два варианта схем.
Рис. 1
1 вариант
В этом варианте все генераторы работают в блоке
на шинах 220кВ.
Шины 10кВ запитаны через три понижающих
трансформатора на генераторном напряжении.
Рис. 2
вариант
В отличие от первого варианта шины 10 кВ
запитаны от двух трансформаторах на генераторном напряжении.
3. Выбор силовых трансформаторов
Таблица 2 - Таблица нагрузок
|
Наименование
|
P, МВт
|
cosφ
|
tgφ
|
Q, МВАр
|
S, МВА
|
|
Генераторы
|
|
ТВВ-160-2ЕУ3
|
160
|
0,85
|
0,62
|
99,2
|
188,26
|
|
Собственные
нужды
|
|
ТВВ-160-2ЕУ3
|
11,2
|
0,84
|
0,65
|
7,28
|
13,36
|
|
Нагрузка
|
|
10кВ
|
max
|
39,6
|
0,83
|
0,67
|
26,53
|
47,67
|
|
min
|
32,4
|
|
|
21,71
|
39
|
=7% Kc=0,8
(Р. с.445 т.5.2)

3.1 Выбор блочных трансформаторов

Принято:
вариант 2хТДЦ-200000/220 (3 с.156)
2 вариант 3хТДЦ-200000/220 (3 с.156)
3.2 Выбор трансформаторов связи
1 вариант
Принято: 3хТДЦ-200000/220 (3. с.156)
2 вариант
Принято: 2хТДЦ-200000/220 (3. с.156)
3.3 Выбор трансформаторов
1 вариант
Принято: 3хТРДНС-25000/35 (3. с.130)
2 вариант
Принято: 2хТРДНС-40000/20 (3. с.134)
Таблица 3 - Технические данные
трансформаторов
|
Тип
|
Номинальная
мощность, МВА
|
Номинальное
напряжение, кВ
|
Потери,
кВт
|
Напряжение
КЗ Uк,%
|
Цена,
тыс.руб.
|
|
|
|
Рх
|
Рк
|
|
|
|
Sном, МВА
|
ВН
|
НН
|
|
ВН-НН
|
ВН-НН
|
|
|
ТДЦ-200000/220
|
200
|
220
|
18
|
130
|
660
|
11
|
25300
|
|
ТРДНС-25000/35
|
25
|
18
|
10,5-10,5
|
25
|
115
|
10,5
|
6200
|
|
ТРДНС-40000/20
|
40
|
18
|
10,5-10,5
|
36
|
170
|
12,7
|
7900
|
генератор трансформатор ток
распределительный
4. Технико-экономическое сравнение вариантов
схем
Экономическая целесообразность схемы
определяется минимальными приведенными затратами:
З=pnК+И+У
где: К- капиталовложение на сооружение
электроустановки, тыс.руб.;
pn=0,12
- нормативный коэффициент экономической эффективности
И- годовые эксплуатационные издержки, тыс.руб.
У- ущерб от недоотпуска электроэнергии,
тыс.руб.(в учебном проектировании не учитывается)
Таблица 4 - Капитальные вложения
|
Наименование
|
Стоимость
единицы, тыс. руб
|
Вариант
|
|
|
Первый
|
Второй
|
|
|
Кол-во
единиц, шт.
|
Общая
стоимость, тыс.руб.
|
Кол-во
единиц, шт.
|
Общая
стоимость, тыс.руб.
|
|
ТДЦ-200000/220
|
25300
|
5
|
126500
|
5
|
126500
|
|
ТРДНС-25000/35
|
6200
|
3
|
18600
|
-
|
-
|
|
ТРДНС-40000/20
|
7900
|
-
|
-
|
2
|
15800
|
|
ОРУ-220кВ
|
30000
|
13
|
390000
|
13
|
390000
|
|
ЗРУ-10кВ
|
230
|
30
|
6670
|
26
|
5980
|
|
Итого:
|
|
542000
|
538280
|
4.1 Потери электроэнергии в
трансформаторах
4.2 Годовые эксплуатационные
издержки
где:
- отчисления на амортизацию и
обслуживание, %
- потери электроэнергии,
- стоимость
потерь
электроэнергии, коп/(
)
(8. с.135)
(5. с.261)
4.3 Минимальные приведенные затраты
Таблица 5 - Приведенные затраты
|
Наименование
|
Вариант
|
|
Первый
|
Второй
|
|
Капиталовложения
К, тыс./руб.
|
542000
|
538280
|
|
0,12К,
тыс.руб./год
|
65040
|
64593,6
|
|
Издержки
И, тыс.руб./год
|
64873,88
|
64552,91
|
|
Затраты
З, тыс.руб./год
|
129913,9
|
129146,5
|
Второй вариант экономичней, поэтому принят к
дальнейшим расчетам.
5. Выбор и обоснование схем РУ
На стороне 220кВ количество присоединений -
девять. Согласно НТП принята схема - две секционированные системы шин с
обходной.
Для РУ 110-220 кВ с большим числом присоединений
применяется схема с двумя рабочими и обходной системами шин с одним
выключателем на цепь. Как правило, обе системы шин находятся в работе при
соответствующем фиксированном распределении всех присоединений. Если
повреждение на шинах устойчивое, то отключившиеся присоединения переводят на
исправную систему шин. Перерыв электроснабжения половины присоединений
определяется длительностью переключений. Рассмотренная схема рекомендуется для РУ
110-220 кВ на стороне ВН и СН на электростанциях при числе присоединений семь.
Следует отметить, что для РУ 110-220 кВ
существенными становятся недостатки этой схемы:
отказ одного выключателя при аварии приводит к
отключению всех источников питания и линии, присоединенных к данной системе
шин, а если в работе находится одна система шин, отключаются все присоединения.
ликвидация аварии затягивается, так как все
операции по переходу с одной системы на другую производятся разъединителями.
Если источниками питания являются мощные блоки турбогенератор-трансформатор, то
пуск их после сброса нагрузки на время более 30 мин. может занять несколько
часов;
повреждение шиносоединительного выключателя
равноценно КЗ на обеих системах шин, т.е. приводит к отключению всех
присоединений;
большое количество операций разъединителями при
выводе в ревизию и ремонт выключателей усложняет эксплуатацию РУ;
необходимость установки шиносоединительного,
обходного выключателей и большого количества разъединителей увеличивает затраты
на сооружение РУ.
На стороне 10кВ количество присоединений -
двадцать четыре, согласно НТП принята схема две несекционированные системы шин
с обходной.
Наиболее простой схемой электроустановок на
6-10кВ является схема несекционированная система шин с обходной. Источники
питания в схеме присоединяются к сборным шинам с помощью выключателей и
разъединителей. Для отключения присоединения используется один выключатель.
Основные достоинства схемы:
. Однотипность и простота операций с
разъединителями, благодаря чему снижается аварийность из-за неправильных
действий персонала.
. Возможность использования комплектных РУ, что
позволяет снизить стоимость монтажа, широко использовать механизацию.
Недостатки схемы:
. При ремонте сборных шин или шинных
разъединителей необходимо снять напряжение с шин, что приводит к перерыву
электроснабжения всех потребителей.
. КЗ на сборных шинах вызовет отключение всех
источников питания, следовательно, потерю электроснабжения всех потребителей.
генератор трансформатор ток
распределительный
6. Выбор схемы собственных нужд и ТСН
Питание СН осуществляется от рабочих ТСН,
подключенных к блокам на генераторном напряжении глухой отпайкой. Количество
ТСН соответствует количеству генераторов - пять.
Так как на станции установлено пять рабочих ТСН,
то принимается два РТСН, подключенный к шинам ОРУ-220 кВ.
.1 Выбор ТСН и РТСН
Принято:
ТРДНС-25000/35 (3. с.130)
ТРДН-32000/220 (3. с.156)
7. Расчет токов короткого замыкания
расчет
токов короткого замыкания производится для выбора электрических аппаратов и токоведущих
частей и для выбора установок релейной защиты и автоматики.
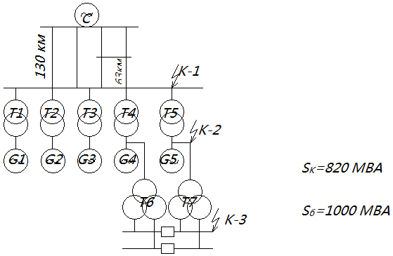
.1 Расчетная схема
Рис. 3
G1,G2,G3,G4,G5:
ТВВ-160-2ЕУ3 Sном=188МВА
Хd’’=0,213
T1,T2,T3,T4,T5:
ТДЦ-200000/220 Sном=200МВА
UK=11%
Т6,Т7: ТРДНС-40000/20 Sном=40МВА
UK=12,7%
7.2 Схема замещения и расчет сопротивлений
Расчёт ведётся в относительных единицах, при
базовых условиях Sб=1000 МВА
Рис. 4
Система
Линии
Трансформаторы
Генераторы
.3 Преобразование схемы относительно
К-1
рис. 5
рис. 6
7.4 Расчет токов относительно К-1
Ветвь С
(8. с.130)
(8. с.150)
Ветвь G1-G5
7.5 Преобразование схемы относительно К-2
Рис. 7
Рис. 8
.6 Расчет токов относительно К-2
Ветвь С
Ветвь G1-G4
Ветвь G1-G4
7.6 Преобразование схемы относительно К-3
рис. 9
Рис. 10
Рис. 11
7.8 Расчет токов относительно К-3
Ветвь С
Ветвь G1-G5
Таблица 6 - Cводная таблица токов короткого
замыкания
|
Точка
КЗ
|
Uср
, кВ
|
Iб
, кА
|
Источник
|
Ino
, кА
|
Iуд,,
кА
|
|
К-1
|
230
|
2.51
|
C
|
1,7
|
4,13
|
|
|
|
G1-5
|
8,34
|
23,18
|
|
|
|
Итого
|
10,04
|
27,31
|
|
К-2
|
18
|
32.08
|
C
|
8,02
|
21,96
|
|
|
|
G1-G4
|
32,08
|
89,15
|
|
|
|
G5
|
32,08
|
89,06
|
|
|
|
Итого
|
72,18
|
200,16
|
|
К-3
|
10,5
|
54,99
|
C
|
1,02
|
2,79
|
|
|
|
G1-6
|
8,48
|
23,57
|
|
|
|
Итого
|
9,5
|
26,36
|
8. Выбор электрических аппаратов и токоведущих
частей
.1 В цепи блока
.1.1 На стороне ВН
Выбор выключателя и разъединителя
Uуст
≤ Uном
Uуст
= 220 кВ
Iнорм
≤ Iном
Iнорм
= 524,86 А
Imax
≤
Imax
Imax
= 524,86 А
Принято:
выключатель: ВГТ-220-II-40/25000У1
(6. с.72)
разъединитель: РНД3.1.2-220/1000ХЛ1 (3. с.271)
Таблица 7 - Каталожные данные
|
Расчётные
данные
|
Каталожные
данные
|
|
Выключатель
ВГТ-220-II-40/25000У1
|
РазъединительРНД3.1.2-220/1000ХЛ1
|
|
Uуст = 220
кВ
|
Uном = 220
кВ
|
Uном = 220
кВ
|
|
Imax = 524,86
А
|
Iном = 2500
А
|
Iном =1000
А
|
|
Inτ = 9,54 кА
|
Iотк.ном = 40 кА
|
-
|
|
iаτ
= 10,47 кА
|
iа ном. = 19,79 кА
|
-
|
|
Ino = 10,04 кА
|
Iдин = 40 кА
|
-
|
|
iуд = 27,31 кА
|
iдин = 102 кА
|
iдин = 100кА
|
|
Вк
= 32,67 кА2 с
|
|
|
(8. с.206)
Ветвь С
Ветвь G1-G5
(8. с.152)
Выбор ошиновки
Iнорм= 524,86 А
(8. с.233
т.4.5)
Тmax=5200ч.
Принято с минимальным сечением:
АС-600/72 (8. с.624 т.3.3)
Проверка:
- по нагреву
Imax=
524,86 А < Iдоп =
1050 А
на схлестывание не производится, т. к Iпо=
10,04 кА < 20 кА
- на коронирование
D=400 см
провод
проходит по всем параметрам
Выбор трансформатора тока
Uуст
≤ Uном Uуст
= 220 кВ
Iнорм
≤ Iном Iнорм
= 524,86 А
Imax
≤
Iном Imax
= 524,86 А
Принято: ТФЗМ-220Б-III-600/5ХЛ1
(3. с.306)
Таблица 8 - Расчетные и каталожные данные
|
Расчетные
данные
|
Каталожные
данные
|
|
Uуст = 220 кВ
|
Uном = 220 кВ
|
|
Imax = 524,86 А
|
Iном = 600 А
|
|
iуд = 27,31 кА
|
iдин = 50 кА
|
|
Вк
= 32,67 кА2·с
|
|
|
r2 = 0,95 Ом
|
r2 ном = 1,2 Ом
|
Проверка трансформатора тока по вторичной
нагрузке
Таблица 9 - Вторичная нагрузка трансформатора
тока
|
Прибор
|
Тип
|
Нагрузка
В∙А; фазы
|
|
|
А
|
В
|
С
|
|
Амперметр
|
Э-335
|
-
|
0,5
|
-
|
|
Итого
|
|
-
|
0,5
|
-
|
Общее сопротивление приборов
Допустимое сопротивление
соединительного кабеля

Принят контрольный кабель КРВГ- 4 мм2
Трансформатор тока будет работать в
классе точности - 0,5
Выбор ограничителя перенапряжения
Uуст ≤ Uном Uуст = 220 кВ
Принято: ОПН-220 ХЛ1 (3. с.366)
.1.2 На стороне НН
Выбор пофазно-экранированного токопровода
Выбор производится по экономической
плотности тока.
Принято: ГРТЕ-20-10000-300 (3.
с.540)
Таблица 10 - Расчётные и каталожные
данные
|
Расчетные
данные
|
Каталожные
данные
|
|
Uуст
= 18 кВ
|
Uном
= 18 кВ
|
|
Imax
= 6037,65 А
|
Iном1
= 8625А
|
|
iуд
= 200,16 кА
|
iдин
= 300 кА
|
Таблица 11 - Технические данные
|
Наименование
|
Параметры
|
|
Токоведущая
шина , DxS мм
|
280x15
|
|
Кожух,
DxS мм
|
750x6
|
|
Междуфазное
расстояние
|
1000
|
|
Тип
опорного изолятора
|
ОФР-20-3750
|
|
Шаг
между изоляторами, мм
|
2500
|
|
Тип
применённого трансформатора напряжения
|
ЗНОМ-1-18
|
|
Тип
применённого трансформатора тока
|
ТШ-20-10000/5
|
Проверка трансформатора тока
Таблица 12 - Расчетные и каталожные данные
|
Расчетные
данные
|
Каталожные
данные
|
|
Uуст
= 18 кВ
|
Uном
= 20 кВ
|
|
Imax
= 6355,42 А
|
Iном1
= 10000А
|
|
iуд
= 200,16 кА
|
---
|
|
Вк
= 583,51 кА2·с
|
I2т
· tт = 1602·3 = 76800 кА2·с
|
|
r2
= 1,1 Ом
|
r2
ном = 1,2 Ом
|
Таблица 13 - Вторичная нагрузка
трансформатора тока
|
Прибор
|
Тип
|
Нагрузка
ВА, фазы
|
|
|
A
|
B
|
C
|
|
Амперметр
х3
|
Э-335
|
0,5
|
0,5
|
0,5
|
|
Ваттметр
|
Д-335
|
0,5
|
-
|
0,5
|
|
Варметр
|
Д-304
|
0,5
|
-
|
0,5
|
|
Счётчик
активной энергии
|
СЭТЗр-01-08
|
0,05
|
-
|
0,05
|
|
Датчик
активной мощности
|
Е-826
|
1
|
-
|
1
|
|
Датчик
реактивной мощности
|
Е-830
|
1
|
-
|
1
|
|
Ваттметр
|
Н-395
|
10
|
-
|
10
|
|
Амперметр
|
Н-394
|
-
|
10
|
-
|
|
ИТОГО:
|
|
13,55
|
0,5
|
13,55
|
Принято: КРВГ-2,5 мм 2
Трансформатор тока будет работать в
классе точности - 0,5
Проверка трансформатора напряжения
Принято: ЗОМ-1-18 (3. с.540)
Таблица 14 - Вторичная нагрузка трансформатора
напряжения
|
Прибор
|
Тип
|
SОБМ,
ВА
|
Число
обмоток
|
Число
приборов
|
Общая
потребляемая мощность , ВА
|
|
Вольтметр
|
Э-335
|
2
|
1
|
1
|
2
|
|
Ваттметр
|
Д-335
|
1.5
|
2
|
1
|
3
|
|
Варметр
|
Д-304
|
2
|
2
|
1
|
4
|
|
Счётчик
активной энергии
|
СЭТ3Р-01-08
|
1
|
2
|
1
|
2
|
|
Датчик
активной мощности
|
Е-829
|
10
|
2
|
1
|
20
|
|
Датчик
реактивной мощности
|
Е-830
|
2
|
1
|
20
|
|
Ваттметр
|
Н-395
|
10
|
2
|
1
|
20
|
|
Вольтметр
|
Н-394
|
10
|
1
|
1
|
10
|
|
Итого:
|
|
|
|
|
81
|
Для соединения трансформатора напряжения с
приборами применяется контрольный кабель, алюминиевый с сечением 2.5мм2
по условию механической прочности.
.2 В цепи КЛ 10кВ
.2.1 Выбор выключателя и КРУ
Uуст ≤ Uном
Uуст = 10 кВ
Iнорм ≤ Iном
Iнорм = 137,61 А
Imax
≤
Imax Imax
= 275,22 А
Принято:
выключатель - ВВЭ-М-10-20-У3 (6. с.92)
КРУ - К-104 (3. с.512)
Таблица 15 - Каталожные данные
|
Расчётные
данные
|
Каталожные
данные
|
|
Выключатель
ВВЭ-М-10-20-У3
|
КРУ
К-104
|
|
Uуст = 10
кВ
|
Uном = 10
кВ
|
Uном = 10
кВ
|
|
Imax = 275,22
А
|
Iном = 630
А
|
Iном =630
А
|
|
Inτ = 11,87 кА
|
Iотк.ном = 20 кА
|
Iотк.ном = 31,5 кА
|
|
iаτ
= 7,88 кА
|
iа ном. = 14,14 кА
|
-
|
|
Ino = 9,5 кА
|
Iдин = 20 кА
|
-
|
|
iуд = 26,36 кА
|
iдин = 51 кА
|
iдин = 81кА
|
|
Вк
= 40,74 кА2 с -
|
|
|
(8. с.206)
Ветвь С
Ветвь G1-G5
8.2.2 Выбор трансформатора тока
Uуст
≤ Uном Uуст
= 10 кВ
Imax
≤
Iном Imax
= 275,22 А
Принято: ТПЛК-10-300/5У3 (3. с.294)
Проверка трансформатора тока по вторичной
нагрузке
Таблица 16 - Расчетные и каталожные данные
|
Расчетные
данные
|
Каталожные
данные
|
|
Uуст = 10 кВ
|
Uном = 10 кВ
|
|
Imax = 275,22 А
|
Iном = 300 А
|
|
iуд = 26,36 кА
|
iдин = 74,5 кА
|
|
Вк
= 106,39 кА2·с
|
|
|
r2 = 0,84 Ом
|
r2 ном = 1,2 Ом
|
Таблица 17 - Вторичная нагрузка трансформатора
тока
|
Прибор
|
Тип
|
Нагрузка
В∙А; фазы
|
|
|
А
|
В
|
С
|
|
Амперметр
|
Э-335
|
-
|
0,5
|
-
|
|
Счетчик
активной энергии
|
СЭТ3а-01-01
|
0,05
|
-
|
0,05
|
|
Счетчик
реактивной энергии
|
СЭТ3р-01-08
|
0,05
|
-
|
0,05
|
|
Итого:
|
|
0,1
|
0,5
|
0,1
|
Общее сопротивление приборов
Допустимое сопротивление
соединительного кабеля

Принят контрольный кабель КРВГ- 2,5 мм2
Трансформатор тока будет работать в
классе точности - 0,5
Выбор комплектного РУ-10 кВ
Для РУ 6-10 выбираю КРУ для
внутренней установки с вакуумным выключателем ВВЭ серии К-104.
Шкаф КРУ состоит из шестого
металлического корпуса, внутри которого расположена вся аппаратура.
Для безопасности обслуживания
локализации аварии корпус разделен на отсеки металлическими перегородками и
автоматически закрывающимися шторками.
Выключатель с приводом установлен на
выкатной тележке.
В верхней и нижней частях тележки
расположены подвижные разъединяющие контакты, которые при вкатывании тележки в
шкаф замыкается с шинным и линейным неподвижным контактов. При выкатывании
тележки с предварительно отключенным выключателем разъединенные контакты
отключаются, и выключатель при этом будет отсоединен от сборных шин и кабельных
вводов.
.2.3 Выбор ошиновки
Принято: А [30х4] (8. с.624 п.3.4)
Проверка
проверка на термическую стойкость
проверка на электродинамическую
стойкость
- не проходит на электродинамическую
стойкость
Принимаем: А [40х4] (8. с.624 п.3.4)
9. Описание конструкции ОРУ - 220 кВ
Распределительное устройство, расположенное на
открытом воздухе называется открытым распределительным устройством (ОРУ). Все
аппараты ОРУ располагаются на не невысоких железобетонных фундаментах.
Расстояния между токоведущими частями и от них
до различных элементов ОРУ выбираются в соответствии с требованиями ПУЭ. По
территории ОРУ предусматриваются проезды для возможности механизации, монтажа и
ремонта оборудования, Сборные шины и ошиновки выполняются из многопроволочных
проводов. Гибкие шины крепятся с помощью подвесных изоляторов на порталах.
Под силовыми трансформаторами предусматривается
маслоприёмник, укладывается слой гравия толщиной не менее 25 см и масло стекает
в аварийных случаях в маслосборники. Кабели оперативных цепей, цепей
управления, релейной защиты, автоматики, прокладываются в лотках из ж/б
конструкций без заглубления их в почву.
ОРУ 220кВ по схеме “две секционированные системы
шин с обходной ”. Все выключатели ВГТ-220-II-40/25000У1 располагаются в один
ряд около второй системы шин, что облегчает их обслуживание.
Такие ОРУ называются однорядными.
Каждый полюс разъединителей РНД3.1.2-220/1000ХЛ1
второй системы шин расположен под проводами соответствующей фазы сборных шин.
Такое расположение позволяет выполнить соединение линейных разъединителей
непосредственно под сборными шинами и на этом же уровне присоединить
выключатель. Эти разъединители имеют полюсное управление.
Список литературы
1. Правила устройства
электроустановок.- 7-е изд- Все действующие разделы ПУЭ-7, 5-й выпуск, стер. -
Новосибирск: Сиб. унив. изд-во, 2011.- 512 с.
. Нормы технологического
проектирования электрических станции и тепловых сетей ВНТН - 81. Минэнерго ССС,
1981.
. Неклепаев Б.Н. Крючков И.П.
Электрическая часть электрических станций и подстанций. Справочные материалы
для КП и ДП -М. Энергоатомиздат, 1989.
. Справочник по проектированию
подстанций 35-500кВ. под ред. С.С. Рокотян и Я.С. Самойлова. - М.
Энергоатомиздат, 1982.
. Справочник по проектированию
электрических сетей. Под ред. Д.Л. Файбисовича. - М. Издательство НЦ ЭНАС,
2005.
. Ведешников Н.А. Электрические
аппараты высокого напряжения. Выключатели. Том1. Справочник. - М.;
Информэлектро, 2002, - 196с.
. Чунихин А.А., Галтеева Е.Ф.,
Мданова С.А. комплектные электрические устройства. Том1. Справочник. - М;
Информэлектро,1999, - 168с.
. Рожкова Л.Д. Козулин В.С.
«Электрическое оборудование электрические станций и подстанций» - М.
Энергоатомиздат, 1987.