Разработка блока детектирования дозиметра гамма-излучения

  • Вид работы:
    Дипломная (ВКР)
  • Предмет:
    Физика
  • Язык:
    Русский
    ,
    Формат файла:
    MS Word
    51,85 Кб
  • Опубликовано:
    2015-12-11
Вы можете узнать стоимость помощи в написании студенческой работы.
Помощь в написании работы, которую точно примут!

Разработка блока детектирования дозиметра гамма-излучения

ТЕХНИЧЕСКОЕ ЗАДАНИЕ К ДИПЛОМНОМУ ПРОЕКТУ


Разработать блок детектирования дозиметра g-излучения со следующими параметрами:

·  сцинтиллятор NaJ(Tl) - размеры кристалла и тип ФЭУ выбрать самостоятельно;

·        схема включения ФЭУ с делителем;

·        питание ФЭУ - внешнее в виде переменного сигнала (частота 20I50 кГц);

·        напряжение питания ФЭУ должно регулироваться в пределах ± 10% от номинального значения;

·        ток анода ФЭУ преобразовать в последовательность стандартных импульсов пропорциональной току частоты;

·        питание блока детектирования и счетные импульсы регистрации излучения подавать по общей коаксиальной линии связи с базовым блоком (волновое сопротивление 50 Ом);

·        диапазон изменения напряжения питания 9 … 14 В;

·        амплитуда счетных импульсов на линии связи до 2,5 В при длительности около 1,5 мкс.


СОДЕРЖАНИЕ


ТЕХНИЧЕСКОЕ ЗАДАНИЕ

ВВЕДЕНИЕ

. Схема питания делителя ФЭУ

. Преобразователь тока анода ФЭУ в напряжение

. Преобразователь напряжения в частоту

. Одновибратор

ЗАКЛЮЧЕНИЕ

БИБЛИОГРАФИЧЕСКИЙ СПИСОК

ПРИЛОЖЕНИЕ А. Параметры R7400U-01

ПРИЛОЖЕНИЕ Б. Перечень элементов


ВВЕДЕНИЕ


Принцип действия различных типов детекторов излучений основан на физических явлениях, возникающих при взаимодействии ионизирующих излучений (ИИ) с веществом /1/. На регистрации фотонов, испускаемых возбужденными атомами и молекулами, основаны сцинтилляционные детекторы. Фотоны, возникающие в сцинтилляторах, имеют, как правило, сравнительно слабую интенсивность. Поэтому для их регистрации применяют чувствительные фотоэлектронные умножители (ФЭУ).

Качество сцинтилляторов и пригодность их для тех или иных целей характеризуются следующими величинами: световыходом и зависимостью его от энергии частиц, временем высвечивания и спектром свечения. При выборе сцинтиллятора основной характеристикой является величина световыхода и зависимость световыхода от энергии частиц. Знание спектра свечения сцинтиллятора необходимо для правильного выбора ФЭУ.

Спектр излучения кристаллов NaJ (T1) имеет среднюю длину волны l = 4100Å. Спектр поглощения NaJ (T1) лежит в ультрафиолетовой области, почти не перекрывается со спектром свечения, так что кристаллы йодистого натрия обладают высокой прозрачностью к собственному излучению /2/.

При работе с кристаллами NaJ (T1) следует соблюдать ряд предосторожностей. Кристаллы йодистого натрия гигроскопичны и быстро мутнеют при воздействии влаги даже на воздухе. Поэтому в целях защиты от влаги кристаллы необходимо помещать в герметичные контейнеры или покрывать пленкой вазелинового масла.

Сцинтиллятор NaI (Tl) выпускается в герметичной упаковке, которая защищает кристалл от взаимодействия с внешней средой. Поэтому есть стандартные размеры рабочей поверхности. Из всего разнообразия размеров был выбран кристалл с диаметром 10 мм.

Возьмем малогабаритный ФЭУ японской фирмы Hamamatsu модели R7400U-01 с штатным резистивным делителем Е5770 /3/. Спектральная характеристика фотокатода и зависимость усиления от напряжения питания ФЭУ представлена на рис.1.

Рис. 1 - Спектральная характеристика фотокатода и зависимость усиления от напряжения питания ФЭУ

Структурная схема и общий вид ФЭУ с делителем представлена на рис. 2.

                        

а)                                                   б)

Рис. 2 - ФЭУ R7400U-01 с штатным резистивным делителем Е5770: а) внешний вид; б) структурная схема

1. Схема питания делителя ФЭУ


Для питания ФЭУ выберем малогабаритный DC/DC-converter фирмы Traco Power: MHV12-1.0K2000N /4/. Данный высоковольтный блок запитывается постоянным напряжением 10,8..16,5В, имеет возможность установки высокого напряжения отрицательной полярности в диапазоне от 0 до 1000 В, максимальный выходной ток 2 мА.

Выберем напряжение питания ФЭУ 800 В. Номиналы резисторов штатного делителя: R1 =…= R8 = 330 кОм и R9 = 160 кОм. Кроме того сопротивления последних каскадов дополнительно шунтируются блокирующими емкостями С1 = С2 = С3 = 0,01 мкФ - в этом случае электронный ток, протекающий через ФЭУ, большей частью замыкается через блокирующую емкость и не изменяет ток делителя.

По ТЗ питание ФЭУ внешнее в виде переменного сигнала с частотой от 20 до 50 кГц (пусть амплитуда будет 12В), а питание MHV12-1.0K2000N осуществляется постоянным напряжением. Для выпрямления используем мостовую схему.

 

. Преобразователь тока анода ФЭУ в напряжение


Принципиальная электрическая схема преобразователя тока анода в напряжение представлена на рис.3.

Рис. 3 - Принципиальная электрическая схема преобразователя тока анода в напряжение

С4 = 3,3 пФ служит для сглаживания флуктуаций тока ФЭУ. Резистор R16 = 49,9 Ом и диод VD1 (1N4002) служат для входной защиты схемы (ограничитель тока).

В качестве ОУ DA1 возьмем микросхему National Semiconductor LMC6001 (питание однополярное от 4,5 до +16 В, входной ток утечки 2 пА).

Максимально допустимый анодный ток составляет 13 мкА. Максимальное выходное напряжение преобразователя не должно превышать 10В («полная» шкала для последующего преобразования в частоту). Из вышеперечисленного следует: R17 = 10В/13мкА = 769 кОм. Из ряда номиналов выберем 768 кОм.

фотоэлектронный умножитель преобразователь излучение

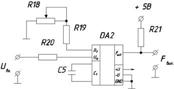
3. Преобразователь напряжения в частоту


Принципиальная электрическая схема преобразователя напряжения в частоту представлена на рис. 3.

Рис. 4 - принципиальная электрическая схема преобразователя напряжения в частоту

В процессе проектирования при анализе параметров интегральных схем для построения преобразователя выбрана микросхема AD654 (фирмы Analog Devices). Она состоит из входного усилителя и высокочастотного преобразователя, который в ответ на вытекающий ток от входного усилителя формирует выходной сигнал - меандр. Для данного типа включения, как на рис. 4 (стандартное подключение для входного напряжения положительной полярности), основное соотношение выглядит следующим образом:

Fвых =

Äëÿ ëèíåéíîé ïåðåäà÷è âõîäíîãî íàïðÿæåíèÿ â âûõîäíóþ ÷àñòîòó çàäàäèì òîê «ïîëíîé øêàëû» 1 ìÀ, òîãäà R18 + R19 = 10 кОм. Из ряда номиналов выберем R19 = 9,1кОм и для более точной настройки подстроечный резистор R18 = 2,2 кОм. Пусть полная шкала 500 кГц, тогда С5 = 200 пФ. Из ряда номиналов выберем С5 = 220 пФ.

Таким образом, максимально допустимому анодному току 20 мкА (меньше заданного тока делителя в 100 раз) соответствует частота 500 кГц на выходе микросхемы AD654. Выход микросхемы представляет собой открытый коллектор. Запитаем его напряжением +5В через резистор R21 = 5,1 кОм.

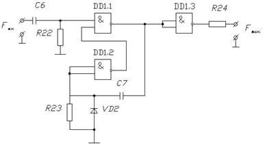
4. Îäíîâèáðàòîð


Òàê êàê íà âûõîäå AD654 ïîëó÷àåòñÿ ìåàíäð, à íóæíà äëèòåëüíîñòü èìïóëüñà ~ 1,5 ìêñ, òî äëÿ ïîëó÷åíèÿ íóæíîãî ðåçóëüòàòà èñïîëüçóåì îäíîâèáðàòîð. Ïðèíöèïèàëüíàÿ ýëåêòðè÷åñêàÿ ñõåìà îäíîâèáðàòîðà íà ëîãè÷åñêèõ ýëåìåíòàõ 2È-ÍÅ ïðåäñòàâëåíà íà ðèñ. 5.

Ðåçèñòîð R22 è Ñ6 åìêîñòü ïðåäñòàâëÿþò ñîáîé äèôôåðåíöèðóþùóþ öåïü, êîòîðàÿ ñëóæèò äëÿ óêîðà÷èâàíèÿ âõîäíîãî èìïóëüñà. Èç ðÿäà íîìèíàëîâ âûáåðåì Ñ6 =1000 ïÔ è R22 = 100 Îì (t = Ñ6 R22 = 0,1 ìêñ).

Îäíîâèáðàòîð ïîñòðîåí íà òðåõ ëîãè÷åñêèõ ýëåìåíòàõ 2È-ÍÅ (ìèêðîñõåìà ÊÐ555ËÀ3). Äâà ýëåìåíòà 2È-ÍÅ ÿâëÿþòñÿ îäíîâèáðàòîðîì, à ïîñëåäíèé, òðåòèé, èñïîëüçóåòñÿ êàê áóôåð äëÿ ïåðåäà÷è ñèãíàëà íà ëèíèþ ñâÿçè ñ âîëíîâûì ñîïðîòèâëåíèåì 50 Îì (ñîãëàñóþùèé ðåçèñòîð R24 = 49,9 Îì) /5/.

Ðèñ. 5 - ïðèíöèïèàëüíàÿ ýëåêòðè÷åñêàÿ ñõåìà îäíîâèáðàòîðà íà ëîãè÷åñêèõ ýëåìåíòàõ 2È-ÍÅ

Ïî òåõíè÷åñêîìó çàäàíèþ äëèòåëüíîñòü èìïóëüñà îäíîâèáðàòîðà äîëæíà áûòü » 1,5 ìêñ. Èñïîëüçóÿ ôîðìóëó t = R C ln2, ïîëó÷àåì: Ñ7 = 1000 ïÔ è R23 = 2,15 êÎì.

 

 


ÇÀÊËÞ×ÅÍÈÅ


 äàííîì äèïëîìíîì ïðîåêòå áûë ðàçðàáîòàí áëîê äåòåêòèðîâàíèÿ äîçèìåòðà ãàììà-èçëó÷åíèÿ. Áûë âûáðàí õîðîøèé ìàëîãàáàðèòíûé ÿïîíñêèé ÔÝÓ è ñîîòâåòñòâóþùèé ñöèíòèëëÿòîð NaJ (Tl). ÔÝÓ ðàáîòàåò â òîêîâîì ðåæèìå. Äëÿ ïðåîáðàçîâàíèÿ òîêà â ÷àñòîòó ïîòðåáîâàëîñü: íà ÎÓ DA1 (ìèêðîñõåìà LMC6001) ïðåîáðàçîâàòü òîê â íàïðÿæåíèå è çàòåì íàïðÿæåíèå ïðåîáðàçîâàòü â ÷àñòîòó, èñïîëüçóÿ ìèêðîñõåìó AD654 (íà âûõîäå ìåàíäð). Äëÿ íîðìàëèçàöèè âûõîäíîãî ñèãíàëà áûë èñïîëüçîâàí îäíîâèáðàòîð ñ óêîðà÷èâàþùåé âõîäíîé öåïüþ.

Âûïîëíåííûé äèïëîìíûé ïðîåêò ñîîòâåòñòâóåò çàäàíèþ íà ïðîåêòèðîâàíèå.


ÁÈÁËÈÎÃÐÀÔÈ×ÅÑÊÈÉ ÑÏÈÑÎÊ


1. Öèòîâè÷ À.Ï. ßäåðíàÿ ýëåêòðîíèêà: Ó÷åá. Ïîñîáèå äëÿ âóçîâ. - Ì.: Ýíåðãîàòîìèçäàò, 1984. - 408 ñ. èë.

2.      Åãîðîâ Þ.À. Ñöèíòèëëÿöèîííûé ìåòîä ñïåêòðîìåòðèè ãàìà-èçëó÷åíèÿ è áûñòðûõ íåéòðîíîâ. Ì.: Ãîñàòîìèçäàò, 1963ã. - 306 ñ.

3.      www.hamamatsu.com

.        www.tracopower.com

.        Øìèäò Õ. Èçìåðèòåëüíàÿ ýëåêòðîíèêà â ÿäåðíîé ôèçèêå: Ïåð. ñ íåì. - Ì.: Ìèð, 1989.- 190ñ., èë.


ÏÐÈËÎÆÅÍÈÅ À


Òàáëèöà À1

Ôîòîýëåêòðîííûé óìíîæèòåëü R7400U-01

Ïàðàìåòð

Õàðàêòåðèñòèêà

Ðàáî÷èé äèàìåòð ôîòîêàòîäà

9,4 ìì

Ìàòåðèàë ôîòîêàòîäà

Ìóëüòèùåëî÷íîé

Îáëàñòü ñïåêòðàëüíîé ÷óâñòâèòåëüíîñòè

300 - 850 íì

400 íì

Ñâåòîâàÿ ÷óâñòâèòåëüíîñòü ôîòîêàòîäà

150 ìêÀ/ëì

Ðàáî÷åå íàïðÿæåíèå ïèòàíèÿ

250 I 1000 Â

Òåìíîâîé òîê

íå áîëåå 4 íÀ

Ðàáî÷èé äèàïàçîí òåìïåðàòóð

- 30 .. + 50 îÑ

Ìàêñèìàëüíûé òîê àíîäà

13 ìêÀ




ÏÐÈËÎÆÅÍÈÅ Á


Ïåðå÷åíü ýëåìåíòîâ

 

Îáîçíà÷åíèå

Íàèìåíîâàíèå

Êîëè÷åñòâî

Ïðèìå÷àíèå


Êîíäåíñàòîðû



Ñ1…Ñ3

0,01 ìêÔ

3

 äåëèòåëå Å5770

Ñ4

CL 0805 CG 3,3 ïÔ ± 10 % 25 Â

1


Ñ5

CL 0805 CG 220 ïÔ ± 10 % 25 Â

1


Ñ6…Ñ8

CL 0805 CG 1000 ïÔ ± 10 % 25 Â

3


Ñ9…Ñ11

KG 10000 ìêÔ ±20 % 50 Â

3







Ìèêðîñõåìû



DA1

LMC6001

1


DA2

AD654

1


DA3

TEN 3-1212

1


DA4

PHV 12-2.0 K 2500 N

1


DA5

TEN 3-1211

1


DD1

ÊÐ555ËÀ3

1







Ðåçèñòîðû



R1..R8

330 êÎì

8

 äåëèòåëå Å5770

R9

160 êÎì

1


R10, R11

C2-29Â-0,125-100 êÎì ± 0,1%

2


R16, R24

C2-29Â-0,125-49,9 Îì ± 0,1%

2


R17

C2-29Â-0,125-768 êÎì ± 0,1%

1


R18, R26

ÑÏ5-2ÂÁ - 0,5 - 2,2 êÎì

Ïîäñòðîå÷íûé

R19

C2-29Â-0,125-9,1 êÎì ± 0,1%

1


R20, R22

C2-29Â-0,125-100 Îì ± 0,1%

2


R21

C2-29Â-0,125-5,1 êÎì ± 0,1%

1


R23

C2-29Â-0,125-2,15 êÎì ± 0,1%

1


R25

C2-29Â-0,125-2,4 êÎì ± 0,1%

2







Äèîäû



VD1

1N4002

1


VD2…VD6

ÊÄ514

5







Ýëåêòðîâàêóóìíûé ïðèáîð



VL1

R7400U-01

1






Ïîäïèñü

Äàòà


Ðàçðàáîòàë

Åâäîêèìîâ




Ëèò.

Ëèñò

Ëèñòîâ

Ïðîâåðèë

Âåäüìàíîâ




1

1

Í. êîíòðîëü

Íîâèêîâ





Óòâåðäèë







Ðàçìåùåíî íà Allbest.ru

Похожие работы на - Разработка блока детектирования дозиметра гамма-излучения

 

Не нашли материал для своей работы?
Поможем написать уникальную работу
Без плагиата!
Без нейросетей!