Проектирование электрической подстанции
Содержание
Введение
1. Расчётная часть
2. Определить мощность тяговой нагрузки
2.1 Определить мощность на тягу поездов
2.2 Определить мощность подстанции для ДПР
2.3 Определить мощность трансформатора собственных нужд (ТСН)
2.4 Определяю максимальную мощность на шинах
2.6 Выбираю ТСН для главной понижающей подстанции
2.7 Выбираю главный понижающий трансформатор
3. Выбор силовых трансформаторов и трансформаторов собственных нужд
4. Рассчитать максимальные рабочие токи основных присоединений
подстанций
5.1 По расчетной схеме составляю схему замещения
5.2 Выполняю расчет относительных сопротивлений системы для шин РП
5.3 Расчет относительных линий электропередач
5.4 Для определения относительных сопротивлений обмоток
трансформаторов, находим расчетные значения напряжения из обмоток
трансформаторов
5.5 Определяю относительные сопротивления обмоток трансформатора
5.6 Расчет для минимального режима
5.7 Выполняю расчет относительных сопротивлений
5.8 Рассчитываю относительные линии электропередач
5.9 Для определения относительных сопротивлений обмоток
трансформаторов, находим расчетные значения напряжения из обмоток
трансформаторов
5.10. Определяю относительные сопротивления обмоток трансформатора
6. Расчёт параметров цепи короткого замыкания
7. Выбор оборудования тяговой подстанции
7.1 Выбор токоведущих частей
7.2 Выбор и проверка изоляторов
7.2.1 Выбор подвесных изоляторов
7.2.2 Выбор опорных изоляторов
7.2.3 Выбор проходных изоляторов
7.3 Выбор и проверка оборудования для РУ - 35 кВ
7.3.1 Выбираю выключатель по условию
7.3.2 Выбираю разъединитель по условию
7.4 Выбираю трансформатор тока по условию
7.5 Выбираю трансформатор напряжения по условию
8. Специальный: Схема разьединителя 110кВ
9. Мероприятия по технике безопасности и экология
Заключение
Список используемой литературы
Введение
Трудно представить без электроэнергии жизнь современного
общества, экологическое, техническое и культурное развитие которого во многом
зависящее от электричества.
Разнообразное использование электроэнергии во всех областях
народного хозяйства и быта объясняется рядом весьма существенных преимуществ её
по сравнению с другими видами энергии:
· возможностью передачи на большие
расстояния;
· простотой преобразования в другие виды
энергии;
· возможностью получения из других видов
энергии;
Комплекс взаимосвязанного оборудования и сооружений
предназначенный для производства или преобразования, передачи, распределения
или потребления, электрической энергии, называется электроустановкой.
Электроустановка, на которой вырабатывается электрическая или
тепловая энергия, называется электростанцией.
Электроэнергия вырабатываемая на электростанции поступает, на
электрические подстанции, на которых происходит преобразование электроэнергии
по напряжению, частоте или роду тока.
Совокупность подстанций, распределительных устройств и
соединяющих их линий электропередачи, предназначенная для передачи и
распределения электрической энергии на определенные территории называется
электроэнергетической системой.
Приёмники электроэнергии разнообразны, к ним относятся:
Электродвигатели, служащие приводом различного станочного
оборудования и электрического транспорта;
Электротехническое оборудование, сварочные аппараты,
электрические печи и т.д.
1. Расчётная
часть
Определить суммарную и присоединённую мощность потребителей.
Определяю максимальную используемую мощность потребителя:
Pmax=Pу
Кc, кВт (1)
где, РУ - установленная мощность потребителя
электроэнергии, кВт.
КС - коэффициент спроса, учитывающий режим работы,
нагрузку и КПД оборудования
Целлюлозно-бумажная промышленность:
Pmax1=7500×0,55 =4125 кВт;
Торфяные предприятия:
Pmax2=8500×0,55=4675 кВт;
Деревоперерабатывающая промышленность:
Pmax3 =9000×0,45=4050 кВт;
Для освещения и бытовой нагрузки:
Pmax4 =750×0,65=487 кВт;
Определяю максимальную суммарную нагрузку присоединения:

max=Рmax1+Рmax2+Рmax3+Рmax4, кВт; (2)

35=4125+4675+4050+487=12850
кВт;
Определяю нагрузки по часам суток, свожу в таблицу и определяю их
сумму:
Рч =%×Рmax, кВт,
(3)
где, Рmax -
максимальная используемая мощность потребителя.
% - процент из типового графика для n-го часа.
- переводной коэффициент процента в относительной единице.
Расчет для целлюлозно-бумажная промышленность:
Р0-1=85%×4125/100=3630 кВт;Р1-2=85%×4125/100=3630 кВт;
Р2-3=85%×4125/100=3630 кВт;
Расчет для торфяные предприятия:
Р0-1=85%×4675/100=3880кВт;
Р1-2=85%×4675/100=3880 кВт;
Р2-3=90%×4675/100=4207 кВт;
Расчет для деревоперерабатывающая промышленность:
Р0-1=37%×4050/100=1579 кВт;
Р1-2=35%×4050/100=1498 кВт;
Р2-3=33%×4050/100=1417 кВт;
Расчет для освещение и бытовая нагрузка:
Р0-1=50%×487/100=243 кВт;
Р1-2=25%×487/100=121 кВт;
Р2-3=25%×487/100=121 кВт;
Определяю суммарную почасовую используемую мощность потребителей
по формуле:
ΣР=Рч1 +Рч2+Рч3,
кВт; (4)
ΣР0-1=3630+3880+1579=9089 кВт;
ΣР1-2=3630+3880+1498=9008 кВт;
ΣР2-3=3630+4207+1417=9254кВт;
Расчетные данные заносим в таблицу 1.
Таблица 1 - Расчет активных нагрузок потребителей.
|
Часы
|
Активная
нагрузка, кВт
|
ΣРч, кВт
|
|
Потреб.1 Р, кВт
|
Потреб.2 Р, кВт
|
Потреб.3 Р, кВт
|
Потреб.4 Р, кВт
|
|
|
0-1
|
3630
|
3880
|
1579
|
243
|
9089
|
|
1-2
|
3630
|
3880
|
1498
|
121
|
9008
|
|
2-3
|
3630
|
4207
|
1417
|
121
|
9254
|
|
3-4
|
3630
|
4441
|
1296
|
121
|
9367
|
|
4-5
|
3423
|
4207
|
1215
|
121
|
8845
|
|
5-6
|
3960
|
3927
|
1296
|
121
|
9183
|
|
6-7
|
4125
|
4347
|
1579
|
195
|
10051
|
|
7-8
|
4125
|
4207
|
2511
|
287
|
10843
|
|
8-9
|
3712
|
3319
|
3766
|
287
|
10797
|
|
9-10
|
3712
|
4207
|
4050
|
234
|
11969
|
|
10-11
|
3712
|
4675
|
3766
|
234
|
12153
|
|
11-12
|
3712
|
4207
|
2956
|
185
|
10875
|
|
12-13
|
3712
|
3975
|
2835
|
185
|
10522
|
|
13-14
|
3712
|
4207
|
3807
|
185
|
11726
|
|
14-15
|
3712
|
4675
|
3564
|
185
|
11951
|
|
15-16
|
3712
|
4207
|
3199
|
234
|
1118
|
|
16-17
|
4125
|
3319
|
3280
|
292
|
10724
|
|
17-18
|
4125
|
4207
|
3240
|
482
|
11572
|
|
18-19
|
3712
|
4635
|
2835
|
487
|
11182
|
|
19-20
|
3712
|
4207
|
2916
|
487
|
10835
|
|
20-21
|
3712
|
4675
|
3199
|
487
|
11586
|
|
21-22
|
3712
|
4207
|
2349
|
487
|
10268
|
|
22-23
|
3671
|
3880
|
1944
|
390
|
9495
|
|
23-24
|
3671
|
3880
|
1944
|
243
|
9495
|
По результатам расчёта в прямоугольных осях координат
построить графики суммарной активной нагрузки потребителей и по графику
определяю наибольшую активную суммарную нагрузку и соответствующей ей часа
суток.
Определяю максимальную нагрузку и выделяю наибольшую часовую
нагрузку: ΣР=12153 кВт;
Определяю постоянные потери для каждого часа суток:
Рпост=
, кВт; (5)
где, ΣР=12153
кВт
%пост - процент постоянных потерь, принимается от 1 до
2 и каждый час считается одинаковым, принимаю 2%.
Рпост=2%
12153/100=243 кВт;
.7 Определяю переменные потери для каждого часа суток:
Рпер=
/100, кВт; (6)
где, %пер - процент переменных потери в сетях и меди
трансформатора, принимается от 5 до 8, принимаю 5,ΣРч - суммарная почасовая
нагрузка.
Р0-1=
=454 кВт;
Р1-2=
/100=450 кВт;
Р2-3
/100=462 кВт;
Определяю суммарную почасовую нагрузку с потерями по формуле:
ΣРпот=ΣР+Рпост+Рперем, кВт;
(7)
ΣРпот0-1=9089+243+454=9786 кВт;
ΣРпот.1-2=9008+243+450=9701 кВт;
ΣРпот.2-3=9254+243+462=9959 кВт;
Расчётные данные заносим в таблицу 2.
Таблица 2 - Расчет мощности потребителей
|
Часы
|
Потреб.1 Р, кВт
|
Потреб.2 Р, кВт
|
Потреб.3 Р, кВт
|
ΣРч, кВт
|
Р пост.
|
Р перем.
|
ΣРпотерь
|
|
0-1
|
1964
|
3120
|
3150
|
8234
|
224
|
412
|
9798
|
|
1-2
|
1964
|
2145
|
2604
|
6713
|
224
|
336
|
9701
|
|
2-3
|
1964
|
2145
|
3402
|
7511
|
224
|
376
|
9959
|
|
3-4
|
1964
|
2145
|
3402
|
7511
|
224
|
376
|
10087
|
|
4-5
|
2183
|
2340
|
3402
|
7925
|
224
|
396
|
9530
|
|
5-6
|
2183
|
2730
|
3150
|
8063
|
224
|
403
|
9885
|
|
6-7
|
3492
|
3900
|
3402
|
10794
|
224
|
540
|
10796
|
|
7-8
|
3929
|
3900
|
3360
|
11189
|
224
|
559
|
11628
|
|
8-9
|
4365
|
3900
|
882
|
9147
|
224
|
457
|
11579
|
|
9-10
|
4365
|
3705
|
2310
|
10380
|
519
|
12810
|
|
10-11
|
3929
|
3315
|
3360
|
10604
|
224
|
530
|
11661
|
|
11-12
|
3492
|
3705
|
2898
|
10095
|
224
|
505
|
11291
|
|
12-13
|
3429
|
3861
|
2100
|
9890
|
224
|
495
|
12555
|
|
13-14
|
3929
|
3861
|
2940
|
10730
|
224
|
537
|
12791
|
|
14-15
|
4365
|
3510
|
2478
|
10353
|
224
|
518
|
1416
|
|
15-16
|
4365
|
3120
|
882
|
8367
|
224
|
418
|
11503
|
|
16-17
|
3929
|
3315
|
2058
|
9302
|
224
|
465
|
12393
|
|
17-18
|
3448
|
3315
|
4200
|
10963
|
224
|
548
|
11984
|
|
18-19
|
2575
|
3315
|
3318
|
9208
|
224
|
460
|
11619
|
|
19-20
|
2575
|
3237
|
3780
|
9592
|
224
|
480
|
12408
|
|
20-21
|
2183
|
3042
|
2310
|
7535
|
224
|
767
|
11024
|
|
21-22
|
2183
|
3315
|
2940
|
8438
|
224
|
422
|
1712
|
|
22-23
|
2183
|
3315
|
3990
|
9488
|
224
|
422
|
1712
|
|
23-24
|
1964
|
3120
|
3990
|
9074
|
224
|
454
|
1712
|
Определяю постоянные потери для освещения и бытовой нагрузки:
Рпост=
, кВт; (8)
где, ΣР=400 кВт
%пост - процент постоянных потерь, принимается от 1 до
2 и каждый час считается одинаковым, принимаю 2%.
Рпост=2%
400/100=8 кВт;
Определяю переменные потери для каждого часа суток:
Рпер=
/100, кВт; (9)
где, %пер - процент переменных потери в сетях и меди
трансформатора, принимается от 5 до 8, принимаю 5,ΣРч - суммарная почасовая
нагрузка.
Р0-1=
=10 кВт;
Р1-2=
/100=5 кВт;
Р2-3
/100=5 кВт;
Определяю суммарную почасовую нагрузку с потерями по формуле:
ΣРпот=ΣР+Рпост+Рперем, кВт;
(10)
ΣРпот0-1=200+8+10=218 кВт;
ΣРпот.1-2=100+8+5=113 кВт;
ΣРпот.2-3=100+8+5=113 кВт;
Расчётные данные заносим в таблицу 3.
Таблица 3 - Расчет мощностей потребителя "Освещение и
бытовая нагрузка"
|
Часы
|
Потреб.4 Р, кВт
|
Р пост.
|
Р перем.
|
ΣРпотерь
|
|
0-1
|
200
|
8
|
10
|
218
|
|
1-2
|
100
|
8
|
5
|
113
|
|
2-3
|
100
|
8
|
5
|
113
|
|
3-4
|
100
|
8
|
5
|
113
|
|
4-5
|
100
|
8
|
5
|
113
|
|
5-6
|
100
|
8
|
5
|
113
|
|
6-7
|
160
|
8
|
8
|
176
|
|
7-8
|
220
|
8
|
11
|
239
|
|
8-9
|
220
|
8
|
11
|
239
|
|
9-10
|
180
|
8
|
9
|
197
|
|
10-11
|
180
|
8
|
9
|
197
|
|
11-12
|
140
|
8
|
7
|
155
|
|
12-13
|
140
|
8
|
7
|
155
|
|
13-14
|
140
|
8
|
7
|
155
|
|
14-15
|
180
|
8
|
9
|
197
|
|
15-16
|
240
|
8
|
12
|
260
|
|
16-17
|
380
|
8
|
19
|
407
|
|
17-18
|
400
|
8
|
20
|
428
|
|
18-19
|
400
|
8
|
20
|
428
|
|
19-20
|
400
|
8
|
20
|
428
|
|
20-21
|
400
|
8
|
20
|
428
|
|
21-22
|
380
|
8
|
19
|
407
|
|
22-23
|
320
|
8
|
16
|
344
|
|
23-24
|
200
|
8
|
10
|
218
|
По результатам расчёта в прямоугольных осях координат построю
график суммарной активной нагрузки потребителей и по графику определяю
наибольшую активную суммарную нагрузку и соответствующей ей часа суток.
Определить реактивную нагрузку для каждого потребителя по
формуле:
Qmax=Pmax×tg
, кВар; (11)
где,Pmax - максимальная используемая мощность
потребителей.
tg
; (12)
0,484




,max1=4125×0,484=1996,3 кВарmax2=4675×0,402=1879,3 кВарmax3=4050×0,425=1721,2 кВарmax4=4875×0, 196=955,2 кВар
Данные расчета заносим в таблицу 4.
Таблица 4 - Реактивная нагрузка для каждого потребителя.
|
Потребитель
|
Tg QmaxPmax
|
|
|
|
1
|
0,464
|
1996,3
|
4125
|
|
2
|
0,402
|
11879,3
|
4675
|
|
3
|
0,425
|
1724,2
|
4050
|
|
4
|
0, 196
|
955,2
|
487
|
Определяю полную мощность не тяговых потребителей.
Наибольшая полная мощность потребителей на шинах вторичного
напряжения с учетом потерь свыше 1000 В и понижающих трансформаторов,
S35= (1+
) 
, кВт (13)
где ∑Рmax -
сумма мощности потерь, кВт.
∑Qmax - суммарная реактивная мощность, кВар.
S35= (1+ 
) 
кВт
Расчет полной мощности не тяговых потребителей ведется отдельно
для каждого РУ S35

max1
Kум+
max2
Kум+
max3
Kум, кВт (14)
где Kум - коэффициент участия максимума, принимаю 0,9

+4675
+4050
0,9=11565 кВт

max1
Kум
tg
+
max2
Kум
tg
+
max3
Kум
tg
, кВар (15)

0,9
0,484+
0,9
0,402+
0,9

0,425=5037,39кВар
электрическая подстанция тяговая транзитная
2. Определить
мощность тяговой нагрузки
2.1
Определить мощность на тягу поездов
Нагрузка подстанции задается действующими значениями тока:

- наиболее загруженных фаз трансформатора;

- наименее эффективный ток.
Sтяг=Uш× (2×
Кр
Кк
Км, кВА; (16)
Uш =27,5 кВ
- номинальное напряжение на тяговой подстанции;
Кр - коэффициент, учитывающий не равномерность загрузки
фаз трансформатора, равный 0,9;
Кк - коэффициент, учитывающий влияние компенсации
реактивной мощности, равный 0,93;
Км - коэффициент, учитывающий влияние внутри суточной
не равномерности, движение на износ обмоток трансформаторов, равный 1,25
Sтяг=27,5× (2×
0,9
0,93
1,45=37597 кВА;
2.2
Определить мощность подстанции для ДПР
Sдпр=
, кВА; (17)
где, Кс - коэффициент спроса, равен 0,5;
Ру - установленная мощность для 4 потребителя, кВт;

- коэффициент мощности, равен 0,94.
Sдпр=
кВА;
2.3
Определить мощность трансформатора собственных нужд (ТСН)
Определить мощность трансформатора собственных нужд (ТСН)
27,5кВ для тяговой переменного тока мощность ТСН принимается от 0,5 до 0,7,
принимаю 0,5:
Sтсн= 
, кВА; (18)
где % - процент, принимаю 0,5%.
Sтсн = 
+ 50=238 кВА;
Если предусматривается питание от шин собственных нужд
трансформатора, трансформаторов автоблокировки мощность должна быть увеличена
Sав=50
Sн тсн=250кВА
2.4 Определяю
максимальную мощность на шинах
S27,5= (Sтяг+Sдпр+Sн тсн)

р, кВА;
(19)
где
Кр - коэффициент разновременности максимальной
нагрузки, принимается от 0,95
0,98, принимаю 0,95
S27,5=
(39058+250+425) 
=37746 кВА;
2.5 Определяю
полную мощность подстанции, кВА
Sрасч. п/ст =
(S27,5+Smax 35) 
р, кВА;
где, Кр - разновременность максимумов нагрузки в
обмотках. Принимают, когда подстанция имеет трех обмоточные силовые
трансформаторы, принимают 0,95
в двух обмоточных трансформаторах не учитывается, принимаю 0,95
Sрасч. п/ст=
0,95×
(37597+529) =36219 кВА;
2.6 Выбираю
ТСН для главной понижающей подстанции
Sтсн=
, кВА; (20)
где, % - выбираем из значений от 0,3 до 0,5, принимаю 0,5.
Sтсн = 
= 238 кВА
Sтсн=250
кВА
2.7 Выбираю
главный понижающий трансформатор
Sрасч. п/ст= (S27,5 + Smax+ Sтсн) × Кр, кВА; (21)
Sрасч. п/ст = (37597+ 529+ 250) ×0,95=36457 кВА;
2.8 Выбираю
понижающий трансформатор
Sрасч. тр. =
кВА; (22)
Мощность понижающего трансформатора рекомендуется определять
исходя из условий аварийного режима. Для масляных трансформаторов в аварийных
режимах допускается перегрузка на 40% на время максимума общей суточности
продолжительности не более 6 часов в течении не более 5 суток.
Кав =1,4 - коэффициент допустимой перегрузки.
n - количество трансформаторов тяговой подстанции, принимаю 2.
Sрасч. тр. =
кВА;
Sном тр-ра=40000
кВА
3. Выбор
силовых трансформаторов и трансформаторов собственных нужд
Трансформаторы выбираем в зависимости мощности
трансформатора. Параметры и число силовых трансформаторов выбираем согласно
категории потребителя, число трансформаторов принимаем 2 т.к. потребители имеют
I и II категорию по заданию,
данные выбранных трансформаторов по справочной литературе. Данные заносим в
таблицу 5 и 6
Таблица 5 - Параметры силовых трансформаторов
|
Тип
|
Номинальная
мощность
|
Напряжение
обмоток
|
Потери
|
Ток холостого
хода
|
Напряжение
короткого замыкания между обмотками
|
Схема и группа
соединения обмоток
|
|
|
высшего
напряжения
|
среднего
напряжения
|
низшего
напряжения
|
холостого хода
|
короткого
замыкания
|
|
|
|
|
Sн, кВА
|
U2н, кВ
|
U3н, кВ
|
 , кВт , кВтIx. x, %uк-в-с, %uк-в-н, %uк-с-н, %
|
|
|
|
|
|
|
|
ТДТНЭ-
40000/220
|
40000
|
230
|
27,5
|
11
|
66
|
240
|
1,1
|
12,5
|
22
|
9,5
|
Υ - Δ - Δ-11-11
|
Таблица 6 - Параметры трансформаторов собственных нужд
|
Тип
|
Номинальная
мощность
|
Напряжение
обмоток
|
Потери
|
Ток холостого
хода
|
Напряжение
короткого замыкания
|
|
|
перви-чной
|
вто-ричной
|
холостого хода
|
короткого
замыкания
|
|
|
|
Sн, кВА
|
U1н, кВ
|
U2н, кВ
|
 , кВт , кВтIx. x, %Uк, %
|
|
|
|
|
ТМ-250/27,5
|
400
|
27,5
|
0,4
|
1,150
|
5,50
|
2,1
|
6,5
|
|
ТМ-250/35
|
400
|
35
|
0,4
|
1,150
|
5,50
|
2,1
|
6,5
|
4. Рассчитать
максимальные рабочие токи основных присоединений подстанций
Токоведущие части электрооборудования подстанции выбирают по
условию их длительной работы при номинальной и повышенной нагрузке, не
превышающей максимальной рабочей. Для этих целей необходимо рассчитать
максимальные рабочие токи сборных шин и всех присоединений к ним. Эти значения
тока необходимы для определённых допустимых токов, токоведущих частей и
номинальных токов электрооборудования подстанций.
При расчёте небольших рабочих токов сборных шин и
присоединений учитывается запас на перспективу развития подстанций, принимаемый
70% расчётной мощности, возможные аварийные перегрузки до 40%, увеличение
значения токов параллельно включённых трансформаторов и линий в случае отключения
одного из трансформаторов или одной линии.
Таблица 7 - Расчет максимальных рабочих токов
|
Наименование
присоединений и сборных шин
|
Формула для
расчёта Iр max
|
ЗначениеIр max, А
|
|
Вводы №1 и №2 и
перемычка между ними
|
|
|
|
Первичная
обмотка понижающего трансформатора
|
|
|
|
Ввод РУ-27,5кВ
|
|
|
|
Сборные шины
РУ-27,5 кВ
|
|
|
|
Питающие линии
(фидер) контактной сети
|
По заданию
|
660; 620; 550;
560
|
|
Питающая линия
(фидер) ДПР
|
|
|
|
Первичная
обмотка ТСН
|
|
|
|
Ввод РУ-35 кВ
|
|
|
|
Сборные шины 35
кВ
|
|
|
|
Районные
Потребители 35 кВ
|
|
|
где, ∑Sн тр - сумма мощностей установленных трансформаторов;
Кпер - коэффициент перегрузки 1,5;
Uн - номинальное напряжение на вводе;
Sн т-р - номинальная мощность установленного
трансформатора;
Крн - коэффициент распределения нагрузки по шинам
0,6 - 0,8;
Кпр - коэффициент перспективного развития 1,3;
5. Расчет
токов короткого замыкания по присоединениям
Рассчитываю относительные сопротивления для точек короткого
замыкания на основании закона Ома для того, чтобы определить значение тока
необходимо рассчитать величину эквивалентного сопротивления.
Для расчета необходима внешняя схема и ее присоединения.
Схема внешнего электроснабжения
Все элементы заменяем сопротивлениями.
Расчетная схема
№ проектируемой подстанции 11 (транзитная)
5.1 По
расчетной схеме составляю схему замещения
5.2 Выполняю
расчет относительных сопротивлений системы для шин РП
Xбэс=
, Ом (23)
Х1= 100/4900 = 0,02 Ом;
Х4= 100/3800 = 0,17 Ом;
5.3 Расчет
относительных линий электропередач
Xблэп=х0×l×
, Ом (24)
Х2 = Х3 =0,4 × 40 × 100/2302= 0,03 Ом;
Х5 = Х6 =0,4 × 30 × 100/2302= 0,023 Ом;
Х7 = X8 = 0,4 × 50 × 100/2302= 0,038 Ом;
X9=Х10=0,4
× 50× 100/2302= 0,038 Ом;
Х11 = Х12 =0,4 × 50 × 100/2302= 0,038 Ом;
Х13 = Х14 =0,4 × 50 × 100/2302= 0,038 Ом;
Х15 = Х16 =0,4 × 45 × 100/2302= 0,034 Ом;
Х17 = Х18 =0,4 × 45 × 100/2302= 0,034 Ом.
5.4 Для
определения относительных сопротивлений обмоток трансформаторов, находим
расчетные значения напряжения из обмоток трансформаторов
Uкв = 0,5 × (Uвн + Uвс - Uсн); (25)
Uкн = 0,5 × (Uвс + Uсн - Uвн); (26)
Uкс = 0,5 × (Uвн + Uсн - Uвс); (27)
Uкв = 0,5 × (12,5 + 22 - 9,5) = 12,5
Uкн = 0,5 × (12,5+ 9,5 - 22) = 0,002
Uкс = 0,5 × (22 + 19,5 - 12,5) = 9,5
5.5 Определяю
относительные сопротивления обмоток трансформатора

; (28)

; (29)

; (30)

;

;

;
X22= 
= 
= 0,015 Ом;
X23 = 
= 
= 0,019 Ом;
X24 = 
= 
= 0,019 Ом;
X25 = 
= 
= 0,019 Ом;
X26 = 
= 
= 0,019 Ом;
X27= 
= 
= 0,017 Ом;
X28= 
= 
= 0,017 Ом;
X29= 
= 
= 0,012 Ом;
Х30 = Х1 + Х2 = 0,02 + 0,015
= 0,035 Ом;
Х31 = Х4 + Х29 = 0,017+0,017
= 0,034 Ом;
Х32 = Х23 + Х24 +Х25
+ Х26 + Х27 + Х28 = 0,019 + 0,019 + 0,019 +
0,019+ +0,019 + 0,017 = 0,112 Ом;
Х33 = Х32 + Х31 = 0,112 +
0,034 = 0,146 Ом;
X34= 
= 
= 0,028 Ом;
Х35 = Х34 + Х19 = 0,028 +
0,3125 = 0,3405 Ом;
Хкз1 = Х35 = 0,3405 Ом;
Хкз2 = Х36 = Х35 + Х20
= 0,3405+ 0,00005 = 0,34055 Ом;
Хкз3 = Х37 = Х36 + Х21
= 0,34055 + 0,2375 = 0,57805 Ом;
5.6 Расчет
для минимального режима
Расчет для этого режима нужен для работы и выбора
оборудования релейной защиты. Рассчитываю относительные сопротивления схем
замещения для минимального режима и вписываю эти значения в знаменатели номеров
сопротивлений:
.7 Выполняю
расчет относительных сопротивлений
Выполняю расчет относительных сопротивлений по формуле (23):
Х1 = 100/4900= 0,02 Ом; Х4= 100/5800 =
0,017 Ом;
5.8
Рассчитываю относительные линии электропередач
Рассчитываю относительные линии электропередач по формуле
(24):
Х2= 0,4 × 40 × 100/2302= 0,03 Ом;
Х3= 0,4 × 30 × 100/2302= 0,023 Ом;
Х7= Х8= Х9= Х10=
0,4 × 50 × 100/2302=
0,038 Ом;
X11= Х12= 0,4 × 45× 100/2302= 0,034 Ом;
5.9 Для определения
относительных сопротивлений обмоток трансформаторов, находим расчетные значения
напряжения из обмоток трансформаторов
Uкв = 0,5× (12,5 + 22 - 9,5) = 12,5
Uкн = 0,5× (12,5+ 9,5 - 22,5) =
0,002
Uкс = 0,5× (22 + 9,5 - 12,5) = 9,5
5.10.
Определяю относительные сопротивления обмоток трансформатора

;

;

;


Х16 = Х1 + Х2 = 0,02 + 0,03=
0,05 Ом;
Х17 = Х4 + Х3 = 0,017 +
0,023= 0,04 Ом;
Х18 = Х7+Х8+Х9+Х10+Х11+Х12=0,038+0,038+0,038+0,038+0,034+0,034=
=0,22 Ом;
Х19 = Х17 + Х18 = 0,04 +
0,22= 0,26 Ом;
X20= 
= 
= 0,042 Ом;
Х21 = Х20 + Х13 = 0,042 +
0,3125 = 0,3545 Ом;
Хкз1 = Х21 = 0,3545 Ом;
Хкз2 = Х22 = Х21 + Х14
= 0,00005 + 0,3545 = 0,35455 Ом;
Хкз3 = Х23 = Х22 + Х15
= 0,2375+ 0,35455 = 0,592 Ом;
Полученные данные точек К.З. свожу в таблицу 8.
Таблица 8 - Расчет относительных сопротивлений.
|
Точки КЗ
|
Максимальный
режим
|
Минимальный
режим
|
|
КЗ 1
|
0,3405
|
0,3545
|
|
КЗ 2
|
0,34055
|
0,35455
|
|
КЗ 3
|
0,57805
|
0,592
|
6. Расчёт
параметров цепи короткого замыкания
Uср1=220кВ; Uср2 =35кВ; Uср3=27,5кВ;
Iб1 = Sб / 
× Uср1 =100/1,73×220=0,26 А;
Iб2 = Sб / 
× Uср2 =100/1,73×35=1,65 А;
Iб3 = Sб / 
× Uср3 =100/1,73×27,5=2,1 А;
По рассчитанным значениям результирующих сопротивлений для каждой
точки КЗ производится расчёт параметров цепи для всех точек. Расчеты заносим в
таблицу 9.
Таблица 9 - Расчет параметров цепи
|
К. З
|
Расчетное
выражение.
|
Максимальный
режим.
|
Минимальный
режим.
|
|
К1
|
Iк=Iб/x*б. к., кА
|
Iк = =0,77Iк = =0,74
|
|
|
Sк=Sб/x*б. к., МВА
|
Sк= =294
|
|
|
iу=2,55×Iк, кА
|
iу=2,55×0,77= 1,96
|
|
|
Bк=I2× (tоткл+Та), кА2 с
|
Bк=0,772× (1,7+0,05) =1,04
|
|
|
tоткл= tрз + tср
+ tсв, с
|
tоткл=1,5+0,1+0,1=1,7
|
|
|
К2
|
Iк=Iб/x*б. к.
|
Iк= = 4,85Iк= = 4,65
|
|
Sк=Sб/x*б.
к. Sк=
= 293Ток двухфазного короткого замыкания по формуле: Iк=
× Iк;
|
Iк= ×4,65=4,02
|
|
|
|
iу=2,55×Iк, кА
|
iу=2,55×4,85=12,4
|
|
|
Bк=I2× (tоткл+Та)
|
Bк=4,852× (1,7+0,05) =41,2
|
|
|
tоткл= tрз + tср
+ tсв
|
tоткл=1,5+0,1+0,1=1,7
|
|
|
К3
|
Iк=Iб/x*б. к.
|
Iк = =3,64Iк = =3,56
|
|
Sк=Sб/x*б. к. Sк=
=173Ток двухфазного короткого замыкания по формуле: Iк=
× Iк;
|
Iк= ×3,56=3,08
|
|
|
|
iу=2,55×Iк, кА
|
iу=2,55×3,64= 9,3
|
|
|
Bк=I2× (tоткл + Та)
|
Bк=3,642× (0,7+0,05) =9,9
|
|
|
tоткл= tрз + tср
+ tсв
|
tоткл=0,5+0,1+0,1=0,7
|
|
Iб - базисный ток;
Iк - периодическая составляющая трехфазного тока
короткого замыкания;
iуд - ударный ток короткого замыкания;
tотк - время отключение тока;
Bк - тепловой импульс тока короткого замыкания;
tср - собственное время срабатывания защиты 0,1 с
tрз - время выдержки срабатывания защиты, с;
tсв - собственное время отключения выключателя с
приводом, с;
Та - время затухания составляющей тока короткого
замыкания - 0,05с.
7. Выбор
оборудования тяговой подстанции
7.1 Выбор
токоведущих частей
К токоведущим частям электроустановки относятся сборные шины
РУ разного напряжения, неизолированные токоведущие части и кабели, соединяющие
электрооборудование, и аппараты со сборными шинами. Токоведущие части следует
применять из недорого - стоящих материалов - алюминия и стали. Для РУ - 35 кВ
выбираю гибкие шины, выполненные проводами АС. Выбор токоведущих частей
выполняю в таблице 10, а затем произвожу проверку по всем условиям.
Таблица 10 - Выбор токоведущих частей
|
Наименование
присоединений и сборных шин
|
Максимальный
рабочий ток, А
|
Тип токоведущих
частей, мм2
|
Допустимый ток,
А
|
|
Сборные шины РУ
110 кВ
|
231
|
АС 70
|
265
|
|
Сборные шины РУ
35 кВ
|
126
|
АС 25
|
130
|
|
Сборные шины РУ
27,5 кВ
|
1027
|
А 600
|
1070
|
|
Районные
потребители
|
263
|
АС 70
|
265
|
Гибкие шины проверяю по условиям:
) По длительно допускаемому току: Iдоп ≥Ipmax, где
Ipmax - максимальный рабочий ток, А
Iдоп - допускаемый ток для выбранного сечения;
2) По термической стойкости: qв≥qmin; qmin = Bк ×103/С, где
qв - выбираемое сечение, мм2;
qmin - минимальное допустимое сечение
токоведущей части, мм2;
B к - тепловой импульс тока к. з.;
С - коэффициент для алюминиевых шин, равен 88 А×с1/2/ мм2;
) По условию отсутствия коронирования (проверку на
корону осуществляют только при напряжении 35 кВ и выше): 0,9E0 ≥ 1,07E;
E0 = 30,3m (1 + 0,299/
); Е = 0,354 × U / rпр× lgDср /rпр, где
E0 -
максимальное значение начальной критической напряженности электрического поля,
при котором возникает разряд в виде короны, кВ/см;
Е - напряженность электрического поля около поверхности провода,
кВ/см;
m - коэффициент, учитывающий шероховатость поверхности провода -
0,82;
rпр -
радиус провода, см;
U - линейное напряжение, кВ;
Dср -
среднее геометрическое расстояние между проводами фаз, см; Dср = 1,26×D
D - расстояние между фазами, для напряжения 35 кВ соответственно
1,5 м.
Проверяю АСО - 400 для РУ - 35 кВ:
На термическую стойкость: qв≥qmin;
qmin = 
=
= 72,94 мм2; qв = 185 мм2;
мм2≥ 72,94 мм2;
На отсутствие коронирования:
,9 ×E0 ≥ 1,07 ×E;
E0 = 30,3m (1 + 0,299 /
) = 30,3 × 0,82 (1
+ 0,299 /
) = 26,06кВ/см;
Е = 
= 
= 
= 0,47кВ/см;
Dср = 1,26 ×D = 1,26 × 150 = 189 см;
,9 ×26,06кВ/см
≥ 1,07 ×0,47кВ/см;
,454 кВ/см≥0,502кВ/см;
Все условия проверки выполняются, следовательно, провод АСО - 400
подходит.
Жесткие шины проверяю по условию:
1) По длительно допускаемому току: Iдоп ≥Ipmax
2) По термической стойкости: qв≥qmin;
3) По электродинамической стойкости:
Ϭдоп≥Ϭрасч; Ϭрасч=
;
W=
, где
Ϭдоп - допустимое механическое напряжение, МПа
Ϭрасч - механическое напряжение, возникшее в них при к. з.
iуд -
ударный ток к. з.;
l - расстояние между соседними опорными изоляторами, м;
а - расстояние между осями шин соседних фаз, м;
W-момент сопротивления шины относительно оси, перпендикулярной
усилия, м3;
b и h - толщина и ширина шины, м.
Проверяю А 15 Х 3 для РУ - 35 кВ:
1) На термическую стойкость: qв≥qmin;
qmin = 
=
= 72,9 мм2; qв = 180 мм2;
мм2 ≥ 72,9 мм2;
Все условия проверки выполняются, следовательно, провод А 15 Х 3
подходит.
На электродинамическую стойкость: Ϭдоп ≥ Ϭрасч;
W = 
= 
= 1,3 × 10-6
м3;
Ϭрасч = 
=
= 64,8 МПа
Ϭдоп = 65 МПа - Сплав АДО; 65 ≥ 64,8
Все условия проверки выполняются, следовательно, провод А 15 Х 3
подходит.
7.2 Выбор и
проверка изоляторов
Для крепления токоведущих частей и их изоляции от заземленных
конструкций применяются различные типы подвесных и опорных изоляторов.
.2.1 Выбор
подвесных изоляторов
Количество подвесных изоляторов в гирлянде в зависимости от
их типов приведено в таблице 11.
Таблица 11 - Выбор подвесных изоляторов
|
Тип изолятора
|
Количество
изоляторов при напряжении установки, кВ
|
|
35
|
|
ПС - 70
|
3
|
|
ПФ - 70
|
3
|
Для натяжных гирлянд количество изоляторов увеличивают на
один.
Подвесные изоляторы на термическую и электродинамическую
стойкость по режиму короткого замыкания и по разрушающей нагрузке не
проверяются.
7.2.2 Выбор
опорных изоляторов
Опорные изоляторы служат для крепления и изоляции жестких шин
распределительных устройств.
Они выбираются по следующим условиям с учетом их конструкции
и места установки:
Uн≥Uр; F≤0.6Fразр
Сила F, действующая на изолятор при коротком замыкании в Ньютонах
определяется по формуле:

, (28)
где, i - ударный ток трехфазного короткого
замыкания, равный 12,4 кА
l - расстояние между соседними изоляторами одной фазы, равное 4 м.
a - расстояние между осями шин соседних фаз, равное 1 м.

Н
кВ≥35 кВ; 108,3 ≤ 0,6×3680
Условия выполняются, выбираю ОФ-35-375, и выписываю характеристики
в таблицу 12.
Таблица 12 - Характеристики опорного фарфорового изолятора
|
Тип изолятора
|
Напряжение
номинальное, кВ
|
Минимальная
разрушающая нагрузка, Н
|
Масса, кг
|
|
ОФ-35-375
|
35
|
7,10
|
7.2.3 Выбор
проходных изоляторов
Проходные изоляторы в зависимости от конструкции и места
установки выбираются по следующим условиям:
) По номинальному напряжению
Uн≥Uр
35 кВ ≥ 35 кВ
) По номинальному току
Iн ≥ Iрmax
А ≥ 126 А
) По допустимой нагрузке:
F ≤ 0,6Fразр
Сила F, действующая на изолятор в Ньютонах, определяется по
формуле:

(29)
где, i, l, a то же что и в формуле 28

Н
,12 Н ≤ 7500 Н
Условия выполняются, выбираю П-35/4000-30000, и выписываю
характеристики в таблицу 13.
Таблица 13 - Характеристики проходного изолятора
|
Тип изолятора
|
Номинальное напряжение,
кВ
|
Номинальный ток
токоведущего стержня, А
|
Максимальное
разрушающее усилие на изолятор, Н
|
|
П-35/4000-30000
|
35
|
4000
|
30000
|
7.3 Выбор и
проверка оборудования для РУ - 35 кВ
Электрические аппараты выбирают по условиям длительного
режима работы сравнением рабочего напряжения наибольшего длительного рабочего
тока присоединения, где предполагается установить данный аппарат, с его
номинальным напряжением и током. Все аппараты и токоведущие части
электроустановок, выбранные по условиям их длительной работы при нормальном
режиме, проверяют по режим у короткого замыкания. Согласно ПУЭ изготовке по
режиму короткого замыкания не подлежат: аппаратура и проводники, защищенные
высокоомными токоограничительными сопротивлениями; провода воздушных линий всех
напряжений; проводники к индивидуальным приемникам, за исключением
ответственных.
7.3.1 Выбираю
выключатель по условию
1) По номинальному напряжению: Uн ≥ Uр
2) По номинальному длительному току: Iн≥Iр. max
) По номинальному периодическому току отключения: Iн. отк≥Iк
) По предельному периодическому току КЗ: Iпр. с≥Iк
) По ударному току: iпр. с≥iу
) По термической стойкости: I2тtт≥Вк
При выборе выключателей его паспортные характеристики
сравнивают с расчетными условиями работы на подстанции. Все условия выбора проверяю
в таблице 14.
Таблица 14 - Выбор высоковольтного выключателя
|
Тип выключателя
|
Соотношение
паспортных данных
|
|
Условие
выбора/условие проверки
|
|
Uн /Up
|
Iн /Ip. max
|
Iн отк/ Ik
|
Iпр/ Iк
|
iпрс/iуд
|
I2tт/Bк
|
|
ВВУ-35А-40/2000У1
|
35/40,5
|
2000/126
|
40/4,85
|
40/4,85
|
102/24,2
|
126/ 41,2
|
7.3.2 Выбираю
разъединитель по условию
1) По номинальному напряжению: Uн ≥ Uр;
2) По номинальному току: Iн≥Iр. max;
) По электродинамической стойкости: iпр. с≥iу;
) По термической стойкости: I2тtт≥Вк;
При выборе разъединителей следует учитывать место его
расположения, количество и расположение заземляющих ножей.
Все условия выбора и проверки свожу в таблицу 15.
Таблица 15 - Выбор и проверка разъединителей.
|
Тип аппарата
|
Тип привода
|
Соотношение
паспортных данных
|
|
|
Uн/Upmax
|
Iн / Ip. max
|
iпрс/lу
|
I2tт/Bк
|
|
РНД (З) -
35/2000
|
ПР - 90
|
35/ 35
|
2000/126
|
84/12,4
|
126/41,2
|
7.4 Выбираю
трансформатор тока по условию
1) По номинальному напряжению: Uн ≥ Uр;
2) По номинальному току: Iн≥Iр. max;
) По электродинамической стойкости: Iнкд≥iу;
) По термической стойкости: (Iнкт) 2tт≥Вк
) По нагрузке вторичной цепи: Z 2н ≥ Z 2
Проверяю по нагрузке вторичной цепи:
Z 2н ≥ Z 2, где
Z 2н - номинальная допустимая нагрузка проверяемой
обмотки ТТ в выбранном классе точности, Ом;
Z 2 - вторая нагрузка, присоединенная к проверяемой
обмотке ТТ, Ом;
Z 2 ≈ R2≈Rприб + Rпр +Rконт, где
Rприб - сопротивление катушек всех последовательно
включенных приборов, Ом;
Rпр - сопротивление соединительных проводов;
Rконт - сопротивление переходных контактов, принимаемое
0,05 Ом при 2 - 3 приборах и 0,1 Ом при большем числе приборов;
Rприб = Rа + Rсч. а + Rсч. р, где
Rа - сопротивление присоединенного амперметра;
Rсч. а - сопротивление присоединенного счетчика
активной энергии;
Rсч. ар - сопротивление присоединенного счетчика
реактивной энергии;
rпр = ρlрасч/?,
где
ρ - удельное сопротивление
материала провода; используют провода и кабели с алюминиевыми жилами, равное
2,83 ×10-8 Ом × м;
lрасч - расчетная длинна соединительного провода; для
РУ - 35 кВ = 60 - 75 м;
? - сечение соединенных проводов для
алюминиевых жил, сечением 4×10-6 м2;
Rприб = 0,02 + 0,1 + 0,1 = 0,22 Ом;
Rпр = 2,83 × 10 - 8 × 60/4 × 10-6 =
0,43Ом;
Rконт = 0,05 Ом;
R2 = Rприб + Rпр + Rконт = 0,43 + 0,22 + 0,05 = 0,7 Ом;
Z 2н = 1,2 Ом
Z 2н ≥ Z 2;
,2 ≥ 0,7 - условие проверки по нагрузке вторичных цепей
удовлетворяет.
Выбор трансформатора тока сводим в таблицу 16
Таблица 16 - выбор трансформатора тока.
|
Тип
трансформатора тока
|
Uн/Up max
|
Iн /Ip max
|
Нагрузка при
классе точности 0,5
|
Кт/tт
|
Кд
|
Проверка на стойкости
|
|
|
|
|
|
|
Термическая
|
Динамическая
|
|
ТФН-35М
|
35/35
|
2000/126
|
1,2
|
70/1
|
165
|
90
|
250
|
Расчетная схема для проверки трансформатора тока по классу
точности.
Схема соединения ТТ с приборами "полной звездой":
7.5 Выбираю
трансформатор напряжения по условию
1) По номинальному напряжению: Uн ≥ Uр;
2) По нагрузке вторичной цепи: S2н≥S2;
Проверяю по нагрузке вторичной цепи:
S2н≥S2, где
S2н - номинальная мощность трансформатора в
выбранном классе точности, ВА.
При использовании однофазных трансформаторов, соединенных в
трехфазную группу звездой: S2н = 3Sн, а при соединении по схеме открытого
треугольника:
S2н = 2Sн, где
Sн - номинальная мощность однофазного
трансформатора, ВА;
S2 - мощность потребляемая всеми приборами и реле,
присоединенными к вторичной обмотке ТН, ВА;

, где
∑Рприб - сумма активных мощностей всех приборов,
Вт;
∑Qприб - сумма реактивных мощностей всех приборов, вар;
S2н =2Sн = 2×150 =
300 ВА;

; S2н ≥ S2;
ВА≥ 49,9 ВА - условие проверки по нагрузке вторичных цепей
удовлетворяет. Результаты заносим в таблицу 17.
Таблица 17 - Характеристики трансформатора напряжения
|
Тип
|
Напряжение, В
|
Номинальная
мощность ВА, в классе точности
|
Предельная
мощность, ВА
|
Схема и группа
соединения обмоток
|
|
первичное
|
вторичное
|
дополнительной
обмотки НН
|
|
|
|
|
U1н
|
U2н
|
|
0,5
|
1
|
3
|
|
|
|
ЗНОМ--35-65
|
35000
|
100
|
100/3
|
150
|
250
|
600
|
1200
|
1/1-0
|
Составляю расчетную схему для проверки трансформатора
напряжения
ЗНОМ-35-65 по классу точности:
Определяю нагрузки подключения к трансформатору напряжения,
сводя их в таблицу:
|
Прибор
|
Тип
|
Число катушек
напряжения
|
Число приборов
|
Катушки
|
Cosα
|
Sinα
|
Общая мощность
|
|
|
|
|
|
|
|
∑Рприб
|
∑Qприб
|
|
Счетчик
активной энергии
|
САЗУ - 4670
|
2
|
4
|
4
|
0,38
|
0,93
|
12,15
|
29,75
|
|
Счетчик
реактивной энергии
|
СРУ-И 673
|
3
|
4
|
7,5
|
0,38
|
0,93
|
34,2
|
83,7
|
|
Вольтметр
|
Э-377
|
1
|
1
|
2,0
|
1
|
0
|
2,0
|
0
|
|
Реле напряжения
|
РН-54
|
1
|
3
|
1,0
|
1
|
0
|
3
|
0
|
|
Итого:
|
|
51,3
|
113,4
|
|
|
|
|
|
|
|
|
|
|
8.
Специальный: Схема разьединителя 110кВ
Передвижные тяговые подстанции предназначены для замены
одного преобразовательного агрегата или понижающего трансформатора на
стационарных тяговых подстанциях переменного тока. При необходимости они могут
быть установлены на перегоне между стационарными подстанциями. Соответственно
их называют передвижными тяговыми подстанциями переменного тока. Необходимость
замены преобразовательного агрегата или трансформатора передвижной тяговой
подстанции возникает при выведении этого оборудования в капитальный ремонт или
замене новым физически и морально устаревшего оборудования на стационарной
подстанции. Особенно необходимы передвижные подстанции на участках, где на
стационарных подстанциях установлены по одному преобразовательному агрегату или
понижающему трансформатору. В этом случае они обеспечивают замену не только
основного агрегата на период выведения его в плановый или аварийный ремонт, но
могут быть использованы для увеличения мощности стационарной подстанции на
период интенсивных перевозок грузов. Эксплуатируемые на нашей сети передвижные
тяговые подстанции могут работать самостоятельно и совместно со стационарными
тяговыми подстанциями, так как укомплектованы всем необходимым силовым
оборудование. Хотя это и удорожает их стоимость, но повышает маневренность,
быстроту ввода в действие и обеспечивает возможность установки в местах, где
нет стационарных тяговых подстанций. Защиты оборудования от ненормальных и
аварийных режимов, средства автоматики и питания собственных нужд на
передвижных тяговых подстанциях имеют такое же принципиальное решение, как и на
стационарных подстанциях, отличаясь в некоторых случаях меньшим объемом,
учитывающим специфику передвижных электроустановок. На участках энергоснабжения
предусматривается одна передвижная подстанция на шесть - восемь стационарных
подстанций. Передвижные подстанции и трансформаторы выполняют так, чтобы
устанавливаемое на платформах оборудования вписывалось в габарит подвижного
состава и находилось в постоянной готовности к вводу в действие.
Тяговые подстанции переменного тока располагают на
платформах. На первой платформе имеются: отделитель 1, разрядники 2,
короткозамыкатель 3, заземляющие разъединители 4 в двух фазах, разрядник 6 и
разъединитель 7 в цепи нейтрали. На отдельной второй платформе-лафете размещен
трансформатор 8 со встроенными ТТ 5. На третьей платформе размещены устройства
питания СЦБ, разъединитель 10 и ТТ 9 для подключения дифференциальной защиты
трансформатора 8, выключатели 11 и 12 с разъединителями 18,19 и разрядниками 21
фидеров Ф1 и Ф2 контактной сети, выключатель 13 с предохранителями 14 и ТСН 17
с предохранителями 15.
В вагоне размещены стойки защиты, автоматики и управления
трансформатором 8, фидерами 27,5 кВ и ДПР, устройствами СЦБ, общеподстанционной
сигнализации и собственных нужд; купе-салон на четыре места для обслуживающего
персонала. Аккумуляторная батарея расположена в двух ящиках под рамой вагона.
Фаза С трансформатора соединяется с тяговым рельсом шинами
или кабелем. Все оборудование подстанции заземлено на металлические рамы
подвижного состава.
9.
Мероприятия по технике безопасности и экология
Для обеспечения безопасных условий работы
и эксплуатации электроустановок необходимо строго придерживаться правил
устройства электроустановок, Правил технической эксплуатации электроустановок
потребителей и Правил техники безопасности при эксплуатации электроустановок
потребителей.
В соответствии с ТТБ при эксплуатации
электроустановок к работам в электроустановках допускают лиц, достигших 18
летнего возраста, не имеющих увечий и болезней, мешающих производственной
работе и прошедших медицинское освидетельствование и соответствующую
теоретическую и практическую подготовку и проверку знаний с присвоением
квалификационной группы по электробезопасности. Установлено пять квалификационных
групп. Группу I присваивают неэлектротехническому персоналу, связанному с
работой, при выполнении которой может возникнуть опасность поражения
электрическим током: уборщикам помещений с электроустановками; персоналу,
обслуживающему электроустановки; работникам, использующим электроинструмент. II
группу присваивают электромонтёрам, электрослесарям, электросварщикам,
машинистам грузоподъёмных машин и кранов, практикантам институтов, техникумов и
профессионально-технических училищ. Электромонтёры, электрослесари, ремонтный
персонал электроустановок могут иметь III-IV или V квалификационную группу в
зависимости от стажа работы в электроустановках и от стажа работы с предыдущей
квалификационной группой по технике безопасности.
Согласно ПУЭ безопасность обслуживающего
персонала и посторонних лиц должна обеспечиваться:
· применением надлежащей
изоляции, а в отдельных случаях повышенной;
· соблюдением
соответствующих расстояний до токоведущих частей или путём их закрытия,
ограждения;
· надёжным и быстродействующим
автоматическим отключением частей электрооборудования, случайно оказавшихся под
напряжением;
· заземлением и занулением
корпусов электрооборудования элементов электроустановок, которые могут
оказаться под напряжением вследствие повреждения изоляции;
· выравниванием
потенциалов;
· усилением
предупредительной сигнализации, надписей и плакатов;
· использование защитных
средств и приспособлений.
Во всех целях РУ должна быть предусмотрена
установка разъединяющих устройств с видимым разрывом, обеспечивающих
возможность отсоединения от источников напряжения. РУ напряжением 3кВ и выше
должны быть оборудованы оперативной блокировкой.
В РУ с простыми схемами электрических
соединений рекомендуется применять механическую блокировку, а в отдельных
случаях электромагнитную.
Блокировки безопасности должны не
допускать открывания дверей в различные камеры РУ до момента отключения
разъединителей, снижающих напряжение с токоведущих частей расположенных в
камере, и включения заземляющих ножей.
В каждом РУ должны находиться достаточное количество
переносных заземлений, защитные средства и средства по оказанию первой помощи в
соответствии с правилами техники безопасности.
Комплексные распределительные устройства без выкатных тележек
имеют блокировки исключающие доступ в отсек аппаратуры высокого напряжения со
стороны выключателя при включении разъединителя и не дают возможности включить
разъединитель при открытой двери шкафа.
Для защиты людей от поражения электрическим током при
повреждении изоляции применяют следующие: защитные отключения, заземления,
зануления, двойную изоляцию, выравнивание потенциалов.
Технические мероприятия заключаются в соблюдении
противопожарных норм при сооружении зданий, выборе и монтаже
электрооборудования, и т.д. Здания или сооружения должны быть 1 или 2 степени
огнестойкости по противопожарным нормам.
Подстанции должны быть оборудована автоматической пожарной
сигнализацией с передачей сигнала о возникновении пожара.
Экология
Под экологической безопасностью объектов железнодорожного
транспорта понимают сохранение экологического равновесия в природе при
строительстве и эксплуатации железнодорожного транспорта и связанных с ним
технологических комплексов. Для обеспечения экологической безопасности
необходимо, при реконструкции существующих или создании новых предприятий
железнодорожного транспорта, учитывать требования и рекомендации по защите
окружающей среды, производить предотвращение необратимых процессов разрушающих
биосферу, уменьшать риск техногенных аварий и катастроф, связанных с
железнодорожным транспортом. Реализация экологической безопасности базируется
на практическом подходе к анализу и прогнозированию изменений и последствий,
которые могут возникнуть в природных экосистемах и биосфере в целом под
воздействием промышленной и транспортной инфраструктуры.
Реализация требований по обеспечению экологической
безопасности объектов железнодорожного транспорта заключается в определении
отношений фактических показаний воздействия на воздух, воду, почву.
Для каждого предприятия железнодорожного транспорта
установлены предельно допустимые нормы по выбросу в атмосферу, в водоемы
вредных веществ, предельно допустимый уровень шума, вибрации, электромагнитных
излучений и электрических полей.
Экологии на железнодорожном транспорте должно уделяется
большое внимание, поскольку окружающая нас природная среда уже далеко не в том
состоянии, в котором она была сто, пятьдесят или десять лет тому назад.
Хочу заметить, что сейчас необычайно важен технический
прогресс на транспорте, так как он сказывается на снижении себестоимости
перевозок и тарифов, увеличении скорости движения, повышения качества
транспортных услуг и уменьшения загрязнения окружающей среды.
Энергоснабжение может явиться ключом к решению многих
экологических проблем.
Заключение
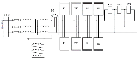
По ходу выполнения данного курсового проекта были
спроектированы основные элементы тяговой транзитной подстанции, разработана
однолинейная схема тяговой подстанции, которая определяет наименование
выбранного оборудования и измерительной аппаратуры.
Кроме того были произведенный расчеты токов рабочих и
аварийных режимов работы тяговой подстанции, на основание которых и проводился
выбор оборудования для данной подстанции, такие как токоведущие части, сборные
шины, ОПН, ТСН, трансформаторы тока и напряжения, разъединители, изоляторы и
высоковольтные выключатели. Все значение по выбираемому и в конце выбранному
оборудованию сведены в таблицы. При проектировании подстанции были рассмотрены
как отечественные производители оборудования, так и зарубежные, в результате
чего в большинстве случаем предпочтение было отдано отечественным
производителям.
Список
используемой литературы
1. Почаевец
В.С. Электрические подстанции: Учебник для техникумов и колледжей ж. - д.
транспорта - М.: Желдориздат, 2014. - 512 с.
2. Почаевец
В.С. Автоматизированные системы управления устройствами электроснабжения
железных дорог: Учебник для техникумов и колледжей ж. - д. транспорта - М.:
Маршрут, 2013. - 318 с.
. Прохорский
А.А. Тяговые и трансформаторные подстанции: Учебник для техникумов ж. - д.
транспорта - 4-е изд., пераб. и доп. - М.: Транспорт, 1983 - 496 с.
. Гринберг
- Басин М.М. Тяговые подстанции: Учебное пособие для техникумов ж. - д.
транспорта - М.: Транспорт, 2010. - 168 с.
. Петров
Е.Б. электрические подстанции/Методическое пособие по дипломному и курсовому
проектированию. Маршрут, 2004. - 246с