Проектирование электрической подстанции
Содержание
Введение
Задание на курсовой проект
. Выбор структурных схем
подстанций и расчет перетоков мощности через трансформаторы связи
. Выбор трансформатора связи
. Расчет токов короткого
замыкания
. Определение значения тока
КЗ для момента времени Т
. Выбор коммутационных
аппаратов РУ
. Выбор измерительных
трансформаторов тока и напряжения
. Выбор токоведущих частей РУ
Заключение
Список используемой литературы
подстанция трансформатор ток
замыкание
Введение
Для реализации стратегических планов РК необходима
перестройка всего народного хозяйства, направленная прежде всего на то, чтобы
придать общественному развитию мощный импульс ускорения с помощью
научно-технического прогресса, определяемого в наибольшей степени энергетикой и
автоматикой всех отраслей народного хозяйства.
Важнейшие задачи, решаемые энергетиками и
энергостроителями, состоят в непрерывном увеличении объемов производства, в
сокращении сроков строительства новых энергетических объектов и реконструкции
старых, уменьшении удельных капиталовложений, в сокращении удельного расхода
топлива, повышении производительности труда, в улучшении структуры производства
электроэнергии и т.д.
В области электроснабжения потребителей эти
задачи предусматривают повышение уровня проектно-конструкционных разработок,
внедрение и рациональную эксплуатацию высоконадежного электрооборудования,
снижение непроизводительных расходов электроэнергии при ее передаче,
распределении и потреблении.
Развитие и усложнение структуры степени
электроснабжения, возрастающие требования к экономичности и надежности их
работы в сочетании с изменяющейся структурой и характером потребителей
электрической энергии, широкое внедрение устройств управления распределения и
потребления электроэнергии на базе современной вычислительной техники ставят
проблему подготовки высококвалифицированных инженеров.
Важнейшим этапом в развитии творческой
деятельности будущих специалистов являются курсовое и дипломное проектирование,
в ходе которого развиваются навыки самостоятельного решения инженерных задач и
практического применения теоретических знаний.
В перспективе стоит задача всемирного развития и
использования возобновляемых источников энергии: солнечной, ветровой, приливной
и других.
В зависимости от вида используемой энергии
различают электростанции тепловые, гидравлические, ветряные атомные и другие. В
зависимости от первичного двигателя, приводящего во вращение электрический
генератор тепловые электрические станции с паровыми турбинами и с двигателями
внутреннего сгорания.
Задание на курсовой проект
Спроектировать электрическую подстанцию. По
результатам расчетов токов КЗ выбрать коммутационные аппараты, токоведущие
части и измерительные трансформаторы для РУ напряжений 110, 35, 6 кВ
Таблица 1 - Исходные данные
|
Последняя
цифра зачетной книжки
|
Напряжение,
кВ
|
Нагрузка
|
Коэффициент
мощности
|
Параметры
энергосистемы
|



МВт
МВт


|
МВАКол.
линий , км
|
|
|
|
|
|
|
|
|
|
|
|
|
8
|
110
|
35
|
6
|
30
|
25
|
0,87
|
0,85
|
0,93
|
1200
|
2
|
15
|
Графики нагрузок потребителей
Рис.1
Рис.2
.
Выбор структурных схем подстанци и расчет перетоков мощности через
трансформаторы связи
В соответствии с исходными данными выбираем
схему подстанции, которая приведена на рис.3. На шинах низшего напряжения для
повышения коэффициента мощности установлены батареи статических конденсаторов.
Так как от шин подстанции получают электроэнергию потребителей первой
категории, то устанавливаем по два трансформатора. Исходя из заданных
напряжений.
РУ ВН = 110кВ
РУ СН = 35кВ
РУ НН = 6кВ
Рис.3 - Главная схема подстанции
Составление графиков полной мощности подстанции
Для составления графиков полной мощности на
стороне ВН необходимо определить активную, реактивную, полную мощности на
сторонах СН и НН.
Значения активных мощностей на СН и НН
определяются по формулам
Где
- активные мощности по заданию на
сторонах СН и НН соответственно,
- активные мощности на сторонах СН и
НН соответственно на участке времени
,
Реактивная мощность на стороне СН
определяется по формуле
Для составления графиков полной
мощности необходимо определить реактивную мощность. Реактивную мощность можно
определить по формуле
Где
- определяется по значению
на СН,
Реактивная мощность на стороне НН
определяется по формуле
определяется по значению
определяется по значению
Полная мощность, передаваемая через
обмотку на СН и НН рассчитывается по формулам
Мощности на стороне ВН подстанции
Полученные значения вносим в таблицы
2, 3, 4. В таблице 2 значения мощностей для зимнего (максимального) режима
работы. В таблице 3 значения мощностей для летнего (минимального) режима
работы. В таблице 4 значения мощностей для аварийного режима. Аварийным режимом
работы будем считать отключение одного трансформатора и КУ при работе
подстанции в максимальном режиме.
Таблица 2 - Мощности, протекающие
через обмотки трансформаторов в зимний период
|
Мощность,
передаваемая через обмотки тр-ра
|
Продолжительность
ступеней графиков нагрузок по времени
|
|
0-8
|
8-10
|
10-14
|
14-20
|
20-22
|
22-24
|
|
Pсн,
МВт
|
19,5
|
19,5
|
25,5
|
30
|
30
|
24
|
|
Qсн,
Мвар
|
11,115
|
11,115
|
14,535
|
17,1
|
17,1
|
13,68
|
|
Sсн,
МВА
|
22,4
|
22,4
|
29,3
|
34,5
|
34,5
|
27,6
|
|
Pнн,
МВт
|
15
|
25
|
25
|
25
|
21,25
|
21,25
|
|
Qпотр,
Мвар
|
6
|
10
|
10
|
10
|
8,5
|
8,5
|
|
Qку,
Мвар
|
-3,3
|
-5,5
|
-5,5
|
-5,5
|
-4,675
|
-4,675
|
|
Qнн,
Мвар
|
9,3
|
15,55
|
15,55
|
15,55
|
13,175
|
13,175
|
|
Sнн,
МВА
|
17,6
|
29,4
|
29,4
|
29,4
|
25
|
25
|
|
Pвн,
МВт
|
34,5
|
44,5
|
50,5
|
55
|
51,25
|
45,25
|
|
Qвн,
Мвар
|
20,415
|
26,615
|
30,035
|
45,5
|
43,175
|
37,175
|
|
Sвн,
МВА
|
40,08
|
51,85
|
58,75
|
71,38
|
67,01
|
58,56
|
Таблица 3 - Мощности, протекающие через обмотки
трансформаторов в летний период
|
Мощность,
передаваемая через обмотки тр-ра
|
Продолжительность
ступеней графиков нагрузок по времени
|
|
0-6
|
6-12
|
12-18
|
18
- 20
|
20
- 24
|
|
Pсн,
МВт
|
18
|
18
|
24
|
24
|
19,5
|
|
Qсн,
Мвар
|
10,56
|
10,56
|
13,68
|
13,68
|
11,115
|
|
Sсн,
МВА
|
20,86
|
20,86
|
27,62
|
27,62
|
22,44
|
|
Pнн,
МВт
|
12,5
|
21,25
|
21,25
|
15
|
15
|
|
Qпотр,
Мвар
|
5
|
10,825
|
10,825
|
6
|
6
|
|
Qку,
Мвар
|
-2,75
|
-4,675
|
-4,675
|
-3,3
|
-3,3
|
|
Qнн,
Мвар
|
7,75
|
15,5
|
15,5
|
9,3
|
9,3
|
|
Sнн,
МВА
|
13,46
|
24,05
|
24,05
|
16,15
|
16,15
|
|
Pвн,
МВт
|
30,5
|
39,25
|
45,25
|
39
|
34,5
|
|
Qвн,
Мвар
|
18,31
|
26,06
|
36,75
|
22,98
|
20,415
|
|
Sвн,
МВА
|
35,57
|
47,11
|
58,29
|
45,26
|
40,08
|
Таблица 4 - Мощности, протекающие через обмотки
трансформаторов в аварийный период
|
Мощность,
передаваемая через обмотки тр-ра
|
Продолжительность
ступеней графиков нагрузок по времени
|
|
0-8
|
8-10
|
10-14
|
14-20
|
20-22
|
22-24
|
|
Pсн,
МВт
|
19,5
|
19,5
|
25,5
|
30
|
30
|
24
|
|
Qсн,
Мвар
|
11,115
|
11,115
|
14,535
|
17,1
|
17,1
|
13,68
|
|
Sсн,
МВА
|
22,4
|
22,4
|
29,3
|
34,5
|
34,5
|
27,6
|
|
Pнн,
МВт
|
15
|
25
|
25
|
25
|
21,5
|
21,25
|
|
Qнн,
Мвар
|
9,3
|
15,5
|
15,5
|
15,5
|
13,175
|
13,175
|
|
Sнн,
МВА
|
17,65
|
29,4
|
29,4
|
29,4
|
25
|
25
|
|
Pвн,
МВт
|
34,5
|
44,5
|
50,5
|
55
|
51,25
|
45,25
|
|
Qвн,
Мвар
|
31,7
|
26,615
|
30,035
|
32,6
|
30,275
|
26,855
|
|
Sвн,
МВА
|
46,8
|
51,8
|
58,7
|
63,9
|
59,5
|
52,6
|
Рис.4 - Зимний график нагрузки
Рис.5 - Летний график нагрузки
Рис.6 - Аварийный график нагрузки
2. Выбор трансформатора связи
Выбор номинальной мощности трансформаторов связи
производим на основании рассчитанных суточных графиков мощности через обмотки
трансформаторов. Выбираем трансформаторы по мощности наиболее загруженной
обмотки в нормальном режиме работы. Выбор номинальной мощности трансформаторов
производим по выражению
По справочной литературе выбираем
трансформатор ТДТН-63000/110/35
Проверим на перегрузку выбранный
трансформатор для зимнего режима работы
;
Проверим на перегрузку выбранный
трансформатор для аварийного режима работы
;
Проверим на перегрузку выбранный
трансформатор для летнего режима работы
;
По таблице (1.36), определяем при
,
,
длительность
допустимой нагрузки h=12 ч, что больше длительности max на графике,
следовательно, нагрузка в указанных пределах допустима.
Таким образом, трансформатор
ТДТН-63000/110/35/6 кВ Sном = 63 МВА
удовлетворяет расчетным условиям, следовательно выбран верно.
3. Расчет токов
короткого замыкания
Схема замещения для расчета токов
короткого замыкания представлена на рисунке 7. Расчет ведем в относительных
единицах. Примем за базовую мощность
МВА
Рис.7 - Схема замещения
Определим параметры схемы замещения
Сверхпереходное ЭДС источников
принимаем по таблице 3.4[1]
Индуктивное сопротивление
трансформатора
,
,
,

Сопротивление синхронных
компенсаторов
(для синхронного компенсатора)
Сопротивление ЛЭП
Преобразуем схему
Базисный ток на ступени короткого
замыкания
Значение периодической составляющей
тока КЗ
Значение ударного тока КЗ
Определение тока КЗ в точке К-1
Определим значение периодической
составляющей тока КЗ по ветвям
От системы
От синхронных компенсаторов
Суммарное значение апериодической
составляющей тока КЗ в точке К-1
Определим значение ударного тока КЗ.
Для системы связанной с точкой КЗ воздушными линиями напряжением 110кВ
Определяем ударный коэффициент по
таблице 3,8[1]
Та=0,02с
Для синхронных компенсаторов по
таблице 3,7[1]
Та=0,145с
Ударный ток в точке К-1
Определение тока КЗ в точке К-2
Определим значение периодической
составляющей тока КЗ по ветвям
От системы
От синхронных компенсаторов
Суммарное значение апериодической
составляющей тока КЗ в точке К-1 определяется
Определим значение ударного тока КЗ.
Для системы связанной с точкой КЗ воздушными линиями напряжением 35кВ
Определяем ударный коэффициент по
таблице 3,8[1]
Та=0,02с
Для синхронных компенсаторов по
таблице 3,7[1]
Та=0,145с
Ударный ток в точке К-2
Определение тока КЗ в точке К-3
Определим значение периодической
составляющей тока КЗ по ветвям
От системы:
От синхронных компенсаторов:
Суммарное значение апериодической
составляющей тока КЗ в точке К-1
Определим значение ударного тока КЗ.
Для системы связанной с точкой КЗ воздушными линиями напряжением 6кВ
Определяем ударный коэффициент по
таблице 3,8[1]
Та=0,01с
Для синхронных компенсаторов по
таблице 3,7[1]
Та=0,145с
Ударный ток в точке К-3
Для ограничения тока КЗ на сборных
шинах 6кВ установим сдвоенные реакторы в цепи НН трансформатора (рисунок 8)
Рис. 8 - Сдвоенные реакторы в цепи
трансформатора
Определим максимальный ток
нормального режима в ветви реактора
Определим результирующее
сопротивление цепи К-3 при отсутствии реакторов
Выбираем реактор РБСДГ
10-2х1600-0,25У3
Номинальные характеристики реактора
представлены в таблице 5
Таблица 5
|
Тип
|
   
|
|
|
|
|
|
РБСДГ
10-2×1600-0,25У3
|
10
|
2×1500
|
49
|
8
|
0,25
|
Результирующее сопротивление цепи КЗ с учетом
реакторов
Ом
Фактическое значение периодической
составляющей тока КЗ за реактором
Проверим реактор на стойкость в
режиме КЗ
Проверим на электродинамическую
стойкость
,кА
Реактор выбран верно
Проверим реактор на термическую
стойкость
Проверим на остаточное напряжение
Выбранный реактор удовлетворяет
выбранным требованиям
4. Определение
значение токов КЗ для момента времени Т
В точке К-1
Значения времени отключения
определяем
по рисунку 3.62 [1]
Значение периодической составляющей
от шин неизменного напряжения в системах не изменяется во времени
Определим значение
от
синхронных компенсаторов по кривым рисунок 3.26 [1] определим отношение
где
- ток генераторов в начальный момент
времени до КЗ
Суммарное значение периодической
составляющей в точке К-1 для момента времени
Значение апериодической составляющей
От системы
От синхронных компенсаторов
Суммарное значение апериодической
составляющей тока КЗ в точке К-1
В точке К-2
Значения времени отключения
определяем
по рисунку 3.62 [1]
Значение периодической составляющей
от шин неизменного напряжения в системах не изменяется во времени
Определим значение
от
синхронных компенсаторов по кривым рисунок 3.26 [1] определим отношение
где
- ток генераторов в начальный момент
времени до КЗ
,
Суммарное значение периодической
составляющей в точке К-2 для момента времени
Значение апериодической составляющей
От системы
От синхронных компенсаторов
Суммарное значение апериодической
составляющей тока КЗ в точке К-2
В точке К-3
Значения времени отключения
определяем
по рисунку 3.62 [1]
Значение периодической составляющей
от шин неизменного напряжения в системах не изменяется во времени
Определим значение
от
синхронных компенсаторов по кривым рисунок 3.26 [1] определим отношение
где
- ток генераторов в начальный момент
времени до КЗ
Суммарное значение периодической
составляющей в точке К-3 для момента времени
Значение апериодической составляющей
От системы
От синхронных компенсаторов
Суммарное значение апериодической
составляющей тока КЗ в точке К-3
Таблица 6
|
Точка
КЗ
|
   Источник
|
|
|
|
|
|
К-1
|
4,71
|
8,3
|
4,71
|
0,016
|
С
|
|
0,391
|
1,06
|
0,266
|
0,196
|
КС
|
|
5,14
|
9,36
|
5,01
|
0,212
|
Общ.
|
|
К-2
|
5,518
|
4,71
|
5,518
|
0,0004
|
С
|
|
1,312
|
3,57
|
0,852
|
0,4696
|
КС
|
|
6,83
|
8,28
|
6,37
|
0,47
|
Общ.
|
|
К-3
|
24,45
|
47,12
|
24,45
|
2,06
|
С
|
|
8,66
|
23,566
|
5,02
|
1,55
|
КС
|
|
33,11
|
70,68
|
29,47
|
3,61
|
Общ.
|
. Выбор коммутационных аппаратов РУ
Выбор коммутационных аппаратов РУ 110кВ
Определим максимальный ток в аварийном режиме на
шинах 110кВ
Выбираем масляный баковый
выключатель МКП-110Б-630-20У1 и разъединитель РНД-110/630У1
Тепловой импульс полного тока КЗ
Проверим выключатель и разъединитель
Таблица 7
|
Расчетные
данные
|
Каталожные
данные
|
|
Выключатель
МКП-110Б-630-20У1
|
разъединитель
РНД-110/630-У1
|
|
 
|
|
|
|
430Iном=630АIном=630А
|
|
|
|
4,75Iотк.ном=20-
|
|
|
|
iaτ=0.016 кА
|
Iа.ном= -
|
|
|
In0=4,75 кА
|
Iдин=25 кА
|
-
|
|
iу=11,8 кА
|
iдин=64 кА
|
iдин=80 кА
|
|
Bк=3,94  
|
|
|
Выбор коммутационных аппаратов РУ на 35кВ
Выбираем выключатель воздушный
ВВУ-35А-40/2000У1 и разъединитель РНД-35/2000У1
Тепловой импульс полного тока КЗ:
Проверяем выключатель и
разъединитель. Все расчётные и каталожные данные сведены в таблице 8
Таблица 8.
|
Расчетные
данные
|
Каталожные
данные
|
|
Выключатель ВБ-35-1000-20У1
|
Разъединитель РНД-35/1000У1
|
|
Uуст=35 кВ
|
Uном=35 кВ
|
Uном=35 кВ
|
|
Iмах=1353 А
|
Iном=2000А
|
Iном=2000А
|
|
inτ=5,518 кА
|
Iотк.ном=40А
|
-
|
|
iaτ=0,0004 кА
|
Iа.ном= -
|
|
|
In0=5,518 кА
|
Iдин=40 кА
|
-
|
|
iу=3,57 кА
|
iдин=40 кА
|
iдин=80кА
|
|
Bк=6,7  
|
|
|
Принимаем выбранный выключатель и разъединитель.
Выбор коммутационных аппаратов РУ на 6кВ
Принимаем время действия релейной
защиты (с учетом резервной) iотк=4 с.
Тепловой
импульс полного тока КЗ:
Выбираем выключатель
ВМПЭ-10-1600-20УЗ в цепи сдвоенного реактора и такой же секционный выключатель. Проверяем
линейный и секционный выключатель. Все расчётные и каталожные данные сведены в
таблице 9.
Таблица 9.
|
Расчетные
данные
|
Каталожные
данные
|
|
Выключатель ВМПЭ-10-1600-31,5УЗ
|
|
Uуст= 6 кВ
|
Uном=10 кВ
|
|
Iмах=1416 А
|
Iном=1600 А
|
|
inτ=24,45 кА
|
Iотк.ном=31,5А
|
|
iaτ=2,06 кА
|
Не
нормируется
|
|
In0=24,45 кА
|
Iдин=31,5 кА
|
|
iу=29,47 кА
|
iдин=80 кА
|
|
Bк=6,7 
|
|
В цепи трансформатора на НН наметим к установке
разъединитель РВД-10/4000У3
Проверим выбранный разъединитель.
Все расчётные и каталожные данные представлены в таблице 10.
Таблица 10.
|
Расчетные
данные
|
Каталожные
данные
|
|
Разъединитель РВД-10/4000У3
|
|
Uуст= 6 кВ
|
Uном=10 кВ
|
|
Iмах=2832 А
|
Iном=4000 А
|
Iдин=180кА
|
|
Bк=6,7 
|
|
Принимаем выбранный разъединитель.
6. Выбор измерительных трансформаторов тока и
напряжения
Перечень необходимых измерительных приборов
выбираем по таблице 4.11 [4].
Для проверки трансформатора тока по вторичной
нагрузке, пользуясь схемой включения и каталожными данными приборов, определяем
нагрузку по фазам для наиболее загруженного трансформатора (таблица 11).
Таблица 11
|
Прибор
|
Тип
|
Класс
точности
|
Потребляемая
мощность катушки, В*А
|
|
|
|
Напряжение
|
Ток
|
|
Амперметр
|
Э-351
|
1,5
|
-
|
0,5
|
|
Ваттметр
|
Д-335
|
1,5
|
1,5
|
0,5
|
|
Варметр
|
Д-304
|
1,5
|
2
|
0,5
|
|
Счетчик
активной энергии
|
САЗ-И364
|
1,0
|
3,0
Вт
|
2,5
|
|
Счетчик
реактивной энергии
|
СРИ-И689
|
1,5
|
3,0
Вт
|
2,5
|
Трансформатор тока выбирают, исходя из условий:
Uуст≥Uном
; Iнорм<I1ном; Imax<
I1ном; iуд <Kэд√2I1ном
; iу<
iдин ;
В шкафах КРУ серии К-ХХVII
применяются трансформаторы ТПШЛ-10-4000-0.5/10Р.
Определим сопротивление приборов:
где SПРИБ - мощность,
потребляемая приборами, ВА;
- вторичный номинальный ток
прибора, А.
Допустимое сопротивление проводов:
ПР = Z2НОМ - RПРИБ - RK
RПР = 0,8 - 0,26
- 0,1 = 0,44 Ом
На подстанциях с ВН > 110
кВ применяют кабель с медными жилами. (ρ=0,0175 Ом/м)
2=rприб+rпр+rк=0,26+0,238+0,1=0,598
ом.
- стандартное сечение 2,5мм2
Трансформаторы тока соединяются в
полную звезду, следовательно, lрасч=l=34 по [1]
стр.374-375
=40-40*15/100=34 ,м
Сечение кабеля
где p - удельное
сопротивление материала провода.
Согласно ПУЭ по условию механической
прочности, сечение медных жил кабеля должно быть не меньше 2,5 мм2.
Принимаем контрольный кабель ККВГ с жилами сечением 2,5 мм2.
Проверяем трансформатор тока
|
Расчетные
данные
|
Каталожные
данные
|
|
Uуст=6 кВ
|
Uном=10 кВ
|
|
Iмах=2832 А
|
I1 ном=4000 А
|
|
Iу=70,68 кА
|
Не
проверяется
|
|
Bк=6,7 (35*4)2*3=58800
кА2*с
|
|
|
R2=0,598 ом
|
R2ном=0,8
|
Схема подключения приборов на стороне СН АТ
аналогична схема подключения на стороне НН.
Выбираем трансформатор тока ТФЗМ 35А/У1
r2=1,2
ом в классе точности 0,5: iдин=62
кА, Iтер=16
кА, tтер=3
с,
Допустимое сопротивление проводов:
пр=1,2-0,26-0,1=0,84
ом
Принимаем кабель КВВГ с жилами
сечения 2,5 мм2
|
Расчетные
данные
|
Каталожные
данные
|
|
Uуст=35 кВ
|
Uном=35 кВ
|
|
Iмах=1416 А
|
I1 ном=5000 А
|
|
iу=8,28 A
|
iдин=62 кА
|
|
Bк=6,7 162*3=768
кА2*с
|
|
|
R2=0.7 ом
|
R2ном=1,2
|
Принимаем выбранный трансформатор тока
На стороне ВН намечаем к установке трансформатор
тока ТФЗМ 110Б-1-400-0,5/10Р
2=1,2
ом, iдин=84
кА, Iтер=9
кА, tтер=3
с.
Таблица
|
Расчетные
данныеКаталожные данные
|
|
|
Uуст=110 кВ
|
Uном=110 кВ
|
|
Iмах=430 А
|
I1 ном=900 А
|
|
iу=9,36
кA
|
iдин=84 кА
|
|
Bк=3,94 92*3=243
кА2*с
|
|
Принимаем выбранный трансформатор тока
Выбор трансформатора напряжения для сборных шин
6 кВ
|
Прибор
|
Тип
|
Мощность
первичной обмотки
|
Число
обмоток
|
cos φ
|
sin φ
|
Число
приборов
|
Общая
потребляемая мощность
|
|
|
|
|
|
|
|
P, Вт
|
Q, вар
|
|
Вольтметр
(Сборные шины)
|
Э-335
|
2
|
1
|
1
|
0
|
2
|
4
|
-
|
|
Ваттметр
|
Ввод
10 кВ
|
Д-335
|
1,5
|
2
|
1
|
0
|
1
|
3
|
-
|
|
Варметр
|
|
Д-304
|
2
|
2
|
1
|
0
|
1
|
4
|
-
|
|
Счетчик активной энергии
|
|
И-674
|
3
|
2
|
0,38
|
0,925
|
1
|
6
|
14,5
|
|
Счетчик
реактивной энергии
|
|
И-689
|
3
|
2
|
0,38
|
0,925
|
1
|
6
|
14,5
|
|
Итого:
|
|
|
|
|
|
|
23
|
29
|
Выбираем трансформатор напряжения НТМИ-10-1УЗ: U=10
кВ, Sном=50
В*А в классе точности 0,5
ВА
Таким образом, выбранный
трансформатор будет работать в классе точности 0,5. Для соединения
трансформаторов напряжения с приборами принимаем по условию механической
прочности контрольный кабель КРВГ с сечением жил 1,5 мм2.
7. Выбор токоведущих частей РУ
Выбор токоведущих частей РУ 110 кВ
Согласно ПУЭ сборные шины по
экономической плотности тока не выбираются, поэтому принимаем сечение по
допустимому току при максимальной нагрузке на шинах.
Согласно ПУЭ наименьшее допустимое
сечение провода по условию короны должно быть равно 240 мм2 . По [1]
табл. П3.3 выбираем провод
АС-400/64: Iдоп=860 А; q=400 мм2;
d=27,7 мм. Принимаем, что фазы расположены горизонтально, с расстоянием между
ними - 300 см
Проверка на схлестывание не
производится, так как по I(3)ПО<20 кА
Проверка на термическое действие
тока КЗ не производится, так как шины выполнены голыми проводами на открытом
воздухе.
Проверим по условию короны.
Начальная напряженность:
где m=0,82
- коэффициент, учитывающий шероховатость поверхности проводов;
r0
- радиус провода
Напряженность вокруг провода:
где U - линейное напряжение, кВ;
Dср=1,26D -
среднее геометрическое расстояние между проводами, см
Dср=1,26·300=387
см
Условие образования короны:
1,07Е≤0,9Е0
,07·11,54 = 12,35 кВ / см <
0,9·31,1 = 28кВ / см
Ошиновку от выводов трансформатора
до сборных шин выполняем проводом марки АС. Выбираем сечение по экономической
плотности тока:
где Jэ=1,3 А/мм2
(по табл.7.2 [1])
По условию короны провод должен быть сечением,
не менее 240 мм2. Выполняем ошиновку проводом АС-400/64. Расстояние
между фазами принимаем 300 см. Проверим
провод по допустимому току:
Iдоп=860 А > IМАХ=430 А
Проверку на термическую стойкость не производим,
так как пучок гибких неизолированных проводов имеет большую поверхность
охлаждения. Проверку на электродинамическое действие тока КЗ не производим, так
как I(3)ПО<20
кА.
Выбор токоведущих частей РУ 35 кВ
Определим Imax
и Iнорм
По табл. П3.5 [1] выбираем шины
алюминиевые коробчатого сечения 2(75*35*5,5) общим сечением 2*695 мм2;
Iдоп=2670 А
С учетом поправочного коэффициента
на температуру:
где Θдоп=70
оС для неизолированных проводов и окрашенных шин;
Θ0.ном=25
оС;
Θ0=+30
оС
Θ0 -
действительная температура окружающей среды
доп=2670·0,943=2509
Адоп> Iмах
Проверку шин на термическую стойкость не
производим, так как I(3)ПО<20
кА. Шины коробчатого
сечения обладают большим моментом инерции, поэтому расчет производим без учета
колебательного процесса в механической конструкции. Принимаем, что шины
соединены жестко по всей длине сварным швом. Шины расположены вертикально: Wф=Wу0-у0=30,1
см2. Сила взаимодействия
между фазами:
где l - длина
пролета между изоляторами (принимаем l=2 м); α=0,5 м.
МПа <
МПа,
следовательно, шины механически прочны.
Выбор токоведущих частей РУ 6 кВ
В закрытых РУ 6-10 кВ ошиновка и сборные шины
выполняются жесткими алюминиевыми шинами. При токах до 3000А применяются одно-
и двухполюсные шины. Выше 3000А - шины коробчатого сечения. Согласно ПУЭ (§1.
3. 28) проверка сборных шин и ошиновка в пределах РУ по экономической плотности
тока не выбираются. Выбор производим по допустимому току.
По табл. П3.5 [1] выбираем шины
алюминиевые коробчатого сечения 2(150*65*7) общим сечением 2*1785 мм2;
Iдоп=5650 А
С учетом поправочного коэффициента
на температуру:
Iдоп=5650·0,943=5328 А
Iдоп> Iмах
Проверку шин на термическую стойкость не
производим, так как I(3)ПО<20
кА
Шины коробчатого сечения обладают большим
моментом инерции, поэтому расчет производим без учета колебательного процесса в
механической конструкции. Принимаем, что шины соединены жестко по всей длине
сварным швом. Шины расположены вертикально:
Wф=Wу0-у0=167 см2.
МПа <
Мпа,
следовательно, шины механически
прочны.
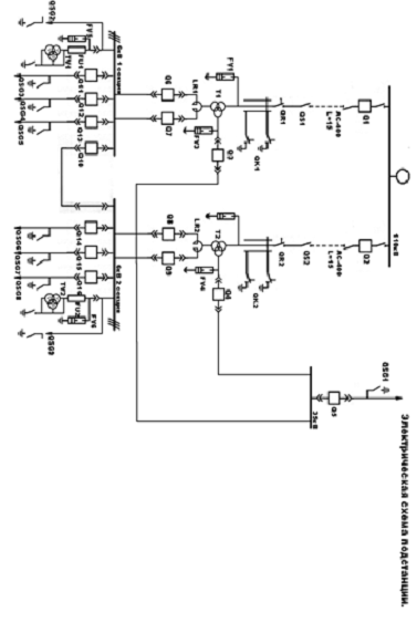
Заключение
В соответствии с исходными данными для курсового
проекта была спроектирована трансформаторная подстанция на напряжение 110/35/6
кВ. На подстанции установлены два трехобмоточных трансформатора мощностью 63000
кВА. На основе проведенных расчетов спроектирована и разработана принципиальная
схема подстанции для которой было выбрано основное и вспомогательное
оборудование.
Список литературы
1.
Рожкова
Л.Д., Козулин В.Г. Электрооборудование станций и подстанций. - М.:
Энергоатомиздат, 2002 г
2.
Неклепаев
Б.Н., Крючков И.П. Электрическая часть станций и подстанций: Справочные
материалы для курсового и дипломного проектирования. - М.: Энергоатомиздат,
2000 г
3.
Неклепаев
Б.Н. Электрическая часть станций и подстанций. - М.: Энергоатомиздат, 2001г. -
640 с.